先锋PIONEER F-Z94音响电路图

分类:电子电工 日期: 点击:0
先锋PIONEER F-Z94音响电路图-0 先锋PIONEER F-Z94音响电路图-1 先锋PIONEER F-Z94音响电路图-2 先锋PIONEER F-Z94音响电路图-3 先锋PIONEER F-Z94音响电路图-4 先锋PIONEER F-Z94音响电路图-5 先锋PIONEER F-Z94音响电路图-6 先锋PIONEER F-Z94音响电路图-7 先锋PIONEER F-Z94音响电路图-8 先锋PIONEER F-Z94音响电路图-9

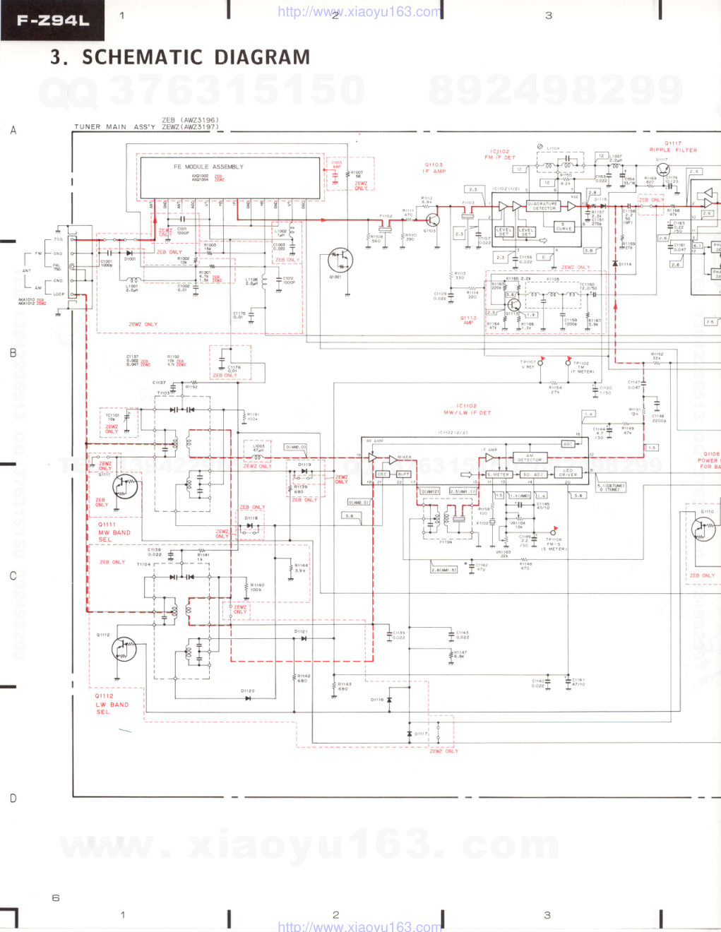
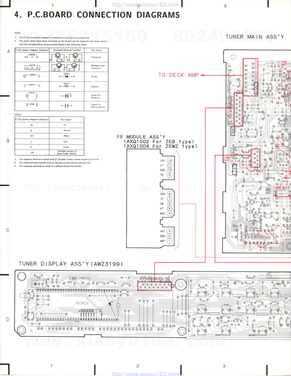
(D rrloNeerl' The Art of Entertainnrent -|.:# t--=:::------ t l _ 4 1 | 6 'r - - - : - r l j FM/AM DIGITAL SYNTHESIZER TUNER - a o o o o o a FIZS|4L F-294 This manual is applicable to the F-Z9[L|ZEB and F-Z94|ZEWZ types. As to the other types, refer to applicable service manuals. F-294L and F-25701 cover MW/IW bands while F-294 and F-2570 cover MW. These products are components of systems. As to the system composition, refer to the system manuals. Each of these products does not function properly when independent ; to avoid malfunctions, be sure to connect it to the prescribed system components, otherwise damage may result. Ce manuel pour le sevice comprend les explications de r6glage on frane ais. Este manual de servicio trata del m6todo ajuste escrito en espaFol. ORDER NO. A R P 2 I 3 4 MODEL F-294L, F-294, F-2570t and F-2570 HAVE FOLLOWING VERSIONS : Typc Appliceblc modcl Powcr rcquircmcnt Dcstination F-294t F-Z9l F-2570t F-ZEt0 ZEB X o X (DC powcr supply) Europcan contin€nt and United Kingdom zEwz X X (DC powcr supply) Germany z X X (DC powcr supply) Gencral rnarket ZEVVXlB o X o X (DC power supply) Europcan continent ZIXlB X o X o (DC powcr supply) Italy PIONEER ELECTRONIC CORPORATION 4-1, Mesuro 1-chome, Mesuro-ku, rokyo 153, Japan PIONEER ELECTRONICS SERVICE lNC. P.O. Box 1760, Long Beach, California 90801 U.S.A. PIONEER ELECTRONICS OF CANADA, lNC. 505 Cochrane Drive, Markham, Ontario L3R 8E3 Canada PIONEER ELECTRONIC IEUROPEI N.V. Keetberglaan 1,2740 Beveren, Belgium PfONEEB ELECTRONICS AUSTRALIA PTY. LTD. 178j184 Boundary Road, Braeside, Victoria 3195, Australia TEL: [03] 580-9911 O PIONEER ELECTRONIC CORPORATION 1990 FX DEC. 1990 Printed in Japan www. xiaoyu163. com QQ 376315150 9 9 2 8 9 4 2 9 8 TEL 13942296513 9 9 2 8 9 4 2 9 8 0 5 1 5 1 3 6 7 3 Q Q TEL 13942296513 QQ 376315150 892498299 TEL 13942296513 QQ 376315150 892498299 http://www.xiaoyu163.com CONTENTS I.SPECtFtCATtONS .......................................2 2. EXPLODEO VIEWS. PACKING AND PARTS L|ST ... .. ... .. ... .. ... .. .. 3 3. ScHEMATtC DTAGRAM . ... .. .. . .. .... . .. . .. ... .. .... . .. 6 4. P.C, BOARD CONNECTION DIAGRAMS ......... 10 5.P.C.B'�SPARTSLt5T ..'.'..'.'....'.'.........'......13 1. SPEC|F|CATTONS FM Tuner Section Frequency range....... 87.5 MH2 to lOS MHz Usabf e Sensitivity.-................ Mono: 1 2.8 d9f , IHF 11.2 pV 17 5 A) Sensitivity {DlN)........ Mono S/N 26 dB: 1 avl75 0 . Stereo S/N 46 dB: 35 pVl75 0 Signal-to-Noise Ratio (lHF, 85 dBt Input) Mono: 77 dB Signal-to-Noise Ratio {DlN)-..........-........................ Mono: 66 dB Stereo: 60 dB D i s t o r t i o n . . . . . . . . . . . . . . . . . . S t e r e o : 0 . 5 % { l k H z ) Antenna Input.......... ........ 75 O unbalanced MW {AM} Tuner Section Frequency Range ...... 531 kHz to 1,602 kHz Sensitivity (lHF, Loop antenna) ..... 350 FVlm Antenna...,..,.,..,.,,.,. ,,.,.,.,.,., Loop Antenna LW Tuner Section Frequency range....... .-. 153 kHz ro 281 kHz Sensitivity (lHF, Loop antenna) ... 1500 pvlm An1enna..,.,.,,.,.,.,,.,. ,.,.,.,.,,. Loop Antenna Misc€llaneous Dimensions.............- 360 (W) x 68 (H) x 316 (D) mm Weight (without package) ..-.................... ...................... 2.2 kg Fumished Parts F M A n t e n n a . . . . . . . . . . . - . . . . . . . . . . . . . . . . . . . . . - . . . . . . . 1 A M L o o p A n t e n n a . . . . . . . . . . . . . . . . . . . . . . . . . . . . . . . . . 1 . Specifications and design subject to possible modification without notice due to imprcvement. 6 . A D J U S T M E N T S ' . . . . . . . ' . . . . ' . ' . . . . ' . ' . ' . . . . . . . . . . . . . . . . . 1 5 6. REGLAGE www. xiaoyu163. com QQ 376315150 9 9 2 8 9 4 2 9 8 TEL 13942296513 9 9 2 8 9 4 2 9 8 0 5 1 5 1 3 6 7 3 Q Q TEL 13942296513 QQ 376315150 892498299 TEL 13942296513 QQ 376315150 892498299 http://www.xiaoyu163.com 2. EXPLODED VIEWS, PACKING AND PARTS LIST NOTES: . Parts without part nutnber cannot be supplied,. . Parts marked. bg " (D" are not always kept in stock. Their d.elioery lime may be longer lhan usual or theg mag be unaaailable. o The A mark found on some cotnponent parts ind,icates lhe importance of lhe safety laclor of the part. Therefore, uhen replacing, be sure to use parts ol id,entical d,esignation. PARTS LIST OF EXTERIOR AND PACKING Marl ilo. & Description Parl ilo. ADE1102 AE81r11 AED1112 ABA-298 ABA1O18 ABAllOO ABE-053 BP226POsOFMC AEC1m3 AMB1739 AAK2O82 AAD1682 AAD1892 AHA1313 AHD1995 AWZ3196 AWZ3199 1. CORD WITH PLUG 2. CHASSTS 3. RUBEER SHEET ,I. WASHER 5. PCB MOULD 7. 8. 10. 11. L2. 13. L1. 15. t7. 18. 20. 21. 22. 23. 24. SCREW scREw 3x 18 SCREW 3X 18 WASHER SCREW LEG ASSEMELY FRONT PANEL DISPLAY PLATE GOLDEN BUTTON STATION BUTTON WAKE UP BUTTON AAD1893 BONNET ANEI285 FM ANTENNA ADH1OOs LOOP ANTENNA ASSEMELY AT81006 srDE PAD(L) AHA1312 SIDE PAD(R) PACKINC CASE PACKING SHEET MAIN ASSEMBLY DISPLAY ASSEMBLY EARTH PLATE(F-294 /ZEWZ or.l,r) www. xiaoyu163. com QQ 376315150 9 9 2 8 9 4 2 9 8 TEL 13942296513 9 9 2 8 9 4 2 9 8 0 5 1 5 1 3 6 7 3 Q Q TEL 13942296513 QQ 376315150 892498299 TEL 13942296513 QQ 376315150 892498299 http://www.xiaoyu163.com B U 3 2 v 6 , { www. xiaoyu163. com QQ 376315150 9 9 2 8 9 4 2 9 8 TEL 13942296513 9 9 2 8 9 4 2 9 8 0 5 1 5 1 3 6 7 3 Q Q TEL 13942296513 QQ 376315150 892498299 TEL 13942296513 QQ 376315150 892498299 http://www.xiaoyu163.com 6 ffi\ "-iV

标签:

版权声明

1. 本站所有素材,仅限学习交流,仅展示部分内容,如需查看完整内容,请下载原文件。
2. 会员在本站下载的所有素材,只拥有使用权,著作权归原作者所有。
3. 所有素材,未经合法授权,请勿用于商业用途,会员不得以任何形式发布、传播、复制、转售该素材,否则一律封号处理。
4. 如果素材损害你的权益请联系客服QQ:77594475 处理。