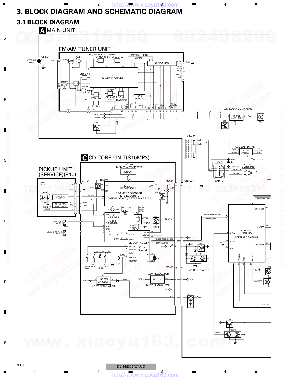
先锋PIONEER DEH-M8037ZTUC电路图

分类:电子电工 日期: 点击:0
先锋PIONEER DEH-M8037ZTUC电路图-0 先锋PIONEER DEH-M8037ZTUC电路图-1 先锋PIONEER DEH-M8037ZTUC电路图-2 先锋PIONEER DEH-M8037ZTUC电路图-3 先锋PIONEER DEH-M8037ZTUC电路图-4 先锋PIONEER DEH-M8037ZTUC电路图-5 先锋PIONEER DEH-M8037ZTUC电路图-6 先锋PIONEER DEH-M8037ZTUC电路图-7 先锋PIONEER DEH-M8037ZTUC电路图-8 先锋PIONEER DEH-M8037ZTUC电路图-9

PIONEER CORPORATION 4-1, Meguro 1-Chome, Meguro-ku, Tokyo 153-8654, Japan PIONEER ELECTRONICS (USA) INC. P.O.Box 1760, Long Beach, CA 90801-1760 U.S.A. PIONEER EUROPE NV Haven 1087 Keetberglaan 1, 9120 Melsele, Belgium PIONEER ELECTRONICS ASIACENTRE PTE.LTD. 253 Alexandra Road, #04-01, Singapore 159936 C PIONEER CORPORATION 2003 K-ZZD. APR. 2003 Printed in Japan ORDER NO. CRT3062 SCION AUDIO SYSTEM SINGLE CD DECK DEH-M8037ZT UC Service Manual TOYOTA DEH-M8037ZT/UC For details, refer to "Important symbols for good services". VEHICLE DESTINATION PRODUCED AFTER TOYOTA PART No. ID No. PIONEER MODEL No. xA, xB U.S.A. April 2003 86120-0W080 T1801 DEH-M8037ZT/UC - This service manual should be used together with the following manual(s): Model No. Order No. Mech. Module Remarks CX-3057 CRT3026 S10MP3 CD Mech. Module:Circuit Description, Mech.Description, Disassembly www. xiaoyu163. com QQ 376315150 9 9 2 8 9 4 2 9 8 TEL 13942296513 9 9 2 8 9 4 2 9 8 0 5 1 5 1 3 6 7 3 Q Q TEL 13942296513 QQ 376315150 892498299 TEL 13942296513 QQ 376315150 892498299 http://www.xiaoyu163.com 2 1 2 3 4 1 2 3 4 F E D C B A DEH-M8037ZT/UC [ Important symbols for good services ] In this manual, the symbols shown-below indicate that adjustments, settings or cleaning should be made securely. When you find the procedures bearing any of the symbols, be sure to fulfill them: 2. Adjustments To keep the original performances of the product, optimum adjustments or specification confirmation is indispensable. In accordance with the procedures or instructions described in this manual, adjustments should be performed. 3. Cleaning For optical pickups, tape-deck heads, lenses and mirrors used in projection monitors, and other parts requiring cleaning, proper cleaning should be performed to restore their performances. 5. Lubricants, glues, and replacement parts Appropriately applying grease or glue can maintain the product performances. But improper lubrication or applying glue may lead to failures or troubles in the product. By following the instructions in this manual, be sure to apply the prescribed grease or glue to proper portions by the appropriate amount.For replacement parts or tools, the prescribed ones should be used. 4. Shipping mode and shipping screws To protect the product from damages or failures that may be caused during transit, the shipping mode should be set or the shipping screws should be installed before shipping out in accordance with this manual, if necessary. 1. Product safety You should conform to the regulations governing the product (safety, radio and noise, and other regulations), and should keep the safety during servicing by following the safety instructions described in this manual. SAFETY INFORMATION - CD Section Precaution 1. Before disassembling the unit, be sure to turn off the power. Unplugging and plugging the connectors during power-on mode may damage the ICs inside the unit. 2. To protect the pickup unit from electrostatic discharge during servicing, take an appropriate treatment (shorting-solder) by referring to "the DISASSEMBLY" on page 56. 3. After replacing the pickup unit, be sure to check the grating. (See p.49.) This service manual is intended for qualified service technicians; it is not meant for the casual do-it-yourselfer. Qualified technicians have the necessary test equipment and tools, and have been trained to properly and safely repair complex products such as those covered by this manual. Improperly performed repairs can adversely affect the safety and reliability of the product and may void the warranty. If you are not qualified to perform the repair of this product properly and safely; you should not risk trying to do so and refer the repair to a qualified service technician. www. xiaoyu163. com QQ 376315150 9 9 2 8 9 4 2 9 8 TEL 13942296513 9 9 2 8 9 4 2 9 8 0 5 1 5 1 3 6 7 3 Q Q TEL 13942296513 QQ 376315150 892498299 TEL 13942296513 QQ 376315150 892498299 http://www.xiaoyu163.com 3 5 6 7 8 F E D C B A 5 6 7 8 DEH-M8037ZT/UC CONTENTS SAFETY INFORMATION......................................................................................................................................................2 1. SPECIFICATIONS .................................................................................................................................................................4 2. EXPLODED VIEWS AND PARTS LIST ................................................................................................................................5 2.1 PACKING..........................................................................................................................................................................5 2.2 EXTERIOR........................................................................................................................................................................6 2.3 CD MECHANISM MODULE ............................................................................................................................................8 3. BLOCK DIAGRAM AND SCHEMATIC DIAGRAM.............................................................................................................10 3.1 BLOCK DIAGRAM .........................................................................................................................................................10 3.2 OVERALL CONNECTION DIAGRAM(GUIDE PAGE) ...................................................................................................12 3.3 KEYBOARD UNIT ..........................................................................................................................................................18 3.4 CD MECHANISM MODULE(GUIDE PAGE)..................................................................................................................20 4. PCB CONNECTION DIAGRAM..........................................................................................................................................30 4.1 MAIN UNIT ....................................................................................................................................................................30 4.2 KEYBOARD UNIT ..........................................................................................................................................................34 4.3 CD MECHANISM MODULE ..........................................................................................................................................36 5. ELECTRICAL PARTS LIST..................................................................................................................................................38 6. ADJUSTMENT...................................................................................................................................................................45 6.1 CONNECTION DIAGRAM .............................................................................................................................................45 6.2 TEST MODE...................................................................................................................................................................46 6.3 CD ADJUSTMENT ........................................................................................................................................................47 6.4 CHECKING THE GRATING AFTER CHANGING THE PICKUP UNIT...........................................................................49 6.5 ERROR MODE ...............................................................................................................................................................51 6.6 AVC-LAN DIAGNOSIS MODE.......................................................................................................................................52 7. GENERAL INFORMATION.................................................................................................................................................56 7.1 DIAGNOSIS ...................................................................................................................................................................56 7.1.1 DISASSEMBLY .......................................................................................................................................................56 7.1.2 CONNECTOR FUNCTION DESCRIPTION .............................................................................................................60 7.2 PARTS ............................................................................................................................................................................61 7.2.1 IC .............................................................................................................................................................................61 7.2.2 DISPLAY..................................................................................................................................................................71 7.3 EXPLANATION ..............................................................................................................................................................72 7.3.1 SYSTEM BLOCK DIAGRAM ..................................................................................................................................72 7.3.2 OPERATIONAL FLOW CHART ...............................................................................................................................73 7.4 CLEANING .....................................................................................................................................................................74 8. OPERATIONS .....................................................................................................................................................................75 www. xiaoyu163. com QQ 376315150 9 9 2 8 9 4 2 9 8 TEL 13942296513 9 9 2 8 9 4 2 9 8 0 5 1 5 1 3 6 7 3 Q Q TEL 13942296513 QQ 376315150 892498299 TEL 13942296513 QQ 376315150 892498299 http://www.xiaoyu163.com 4 1 2 3 4 1 2 3 4 F E D C B A DEH-M8037ZT/UC 1. SPECIFICATIONS General Power source . . . . . . . . . . . . . 13.2 V DC (10.5 – 16.0 V allowable) Grounding system . . . . . . Negative type Max. current consumption . . . . . . . 15 A Backup current . . . . . . . . . 0.3 mA or less Dimensions ( W × H × D ) . . . . . . . . . . . . . . . . 200 × 100 × 165 mm Weight . . . . . . . . . . . . . . . . . . . . . . 1.8 kg Audio Tone controls (Bass) . . . . . . . . . . . . Frequency : 55 Hz Level : +11 dB -13 dB (Treble) . . . . . . . . Frequency : 14080 Hz Level : +8 dB -10 dB Maximum power output . . . . . . 40 W × 4 Load impedance . . . . . . . . . . . . . . . . 4 Ω CD player System . . . . Compact disc audio system Usable discs . . . . . . . . . . . Compact disc Signal format Sampling frequency . . . . . . . . 44.1 kHz Number of quantization bits . . . . . . . . . . . . . . . . . . . . . . . . 16; linear Number of channels . . . . . . . . 2 (stereo) MP3 decoding format . . . . . . . . . . . MPEG1 & 2 Audio Layer 3 AM tuner Frequency range . . . . . . . 530 – 1710 kHz FM tuner Frequency range . . . . 87.75 – 107.9 MHz www. xiaoyu163. com QQ 376315150 9 9 2 8 9 4 2 9 8 TEL 13942296513 9 9 2 8 9 4 2 9 8 0 5 1 5 1 3 6 7 3 Q Q TEL 13942296513 QQ 376315150 892498299 TEL 13942296513 QQ 376315150 892498299 http://www.xiaoyu163.com 5 5 6 7 8 F E D C B A 5 6 7 8 DEH-M8037ZT/UC 2. EXPLODED VIEWS AND PARTS LIST 2.1 PACKING 1 ••••• 2 Screw Assy CEA3954 * 3 Polyethylene Bag CEG-127 4 Screw HMF50P080FTC * 5 Polyethylene Bag CEG1116 * 6 Polyethylene Bag CEG1322 7 Carton CHA3274 8 Contain Box CHL5058 9 Protector CHP2140 10 Protector CHP2141 11 Owner's Manual CRB1826 (English) Mark No. Description Part No. Mark No. Description Part No. NOTE: - Parts marked by “*” are generally unavailable because they are not in our Master Spare Parts List. - Screws adjacent to ∇ mark on the product are used for disassembly. - For the applying amount of lubricants or glue, follow the instructions in this manual. ( In the case of no amount instructions, apply as you think it appropriate.) - PACKING SECTION PARTS LIST www. xiaoyu163. com QQ 376315150 9 9 2 8 9 4 2 9 8 TEL 13942296513 9 9 2 8 9 4 2 9 8 0 5 1 5 1 3 6 7 3 Q Q TEL 13942296513 QQ 376315150 892498299 TEL 13942296513 QQ 376315150 892498299 http://www.xiaoyu163.com 6 1 2 3 4 1 2 3 4 F E D C B A DEH-M8037ZT/UC 2.2 EXTERIOR www. xiaoyu163. com QQ 376315150 9 9 2 8 9 4 2 9 8 TEL 13942296513 9 9 2 8 9 4 2 9 8 0 5 1 5 1 3 6 7 3 Q Q TEL 13942296513 QQ 376315150 892498299 TEL 13942296513 QQ 376315150 892498299 http://www.xiaoyu163.com 1 Screw BSZ26P050FTC 2 Screw BSZ26P140FTC 3 Screw BSZ30P080FTC 4 ••••• 5 Connector CDE7172 6 CD Mechanism Module(S10MP3)CXK5680 7 Chassis CNA2618 8 Case CNB2842 9 Insulator CNM8107 10 Heat Sink CNR1683 11 IC(IC801) TDA7386 12 Main Unit CWM8737 13 Screw ASZ26P080FTC 14 Screw BMZ30P040FTC 15 Screw(M3x6) CBA1393 16 Terminal(CN474,476) CKF1064 17 Transistor(Q431,441,850) 2SB1185 18 Connector(CN471) CKM1222 19 Connector(CN473) CKM1350 20 Connector(CN472) CKM1351 21 Connector(CN601) CKS3837 22 Connector(CN479) CKS4670 23 Connector(CN501) CKX1064 24 Holder CNC9591 25 Holder CNC9592 * 26 Shield CNC9595 27 Holder CND1460 28 FM/AM Tuner Unit CWE1630 29 Holder CNC8855 30 Chassis Unit CXC1012 31 Screw BPZ20P100FTC 32 Button(EJECT) CAC7884 33 Button(PWR) CAC7885 34 Button(HOME) CAC7887 35 Button(SSP) CAC7889 36 Button(1,2) CAC7890 37 Button(3,4) CAC7891 38 Button(5,6) CAC7892 39 Button(SCAN,TEXT) CAC7893 40 Button(A) CAC7894 41 Button(UP) CAC7895 42 Button(M) CAC8074 43 Button(DOWN) CAC8075 44 Cover CNM7433 45 Cushion CNM8306 46 Lighting Conductor CNV7542 47 Holder CNV7543 48 Holder CNV7544 49 Guide CNV7646 50 Keyboard Unit CWM8738 51 LCD CAW1809 52 Connector(CN901) CKS4671 53 Holder CND1423 54 Sheet CNM8437 55 Lighting Conductor CNV7540 56 Connector CNV7557 57 Button Unit(SOURCE) CXC1081 58 Grille Unit CXC1323 59 Screw ISS26P055FTC 7 5 6 7 8 F E D C B A 5 6 7 8 DEH-M8037ZT/UC Mark No. Description Part No. Mark No. Description Part No. - EXTERIOR SECTION PARTS LIST www. xiaoyu163. com QQ 376315150 9 9 2 8 9 4 2 9 8 TEL 13942296513 9 9 2 8 9 4 2 9 8 0 5 1 5 1 3 6 7 3 Q Q TEL 13942296513 QQ 376315150 892498299 TEL 13942296513 QQ 376315150 892498299 http://www.xiaoyu163.com 1GEM1024 2GEM1045 3GEM1035 1 1 1 1 1 1 1 1 2 2 2 2 1 1 1 1 1 2 2 1 3 8 1 2 3 4 1 2 3 4 F E D C B A DEH-M8037ZT/UC 2.3 CD MECHANISM MODULE www. xiaoyu163. com QQ 376315150 9 9 2 8 9 4 2 9 8 TEL 13942296513 9 9 2 8 9 4 2 9 8 0 5 1 5 1 3 6 7 3 Q Q TEL 13942296513 QQ 376315150 892498299 TEL 13942296513 QQ 376315150 892498299 http://www.xiaoyu163.com 9 5 6 7 8 F E D C B A 5 6 7 8 DEH-M8037ZT/UC Mark No. Description Part No. Mark No. Description Part No. 1 CD Core Unit(S10MP3) CWX2810 2 Connector(CN101) CKS4182 3 Connector(CN901) CKS4017 4 Screw BMZ20P035FTC 5 Screw BSZ20P040FTC 6 Screw(M2x4) CBA1362 7 Screw(M2x3) CBA1511 8 Screw(M2x3) CBA1527 9 Washer CBF1037 10 Washer CBF1038 11 Washer CBF1060 12 Spring CBH2390 13 Spring CBH2606 14 Spring CBH2607 15 Spring CBH2608 16 Spring CBH2609 17 Spring CBH2610 18 Spring CBH2611 19 Spring CBH2612 20 Spring CBH2613 21 Spring CBH2614 22 Spring CBH2615 23 Spring CBH2616 24 Spring CBH2617 25 Spring CBH2620 26 Spring CBH2621 27 Spring CBH2641 28 Spring CBH2642 29 Spring CBH2643 30 Spring CBH2659 31 Spring CBH2688 32 ••••• 33 Shaft CLA3845 34 Frame CNC9962 35 Frame CNC9963 36 Bracket CNC9966 37 Bracket CNC9967 38 Arm CNC9968 39 Arm CNC9973 40 Lever CNC9983 41 Lever CNC9984 42 Sheet CNM8134 43 Collar CNV6906 44 Guide CNV6925 45 Arm CNV7198 46 Rack CNV7199 47 Holder CNV7201 48 Holder CNV7202 49 Arm CNV7203 50 Gear CNV7207 51 Gear CNV7208 52 Gear CNV7209 53 Gear CNV7210 54 Gear CNV7211 55 Gear CNV7212 56 Rack CNV7214 57 Arm CNV7215 58 Arm CNV7216 59 Guide CNV7217 60 Roller CNV7218 61 Gear CNV7219 62 Arm CNV7221 63 Arm CNV7220 64 Arm CNV7222 65 Damper CNV7634 66 Damper CNV7633 67 Arm CNV7341 68 Arm CNV7342 69 Guide CNV7360 70 Guide CNV7361 71 Holder CNV7437 72 Arm CNV7444 73 Gear CNV7595 74 Damper CNV7632 75 Motor Unit(M1) CXB6007 76 Chassis Unit CXB8728 77 Screw Unit CXB8729 78 Gear Unit CXB8731 79 Arm Unit CXB8732 80 Arm Unit CXB8735 81 Arm Unit CXB8852 82 Motor Unit(M2) CXB8933 83 Bracket CNC9985 84 ••••• 85 Screw(M2x5) EBA1028 86 Screw JFZ20P020FTC 87 Screw JGZ17P022FTC 88 Washer YE15FTC 89 Washer YE20FTC 90 Pickup Unit(Service)(P10) CXX1664 91 Screw IMS26P030FTC - CD MECHANISM MODULE SECTION PARTS LIST www. xiaoyu163. com QQ 376315150 9 9 2 8 9 4 2 9 8 TEL 13942296513 9 9 2 8 9 4 2 9 8 0 5 1 5 1 3 6 7 3 Q Q TEL 13942296513 QQ 376315150 892498299 TEL 13942296513 QQ 376315150 892498299 http://www.xiaoyu163.com 10 BRST,BRXEN,BSRQ Q602 Q603 MUTE C CN901 Q101 M LASER DIODE MONITOR DIODE CLAMP SENSE DISC SENSE FOCUS ACT. SPINDLE MOTOR M CARRIAGE MOTOR LOAD/ TRACKING ACT. LD- MD FO+ TO+ 15 5 1 4 PICKUP UNIT (SERVICE)(P10) HOLOGRAM UNIT IC 301 BA5996FM IC 201 UPD63760GJ IC 703 +3.3V REGULATOR RF-AMP,CD DECODER, MP3 DECODER, DIGITAL SERVO / DATA PROCESSOR CD DRIVER 3 VD VD 3VDD 10 LOUT 5 CN101 TOP FOP 16 SOP 15 SOM 18 LCOP 17 LCOM 22 4,5 LOEJ 35 35 LOUT 36 9 CONT 12 FOP TD/FD AC,BD F,E SD/MD 1 13 TOP HOME 12EJ SENSE 8EJ SENSE LD+ 14 142 LD 141 PD CD CORE UNIT(S10MP3) 39 38 X201 X701 DSCSNS CONT LOEJ HOME 75 77 28 26 VDD IC 203 BA033SFP +3.3V REGULATOR V3R3D 2 4 CD3VON 25 VDCONT 24 1 S-812C33AUA-C2N CD CONTROLLER IC 701 PE5370B 33 CDMUTE 4 V3R3D WINT, WAIT, RFOK DRAM IC 202 MSM51V4265EP-70TS TC74VHCT08AFT IC 702 XWINT, XWAIT, FOK 19 BDATA,BSCK VD2 2 Q701 17 ADENA 14 VCC VDD 15 5 1 4 14 CLAMP 93 VD2 VDCONT X1 X2 31 reset 15 IC 781 HA12187FP AVC-LAN DRIVER 42 SYSMUTE XOUT XIN SYSTEM CONTROL IC 701(2/2) PD5861A CN501 SWVDD AUDIO+B ANTENNA JACK 1 2 BUS- BUS+ BUS-L BUS+L 1 2 8 6 5 TX RX IPPW CN1601 13 X701 15 dsprst,dsperr,I 49 SYSPW ILLPWM 28 CN473 IC 331 NJM4558MD 7 5 6 IC 561 HA12181FP 9 16 3 BLDA 3 cdej 74 AM NOISE CANCELER AM FM L Q502 LOCL PDIO A C MAIN UNIT FM/AM TUNER UNIT Q561 3 10 5 4 19 2 VD Q1411 VDD BRST,BRXEN,BSRQ BDATA,BSCK VD TX1- TX1+ CN472 BU Q431 Q432 BU Q850 Q BU ILLPWM Q853 Q854 BU BLDA AMPNS AMDET Q524 LCE,LRST POWER 63 LANMUT ACC TX- TX+ 46 LANMUTE VD REGULATOR 7 15 RESET IC 3 EEPROM 28 27 FM/AM 1ST IF 10.7MHz T51 Q51 CF51 CF52 CF53 IC1 MIXER, IF AMP, DET. 6 21 18 LDET COMP 22 25 10 14 12 15 16 8 13 2 3 4 CF202 VDD VCC DI/DO CE2 CK CE1 SDBW SL FMSD NL1 NL2 IC 2 FM MPX AMANT FMANT ATT ATT AMRF FMRF IMG ADJ RF ADJ X901 10.25MHz ANT ADJ LOCL 23 LOCH AMDET MPXREF 41kHz AM 2ND IF 450kHz 19 CREQ 11 DGND 1 STIND L ch 5 R ch 9 24 AMDET FMLOCL 20 17 7 AMPNS WC 26 RFGND AMIN 1 2 3 4 1 2 3 4 F E D C B A DEH-M8037ZT/UC 3. BLOCK DIAGRAM AND SCHEMATIC DIAGRAM 3.1 BLOCK DIAGRAM www. xiaoyu163. com QQ 376315150 9 9 2 8 9 4 2 9 8 TEL 13942296513 9 9 2 8 9 4 2 9 8 0 5 1 5 1 3 6 7 3 Q Q TEL 13942296513 QQ 376315150 892498299 TEL 13942296513 QQ 376315150 892498299 http://www.xiaoyu163.com 11 12 1 bsen asen VDD BU locl 20 19 SD SL PCE1 pck PCE2 PDO 5 FL 14 RL 42 SMUTE SWILL+B SWVDD 3 5 19 17 FL- FL+ RL- RL+ ACC 27 25 97 LIN-1 81 LIN-3 83 LIN-2 82 LIN-4 23 2 22 1 30 29 47 FLIN 12 RLIN 15 22 4 SYSTEM CONTROL RESET POWER AMP IC 701(1/2) PD5861A L IC 351 PM2010A S-80835CNNB-B8U IC 801 TDA7386 reset SWVDD Q404 TX RX TX RX1 IPPW DSP/ ELECTRONIC VOLUME/ SOURCE SELECTOR SWVDD STBY MUTE 1 5 3 CN479 2 Q402 prst,dsperr,IFOK,dspack,IFDI,IFDO,IFCLK,dspcs FM L LANL CD L Q801 49 SYSPW +B ACC ACC RL+ FL+ RL- FL- TX RX PCE1 CN471 84 AM isen 18 Q403 SYSPW cdej 7 A SENSE PDI 100 PDIO Q351 AUDIO+B DSP VDD (3.3V)REGULATOR VDD 3,8,18,27,37,49,76,77,96 ILL pck ce@ 89 DMI Q561 6,20 VCC BU S-812C56AUA-C3K IC 421 3 2 Q421 Q422 swvdd 73 VDD BU Q805 SYSPW Q802 Q804 Q803 SYSPW Q441 Q442 BU SYSPW AUDIO+B Q850 Q852 PWM BKLTB 9 Q410 ILL- SWVDD BU Q451 Q452 SYSPW AMP Q806 SWVDD TLMT 43 TELMUTE IC 782 1/2VCC BU Q454 Q455 Q453 44 FMPW 45 AMPW ANT Q807 AUDIO+B Q808 SVR 10 Q563 Q565 AUDIO+B AMB AMPW 45 LCE,LRST,LOFF,LCK,LDT POWER 6 Q701 SWVDD 46 NMUTE LANMUT BU B SENSE I SENSE ILL ANT +B WF AMP+B ILL- AUDIO+B BU MUTE MUTE RESET LPF KEYILB V5SWVD IC 901 UPD16432B-001 LCD DRIVER/ KEY CONTROLLER KEY MATRIX 1 5 KEY DATA VDD 12 CN901 LCD 3 BKLTB ILLUMINATION 7 cdej EJECT LCD BACKLIGHT B KEYBOARD UNIT LCE,LRST,LOFF,LCK,LDT 9 (AMBER) Q912 Q913 V5SWVD keyill 3 PWR POWER 6 5 6 7 8 F E D C B A 5 6 7 8 DEH-M8037ZT/UC www. xiaoyu163. com QQ 376315150 9 9 2 8 9 4 2 9 8 TEL 13942296513 9 9 2 8 9 4 2 9 8 0 5 1 5 1 3 6 7 3 Q Q TEL 13942296513 QQ 376315150 892498299 TEL 13942296513 QQ 376315150 892498299 http://www.xiaoyu163.com A-a A-b A-a A-b A-b A-a Large size SCH diagram Guide page Detailed page Note: When ordering service parts, be sure to refer to " EXPLODED VIEWS AND PARTS LIST" or "ELECTRICAL PARTS LIST". A-a A BDATA FM/AM TUNER UNIT B CN901 C CN901 2 4 1 5 6 3 DIGITAL SOUND P SOURCE SELE ELECTRIC VO SYSTEM CONTROLLER AM PNS ANTENNA JACK 2 4 1 5 3 CD:+0.1dBs (1kHz,0dB) AM:-12.7dBs FM:-27dBs (400Hz,30% mod) AM:-13.2dBs FM:-27dBs AM:-28dBs CD: 0dBs AVC-LAN: 0dBs FM: - AM:-9 CD: + AVC-LAN: + 12 1 2 3 4 1 2 3 4 F E D C B A DEH-M8037ZT/UC 3.2 OVERALL CONNECTION DIAGRAM(GUIDE PAGE) www. xiaoyu163. com QQ 376315150 9 9 2 8 9 4 2 9 8 TEL 13942296513 9 9 2 8 9 4 2 9 8 0 5 1 5 1 3 6 7 3 Q Q TEL 13942296513 QQ 376315150 892498299 TEL 13942296513 QQ 376315150 892498299 http://www.xiaoyu163.com A-b A 5.0V A MAIN UNIT Decimal points for resistor and capacitor fixed values are expressed as : 2.2 2R2 0.022 R022 ← ← The > mark found on some component parts indicates the importance of the safety factor of the part. Therefore, when replacing, be sure to use parts of identical designation. Symbol indicates a resistor. No differentiation is made between chip resistors and discrete resistors. NOTE : Symbol indicates a capacitor. No differentiation is made between chip capacitors and discrete capacitors. > 2 4 1 5 6 3 2 4 1 5 6 3 2 4 1 5 6 3 2 4 1 5 6 3 AL SOUND PROCESSOR, SOURCE SELECTOR, ELECTRIC VOLUME LER POWER AMP AVC-LAN:+8.23dBs (1kHz,0dB) FM: -12dBs AM:-9.2dBs CD: +1dBs AVC-LAN: +1dBs FM: +14dBs AM:+16.8dBs CD: +27dBs AVC-LAN: +27dBs 13 5 6 7 8 F E D C B A 5 6 7 8 DEH-M8037ZT/UC www. xiaoyu163. com QQ 376315150 9 9 2 8 9 4 2 9 8 TEL 13942296513 9 9 2 8 9 4 2 9 8 0 5 1 5 1 3 6 7 3 Q Q TEL 13942296513 QQ 376315150 892498299 TEL 13942296513 QQ 376315150 892498299 http://www.xiaoyu163.com A-a A-b A-a A-a A-b 1 2 3 4 FM/AM TUNER UNIT 2 4 1 5 6 3 DIGITAL SOUND PROCESSOR, SOURCE SELECTOR, ELECTRIC VOLUME AM PNS ANTENNA JACK 2 4 1 5 3 AM:-12.7dBs FM:-27dBs (400Hz,30% mod) AM:-13.2dBs FM:-27dBs AM:-28dBs CD: 0dBs AVC-LAN: 0dBs FM: -12dBs AM:-9.2dBs CD: +1dBs AVC-LAN: +1dBs 14 1 2 3 4 1 2 3 4 F E D C B A DEH-M8037ZT/UC www. xiaoyu163. com QQ 376315150 9 9 2 8 9 4 2 9 8 TEL 13942296513 9 9 2 8 9 4 2 9 8 0 5 1 5 1 3 6 7 3 Q Q TEL 13942296513 QQ 376315150 892498299 TEL 13942296513 QQ 376315150 892498299 http://www.xiaoyu163.com A-a A-b A-a A-a A-b 5 6 7 BDATA B CN901 C CN901 SYSTEM CONTROLLER CD:+0.1dBs (1kHz,0dB) 15 5 6 7 8 F E D C B A 5 6 7 8 DEH-M8037ZT/UC www. xiaoyu163. com QQ 376315150 9 9 2 8 9 4 2 9 8 TEL 13942296513 9 9 2 8 9 4 2 9 8 0 5 1 5 1 3 6 7 3 Q Q TEL 13942296513 QQ 376315150 892498299 TEL 13942296513 QQ 376315150 892498299 http://www.xiaoyu163.com A-a A-b A-b 1 2 3 4 A MAIN UNIT > ESSOR, OR, ME POWER AMP AVC-LAN:+8.23dBs (1kHz,0dB) FM: +14dBs AM:+16.8dBs CD: +27dBs AVC-LAN: +27dBs 16 1 2 3 4 1 2 3 4 F E D C B A DEH-M8037ZT/UC www. xiaoyu163. com QQ 376315150 9 9 2 8 9 4 2 9 8 TEL 13942296513 9 9 2 8 9 4 2 9 8 0 5 1 5 1 3 6 7 3 Q Q TEL 13942296513 QQ 376315150 892498299 TEL 13942296513 QQ 376315150 892498299 http://www.xiaoyu163.com A-a A-b A-b 5 6 7 5.0V Decimal points for resisto and capacitor fixed values are expressed as : 2.2 2R2 0.022 R022 ← ← The > mark found on some component parts indicates the importance of the safety factor of the part. Therefore, when replacing, be sure to use parts of identical designation. Symbol indicates a resistor. No differentiation is made between chip resistors and discrete resistors. NOTE : Symbol indicates a capacitor. No differentiation is made between chip capacitors and discrete capacitors. 2 4 1 5 6 3 2 4 1 5 6 3 2 4 1 5 6 3 2 4 1 5 6 3 17 5 6 7 8 F E D C B A 5 6 7 8 DEH-M8037ZT/UC www. xiaoyu163. com QQ 376315150 9 9 2 8 9 4 2 9 8 TEL 13942296513 9 9 2 8 9 4 2 9 8 0 5 1 5 1 3 6 7 3 Q Q TEL 13942296513 QQ 376315150 892498299 TEL 13942296513 QQ 376315150 892498299 http://www.xiaoyu163.com 18B B KEYBOARD UNIT DISC AUDIO CONTROL AM FM1/2 UP(VOL) SAT 6 MUTE 5 SCAN DOWN(VOL) 4 2 UP(TUNE) TEXT UP(FOL) 1 3 DOWN(TUNE) SSP DOWN(FOL) HOME PWR EJECT 1 2 3 4 1 2 3 4 F E D C B A DEH-M8037ZT/UC 3.3 KEYBOARD UNIT www. xiaoyu163. com QQ 376315150 9 9 2 8 9 4 2 9 8 TEL 13942296513 9 9 2 8 9 4 2 9 8 0 5 1 5 1 3 6 7 3 Q Q TEL 13942296513 QQ 376315150 892498299 TEL 13942296513 QQ 376315150 892498299 http://www.xiaoyu163.com 19 B A CN479 5 1 3 2 6 4 5 6 7 8 F E D C B A 5 6 7 8 DEH-M8037ZT/UC www. xiaoyu163. com QQ 376315150 9 9 2 8 9 4 2 9 8 TEL 13942296513 9 9 2 8 9 4 2 9 8 0 5 1 5 1 3 6 7 3 Q Q TEL 13942296513 QQ 376315150 892498299 TEL 13942296513 QQ 376315150 892498299 http://www.xiaoyu163.com C-a C SPINDLE MOTOR M1 CXB6007 LOADING/CARRIAGE MOTOR M2 CXB8933 CN101 PICKUP UNIT (SERVICE)(P10) SWITCHES: CD CORE UNIT(S10MP3) S901 : HOME SWITCH.....ON-OFF S902 : CLAMP SWITCH....ON-OFF S903 : DSCSNS SWITCH....ON-OFF S904 : 12EJ SWITCH....ON-OFF S905 : 8EJ SWITCH....ON-OFF The underlined indicates the original switch position. 5/3.3 CD DRIVER SW 3.3 REGULATOR 1 2 3 5 6 7 8 0 ! @ # F T T F T T F F F F T T F F T T S S C T F C T F S C T F F F T T C C S S S S C C T T F F 20 1 2 3 4 1 2 3 4 F E D C B A DEH-M8037ZT/UC 3.4 CD MECHANISM MODULE(GUIDE PAGE) www. xiaoyu163. com QQ 376315150 9 9 2 8 9 4 2 9 8 TEL 13942296513 9 9 2 8 9 4 2 9 8 0 5 1 5 1 3 6 7 3 Q Q TEL 13942296513 QQ 376315150 892498299 TEL 13942296513 QQ 376315150 892498299 http://www.xiaoyu163.com C-b C CD CORE UNIT(S10MP3) C A CN1601 CN901 D-RAM 3.3 REGULATOR MICRO COMPUTER 4 9 $ % ^ & * F T C S SIGNAL LINE FOCUS SERVO LINE TRACKING SERVO LINE CARRIAGE SERVO LINE SPINDLE SERVO LINE 21 5 6 7 8 F E D C B A 5 6 7 8 DEH-M8037ZT/UC www. xiaoyu163. com QQ 376315150 9 9 2 8 9 4 2 9 8 TEL 13942296513 9 9 2 8 9 4 2 9 8 0 5 1 5 1 3 6 7 3 Q Q TEL 13942296513 QQ 376315150 892498299 TEL 13942296513 QQ 376315150 892498299 http://www.xiaoyu163.com A-a C-b C-a C-a C-b CN101 PICKUP UNIT (SERVICE)(P10) 0 ! # F T T F T T F F F F T T F F T T S S C T F C T F T T F F 22 1 2 3 4 1 2 3 4 F E D C B A DEH-M8037ZT/UC www. xiaoyu163. com QQ 376315150 9 9 2 8 9 4 2 9 8 TEL 13942296513 9 9 2 8 9 4 2 9 8 0 5 1 5 1 3 6 7 3 Q Q TEL 13942296513 QQ 376315150 892498299 TEL 13942296513 QQ 376315150 892498299 http://www.xiaoyu163.com A-a C-b C-a C-a C-b 1 2 3 SPINDLE MOTOR M1 CXB6007 LOADING/CARRIAGE MOTOR M2 CXB8933 SWITCHES: CD CORE UNIT(S10MP3) S901 : HOME SWITCH.....ON-OFF S902 : CLAMP SWITCH....ON-OFF S903 : DSCSNS SWITCH....ON-OFF S904 : 12EJ SWITCH....ON-OFF S905 : 8EJ SWITCH....ON-OFF The underlined indicates the original switch position. 5/3.3 CD DRIVER SW 3.3 REGULATOR 1 2 3 5 6 7 8 @ S C T F F F T T C C S S S S C C 23 5 6 7 8 F E D C B A 5 6 7 8 DEH-M8037ZT/UC www. xiaoyu163. com QQ 376315150 9 9 2 8 9 4 2 9 8 TEL 13942296513 9 9 2 8 9 4 2 9 8 0 5 1 5 1 3 6 7 3 Q Q TEL 13942296513 QQ 376315150 892498299 TEL 13942296513 QQ 376315150 892498299 http://www.xiaoyu163.com C-a C-b C-b CD CORE UNIT(S10MP3) C D-RAM 9 $ % ^ F T C S SIGNAL LINE FOCUS SERVO LINE TRACKING SERVO LINE CARRIAGE SERVO LINE SPINDLE SERVO LINE 24 1 2 3 4 1 2 3 4 F E D C B A DEH-M8037ZT/UC www. xiaoyu163. com QQ 376315150 9 9 2 8 9 4 2 9 8 TEL 13942296513 9 9 2 8 9 4 2 9 8 0 5 1 5 1 3 6 7 3 Q Q TEL 13942296513 QQ 376315150 892498299 TEL 13942296513 QQ 376315150 892498299 http://www.xiaoyu163.com C-a C-b C-b 1 2 3 A CN1601 CN901 3.3 REGULATOR MICRO COMPUTER 4 & * 25 5 6 7 8 F E D C B A 5 6 7 8 DEH-M8037ZT/UC www. xiaoyu163. com QQ 376315150 9 9 2 8 9 4 2 9 8 TEL 13942296513 9 9 2 8 9 4 2 9 8 0 5 1 5 1 3 6 7 3 Q Q TEL 13942296513 QQ 376315150 892498299 TEL 13942296513 QQ 376315150 892498299 http://www.xiaoyu163.com 26 - Waveforms Note : 1. The encircled numbers denote measuring points in the circuit diagram. 2. Reference voltage REFO1(1.65V) 1 DSCSNS 2 CLCONT 3 LOEJ 4 VD 5V/div 5V/div 5V/div 10V/div 500ms/div When loading a 12cm CD Ref.: GND Mode: Normal 5 SIN 6 CIN 7 TIN 1V/div 500mV/div 500mV/div 2s/div When setting up after loading a 12cm CD-DA disc 5 SIN 6 CIN 7 TIN When setting up after loading a 12cm CD-ROM disc(1 session) When setting up after loading a 12cm CD-ROM disc(3 session) Ref.: REFO Mode: Normal 1 DSCSNS 2 CLCONT 3 LOEJ 4 VD 5V/div 5V/div 5V/div 10V/div 500ms/div When loading an 8cm CD Ref.: GND Mode: Normal 0 TE ! FE 500mV/div 500mV/div 200ms/div When setting up "Source On" Ref.: REFO Mode: Normal ! FE 8 FIN 0 TE 7 TIN 500mV/div 500mV/div 500mV/div 500mV/div 20ms/div Ref.: REFO Mode: Normal ! FE 8 FIN 0 TE 7 TIN 500mV/div 500mV/div 500mV/div 500mV/div 20ms/div During "Play"(CD-DA) During "Play"(CD-ROM)(Track Jump is generated periodically)(Refer to Track Jump waveform) Ref.: REFO Mode: Normal @ MDX 5 SIN 500mV/div 200mV/div 50ms/div Spindle waveform during "Play" Ref.: REFO Mode: Normal # RFAGC 500mV/div 5µs/div Ref.: REFO Mode: Normal @ MDX 5 SIN 500mV/div 1V/div 5µs/div Spindle waveform during "Play"(Magnified) RF eye pattern Ref.: REFO Mode: Normal 1V/div 500mV/div 500mV/div 2s/div 5 SIN 6 CIN 7 TIN 1V/div 500mV/div 500mV/div 2s/div When setting up "Source On"(12cm CD-DA) Ref.: REFO Mode: Normal 8 FIN 9 RFOK 5 SIN 200mV/div 2V/div 2V/div 500ms/div Ref.: REFO Mode: Normal Ref.: REFO Mode: Normal 1 2 3 4 1 2 3 4 F E D C B A DEH-M8037ZT/UC www. xiaoyu163. com QQ 376315150 9 9 2 8 9 4 2 9 8 TEL 13942296513 9 9 2 8 9 4 2 9 8 0 5 1 5 1 3 6 7 3 Q Q TEL 13942296513 QQ 376315150 892498299 TEL 13942296513 QQ 376315150 892498299 http://www.xiaoyu163.com 27 8 FIN ! FE 500mV/div 500mV/div 200ms/div Focus Search Ref.: REFO Mode: TEST # RFAGC 0 TE 7 TIN 1V/div 500mV/div 500mV/div 500µs/div Ref.: REFO Mode: TEST 0 TE # RFAGC 500mV/div 500mV/div 2ms/div When "Tracking Open" 1 Track Jump Ref.: REFO Mode: TEST # RFAGC 0 TE 6 CIN 5 SIN 1V/div 1V/div 500mV/div 2V/div 200ms/div Ref.: REFO Mode: Normal $ LRCKIN % DIN ^ SCKIN 2V/div 2V/div 2V/div 2µs/div Ref.: REFO Mode: Normal $ LRCKIN % DIN ^ SCKIN 2V/div 2V/div 2V/div 10µs/div Digital Audio Digital Audio(Magnified) Ref.: GND Mode: Normal # RFAGC 0 TE 7 TIN 1V/div 500mV/div 500mV/div 1ms/div 32 Track Jump Ref.: REFO Mode: TEST # RFAGC 7 TIN 0 TE 8 FIN 1V/div 1V/div 1V/div 1V/div 500µs/div Ref.: REFO Mode: Normal # RFAGC 0 TE 7 TIN 1V/div 500mV/div 500mV/div 5ms/div 100 Track Jump When passing black dots(800µm) Ref.: REFO Mode: TEST During inside/outside search (outer circumference → inner circumference) & LOUT * ROUT 1V/div 1V/div 200µs/div Ref.: AGND Mode: Normal 1 DSCSNS 2 CLCONT 3 LOEJ 5V/div 5V/div 5V/div 10µs/div Ref.: GND Mode: Normal 1 DSCSNS 2 CLCONT 3 LOEJ 5V/div 5V/div 5V/div 500ms/div When "Eject"(12cm CD) Analog Audio(sine wave, 1kHz) When "Eject"(8cm CD) Ref.: GND Mode: Normal 5 6 7 8 F E D C B A 5 6 7 8 DEH-M8037ZT/UC www. xiaoyu163. com QQ 376315150 9 9 2 8 9 4 2 9 8 TEL 13942296513 9 9 2 8 9 4 2 9 8 0 5 1 5 1 3 6 7 3 Q Q TEL 13942296513 QQ 376315150 892498299 TEL 13942296513 QQ 376315150 892498299 http://www.xiaoyu163.com 28 5 SIN 6 CIN 7 TIN 1V/div 500mV/div 500mV/div 500ms/div Ref.: REFO Mode: Normal 5 SIN 6 CIN 7 TIN 1V/div 500mV/div 500mV/div 500ms/div Ref.: REFO Mode: Normal When switching to CD-ROM from CD-DA (BAND key) When switching to CD-DA from CD-ROM (BAND key) 1 2 3 4 1 2 3 4 F E D C B A DEH-M8037ZT/UC www. xiaoyu163. com QQ 376315150 9 9 2 8 9 4 2 9 8 TEL 13942296513 9 9 2 8 9 4 2 9 8 0 5 1 5 1 3 6 7 3 Q Q TEL 13942296513 QQ 376315150 892498299 TEL 13942296513 QQ 376315150 892498299 http://www.xiaoyu163.com 29 5 6 7 8 F E D C B A 5 6 7 8 DEH-M8037ZT/UC www. xiaoyu163. com QQ 376315150 9 9 2 8 9 4 2 9 8 TEL 13942296513 9 9 2 8 9 4 2 9 8 0 5 1 5 1 3 6 7 3 Q Q TEL 13942296513 QQ 376315150 892498299 TEL 13942296513 QQ 376315150 892498299 http://www.xiaoyu163.com 30 Capacitor Connector P.C.Board Chip Part A A MAIN UNIT SIDE B SIDE A NOTE FOR PCB DIAGRAMS 1.The parts mounted on this PCB include all necessary parts for several destination. For further information for respective destinations, be sure to check with the schematic dia- gram. 2.Viewpoint of PCB diagrams B CN901 CAR HARNESS CAR HARNESS 1 2 3 4 1 2 3 4 F E D C B A DEH-M8037ZT/UC 4. PCB CONNECTION DIAGRAM 4.1 MAIN UNIT www. xiaoyu163. com QQ 376315150 9 9 2 8 9 4 2 9 8 TEL 13942296513 9 9 2 8 9 4 2 9 8 0 5 1 5 1 3 6 7 3 Q Q TEL 13942296513 QQ 376315150 892498299 TEL 13942296513 QQ 376315150 892498299 http://www.xiaoyu163.com 31 A SIDE A FRONT C CN901 ANTENNA FM/AM TUNER UNIT CAR HARNESS MAIN 5 6 7 8 F E D C B A 5 6 7 8 DEH-M8037ZT/UC www. xiaoyu163. com QQ 376315150 9 9 2 8 9 4 2 9 8 TEL 13942296513 9 9 2 8 9 4 2 9 8 0 5 1 5 1 3 6 7 3 Q Q TEL 13942296513 QQ 376315150 892498299 TEL 13942296513 QQ 376315150 892498299 http://www.xiaoyu163.com 32 A A MAIN UNIT 1 2 3 4 1 2 3 4 F E D C B A DEH-M8037ZT/UC www. xiaoyu163. com QQ 376315150 9 9 2 8 9 4 2 9 8 TEL 13942296513 9 9 2 8 9 4 2 9 8 0 5 1 5 1 3 6 7 3 Q Q TEL 13942296513 QQ 376315150 892498299 TEL 13942296513 QQ 376315150 892498299 http://www.xiaoyu163.com 33 A SIDE B 5 6 7 8 F E D C B A 5 6 7 8 DEH-M8037ZT/UC www. xiaoyu163. com QQ 376315150 9 9 2 8 9 4 2 9 8 TEL 13942296513 9 9 2 8 9 4 2 9 8 0 5 1 5 1 3 6 7 3 Q Q TEL 13942296513 QQ 376315150 892498299 TEL 13942296513 QQ 376315150 892498299 http://www.xiaoyu163.com B B KEYBOARD UNIT SIDE A PWR TEXT HOME SCAN 6 5 4 SAT FM1/2 3 DISC 2 MUTE DOWN(VOL) AUDIO CONTROL UP(VOL) SSP 1 EJECT DOWN(FOL) UP(FOL) DOWN(TUNE) UP(TUNE) AM B G COM R B G COM R B G COM R B G COM R 34 1 2 3 4 1 2 3 4 F E D C B A DEH-M8037ZT/UC 4.2 KEYBOARD UNIT www. xiaoyu163. com QQ 376315150 9 9 2 8 9 4 2 9 8 TEL 13942296513 9 9 2 8 9 4 2 9 8 0 5 1 5 1 3 6 7 3 Q Q TEL 13942296513 QQ 376315150 892498299 TEL 13942296513 QQ 376315150 892498299 http://www.xiaoyu163.com B B KEYBOARD UNIT SIDE B A CN479 2 1 3 2 1 3 2 1 3 2 1 3 2 1 3 2 1 3 35 5 6 7 8 F E D C B A 5 6 7 8 DEH-M8037ZT/UC www. xiaoyu163. com QQ 376315150 9 9 2 8 9 4 2 9 8 TEL 13942296513 9 9 2 8 9 4 2 9 8 0 5 1 5 1 3 6 7 3 Q Q TEL 13942296513 QQ 376315150 892498299 TEL 13942296513 QQ 376315150 892498299 http://www.xiaoyu163.com 36C C CD CORE UNIT(S10MP3) SIDE A A CN1601 PICKUP UNIT (SERVICE)(P10) M2 LOADING /CARRIAGE MOTOR M1 SPINDLE MOTOR HOME 1 2 3 4 1 2 3 4 F E D C B A DEH-M8037ZT/UC 4.3 CD MECHANISM MODULE www. xiaoyu163. com QQ 376315150 9 9 2 8 9 4 2 9 8 TEL 13942296513 9 9 2 8 9 4 2 9 8 0 5 1 5 1 3 6 7 3 Q Q TEL 13942296513 QQ 376315150 892498299 TEL 13942296513 QQ 376315150 892498299 http://www.xiaoyu163.com 37 C C CD CORE UNIT(S10MP3) SIDE B CLAMP DSCSNS 8EJ 12EJ 5 6 7 8 F E D C B A 5 6 7 8 DEH-M8037ZT/UC www. xiaoyu163. com QQ 376315150 9 9 2 8 9 4 2 9 8 TEL 13942296513 9 9 2 8 9 4 2 9 8 0 5 1 5 1 3 6 7 3 Q Q TEL 13942296513 QQ 376315150 892498299 TEL 13942296513 QQ 376315150 892498299 http://www.xiaoyu163.com 38 1 2 3 4 1 2 3 4 F E D C B A DEH-M8037ZT/UC Unit Number : CWM8737 Unit Name : Main Unit MISCELLANEOUS IC 331 IC NJM4558MD IC 351 IC PM2010A IC 421 IC S-812C56AUA-C3K IC 561 IC HA12181FP IC 701 IC PD5861A IC 781 IC HA12187FP IC 782 IC S-80835CNNB-B8U IC 801 IC TDA7386 Q 351 Transistor 2SD1859 Q 402 Transistor 2SC4081 Q 403 Transistor 2SC4081 Q 404 Transistor 2SC4081 Q 410 Transistor 2SA1576 Q 421 Transistor 2SD1760F5 Q 422 Transistor 2SA1235A-12 Q 431 Transistor 2SB1185 Q 432 Transistor IMX1 Q 441 Transistor 2SB1185 Q 442 Transistor IMX1 Q 451 Transistor 2SB1260 Q 452 Transistor DTC124EU Q 453 Transistor 2SC4081 Q 454 Transistor 2SB1260 Q 455 Transistor 2SC4081 Q 502 Transistor 2SC4081 Q 524 Transistor DTC143TU Q 561 Transistor 2SC4081 Q 563 Transistor 2SA1576 Q 565 Transistor IMX1 Q 701 Transistor 2SA1576 Q 801 Transistor DTC143EU Q 802 Transistor 2SD1781K Q 803 Transistor 2SC4081 Q 804 Transistor DTC143EU Q 805 Transistor 2SA1576 Q 806 Transistor 2SA1576 Q 807 Transistor 2SC4081 Q 808 Transistor 2SC4081 Q 850 Transistor 2SB1185 Q 852 Transistor IMX1 Q 853 Transistor 2SB1184F5 Q 854 Transistor IMX1 Q 1411 Transistor 2SD1664 D 351 Diode HZU3R9(B2) D 402 Diode HZU8R2(B1) D 403 Diode HZU8R2(B1) D 411 Diode RD8R2SL(N1) D 421 Diode UDZS16(B) D 422 Diode MPG06G-6415G50 D 431 Diode HZU7R5(B3) D 432 Diode 1SS355 D 441 Diode HZU7R5(B3) D 442 Diode 1SS355 D 451 Diode DAN202K D 452 Diode 1SS355 D 471 Diode P300JL-6059 D 472 Diode MPG06G-6415G50 D 473 Diode MPG06G-6415G50 D 474 Diode 1SS355 D 475 Diode 1SS355 D 702 Diode 1SS355 D 781 Diode UDZS18(B) D 782 Diode UDZS18(B) D 802 Diode HZU8R2(B3) D 804 Diode 1SS355 D 876 Diode UDZS5R6(B) D 1411 Diode HZU6R2(B2) L 351 Inductor CTF1379 L 352 Inductor CTF1379 L 353 Inductor CTF1379 L 354 Inductor CTF1379 L 355 Inductor CTF1379 L 356 Inductor CTF1379 L 357 Inductor LCTA2R2J2520 L 358 Inductor LCTA2R2J2520 L 359 Inductor CTF1379 L 360 Inductor CTF1379 L 361 Inductor CTF1379 L 362 Inductor LCTA2R2J2520 L 363 Inductor CTF1379 L 364 Inductor CTF1379 L 365 Inductor CTF1379 L 367 Inductor CTF1379 L 369 Inductor CTF1379 L 370 Inductor CTF1379 L 371 Inductor CTF1379 L 471 Choke Coil 600µH CTH1221 L 505 Ferri-Inductor LAU4R7K L 512 Inductor LAU1R0K L 514 Inductor LAU1R0K L 561 Ferri-Inductor LAU4R7K L 651 Inductor LCYA2R2J2520 L 701 Inductor LCTA150J2520 CG 501 Surge Protector DSP-201M-A21F X 351 Radiator 33.8688MHz CSS1600 X 701 Radiator 10.00MHz CSS1428 FU 471 Fuse CEK1263 FM/AM Tuner Unit CWE1630 RESISTORS R 301 RS1/16S102J R 302 RS1/16S102J R 309 RS1/16S102J R 310 RS1/16S102J R 315 RS1/16S102J 5. ELECTRICAL PARTS LIST NOTES: - Parts whose parts numbers are omitted are subject to being not supplied. - The part numbers shown below indicate chip components. Chip Resistor RS1/_S___J,RS1/__S___J Chip Capacitor (except for CQS.....) CKS....., CCS....., CSZS..... =====Circuit Symbol and No.===Part Name Part No. --- ------ ------------------------------------------ ------------------------- =====Circuit Symbol and No.===Part Name Part No. --- ------ ------------------------------------------ ------------------------- A www. xiaoyu163. com QQ 376315150 9 9 2 8 9 4 2 9 8 TEL 13942296513 9 9 2 8 9 4 2 9 8 0 5 1 5 1 3 6 7 3 Q Q TEL 13942296513 QQ 376315150 892498299 TEL 13942296513 QQ 376315150 892498299 http://www.xiaoyu163.com 39 5 6 7 8 F E D C B A 5 6 7 8 DEH-M8037ZT/UC R 316 RS1/16S102J R 323 RS1/16S102J R 324 RS1/16S102J R 328 RS1/16S472J R 329 RS1/16S472J R 331 RS1/16S473J R 332 RS1/16S473J R 333 RS1/16S473J R 334 RS1/16S473J R 335 RS1/16S183J R 336 RS1/16S183J R 337 RS1/16S183J R 338 RS1/16S183J R 351 RS1/16S221J R 352 RS1/16S221J R 353 RS1/16S221J R 354 RS1/16S221J R 356 RS1/16S221J R 357 RS1/16S221J R 358 RS1/16S221J R 359 RS1/16S103J R 360 RS1/16S103J R 361 RS1/16S105J R 362 RS1/16S331J R 363 RS1/16S0R0J R 364 RS1/16S0R0J R 365 RS1/16S102J R 366 RS1/16S102J R 369 RS1/16S222J R 370 RS1/16S102J R 403 RS1/16S153J R 404 RS1/16S473J R 405 RS1/10S472J R 406 RS1/4S182J R 407 RS1/16S153J R 408 RS1/16S473J R 409 RS1/10S472J R 410 RS1/4S182J R 412 RS1/16S104J R 414 RS1/16S224J R 421 RS1/16S182J R 422 RS1/16S182J R 423 RS1/16S103J R 434 RS1/16S221J R 435 RS1/16S221J R 436 RS1/16S471J R 437 RS1/16S331J R 439 RS1/16S223J R 440 RS1/16S472J R 441 RS1/16S331J R 443 RS1/16S471J R 444 RS1/16S221J R 445 RS1/16S561J R 447 RS1/16S223J R 448 RS1/16S562J R 451 RS1/16S472J R 452 RS1/16S223J R 453 RS1/16S103J R 455 RS1/16S103J R 456 RS1/16S223J R 457 RS1/16S823J R 458 RS1/16S561J R 459 RS1/16S561J R 460 RS1/16S561J R 463 RS1/16S102J R 468 RS1/16S473J R 471 RS1/4S101J R 472 RS1PMF680J R 473 RS1/16S0R0J R 522 RS1/16S222J R 524 RS1/16S222J R 525 RS1/16S473J R 526 RS1/16S681J R 527 RS1/16S681J R 528 RS1/16S681J R 529 RS1/16S103J R 530 RS1/16S681J R 531 RS1/16S473J R 532 RS1/16S473J R 533 RS1/16S472J R 534 RS1/16S393J R 535 RS1/16S473J R 536 RS1/16S473J R 537 RS1/16S473J R 538 RS1/16S681J R 539 RS1/16S681J R 541 RS1/16S0R0J R 542 RS1/16S0R0J R 543 RS1/16S472J R 544 RS1/16S472J R 545 RS1/16S182J R 546 RS1/16S182J R 549 RS1/16S0R0J R 550 RS1/16S0R0J R 561 RS1/16S104J R 562 RS1/16S123J R 564 RS1/16S103J R 565 RS1/16S362J R 566 RS1/16S153J R 567 RS1/16S153J R 568 RS1/16S222J R 569 RS1/16S164J R 570 RS1/16S333J R 571 RS1/16S473J R 582 RS1/16S332J R 584 RS1/16S332J R 586 RS1/16S473J R 588 RS1/16S562J R 611 RS1/16S0R0J R 612 RS1/16S104J R 613 RS1/16S0R0J R 614 RS1/16S104J R 631 RS1/16S392J R 632 RS1/16S103J R 633 RS1/16S392J R 634 RS1/16S103J R 635 RS1/16S102J R 637 RS1/16S102J R 649 RS1/16S102J R 650 RS1/16S102J R 651 RS1/16S681J R 660 RS1/16S473J R 661 RS1/16S473J R 662 RS1/16S473J R 663 RS1/16S473J R 664 RS1/16S473J R 665 RS1/16S473J R 702 RS1/16S102J R 703 RS1/16S473J R 704 RS1/16S102J R 705 RS1/16S152J R 707 RS1/16S102J R 708 RS1/16S0R0J R 709 RS1/16S0R0J R 710 RS1/16S0R0J R 711 RS1/16S473J R 712 RS1/16S0R0J R 713 RS1/16S473J R 714 RS1/16S0R0J R 715 RS1/16S104J =====Circuit Symbol and No.===Part Name Part No. --- ------ ------------------------------------------ ------------------------- =====Circuit Symbol and No.===Part Name Part No. --- ------ ------------------------------------------ ------------------------- www. xiaoyu163. com QQ 376315150 9 9 2 8 9 4 2 9 8 TEL 13942296513 9 9 2 8 9 4 2 9 8 0 5 1 5 1 3 6 7 3 Q Q TEL 13942296513 QQ 376315150 892498299 TEL 13942296513 QQ 376315150 892498299 http://www.xiaoyu163.com 40 1 2 3 4 1 2 3 4 F E D C B A DEH-M8037ZT/UC R 716 RS1/16S0R0J R 717 RS1/16S473J R 718 RS1/16S102J R 719 RS1/16S0R0J R 720 RS1/16S0R0J R 721 RS1/16S0R0J R 722 RS1/16S102J R 723 RS1/16S473J R 724 RS1/16S472J R 725 RS1/16S0R0J R 726 RS1/16S471J R 727 RS1/16S0R0J R 728 RS1/16S0R0J R 729 RS1/16S102J R 730 RS1/16S0R0J R 731 RS1/16S332J R 732 RS1/16S0R0J R 733 RS1/16S102J R 734 RS1/16S102J R 735 RS1/16S102J R 736 RS1/16S102J R 737 RS1/16S473J R 740 RS1/16S102J R 742 RS1/16S102J R 743 RS1/16S473J R 744 RS1/16S102J R 746 RS1/16S102J R 748 RS1/16S102J R 750 RS1/16S102J R 753 RS1/16S102J R 754 RS1/16S473J R 755 RS1/16S102J R 756 RS1/16S473J R 759 RS1/16S472J R 760 RS1/16S103J R 761 RS1/16S102J R 762 RS1/16S104J R 763 RS1/16S102J R 764 RS1/16S102J R 765 RS1/16S102J R 767 RS1/16S102J R 768 RS1/16S681J R 769 RS1/16S103J R 774 RS1/16S102J R 775 RS1/16S102J R 778 RS1/16S472J R 779 RS1/16S472J R 781 RS1/16S0R0J R 782 RS1/16S0R0J R 783 RS1/4S101J R 784 RS1/4S101J R 785 RS1/16S0R0J R 787 RS1/16S104J R 788 RS1/16S472J R 790 RS1/16S473J R 791 RS1/16S0R0J R 801 RS1/16S103J R 802 RS1/16S103J R 803 RS1/16S331J R 804 RS1/16S103J R 805 RS1/16S222J R 806 RS1/16S103J R 807 RS1/16S684J R 808 RS1/16S684J R 809 RS1/16S223J R 810 RS1/16S104J R 811 RS1/16S103J R 812 RS1/16S223J R 813 RS1/16S472J R 814 RS1/16S103J R 815 RS1/10S681J R 816 RS1/16S473J R 817 RS1/16S473J R 818 RS1/16S473J R 819 RS1/16S473J R 853 RS1/16S102J R 854 RS1/16S471J R 855 RS1/16S222J R 856 RS1/16S242J R 857 RS1/16S102J R 858 RS1/16S471J R 859 RS1/16S152J R 860 RS1/16S222J R 870 RS1/16S472J R 871 RS1/8S222J R 872 RS1/10S103J R 873 RS1/16S123J R 874 RS1/16S103J R 875 RS1/16S103J R 876 RS1/16S103J R 1411 RS1/16S331J R 1412 RS1/16S0R0J CAPACITORS C 307 CKSRYB222K50 C 308 CKSRYB222K50 C 309 CKSRYB222K50 C 310 CKSRYB222K50 C 321 CKSRYB222K50 C 322 CKSRYB222K50 C 323 CKSRYB222K50 C 324 CKSRYB222K50 C 327 CEAL220M10 C 328 CEAL220M10 C 329 CKSRYB104K25 C 330 CEAL220M10 C 331 CEJQ3R3M50 C 332 CEJQ3R3M50 C 333 CEJQ3R3M50 C 334 CEJQ3R3M50 C 335 CCSRCH150J50 C 336 CCSRCH150J50 C 337 CEJQ470M10 C 338 CKSRYB473K50 C 339 CEAL220M10 C 340 CKSRYB104K25 C 345 CKSRYB222K50 C 350 CKSRYB102K50 C 351 CKSRYB334K10 C 352 CKSRYB334K10 C 353 CKSRYB334K10 C 354 CKSRYB334K10 C 355 CKSRYB334K10 C 356 CKSRYB334K10 C 357 CKSRYB334K10 C 358 CKSRYB102K50 C 359 CKSRYB222K50 C 360 CEAL220M10 C 362 CKSRYB102K50 C 363 CEAL220M10 C 364 CCSRCH100D50 C 365 CCSRCH100D50 C 366 CKSRYB103K50 C 368 CKSRYB104K25 C 371 CKSRYB104K25 C 372 CEALNP4R7M35 C 373 CKSRYB104K25 C 374 CEALNP4R7M35 C 375 CKSRYB104K25 =====Circuit Symbol and No.===Part Name Part No. --- ------ ------------------------------------------ ------------------------- =====Circuit Symbol and No.===Part Name Part No. --- ------ ------------------------------------------ ------------------------- www. xiaoyu163. com QQ 376315150 9 9 2 8 9 4 2 9 8 TEL 13942296513 9 9 2 8 9 4 2 9 8 0 5 1 5 1 3 6 7 3 Q Q TEL 13942296513 QQ 376315150 892498299 TEL 13942296513 QQ 376315150 892498299 http://www.xiaoyu163.com 41 5 6 7 8 F E D C B A 5 6 7 8 DEH-M8037ZT/UC C 376 CEALNP4R7M35 C 377 CEAL101M10 C 380 CKSRYB104K25 C 381 CEALNP4R7M35 C 384 CKSRYB104K25 C 385 CKSRYB222K50 C 386 CKSRYB105K10 C 387 CKSRYB103K50 C 388 CEJQ470M10 C 390 CKSRYB104K25 C 393 CKSRYB104K25 C 397 CKSRYB104K25 C 398 CKSRYB222K50 C 399 CKSRYB222K50 C 401 CKSRYB103K50 C 402 CEJQ2R2M50 C 403 CKSRYB103K50 C 404 CEJQ2R2M50 C 408 CKSQYB103K50 C 420 470µF/16V CCH1459 C 422 CKSRYB103K50 C 423 CKSRYB103K50 C 424 CEHAT101M10 C 425 CKSRYB103K50 C 432 CKSRYB473K50 C 433 CEHAT470M16 C 434 CKSRYB103K50 C 435 CEAT471M10 C 442 CKSRYB473K50 C 443 CEHAT101M10 C 444 CKSRYB103K50 C 461 CKSRYB102K50 C 469 CCSRCH221J50 C 470 CCSRCH221J50 C 471 3300µF/16V CCH1177 C 472 CKSQYB332K50 C 473 CKSQYB332K50 C 474 CKSQYB332K50 C 475 CKSQYB332K50 C 476 CKSQYB332K50 C 477 CKSQYB332K50 C 478 CKSQYB332K50 C 479 CKSQYB332K50 C 480 CKSQYB102K50 C 481 CKSQYB393K50 C 484 CCSQCH221J50 C 485 CCSQCH221J50 C 486 CKSQYB222K50 C 487 CKSQYB222K50 C 488 CKSQYB222K50 C 489 CKSQYB222K50 C 490 CKSQYB473K50 C 503 CKSQYB103K50 C 519 CKSRYB103K50 C 520 CKSRYB103K50 C 521 CEAT101M16 C 522 CKSRYB103K50 C 523 CEAT100M50 C 524 CKSRYB472K50 C 525 CKSRYB183K50 C 526 CKSRYB183K50 C 527 CKSRYB562K25 C 528 CKSRYB562K25 C 530 CCSRCH100D50 C 531 CKSRYB102K50 C 561 CEJQ3R3M50 C 562 CKSRYB333K25 C 563 CEJQNP1R0M50 C 564 CQMA683J50 C 565 CQMA333J50 C 566 CQMA333J50 C 567 CQMA333J50 C 568 CKSRYB224K10 C 569 CKSRYB473K50 C 570 CKSRYB153K50 C 571 CKSRYB472K50 C 572 CEJQ101M10 C 573 CKSRYB392K50 C 574 CKSRYB334K10 C 575 CKSRYB102K50 C 585 CKSRYB223K50 C 713 CSZS100M16 C 781 CKSRYB104K25 C 782 CKSRYB223K50 C 783 CKSRYB103K50 C 801 CFTNA224J50 C 802 CFTNA224J50 C 803 CFTNA224J50 C 804 CFTNA224J50 C 805 CKSQYB104K25 C 806 CFTNA105J50 C 807 CEJQ100M50 C 808 CEJQ1R0M50 C 809 CEJQ330M16 C 812 CKSRYB473K50 C 850 CKSRYB103K50 C 851 CKSRYB102K50 C 853 CKSRYB103K50 C 854 CKSRYB103K50 C 856 CEJQ470M16 C 857 CKSRYB103K50 C 870 CEJQ1R0M50 C 871 CEJQ1R0M50 C 877 CKSRYB102K50 C 1411 CKSRYB473K50 C 1412 CEAT101M10 Unit Number : CWM8738 Unit Name : Keyboard Unit MISCELLANEOUS IC 901 IC UPD16432B-001 Q 912 Transistor 2SB1132 Q 913 Transistor IMD3A D 901 Diode MA111 D 902 Diode MA111 D 903 Diode MA111 D 904 Diode MA111 D 905 Diode MA111 D 906 Diode MA111 D 931 LED SML-310YT(KL) D 932 LED SML-310YT D 933 LED SML-310YT D 934 LED SML-310YT D 935 LED SML-310YT D 936 LED SML-310YT D 937 LED SML-310YT D 940 LED SML-310YT D 941 LED SML-310YT D 942 LED SML-310YT D 943 LED SML-310YT D 944 LED SML-310YT D 946 LED SML-310YT D 947 LED SML-310YT D 948 LED SML-310YT D 949 LED SML-310YT D 950 LED SML-310YT D 951 LED SML-310YT D 952 LED SML-310YT D 953 LED SML-310YT D 954 LED SML-310YT =====Circuit Symbol and No.===Part Name Part No. --- ------ ------------------------------------------ ------------------------- =====Circuit Symbol and No.===Part Name Part No. --- ------ ------------------------------------------ ------------------------- B www. xiaoyu163. com QQ 376315150 9 9 2 8 9 4 2 9 8 TEL 13942296513 9 9 2 8 9 4 2 9 8 0 5 1 5 1 3 6 7 3 Q Q TEL 13942296513 QQ 376315150 892498299 TEL 13942296513 QQ 376315150 892498299 http://www.xiaoyu163.com 42 1 2 3 4 1 2 3 4 F E D C B A DEH-M8037ZT/UC D 957 LED SML-310YT D 958 LED SML-310YT D 967 LED SML-310YT D 968 LED SML-310YT D 973 LED SML-310YT D 974 LED SML-310YT D 988 LED SML-310YT D 990 LED SML-310YT D 994 LED SML-310YT L 901 Inductor CTF1379 L 902 Inductor CTF1379 S 901 Switch CSG1154 S 902 Switch CSG1154 S 903 Switch CSG1154 S 904 Switch CSG1154 S 905 Switch CSG1154 S 906 Switch CSG1154 S 907 Switch CSG1154 S 908 Switch CSG1154 S 909 Switch CSG1154 S 910 Switch CSG1154 S 911 Switch CSG1154 S 912 Switch CSG1154 S 913 Switch CSG1154 S 914 Switch CSG1154 S 915 Switch CSG1154 S 916 Switch CSG1154 S 917 Switch CSG1154 S 918 Switch CSG1154 S 919 Switch CSG1154 S 920 Switch CSG1154 S 921 Switch CSG1154 S 922 Switch CSG1154 S 923 Switch CSG1154 S 924 Switch CSG1154 IL 901 Lamp 8V 60mA CEL1742 IL 902 Lamp 8V 60mA CEL1742 LCD CAW1809 RESISTORS R 901 RS1/16S681J R 902 RS1/16S681J R 904 RS1/16S681J R 905 RS1/16S221J R 906 RS1/16S681J R 907 RS1/16S104J R 908 RS1/16S473J R 909 RS1/16S102J R 910 RS1/16S473J R 911 RS1/16S103J R 912 RS1/16S473J R 913 RS1/16S152J R 917 RS1/16S222J R 918 RS1/16S222J R 919 RS1/16S222J R 920 RS1/16S222J R 923 RS1/16S473J R 924 RS1/16S473J R 925 RS1/16S473J R 926 RS1/16S473J R 927 RS1/16S102J R 928 RS1/16S102J R 929 RS1/16S102J R 930 RS1/16S820J R 931 RS1/16S820J R 932 RS1/16S820J R 933 RS1/16S820J R 936 RS1/16S820J R 937 RS1/16S820J R 938 RS1/16S820J R 939 RS1/16S820J R 940 RS1/16S820J R 941 RS1/16S820J R 942 RS1/16S820J R 943 RS1/16S820J R 944 RS1/16S820J R 945 RS1/16S820J R 949 RS1/16S910J R 950 RS1/16S910J R 951 RS1/16S910J R 955 RS1/16S910J R 956 RS1/16S910J R 957 RS1/16S910J R 960 RS1/16S102J R 961 RS1/16S102J R 962 RS1/16S102J R 963 RS1/16S102J R 965 RS1/16S102J R 966 RS1/16S102J R 968 RS1/16S0R0J R 970 RS1/16S0R0J R 971 RS1/16S0R0J R 973 RS1/16S0R0J R 979 RS1/16S910J R 980 RS1/16S910J R 991 RS1/10S200J R 992 RS1/10S200J R 994 RS1/10S200J R 995 RS1/10S200J R 1925 RS1/16S910J R 1926 RS1/16S0R0J R 1933 RS1/16S223J R 1934 RS1/16S511J R 1935 RS1/16S511J R 1945 RS1/16S820J R 1946 RS1/16S820J R 1956 RS1/16S0R0J CAPACITORS C 903 CKSRYB473K50 C 904 CKSRYB473K50 C 905 CKSRYB473K50 C 906 CKSRYB473K50 C 907 CCSRCH101J50 C 908 CCSRCH101J50 C 909 CKSRYB474K10 C 910 CKSRYB102K50 Unit Number : CWX2810 Unit Name : CD Core Unit(S10MP3) MISCELLANEOUS IC 201 IC UPD63760GJ IC 202 IC MSM51V4265EP-70TS IC 203 IC BA033SFP IC 301 IC BA5996FM IC 701 IC PE5370B IC 702 IC TC74VHCT08AFT IC 703 IC S-812C33AUA-C2N Q 101 Transistor 2SB1132 Q 601 Transistor DTC323TK Q 602 Transistor DTC323TK Q 603 Transistor 2SB709A Q 701 Transistor UN2111 D 101 Diode 1SS355 D 201 Diode 1SR154-400 D 601 Diode MA152WA =====Circuit Symbol and No.===Part Name Part No. --- ------ ------------------------------------------ ------------------------- =====Circuit Symbol and No.===Part Name Part No. --- ------ ------------------------------------------ ------------------------- C www. xiaoyu163. com QQ 376315150 9 9 2 8 9 4 2 9 8 TEL 13942296513 9 9 2 8 9 4 2 9 8 0 5 1 5 1 3 6 7 3 Q Q TEL 13942296513 QQ 376315150 892498299 TEL 13942296513 QQ 376315150 892498299 http://www.xiaoyu163.com 43 5 6 7 8 F E D C B A 5 6 7 8 DEH-M8037ZT/UC L 201 Inductor CTF1386 L 202 Inductor CTF1386 L 204 Inductor CTF1386 L 205 Inductor CTF1386 L 206 Inductor CTF1386 L 207 Inductor CTF1386 L 208 Inductor CTF1386 L 209 Inductor CTF1386 L 211 Inductor CTF1386 L 212 Inductor CTF1386 L 701 Inductor CTF1386 L 702 Inductor LCYBR22J1608 L 703 Inductor CTF1386 L 704 Inductor CTF1386 TH 701 Thermistor CCX1037 X 201 Ceramic Resonator 16.934MHz CSS1603 X 701 Ceramic Resonator 16.00MHz CSS1616 S 901 Switch(HOME) CSN1051 S 902 Switch(CLAMP) CSN1051 S 903 Spring Switch(DSCSNS) CSN1052 S 904 Switch(12EJ) CSN1051 S 905 Switch(8EJ) CSN1051 RESISTORS R 101 RS1/10S1R5J R 102 RS1/10S1R5J R 103 RS1/10S1R5J R 104 RS1/10S1R5J R 105 RS1/10S1R5J R 201 RS1/16SS102J R 202 RS1/16SS333J R 203 RS1/16SS333J R 205 RS1/16SS0R0J R 207 RS1/16SS0R0J R 209 RS1/16SS0R0J R 213 RS1/16SS1002D R 214 RS1/16SS1002D R 215 RS1/16SS6801D R 216 RS1/16SS6801D R 217 RS1/16SS1002D R 218 RS1/16SS1002D R 219 RS1/16SS1002D R 220 RS1/16SS1002D R 221 RS1/16SS103J R 222 RS1/16SS103J R 223 RS1/16SS103J R 224 RS1/16SS103J R 225 RS1/16SS103J R 226 RS1/16SS393J R 227 RS1/16SS103J R 228 RS1/16SS182J R 229 RS1/16SS103J R 231 RS1/16SS0R0J R 232 RS1/16SS182J R 233 RS1/16SS0R0J R 237 RS1/16SS104J R 238 RS1/16SS473J R 239 RS1/16SS333J R 240 RS1/16SS0R0J R 242 RAB4CQ221J R 243 RAB4CQ221J R 244 RAB4CQ221J R 245 RAB4CQ221J R 246 RAB4CQ221J R 247 RAB4CQ221J R 248 RS1/16SS221J R 249 RS1/16SS221J R 301 RS1/16SS183J R 302 RS1/16SS822J R 303 RS1/16SS0R0J R 304 RS1/16SS183J R 305 RS1/16SS822J R 306 RS1/16SS0R0J R 307 RS1/16SS183J R 308 RS1/16SS822J R 309 RS1/16SS183J R 310 RS1/16SS822J R 311 RS1/16SS0R0J R 601 RS1/16S101J R 602 RS1/16S101J R 603 RS1/16S223J R 604 RS1/16S223J R 605 RS1/16SS103J R 707 RS1/16SS0R0J R 708 RS1/16SS102J R 710 RS1/16SS102J R 711 RS1/16SS102J R 712 RS1/16SS102J R 713 RS1/16SS102J R 714 RS1/16SS473J R 715 RAB4CQ221J R 716 RAB4CQ221J R 717 RAB4CQ221J R 718 RAB4CQ221J R 719 RS1/16SS221J R 720 RS1/16SS471J R 723 RS1/16SS102J R 724 RN1/16SE1302D R 725 RS1/16SS222J R 726 RS1/16SS103J R 727 RS1/16SS473J R 728 RS1/16SS473J R 729 RS1/16SS223J R 730 RS1/16SS473J R 731 RS1/16SS104J R 732 RS1/16SS104J R 733 RS1/16SS104J R 737 RAB4CQ473J R 739 RAB4CQ473J R 740 RS1/16SS473J R 742 RS1/16SS104J R 744 RS1/16SS104J R 745 RS1/16SS473J R 746 RS1/16SS104J R 747 RS1/16SS104J R 748 RS1/16SS104J R 751 RS1/16SS104J R 754 RS1/16SS102J R 755 RS1/16SS102J R 756 RS1/16SS104J R 801 RS1/16SS104J R 802 RS1/16SS473J R 803 RS1/16SS273J R 901 RS1/16SS221J R 902 RS1/16SS221J R 903 RS1/16SS221J R 904 RS1/16SS221J R 905 RS1/16SS221J R 906 RS1/16SS221J CAPACITORS C 101 CKSSYB104K10 C 102 CKSSYB104K10 C 103 CEV101M16 C 104 CEV101M4 C 105 CKSSYB104K10 =====Circuit Symbol and No.===Part Name Part No. --- ------ ------------------------------------------ ------------------------- =====Circuit Symbol and No.===Part Name Part No. --- ------ ------------------------------------------ ------------------------- www. xiaoyu163. com QQ 376315150 9 9 2 8 9 4 2 9 8 TEL 13942296513 9 9 2 8 9 4 2 9 8 0 5 1 5 1 3 6 7 3 Q Q TEL 13942296513 QQ 376315150 892498299 TEL 13942296513 QQ 376315150 892498299 http://www.xiaoyu163.com 44 1 2 3 4 1 2 3 4 F E D C B A DEH-M8037ZT/UC C 106 CCSRCH101J50 C 108 CKSSYB104K10 C 109 CEV100M16 C 201 CKSSYB471K50 C 202 CKSSYB104K10 C 203 CKSSYB104K10 C 204 CEV220M6R3 C 205 CKSSYB103K16 C 206 CKSSYB103K16 C 207 CEV221M4 C 208 CKSSYB104K10 C 209 CKSSYB104K10 C 210 CKSSYB104K10 C 211 CKSSYB104K10 C 216 CKSSYB332K50 C 217 CKSSYB104K10 C 218 CKSSYB223K16 C 219 CKSSYB104K10 C 220 CKSSYB103K16 C 221 CKSSYB104K10 C 222 CCSSCH270J50 C 223 CCSSCJ3R0C50 C 224 CKSSYB104K10 C 225 CKSSYB103K16 C 226 CCSSCH680J50 C 227 CCSSCH470J50 C 228 CKSSYB682K25 C 230 CKSSYB104K10 C 232 CKSSYB104K10 C 233 47µF/6.3V CCH1436 C 234 CEV221M4 C 235 CKSRYB224K16 C 237 CKSSYB104K10 C 238 CKSSYB104K10 C 239 CCSSCH9R0D50 C 242 CKSSYB104K10 C 243 CKSSYB104K10 C 245 CKSSYB104K10 C 246 CKSSYB104K10 C 301 CKSSYB331K50 C 302 CKSSYB331K50 C 303 CKSSYB472K25 C 304 CKSSYB472K25 C 305 CEV101M16 C 306 CKSRYB224K16 C 601 CCSRCH102J50 C 602 CCSRCH102J50 C 603 4.7µF/25V CCH1508 C 604 4.7µF/25V CCH1508 C 701 CKSSYB104K10 C 702 CKSSYB471K50 C 703 CKSSYB103K16 C 704 CEV1R0M50 C 705 CKSSYB104K10 C 707 CKSSYB104K10 C 708 CKSSYB104K10 C 709 CKSSYB103K16 C 710 CKSSYB104K10 C 711 10µF/10V CCH1349 C 712 CKSRYB224K16 C 713 CKSSYB104K10 C 714 CKSSYB104K10 C 715 CKSSYB103K16 C 716 CKSSYB103K16 C 901 CKSSYB104K10 C 903 CCSRCH101J50 Miscellaneous Parts List Pickup Unit(Service)(P10) CXX1664 M 1 Motor Unit(SPINDLE) CXB6007 M 2 Motor Unit(LOADING/CARRIAGE) CXB8933 =====Circuit Symbol and No.===Part Name Part No. --- ------ ------------------------------------------ ------------------------- =====Circuit Symbol and No.===Part Name Part No. --- ------ ------------------------------------------ ------------------------- www. xiaoyu163. com QQ 376315150 9 9 2 8 9 4 2 9 8 TEL 13942296513 9 9 2 8 9 4 2 9 8 0 5 1 5 1 3 6 7 3 Q Q TEL 13942296513 QQ 376315150 892498299 TEL 13942296513 QQ 376315150 892498299 http://www.xiaoyu163.com 45 5 6 7 8 F E D C B A 5 6 7 8 DEH-M8037ZT/UC 6. ADJUSTMENT 6.1 CONNECTION DIAGRAM Head unit DEH-M8037ZT/UC 12P AVC-LAN cable 82372-AA010(HDE0058 or HDE0060) GEX-M8087XMZT/XN/UC GGF-146 Power supply cable XM antenna unit AN-90XM or TOYOTA model XM tuner www. xiaoyu163. com QQ 376315150 9 9 2 8 9 4 2 9 8 TEL 13942296513 9 9 2 8 9 4 2 9 8 0 5 1 5 1 3 6 7 3 Q Q TEL 13942296513 QQ 376315150 892498299 TEL 13942296513 QQ 376315150 892498299 http://www.xiaoyu163.com 46 1 2 3 4 1 2 3 4 F E D C B A DEH-M8037ZT/UC [1] + [6] + [DISC]: 3 times DIAG IN All-element lighting [DISC] + [TUNE UP] PBUS Test Mode In PBUS TEST [DISC] CD On CD * (*: Disc number) To the CD Test Mode Key to be pressed Operation Display [3] + [TUNE DOWN] Error number displayed CD ERRXX [DISC]: for 3 seconds DIAG End Normal display Rest the Microcomputer to returning to the normal mode.(*1) Notes: *1) Note that the test mode is cancelled in the system microcomputer by switching the ACC OFF and ON, but that it is not in the CD microcomputer. Use the reset function for complete cancellation of the test mode. [SAT] [SAT] SAT3 SAT3 [1] + [6] + [DISC] for 5 seconds XM Error displayed To XM Error displayed mode BAND Select, ACCOFF, Source Select or DIAGIN for returning to the normal mode. Release the DISC button first. 6.2 TEST MODE www. xiaoyu163. com QQ 376315150 9 9 2 8 9 4 2 9 8 TEL 13942296513 9 9 2 8 9 4 2 9 8 0 5 1 5 1 3 6 7 3 Q Q TEL 13942296513 QQ 376315150 892498299 TEL 13942296513 QQ 376315150 892498299 http://www.xiaoyu163.com 47 5 6 7 8 F E D C B A 5 6 7 8 DEH-M8037ZT/UC 1) Cautions on adjustments • In this product the single voltage (3.3V) is used for the regulator. The reference voltage is the REFO1 (1.65V) instead of the GND. If you should mistakenly short the REFO1 with the GND during adjustment, accurate voltage will not be obtained, and the servo’s misoperation will apply excessive shock to the pickup. To avoid such problems: a. Do not mix up the REFO1 with the GND when connecting the (-) probe of measuring instruments. Especially on an oscilloscope, avoid connecting the (-) probe for CH1 to the GND. b. In many cases, measuring instruments have the same potential as that for the (-) probe. Be sure to set the measuring instruments to the floating state. c. If you have mistakenly connected the REFO1 to the GND, turn off the regulator or the power immediately. • Before mounting and removing filters or leads for adjustment, be sure to turn off the regulator. • For stable circuit operation, keep the mechanism operating for about one minute or more after the regulator is turned on. • In the test mode, any software protections will not work. Avoid applying any mechanical or electrical shock to the mechanism during adjustment. • The RFI and RFO signals with a wide frequency range are easy to oscillate. When observing the signals, insert a resistor of 1k ohms in series. • The load and eject operation is not guarantied with the mechanism upside down. If the mechanism is blocked due to mistaken eject operation, reset the product or turn off and on the ACC to restore it. 2) Test mode This mode is used to adjust the CD mechanism module. • To enter the test mode. See page 46. • To exit from the test mode. Turn off the ACC and back up. Notes: a. During ejection, do not press any other keys than the EJECT key until the loaded disc is ejected. b. If you have pressed the TUNE UP key or TUNE DOWN key during focus search, turn off the power immediate- ly to protect the actuator from damage caused by the lens stuck. c. For the TR jump modes except 100TR, the track jump operation will continue even if the key is released. d. For the CRG move and 100TR jump modes, the tracking loop will be closed at the same time when the key is released. e. When the power is turned off and on, the jump mode is reset to the single TR (91), the RF amp gain is set to 0dB, and the auto-adjustment values are reset to the default settings. 6.3 CD ADJUSTMENT www. xiaoyu163. com QQ 376315150 9 9 2 8 9 4 2 9 8 TEL 13942296513 9 9 2 8 9 4 2 9 8 0 5 1 5 1 3 6 7 3 Q Q TEL 13942296513 QQ 376315150 892498299 TEL 13942296513 QQ 376315150 892498299 http://www.xiaoyu163.com 48 1 2 3 4 1 2 3 4 F E D C B A DEH-M8037ZT/UC [1] Power Off [4] Focus Close/S-curve/ F, F0 Measurement [6] Focus Mode Select [2] Tracking Servo Close [1] Power ON (T.OFFSET adjustment required) [4] Power ON (T.OFFSET adjustment not required) [DISC] Source CD [1] Power Off [2] Tracking Close (AGC, Applicable Servo) [6] Tracking Close (No AGC, Applicable Servo) [4] [3] Tracking Balance Adjustment [Key] Contents Display [4] [6] CRG/TR Jump Count Select [TUNE UP] CRG+/TR Jump+ [TUNE DOWN] CRG–/TR Jump– [1] Power Off [2] F,T,RF AGC Display Switching or [TUNE UP] CRG+ [TUNE DOWN] CRG- [TUNE UP] CRG+ [TUNE DOWN] CRG- [1] Power Off [3] Trackig Open [3] Trackig Open *2 *9 *7 *5 *4 *4 *6 *4) Single TR /4TR / 10TR / 32TR / 100TR → → → → → 9X(8X):91(81) 4 TR 92(82) 10 TR 93(83) 32 TR 94(84) 100 TR 95(85) CRG Move 96(86) Single TR *5) *6) Only for the CRG Move and 100TR modes → → → F.AGC Gain T.AGC Gain RF AGC Gain (F.T. AGC Gain = (Current value/Initial value) x 20) Track No. / Min / Sec *7) • • In all TR Jump modes except for 100TR, track jump operation continues even after the key is released. In the CRG Move and 100TR Jump modes, the tracking servo loop closes at the same time when the key is released. When the power is turned off and on, the jump mode, the RF AMP gain setting, and the auto adjustment values are reset to the Single TR (91),0dB, and the factory setting respectively. Note: When you pressed the [TUNE UP] or [TUNE DOWN] key during the Focus Search, you must turn the power off immediately (otherwise, the lens can stick resulting in actuator damages). [Key] [1] [TUNE UP] [TUNE DOWN] [2] [3] [4] [6] Operation Test Mode Power ON/OFF CRG+/TR Jump+ (Toward outer perimeter) Tracking close and AGC and Applicable servo / AGC , AGC display switching RF gain select / Offset adjustment display/ Tracking balance adjustment / Tracking open Focus Close, S.Curve / Rough Servo/ RF AGC / F,T, RF AGC CRG-/TR Jump- (Toward inner perimeter) [TEXT] [5] Focus open Jump off MIN SEC TRK MIN SEC TRK 00 00 00 MIN SEC TRK 99 99 99 [3] RF AMP Gain Select *1 MIN SEC TRK 00 00 00 MIN SEC TRK MIN SEC TRK MIN SEC TRK MIN SEC TRK 91 91 91 MIN SEC TRK 0x 0x 0x MIN SEC TRK 99 99 99 MIN SEC TRK 00 00 00 or MIN SEC TRK 99 99 99 MIN SEC TRK 00 00 00 or MIN SEC TRK 99 99 99 MIN SEC TRK 00 00 00 [3] *3 MIN SEC TRK ?? ?? ?? Auto Adjustment Display Select MIN SEC TRK 8x 8x 8x or MIN SEC TRK 9x 9x 9x MIN SEC TRK 8x 8x 8x or MIN SEC TRK 9x 9x 9x MIN SEC TRK 8x 8x 8x MIN SEC TRK xx xx xx MIN SEC TRK xx xx xx MIN SEC TRK ?? ?? ?? F,T AGC and RF AGC MIN SEC TRK xx xx xx MIN SEC TRK xx xx xx MIN SEC TRK xx xx xx MIN SEC TRK xx xx xx or MIN SEC TRK 9x 9x 9x MIN SEC TRK 8x 8x 8x or MIN SEC TRK 9x 9x 9x MIN SEC TRK 8x 8x 8x MIN SEC TRK ?? ?? ?? Rough Servo and RF AGC/ RF AGC Factor Display MIN SEC TRK *2) MIN SEC 00 00 ) MIN SEC 99 99 S.Curve Check MIN SEC 01 01 LD Off Focus Close MIN SEC 02 02 → → TRK00 (TRK 99 TRK01 TRK02 *1) MIN SEC -6dB MIN SEC 06 06 -12dB TYP MIN SEC 12 12 → → TRK TRK06 TRK12 → → → F.Offset Display *3) RF Offset Display T.Bal Display Rough Servo. ( F.Cancel value = (Upper 8 bits of the setting (7F[H] to 80[H] + 128)/4 = 63[D] to 32[D] to 00[D]). *8) CRG motor voltage : 2 [ V ] *9)The first press displays the RF AGC coefficient. The second one or after performs the rough servo and RF AGC adjustments, and then displays the RF AGC coefficient. Focus mode select / Tracking close / CRG.TR jump select [DISC] 3sec Diag off [DISC]+[TUNE UP] Test Mode In [1]+[6]+[DISC]3times Diag Mode In - Flow Chart PBUS TEST www. xiaoyu163. com QQ 376315150 9 9 2 8 9 4 2 9 8 TEL 13942296513 9 9 2 8 9 4 2 9 8 0 5 1 5 1 3 6 7 3 Q Q TEL 13942296513 QQ 376315150 892498299 TEL 13942296513 QQ 376315150 892498299 http://www.xiaoyu163.com 49 5 6 7 8 F E D C B A 5 6 7 8 DEH-M8037ZT/UC • Note : The grating angle of the PU unit cannot be adjusted after the PU unit is changed. The PU unit in the CD mechanism module is adjusted on the production line to match the CD mechanism module and is thus the best adjusted PU unit for the CD mechanism module. Changing the PU unit is thus best considered as a last resort. However, if the PU unit must be changed, the grating should be checked using the procedure below. • Purpose : To check that the grating is within an acceptable range when the PU unit is changed. • Symptoms of Mal-adjustment : If the grating is off by a large amount symptoms such as being unable to close tracking, being unable to perform track search operations, or taking a long time for track searching. • Method : • Measuring Equipment • Measuring Points • Oscilloscope, Two L.P.F. • E, F, REFO1 • Disc • ABEX TCD-782 • Mode • TEST MODE • Checking Procedure 1. In test mode, load the disc and switch the 3V regulator on. 2. Using the TUNE UP and TUNE DOWN buttons, move the PU unit to the innermost track. 3. Press key 4 to close focus, the display should read "91". Press key 3 to implement the tracking balance adjustment the display should now read "81". Press key 4. The display will change, returning to "81" on the fourth press. 4. As shown in the diagram above, monitor the LPF outputs using the oscilloscope and check that the phase difference is within 75° . Refer to the photographs supplied to determine the phase angle. 5. If the phase difference is determined to be greater than 75° try changing the PU unit to see if there is any improvement. If, after trying this a number of times, the grating angle does not become less than 75° then the mechanism should be judged to be at fault. • Note Because of eccentricity in the disc and a slight misalignment of the clamping center the grating waveform may be seen to "wobble" ( the phase difference changes as the disc rotates). The angle specified above indicates the average angle. • Hint Reloading the disc changes the clamp position and may decrease the "wobble". 100kΩ 390pF 100kΩ 390pF E VREF F VREF Xch Ych L.P.F. L.P.F. REFO1 F E CD CORE UNIT(S10MP3) Oscilloscope 6.4 CHECKING THE GRATING AFTER CHANGING THE PICKUP UNIT www. xiaoyu163. com QQ 376315150 9 9 2 8 9 4 2 9 8 TEL 13942296513 9 9 2 8 9 4 2 9 8 0 5 1 5 1 3 6 7 3 Q Q TEL 13942296513 QQ 376315150 892498299 TEL 13942296513 QQ 376315150 892498299 http://www.xiaoyu163.com 50 1 2 3 4 1 2 3 4 F E D C B A DEH-M8037ZT/UC Grating waveform 45° 0° 75° 60° 30° 90° Ech → Xch 20mV/div, AC Fch → Ych 20mV/div, AC www. xiaoyu163. com QQ 376315150 9 9 2 8 9 4 2 9 8 TEL 13942296513 9 9 2 8 9 4 2 9 8 0 5 1 5 1 3 6 7 3 Q Q TEL 13942296513 QQ 376315150 892498299 TEL 13942296513 QQ 376315150 892498299 http://www.xiaoyu163.com 51 5 6 7 8 F E D C B A 5 6 7 8 DEH-M8037ZT/UC 6.5 ERROR MODE - Error Messages Error is displayed with number for Error cause when CD is inoperative or stops with Error during operation. The purpose is to reduce nonsense calls from users as well as to assist all related analysis and repair for defects at service station. (1) Basic Display Method 1) When CSMOD (CD mode area for system) is SERRORM, Error code will be written in DMIN (minutes area for display), DSEC (seconds area for display). The same data shall be written in DMIN and DSEC. DTNO is blank as usual. 2) Display Example of Head Unit The following is about LCD display ability. xx is Error number. 8 digits 6 digits 4 digits ERROR–xx ERR–xx E–xx (2) Error Code List No. Classification Contents Details • Cause 10 Electricity Carriage Home NG CRG can’t move to the inner. CRG can’t move from the inner. → HOME SW failure, CRG movement failure. 11 Electricity Focus Search NG Focus can’t be caught. → Back of Disc / Severe dirt and vibration. 23 Disc File Format NG Contents are stored in an incompatible file format. → The contents in a CD-ROM disc inserted are recorded in a file format other than ISO9660 Level-1 and 2. 22 Disc Impossible to play There is no playable MP3 or WMA file present in a disc. → No MP3 or WMA file exists in a CD-ROM disc inserted. 17 Electricity Setup NG AGC protection doesn’t work, out of Focus soon. → Scratch on Disc/Severe dirt and vibration. 12 Electricity Spindle Lock NG Not spindle, lock. Wrong subcode (can’t read). Subcode NG RF-amp NG → Defective Spindle. Scratch and dirt on Disc. Intense vibration. The appropriate gain of the RF amp cannot be obtained. → Defective spindle. → Blanc CD-R disc. Disc inserted upside down. → Scratched or dirty disc. Severe vibration. Abnormal CD signals. 30 Electricity Search Time Out Can’t reach the target address. → Defective CRG/tracking, or scratch on Disc. → All TRK Nos. In a disc inserted are specified as a track which should be skipped, in the track skip information. 44 Disc Impossible to play There is no playable TRK No. present in a disc. 50 Mecha Disc Load / Eject NG Disc loading/ejection cannot be complete. → Foreign objects entered into the mechanism. Disc caught in between during loading/ejection. A0 System Power NG Power supply (VD) isn’t connected to the ground. → Defective SW transistor. Abnormal power (failed connector) OR Err–xx Note : Error doesn’t display in mechanism only. (CD off causes mechanism off) If TOC can’t be read, error wouldn’t occur, but mechanism still continues its operation. The upper digits of error code is mainly classified by 3 kinds as follows: 1x: Setup related error, 3x: Search related error, Ax: Other errors. www. xiaoyu163. com QQ 376315150 9 9 2 8 9 4 2 9 8 TEL 13942296513 9 9 2 8 9 4 2 9 8 0 5 1 5 1 3 6 7 3 Q Q TEL 13942296513 QQ 376315150 892498299 TEL 13942296513 QQ 376315150 892498299 http://www.xiaoyu163.com 52 1 2 3 4 1 2 3 4 F E D C B A DEH-M8037ZT/UC -Operations and functions (1) Key operations for Diagnosis IN (Note *1 ) (2) Key operations for Diagnosis OUT (2) Key operations for Diagnosis OUT (2) Key operations for Diagnosis OUT Normal operation mode All-element lighting mode SW check mode Service check mode The physical addresses for all devices connected to the AVC-LAN (including this product) are displayed. The current and past product conditions are checked by performing the system check and collecting the diagnosis memory data. Each address check result is displayed as follows: "OK", "Not connected", "Check", "Replace", "Old Version" or "No response". Details display mode This mode is available only when the service check result is "Check", "Replace" or "Old Version". For each physical address, the following information is displayed: - Logical address for the device where some failure occurs and the diagnosis codes (indicating details of the failure), which were obtained through system check - In addition to the above data, sub-code (indicating the device with failure), connecting confirmation no. (time stamp), and frequency of occurrence, which were obtained from diagnosis memory data Diagnosis memory clearance < From the service check mode > The diagnosis memory data (codes) for all devices connected are cleared. < From the details display mode > The diagnosis memory data for devices selected is cleared. After memory clearance is completed, the mode is automatically shifted to the service check mode. (6)Key operations for Memory clearance (6)Key operations for Memory clearance Memory clearance automatically ends. (3) Key operations for entering Service check mode (4)Key operations for entering the details display mode (5)Key operations for returning to the service check mode Note *1: To enter the diagnosis IN mode, use the buttons on the head unit. (1) Diagnosis IN While pressing the CH1 and CH6 With three times of beep sound, the mode buttons simultaneously, press the change operation completes. DISC button three times. (2) Diagnosis OUT Keep the DISC button pressed for 1.7 seconds or more and turn the ACC switch OFF. (3) Entering the Service check mode. Press the TUNE UP button. With a beep sound, the mode change completes. (4) Entering the Details display mode. Press the CH2 button. (5) Returning to the service check mode. Press the CH3 button. (6)Clearing the Memory data Keep the CH5 button pressed for 1.7 seconds or more. Change the display (forward) Press the TUNE UP button. Change the display (backward) Press the TUNE DOWN button. -Key operations All elements on the LCD are lit. (This is for checking if the LCD is lit normally.) Note : In this mode, when any key except for TUNE UP is pressed, a beep will be heard once. (You can check if pressing keys are accepted normally by hearing beeps.) 6.6 AVC-LAN DIAGNOSIS MODE www. xiaoyu163. com QQ 376315150 9 9 2 8 9 4 2 9 8 TEL 13942296513 9 9 2 8 9 4 2 9 8 0 5 1 5 1 3 6 7 3 Q Q TEL 13942296513 QQ 376315150 892498299 TEL 13942296513 QQ 376315150 892498299 http://www.xiaoyu163.com 53 5 6 7 8 F E D C B A 5 6 7 8 DEH-M8037ZT/UC After system check completes, the check results for the devices connected to the AVC-LAN are displayed in turn in order of physical address number as follows: "Physical address" ...The smallest physical address number is displayed first, whose check result will follow it. Ex. P190 Physical address number (radio cassette) The physical address is displayed. "Check result" ...The check result is displayed. Ex. good Normal (OK) ECHn Replace CHEC Check OLd Old Version "Physical address" ...The next physical address number is displayed. "Connecting confirmation no. (current)" ...The AVC-LAN time stamp is displayed. Ex. no01 The connecting confirmation number is displayed. The current connecting confirmation number (expressed in the hexadecimal number system by using 00 to FF) The number increases by one each time one minute passes. When 256 minutes pass, the indication returns to 00. Service check mode Details display mode Details display mode (only in case of "Replace", "Check", or "Old Version") This mode is available only when the service check result is "Replace", "Check" or "Old Version". To select this mode, press the CH2 key. "Physical address (for selected devices)" The physical address number is displayed, whose check result details will follow it. Ex. P360 Physical address number (CD-CH) "Diagnosis data source" The detailed items depend on the data source. Ex. SyS The data was obtained from system check. "Logical address" The logical address number for the device with failure is displayed. Ex. 1L_63 Logical address number (CD-CH) The logical address is displayed. Serial number "Diagnosis code" The diagnosis code indicates what problem occurs. Ex. 1d_45 Diagnosis code (abnormal EJECT) The diagnosis code is displayed. If there are two or more diagnosis codes, the diagnosis data display will continue. Ex. COdE The data was obtained from diagnosis memory data. "Logical address"...The same as that for the SyS data "Diagnosis code"...The same as that for the SyS data "Sub code"...This code indicates the device with failure. Ex. 1P_190 The sub code is displayed. "Connecting confirmation number (when some failure occurs)"... AVC-LAN time stamp Ex. no01 The connecting confirmation number (expressed in the hexadecimal number system by using 00 to FF) The connecting confirmation number is displayed. "Frequency of occurrence" ...The frequency of failures occurred Ex. 1c_15 The frequency of occurrence expressed in the decimal number system. The frequency of occurrence is displayed. -Diagnosis mode display www. xiaoyu163. com QQ 376315150 9 9 2 8 9 4 2 9 8 TEL 13942296513 9 9 2 8 9 4 2 9 8 0 5 1 5 1 3 6 7 3 Q Q TEL 13942296513 QQ 376315150 892498299 TEL 13942296513 QQ 376315150 892498299 http://www.xiaoyu163.com 54 1 2 3 4 1 2 3 4 F E D C B A DEH-M8037ZT/UC Physical address allocation _ 2 Display P_ 1 _ 2 _ 3 Ex.P190 Physical address 0 1 2 3 4 5 6 7 8 9 A B C D E F _ 1 1 0 1 2 3 4 5 6 7 8 9 A B C D E 0 1 2 3 4 5 6 7 8 9 A B C D E 0 1 2 3 4 5 6 7 8 9 A B C D E 0 1 2 3 4 5 6 7 8 9 A B C D E 0 1 2 3 4 5 6 7 8 9 A B C D E F F F F F _ 1 2 _ 1 3 _ 1 4 _ 1 5 _ 1 6 0 2 4 6 8 C E 1,3,5,7, 9-B,D,F M.DISP computer New EMV New device with AV New MM ECU device with AV Audio ECU Audio H/U Rear TV Rear Control SW Multi-CD decoder CD-CH commander AMP controlled radio tuner New 1-DIN TV Europe navigation DISP.M/U Rear TV with movie mode Navigation with controls MONET ECU Vehicle Information ECU 1-DIN Navigation DISPLAY with SW Europe GW ECU Consolidated inside panel Gateway ECU FM multiplex DISPLAY Steering SW Navigation remote controller Fr controlled SW Simple LCD Consolidated SW MD-CH commander Body computer 0 8 1-7, 9-F 0 8 1-7, 9-F 0 1-F 0 8 C 1-7,9-8,D-F 0 1-F Navigation computer ATIS VICS TV tuner H/W CD-CH H/W DVD-CH TEL information ECU Camera controller Radio Cassette Radio cassette with no CH controller CD-P 1DIN CD-CH MD-P MD-CH DAT DCC TEL ECU Equalizer DSP H/W AMP GPS receiver ATIS decoder FM multiplex decoder CD-CH MD-CH CD-ROM -CH MD-ROM -CH TEL information May Day A/C computer Body computer DVD deck Radio wave beacon Optical beacon DVD-P RSE-M XM radio tuner www. xiaoyu163. com QQ 376315150 9 9 2 8 9 4 2 9 8 TEL 13942296513 9 9 2 8 9 4 2 9 8 0 5 1 5 1 3 6 7 3 Q Q TEL 13942296513 QQ 376315150 892498299 TEL 13942296513 QQ 376315150 892498299 http://www.xiaoyu163.com 55 5 6 7 8 F E D C B A 5 6 7 8 DEH-M8037ZT/UC Logical address name Logical address Diagnosis code Diagnosis details AM tuner PLL unlocked FM tuner PLL unlocked No antenna connected Antenna power supply abnormal Tuner power supply abnormal AM tuner abnormal FM tuner abnormal SW tuner abnormal TV tuner PLL unlocked FRONTEND abnormal TV divergence shifting error TV – no reception VNR screen error No antenna connected Antenna power supply abnormal SEL +B current – small SEL +B current – large Belt broken Mechanical failure or cassette broken EJECT failure TAPE jamming Dirty head Mech power supply abnormal CD Mech abnormal CD loading/unloading abnormal CD lead-in abnormal No disc loaded Incorrect disc Disc unreadable CD-ROM abnormal CD abnormal EJECT abnormal Scratches or non-recorded side CD high temperature detected Excessive current detected Tray IN/OUT abnormal Elevator abnormal Clamp abnormal MD mech abnormal MD IN/OUT abnormal MD lead-in abnormal No disc loaded Incorrect disc Disc unreadable MD-ROM abnormal MD abnormal EJECT error Scratches or non-recorded side MD high temperature detected Excessive current detected Tray IN/OUT abnormal Elevator abnormal Clamp abnormal 10 11 40 41 42 43 44 45 10 11 40 41 42 43 44 45 46 10 40 41 42 43 44 10 11 12 40 41 42 43 44 45 46 47 48 50 51 52 10 11 12 40 41 42 43 44 45 46 47 48 50 51 52 Radio TV tuner Cassette tape CD CD-P CD-CH MD MD-CH 60H 40H 61H 43H 62H 63H 64H 65H Logical address name Logical address Diagnosis code Diagnosis details No diagnosis Abnormal reset Abnormal +B Abnormal ACC Abnormal MUTE Fuse broken Microcomputer - abnormal ROM - abnormal RAM - abnormal Bus - abnormal F-ROM - abnormal V-RAM - abnormal Gate allay abnormal Paint controller abnormal Backup memory abnormal Voice output controller abnormal Internal power supply abnormal Sync signal abnormal (input) Sync signal abnormal (output) ECU not connected Transmission abnormal Connecting confirmation: abnormal Connecting confirmation: no response Registered device data missing (History of registered devices) Master unavailable Connecting confirmation: abnormal Connecting confirmation: no response Last mode abnormal Command/order: no response Mode status abnormal Transmission fault Master reset Slave reset Master abnormal Registration completion acknowledgement error Voice processor ON abnormal ON/OFF command or parameter abnormal Registration command transmission Multiple frames intermit. Diagnosis - no response 00 01 10 11 12 13 20 21 22 23 24 25 26 27 28 29 2A 30 31 D0 D1 D2 D4 D5 D6 D7 D8 D9 DA DB DC DD DE DF E0 E1 E2 E3 E4 FF Communi -cation control 01H Logical address name Logical address Diagnosis code Diagnosis details Gyroscope abnormal GPS receiver abnormal RTC abnormal SS section abnormal No Time updating TCXO abnormal PLL lock abnormal GPS antenna abnormal GPS antenna power supply abnormal Map disc reading abnormal SPD signal abnormal Player abnormal High temperature abnormal Antenna power supply abnormal Radio wave beacon - no antenna connected Optical beacon - no antenna connected No FM antenna connected FM receiver abnormal Radio wave beacon abnormal Optical beacon abnormal Voice-control activation SW abnormal Voice-control Microphone abnormal Multi-CD-CH (optical cable) abnormal Multi-CD-CH (optical cable) not connected Multi-CD-CH (CarNet) abnormal Multi-CD-CH (CarNet) not connected HIT64 communication not connected HIT64 communication abnormal HIT64 BRQ disconnection HIT64 BRQ short-circuit HIT64 disconnection CarNet communication not connected CarNet communication abnormal CarNet periodical communication abnormal Video circuit abnormal Back light abnormal (with no current) Back light abnormal (with excessive current) Panel open/close mechanical operation abnormal Front seat monitor abnormal Heater abnormal Panel SW abnormal Touch SW failure PLL Unlock CODEC Communication Error SSDEC Communication Error SSDEC No Response Error NVM Error CAP Error ANTENNA No Contact ANTENNA Short 10 11 12 13 14 15 16 40 41 42 43 44 45 41 45 46 47 4A 4B 4C 40 41 40 41 42 43 50 51 52 53 54 55 56 57 10 11 12 13 40 41 10 11 11 12 13 14 15 16 40 41 Navigation /GPS Extended communi -cation Information display/front monitors 58H 80H 02H 32H 34H Diagnosis code table FM multiplex (VICS), radio wave beacon, beacon, optical beacon, FM multiplex (data), and FM multiplex tuner 5AH 84H 5BH 83H 82H 9AH Voice control 85H SW, Audio SW, SW shifting, Command SW XM tuner 21H 23H 24H 25H C0H www. xiaoyu163. com QQ 376315150 9 9 2 8 9 4 2 9 8 TEL 13942296513 9 9 2 8 9 4 2 9 8 0 5 1 5 1 3 6 7 3 Q Q TEL 13942296513 QQ 376315150 892498299 TEL 13942296513 QQ 376315150 892498299 http://www.xiaoyu163.com 56 1 2 3 4 1 2 3 4 F E D C B A DEH-M8037ZT/UC - Removing the CD Mechanism Module (not shown) 1. Remove the four screws. 1. Remove the two screws and then remove the Case. - Removing the Case (not shown) 2. Disconnect the connector and then remove the CD Mechanism Module. 1 Fig.1 Release the two latches. - Removing the Grille Assy (Fig.1) 3 3 Grille Assy 2 2 1 1 4 4 2 Release the two latches. 3 Release the two latches. 4 Release the two latches and then remove the Grille Assy. 7. GENERAL INFORMATION 7.1 DIAGNOSIS 7.1.1 DISASSEMBLY www. xiaoyu163. com QQ 376315150 9 9 2 8 9 4 2 9 8 TEL 13942296513 9 9 2 8 9 4 2 9 8 0 5 1 5 1 3 6 7 3 Q Q TEL 13942296513 QQ 376315150 892498299 TEL 13942296513 QQ 376315150 892498299 http://www.xiaoyu163.com 57 5 6 7 8 F E D C B A 5 6 7 8 DEH-M8037ZT/UC 1 Fig.3 - Removing the Main Unit (Fig.3) Straighten the tabs at five locations indicated. 2 1 1 1 2 1 Main Unit 2 Remove the two screws and then remove the Main Unit. 1 1 Fig.2 - Removing the Chassis (Fig.2) Remove the two screws. 3 2 1 2 2 Chassis 2 Remove the three screws and then remove the Heat Sink. 3 Remove the five screws and then remove the Chassis. 1 3 3 3 3 Heat Sink www. xiaoyu163. com QQ 376315150 9 9 2 8 9 4 2 9 8 TEL 13942296513 9 9 2 8 9 4 2 9 8 0 5 1 5 1 3 6 7 3 Q Q TEL 13942296513 QQ 376315150 892498299 TEL 13942296513 QQ 376315150 892498299 http://www.xiaoyu163.com 58 1 2 3 4 1 2 3 4 F E D C B A DEH-M8037ZT/UC - How to hold the Mechanism Unit 1. Hold the top and bottom frame. 2. Do not squeeze top frame's front portion too tight, because it is fragile. - Removing the Upper and Lower Frames 1. With a disc clamped, remove the four springs (A), the two springs (B), the two springs (C), and the four screws. 2. To remove the upper frame, open it on the fulcrum A. 3. While lifting the carriage mechanism, remove the three dampers. 4. With the frames removed, insert the connectors coming from the main unit and eject the disc. Caution: Before installing the carriage mechanism in the frames, be sure to apply some alcohol to the dampers and set the mechanism to the clamp mode. Do not squeeze. Lower Frame Damper Carriage Mechanism A C A B B Damper Damper C A A A Upper Frame www. xiaoyu163. com QQ 376315150 9 9 2 8 9 4 2 9 8 TEL 13942296513 9 9 2 8 9 4 2 9 8 0 5 1 5 1 3 6 7 3 Q Q TEL 13942296513 QQ 376315150 892498299 TEL 13942296513 QQ 376315150 892498299 http://www.xiaoyu163.com 59 5 6 7 8 F E D C B A 5 6 7 8 DEH-M8037ZT/UC - Removing the Pickup Unit 1. Apply shorting solder to the Pickup flexible cable. Disconnect the cable. 2. Set the mechanism to the clamp mode. 3. Remove the lead wires from the inner holder. 4. Remove the two washers, styling holder, change arm, and pickup lock arm. 5. While releasing from the hook of the inner holder, lift the end of the feed screw. Caution: In assembling, move the planet gear to the load/eject position before setting the feed screw in the inner holder. Planet Gear Change Arm Inner Holder Styling Holder Feed Screw Washer Pickup Lock Arm Shorting Solder www. xiaoyu163. com QQ 376315150 9 9 2 8 9 4 2 9 8 TEL 13942296513 9 9 2 8 9 4 2 9 8 0 5 1 5 1 3 6 7 3 Q Q TEL 13942296513 QQ 376315150 892498299 TEL 13942296513 QQ 376315150 892498299 http://www.xiaoyu163.com 60 1 2 3 4 1 2 3 4 F E D C B A DEH-M8037ZT/UC FM/AM ANTENNA POWER SUPPLY, SPEAKER OUTPUT AVC-LAN EXTENSION RR- TLMT ILL- RL- FR- FL- GND ANT AMP ILL ACC +B RR+ RL+ FR+ FL+ SLD R+ R- L+ L- MUTE +B GND TX+ TX- ACC CMP- GND SW1 SW2 TX1+ TX1- CMP+ SLD 7.1.2 CONNECTOR FUNCTION DESCRIPTION www. xiaoyu163. com QQ 376315150 9 9 2 8 9 4 2 9 8 TEL 13942296513 9 9 2 8 9 4 2 9 8 0 5 1 5 1 3 6 7 3 Q Q TEL 13942296513 QQ 376315150 892498299 TEL 13942296513 QQ 376315150 892498299 http://www.xiaoyu163.com 61 5 6 7 8 F E D C B A 5 6 7 8 DEH-M8037ZT/UC 7.2 PARTS 7.2.1 IC - Pin Functions (PD5861A) Pin No. Pin Name I/O Function and Operation 1 PDO O Tuner : Data output 2 pck O Tuner : Serial clock output 3 BLDA O Dimmer control DA output for back light 4 LCE O LCD driver : Chip enable output 5 LDO O LCD driver : Data output 6 LDI I LCD driver : Data input 7 LCK O LCD driver : Clock output 8 BYTE I GND 9 CNVSS I GND 10 lrst O LCD driver : Reset output 11 LOFF O LCD driver : Off output 12 reset I Reset input 13 XOUT O Crystal oscillating element connection pin 14 VSS GND 15 XIN I Crystal oscillating element connection pin 16 VCC Power supply terminal 17 NMI I Not used 18 isen I Illumination power sense input 19 bsen I Back up power sense input 20 asen I ACC power sense input 21 RX2 I IP-BUS : Data input 22 PCE2 O Tuner : Chip enable 2 output 23 PCE1 O Tuner : Chip enable 1 output 24 BEEP O Beep tone output 25 SD I Tuner : SD input 26 st I Tuner : FM stereo input 27 locl O Local L output 28 ILLPWM O Phase width modulation output for illumination dimmer control 29 RX1 I IP-BUS : Data input 30 TX O IP-BUS : Data output 31 BSO O P-BUS : Serial data output 32 BSI I P-BUS : Serial data input 33 BSCK O P-BUS : Serial clock output 34 DSPOK I DSP : Interface monitor input 35 DSPDO O DSP : Data output 36 DSPDI I DSP : Data input 37 DSPCK O DSP : Serial clock output 38 DSPERR O DSP : Error detect input 39 dsprst O DSP : Reset output 40 dspcs O DSP : Chip select output 41 DSPACK I DSP : Acknowledge input 42 SYSMUTE O System mute output 43 TELMUTE I Telephone mute input 44 FMPW O FM power supply control output 45 AMPW O AM power supply control output 46 LANMUTE I AVC-LAN mute input 47 IPPW O IP-BUS : Power supply control output for IP BUS interface IC 48 ADIN O ADIM signal output 49 SYSPW O System power supply control output 50 NC Not used 51 FANPW O Not used 52 KEYILL O Key illumination control output 53–58 NC Not used 59 ROMDATA I/O ROM correction data input / output 60 ROMCLK O ROM correction clock output 61 ROMCS O ROM correction chip select output 62 VCC Power supply terminal www. xiaoyu163. com QQ 376315150 9 9 2 8 9 4 2 9 8 TEL 13942296513 9 9 2 8 9 4 2 9 8 0 5 1 5 1 3 6 7 3 Q Q TEL 13942296513 QQ 376315150 892498299 TEL 13942296513 QQ 376315150 892498299 http://www.xiaoyu163.com 62 1 2 3 4 1 2 3 4 F E D C B A DEH-M8037ZT/UC Pin No. Pin Name I/O Function and Operation 63 POWER I POWER key input 64 VSS GND 65–72 NC Not used 73 swvdd O Switched VDD control output 74 cdej I CD eject key sense input 75–80 NC Not used 81 TESTIN I Test program mode input 82 BSREQ I P-BUS : Service request input 83 BRXEN I P-BUS : Reception enable input 84 BRST I P-BUS : Reset input 85 DDSTBY O LED driver : Stand-by input 86 DDDT O LED driver : Data output 87 DDCK O LED driver : Clock output 88 DDST O LED driver : Strobe input 89 DMI I Rheostat signal input 90 NC Not used 91 SRSSW1 I Steering switch 1 input 92,93 NC Not used 94 TEMP Temperature detect input 95 SRSSW2 I Steering switch 2 input 96 AVSS GND 97 SL I Tuner : SD level input 98 VREF I A/D converter reference voltage 99 AVCC Analog power supply 100 PDI I Tuner : Data input 30 31 50 51 80 81 100 1 * PD5861A IC's marked by * are MOS type. Be careful in handling them because they are very liable to be damaged by electrostatic induction. 1 2 3 VIN VOUT GND Reference Voltage * S-812C56AUA-C3K 1 2 4 1 OUT VDD VSS VREF 3 NC * S-80835CNNB-B8U www. xiaoyu163. com QQ 376315150 9 9 2 8 9 4 2 9 8 TEL 13942296513 9 9 2 8 9 4 2 9 8 0 5 1 5 1 3 6 7 3 Q Q TEL 13942296513 QQ 376315150 892498299 TEL 13942296513 QQ 376315150 892498299 http://www.xiaoyu163.com 63 5 6 7 8 F E D C B A 5 6 7 8 DEH-M8037ZT/UC - Pin Function (PM2010A) Pin No. Pin Name I/O Function and Operation 1 XI I Crystal oscillator connection or clock input 2 XO O Crystal oscillator connection 3 VDX Crystal oscillator power supply 4 GNDA1 DAC1GND 5 AOUT1 O DAC1 volume output 6 DACO1 O DAC1 output 7 VLI1 I DAC1 volume input 8 VDD12 DAC1, DAC2 power supply 9 VLI2 I DAC2 volume input 10 DACO2 O DAC2 output 11 AOUT2 O DAC2 volume output 12, 13 GNDA2, 3 DAC2, 3GND 14 AOUT3 O DAC3 volume output 15 DACO3 O DAC3 output 16 VLI3 I DAC3 volume input 17 VREF DAC operation amp reference potential connection pin 18 VDD34 DAC3, DAC4 power supply 19 VLI4 I DAC4 volume input 20 DACO4 O DAC4 output 21 AOUT4 O DAC4 volume output 22, 23 GNDA4, 5 DAC4, 5GND 24 AOUT5 O DAC5 volume output 25 DACO5 O DAC5 output 26 VLI5 I DAC5 volume input 27 VDD56 DAC5, DAC6 power supply 28 VLI6 I DAC6 volume input 29 DACO6 O DAC6 output 30 AOUT6 O DAC6 volume output 31 GNDA6 DAC6GND 32 GND Digital section GND 33-36 TEST0-3 I Test setting 0-3 37 VDD Digital section VDD 38-41 TP0-3 O Test port 0-3 42 CKI0 I DAC clock input 0 43 TP4 O Test port 4 44 CKI1 I DAC clock input 1 45 TP5 O Test port 5 46 CKO0 O General-purpose clock output 0 47 TP6 O Test port 6 48 CKO1 O General-purpose clock output 1 49 VDD Digital section VDD 50 CKO2 O Clock output 2 51, 52 ELRO0, 1 I LRCK input for DOUT0, 1 53, 54 EBCO0, 1 I BCK input for DOUT0, 1 55, 56 DOUT0, 1 O Digital serial output 0, 1 57 GND Digital section GND 58-60 DIN0-2 I Digital serial input 0-2 61, 62 EBCI0, 1 I BCK input for DIN0, 1 63, 64 ELRI0, 1 I LRCK input for DIN0, 1 65 GND Digital section GND 66 I2CS I Microcomputer I/F I2C select 67 cs I Microcomputer I/F chip select 68 IFCK I Microcomputer I/F communication clock input 69 IFDI I Microcomputer I/F data input 70 IFDO O Microcomputer I/F data output 71 ack O Microcomputer I/F acknowledge output 72 IFOK O Microcomputer I/F condition monitor output 73 err O Overrun monitor output 74 BT I Boot setting www. xiaoyu163. com QQ 376315150 9 9 2 8 9 4 2 9 8 TEL 13942296513 9 9 2 8 9 4 2 9 8 0 5 1 5 1 3 6 7 3 Q Q TEL 13942296513 QQ 376315150 892498299 TEL 13942296513 QQ 376315150 892498299 http://www.xiaoyu163.com 64 1 2 3 4 1 2 3 4 F E D C B A DEH-M8037ZT/UC Pin No. Pin Name I/O Function and Operation 75 rst I Reset 76 VDD Digital section VDD 77 VDAM ADC microphone input power supply 78 VARM ADC microphone input operation amp reference potential 79 MIN I ADC microphone input 80 GNDM ADC microphone input GND 81-86 LIN-1-6 I ADC Lch input 1-6 87-92 RIN-1-6 I ADC Rch input 1-6 93 GNDAL ADC Lch input GND 94 OUTL O ADC Lch selector output 95 VRAL ADC Lch operation amp reference potential 96 VDA ADC input power supply 97 VRAR ADC Rch operation amp reference potential 98 OUTR O ADC Rch selector output 99 GNDAR ADC Rch input GND 100 GNDX Crystal oscillator section GND 30 31 50 51 80 81 100 1 * PM2010A www. xiaoyu163. com QQ 376315150 9 9 2 8 9 4 2 9 8 TEL 13942296513 9 9 2 8 9 4 2 9 8 0 5 1 5 1 3 6 7 3 Q Q TEL 13942296513 QQ 376315150 892498299 TEL 13942296513 QQ 376315150 892498299 http://www.xiaoyu163.com 65 5 6 7 8 F E D C B A 5 6 7 8 DEH-M8037ZT/UC - Pin Functions (PE5370B) Pin No. Pin Name I/O Format Function and Operation 1 BSO O C P-Bus serial data output 2 bsck I/O /C P-Bus serial clock input/output 3-5 NC Not used (Open) 6 EVDD E power supply Positive power supply 7 EVSS E power supply GND 8-10 NC Not used (Open) 11-13 MEMO0-2 O C Shock proof memory buffer quantity output 0-2 14-16 NC Not used (Open) 17 adena O C A/D reference voltage supply control output 18 IC/VPP IC : VSS direct connection/VPP : Pull-down 19 BRXEN I/O /C P-Bus reception is possible 20 bsrq I/O /C P-Bus service request demand 21 xtalen! O C CD LSI 16.9344MHz oscillation permission output 22 NC Not used (Open) 23 xrst O C CD LSI reset control output 24 VDCONT O C VD power supply control output 25 CD3VON O C CD +3.3V power supply control output 26 CONT O C Servo driver power supply control output 27 xwait I CD LSI wait control signal input 28 LOEJ O C The direction change output of LOAD/EJECT 29 CLCONT O C Driver input change output 30 CDMUTE O C CD mute control output 31 reset I System reset input 32 XT1 I Connected to the oscillator for subclock (connected to VSS via the resistor) 33 XT2 Connected to the oscillator for subclock (Open) 34 REGC Connected to the capacity stabilizing output of the regulator (an electrolytic capacitor of about 1µF) 35 X2 Oscillator connection for mainclock 36 X1 I Oscillator connection for mainclock 37 VSS GND 38 VDD Positive power supply (5V) 39 CLKOUT O C Internal system clock output (Open) 40 xwrite O CD LSI write control signal output 41, 42 NC Not used (Open) 43 xread O CD LSI read control signal output 44 XASTB O CD LSI address strobe output 45 LOCK I Spindle lock input 46 NC Not used (Open) 47-54 AD0-7 I/O /C Address/Data bus 0-7 55 BVDD B power supply Positive power supply (3.3V) 56 BVSS B power supply GND 57-64 AD8-15 I/O /C Address/Data bus 8-15 65 xcs O C CD LSI chip selection output 66 NC Not used (Open) 67, 68 DBBWRDY0, 1 I Connected to AVDD or AVSS via the resistor 69, 70 DBBRRDY0, 1 I Connected to AVDD or AVSS via the resistor 71 AVDD A power supply Positive power supply (5V) 72 AVSS A power supply GND 73 AVREF The reference voltage input for A/D converter 74 VDSENS VD power supply short sense input 75 DSCSNS Disc state sense input 76 TEMP Temperature information sense input 77 HOME I Home SW sense input 78 csens I Flap closing sense input 79 RFOKIN I RFOK input chatter count input 80-82 NC Connected to AVDD or AVSS via the resistor 83 WMAARI I Connected to AVDD or AVSS via the resistor 84 TYPE_A/D I Connected to AVDD or AVSS via the resistor 85 testin I Chip check test program starting input www. xiaoyu163. com QQ 376315150 9 9 2 8 9 4 2 9 8 TEL 13942296513 9 9 2 8 9 4 2 9 8 0 5 1 5 1 3 6 7 3 Q Q TEL 13942296513 QQ 376315150 892498299 TEL 13942296513 QQ 376315150 892498299 http://www.xiaoyu163.com 66 1 2 3 4 1 2 3 4 F E D C B A DEH-M8037ZT/UC Pin No. Pin Name I/O Format Function and Operation 86 NC Connected to EVDD or EVSS via the resistor 87 xint CD LSI interruption signal input 88 wint Connected to EVDD or EVSS via the resistor 89 brst I P-Bus reset input 90 ejsw I Eject key input 91 4/16 I C DRAM 4M/16M selection (L : 4M, H : 16M) 92 NC Open 93 CLAMP I C CLAMP SW sense input 94 ROMDATA I/O /C E2PROM data input/output 95 ROMCS O C E2PROM chip selection output 96 ROMCK O C E2PROM clock output 97 FRXD I For flash rewriting (received signal) 98 FTXD O C For flash rewriting (transmitted signal) 99 NC Open 100 BSI I P-Bus serial data input * PE5370B 25 26 50 51 75 76 100 1 Format Meaning C CMOS www. xiaoyu163. com QQ 376315150 9 9 2 8 9 4 2 9 8 TEL 13942296513 9 9 2 8 9 4 2 9 8 0 5 1 5 1 3 6 7 3 Q Q TEL 13942296513 QQ 376315150 892498299 TEL 13942296513 QQ 376315150 892498299 http://www.xiaoyu163.com 67 5 6 7 8 F E D C B A 5 6 7 8 DEH-M8037ZT/UC - Pin Functions (UPD63760GJ) Pin No. Pin Name I/O Function and Operation 1 R.GND GND for DRAM I/F 2 rst I Input of reset 3-7 AB12-8 I Address bus 12-8 from the microcomputer 8-15 AD7-0 I/O Address/data bus 7-0 to the microcomputer 16 cs I Chip selection 17 ASTB I Address strobe 18 read I Control signals (read) 19 write I Control signals (write) 20 wait O Control signals (wait) 21 INTQ Interruption signals to the external microcomputer 22 IFMODE I Switching between the data buses (16bit/8bit) 23 D.VDD Power supply for digital circuits 24 xtalen! I Permission to oscillate 16.9344MHz 25 xtalen@ I Permission to oscillate 24.576MHz 26 DA.VDD Power supply for DAC 27 ROUT O Output of audio for the right channel 28 DA.GND GND for DAC 29 R+ O Output of the right channel audio PWM 30 R- O Output of the right channel audio PWM 31 REGC Connected to the capacitor for band gap 32 L- O Output of the left channel audio PWM 33 L+ O Output of the left channel audio PWM 34 DA.GND GND for DAC 35 LOUT O Output of audio for the left channel 36 DA.VDD Power supply for DAC 37 X.VDD Power supply for the crystal oscillator 38 XTAL1 Connected to the crystal oscillator (16.9344MHz) 39 xtal! Connected to the crystal oscillator (16.9344MHz) 40, 41 X.GND Ground for the crystal oscillator 42 xtal@ Connected to the crystal oscillator (24.576MHz) 43 XTAL2 Connected to the crystal oscillator (24.576MHz) 44 X.VDD Power supply for the crystal oscillator 45 D.GND GND for digital circuits 46 DIN I Input of audio data 47 DOUT O Output of audio data 48 SCKIN I Clock input for audio data 49 SCKO O Clock output for audio data 50 LRCKIN I Input of LRCK for audio data 51 LRCK O Output LRCK for audio data 52 TESTX O Output for tests 53 RFOK O Output of RFOK 54 C16M O Output of 16.9344MHz 55 TESTEN I Connected to GND 56 TEST4 I Connected to GND 57 D.VDD Power supply for digital circuits 58 RFCK/HOLD O Output of RFCK/HOLD signal 59 WFCK/MIRR O Output of WFCK/MIRR signal 60 PLCK O Output of PLCK 61 LOCK O Output of LOCK 62 C1D1 O Information on error correction 63 C1D2 O Information on error correction 64 C2D1(RMUTE) O Information on error correction (mute for Rch) 65 C2D2(LMUTE) O Information on error correction (mute for Lch) 66 C2D3 O Information on error correction 67 D.GND Ground for digital circuits 68 ras O Output of DRAM RAS 69 cas) O Output of DRAM Lower CAS 70 cas! O Output of DRAM Upper CAS 71 we O Output of DRAM WE 72 oe O Output of DRAM OE www. xiaoyu163. com QQ 376315150 9 9 2 8 9 4 2 9 8 TEL 13942296513 9 9 2 8 9 4 2 9 8 0 5 1 5 1 3 6 7 3 Q Q TEL 13942296513 QQ 376315150 892498299 TEL 13942296513 QQ 376315150 892498299 http://www.xiaoyu163.com 68 1 2 3 4 1 2 3 4 F E D C B A DEH-M8037ZT/UC Pin No. Pin Name I/O Function and Operation 73-88 RDB0-15 I/O Input/output of DRAM Data0-15 89 D.GND Ground for digital circuits 90-99 RA0-9 O Output of DRAM Address0-9 100 D.VDD Power supply for digital circuits 101-104 TEST0-3 I Connected to GND 105 FD O Output of focus drive PWM 106 TD O Output of tracking drive PWM 107 SD O Output of thread drive PWM 108 MD O Output of spindle drive PWM 109 A.VDD Power supply for the analog system 110 ATEST O Analog tests 111 EFM O Output of EFM signals 112 ASY I Input of asymmetry 113 C3T Connection to the capacitor for detecting 3T 114 A.GND Ground for the analog system 115 RFI I Input of RF 116 AGCO O Output of RF 117 AGCI I Input of AGC 118 RFO O Output of RF(AGC) 119, 120 EQ2, 1 Equalizer 2, 1 121 RF2- I Reversal input of RF2 122 RF- I Reversal input of RF 123 A.GND Ground for the analog system 124 A I Input of A 125 C I Input of C 126 B I Input of B 127 D I Input of D 128 F I Input of F 129 E I Input of E 130 A.VDD Power supply for the analog system 131 REFOUT O Output of reference voltage 132 REFC Connected to the capacitor for output of REFOUT 133 FE- I Reversal input of FE 134 FEO O Output of FE 135 TE- I Reversal input of TE 136 TEO O Output of TE 137 TE2 O TE2 138 TEC I TEC 139 A.GND Ground for the analog system 140 LDREGO O Output of REG voltage for APC 141 PD I Input of PD 142 LD O Output of LD 143 PN I Assignment of pickup polarity 144 A.VDD Power supply for the analog system * UPD63760GJ 36 37 72 73 144 1 109 108www. xiaoyu163. com QQ 376315150 9 9 2 8 9 4 2 9 8 TEL 13942296513 9 9 2 8 9 4 2 9 8 0 5 1 5 1 3 6 7 3 Q Q TEL 13942296513 QQ 376315150 892498299 TEL 13942296513 QQ 376315150 892498299 http://www.xiaoyu163.com 69 5 6 7 8 F E D C B A 5 6 7 8 DEH-M8037ZT/UC DQ1 2 DQ2 3 DQ3 4 DQ4 5 VCC 6 DQ5 7 DQ6 8 DQ7 9 DQ8 10 NC 13 NC 14 we 15 ras 16 NC 17 A0 18 A1 19 A2 20 A3 21 VCC 22 42 DQ15 41 DQ14 40 DQ13 39 VSS 38 DQ12 37 DQ11 36 DQ10 35 DQ9 32 NC 31 lcas 30 hcas 29 oe 28 A8 27 A7 26 A6 25 A5 24 A4 23 VSS VCC 1 43 DQ16 44 VSS A0-A8 :Address input ras : Row address strobe lcas : Lower column address strobe ucas : Upper column address strobe DQ1-DQ16 : Data input/data output oe : Output enable we : Write enable VCC : Power supply VSS : GND NC : No connection 1 2 3 VIN VOUT VSS Reference Voltage * MSM51V4265EP-70TS * S-812C33AUA-C2N www. xiaoyu163. com QQ 376315150 9 9 2 8 9 4 2 9 8 TEL 13942296513 9 9 2 8 9 4 2 9 8 0 5 1 5 1 3 6 7 3 Q Q TEL 13942296513 QQ 376315150 892498299 TEL 13942296513 QQ 376315150 892498299 http://www.xiaoyu163.com 70 1 2 3 4 1 2 3 4 F E D C B A DEH-M8037ZT/UC No. Symbol I/O Explain 1 STIND O stereo "Low" when the FM stereo signals are received. indicator To be pulled up to the "VDD" at 47kΩ. 2 FMSD FM station "High" when signals are received. To be pulled up to the "VDD" at 47kΩ detector Meanwhile, 10kΩ should be used when taking diver FIX trigger from here and "High: 0.9VDD or more" and "Low: 250mV or less". (Should satisfy the diver IC specifications) 3 NL1 O noise level-1 "High" when noise is received. Output for the RDS. GND at 47kΩ//1,800pF. 4 NL2 O noise level-2 "High" when noise is received. Output for the RDS. GND at 36kΩ//330pF. 5 Rch O R channel FM stereo "R-ch" signal output or AM audio output. output Add the specified de-emphasis constant. 6 Lch O L channel FM stereo "L-ch" signal output or AM audio output. output Add the specified de-emphasis constant. 7 WC write control EEPROM write control. Writing permissible at "Low". Normally open. 8 SDBW O SD bandwidth SD bandwidth signal output. For detection of detuning data for the RDS. 9 AMDET O AM detector AM detector output. r out < 100Ω output 10 VDD power Power supply pin for the digital section. supply DC 5V +/- 0.25V. Be careful about overlapping noise in the logic section. 11 DGND digital ground Grounding for the digital section. 12 CE2 I chip enable-2 EEPROM chip enable. Active a "Low" To be pulled up to the "VDD" at 47kΩ 13 SL I/O signal level Received FM/AM signal level (strength) output. Connect the specified load resistor and capacitor (10k Ω+ 39k Ω//4,700pF) 14 DI/DO I/O data input/ Data input/Data output data output To be pulled up to the "VDD" at 47kΩ 15 CK I clock Clock input To be pulled up to the "VDD" at 47kΩ 16 CE1 I chip enable-1 AF·RF chip enable. Active at "High"To be grounded at 47kΩ 17 AMPNS AM PNS IF signal IF signal output for AM PNS circuit. 18 LDET O lock detector Active at "Low". To be pulled up to the "VDD" at 47kΩ 19 CREQ I current request Active at "Low". To be grounded at 47kΩ 20 AMINI AM audio input The frequency response and the level are set by connecting an external CR network with terminal AMIN as terminal AMDET. r in = 50kΩ 21 COMP O composite signal FM composite signal output. r out < 100Ω 22 VCC power supply Analog section power supply pin.DC 8.4V +/- 0.3V 23 LOCH I local high FM local high pin. When seeking local high, apply 5V together with "LOCL". 24 FMLOCL I FM local low FM local low pin. When seeking local low, apply 5V to the base of the NPN transistor with which the specified resistor is being connected to the emitter. Keep it open in case of ordinary marketed models. 25 LOCL I local low FM/AM local low pin. When seeking local low, apply 5V to the base of the NPN transistor.Since this pin is exclusive for AM when the FMLOCL is in use, do not drive it under FM. 26 RFGND RF ground Grounding for the antenna section. 27 FMANT I FM antenna input FM antenna input. 75Ω. Surge absorber (DSP-201M-S00B) is necessary. 28 AMANT I AM antenna input AM antenna input. High impedance. Connect to the antenna through an L (LAU type) of 4.7µH.To cope with the power transmission line hums, insert a series circuit consisting of an L (a coil of about 100mH) + R (a resistor of 470 Ω to 2.2kΩ) between the GND. IC 3 EEPROM 28 27 FM/AM 1ST IF 10.7MHz T51 Q51 CF51 CF52 CF53 IC1 MIXER, IF AMP, DET. 6 21 18 LDET COMP 22 25 10 14 12 15 16 8 13 3 CF202 VDD VCC DI/DO CE2 CK CE1 SDBW SL FMSD NL1 NL2 IC 2 FM MPX AMANT FMANT ATT ATT AMRF FMRF IMG ADJ RF ADJ X901 10.25MHz ANT ADJ LOCL 23 LOCH AMDET MPXREF 41kHz AM 2ND IF 450kHz 19 CREQ 11 DGND 1 STIND L ch 5 R ch 9 24 AMDET FMLOCL 20 17 7 AMPNS WC 26 RFGND AMIN - FM/AM Tuner Unit O O 4 2 www. xiaoyu163. com QQ 376315150 9 9 2 8 9 4 2 9 8 TEL 13942296513 9 9 2 8 9 4 2 9 8 0 5 1 5 1 3 6 7 3 Q Q TEL 13942296513 QQ 376315150 892498299 TEL 13942296513 QQ 376315150 892498299 http://www.xiaoyu163.com 71 5 6 7 8 F E D C B A 5 6 7 8 DEH-M8037ZT/UC COMMON SEGMENT SEG64 SEG61B SEG62B SEG63 COM 0A SEG20B SEG22B SEG23B SEG24B SEG25B SEG26B SEG28B SEG29B SEG30B COM 0A SEG32B SEG33B SEG34B SEG35B SEG 1 SEG 2 SEG 3 SEG 4 SEG 5 SEG61A SEG 6 COM 0A SEG 7 SEG 8 SEG 9 SEG10 SEG11 SEG12 SEG13 SEG14 SEG15 SEG16 SEG17 COM 0A SEG18 SEG19 SEG20A SEG62A SEG21 SEG22A SEG23A SEG24A SEG25A SEG26A SEG27 SEG28A SEG29A SEG30A SEG31 SEG32A SEG33A SEG34A SEG35A SEG36 SEG37 SEG38 SEG39 SEG40 SEG41 SEG42 SEG43 SEG44 SEG45 SEG46 SEG47 SEG48 SEG49 SEG50 SEG51 SEG52 SEG53 SEG54 SEG55 SEG56 SEG57 SEG58 SEG59 SEG60 COM 0A COM 1 COM 2 COM 3 COM 4 COM 5 COM 6 COM 7 COM 0A COM 0A COM 0A COM 0A COM 0A COM 0A COM 1 COM 2 COM 3 COM 4 COM 5 COM 6 COM 7 COM 0A - LCD(CAW1809) 7.2.2 DISPLAY www. xiaoyu163. com QQ 376315150 9 9 2 8 9 4 2 9 8 TEL 13942296513 9 9 2 8 9 4 2 9 8 0 5 1 5 1 3 6 7 3 Q Q TEL 13942296513 QQ 376315150 892498299 TEL 13942296513 QQ 376315150 892498299 http://www.xiaoyu163.com 72 1 2 3 4 1 2 3 4 F E D C B A DEH-M8037ZT/UC DEH-M8037ZT/UC GEX-M8087XMZT/XN/UC XM ANTENNA PIONEER H/U XM TUNER VEHICLE +B, ACC BUS SIGNAL(SOUND) 7.3 EXPLANATION 7.3.1 SYSTEM BLOCK DIAGRAM www. xiaoyu163. com QQ 376315150 9 9 2 8 9 4 2 9 8 TEL 13942296513 9 9 2 8 9 4 2 9 8 0 5 1 5 1 3 6 7 3 Q Q TEL 13942296513 QQ 376315150 892498299 TEL 13942296513 QQ 376315150 892498299 http://www.xiaoyu163.com 73 5 6 7 8 F E D C B A 5 6 7 8 DEH-M8037ZT/UC VCC=5V Pin 62 Power ON bsen=L asen=L YES VCC=5V Pin 16 bsen Pin 19 asen Pin 20 SYSPW←H Pin 49 IPPW←H Pin 47 swvdd←L Pin 73 Source keys operative Completes power-on operation. (After that, proceed to each source operation) Source ON 7.3.2 OPERATIONAL FLOW CHART www. xiaoyu163. com QQ 376315150 9 9 2 8 9 4 2 9 8 TEL 13942296513 9 9 2 8 9 4 2 9 8 0 5 1 5 1 3 6 7 3 Q Q TEL 13942296513 QQ 376315150 892498299 TEL 13942296513 QQ 376315150 892498299 http://www.xiaoyu163.com 74 1 2 3 4 1 2 3 4 F E D C B A DEH-M8037ZT/UC 7.4 CLEANING Before shipping out the product, be sure to clean the following portions by using the prescribed cleaning tools: Portions to be cleaned Cleaning tools CD pickup lenses Cleaning liquid : GEM1004 Cleaning paper : GED-008 www. xiaoyu163. com QQ 376315150 9 9 2 8 9 4 2 9 8 TEL 13942296513 9 9 2 8 9 4 2 9 8 0 5 1 5 1 3 6 7 3 Q Q TEL 13942296513 QQ 376315150 892498299 TEL 13942296513 QQ 376315150 892498299 http://www.xiaoyu163.com 75 5 6 7 8 F E D C B A 5 6 7 8 DEH-M8037ZT/UC 8. OPERATIONS Basic Operation Your audio system works when the ignition switch is in the “ACC” or “ON” position. 1 PWR Press to turn the unit on or off. 2 VOLUME/LEVEL + - When the Audio Control mode is OFF, raises / lowers volume (total vol- ume step is 64). When the Audio Control mode is ON, raises / lowers audio control levels. NOTICE In order to prevent too much electric discharge, do not leave the car audio on longer than necessary when the engine is not running. 5MUTE 3AUDIO CONTROL 1POWER 4SSP 2VOLUME+/- AUDIO CONTROL LEVEL+/- =2SSP is an abbreviation of Scion Sound Processing. 3 AUDIO CONTROL Press and the Audio Control mode cycles through the following order: (Bass) = (Treble) = (Fader) = (Balance) = (vol- ume) = (Bass) BAS : Adjust low-pitched tones. The display ranges from –5 to 5. TRE : Adjust high-pitched tones. The display ranges from –5 to 5. FAD : Adjust the sound balance between the rear and front speakers. The dis play ranges from –R7 to –F7. BAL : Adjust the sound balance between the left and right speakers. The dis play ranges from –L7 to –R7 4 SSP (Scion Sound Processing) SSP is a modified DSP (Digital Signal Processing) system that provides a customized sound for your vehicle. You can select from the modes below. SSP Neutral : A subdued sound that does not interfere with conversations. SSP Hear : A powerful, energetic, “live” sound. SSP Feel : Player sound — repro- duces the sound on the stage that musicians hear. For more details, please visit the SCION Web site at http://www.scion.com/ . Each time you press it, the SSP changes in the following order: = = = 5 MUTE To reduce the volume instantaneous- ly, press the MUTE button. will flash on and off. To cancel this mode, press the MUTE button again. www. xiaoyu163. com QQ 376315150 9 9 2 8 9 4 2 9 8 TEL 13942296513 9 9 2 8 9 4 2 9 8 0 5 1 5 1 3 6 7 3 Q Q TEL 13942296513 QQ 376315150 892498299 TEL 13942296513 QQ 376315150 892498299 http://www.xiaoyu163.com 76 1 2 3 4 1 2 3 4 F E D C B A DEH-M8037ZT/UC Listening to the RADIO 1 AM Switches to the AM mode. 2 FM1/2 Switches between FM1/2 modes. 3 TUNE5 Press to manually select (one step at a time) the station with the next higher frequency. Press and hold until you hear a beep, and automatic station selection begins to select stations in order of increasing frequency. NOTICE Attaching any film or window tint film (especially conduc- tive or metallic type) on the rear glass will noticeably reduce the sensitivity of the radio. *The car with a pole antenna is object outside. 2FM1/2 1AM 4TUNE∞ 3TUNE5 5PRESET1–6 6SCAN 4 TUNE∞ Press to manually select (one step at a time) the station with the next lower frequency. Press and hold until you hear a beep, and automatic station selection begins to select stations in order of decreasing frequency. 5 PRESET 1-6 Press to recall previously memorized stations (Preset Channels). Press and hold until you hear a beep, and the station you are currently tuned to is memorized as a Preset Channel. 6 SCAN If you press, SCAN is indicated in the display and SCAN begins search- ing for stations with good reception. If you press and hold until you hear a beep, SCAN is indicated in the dis- play and SCAN of preset channels begins. NOTICE You can store up to 6 stations per band. www. xiaoyu163. com QQ 376315150 9 9 2 8 9 4 2 9 8 TEL 13942296513 9 9 2 8 9 4 2 9 8 0 5 1 5 1 3 6 7 3 Q Q TEL 13942296513 QQ 376315150 892498299 TEL 13942296513 QQ 376315150 892498299 http://www.xiaoyu163.com 77 5 6 7 8 F E D C B A 5 6 7 8 DEH-M8037ZT/UC Listening to a CD Load a CD in the CD slot. ( lights.) NOTICE • Never try to disassemble or oil any part of the compact disc player. Do not insert anything except a compact disc into the slot. • You can load an 8 cm disc without using an adaptor. Never use an adaptor. 4TRK∞ 3TRK5 9SCAN 5Random 1DISC 2EJECT 8¡ 71 0TEXT 6Repeat 1 DISC Switches to the CD mode. (Only effective if a disc is loaded) 2 EJECT Press to eject the disc currently play- ing. 3 TRK5 Press to proceed to the next track. 4 TRK∞ Pressing once takes you back to the start of the track currently playing. Continuing to press takes you back one track at a time. 5 PRESET 1 (Random) If you press this, is indicated in the display and starts to play tracks on the disc being played in random order. Press again to cancel. “RND” is always displayed regard- less of this operation. 6 PRESET 2 (Repeat) If you press this, is indicated in the display and starts to repeat the track being played. Press again to cancel. “RPT” is always displayed regardless of this operation. 7 PRESET 5 (1) While this is pressed, play of the track is reversed. 8 PRESET 6 (¡) While this is pressed, play of the track is fast forwarded. 9 SCAN If you press this, is indicated in the display and starts to play the first 10 seconds of each track on the CD being played. Press again to can- cel. “SCAN” is always displayed regard- less of this operation. 0 TEXT Press, and display indications change as follows: ELAPSED TIME = DISC TITLE = TR TITLE (track title) If you press and hold until hear a beep, the page of a display can be changed. A maximum of 2 pages (24 characters) title can be displayed. CAUTION Compact disc players use an invisible laser beam which could cause hazardous radia- tion exposure if directed out- side the unit. Be sure to oper- ate the player correctly. www. xiaoyu163. com QQ 376315150 9 9 2 8 9 4 2 9 8 TEL 13942296513 9 9 2 8 9 4 2 9 8 0 5 1 5 1 3 6 7 3 Q Q TEL 13942296513 QQ 376315150 892498299 TEL 13942296513 QQ 376315150 892498299 http://www.xiaoyu163.com 78 1 2 3 4 1 2 3 4 F E D C B A DEH-M8037ZT/UC Listening to a MP3 DISC If you select a MP3 disc, is indicated in the display. 1 FILE 5 Press to proceed to the next file. 2 FILE ∞ Pressing once takes you back to the start of the file currently playing. Continuing to press takes you one file back at a time. 3 FOLDER Press to proceed to the next folder. (While playing a CD that includes MP3 files, press and hold to switch between CD-DA and MP3 files. 4 FOLDER Press to return to the previous folder. 5 HOME Press to jump to HOME. 2FILE∞ 1FILE5 0SCAN 6Random 9¡ 81 !TEXT 5HOME 7Repeat 3FOLDER 4FOLDER 6 PRESET 1 (Random) If you press this, is indicated in the display and starts to play files in the folder being played in random order. Press again to cancel. If you press and hold until you hear a beep, is indicated in the dis- play and starts to play files in all fold- ers on the disc being played in ran- dom order. Press again to cancel. “RND” is always displayed regard- less of this operation. 7 PRESET 2 (Repeat) If you press this, is indicated in the display and starts to repeat the file being played. Press again to cancel. If you press and hold until you hear a beep, is indicated in the dis- play and starts to repeat the folder being played. Press again to cancel. “RPT” is always displayed regardless of this operation. 8 PRESET 5 (1) While this is pressed, play of the track is reversed. (There is no sound.) 9 PRESET 6 (¡) While this is pressed, play of the track is fast forwarded. (There is no sound.) 0 SCAN If you press this, is indicated in the display and starts to play the first 10 seconds of each file in the folder being played. Press again to cancel. If you press and hold until you hear a beep, is indicated in the dis- play and starts to play the first 10 seconds of the first file of each fold- er. Press again to cancel. “SCAN” is always displayed regard- less of this operation. ! TEXT Press and display indications change as follows: ELAPSED TIME = FLD NAME (Folder name) = FILE NAME = ALB TITLE (Album Title) = TR TITLE (Track Title) = ART NAME (Artist Name) If you press and hold until hear a beep, the page of a display can be changed. A maximum of 2 pages (24 characters) title can be displayed. www. xiaoyu163. com QQ 376315150 9 9 2 8 9 4 2 9 8 TEL 13942296513 9 9 2 8 9 4 2 9 8 0 5 1 5 1 3 6 7 3 Q Q TEL 13942296513 QQ 376315150 892498299 TEL 13942296513 QQ 376315150 892498299 http://www.xiaoyu163.com 79 5 6 7 8 F E D C B A 5 6 7 8 DEH-M8037ZT/UC Listening to a XM Satellite Radio broad- cast 1 SAT Switches between the SAT 1/2/3 modes. 2 TUNE Pressing this lets you select the next higher channel. If you press and hold, you can rapidly scroll forward through the channels. While displaying Channel Category by TYPE UP/DOWN, pressing this lets you select upward the next chan- nel within currently selected type (Channel Category). 3 TUNE Pressing this lets you select the pre- vious channel. If you press and hold, you can rapidly scroll down through the channels. While displaying Channel Category by TYPE UP/DOWN, pressing this lets you select downward the next channel within currently selected type (Channel Category). 1SAT 3TUNE∞ 2TUNE5 6PRESET1–6 7SCAN 8TEXT 4TYPE UP 5TYPE DOWN 4 TYPE Press to see Channel Category of channel that is currently received. When Channel Category is displayed (TYPE is indicated), press again to switch to the next category. 5 TYPE Press to see Channel Category of channel that is currently received. When Channel Category is displayed (TYPE is indicated), press again to switch to the previous category. 6 PRESET 1-6 Press to recall previously memorized channels (Preset Channels). Press and hold until you hear a beep, and the channel you are currently receiving will be memorized as a Preset Channel. 7 SCAN Press and SCAN of the currently selected type (Channel Category) starts. At this time, SCAN is indicat- ed in the display. If you press and hold until you hear a beep, SCAN of preset channels starts. Also at this time, SCAN is indicated in the display. 8 TEXT Press and indication in the display changes as follows: CH NAME = TITLE (SONG/PROGRAM TITLE) = NAME (ARTIST NAME/FEA- TURE) = CH NUMBER = CH NAME = NOTICE About the display Up to a maximum of 10 alphanu- meric characters can be displayed. (Some information will not be fully displayed.) NOTICE You can store up to 6 chan- nels per band. www. xiaoyu163. com QQ 376315150 9 9 2 8 9 4 2 9 8 TEL 13942296513 9 9 2 8 9 4 2 9 8 0 5 1 5 1 3 6 7 3 Q Q TEL 13942296513 QQ 376315150 892498299 TEL 13942296513 QQ 376315150 892498299 http://www.xiaoyu163.com

标签:

版权声明

1. 本站所有素材,仅限学习交流,仅展示部分内容,如需查看完整内容,请下载原文件。
2. 会员在本站下载的所有素材,只拥有使用权,著作权归原作者所有。
3. 所有素材,未经合法授权,请勿用于商业用途,会员不得以任何形式发布、传播、复制、转售该素材,否则一律封号处理。
4. 如果素材损害你的权益请联系客服QQ:77594475 处理。