先锋PIONEER CD-BT10音响电路原理图

分类:电子电工 日期: 点击:0
先锋PIONEER CD-BT10音响电路原理图-0 先锋PIONEER CD-BT10音响电路原理图-1 先锋PIONEER CD-BT10音响电路原理图-2 先锋PIONEER CD-BT10音响电路原理图-3 先锋PIONEER CD-BT10音响电路原理图-4 先锋PIONEER CD-BT10音响电路原理图-5 先锋PIONEER CD-BT10音响电路原理图-6 先锋PIONEER CD-BT10音响电路原理图-7 先锋PIONEER CD-BT10音响电路原理图-8 先锋PIONEER CD-BT10音响电路原理图-9

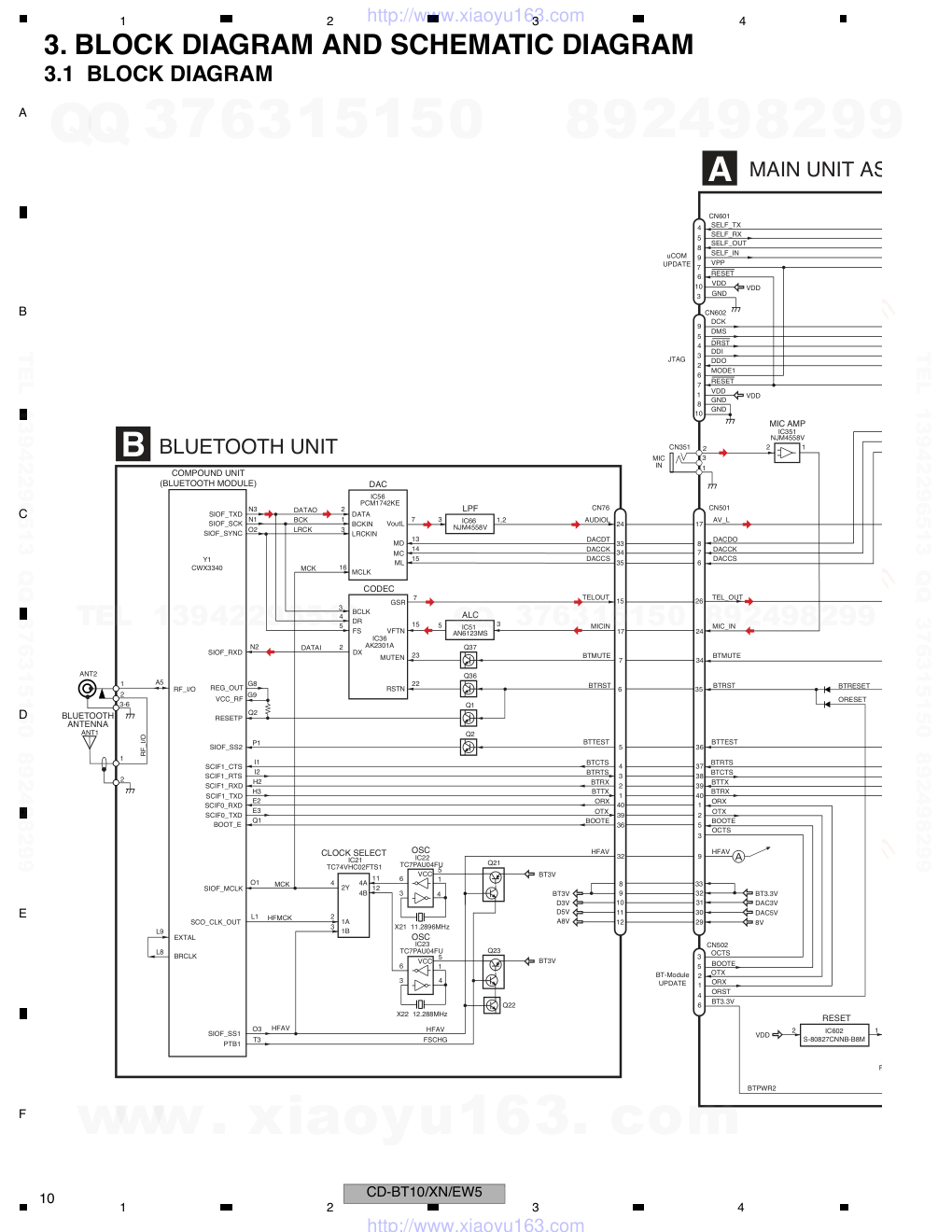
ORDER NO. PIONEER CORPORATION 4-1, Meguro 1-chome, Meguro-ku, Tokyo 153-8654, Japan PIONEER ELECTRONICS (USA) INC. P.O. Box 1760, Long Beach, CA 90801-1760, U.S.A. PIONEER EUROPE NV Haven 1087, Keetberglaan 1, 9120 Melsele, Belgium PIONEER ELECTRONICS ASIACENTRE PTE. LTD. 253 Alexandra Road, #04-01, Singapore 159936 PIONEER CORPORATION 2006 CD-BT10/XN/EW5 CRT3625 BLUETOOTH ADAPTER CD-BT10/XN/EW5 For details, refer to "Important Check Points for Good Servicing". K-ZZD.MAR. 2006 Printed in Japan www. xiaoyu163. com QQ 376315150 9 9 2 8 9 4 2 9 8 TEL 13942296513 9 9 2 8 9 4 2 9 8 0 5 1 5 1 3 6 7 3 Q Q TEL 13942296513 QQ 376315150 892498299 TEL 13942296513 QQ 376315150 892498299 http://www.xiaoyu163.com CD-BT10/XN/EW5 2 1 2 3 4 1 2 3 4 C D F A B E SAFETY INFORMATION - Service Precaution 1.You should conform to the regulations governing the product (safety, radio and noise, and other regulations), and should keep the safety during servicing by following the safety instructions described in this manual. 2. Be careful in handling ICs. Some ICs such as MOS type are so fragile that they can be damaged by electrostatic induction. This service manual is intended for qualified service technicians; it is not meant for the casual do-it-yourselfer. Qualified technicians have the necessary test equipment and tools, and have been trained to properly and safely repair complex products such as those covered by this manual. Improperly performed repairs can adversely affect the safety and reliability of the product and may void the warranty. If you are not qualified to perform the repair of this product properly and safely, you should not risk trying to do so and refer the repair to a qualified service technician. www. xiaoyu163. com QQ 376315150 9 9 2 8 9 4 2 9 8 TEL 13942296513 9 9 2 8 9 4 2 9 8 0 5 1 5 1 3 6 7 3 Q Q TEL 13942296513 QQ 376315150 892498299 TEL 13942296513 QQ 376315150 892498299 http://www.xiaoyu163.com CD-BT10/XN/EW5 3 5 6 7 8 5 6 7 8 C D F A B E [Important Check Points for Good Servicing] In this manual, procedures that must be performed during repairs are marked with the below symbol. Please be sure to confirm and follow these procedures. 1. Product safety Please conform to product regulations (such as safety and radiation regulations), and maintain a safe servicing environment by following the safety instructions described in this manual. 1 Use specified parts for repair. Use genuine parts. Be sure to use important parts for safety. 2 Do not perform modifications without proper instructions. Please follow the specified safety methods when modification(addition/change of parts) is required due to interferences such as radio/TV interference and foreign noise. 3 Make sure the soldering of repaired locations is properly performed. When you solder while repairing, please be sure that there are no cold solder and other debris. Soldering should be finished with the proper quantity. (Refer to the example) 4 Make sure the screws are tightly fastened. Please be sure that all screws are fastened, and that there are no loose screws. 5 Make sure each connectors are correctly inserted. Please be sure that all connectors are inserted, and that there are no imperfect insertion. 6 Make sure the wiring cables are set to their original state. Please replace the wiring and cables to the original state after repairs. In addition, be sure that there are no pinched wires, etc. 7 Make sure screws and soldering scraps do not remain inside the product. Please check that neither solder debris nor screws remain inside the product. 8 There should be no semi-broken wires, scratches, melting, etc. on the coating of the power cord. Damaged power cords may lead to fire accidents, so please be sure that there are no damages. If you find a damaged power cord, please exchange it with a suitable one. 9 There should be no spark traces or similar marks on the power plug. When spark traces or similar marks are found on the power supply plug, please check the connection and advise on secure connections and suitable usage. Please exchange the power cord if necessary. 0 Safe environment should be secured during servicing. When you perform repairs, please pay attention to static electricity, furniture, household articles, etc. in order to prevent injuries. Please pay attention to your surroundings and repair safely. 2. Adjustments To keep the original performance of the products, optimum adjustments and confirmation of characteristics within specification. Adjustments should be performed in accordance with the procedures/instructions described in this manual. 4. Cleaning For parts that require cleaning, such as optical pickups, tape deck heads, lenses and mirrors used in projection monitors, proper cleaning should be performed to restore their performances. 3. Lubricants, Glues, and Replacement parts Use grease and adhesives that are equal to the specified substance. Make sure the proper amount is applied. 5. Shipping mode and Shipping screws To protect products from damages or failures during transit, the shipping mode should be set or the shipping screws should be installed before shipment. Please be sure to follow this method especially if it is specified in this manual. www. xiaoyu163. com QQ 376315150 9 9 2 8 9 4 2 9 8 TEL 13942296513 9 9 2 8 9 4 2 9 8 0 5 1 5 1 3 6 7 3 Q Q TEL 13942296513 QQ 376315150 892498299 TEL 13942296513 QQ 376315150 892498299 http://www.xiaoyu163.com CD-BT10/XN/EW5 4 1 2 3 4 1 2 3 4 C D F A B E CONTENTS SAFETY INFORMATION..................................................................................................................................... 2 1. SPECIFICATIONS ............................................................................................................................................ 5 2. EXPLODED VIEWS AND PARTS LIST ............................................................................................................ 6 2.1 PACKING ................................................................................................................................................... 6 2.2 EXTERIOR................................................................................................................................................. 8 3. BLOCK DIAGRAM AND SCHEMATIC DIAGRAM.......................................................................................... 10 3.1 BLOCK DIAGRAM ................................................................................................................................... 10 3.2 MAIN UNIT ASSY .................................................................................................................................... 12 3.3 BLUETOOTH UNIT.................................................................................................................................. 14 4. PCB CONNECTION DIAGRAM ..................................................................................................................... 16 4.1 MAIN UNIT ASSY .................................................................................................................................... 16 4.2 BLUETOOTH UNIT.................................................................................................................................. 20 5. ELECTRICAL PARTS LIST ............................................................................................................................ 22 6. ADJUSTMENT ............................................................................................................................................... 26 6.1 JIG CONNECTION DIAGRAM................................................................................................................. 26 6.2 BLUETOOTH TEST MODE...................................................................................................................... 26 7. GENERAL INFORMATION............................................................................................................................. 31 7.1 DIAGNOSIS ............................................................................................................................................. 31 7.1.1 DISASSEMBLY ..................................................................................................................................... 31 7.1.2 CONNECTOR FUNCTION DESCRIPTION.......................................................................................... 32 7.2 IC ............................................................................................................................................................. 33 7.3 OPERATIONAL FLOW CHART ............................................................................................................... 38 8. OPERATIONS ................................................................................................................................................ 39 www. xiaoyu163. com QQ 376315150 9 9 2 8 9 4 2 9 8 TEL 13942296513 9 9 2 8 9 4 2 9 8 0 5 1 5 1 3 6 7 3 Q Q TEL 13942296513 QQ 376315150 892498299 TEL 13942296513 QQ 376315150 892498299 http://www.xiaoyu163.com CD-BT10/XN/EW5 5 5 6 7 8 5 6 7 8 C D F A B E 1. SPECIFICATIONS www. xiaoyu163. com QQ 376315150 9 9 2 8 9 4 2 9 8 TEL 13942296513 9 9 2 8 9 4 2 9 8 0 5 1 5 1 3 6 7 3 Q Q TEL 13942296513 QQ 376315150 892498299 TEL 13942296513 QQ 376315150 892498299 http://www.xiaoyu163.com CD-BT10/XN/EW5 6 1 2 3 4 1 2 3 4 C D F A B E 2. EXPLODED VIEWS AND PARTS LIST 2.1 PACKING NOTES : • Parts marked by " * " are generally unavailable because they are not in our Master Spare Parts List. • The > mark found on some component parts indicates the importance of the safety factor of the part. Therefore, when replacing, be sure to use parts of identical designation. • Screw adjacent to mark on the product are used for disassembly. • For the applying amount of lubricants or glue, follow the instructions in this manual. (In the case of no amount instructions,apply as you think it appropriate.) " 4 4 4 12 16 17 1 2 6 10 18 13 14 12 8 9 11 11 5 3 www. xiaoyu163. com QQ 376315150 9 9 2 8 9 4 2 9 8 TEL 13942296513 9 9 2 8 9 4 2 9 8 0 5 1 5 1 3 6 7 3 Q Q TEL 13942296513 QQ 376315150 892498299 TEL 13942296513 QQ 376315150 892498299 http://www.xiaoyu163.com CD-BT10/XN/EW5 7 5 6 7 8 5 6 7 8 C D F A B E PACKING SECTION PARTS LIST Mark No. Description Part No. 1 Cord Assy CDE5880 2 Cord Assy CDE8158 3 Cord Clamper Assy CEA4636 * 4 Clamper CNV8262 * 5 Polyethylene Bag E36-615 6 Air Cushioned Bag CEG1007 7 ••••• 8 Carton CHG5864 9 Contain Box CHL5864 10 Clip Holder CZN5471 11 Fastener CNM6888 12 Fastener CZN5472 13 Microphone Holder CZN5472 14 Microphone Assy CPM1064 15 ••••• * 16 Caution Card CRP1338 * 17 Warranty Card CRY1157 18 Cushion CZN5473 www. xiaoyu163. com QQ 376315150 9 9 2 8 9 4 2 9 8 TEL 13942296513 9 9 2 8 9 4 2 9 8 0 5 1 5 1 3 6 7 3 Q Q TEL 13942296513 QQ 376315150 892498299 TEL 13942296513 QQ 376315150 892498299 http://www.xiaoyu163.com CD-BT10/XN/EW5 8 1 2 3 4 1 2 3 4 C D F A B E 2.2 EXTERIOR A B 1 1 1 2 3 25 26 7 8 9 10 11 12 13 14 16 15 17 18 19 20 21 22 24 4 5 6 1 www. xiaoyu163. com QQ 376315150 9 9 2 8 9 4 2 9 8 TEL 13942296513 9 9 2 8 9 4 2 9 8 0 5 1 5 1 3 6 7 3 Q Q TEL 13942296513 QQ 376315150 892498299 TEL 13942296513 QQ 376315150 892498299 http://www.xiaoyu163.com CD-BT10/XN/EW5 9 5 6 7 8 5 6 7 8 C D F A B E EXTERIOR SECTION PARTS LIST Mark No. Description Part No. 1 Screw BSZ26P050FTB 2 Cord Assy CDE5880 3 Cord Assy CDE8158 > 4 Fuse(3 A) CEK1134 5 Chassis CNA2909 6 Insulator CNN1104 7 Main Unit Assy CWN1932 8 Jack(CN351) CKN1040 9 Plug(CN801) CKS-460 10 Connector(CN902) CKS3409 11 Connector(CN901) CKS3414 12 Connector(CN501) CKS4730 13 Connector(CN601) CKS5033 14 Connector(CN602) CKS5033 15 Holder CND3308 16 Holder CND3443 17 Bluetooth Unit CWN1934 18 Connector(CN76) CKS4731 19 Connector(ANT2) CKS5537 20 Shield CND3309 21 Insulator CNN1321 22 Antenna(ANT1) CTX1095 23 ••••• 24 7P FFC Connector (CN502) VKN1299 25 Plate Unit CXC6643 26 Case CNB3295 www. xiaoyu163. com QQ 376315150 9 9 2 8 9 4 2 9 8 TEL 13942296513 9 9 2 8 9 4 2 9 8 0 5 1 5 1 3 6 7 3 Q Q TEL 13942296513 QQ 376315150 892498299 TEL 13942296513 QQ 376315150 892498299 http://www.xiaoyu163.com CD-BT10/XN/EW5 10 1 2 3 4 1 2 3 4 C D F A B E 3. BLOCK DIAGRAM AND SCHEMATIC DIAGRAM 3.1 BLOCK DIAGRAM BTPWR2 MAIN UNIT AS A ORX ORX ORST BT3.3V OTX OTX BTRTS MIC_IN DACCS DACCK DACDO DRST DMS DCK SELF_TX SELF_RX SELF_OUT SELF_IN VPP RESET VDD GND DDI DDO MODE1 VDD GND GND AV_L BTMUTE BTRST BTRESET ORESET OCTS OCTS TEL_OUT CN501 CN601 CN602 CN502 BT-Module UPDATE uCOM UPDATE JTAG CN351 MIC IN 29 32 33 31 30 36 37 38 39 40 1 2 5 3 HFAV 9 35 34 24 17 8 7 6 26 BOOTE BOOTE BTTX BTTEST BTCTS BTRX 6 4 5 3 2 1 1 8 10 7 2 3 9 5 4 BT3.3V DAC3V DAC5V 8V MIC AMP NJM4558V IC351 2 6 VDD 7 6 10 3 9 8 5 4 VDD RESET R 2 1 IC602 S-80827CNNB-B8M S VDD RESET 3 2 1 1 COMPOUND UNIT (BLUETOOTH MODULE) ORX OTX BTCTS Q37 MICIN DACCS DACCK DACDT AUDIOL BTMUTE BTRST TELOUT CN76 RF_I/O VCC_RF REG_OUT SIOF_SS2 RESETP SIOF_RXD SCIF0_RXD SCIF0_TXD BOOT_E SIOF_TXD SIOF_SYNC SIOF_MCLK SCIF1_RXD SCIF1_TXD SCIF1_CTS SCIF1_RTS ANT1 ANT2 BLUETOOTH ANTENNA 1 2 3-6 A5 G9 G8 I1 3 2 4 7 N2 15 23 I2 H3 E3 Q1 H2 E2 12 9 8 10 11 5 4 3 2 1 40 39 36 6 7 17 24 33 34 35 15 DX BCLK SIOF_SCK SIOF_SS1 SCO_CLK_OUT MCK DR FS VFTN MUTEN RSTN GSR IC36 AK2301A Y1 CWX3340 CODEC LPF DAC 3 7 2 N3 1 N1 3 O2 13 14 15 16 5 PCM1742KE IC56 NJM4558V IC66 1,2 ALC 5 AN6123MS IC51 3 VoutL DATA BCKIN LRCKIN DATAO DATAI BCK LRCK MD MC ML MCLK Q36 BOOTE 22 Q1 BTRX Q2 BTTEST Q2 BTRTS BTTX P1 OSC 6 TC7PAU04FU IC22 CLOCK SELECT TC74VHC02FTS1 IC21 OSC TC7PAU04FU IC23 1 5 3 4 VCC VCC 6 11 12 4A 4B 2Y 1A 1B 4 2 HFMCK HFAV FSCHG MCK HFAV 3 O3 PTB1 T3 L1 O1 1 X21 11.2896MHz X22 12.288MHz 5 3 4 BLUETOOTH UNIT BT3V BT3V BT3V Q21 Q23 Q22 D3V D5V A8V B EXTAL BRCLK L9 L8 1 2 RF_I/O A 32 HFAV www. xiaoyu163. com QQ 376315150 9 9 2 8 9 4 2 9 8 TEL 13942296513 9 9 2 8 9 4 2 9 8 0 5 1 5 1 3 6 7 3 Q Q TEL 13942296513 QQ 376315150 892498299 TEL 13942296513 QQ 376315150 892498299 http://www.xiaoyu163.com CD-BT10/XN/EW5 11 5 6 7 8 5 6 7 8 C D F A B E CN902 7 6 5 3 2 1 8 1 11 10 CN901 BUS+ BUSG1 BUSG1 BUS- BUSG1 BUSL1 ASENS BUSLG BUS+ BUSG BUSG BUS- BUSG BUSLO ASENB BUSAG BUSAG 7 6 5 3 2 1 8 11 3 Q902 Q901 Q313 Q311 Q312 BSENS ASENS BU GND CN801 Q852 Q851 BSENS ASENS D352 BSENS ASENS MUTE IPSEL1 IPSEL2 BEEP BEEP IPPW DALMON DALMON SYSPW BTPWR2 BTPWR SYSPW BTPWR Q872 IP5V REGULATOR Q871 1,3 5 NJM2872F33 IC871 uCOM3.3V REGULATOR BU3 BT3.3V IP5V DAC5V 8V VDD Q804 8V REGULATOR Q803 Q805 DAC5V REGULATOR 2 6 1,7,8 NJM2374AM IC851 DAC3V 1, 3 5 NJM2872F33 PE5543A IC881 IC601(1/2) DAC3.3V REGULATOR BT3.3V REGULATOR SYSTEM CONTROL PE5543A IC601(2/2) SYSTEM CONTROL N UNIT ASSY IP-BUS DRIVER 1,2 7,6 HA12241FP IC901 SELECTOR BA3131FS IC301 BUFFER NJM4558MD IC211 3 1 2 7 5 6 5 1 2 8 BUS+ +IN1A -IN1A BUFF_L- L_OUT BUFF_L+ OUT1 BUS- ROUT DIN1 TX RX IPPW TX RX IPPW MEMDI NMEMDO MEMCK MEMWP MEMCS STBY BU3 DACCS -IN1C SW1 +IN1B DACCK DACDO DRST DMS DCK SELF_TX SELF_RX SELF_OUT SELF_IN FLMDD DDI DDO BTMUTE BTRESET ORESET BTRTS BTTX BTCTS BTRX BTTEST X1 X2 BTRST MP 8V RESET RESET RESET 1 14 13 12 44 43 28 27 29 30 35 24 59 32 31 49 48 52 51 50 23 22 40 39 20 42 41 45 8 46 26 25 61 57 8 SW2 9 6 3 63 62 18 19 58 60 65 IC602 S-80827CNNB-B8M EEPROM 2 SO SI SCK W# CS 5 6 3 S99-50084 IC603 1 S601 4.72MHz X601 IP-BUS OUT IP-BUS IN MUTE 16 +IN2C FUSE 3A Battery GND 1 A IC352 TC7SH02FUS1 4 1 2 www. xiaoyu163. com QQ 376315150 9 9 2 8 9 4 2 9 8 TEL 13942296513 9 9 2 8 9 4 2 9 8 0 5 1 5 1 3 6 7 3 Q Q TEL 13942296513 QQ 376315150 892498299 TEL 13942296513 QQ 376315150 892498299 http://www.xiaoyu163.com CD-BT10/XN/EW5 12 1 2 3 4 1 2 3 4 C D F A B E 3.2 MAIN UNIT ASSY A 1000/16 B CN76 MICROPHONE INPUT RESET -3.3dBs +3dBs µCOM3.3 V BT3.3 V DAC 3.3 V DAC 5.0 V A8.5 V IP5.0 V www. xiaoyu163. com QQ 376315150 9 9 2 8 9 4 2 9 8 TEL 13942296513 9 9 2 8 9 4 2 9 8 0 5 1 5 1 3 6 7 3 Q Q TEL 13942296513 QQ 376315150 892498299 TEL 13942296513 QQ 376315150 892498299 http://www.xiaoyu163.com CD-BT10/XN/EW5 13 5 6 7 8 5 6 7 8 C D F A B E A 1000/16 1000/16 A MAIN UNIT ASSY Decimal points for resistor and capacitor fixed values are expressed as : 2.2 2R2 0.022 R022 ← ← Symbol indicates a resistor. No differentiation is made between chip resistors and discrete resistors. NOTE : Symbol indicates a capacitor. No differentiation is made between chip capacitors and discrete capacitors. > FUSE 3A CEK1134 The > mark found on some component parts indicates the importance of the safety factor of the part. Therefore, when replacing, be sure to use parts of identical designation. MIC5.0 V +2.2 dBs +2.2 dBs +2.2 dBs A8.5 V IP-BUS OUT IP-BUS IN www. xiaoyu163. com QQ 376315150 9 9 2 8 9 4 2 9 8 TEL 13942296513 9 9 2 8 9 4 2 9 8 0 5 1 5 1 3 6 7 3 Q Q TEL 13942296513 QQ 376315150 892498299 TEL 13942296513 QQ 376315150 892498299 http://www.xiaoyu163.com CD-BT10/XN/EW5 14 1 2 3 4 1 2 3 4 C D F A B E 3.3 BLUETOOTH UNIT B CTX1095 BLUETOOTH ANTENNA COMPOUND UNIT www. xiaoyu163. com QQ 376315150 9 9 2 8 9 4 2 9 8 TEL 13942296513 9 9 2 8 9 4 2 9 8 0 5 1 5 1 3 6 7 3 Q Q TEL 13942296513 QQ 376315150 892498299 TEL 13942296513 QQ 376315150 892498299 http://www.xiaoyu163.com CD-BT10/XN/EW5 15 5 6 7 8 5 6 7 8 C D F A B E B B BLUETOOTH UNIT A CN501 -3.3 dBs +3 dBs BT3.3 V DAC3.3 V DAC5 V A8.5 V +3 dBs +3 dBs www. xiaoyu163. com QQ 376315150 9 9 2 8 9 4 2 9 8 TEL 13942296513 9 9 2 8 9 4 2 9 8 0 5 1 5 1 3 6 7 3 Q Q TEL 13942296513 QQ 376315150 892498299 TEL 13942296513 QQ 376315150 892498299 http://www.xiaoyu163.com CD-BT10/XN/EW5 16 1 2 3 4 1 2 3 4 C D F A B E 4. PCB CONNECTION DIAGRAM 4.1 MAIN UNIT ASSY Capacitor Connector P.C.Board Chip Part A A MAIN UNIT ASSY SIDE B SIDE A NOTE FOR PCB DIAGRAMS 1.The parts mounted on this PCB include all necessary parts for several destination. For further information for respective destinations, be sure to check with the schematic dia- gram. 2.Viewpoint of PCB diagrams 10 20 30 40 50 60 X 80 70 60 50 40 30 20 10 0 Y IP-BUS OUT IP- RESET www. xiaoyu163. com QQ 376315150 9 9 2 8 9 4 2 9 8 TEL 13942296513 9 9 2 8 9 4 2 9 8 0 5 1 5 1 3 6 7 3 Q Q TEL 13942296513 QQ 376315150 892498299 TEL 13942296513 QQ 376315150 892498299 http://www.xiaoyu163.com CD-BT10/XN/EW5 17 5 6 7 8 5 6 7 8 C D F A B E A SIDE A 60 70 80 90 100 110 120 130 140 1 2 3 IP-BUS IN CORD ASSY B CN76 MIC www. xiaoyu163. com QQ 376315150 9 9 2 8 9 4 2 9 8 TEL 13942296513 9 9 2 8 9 4 2 9 8 0 5 1 5 1 3 6 7 3 Q Q TEL 13942296513 QQ 376315150 892498299 TEL 13942296513 QQ 376315150 892498299 http://www.xiaoyu163.com CD-BT10/XN/EW5 18 1 2 3 4 1 2 3 4 C D F A B E A A MAIN UNIT ASSY 70 80 90 100 110 120 130 140 1 www. xiaoyu163. com QQ 376315150 9 9 2 8 9 4 2 9 8 TEL 13942296513 9 9 2 8 9 4 2 9 8 0 5 1 5 1 3 6 7 3 Q Q TEL 13942296513 QQ 376315150 892498299 TEL 13942296513 QQ 376315150 892498299 http://www.xiaoyu163.com CD-BT10/XN/EW5 19 5 6 7 8 5 6 7 8 C D F A B E A SIDE B 10 20 30 40 50 60 70 X 80 70 60 50 40 30 20 10 0 Y www. xiaoyu163. com QQ 376315150 9 9 2 8 9 4 2 9 8 TEL 13942296513 9 9 2 8 9 4 2 9 8 0 5 1 5 1 3 6 7 3 Q Q TEL 13942296513 QQ 376315150 892498299 TEL 13942296513 QQ 376315150 892498299 http://www.xiaoyu163.com CD-BT10/XN/EW5 20 1 2 3 4 1 2 3 4 C D F A B E 4.2 BLUETOOTH UNIT B B BLUETOOTH UNIT SIDE A 10 20 30 X 60 50 40 30 20 10 0 Y A CN501 www. xiaoyu163. com QQ 376315150 9 9 2 8 9 4 2 9 8 TEL 13942296513 9 9 2 8 9 4 2 9 8 0 5 1 5 1 3 6 7 3 Q Q TEL 13942296513 QQ 376315150 892498299 TEL 13942296513 QQ 376315150 892498299 http://www.xiaoyu163.com CD-BT10/XN/EW5 21 5 6 7 8 5 6 7 8 C D F A B E B B BLUETOOTH UNIT SIDE B 10 20 30 X 60 50 40 30 20 10 0 Y BLUETOOTH ANTENNA 4 5 3 6 1 2 www. xiaoyu163. com QQ 376315150 9 9 2 8 9 4 2 9 8 TEL 13942296513 9 9 2 8 9 4 2 9 8 0 5 1 5 1 3 6 7 3 Q Q TEL 13942296513 QQ 376315150 892498299 TEL 13942296513 QQ 376315150 892498299 http://www.xiaoyu163.com CD-BT10/XN/EW5 22 1 2 3 4 1 2 3 4 C D F A B E 5. ELECTRICAL PARTS LIST NOTE: • Parts whose parts numbers are omitted are subject to being not supplied. • The part numbers shown below indicate chip components. Chip Resistor RS1/_S___J,RS1/__S___J Chip Capacitor (except for CQS.....) CKS....., CCS....., CSZS..... • The > mark found on some component parts indicates the importance of the safety factor of the part. Therefore, when replacing, be sure to use parts of identical designation. • Meaning of the figures and others in the parentheses in the parts list. Example) IC 301 is on the point (face A, 91 of x-axis, and 111 of y-axis) of the corresponding PC board. IC 301 (A, 91, 111) IC NJM2068V Circuit Symbol and No. Part No. Unit Number: CWN1934 Unit Name : Bluetooth Unit Unit Number: CWN1932 Unit Name : Main Unit Assy B Unit Number: CWN1934 Unit Name : Bluetooth Unit MISCELLANEOUS IC 21 (A,31,62) IC TC74VHC02FTS1 IC 22 (A,24,64) IC TC7PAU04FU IC 23 (B,23,61) IC TC7PAU04FU IC 36 (A,11,32) IC AK2301A IC 51 (B,11,50) IC AN6123MS IC 56 (B,11,30) IC PCM1742KE IC 66 (B,12,43) IC NJM4558V Q 1 (A,31,32) IC DTC124EUA Q 2 (A,35,52) IC DTC124EUA Q 21 (B,28,60) Transistor UMD2N Q 22 (B,35,65) Transistor DTC124EUA Q 23 (B,30,65) Transistor UMD2N Q 36 (A,11,21) Transistor DTC124EUA Q 37 (A,7,21) Transistor DTC124EUA L 1 (A,23,44) Inductor CTF1629 L 21 (B,33,59) Inductor CTF1470 L 22 (A,24,60) Inductor CTF1470 L 23 (B,23,65) Inductor CTF1470 L 36 (A,16,35) Inductor CTF1470 L 51 (B,18,54) Inductor CTF1470 L 52 (B,7,52) Inductor CTF1470 L 56 (B,5,23) Inductor CTF1470 L 57 (B,11,36) Inductor CTF1470 X 21 (A,19,61) Resonator 11.289 6 MHz CSS1670 X 22 (B,18,62) Resonator 12.288 MHz CSS1698 Y 1 (B,27,42) Compound Unit CWX3340 ANT1 (B,30,11) Antenna CTX1095 RESISTORS R 1 (A,24,31) RS1/16S334J R 2 (B,33,65) RS1/16S103J R 3 (B,36,46) RS1/16S473J R 4 (B,36,60) RS1/16S103J R 5 (A,21,46) RS1/16S103J R 6 (A,21,51) RS1/16S0R0J R 7 (B,36,41) RS1/16S103J R 8 (B,36,44) RS1/16S101J R 9 (B,36,37) RS1/16S103J R 10 (A,35,55) RS1/16S470J R 11 (A,33,43) RS1/16S101J R 12 (A,35,43) RS1/16S101J R 13 (A,35,47) RS1/16S101J R 21 (A,37,60) RS1/16S101J R 22 (B,30,63) RS1/16S473J R 23 (A,25,57) RS1/16S473J R 24 (B,27,63) RS1/16S101J R 25 (A,25,60) RS1/16S101J R 26 (A,22,61) RS1/16S332J R 27 (A,22,64) RS1/16S105J R 28 (B,21,64) RS1/16S332J R 29 (B,21,61) RS1/16S105J R 30 (A,35,57) RS1/16S470J R 36 (A,15,21) RS1/16S103J R 37 (A,15,22) RS1/16S104J R 43 (A,11,39) RS1/16S393J R 44 (A,9,38) RS1/16S393J R 45 (A,16,40) RAB4C471J R 46 (A,6,42) RS1/16S103J R 47 (A,4,30) RS1/16S203J R 48 (A,4,33) RS1/16S103J R 49 (A,6,25) RS1/16S203J R 50 (A,15,25) RS1/16S473J R 51 (B,14,51) RS1/16S105J R 52 (A,5,33) RS1/16S103J R 56 (A,29,58) RS1/16S0R0J R 57 (B,9,25) RAB4C101J R 66 (B,18,40) RS1/16S103J R 67 (B,18,44) RS1/16S103J Circuit Symbol and No. Part No. www. xiaoyu163. com QQ 376315150 9 9 2 8 9 4 2 9 8 TEL 13942296513 9 9 2 8 9 4 2 9 8 0 5 1 5 1 3 6 7 3 Q Q TEL 13942296513 QQ 376315150 892498299 TEL 13942296513 QQ 376315150 892498299 http://www.xiaoyu163.com CD-BT10/XN/EW5 23 5 6 7 8 5 6 7 8 C D F A B E R 68 (B,18,38) RS1/16S473J R 69 (B,18,41) RS1/16S103J R 70 (B,9,40) RS1/16S103J R 71 (B,4,39) RS1/16S473J R 72 (B,4,41) RS1/16S103J R 73 (B,6,41) RS1/16S103J R 76 (A,32,38) RS1/16S101J R 77 (A,13,50) RS1/16S101J R 78 (A,14,52) RS1/16S101J R 79 (A,8,42) RS1/16S681J R 80 (A,29,41) RS1/16S101J R 81 (A,10,50) RS1/16S101J R 82 (A,11,52) RS1/16S101J R 83 (A,5,21) RS1/16S101J R 85 (B,12,60) RS1/16S101J R 86 (B,5,60) RAB4C101J R 87 (B,9,60) RAB4C101J CAPACITORS C 1 (A,29,32) CKSRYB104K16 C 4 (A,27,41) CSZS100M16 C 5 (A,23,37) CKSRYB104K16 C 7 (A,26,34) CSZS1R0M16 C 8 (A,23,40) CKSRYB104K16 C 9 (A,23,39) CKSRYB104K16 C 10 (A,23,35) CCSRCH101J50 C 12 (A,36,43) CCSRCH330J50 C 21 (A,29,65) CKSRYB104K16 C 22 (A,22,58) CKSRYB105K10 C 23 (A,20,57) CCSRCH120J50 C 24 (A,20,65) CCSRCH120J50 C 25 (B,23,64) CKSRYB105K10 C 26 (B,15,61) CCSRCH120J50 C 27 (B,17,58) CCSRCH120J50 C 28 (B,33,61) CCSRCH471J50 C 29 (A,35,58) CCSRCH100D50 C 30 (B,32,61) CCSRCH471J50 C 31 (A,26,64) CKSRYB103K50 C 32 (B,25,61) CKSRYB103K50 C 34 (A,28,67) CCSRCH471J50 C 36 (A,18,31) CKSYB106K6R3 C 37 (A,16,31) CKSRYB104K16 C 38 (A,10,41) CKSRYB105K10 C 39 (A,16,36) CKSRYB102K50 C 40 (A,10,25) CKSRYB105K10 C 41 (A,11,38) CCSRCH101J50 C 42 (A,7,38) CKSRYB105K10 C 43 (A,6,40) CKSRYB105K10 C 44 (A,13,26) CKSRYB334K10 C 45 (A,4,27) CKSRYB105K10 C 46 (A,5,30) CCSRCH101J50 C 47 (A,7,25) CCSRCH101J50 C 48 (A,5,36) CKSRYB105K10 C 49 (A,9,25) CKSRYB105K10 C 50 (A,4,36) CKSRYB105K10 C 51 (B,6,50) CKSRYB334K10 C 52 (B,8,50) CCSRCH331J50 C 53 (B,17,51) CKSYB106K6R3 C 54 (B,17,49) CKSYB106K6R3 Circuit Symbol and No. Part No. C 56 (B,18,31) CKSYB106K6R3 C 57 (B,6,30) CKSRYB102K50 C 58 (B,4,29) CKSYB106K6R3 C 59 (B,12,34) CKSRYB102K50 C 60 (B,14,36) CKSYB106K6R3 C 61 (B,9,36) CCSRCH101J50 C 62 (B,9,35) CCSRCH101J50 C 63 (B,18,35) CCSRCH471J50 C 64 (B,16,31) CKSRYB102K50 C 65 (B,5,25) CCSRCH101J50 C 66 (B,6,35) CKSYB475K16 C 67 (B,4,34) CKSYB475K16 C 68 (B,18,43) CCSRCH221J50 C 69 (B,18,46) CCSRCH391J50 C 70 (B,13,39) CKSYB106K6R3 C 71 (B,11,46) CKSRYB105K10 C 72 (B,6,42) CCSRCH391J50 C 73 (B,6,39) CCSRCH221J50 C 91 (A,18,46) CKSRYB105K10 A Unit Number: CWN1932 Unit Name : Main Unit Assy MISCELLANEOUS IC 211 (A,82,67) IC NJM4558MD IC 212 (A,83,79) IC NJM4558MD IC 301 (A,79,29) IC BA3131FS IC 351 (A,128,19) IC NJM4558V IC 352 (A,77,62) IC TC7SH02FUS1 IC 601 (A,24,33) IC PE5543A IC 602 (B,23,22) IC S-80827CNNB-B8M IC 603 (A,34,52) IC S99-50084 IC 851 (B,130,44) IC NJM2374AM IC 871 (A,17,65) IC NJM2872F33 IC 881 (A,104,35) IC NJM2872F33 IC 901 (A,33,66) IC HA12241FP Q 311 (B,57,72) Transistor 2SA1162 Q 312 (A,65,66) Transistor DTC143TK Q 313 (A,55,72) Transistor IMH23 Q 803 (A,104,60) Transistor UMD2N Q 804 (A,105,56) Transistor 2SD1859 Q 805 (A,104,44) Transistor 2SD1767 Q 851 (A,120,58) Transistor 2SB1243 Q 852 (B,126,63) Transistor 2SC4081 Q 871 (A,30,80) Transistor UMD2N Q 872 (A,14,77) Transistor 2SD1859 Q 901 (A,42,66) Transistor 2SC2412K Q 902 (B,127,58) Transistor 2SC2412K D 351 (B,130,17) Diode UDZS5R6(B) D 352 (B,63,67) Diode DAN202U D 501 (A,59,17) Diode DAN202U D 601 (B,26,22) Diode 1SS355 D 801 (A,114,85) Diode 1SR154-400 D 803 (A,123,63) Diode 1SR154-400 D 804 (B,133,56) Diode 1SS355 D 805 (A,100,60) Diode UDZS9R1(B) D 806 (A,111,45) Diode UDZS5R6(B) D 807 (A,25,46) Diode DAN202U Circuit Symbol and No. Part No. www. xiaoyu163. com QQ 376315150 9 9 2 8 9 4 2 9 8 TEL 13942296513 9 9 2 8 9 4 2 9 8 0 5 1 5 1 3 6 7 3 Q Q TEL 13942296513 QQ 376315150 892498299 TEL 13942296513 QQ 376315150 892498299 http://www.xiaoyu163.com CD-BT10/XN/EW5 24 1 2 3 4 1 2 3 4 C D F A B E D 851 (B,129,37) Diode RB160M-30 D 852 (A,28,46) Diode DAN202U D 871 (A,30,85) Diode UDZS5R6(B) D 903 (A,127,68) Diode HZU7R5(B2) L 301 (A,72,41) Chip Coil LCTAW4R7J2520 L 302 (A,93,39) Inductor CTF1379 L 601 (A,15,51) Inductor LCTAW2R2J2520 L 602 (B,37,51) Inductor CTF1379 L 603 (B,13,39) Inductor CTF1379 L 801 (A,134,77) Choke Coil 1.4 mH CTH1129 L 851 (A,129,49) Choke Coil 68 µH CTH1318 L 852 (A,132,33) Inductor CTF1660 L 901 (A,26,69) Chip Coil LCTAW1R5J2520 X 601 (A,23,19) Ceramic Resonator 4.72 MHz CSS1582 S 601 (A,15,6) Switch(RESET) CSG1046 RESISTORS R 211 (A,76,69) RS1/16S181J R 212 (A,76,77) RS1/16S181J R 213 (A,76,67) RS1/16S223J R 214 (A,76,79) RS1/16S223J R 215 (A,76,66) RS1/16S102J R 216 (A,76,80) RS1/16S102J R 217 (A,76,70) RS1/16S104J R 218 (A,76,76) RS1/16S104J R 219 (A,76,64) RS1/16S104J R 220 (A,76,82) RS1/16S104J R 221 (A,86,70) RS1/16S361J R 222 (A,87,76) RS1/16S361J R 223 (A,86,62) RS1/16S361J R 224 (A,87,82) RS1/16S361J R 231 (A,86,33) RS1/16S1302D R 232 (A,87,26) RS1/16S1302D R 233 (A,86,36) RS1/16S1302D R 234 (A,86,22) RS1/16S1302D R 235 (A,86,32) RS1/16S1502D R 236 (A,85,26) RS1/16S1502D R 237 (B,81,34) RS1/16S1002D R 238 (B,82,25) RS1/16S1002D R 239 (A,83,36) RS1/16S1502D R 240 (A,83,22) RS1/16S1502D R 241 (B,82,34) RS1/16S1002D R 242 (B,84,25) RS1/16S1002D R 243 (B,85,33) RS1/16S1002D R 244 (B,84,27) RS1/16S1002D R 245 (A,81,38) RS1/16S473J R 246 (B,83,29) RS1/16S473J R 247 (A,81,37) RS1/16S1002D R 248 (A,80,22) RS1/16S1002D R 249 (B,85,36) RS1/16S101J R 250 (B,84,24) RS1/16S101J R 251 (B,85,35) RS1/16S101J R 252 (B,87,27) RS1/16S101J R 259 (A,54,69) RS1/16S821J R 260 (A,57,69) RS1/16S821J R 261 (B,44,84) RS1/16S223J R 262 (B,40,84) RS1/16S223J R 311 (A,62,63) RS1/16S0R0J R 312 (A,59,65) RS1/16S103J Circuit Symbol and No. Part No. R 313 (A,62,65) RS1/16S333J R 314 (B,56,76) RS1/16S0R0J R 321 (A,84,41) RS1/16S272J R 322 (A,82,41) RS1/16S471J R 323 (A,76,41) RS1/16S273J R 324 (B,79,32) RS1/16S822J R 325 (B,76,34) RS1/16S223J R 326 (A,78,38) RS1/16S222J R 327 (B,78,37) RS1/16S473J R 351 (B,136,18) RS1/16S101J R 352 (B,136,25) RS1/16S102J R 353 (B,132,26) RS1/16S220J R 356 (B,132,23) RS1/16S153J R 357 (B,127,23) RS1/16S823J R 358 (B,125,23) RS1/16S333J R 359 (B,125,17) RS1/16S101J R 360 (B,117,17) RS1/16S103J R 361 (B,119,17) RS1/16S103J R 363 (A,111,19) RS1/16S101J R 601 (B,28,23) RS1/16S223J R 602 (B,18,28) RS1/16S103J R 604 (A,25,22) RS1/16S0R0J R 605 (B,30,23) RS1/16S102J R 606 (B,24,31) RS1/16S103J R 607 (B,15,9) RS1/16S101J R 608 (B,27,30) RS1/16S473J R 609 (B,28,30) RS1/16S473J R 610 (A,27,19) RS1/16S473J R 611 (A,27,22) RS1/16S102J R 612 (A,29,22) RS1/16S101J R 613 (A,30,22) RS1/16S101J R 614 (A,30,19) RS1/16S101J R 621 (A,35,23) RAB4C473J R 622 (B,32,21) RS1/16S101J R 623 (B,34,23) RS1/16S101J R 624 (B,37,23) RS1/16S101J R 625 (B,35,23) RS1/16S101J R 626 (A,37,30) RAB4C101J R 627 (A,37,35) RAB4C101J R 628 (A,7,28) RAB4C473J R 629 (A,37,39) RAB4C101J R 630 (B,22,7) RS1/16S473J R 631 (B,25,8) RS1/16S473J R 632 (A,36,45) RAB4C101J R 633 (A,34,57) RAB4C473J R 641 (A,33,45) RS1/16S101J R 642 (A,32,45) RS1/16S101J R 645 (A,27,59) RS1/16S473J R 661 (A,11,45) RS1/16S103J R 662 (A,8,45) RS1/16S104J R 663 (B,13,37) RS1/16S103J R 664 (A,15,43) RS1/16S103J R 670 (A,12,32) RS1/16S103J R 672 (A,13,28) RS1/16S103J R 673 (B,16,28) RS1/16S103J R 801 (B,130,60) RS1/16S220J R 802 (B,131,60) RS1/16S220J R 803 (A,108,60) RS1/16S681J R 804 (A,98,60) RS1/16S473J R 806 (A,108,51) RS1/16S272J Circuit Symbol and No. Part No. www. xiaoyu163. com QQ 376315150 9 9 2 8 9 4 2 9 8 TEL 13942296513 9 9 2 8 9 4 2 9 8 0 5 1 5 1 3 6 7 3 Q Q TEL 13942296513 QQ 376315150 892498299 TEL 13942296513 QQ 376315150 892498299 http://www.xiaoyu163.com CD-BT10/XN/EW5 25 5 6 7 8 5 6 7 8 C D F A B E R 851 (B,118,63) RS1/16S103J R 852 (B,119,63) RS1/16S471J R 853 (B,121,63) RS1/16S471J R 854 (B,123,63) RS1/16S471J R 855 (A,132,40) RS1/10SR47J R 856 (B,128,51) RS1/16S2202D R 857 (B,133,51) RS1/16S1302D R 858 (B,84,15) RS1/16S390J R 859 (B,83,14) RS1/16S390J R 860 (B,122,27) RS1/10SR22J R 862 (B,122,35) RS1/10SR22J R 863 (B,122,67) RS1/16S472J R 864 (B,126,68) RS1/16S473J R 865 (B,131,52) RS1/16S472J R 871 (A,23,75) RS1/16S272J R 872 (A,21,75) RS1/16S473J R 874 (A,15,66) RS1/16S153J R 881 (A,109,32) RS1/16S153J R 901 (B,36,31) RS1/16S472J R 903 (A,36,61) RS1/16S0R0J R 904 (A,37,61) RS1/16S0R0J R 906 (B,35,68) RS1/16S101J R 907 (B,35,70) RS1/16S101J R 909 (A,46,67) RS1/16S473J R 910 (A,46,65) RS1/16S223J R 911 (B,130,64) RS1/16S124J R 912 (B,131,64) RS1/16S124J CAPACITORS C 211 (A,78,68) CKSRYB105K10 C 212 (A,78,77) CKSRYB105K10 C 213 (A,78,65) CKSRYB105K10 C 214 (A,78,80) CKSRYB105K10 C 215 (A,86,67) CKSRYB104K16 C 216 (A,87,79) CKSRYB104K16 C 223 (B,89,34) CKSRYB105K10 C 224 (B,88,30) CKSRYB105K10 C 225 (B,89,36) CKSRYB105K10 C 226 (B,89,27) CKSRYB105K10 C 237 (A,77,55) CEAT100M50 C 238 (A,71,55) CEAT100M50 C 301 (A,70,34) CEAL101M10 C 302 (B,73,28) CKSRYB104K50 C 303 (A,73,20) CEAL101M10 C 304 (A,67,25) CEAL220M10 C 321 (A,78,41) CKSRYB332K50 C 322 (A,77,38) CKSRYB105K10 C 351 (A,133,18) CEJQ220M10 C 352 (B,134,23) CKSRYB104K16 C 353 (B,129,23) CCSRCH331J50 C 354 (B,131,23) CKSRYB682K50 C 355 (A,122,19) CEAT100M50 C 356 (B,137,16) CKSRYB104K16 C 357 (B,67,66) CKSRYB105K10 C 358 (A,74,62) CKSRYB104K16 C 601 (B,24,26) CKSRYB105K10 C 602 (B,22,29) CKSRYB104K16 C 603 (A,16,20) CEAT4R7M50 C 604 (B,31,31) CKSRYB104K16 Circuit Symbol and No. Part No. C 605 (B,21,41) CKSRYB104K16 C 606 (B,10,41) CKSRYB104K16 C 607 (A,20,48) CEJQ470M10 C 608 (B,35,51) CKSRYB104K16 C 609 (B,24,44) CKSYB106K6R3 C 801 (A,118,76) 1 000 µF/16 V CCH1234(P35) C 802 (B,122,76) CKSRYB104K50 C 803 (A,135,61) 1 000 µF/16 V CCH1234(P35) C 808 (A,104,65) CEAT101M25 C 809 (A,102,60) CKSRYB104K16 C 810 (A,96,55) CEAT470M10 C 811 (A,108,45) CKSRYB105K10 C 812 (A,109,45) CKSRYB103K50 C 813 (A,110,38) CEAL470M6R3 C 852 (A,138,43) CEHAZL101M25 C 853 (A,129,40) CKSRYB103K50 C 854 (A,128,42) CCSRCH391J50 C 856 (A,119,28) CEHAZL331M6R3 C 857 (B,131,50) CKSRYB103K50 C 858 (A,119,36) CEHAZL331M6R3 C 859 (B,126,67) CKSRYB105K10 C 872 (A,29,83) CKSRYB104K16 C 873 (A,10,71) CEAT470M10 C 874 (A,20,66) CKSRYB104K16 C 875 (A,15,63) CKSRYB103K50 C 876 (A,20,63) CKSRYB105K10 C 877 (B,16,65) CKSYB106K6R3 C 881 (A,104,38) CKSRYB104K16 C 882 (A,102,34) CKSRYB103K50 C 883 (A,107,34) CKSRYB105K10 C 884 (B,99,36) CKSYB106K6R3 C 902 (B,60,73) CKSRYB104K16 C 903 (A,33,62) CKSRYB103K50 C 904 (A,27,75) CEAT470M10 C 905 (B,27,70) CKSRYB102K50 C 906 (B,32,68) CKSRYB102K50 Circuit Symbol and No. Part No. www. xiaoyu163. com QQ 376315150 9 9 2 8 9 4 2 9 8 TEL 13942296513 9 9 2 8 9 4 2 9 8 0 5 1 5 1 3 6 7 3 Q Q TEL 13942296513 QQ 376315150 892498299 TEL 13942296513 QQ 376315150 892498299 http://www.xiaoyu163.com CD-BT10/XN/EW5 26 1 2 3 4 1 2 3 4 C D F A B E 6. ADJUSTMENT 6.1 JIG CONNECTION DIAGRAM 6.2 BLUETOOTH TEST MODE GGD1328 40P Extension Cord GGD1328 Bluetooth Unit Main Unit Assy www. xiaoyu163. com QQ 376315150 9 9 2 8 9 4 2 9 8 TEL 13942296513 9 9 2 8 9 4 2 9 8 0 5 1 5 1 3 6 7 3 Q Q TEL 13942296513 QQ 376315150 892498299 TEL 13942296513 QQ 376315150 892498299 http://www.xiaoyu163.com CD-BT10/XN/EW5 27 5 6 7 8 5 6 7 8 C D F A B E ● Check in Normal Operation 0. Bluetooth phone specifications A mobile phone supporting Bluetooth Ver.1.1 and mounting HFP and OPP is required. Models with which connection has been verified are recommended. 1. Caution Explain to the user that the user registration data on Flash ROM memory will be deleted to clear the history of connection test. Then turn the ACC ON and press the reset button to delete the Flash ROM memory. 2. Outline of functions Check the connection in normal operation when checking the operation using phones supporting Bluetooth. 3. Configuration diagram CD-BT10 Bluetooth IP-BUS Main unit (DEH-P7700MP, etc.) Mobile Phone www. xiaoyu163. com QQ 376315150 9 9 2 8 9 4 2 9 8 TEL 13942296513 9 9 2 8 9 4 2 9 8 0 5 1 5 1 3 6 7 3 Q Q TEL 13942296513 QQ 376315150 892498299 TEL 13942296513 QQ 376315150 892498299 http://www.xiaoyu163.com CD-BT10/XN/EW5 28 1 2 3 4 1 2 3 4 C D F A B E 4. Procedure for checking connection with Bluetooth-supporting phones Operation Method Screen Execute Bluetooth device search by operating the mobile phone and input the pass key. Select FUNC1 from the FUNCTION menu and register the phone data by pressing registration key to show the screen on the right. When phone data is registered, its incoming and outgoing call register, etc. can be displayed. When connection with Bluetooth phone is complete, the screen display shown on the right appears. When connection is successful, execute calling test and check the voice. 5. Waiting for connection with Bluetooth-supporting devices Operation Method Screen By selecting FUNC1 on the FUNCTION menu and press and hold the registration key(2sec), the product waits for connection establishment (right figure). www. xiaoyu163. com QQ 376315150 9 9 2 8 9 4 2 9 8 TEL 13942296513 9 9 2 8 9 4 2 9 8 0 5 1 5 1 3 6 7 3 Q Q TEL 13942296513 QQ 376315150 892498299 TEL 13942296513 QQ 376315150 892498299 http://www.xiaoyu163.com CD-BT10/XN/EW5 29 5 6 7 8 5 6 7 8 C D F A B E G Test Mode (using mobile phones) 1. Outline A test mode for simply checking the following 3 items. • Bluetooth antenna sensitivity check • FLASH memory operation check • Bluetooth connection (authenticated connection) check 2. Configuration diagram for testing IP-BUS Bluetooth 3. Procedure for starting up the test mode Start up the power supply by simultaneously pressing 4+6 keys and set the M/U mode into test mode. C N : W A I T Connection waiting status Connecting from the mobile phone (PIN input) C N : O K C N : E R R O R Connection completion status Connection error Key 1 pressing A N : - - - Detecting antenna strength A N : - 1 5 Display of antenna strength (when it is -15 dB (the range is -18 dB to -80 dB)) Key 1 pressing Note: This function is not used in service. S N D : O F F Voice line is not connected. Voice link cutoff status Key 1 pressing S N D : O N S N D : N G Voice line is connected. Check that sine wave is input from the microphone and is output from the speaker. Voice link ON: Outputting sine wave Voice link NG Key 1 pressing S N D : O F F Voice line is cut off. Check that the sine wave stops. Voice link cutoff status Key 1 pressing F L A S H : - - FLASH check is executed automatically by the following order. Deleting→writing→reading→deleting all→reading When FLASH memory test is executed, user registration data on FLASH memory is deleted. Test is completed if operation is normal to this point. Testing Flash memory F L A S H : O K F L A S H : N G Flash memory test OK Flash memory test NG www. xiaoyu163. com QQ 376315150 9 9 2 8 9 4 2 9 8 TEL 13942296513 9 9 2 8 9 4 2 9 8 0 5 1 5 1 3 6 7 3 Q Q TEL 13942296513 QQ 376315150 892498299 TEL 13942296513 QQ 376315150 892498299 http://www.xiaoyu163.com CD-BT10/XN/EW5 30 1 2 3 4 1 2 3 4 C D F A B E ● Test mode (using spectrum analyzer) 1. Cautions If there is a spectrum analyzer supporting 2.4 GHz at the service site, confirmation of transmission carrier becomes possible. Since CD-BT10 cannot operate singly, the main set with IP-BUS control is required. Carrier existence is checked by removing the product case and applying the probe onto the "ANT" land of the base unit. Since it is done by probe connection, the level cannot be confirmed accurately. 2. Function outline Simple operation check on Bluetooth is executed in test mode using a spectrum analyzer supporting 2.4 GHz. Output check on Bluetooth unit 3. Configuration diagram Spectrum analyzer supporting 2.4 GHz 4. Procedure for test mode startup 1. Test mode startup Start up the power supply by simultaneously pressing 4+6 keys and set the Main Unit mode to test mode. 2. Mode switching Use the BAND/ key to switch from production engineering test mode to authentication/design test mode. 3. Display switches as shown on the left figure Switch display using the right key and set the 5 Local TX no modula- tion test mode. Use key 1 to set the Local TX no modulation detail setup mode. 4. To Local TX no modulation detail mode Use key 3 to switch the frequency. "Transition of display" "Transition of display" "Operation" "Operation" C N : W A I T Initial screen for production engineering test mode BAND key L O O P . B _ S Initial screen for authentication/design test mode Local TX no modulation detail setting TX Frequency T _ 2 4 0 2 Key 3 Key 4 T _ 2 T _ 2 T _ 2 4 4 4 4 8 9 1 0 5 1 Loop Back test: L O O P . B _ S Right key Left key 2 Page Scan test: P . S C A N _ S 3 Inquiry Scan test: I . S C A N _ S 4 Local TX test: L . T X _ S 5 Local TX no modulation test: Selecting Local TX no modulation test: Executing L . T X N M _ S L . T X N M _ E Key 1 Key 2 To Loop Back test www. xiaoyu163. com QQ 376315150 9 9 2 8 9 4 2 9 8 TEL 13942296513 9 9 2 8 9 4 2 9 8 0 5 1 5 1 3 6 7 3 Q Q TEL 13942296513 QQ 376315150 892498299 TEL 13942296513 QQ 376315150 892498299 http://www.xiaoyu163.com CD-BT10/XN/EW5 31 5 6 7 8 5 6 7 8 C D F A B E 7. GENERAL INFORMATION 7.1 DIAGNOSIS 7.1.1 DISASSEMBLY - Removing the Main Unit Assy (Fig.2) 1 Fig.1 - Removing the Case (Fig.1) Fig.2 Remove the four screws and then remove the Case. 1 Case 1 Straighten the tab at location indicated and then remove the Main Unit Assy. 1 1 Main Unit Assy 1 1 1 1 www. xiaoyu163. com QQ 376315150 9 9 2 8 9 4 2 9 8 TEL 13942296513 9 9 2 8 9 4 2 9 8 0 5 1 5 1 3 6 7 3 Q Q TEL 13942296513 QQ 376315150 892498299 TEL 13942296513 QQ 376315150 892498299 http://www.xiaoyu163.com CD-BT10/XN/EW5 32 1 2 3 4 1 2 3 4 C D F A B E 7.1.2 CONNECTOR FUNCTION DESCRIPTION DC CONNECTOR IP-BUS IN(BLUE) IP-BUS OUT(BLACK) 1 2 3 1 2 6 7 8 9 10 11 3 4 5 BUSL2 BUSR2 BUSR1 ASENS BUSL1 BUSG1 BUS - NC BUSG1 BUSG1 BUS + BUS + BUSG5 BUSG5 NC BUS - BUSG5 BUSL3 ASENB BUSR3 BUSAG1 BUSAG1 1 2 6 7 8 9 10 11 3 4 5 1 2 3 4 5 6 7 8 9 10 11 1 2 3 5 6 7 8 9 10 11 4 - B.U GND 1 2 3 MIC IN www. xiaoyu163. com QQ 376315150 9 9 2 8 9 4 2 9 8 TEL 13942296513 9 9 2 8 9 4 2 9 8 0 5 1 5 1 3 6 7 3 Q Q TEL 13942296513 QQ 376315150 892498299 TEL 13942296513 QQ 376315150 892498299 http://www.xiaoyu163.com CD-BT10/XN/EW5 33 5 6 7 8 5 6 7 8 C D F A B E 7.2 IC 14 VCC 13 4Y 12 4B 11 4A 10 3Y 9 3B 8 3A 1 1Y 2 1A 3 1B 4 2Y 5 2A 6 2B 7 GND TC74VHC02FTS1 TC7PAU04FU 1A 1Y GND Vcc 2A 2Y INPUT GND OUTPUT DET VCC 1 2 3 4 5 DET AN6123MS gm www. xiaoyu163. com QQ 376315150 9 9 2 8 9 4 2 9 8 TEL 13942296513 9 9 2 8 9 4 2 9 8 0 5 1 5 1 3 6 7 3 Q Q TEL 13942296513 QQ 376315150 892498299 TEL 13942296513 QQ 376315150 892498299 http://www.xiaoyu163.com CD-BT10/XN/EW5 34 1 2 3 4 1 2 3 4 C D F A B E GST VFTN VFTP VR VFR GSR TAGND VREF VDD VSS AMP1O -Block Diagram -Pin Layout AMP1I AMP2O AMP2I TEST1 TEST2 TEST3 PLLC MUTEN RSTN DX DR FS BCLK AMPT AMPR AAF SMF BGREF Internal Main Clock A/D D/A CODEC Core PCM I/F PLL AMP1 -+ -+ -+ -+ AMP2 24 23 22 21 20 15 14 13 1 2 3 4 5 6 7 8 9 10 11 12 19 18 17 16 AK2301A www. xiaoyu163. com QQ 376315150 9 9 2 8 9 4 2 9 8 TEL 13942296513 9 9 2 8 9 4 2 9 8 0 5 1 5 1 3 6 7 3 Q Q TEL 13942296513 QQ 376315150 892498299 TEL 13942296513 QQ 376315150 892498299 http://www.xiaoyu163.com CD-BT10/XN/EW5 35 5 6 7 8 5 6 7 8 C D F A B E - Pin Functions(PE5543A) Pin No. Pin Name I/O Format Function and Operation 1 AVREF0 A power supply Positive power supply(5 V) 2 AVSS A power supply GND 3,4 NC Not used 5 AVREF1 A power supply Positive power supply(5 V) 6,7 NC Not used 8 FLMD0 A power supply Positive power supply(5 V) 9 VDD Positive power supply(5 V) 10 REGC Connected to the capacity stabilizing output of the regulator 11 VSS GND 12 X1 I Oscillator connection for mainclock 13 X2 Oscillator connection for mainclock 14 RESET I System reset input 15 XT1 I Connected to the oscillator for subclock (connented to VSS via the resistor) 16 XT2 Connected to the oscillator for subclock(OPEN) 17 NMI Not used 18 asens I ACC sense input 19 bsens I Back up sense input 20 DRST I P-On chip debugging : Reset input 21 NC Not used 22 DACDO O D/A converter data output 23 DACCK O D/A converter clock output 24 DACCS O D/A converter chip select output 25 SELF-TX O C Self rewriting data output 26 SELF-RX I Self rewriting data input 27 BTRST O C BT driver : RTS output 28 BTCTS I BT driver : CTS input 29 BTTEST O C BT driver : RF test output 30 BTRST O C BT driver : Reset output 31 TX O C IP-BUS : Data output 32 RX I IP-BUS : Data input 33 EVSS E power supply GND 34 EVDD E power supply Positive power supply 35 BTMUTE O C BT driver : Mute output 36-38 NC Not used 39 DDI I On chip debugging : Data input 40 DDO O C On chip debugging : Data output 41 DCK I On chip debugging : Clock input 42 DMS I On chip debugging : Transmission mode select input 43 BTTX O C BT driver : Data output 44 BTRX I BT driver : Data input 45 SELFIN I Self rewriting : Mode sense input 46 SELFOUT O C Self rewriting : Mode output 47 NC Not used 48 MEMWP O C Flash memory : Write protect output 49 MEMCS O C Flash memory : Chip select output 50 MEMDI I Flash memory : Data input 51 MEMDO O C Flash memory : Data output 52 MEMCK O C Flash memory : Clock output 53 TESTSI I Not used 54 TESTSO O C Not used 55 TESTSCK O C Not used 56 NC Not used 57 BEEP O C Beep sound output 58 BTPW O C BT driver : Power supply control output 59 IPPW O C IP-BUS : Driver power supply control output 60 SYSPW O C System power supply control output www. xiaoyu163. com QQ 376315150 9 9 2 8 9 4 2 9 8 TEL 13942296513 9 9 2 8 9 4 2 9 8 0 5 1 5 1 3 6 7 3 Q Q TEL 13942296513 QQ 376315150 892498299 TEL 13942296513 QQ 376315150 892498299 http://www.xiaoyu163.com CD-BT10/XN/EW5 36 1 2 3 4 1 2 3 4 C D F A B E Pin No. Pin Name I/O Format Function and Operation 61 IPSEL1 O C IP-BUS : Selector output 1 62 IPSEL2 O C IP-BUS : Selector output 2 63 MUTE O C System mute output 64 NC Not used 65 DALMON O C For consumption current reduction output 66-68 NC Not used 69 BVSS BUS interface GND terminal 70 BVDD BUS interface power supply terminal 71-75 NC Not used 76 FLMD1 I Connet to GND 77-79 NC Not used 80 ROMDATA I/O C ROM correction : Data input/output 81 ROMCLK O C ROM correction : Clock output 82 ROMCS O C ROM correction : Chip select output 83-97 NC Not used 98 SIMU1 I Model select input 1 99 SIMU2 I Model select input 2 100 TESTIN I Test mode input 25 26 50 51 75 76 100 1 PE5543A Meaning CMOS Format C IN B IN A GND OUT Y VCC 1 2 3 5 4 TC7SH02FUS1 www. xiaoyu163. com QQ 376315150 9 9 2 8 9 4 2 9 8 TEL 13942296513 9 9 2 8 9 4 2 9 8 0 5 1 5 1 3 6 7 3 Q Q TEL 13942296513 QQ 376315150 892498299 TEL 13942296513 QQ 376315150 892498299 http://www.xiaoyu163.com CD-BT10/XN/EW5 37 5 6 7 8 5 6 7 8 C D F A B E CS# SO W# GND S99-50084 NJM2872F33 VCC HOLD# SCK SI 1 2 3 4 8 7 6 5 1 3 2 S1 R out S2 GND -BUS +BUS VCC stb 4 5 6 7 8 BIAS DRIVER OUTPUT (current) + - - + COM RECEIVER OUTPUT HA12241FP SCK : Serial clock input SI : Serial data input SO : Serial data output CS# : Chip select input W# : Write protect input HOLD#: Hold input Vcc : Power supply GND : Ground CS NJM2374AM ES PWM Logic Q S R lpk Sense PWM COMP ERR.AMP Maximum ON duty 9:1 OSC BLOCK CT GND Cp S1 V+ IN+ - + - + + - Vref 8 7 6 5 1 2 3 4 1 2 3 CONTROL GND NOISE BYPASS 4 5 VIN VOUT Bandgap Reference Thermal Protection www. xiaoyu163. com QQ 376315150 9 9 2 8 9 4 2 9 8 TEL 13942296513 9 9 2 8 9 4 2 9 8 0 5 1 5 1 3 6 7 3 Q Q TEL 13942296513 QQ 376315150 892498299 TEL 13942296513 QQ 376315150 892498299 http://www.xiaoyu163.com CD-BT10/XN/EW5 38 1 2 3 4 1 2 3 4 C D F A B E 7.3 OPERATIONAL FLOW CHART H L L H H H IPSEL1 = L IPSEL1 = H IPSEL2 = H IPSEL2 = L L(Release) L(Release) VDD = 5 V Pin 9 DALMON Pin 65 BSENS Pin19 ACC ON B. Up ON ASENS Pin 18 BTPW Pin 58 M/U source select SYSPW Pin 60 Source Telephone Source BT-Audio IPSEL1 : Pin 61 IPSEL2 : Pin 62 IPSEL1 : Pin 61 IPSEL2 : Pin 62 It connects between BT-AUDIO product in the A2DP connetion or AVRCP. MUTE Pin 63 Completes power-on operation (After that, proceed to each source operation.) Completes power-on operation (After that, proceed to each source operation.) MUTE Pin 63 It connects between the mobile phone and this product in HFP. And the mobile phone is being talked over the telephone. www. xiaoyu163. com QQ 376315150 9 9 2 8 9 4 2 9 8 TEL 13942296513 9 9 2 8 9 4 2 9 8 0 5 1 5 1 3 6 7 3 Q Q TEL 13942296513 QQ 376315150 892498299 TEL 13942296513 QQ 376315150 892498299 http://www.xiaoyu163.com CD-BT10/XN/EW5 39 5 6 7 8 5 6 7 8 C D F A B E 8. OPERATIONS www. xiaoyu163. com QQ 376315150 9 9 2 8 9 4 2 9 8 TEL 13942296513 9 9 2 8 9 4 2 9 8 0 5 1 5 1 3 6 7 3 Q Q TEL 13942296513 QQ 376315150 892498299 TEL 13942296513 QQ 376315150 892498299 http://www.xiaoyu163.com CD-BT10/XN/EW5 40 1 2 3 4 1 2 3 4 C D F A B E www. xiaoyu163. com QQ 376315150 9 9 2 8 9 4 2 9 8 TEL 13942296513 9 9 2 8 9 4 2 9 8 0 5 1 5 1 3 6 7 3 Q Q TEL 13942296513 QQ 376315150 892498299 TEL 13942296513 QQ 376315150 892498299 http://www.xiaoyu163.com CD-BT10/XN/EW5 41 5 6 7 8 5 6 7 8 C D F A B E www. xiaoyu163. com QQ 376315150 9 9 2 8 9 4 2 9 8 TEL 13942296513 9 9 2 8 9 4 2 9 8 0 5 1 5 1 3 6 7 3 Q Q TEL 13942296513 QQ 376315150 892498299 TEL 13942296513 QQ 376315150 892498299 http://www.xiaoyu163.com CD-BT10/XN/EW5 42 1 2 3 4 1 2 3 4 C D F A B E - Jigs List Extension Cord GGD1328 Connecting the Main Unit Assy to Bluetooth Unit Name Jig No. Remarks www. xiaoyu163. com QQ 376315150 9 9 2 8 9 4 2 9 8 TEL 13942296513 9 9 2 8 9 4 2 9 8 0 5 1 5 1 3 6 7 3 Q Q TEL 13942296513 QQ 376315150 892498299 TEL 13942296513 QQ 376315150 892498299 http://www.xiaoyu163.com

标签:

版权声明

1. 本站所有素材,仅限学习交流,仅展示部分内容,如需查看完整内容,请下载原文件。
2. 会员在本站下载的所有素材,只拥有使用权,著作权归原作者所有。
3. 所有素材,未经合法授权,请勿用于商业用途,会员不得以任何形式发布、传播、复制、转售该素材,否则一律封号处理。
4. 如果素材损害你的权益请联系客服QQ:77594475 处理。