胜利JVC XV-S300BK音响电路原理图

分类:电子电工 日期: 点击:0
胜利JVC XV-S300BK音响电路原理图-0 胜利JVC XV-S300BK音响电路原理图-1 胜利JVC XV-S300BK音响电路原理图-2 胜利JVC XV-S300BK音响电路原理图-3 胜利JVC XV-S300BK音响电路原理图-4 胜利JVC XV-S300BK音响电路原理图-5 胜利JVC XV-S300BK音响电路原理图-6 胜利JVC XV-S300BK音响电路原理图-7 胜利JVC XV-S300BK音响电路原理图-8 胜利JVC XV-S300BK音响电路原理图-9

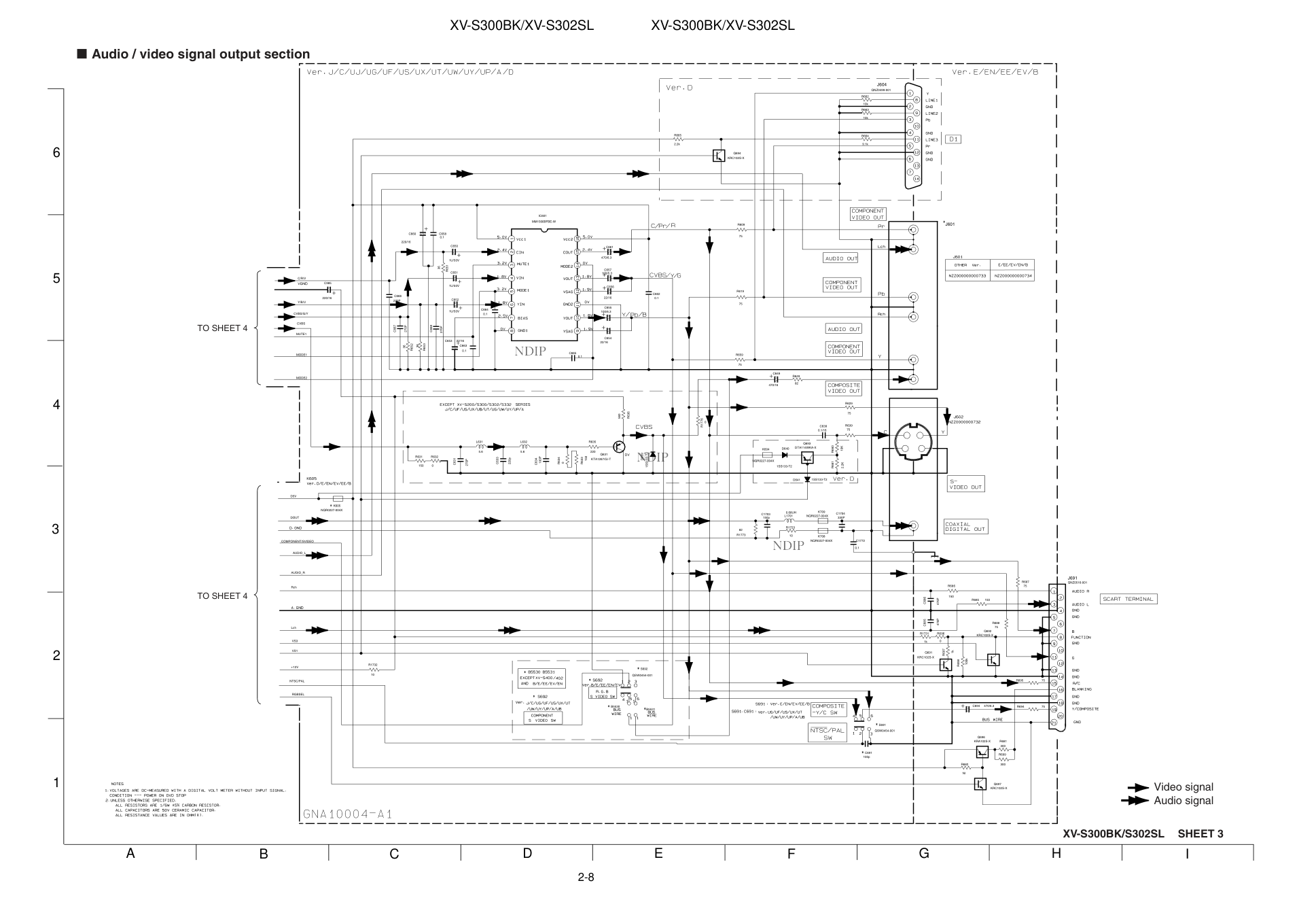
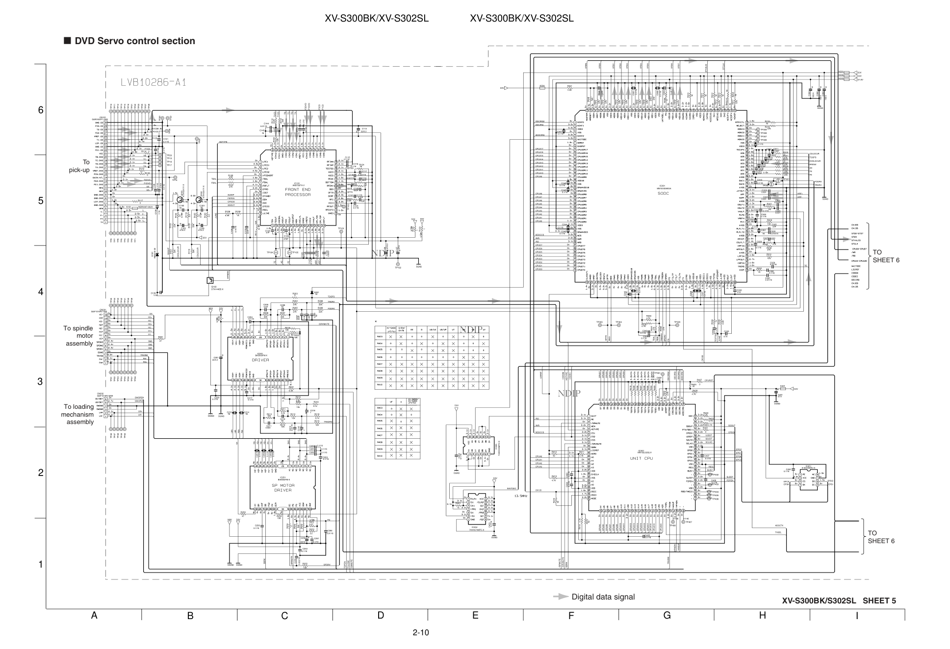
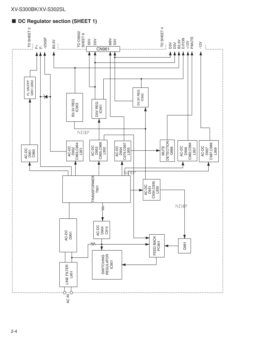
XV-S300BK/XV-S302SL 2-2 FEP (Front end processor) IC101 4CH Driver IC201 SPINDLE MOTOR DRIVER IC251 SODC (Super optical disc controller) IC301 ZIVA WAIT IC454 IC455 Unit CPU IC401 16M ROM IC402 CN101 CN502 CN503 T1CD T2CD F1CD F2CD TR TC TD TA F2DVD F1DVD T+ T- F+ F- TDOFS FODRV TRDRV TRSDRV BDO OFTR TBAL TE RFENV FBAL FE AS ARF+ ARF- TESTSG JLINE FEPEN CPSCK SDOUT SLEEP ADSCIRQ ODCIRQ ODCIRQ2 /WR /RD /WR /RD STD0~7 WAITODC WAITDEC WAIT DECIRQ CPUD0~7 CPUA0~2 LSIRST AV DECODER IC501 27MHz IC571 IC503 16M SDRAM IC504 DA-IEC DA_DATA1 C/R/V Y/B/U CVBS/G/Y CVBS TO CN701 SHEET 4 TO CN961 SHEET 1 FROM Pick-up FROM Spindle motor assembly FROM Loading mechanism assembly CPUD0~7 CPUA0~20 EPDO EPDI EPSK EPCS TX CPUD0~7 CPUA0~17 U2SDT S2UDT SCLKO REQ BUSY CPURST CN201 CN202 V+5V Block diagrams DVD Servo control & AV decoder section (SHEET 5,6) FM+ FM- LM+ LM- VH SM1~3 H1+~H3+ H1-~H3- SBRK SPMUTE FG SPDRV DRVMUTE SWOPEN SWUPDN EPROM IC451 OSCI/O OSCI1 LMMUTE TCLOSE TOPEN NDIP NDIP NDIP XV-S300BK/XV-S302SL 2-3 TO FW801 SHEET 2 TO FW802 SHEET 2 TO CN503 SHEET 6 SYSTEM CONTROLLER IC701 RESET IC702 OSC X701(8MHz) DAC IC703 DAC CONTROL LPF IC741,IC751 ANALOG AUDIO OUT MUTE Q791 Q743,Q753 Q744, Q754 D791,D792 MUTE -12V +12V TO SHEET 1 TO SHEET 3 CN703 CN702 CN701 P.MUTE RESET AIN0 AIN1 REMO DA_DATA1 U2SDT CPURST SCLOCK S2UDT BUSY REQ TOPEN TCLOSE LMMUTE SWOPEN SWUPDN B5V TX AUDIO_R AUDIO_L IC704 D3.3V COAXIAL DIGITAL OUT System control & audio output section (SHEET 4) FL Display & Operation switch section (SHEET 2) S1~S24 1G~13G TO SHEET 2 TO SHEET 3 OUT1C OUT1D OUT2C OUT2D FL DISPLAY DI801 TO SHEET 4 TO SHEET 1 S1~S24 1G~13G B5V F- F+ C/R/V Y/B/U CVBS/G/Y CVBS AV Compulink Q709 AVCO AVCI J702 AV COMPULINK L ch R ch RGBSEL VIDEOSW POWERSW STANDBYIND MUTE1 MODE1 MODE2 OSC1,2 DOUT POWER SWITCH S801 STANDBY INDICATOR D801 POWERSW TO CN703 SHEET 4 FW801 STANDBYIND REMOTE CONTROL IC801 OPEN/CLOSE SWITCH S821 OPERATION SWITCH S831~S835 REMO TO CN702 SHEET 4 FW802 AIN1 AIN0 NDIP NDIP NDIP XV-S300BK/XV-S302SL 2-4 LINE FILTER L901 AC-DC D901 SWITCHING REGULATOR IC901 AC-DC D904 C914 TRANSFORMER T901 FEED BACK PC901 AC-DC D956 C982,C984 L957 AC-DC D957 C987,C989 L959 AC-DC D954 C979,C997 L955 AC-DC D953 C965,C966 L952 AC-DC D952 C963,C964 L951 AC-DC D951 C960 B3.3V REG. IC953 D5V REG. IC951 D3.3V REG. IC952 FL ON/OFF Q951,Q952 F+ F- -VDISP B3.3V TO SHEET 2 D5V S5V D3V D5V B3.3V D.P.ON +12V P.MUTE -12V AC IN TO CN502 SHEET 6 M9V S3V TO SHEET 4 DC Regulator section (SHEET 1) AC-DC D931 C934,C935 L930 Q991 MUTE DETECTION Q966 CN961 NDIP NDIP NDIP XV-S300BK/XV-S302SL 2-5 Audio & Video signal output section (SHEET 3) J602 J601 C/R/V Y/B/U CVBS/Y/G LPF L631, L632 TO SHEET 4 CVBS Q631 S-VIDEO OUT COMPOSITE VIDEO OUT L1701, K709 AUDIO_L AUDIO_R L ch R ch L R L R AUDIO OUT COAXIAL DIGITAL OUT S691 Y/C COMPOSITE/RGB S692 J691 R/C B G C Y BLANKING Y/COMPOSITE Q969 Q967 RGBSEL DOUT C/Pr/R Y/Pb/B CVBS/Y/G VIDEO SIGNAL CONTROLLER IC601 MODE1,2 MUTE1 S-VIDEO and VIDEO RGB COMPONENT / S-VIDEO NDIP NDIP NDIP 2-6 I H A B C D E F G 1 2 3 4 5 6 XV-S300BK/XV-S302SL XV-S300BK/XV-S302SL Parts are safety assurance parts. When replacing those parts make sure to use the specified one. EP952 P901 EP951 F901 D901 D555 L901 C907 R901 C555 C908 D908 R970 C909 IC951 IC901 R903 K902 D931 R906 Q966 C934 C914 C913 D904 L930 C904 C915 C932 D953 R908 R907 D903 PC901 D951 D952 D954 C960 C961 Q951 R952 R953 D960 C930 R955 Q952 C963 R954 C965 L952 C966 C967 C968 C969 C973 L2 D991 C13 C979 C997 L955 C981 R956 C15 C984 C970 C982 D956 L957 R960 L959 C989 C987 D957 C992 Q991 C936 R900 C14 C917 C16 C17 CP951 Q1 R975 R1 C940 C905 C939 IC952 IC953 L1 T901 C902 D1 R905 C935 C962 CN961 R961 R963 R965 C976 C977 C11 C978 C12 C918 R910 C938 QMF51U1-1R6-J8 S1WB/A/60-4101 F1T4-T2 QQR1105-001 68K 100P 0.0033/1K F1T4-T2 39 100P/1K MM1565AF-X STR-G6551-F8 10 21DQ04-T3 680 KRC103S-X 1000/10 39/25 220P/1K F1T4-T2 22 470P 470P F1T4-T2 3.3K 0.47 F1T4-T2 PC123Y02 F1T4-T2 F1T4-T2 F1T4-T2 82/10 0.1 KTD863/Y/-T 10k 10K MTZJ4.7B-T2 0.1 22k KRA104S-X 39/50 10 560/10 22 470/10 1 1 220/10 470/10 QQL231K-100Y HZS3CLL-T2 100/6.3 820/16 220/16 22 0.1 8.2 100/6.3 100/25 0.1 180/25 F1T4-T2 10 39 10 100/25 180/25 F1T4-T2 1/50 KTC3199/Y/-T NI 390 100/6.3 0.1 100/6.3 100/6.3 ICP-N10-T 2SC2060/QR/-T 4.7k 91 0.1/25 0.1/25 SI-3033LSA-X D.GND MM1563DF-X QQL231K-100Y QQS0149-001 HZU2.4B-X 68k 470/10 22/50 QGB2027M8-10 680 150 10K 1 1 0.1/16 100/10 0.1/16 0.068/AC250V 3.3M 470P S3V D.P.ON P.MUTE B3.3V D5V 12V D3V S5V S.GND -12V F+ D1.8V F- -VDISP M9V Standard schematic diagrams Power supply section XV-S300BK/S302SL SHEET 1 TO SHEET 2 TO SHEET 4 TO CN502 SHEET 6 NDIP NDIP NDIP 2-7 I H A B C D E F G 1 2 3 4 5 6 XV-S300BK/XV-S302SL S831 C821 S821 IC801 C801 C802 S833 S832 S834 S835 FW802 FW801 D801 R801 R845 R847 R846 R848 S801 4.7/50 GP1UD271XK 0.1 47/10 QUM125-09DGZ4 QUM123-11DGZ4 SLR-342VC-T 180 430 1.1K 680 2.2K QSW0651-001Z B5V F- S1-S24.1G-13G F+ S2 S3 S4 S5 S1 S7 S13 S17 S18 S19 6G S11 S12 S15 S21 S6 S8 S9 S14 S16 1G 2G 3G 4G 5G 7G 8G 9G 10G S10 11G 12G S22 13G S24 S23 S20 FL Display & operation switch section XV-S300BK/S302SL SHEET 2 TO SHEET 4 TO SHEET 1 TO CN702 SHEET 4 TO CN703 SHEET 4 NDIP NDIP NDIP 2-8 I H A B C D E F G 1 2 3 4 5 6 XV-S300BK/XV-S302SL XV-S300BK/XV-S302SL Video signal Audio signal K604 IC601 Q692 C650 C651 C652 C653 Q693 C660 C654 C657 C655 C661 C656 C658 C662 C639 B5530 B5531 K709 R619 R609 D641 D640 J601 C691 K605 C666 J691 S691 R686 R685 C694 R694 R695 Q691 R696 R699 R659 R687 S692 R649 C649 C1704 R639 R629 R688 J604 C1703 R1723 Q696 Q697 R681 R682 R662 K708 R663 R664 R665 R631 R635 Q631 L632 L631 R632 L1701 R1773 C664 Q694 R1732 C985 R1731 C663 C665 C1772 D639 R660 R661 C667 C686 C685 C668 R697 R698 R1776 R633 R634 R636 C634 C633 C631 R652 R653 R651 NQR0227-004X MM1566BFBE-W KRC102S-X 1U/50V 1U/50V 1U/50V 22/16 DTA114WKA-X 220/16 22/16 100/6.3 100/6.3 470/6.3 22/16 0.1 0.1 0.1/16 NQR0227-004X 75 75 1SS133-T2 1SS133-T2 100p NQR0227-004X 270P QNZ0516-001 QSW0454-001 150 150 470/6.3 75 75 KRC102S-X 0 300 75 75 QSW0454-001 82 470/16 330P 75 75 75 QNZ0499-001 0 150p 10 KRA102S-X KRC102S-X 300 NI 10k NQR0227-004X 10k 9.1k 2.2k 150 220 KTA1267/G/-T 5.6 5.6 0 0.68UH 82 0.1 KRC102S-X 10 220/16 1k 0.1 0.1 0.1 1SS133-T2 10K 2.2K 270P 470P 470P 270P 1k 100k 150 0 560 100P 220p 270P 36 36 36 DOUT RGBSEL VS3 Lch NTSC/PAL CVBS/G/Y COMPONENT/SVIDEO AUDIO_L AUDIO_R Rch MUTE1 C/R/V D5V Y/B/U MODE1 +12V VS1 MODE2 CVBS Audio / video signal output section XV-S300BK/S302SL SHEET 3 TO SHEET 4 TO SHEET 4 NDIP NDIP NDIP 2-9 I H A B C D E F G 1 2 3 4 5 6 XV-S300BK/XV-S302SL Video signal Audio signal Q709 IC701 R1709 EP711 R795 R1707 R780 R706 K706 R1713 IC703 C715 C716 R1725 C721 C714 K711 R713 R715 R723 R724 R725 C717 C718 R1772 C711 R721 R1726 RA701 R728 R729 R744 R743 R742 R746 R745 IC741 C741 R1730 R1729 RA703 R748 R761 IC741 R762 R783 R764 C745 R782 R754 R753 R752 R756 R755 IC751 C751 R25 C1750 R1717 R758 R771 IC751 R772 R793 R774 C755 R792 R1728 J702 K713 R731 C731 RA702 K710 R790 R781 R791 C737 C738 C21 R20 C20 R1750 R1751 R1752 C704 C797 R797 Q791 D791 D792 C746 R766 R765 C747 Q743 R768 R767 C756 R776 R775 C757 Q753 R778 R777 J703 R705 C707 C736 C729 C713 R707 R1710 R1708 L710 Q744 C728 R709 C705 C706 R703 R1704 X701 L709 R708 IC702 R704 R788 R763 R773 C749 C739 Q754 R769 R779 R1714 C1701 C1702 K705 C724 C722 R717 C708 R711 R1727 R741 R740 C740 C742 R747 CN703 C744 C761 C762 R751 R750 C750 C752 R757 IC704 C754 C771 C772 C730 R1775 K703 K701 R1724 R786 D709 R789 R702 C702 K704 C709 R701 C701 D701 R1715 CN702 R1722 R1721 CN701 KRC107S-X 1K 4.7K 2.2k 100K NQR0227-004X 100 MN35505-X NI 1000/6.3 1k NI 1000/6.3 QQR1183-001Z 22 22 470 470 470 1.5 470/6.3 330 1.5 470 NI NI 470 470 3.6k 18k 18k 3.3k 18K NJM4565M-W 220p 4.7K 2.2k NI 1.1k 1.1k NJM4565M-W 680 220 18K 0.01 220 3.6k 18k 18k 3.3k 18K NJM4565M-W 220p 10 0.1/16 470 1.1k 1.1k NJM4565M-W 680 220 18K 0.01 220 2.2k QNS0089-001 3.3k 0.01 NI QQR1183-001Z 22/25 22/25 100p 270 NI 1K 4.7K 10K 100P 0.0015 47K KRA102S-X 1SS133-T2 1SS133-T2 22/25 27K 560 2200p 2SD2144S/VW/-T 10K 100 22/25 27K 560 2200p 2SD2144S/VW/-T 10K 100 GP1FA550TZ 2.2 100/6.3 0.1 NI NI NI 1K 2.2k NI 2SD2144S/VW/-T 100/10 10k 0.1 0.1 1M 1k QAX0667-001Z 2.2 100 IC-PST9127-T 1K NI 3.6k 3.6k NI NI 2SD2144S/VW/-T 10k 10k 4.7K 47/25 4.7/25 NQR0227-004X 100P 100P 10 NI 10 0 27k 27k 1000p 0.033 3.6K QGD2501C1-03Z 680p 100/16 100/16 27k 27k 1000p 0.033 3.6K 74VHCT08ASJ-X 680p 100/16 100/16 0.22 0 NQR0227-004X NQR0227-004X 100 33K 1SS133-T2 0 4.7k 0.1 NQR0227-004X 330P 1K 1/50 1SS133-T2 10k QGD2501C1-05Z 470 470 QGB2027M8-26 DA_BCK DA_BCK DA_LRCK DCLK DA-DATA1 DAC0CS 1G 2G DDATE DAC0CS CVBS REMO DCLK DA_LRCK DA-DATA1 RGBSEL AIN0 DDATA Y/B/U SW0PEN DGND AIN1 P.MUTE AUDIO_L NTSC/PAL +12V B3.3V AUDIO_R D5V U2SDT DOUT S2UDT REQ BUSY Lch Rch D1.8V S14 CPURST S15 S16 S17 S18 S19 S20 S21 S22 SCLOCK S23 S24 3G 4G 5G 6G 7G 8G 9G 10G COMPONENT/SVIDEO 11G 12G 13G S1-S24.1G-13G VS3 VS1 MODE2 MODE1 MUTE1 DGND -12v D.P.ON A.GND C/R/V D3V SWUPDN CVBS/G/Y TCLOSE V.DGN /LMMUTE TOPEN AVCO S2 AVCI AVCO AVCI BUSY SCLKO U2SDT S2UDT REQ SWUPDN SWOPEN /LMMUTE TOPEN CPURST S3 S4 S5 S6 S7 S8 S9 S10 S11 S12 S13 S1 -VDISP TCLOSE System control & audio signal DAC section XV-S300BK/S302SL SHEET 4 TO SHEET 3 TO CN503 SHEET 6 TO FW802 SHEET 2 TO FW801 SHEET 2 TO SHEET 1 TO SHEET 2 TO SHEET 3 NDIP NDIP NDIP 2-10 I H A B C D E F G 1 2 3 4 5 6 XV-S300BK/XV-S302SL XV-S300BK/XV-S302SL Digital data signal CN101 IC101 C105 TP102 C106 R106 R107 R108 R109 R219 TP309 TP308 C124 C125 TP101 TP307 TP306 C123 C121 C113 C217 R127 C122 R126 C120 R125 C119 C118 C117 R124 C115 C116 C351 K401 IC454 R427 TP401 TP105 TP104 C139 K101 IC201 IC251 C204 CN201 CN202 C201 C203 R210 R212 R211 C210 R215 R214 R213 C211 R216 TP303 C260 C261 C262 C263 R251 R252 C251 C252 C253 R255 C256 R201 R256 R207 R206 C206 C205 R205 R204 R203 R208 R209 D201 C141 C218 C264 IC301 R222 R223 TP304 R428 R453 Q103 TP402 TP403 TP404 TP405 TP406 TP408 TP407 IC401 C347 C346 C345 C344 C343 R338 R339 C340 C339 C333 C332 R332 C330 C331 C329 R331 R330 R329 C327 C328 C326 C325 R328 C323 C322 R327 C324 C321 C320 C319 R326 R325 R324 R323 R322 R321 R320 C317 C316 C315 C314 C313 C312 C311 C310 R319 R318 C318 K301 K302 K303 TP305 C102 C402 R425 R424 R423 R422 R411 R412 R413 C405 C401 IC451 C450 C407 C406 C213 C214 C144 C145 K304 C350 C349 R421 R341 TP301 TP302 R114 R115 R116 R117 TP17 TP18 TP19 TP20 TP14 C103 R220 R221 R259 Q101 Q102 R119 R104 R120 TP103 R105 R103 R102 R101 C109 C110 R111 C126 C127 C128 C129 R258 C111 C137 C135 R128 R129 R416 R113 R112 C112 TP46 D101 TP47 R110 R202 C212 C257 C258 C259 C216 R254 R253 TP48 C255 C208 C209 C207 IC455 C453 C454 C341 C342 R337 R336 C338 C337 R334 C334 R333 R317 R316 R315 R314 R313 R312 R311 R310 R309 R308 C303 C302 R307 R306 R305 C301 R304 R303 R302 R301 C304 C306 C308 R403 R404 R405 R406 R407 R408 R409 R410 R402 TP49 TP50 C403 C404 R414 R415 TP31 TP32 TP33 C142 C143 R130 R340 C348 C146 C138 TP34 TP35 TP36 TP37 TP38 TP45 TP44 TP43 TP42 TP41 TP40 TP39 TP9 TP7 TP6 TP5 TP4 TP3 TP2 TP1 TP10 TP11 TP12 TP13 TP15 TP16 TP21 TP22 TP23 TP24 TP25 TP26 TP30 TP29 TP27 TP28 QGF0522F1-30W AN8703FH-V 47/6.3 47/6.3 27K 27K 6.8K 1K 18K 47P 270P 0.1/16 0.1/16 22/6.3 S5V 0.1/16 2.2K 12P S3V S5V SGND 1M 560P 1M 560P 0.027/16 0.047/16 NI 0.1/16 0.1/16 NI 74VHC74MTC-X 0 D3V 1/16 NQR0007-002X BA5983FM-X BA6664FM-X 0.1/16 QGF1016F2-15W QGF1016F2-06W D5V 22/6.3 DGND M9V 0.1/16 MGND 2.4k 10k 2.4k NI 10K 10K 10K 0.022 9.1k 0.1/16 0.1/16 0.1/16 0.1/16 0.47 2.2 0.1/16 33/10 0.1/16 M9V MGND DGND D5V 10K 0.1/16 47 47 30K 30K NI 120P 27K 27K 0 22K 22K NI 0.1/16 1 0.01/16 MN103S28EGA 10k 9.1k SGND 4.7K 1k DGND DGND D3V DGND DTA144EE-X 11146 11146 11146 11146 11146 11146 DGND 11146 MN102L62GLH 0.1/16 0.1/16 0.1/16 0.1/16 0.1/16 4.7K 4.7K 0.1/16 0.1/16 0.15 1/16 1K 0.1/16 0.01/16 0.01/16 47K 47K 47K 0.001 0.1/16 0.018/16 47P 15K 0.001 0.0056 1M 0.1/16 0.001 0.001 0.001 47K 12K 47K 47K 0 47K 0 120P 270P 470P 330P 560P 560P 560P 0.1/16 47K NI 0.1/16 D3V D1.8V S3V NI 0.1/16 NI 4.7K 4.7K 4.7K 4.7K NI 4.7K 0.1/16 D3V 47/4 S-93C66AFJ-X 0.1/16 0.1/16 0.1/16 NI NI 0.01/16 NI D5V 0.1/16 0.1/16 0 5.6K 0 0 0 0 NI 18K 6.8K 10K KTA1001/Y/-X KTA1001/Y/-X 2.2 27 2.2 27 22K 22K 33K 0.15/16 220P 24K 0.1/16 0.1/16 0.1/16 0.0047 0 0.1/16 47/4 47/6.3 1 1 NI 10K 8.2K 0.1/16 RB521S-30 33K 1 0.01/16 0.1/16 0.1/16 0.1/16 1 20k 0 0.022/16 390P NI 390P 74VHC00MTC-X 0.1/16 0.1/16 0.1/16 0.1/16 27K 27K 0.1/16 0.1/16 1k 0.1/16 6.8K 47K NI NI NI 47K NI NI NI 47K 0 0.1/16 0.1/16 47K 47K 47K 0.1/16 47K 47K 47K 47K 100/4 100/4 100/4 * * * * * * * * 4.7K 0.1/16 0.1/16 4.7K NI 0.1/16 0.1/16 1.8K 10K 0.1/16 0.1/16 1/16 HDTYPE T2CD F2CD T1CD F1CD TB TC TD TA F2DVD F1DVD RF- T+ F+ F- T- TBAL FBAL SLEEP FEPEN CPSCK SDOUT OFTR BDO RFENV TESTSG SPDRV RF+ TRSDRV SWUPDN LM+ TDOFS LM- SWOPEN FM+ FM- SM1 SM2 SM3 H1+ H1- H2+ H2- H3+ H3- VH TRVSW /DRVMUTE TRDRV FG FODRV CDLDCUR ODCIRQ2 ODCIRQ ADSCIRQ CPUA17 CPUA16 CPUA15 CPUA14 CPUA13 CPUA12 CPUA11 CPUA10 CPUA9 CPUA8 CPUA7 CPUA6 CPUA5 CPUA4 CPUA3 CPUA2 CPUA1 CPUA0 SODCCS CPUD7 CPUD6 CPUD5 CPUD4 CPUD3 CPUD2 CPUD1 CPUD0 /WR CPURST TE ARF+ ARF- TDOFS DVDLDCUR RFENV AS TE FE /RD CK135 U2SDT S2UDT SCLKO REQ BUSY SLEEP FEPEN CPSCK SDOUT /RD /WR SODCCS CPUA0 CPUA1 CPUA2 CPUA3 EPCS EPSK EPDO EPDI EPDO EPDI EPSK EPCS ADSCTX TXSEL FODRV TRDRV WAITDEC JLINE AS ARF- ARF+ FBAL F1CD TB TA F1DVD F2DVD TC TD F2CD T2CD T1CD /HFMON HAGUP F- F+ T+ T- TOPEN DVDLDCUR H2- H2+ H1- H1+ SM1 H3- LM+ LM- FM+ FM- SM3 H3+ SM2 CK169 /SPMUTE VH TCLOSE DECIRQ HDTYPE OFTR BDO TBAL TRSDRV SPDRV FG TESTSG CDLDCUR JLINE STCLK STVALID STD7 STD6 STD5 TRVSW STD4 STD3 STD2 STD1 STD0 STEN FE SBRK TE CPUA18 CPUD0 CPUD1 CPUD2 CPUD3 CPUD4 CPUD5 CPUD6 CPUD7 ADSCIRQ ODCIRQ ODCIRQ2 /HFMON HAGUP LSIRST CPUA4 CPUA11 CPUA5 CPUA6 CPUA7 CPUA8 CPUA9 CPUA10 CPUA12 CPUA17 CPUA13 CPUA14 CPUA15 CPUA16 /LMMUTE /SPMUTE CPUA19 CSROM CPUA20 SBRK CSDEC /DRVMUTE DVD Servo control section XV-S300BK/S302SL SHEET 5 To pick-up To spindle motor assembly To loading mechanism assembly TO SHEET 6 TO SHEET 6 NDIP NDIP NDIP 2-11 I H A B C D E F G 1 2 3 4 5 6 XV-S300BK/XV-S302SL Digital data signal Video signal Audio signal K564 IC501 C556 C557 C6 D501 K566 K506 CN502 R546 K579 R558 C1 C2 IC504 X571 C3 C4 R574 C566 R552 C5 R551 C567 IC402 K580 K578 C541 C540 C411 R432 K402 K565 K561 K563 K562 CN503 R555 C534 K502 C539 R528 R501 R548 C531 K577 K575 R547 R502 C516 C501 C502 C503 C504 C505 C506 C507 C525 C518 R524 R525 R526 R527 R529 TP505 R571 K501 C517 C527 C536 C535 R575 TP63 TP86 TP87 TP62 TP61 TP58 TP71 TP59 R510 TP60 IC571 R576 TP74 TP72 TP73 C578 C10 C9 C8 C7 R577 C577 TP93 TP92 R572 R573 TP91 C573 R509 C544 C547 TP83 TP80 TP81 TP82 K505 TP85 K504 TP84 R431 IC503 C533 R533 R545 R534 R535 R536 R537 R538 C530 R539 R540 C515 C514 C513 C512 C511 C510 C509 C508 C529 C528 C526 C524 C522 C520 R532 K571 R504 R506 C572 C571 R507 R508 R511 R512 R513 R514 R515 R516 R522 R521 R520 R519 R518 R517 R543 R542 R541 TP51 TP52 TP53 TP54 TP55 TP56 TP57 TP64 TP65 TP66 TP67 TP69 TP68 TP70 NI ZIVA-4.1-PB0 100/4 0.1/16 0.1/16 1SR154-400-X NI NQR0007-002X SGND S5V D3V D5V DGND QGB2027L1-10X 180 NQR0007-002X Z3V MGND NI M9V 0.1/16 0.1/16 K4S641632E-TC75 NAX0550-001X 0.1/16 0.1/16 SGND NI 0.1/16 0 VGND DGND 0.1/16 0 DGND S3V 47/4 NI NQR0007-002X 0.1/16 47/4 DGND DGND 0.1/16 4.7k D3V NQR0007-002X NQR0007-002X DGND NQR0007-002X NQR0007-002X NQR0007-002X QGB2027L1-26X 0 100/4 NQR0007-002X Z3V DGND 0.1/16 1k DGND 1k 3.3K D1.8V 0.1/16 NQR0007-002X NQR0007-002X 2.2K DGND 4.7k 0.1/16 0.1/16 0.1/16 0.1/16 0.1/16 0.1/16 0.1/16 0.1/16 0.1/16 0.1/16 180 NI NI 180 180 Z3V DGND 33 NQR0007-002X 0.1/16 0.1/16 0.01/16 0.1/16 10k 33 CY24203SC-X 10k NI NI NI NI 47 NI 0 0 0.1/16 33 0.1/16 0.1/16 NQR0269-001X NQR0201-001X 4.7k 74VHC00MTC 0.1/16 33 4.7k 33 33 33 33 33 100/4 33 33 Z3V 0.1/16 0.1/16 0.1/16 0.1/16 0.1/16 0.1/16 0.1/16 0.1/16 0.1/16 0.1/16 0.1/16 0.1/16 0.1/16 0.1/16 1k NQR0007-002X 33 33 0.1/16 22/6.3 33 33 33 33 33 33 33 33 33 33 33 33 33 33 0 0 0 C/R/V CVBS/G/Y U2SDT DA_LRCK CVBS Y/B/U DA_BCK DA_DATA1 TXSEL /LMMUTE DA_DATA3 DA_DATA2 SD-CS0 REQ CPURST S2UDT ADSCTX /RD /WR LSIRST DA_BCK TOPEN TX CPUA20 CPUA9 BS1 LDQM DA_LRCK DA_DATA1 DA_DATA2 DA_DATA3 CPUA11 CPUA12 CPUA13 CPUA14 CPUA16 CPUA17 CPUA0 CSDEC CPUD4 CPUD6 CPUD7 C/R/V Y/B/U TCLOSE CVBS/G/Y CVBS CPUA10 CPUD5 BUSY SWOPEN SWUPDN CPUA19 CPUA18 CPUA8 CPUA7 CPUA6 CPUA5 CPUA4 CPUA3 CPUA2 CPUA1 /RD CPUD0 CPUD1 CPUD2 CPUD3 CPUA15 SCLKO WAITDEC LDQM /MWE DECIRQ SD_CAS SD_RAS MA11 MA10 MA0 MA1 MA2 MA3 MD0 MD1 MD2 MD3 MD4 MD5 MD6 MD7 MA4 MA5 MA6 MA7 MA8 MA9 SD_CLK MD8 MD9 MD10 MD11 MD12 MD13 MD14 MD15 /MWE CK169 STD2 MA11 STD1 CPUA0 CPUA1 CPUD7 CPUA2 CPUD6 CPUD5 CPUD4 CPUD3 CPUD2 CPUD1 CPUD0 LDQM SD_CLK SD_CAS SD_RAS MA9 MA8 MA7 BS1 MA10 MA0 MA6 MA5 MA4 MA1 MA2 MA3 CK135 SD-CS0 STD0 STD3 STD4 STD5 STD6 STD7 STVALID STEN STCLK CSROM MD7 MD8 MD6 MD9 MD5 MD10 MD4 MD11 MD3 MD12 MD2 MD13 MD1 MD14 MD0 MD15 DECTX AV Decoder section XV-S300BK/S302SL SHEET 6 TO SHEET 5 TO SHEET 5 TO CN961 SHEET 1 TO CN701 SHEET 4 NDIP NDIP NDIP

标签:

版权声明

1. 本站所有素材,仅限学习交流,仅展示部分内容,如需查看完整内容,请下载原文件。
2. 会员在本站下载的所有素材,只拥有使用权,著作权归原作者所有。
3. 所有素材,未经合法授权,请勿用于商业用途,会员不得以任何形式发布、传播、复制、转售该素材,否则一律封号处理。
4. 如果素材损害你的权益请联系客服QQ:77594475 处理。