胜利JVC KD-DV6406U CDDVD播放器电路图

分类:电子电工 日期: 点击:0
胜利JVC KD-DV6406U CDDVD播放器电路图-0 胜利JVC KD-DV6406U CDDVD播放器电路图-1 胜利JVC KD-DV6406U CDDVD播放器电路图-2 胜利JVC KD-DV6406U CDDVD播放器电路图-3 胜利JVC KD-DV6406U CDDVD播放器电路图-4 胜利JVC KD-DV6406U CDDVD播放器电路图-5 胜利JVC KD-DV6406U CDDVD播放器电路图-6 胜利JVC KD-DV6406U CDDVD播放器电路图-7 胜利JVC KD-DV6406U CDDVD播放器电路图-8 胜利JVC KD-DV6406U CDDVD播放器电路图-9

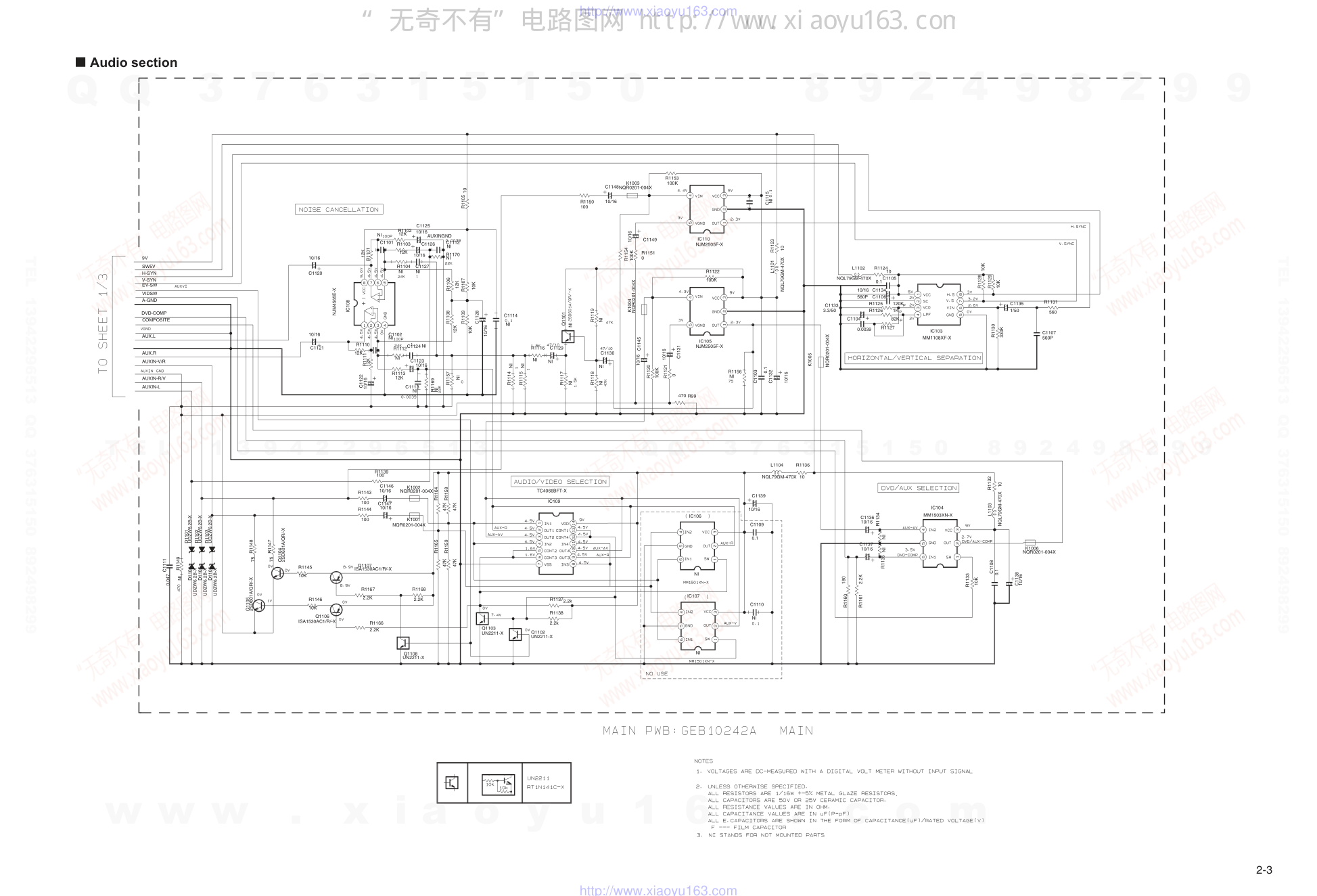
Contents Block diagram Standard schematic diagrams Printed circuit boards 2-1 2-2 2-6 to 7 CD-ROM No.SML200802 SCHEMATIC DIAGRAMS DVD/CD RECEIVER No.MA391SCH 2008/2 KD-DV6404UI,KD-DV6405U,KD-DV6405UN KD-DV6405UT,KD-DV6405A,KD-DV6406U KD-DV6406UN,KD-DV6406UT,KD-DV6406A COPYRIGHT 2008 Victor Company of Japan, Limited. Lead free solder used in the board (material : Sn-Ag-Cu, melting point : 219 Centigrade) Lead free solder used in the board (material : Sn-Cu, melting point : 230 Centigrade) www. xiaoyu163. com QQ 376315150 9 9 2 8 9 4 2 9 8 TEL 13942296513 9 9 2 8 9 4 2 9 8 0 5 1 5 1 3 6 7 3 Q Q TEL 13942296513 QQ 376315150 892498299 TEL 13942296513 QQ 376315150 892498299 http://www.xiaoyu163.com “ 无奇不有” 电路图网 ht t p: //www. xi aoyu163. com ! Burrs formed during molding may be left over on some parts of the chassis. Therefore, pay attention to such burrs in the case of preforming repair of this system. Safety precaution ! Please use enough caution not to see the beam directly or touch it in case of an adjustment or operation check. www. xiaoyu163. com QQ 376315150 9 9 2 8 9 4 2 9 8 TEL 13942296513 9 9 2 8 9 4 2 9 8 0 5 1 5 1 3 6 7 3 Q Q TEL 13942296513 QQ 376315150 892498299 TEL 13942296513 QQ 376315150 892498299 http://www.xiaoyu163.com “ 无奇不有” 电路图网 ht t p: //www. xi aoyu163. com 2-1 Block diagram KEY1 AUXIN-V/R IC602 REMOCON IC601 LCD DRIVER REMOCON KEY0 KEY2 S601 to S617 KEY MATRIX AUX Jack , LCD & Key switch section LCDDA LCDCL LCDCE LCD1 LCD DISPLAY S1 to 50 COM1 to 4 EN601 ENCODER /POWER SW D603 POWER LED ENC1 ENC2 AUX.L (AUXIN-L) AUX.R (AUXIN-R/V) AUX.V (AUXIN-V/R) D601,D602,D604 to D621 D645,D646 Q640,Q641 LIGHTING DISPLAY ACC5V AUX INPUT DIM BA0 BA1 DQM0 DQM1 MCK NWE NCSM NCAS NRAS MA0 to 11 MDQ0 to 15 IC399 SDRAM UCS SCS SCLK U2SDT S2UDT LRMUTE A, B, C, D, E, F, RF+/-, LPC CD/DVD CD VR DVD VR Q105 to Q107 HFVC HFM VCC Q8,Q9 Q103,Q104 Q101,Q102 D9,D11 PHOTO SENSOR EXADT0 to 15 EXADR16 to 20 NEXOE NEXCE NEXWE IC398 IC501,IC502 FLASH ROM D1.2V D2V IC302 1.2V REG. D3.3V P3.3V S3.3V D4V IC3 3.3V REG. EPWP I2CSCL I2CSDT IC400 DAC PCMCLK BCK AOUT3 LRCLK DACPDN DAC0CS DCLK DDATA J601 CN141 CN821 IC1 Q2 DRIVER F+/- T+/- M M LOAD MOTOR LDO+/- REST H1+/- H2+/- H3+/- SLED1+/- SLED2+/- SM1 to SM3 TRVSW LM FG /DRVMUTE TRDRV FODRV TRSDRV SPDRV PRTOUT DRVCNT SL1IN SL2IN SPINDLE MOTOR CN1 Main amplifier & System control section TU1,Q1 FM/AM TUNER IC721 CPU IC161 E.VOLUME D851 AUTO ANT IC301 POWER AMP. TU.L/R RL RR FL FR IN3L/R FRONT L+/- FRONT R+/- REAR L+/- REAR R+/- VOLDA VOLCLK J1 ANT SPK BATTERY CN901 FSU, SSTOP TUSDA, TUSCL QUALITY, AFS CN962 CH.L/R LINEL/R AUTO ANT ACC REMOTE ANT ANTCONT POWERON IC801,IC802 JVC BUS BUSSI BUSSO BUSIO BUSINT BUSSCK SCK SI/SO L/R MODEA MODEB J801 JVC BUS J331 Q976,Q977 PS2 PS2 Q913,Q914 DVD ON CD/DVDON S731 RESET SW RESET S701 DETACH SW DETACH MUTING MUTE CN601 CN742 CN741 CN701 PBRK PARK Q885 PARKING DOUTMUTE IC401 DIGITAL OUT MUTE IC501 CD L.P.F. Q861,Q862 MUTE Q301 to Q303 DIGITAL OUT COMPOSITE IC911 REGULATOR MEMORY EACH BLOCK 3.3V, VDD, SW5V, ACC5V, 9V, CD8V, ILMI.10V X722 20MHz X721 32.768kHz DVD.L/R FL-CH FR-CH FL-CH FR-CH TX SWREG DC_STATE DVDSW D2V Q971,Q972 DVD SW A5V,A9V 9V D4V,M5V,S5V IC921 3.3V REG. SW3.3V SW5V IC952 3.3V REG. IC941,Q941 5V REG. MEMORY AUX.L/R AUX-R AUXIN-L VIN AUXIN-R/V AUX-AV AUX-AV EV-SW H-SYN V-SYN REAR L/R LINE OUT LINE IN IC402 VMUTE VIDEO OUT VIDEO-OUT IC411 VIDEO AMP IC110 VIDEO AMP IC105 VIDEO AMP Q354 LINE OUT MUTE IC101 LINEIN AMP. IC153 Q152,Q154 AUX/LINEIN SWITCH IC108 NOISE CANCELLATION IC103 HORIZONTAL /VERTICAL SEPARATION IC109 Q1102 to Q1108 AUDIO/VIDEO SELECTION IC104 DVD/AUX SELECTION UCS SCS SCLK U2SDT S2UDT LRMUTE CPURST MSW1 MSW4 D6,D7 IR LED Q4,Q7 PHOTO SW S1 DETECT SW M5V ACC5V M Q821 to Q823 FAN CONTROL FAN FAN MOTOR CN101 DVD section PICK UP REST SW IC301 DV5 FOCUS & TRACKING COIL LPCO1 DVDLDCUR DVD LD LPCO2 CDLDCUR CD LD SW3 SW1 SW1 (MSW1) SW4 (MSW4) IC481 EPROM X351 27MHz Q301 Q302 SW4 CPURST CN403 CN2 /FL_RST TX DAC4 (DVD-COMP) DVD-COMP VIDSW Connection section ILM.10V EJECT S2441 EJECT SW D2441 to D2443 LED LCDDA LCDCL LCDCE KEY0 KEY1 KEY2 ENC1 ENC2 REMOCON DIM EJECT, LCDDA, LCDCL, LCDCE KEY0, KEY1, KEY2, ENC1, ENC2 REMOCON, DIM AUXIN-L AUXIN-R/V AUXIN-V/R w w w . x i a o y u 1 6 3 . c o m Q Q 3 7 6 3 1 5 1 5 0 9 9 2 8 9 4 2 9 8 T E L 1 3 9 4 2 2 9 6 5 1 3 9 9 2 8 9 4 2 9 8 0 5 1 5 1 3 6 7 3 Q Q TEL 13942296513 QQ 376315150 892498299 TEL 13942296513 QQ 376315150 892498299 http://www.xiaoyu163.com “ 无奇不有” 电路图网 ht t p: //www. xi aoyu163. com 2-2 Parts are safety assurance parts. When replacing those parts make sure to use the specified one. Standard schematic diagrams L1 IC801 FLMDO D902 L901 D982 R774 TU1 R804 TOOL0 J331 R305 VSS R405 Q976 R802 C104 R736 IC802 J801 IC941 C702 C701 R761 D911 RESET R778 R816 IC301 Q913 R763 C330 C340 C360 C350 L752 Q914 R762 C721 IC721 R735 R770 R915 R914 R757 R797 R758 R152 IC911 D981 C114 R154 IC153 R807 R808 R809 X722 Q892 R777 R747 R776 R933 IC402 R714 C346 R796 R715 IC731 R790 R771 C753 R754 R773 R772 C110 L411 R886 C175 R716 R833 C161 C181 C754 C756 R982 R981 R977 R976 R355 R738 R737 R115 R345 R791 X721 D831 R775 C971 R759 C821 C822 R821 Q891 Q972 C823 L921 Q823 CN821 R417 Q821 C414 R415 C922 R347 R327 R414 L923 C947 R746 R745 C831 R553 R901 C903 D921 R748 R740 C973 C972 R346 C925 C945 R356 IC921 R416 R302 C975 Q971 R974 R503 C923 R972 C921 R555 C974 R554 R512 R551 C552 R559 R557 C554 C555 C302 IC722 C556 D302 K831 C981 IC401 C402 Q822 C752 R793 R892 D891 R795 R794 C355 R764 D885 TH721 C758 VDD R885 R887 C885 Q301 Q302 C760 D512 R768 R769 Q977 D511 C759 R731 C511 C512 R893 Q885 C345 R304 R739 CN831 R832 C113 R171 Q152 C171 K402 R403 C338 C358 C348 C328 C401 C403 R357 R337 R81 R91 X71 CN141 C141 C142 R141 R142 R144 R145 R146 R147 R173 R172 C164 C163 C103 C109 R112 C174 C184 R114 R113 IC161 R105 C187 C177 C162 C176 R104 R102 R103 R183 R182 R181 C186 C185 C183 C173 C182 C172 C189 C190 C179 C180 R185 R175 R108 R118 R101 R111 D354 R349 Q354 R359 D942 C941 R942 C943 C944 R943 R705 C745 C746 TXM RXM TM Q941 R561 CN701 R552 R750 R760 C517 R911 R944 R946 R406 R823 C920 J1 D1 D971 D972 D2 C307 C332 C913 C2 R1 C901 C82 C83 C6 C733 D303 C3 C93 C92 D973 D862 C5 D861 R2 C917 C4 D411 R3 R4 C914 C81 C91 R5 R6 C7 C359 C734 D732 S731 R803 C310 C339 C349 C329 D852 R851 C916 R9114 R815 C312 C315 C314 C313 R9 C144 R784 R702 D851 R783 R767 C902 R727 R720 C801 B104 R28 R744 R743 R27 C306 C751 IC411 R894 R888 R805 R806 R824 C755 R799 C413 D371 RA763 D376 C724 R701 R753 R810 R813 R814 R812 R811 D373 C802 D375 R728 Q303 IC952 IC101 R729 R730 C851 R725 L702 R158 R157 R751 R752 D304 R413 C705 L401 S701 C356 C861 C152 R353 R156 R733 R343 R155 C404 R756 R741 B105 C892 R717 C731 R404 R732 C732 D821 D731 D801 R508 R726 R703 D374 D372 C178 C918 C915 C744 C743 C377 C374 C375 R358 R338 R348 R328 C371 C378 Q861 B921 L922 IC501 C376 C373 R822 C805 R412 C372 C411 C412 C931 C919 C930 C933 D922 C934 C932 L9121 D901 R902 C803 CN962 R945 C862 D863 Q862 C309 R556 R973 R140 D974 CN901 C757 R971 R506 C551 R558 R785 C553 R723 R721 C504 C506 C505 R780 C406 R781 R742 R765 C806 C513 R891 R722 R782 C331 K411 R402 C514 C13 R779 R792 C305 C14 C12 C11 R861 R12 L11 R787 L12 R788 R789 R11 C301 D301 R766 R786 C304 R303 C891 K401 C405 C912 L911 R401 D401 C1 R73 R7 R8 C94 C84 Q1 C8 C75 R798 R92 C73 R82 IC71 R71 C72 C76 C74 C77 C78 C71 R72 R451 C145 C143 R143 C146 C147 Q154 R106 R117 R116 R107 C188 C151 R184 R174 R718 R719 R10 R941 D943 C942 R704 R947 R734 D734 C516 C515 R564 R563 C565 R925 C935 C936 4.7u CRS03-W CRS03-W TC7WT241FU-X NI QQR1695-001 MA22D39-X 1K QAU0484-001 10K QNN0770-001 4.7K NI RT1N441C-X 3.9K NI 4.7k TC7WT241FU-X QNZ0095-001 SC4524SE-X 0.1 0.1 0 NI 0 10K TDA7851F RT1N141C-X 4.7k NI NI NI NI QQL244J-470Z RT1P141C-X 4.7k NI UPD78F1166GC 4.7k NI 47K 1K 10k 1.5K 47k 47K R2S25401DS-E CRS03-W NI 47K TC4052BFT/N/-X NI 100 3.9K 100 QAX0916-001Z RT1N141C-X NI 10K NI 0 TOTX177L 0 4.7/50 0 0 NI NI 33k 220/10 10k 47K 10K NI NQL114K-470X 4.7k 0.0047 0 NI 100/10 2.2/50 NI 0.047 2.2K 2.2k 18k 56k 1K 220K 220K 10k 1K 10K NI 1.2K 100/16 0 10/16 10/16 10 RT1N141C-X RT1N141C-X 0.01 NQL56CK-220X 2SC4485/ST/-T QGA2001C1-02 10 RT1N141C-X 330/6.3 75 100/16 0 0 1K NQL71EM-330X 22 10K 10K NI 220K 1k 2.2/50 1A3G-T1 10K 10K 220/10 0.047 100 470/25 1 100 BA33BC0FP-X 0 0 220/10 ISA1530AC1/R/-X 47K 0 220/10 220 220/10 47K 0.001 20K 0 10K 68P 220K 47K 68P QTE1H64-225Z 0.01 S-24CS16A01-G-X QTE1H64-225Z 1SS355W-X NI 0.1 TC7SET08F-X 0.01 RT1P141C-X 470P 33K 1K MC2836-X 10k 3.3K NI 0 NAD0028-103X NI 47k 10k 10/16 RT1N441C-X RT1P441C-X NI CRS03-W NI NI ISA1530AC1/R/-X CRS03-W NI 10k 0.047 47/10 3.3k RT1N141C-X NI 47k NI NI NI 47/6.3 2.2k RT1N141C-X 2.2/50 NI 470 0.47 0.47 0.47 0.47 22p 0.01 0 0 12K 12K QAX0263-001Z QGA2006C1-04 0.0047 0.0047 47K 47K 47K 47K 47K 47K NI NI 10/16 NI 47/6.3 0.1 10k 22/16 22/16 10k 10k NJW1192V-X 10k 4.7/50 4.7/50 0.01 0.1 10k 10k 10k NI NI 2.2k 0.1 0.0047 2.2/50 2.2/50 QTE1H54-225Z QTE1H54-225Z 470P 0.1 470P 0.1 4.7K 4.7K 0 0 NI NI MC2836-X 2.2k IMX9-W 2.2k 1SS355 0.1 8.2K 0.001 39P 18K 22k 0.047 0.047 2SK3019-X 20K QGB1004K1-28 10K 68K 8.2K NI 0 4.7M 0 0 22K 22/16 QNB0190-001 1SS355W-X 1SS355W-X 0.022 NI 10/16 100/16 1K QEZ0869-278 NI NI 100/16 0.001 NI NI NI NI CRS03-W 1SS355W-X 0.1 1SS355W-X NI 0.01 0.1 NI 47K 4.7K 0.1 4.7/50 4.7/50 4.7K 1K 0.1 100P NI UDZW5.6B-X QSW0648-001Z 6.8K NI 100P 100P 100P MA22D39-X 4.7K 0.1 4.7K 0 47/16 NI NI 4.7/50 3.3K 0.1 1.5K 270 CRS03-W 1.5K 330 0.1 NI 33K 22P 0 0 NI 0 NI 0.022 0.47 MM1510XN-X 82K 82K 100K 47K 39K 220/10 0 1.5 NI NRZ0065-222X NI 470P 270 47K 0 1K 6.8K 100K NI 0.047 NI 2.2K RT6N430C-X NJM2878F4-33-X NJM4565V-X 2.2K NI 0.1 220K 4.7u 47K 47K NI NI NI NI 0.047 NQR0007-002X QSW0451-001 4.7/50 47/6.3 0.01 47k 47K 47k 47k 47K 100/6.3 47k 10M 0 0.1 NI NI 1 NI NI UDZW12B-X NI CRS03-W 10k 220K 10K NI NI 4.7/50 QAX0401-001 220/10 100/16 22P 27P NI NI NI NI NI NI NI NI NI RT1P141C-X NI NQLB7GM-100X NJM4565E-X NI NI 470 2.2/50 NI NI 220/10 0.047 100/16 0.047 0.1 100/16 RB051L-40-X 0.047 10/16 NQL56CK-220X 1N5401-TU-15 9.1K 0.047 QGF0534F3-50X 51K 100/16 UDZW11B-X RT1P141C-X 2.2/50 47K 2.2K NI UDZW5.1B-X QNZ0607-001 470P 100 10k 56P 47K 10K 56P NI NI QTE0J57-476Z QTE1A57-107Z 0.1 4.7K 0.01 4.7K 47K 2.2k 2.2/50 0.047 47K NI 0 0.022 NQR0201-004X 10 47/10 NI 0 NI 1SS355W-X 47/16 NI NI NI 470 NI NQL553J-27NX 4.7K NQL553J-27NX 4.7K 4.7K NI 47/16 UDZW11B-X 330 10K 4.7/50 10K NI NQR0007-002X 22p NI NQL56CK-220X 470 CRS03-W 0.1 NI 12 12 NI NI RT1N141C-X NI NI NI 5.1K NI 5.1K NI NI NI NI NI NI NI NI NI NI 2.2/50 0.47 470 2.2/50 2.2/50 RT1N141C-X 10k 10k 10k 10k 4.7/50 10/16 39K 39K 18K 18K NI 33K NI 0.082 NI 0 1K 1SS355W-X NI NI 10k 10k QTE0J57-476Z 1.2K 0.1 100/16 0.1 H-SYN MSW4 VOLDA VOLCLK V-SYN AUX.L DVD-COMP AUXR FL FR MODEB EV-SW DVD.R MSW1 TU.L DVD.L MODEA STEERING VIDSW KEY1 FSU QUALITY EJECT TEL KEY2 TELCONT LCDCE REMOCON KEY0 BUSINT TELMUTE ANTCONT STEERING BUSSCK TU.R PBRK BUSSI BUSSO BUSIO VIDEO-OUT FAN AFS SSTOP VOLCLK VOLDA FAN MUTING DIM RDSSCK TM SCK POWERON SI/SO RDSDA VIDEO-OUT CH.L AUXIN-R/V CPURST LRMUTE UCS AUXIN-V/R CH.R DIM ENC1 REMOCON EJECT AUXIN-GND AUXIN-L DC_STATE DVD.L DVD.R DC_STATE MODEB MODEA BUSIO BUSSO SCS VMUTE SSTOP FSU H-SYN TUSDA TUSCL V-SYN QUALITY EV-SW VIDSW AUX.L AUX.R COMPOSITE POWERON ENC2 DVD-COMP AFS SW5V RDSSCK S2UDT U2SDT S2UDT ENC1 LCDCLK LCDDA ENC2 SCK RDSDA DOUTMUTE SCLK SCLK UCS SCS CPURST LRMUTE DOUTMUTE VMUTE SI/SO BUSSI BUSINT TUSCL TUSDA BUSSCK MSW1 MSW4 U2SDT CH.R CH.L TELMUTE TELCONT COMPOSITE MUTING ANTCONT PBRK ! ! ! ! ! ! ! ! Main section w w w . x i a o y u 1 6 3 . c o m Q Q 3 7 6 3 1 5 1 5 0 9 9 2 8 9 4 2 9 8 T E L 1 3 9 4 2 2 9 6 5 1 3 9 9 2 8 9 4 2 9 8 0 5 1 5 1 3 6 7 3 Q Q TEL 13942296513 QQ 376315150 892498299 TEL 13942296513 QQ 376315150 892498299 http://www.xiaoyu163.com “ 无奇不有” 电路图网 ht t p: //www. xi aoyu163. com 2-3 Audio section IC105 R1136 IC109 R1138 R1137 C1112 Q1103 Q1102 L1104 C1139 C1113 R1156 C1114 Q1107 R1167 Q1106 R1166 IC110 IC103 C1134 L1102 C1105 C1106 R1125 R1127 C1104 R1126 C1133 C1135 C1107 R1131 R99 R1124 C1124 C1127 IC104 Q1108 C1130 R1168 R1170 C1148 C1149 C1123 R1139 R1143 R1144 R1122 IC106 IC107 C1125 C1126 C1109 C1110 R1110 C1129 R1113 C1146 R1116 R1112 C1147 C1136 C1137 C1121 C1120 R1102 R1103 R1104 C1101 C1102 R1145 R1146 R1151 R1150 R1153 K1002 K1001 K1003 K1006 L1101 R1161 R1160 D1106 R1165 R1158 R1159 R1164 R1157 R1149 C1111 C1115 C1145 Q1104 Q1105 R1130 R1128 R1129 R1123 D1102 R1148 R1147 R1132 C1132 C1103 C1108 R1134 R1135 Q1101 R1133 L1103 C1138 R1169 D1105 D1103 D1101 D1104 C1131 C1122 IC108 R1120 R1118 R1119 R1117 R1108 R1109 R1107 C1128 R1105 R1111 R1101 R1106 R1114 R1115 R1121 R1154 K1004 K1005 NJM2505F-X 10 TC4066BFT-X 2.2k 2.2k NI UN2211-X UN2211-X NQL79GM-470X 10/16 NI NI NI ISA1530AC1/R/-X 2.2K ISA1530AC1/R/-X 2.2K NJM2505F-X MM1108XF-X 10/16 NQL79GM-470X 0.1 560P 120K 82K 0.0039 1K 3.3/50 1/50 560P 560 470 10 NI NI MM1503XN-X UN2211-X NI 2.2K NI 10/16 10/16 100 100 100 100K NI NI 10/16 10/16 0.1 NI 12K NI 12K 10/16 NI NI 10/16 10/16 10/16 10/16 10/16 12K 12K NI NI NI 10K 10K 0 100 100K NQR0201-004X NQR0201-004X NQR0201-004X NQR0201-004X NQL79GM-470X 2.2K 180 UDZW6.2B-X 47K 47K 47K 47K NI NI 0.047 NI 10/16 2SD601A/QR/-X 2SD601A/QR/-X 330K 10K 10K 10 UDZW6.2B-X 75 75 10 10/16 0.1 0.1 NI NI NI 10K NQL79GM-470X 10/16 NI 10/16 UDZW6.2B-X UDZW6.2B-X UDZW6.2B-X UDZW6.2B-X 10/16 10/16 NJM4565E-X 100K NI NI NI 12K 10K 10K 10/16 10 12K 12K 12K NI NI 0 100K NQR0201-004X NQR0201-004X AUX.R AUX.L 9V COMPOSITE AUXIN-R/V AUXIN-L AUXIN-V/R EV-SW SW5V VIDSW V-SYN H-SYN AUXINGND DVD-COMP A-GND w w w . x i a o y u 1 6 3 . c o m Q Q 3 7 6 3 1 5 1 5 0 9 9 2 8 9 4 2 9 8 T E L 1 3 9 4 2 2 9 6 5 1 3 9 9 2 8 9 4 2 9 8 0 5 1 5 1 3 6 7 3 Q Q TEL 13942296513 QQ 376315150 892498299 TEL 13942296513 QQ 376315150 892498299 http://www.xiaoyu163.com “ 无奇不有” 电路图网 ht t p: //www. xi aoyu163. com 2-4 LCD & Key control section R601 R658 CN601 D642 D616 D611 D618 R620 R625 Q641 D610 D613 R621 D615 D619 R615 Q640 D605 C621 IC601 D603 C682 D617 C681 D606 R665 D601 EN601 R605 C622 D602 R654 R655 R656 R612 R614 R606 R607 R608 R611 R610 R609 R602 R603 R604 R613 R653 IC602 R671 R624 CN741 LCD1 D604 D612 D614 D607 C620 CN742 R626 R672 R663 J601 C603 R661 R692 S601 R643 C611 R659 D608 C612 R674 D609 R693 R645 R635 S602 C613 D641 R641 R629 R637 R647 S603 R694 R633 D643 R652 R673 C601 C602 S604 R660 S605 S606 D654 S607 S614 S613 S612 S611 S610 S609 S608 S616 S617 D656 R651 D645 S615 D646 D655 R680 R691 R640 R642 D620 D621 R681 R2441 R631 R2445 R622 R2442 R2443 R2446 R649 R2444 D2441 D2442 S2441 R639 D2443 R687 R688 R685 R2447 R686 R667 C604 C605 820 2.2M QGZ1201M1-25W 1SS355W-X 47K RT1N141C-X 47K 10K 2SA1365/F/-X PTC6526 1K QSW1231-001 2.7K 100 100 100 3.9K 820 3.9K 820 820 2.7K 1.8K 1.2K 820 1.2K 1.8K 820 0 NJL29H380A 270 0 QGB1004J2-28X QLD0520-001 QGZ1201L1-25 47K 220 1K QNS0288-001 1 330 470 1.2K 0.01 220k 1k 560 1.2K UDZW5.1B-X 1.2K SML-D12V8W/PQ-X 560 560 560 3.9K 1.2K LBQ39G/L2N2/-X 2.2k 4.7K 0.022 150p 330 MA8062/M/-X MA8062/M/-X 2.2k NSPW310CS/BTUV/ NSPW310CS/BTUV/ MA8062/M/-X 1.2K 330 1.2K 1.2K 1.2K NI 220 NI 0 680 820 NI 560 NI LHQ74/LM/-X LHQ74/LM/-X 560 LHQ74/LM/-X NQR0007-002X NQR0007-002X NQR0007-002X 0 NQR0007-002X 1K 0.1 0.1 REMOCON AUX.V 10V 5V AUX.G AUX.G LCDDA LCDCE LCDCL GND KEY1 COM4 ENC1 COM3 DIM ENC2 KEY2 KEY1 KEY0 DIM 10V REMOCON LCE LDA LCL KEY0 K2 K1 K0 VDD2 VDD1 VDD D- D+ AR AGND AL AGND ENC1 RST ACC5V ENC2 D+ K1 D- STATIC AGND AL LCDDA LCDCL LCDCE S50 gnd AR OSC K0 LCL K2 LCE LDA ENC1 REMOCON RST COM2 COM1 USB_GND S17 CE S18 CLK DATA KEY2 S19 S20 S21 S22 S23 S24 S25 S26 S27 S28 S29 S30 S31 S32 S49 ENC2 ENC1 COM2 S1 S2 S3 S4 S5 S6 S7 S8 S9 S50 S12 S13 S14 S15 S16 S17 S18 S19 S20 S21 S22 S23 S37 S43 S26 S27 S28 S29 S30 S31 S32 S33 S42 S38 S36 S48 S3 S4 S5 S6 S7 S8 S9 S10 S2 S11 S1 S12 S35 S13 S14 S15 S16 S39 S40 S41 S34 S25 S44 S45 S46 S47 S24 S49 S11 S10 COM1 COM4 COM3 S33 S34 S35 S36 S37 S38 S39 S40 S41 S42 S43 S44 S45 S46 S47 S48 w w w . x i a o y u 1 6 3 . c o m Q Q 3 7 6 3 1 5 1 5 0 9 9 2 8 9 4 2 9 8 T E L 1 3 9 4 2 2 9 6 5 1 3 9 9 2 8 9 4 2 9 8 0 5 1 5 1 3 6 7 3 Q Q TEL 13942296513 QQ 376315150 892498299 TEL 13942296513 QQ 376315150 892498299 http://www.xiaoyu163.com “ 无奇不有” 电路图网 ht t p: //www. xi aoyu163. com 2-5 DVD section CDLDCUR RF+ A NWE NCAS EXADT2 EXADT4 EXADT5 EXADT6 RF- S-5V BCK EXADT14 EXADT13 EXADT12 EXADT8 EXADT9 EXADT10 EXADT11 EXADT7 EXADT0 EXADT1 EXADT2 EXADT3 CP_RDY EXADR16 /FL_RST EXADR20 MDQ0 MDQ1 MDQ15 MDQ14 MDQ13 MA1 EXADT1 MDQ12 MDQ11 MDQ10 MDQ9 MDQ8 MA11 MA9 MA8 MA7 MA6 MA5 MA4 MA3 MA2 MA0 MA10 MDQ7 MDQ6 MDQ5 MDQ4 MDQ3 MDQ2 DQM0 NCAS NWE NRAS NCSM NEXCE BA0 BA1 DQM1 EXADT2 EXADT3 MCK EXADT4 EXADT5 EXADT6 EXADT7 EXADT8 EXADT9 EXADT10 EXADR19 SCS EXADR18 EXADR17 EXADT11 EXADT12 EXADT13 EXADT14 EXADT0 NEXOE NEXWE UCS S2UDT CPURST EXADR16 EXADT12 EXADT11 EXADT10 EXADT9 EXADT8 EXADT1 MDQ15 MDQ0 MDQ14 MDQ1 MDQ13 MDQ2 MDQ12 MDQ3 MDQ11 MDQ4 MDQ10 MDQ5 MDQ9 MDQ6 MDQ8 MDQ7 DQM0 DQM1 NRAS NCSM BA1 BA0 MA9 MA8 MA10 MA7 MA6 MA1 MA5 MA4 MA2 MA3 MA0 NEXCE NEXOE PCMCLK DVDLDCUR LPCO1 LPC LPCO2 CPURST FG SCLK SDATA SCLOCK MA11 EXADT0 EXADT15 EXADT4 EXADT5 EXADT6 NEXCE NEXCE C A9V EXADT7 EXADR19 DAC1CS DAC2CS UCS SCS EXADR17 EXADR18 U2SDT FROR-CH FROL-CH DAC5 DAC4 DAC2 DAC3 DAC1 CD/DVD H3+ H2+ SM3 VH H2- H1+ T+ T- F+ F- LM FODRV VHALF RF- E F D C B SPDRV VHALF CP_RDY DAC0CS EPWP LRMUTE USBCLK SW2 CDLDCUR SW3 FROL-CH EXADT15 SCLK T+ F- T- F+ LRMUTE LRCLK A I2CSCL FODRV TRDRV HAGUP RF+ SW2 SW3 SPDRV DCLK DAC1CS DACPDN DCLK DDATA DDATA PCMCLK BCK ADOUT2 LRCLK DACPDN DAC2CS DCLK DDATA DDATA DDATA BCK PCMCLK ADOUT1 LRCLK REAR_RCH CENTER WOOFER WP CD DATA1 DATA0 CLK CMD DATA3 DATA2 REAR_LCH REAR_RCH A9V A5V ADOUT0 ADOUT3 ADOUT3 I2CSDT I2CSCL ADOUT0 ADOUT1 ADOUT2 FROR-CH IPOD_DATA LM /DRVMUTE AGND S-5V IPOD_DATA TRVSW MCK HFVC LPFSEL/ACT EXADT3 DCLK DDATA S2UDT U2SDT EXADR20 EXADT15 EXADT14 DAC0CS DACPDN DVLOUT DVROUT REAR_LCH SM1 SM2 SM3 H3- H1- LPFSEL/ACT EXADT13 LPC DRVCNT /DRVMUTE TRVSW DRVCNT CD/DVD DAC3 DAC2 DAC1 DAC4 AGND SACK DAC5 SACK WOOFER CENTER FG SL1IN SL2IN SL1IN SL2IN A5V DVROUT DVLOUT FROL-CH FROR-CH AGND I2CSCL I2CSDT EPWP I2CSDT SW4 CD DATA1 DATA0 CLK DATA2 WP PRTOUT NEXWE USBCLK SCLOCK SDATA HAGUP HAGUP SM1 SM2 SW4 VREFH DATA3 CMD /FL_RST D B SW1 DACPDN LPCO2 LPCO1 TRDRV PRTOUT SW1 H3- H3+ VH H1+ H1- H2+ H2- LPC LPC HFVC DVDLDCUR F E VREFH LRCLK PCMCLK BCK NI C226 0.1/16 C88 0.1/16 C222 0.1/16 C128 1/16 C164 100p C155 0.1/16 C127 0.1/16 C25 0.1/16 C26 0.1/16 C126 0.1/16 C162 0.1/16 C161 NI C158 NI C159 NI C48 NI C52 NI C51 0.1/16 C15 0.1/16 C16 NI C125 0.1/16 C65 0.1/16 C156 0.1/16 C135 NI C119 0.1/16 C136 0.1/16 C129 NI C153 NI C152 0.1/16 C133 0.1/16 C14 NI C108 NI C106 0.1/16 C13 0.1/16 C11 0.1/16 C12 0.1/16 C9 0.1/16 C73 0.1/16 C8 0.1/16 C7 NI C166 NI C234 0.1/16 C6 0.1/16 C68 0.1/16 C5 NI C150 0.1/16 C71 0.1/16 C149 0.1/16 C4 330p C148 NI C147 0.047 C151 NI C160 NI C191 1/16 C72 NI C182 NI C1 0.1/16 C142 1/16 C92 NI C194 C47 NI 0.1/16 C91 NI C172 NI C50 1/16 C69 NI C188 NI C169 0.1/16 C17 NI C154 0.1/16 C24 0.1/16 C176 0.1/16 C177 NI C146 1/16 C93 0.1/16 C70 NI C144 NI C95 0.033 C84 0.1/16 C83 0.1/16 C3 0.1/16 C86 0.1/16 C85 0.1/16 C87 0.1/16 C2 0.018 C89 0.0056 C90 NI C141 NI C140 0.1/16 C75 NI C111 0.1/16 C201 NI C96 NI C97 NI C98 0.1/16 C99 NI C195 0.1/16 C122 15p C82 0.01 C67 0.1/16 C121 NI C196 0.1/16 C170 12p C81 0.1/16 C197 0.1/16 C199 1/16 C113 NI C112 1/16 C109 0.1/16 C178 2.2/10 C205 NI C107 NI C105 0.1/16 C74 0.1/16 C66 C58 NI 2200p C206 0.68/16 C100 NI C207 NI C116 NI C210 0.1/16 C211 NI C214 180p C215 0.01 C118 1/16 C117 0.1/16 C173 0.1/16 C174 0.1/16 C216 NI C217 NI C104 2.2/10 C224 0.1/16 C101 C80 1/16 0.1/16 C76 0.1/16 C77 NI C103 0.1/16 C218 0.1/16 C78 0.1/16 C79 0.022 C219 0.1/16 C241 0.1/16 C240 NI C110 0.68/16 C102 0.001 C220 NI C239 0.1/16 C134 0.1/16 C238 220p C237 0.001 C223 560p C32 NI C179 680p C31 NI C236 0.1/16 C130 0.001 C235 0.1/16 C131 NI C230 0.1/16 C18 0.1/16 C20 NI C94 NI C231 0.01 C60 0.1/16 C132 1/16 C233 NI C227 0.1/16 C19 0.001 C228 0.022 C229 47/6.3 C200 100/16 C232 NI C120 NI C114 NI C198 47/10 C21 100/16 C225 NI C115 100/16 C175 47/10 C22 47/10 C23 NI C208 47/6.3 C63 22/6.3 C139 T NI C138 T NI C157 T NI C124 T NI C123 T NI C163 T 22/6.3 C137 T NI C185 T 47/10 C143 T 47/10 C145 T CN2 QGA1221F1-03W 1 2 3 QGF0522F3-06W CN402 1 2 3 4 5 6 CN1 QGF0523F3-20W 1 2 3 4 5 6 7 8 9 10 11 12 13 14 15 16 17 18 19 20 CN101 QGF0522F2-26W 1 2 3 4 5 6 7 8 9 10 11 12 13 14 15 16 17 18 19 20 21 22 23 24 25 26 QGF0534F3-50X CN403 1 2 3 4 5 6 7 8 9 10 11 12 13 14 15 16 17 18 19 20 21 22 23 24 25 26 27 28 29 30 31 32 33 34 35 36 37 38 39 40 41 42 43 44 45 46 47 48 49 50 NI D1 NI D2 NI D13 NI D12 D7 AN1102W-6-X D6 AN1102W-6-X D8 NI MGND DGND DGND DGND DGND DGND DGND MGND DGND DGND MGND MGND DGND DGND DGND AGND DGND DGND DGND DGND DGND DGND DGND DGND DGND AGND DGND DGND DGND DGND MGND DGND DGND DGND DGND MGND DGND DGND FG2 FG2 FG1 NI IC304 1 OUT 2 VDD 3 NC 4 VSS NI IC308 1 2 3 4 5 6 IC3 MM3233DF-X 8 NC 7 CE 6 GND 5 NC 4 NC 3 VOUT 2 VDD 1 NC BR24L32FV-W-X IC481 8 VCC 7 WP 6 SCL 5 SDA 4 GND 3 A2 2 A1 1 A0 NI IC410 8 VCC 7 VO2 6 VIN2- 5 VIN2+ 4 GND 3 VIN+ 2 VIN- 1 VO1 MM1701CH-X IC302 8 Vin 7 NC 6 NC 5 Cont 4 Cn 3 GND 2 NC 1 Vout NI IC4 16 DZF 15 DVDD 14 VDD 13 VSS 12 VCOM 11 AOUTL 10 AOUTR 9 P/S 8 CDTI 7 CCLK 6 CSN 5 PDN 4 LRCK 3 SDTI 2 BICK 1 MCLK AK4387ET-X IC400 16 DZF 15 DVDD 14 VDD 13 VSS 12 VCOM 11 AOUTL 10 AOUTR 9 P/S 8 CDTI 7 CCLK 6 CSN 5 PDN 4 LRCK 3 SDTI 2 BICK 1 MCLK NI IC5 16 DZF 15 DVDD 14 VDD 13 VSS 12 VCOM 11 AOUTL 10 AOUTR 9 P/S 8 CDTI 7 CCLK 6 CSN 5 PDN 4 LRCK 3 SDTI 2 BICK 1 MCLK IC501 TC74LCX373FT-X 20 19 18 17 16 15 14 13 12 11 10 9 8 7 6 5 4 3 2 1 IC502 TC74LCX373FT-X 20 19 18 17 16 15 14 13 12 11 10 9 8 7 6 5 4 3 2 1 IC307 NI 1 2 3 4 5 6 7 8 9 10 11 12 13 14 15 16 17 18 19 20 21 22 23 24 25 26 27 28 29 30 31 32 33 34 35 36 37 38 39 40 SG32A90TFIR34T IC398 48 47 46 45 44 43 42 41 40 39 38 37 36 35 34 33 32 31 30 29 28 27 26 25 24 23 22 21 20 19 18 17 16 15 14 13 12 11 10 9 8 7 6 5 4 3 2 1 IC1 BD8215EFV-X 27 FG 28 PREGND 29 SL2INO 30 SL2INN 31 SL1INO 32 SL1INN 33 VC 34 TINN 35 TINO 36 FINN 37 FINO 38 EMER 39 LDIN 40 VCC 41 LDO+ 42 LDO- 43 FCO+ 44 FCO- 45 TKO+ 46 TKO- 47 PGND 48 VMFCRNF 49 VMTKRNF 50 TKCDET 51 FCCDET 52 SPCNF 26 RRTOUT 25 RRTT 24 RRTF 23 RRTLIM 22 SLRNF2 21 SLRNF1 20 CTL2 19 CTL1 18 SLO2+ 17 SLO2- 16 SLO1+ 15 SLO1- 14 PGND 13 W_OUT 12 V_OUT 11 U_OUT 10 HALL_VC 9 HU+ 8 HU- 7 HV+ 6 HV- 5 HW+ 4 HW- 3 SPVM 2 SPRNF 1 BHLD 53 SPIN 54 VM_S M12L128168A-7TG IC399 27 28 29 30 31 32 33 34 35 36 37 38 39 40 41 42 43 44 45 46 47 48 49 50 51 52 26 25 24 23 22 21 20 19 18 17 16 15 14 13 12 11 10 9 8 7 6 5 4 3 2 1 53 54 IC301 MN2DS0018MA EXDT1 1 EXDT9 2 EXDT2 3 EXDT10 4 VSS 5 VDD33 6 EXDT3 7 EXDT11 8 EXDT4 9 EXDT12 10 EXDT5 11 EXDT13 12 EXDT6 13 EXDT14 14 VSS 15 VDD33 16 EXDT7 17 EXDT15 18 VSS 19 VDD12 20 EXADR16 21 EXADT15 22 EXADT14 23 EXADT13 24 EXADT12 25 EXADT11 26 EXADT10 27 EXADT9 28 EXADT8 29 EXADR19 30 NEXWE 31 VSS 32 VDD33 33 EXADR18 34 EXADR17 35 EXADT7 36 EXADT6 37 EXADT5 38 EXADT4 39 EXADT3 40 EXADT2 41 EXADT1 42 VSS 43 VDD12 44 EXADR20 45 S0OUT 46 S0CLK 47 INT0 48 S1OUT 49 P5 50 VSS 51 VDD33 52 S2IN 53 S2OUT 54 S2CLK 55 P9 56 S3OUT 57 S3CLK 58 P12 59 P13 60 P14 61 DRV5 62 DRV4 63 DRV3 64 DRV2 65 DRV1 66 DRV0 67 VSS 68 VDD33 69 NRST 70 FG 71 SCLOCK 72 SDATA 73 EXTRG0 74 EXTRG1 75 TRCCLK 76 TRCDATA0 77 TRCDATA1 78 TRCDATA2 79 TRVDATA3 80 TRCST 81 VSS 82 VDD12 83 AVDDD 84 PLFIL1 85 VREFH7 86 AVSSD 87 VREFL7 88 AVSSC 89 CCAPA 90 CDATA 91 AVDDC 92 ANAMONI1 93 ANAMONI2 94 RFINN 95 RFINP 96 VIN1RF 97 VIN2RF 98 VIN4RF 99 VIN3RF 100 VREFH5 101 VREFL5 102 LPC1 103 LPCO1 104 LPC2 105 LPCO2 106 AVDDB 107 AVSSB 108 VREFH 109 VHALF 110 VIN10 111 VIN9 112 VIN5 113 VIN6 114 VIN7 115 VIN8 116 VIN3 117 VIN4 118 VIN2 119 VIN1 120 AD0 121 AD1 122 AD2 123 AD4 124 AVSSH 125 PWM1 126 PWM0 127 AVDDH 128 DAC3OUT 129 DAC2OUT 130 DAC1OUT 131 AVDDF 132 COMP1 133 VREF 134 IREF1 135 COMP2 136 AVSSF 137 DAC4OUT 138 DAC5OUT 139 AVSSE 140 AVDDE 141 AVDDG 142 AVSSG 143 LOUT 144 AVSSI 145 ROUT 146 AVDDI 147 DACCK 148 SRCK 149 LRCK 150 ADOUT 151 IECOUT 152 VSS 153 VDD33 154 OSCI 155 OSCO 156 VSS 157 VDD12 158 MDQ15 159 MDQ0 160 MDQ14 161 MDQ1 162 MDQ13163 MDQ2 164 VSS 165 VDD33 166 MDQ12167 MDQ3 168 MDQ11169 MDQ4 170 MDQ10171 MDQ5 172 VSS 173 VDD33 174 MDQ9 175 MDQ6 176 MDQ8 177 MDQ7 178 DQM0 179 DQM1 180 NWE 181 VSS 182 MCK 183 VDD33 184 MCKI 185 VSS 186 VDD12 187 NCAS 188 NRAS 189 NCSM 190 DQM2 191 DQM3 192 BA0 193 MA9 194 VSS 195 VDD33 196 BA1 197 MA8 198 MA10 199 MA7 200 MA0 201 MA6 202 MA1 203 VSS 204 VDD33 205 MA5 206 MA2 207 MA4 208 MA3 209 VSS 210 VDD12 211 EXADT0212 NEXCE213 NEXOE214 EXDT0 215 EXDT8 216 NQR0129-002X K111 NQR0022-005X K136 NQR0022-005X K135 NQR0129-002X K108 NI K138 0 K137 NI K124 NQR0129-002X K112 NI K134 NQR0022-005X K133 NI K128 NI K6 NI K12 0 K119 NI K2 0 K118 0 K117 0 K142 0 K114 0 K141 NQR0007-002X K102 NI K127 NI K3 NI K8 NI K125 NI K106 NI K107 NQR0502-001X K103 NI K7 0 K115 NI K126 NI K105 NI K104 NI K4 NI K9 NQR0007-002X K101 NI K10 NI K139 0 K120 NQR0022-005X K132 NQR0502-001X K113 NQR0022-005X K131 NI K109 NQR0129-002X K110 10 L303 NQL093K-1R8X K121 2SB1424/R/-W Q101 2SA1774/R/-X Q8 2SB1424/R/-W Q103 2SD601A/R/-X Q4 2SC4617/R/-X Q104 2SC4617/R/-X Q105 2SC4617/R/-X Q102 2SD601A/R/-X Q7 NI Q6 2SC4617/R/-X Q9 2SK3546J-X Q107 D G S 2SK3546J-X Q106 D G S NI Q303 RT1N141U-X Q2 NI Q11 RT1N441U-X Q301 RT1N441U-X Q302 NI R36 NI R37 NI R180 NI R169 0 R21 NI R135 10k R52 NI R53 NI R182 NI R205 NI R204 NI R203 39 R58 0 R229 NI R23 NI R201 0 R31 NI R33 100 R173 330 R189 330 R190 47k R211 0 R156 470 R62 100 R172 12 R66 470 R61 NI R150 NI R232 NI R247 NI R151 47k R226 2.4k R57 2.4k R65 4.3k R56 NI R262 NI R223 NI R250 0 R25 NI R299 NI R259 0 R22 10k R117 NI R161 NI R119 NI R241 NI R272 2.2 R59 0 R220 NI R269 NI R256 NI R293 NI R253 10k R233 NI R287 2.2 R67 NI R231 10 R217 NI R296 NI R275 NI R51 NI R235 10k R228 NI R238 2.2k R227 NI R278 NI R63 NI R210 NI R225 NI R284 NI R290 NI R281 NI R244 NI R224 NI R50 10k R47 NI R101 NI R221 NI R199 100 R174 27 R128 NI R48 NI R71 NI R72 NI R306 1% NI R305 1% 470 R69 330 R70 1k R60 NI R149 NI R192 NI R176 NI R124 10k R163 10k R129 47k R165 47k R166 1k R68 NI R219 NI R188 NI R158 75k R325 20k R318 NI R146 47k R167 NI R127 1k R126 47k R168 NI R111 12 R125 NI R112 NI R208 NI R147 NI R27 NI R28 NI R29 0 R184 NI R116 NI R115 NI R307 NI R113 NI R110 NI R222 0 R218 0 R77 10 R213 0 R202 NI R194 R193 NI 0 R200 390 R311 390 R364 NI R209 NI R191 NI R103 0 R264 0 R302 NI R187 NI R138 NI R136 0.47 R309 33k R310 NI R312 NI R313 NI R314 0 R371 NI R315 NQR0129-002X R181 NI R130 0 R152 0 R142 NI R316 NI R317 24k R359 0 R99 5.6k R319 NI R320 NI R98 4.3k R64 NI R321 390 R323 6.8k R324 NI R73 30k R160 1.6k R153 NI R206 0 R35 1 R76 1M R171 NI R328 NI R118 10k R46 0.47 R329 NI R157 NI R350 10k R145 0 R155 0.39 R301 NI R154 NI R351 47k R92 1k R352 0 R330 NI R355 NI R82 0.22 R357 NI R123 0 R358 NI R360 NI R121 NI R361 10k R362 1.5K R120 1.5K R107 NI R372 NI R139 1k R195 10k R365 NI R159 1.2k R216 1% 0.22 R366 NI R207 1.2k R215 1% NI R140 100k R367 NI R368 0.22 R369 3.3k R141 4.7k R267 1.5k R375 10k R392 8.2k R376 NI R162 NI R378 3.3k R379 NI R102 22k R380 NI R381 1k R382 22k R383 100k R384 NI R385 100k R79 180k R386 47k R387 NI R388 10k R265 20k R93 10k R144 22k R94 10k R100 91 R55 180 R164 91 R54 8.2k R391 10k R393 470 R170 27k R394 NI R198 0 R137 NI R197 NI R396 100 R397 NI R399 NI R196 100 R143 NI R179 15k R400 NI R97 NI R96 47k R402 NI R95 1K R131 100 R403 NI R404 NI R405 1K R132 0.22 R406 22K R133 NI R408 NI R148 NI R410 100k R134 NI R423 NI R422 NI R421 NI R411 0 R214 NI R412 NI R413 180k R420 100k R419 NI R212 0 R178 0 R183 NI R416 NI R418 18k R417 0 R177 NI R49 NSW0313-001X S1 3 1 NAD0025-103X TH491 TP94 USBCLK TP92 NEXWE TP107 DLD+ TP98 P3.3V S3.3V DLD- SW_GND TP89 TP88 TP87 D1.2V TP76 CLKO CLK TP82 TP81 TP80 TP106 TP325 EPSK CENTER AOUT0 TP22 TP317 DGND_6 LRMUTE D2V_1 S5V TP73 TP79 DGND_7 TP77 TP85 FIN FOUT TIN TOUT TP9 PCMCLK0 TP7 TP6 TP5 EPCS TP101 TP97 RFGND TP4 DCLK0 SW1_ SW2_ SW3_ TP75 TP3 MGND TP2 M8V M5V TP1 SW3_PAD SW2_PAD SW1_PAD TP10 TP11 D5V LRCLK0 TP91 TP12 TP84 TP21 TP72 TP71 TP316 TP105 TP14 TP108 F-RCH TP69 TP68 TP13 TP67 TP66 TP15 TP64 CLD- TP63 CLD+ TP62 TP20 TP61 RF+ DAC5 RF- TP16 EPDIO RFVCC TP17 TP18 A9V TP19 TP8 TUBUYAKI VHALF TP60 DAC1 TP59 DGND1 TP58 TP318 BCK0 DAC3 DAC2 TP78 TP319 DAC4 PRTOUT SW4_ SW1__ MONI7 MONI6 MONI5 MONI4 MONI3 MONI2 MONI1 MONI0 TP309 ADOUT3 CD DATA0 DATA1 WP S3.3V_ F_LCH DATA2 A5V REAR_LCH REAR_RCH DP CMD TEMPDET D- TUBUYAKI2 USBNEN ACC5V WOOFER UCS SACK SCLK DATA3 TX DDATA0 SCS AGND_1 U2SDT S2UDT LPFSEL/ACT TSUBUYAKI_SEL DDATA CPURST P3.3V S5V S3.3V M5V P3.3V D2V M5V ACC5V M5V D4V D1.2V M8V S3.3V M8V D3.3V D3.3V M5V P3.3V ACC5V ACC5V M8V D3.3V D4V P3.3V P3.3V P3.3V P3.3V D2V P3.3V S3.3V P3.3V P3.3V M5V D3.3V S5V ACC5V X353 NI 1 4 NAX0741-001X X351 NI X354 1 3 TP320 NI R34 0 R268 NI C168 2700p C167 D10 NI C E 1 D9 PS1192HB-22-X C E 2 G D11 PS1192HB-22-X C E 3 10 L302 TX 1/8W 1/8W VDD DQ0 VDDQ DQ1 DQ2 VSSQ MGND MGND DQ3 MGND DQ4 MGND M8V M8V M5V Fo+ VDDQ DQ5 DQ6 VSSQ DQ7 1/2W VDD LDMQ DGND DGND WE S5V CAS VCC RESET SCLK GND GND SDATA RAS CS BA0 BA1 A10/AP A0 A1 A2 VSS DQ15 VSSQ DQ14 DQ13 VDDQ SDRAM DQ12 DQ11 VSSQ DQ10 DQ9 VDDQ DQ8 N.C/RFU VSS N.C UDQM CLK CKE A9 A8 A7 A6 A5 A4 A3 A11 VSS VDD D Tr+ Tr- Fo- NC LD GND DVD LD CD LD SEL C D A B E F RF- RF+ HFM VCC Vcc=5V Vref=2.2V GND DVD VR MD CD VR OPT2060 /WE M5V A19 A18 NC(/RST) NC(VPP) NC NC(R//B) D4V NC(A20) */BYTE A8 A7 A6 A5 A4 A3 A2 1/2W 1/2W A1 /CE VSS /OE D0 D8 D1 D9 D2 D10 D3 D11 VCC D4 D12 D5 D13 D6 D14 D7 D15 VSS A17 A16 D-/IPOD_DATA A15 A14 A13 A12 A11 A10 A9 A0 D+ FLASH ROM NC CLOCK_OUT NC NC NC NC NC nRESET VSS VCC SPI_SOMI SPI_SIMO SPI_nSS ROSC MODE2 I2C_SDA NC MODE1 MODE0 CP_RDY NC NC NC NC NC NC D2V D2V VSS XT /CONT Fout UCS SCS SCLK U2SDT S2UDT CPURST A5V F F VDD /XT A9V DAC4 DAC5 LRMUTE SW1 SACK/ACC5V SW4 NC NC NC SPI_ VCC XIN H;DVD XOUT CLOCK_ENAB NC NC 1. VOLTAGES ARE DC-MEASURED WITH A DIGITAL VOLT METER WITHOUT INPUT SIGNAL CONDITION --- DVD MODE. 2. UNLESS OTHERWISE SPECIFIED. ALL RESISTORS ARE 1/10W +5% METAL GLAZE RESISTOR. ALL CAPACITORS ARE 50V OR 25V CERAMIC CAPACITOR. ALL RESISTANCE VALUES ARE IN OHM. ALL CAPACITANCE VALUES ARE IN uF(P=pF) ALL E.CAPACITORS ARE SHOWN IN THE FORM OF CAPACITANCE(uF)/RATED VOLTAGE(V) NOTES T --- TANTAL CAPACITOR 3. NI STANDS FOR NOT MOUNTED PARTS 10k 10k DTA114EE-X 47k 47k DTC144EE-X I2C_SCL I2C_ADDR0 I2C_ADDR1 I2C_ADDR2 UCLK D DV5 (48MHz) (MONI1) (MONI5) (MONI0) (MONI4) (MONI3) (MONI7) (MONI2) (MONI6) (SPDRV) (SDA) (SCK) (SLD2) (SLD1) LD GND DGND DGND DAC3 DAC2 DAC1 F-Lch F-Rch DGND DGND DGND USBGND AGND FEED ON DRIVER L L L SPDM2 SPDM1 L.LOARDING SLED1+ H.EJECT SLED2- H L H SPDM3 CTL2 H1- VC+ H H2- H1+ H2+ Vc(33) LDVc(38) L L H3- H3+ REST_G CTL1 VC- H L REST PLAY LOADING/EJECT STOP SLED2+ SLED1- L D M8V GND USBGND (SW4) (SW3) (SW2) (SW1) (DACCS) (DACPDN2) (LRMUTE) (DAC0CS) (DAC1CS) (DAC2CS) (CD/DVD) (UCS) (SCS) (EPWP) (I2CSDT) (I2CSCL) (CP_RDY) (ADOUT0) (ADOUT1) (ADOUT2) (HAGUP) (PRTOUT) (DDATA) (DCLK) (TRVSW) (LM) (/DRVMUTE) (CD/DVD)/LRCKI (DRVCONT)/BCKI (D-) (D+) (BCK) (ADOUT3) (USBNEN) (TSUBUYAKI_SEL)/HFVC /OE 1Q 1D 2D 2Q 3Q 3D 4Q GND 4D 8D 7D 7Q 6Q 6D 5Q LE 5D 8Q VCC 5Q LE 5D 8Q VCC 1D 2D 2Q 3Q 3D 4Q GND 4D 8D 7D 1Q /OE 7Q 6Q 6D 1.2_REG 3.3_REG PDN CSN CCLK CDTI MCLK BICK SDTI LRCK DAC_2CH(F) DAC (R) DAC (SUB) LPF D4V ACC5V WOOFER CENTER AGND REAR_Lch REAR_Rch (TRVSW) (DOUT/DRVCNT) (USBNCO) SW1 SW3 SW2 0 0 0 I2C BUS SLAVE ADDRESS iPod IC EEPROM 0 ADR0 1 ADR1 0 ADR2 0.0V 3.2V 3.2V 0.0V 0.0V 3.2V 3.2V 3.2V 3.2V 3.2V 3.2V 0.0V 3.2V 3.2V 0.0V 3.2V 0.0V 0.0V 0.0V 1.2V 0.0V 0.0V 0.0V 0.0V 0.0V 0.0V 0.0V 0.0V 0.0V 0.0V 3.2V 0.0V 0.0V 3.2V 0.0V 0.0V 0.0V 0.0V 0.0V 0.0V 0.0V 0.0V 0.0V 1.2V 3.2V 0.0V 0.0V 0.0V 0.0V 0.0V 0.0V 3.2V 0.1V 3.2V 0.0V 3.2V 3.2V 3.2V 3.2V 1.2V 0.0V 1.3V 1.5V 0.0V 1.5V 3.2V 0.0V 0.0V 1.5V 0.0V 1.4V 0.0V 0.0V 1.5V 3.2V 0.0V 0.0V 0.0V 0.0V 0.0V 3.0V 3.1V 3.1V 1.2V 1.4V 0.0V 3.2V 0.0V 3.1V 0.0V 2.5V 2.5V 2.6V 2.7V 2.7V 2.7V 3.2V 0.0V 3.0V 2.8V 2.9V 2.8V 2.8V 2.8V 3.2V 0.0V 2.8V 0.0V 0.0V 2.6V 2.7V 2.7V 1.2V 0.0V 1.5V 1.5V 3.2V 0.0V 1.6V 0.8V 1.6V 1.5V 1.5V 0.0V 0.0V 0.0V 0.0V 0.0V 0.0V 0.0V 0.0V 0.1V 0.6V 0.0V 0.0V 0.0V 1.2V 2.2V 3.2V 0.0V 0.1V 0.0V 0.0V 1.6V 1.6V 0.0V 1.6V 2.6V 1.8V 3.1V 3.2V 3.2V 3.2V 3.2V 2.3V 2.3V 2.3V 2.3V 0.0V 0.0V 1.6V 2.2V 3.2V 0.0V 3.2V 0.0V 3.2V 0.0V 3.2V 0.0V 0.0V 1.6V 1.6V 1.8V 0.0V 0.0V 3.2V 3.1V 3.2V 1.7V 0.0V 3.2V 1.6V 1.8V 1.6V 0.0V 0.0V 1.2V 0.0V 0.0V 3.2V 0.0V 0.0V 1.8V 2.3V 0.0V 0.8V 0.0V 2.0V 2.0V 3.2V 1.7V 1.8V 1.6V 1.8V 1.6V 1.6V 0.0V 0.2V 0.0V 0.0V 1.6V 0.2V 0.0V 1.7V 3.2V 0.0V 4.2V 3.3V 0.0V 0.0V 4.2V 0.0V 0.0V 1.2V 0.0V 0.0V 0.3V 2.3V 0.0V 0.0V 2.3V 0.1V 3.2V 0.0V 3.2V 0.0V 0.0V 0.0V 1.5V 0.8V 1.6V 3.2V 0.0V 0.0V 3.2V 0.0V 5.0V 5.0V 0.0V 2.5V 2.5V 2.5V 0.0V 0.0V 0.0V 0.0V 0.0V 3.2V 0.0V 0.0V 3.2V 3.2V 0.1V 0.0V 0.1V 0.6V 0.0V 2.6V 0.0V 0.0V 0.0V 4.7V 0.0V 4.7V 0.0V 0.0V 0.0V 0.2V 0.0V 0.0V 0.0V 3.3V 3.3V 3.3V 0.0V 4.8V 4.8V 0.0V 4.1V 1.9V 3.5V 3.3V 1.7V 1.1V 4.8V 0.0V 0.0V 7.4V 8.0V 8.0V 2.9V 2.9V 2.9V 0.0V 2.9V 2.9V 0.9V 4.0V 4.0V 4.0V 0.0V 0.0V 0.0V 0.0V 0.0V 0.0V 3.2V 8.0V 8.0V 0.0V 1.1V 1.1V 0.1V 1.7V 0.0V 1.6V 1.6V 0.0V 1.6V 1.6V 1.6V 1.6V 1.6V 1.6V 3.2V 0.0V 8.0V 3.7V 3.7V 2.4V 2.5V 2.4V 2.5V 0.0V 4.9V 4.9V 4.9V 4.9V 0.6V 1.7V 8.0V 3.2V 3.2V 0.0V 3.2V 0.0V 3.2V 3.2V 0.0V 0.0V 0.0V 3.2V 0.0V 3.2V 0.0V 3.2V 0.0V 0.0V 2.7V 0.0V 2.8V 2.8V 2.9V 3.0V 2.7V 2.6V 2.5V 3.1V 3.1V 3.1V 3.0V 0.0V 1.5V 0.0V 0.0V 0.0V 0.0V 1.3V 2.7V 2.6V 0.0V 2.8V 2.8V 2.8V 2.7V 2.7V 2.5V 1.4V 0.0V 0.0V 0.0V 1.4V 1.5V 1.5V 1.5V 0.6V 0.0V 0.0V 0.0V 0.0V 0.0V 3.2V 0.0V 0.0V 0.0V 3.2V 3.2V 0.0V 2.7V 3.2V 0.0V 0.0V 3.2V 0.0V 0.0V 0.0V 0.0V 3.2V 3.2V 0.0V 3.2V 0.0V 0.0V 0.0V 0.0V 0.0V 0.0V 0.0V 0.0V 0.0V 3.2V 0.0V 0.0V 0.0V 0.0V 0.0V 0.0V 0.0V 0.0V 0.3V 0.0V 2.5V 2.8V 0.0V 0.6V 0.0V 0.0V 0.0V 0.0V 0.0V 0.0V 0.0V 0.0V 3.2V 0.0V 0.0V 0.0V 0.0V 3.2V 0.0V 0.0V 0.0V 2.5V 0.0V 0.0V 0.0V 0.0V 3.2V 0.0V 0.0V 0.0V 0.0V 0.0V 3.2V 0.0V 0.0V 0.0V 3.2V 3.2V 2.5V 2.8V 0.0V 0.0V LVB10741-A2w w w . x i a o y u 1 6 3 . c o m Q Q 3 7 6 3 1 5 1 5 0 9 9 2 8 9 4 2 9 8 T E L 1 3 9 4 2 2 9 6 5 1 3 9 9 2 8 9 4 2 9 8 0 5 1 5 1 3 6 7 3 Q Q TEL 13942296513 QQ 376315150 892498299 TEL 13942296513 QQ 376315150 892498299 http://www.xiaoyu163.com “ 无奇不有” 电路图网 ht t p: //www. xi aoyu163. com 2-6 Main board Printed circuit boards Lead free solder used in the board (material : Sn-Ag-Cu, melting point : 219 Centigrade) Lead free solder used in the board (material : Sn-Cu, melting point : 230 Centigrade) B104 B105 B921 C1 C2 C3 C4 C5 C6 C7 C8 C11 C12 C13 C14 C71 C72 C73 C74 C75 C76 C77 C78 C81 C82 C83 C84 C91 C92 C93 C94 C103 C104 C109 C110 C113 C114 C141 C142 C143 C145 C146 C147 C151 C152 C152 C161 C162 C163 C164 C171 C172 C173 C174 C175 C176 C177 C178 C179 C180 C181 C182 C183 C184 C185 C186 C187 C188 C189 C190 C1111 R1143 C1146 C1139 C1147 R1144 IC110 R1146 C1131 C1103 C1132 C1105 C1134 C1106 C1133 C1104 C1135 C1107 C1136 C1137 C1138 C1108 C1109 C1128 C1123 C1121 C1125 C1126 C1120 C1122 C301 C302 C304 C305 C306 C307 C309 C310 C312 C313 C314 C315 C328 C329 C330 C331 C332 C338 C339 C340 C345 C346 C348 C349 C350 C355 C356 C358 C359 C360 C401 C402 C403 C404 C405 C406 C411 C412 C413 C414 C504 C505 C506 C511 C512 C513 C514 C701 C702 C705 C721 C724 C731 C732 C733 C734 C743 C744 C751 C752 C753 C755 C756 C757 C801 C802 C803 C805 C806 C821 C822 C823 C831 C851 C861 C862 C885 C891 C892 C901 C902 C903 C912 C913 C914 C915 C916 C917 C918 C919 C920 C921 C922 C923 C925 C930 C931 C932 C933 C934 C971 C972 C973 C974 C975 C981 CN141 CN821 CN831 CN901 CN962 D1 D2 D1101 D1104 D1102 D1105 D1103 D1106 D301 D302 D303 D304 D354 D371 D372 D373 D374 D375 D376 D401 D411 D511 D512 D731 D732 D801 D821 D831 D851 D852 D861 D862 D863 D885 D891 D901 D902 D911 D921 D922 D971 D972 D973 D974 D981 D982 IC71 IC101 IC161 IC105 IC103 IC104 IC108 IC301 IC401 IC402 IC411 IC501 IC721 IC722 IC731 IC801 IC802 IC911 IC921 J1 J331 J801 K401 K402 K411 K831 L1 L11 L12 L1104 L1101 L1102 L1103 L401 L411 L702 L752 L901 L911 L921 L922 L923 L9121 Q1 Q152 Q154 Q1105 Q1104 Q1103 Q1102 Q301 Q302 Q303 Q354 Q821 Q822 Q823 Q861 Q862 Q885 Q891 Q892 Q913 Q914 Q971 Q972 Q976 Q977 R1 R2 R3 R4 R5 R6 R7 R8 R9 R10 R11 R12 R27 R28 R71 R72 R73 R81 R82 R91 R92 R101 R102 R103 R104 R105 R106 R107 R108 R111 R112 R113 R114 R115 R116 R117 R118 R141 R142 R143 R144 R145 R146 R147 R152 R154 R171 R172 R173 R174 R175 R181 R182 R183 R184 R185 R1149 R1148 R1147 R1139 K1002 K1001 R1136 R1137 R1138 R1145 R1121 R1120 R1122 R1123 R1124 R1125 R1126 R1127 R1128 R1129 R1130 R1131 R1134 R1135 R1133 R1132 R1105 R1107 R1108 R1109 R1110 R1113 R1102 R1103 R1106 R1101 R1111 R302 R303 R304 R305 R327 R328 R337 R338 R343 R345 R346 R347 R348 R349 R353 R355 R356 R357 R358 R359 R401 R402 R403 R404 R405 R412 R413 R414 R415 R416 R417 R451 R503 R506 R508 R512 R701 R702 R703 R714 R715 R716 R717 R718 R719 R721 R722 R723 R725 R726 R727 R728 R729 R730 R731 R732 R733 R735 R736 R737 R738 R739 R740 R741 R742 R743 R744 R745 R746 R747 R748 R751 R752 R753 R754 R756 R757 R758 R759 R761 R762 R763 R764 R765 R766 R767 R768 R769 R770 R771 R772 R773 R774 R775 R776 R777 R778 R779 R780 R781 R782 R783 R784 R785 R786 R787 R788 R789 R790 R791 R792 R793 R794 R795 R796 R797 R798 R799 R802 R803 R804 R805 R806 R807 R808 R809 R810 R811 R812 R813 R814 R815 R816 R821 R822 R823 R824 R832 R833 R851 R861 R885 R886 R887 R888 R891 R892 R893 R894 R901 R902 R914 R915 R971 R972 R973 R974 R976 R977 R981 R982 R9114 RA763 S701 S731 TH721 TU1 X71 X721 X722 IC153 R155 R156 R157 R158 C945 IC941 D942 D943 R941 R942 R943 R760 R945 C941 C942 C943 C944 C947 Q941 R1171 R704 R705 C745 C746 R924 IC952 R933 K1003 C1149 C1148 R1150 R1154 R1151 R1153 R1160 R1161 K1006 K1005 K1004 C1145 C144 R140 C555 C556 R553 R559 R556 R555 R554 R551 C552 C551 R558 R557 R561 R552 C554 C553 R750 CN701 R1165 R1164 R1159 R1158 C935 R946 R734 D734 R944 R947 C1150 IC109 Q1107 Q1106 Q1108 R1167 R1166 R1168 R720 C1113 R1169 C1112 R1170 C517 R925 R564 R563 C565 R801 R301 C515 R515 R406 C516 R517 C936 C937 C938 C149 R149 R74 C79 R911 PP1 R99 C2 C3 C6 C71 C75 C81 C91 C103 C104 C110 C113 C114 C145 C146 C147 C151 C161 C163 C164 C171 C172 C173 C174 C177 C178 C181 C182 C183 C184 C187 C188 C1146 C1139 C1147 C1131 C1132 C1134 C1133 C1135 C1136 C1137 C1138 C1128 C1123 C1121 C1125 C1126 C1120 C1122 C301 C304 C305 C309 C310 C312 C313 C328 C338 C346 C348 C356 C358 C404 C411 C413 C414 C504 C506 C731 C753 C755 C805 C806 C821 C822 C861 C862 C885 C901 C903 C913 C915 C918 C920 C921 C922 C923 C925 C931 C932 C933 C971 C973 C975 CN141 CN821 CN831 CN901 D901 D921 FLMDO IC301 IC402 IC911 J1 J331 J801 L1 L752 L901 Q823 R901 RESET S701 S731 TOOL0 TU1 VSS X71 X721 X722 C942 TXM RXM TX C1149 C1148 C1145 C555 C556 CN701 C935 C565 PP1 forward side reverse side Switch board Lead free solder used in the board (material : Sn-Ag-Cu, melting point : 219 Centigrade) Lead free solder used in the board (material : Sn-Cu, melting point : 230 Centigrade) forward side reverse side D601 D602 D603 D604 D605 D606 D607 D608 D609 D610 D611 D612 D613 D614 D615 D616 D617 D618 D619 D620 D621 D645 D646 EN601 IC602 J601 R601 R602 R603 R604 R605 R606 R608 R609 R610 R611 R612 R613 R614 R615 LCD1 S602 S603 S604 S605 S606 S607 S608 S609 S610 S611 S612 S613 S614 S616 S617 C601 C602 C603 C611 R620 R621 C621 C622 C681 C682 D641 D642 D643 D645 D646 EN601 IC601 IC602 J601 R607 R693 C612 R623 R629 R631 R633 R635 R637 R639 R640 R694 R642 R645 R647 R649 R651 R652 R653 R654 R655 R656 R658 R659 R660 R661 R680 R681 R691 R692 R624 CN601 R625 C613 Q640 Q641 R671 R673 R674 S615 R663 R665 C604 C605 R667 D655 R622 D656 D654 C620 R641 R643 R686 R687 R688 R626 R685 R672 w w w . x i a o y u 1 6 3 . c o m Q Q 3 7 6 3 1 5 1 5 0 9 9 2 8 9 4 2 9 8 T E L 1 3 9 4 2 2 9 6 5 1 3 9 9 2 8 9 4 2 9 8 0 5 1 5 1 3 6 7 3 Q Q TEL 13942296513 QQ 376315150 892498299 TEL 13942296513 QQ 376315150 892498299 http://www.xiaoyu163.com “ 无奇不有” 电路图网 ht t p: //www. xi aoyu163. com 2-7 Function board Lead free solder used in the board (material : Sn-Ag-Cu, melting point : 219 Centigrade) Lead free solder used in the board (material : Sn-Cu, melting point : 230 Centigrade) DVD board Lead free solder used in the board (material : Sn-Ag-Cu, melting point : 219 Centigrade) Lead free solder used in the board (material : Sn-Cu, melting point : 230 Centigrade) CN742 D2441 D2442 S2441 D2443 CN741 R2441 R2442 R2443 R2444 R2445 R2446 R2447 K102 R207 R77 Q102 R58 Q104 R62 R61 R57 R65 R56 Q101 Q103 R117 C22 R59 R269 R63 R71 R70 R60 R68 R208 R209 R64 R171 IC481 C177 C95 R145 C96 C97 C98 X351 C82 K103 C81 R267 R268 C178 R138 R144 R146 C120 R129 R164 R131 R132 C76 C77 R133 C78 C79 R178 R177 R183 C110 IC398 R214 R212 C134 Q301 IC399 K113 C130 C131 C137 C20 C94 R143 C60 C132 R170 C19 R265 R184 C111 K138 K108 R168 R165 TH491 R163 R151 R150 R211 C133 C129 C63 C65 R203 R152 R204 R169 R180 C126 Q302 C127 C128 K109 K110 C179 C25 C26 IC307 R113 R112 R111 R51 C48 R36 R37 D1 D2 K121 R52 R53 Q11 R231 IC501 IC502 K141 K142 C138 C139 C135 C136 C166 R232 R247 C151 C163 R262 R250 C185 R299 R259 C160 C155 C191 C182 R241 R272 C142 C194 R256 R293 R253 R287 R296 R275 C172 R235 IC410 R238 C188 R278 C169 C157 R284 R290 R281 R244 C154 K112 K111 R149 D12 R229 K12 L302 C201 R359 C200 C195 D13 C197 R310 R311 R233 Q2 C198 R316 C207 R319 R320 R323 C210 C162 R221 R328 R350 R351 R358 R176 R360 R361 R362 R364 C216 C218 C219 R367 R368 C220 R371 C175 R375 R376 R380 R383 R384 R385 C225 R302 C228 C229 C150 R391 C232 D6 R396 R397 R305 C235 R34 R402 R403 R404 R410 D7 R411 R416 R419 R422 D8 R148 R179 R181 R142 R124 R192 R191 C106 C108 C123 C124 C107 R98 R99 R101 C152 R102 R301 C153 R199 R392 R116 Q303 R200 R202 R159 S1 R218 R224 R222 R121 R123 R372 R92 R330 R22 R306 R225 R195 K101 R161 C23 TP318 R67 CN402 R128 ACC5V R72 R69 IC302 C115 C73 R210 AGND_1 TP319 C68 C71 EPDIO R73 RF- RF+ R160 R153 C72 R206 C1 CLD+ C92 R35 C47 C91 CLD- C50 C69 R76 C17 C21 R118 C93 C70 R46 C84 C83 TP13 C86 C85 C87 C89 C90 R157 C75 R155 R154 C99 TP316 C67 R139 R140 R141 R136 R162 TP317 C74 C66 C58 TP22 C100 C116 R119 C118 C117 TP325 R137 C101 C80 R134 C51 CN2 C102 NEXWE DLD+ DLD- CLKO C18 R196 R197 R198 R54 R55 R94 R93 C31 C32 TP9 TP7 TP6 TP5 TP4 TP3 TP2 TP1 TP10 TP11 TP12 TP21 TP14 TP15 TP20 TP16 TP17 TP18 TP19 TP8 TUBUYAKI R130 K115 VHALF K114 K117 K118 K119 K120 K132 K133 K134 K124 K137 CN401 R147 C2 C3 R167 R166 IC3 TX SCS U2SDT S2UDT CPURST LRMUTE SW3_ SW4_ DAC1 DAC2 DAC3 DGND1 DAC4 DAC5 A9V R227 S5V R228 D5V M5V M8V MGND CENTER EPSK C4 C5 C6 R172 C7 C8 C9 C12 C11 C13 C14 R190 R189 R173 C119 R33 R31 R127 IC304 C125 R201 R205 R182 R21 R135 R23 R25 CN403 USBCLK IC308 EPCS R79 Q106 Q107 K131 C88 C159 K104 K105 R50 C15 C16 C156 K107 K106 D- D2V_1 C158 L303 C161 X354 X353 R156 AOUT0 C148 R226 DCLK0 R223 LRCLK0 R220 C145 BCK0 IC400 R217 DDATA0 Q105 R47 DDATA TP309 TSUBUYAKI_SEL R174 C24 R48 R49 C176 SCLK SACK UCS DGND_6 DGND_7 F-RCH K126 K127 K128 K136 K135 REAR_LCH REAR_RCH S3.3V_ F_LCH A5V K9 TP105 Q8 TP108 DP R27 R28 R29 Q9 ADOUT3 S3.3V MONI0 R307 MONI1 MONI2 MONI4 MONI5 MONI6 MONI7 WP CD DATA1 DATA0 CLK CMD DATA3 DATA2 PRTOUT USBNEN C196 R103 R264 TP58 TP59 TP60 R309 R312 R313 R314 R315 IC1 C199 C205 R317 C206 R318 C208 C170 R321 WOOFER K10 R324 TP61 R325 TP62 TP63 TP64 C211 C164 TP66 TP67 R329 TP68 TP69 Q4 TP71 R352 TP72 TP106 C226 R355 R357 TP73 C140 C141 P3.3V C214 C215 CN1 C234 C217 R365 TP75 R366 Q6 R369 C144 C146 C222 C223 C147 TP76 R378 R379 TP77 R381 R382 Q7 R386 R387 TP78 D1.2V R388 TP79 C149 C227 TP80 TP81 TP107 R393 R394 TP82 R399 C233 TP320 R400 TP84 C143 TP87 TP88 R405 TP89 R406 IC4 R408 C236 TP91 C237 C238 R412 R413 IC5 TP92 C239 K7 TP94 C240 K8 TP97 C241 R417 R418 R420 R421 R423 TP98 IC301 C103 C224 C104 R95 R96 R97 K139 R158 CN101 K2 K3 K4 C174 C173 C105 R187 R188 TP85 R100 TUBUYAKI2 FIN FOUT TIN TOUT K6 R110 R125 C109 R115 C112 C113 C167 C114 C231 TP101 RFVCC RFGND C230 C168 R216 R215 SW1__ SW2_ SW1_ R213 R219 C121 C122 R107 R120 SW_GND SW1_PAD SW2_PAD SW3_PAD R82 LPFSEL/ACT 2 G 3 1 D11 D10 D9 forward side forward side reverse side reverse side www. xiaoyu163. com QQ 376315150 9 9 2 8 9 4 2 9 8 TEL 13942296513 9 9 2 8 9 4 2 9 8 0 5 1 5 1 3 6 7 3 Q Q TEL 13942296513 QQ 376315150 892498299 TEL 13942296513 QQ 376315150 892498299 http://www.xiaoyu163.com “ 无奇不有” 电路图网 ht t p: //www. xi aoyu163. com (No.MA391SCH) Printed in Japan VPT Mobile Entertainment Business Group Mobile Entertainment Category 10-1,1chome,Ohwatari-machi,Maebashi-city,Gumma-ken,371-8543,Japan Victor Company of Japan, Limited www. xiaoyu163. com QQ 376315150 9 9 2 8 9 4 2 9 8 TEL 13942296513 9 9 2 8 9 4 2 9 8 0 5 1 5 1 3 6 7 3 Q Q TEL 13942296513 QQ 376315150 892498299 TEL 13942296513 QQ 376315150 892498299 http://www.xiaoyu163.com “ 无奇不有” 电路图网 ht t p: //www. xi aoyu163. com

标签:

版权声明

1. 本站所有素材,仅限学习交流,仅展示部分内容,如需查看完整内容,请下载原文件。
2. 会员在本站下载的所有素材,只拥有使用权,著作权归原作者所有。
3. 所有素材,未经合法授权,请勿用于商业用途,会员不得以任何形式发布、传播、复制、转售该素材,否则一律封号处理。
4. 如果素材损害你的权益请联系客服QQ:77594475 处理。