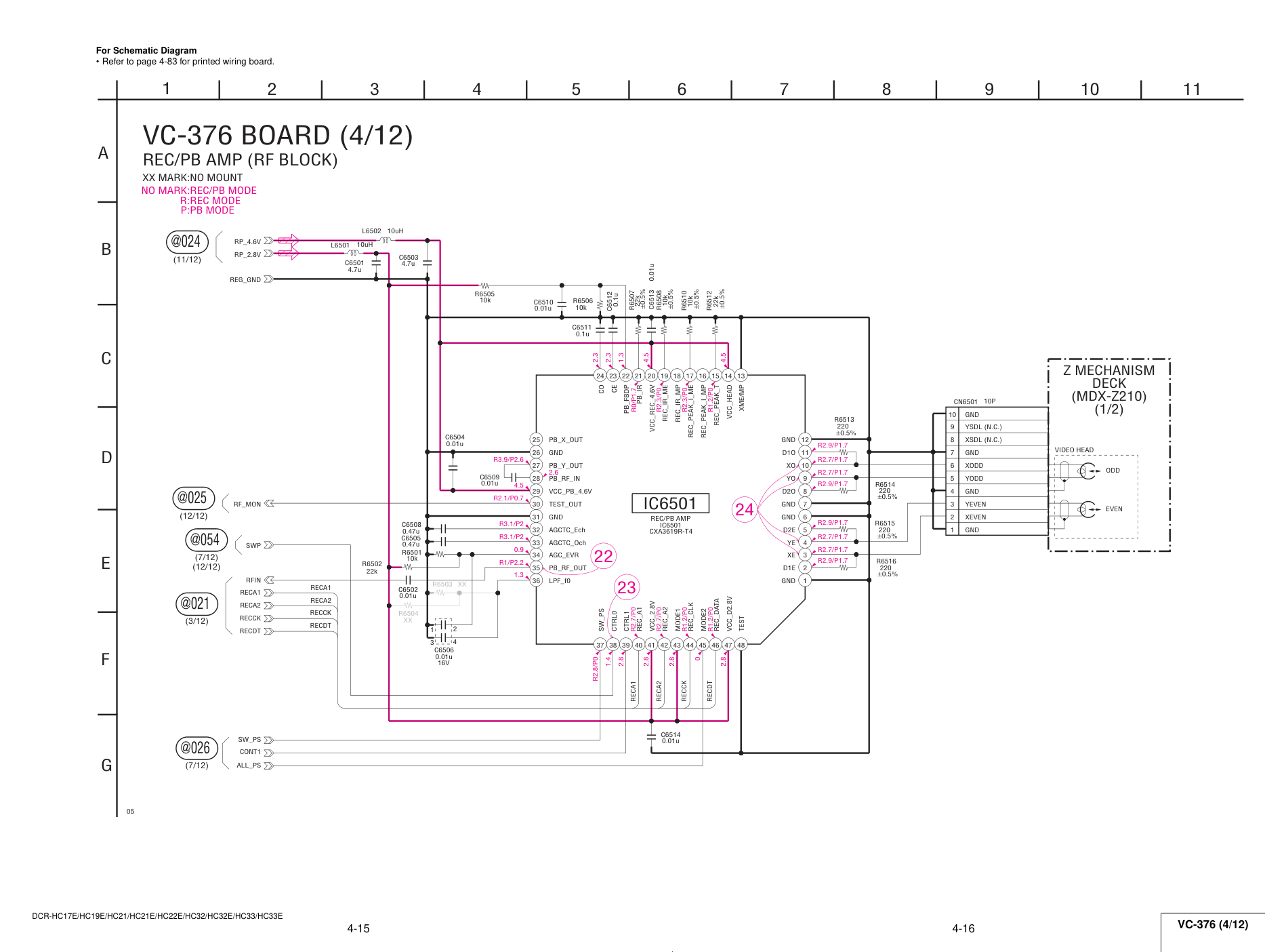
索尼DCR-HC32E摄像机电路原理图

分类:电子电工 日期: 点击:0
索尼DCR-HC32E摄像机电路原理图-0 索尼DCR-HC32E摄像机电路原理图-1 索尼DCR-HC32E摄像机电路原理图-2 索尼DCR-HC32E摄像机电路原理图-3 索尼DCR-HC32E摄像机电路原理图-4 索尼DCR-HC32E摄像机电路原理图-5 索尼DCR-HC32E摄像机电路原理图-6 索尼DCR-HC32E摄像机电路原理图-7 索尼DCR-HC32E摄像机电路原理图-8 索尼DCR-HC32E摄像机电路原理图-9

SERVICE MANUAL LEVEL 3 Link FRAME SCHEMATIC DIAGRAM FRAME SCHEMATIC DIAGRAM Link Revision History Revision History How to use Acrobat Reader How to use Acrobat Reader Sony EMCS Co. 2005A0500-1 © 2005.1 Published by DI Technical Support Section 9-876-782-11 DCR-HC17E/HC19E/HC21/HC21E/HC22E/HC32/HC32E/HC33/HC33E PRINTED WIRING BOARD REPAIR PARTS LIST SCHEMATIC DIAGRAMS PRINTED WIRING BOARD REPAIR PARTS LIST SCHEMATIC DIAGRAMS PRINTED WIRING BOARD REPAIR PARTS LIST SCHEMATIC DIAGRAMS PRINTED WIRING BOARD REPAIR PARTS LIST SCHEMATIC DIAGRAMS For NON MS model For NON MS model For MS model For MS model Ver 1.0 2005.01 Z MECHANISM (MDX-Z210) DIGITAL VIDEO CAMERA RECORDER The information that is not described in this Service Manual is described in the LEVEL 2 Service Manual. When repairing, use this manual together with LEVEL 2 Service Manual. NON MS model: DCR-HC17E/HC19E/HC21/HC21E/HC22E MS model: DCR-HC32/HC32E/HC33/HC33E • For ADJUSTMENTS (SECTION 6), refer to SERVICE MANUAL, ADJ (9-876-782-51). • For INSTRUCTION MANUAL, refer to SERVICE MANUAL, LEVEL 1 (9-876-782-41). • Reference No. search on printed wiring boards is available. DCR-HC17E/HC19E/HC21/HC21E/HC22E/ HC32/HC32E/HC33/HC33E RMT-830/831 DCR-HC21/HC32 US Model Canadian Model Korea Model DCR-HC17E/HC19E/HC22E/HC32E AEP Model East European Model North European Model DCR-HC19E/HC22E/HC32E UK Model DCR-HC21/HC21E/HC32/HC32E E Model DCR-HC21E/HC32E Australian Model Hong Kong Model DCR-HC21/HC33 Brazilian Model DCR-HC21E/HC33E Chinese Model DCR-HC32/HC32E Tourist Model Photo: DCR-HC32 — 2 — DCR-HC17E/HC19E/HC21/HC21E/HC22E/HC32/HC32E/HC33/HC33E TABLE OF CONTENTS 4. PRINTED WIRING BOARDS AND SCHEMATIC DIAGRAMS 4-1. Frame Schematic Diagram ··············································4-1 NON MS model 4-2. Schematic Diagrams ························································4-5 VC-376 (1/12) (A/D CONVERTER, TIMING GENERATOR)··············4-9 VC-376 (2/12) (LENS DRIVE, EVR) ··························4-11 VC-376 (3/12) (DV SIGNAL PROCESS, DV INTERFACE) ···············4-13 VC-376 (4/12) (REC/PB AMP) ····································4-15 VC-376 (5/12) (VIDEO OUT, AUDIO I/O)··················4-17 VC-376 (6/12) (EVF DRIVE) ·······································4-19 VC-376 (7/12) (CAMERA/MECHA CONTROL) ·······4-21 VC-376 (8/12) (SERVO) ···············································4-23 VC-376 (9/12) (HI CONTROL) ····································4-25 VC-376 (10/12) (DC IN) ···············································4-27 VC-376 (11/12) (DC/DC CONVERTER) ·····················4-29 VC-376 (12/12) (CONNECTOR) ·································4-31 4-3. Printed Wiring Boards ···················································4-79 VC-376 ··········································································4-83 4-4. Waveforms ···································································4-102 4-5. Mounted Parts Location ··············································4-113 5. REPAIR PARTS LIST 5-2. Electrical Parts List ·······················································5-15 Section Title Page MS model 4-2. Schematic Diagrams ························································4-5 VC-377 (1/16) (A/D CONVERTER, TIMING GENERATOR)············4-33 VC-377 (2/16) (LENS DRIVE) ····································4-35 VC-377 (3/16) (VIDEO/AUDIO DSP) ·························4-37 VC-377 (4/16) (DS/HI CONTROL) ·····························4-39 VC-377 (5/16) (FLASH, SDRAM) ·······························4-41 VC-377 (6/16) (DV SIGNAL PROCESS) ····················4-43 VC-377 (7/16) (DV INTERFACE) ·······························4-45 VC-377 (8/16) (REC/PB AMP) ····································4-47 VC-377 (9/16) (VIDEO, AUDIO I/O) ··························4-49 VC-377 (10/16) (EVF DRIVE) ·····································4-51 VC-377 (11/16) (CAMERA/MECHA CONTROL) ·····4-53 VC-377 (12/16) (SERVO) ·············································4-55 VC-377 (13/16) (HI CONTROL) ··································4-57 VC-377 (14/16) (DC IN) ···············································4-59 VC-377 (15/16) (DC/DC CONVERTER) ·····················4-61 VC-377 (16/16) (CONNECTOR) ·································4-63 4-3. Printed Wiring Boards ···················································4-79 VC-377 ··········································································4-87 4-4. Waveforms ···································································4-107 4-5. Mounted Parts Location ··············································4-115 5. REPAIR PARTS LIST 5-2. Electrical Parts List ·······················································5-21 Section Title Page DCR-HC17E/HC19E/HC21/HC21E/HC22E/HC32/HC32E/HC33/HC33E NON MS model: DCR-HC17E/HC19E/HC21/HC21E/HC22E MS model: DCR-HC32/HC32E/HC33/HC33E NON CRADLE model: DCR-HC17E/HC19E/HC21/HC21E CRADLE model: DCR-HC22E/HC32/HC32E/HC33/HC33E NON MS model MS model NON CRADLE model MS model CRADLE model NON MS model MS model HC17E/HC19E HC21/HC21E : NON MS model : MS model : NON MS model : MS model : NON MS model : MS model : NON MS model Note1: NON MS model is no connection : MS model : NON MS model : MS model : NON MS model : MS model : NON MS model : MS model : NON MS model : MS model : NON MS model : MS model (Note1) (Note1) Note2: CRADLE model is no connection Note3: NON MS model is no connection (Note3) (Note2) (Note2) (Note2) (Note2) (Note2) (Note2) (Note2) (Note2) (Note2) (Note2) (Note2) (Note2) (Note2) (Note2) (Note3) (Note3) (Note3) (Note3) (Note3) (Note3) (Note3) (Note3) (Note3) (Note3) (Note3) (Note3) (Note3) : NON MS model : MS model : NON MS model : MS model 4P CN601 1 2 3 4 10P CN503 2P CN502 1 2 16P 1 2 3 4 5 6 7 8 9 10 11 12 13 14 15 16 16P CN101 1 2 3 4 5 6 7 8 9 10 11 12 13 14 15 16 27P 1 2 3 4 5 6 7 8 9 10 11 12 13 14 15 16 17 18 19 20 21 22 23 24 25 26 27 27P 1 2 3 4 5 6 7 8 9 10 11 12 13 14 15 16 17 18 19 20 21 22 23 24 25 26 27 CN701 10P 1 2 3 4 5 6 7 8 9 10 CN702 5P 1 2 3 4 5 4P CN703 1 2 3 4 14P CN501 1 2 3 4 5 6 7 8 9 10 11 12 13 14 23P 1 2 3 4 5 6 7 8 9 10 11 12 13 14 15 16 17 18 19 20 21 22 23 CN301 20P 1 2 3 4 5 6 7 8 9 10 11 12 13 14 15 16 17 18 19 20 21P CN302 1 2 3 4 5 6 7 8 9 10 11 12 13 14 15 16 17 18 19 20 21 30P CN2001 1 2 3 4 5 6 7 8 9 10 11 12 13 14 15 16 17 18 19 20 21 22 23 24 25 26 27 28 29 30 24P CN1006 1 2 3 4 5 6 7 8 9 10 11 12 13 14 15 16 17 18 19 20 21 22 23 24 24P CN601 1 2 3 4 5 6 7 8 9 10 11 12 13 14 15 16 17 18 19 20 21 22 23 24 6P CN608 6P CN603 2 3 4 5 6 24P CN605 1 2 3 4 5 6 7 8 9 10 11 12 13 14 15 16 17 18 19 20 21 22 23 24 6P CN602 6P CN609 51P CN1003 1 2 3 4 5 6 7 8 9 10 11 12 13 14 15 16 17 18 19 20 21 22 23 24 25 26 27 28 29 30 31 32 33 34 35 36 37 38 39 40 41 42 43 44 45 46 47 48 49 50 51 51P CN001 1 2 3 4 5 6 7 8 9 10 11 12 13 14 15 16 17 18 19 20 21 22 23 24 25 26 27 28 29 30 31 32 33 34 35 36 37 38 39 40 41 42 43 44 45 46 47 48 49 50 51 CN002 (MULTI CONNECTOR) TO CRAGLE UNIT 1 3 5 7 9 11 13 19 17 15 21 23 25 27 29 31 33 35 37 39 41 2 4 6 8 10 12 14 16 18 20 22 24 26 28 30 32 34 36 38 40 42 18P CN1004 1 2 3 4 5 6 7 8 9 10 11 12 13 14 15 16 17 18 18P CN603 1 2 3 4 5 6 7 8 9 10 11 12 13 14 15 16 17 18 27P 1 2 3 4 5 6 7 8 9 10 11 12 13 14 15 16 17 18 19 20 21 22 23 24 25 26 27 45P CN1008 1 2 3 4 5 6 7 8 9 10 11 12 13 14 15 16 17 18 19 20 21 22 23 24 25 26 27 28 29 30 31 32 33 34 35 36 37 38 39 40 41 42 43 44 45 14P CN1001 1 2 3 4 5 6 7 8 9 10 11 12 13 14 8P CN1002 1 2 3 4 5 6 7 8 26P CN704 1 2 3 4 5 6 7 8 9 10 11 12 13 14 15 16 17 18 19 20 21 22 23 24 25 26 8P CN1007 1 2 3 4 5 6 7 8 1 A INT_MIC_L INT_MIC_R GND GND SCLK DIO INS N.C. BS GND N.C. VCC N.C. GND SP+ SP- FP-178 FLEXIBLE FFC-038 FLEXIBLE FP-182 FLEXIBLE LB-109 FP-190 FLEXIBLE H2 V4 V_DRAIN V2 GND GND CCD_OUT GND H1 V1 GND RG VSHT VL V3 VH V_DRAIN V2 H2 GND CCD_OUT VL VH V4 VSHT V1 H1 GND GND GND V3 RG SREEL+ TAPE_TOP CHIME_SCK HALL_VCC LM_UNLOAD TREEL+ XREC_PROOF XMODE_SW_C XCCDOWN_SW TREEL- SW_COM/SW_GND TAPE_LED_A SREEL- TAPE_END HALL_GND TOP/END_GND DEW+ LM_LOAD XMODE_SW_A CHIME_VDD XMODE_SW_B TAPE_LED_K CHIME_SDA DEW- MIC/REC_SW_GND LM_UNLOAD LM_LOAD CAP_U CAP_U HE_VCC CAP_W UHE- UHE+ WHE+ CAP_V CAP_W CAP_V CAP_U VHE+ CAP_W CAP_W CAP_V FG2 FG1 WHE- HE_GND CAP_V VHE- CAP_U FG_VCC FG_GND FG_GND FG_VCC N.C. N.C(LANC_DC) S_Y AUDIO L VIDEO/AUDIO_GND S_GND N.C(LANC_SIG) S_C AUDIO_R VIDEO_IN/OUT JACK_AD D- USB_GND VCC D+ ID NTPA TPB NTPB TPA MS_DIO SP- MS_BS MS_VCC MS_INSERT REG_GND MS_SCLK D_2.8V REG_GND XACCESS_LED LI_3V XRESET REG_GND SP+ COM CS HCK2 REF HST VST N.C. RGT VCK BLK STB VSSG VSS VB HCK1 PSIG VG PCG EN VR VDD BATT_UNREG BATT_SIG ACV_UNREG ACV_GND BATT_UNREG N.C. ACV_UNREG ACV_GND N.C. BATT_GND ACV_UNREG ACV_GND ACV_GND BATT_GND BATT_UNREG BATT_UNREG N.C. ACV_GND N.C. BATT_GND ACV_UNREG BATT_UNREG ACV_UNREG BATT/XEXT ACV_UNREG BATT_GND BATT_UNREG BATT_GND BATT_GND ACV_GND N.C. TP_BOT TP_TOP TP_L TP_R AUDIO_R_I/O USB_D- REG_GND ACV_GND REG_GND ACV_UNREG ACV_GND NTPA REG_GND TPA ACV_UNREG ACV_UNREG ACV_GND ACV_UNREG ACV_GND TPB N.C REG_GND ACV_UNREG MULTI_JACK_IN ACV_UNREG S_C_I/O ACV_UNREG S_Y_I/O NTPB BATT/XEXT LANC_DC REG_GND REG_GND ACV_GND ACV_GND REG_GND N.C USB_DET USB_D+ ACV_GND VIDEO_I/O REG_GND ACV_UNREG ACV_GND ACV_UNREG ACV_GND AUDIO_L_I/O ACV_GND N.C ACV_UNREG REG_GND N.C LANC_SIG XCRADLE_IN REG_GND REG_GND S_Y_I/O ACV_GND TPB LANC_SIG ACV_GND NTPA N.C. ACV_GND ACV_GND VIDEO_I/O REG_GND ACV_GND ACV_UNREG ACV_UNREG N.C. ACV_GND ACV_UNREG N.C. USB_DET REG_GND AUDIO_L_I/O ACV_GND REG_GND USB_D+ ACV_GND ACV_UNREG USB_D- REG_GND TPA ACV_GND ACV_UNREG REG_GND XCRADLE_IN REG_GND ACV_UNREG LANC_DC BATT/XEXT NTPB ACV_UNREG REG_GND ACV_UNREG REG_GND ACV_UNREG MULTI_JACK_IN AUDIO_R_I/O N.C. REG_GND ACV_UNREG ACV_GND S_C_I/O S_JACK_IN (N.C.) LANC_DC ACV_GND N.C. N.C. XLANC_JACK_IN (N.C.) ACV_UNREG ACV_UNREG S_C_I/O USB_DET/VBUS N.C. REG_GND ACV_UNREG NTPB VIDEO_I/O USB_GND N.C. USB_D+ REG_GND ACV_GND USB_GND S_Y_I/O AUDIO_R_I/O ACV_GND NTPA USB_GND REG_GND ACV_GND USB_ID (N.C.) ACV_UNREG TPA AUDIO_L_I/O LANC_SIG BATT/XEXT MULTI_JACK_IN TPB USB_GND USB_DET/VBUS XCRADLE_IN N.C. USB_D- REG_GND FC_XB FC_A ZM_B GND I_HALL(+) FC_B FC_XA GND ZM_SENS_OUT FC_SENS_OUT ZM_A LENS_DETE I_DRIVE(+) THERMO_OUT I_HALL(-) FC_SENS_Vcc I_BIAS(+) GND GND GND ZM_XB I_DRIVE(-) ZM_XA I_BIAS(-) NightShot_Vcc ZM_SENS_Vcc GND LI_3V REG_GND REG_GND XLANC_JACK_IN REG_GND N.C. REG_GND REG_GND MULTI_JACK_IN XRESET REG_GND VIDEO_I/O REG_GND LANC_DC REG_GND AUDIO_L_I/O REG_GND S_Y MS_DIO D_2.8V REG_GND SP- N.C. LANC_SIG REG_GND REG_GND N.C. XACCESS_LED MS_BS SP+ AUDIO_R_I/O S_C N.C. REG_GND MS_INSERT REG_GND KEY_AD3 BATT_INFO REG_GND XCHARGE_LED XEASY_LED EASY_LED_VDD REG_GND MULTI_JACK_IN REG_GND REG_GND REG_GND S_C AUDIO_R_I/O S_Y REG_GND TPB LANC_SIG LANC_DC AUDIO_L_I/O REG_GND TPA NTPB XLANC_JACK_IN REG_GND VIDEO_I/O NTPA REG_GND REG_GND USB_D- USB_DET REG_GND REG_GND USB_D+ SWP GND EEP_SI EEP_SCK RF_MON EEP_SO XCS_EEP GND LENS BLOCK CD-533 BOARD MICROPHONE UNIT MIC901 L R SI-042 BOARD CR-050 BOARD JK-278 BOARD (JACK) (USB) STICK MEMORY DUO SP901 SPEAKER MS-249 BOARD COLOR LCD UNIT 2.5 INCH PANEL TOUCH BOARD FP-186 FLEXIBLE CONTROL KEY BLOCK (SB9000) BOARD FLEXIBLE FP-187 FP-185 FLEXIBLE D901 BACKLIGHT PD-237 BOARD DC IN (BATTERY TERMINAL) J001 BH001 FP-180 FLEXIBLE BOARD FLEXIBLE FP-181 (SS10300) CONTROL BLOCK KEY B/W LCD902 EVF UNIT H C 6 12 2 18 9 14 23 11 7 G 4 L M N O P 10 I 15 05 K 8 19 D F 17 B 13 21 E 16 22 5 J 3 20 CPC (FOR CHECK) VC-376 BOARD FRAME SCHEMATIC DIAGRAM 10P 1 2 3 4 5 6 7 8 9 10 10P 1 2 3 4 5 6 7 8 9 10 FG/PG_COM GND PG M_COM DRUM_W YEVEN GND XEVEN DRUM_U YSDL (N.C.) FG DRUM_V GND XSDL (N.C.) DRUM_U GND DRUM_W XODD YODD DRUM_V VIDEO HEAD (ODD,EVEN) M901 DRUM MOTOR MOTOR M903 CAPSTAN FLEXIBLE FP-826 BOARD M902 MOTOR LOADING FLEXIBLE BOARD FP-467 FLEXIBLE BOARD FP-228 Z MECHANISM DECK (MDX-Z210) 1 2 3 4 5 6 7 8 9 10 (MS CONNECTOR) (EVF, EVF BACKLIGHT) LCD DRIVE, BACKLIGHT DRIVE (CCD IMAGER) (CRADLE TERMINAL) (CONTROL SWITCH) (PANEL REVERSE DETECT) (DC IN) OUT A/V A/V (DV IN/OUT) (DV OUT) 1 2 3 4 5 6 1 BL_2.8V BL_H BL_L N.C BL_FB N.C N.C. LCD901 1 2 3 4 5 6 REG_GND N.C REG_GND 2ND_S/S_SW 2ND_ZOOM(W) 2ND_ZOOM(T) 2 3 4 5 6 1 N.C. N.C. REG_GND PANEL_REVERSE PANEL_REVERSE REG_GND CHARGE_LED_VDD REMOTE COMMANDER RECEIVER, PITCH/YAW SENSOR (LENS DRIVE, EVR) (A/D CONVERTER, TIMING GENERATOR) (DV SIGNAL PROCESS, DV INTERFACE) (REC/PB AMP) (VIDEO OUT, AUDIO I/O) (EVF DRIVE) (CAMERA/MECHA CONTROL) (SERVO) (HI CONTROL) (DC IN) (DC/DC CONVERTER) (CONNECTOR) (4/12) (8/12) (1/12) (3/12) (5/12) (6/12) (7/12) (2/12) VC-377 BOARD (LENS DRIVE) (A/D CONVERTER, TIMING GENERATOR) (1/16) (2/16) (9/12) (10/12) (11/12) (12/12) (4/16) (8/16) (3/16) (5/16) (6/16) (7/16) (9/16) (10/16) (11/16) (12/16) (13/16) (14/16) (15/16) (16/16) (VIDEO/AUDIO DSP) (DS/HI CONTROL) (FLASH, SDRAM) (DV SIGNAL PROCESS) (DV INTERFACE) (REC/PB AMP) (VIDEO, AUDIO I/O) (EVF DRIVE) (CAMERA/MECHA CONTROL) (SERVO) (HI CONTROL) (DC IN) (DC/DC CONVERTER) (CONNECTOR) 4 NS_2.8V D_2.8V PANEL_G PANEL_R PANEL_B REG_GND EP_4.6V BL_-15.5V VD_SCK TP_Y PANEL_HD BL_GND VD_SO TP_X REG_GND VD_SI PANEL_VD XCS_LCD REG_GND TP_SEL1 KEY_AD1 EP_8.5V EP_2.8V REG_GND REG_GND 4 PANEL_G PANEL_R PANEL_B REG_GND EP_4.6V BL_-15.5V VD_SCK TP_Y PANEL_HD BL_GND VD_SO TP_X REG_GND VD_SI PANEL_VD XCS_LCD REG_GND TP_SEL1 KEY_AD1 EP_8.5V EP_2.8V REG_GND REG_GND 4 COM CS VST VCK EN DWN VDD VSS N.C. VSSG XSTBY PCG HST REF TEST1 TEST2 HCK2 HCK1 WIDE PSIG G R B RGT PITCH_AD YAW_AD XF_TALLY_LED INT_MIC_L REG_GND MIC_GND XSHUTTER_OPEN A_4.6V REG_GND NS_LED_K INT_MIC_R MIC_GND A_2.8V NS_LED_A VST_C_RESET REG_GND SIRCS_SIG 3 PITCH_AD YAW_AD XF_TALLY_LED INT_MIC_L REG_GND MIC_GND XSHUTTER_OPEN A_4.6V REG_GND NS_LED_K INT_MIC_R MIC_GND A_2.8V NS_LED_A VST_C_RESET REG_GND SIRCS_SIG 3 3 NS_2.8V D_2.8V CN3101 CN3701 CN3002 CN3101 CN6501 CN4301 CN9001 CN6001 CN9002 CN6002 CN9003 CN6003 CN9301 CN7001 REG_GND D_2.8V MODE_LED_VDD 1 2 XCAM_LED ZOOM_VR KEY_AD2(PHOTO) REG_GND KEY_AD0(SS) XMODE_SW XPOWER_SW XEJECT_SW REG_GND 1 N.C. XVTR_LED 2 XVTR_LED. XMEM_LED REG_GND EVF_HST EVF_HCK1 EVF_VDD EVF_REF EVF_VB EP_4.6V EVF_PSIG COM_CS REG_GND EVF_VST EVF_VCK EVF_VG EVF_BLK EVF_EN EVF_STB EVF_VR LED_K EVF_HCK2 EVF_PCG REG_GND EVF_VB EVF_HST EVF_VDD REG_GND COM_CS EVF_PSIG LED_K EP_4.6V EVF_VG EVF_VR EVF_EN EVF_VST EVF_REF EVF_HCK2 EVF_PCG EVF_VCK EVF_STB EVF_HCK1 EVF_BLK REG_GND REG_GND REG_GND NTPA MS_VCC MS_SCLK TPA USB_D- USB_D+ NTPB TPB USB_DET 4-1 4-2 4-1. FRAME SCHEMATIC DIAGRAM FRAME 4. PRINTED WIRING BOARDS AND SCHEMATIC DIAGRAMS DCR-HC17E/HC19E/HC21/HC21E/HC22E/HC32/HC32E/HC33/HC33E VC-376 BOARD (4/12) (REC/PB AMP) VC-376 BOARD (8/12) (SERVO) VC-376 BOARD (6/12) (EVF DRIVE) VC-376 BOARD (7/12) (CAMERA/MECHA CONTROL) VC-376 BOARD (12/12) (CONNECTOR) VC-376 BOARD (2/12) (LENS DRIVE, EVR) VC-376 BOARD (1/12) (A/D CONVERTER, TIMING GENERATOR) VC-376 BOARD (3/12) (DV SIGNAL PROCESS, DV INTERFACE) VC-376 BOARD (5/12) (VIDEO OUT, AUDIO I/O) VC-376 BOARD (9/12) (HI CONTROL) VC-376 BOARD (10/12) (DC IN) VC-376 BOARD (11/12) (DC/DC CONVERTER) VC-376 BOARD (4/12) (REC/PB AMP) VC-376 BOARD (8/12) (SERVO) VC-376 BOARD (6/12) (EVF DRIVE) VC-376 BOARD (7/12) (CAMERA/MECHA CONTROL) VC-376 BOARD (12/12) (CONNECTOR) VC-376 BOARD (2/12) (LENS DRIVE, EVR) VC-376 BOARD (1/12) (A/D CONVERTER, TIMING GENERATOR) VC-376 BOARD (3/12) (DV SIGNAL PROCESS, DV INTERFACE) VC-376 BOARD (5/12) (VIDEO OUT, AUDIO I/O) VC-376 BOARD (9/12) (HI CONTROL) VC-376 BOARD (10/12) (DC IN) VC-376 BOARD (11/12) (DC/DC CONVERTER) Link Link 4-2. SCHEMATIC DIAGRAMS WAVEFORMS COMMON NOTE FOR SCHEMATIC DIAGRAMS WAVEFORMS COMMON NOTE FOR SCHEMATIC DIAGRAMS 4-5 DCR-HC17E/HC19E/HC21/HC21E/HC22E/HC32/HC32E/HC33/HC33E 4-2. SCHEMATIC DIAGRAMS 4-2. SCHEMATIC DIAGRAMS 1. Connection 2. Adjust the distance so that the output waveform of Fig. a and the Fig. b can be obtain. When indicating parts by reference number, please include the board name. 4-2. SCHEMATIC DIAGRAMS (For schematic diagrams) • All capacitors are in µF unless otherwise noted. pF : µ µF. 50 V or less are not indicated except for electrolytics and tantalums. • Chip resistors are 1/10 W unless otherwise noted. kΩ=1000 Ω, MΩ=1000 kΩ. • Caution when replacing chip parts. New parts must be attached after removal of chip. Be careful not to heat the minus side of tantalum capacitor, Because it is damaged by the heat. • Some chip part will be indicated as follows. Example C541 L452 22U 10UH TA A 2520 • Constants of resistors, capacitors, ICs and etc with XX indicate that they are not used. In such cases, the unused circuits may be indicated. • Parts with ★ differ according to the model/destination. Refer to the mount table for each function. • All variable and adjustable resistors have characteristic curve B, unless otherwise noted. • Signal name XEDIT → EDIT PB/XREC → PB/REC • 2: non flammable resistor • 5: fusible resistor • C: panel designation • A: B+ Line • B: B– Line • J : IN/OUT direction of (+,–) B LINE. • C: adjustment for repair. • A: not use circuit • Circled numbers refer to waveforms. (Measuring conditions voltage and waveform) • Voltages and waveforms are measured between the measurement points and ground when camera shoots color bar chart of pattern box. They are reference values and reference waveforms. (VOM of DC 10 MΩ input impedance is used) • Voltage values change depending upon input impedance of VOM used.) Kinds of capacitor Case size External dimensions (mm) Yellow A A B B A=B Fig. a (Video output terminal output waveform) H Cyan Green White Magenta Red Blue Fig.b (Picture on monitor TV) CRT picture frame Electronic beam scanning frame THIS NOTE IS COMMON FOR SCHEMATIC DIAGRAMS (In addition to this, the necessary note is printed in each block) Front of the lens L Pattern box L = About 1m (PTB-450) L = About 40cm (PTB-1450) Pattern box Pattern box PTB-450 J-6082-200-A or Small pattern box PTB-1450 J-6082-557-A Color bar chart For PTB-450: J-6020-250-A For PTB-1450: J-6082-559-A Precautions for Replacement of CCD Imager • The CD-533 board mounted as a repair part is not equipped with a CCD imager. When replacing this board, remove the CCD imager from the old one and mount it onto the new one. • If the CCD imager has been replaced, carry out all the adjustments for the camera section. • As the CCD imager may be damaged by static electricity from its structure, handle it carefully like for the MOS IC. In addition, ensure that the receiver is not covered with dusts nor exposed to strong light. The components identified by mark 0 or dotted line with mark 0 are critical for safety. Replace only with part number specified. Les composants identifiés par une marque 0 sont critiques pour la sécurité. Ne les remplacer que par une pièce portant le numéro spécifie. DCR-HC17E/HC19E/HC21/HC21E/HC22E/HC32/HC32E/HC33/HC33E For Schematic Diagram • Refer to page 4-83 for printed wiring board. 4-9 4-10 VC-376 (1/12) XX C3011 XX C3010 R3004 XX R3012 XX XX R3013 XX R3014 NO MARK:REC/PB MODE 11 1 2 3 4 5 6 7 8 9 10 R:REC MODE P:PB MODE 2.7 R1.7/P0 R0.2/P2.7 2.6 0 2.8 2.8 2.5 R2.7/P0 R1.3/P0 2.7 1.6 1.1 2.8 1.2 1.5 1.2 R2.2/P0 R2.7/P0 R2.8/P0 0 R1.7/P0 R0.4/P0 2.7 R1.6/P0 2.8 2.8 0 2.7 2.8 2.8 1.3 1.8 1.5 1.6 2.8 2.8 R2.2/P0 2.7 R1.7/P0 R1.7/P0 R2.7/P0 2.8 2.8 R1/P0 0 0 R0.8/P0 R1.1/P0 R1/P0 R1/P0 R1/P0 R1.1/P0 R1.1/P0 R1.1/P0 R1.5/P0 R0.9/P0 2.8 R1.4/P0 R-0.3/P0 R14.7/P0 R-7/P0 R-7/P0 R-7.4/P0.3 R-7.4 /P0.3 R2.7/P0 2.5 0 R-0.3/P0 2.7 AD0 XCS_TG AD9 FB3004 0uH 1u C3020 0.1u C3013 C3004 68p CAM_SCK 0.22u C3002 2.2u 16V C3005 0.1u C3019 0.33u C3016 AD1 CAM_SI 0.1u C3023 AD6 VSP995PTR IC3002 1 DVSS 2 D0 3 D1 4 D2 5 D3 6 D4 7 D5 8 D6 9 D7 10 D8 11 D9 12 DVSS 13 DRVDD 14 DRVSS 15 DVSS 16 ADCLK 17 DVDD 18 DVDD 19 PBLK 20 CLPOB 21 XSHP 22 XSHD 23 CLPDM 24 AVDD 25 AVSS 26 AVSS 27 AVDD 28 L1+ 29 L2+ 30 CCD_IN 31 CCD_GND 32 L 33 AVDD 34 LINE 35 AVSS 36 CHROMA 37 CMLEVEL 38 REFP 39 REFN 40 AVDD 41 AVSS 42 AVSS 43 RSTB 44 LATCHSELECT 45 SYSV 46 XCE 47 SI 48 XSCK CH_SO CAM_DD_ON CAM_15V CAM_SO C3014 0.01u 36MHz X3001 C3003 68p 47 R3005 D_2.8V C3024 4V 22u TG_ID R3007 470k 0.1u C3012 AD4 REG_GND AD5 100k R3001 AD3 AD7 TG_ZSG1 1SV329(TPL3) D3001 1u C3007 0.1u C3022 CAM_-7.5V TG_VGAT CH_SCK 0.01u C3001 C3008 1u L3001 10uH TG_ZV1 VCK C3009 0.01u AD2 CXD2444AR-T4 IC3001 1 CLPDM 2 PBLK 3 VSS1 4 OSCI 5 OSCO 6 VSS2 7 CK 8 TEST 9 CHCK 10 VDD1 11 SYSCK 12 VICK(CL) 13 VDD2 14 VSS3 15 XSHP 16 XSHD 17 XRS 18 RG 19 VDD3 20 VDD4 21 H1 22 H2 23 VSS4 24 NC 25 V2 26 V1 27 VH 28 V3 29 VL 30 VM 31 V4 32 NC 33 XSHT 34 XSG1 35 SSO 36 VGAT 37 SSK 38 SSI 39 SEN 40 RST 41 XV1 42 DSGAT 43 VDD5 44 AHD 45 AVD 46 CKCONT2 47 CKCONT1 48 ID XRST_VTR CS_CH AD8 4.7u C3006 TG_AVD A_2.8V FE_CLPOB TG_AHD 0.1u C3021 FB3003 0uH FREQ_AMPOUT CL3001 0.1u C3026 FB3005 16P CN3002 1 2 3 4 5 6 7 8 9 10 11 12 13 14 15 16 1 A XRST_VTR AD2 XSHP AD3 AD4 XCS_TG CAM_SO V3 AD4 CAM_SO AD3 AD2 AD8 CH_SCK CH_SO AD7 CS_CH V2 AD6 CH_SCK XRST_VTR XSHD V1 XCS_TG VSHT AD5 XSHP CAM_SI V4 AD5 AD6 CAM_SI XSHD AD7 CH_SO AD8 AD9 AD9 AD1 CAM_SCK CAM_SCK AD0 AD0 CS_CH AD1 V4 V3 V2 V1 VSHT H1 VSHT V4 GND GND RG CCD_OUT V1 V3 VH H2 V2 GND GND CD-533 THROUGH THE CN101 FP-178 FLEXIBLE of LEVEL2 PAGE 4-7 (11/12) @001 (2/12) @002 @003 (7/12) @004 (3/12) @005 (7/12) (11/12) IC3001 TIMING GENERATOR IC3002 S/H, AGC, A/D CONVERTER 05 9 13 2 7 D 4 12 3 A/D CONVERTER, TIMING GENERATOR J K B H I 8 XX MARK:NO MOUNT 6 5 E F VC-376 BOARD (1/12) 10 11 G C (CH BLOCK) 14 V_DRAIN (N.C.) VL DCR-HC17E/HC19E/HC21/HC21E/HC22E/HC32/HC32E/HC33/HC33E For Schematic Diagram • Refer to page 4-83 for printed wiring board. 4-11 4-12 VC-376 (2/12) XX R3119 XX R3135 XX D3101 XX C3121 R3101 XX R3102 XX XX C3115 XX C3117 XX R3136 XX R3137 XX R3140 XX R3133 XX R3131 XX C3124 XX R3132 XX IC3104 1 2 3 4 GND 5 6 7 8 VCC XX C3125 XX R3134 XX R3139 XX R3125 XX R3141 XX R3129 XX C3102 XX R3138 XX C3119 XX R3124 XX R3130 XX IC3105 1 2 3 4 GND 5 6 7 8 VCC XX R3142 XX R3151 XX R3147 XX R3148 XX C3127 XX C3126 XX R3149 XX R3153 XX C3128 XX R3152 XX IC3107 1 2 3 4 GND 5 6 7 8 VCC XX C3129 XX R3143 XX R3146 XX R3145 XX R3150 XX R3144 XX IC3106 1 2 3 4 GND 5 6 7 8 VCC XX R3166 FC_XB_OUT FC_B_OUT FC_XA_OUT FC_A_OUT FC_A ZM_XA_OUT ZM_A ZM_B ZM_XB_OUT ZM_A_OUT ZM_B_OUT ZM_A_OUT ZM_XA_OUT ZM_B_OUT ZM_XB_OUT ZM_A ZM_B FC_B_OUT FC_B FC_XB_OUT FC_A_OUT FC_A FC_XA_OUT FC_B A A B B B B A A LENS BLOCK is replaced as block, so that there PRINTED WIRING BOARD and SCHEMATIC DIAGRAM are omitted. NO MARK:REC/PB MODE R:REC MODE P:PB MODE R0.6/P0 R1.4/P0.2 R1.4/P0 0.2 0 0.6 0.6 2.8 2.8 2.8 R1.1/P0.6 4.8 R1.2/P0.6 1.3 1.3 R1/P1.4 4.8 R0.5/P0 0 R0.3/P0 0 R1/P0.5 4.8 R1.1/P0.5 R0.9/P0.5 0 R2.4/P0 0 R2.4/P0 2.8 0.6 R1.8/P2.8 R0.8 /P-1.6 R0.6 /P-1.5 R0.6 /P0 0 R1.4/P0.2 4.6 1.9 1 1.1 0.8 0.8 0.8 0 2.6 0 1.1 1 0.8 2.8 0.9 0.9 0.8 4.6 0.8 1.1 0.01u C3108 4.7u C3118 470p C3107 LD_DIR1A 0.047u C3109 L3101 10uH FC_RST 470k R3123 220k R3109 0.1u C3120 NJM12904V(TE2) IC3103 1 A_OUT 2 A_IN- 3 A_IN+ 4 GND 5 B_IN+ 6 B_IN- 7 B_OUT 8 Vcc 1k R3127 ±0.5% 22k R3120 2200 R3107 ZM_RST UPD16877MA-6A5-E2 IC3101 1 VM1 2 OUT 1A 3 PGND 4 OUT2A 5 OUT3A 6 PGND 7 OUT4A 8 VM4 9 IN1 10 EN1 11 IN2 12 EN2 13 IN3 14 EN3 15 IN4 16 EN4 17 OUT4B 18 PGND 19 OUT3B 20 VM23 21 OUT2B 22 PGND 23 OUT1B 24 VDD 4.7u C3104 REG_GND 1k R3128 470k R3111 LD_EN0 Q3102 UP04116008S0 6 2 1 3 5 4 ±0.5% 10k R3121 C3114 0.022u 0.01u C3113 LENS_DETE LD_DIR0B 10 R3105 XNS_SW 10uH L3102 LD_DIR1B 1k R3116 1M R3106 330 R3115 0.1u C3105 A_4.6V LENS_TEMP_AD 10k R3108 LD_DIR0A 0.1u C3106 15k R3113 NJM12902V(TE2) IC3102 1 OUT1 2 IN1- 3 IN1+ 4 Vcc 5 IN2+ 6 IN2- 7 OUT2 8 OUT3 9 IN3- 10 IN3+ 11 GND 12 IN4+ 13 IN4- 14 OUT4 A_2.8V 4700p C3103 33u 10V C3110 2SC5658T2LQ/R Q3103 ZM_RST_LED 470k R3110 IRIS_PWM 10k R3117 HALL_AD 0.001u C3111 330k R3122 2200p C3116 0 R3112 47k R3118 470k R3114 FREQ_AMPOUT 0.022u C3101 FC_RST_LED 1SS355TE-17 D3102 LD_EN1 0.47u C3112 IRIS_COM MT_5V 47k RB3101 1 2 3 4 5 6 7 8 RN1119FV(TL3SONY) Q3101 22k RB3102 1 2 3 4 5 6 7 8 RB3103 0 1 2 3 4 5 6 7 8 RB3104 0 1 2 3 4 5 6 7 8 27P CN3101 1 2 3 4 5 6 7 8 9 10 11 12 13 14 15 16 17 18 19 20 21 22 23 24 25 26 27 CAM_SO CAM_SCK FB9201 0uH REG_GND NJW5210RB1 IC9201 1 AO1 2 AO2 3 AO3 4 VCC 5 GND 6 DI 7 CLK 8 LD 4.7u C9201 DA_STRB D_2.8V 1 A DA_STRB CAM_SCK CAM_SO DA_STRB CAM_SO CAM_SCK THERMO_OUT FC_SENS_OUT ZM_XA ZM_XB ZM_B ZM_A FC_SENS_Vcc NightShot_Vcc ZM_SENS_Vcc GND GND I_BIAS(-) I_DRIVE(-) I_BIAS(+) I_HALL(+) FC_A FC_XA FC_B FC_XB ZM_SENS_OUT I_DRIVE(+) I_HALL(-) LENS_DETE GND GND GND GND IC3102 HALL REG, XTAL AMP IC3103 IC9201 LENS BLOCK (11/12) @006 (1/12) @002 (MT_GND) @007 (7/12) @008 (7/12) @009 (3/12) EVR (D/A CONVERTER) FOCUS/ZOOM MOTOR DRIVE IC3101 SENSOR SWITCH IRIS DRIVE HALL GAIN CONTROL IRIS DRIVE HALL BIAS CONTROL, HALL GAIN CONTROL, HALL AMP H C 6 12 2 XX MARK:NO MOUNT 9 14 11 7 G 4 L 10 I 15 05 K 8 VC-376 BOARD (2/12) D F B 13 LENS DRIVE, EVR (LD BLOCK, EVR BLOCK) E 16 5 J 3 DCR-HC17E/HC19E/HC21/HC21E/HC22E/HC32/HC32E/HC33/HC33E For Schematic Diagram • Refer to page 4-83 for printed wiring board. 4-13 4-14 VC-376 (3/12) L6008 XX 4V XX C6029 R6018 XX R6019 XX XX Q6004 6 2 1 3 5 4 XX R6007 XX R6006 XX C6023 L6007 XX C6009 XX XX C6007 R6002 XX R6005 XX NO MARK:REC/PB MODE : Voltage measurment of the CSP ICs and the Transistors with mark, are not possible. R:REC MODE P:PB MODE 12 13 14 15 21 16 17 18 19 20 1.5 R2.7/P0 R2.5/P2.8 R2.4/P0 R0.4/P0 R0.4/P0 R2.4/P0 1.5 0 0 1.5 1.5 1.5 2.8 1.5 R1.5/P2.8 0.6 0.7 1.4 1.4 2.8 2.8 2.8 1.4 2.8 2.8 2.8 2.8 2.8 0.3 1 0 0 0.1 0.8 0.1 0.1 0.1 0.7 0.7 3.1 2.8 0 2.8 0.1 1 3.1 0 0 2.8 2.8 2.6 2.8 2.8 2.8 1.2 1.5 2.8 2.8 0 2.7 0 2.8 2.8 2.8 2.8 2.8 1.3 2.8 1.4 1.4 0.7 0 2.7 2.8 2.2 2.2 2.2 2.2 2.2 2.2 2.2 2.2 R2.2/P2.5 2.7 2.8 1.4 1.4 0.5 0 2.8 2.5 0 2.6 2.8 2.7 2.7 2.8 1.4 2.6 2.5 2.6 0.1 2.6 2.8 0 R0.2/P0 R0.8/P0 R1/P0 R1.1/P0 R1.1/P0 R1.1/P0 R1.1/P0 R1.1/P0 R1.1/P0 2.7 2.8 R1.3/P0 0 R2.7/P0 0.1 1.6 1.3 2.8 0.1 2.8 0.4 1 R2.6/P1.5 R2.8/P0.9 R2.8/P0.9 R2.7/P0 R2.7/P0 R1.2/P0 R1.3/P0 0.9 R1.4/P0 0.1 2.4 2.6 2.8 2.8 XRST_VTR VREF VSP_SI BW_Y PANEL_B 0.01u C6012 REG_GND FB6002 0uH 10u C6021 ±0.5% 130 R6020 D30A06 XCS_IC_6001 IC_6002_SLEEP RDX TRRV SFD_BCK XRST_PHY RECCK 5100 R6022 ±0.5% XRST_LINK OFR SFD_LRCK XVSP_SCK 0.01u C6022 LPS D27A03 WRX D25A01 XCS_VFD ALE IC_6001_C_OUT R6014 ±0.5% 470 D26A02 10uH L6006 DATA_TO_SFD DATA_FROM_SFD TRRT PANEL_VD RECA1 SWP 1u C6027 IC_6001_Y_OUT RECDT SFD_FCK XCS_IC_6002 390 R6016 ±0.5% RECA2 D29A05 220p C6028 PANEL_HD D_2.8V DRP ±0.5% R6021 6200 VSP_SO C6018 0.01u 270 R6012 470 R6013 ±0.5% 680 R6010 D31A07 XCS_SFD PANEL_R DXXA08 D_1.5V PANEL_G DXXA09 FRRV R6015 ±0.5% 470 LINE_OUT_VD XDVCN D24A00 A_2.8V D28A04 USB_3.1V XCS_IC_6001-2 CAM_SCK CAM_SI CAM_SO XIRQ_IC_6001 AD0 AD1 AD2 AD3 AD4 AD5 AD6 AD7 AD8 AD9 TG_ID TG_ZSG1 TG_ZV1 VCK LD_DIR0A LD_DIR0B LD_DIR1A LD_DIR1B LD_EN0 LD_EN1 TG_AVD TG_AHD TG_VGAT FE_CLPOB VD_SO XCS_VD VD_SCK 0.01u C6019 RFIN Q6003 UNR31A300LS0 XUSB_ON USB_D+ USB_D- 1500 R6023 10uH L6002 0.1u C6020 4.7u C6011 4.7u C6014 4.7u C6015 ±0.5% R6004 10k ±0.5% R6008 10k R6009 10k R6011 4700 4.7u C6010 4.7u C6006 0.01u C6002 1u C6003 0.01u C6008 0.01u C6004 ATF_LATCH ZM_RST FC_RST XUSB_EN SPCK 10uH L6005 4.7u C6017 0.1u C6013 0.1u C6016 10uH L6003 IC6001 CXD3164R 1 2 3 4 5 6 7 8 9 10 11 12 13 14 15 16 17 18 19 20 21 22 23 24 25 26 27 28 29 30 31 32 33 34 35 36 53 54 55 56 57 58 59 60 61 62 63 64 65 66 67 68 69 70 71 72 73 74 75 76 77 78 79 80 81 82 83 84 85 86 87 88 89 90 91 92 93 94 95 96 97 98 99 100 101 102 103 104 105 106 107 108 109 110 111 112 113 114 115 116 117 118 119 120 121 122 123 124 125 126 127 128 129 130 131 132 133 134 135 136 137 138 139 140 141 142 143 144 44 52 43 51 42 50 41 49 40 48 39 47 38 46 37 45 145 146 147 148 149 150 151 152 153 154 155 156 157 158 159 160 161 162 163 164 165 166 167 168 169 170 171 172 173 174 175 176 177 178 179 180 181 182 183 184 185 186 187 188 189 190 191 192 193 194 195 196 197 198 199 200 201 202 203 204 205 206 207 208 209 210 211 212 213 214 215 216 0uH FB6001 C6005 0.01u RB6004 56 1 2 3 4 5 6 7 8 RB6002 4700 1 2 3 4 5 6 7 8 RB6001 56 HN4A71FK(TE85R) Q6001 3 2 4 5 7 6 1 8 VFO_VD VFO_OE 10uH L6004 CL6001 TPB+ TPA+ TPB- TPA- 0.001u C6024 0.1u C6026 4.7u C6025 0 R6003 OSD_V 10uH L6009 0.1u C6030 470p 50V C6031 SN0306037ZVWR IC6002 1 VDD 2 DA0 3 DA1 4 DA2 5 VSS 6 DA3 7 DA4 8 DA5 9 DA6 10 VDD 11 DA7 12 XACC 13 XPEN 14 FCLR 15 FR 16 0FR 17 IDIR 18 VSS 19 PCLK 20 PMODE 21 VDD 22 REGOUT 23 REGENZ 24 PD0 25 VSS 26 PD1 27 PD2 28 PD3 29 VDD 30 N.C. 31 N.C. 32 N.C. 33 VSS 34 N.C. 35 VDD 36 TM0 37 N.C. 38 MSP100 39 PWD 40 CNC 41 CNA 42 LPS 43 XRESETP 44 VSS 45 VDDA 46 VSSA 47 TPBN 48 TPBP 49 VSSA 50 VDDA 51 TPAN 52 TPAP 53 TPBIAS 54 VSSA 55 R0 56 R1 57 VDDA 58 FILTER0 59 FILTER1 60 VDDPLL 61 VSSPLL 62 XI 63 N.C. 64 VSS 65 N.C. 66 N.C. 67 N.C. 68 N.C. 69 N.C. 70 N.C. 71 N.C. 72 N.C. 73 N.C. 74 VDD 75 ALE 76 XRW 77 XRD 78 XCS 79 VSS 80 XRESETL LF6001 0uH 1 3 4 2 LF6002 0uH 1 3 4 2 PANEL_HD PANEL_VD 1 A LPS IC_6002_SLEEP XRST_LINK D25A01 D24A00 D26A02 OFR RECDT D27A03 FRRV D29A05 TRRT D30A06 D28A04 SWP D31A07 RECCK RECA1 RECA2 XRST_PHY DRP ALE DATA_FROM_SFD DATA_TO_SFD XDVCN FRRV TRRV TRRT XCS_IC_6001-2 CAM_SCK CAM_SO CAM_SI XIRQ_IC_6001 VREF TRRV VSP_SI XCS_SFD XCS_VFD ZM_RST FC_RST LD_EN1 LD_EN0 LD_DIR1B LD_DIR1A LD_DIR0B LD_DIR0A TG_AHD TG_AVD VCK TG_ZV1 TG_ZSG1 TG_VGAT TG_ID FE_CLPOB AD9 AD8 AD7 AD6 AD5 AD4 AD3 AD2 AD1 AD0 FE_CLPOB TG_VGAT TG_ZSG1 TG_ZV1 VCK TG_AVD TG_AHD LD_DIR0A LD_DIR0B LD_DIR1A LD_DIR1B LD_EN0 LD_EN1 FC_RST ZM_RST WRX SFD_FCK SFD_BCK SFD_LRCK DATA_FROM_SFD DATA_TO_SFD OSD_V XCS_IC_6001-2 CAM_SCK CAM_SO CAM_SI VD_SCK LBUS0 LBUS1 LBUS2 LBUS3 FRL FCLR DIR XENA XACC WRX RECA1 RECA2 VD_SO TG_ID RFIN ALE SWP DRP XUSB_EN SFD_LRCK SFD_BCK SFD_FCK RFIN AD0 AD9 AD1 AD8 AD7 AD6 AD5 AD4 AD3 AD2 VFO_VD VFO_OE VFO_VD VFO_OE VD_SO VD_SCK RECDT XACC XENA FCLR FRL DIR TRCKO LBUS0 LBUS1 LBUS2 LBUS3 XRST_VTR XCS_IC_6001 XCS_SFD XCS_VFD XVSP_SCK VSP_SO VSP_SI LINE_OUT_VD VREF ALE WRX XCS_IC_6002 D31A07 D30A06 D29A05 D28A04 D27A03 D26A02 D25A01 D24A00 D24A00 D25A01 D26A02 D27A03 D28A04 D29A05 D30A06 D31A07 DXXA09 DXXA08 DXXA08 DXXA09 XRST_LINK OFR IC_6002_SLEEP XRST_PHY LPS XDVCN ATF_LATCH RDX RDX XIRQ_IC_6001 ATF_LATCH LINE_OUT_VD RDX XCS_IC_6002 XCS_IC_6001 XCS_IC_6002 OSD_V RECCK VSP_SO XVSP_SCK XUSB_EN XRST_VTR TRCKO USB_D- USB_D+ DVSS2 PLL VDD2 IOVDD1 RDX ICOVSS XOO TRRT CAM SI MCHA1 CKI54 DACVSS0 IOVDD2 IC TEST XENA ADAVSS PLLVDD1 LD DIR0B DVDD3 MCHA0 USBVDD RAM VSS2 LBUS3 ALE MCDA3 YI1 DIR MSO FROM UCON(VSP SO) CKI135 PCOR REX EVF RAM VSS3 BMOSD4(CPTONE) PNL R DVDD0 TG ID TRCKO ICOVDD REFVDD USBVSS OSD XSCK OSD2 MCCE FE ADIN6 MCDA5 LD SENSE0 FE ADIN5 IOVDD0 TG AVD TG TGCKO EVFOUT SYNCI0 LCKO CAM SCK FE CLPOB PVD RAM VDD2 FRL PNL G OSDHD TG ZV1 MSSCK PLLSW FCLR BMOSD0(CPY) DVDD1 TG AHD BMOSD5(PILOT) BMOSD2(OSDCR) DACVSS YO3 MSI TO UCON(VSP SI) DM VRB DACVSS_1 YO5 YI0 LD DIR1A TP TEST FE CLPDM ADDT5 XOI PLL VDD3 PLLTHROUGH TG ZSG1 BCKO CKO FE ADIN8 REFVSS MCDA6 ADAVDD IOVDD3 ADDT0 YO4 TRRV USB XEN CRCK(20.25MHz) MCDA1 RAM VSS4 TRXOSCIN ADDT1 RFIN PLLVSS1 IOVSS1 ATF LATCH CAM SO PLLVSS3 RECDT PLL MODE0 PCO BMOSD3(OSDY) FE ADIN7 YOUT TG CHCK ADAI2 ADDT2 OSD XSC OSD1 DACVDD1 MCDA4 SYNCI1 TRXOSCOUT IOVSS0 LD IRIS ADAI1 YO7 RAM VSS1 RECCK CO3 SYNCO0(HDO) REX PNL MCDA2 FE ADIN3 YO1 YO6 FE ADIN4 IODSS3 LD EN0 CO1 LBUS2 ADDVDD DP RECA1 RAM VDD3 REX Y ADDT3 SYNCO2(OEO) CO2 LD DIR1B SYNCO1(VDO) LD DIR0A MSCSV PHD WRX YO2 MCVREF LRCKO CAM SYSV IC_6001 IRQ RAM VDD0 BMOSD1(OSDCB) SPCKO MSCSS ADAO1 XRST PBCK IODSS2 CI MCDA7 DACVDD CAM XCE DVss0 DVSS1 PLLMSK DACVSS_2 ADAO2 DACVDD_2 LD SENSE1 TG VGAT OSD SI OSD0 COUT CO0 FE ADIN2 POI MCVD RAM VDD1 RECA2 FE ADIN1 FE ADIN9 ADDT4 PNL B LD EN1 PLLVDD4 XACC IOUT PLLVSS2 YO0 FCKO FRRV REX C PLL MODE1 LBUS0 DACVDD_0 SWP MCDA0 PLLVDD0 PLLVSS0 CS IC_6001 ADDVSS DRP PLLVSS4 RAM VSS0 SCAN EN DVSS3 RAM VDD4 FE ADIN0 DVDD2 VRT LBUS1 (7/12) @011 @012 (7/12) @014 (6/12) @005 (1/12) (2/12) @009 (7/12) @015 (12/12) @016 @017 (8/12) @018 (7/12) (12/12) @019 @020 (6/12) (4/12) @021 (5/12) @022 19 D F 17 B 13 21 XX MARK:NO MOUNT E 16 5 J 3 20 N VC-376 BOARD (3/12) H C 6 12 2 18 M DV SIGNAL PROCESS, DV INTERFACE 22 9 14 11 7 G 4 L 10 I 15 05 K 8 23 DV SIGNAL PROCESS IC6001 IC6002 DV INTERFACE @010 (11/12) (9/12) (7/12) (12/12) USB PULL UP BUFFER D_2.8V DCR-HC17E/HC19E/HC21/HC21E/HC22E/HC32/HC32E/HC33/HC33E For Schematic Diagram • Refer to page 4-83 for printed wiring board. 4-15 4-16 VC-376 (4/12) XX R6504 XX R6503 NO MARK:REC/PB MODE R:REC MODE P:PB MODE 22 23 24 R3.9/P2.6 4.5 R2.1/P0.7 R3.1/P2 R3.1/P2 0.9 R1/P2.2 1.3 R2.8/P0 1.4 2.8 R2.7/P0 2.8 R2.7/P0 2.8 R1.2/P0 0 R1.2/P0 2.8 2.6 R2.9/P1.7 R2.7/P1.7 2.3 2.3 1.3 R0/P1.7 4.5 R2.3/P0 R2.3/P0 R1.2/P0 4.5 R2.7/P1.7 R2.9/P1.7 R2.9/P1.7 R2.7/P1.7 R2.7/P1.7 R2.9/P1.7 0.01u C6514 RECDT 10k R6506 RFIN 0.01u C6509 10k R6505 0.01u C6502 CONT1 RP_2.8V RECCK ALL_PS ±0.5% 220 R6515 0.01u C6510 0.1u C6512 REG_GND 0.1u C6511 ±0.5% 22k R6507 ±0.5% 220 R6516 10uH L6501 RP_4.6V 10uH L6502 10k R6501 22k R6502 RECA1 ±0.5% 220 R6513 0.47u C6508 0.01u C6504 CXA3619R-T4 IC6501 1 2 3 4 5 6 7 8 9 10 11 12 13 14 15 16 17 18 19 20 21 22 23 24 25 26 27 28 29 30 31 32 33 34 35 36 37 38 39 40 41 42 43 44 45 46 47 48 ±0.5% 10k R6510 SW_PS ±0.5% 10k R6508 RF_MON 0.47u C6505 ±0.5% 22k R6512 ±0.5% 220 R6514 SWP 0.01u C6513 RECA2 0.01u 16V C6506 1 2 3 4 CN6501 10P 1 2 3 4 5 6 7 8 9 10 4.7u C6503 4.7u C6501 1 A RECDT RECA2 RECCK RECCK RECA1 RECA1 RECA2 RECDT XME/MP CTRL1 TEST D1E REC_IR_MP REC_PEAK_T REC_PEAK_I_MP D2O CTRL0 REC_IR_ME GND VCC_D2.8V CO GND SW_PS REC_DATA CE AGCTC_Ech GND GND LPF_f0 XEVEN MODE2 D1O YE XODD GND GND PB_RF_OUT REC_CLK YO GND TEST_OUT REC_PEAK_I_ME XE AGC_EVR MODE1 GND VCC_PB_4.6V YODD VCC_HEAD GND AGCTC_Och REC_A2 PB_Y_OUT PB_RF_IN YEVEN YSDL (N.C.) VCC_2.8V D2E GND PB_FBDP XSDL (N.C.) VCC_REC_4.6V REC_A1 XO PB_X_OUT PB_IR (MDX-Z210) Z MECHANISM (1/2) DECK ODD EVEN VIDEO HEAD @024 (11/12) @025 (12/12) @054 (7/12) (12/12) (3/12) @021 @026 (7/12) IC6501 REC/PB AMP C 6 2 REC/PB AMP (RF BLOCK) 9 11 7 G 4 8 VC-376 BOARD (4/12) 10 05 XX MARK:NO MOUNT D F B E 5 3 DCR-HC17E/HC19E/HC21/HC21E/HC22E/HC32/HC32E/HC33/HC33E For Schematic Diagram • Refer to page 4-83 for printed wiring board. 4-17 4-18 VC-376 (5/12) XX R6779 C6720 XX C6716 XX XX C6736 XX C6712 XX C6718 XX C6740 XX R6802 XX R6801 C6752 XX XX R6799 XX R6800 XX R6805 R6722 XX XX R6723 XX R6725 XX R6724 NO MARK:REC/PB MODE R:REC MODE P:PB MODE 25 26 27 3.2 8.3 4.1 1.4 1.4 1.4 2.3 2.4 0 0 2.4 4.6 1.6 3.2 1.6 1.6 1.4 1.6 1.9 1.9 1.8 1.8 4.6 1.4 1.4 1.4 0.6 0 2.8 2.8 1.4 1.4 1.4 0.6 1.4 0.9 1.4 2.8 2.8 1.4 1.4 1.4 1.4 R2.5/P0 2.8 0.3 1.3 1.3 2.8 0 2.6 2.7 1.4 2.2 2.3 4.6 2.3 D_2.8V XCS_AU1 VSP_SO XVSP_SCK 0.01u C6735 1u C6738 IC_6001_C_OUT A_4.6V IC_6001_Y_OUT 10uH L6704 22u C6733 0.1u C6722 0.01u C6734 22u C6726 4700 R6728 2SD1834-T100 Q6701 100k R6726 10k R6727 0.1u C6714 0.001u C6702 0.001u C6701 0.01u C6708 0.01u C6707 0.1u C6727 100k R6776 BEEP AU_4.6V VTR_UNREG 4.7u C6725 4.7u C6710 4.7u C6709 4.7u C6713 4.7u C6719 4.7u C6730 1u C6724 47k R6729 AN12920A-VB IC6701 1 SPOUT_+ 2 SPGND 3 SPOUT_- 4 OFFSET_SP 5 VREFSP 6 Y_INV 7 Y_OUT 8 DRIVEGND 9 V_OUT 10 V_INV 11 VCCHDRIVE 12 C_OUT 13 SDC_OUT 14 VCCH_V 15 C_IN 16 VGND 17 YIN 18 OFFSET_R 19 CS 20 CLOCK 21 DATA 22 VCCD 23 PBIN_R 24 PBIN_L 25 RECOUT_R 26 RECOUT_L 27 AGC_TC 28 GND 29 AGCLINK 30 INTLPF_R 31 VCC 32 MICVCC 33 EXTMIC_R 34 EXTMIC_L 35 VREF 36 INTLPF_L 37 INTMIC_L 38 INTMIC_R 39 OFFSET_L 40 VREFH 41 LINEOUT_L 42 PMUTE_L 43 GND 44 PMUTE_R 45 LINEOUT_R 46 VCCH 47 BEEP_IN 48 VCCSP 6.3V 100u C6728 6.3V 100u C6731 4.7u C6745 4.7u C6746 DATA_FROM_SFD XPWDA XPWAD SFD_LRCK AN12910A-VB IC6702 1 VCOM 2 AINR 3 AINL 4 VSS 5 VDD 6 DEM0 7 DEM1 8 SDTO 9 SDTI 10 LRCK 11 MCLK 12 SCLK 13 XPWAD 14 XPWDA 15 AOUTL 16 AOUTR DEM0 DEM1 1u C6743 DATA_TO_SFD SFD_FCK 1u C6744 SFD_BCK 1u C6742 1u C6741 REG_GND 75 RB6701 1 2 3 4 5 6 7 8 S_C_I/O VIDEO_I/O S_Y_I/O AUDIO_L_I/O AUDIO_R_I/O SP+ SP- INT_MIC_R INT_MIC_L AU_2.8V 1u C6747 1u C6748 2200 R6806 2200 R6807 100k R6809 100k R6808 0.1u C6749 0uH FB6701 1u C6750 4.7u 6.3V C6751 2200 RB6702 1 2 3 4 5 6 7 8 1u C6703 10uH L6701 10uH L6702 4.7u C6705 4.7u C6704 FB6702 FB6703 1u C6732 1 A IC6701 VIDEO OUT, AUDIO I/O IC6702 A/D.D/A CONVERTER 3.4V REG (7/12) @031 @022 (3/12) (7/12) (8/12) @013 (11/12) @027 (7/12) @028 @029 (12/12) (12/12) @030 H C 6 12 2 VIDEO OUT, AUDIO I/O 9 11 7 G 4 8 VC-376 BOARD (5/12) 10 05 XX MARK:NO MOUNT D F B E 5 3 DCR-HC17E/HC19E/HC21/HC21E/HC22E/HC32/HC32E/HC33/HC33E For Schematic Diagram • Refer to page 4-83 for printed wiring board. 4-19 4-20 VC-376 (6/12) XX R9310 XX C9311 R9303 XX XX R9309 C9309 XX XX C9313 XX C9306 XX C9307 XX R9311 XX R9308 4V XX C9302 XSYS_RST XSYS_RST XSYS_RST @033 (7/12) (9/12) (12/12) NO MARK:REC/PB MODE 28 29 31 32 30 1.2 1.4 2.8 0 0 2.6 2.5 2.5 2.5 4.6 2.5 2.4 1.8 3.6 1.4 0.6 1.6 2.8 1.2 1.2 0.1 4.6 1.8 0 0 0 0.1 0.7 0.7 1.4 2.7 2.7 2.6 0.9 2.8 2.8 1.4 1.4 0 0.1 2.8 2.5 2.6 560p C9305 RB9301 10 1 2 3 4 5 6 7 8 10k R9314 PANEL_VD BW_Y PANEL_HD 0uH FB9301 ±0.5% 10k R9307 EP_2.8V EP_4.6V 0.1u C9303 VD_SO 68k R9301 6.3V 10u C9315 XCS_EVF 0.01u C9308 REG_GND ±0.5% 91k R9306 1u C9301 10uH L9301 EP_8.5V 10uH L9302 VD_SCK IC9301 CXM3007AR-T4 1 XVD 2 PSIN 3 XCLR 4 VSS 5 RGT 6 HCK1 7 HCK2 8 HST 9 PCG 10 XSTBY 11 DWN 12 EN 13 VSS 14 VCK 15 VDD 16 VST 17 WIDE 18 BLON 21 VG 19 GND2 20 VR 22 VB 23 VCC2 24 VP 25 COMDA 26 COMOUT 27 COMREF 28 REF 29 BLON_OC 30 COMPIN 31 EXTDA 32 BIN 33 GIN 34 RIN 35 VCC1 36 Filter1 37 Filter2 38 GND1 39 OPOUT 40 OPIN 41 FVCC 42 SO 45 SI 44 XSCK 43 XCS 46 VDD 47 SCAN 48 HD 10uH L9303 470 R9302 1800 R9325 ±0.5% 33k R9322 ±0.5% 180k R9321 UP04601008S0 Q9303 3 5 4 6 2 1 ±0.5% 39 R9326 10V 4.7u C9312 4.7u C9310 4.7u C9314 23P CN9301 1 2 3 4 5 6 7 8 9 10 11 12 13 14 15 16 17 18 19 20 21 22 23 CL9303 CL9302 CL9301 NJM12904V(TE2) IC9303 1 A_OUT 2 A_IN- 3 A_IN+ 4 GND 5 B_IN+ 6 B_IN- 7 B_OUT 8 Vcc 0.1u C9321 6.3V 10u C9322 VD_SI 1 A XCS_EVF VD_SCK VD_SO EVF_REF PANEL_HD VD_SI PANEL_VD EVF_VST EVF_VCK EVF_EN EVF_PCG EVF_HST EVF_XSTBY PANEL_VD PANEL_HD XCS_EVF EVF_VB EVF_EN EVF_VST EVF_VR VD_SO EVF_BLK EVF_VB EVF_VG EVF_VP VD_SCK EVF_VG EVF_VP EVF_HCK2 EVF_HCK1 EVF_BLK EVF_HCK2 EVF_XSTBY EVF_HCK1 EVF_REF EVF_HST EVF_PCG EVF_VR EVF_VCK VD_SI REG_GND EVF_VB EVF_HST EVF_VDD REG_GND COM_CS EVF_PSIG LED_K EP_4.6V EVF_VG EVF_VR EVF_EN EVF_VST EVF_REF EVF_HCK2 EVF_PCG EVF_VCK EVF_STB EVF_HCK1 EVF_BLK REG_GND REG_GND REG_GND (11/12) @032 @020 (3/12) @014 (7/12) @034 @035 (12/12) (7/12) (3/12) (7/12) (12/12) IC9303 EVF BACKLIGHT CONTROL EVF DRIVE IC9301 CN301 LB-109 THROUGH THE of LEVEL2 FP-181 FLEXIBLE PAGE 4-73 EVF BACKLIGHT DRIVE H C 6 12 2 EVF DRIVE (EVF BLOCK) 9 14 11 7 G 4 8 VC-376 BOARD (6/12) 10 I 05 13 XX MARK:NO MOUNT D F B E 5 3 DCR-HC17E/HC19E/HC21/HC21E/HC22E/HC32/HC32E/HC33/HC33E For Schematic Diagram • Refer to page 4-83 for printed wiring board. 4-21 4-22 VC-376 (7/12) R8609 XX FB8601 XX D_1.9V XX C8610 XX C8623 XX C8602 XX C8624 XCRADLE_IN XX R8652 XCRADLE_IN XCRADLE_IN XX R8613 XX R8612 RB8601 XX 1 2 3 4 5 6 7 8 RB8602 XX 1 2 3 4 5 6 7 8 XX R8610 C8605 XX XX C8626 C8616 XX XX R8650 (6/12) (12/12) XCS_MC_FLASH MD2 XCS_MC_FLASH MD2 MD2 XCS_MC_FLASH NO MARK:REC/PB MODE : Voltage measurment of the CSP ICs and the Transistors with mark, are not possible. 33 HC17E/HC19E HC21/HC21E/HC22E HC17E/HC19E HC21/HC21E/HC22E NON CRADLE model CRADLE model NON CRADLE model CRADLE model NON CRADLE model: DCR-HC17E/HC19E/HC21/HC21E CRADLE model: DCR-HC22E 3 0 2.8 2.8 2.7 2.8 2.8 2.8 0 0 0 0 0 2.8 2.8 2.8 2.8 2.8 2.8 2.7 0 2.7 2.3 2.7 2.2 R8605 R8603 D_2.8V XCS_LCD 0.1u C8608 0.01u C8619 IC_8001_SI LPS 0.1u C8613 XDVCN XCS_IC_6001-2 10k R8602 DRUM_PG LM_LIM_DET 0.1u C8607 LOAD CONT1 SYS_V REG_GND ALL_PS XVSP_SCK 0.1u C8612 10p C8604 D25A01 R8601 100 DRUM_PWM 0.1u C8617 VST_C_RESET X8601 20MHz D26A02 DXXA09 MODE_SW_A YAW_AD D27A03 MODE_SW_C DRP REC_PROOF IC_8001_SCK D28A04 XCS_IC_8001 IC_8001_SO ALE 10p C8603 1k R8641 DEM1 ZOOM_VR_AD D29A05 TAPE_END TREEL_FG CAM_SO SREEL_FG CH_SCK CH_SO D30A06 0.1u C8611 LINE_OUT_VD XCS_IC_9001 CAP_ON TAPE_LED_ON RDX XPWAD XRST_VTR DEW_AD XPWDA XCS_VD HALL_AD XSYS_RST VFO_OE VD_SCK DA_STRB VSP_SO 0.01u C8618 VD_SO XCS_SFD CAP_FG CL8602 OFR D24A00 XRST_LINK MODE_SW_B R8608 10k 1u C8615 VSP_SI XNS_SW UNLOAD DEM0 100k R8611 CAP_PWM FC_RST_LED DXXA08 TAPE_TOP XCS_VFD SWP CAM_SCK CAM_SI EEP_SI IC_6002_SLEEP XREEL_HALL_ON CS_CH RB8603 100k 1 2 3 4 5 6 7 8 XCS_AU1 D31A07 WRX VFO_VD DRUM_FG XCS_IC_6002 PITCH_AD SW_PS LENS_TEMP_AD IRIS_PWM 470k R8621 ZM_RST_LED XRST_PHY 0.1u C8606 XCS_EVF CAP_FWD VREF XCS_TG 1k R8630 ATF_LATCH XIRQ_IC_6001 OSD_V AK6512CM-E2 IC8602 1 CS 2 RXD3 3 XRDY 4 GND 5 TXD3 6 SCK3 7 HOLD 8 VDD 0.01u C8622 CAM_DD_ON 1u 6.3V C8609 BEEP 47k R8616 2SC5658T2LQ/R Q8602 UNR32A300LS0 Q8601 EEP_SO EEP_SCK XUSB_EN FRRV TRRT TRRV RB8604 100k 1 2 3 4 5 6 7 8 4700 R8627 UNR31A300LS0 Q8603 3.3 R8628 2SA2030T2L Q8605 3300 R8624 UP04401008S0 Q8604 6 2 1 3 5 4 5600 R8626 1500 R8625 2200 R8629 CHIME_SDA CHIME_VDD 3300 R8622 RB8605 1k 1 2 3 4 5 6 7 8 3300 R8623 CHIME_SCK R8604 R8606 68k R8634 220k R8633 100k R8643 R8636 47k XCS_EEP 1u C8614 VD_SI IR_ON XEASY_MODE_LED CL8605 CL8606 CL8607 CL8608 LENS_DETE CL8610 IRIS_COM XSHUTTER_OPEN IC8601 MB91195LGL-G-120-ERE1 1 2 3 4 5 6 7 8 9 10 11 12 13 14 15 16 17 18 19 20 21 22 23 24 25 26 27 28 29 30 31 32 33 34 35 36 53 54 55 56 57 58 59 60 61 62 63 64 65 66 67 68 69 70 71 72 73 74 75 76 77 78 79 80 81 82 83 84 85 86 87 88 89 90 91 92 93 94 95 96 97 98 99 100 101 102 103 104 105 106 107 108 109 110 111 112 113 114 115 116 117 118 119 120 121 122 123 124 125 126 127 128 129 130 131 132 133 134 135 136 137 138 139 140 141 142 143 144 44 52 43 51 42 50 41 49 40 48 39 47 38 46 37 45 145 146 147 148 149 150 151 152 153 154 155 156 157 158 159 160 161 162 163 164 165 166 167 168 169 170 171 172 173 174 175 176 177 178 179 180 181 182 183 184 185 186 187 188 189 190 191 192 193 194 195 196 197 198 199 200 201 202 203 204 205 206 207 208 209 210 211 212 213 214 215 216 UNR32A300LS0 Q8607 USB_DET 0 R8649 FB8602 0uH D_1.5V CL8611 CL8612 CL8613 CL8614 100k RB8606 1 2 3 4 5 6 7 8 10k RB8607 1 2 3 4 5 6 7 8 4700 RB8608 1 2 3 4 5 6 7 8 1M RB8609 1 2 3 4 5 6 7 8 1k RB8610 1 2 3 4 5 6 7 8 0.01u C8625 CL8615 SWP XCS_IC_6001 CAM_SCK CAM_SO CAM_SCK CAM_SO CAM_SI XRST_VTR XUSB_ON 1 A DEM1 SREEL_FG TREEL_FG LPS IC_6002_SLEEP XRST_LINK XDVCN ALE RDX TRRV VREF DEM0 XRST_PHY XCS_IC_6001-2 XCS_AU1 XCS_SFD XCS_VFD VSP_SI VFO_OE WRX FRRV OFR D24A00 D31A07 D30A06 D29A05 D28A04 D27A03 D26A02 D25A01 LOAD UNLOAD XCS_IC_6002 DXXA09 DXXA08 XCS_LCD DRUM_PG DRUM_FG YAW_AD MODE_SW_A MODE_SW_B MODE_SW_C CAP_PWM CAP_FG DRUM_PWM XNS_SW ZM_RST_LED TAPE_LED_ON XREEL_HALL_ON LINE_OUT_VD CS_CH VFO_VD LM_LIM_DET ALL_PS XPWAD XPWDA TAPE_END TAPE_TOP REC_PROOF ZOOM_VR_AD CAP_ON SW_PS HALL_AD XCS_EEP UNLOAD LOAD XCS_IC_6002 ALE FRRV WRX RDX XDVCN DXXA09 DXXA08 XCS_LCD XCS_EVF VST_C_RESET XCS_AU1 D31A07 D30A06 D29A05 D28A04 D27A03 D26A02 D25A01 D24A00 ZM_RST_LED FC_RST_LED DA_STRB CS_CH IC_8001_SCK XCS_IC_8001 DEM0 EEP_SCK MODE_SW_A MODE_SW_B MODE_SW_C REC_PROOF LM_LIM_DET DEM1 XREEL_HALL_ON XCS_VFD LPS XCS_IC_6001-2 TRRT TRRV TAPE_LED_ON SYS_V CAP_FG TREEL_FG SREEL_FG DRUM_FG DRUM_PG OFR LINE_OUT_VD MELODY_CARR VFO_VD VREF IC_6002_SLEEP OSD_V XCS_SFD CONT1 XCS_IC_9001 YAW_AD PITCH_AD TRRT DEW_AD VST_C_RESET CAP_FWD DRP FC_RST_LED IRIS_PWM LENS_TEMP_AD HALL_AD CONT1 EEP_SO XCS_IC_9001 XCS_EVF XRST_LINK XCS_TG XCS_TG ALL_PS SW_PS TAPE_TOP TAPE_END XUSB_ON ATF_LATCH ATF_LATCH XIRQ_IC_6001 XIRQ_IC_6001 OSD_V EEP_SI EEP_SCK EEP_SO CAM_DD_ON CAM_DD_ON VD_SCK VD_SO XCS_VD SYS_V IC_8001_SCK XCS_IC_8001 IC_8001_SI IC_8001_SO XSYS_RST EEP_SI EEP_SO EEP_SCK XUSB_EN XUSB_EN DRUM_PWM PITCH_AD CAP_PWM XCS_IC_6001 MELODY_ENV CHIME_AD2 CHIME_AD1 CHIME_PWR_CONT CHIME_SCK CHIME_AD0 DEW_AD IRIS_PWM CH_SCK VFO_OE IC_8001_SO VSP_SI CAM_SI VD_SO VD_SCK CAM_SO CAM_SCK CH_SO CH_SCK VSP_SO XVSP_SCK XCS_VD XVSP_SCK VSP_SO XCS_EEP IC_8001_SI VD_SI IR_ON CHIME_SDA IR_ON XNS_SW XEASY_MODE_LED IRIS_COM LENS_DETE LENS_DETE IRIS_COM XSHUTTER_OPEN LENS_TEMP_AD EEP_SI USB_DET USB_DET XSHUTTER_OPEN VD_SI SWP CAP_ON CAP_FWD XRST_PHY XPWDA XPWAD ZOOM_VR_AD XRST_VTR XSYS_RST MELODY_ENV MELODY_CARR XEASY_MODE_LED CHIME_AD0 CHIME_AD1 CHIME_AD2 CHIME_PWR_CONT CHIME_VDD CHIME_SDA CHIME_SCK XCS_EEP XCS_IC_6001 DRP SWP DA_STRB CH_SO CAM_SI CAM_SO CAM_SCK XRST_VTR XRST_VTR CHIME_VDD CHIME_SCK CHIME_SDA XUSB_ON X1 VSS X0 XIN MD2 MD1 MD0 XINIT XRST XCS_EEP XCS_GANDHI XCS_TRF LM- VDD LM+ XCS_IC_9001 XCS_IC_6001_BUS XCS_IC_6002 XAUDIO_IN XCS_TG VSS ALE FRRV WR01 RDX VOUT_ON XDVCN ALL_PS SW_PS TAPE_TOP TAPE_END DXXA09 DXXA08 VSS C1 VDD XME/MP XCS_LCD XCS_EVF VST_C_CHARGE P43 XCS_XYZ LENS_DETE D31A07 D30A06 D29A05 D28A04 D27A03 D26A02 D25A01 D24A00 VDD ZM_RST_SENS ZM_RST_LED FC_RST_SENS FC_RST_LED VSS DA_STRB(XCS_DAC) P22 XCS_OSD XCS_GCAM IC_8001_XSCK XCS_IC_8001 IC_8001_SI IC_8001_SO XVSP_SCK OOE/FLD VSP_SO VSP_SI GCAM_XSCK F_RATE GCAM_SO XWE_EEP CAM_SCK DEMO CAM_SO CAM_SI VDD VD_SCK REC_CRRTO VD_SO VD_SI EEP_SCK XFFREW_UP EEP_SO EEP_SI(MC_FLASH_SI) DRUM_PWM CAP_PWM ATF_DEBUG V_LIGHT_PWM VSS PB4 IRIS_PWM IRIS_COM_PWM PB7 XCS_IC_6001 MELODY_ENV LOGO_LED XRST_VTR VSS OSC1 VDD OSC0 PANEL_VG_AD MODE_SW_A MODE_SW_B MODE_SW_C ME_SW REC_PROOF PANEL_COM_AD XVIDEO_IN USB_DET CHIME_AD0 CHIME_AD1 CHIME_AD2 EVF_DD_ON SDC_IN DEW_DET HI8_MP_SW AVSS_0 AVRH_0 AVDD_0 AVDD1 AVRH_1 AVSS_1 LENS_TEMP_AD IRIS_HALL_AD PITCH_AD YAW_AD XUSB_ON XUSB_EN ZOOM_SW_AD XPWAD XPWDA PG1 CHIME_PWR_CONT LM_LIM_DET DEM1 SYSTEM_AD GENERAL_AD MF_LED ANIN0 ANIN1 AVSS_U AVRH_U AVDD_U TUL VSS C2 VDD HOLD_EEP XREEL_HALL_ON PH2 XCS_VFD PH4 XRST_PHY HP_JACK_IN LPS VDD XCS_IC_6001-2 ATF_LATCH DRP SWP CAP_ON CAP_FWD VDD XEVF_TALLY EASY_MODE_LED XFE_ON PJ1 CONT1/RF_SWP CAM_DD_ON XCS_MC_FLASH EXT_STROBO PK2 REC_CRRT1 TRRT TRRV TAPE_LED_ON SYSV VSS MIC_MONO MIC_IN AV_JACK_IN XNS_ON_SW AV_JACK_IN_CRADLE XCRADLE_IN CAP_FG VDD TREEL_FG SREEL_FG IR_ON(PM2) CHIME_SCL TCHIME_SDA DRUM_FG DRUM_PG FP VSS LINE_OUT_VD MELODY_CARR CAM_VD(MEGA_CAM_VD) VREF SHUTTER_OPEN IC_6002_SLEEP PN6 XINT_IC_6001 SDC_ON MF_A MF_B XRST_LINK PO4 OSD_V XCS_SFD VDD (D_2.8V) (D_1.5V) (D_2.8V) (D_1.5V) (D_2.8V) (D_2.8V) (D_2.8V) (D_2.8V) (D_2.8V) (D_2.8V) (D_2.8V) (D_2.8V) (D_1.5V) (D_2.8V) (D_1.9V) (D_2.8V) XS_JACK_IN XLOGO_LED IC8602 64k EEPROM IC8601 CAMERA/MECHA CONTROL (2/12) @007 (12/12) @036 @037 (8/12) @026 (4/12) (3/12) @014 (3/12) @012 (6/12) @035 @003 (1/12) (6/12) (12/12) (9/12) (12/12) (11/12) @034 (6/12) (12/12) @038 (9/12) @039 @033 (9/12) (5/12) @028 (11/12) @040 @054 (4/12) (12/12) @011 (3/12) @031 (5/12) @018 (3/12) @023 (8/12) @008 (2/12) XVSP_SCK VSP_SO @013 (5/12) (8/12) @015 (3/12) @004 (1/12) (8/12) @041 19 D F 17 B 13 XX MARK:NO MOUNT E 16 5 J 3 N VC-376 BOARD (7/12) H C 6 12 2 18 M CAMERA/MECHA CONTROL 9 14 11 7 G 4 L 10 I 15 05 K 8 Q8601,8602 MODURATOR LED DRIVE Q8603-8605 CHIME VDD SWITCH R8603 0: XX: 0: R8604 XX: R8605 0: XX: 0: R8606 XX: D_1.5V DCR-HC17E/HC19E/HC21/HC21E/HC22E/HC32/HC32E/HC33/HC33E For Schematic Diagram • Refer to page 4-83 for printed wiring board. 4-23 4-24 VC-376 (8/12) XX R9016 XX C9016 XX C9020 XX R9032 XX R9033 R9018 XX R9021 XX C9002 XX NO MARK:REC/PB MODE *:IMPOSSIBLE TO MEASURE THE VOLTAGE AT THE MARKED POINTS. 34 35 36 37 38 39 2.8 4 2.6 0 0.5 2.8 2.7 0.6 1.4 1.3 1.3 0.3 0.1 0.1 0.3 0.3 0.5 0.5 2.8 1.2 2.8 1.2 2.8 0.2 0.2 * 0.2 0.2 * 2.8 0 0 2.8 1.2 2.6 2.8 0 0.5 0.3 0.3 0.8 0.8 0 13.2 1.1 1.2 0.1 1.2 1.2 1.4 2 0.9 1.3 1.3 1.2 1.3 1.2 1.2 2.8 2.3 1.2 0.1 0.1 0.4 0.9 0.5 0.9 0.4 4.8 8.3 10k R9022 CAP_FG 470p C9032 16V DRUM_ERROR 0.1u C9031 10V 470p C9030 16V CAP_ERROR 470p C9039 50V 470p C9035 16V 2.2 R9011 CAP_PWM DRUM_VS 1u 6.3V C9022 DRUM_PWM MT_5V 0.1u C9038 16V IC_9001_13.5V 0.1u C9011 10V LM_LIM_DET 0.1u C9029 10V 0.1u C9034 10V 0.1u C9024 10V LOAD C9036 6.3V 1u CAP_VS UNLOAD 2.2 R9010 6800p C9041 16V 2.2 R9009 SREEL_FG 0.1u C9013 10V 0.1u C9015 10V TREEL_FG REG_GND 0.022u C9027 16V VTR_UNREG TAPE_END R9023 15k 6800p C9042 0.1u C9018 10V D_2.8V TAPE_TOP 0.1u C9021 10V IC9001 TB6550FG(O,EB) 1 C_FRC 2 TEST 3 VMR 4 CFGOUT 5 C_PGND 6 GND 7 CFGIN+ 8 CFGIN- 9 CAGC 10 U+ 11 U- 12 V+ 13 V- 14 W+ 15 W- 16 VCC1 17 VH 18 TOPIN 19 TOPOUT 20 ENDIN 21 ENDOUT 22 RLP1 23 RLM1 24 RLO1 25 RLDO1 26 RLP2 27 RLM2 28 RLO2 29 RLDO2 30 VCC2 31 LIMOUT 32 DEC1 33 DEC2 34 XRESET 35 MCK 36 SCK 37 XCS 38 SI 39 DGND 40 CSR 41 CBIN 42 CBOUT 43 CBLOUT 44 DBIN 45 DBOUT 46 ISNF 47 VG 48 PGC 49 PGIN 50 PGOUT 51 VREF 52 DFGIN 53 DFGOUT 54 DFC 55 DFILTER 56 UIN 57 VIN 58 WIN 59 COM 60 D_PGND 61 NC 62 NC 63 D_U 64 D_VS 65 D_V 66 NC 67 D_VS 68 D_W 69 L_OUT1 70 L_VM 71 NC 72 L_OUT2 73 L_PGND 74 C_U 75 C_VS 76 C_V 77 C_VS 78 C_W 79 NC 80 CAPON CAP_ON CAP_FWD DRUM_FG DRUM_PG XRST_VTR XVSP_SCK VSP_SO XCS_IC_9001 0.01u C9025 16V 0.1u C9040 16V 0.047u C9028 10V SPCK 1u C9026 6.3V 2200 R9024 0.01u 16V C9009 0.01u 16V C9010 1u C9004 6.3V 2SC5658T2LQ/R Q9002 XREEL_HALL_ON 100k R9027 TAPE_LED_ON 4700 R9025 270 R9014 MODE_SW_C MODE_SW_A 33 R9001 DEW_AD 33 R9002 4.7uH L9001 XCC_DOWN REC_PROOF CHIME_VDD CHIME_SCK 27P CN9002 1 2 3 4 5 6 7 8 9 10 11 12 13 14 15 16 17 18 19 20 21 22 23 24 25 26 27 MODE_SW_B CHIME_SDA REG_GND 0.1u C9001 CN9001 10P 1 2 3 4 5 6 7 8 9 10 1k R9003 1k R9012 C9023 0.1u 47k R9028 0uH FB9001 0.001u 50V C9043 1 2 3 4 0.01u 16V C9044 1 2 3 4 27P CN9003 1 2 3 4 5 6 7 8 9 10 11 12 13 14 15 16 17 18 19 20 21 22 23 24 25 26 27 22k R9026 0.047u 10V C9045 1 2 3 4 10k RB9001 1 2 3 4 5 6 7 8 2SA2030T2L Q9003 1 A DRUM_PG_SENS FG_PG_COM DRUM_FG_SENS DRUM_COM DRUM_U DRUM_V DRUM_W LM_+ LM_- DRUM_FG_SENS DRUM_PG_SENS FG_PG_COM DRUM_COM DRUM_U DRUM_W DRUM_V REC_PROOF CHIME_VDD CHIME_SDA CHIME_SCK REC_PROOF CHIME_VDD CHIME_SCK CHIME_SDA UHE+ UHE- VHE+ VHE- WHE+ CAP_W HE_VCC MR_VCC CAP_U FG1 FG2 WHE- CAP_V CAP_ON CAP_W CAP_V CAP_U MR_VCC FG1 FG2 UHE+ UHE- VHE+ VHE- WHE+ WHE- HE_VCC T_REEL_+ T_REEL_- S_REEL_- S_REEL_+ TAPE_END_C TAPE_LED_A TAPE_LED_K XCC_DOWN TAPE_TOP_C MODE_SW_C MODE_SW_B MODE_SW_A DEW_AD CAP_FWD CAP_FG TAPE_TOP TAPE_TOP_C TAPE_END_C TAPE_END S_REEL_+ S_REEL_- SREEL_FG T_REEL_+ T_REEL_- LM_LIM_DET XCS_IC_9001 TAPE_LED_ON XREEL_HALL_ON SENSOR_VCC TAPE_LED_A TAPE_LED_K DRUM_FG DRUM_PG UNLOAD LOAD DRUM_PWM CAP_PWM UNLOAD LOAD XCS_IC_9001 DRUM_PWM CAP_PWM LM_LIM_DET TREEL_FG SREEL_FG TAPE_TOP TAPE_END DRUM_FG DRUM_PG MODE_SW_A MODE_SW_B MODE_SW_C XREEL_HALL_ON TAPE_LED_ON CAP_FWD CAP_FG CAP_ON DEW_AD XCC_DOWN TREEL_FG LM_- LM_+ SENSOR_VCC FG_GND TAPE_TOP M_COM CAP_W XMODE_SW_A XREC_PROOF WHE+ CHIME_SDA PG SW_COM/SW_GND SREEL+ CAP_W CAP_U CAP_V LM_LOAD HALL_GND HE_VCC DRUM_U TREEL- CAP_W TAPE_LED_A DRUM_U CHIME_SCK CAP_V VHE- DRUM_W LM_UNLOAD UHE+ TOP/END_GND SREEL- CAP_U XMODE_SW_C DRUM_V HE_GND DRUM_V CAP_V CAP_V XCCDOWN_SW FG2 TAPE_LED_K UHE- N.C. DEW+ FG XMODE_SW_B FG_GND CAP_W CHIME_VDD CAP_U LM_LOAD FG1 DEW- DRUM_W FG/PG_COM FG_VCC HALL_VCC LM_UNLOAD TREEL+ TAPE_END FG_VCC VHE+ CAP_U MIC/REC_SW_GND WHE- MT_GND (11/12) @043 MOTOR CAPSTAN DRUM MOTOR HALL PAGE 4-75 (2/2) (LOADING MOTOR) PG/FG of LEVEL2 Z MECHANISM FG M901 (MDX-Z210) MECHANISM BLOCK DECK M903 (11/12) @042 (7/12) @041 IC9001 @037 (7/12) (9/12) @044 (3/12) @017 @023 (7/12) @013 (5/12) (7/12) B+ SWITCH LED DRIVE DRUM/CASTAN/LOADING MOTOR DRIVE E 5 J 3 H C 6 12 SERVO 2 XX MARK:NO MOUNT 9 14 11 7 G 4 L 10 I 05 K 8 VC-376 BOARD (8/12) D F B 13 DCR-HC17E/HC19E/HC21/HC21E/HC22E/HC32/HC32E/HC33/HC33E For Schematic Diagram • Refer to page 4-83 for printed wiring board. 4-25 4-26 VC-376 (9/12) C8002 XX C8003 XX C8004 XX C8001 XX XX R8006 (6/12) (12/12) NO MARK:REC/PB MODE : Voltage measurment of the CSP ICs and the Transistors with mark, are not possible. NON CRADLE model CRADLE model 40 41 NON CRADLE model: DCR-HC17E/HC19E/HC21/HC21E CRADLE model: DCR-HC22E 3 2.8 0 3 2.8 0.2 2.8 0.2 100k R8031 REG_GND XCC_DOWN IC_8001_SO 1M ±0.5% R8012 4700 R8013 470k ±0.5% R8015 100k ±0.5% R8011 XSYS_RST 47k ±0.5% R8016 BATT/XEXT KEY_AD1 XF_TALLY_LED D_2.8V BATT_SIG 1SS355TE-17 D8003 0.1u C8009 HN1L02FU(TE85R) Q8001 3 5 4 6 2 1 1M R8018 15p C8010 10M R8014 0 R8017 18p C8013 10MHz X8002 1 2 3 470 R8020 100k R8021 FAST_CHARGE INIT_CHARGE_ON XCS_IC_8001 IC_8001_SCK OSD_V VOUT LANC_IN IC8001 MB89097LGA-G-185-ER 1 2 3 4 5 6 7 8 9 10 11 12 13 14 15 16 17 18 19 20 21 22 23 24 25 26 27 28 29 30 31 32 33 34 35 36 37 38 39 40 41 42 43 44 45 46 47 48 49 50 51 52 53 54 55 56 57 58 59 60 61 62 63 64 65 66 67 68 69 70 71 72 73 74 75 76 77 78 79 80 0.01u C8007 47k R8007 RB8004 1k 1 2 3 4 5 6 7 8 HI_EVER_SCK HI_EVER_SO 0.1u C8014 BATT_IN XRESET EVER_3.0V SIRCS_SIG BATT_UNREG VTR_UNREG VTR_DD_ON XCS_DD 4V 22u C8006 RB8002 1k 1 2 3 4 5 6 7 8 IC_8001_SI LANC_OUT XLANC_PWR_ON XLANC_ON 100k R8005 1M R8004 XLANC_JACK_IN RB8006 100k 1 2 3 4 5 6 7 8 TP_X TP_Y TP_SEL1 1M R8002 100k R8001 R8010 1k UNR31A600LS0 Q8002 C8015 0.01u MULTI_JACK_IN 1k R8024 100k R8026 100k R8027 0.01u C8008 1k R8028 RB8007 1k 1 2 3 4 5 6 7 8 32.768kHz X8001 1 2 3 4 0.01u C8019 0.01u C8018 10k RB8008 1 2 3 4 5 6 7 8 100k R8030 1k R8029 0.01u C8020 MULTI_JACK_IN_CRADLE D1007 RSE6.8XN-TR 1 2 6 5 4 3 14P CN1001 1 2 3 4 5 6 7 8 9 10 11 12 13 14 D1006 RSE6.8XN-TR 1 2 6 5 4 3 150 R1011 XRESET XEASY_MODE_LED 8P CN1002 1 2 3 4 5 6 7 8 MT_5V SYS_V ZOOM_VR_AD 1 A XF_TALLY_LED KEY_AD1 XCC_DOWN BATT_SIG BATT/XEXT BATT_IN FAST_CHARGE XSYS_RST IC_8001_SCK INIT_CHARGE_ON HI_EVER_SO VTR_DD_ON FAST_CHARGE INIT_CHARGE_ON XCS_DD SYS_V XLANC_PWR_ON XCAM_LED OSD_V HI_EVER_SCK IC_8001_SCK IC_8001_SO XCS_IC_8001 LANC_IN LANC_OUT SIRCS_SIG BATT_IN IC_8001_SO IC_8001_SI OSD_V XCS_IC_8001 VTR_DD_ON XCS_DD XF_TALLY_LED XLANC_PWR_ON XCC_DOWN HI_EVER_SO HI_EVER_SCK XLANC_ON XLANC_ON XLANC_JACK_IN BATT_SIG SIRCS_SIG IC_8001_SI TP_SEL1 TP_SEL2 XSYS_RST XVTR_LED TP_SEL2 TP_X TP_Y MULTI_JACK_IN LANC_OUT TP_X KEY_AD1 LANC_IN TP_SEL1 MULTI_JACK_IN_CRADLE MULTI_JACK_IN_CRADLE KEY_AD0 XCAM_LED XVTR_LED XMODE_SW XPOWER_SW KEY_AD2 ZOOM_VR_AD XEJECT_SW XRESET BATT/XEXT TP_Y XLANC_JACK_IN KEY_AD3 KEY_AD2 KEY_AD0 XMODE_SW XPOWER_SW XBATT_INFO_SW MULTI_JACK_IN XRESET KEY_AD3 XBATT_INFO_SW XEASY_MODE_LED XEJECT_SW SYS_V XEASY_MODE_LED ZOOM_VR_AD VCC XLANC_JACK_IN X1A(OUT) MULTI_JACK_IN_CRADLE TP_Y SYS_V VTR_DD_SENSE CHRGELED/LCD_LED_ON XEJECT_SW XDS_RST LANC_IN TP_SEL1 XCS_DD STRB_LED_ON KEY_AD2 XSIRCS_IN VCC X_TAL KEY_AD0 F_TALLY IC_8001_RXD0 GND X0A(IN) MULTI_JACK_IN ACV_SENSE STROBO_PLUNGER BATT/EXT XSS_SW(BATT_INFO_SW) VTR_DD_ON KEY_AD1 MODE_SW XCS_LCD_DRIVER TP_SEL2 TEST LANC_OUT INIT_CHARGE XSYS_RST VTR_LED BATT_SENSE VCC HOT_SHOEID2 RST_X KEY_AD5 XMEM_ON TP_X POWER_SW DD_COM/XPRD TEST IB_SI XHI_DS_HELP HI_EVER_SCK XLANC_POWER_ON IC_8001_SCK0 FAST_CHARGE SYS_V_OUT XLANC_ON N.C KEY_AD3 GND SHOE_ON DIAL_B AVREF XPHOTO_FREEZE HOT_SHOEID1 CAM_LED ASWAN/XPUCHIASWAN MEM_LED HI_EVER_SO IB_SO BATT_IN XCC_DOWN SIRCS_OUT BT_LED_ON KEY_AD4 LCD_COM/XDATA X_TAL GND DIAL_A IC_8001_TXD0 REG_GND XPOWER_SW KEY_AD2(PHOTO) REG_GND XEJECT_SW MODE_LED_VDD ZOOM_VR XCAM_LED REG_GND KEY_AD0(SS) D_2.8V TOUCH PANEL SELECT SWITCH @046 (12/12) (12/12) @047 BATTERY CHARGE DETECTOR (11/12) @045 HI CONTROL IC8001 IC_8001_XCSO CHARGE_LED_VDD EASY_LED_VDD REG_GND XEASY_LED REG_GND KEY_AD3 BATT_INFO XCHARGE_LED (SS10300) PAGE 4-77 of LEVEL2 BLOCK CONTROL KEY BOARD PAGE 4-74 of LEVEL2 LND001-LND008 FLEXIBLE FP-187 @048 (11/12) @033 (7/12) (8/12) @044 @049 (10/12) (7/12) @039 (3/12) (7/12) @012 H C 6 12 2 XX MARK:NO MOUNT 9 14 11 7 G 4 10 I 15 05 8 VC-376 BOARD (9/12) D F 17 B 13 HI CONTROL E 16 5 3 XMODE_SW XVTR_LED N.C. VOUT DCR-HC17E/HC19E/HC21/HC21E/HC22E/HC32/HC32E/HC33/HC33E For Schematic Diagram • Refer to page 4-83 for printed wiring board. 4-27 4-28 VC-376 (10/12) The components identified by mark 0 or dotted line with mark 0 are critical for safety. Replace only with part number specified. Les composants identifiés par une marque 0 sont critiques pour la sécurité. Ne les remplacer que par une piéce portant le numéro spécifié. NO MARK:REC/PB MODE NON CRADLE model: DCR-HC17E/HC19E/HC21/HC21E CRADLE model: DCR-HC22E NON CRADLE model CRADLE model NON CRADLE model CRADLE model 8.3 8.1 8.3 0 7.7 8.1 0 0 3 8.3 8.1 8.1 0 0.1 7.8 7.8 7.7 0 7.8 8.1 0 R2010 BATT_SIG VTR_UNREG 1SS400TE-61 D2005 MAZS068008SO D2002 INIT_CHARGE_ON ACV_UNREG EMB2T2R Q2005 6 2 1 3 5 4 1k R2001 0.1u C2007 10V C2003 10u 2SB798-T1-DLDK Q2003 0.1u C2006 TPCS8302(TE12L) Q2002 1 4 2 3 8 5 6 7 DAP222-TL D2006 1 2 3 LF2001 0uH 2 1 4 3 BATT/XEXT BATT/XEXT_CR REG_GND 10V C2002 10u MT/15.5/BL_UNREG 6800 R2008 10 R2006 0.1u C2005 FAST_CHARGE BATT_UNREG 30P CN2001 10V C2004 10u 0.022u C2001 MA4ZD03001S0 D2003 2 3 1 4 0.1u C2008 1200 R2007 100k R2004 C/D_UNREG 2SC5658T2LQ/R Q2001 1M R2005 UNR32A300LS0 Q2004 Q2006 UNR32A300LS0 1 A BATT_UNREG G ACV_UNREG ACV_UNREG BATT_GND ACV_GND ACV_UNREG G N.C. N.C. ACV_GND D ACV_GND ACV_GND BATT_UNREG BATT_UNREG D ACV_UNREG BATT_GND ACV_UNREG N.C. BATT/XEXT S BATT_GND ACV_GND S BATT_UNREG BATT_GND N.C. BATT_UNREG ACV_GND BATT_GND ACV_UNREG BATT_SIG BATT_UNREG BATT_GND 24 21 15 16 30 12 8 5 22 6 28 10 18 7 4 2 3 29 19 11 9 26 17 1 23 27 20 25 13 14 (12/12) @050 PAGE 4-74 FLEXIBLE of LEVEL2 BOARD LND001-LND030 FP-180 DOUBLE INSERTION DETECT SWITCH CHARGE CONTROL Q2003,2004 SWITCH SWITCH (9/12) @049 (11/12) @051 05 9 2 7 D 4 3 DC IN (FU BLOCK) B 8 XX MARK:NO MOUNT 6 5 E F VC-376 BOARD (10/12) 10 G C F004 1.4A/32V F002 1.4A/32V F001 1.4A/32V F003 1.4A/32V D2001 MAZS068008SO: MAZS120008SO: DCR-HC17E/HC19E/HC21/HC21E/HC22E/HC32/HC32E/HC33/HC33E For Schematic Diagram • Refer to page 4-83 for printed wiring board. 4-29 4-30 VC-376 (11/12) C2247 XX XX Q2215 XX R2221 XX R2232 XX R2228 XX R2230 XX R2222 XX R2227 ±0.5% XX R2223 ±0.5% XX R2224 XX R2229 XX Q2216 6 2 1 3 5 4 XX R2226 XX R2231 D_1.9V 6.3V XX C2252 XX R2234 XX R2235 XX R2236 XX R2237 XX R2238 XX R2239 XX R2240 XX R2241 XX R2242 XX R2243 XX R2244 XX R2245 XX R2246 D_2.8V NO MARK:REC/PB MODE : Voltage measurment of the CSP ICs and the Transistors with mark, are not possible. R:REC MODE P:PB MODE 42 43 1.5 8.3 1.5 2.3 2.8 8.3 4.3 3.3 2.8 2.6 8.3 4.9 7.5 4.9 8.3 4.6 7 4.6 8.3 1 4.6 13.2 13.8 15.6 R14.7/P0 R14.9 /P15.5 15.6 8.5 R-7.4/P0 R-7.4/P0 R14.9 R-14.2 /P-14.6 R0.4/P0 R0/P0.2 15.6 -14.8 R-14.2/P-14.6 2.8 3.1 8.3 4.8 2.4 15.6 4.8 3.2 1.6 1 3.5 2.4 REG_GND 4.7u 10V C2229 4.7uH L2212 1u 25V C2234 6.3V 10u C2236 C/D_UNREG 1u 16V C2233 4700p C2205 10V 2.2u C2251 12k R2213 4.7uH L2209 REG_GND 1k R2207 SSM6K30FE(TPLR3) Q2202 1 3 4 2 5 6 10u 6.3V C2239 L2214 4.7uH 6.3V 2.2u C2231 0.047u C2202 4.7u 10V C2230 L2202 22uH 100 R2210 33uH L2206 10V 4.7u C2223 ±0.5% 9100 R2218 10u 6.3V C2246 4.7u 16V C2232 1u C2219 MT_5V LANC_DC 22u C2245 6.3V 4.7u C2222 6.3V 4.7u C2224 2.2 R2211 REG_GND 2700 R2202 910 R2206 0.01u C2210 0.1u C2216 2SA2029T2LQ/R Q2212 MT/15.5/BL_UNREG BL_-15.5V VOUT CAP_VS 10V 2.2u C2250 2SA2029T2LQ/R Q2211 16V 4.7u C2249 XLANC_PWR_ON 4.7uH L2213 A_4.6V LANC_IN XCS_DD EP_4.6V 10u 6.3V C2241 UP04401008S0 Q2214 6 2 1 3 5 4 D2205 MA4ZD03001S0 2 3 1 4 33uH L2207 L2211 4.7uH 220p C2211 RP_4.6V SCH2807-TL-E Q2207 1 2 3 4 5 6 22k R2216 L2210 4.7uH MB44A125ALGL-G-ERE1 IC2201 1 2 3 4 5 6 7 8 9 10 11 12 13 14 15 16 17 18 19 20 21 22 23 24 25 26 27 28 29 30 31 32 33 34 35 36 37 38 39 40 41 42 43 44 45 46 47 48 49 50 51 52 53 54 55 56 57 58 59 60 61 62 63 64 65 66 67 68 69 70 71 72 73 74 75 76 77 78 79 80 1u 16V C2235 L2216 4.7uH 10V 4.7u C2225 10V 4.7u C2228 MA2SD10008S0 D2203 56k R2208 0.022u C2209 DRUM_ERROR SCH2807-TL-E Q2208 1 2 3 4 5 6 MCH5819-TL-E Q2209 5 2 1 3 4 SCH2816-TL-E Q2205 1 2 3 4 5 6 EP_8.5V 10uH L2208 XRESET D_1.5V 33uH L2204 16V 2.2u C2221 10u 6.3V C2244 22u C2242 C2207 1500p SCH2806-TL-E Q2204 1 2 3 4 5 6 22uH L2201 6.3V 10u C2237 CAP_ERROR 2SC5658T2LQ/R Q2213 10u 6.3V C2240 L2218 4.7uH 0.1u C2203 22uH L2205 2SC5658T2LQ/R Q2210 68k R2204 100k R2215 CAM_DD_ON 10u 6.3V C2243 BATT_IN 1u C2215 ±0.5% 56k R2201 0.1u C2214 0.1u C2213 IC_9001_13.5V A_2.8V MA4SD1000LS0 D2204 2 3 1 4 100k R2214 1u C2217 0.1u C2212 0.022u C2208 10u 6.3V C2238 XLANC_ON ±0.5% 220k R2219 NJM2867F31(TE2) IC2202 1 2 3 4 5 MAS3132E0LS0 D2201 1 2 3 HI_EVER_SCK SSM6K30FE(TPLR3) Q2201 1 3 4 2 5 6 16V 2.2u C2220 6800 R2203 6.3V 10u C2218 0.1u C2248 4700 R2209 USB_3.1V 6.3V 4.7u C2227 1SS357-TPH3 D2202 0.1u C2201 LI_3V 0.01u C2204 VTR_DD_ON LANC_SIG ±0.5% 100k R2217 SCH2806-TL-E Q2206 1 2 3 4 5 6 22uH L2203 6.3V 4.7u C2226 4.7uH L2219 VTR_UNREG LANC_OUT 22uH L2215 EVER_3.0V BATT_UNREG D_2.8V HI_EVER_SO 0.001u C2206 L2217 4.7uH SCH2816-TL-E Q2203 1 2 3 4 5 6 82k R2205 CL2201 REG_GND CAM_-7.5V A_2.8V CAM_15V D_2.8V MT_5V D_2.8V NS_2.8V A_4.6V A_2.8V RP_2.8V AU_2.8V EP_2.8V A_4.6V D_2.8V AU_4.6V EP_8.5V DRUM_VS D_2.8V D_1.5V D_2.8V EP_2.8V EP_4.6V A_2.8V BATT_UNREG MT_5V D_2.8V 1 A VTR_UNREG VTR_UNREG VTR_UNREG VS3 OUT7 OUT2 VS6 OUT2 EP_8.5V VCONT5 VCONT5 OUT7 VCONT6 VS6 OUT6 VS2 VS3 VS5 VS5 OUT1-1 OUT5 VS1 OUT5 VS4 CAM_15V VCONT6 OUT1-1 OUT3-1 OUT6 OUT3-2 OUT1-2 VS2 VS4 OUT4 OUT4 OUT3-2 IN7 IN1 MT_5V IN3 IN4 CAP_VS DRUM_VS IN7 XLANC_ON LANC_IN XLANC_PWR_ON LANC_OUT LANC_IN LANC_OUT XLANC_PWR_ON XLANC_ON IN1 CAP_VS DRUM_VS CAM_15V EP_8.5V MT_5V VS1 OUT1-2 OUT3-1 IN4 IN3 FB4 VS6 OUTC1 -INE7 IN7 IN5 CSCP VCC2 VR -INE3 -INE6 OUT4 VS1 VCONT5 VCONT6 DATA_IN +INE5 NP_CTL IN3 VOUT1 OUT6 DATA_OUT OUT1-2 VS2 VREF VS4 FB6 +INE2 WAKE_UP VCC1 VS3 DIN -INE2 VOUT5 IN2 CTL1 OUT5 -INE1 VCC3 LD VS5 IN6 FB7 VOUT3 VBATT GNDO XCTL2 VOUT2 FB1 IN1 OUT7 RT REG6CTL IN4 -INE5 -INA -INE4 VCCO1 VCCO2 LANC_OUT VOUT6 RESET FB2 -INE8 VOUT4 OUT3-1 OUTC2 OUTA FB3 OUT3-2 OUT2 CS SENSE +INE6 GND2 VB CLK GND1 FB5 OUT1-1 (VOUT5) (VOUT5) (VOUT6) (VOUT6) (IN2) BL_GND MT_GND (IN2) IC2202 3.1V REG (10/12) @051 (9/12) @048 @043 (8/12) IC2201 DRUM/CAPSTAN PWM DRIVE, DC CONTROL, RESET, LANC DRIVE (12/12) @052 SWITCHING SWITCHING SWITCHING SWITCHING SWITCHING SWITCHING SWITCHING SWITCHING SWITCHING 13.5V REG 15V REG 8.5V REG Q2213,2214 -7.5V REG (1/12) @001 @006 (2/12) @010 (3/12) (4/12) @024 @027 (5/12) (6/12) @032 (8/12) @042 @040 (7/12) (12/12) @053 (9/12) @045 (1/12) (7/12) @003 H C 6 12 2 18 9 14 11 7 G 4 22 L 24 10 I 15 05 K 8 23 19 DC/DC CONVERTER (DD BLOCK) D F 17 B 13 21 XX MARK:NO MOUNT E 16 5 J 3 20 VC-376 BOARD (11/12) 3.0V LANC_DC VOUT DCR-HC17E/HC19E/HC21/HC21E/HC22E/HC32/HC32E/HC33/HC33E For Schematic Diagram • Refer to page 4-83 for printed wiring board. 4-31 4-32 VC-376 (12/12) XX CN1009 1 2 3 4 5 6 7 8 9 10 11 12 13 14 15 16 EEP_SI XCS_MC_FLASH RF_MON SWP XSYS_RST EEP_SO GND D_2.8V MD2 EEP_SCK GND EEP_SO EEP_SCK GND XCS_EEP EEP_SI D_2.8V MD2 XCS_MC_FLASH XSYS_RST D_2.8V D_2.8V XSYS_RST XSYS_RST @033 (6/12) (7/12) (9/12) MD2 XCS_MC_FLASH MD2 XCS_MC_FLASH XCRADLE_IN XCRADLE_IN XCRADLE_IN NO MARK:REC/PB MODE NON CRADLE model: DCR-HC17E/HC19E/HC21/HC21E CRADLE model: DCR-HC22E NON CRADLE model CRADLE model 0 2.2 470 R1008 USB_D+ ACV_UNREG RB1003 0 1 2 3 4 5 6 7 8 TPB- S_Y_I/O S_C_I/O INT_MIC_R 0.1u C1002 REG_GND XSHUTTER_OPEN EEP_SCK TPA+ 0.1u C1001 LANC_SIG REG_GND REG_GND 24P CN1006 1 2 3 4 5 6 7 8 9 10 11 12 13 14 15 16 17 18 19 20 21 22 23 24 8P CN1007 1 2 3 4 5 6 7 8 REG_GND 3300 R1015 INT_MIC_L MULTI_JACK_IN_CRADLE AUDIO_R_I/O SWP A_2.8V PANEL_R RSE6.8XN-TR D1005 1 2 6 5 4 3 VD_SI RB1001 1k 1 2 3 4 5 6 7 8 TP_SEL1 KEY_AD1 SP- 1k R1017 TP_Y EP_2.8V EEP_SO XF_TALLY_LED TPA- LANC_DC 10k R1016 XLANC_JACK_IN PANEL_G EEP_SI 2SC5663T2L Q1001 VD_SCK NS_2.8V EP_8.5V 18P CN1004 1 2 3 4 5 6 7 8 9 10 11 12 13 14 15 16 17 18 USB_D- A_4.6V LI_3V IR_ON AUDIO_L_I/O REG_GND PANEL_HD PANEL_VD 1SS357(T3SONY1) D1016 VST_C_RESET VD_SO 45P CN1008 1 2 3 4 5 6 7 8 9 10 11 12 13 14 15 16 17 18 19 20 21 22 23 24 25 26 27 28 29 30 31 32 33 34 35 36 37 38 39 40 41 42 43 44 45 YAW_AD TP_X EP_4.6V SP+ SIRCS_SIG 51P CN1003 1 2 3 4 5 6 7 8 9 10 11 12 13 14 15 16 17 18 19 20 21 22 23 24 25 26 27 28 29 30 31 32 33 34 35 36 37 38 39 40 41 42 43 44 45 46 47 48 49 50 51 PANEL_B VIDEO_I/O BATT/XEXT_CR RF_MON 22 R1012 XCS_EEP 22 R1013 10k R1001 USB_DET PITCH_AD MAZS120008SO D1017 TPB+ XCS_LCD RB1002 0 1 2 3 4 5 6 7 8 BL_-15.5V MULTI_JACK_IN XRESET 0.2A/50V F1002 NSAD500H-T1-A D1018 5 4 3 2 1 0.2A/50V F1001 1 A LANC_SIG XLANC_JACK_IN LANC_DC AUDIO_L_I/O AUDIO_R_I/O TPA- TPA+ TPB- TPB+ USB_D- USB_D+ USB_DET SP+ SP- XRESET XRESET A_2.8V NS_2.8V A_4.6V XF_TALLY_LED SIRCS_SIG XSHUTTER_OPEN INT_MIC_L INT_MIC_R PITCH_AD YAW_AD VST_C_RESET VIDEO_I/O S_Y_I/O S_C_I/O MULTI_JACK_IN IR_ON EEP_SI EEP_SO EEP_SCK XCS_EEP SWP RF_MON IR_ON XSHUTTER_OPEN PITCH_AD YAW_AD VST_C_RESET EEP_SI EEP_SO EEP_SCK XCS_EEP XF_TALLY_LED SIRCS_SIG INT_MIC_L INT_MIC_R RF_MON SWP NS_2.8V BL_-15.5V EP_8.5V EP_4.6V EP_2.8V LI_3V NS_2.8V A_2.8V A_4.6V LI_3V EP_2.8V EP_4.6V EP_8.5V BL_-15.5V BATT/XEXT_CR LANC_SIG LANC_DC S_C_I/O S_Y_I/O AUDIO_L_I/O AUDIO_R_I/O MULTI_JACK_IN_CRADLE VIDEO_I/O TPA+ TPA- TPB+ TPB- USB_D+ USB_D- USB_DET VD_SO VD_SCK XCS_LCD VD_SI TP_X TP_SEL1 TP_Y PANEL_VD PANEL_HD KEY_AD1 PANEL_B PANEL_G PANEL_R BATT/XEXT_CR LANC_DC LANC_SIG TPB- TPB+ TPA- TPA+ AUDIO_R_I/O AUDIO_L_I/O SP+ SP- S_Y_I/O VIDEO_I/O S_C_I/O USB_D- USB_D+ PANEL_HD PANEL_VD PANEL_G PANEL_R PANEL_B VD_SCK VD_SO VD_SI XCS_LCD USB_DET XRESET KEY_AD1 XLANC_JACK_IN MULTI_JACK_IN_CRADLE MULTI_JACK_IN TP_Y TP_X TP_SEL1 TP_Y BL_-15.5V EP_4.6V VD_SI TP_SEL1 VD_SCK REG_GND PANEL_HD REG_GND PANEL_G PANEL_R PANEL_VD EP_8.5V VD_SO PANEL_B EP_2.8V NS_2.8V KEY_AD1 XCS_LCD TP_X BL_GND REG_GND SWP XCS_EEP RF_MON EEP_SO EEP_SI GND GND EEP_SCK XF_TALLY_LED NS_2.8V INT_MIC_L MIC_GND NS_LED_K MIC_GND REG_GND NS_LED_A A_4.6V INT_MIC_R SIRCS_SIG XSHUTTER_OPEN (MIC_GND) A_2.8V PITCH_AD REG_GND VST_C_RESET YAW_AD REG_GND N.C. REG_GND N.C. MS_INSERT (N.C.) N.C. XACCESS_LED (N.C.) REG_GND MS_VCC (N.C.) D_2.8V (N.C.) MS_DIO (N.C.) MS_BS (N.C.) LI_3V SP- SP+ REG_GND MS_SCLK (N.C.) XRESET N.C. XLANC_JACK_IN REG_GND TPB REG_GND REG_GND REG_GND USB_D- USB_DET NTPB LANC_DC REG_GND USB_D+ REG_GND S_C TPA AUDIO_L_I/O REG_GND VIDEO_I/O LANC_SIG S_Y REG_GND AUDIO_R_I/O NTPA REG_GND REG_GND REG_GND MULTI_JACK_IN REG_GND AUDIO_R_I/O REG_GND USB_DET ACV_GND NTPB ACV_UNREG REG_GND ACV_UNREG XCRADLE_IN ACV_UNREG USB_D+ ACV_GND AUDIO_L_I/O ACV_UNREG REG_GND NTPA ACV_GND TPB REG_GND BATT/XEXT REG_GND ACV_GND REG_GND MULTI_JACK_IN ACV_GND ACV_GND ACV_UNREG LANC_SIG REG_GND S_Y_I/O N.C ACV_UNREG ACV_GND LANC_DC REG_GND REG_GND ACV_GND N.C S_C_I/O ACV_UNREG ACV_GND ACV_UNREG TPA ACV_UNREG VIDEO_I/O ACV_UNREG N.C ACV_GND N.C USB_D- REG_GND REG_GND (BL_GND) (7/12) @036 (9/12) @047 (5/12) @029 (4/12) @025 (4/12) (7/12) @054 (11/12) @053 (10/12) @050 @052 (11/12) (3/12) @016 @030 (5/12) (3/12) @019 @014 (3/12) @038 (7/12) @046 (9/12) (6/12) (6/12) (7/12) (7/12) @035 CN603 FFC-038 FLEXIBLE of LEVEL2 PAGE 4-70 LND001-LND045 THROUGH THE FLEXIBLE PAGE 4-71 BOARD SI-042 of LEVEL2 FP-182 CPC (FOR CHECK) of LEVEL2 THROUGH THE FP-190 FLEXIBLE PAGE 4-67 CR-050 CN001 of LEVEL2 THROUGH THE FP-185 FLEXIBLE PAGE 4-65 PD-237 CN601 XX MARK:NO MOUNT H C 6 12 2 VC-376 BOARD (12/12) 9 14 11 7 G 4 CONNECTOR (CN BLOCK) L 10 I 15 05 K 8 D F B 13 E 5 J 3 LED DRIVE The components identified by mark 0 or dotted line with mark 0 are critical for safety. Replace only with part number specified. Les composants identifiés par une marque 0 sont critiques pour la sécurité. Ne les remplacer que par une piéce portant le numéro spécifié. DCR-HC17E/HC19E/HC21/HC21E/HC22E/HC32/HC32E/HC33/HC33E Link Link 4-3. PRINTED WIRING BOARDS VC-376 BOARD (SIDE A) VC-376 BOARD (SIDE B) VC-376 BOARD (SIDE A) VC-376 BOARD (SIDE B) WAVEFORMS MOUNTED PARTS LOCATION COMMON NOTE FOR PRINTED WIRING BOARDS WAVEFORMS MOUNTED PARTS LOCATION COMMON NOTE FOR PRINTED WIRING BOARDS Board Name Function VC-376 A/D CONVERTER, TIMING GENERATOR, LENS DRIVE, EVR, DV SIGNAL PROCESS, DV INTERFACE, REC/PB AMP, VIDEO OUT, AUDIO I/O, EVF DRIVE, CAMERA/MECHA CONTROL, SERVO, HI CONTROL, DC IN, DC/DC CONVERTER, CONNECTOR 4-79 DCR-HC17E/HC19E/HC21/HC21E/HC22E/HC32/HC32E/HC33/HC33E 4-3. PRINTED WIRING BOARDS 4-3. PRINTED WIRING BOARDS 4-3. PRINTED WIRING BOARDS Board Name Waveforms Parts Location Pattern (Shown on Page) (Shown on Page) Total Number of Layers Layers Not Indicated VC-376 4-102 4-113 6 layers 2 to 5 layers • : Uses unleaded solder. • : Circuit board : Flexible board Pattern from the side which enables seeing. : pattern of the rear side (The other layers’ patterns are not indicated) • Through hole is omitted. • Circled numbers refer to waveforms. • There are a few cases that the part printed on diagram isn’t mounted in this model. • C: panel designation THIS NOTE IS COMMON FOR PRINTED WIRING BOARDS 2 1 3 2 1 3 2 1 3 3 4 5 2 1 1 2 3 6 5 4 E B C 3 1 5 2 4 6 1 2 3 6 5 4 3 1 5 2 4 6 1 2 3 5 4 4 3 1 2 3 1 2 4 5 5 3 4 1 2 1 4 2 3 4 6 2 5 3 1 1 2 4 3 1 4 2 3 • Chip parts. Transistor Diode BOARD INFORMATION DCR-HC17E/HC19E/HC21/HC21E/HC22E/HC32/HC32E/HC33/HC33E 4-83 VC-376 (SIDE A) 4-84 VC-376 Note for Printed Wiring Board (See page 4-83). : Uses unleaded solder. 5 8 4 1 2 1 26 27 C B E CB E B 4 5 1 8 C B E 1 8 1 51 2 50 24 13 1 12 1 5 8 4 1 5 8 4 1 5 8 4 P 1 2 22 23 54 55 108 109 162 163 216 1 1 30 1 5 8 4 A A A A A A 16 1 P 1 12 36 25 48 13 37 24 48 1 12 13 37 36 24 25 1 1 2 3 4 5 8 4 1 2 26 27 1 2 26 27 CB E A 1 7 8 14 C9201 L6002 L6003 L6004 L6005 R9001 L6006 R9003 L6008 R8643 R9014 IC9201 R9025 R9027 CL6001 X8001 L2201 L2202 L2203 L2204 L2205 CN3101 L2206 L2207 L2209 L2210 C3101 X3001 L2213 L2214 Q3101 C3105 L2216 C3106 L2217 Q3103 C3107 L2218 C3108 C3109 C3110 C3111 C3112 C3113 C3114 C3115 C3116 C3117 C3118 C3119 FB3003 FB3004 C3120 LF2001 FB3005 C3121 C6002 C6003 C6004 Q6001 C6005 C3125 C6006 C3126 C6007 Q6003 Q6004 C6008 C3128 C6009 R3101 CN1002 R3102 CN1003 R3106 R3107 C6010 R3108 C6011 R3109 IC3101 C6012 IC3102 C6013 IC3103 C6014 C6015 IC3105 C6016 IC3106 C6017 C6018 R3110 C6019 R3111 R3112 R3113 R3114 R3115 R3116 R3117 C6020 R3118 C6021 R3119 L3001 R3120 C6029 R3121 R6002 R3122 R6003 R3123 R6004 R6005 CN9301 R3125 R6006 R6007 R3127 R6008 R3128 R6009 IC6001 R6010 R3130 R6011 R6012 R3132 R6013 R6014 R3134 R6015 R1001 R3135 R6016 R3136 Q9303 R3137 R6018 R6019 R3140 R3141 R3142 R6023 R3144 D1016 R3146 D1017 R3148 D1018 R1016 R1017 FB9201 R3150 C9321 R3151 CN2001 IC9303 R3166 C2002 C2003 C2004 C2005 C2006 C2007 C2008 F001 F002 F003 F004 R9321 CL3001 F1001 R9322 F1002 R9325 R9326 D2001 D2002 R2001 RB3101 RB3102 RB3103 RB3104 C2236 C2237 C2240 C2241 C2243 C2244 RB6001 C2245 RB6002 CN3002 C8010 C8013 C3001 C3002 C3003 C3004 RB1001 C3005 C3006 C3007 C3008 C3009 C3010 C3011 C3012 C3013 C3014 C3016 C3019 C3020 C3021 C3022 C3023 C3024 D3001 C3026 R8014 R3001 R8017 R3004 R3005 R3007 IC3001 IC3002 C8622 R3012 R3013 R3014 CN9002 IC8602 CN9003 FB6001 C9001 L3101 Q9002 L3102 1 7 2 8 1 7 2 8 1 7 2 8 1 3 4 5 1 7 2 8 1 7 2 8 1 3 4 6 1 7 2 8 1 7 2 8 1 2 3 4 1 8 2 16 1 15 CN1007 CN1009 Note: CN1007 (8P) and CN1009 (16P) have the same mount location. When you replace, since either CN1007 or CN1009 is used, please refer to schematic diagram and electrical parts list. VC-376 BOARD (SIDE A) 1-864-369- 11 21 05 A B C D E 1 2 3 4 5 6 1 3 4 5 7 8 9 10 6 2 40 11 12 13 16 17 18 15 14 20 21 19 DCR-HC17E/HC19E/HC21/HC21E/HC22E/HC32/HC32E/HC33/HC33E 4-86 VC-376 (SIDE B) 4-85 Note for Printed Wiring Board (See page 4-83). : Uses unleaded solder. 48 1 12 13 37 36 24 25 B 1 20 21 40 41 60 61 80 1 12 36 25 48 13 37 24 B 1 16 8 9 14 1 1 2 4 3 1 18 24 1 1 2 44 45 1 5 8 4 1 5 8 4 CB E A 1 12 36 25 48 13 37 24 C B E 4 5 8 1 CB E CB E C B E C B E C B E C B E 1 2 3 4 5 A A A C B E P C B E CB E CB E C B E CB E 1 10 1 10 C B E A C6514 C6708 C6709 R8621 R8622 R8623 C9010 R8624 R8625 C9011 R8626 R8627 C9013 C6710 R8628 R8629 C9015 C6712 C9016 C6713 C6714 C9018 C6716 C6718 R8630 C6719 R8633 C9020 R8634 R6501 C9021 R6502 C9022 R8636 R6503 C9023 R6504 C6720 C9024 R6505 C9025 R6506 C6722 C9026 R6507 C9027 R6508 C6724 C9028 IC6501 C6725 C9029 C6726 R9002 L6007 C6727 C6728 L6009 R8641 R6510 C9030 IC9001 R9009 C9031 R6512 C9032 R6513 R6514 C6730 C9034 FB9301 R6515 C6731 IC6701 C9035 R6516 C6732 IC6702 C9036 C6733 C6734 C9038 R9010 C6735 R9011 C9039 C6736 R9012 R8650 C6738 R8652 R9016 C9040 R9018 C9041 C9042 C9043 C6740 C9044 C9045 C6741 C6742 C6743 C6744 C6745 R9021 C6746 R1013 R1012 R9022 C6747 R9023 C6748 R9024 C6749 R6722 R9026 R6723 R9028 R6724 R6725 R6726 R6727 C6750 R6728 C6751 R6729 C6752 R9032 R9033 L9301 L9302 L9303 LF6001 LF6002 RB8002 RB8004 RB8006 RB8007 RB8008 RB8601 RB8602 RB8603 RB8604 RB8605 RB8606 RB8607 RB8608 RB8609 RB8610 X8002 R6776 R6779 L2208 L2211 L2212 C3103 C3104 C3102 CL9301 L2215 CL9302 Q3102 CL9303 L2219 RB9001 R6799 X8601 RB6701 RB6702 C3124 D3101 D3102 C3127 CN1001 C3129 CN1004 FB8601 FB8602 CN1006 CN1008 IC3104 C1001 C1002 IC3107 Q1001 C6022 C6023 C6024 C6025 C6026 C6027 C6028 1 3 6 4 R3124 CL2201 C6030 C6031 R3129 IC6002 C9301 C9302 C9303 R3133 R3105 R3131 D1005 C9305 C9306 D1006 D1007 C9307 C9308 R3138 C9309 R3139 R1008 R6020 C9310 C9311 R6021 FB9001 R6022 C9312 C9313 R3143 C9314 R1011 C9315 FB6701 R3145 FB6702 FB6703 R3147 R3149 R1015 R8649 C8624 D1019 R6800 R6801 C9322 R3152 R6802 R3153 R6805 R6806 R6807 R6808 R9301 R6809 R9302 R9303 R9306 R9307 R9308 IC9301 R9309 L6501 L6502 R9310 R9311 L9001 R9314 C2001 L6701 L6702 L6704 Q2001 Q2002 Q2003 Q2004 Q2005 Q2006 C2201 C2202 C2203 C2204 Q2201 C2205 C2206 Q2202 C2207 Q2203 C2208 Q2204 C2209 Q2205 Q2206 Q2207 Q2208 Q2209 C2210 C2211 C2212 CL8602 C2213 C2214 Q2210 Q2211 C2215 CL8605 Q2212 C2216 CL8606 Q2213 C2217 CL8607 C2218 Q2214 CL8608 C2219 Q2215 Q2216 D2003 D2005 D2006 R2004 C2220 CL8610 R2005 C2221 CL8611 R2006 C2222 CL8612 R2007 C2223 CL8613 C2224 R2008 CL8614 D2201 C2225 CL8615 D2202 C2226 D2203 C2227 D2204 C2228 R2201 D2205 C2229 R2202 R2203 R2204 R2010 R2205 R2206 R2207 R2208 C2230 IC2201 R2209 C2231 C2232 IC2202 C2233 C2234 C2235 R2210 C2238 R2211 C2239 R2213 R2214 R2215 R2216 R2217 R2218 R2219 C8001 C2242 C8002 C8003 C8004 Q8001 C8006 Q8002 C2246 C8007 C2247 RB6004 C8008 C2248 C2249 C8009 R2221 R2222 R2223 R2224 R2226 R2227 C2250 R2228 R2229 C2251 C2252 C8014 C8015 R2230 C8018 R2231 C8019 RB1002 R2232 RB1003 R2234 R2235 R2236 R2237 R2238 C8020 R2239 C8602 D8003 C8603 R2240 C8604 R2241 R8001 Q8601 C8605 R2242 R8002 Q8602 C8606 R2243 Q8603 C8607 R2244 R8004 Q8604 C8608 R2245 R8005 Q8605 C8609 R2246 R8006 R8007 Q8607 IC8001 C8610 C8611 C8612 C8613 R8010 C8614 R8011 C8615 R8012 C8616 R8013 C8617 C8618 RB9301 R8015 C8619 R8016 R8018 C8623 R8020 C8625 R8021 C8626 R8024 CN6501 R8601 R8026 R8602 R8027 R8603 R8028 R8604 R8029 R8605 R8606 R8608 R8609 CN9001 IC8601 R8030 R8031 C6501 C6502 C6503 C6504 R8610 C6505 R8611 FB6002 C6506 R8612 R8613 C6508 C6509 C9002 R8616 C9004 C6701 C6702 C6703 Q9003 C6510 C6704 C6511 C6705 Q6701 C9009 C6512 C6513 C6707 1 7 2 8 1 7 2 8 1 7 2 8 3 4 1 2 3 4 1 2 1 3 6 8 11 14 16 19 20 80 2 4 7 10 12 15 18 21 79 78 22 23 76 75 77 5 9 13 17 24 26 74 72 73 25 27 28 71 70 69 29 30 31 68 67 65 33 32 34 66 64 57 53 49 45 37 35 36 63 62 38 39 61 58 55 52 50 47 44 42 40 60 59 56 54 51 48 46 43 41 1 7 2 8 2 3 1 4 6 3 1 4 6 3 1 3 5 4 1 1 2 3 4 1 4 2 3 1 3 4 6 1 2 3 1 3 4 6 1 3 4 6 1 3 4 6 1 3 4 6 1 3 4 6 1 3 4 6 1 3 4 6 1 3 4 6 1 2 3 4 5 6 7 8 9 10 11 12 13 14 15 16 17 18 19 20 21 22 23 24 25 26 27 28 29 30 31 32 33 34 35 36 37 38 39 40 41 42 43 44 45 46 47 48 49 50 51 52 53 54 55 56 57 58 59 60 61 62 63 64 65 66 67 68 69 70 71 72 73 74 75 76 77 78 79 80 1 3 1 7 2 8 1 3 4 6 2 4 1 3 1 7 2 8 1 2 3 4 5 6 7 8 9 10 11 12 13 14 15 16 17 18 19 20 21 22 23 24 25 26 27 28 29 30 31 32 33 34 35 36 37 38 39 40 41 42 43 44 45 46 47 48 49 50 51 52 53 54 55 56 57 58 59 60 61 62 63 64 65 66 67 68 69 70 71 72 73 74 75 76 77 78 79 80 1 7 2 8 B E C 1 3 4 6 1 3 6 4 C B E 1 7 2 8 1 7 2 8 1 7 2 8 1 7 2 8 1 7 2 8 1 7 2 8 1 7 2 8 1 3 2 4 5 6 7 8 9 10 11 12 13 14 15 16 17 18 19 20 21 22 23 24 25 26 27 28 29 30 31 32 33 34 35 36 37 38 39 40 41 42 43 44 45 46 47 48 49 50 51 52 53 54 55 56 57 58 59 60 61 62 63 64 65 66 67 68 69 70 71 72 73 74 75 76 77 78 79 80 81 82 83 84 85 86 87 88 89 90 91 92 93 94 95 96 97 98 99 100 101 102 103 104 105 106 107 108 109 110 111 112 113 114 115 116 117 118 119 120 122 123 124 125 121 126 129 128 130 131 132 127 133 134 135 136 137 138 139 140 141 142 143 144 145 146 147 149 150 148 152 153 151 154 155 156 157 158 159 160 161 162 163 164 165 166 167 168 169 170 172 173 171 174 175 176 179 177 178 181 180 183 182 184 185 186 187 189 190 188 193 192 197 196 191 194 199 200 195 203 198 201 206 205 202 204 208 209 212 211 207 213 210 214 215 216 1 7 2 8 1 7 2 8 1 7 2 8 1 7 2 8 2 4 1 3 2 4 1 3 1 7 2 8 2 4 1 3 1 3 4 6 1 7 2 8 1 3 4 6 1 7 2 8 1 7 2 8 C B E VC-376 BOARD (SIDE B) 1-864-369- 11 21 05 A B C D E 1 2 3 4 5 6 22 23 24 26 27 25 28 29 30 31 32 33 34 35 36 38 39 37 41 43 42 D_2.8V VOUT D_1.5V LANC_DC VOUT 3.0V 4-102 DCR-HC17E/HC19E/HC21/HC21E/HC22E/HC32/HC32E/HC33/HC33E 4-4. WAVEFORMS VC-376 BOARD SIDE A VC-376 BOARD SIDE B VC-376 BOARD SIDE A VC-376 BOARD SIDE B VC-376 BOARD (1/5) VC-376 (1/5) 1 IC3001 5 (X3001) REC/PB 2.5 Vp-p 2 4.0 Vp-p IC3001 qs REC/PB 36 MHz 18 MHz 9 6 8 IC3001 wg REC 8.0 Vp-p IC3001 wk REC 25 Vp-p IC3001 ea REC 8.0 Vp-p 5 IC3001 ws REC 3.3 Vp-p V H H V V H IC3001 ed REC 24 Vp-p 4 IC3001 wa REC 3.3 Vp-p 3 IC3001 qk REC 2.8 Vp-p 18 MHz V 7 25 Vp-p IC3001 wh REC 0 4-103 DCR-HC17E/HC19E/HC21/HC21E/HC22E/HC32/HC32E/HC33/HC33E VC-376 BOARD SIDE A VC-376 BOARD SIDE B VC-376 BOARD SIDE A VC-376 BOARD SIDE B VC-376 BOARD (2/5) VC-376 (2/5) qa IC3002 e; REC 600 mVp-p H qs IC6001 uk REC 3.3 Vp-p qd IC6001 C1001 1-125-777-11 CERAMIC CHIP 0.1uF 10% 10V (HC22E) C1002 1-125-777-11 CERAMIC CHIP 0.1uF 10% 10V (HC22E) C2001 1-107-819-11 CERAMIC CHIP 0.022uF 10% 16V C2002 1-165-875-11 CERAMIC CHIP 10uF 10% 10V C2003 1-165-875-11 CERAMIC CHIP 10uF 10% 10V C2004 1-165-875-11 CERAMIC CHIP 10uF 10% 10V C2005 1-125-777-11 CERAMIC CHIP 0.1uF 10% 10V C2006 1-125-777-11 CERAMIC CHIP 0.1uF 10% 10V C2007 1-125-777-11 CERAMIC CHIP 0.1uF 10% 10V C2008 1-125-777-11 CERAMIC CHIP 0.1uF 10% 10V C2201 1-125-777-11 CERAMIC CHIP 0.1uF 10% 10V C2202 1-119-923-11 CERAMIC CHIP 0.047uF 10% 10V C2203 1-125-777-11 CERAMIC CHIP 0.1uF 10% 10V C2204 1-164-943-11 CERAMIC CHIP 0.01uF 10% 16V C2205 1-164-941-11 CERAMIC CHIP 0.0047uF 10% 16V C2206 1-164-937-11 CERAMIC CHIP 0.001uF 10% 50V C2207 1-164-938-11 CERAMIC CHIP 0.0015uF 10% 50V C2208 1-107-819-11 CERAMIC CHIP 0.022uF 10% 16V C2209 1-107-819-11 CERAMIC CHIP 0.022uF 10% 16V C2210 1-164-943-11 CERAMIC CHIP 0.01uF 10% 16V C2211 1-164-882-11 CERAMIC CHIP 220PF 5% 16V C2212 1-125-777-11 CERAMIC CHIP 0.1uF 10% 10V C2213 1-125-777-11 CERAMIC CHIP 0.1uF 10% 10V C2214 1-125-777-11 CERAMIC CHIP 0.1uF 10% 10V C2215 1-165-908-11 CERAMIC CHIP 1uF 10% 10V C2216 1-125-777-11 CERAMIC CHIP 0.1uF 10% 10V C2217 1-165-908-11 CERAMIC CHIP 1uF 10% 10V C2218 1-137-710-11 CERAMIC CHIP 10uF 20% 6.3V C2219 1-165-908-11 CERAMIC CHIP 1uF 10% 10V C2220 1-127-861-11 CERAMIC CHIP 2.2uF 10% 16V C2221 1-127-861-11 CERAMIC CHIP 2.2uF 10% 16V C2222 1-127-760-11 CERAMIC CHIP 4.7uF 10% 6.3V C2223 1-115-566-11 CERAMIC CHIP 4.7uF 10% 10V C2224 1-127-760-11 CERAMIC CHIP 4.7uF 10% 6.3V C2225 1-115-566-11 CERAMIC CHIP 4.7uF 10% 10V C2226 1-127-760-11 CERAMIC CHIP 4.7uF 10% 6.3V C2227 1-127-760-11 CERAMIC CHIP 4.7uF 10% 6.3V C2228 1-115-566-11 CERAMIC CHIP 4.7uF 10% 10V C2229 1-115-566-11 CERAMIC CHIP 4.7uF 10% 10V C2230 1-115-566-11 CERAMIC CHIP 4.7uF 10% 10V C2231 1-125-838-11 CERAMIC CHIP 2.2uF 10% 6.3V C2232 1-127-820-11 CERAMIC CHIP 4.7uF 10% 16V C2233 1-107-682-11 CERAMIC CHIP 1uF 10% 16V C2234 1-125-827-91 CERAMIC CHIP 1uF 10% 25V C2235 1-127-573-11 CERAMIC CHIP 1uF 10% 16V C2236 1-135-259-11 TANTAL. CHIP 10uF 20% 6.3V C2237 1-135-259-11 TANTAL. CHIP 10uF 20% 6.3V C2238 1-135-259-11 TANTAL. CHIP 10uF 20% 6.3V C2239 1-135-259-11 TANTAL. CHIP 10uF 20% 6.3V C2240 1-135-259-11 TANTAL. CHIP 10uF 20% 6.3V C2241 1-135-259-11 TANTAL. CHIP 10uF 20% 6.3V C2242 1-119-667-11 CERAMIC CHIP 22uF 10V C2243 1-135-259-11 TANTAL. CHIP 10uF 20% 6.3V C2244 1-135-259-11 TANTAL. CHIP 10uF 20% 6.3V C2245 1-119-667-11 CERAMIC CHIP 22uF 10V C2246 1-135-259-11 TANTAL. CHIP 10uF 20% 6.3V C2248 1-125-777-11 CERAMIC CHIP 0.1uF 10% 10V C2249 1-127-820-11 CERAMIC CHIP 4.7uF 10% 16V C2250 1-125-889-91 CERAMIC CHIP 2.2uF 10% 10V C2251 1-125-889-91 CERAMIC CHIP 2.2uF 10% 10V C3001 1-164-943-11 CERAMIC CHIP 0.01uF 10% 16V C3002 1-115-467-11 CERAMIC CHIP 0.22uF 10% 10V C3003 1-164-870-11 CERAMIC CHIP 68PF 5% 50V C3004 1-164-870-11 CERAMIC CHIP 68PF 5% 50V C3005 1-127-861-11 CERAMIC CHIP 2.2uF 10% 16V C3006 1-127-760-11 CERAMIC CHIP 4.7uF 10% 6.3V C3007 1-125-837-91 CERAMIC CHIP 1uF 10% 6.3V C3008 1-125-837-91 CERAMIC CHIP 1uF 10% 6.3V C3009 1-164-943-11 CERAMIC CHIP 0.01uF 10% 16V C3012 1-107-826-11 CERAMIC CHIP 0.1uF 10% 16V C3013 1-115-339-11 CERAMIC CHIP 0.1uF 10% 50V C3014 1-164-943-11 CERAMIC CHIP 0.01uF 10% 16V C3016 1-128-934-91 CERAMIC CHIP 0.33uF 20% 10V C3019 1-107-826-11 CERAMIC CHIP 0.1uF 10% 16V C3020 1-125-837-91 CERAMIC CHIP 1uF 10% 6.3V C3021 1-107-826-11 CERAMIC CHIP 0.1uF 10% 16V C3022 1-107-826-11 CERAMIC CHIP 0.1uF 10% 16V C3023 1-107-826-11 CERAMIC CHIP 0.1uF 10% 16V C3024 1-127-895-91 TANTAL. CHIP 22uF 20% 4V C3026 1-125-777-11 CERAMIC CHIP 0.1uF 10% 10V C3101 1-107-819-11 CERAMIC CHIP 0.022uF 10% 16V C3103 1-164-941-11 CERAMIC CHIP 0.0047uF 10% 16V C3104 1-127-760-11 CERAMIC CHIP 4.7uF 10% 6.3V C3105 1-125-777-11 CERAMIC CHIP 0.1uF 10% 10V C3106 1-107-826-11 CERAMIC CHIP 0.1uF 10% 16V C3107 1-164-935-11 CERAMIC CHIP 470PF 10% 50V C3108 1-164-943-11 CERAMIC CHIP 0.01uF 10% 16V C3109 1-165-176-11 CERAMIC CHIP 0.047uF 10% 16V C3110 1-113-682-11 TANTAL. CHIP 33uF 20% 10V C3111 1-164-937-11 CERAMIC CHIP 0.001uF 10% 50V C3112 1-117-863-11 CERAMIC CHIP 0.47uF 10% 6.3V C3113 1-164-943-11 CERAMIC CHIP 0.01uF 10% 16V C3114 1-107-819-11 CERAMIC CHIP 0.022uF 10% 16V C3116 1-164-939-11 CERAMIC CHIP 0.0022uF 10% 50V C3118 1-127-760-11 CERAMIC CHIP 4.7uF 10% 6.3V C3120 1-125-777-11 CERAMIC CHIP 0.1uF 10% 10V C6002 1-164-943-11 CERAMIC CHIP 0.01uF 10% 16V C6003 1-125-837-91 CERAMIC CHIP 1uF 10% 6.3V C6004 1-164-943-11 CERAMIC CHIP 0.01uF 10% 16V C6005 1-164-943-11 CERAMIC CHIP 0.01uF 10% 16V C6006 1-127-760-11 CERAMIC CHIP 4.7uF 10% 6.3V C6008 1-164-943-11 CERAMIC CHIP 0.01uF 10% 16V Ref. No. Part No. Description Ref. No. Part No. Description 5-16 DCR-HC17E/HC19E/HC21/HC21E/HC22E/HC32/HC32E/HC33/HC33E VC-376 C6010 1-127-760-11 CERAMIC CHIP 4.7uF 10% 6.3V C6011 1-127-760-11 CERAMIC CHIP 4.7uF 10% 6.3V C6012 1-164-943-11 CERAMIC CHIP 0.01uF 10% 16V C6013 1-107-826-11 CERAMIC CHIP 0.1uF 10% 16V C6014 1-127-760-11 CERAMIC CHIP 4.7uF 10% 6.3V C6015 1-127-760-11 CERAMIC CHIP 4.7uF 10% 6.3V C6016 1-107-826-11 CERAMIC CHIP 0.1uF 10% 16V C6017 1-127-760-11 CERAMIC CHIP 4.7uF 10% 6.3V C6018 1-164-943-11 CERAMIC CHIP 0.01uF 10% 16V C6019 1-164-943-11 CERAMIC CHIP 0.01uF 10% 16V C6020 1-125-777-11 CERAMIC CHIP 0.1uF 10% 10V C6021 1-137-710-11 CERAMIC CHIP 10uF 20% 6.3V C6022 1-164-943-11 CERAMIC CHIP 0.01uF 10% 16V C6024 1-164-937-11 CERAMIC CHIP 0.001uF 10% 50V C6025 1-127-760-11 CERAMIC CHIP 4.7uF 10% 6.3V C6026 1-125-777-11 CERAMIC CHIP 0.1uF 10% 10V C6027 1-125-837-91 CERAMIC CHIP 1uF 10% 6.3V C6028 1-164-882-11 CERAMIC CHIP 220PF 5% 16V C6030 1-125-777-11 CERAMIC CHIP 0.1uF 10% 10V C6031 1-164-935-11 CERAMIC CHIP 470PF 10% 50V C6501 1-127-760-11 CERAMIC CHIP 4.7uF 10% 6.3V C6502 1-164-943-11 CERAMIC CHIP 0.01uF 10% 16V C6503 1-127-760-11 CERAMIC CHIP 4.7uF 10% 6.3V C6504 1-164-943-11 CERAMIC CHIP 0.01uF 10% 16V C6505 1-125-891-11 CERAMIC CHIP 0.47uF 10% 10V C6506 1-100-249-11 CERAMIC CHIP 0.01uF 10% 16V C6508 1-125-891-11 CERAMIC CHIP 0.47uF 10% 10V C6509 1-164-943-11 CERAMIC CHIP 0.01uF 10% 16V C6510 1-164-943-11 CERAMIC CHIP 0.01uF 10% 16V C6511 1-125-777-11 CERAMIC CHIP 0.1uF 10% 10V C6512 1-125-777-11 CERAMIC CHIP 0.1uF 10% 10V C6513 1-164-943-11 CERAMIC CHIP 0.01uF 10% 16V C6514 1-164-943-11 CERAMIC CHIP 0.01uF 10% 16V C6701 1-164-937-11 CERAMIC CHIP 0.001uF 10% 50V C6702 1-164-937-11 CERAMIC CHIP 0.001uF 10% 50V C6703 1-125-837-91 CERAMIC CHIP 1uF 10% 6.3V C6704 1-127-760-11 CERAMIC CHIP 4.7uF 10% 6.3V C6705 1-127-760-11 CERAMIC CHIP 4.7uF 10% 6.3V C6707 1-164-943-11 CERAMIC CHIP 0.01uF 10% 16V C6708 1-164-943-11 CERAMIC CHIP 0.01uF 10% 16V C6709 1-127-760-11 CERAMIC CHIP 4.7uF 10% 6.3V C6710 1-127-760-11 CERAMIC CHIP 4.7uF 10% 6.3V C6713 1-127-760-11 CERAMIC CHIP 4.7uF 10% 6.3V C6714 1-125-777-11 CERAMIC CHIP 0.1uF 10% 10V C6719 1-127-760-11 CERAMIC CHIP 4.7uF 10% 6.3V C6722 1-125-777-11 CERAMIC CHIP 0.1uF 10% 10V C6724 1-125-837-91 CERAMIC CHIP 1uF 10% 6.3V C6725 1-127-760-11 CERAMIC CHIP 4.7uF 10% 6.3V C6726 1-100-159-91 CERAMIC CHIP 22uF 10% 6.3V C6727 1-125-777-11 CERAMIC CHIP 0.1uF 10% 10V C6728 1-128-964-91 TANTAL. CHIP 100uF 20% 6.3V C6730 1-127-760-11 CERAMIC CHIP 4.7uF 10% 6.3V C6731 1-128-964-91 TANTAL. CHIP 100uF 20% 6.3V C6732 1-127-573-11 CERAMIC CHIP 1uF 10% 16V C6733 1-100-159-91 CERAMIC CHIP 22uF 10% 6.3V C6734 1-164-943-11 CERAMIC CHIP 0.01uF 10% 16V C6735 1-164-943-11 CERAMIC CHIP 0.01uF 10% 16V C6738 1-125-837-91 CERAMIC CHIP 1uF 10% 6.3V C6741 1-125-837-91 CERAMIC CHIP 1uF 10% 6.3V C6742 1-125-837-91 CERAMIC CHIP 1uF 10% 6.3V C6743 1-125-837-91 CERAMIC CHIP 1uF 10% 6.3V C6744 1-125-837-91 CERAMIC CHIP 1uF 10% 6.3V C6745 1-127-760-11 CERAMIC CHIP 4.7uF 10% 6.3V C6746 1-127-760-11 CERAMIC CHIP 4.7uF 10% 6.3V C6747 1-125-837-91 CERAMIC CHIP 1uF 10% 6.3V C6748 1-125-837-91 CERAMIC CHIP 1uF 10% 6.3V C6749 1-125-777-11 CERAMIC CHIP 0.1uF 10% 10V C6750 1-125-837-91 CERAMIC CHIP 1uF 10% 6.3V C6751 1-127-760-11 CERAMIC CHIP 4.7uF 10% 6.3V C8006 1-127-895-91 TANTAL. CHIP 22uF 20% 4V C8007 1-164-943-11 CERAMIC CHIP 0.01uF 10% 16V C8008 1-164-943-11 CERAMIC CHIP 0.01uF 10% 16V C8009 1-107-826-11 CERAMIC CHIP 0.1uF 10% 16V C8010 1-164-854-11 CERAMIC CHIP 15PF 5% 50V C8013 1-164-856-81 CERAMIC CHIP 18PF 5% 50V C8014 1-125-777-11 CERAMIC CHIP 0.1uF 10% 10V C8015 1-164-943-11 CERAMIC CHIP 0.01uF 10% 16V C8018 1-164-943-11 CERAMIC CHIP 0.01uF 10% 16V C8019 1-164-943-11 CERAMIC CHIP 0.01uF 10% 16V C8020 1-164-943-11 CERAMIC CHIP 0.01uF 10% 16V (HC22E) C8603 1-164-850-11 CERAMIC CHIP 10PF 0.5PF 50V C8604 1-164-850-11 CERAMIC CHIP 10PF 0.5PF 50V C8606 1-125-777-11 CERAMIC CHIP 0.1uF 10% 10V C8607 1-125-777-11 CERAMIC CHIP 0.1uF 10% 10V C8608 1-125-777-11 CERAMIC CHIP 0.1uF 10% 10V C8609 1-125-837-91 CERAMIC CHIP 1uF 10% 6.3V C8611 1-125-777-11 CERAMIC CHIP 0.1uF 10% 10V C8612 1-125-777-11 CERAMIC CHIP 0.1uF 10% 10V C8613 1-125-777-11 CERAMIC CHIP 0.1uF 10% 10V C8614 1-125-837-91 CERAMIC CHIP 1uF 10% 6.3V C8615 1-125-837-91 CERAMIC CHIP 1uF 10% 6.3V C8617 1-125-777-11 CERAMIC CHIP 0.1uF 10% 10V C8618 1-164-943-11 CERAMIC CHIP 0.01uF 10% 16V C8619 1-164-943-11 CERAMIC CHIP 0.01uF 10% 16V C8622 1-107-726-91 CERAMIC CHIP 0.01uF 10% 16V C8625 1-164-943-11 CERAMIC CHIP 0.01uF 10% 16V C9001 1-125-777-11 CERAMIC CHIP 0.1uF 10% 10V C9004 1-125-837-91 CERAMIC CHIP 1uF 10% 6.3V C9009 1-164-943-11 CERAMIC CHIP 0.01uF 10% 16V C9010 1-164-943-11 CERAMIC CHIP 0.01uF 10% 16V C9011 1-125-777-11 CERAMIC CHIP 0.1uF 10% 10V C9013 1-125-777-11 CERAMIC CHIP 0.1uF 10% 10V C9015 1-125-777-11 CERAMIC CHIP 0.1uF 10% 10V C9018 1-125-777-11 CERAMIC CHIP 0.1uF 10% 10V C9021 1-125-777-11 CERAMIC CHIP 0.1uF 10% 10V C9022 1-125-837-91 CERAMIC CHIP 1uF 10% 6.3V C9023 1-125-777-11 CERAMIC CHIP 0.1uF 10% 10V C9024 1-125-777-11 CERAMIC CHIP 0.1uF 10% 10V C9025 1-164-943-11 CERAMIC CHIP 0.01uF 10% 16V C9026 1-125-837-91 CERAMIC CHIP 1uF 10% 6.3V C9027 1-107-819-11 CERAMIC CHIP 0.022uF 10% 16V C9028 1-119-923-11 CERAMIC CHIP 0.047uF 10% 10V C9029 1-125-777-11 CERAMIC CHIP 0.1uF 10% 10V C9030 1-164-935-11 CERAMIC CHIP 470PF 10% 50V Ref. No. Part No. Description Ref. No. Part No. Description 5-17 DCR-HC17E/HC19E/HC21/HC21E/HC22E/HC32/HC32E/HC33/HC33E The components identified by mark 0 or dotted line with mark 0 are critical for safety. Replace only with part num- ber specified. Les composants identifiés par une marque 0 sont critiques pour la sécurité. Ne les remplacer que par une pièce portant le numéro spécifié. VC-376 C9031 1-125-777-11 CERAMIC CHIP 0.1uF 10% 10V C9032 1-164-935-11 CERAMIC CHIP 470PF 10% 50V C9034 1-125-777-11 CERAMIC CHIP 0.1uF 10% 10V C9035 1-164-935-11 CERAMIC CHIP 470PF 10% 50V C9036 1-125-837-91 CERAMIC CHIP 1uF 10% 6.3V C9038 1-107-826-11 CERAMIC CHIP 0.1uF 10% 16V C9039 1-164-935-11 CERAMIC CHIP 470PF 10% 50V C9040 1-107-826-11 CERAMIC CHIP 0.1uF 10% 16V C9041 1-164-942-11 CERAMIC CHIP 0.0068uF 10% 16V C9042 1-164-942-11 CERAMIC CHIP 0.0068uF 10% 16V C9043 1-100-246-11 CERAMIC CHIP 0.001uF 10% 50V C9044 1-100-249-11 CERAMIC CHIP 0.01uF 10% 16V C9045 1-100-251-11 CERAMIC CHIP 0.047uF 10% 10V C9201 1-127-760-11 CERAMIC CHIP 4.7uF 10% 6.3V C9301 1-125-837-91 CERAMIC CHIP 1uF 10% 6.3V C9303 1-107-826-11 CERAMIC CHIP 0.1uF 10% 16V C9305 1-164-739-11 CERAMIC CHIP 560PF 5% 50V C9308 1-164-943-11 CERAMIC CHIP 0.01uF 10% 16V C9310 1-127-760-11 CERAMIC CHIP 4.7uF 10% 6.3V C9312 1-115-566-11 CERAMIC CHIP 4.7uF 10% 10V C9314 1-127-760-11 CERAMIC CHIP 4.7uF 10% 6.3V C9315 1-137-710-11 CERAMIC CHIP 10uF 20% 6.3V C9321 1-125-777-11 CERAMIC CHIP 0.1uF 10% 10V C9322 1-137-710-11 CERAMIC CHIP 10uF 20% 6.3V < CONNECTOR > CN1001 1-817-707-11 CONNECTOR, FPC (LIF (NON-ZIF)) 14P CN1002 1-766-644-21 FFC/CONNECTOR, FPC (LIF (NON-ZIF)) 8P CN1003 1-817-283-41 CONNECTOR, FPC (ZIF) 51P (HC22E) CN1004 1-817-556-11 CONNECTOR, FFC/FPC 18P CN1006 1-816-650-31 FFC/FPC CONNECTOR (LIF) 24P CN1007 1-766-644-21 FFC/CONNECTOR, FPC (LIF (NON-ZIF)) 8P CN1008 1-817-910-41 CONNECTOR, FPC (ZIF) 45P CN2001 1-766-360-21 CONNECTOR, FFC/FPC 30P CN3002 1-816-177-11 FFC/CONNECTOR, FPC (ZIF) 16P CN3101 1-817-543-31 CONNECTOR, FPC (ZIF) 27P CN6501 1-817-705-11 CONNECTOR, FPC (LIF (NON-ZIF)) 10P CN9001 1-817-705-11 CONNECTOR, FPC (LIF (NON-ZIF)) 10P CN9002 1-784-421-11 CONNECTOR, FFC/FPC (ZIF) 27P CN9003 1-784-421-11 CONNECTOR, FFC/FPC (ZIF) 27P CN9301 1-816-595-31 CONNECTOR, FPC (ZIF) 23P < DIODE > D1005 6-500-044-01 DIODE DF6A6.8FU (TE85R) D1006 6-500-044-01 DIODE DF6A6.8FU (TE85R) D1007 6-500-044-01 DIODE DF6A6.8FU (TE85R) D1016 8-719-078-02 DIODE 1SS357 (T3SONY1)(HC22E) D1017 8-719-056-59 DIODE MAZS120008SO (HC22E) D1018 6-500-750-01 DIODE NSAD500H-T1-A (HC22E) D2001 8-719-056-54 DIODE MAZS068008SO (HC17E/HC19E/HC21/HC21E) D2001 8-719-056-59 DIODE MAZS120008SO (HC22E) D2002 8-719-056-54 DIODE MAZS068008SO D2003 8-719-074-08 DIODE MA4ZD03001S0 D2005 8-719-069-28 DIODE 1SS400TE-61 (HC22E) D2006 8-719-991-00 DIODE DAP222 (HC22E) D2201 6-500-314-01 DIODE DAN222MT2L D2202 8-719-027-76 DIODE 1SS357-TPH3 D2203 8-719-085-53 DIODE MA2SD10008S0 D2204 6-500-168-01 DIODE MA4SD1000LS0 D2205 8-719-074-08 DIODE MA4ZD03001S0 D3001 8-719-082-63 DIODE 1SV329 (TPL3) D3102 8-719-988-61 DIODE 1SS355TE-17 D8003 8-719-988-61 DIODE 1SS355TE-17 < FUSE > 0F001 1-576-406-21 FUSE (1.4A/32V) 0F002 1-576-406-21 FUSE (1.4A/32V) 0F003 1-576-406-21 FUSE (1.4A/32V) 0F004 1-576-406-21 FUSE (1.4A/32V) 0F1001 1-576-647-11 FUSE (0.2A/50V) (HC22E) 0F1002 1-576-647-11 FUSE (0.2A/50V) (HC22E) < FERRITE BEAD > FB3003 1-400-461-21 FERRITE, EMI (SMD)(1005) FB3004 1-400-461-21 FERRITE, EMI (SMD)(1005) FB3005 1-500-283-11 INDUCTOR, FERRITE BEAD FB6001 1-400-461-21 FERRITE, EMI (SMD)(1005) FB6002 1-400-461-21 FERRITE, EMI (SMD)(1005) FB6701 1-400-461-21 FERRITE, EMI (SMD)(1005) FB6702 1-414-760-21 BEAD, FERRITE (CHIP)(1608) FB6703 1-414-760-21 BEAD, FERRITE (CHIP)(1608) FB8602 1-400-461-21 FERRITE, EMI (SMD)(1005) FB9001 1-400-461-21 FERRITE, EMI (SMD)(1005) FB9201 1-400-461-21 FERRITE, EMI (SMD)(1005) FB9301 1-400-461-21 FERRITE, EMI (SMD)(1005) < IC > IC2201 6-707-649-01 IC MB44A125ALGL-G-ERE1 IC2202 6-706-718-01 IC NJM2867F31 (TE2) IC3001 8-752-417-70 IC CXD2444AR-T4 IC3002 6-705-651-01 IC VSP995PTR IC3101 8-759-637-96 IC uPD16877MA-6A5-E2 IC3102 8-759-681-42 IC NJM12902V (TE2) IC3103 8-759-693-13 IC NJM12904V (TE2) IC6001 8-752-418-16 IC CXD3164R IC6002 6-707-247-01 IC SN0306037ZVWR IC6501 8-752-106-95 IC CXA3619R-T4 IC6701 6-707-434-01 IC AN12920A-VB IC6702 6-707-062-01 IC AN12910A-VB IC8001 6-805-039-01 IC MB89097LGA-G-185-ER IC8601 6-805-013-01 IC MB91195LGL-G-120-ERE1 IC8602 6-702-168-01 IC AK6512CM-E2 IC9001 6-705-676-01 IC TB6550FG (O, EB) IC9201 6-706-663-01 IC NJW5210RB1 IC9301 8-753-220-77 IC CXM3007AR-T4 IC9303 8-759-693-13 IC NJM12904V (TE2) < COIL > L2201 1-456-137-11 INDUCTOR 22uH L2202 1-456-137-11 INDUCTOR 22uH L2203 1-456-137-11 INDUCTOR 22uH L2204 1-456-138-11 INDUCTOR 33uH L2205 1-456-137-11 INDUCTOR 22uH L2206 1-456-138-11 INDUCTOR 33uH L2207 1-456-138-11 INDUCTOR 33uH Ref. No. Part No. Description Ref. No. Part No. Description 5-18 DCR-HC17E/HC19E/HC21/HC21E/HC22E/HC32/HC32E/HC33/HC33E VC-376 L2208 1-400-588-11 INDUCTOR, LAMINATE CHIP 10uH L2209 1-469-524-91 INDUCTOR 4.7uH L2210 1-469-553-21 INDUCTOR 4.7uH L2211 1-469-553-21 INDUCTOR 4.7uH L2212 1-469-524-91 INDUCTOR 4.7uH L2213 1-412-056-11 INDUCTOR 4.7uH L2214 1-469-553-21 INDUCTOR 4.7uH L2215 1-469-526-91 INDUCTOR 22uH L2216 1-469-553-21 INDUCTOR 4.7uH L2217 1-469-553-21 INDUCTOR 4.7uH L2218 1-469-553-21 INDUCTOR 4.7uH L2219 1-469-524-91 INDUCTOR 4.7uH L3001 1-400-588-11 INDUCTOR, LAMINATE CHIP 10uH L3101 1-469-525-91 INDUCTOR 10uH L3102 1-400-588-11 INDUCTOR, LAMINATE CHIP 10uH L6002 1-400-588-11 INDUCTOR, LAMINATE CHIP 10uH L6003 1-400-588-11 INDUCTOR, LAMINATE CHIP 10uH L6004 1-400-588-11 INDUCTOR, LAMINATE CHIP 10uH L6005 1-400-588-11 INDUCTOR, LAMINATE CHIP 10uH L6006 1-400-588-11 INDUCTOR, LAMINATE CHIP 10uH L6009 1-400-588-11 INDUCTOR, LAMINATE CHIP 10uH L6501 1-400-588-11 INDUCTOR, LAMINATE CHIP 10uH L6502 1-400-588-11 INDUCTOR, LAMINATE CHIP 10uH L6701 1-400-588-11 INDUCTOR, LAMINATE CHIP 10uH L6702 1-400-588-11 INDUCTOR, LAMINATE CHIP 10uH L6704 1-400-588-11 INDUCTOR, LAMINATE CHIP 10uH L9001 1-400-202-21 INDUCTOR 4.7uH L9301 1-400-588-11 INDUCTOR, LAMINATE CHIP 10uH L9302 1-400-588-11 INDUCTOR, LAMINATE CHIP 10uH L9303 1-400-588-11 INDUCTOR, LAMINATE CHIP 10uH < LINE FILTER > LF2001 1-456-681-21 COIL, CHOKE LF6001 1-400-633-21 COMMON MODE CHOKE COIL LF6002 1-400-633-21 COMMON MODE CHOKE COIL < TRANSISTOR > Q1001 6-550-102-01 TRANSISTOR 2SC5663T2L Q2001 6-550-237-01 TRANSISTOR 2SC5658T2LQ/R Q2002 8-729-056-54 TRANSISTOR TPCS8302 (TE12L) Q2003 8-729-101-07 TRANSISTOR 2SB798-DL Q2004 6-550-234-01 TRANSISTOR UNR32A300LS0 Q2005 6-550-809-01 TRANSISTOR EMB2T2R (HC22E) Q2006 6-550-234-01 TRANSISTOR UNR32A300LS0 (HC22E) Q2201 6-550-675-01 TRANSISTOR SSM6K30FE (TPLR3) Q2202 6-550-675-01 TRANSISTOR SSM6K30FE (TPLR3) Q2203 6-550-713-01 TRANSISTOR SCH2816-TL-E Q2204 6-550-813-01 TRANSISTOR SCH2806-TL-E Q2205 6-550-713-01 TRANSISTOR SCH2816-TL-E Q2206 6-550-813-01 TRANSISTOR SCH2806-TL-E Q2207 6-550-814-01 TRANSISTOR SCH2807-TL-E Q2208 6-550-814-01 TRANSISTOR SCH2807-TL-E Q2209 6-550-533-01 TRANSISTOR MCH5819-TL-E Q2210 6-550-237-01 TRANSISTOR 2SC5658T2LQ/R Q2211 6-550-232-01 TRANSISTOR 2SA2029T2LQ/R Q2212 6-550-232-01 TRANSISTOR 2SA2029T2LQ/R Q2213 6-550-237-01 TRANSISTOR 2SC5658T2LQ/R Q2214 8-729-054-49 TRANSISTOR UP04401008S0 Q3101 6-550-758-01 TRANSISTOR DTC113TMT2L Q3102 8-729-054-51 TRANSISTOR UP04116008S0 Q3103 6-550-237-01 TRANSISTOR 2SC5658T2LQ/R Q6001 6-550-383-01 TRANSISTOR HN4A71FK (TE85R) Q6003 6-550-239-01 TRANSISTOR DTA144EMT2L Q6701 8-729-921-51 TRANSISTOR 2SD1834-T100 Q8001 8-729-041-43 TRANSISTOR HN1L02FU (TE85R) Q8002 6-550-282-01 TRANSISTOR UNR31A600LS0 Q8601 6-550-234-01 TRANSISTOR UNR32A300LS0 Q8602 6-550-237-01 TRANSISTOR 2SC5658T2LQ/R Q8603 6-550-239-01 TRANSISTOR DTA144EMT2L Q8604 8-729-054-49 TRANSISTOR UP04401008S0 Q8605 6-550-174-01 TRANSISTOR 2SA2030T2L Q8607 6-550-234-01 TRANSISTOR UNR32A300LS0 Q9002 6-550-237-01 TRANSISTOR 2SC5658T2LQ/R Q9003 6-550-174-01 TRANSISTOR 2SA2030T2L Q9303 8-729-054-48 TRANSISTOR UP04601008S0 < RESISTOR > R1001 1-218-965-11 RES-CHIP 10K 5% 1/16W (HC22E) R1008 1-216-817-11 METAL CHIP 470 5% 1/10W R1011 1-218-943-11 RES-CHIP 150 5% 1/16W R1012 1-216-801-11 METAL CHIP 22 5% 1/10W R1013 1-216-801-11 METAL CHIP 22 5% 1/10W R1015 1-218-959-11 RES-CHIP 3.3K 5% 1/16W R1016 1-218-965-11 RES-CHIP 10K 5% 1/16W (HC22E) R1017 1-218-953-11 RES-CHIP 1K 5% 1/16W (HC22E) R2001 1-218-953-11 RES-CHIP 1K 5% 1/16W R2004 1-218-977-11 RES-CHIP 100K 5% 1/16W R2005 1-218-989-11 RES-CHIP 1M 5% 1/16W R2006 1-216-797-11 METAL CHIP 10 5% 1/10W R2007 1-218-954-11 RES-CHIP 1.2K 5% 1/16W R2008 1-218-963-11 RES-CHIP 6.8K 5% 1/16W R2010 1-218-990-11 SHORT CHIP 0 (HC17E/HC19E/HC21/HC21E) R2201 1-208-929-11 METAL CHIP 56K 0.5% 1/16W R2202 1-218-958-11 RES-CHIP 2.7K 5% 1/16W R2203 1-218-963-11 RES-CHIP 6.8K 5% 1/16W R2204 1-218-975-11 RES-CHIP 68K 5% 1/16W R2205 1-218-976-11 RES-CHIP 82K 5% 1/16W R2206 1-220-182-11 RES-CHIP 910 5% 1/16W R2207 1-218-953-11 RES-CHIP 1K 5% 1/16W R2208 1-218-974-11 RES-CHIP 56K 5% 1/16W R2209 1-218-961-11 RES-CHIP 4.7K 5% 1/16W R2210 1-218-941-81 RES-CHIP 100 5% 1/16W R2211 1-216-789-11 METAL CHIP 2.2 5% 1/10W R2213 1-218-966-11 RES-CHIP 12K 5% 1/16W R2214 1-218-977-11 RES-CHIP 100K 5% 1/16W R2215 1-218-977-11 RES-CHIP 100K 5% 1/16W R2216 1-218-969-11 RES-CHIP 22K 5% 1/16W R2217 1-208-935-11 METAL CHIP 100K 0.5% 1/16W R2218 1-208-910-11 METAL CHIP 9.1K 0.5% 1/16W R2219 1-208-943-11 METAL CHIP 220K 0.5% 1/16W R3001 1-218-977-11 RES-CHIP 100K 5% 1/16W R3005 1-218-937-11 RES-CHIP 47 5% 1/16W Ref. No. Part No. Description Ref. No. Part No. Description 5-19 DCR-HC17E/HC19E/HC21/HC21E/HC22E/HC32/HC32E/HC33/HC33E VC-376 R3007 1-218-985-11 RES-CHIP 470K 5% 1/16W R3105 1-218-929-11 RES-CHIP 10 5% 1/16W R3106 1-218-989-11 RES-CHIP 1M 5% 1/16W R3107 1-218-957-11 RES-CHIP 2.2K 5% 1/16W R3108 1-218-965-11 RES-CHIP 10K 5% 1/16W R3109 1-218-981-11 RES-CHIP 220K 5% 1/16W R3110 1-218-985-11 RES-CHIP 470K 5% 1/16W R3111 1-218-985-11 RES-CHIP 470K 5% 1/16W R3112 1-218-990-11 SHORT CHIP 0 R3113 1-218-967-11 RES-CHIP 15K 5% 1/16W R3114 1-218-985-11 RES-CHIP 470K 5% 1/16W R3115 1-218-947-11 RES-CHIP 330 5% 1/16W R3116 1-218-953-11 RES-CHIP 1K 5% 1/16W R3117 1-218-965-11 RES-CHIP 10K 5% 1/16W R3118 1-218-973-11 RES-CHIP 47K 5% 1/16W R3120 1-208-715-11 METAL CHIP 22K 0.5% 1/16W R3121 1-208-911-11 METAL CHIP 10K 0.5% 1/16W R3122 1-218-983-11 RES-CHIP 330K 5% 1/16W R3123 1-218-985-11 RES-CHIP 470K 5% 1/16W R3127 1-218-953-11 RES-CHIP 1K 5% 1/16W R3128 1-218-953-11 RES-CHIP 1K 5% 1/16W R6003 1-218-990-11 SHORT CHIP 0 R6004 1-208-911-11 METAL CHIP 10K 0.5% 1/16W R6008 1-208-911-11 METAL CHIP 10K 0.5% 1/16W R6009 1-218-965-11 RES-CHIP 10K 5% 1/16W R6010 1-218-951-11 RES-CHIP 680 5% 1/16W R6011 1-218-961-11 RES-CHIP 4.7K 5% 1/16W R6012 1-218-946-11 RES-CHIP 270 5% 1/16W R6013 1-208-675-11 METAL CHIP 470 0.5% 1/16W R6014 1-208-675-11 METAL CHIP 470 0.5% 1/16W R6015 1-208-675-11 METAL CHIP 470 0.5% 1/16W R6016 1-218-948-11 RES-CHIP 390 5% 1/16W R6020 1-218-826-11 METAL CHIP 130 0.5% 1/10W R6021 1-218-866-11 METAL CHIP 6.2K 0.5% 1/10W R6022 1-218-864-11 METAL CHIP 5.1K 0.5% 1/10W R6023 1-218-955-11 RES-CHIP 1.5K 5% 1/16W R6501 1-218-965-11 RES-CHIP 10K 5% 1/16W R6502 1-218-969-11 RES-CHIP 22K 5% 1/16W R6505 1-218-965-11 RES-CHIP 10K 5% 1/16W R6506 1-218-965-11 RES-CHIP 10K 5% 1/16W R6507 1-208-715-11 METAL CHIP 22K 0.5% 1/16W R6508 1-208-911-11 METAL CHIP 10K 0.5% 1/16W R6510 1-208-911-11 METAL CHIP 10K 0.5% 1/16W R6512 1-208-715-11 METAL CHIP 22K 0.5% 1/16W R6513 1-218-945-11 RES-CHIP 220 5% 1/16W R6514 1-218-945-11 RES-CHIP 220 5% 1/16W R6515 1-218-945-11 RES-CHIP 220 5% 1/16W R6516 1-218-945-11 RES-CHIP 220 5% 1/16W R6726 1-218-977-11 RES-CHIP 100K 5% 1/16W R6727 1-218-965-11 RES-CHIP 10K 5% 1/16W R6728 1-218-961-11 RES-CHIP 4.7K 5% 1/16W R6729 1-218-973-11 RES-CHIP 47K 5% 1/16W R6776 1-218-977-11 RES-CHIP 100K 5% 1/16W R6806 1-218-957-11 RES-CHIP 2.2K 5% 1/16W R6807 1-218-957-11 RES-CHIP 2.2K 5% 1/16W R6808 1-218-977-11 RES-CHIP 100K 5% 1/16W R6809 1-218-977-11 RES-CHIP 100K 5% 1/16W R8001 1-218-977-11 RES-CHIP 100K 5% 1/16W R8002 1-218-989-11 RES-CHIP 1M 5% 1/16W R8004 1-218-989-11 RES-CHIP 1M 5% 1/16W R8005 1-218-977-11 RES-CHIP 100K 5% 1/16W R8007 1-218-973-11 RES-CHIP 47K 5% 1/16W R8010 1-218-953-11 RES-CHIP 1K 5% 1/16W R8011 1-208-935-11 METAL CHIP 100K 0.5% 1/16W R8012 1-218-989-11 RES-CHIP 1M 5% 1/16W R8013 1-218-961-11 RES-CHIP 4.7K 5% 1/16W R8014 1-219-570-11 METAL CHIP 10M 5% 1/10W R8015 1-218-985-11 RES-CHIP 470K 5% 1/16W R8016 1-208-927-11 METAL CHIP 47K 0.5% 1/16W R8017 1-218-990-11 SHORT CHIP 0 R8018 1-216-857-11 METAL CHIP 1M 5% 1/10W R8020 1-218-949-11 RES-CHIP 470 5% 1/16W R8021 1-218-977-11 RES-CHIP 100K 5% 1/16W R8024 1-218-953-11 RES-CHIP 1K 5% 1/16W R8026 1-218-977-11 RES-CHIP 100K 5% 1/16W R8027 1-218-977-11 RES-CHIP 100K 5% 1/16W R8028 1-218-953-11 RES-CHIP 1K 5% 1/16W R8029 1-218-953-11 RES-CHIP 1K 5% 1/16W (HC22E) R8030 1-218-977-11 RES-CHIP 100K 5% 1/16W (HC22E) R8031 1-218-977-11 RES-CHIP 100K 5% 1/16W (HC17E/HC19E/HC21/HC21E) R8601 1-218-941-81 RES-CHIP 100 5% 1/16W R8602 1-218-965-11 RES-CHIP 10K 5% 1/16W R8603 1-218-990-11 SHORT CHIP 0 (HC17E/HC19E) R8604 1-218-990-11 SHORT CHIP 0 (HC21/HC21E/HC22E) R8605 1-218-990-11 SHORT CHIP 0 (HC17E/HC19E/HC21/HC21E) R8606 1-218-990-11 SHORT CHIP 0 (HC22E) R8608 1-218-965-11 RES-CHIP 10K 5% 1/16W R8611 1-218-977-11 RES-CHIP 100K 5% 1/16W R8616 1-218-973-11 RES-CHIP 47K 5% 1/16W R8621 1-218-985-11 RES-CHIP 470K 5% 1/16W R8622 1-218-959-11 RES-CHIP 3.3K 5% 1/16W R8623 1-218-959-11 RES-CHIP 3.3K 5% 1/16W R8624 1-218-959-11 RES-CHIP 3.3K 5% 1/16W R8625 1-218-955-11 RES-CHIP 1.5K 5% 1/16W R8626 1-218-962-11 RES-CHIP 5.6K 5% 1/16W R8627 1-218-961-11 RES-CHIP 4.7K 5% 1/16W R8628 1-216-791-11 METAL CHIP 3.3 5% 1/10W R8629 1-218-957-11 RES-CHIP 2.2K 5% 1/16W R8630 1-218-953-11 RES-CHIP 1K 5% 1/16W R8633 1-218-981-11 RES-CHIP 220K 5% 1/16W R8634 1-218-975-11 RES-CHIP 68K 5% 1/16W R8636 1-218-973-11 RES-CHIP 47K 5% 1/16W R8641 1-218-953-11 RES-CHIP 1K 5% 1/16W R8643 1-218-977-11 RES-CHIP 100K 5% 1/16W R8649 1-218-990-11 SHORT CHIP 0 R9001 1-218-935-11 RES-CHIP 33 5% 1/16W R9002 1-218-935-11 RES-CHIP 33 5% 1/16W R9003 1-218-953-11 RES-CHIP 1K 5% 1/16W R9009 1-216-789-11 METAL CHIP 2.2 5% 1/10W R9010 1-216-789-11 METAL CHIP 2.2 5% 1/10W R9011 1-216-789-11 METAL CHIP 2.2 5% 1/10W Ref. No. Part No. Description Ref. No. Part No. Description 5-20 DCR-HC17E/HC19E/HC21/HC21E/HC22E/HC32/HC32E/HC33/HC33E R9012 1-218-953-11 RES-CHIP 1K 5% 1/16W R9014 1-218-946-11 RES-CHIP 270 5% 1/16W R9022 1-218-965-11 RES-CHIP 10K 5% 1/16W R9023 1-218-967-11 RES-CHIP 15K 5% 1/16W R9024 1-218-957-11 RES-CHIP 2.2K 5% 1/16W R9025 1-218-961-11 RES-CHIP 4.7K 5% 1/16W R9026 1-218-969-11 RES-CHIP 22K 5% 1/16W R9027 1-218-977-11 RES-CHIP 100K 5% 1/16W R9028 1-218-973-11 RES-CHIP 47K 5% 1/16W R9301 1-218-975-11 RES-CHIP 68K 5% 1/16W R9302 1-218-949-11 RES-CHIP 470 5% 1/16W R9306 1-208-934-11 METAL CHIP 91K 0.5% 1/16W R9307 1-208-911-11 METAL CHIP 10K 0.5% 1/16W R9314 1-218-965-11 RES-CHIP 10K 5% 1/16W R9321 1-208-941-11 METAL CHIP 180K 0.5% 1/16W R9322 1-208-923-11 METAL CHIP 33K 0.5% 1/16W R9325 1-218-956-11 RES-CHIP 1.8K 5% 1/16W R9326 1-211-983-11 METAL CHIP 39 0.5% 1/10W < COMPOSITION CIRCUIT BLOCK > RB1001 1-234-375-21 RES, NETWORK 1K (1005X4) RB1002 1-234-400-21 CONDUCTOR, NETWORK (2010X4) (HC17E/HC19E/HC21/HC21E) RB1003 1-234-400-21 CONDUCTOR, NETWORK (2010X4) (HC17E/HC19E/HC21/HC21E) RB3101 1-234-380-21 RES, NETWORK 47K (1005X4) RB3102 1-234-379-21 RES, NETWORK 22K (1005X4) RB3103 1-234-400-21 CONDUCTOR, NETWORK (2010X4) RB3104 1-234-400-21 CONDUCTOR, NETWORK (2010X4) RB6001 1-234-714-11 RES, NETWORK 56 (1005X4) RB6002 1-234-377-21 RES, NETWORK 4.7K (1005X4) RB6004 1-234-714-11 RES, NETWORK 56 (1005X4) RB6701 1-234-723-11 RES, NETWORK 75 (1005X4) RB6702 1-234-376-21 RES, NETWORK 2.2K (1005X4) RB8002 1-234-375-21 RES, NETWORK 1K (1005X4) RB8004 1-234-375-21 RES, NETWORK 1K (1005X4) RB8006 1-234-381-21 RES, NETWORK 100K (1005X4) RB8007 1-234-375-21 RES, NETWORK 1K (1005X4) RB8008 1-234-378-21 RES, NETWORK 10K (1005X4) RB8603 1-234-381-21 RES, NETWORK 100K (1005X4) RB8604 1-234-381-21 RES, NETWORK 100K (1005X4) RB8605 1-234-375-21 RES, NETWORK 1K (1005X4) RB8606 1-234-381-21 RES, NETWORK 100K (1005X4) RB8607 1-234-378-21 RES, NETWORK 10K (1005X4) RB8608 1-234-377-21 RES, NETWORK 4.7K (1005X4) RB8609 1-234-384-11 RES, NETWORK 1M (1005X4) RB8610 1-234-375-21 RES, NETWORK 1K (1005X4) RB9001 1-234-378-21 RES, NETWORK 10K (1005X4) RB9301 1-234-369-21 RES, NETWORK 10 (1005X4) < VIBRATOR > X3001 1-767-400-11 VIBRATOR, CRYSTAL (36 MHz) X8001 1-760-458-21 VIBRATOR, CRYSTAL (32.768 kHz) X8002 1-795-244-11 VIBRATOR, CERAMIC (10 MHz) X8601 1-760-655-41 VIBRATOR, CRYSTAL (20 MHz) VC-376 DCR-HC17E/HC19E/HC21/HC21E/HC22E/HC32/HC32E/HC33/HC33E VC-377 BOARD (4/16) (DS/HI CONTROL) VC-377 BOARD (10/16) (EVF DRIVE) VC-377 BOARD (5/16) (FLASH, SDRAM) VC-377 BOARD (6/16) (DV SIGNAL PROCESS) VC-377 BOARD (11/16) (CAMERA/MECHA CONTROL) VC-377 BOARD (14/16) (DC IN) VC-377 BOARD (7/16) (DV INTERFACE) VC-377 BOARD (15/16) (DC/DC CONVERTER) VC-377 BOARD (8/16) (REC/PB AMP) VC-377 BOARD (16/16) (CONNECTOR) VC-377 BOARD (2/16) (LENS DRIVE) VC-377 BOARD (3/16) (VIDEO/AUDIO DSP) VC-377 BOARD (1/16) (A/D CONVERTER, TIMING GENERATOR) VC-377 BOARD (12/16) (SERVO) VC-377 BOARD (13/16) (HI CONTROL) VC-377 BOARD (9/16) (VIDEO, AUDIO I/O) VC-377 BOARD (4/16) (DS/HI CONTROL) VC-377 BOARD (10/16) (EVF DRIVE) VC-377 BOARD (5/16) (FLASH, SDRAM) VC-377 BOARD (6/16) (DV SIGNAL PROCESS) VC-377 BOARD (11/16) (CAMERA/MECHA CONTROL) VC-377 BOARD (14/16) (DC IN) VC-377 BOARD (7/16) (DV INTERFACE) VC-377 BOARD (15/16) (DC/DC CONVERTER) VC-377 BOARD (8/16) (REC/PB AMP) VC-377 BOARD (16/16) (CONNECTOR) VC-377 BOARD (2/16) (LENS DRIVE) VC-377 BOARD (3/16) (VIDEO/AUDIO DSP) VC-377 BOARD (1/16) (A/D CONVERTER, TIMING GENERATOR) VC-377 BOARD (12/16) (SERVO) VC-377 BOARD (13/16) (HI CONTROL) VC-377 BOARD (9/16) (VIDEO, AUDIO I/O) Link Link 4-2. SCHEMATIC DIAGRAMS WAVEFORMS COMMON NOTE FOR SCHEMATIC DIAGRAMS WAVEFORMS COMMON NOTE FOR SCHEMATIC DIAGRAMS 4-5 DCR-HC17E/HC19E/HC21/HC21E/HC22E/HC32/HC32E/HC33/HC33E 4-2. SCHEMATIC DIAGRAMS 4-2. SCHEMATIC DIAGRAMS 1. Connection 2. Adjust the distance so that the output waveform of Fig. a and the Fig. b can be obtain. When indicating parts by reference number, please include the board name. 4-2. SCHEMATIC DIAGRAMS (For schematic diagrams) • All capacitors are in µF unless otherwise noted. pF : µ µF. 50 V or less are not indicated except for electrolytics and tantalums. • Chip resistors are 1/10 W unless otherwise noted. kΩ=1000 Ω, MΩ=1000 kΩ. • Caution when replacing chip parts. New parts must be attached after removal of chip. Be careful not to heat the minus side of tantalum capacitor, Because it is damaged by the heat. • Some chip part will be indicated as follows. Example C541 L452 22U 10UH TA A 2520 • Constants of resistors, capacitors, ICs and etc with XX indicate that they are not used. In such cases, the unused circuits may be indicated. • Parts with ★ differ according to the model/destination. Refer to the mount table for each function. • All variable and adjustable resistors have characteristic curve B, unless otherwise noted. • Signal name XEDIT → EDIT PB/XREC → PB/REC • 2: non flammable resistor • 5: fusible resistor • C: panel designation • A: B+ Line • B: B– Line • J : IN/OUT direction of (+,–) B LINE. • C: adjustment for repair. • A: not use circuit • Circled numbers refer to waveforms. (Measuring conditions voltage and waveform) • Voltages and waveforms are measured between the measurement points and ground when camera shoots color bar chart of pattern box. They are reference values and reference waveforms. (VOM of DC 10 MΩ input impedance is used) • Voltage values change depending upon input impedance of VOM used.) Kinds of capacitor Case size External dimensions (mm) Yellow A A B B A=B Fig. a (Video output terminal output waveform) H Cyan Green White Magenta Red Blue Fig.b (Picture on monitor TV) CRT picture frame Electronic beam scanning frame THIS NOTE IS COMMON FOR SCHEMATIC DIAGRAMS (In addition to this, the necessary note is printed in each block) Front of the lens L Pattern box L = About 1m (PTB-450) L = About 40cm (PTB-1450) Pattern box Pattern box PTB-450 J-6082-200-A or Small pattern box PTB-1450 J-6082-557-A Color bar chart For PTB-450: J-6020-250-A For PTB-1450: J-6082-559-A Precautions for Replacement of CCD Imager • The CD-533 board mounted as a repair part is not equipped with a CCD imager. When replacing this board, remove the CCD imager from the old one and mount it onto the new one. • If the CCD imager has been replaced, carry out all the adjustments for the camera section. • As the CCD imager may be damaged by static electricity from its structure, handle it carefully like for the MOS IC. In addition, ensure that the receiver is not covered with dusts nor exposed to strong light. The components identified by mark 0 or dotted line with mark 0 are critical for safety. Replace only with part number specified. Les composants identifiés par une marque 0 sont critiques pour la sécurité. Ne les remplacer que par une pièce portant le numéro spécifie. DCR-HC17E/HC19E/HC21/HC21E/HC22E/HC32/HC32E/HC33/HC33E For Schematic Diagram • Refer to page 4-87 for printed wiring board. 4-33 4-34 VC-377 (1/16) XX C3112 XX R3104 R3105 XX R3106 XX R3102 XX R3103 XX XX C3111 (10/16) (16/16) (6/16) NO MARK:REC/PB MODE 1 3 2 4 5 6 7 8 9 10 11 2.8 R2/P0 2.6 0 2.8 2.5 2.8 2.5 0 2.8 R2.8/P0 R2.7/P0 R1.4/P0 1.6 2.8 R1.6/P0 1.2 1.5 1.3 R2.2/P0 R2.7/P0 R2.8/P0 0 R1.6/P0 R0.4/P0 2.8 R1.6/P0 R1.4/P0 R-0.3/P0 R14.6/P0 R-7/P0 R-7/P0 R-7.4/P0.3 R-7/P0.2 R2.8/P0 2.5 2.8 0 0 R-0.3/P0 2.8 12 2.8 0 2.8 2.8 2.8 1.3 1.7 1.5 1.6 2.8 2.8 2.8 R2.2/P0 2.7 R2/P0 R1.6/P0 R2.7/P0 2.8 2.8 R1/P0 0 R0.4/P0 R0.6/P0 R1.5/P0 R1/P0 R1/P0 R1/P0 R1.1/P0 R1.1/P0 R1.1/P0 R1.5/P0 R0.9/P0 2.8 1.8 R:REC MODE P:PB MODE CH_SCK CAM_SCK 4.7u C3106 AD0_G TG_ID AD1_G AD5_G CAM_15V 1u C3119 VGAT 1SV329(TPL3) D3101 C3103 68p FREQ_AMPOUT AD2_G 100k R3101 2.2u 16V C3105 TG_HD C3110 0.01u CAM_DD_ON FB3102 D_2.8V CAM_SO CAM_-7.5V 47 R3108 AD3_G CH_CS 1u C3107 CAM_SI FB3101 0uH 0.1u C3114 VCK REG_GND CH_SO ZSG1 X3101 36MHz 470k R3112 C3109 1u AD4_G V_DRAIN AD7_G C3115 0.01u AD8_G C3123 4V 22u CLPOB TG_VD 0.01u C3101 AD6_G CAM_CS C3104 68p L3101 10uH A_2.8V ZV1 AD9_G CXD2444AR-T4 IC3101 1 CLPDM 2 PBLK 3 VSS1 4 OSCI 5 OSCO 6 VSS2 7 CK 8 TEST 9 CHCK 10 VDD1 11 SYSCK 12 VICK(CL) 13 14 15 16 17 18 19 20 21 22 23 24 25 V2 26 V1 27 VH 28 V3 29 VL 30 VM 31 V4 32 NC 33 XSHT 34 XSG1 35 SSO 36 VGAT 37 SSK 38 SSI 39 SEN 40 RST 41 XV1 42 DSGAT 43 VDD5 44 AHD 45 AVD 46 CKCONT2 47 CKCONT1 48 ID 0.22u C3102 0.33u C3116 0.1u C3113 0.1u C3118 0.1u C3120 0.1u C3121 0.1u C3122 VSP995PTR IC3102 1 DVSS 2 D0 3 D1 4 D2 5 D3 6 D4 7 D5 8 D6 9 D7 10 D8 11 D9 12 DVSS 13 DRVDD 14 DRVSS 15 DVSS 16 ADCLK 17 DVDD 18 DVDD 19 PBLK 20 CLPOB 21 XSHP 22 XSHD 23 CLPDM 24 AVDD 25 AVSS 26 AVSS 27 AVDD 28 L1+ 29 L2+ 30 CCD_IN 31 CCD_GND 32 L 33 AVDD 34 LINE 35 AVSS 36 CHROMA 37 CMLEVEL 38 REFP 39 REFN 40 AVDD 41 AVSS 42 AVSS 43 RSTB 44 LATCHSELECT 45 SYSV 46 XCE 47 SI 48 XSCK CK_CONT ADCK27 IC_4401_Y_OUT R3110 10k R3107 100k DTA114TMT2L Q3101 XSYS_RST 0.1u C3108 FB3103 16P CN3101 1 2 3 4 5 6 7 8 9 10 11 12 13 14 15 16 XRST_VTR 1 A CAM_SI V3 CAM_CS V2 CAM_SO V1 CAM_SCK CH_CS XSHP XSHD CH_SO V2 CH_SCK V3 V4 CAM_CS CAM_SO CAM_SCK CAM_SI VSHT VSHT V4 AD0_G AD1_G AD2_G AD3_G AD4_G AD5_G AD6_G AD7_G AD8_G AD9_G CH_SCK CH_SO CH_CS XSHD XSHP AD9_G AD8_G AD7_G AD6_G AD5_G AD4_G AD2_G AD1_G AD0_G AD3_G V1 H2 H1 GND GND V_DRAIN V2 RG V4 VH GND V1 GND V3 CCD OUT VSHT VL (15/16) @102 @101 (15/16) (3/16) (6/16) @103 (2/16) @104 @105 @106 @107 (15/16) (4/16) (3/16) (11/16) @108 (11/16) @109 (9/16) @111 (3/16) @110 PAGE 4-7 of LEVEL2 FP-178 FLEXIBLE THROUGH THE CN101 CD-533 10 I 05 K 8 D F B 13 A/D CONVERTER, TIMING GENERATOR (CH BLOCK) E 5 J 3 VC-377 BOARD (1/16) H C 6 12 2 XX MARK:NO MOUNT 9 11 7 G 4 L (3/16) (5/16) (6/16) (11/16) (13/16) TIMING GENERATOR IC3101 S/H, AGC, A/D CONVERTER IC3102 SWITCH (12/16) (11/16) VDD2 VSS3 XSHP XSHD XRS RG VDD3 VDD4 H1 H2 VSS4 NC DCR-HC17E/HC19E/HC21/HC21E/HC22E/HC32/HC32E/HC33/HC33E For Schematic Diagram • Refer to page 4-87 for printed wiring board. 4-35 4-36 VC-377 (2/16) R3741 XX XX R3734 XX R3704 XX C3707 XX R3735 XX R3748 XX R3701 XX R3740 XX R3738 IC3703 XX 1 2 3 4 GND 5 6 7 8 VCC XX C3706 XX IC3702 1 2 3 4 GND 5 6 7 8 VCC XX R3745 XX R3709 XX IC3701 1 2 3 4 GND 5 6 7 8 VCC XX C3704 XX R3712 IC3704 XX 1 2 3 4 GND 5 6 7 8 VCC XX R3708 XX R3710 XX R3739 R3706 XX XX C3708 XX R3707 XX R3747 R3736 XX XX C3701 XX C3703 XX R3703 XX C3702 XX C3705 XX R3737 XX R3746 XX R3711 R3705 XX XX R3702 FC_XB_OUT FC_B_OUT FC_XA_OUT FC_XA_OUT FC_A FC_B FC_A_OUT FC_XB_OUT FC_B_OUT ZM_A ZM_B ZM_A_OUT ZM_XA_OUT ZM_XB_OUT ZM_B_OUT FC_A_OUT FC_A FC_B ZM_XA_OUT ZM_A ZM_XB_OUT ZM_B ZM_A_OUT ZM_B_OUT A B B B A B A A XX D3703 XX R3725 R3761 XX R3774 XX XX R3742 XX R3743 XX R3744 XX R3749 XX R3778 XX R3769 XX R3779 XX C3729 LENS BLOCK is replaced as block, so that there PRINTED WIRING BOARD and SCHEMATIC DIAGRAM are omitted. NO MARK:REC/PB MODE : Voltage measurment of the CSP ICs and the Transistors with mark, are not possible. R0.7/P0 R0.8/P1 0.8 1.4 4.6 1.4 1.7 0.8 0.8 0.9 0.8 0.8 0.8 0.6 0.1 0.1 4.6 0.8 0.8 1.1 R0.9/P0 R0.4/P1.8 R0.4/P2.4 0.8 0.8 R0.3/P1.5 R0.7/P0 R3.9/P4.9 0 0.6 0.6 0.1 2.8 2.8 R-1.3 /P-0.6 R-0.7 /P-0.5 2.8 R:REC MODE P:PB MODE 33u 10V C3728 1k R3770 100 R3751 0.1u C3711 330 R3765 L3702 10uH 155mA 470k R3759 D_2.8V HALL_OFFSET DIR1B 22k R3768 47k R3756 1SS355TE-17 D3701 Q3702 EMB3T2R 6 2 1 3 5 4 1/10W 10 R3750 180k R3764 0.47u C3721 0.1u C3722 LENS_DETE LENS_TEMP_AD 10k R3754 DIR0B C3726 0.022u ZM_RST FC_RST_LED NJM12902V(TE2) IC3706 1 OUT 2 IN(-) 3 IN(+) 4 Vcc 5 IN(+) 6 IN(-) 7 OUT 8 OUT 9 IN(-) 10 IN(+) 11 GND 12 IN(+) 13 IN(-) 14 OUT 3300p C3710 0.01u C3719 0.1u C3714 XNS_SW A_2.8V DIR0A 180k R3773 0.01u C3720 REG_GND 22k R3763 SHUTTER_ON 180k R3775 180k R3767 4700 R3757 1u C3712 100k R3753 5600 R3771 39k R3766 HALL_AD 0.22u C3709 0.1u C3717 EN0 FREQ_AMPOUT A_4.6V 2SC4617HT2L Q3701 18k R3762 4.7u C3727 10k R3776 IRIS_PWM FC_RST 47k RB3701 1 2 3 4 5 6 7 8 100k R3752 0.01u C3725 0.1u C3716 0.1u C3718 FREQ_TUNE ZM_RST_LED 100k R3758 0.033u C3713 EN1 1SS401(TE85L) D3702 1 2 3 C3723 0.022u NJM12902V(TE2) IC3705 1 OUT 2 IN(-) 3 IN(+) 4 Vcc 5 IN(+) 6 IN(-) 7 OUT 8 OUT 9 IN(-) 10 IN(+) 11 GND 12 IN(+) 13 IN(-) 14 OUT 10uH L3701 ±0.5% 22k R3755 2SC4617HT2L Q3703 180k R3772 10k R3777 REG_GND HALL_GAIN DIR1A ±0.5% 10k R3760 0.001u C3724 MT_5V BD6756GLV-E2 IC3707 D4 A1 B1 C2 C1 D3 D2 D1 E1 E3 E2 F1 F2 G1 G2 F3 E4 H1 H2 G3 H3 G4 F4 H4 H5 G5 F5 H6 G6 H7 G7 F6 E5 H8 G8 F7 F8 E6 E7 E8 D8 D7 D6 C8 C7 B8 B7 C6 D5 A8 A7 B6 A6 C5 B5 A5 A4 C4 B4 A3 B3 A2 B2 C3 RB3702 0 1 2 3 4 5 6 7 8 RB3703 0 1 2 3 4 5 6 7 8 27P CN3701 1 2 3 4 5 6 7 8 9 10 11 12 13 14 15 16 17 18 19 20 21 22 23 24 25 26 27 1 A ZM_B ZM_A FC_A ZM_XB FC_XB FC_B FC_XA ZM_XA NC NC OUT5A IN5 PGND3 DGND IN2 EN6 VLIM OUT3A PS VM4 EN3 OUT2B OUT6B PGND2 NC PGND1 IN1 NC OUT3B EN2 EN4 VCC IN3 PGND2 OUT1B OUT4B VM1 PGND3 NC IN4 OUT5B RNFS PGND1 OUT6A OUT4A OUT2A PGND2 VREF OUT7B BR6 OUT1A NC VM2 IN6 RNF NC BR5 VM1 NC EN5 VM2 VM3 NC PGND3 IN7 NC PGND1 VM3 EN1 OUT7A VM4 EN7 I_DRIVE(+) I_BIAS(+) I_BIAS(-) FC_SENS_Vcc I_DRIVE(-) I_HALL(+) ZM_SENS_OUT I_HALL(-) NightShot_Vcc FC_SENS_OUT ZM_SENS_Vcc THERMO_OUT LENS_DETE GND GND GND GND GND GND MT_GND BLOCK LENS OSC CONTROL IC3705 IRIS DRIVE. IC3706 HALL AMP IRIS DRIVE, FOCUS/ZOOM IRIS DRIVE, IC3707 MOTOR DRIVE E 2 5 J M LENS DRIVE (LD BLOCK) H C G 6 4 12 L 9 VC-377 BOARD (2/16) 14 05 11 K 7 8 10 I B 15 13 XX MARK:NO MOUNT D 3 F N @104 (1/16) (4/16) @112 (11/16) @113 @114 (15/16) @115 (3/16) (16/16) @116 (3/16) IRIS DRIVE AMP SENSOR SWITCH FOCUS/ZOOM MT_5V DCR-HC17E/HC19E/HC21/HC21E/HC22E/HC32/HC32E/HC33/HC33E For Schematic Diagram • Refer to page 4-87 for printed wiring board. 4-37 4-38 VC-377 (3/16) R4029 XX IC4003 XX Vcc 1 DQ0 2 Vccq 3 DQ1 4 DQ2 5 Vssq 6 DQ3 7 DQ4 8 Vccq 9 DQ5 10 DQ6 11 Vssq 12 DQ7 13 Vcc 14 DQML 15 XWE 16 XCAS 17 XRAS 18 XCS 19 A13 20 A12 21 A10 22 A0 23 A1 24 A2 25 A3 26 Vcc 27 Vss 28 A4 29 A5 30 A6 31 A7 32 A8 33 A9 34 A11 35 NC 36 CKE 37 CLK 38 DQMU 39 NC 40 Vss 41 DQ8 42 Vccq 43 DQ9 44 DQ10 45 Vssq 46 DQ11 47 DQ12 48 Vccq 49 DQ13 50 DQ14 51 Vssq 52 DQ15 53 Vss 54 XX R4030 C4036 XX MDQ10_T MXRAS MDQ8_T MXCS0 MA12_T MDQ9_T MA4_T MA5_T MDQ0_T MDQ1_T MDQ2_T MDQ15_T MDQ3_T MDQ4_T MDQ5_T MDQ6_T MDQ14_T MDQ13_T MDQ12_T MA9_T MA10_T MA8_T MA0_T MA1_T MA7_T MDQ7_T MA6_T MXWE MDQ11_T MXCAS MEMCK_OUT MA2_T MA3_T MA13_T MA11_T MA12_T R4026 XX XX FB4003 XX C4034 XX C4028 R4022 XX XX C4026 R4023 XX R4027 XX XX C4031 XX C4020 XX C4021 R4002 XX 4V C4037 XX XX R4035 XX C4004 R4004 XX (10/16) (16/16) NO MARK:REC/PB MODE : Voltage measurment of the CSP ICs and the Transistors with mark, are not possible. 0.7 0.1 0.1 0.1 0.7 0.7 3.2 2.8 10.4 0 2.8 2.8 2.8 2.8 2.8 2.8 2.8 2.8 2.8 2.8 2.8 2.8 2.8 2.8 2.8 2.8 2.8 2.8 2.8 2.8 2.8 2.8 2.8 2.8 2.8 2.8 2.8 2.8 2.8 2.8 2.8 2.8 2.8 2.8 2.8 2.8 2.8 2.8 2.8 2.8 0.4 13 14 17 18 19 16 15 20 21 HC32: EXCEPT KR/HC33 HC32: KR/HC32E/HC33E HC32: EXCEPT KR/HC33 HC32: KR/HC32E/HC33E HC32: EXCEPT KR/HC33 FB4004 FB4005 OuH OuH D_1.2V 22k R4003 SYS_V RCO3_FRMREF HCI_FYI0 HN4A71FK(TE85R) BUFFER Q4002 3 2 4 5 7 6 1 8 5600 R4014 TFS_FCO CAM_SI ADATAOUT1 0.1u C4019 A17_VM D5_VM 0.1u C4005 A_2.8V D15_VM CLPOB 0.1u C4011 D1_VM AD5_G AD8_G IC4002 MSM56V16160F-10T3 Vcc 1 DQ0 2 DQ1 3 VssQ 4 DQ2 5 DQ3 6 VccQ 7 DQ4 8 DQ5 9 VssQ 10 DQ6 11 DQ7 12 VccQ 13 DQML 14 XWE 15 XCAS 16 XRAS 17 XCS 18 A11(BA) 19 A10/AP 20 A0 21 A1 22 A2 23 A3 24 Vcc 25 Vss 26 A4 27 A5 28 A6 29 A7 30 A8 31 A9 32 DU 33 CKE 34 CLK 35 DQMU 36 DU 37 VccQ 38 DQ8 39 DQ9 40 VssQ 41 DQ10 42 DQ11 43 VccQ 44 DQ12 45 DQ13 46 VssQ 47 DQ14 48 DQ15 49 Vss 50 RYO3_SGOUT D2_VM EVF_G/BW_Y C4035 0.1u 4V C4006 22u A18_VM 0.1u C4017 0uH FB4001 D11_VM R4015 1k R4024 CAM_SO AD7_G A2_VM SFD_FCK SSS RYO0_DEHD 0.1u C4025 HCO_FYI1 ADATAOUT0 VLAT_IN_FYO1 1u C4008 LXCS FLAT_SYNC_FYO0 R4011 ±0.5% AD3_G RCI3_DE7 ±0.5% R4008 D4_VM 0.1u C4022 ACC_CONT THCRQ_FHDI IC_4001_VD C4027 4.7u RYI3_DE3 0.1u C4032 D13_VM 10uH L4002 DTA144EMT2L Q4005 A14_VM ADCK27 1500 R4028 XSYS_RST EVF_VD IC_4001_C_OUT 0.1u C4024 DIR0B R4036 100 0.1u C4016 TRRV D6_VM RCO0_EDHD 0.1u C4015 D10_VM IC4001 1 2 3 4 5 6 7 8 9 10 11 12 13 14 15 16 17 18 19 20 21 22 23 24 25 26 27 28 29 30 31 32 33 34 35 36 53 54 55 56 57 58 59 60 61 62 63 64 65 66 67 68 69 70 71 72 73 74 75 76 77 78 79 80 81 82 83 84 85 86 87 88 89 90 91 92 93 94 95 96 97 98 99 100 101 102 103 104 105 106 107 108 109 110 111 112 113 114 115 116 117 118 119 120 121 122 123 124 125 126 127 128 129 130 131 132 133 134 135 136 137 138 139 140 141 142 143 144 44 52 43 51 42 50 41 49 40 48 39 47 38 46 37 45 145 146 147 148 149 150 151 152 153 154 155 156 157 158 159 160 161 162 163 164 165 166 167 168 169 170 171 172 173 174 175 176 177 178 179 180 181 182 183 184 185 186 187 188 189 190 191 192 193 194 195 196 197 198 199 200 201 202 203 204 205 206 207 208 209 210 211 212 213 214 215 216 217 218 219 220 221 222 223 224 225 226 227 228 229 230 231 232 233 234 235 236 237 238 239 240 241 242 243 244 245 246 247 248 249 250 251 252 253 254 255 256 257 258 259 260 261 262 263 264 265 266 267 268 269 270 271 272 273 274 275 276 277 278 279 280 281 282 283 284 285 286 287 288 289 290 291 292 293 294 295 296 297 298 299 300 301 302 303 304 305 306 307 308 CAM_CS AGC_CONT AD2_G A10_VM FC_RST R4018 XVSP_SCK ±0.5% R4009 0.1u C4007 VLAT_SYNC_FCI A4_VM JAIRQ IC_4401_C_OUT D0_VM LCKO A13_VM USB_PULLUP RYO1_DEVD 0uH FB4002 DTC144EMT2L Q4001 XCS_IC_4001 ZV1 FRRV AD4_G SFD_BCK CAM_SCK RCO2_EDFLD 0.1u C4018 PANEL_R ALIGN_VD TG_ID 0.1u C4012 ±0.5% R4005 FS_EDGE_REF ZSG1 ADATAIN0 AD1_G 0.1u C4010 A_1.5V A7_VM VSP_SI TRRT ±0.5% R4006 D_2.8V RYI2_DE2 HYO_SLGATE D3_VM DIR1A VGAT LINEOUT_V A6_VM AD9_G TG_HD RCI2_DE6 V_DRAIN PANEL_B C4023 0.1u IC_4001_FLD RB4002 4700 1 2 3 4 5 6 7 8 RCO1_EDVD PANEL_G AD0_G SPCK EN0 DSCK_VM SHUTTER_ON 0.01u C4009 D9_VM RB4001 2 4 6 8 1 3 5 7 A15_VM CK_CONT RCI1_DE5 180 R4013 CL4001 WEN VCK D14_VM D7_VM A9_VM PANEL_HD A16_VM 0.1u C4002 RYO2_DEFLD DIR0A USB_D- DATA_FROM_SFD CL4002 A8_VM CLPVO REG_GND LXWR 0.1u C4003 C4013 0.1u RYI1_DE1 D_1.5V A1_VM FRAT_REFO USB_D+ 0.1u C4030 VREF USB_XEN MFLG_QRST EN1 47k R4025 DATA_TO_SFD A5_VM VSP_SO USB_3.1V 10uH L4003 AD6_G A12_VM SFD_LRCK 0.1u C4001 A19_VM VFI_OE 0.1u C4029 PANEL_VD ZM_RST IC_4001_Y_OUT D8_VM D12_VM A3_VM ADATAIN1 TG_VD 0.1u C4014 KASYAON A11_VM EVF_HD 4.7u C4033 RYI0_DE0 HYI_PLL27IN THYRQ_FVDI LXWAIT RCI0_DE4 DIR1B 22uH L4001 R4007 ±0.5% USB_CLK 1 A EVF_G/BW_Y IC_4401_C_OUT AGC_CONT ACC_CONT USB_D+ USB_D- SFD_BCK SFD_LRCK SFD_FCK PANEL_HD PANEL_VD EVF_HD EVF_VD DSCK_VM CAM_SCK CAM_SO CAM_SI SYS_V ALIGN_VD VFI_OE LINEOUT_V VREF SSS WEN FRRV TRRV AD4_G AD5_G AD6_G AD3_G AD2_G AD1_G AD0_G LXWAIT JAIRQ LXWR LXCS D0_VM D1_VM D2_VM D3_VM D4_VM D5_VM D6_VM D7_VM D8_VM D9_VM D10_VM D11_VM D12_VM D13_VM D14_VM D15_VM A1_VM A2_VM A3_VM A4_VM A5_VM A6_VM A7_VM A8_VM A9_VM A10_VM A11_VM A12_VM A13_VM A14_VM A15_VM A16_VM A17_VM A18_VM DATA_FROM_SFD DATA_TO_SFD IC_4001_Y_OUT IC_4001_C_OUT IC_4001_FLD PANEL_G PANEL_R PANEL_B AD7_G AD8_G AD9_G A19_VM IC_4001_VD CAM_SCK AD9_G FS_EDGE_REF FRAT_REFO ACC_CONT AGC_CONT VSP_SI VSP_SO XVSP_SCK XCS_IC_4001 LXWAIT JAIRQ LXWR LXCS D0_VM D1_VM D2_VM D3_VM D4_VM D5_VM D6_VM D7_VM D8_VM D9_VM D10_VM D11_VM D12_VM D13_VM D14_VM D15_VM A1_VM A2_VM A3_VM A4_VM A5_VM A6_VM A7_VM A8_VM A9_VM A10_VM A11_VM A12_VM A13_VM A14_VM A15_VM A16_VM A17_VM A18_VM A19_VM EVF_VD EVF_HD PANEL_VD PANEL_HD DATA_FROM_SFD DATA_TO_SFD SFD_FCK SFD_LRCK USB_XEN AD8_G AD6_G AD5_G AD4_G AD3_G AD2_G AD1_G AD0_G MDQ0_T MDQ1_T MDQ2_T MDQ3_T MDQ4_T MDQ5_T MDQ6_T MDQ7_T MDQ8_T MDQ9_T MDQ10_T MDQ11_T MDQ12_T MDQ13_T MDQ14_T MDQ15_T MXCS0 MXWE MXRAS MXCAS MA0_T MA1_T MA2_T MA3_T MA4_T MA5_T MA6_T MA7_T MA8_T MA9_T MA10_T MA12_T WEN SSS VREF LINEOUT_V IC_4001_FLD IC_4001_VD ALIGN_VD VFI_OE CAM_SI CAM_SO SYS_V AD7_G CAM_CS FRRV TRRV FRAT_REFO FS_EDGE_REF CAM_CS VSP_SI VSP_SO XVSP_SCK XCS_IC_4001 VGAT TG_VD TG_HD ZV1 ZSG1 CLPOB ZSG1 VGAT CLPOB TG_HD ZV1 TG_VD USB_XEN XSYS_RST MA11_T MA13_T TRRT V_DRAIN V_DRAIN XSYS_RST TRRT IC_4401_C_OUT MA4_T MDQ4_T MDQ11_T MDQ15_T MA2_T MA10_T MEMCK_OUT MA6_T MDQ1_T MA9_T MA7_T MDQ5_T MDQ10_T MA8_T MXCAS MDQ2_T MDQ12_T MDQ9_T MA1_T MDQ14_T MA3_T MA12_T MDQ7_T MDQ3_T MXCS0 MDQ0_T MDQ8_T MDQ6_T MXWE MDQ13_T MA5_T MA0_T MXRAS USB_PULLUP USB_PULLUP USB_D+ SFD_BCK USCK_T DSCK_VM MEMCK_OUT USB_CLK_T IC_4001_C_OUT IC_4001_Y_OUT PANEL_G PANEL_R PANEL_B EVF_G/BW_Y AD0_G AD1_G AD2_G AD3_G AD4_G AD5_G AD6_G AD7_G AD8_G AD9_G USB_D- SENS0 XSWE OSD_VD SO XCS SI PANEL_HD PANEL_VD DSCK LXWAIT LA1 LA2 LA3 LA4 LA5 LA6 LA7 LA8 LA9 LA10 LA11 LA12 LA13 LA14 LA15 LA16 LA17 LA18 LDO LD1 LD2 LD3 LD4 LD5 LD6 LD7 LD8 LD9 LD10 LD11 LD12 LD13 LD14 LD15 MCSI MCXSCK MCXCS SYSV IC_4001_FLD_FLD_MO IC_4001_VD_VMO ZV1 ZSG1 SHUTTER TGVD TGHD CLPOB VGAT MSUB D3 D2 D1 D0 D6 D4 D5 ALIGN_VD CHCK AD0 AD1 AD2 AD3 AD4 AD5 AD6 AD7 AD8 AD9 MCSO BUSCTL XSCK IOVDD3 VREF_VMI DVDD3 IOVSS2 DVSS1 IOVDD2 CCDMODE1 MEMCK IOVSS4 TEST3 IOVDD8 DVSS3 TEST4 ADCK27 DVSS4 IOVSS6 IOVDD6 20_25_IN CCDMODE2 IOVSS7 M54_OUT MFLG_QRST HYI_PLL27IN HYO_SLGATE HCI_FYI0 HCO_FYI1 XRST SPCK IOVSS3 IOVDD1 EVF_VD EVF_HD SCAN TEST1 KSAOUT DVDD1 ADAO2 ADAO1 ADAI2 ADAI1 DRP(SWP) FCK LRCK BCK AUPBI1 AUPBI2 AURECO2 AURECO1 IOVSS1 POI POO FS_EDGEREF_SL_SWP FRATREFI_TFP PLLAVSS USBVSS USB_OSC USB_CLK D_MINUS D_PLUS USBVDD EVR_VDD1 ACCVO AGCVO CLPVO EVR_VSS1 PLLYVSS PLLYVDD PLLMVSS PLLMVDD PLLUVSS PLLUVDD AVDD_Y CBUC COUT REXTC AVSS_C AVSS_Y REXTY YOUT CBUY AVDD_C AVDD_E REXTE ECBOUT ECROUT EYOUT CBUE AVSS_E AVSS_P REXTP PCBOUT PCROUT PYOUT CBUP AVDD_P AD_Vdd AD_VREFL AD_Vss LCKO OSCVSS1 XOO XOI OSCVDD1 IOVSS15 ED0 IOVDD15 VLAT_SYNC_FCI FLAT_SYNC_FYO0 VLAT_IN_FYO1 TFS_FCO THYRQ_FVDI THCRQ_FHDI TEST5 36_27_OUT IOVDD7 FFLDI FVDO FHDO FFLDO FCLK AD_IN AD_VREFH LXCS JAIRQ SSS MA13 MA12 MA11 MA10 MA9 MA8 MA7 MA6 MA5 MA4 MA3 MA2 MA1 MA0 FRRV TRRV MXRAS MXCAS MXWE MXCS0 MXCS1 MDQ15 MDQ14 MDQ13 MDQ12 MDQ11 MDQ10 MDQ9 MDQ8 MDQ7 MDQ6 MDQ5 MDQ4 MDQ3 MDQ2 MDQ1 MDQ0 ID RYO0_DEHD RYO1_DEVD RYO2_DEFLD RYO3_SGOUT RCI0_DE4 RCI1_DE5 RCI2_DE6 RCI3_DE7 RCO0_EDHD RCO1_EDVD RCO2_EDFLD RCO3_FRMREF SENS1 EN00 CK_CONT DIR0A DIR0B EN01 DIR1A DIR1B RYI0_DE0 RYI1_DE1 RYI2_DE2 RYI3_DE3 AD_INN AD_VR1 EVR_VSS2 EVR_VDD2 ANALOG_TEST VFI_VD USB_XEN USCK LRDXWR TEST2 VFI_OE_FLDMI ED1 ED2 ED3 ED4 ED5 ED6 ED7 D7 D8 D9 DVDDadd1 PCO PLLAVDD LA19 IOVSSadd1 IOVDDadd1 IOVDD4 IOVSS5 IOVDD6 DVSSadd1 DVDDadd1 T4 U4 T3 V3 R5 W1 R4 P5 N5 V1 E9 D9 B6 B9 A6 B10 B7 C10 A7 E10 B8 D10 A8 A10 A9 E11 D11 C11 A11 B11 A12 B12 A13 C12 C13 E12 A14 D12 A15 B13 E13 D13 A16 B14 A17 C14 B16 D14 A18 E14 B17 B15 A19 C15 E15 D15 C16 C17 D16 A20 E16 B19 D17 E17 C18 E18 B20 F16 D18 G16 G17 F17 C19 F18 D19 G18 C20 H16 D20 H17 E19 H18 E20 J18 J16 J17 F19 J19 F20 K19 G19 K18 G20 K16 H19 K17 H20 K20 J20 L16 L17 L18 L20 L19 M20 M19 N20 M18 N18 M16 P20 M17 R20 N19 N16 N17 T20 P19 U20 P18 T19 P17 V20 P16 U19 R19 W20 V19 R16 R17 T18 U18 T17 Y20 T16 W19 U17 U16 V18 V16 Y19 T15 V17 T14 U14 U15 W18 V15 W17 V14 Y18 T13 Y17 U13 W16 V13 Y16 V12 T12 U12 W15 W12 Y15 W11 W14 V11 Y14 T11 W13 U11 Y13 Y12 T10 U10 V10 W10 Y10 W9 Y9 V9 Y8 T9 V8 U9 Y7 W8 Y6 T8 U8 W7 Y5 V7 Y4 U7 W5 T7 Y3 W6 W4 V6 Y2 V5 T6 U6 W3 U5 V4 T5 Y1 Y11 VSSCR DVSSadd1 VSSIO DVSSadd2 DVDDadd2 VSSIO VSSCR IOVSS8 DVDD4 54M out 27M 13.5M @136 (15/16) @138 (9/16) (12/16) @137 IC4002 16M SDRAM (4/16) (5/16) @139 @140 (4/16) (4/16) (5/16) @141 (5/16) @142 (6/16) (4/16) @143 (4/16) (5/16) @133 (4/16) (7/16) @135 @134 (9/16) (6/16) (1/16) @106 (5/16) @132 @131 (9/16) (6/16) (9/16) (6/16) (4/16) (9/16) @130 @129 (10/16) @127 (16/16) (4/16) (16/16) @128 @126 (9/16) @125 (6/16) @124 (6/16) @103 (6/16) (1/16) @116 (2/16) (2/16) @115 (11/16) (13/16) @117 (13/16) (11/16) @118 (11/16) (6/16) (12/16) (9/16) (11/16) (6/16) @119 @120 (11/16) (11/16) @121 @122 (11/16) (6/16) (11/16) (4/16) @123 (11/16) @108 (1/16) @110 (1/16) IC4001 VIDEO/AUDIO DSP SWITCH PULL UP H 11 5 XX MARK:NO MOUNT P J 05 4 N O 24 16 6 VC-377 BOARD (3/16) I B 21 2 20 L 22 15 12 C K 8 10 VIDEO/AUDIO DSP 23 9 Q F 17 18 13 25 14 D 3 7 G M 19 E A_2.8V A_1.5V D_1.5V D_1.2V/D_1.5V MODEL HC32: EXCPT KR/ HC32: KR/ Ref. No. HC33 HC32E/HC33E R4005 220 120 R4006 220 120 R4007 5.6k 3.3k R4008 220 120 R4009 220 270 R4011 5.6k 12k R4015 22k 3.9k R4018 820 180 RB4001 0 56 MARKED: MOUNT TABLE 32R5659: TINIAN-RU: DCR-HC17E/HC19E/HC21/HC21E/HC22E/HC32/HC32E/HC33/HC33E For Schematic Diagram • Refer to page 4-87 for printed wiring board. 4-39 4-40 VC-377 (4/16) XX R5149 XCRADLE_IN XX C5105 XX D5101 XDS_RESET XX D5103 XDS_RESET C5127 XX C5129 XX C5132 XX C5130 XX XX C5112 IC5104 XX 1 2 3 4 5 R5113 XX XX C5111 R5112 XX XX R5111 RB5101 XX 1 2 3 4 5 6 7 8 XX R5103 XCRADLE_IN XDS_RESET XCRADLE_IN NO MARK:REC/PB MODE : Voltage measurment of the CSP ICs and the Transistors with mark, are not possible. 2.8 2.8 2.8 0 0 0 2.8 1 1.1 2.8 2.8 2.8 2.8 0 0 0 2.3 2.8 2.8 2.8 2.2 2.8 2.8 2.8 2.4 2.8 2.7 2.2 0 0 2.7 2.7 HC32: EXCEPT KR/HC33 HC32: KR/HC32E/HC33E HC32: KR/ HC32E/HC33E 22 48MHz X5101 1M R5107 0 R5110 1 2 3 0.1u C5113 1 2 3 4 5 0 R5105 NC VCC 47k R5135 JAIRQ CHIME_SDA WE0_VM 0.01u C5101 0uH FB5102 MS_SCLK CL5101 A12_VM A19_VM 100 R5124 REC_PROOF 0.1u C5107 A4_VM A2_VM A15_VM D_1.2V XCS_FLASH 100k R5101 0.1u C5109 D7_VM XDS_RESET D9_VM IR_ON USB_3.1V 100k R5125 IC_5001_CS XHI_SCK A17_VM D4_VM D13_VM SFD_LRCK A3_VM D12_VM D11_VM XCS_SDRAM_VM OSD_V IC5101 AK6512CL-L 1 CS 2 RXD3 3 XRDY 4 GND 5 TXD3 6 SCK3 7 HOLD 8 VDD A14_VM REG_GND TP_Y USB_DET 0.1u C5106 USB_CLK FB5101 HI_SI C5126 0.1u 0 R5104 CAS_VM A13_VM 0uH FB5103 A6_VM 0.1u C5115 2 3 1 DSCK_VM D10_VM XCS_MECHA 1u C5135 C5121 0.1u A20_VM 1500 R5126 MS_XIN RAS_VM DTA144EMT2L Q5107 RB5105 1k 1 2 3 4 5 6 7 8 MS_VCC_ON A21_VM 0.1u C5110 USB_D+ 0.1u C5102 C5128 0.01u USB_D- 82 R5128 LXWAIT HI_SO D14_VM CL5102 DTC144EMT2L Q5103 D_2.8V D5_VM BEEP D0_VM IC_5001_RXD0 D2_VM C5103 0.1u REG_GND A16_VM D6_VM LXWR 470k R5116 4V 22u C5134 A7_VM A10_VM ±0.5% 27 R5106 MS_BS 0.1u C5118 0uH FB5105 SYS_V RD_VM CAM_DD_ON D15_VM A5_VM IC_5001_SCK0 A8_VM 1k R5132 MS_DIO C5124 100p ±0.5% 27 R5109 C5108 0.1u RB5104 1k 1 2 3 4 5 6 7 8 LXCS TP_SEL1 R5115 0uH FB5106 WE1_VM A18_VM A11_VM A1_VM CKE_VM D1_VM IC_5001_TXD0 0.1u C5114 D3_VM 2SC5658T2LQ/R Q5104 UNR31A600LS0 Q5108 XVM_MAD A9_VM D8_VM CHIME_SCK TP_X XSHUTTER_OPEN 0.1u C5104 100k R5117 470k R5121 0.1u C5117 XMS_LED_ON DTC144EMT2L Q5101 A_2.8V 0uH FB5104 FREQ_TUNE HALL_GAIN HALL_OFFSET 4.7u C5136 3300 R5144 EMT1T2R Q5106 6 2 1 3 5 4 1500 R5142 5600 R5143 3300 R5148 1M R5147 3300 R5146 100k R5145 2200 R5139 3.3 R5141 2SA2030T2L Q5105 4700 R5140 XBS_VM CL5103 CL5104 CL5105 RB5102 100k 1 2 3 4 5 6 7 8 CL5106 IC5102 CXD3175BGG-T6 1 2 3 4 5 6 7 8 9 10 11 12 13 14 15 16 17 18 19 20 21 22 23 24 25 26 27 28 29 30 31 32 33 34 35 36 53 54 55 56 57 58 59 60 61 62 63 64 65 66 67 68 69 70 71 72 73 74 75 76 77 78 79 80 81 82 83 84 85 86 87 88 89 90 91 92 93 94 95 96 97 98 99 100 101 102 103 104 105 106 107 108 109 110 111 112 113 114 115 116 117 118 119 120 121 122 123 124 125 126 127 128 129 130 131 132 133 134 135 136 137 138 139 140 141 142 143 144 44 52 43 51 42 50 41 49 40 48 39 47 38 46 37 45 145 146 147 148 149 150 151 152 153 154 155 156 157 158 159 160 161 162 163 164 165 166 167 168 169 170 171 172 173 174 175 176 177 178 179 180 181 182 183 184 185 186 187 188 189 190 191 192 193 194 195 196 197 198 199 200 201 202 203 204 205 206 207 208 209 210 211 212 213 214 215 216 217 218 219 220 221 222 223 224 225 226 227 228 229 230 231 232 233 234 235 236 237 238 239 240 241 242 243 244 245 246 247 248 249 250 251 252 253 254 255 256 257 258 259 260 261 262 263 264 265 266 267 268 269 270 271 272 273 274 275 276 277 278 279 280 281 282 283 284 285 286 287 288 289 290 291 292 293 294 295 296 297 298 299 300 301 302 303 304 0 R5114 D5102 MAZW068H0LS0 USB_PULLUP 1k RB5107 1 2 3 4 5 6 7 8 1k RB5108 1 2 3 4 5 6 7 8 10k RB5109 1 2 3 4 5 6 7 8 10u C5131 10u C5133 CL5107 CHIME_VDD 1 A KEY_AD0 KEY_AD2 KEY_AD3 KEY_AD1 EEP_TXD3 EEP_RXD3 EEP_SCK3 XMS_LED_ON MS_VCC_ON LXWR LXWR OSD_V XCS_MECHA REC_PROOF CHIME_SDA CHIME_SCK TP_SEL1 TP_SEL2 IR_ON XSHUTTER_OPEN XVM_MAD EEP_SCK3 EEP_RXD3 EEP_TXD3 TP_SEL2 TP_SEL1 CHIME_SDA CHIME_SCK XCS_MECHA REC_PROOF XVM_MAD OSD_V MS_VCC_ON XMS_LED_ON XSHUTTER_OPEN IR_ON MIC_RXD5 INT7 EEP_RXD3 MSDATA2 Key_AD0 Key_AD1 BT_RXD4 VDD TP_SEL_2 VSSQ BT_RTS4 DialB ETM8 VDDQ XHIDSCON_MAD XMIC_MONO ETM9 NC(D16) IR_ON NC(D18) A15 NC(D20) D11 D10 D7 A16 AVDD(OTR_CH0) AVSS(AD) D1 CID D3 D6 AVRB(DA) EEP_TXD3 A23 D13 D0 EXTAL IC_5301_TXD1 ANOUT[2] NC(DREQ1_MUX) VSSUSBHS CHIME_AD1 AVDD(DA2) UCLK VSS AVDD(PLL1) IC_5301_RXD1 TRST DPOTG_CH0 VDD AVDD1(PHY) RTCK NC(MICEEP_XRDY) XCS_SISTAR MIC_SCK5 VDDUSB MSDATA1 MICEEP_RXD2 UEXTAL TMS STATUS0 MD1 VDD HOLD XTAL MS_LED_ON XCS_EEP MELODY REC_PROOF ETM4 XCS_7SEG XFAN_ON RD ETM12 USB_PULLUP FRQ_SW2 VDD VSSQ NC(D30) A14 NC(D17) CS_SDRAM NC(D24) VDDQ D14 CS_FLASH2 NC(D22) NC(XSC_DIA) CS_FLASH BT_WAKEUP NC(MICEEP_SCK2) RDWR NC(MICEEP_XTD2) NC(D23) VSSQ NC(D21) AVSS(OTG_CH1) AVDD(PLL2) ANOUT[1] AGND(PHY) AVDD(DA0) VDD MD0 AVSS(PLL1) D4 TCK MD3 BT_LED_ON VSSUSB VDDQ RPU VBUSOTG1 BT_CTS4 VDDQ CHIME_AD0 UXTAL VSS AVDD(OTR_CH1) NC(XCS_MICEEP) VSSQ VBUSCHG VSS AVDD(PLL3) VDDQ AV_MIC_L MS_VCC_ON AVSS(DA0) VDDQUSB D12 DMOTG_CH1 DMOTG_CH0 VSSQ ETM7 USB_D+2.0HS VSSQ VSSQ ETM2 XSCHARGE_FULL VDD ETM1 USB_XOVERCURRENT_DET A18 ETM6 SCHARGE_ON INT8 USB_D-2.0FS ETM10 A17 ETM11 A20 A19 DS_RESET D8 VDDQ NC(DREQ0_DMX) RH_DIS_IRQ DACK0_MUX XCS_TINIAN IC_5001_SCK0 AV_IRQ MS_SCLK IC_5001_TXD0 NC(XWE3) MS_BS CS_SDRAM2 XMS_IN WE0 N.C NC(XCS_FOREST) WE1 A21 A22 IC_5301_SCK1 VSSQUSB SUB/INT_CTRL ANOUT[0] TP_X DPOTG_CH1 AU_CLK AV_MIC_R USB_D-2.0HS CKIO2 VSSQ NC(CHIME_PWR_CONT) VDDQ USB_VBUS_DISCHARGE TDI CHIME_AD2 Key_AD6 AVRT(DA) VDDQ VDD EEP_XRDY AVSS(PLL2) VSS EEP_SCK3 BT_XRST ETM5 MD4 CKIO AVSS(DA2) VSSQ Key_AD3 TP_SEL_1 TDO ETM0 CHIME_SDA NC(XCS_MIC) TEST1 STROBE_LED RREF VDDQ USB_D+2.0FS ETM3 A1 MELODY_ENV A13 BS USB_CLKENABLE DialA A0 MIC_IN SHUTTER_OPEN NC(D31) NC(MIC_IRQ) CAS VDDUSBHS NC(D19) CKE D15 CAM_DD_ON NC(D25) VDDQ NC(D26) VSSQ VDDQ NC(XWE2) NC(D29) CS_5A NC(D27) NC(D28) RAS VSS NC(FREQ SW) A24 VDD MS_DIO D5 DACK1_MUX D9 XCS_IC_5001 NC(FOREST_XRDY) VDDQ VSSQ VSS END MD2 AVDD(AD) IC_5001_RXD0 Key_AD5 VSSQ TP_Y MIC_TXD5 TEST0 VSS VDDUSBOTG CHIME_SCL NC(OTG_IRQ) SYS_V BT_TXD4 AVSS(OTG_CH0) ANOUT[3] MSDATA3 Key_AD4 D2 Key_AD2 XWAIT TEST2 OSD_V AVSS(PLL3) VSS VSSUSBOTG VBUSEN STATUS1 A2 A10 A9 A5 A4 A3 A7 A12 A11 A6 AVDD31(PHY) A8 AVDD1(PHY) XS_JACK_IN AV_JACK_IN VBUS AV_JACK_IN_CRADLE XCRADLE_IN XSTROBE_READY IC5102 DS/HI CONTROL IC5103 TC7SZU04AFE(TE85) IC5103 OSCILLATOR DRIVE (3/16) @123 @139 (11/16) (3/16) (15/16) (3/16) @127 @148 (16/16) (3/16) @143 (5/16) (9/16) @144 (3/16) @133 (3/16) @141 (5/16) (5/16) (3/16) @140 (5/16) @145 (5/16) @146 @150 (16/16) @149 (13/16) (2/16) @112 (16/16) @147 @107 (15/16) (1/16) @132 (3/16) (6/16) (9/16) (3/16) (6/16) @142 (5/16) @151 (12/16) @152 (11/16) (13/16) @153 @154 (16/16) E 16 2 5 18 J M DS/HI CONTROL H C G 6 4 12 L 9 VC-377 BOARD (4/16) 14 05 11 K 7 8 O 10 17 I B 15 13 21 XX MARK:NO MOUNT P 19 D 3 F 20 N IC5101 64K EEPROM Q5103,5104 MODULATOR LED DRIVE Q5105-5107 CHIME_VDD_SWITCH TOUCH PANEL SELECT SWITCH D_1.2V A_2.8V USB_3.1V 0: 100: DCR-HC17E/HC19E/HC21/HC21E/HC22E/HC32/HC32E/HC33/HC33E For Schematic Diagram • Refer to page 4-87 for printed wiring board. 4-41 4-42 VC-377 (5/16) XX R5203 R5202 XX A12_VM (10/16) (16/16) NO MARK:REC/PB MODE : Voltage measurment of the CSP ICs and the Transistors with mark, are not possible. Note: IC5202 can not be replaced, so that it is not supplied. R5201 0 A13_VM C5202 0.1u RAS_VM WE1_VM WE0_VM LXWR D_2.8V 0uH FB5201 XCS_SDRAM_VM W9816G6CB-7-ER20 IC5201 Vcc 1 DQ0 2 Vccq 3 DQ1 4 DQ2 5 Vssq 6 DQ3 7 DQ4 8 Vccq 9 DQ5 10 DQ6 11 Vssq 12 DQ7 13 Vcc 14 DQML 15 XWE 16 XCAS 17 XRAS 18 XCS 19 A13 20 A12 21 A10 22 A0 23 A1 24 A2 25 A3 26 Vcc 27 Vss 28 A4 29 A5 30 A6 31 A7 32 A8 33 A9 34 A11 35 NC 36 CKE 37 CLK 38 DQMU 39 NC 40 Vss 41 DQ8 42 Vccq 43 DQ9 44 DQ10 45 Vssq 46 DQ11 47 DQ12 48 Vccq 49 DQ13 50 DQ14 51 Vssq 52 DQ15 53 Vss 54 CAS_VM CKE_VM 4V 22u C5203 C5201 0.1u S99-50031-30-ER IC5202 1 VSS 2 A15 3 A14 4 A13 5 A12 6 A11 7 A10 8 A9 9 A8 10 A19 11 A20 12 XWE 13 XRST 14 NC 15 CLK 16 XWP 17 VCC 18 XAVD 19 XCE 20 A18 21 A17 22 A7 23 A6 24 A5 25 A4 26 A3 27 A2 28 VCC 29 VSS 30 A1 31 A0 32 XOE 33 DQ0 34 DQ8 35 DQ1 36 DQ9 37 VCCQ 38 VSSQ 39 DQ2 40 DQ10 41 DQ3 42 DQ11 43 DQ4 44 DQ12 45 DQ5 46 DQ13 47 VSSQ 48 VCCQ 49 DQ6 50 DQ14 51 DQ7 52 DQ15 53 RDY 54 NC 55 A16 56 VCC A15_VM DSCK_VM A9_VM A21_VM A20_VM A11_VM D8_VM A13_VM XBS_VM A18_VM A4_VM D12_VM D10_VM A5_VM D15_VM A17_VM D9_VM D13_VM D3_VM A12_VM A16_VM A14_VM A1_VM D7_VM A2_VM A3_VM D11_VM A7_VM A8_VM D4_VM D0_VM D14_VM D6_VM D2_VM D5_VM A6_VM A19_VM D1_VM A10_VM REG_GND D_1.9V 0uH FB5203 4.7u C5206 0.1u C5204 XCS_FLASH RD_VM XSYS_RST LXWAIT 1 A D6_VM D7_VM WE0_VM LXWR A1_VM WE0_VM A2_VM D0_VM A3_VM D13_VM D1_VM DSCK_VM A4_VM D2_VM WE1_VM A5_VM A9_VM D3_VM A6_VM D4_VM D11_VM CAS_VM D9_VM D12_VM CAS_VM RAS_VM D14_VM XCS_SDRAM_VM CKE_VM A14_VM LXWR A13_VM A11_VM A8_VM D15_VM XCS_SDRAM_VM WE1_VM A10_VM RAS_VM D10_VM D8_VM A7_VM D5_VM CKE_VM A12_VM A14_VM A10_VM A21_VM A11_VM A16_VM A20_VM A13_VM A9_VM A15_VM A7_VM A19_VM A3_VM D8_VM A8_VM D0_VM A5_VM A18_VM A6_VM RD_VM A1_VM A2_VM XCS_FLASH A4_VM A17_VM DSCK_VM XBS_VM D13_VM D9_VM D3_VM D12_VM D5_VM D4_VM D2_VM D7_VM D14_VM D15_VM D1_VM D11_VM D6_VM D10_VM D7_VM A5_VM DSCK_VM D4_VM XBS_VM A4_VM D5_VM D6_VM D0_VM A21_VM D10_VM D13_VM D14_VM D3_VM A10_VM A16_VM A20_VM A17_VM D1_VM D2_VM A9_VM D8_VM A2_VM A11_VM A13_VM A14_VM A3_VM D11_VM D15_VM D12_VM A12_VM D9_VM A15_VM A6_VM A1_VM A8_VM A7_VM A19_VM A18_VM WE1_VM XSYS_RST RD_VM XSYS_RST XCS_FLASH LXWAIT LXWAIT 16M SDRAM IC5201 IC5202 32M FLASH @140 (6/16) (4/16) @142 (3/16) (3/16) (4/16) (4/16) @141 (3/16) @145 (4/16) (1/16) (6/16) (3/16) @146 @106 (4/16) @155 (15/16) (13/16) (11/16) (3/16) @143 (4/16) E 2 5 FLASH, SDRAM C G 6 4 12 9 VC-377 BOARD (5/16) 05 11 7 8 10 B 13 XX MARK:NO MOUNT D 3 F D_2.8V D_1.9V DCR-HC17E/HC19E/HC21/HC21E/HC22E/HC32/HC32E/HC33/HC33E For Schematic Diagram • Refer to page 4-87 for printed wiring board. 4-43 4-44 VC-377 (6/16) XX L4201 XX C4204 XX C4207 XX R4201 C4213 XX C4211 XX XX R4203 XX R4205 R4206 XX XX R4208 XX C4217 XX L4206 R4204 XX C4214 XX XRST_VTR L4204 XX L4203 XX XRST_VTR XRST_VTR (16/16) (10/16) @105 (1/16) (11/16) (12/16) NO MARK:REC/PB MODE : Voltage measurment of the CSP ICs and the Transistors with mark, are not possible. 23 VSP_SI FCLR LBUS3 XACC DIR LBUS0 XENA LBUS2 LBUS1 FRL TRCKO SFD_BCK ADATAIN1 DSCK_VM FRAT_REFO FS_EDGE_REF SFD_LRCK ADATAIN0 D_1.5V D_2.8V REG_GND RFIN A_2.8V VCK RCO1_EDVD HCO_FYI1 VLAT_SYNC_FCI HYI_PLL27IN RCO2_EDFLD RCO0_EDHD RCO3_FRMREF HYO_SLGATE THCRQ_FHDI RYO0_DEHD FLAT_SYNC_FYO0 RYO1_DEVD VLAT_IN_FYO1 THYRQ_FVDI RYO2_DEFLD RYO3_SGOUT TFS_FCO RECA1 RECA2 RECCK RECDT DRP XVSP_SCK ATF_LATCH XSYS_RST VSP_SO XCS_IC_4201 CS_IC_4201_BUS ALE WRX RDX D31A07 D30A06 D29A05 D28A04 D27A03 D26A02 D25A01 D24A00 A_1.5V SWP DXXA09 DXXA08 FRRV TRRT TRRV RYI0_DE0 RYI1_DE1 RYI2_DE2 RYI3_DE3 HCI_FYI0 RCI0_DE4 RCI1_DE5 RCI2_DE6 RCI3_DE7 MFLG_QRST ADATAOUT0 ADATAOUT1 CL4201 CL4202 CL4204 CL4205 CL4203 CL4206 0.1u C4222 0.1u C4203 0.1u C4215 10uH L4207 0.1u C4205 0.1u C4208 0.1u C4221 0.1u C4220 0.1u C4210 0.1u C4206 10uH L4202 4.7u C4202 0.1u C4209 1k R4202 4.7u C4218 0 R4207 C4216 4.7u L4205 10uH 0.1u C4212 0uH FB4201 UPD15002AFC-DN2-E2-A IC4201 1 2 3 4 5 6 7 8 9 10 11 12 13 14 15 16 17 18 19 20 21 22 23 24 25 26 27 28 29 30 31 32 33 34 35 36 53 54 55 56 57 58 59 60 61 62 63 64 65 66 67 68 69 70 71 72 73 74 75 76 77 78 79 80 81 82 83 84 85 86 87 88 89 90 91 92 93 94 95 96 97 98 99 100 101 102 103 104 105 106 107 108 109 110 111 112 113 114 115 116 117 118 119 120 121 122 123 124 125 126 127 128 129 130 131 132 133 134 135 136 137 138 139 140 141 142 143 144 44 52 43 51 42 50 41 49 40 48 39 47 38 46 37 45 145 146 147 148 149 150 151 152 153 154 155 156 157 158 159 160 161 162 163 164 165 166 167 168 169 170 171 172 173 174 175 176 177 178 179 180 181 182 183 184 185 186 187 188 189 190 191 192 CL4207 1 A HYO_SLGATE RYO0_DEHD RYO1_DEVD RYO2_DEFLD RYO3_SGOUT HCO_FYI1 RCO0_EDHD RCO1_EDVD RCO2_EDFLD RCO3_FRMREF HYI_PLL27IN RYI0_DE0 RYI1_DE1 RYI2_DE2 RYI3_DE3 HCI_FYI0 RCI0_DE4 RCI1_DE5 RCI2_DE6 RCI3_DE7 MFLG_QRST TFS_FCO THYRQ_FVDI THCRQ_FHDI VLAT_SYNC_FCI FLAT_SYNC_FYO0 VLAT_IN_FYO1 DSCK_VM FS_EDGE_REF FRAT_REFO SFD_BCK SFD_LRCK ADATAIN0 ADATAIN1 ADATAOUT0 ADATAOUT1 XSYS_RST VSP_SI VSP_SO XCS_IC_4201 SWP CS_IC4201_BUS ALE WRX D31A07 D30A06 D29A05 D28A04 D27A03 D26A02 D25A01 D24A00 FRRV DRP TRRT TRRV RDX XENA DIR FCLR FRL LBUS3 LBUS2 LBUS1 LBUS0 RECA1 RECA2 RECDT XVSP_SCK ATF_LATCH TRCKO RECCK RFIN XACC HYI_PLL27IN RYI0_DE0 RYI2_DE2 FLAT_SYNC_FYO0 MFLG_QRST SFD_BCK TRCKO FCLR XENA D25A01 D31A07 RDX TRRV TRRT TFS_FCO RECA2 RECA1 DIR FRL D24A00 D28A04 ALE FRRV DRP SWP RCO0_EDHD RCO2_EDFLD RYI1_DE1 RYI3_DE3 HCI_FYI0 VLAT_SYNC_FCI VLAT_IN_FYO1 SFD_LRCK RYO2_DEFLD RCO1_EDVD RCO3_FRMREF RCI0_DE4 RCI2_DE6 RCI3_DE7 ADATAOUT1 ADATAIN1 FS_EDGE_REF LBUS0 LBUS2 XACC D26A02 D29A05 WRX DXXA08 ATF_LATCH VSP_SI XCS_IC_4201 RYO3_SGOUT HYO_SLGATE HCO_FYI1 RCI1_DE5 ADATAOUT0 ADATAIN0 FRAT_REFO LBUS1 LBUS3 CS_IC_4201_BUS D27A03 D30A06 DXXA09 VSP_SO THYRQ_FVDI XSYS_RST DXXA09 DXXA08 RECCK THCRQ_FHDI RYO1_DEVD RYO0_DEHD RFIN DSCK_VM RECDT XVSP_SCK AMC MSSCK AGND MBA1 IOVDD2(3.0V) INTV1(1.5V) MSCSS MA2 MA6 MA10 IOVDD1(3.0V) IOGND1(3V) INTV2(1.5V) HYO YO0 YO2 TICK IOGND3(3.0V) SMC FLAT_SYNC TMFLG INTG3(1.5V) BCK INTV3(1.5V) MDQ1 MDQ5 IOGND2(3.0V) PBCK ADDT0 PLLSW INTV4(1.5V) VICKO IOVDD3(3.0V) TRST DICK INTV5(1.5V) NC DICO_DVDD VRT ADGND OSCIN OVDD RECCKO PLLSVDD MXWE INTG5(1.5V) RECDT IOGND5(3.0V) RECA2 RECA1 TEST INTG6(1.5V) LDIR INTV6(1.5V) FRL MCDA0 MCDA4 INTG7(1.5V) ALE FRRV DRP SWP IOGND6(3.0V) MSCSV XRST MA0 MA3 MA7 MA11 THCRQ INTG2(1.5V) CI0 CI2 YO1 YO3 IOVDD4(3.0V) HCO VLAT_SYNC VLAT_IN LRCK MDQ0 MDQ2 MDQ6 INTG4(1.5V) ADDT3 MDQ11 PLLMSK VITOUT VEGA IOGND7(3.0V) INTG8(1.5V) NC DGND ADVDD VRB OSCOUT PCOR PLLRVDD IOGND4(3.0V) PLLSGND MXCS MXCAS IOVDD6(3.0V) CCDMODE0 TEST1 CCDMODE1 TRCKO FCLR XENA MCDA1 INTV7(1.5V) MCDA7 RDX TRRV TRRT INTG1(1.5V) MA1 MA4 MA8 TFS YI0 YI2 CI1 CI3 CO0 CO2 CO3 ADATAOUT1 ADATAIN1 FS_EDGE_REF MDQ3 MDQ7 ADDT5 ADDT2 MDQ10 MDQ13 MDQ15 MDQ14 DICO_AVDD RFIN OSCVDD OGND PLLRGND TGCK INTV8(1.5V) MXRAS TEST2 BUNRI LBUS0 LBUS2 XACC MCDA2 MCDA5 WRX MCHA0 ATFSMPL MSO2MC MSCSR MA5 MA9 THYRQ YI1 YI3 HYI HCI CO1 ADATAOUT0 ADATAIN0 FRAT_REFO MDQ4 MDQ8 ADDT4 ADDT1 MDQ9 MDQ12 NC VRC NC OSCGND IOVDD5(3.0V) INTG9(1.5V) SPCKO MBA0 TEST3 MEMCKO LBUS1 LBUS3 MCCE MCDA3 MCDA6 SCWIN MCHA1 MSI2ROTA 27M (15/16) @162 @142 (3/16) (4/16) (5/16) (1/16) (3/16) @103 @124 (3/16) @132 (3/16) (4/16) (9/16) (9/16) (3/16) @131 @125 (3/16) @161 (8/16) (1/16) (3/16) (11/16) (5/16) (13/16) @106 @118 (3/16) (9/16) (11/16) (12/16) @157 (7/16) (11/16) @156 (11/16) (8/16) (16/16) @119 (3/16) (11/16) (11/16) (3/16) @122 @158 (11/16) @159 (11/16) (7/16) @160 10 I 15 05 K 8 D F 17 B 13 DV SIGNAL PROCESS E 16 5 J 3 VC-377 BOARD (6/16) H C 6 12 2 XX MARK:NO MOUNT 9 14 11 7 G 4 L DV SIGNAL PROCESS IC4201 A_1.5V D_1.5V A_2.8V D_2.8V DCR-HC17E/HC19E/HC21/HC21E/HC22E/HC32/HC32E/HC33/HC33E For Schematic Diagram • Refer to page 4-87 for printed wiring board. 4-45 4-46 VC-377 (7/16) : Voltage measurment of the CSP ICs and the Transistors with mark, are not possible. ±0.5% 130 R4103 LBUS1 D28A04 XDVCN 220p C4106 SN0306037ZVWR IC4101 1 VDD 2 DA0 3 DA1 4 DA2 5 VSS 6 DA3 7 DA4 8 DA5 9 DA6 10 VDD 11 DA7 12 XACC 13 XPEN 14 FCLR 15 FR 16 0FR 17 IDIR 18 VSS 19 PCLK 20 PMODE 21 VDD 22 REGOUT 23 REGENZ 24 PD0 25 VSS 26 PD1 27 PD2 28 PD3 29 VDD 30 N.C. 31 N.C. 32 N.C. 33 VSS 34 N.C. 35 VDD 36 TM0 37 N.C. 38 MSP100 39 PWD 40 CNC 1 3 5 7 2 4 6 8 41 CNA 42 LPS 43 XRESETP 44 VSS 45 VDDA 46 VSSA 47 TPBN 48 TPBP 49 VSSA 50 VDDA 51 TPAN 52 TPAP 53 TPBIAS 54 VSSA 55 R0 56 R1 57 VDDA 58 FILTER0 59 FILTER1 60 VDDPLL 61 VSSPLL 62 XI 63 N.C. 64 VSS 65 N.C. 66 N.C. 67 N.C. 68 N.C. 69 N.C. 70 N.C. 71 N.C. 72 N.C. 73 N.C. 74 VDD 75 ALE 76 XRW 77 XRD 78 XCS 79 VSS 80 XRESETL LCKO D25A01 D31A07 LBUS0 D24A00 XENA XCS_IC_4101 D26A02 XRST_LINK D29A05 IC_4101_SLEEP 1u C4105 RDX D_2.8V FB4101 0uH D30A06 ALE WRX 5100 R4104 ±0.5% FCLR TRCKO LBUS3 D27A03 FRL XRST_PHY LBUS2 ±0.5% R4102 6200 REG_GND LPS 0.01u C4101 TPB- TPB+ TPA- TPA+ 0.1u C4104 4.7u C4102 0.001u C4103 OFR XACC DIR 56 RB4101 10uH L4101 0.1u C4107 470p 50V C4108 LF4101 0uH LF4102 0uH 3 4 1 1 2 3 4 2 1 A RDX WRX D24A00 D25A01 D26A02 D27A03 D28A04 D29A05 D30A06 D31A07 XRST_LINK XRST_PHY OFR IC_4101_SLEEP XDVCN ALE XCS_IC_4101 FCLR LBUS1 LBUS3 LBUS2 FRL DIR XENA LBUS0 XACC XRST_PHY LPS XDVCN IC_4101_SLEEP OFR D31A07 D30A06 D29A05 D28A04 D27A03 D26A02 D25A01 D24A00 DIR FRL FCLR XENA XACC LBUS0 LBUS1 LBUS2 LBUS3 XRST_LINK XCS_IC_4101 RDX WRX ALE LPS IC4101 DV INTERFACE (15/16) @163 @135 (3/16) (11/16) @164 @160 (6/16) @165 (16/16) (6/16) (11/16) @157 9 11 7 G 4 10 05 8 VC-377 BOARD (7/16) D F B DV INTERFACE E 5 3 H C 6 2 D_2.8V DCR-HC17E/HC19E/HC21/HC21E/HC22E/HC32/HC32E/HC33/HC33E For Schematic Diagram • Refer to page 4-87 for printed wiring board. 4-47 4-48 VC-377 (8/16) XX R4304 XX R4303 NO MARK:REC/PB MODE 24 25 26 R1.8/P2.5 4.6 R2/P4.4 R0.7/P1.8 R0.7/P1.8 0.9 1.6 1.1 R2.8/P0 1.4 2.8 R2.7/P0 2.8 R2.7/P0 2.8 R1.2/P0 0 R1.3/P0 2.8 R1.8/P2.4 R1/P1.9 R1.2/P1.9 2 2 1.1 R1.5/P0 4.6 R1.5/P0 R1.4/P0 R1.5/P0 4.6 R1.2/P1.9 R1/P1.9 R1/P1.9 R1.2/P1.9 R1.2/P1.9 R1/P1.9 R:REC MODE P:PB MODE RECDT RFIN CONT1 RP_2.8V RECCK ALL_PS REG_GND RP_4.6V RECA1 SW_PS RF_MON SWP RECA2 0.01u 16V C4306 1 2 3 4 10P CN4301 1 2 3 4 5 6 7 8 9 10 0.01u C4309 0.01u C4304 ±0.5% 180 R4313 0.47u C4307 ±0.5% 180 R4314 0.01u C4312 ±0.5% 22k R4307 6800 R4306 ±0.5% 10k R4309 0.01u C4313 10uH L4302 10k R4305 22k R4302 0.1u C4310 ±0.5% 180 R4312 ±0.5% 22k R4310 0.01u C4302 ±0.5% 180 R4311 0.47u C4305 0.1u C4311 IC4301 TLS26A102PFBR 1 2 3 4 5 6 7 8 9 10 11 12 13 14 15 16 17 18 19 20 21 22 23 24 25 26 27 28 29 30 31 32 33 34 35 36 37 38 39 40 41 42 43 44 45 46 47 48 0.01u C4308 10k R4301 ±0.5% 10k R4308 10uH L4301 4.7u C4303 4.7u C4301 1 A RECDT RECA2 RECCK RECCK RECA1 SW_PS RECA1 RECA2 RECDT XME/MP CTRL1 TEST D1E REC_IR_MP REC_PEAK_T (Hi_DV) REC_PEAK_I_MP D2O CTRL0 REC_IR_ME GND VCC_D2.8V CO GND SW_PS REC_DATA CE AGCTC_Ech GND GND LPF_f0 XEVEN MODE2 D1O YE XODD GND GND PB_RF_OUT REC_CLK YO GND TEST_OUT REC_PEAK_I_ME XE AGC_EVR MODE1 GND VCC_PB_4.6V YODD VCC_HEAD GND AGCTC_Och REC_A2 PB_Y_OUT PB_RF_IN YEVEN YSDL (N.C.) VCC_2.8V D2E GND PB_FBDP XSDL (N.C.) VCC_REC_4.6V REC_A1 XO PB_X_OUT PB_IR @156 (6/16) (11/16) (16/16) (MDX-Z210) EVEN (1/2) DECK ODD Z MECHANISM VIDEO HEAD 9 11 7 G 4 XX MARK:NO MOUNT 10 05 8 VC-377 BOARD (8/16) D F B REC/PB AMP (RF BLOCK) E 5 3 H C 6 2 @168 (11/16) @161 (6/16) @167 (16/16) @166 (15/16) IC4301 REC/PB AMP DCR-HC17E/HC19E/HC21/HC21E/HC22E/HC32/HC32E/HC33/HC33E For Schematic Diagram • Refer to page 4-87 for printed wiring board. 4-49 4-50 VC-377 (9/16) XX C4403 XX C4402 XX 6.3V C4442 XX R4427 XX R4426 XX C4440 XX C4444 XX C4439 C4462 XX XX C4435 XX R4436 XX R4435 XX R4423 XX R4424 XX R4425 NO MARK:REC/PB MODE : Voltage measurment of the CSP ICs and the Transistors with mark, are not possible. 3.2 4.2 8.3 3.3 2.9 4.6 3.3 2.7 1.4 1.4 2.8 2.8 0 R0.7/P0 1.4 1.4 1.4 2.8 R2.8/P0 1.4 0.9 1.4 0.6 28 29 27 R:REC MODE P:PB MODE HC32/HC33 10k R4409 0.01u C4411 4.7u C4412 1u C4424 KASYAON AU_2.8V IC_4001_C_OUT 10k R4404 1u C4438 4.7u C4419 1u C4445 C4429 0.1u 10uH L4402 4700 R4402 10u C4404 REG_GND SP- 1u C4436 10uH L4403 4.7u C4423 4.7u C4443 0.1u C4415 A_4.6V SP+ D_2.8V 1u C4426 100k R4401 ACC_CONT XVSP_SCK 4.7u C4420 A_2.8V VTR_UNREG AU_4.6V 0.1u C4427 0.01u C4430 1u C4437 0.1u C4441 VSP_SO BEEP S_C_I/O IC_4001_Y_OUT VIDEO_I/O 2.2u C4409 AUDIO_L_I/O 47k R4403 XCS_AU1 1u C4446 0.01u C4417 0.1u C4416 100k R4420 2SD1834-T100 Q4401 10uH L4401 1u C4425 10u C4405 1u C4422 4.7u C4448 AUDIO_R_I/O 0.01u C4413 AGC_CONT S_Y_I/O IC4401 AN12921A-VB 1 VCCDRIVE 2 VMIX_OUT 3 C_OUT 4 SDC_OUT 5 V_GND 6 COUT_IN2 7 COUT_IN1 8 VCCH_V 9 YOUT_IN2 10 YOUT_IN1 11 ZAP 12 Y_IN 13 V_GND 14 V_IN 15 CLAMP 16 SDC_IN 17 C_IN 18 Y_GCA 19 YIN_OUT 20 C_GCA 21 CIN_OUT 22 D_GND 23 DATA 24 CLOCK 25 CS 26 VCC_D 27 SDC_OUT 28 MIC_MONO 29 INT_EXT 30 PBIN_R 31 PBIN_L 32 GND 33 AGC_TC 34 RECOUT_R 35 RECOUT_L 36 DETHPF_R 37 DETHPF_L 38 AGC_LINK 39 VCC 40 OFFSET_L 41 INTFIL_R 42 EXTMIC_L 43 INTEXT_IN 44 EXTMIC_R 45 MICMONO_IN 46 VREF 47 MIC_REG 48 MICVCC 49 INTLPF_L 50 VCC 51 INTMIC_L 52 INTMIC_R 53 OFFSET_R 54 GND 55 LINEIN_L 56 LINEIN_R 57 LINEOUT_L 58 PMUTE_L 59 GND 60 PMUTE_R 61 LINEOUT_R 62 VCCH 63 VREFH 64 OFFSET_SP 65 BEEP_IN 66 SP_DRIVE 67 VCCSP 68 VREFSP 69 NC 70 SPOUT+ 71 NC 72 SPGND 73 SP_MODE 74 SPOUT- 75 HPOUT_L 76 GND 77 HPOUT_R 78 MUTE_OUT 79 VDD 80 C+ 81 C- 82 GND 83 VSS_OUT 84 VSS_IN 85 VSS_IN 86 YLPF_OUT 87 YDRIVER_IN 88 Y_OUT 89 GND 90 V_OUT 91 VDRIVER_IN 92 NC DATA_FROM_SFD XPWDA SFD_LRCK 4.7u C4454 SFD_BCK DEM0 SFD_FCK DEM1 4.7u C4455 XPWAD DATA_TO_SFD 1u C4456 1u C4457 33 RB4402 1 2 3 4 5 6 7 8 33 RB4401 1 2 3 4 5 6 7 8 1k RB4403 1 2 3 4 5 6 7 8 AK4554VT-TE2 IC4402 1 VCOM 2 AINR 3 AINL 4 VSS 5 VDD 6 DEM0 7 DEM1 8 SDTO 9 SDTI 10 LRCK 11 MCLK 12 SCLK 13 XPWAD 14 XPWDA 15 AOUTL 16 AOUTR INT_MIC_L INT_MIC_R 0.01u C4431 0.01u C4432 0.001u C4428 0.001u C4433 47k RB4405 1 2 3 4 5 6 7 8 10k RB4404 1 2 3 4 5 6 7 8 1u C4421 2.2u C4410 10u C4408 0uH FB4401 1u C4458 2200 RB4406 1 2 3 4 5 6 7 8 10uH L4406 10uH L4404 1u C4401 0.1u C4460 470 R4430 IC_4401_C_OUT 10k R4432 CLPVO 470 R4434 10k R4431 EMZ1T2R Q4402 3 5 4 6 2 1 4.7u C4414 4.7u C4434 10uH L4405 10u 6.3V C4407 10u 6.3V C4461 FB4402 FB4403 4.7u C4418 4.7u C4406 1u C4449 220 R4407 SDC_IN IC_4401_Y_OUT 1 A INT_MIC_L INT_MIC_R AUDIO_R_I/O AUDIO_L_I/O INT_MIC_R INT_MIC_L AUDIO_L_I/O AUDIO_R_I/O S_C_I/O VIDEO_I/O S_Y_I/O S_Y_I/O VIDEO_I/O S_C_I/O ACC_CONT AGC_CONT AGC_CONT ACC_CONT IC_4401_C_OUT IC_4401_C_OUT (13/16) (15/16) @170 (12/16) (14/16) @138 (3/16) (4/16) @144 @169 (15/16) (16/16) @171 (3/16) @126 @134 (3/16) (1/16) @111 (15/16) @173 (11/16) @174 @118 @130 (3/16) (11/16) @172 (4/16) @132 (3/16) (6/16) (3/16) @131 (6/16) 10 I 05 8 VIDEO, AUDIO I/O D F B 13 E 5 J 3 XX MARK:NO MOUNT H C 6 12 2 9 14 11 7 G 4 VC-377 BOARD (9/16) (6/16) (12/16) (3/16) (11/16) VIDEO, AUDIO I/O IC4401 3.2V REG A/D, D/A CONVERTER IC4402 BUFFER/CLAMP A_2.8V AU_4.6V D_2.8V DCR-HC17E/HC19E/HC21/HC21E/HC22E/HC32/HC32E/HC33/HC33E For Schematic Diagram • Refer to page 4-87 for printed wiring board. 4-51 4-52 VC-377 (10/16) XX C7011 R7003 XX C7009 XX XX C7006 XX C7007 4V XX C7002 XX R7026 XX R7025 R7009 XX XSYS_RST R7008 XX XX C7013 XSYS_RST XSYS_RST @106 (1/16) (3/16) (5/16) (16/16) (13/16) (11/16) (6/16) NO MARK:REC/PB MODE 30 31 33 34 32 1.4 2.8 0 0 2.7 2.5 2.5 2.5 4.6 2.5 2.4 1.8 3.6 1.4 0.6 1.6 2.8 1.2 1.2 1.2 4.6 1.8 0 0 0 0.1 0.1 0.7 0.7 1.4 2.7 2.8 2.8 0 2.8 2.7 1.4 1.4 0 0.1 2.8 2.5 2.6 560p C7005 RB7001 10 1 2 3 4 5 6 7 8 10k R7012 EVF_VD EVF_G/BW_Y EVF_HD FB7001 ±0.5% 10k R7007 EP_2.8V EP_4.6V 0.1u C7004 VD_SO R7001 68k 10u C7015 XCS_EVF VD_SI 0.01u C7008 REG_GND 4.7u C7014 ±0.5% 91k R7006 1u C7001 10uH L7001 EP_8.5V 10uH L7002 VD_SCK IC7001 CXM3007AR-T4 1 XVD 2 PSIN 3 XCLR 4 VSS 5 RGT 6 HCK1 7 HCK2 8 HST 9 PCG 10 XSTBY 11 DWN 12 EN 13 VSS 14 VCK 15 VDD 16 VST 17 WIDE 18 BLON 21 VG 19 GND2 20 VR 22 VB 23 VCC2 24 VP 25 COMDA 26 COMOUT 27 COMREF 28 REF 29 BLON_OC 30 COMPIN 31 EXTDA 32 BIN 33 GIN 34 RIN 35 VCC1 36 Filter1 37 Filter2 38 GND1 39 OPOUT 40 OPIN 41 FVCC 42 SO 45 SI 44 XSCK 43 XCS 46 VDD 47 SCAN 48 HD 10uH L7003 470 R7002 1800 R7023 ±0.5% 33k R7020 ±0.5% 180k R7019 EMZ1T2R Q7003 3 5 4 6 2 1 ±0.5% 39 R7024 10V 4.7u C7012 4.7u C7010 23P CN7001 1 2 3 4 5 6 7 8 9 10 11 12 13 14 15 16 17 18 19 20 21 22 23 CL7001 CL7002 CL7003 0.1u C7021 NJM12904V(TE2) IC7003 1 A_OUT 2 A_IN- 3 A_IN+ 4 GND 5 B_IN+ 6 B_IN- 7 B_OUT 8 Vcc 6.3V 10u C7022 1 A XCS_EVF VD_SO EVF_HD VD_SI EVF_VD EVF_VST EVF_VCK EVF_EN EVF_PCG EVF_HST EVF_XSTBY EVF_VD EVF_HD XCS_EVF VD_SI EVF_VG EVF_VB EVF_EN EVF_VST EVF_BLK EVF_HCK2 VD_SO EVF_BLK EVF_VB EVF_VR EVF_VP VD_SCK EVF_VP EVF_HCK2 EVF_HCK1 EVF_REF EVF_HCK1 EVF_VCK EVF_HST EVF_VR EVF_PCG EVF_XSTBY EVF_REF VD_SCK EVF_VG REG_GND EVF_VB EVF_HST EVF_VDD EVF_VG EVF_VR REG_GND COM_CS EVF_PSIG EP_4.6V LED_K EVF_EN EVF_HCK2 EVF_BLK EVF_HCK1 EVF_STB EVF_VCK EVF_PCG EVF_REF EVF_VST REG_GND REG_GND REG_GND EVF DRIVE IC7001 IC7003 EVF BACKLIGHT CONTROL CN301 LB-109 PAGE 4-73 of LEVEL2 THROUGH THE FP-181 FLEXIBLE EVF BACKLIGHT DRIVE @129 (3/16) @176 (11/16) @175 (15/16) (16/16) (11/16) @177 (16/16) 9 14 11 7 G 4 XX MARK:NO MOUNT 10 15 05 8 VC-377 BOARD (10/16) D F B 13 EVF DRIVE (EVF BLOCK) E 5 3 H C 6 12 2 DCR-HC17E/HC19E/HC21/HC21E/HC22E/HC32/HC32E/HC33/HC33E For Schematic Diagram • Refer to page 4-87 for printed wiring board. 4-53 4-54 VC-377 (11/16) XX R5309 D_1.5V FB5302 XX XX C5313 C5318 XX RB5301 XX 100K 1 2 3 4 5 6 7 8 RB5302 XX 100K 1 2 3 4 5 6 7 8 C5302 XX XX C5321 C5314 XX XX R5305 XX R5324 MD2 XCS_MC_FLASH XCS_MC_FLASH MD2 (6/16) (10/16) (16/16) MD2 XCS_MC_FLASH NO MARK:REC/PB MODE : Voltage measurment of the CSP ICs and the Transistors with mark, are not possible. 35 36 37 2.8 2.8 2.8 2.8 2.7 2.8 0 HC32/HC33 HC32E/ HC33E D_2.8V XCS_LCD HI_SI LPS 0.1u C5310 XDVCN CAM_CS 10k R5302 DRUM_PG LM_LIM_DET 0.1u C5306 LOAD CONT1 SYS_V REG_GND XVSP_SCK 10p C5304 D25A01 R5301 100 VST_C_RESET SDC_IN X5301 20MHz D26A02 DXXA09 MODE_SW_A YAW_AD FRRV 0.01u C5319 D27A03 MODE_SW_C DRP XHI_SCK D28A04 XCS_MECHA HI_SO ALE WEN 10p C5303 DEM1 ZOOM_VR_AD D29A05 TAPE_END TREEL_FG CAM_SO SSS SREEL_FG CH_SCK CH_SO D30A06 0.1u C5308 LINEOUT_V XCS_IC_6001 CAP_ON TAPE_LED_ON RDX XPWAD XRST_VTR DEW_AD XPWDA VFI_OE VD_SCK TRRT VSP_SO VD_SO XCS_IC_4201 CAP_FG OFR D24A00 XRST_LINK MODE_SW_B R5303 10k 1u C5312 VSP_SI XNS_SW UNLOAD DEM0 100k R5304 DXXA08 TAPE_TOP SWP CAM_SCK ALIGN_VD CAM_SI IC_4101_SLEEP XREEL_HALL_ON CH_CS RB5303 100k 1 2 3 4 5 6 7 8 D31A07 1u C5311 WRX 100k R5317 IC_4001_VD DRUM_FG PITCH_AD LENS_TEMP_AD 470k R5313 ZM_RST_LED TRRV XRST_PHY 0.1u C5305 XCS_EVF CAP_FWD VREF XSYS_RST XCS_AU1 CAP_PWM DRUM_PWM ALL_PS SW_PS 100k R5318 XCS_IC_4101 IC5302 HN58X2532TIE 1 CS 2 RXD3 3 XRDY 4 GND 5 TXD3 6 SCK3 7 HOLD 8 VDD USB_XEN 1k R5314 IC5301 MB91195LGL-G-125-ERE1 1 2 3 4 5 6 7 8 9 10 11 12 13 14 15 16 17 18 19 20 21 22 23 24 25 26 27 28 29 30 31 32 33 34 35 36 53 54 55 56 57 58 59 60 61 62 63 64 65 66 67 68 69 70 71 72 73 74 75 76 77 78 79 80 81 82 83 84 85 86 87 88 89 90 91 92 93 94 95 96 97 98 99 100 101 102 103 104 105 106 107 108 109 110 111 112 113 114 115 116 117 118 119 120 121 122 123 124 125 126 127 128 129 130 131 132 133 134 135 136 137 138 139 140 141 142 143 144 44 52 43 51 42 50 41 49 40 48 39 47 38 46 37 45 145 146 147 148 149 150 151 152 153 154 155 156 157 158 159 160 161 162 163 164 165 166 167 168 169 170 171 172 173 174 175 176 177 178 179 180 181 182 183 184 185 186 187 188 189 190 191 192 193 194 195 196 197 198 199 200 201 202 203 204 205 206 207 208 209 210 211 212 213 214 215 216 EEP_SCK EEP_SO CL5304 CL5308 RB5304 100k 1 2 3 4 5 6 7 8 100k R5325 VD_SI ATF_LATCH EEP_SI CL5302 0.1u C5307 0.1u C5309 0.01u C5316 0.01u C5317 XCS_EEP 220k R5315 68k R5316 IC_4001_FLD CK_CONT 0 R5308 0 R5307 0 R5306 XCS_IC_4001 1k R5323 0.1u C5315 HALL_AD IRIS_PWM FC_RST_LED CL5303 CL5307 CL5306 CL5305 CL5301 LENS_DETE D_1.2V 0uH FB5301 CS_IC_4201_BUS CL5309 CL5310 CL5311 CL5312 1M RB5305 1 2 3 4 5 6 7 8 4700 RB5306 1 2 3 4 5 6 7 8 10k RB5307 1 2 3 4 5 6 7 8 0.01u C5320 1 A SDC_IN SREEL_FG TREEL_FG LPS IC_4101_SLEEP XRST_LINK XDVCN ALE RDX TRRV VREF XRST_PHY XHI_SCK HI_SI HI_SO WEN SSS CAM_SCK CAM_SO CAM_SI CAM_CS XVSP_SCK VSP_SO XCS_AU1 XCS_IC_4201 VSP_SI ALIGN_VD VFI_OE WRX FRRV OFR D24A00 D31A07 D30A06 D29A05 D28A04 D27A03 D26A02 D25A01 LOAD UNLOAD XCS_MECHA DXXA09 DXXA08 XCS_LCD DRUM_PG DRUM_FG YAW_AD PITCH_AD MODE_SW_A MODE_SW_B MODE_SW_C CAP_PWM CAP_FG DRUM_PWM XNS_SW ZM_RST_LED TAPE_LED_ON XREEL_HALL_ON LINEOUT_V CH_CS CH_SO CH_SCK IC_4001_VD LM_LIM_DET TAPE_END TAPE_TOP VD_SCK VD_SO VD_SI SWP ZOOM_VR_AD CAP_ON CONT1 XCS_IC_6001 YAW_AD PITCH_AD TRRT DEW_AD VST_C_RESET CAP_FWD LENS_TEMP_AD SYS_V XRST_VTR EEP_SI EEP_SCK EEP_SO XSYS_RST SW_PS ALL_PS ATF_LATCH CAP_PWM DRUM_PWM XSYS_RST USB_XEN XCS_IC_4201 IC_4101_SLEEP VREF ALIGN_VD IC_4001_VD LINEOUT_V OFR DRUM_PG DRUM_FG USB_XEN SREEL_FG TREEL_FG CAP_FG CK_CONT IC_4001_FLD SYS_V TAPE_LED_ON TRRV TRRT CAP_FWD DRP SWP ATF_LATCH CAM_CS LPS XRST_PHY XREEL_HALL_ON DEM1 LM_LIM_DET XPWDA SDC_IN MODE_SW_C MODE_SW_B MODE_SW_A EEP_SO EEP_SCK DEM0 VFI_OE HI_SO HI_SI XCS_MECHA XHI_SCK CH_CS WEN SSS ZM_RST_LED VST_C_RESET D24A00 D25A01 D26A02 D27A03 D28A04 D29A05 D30A06 D31A07 DXXA08 DXXA09 XCS_EVF XCS_LCD TAPE_END ALL_PS XDVCN RDX WRX ALE XCS_IC_4101 XCS_IC_6001 LOAD UNLOAD XCS_EEP EEP_SI EEP_SO EEP_SCK XCS_IC_4101 XPWAD VD_SI XRST_LINK ZOOM_VR_AD XCS_EVF DRP XCS_EEP CONT1 DEW_AD IC_4001_FLD CK_CONT XCS_IC_4001 XCS_IC_4001 HALL_AD LENS_TEMP_AD HALL_AD IRIS_PWM IRIS_PWM FC_RST_LED FC_RST_LED XNS_SW LENS_DETE LENS_DETE DEM1 XPWDA XPWAD XCS_AU1 DEM0 TAPE_TOP SW_PS CS_IC_4201_BUS CS_IC_4201_BUS XRST_VTR CAP_ON FRRV EEP_SI VD_SO VD_SCK CAM_SI CAM_SO CAM_SCK CH_SO CH_SCK VSP_SI VSP_SO XVSP_SCK XCS_EEP TREEL_FG TRW2_CONT / X1/2SWP DRUM_PG EEP_SI/MC_FLASH_SI STROBO_PWM IC_4101_SLEEP MECHA_HD REC_CRRT1 XCS_EVF XINIT TAPE_END XCS_IC_4101 VDD PD_OUT SYSV AVRH_1 XCS_AU1 MECHA_VD FC_RST_SENS ALE XCS_GCAM(XCS_GCAM_G) GENERAL_AD HI_SO(HI->MC) MF_A PITCH_AD YAW_PWM XRST_VTR (D_2.8V) CAM_SI X0 FLD AGC_SLOW ATF_SAMPLE PE3 (D_2.8V) VDD ZCS_XXX AVSS_U VSP_SI D28A04 XRST_XXX/NF_SW XVIDEO_IN SWP OSC0 MODE_SW_C VD_SO CS_IC_4201_BUS (D_1.2V) SSS XWP_EEP HI8_MP_SW XNS_ON_SW VDD CS_AUVOL/JOG_VD DRUM_FG (D_2.8V) XCS_LCD LD_ON MD0 EEP_SO/MC_FLASH_SO ATF_DEBUG CONT1/RF_SWP VSS D24A00 AVDD_1 XCS_AU2 TAPE_TOP VSS XCS_NEO_BUS VSS ND_HALL/ND_SW2 TAPE_LED_ON MZ_B LINE_OUT_VD TBC_VD CAM_SO ZM_RST_LED DA_STRB(XCS_DAC) SYSTEM_AD HI_SI(MC->HI) SH_STBY IRIS_HALL_AD XCS_PB_GCAM/NF_EN DRUM_8PB LPS ATF_ERR XCS_XXX (D_2.8V) VDD ANIN1 VSP_SO D29A05 XYZ_SEL XCS_IC_4001 RF_ENV_DET PITCH_PWM/IRIS_COM_PWM/ND_COM_PWM SENS_ON/(INT_VD) DRP VDD MP_XME RDX NEO_BUS_SCK DEW_DET LM+ CAP_FG MODE_SW_B REC_CRRTO (D_2.8V) SO(GCAM) MD1 DOP PJ1 XFFREW_UP (D_2.8V) CAP_PWM X1 TUL D25A01 EXT_STROBO AVDD_0 VDD SWPS TRRV N.C VSS VREF DEMO DXXA08 XCS_IC_6001 LENS_DETE ZOOM_SW_AD VSS DEM1 MZ_A/X1M_1.5M IRIS_PWM XCS_EEP LOGO_LED PE1 VDD XHI_CS_MC RST_XXX C2 ANIN0 LENS_TEMP_AD OOE D30A06 VDD HP_JACK_IN (D_1.2V) OSC1 WR01 USB_xEN XRST_LINK XCS_XXX SDC_IN VDD ATF_LATCH VD_SCK AFC_FO_IN (D_1.2V) F_RATE CK_CONT/DXXA10 MODE_SW_A MD2 (D_2.8V) AVDD_U D26A02 AVRH_0 CAP_FWD SREEL_FG XFE_ON/VAP_DD_ON EEP_SCK/MC_FLASH_SCK DRUM_PWM VSS ALL_PS XCS_MC_FLASH TRRT ND_PWM FP CAM_SCK EXVSYNC DXXA09 XPWAD C1 VST_C_CHARGE XRST CAM_VD LINE_Y_ON XAUDIO_IN FC_RST_LED ZM_RST_SENS LM_LIM_DET XHI_SCK VSS MF_LED AVSS_1 XVSP_SCK D31A07 YAW_AD MEGA_DV_XNT_PAL VSS (D_2.8V) FRRV MF_B XCS_IC_4201 XRST_PHY LM- (D_1.2V) VDD XREEL_HALL_ON EVF_DD_ON XCS_CORE XIN ME_SW/MODE_SW_D (D_2.8V) AVRH_U SCK(GCAM) D27A03 AVSS_0 TBC_V_RESET/VAP_LOCK_SENS CAP_ON VD_SI (D_2.8V) XDVCN xWEN XPWDA VSS (D_2.8V) EVF_VG(ATF_DEBUG_IN) DXXA11 DXXA12 IC5302 32K EEPROM CAMERA/MECHA CONTROL IC5301 @184 (15/16) @164 (7/16) @157 (6/16) (7/16) (3/16) @117 (13/16) @158 (6/16) @122 (3/16) (6/16) @118 @121 (3/16) (3/16) (6/16) (9/16) (12/16) (6/16) (3/16) @119 (9/16) @172 @156 (6/16) (8/16) (16/16) (8/16) @168 @120 (3/16) @109 (1/16) @108 (1/16) (3/16) @113 (2/16) @178 (16/16) (12/16) @179 @180 (12/16) (1/16) @177 @106 (3/16) (10/16) (16/16) (5/16) (6/16) (10/16) @176 (16/16) @182 @105 (1/16) (12/16) (16/16) @183 (13/16) @159 (6/16) @152 (4/16) (3/16) @123 (4/16) (9/16) @174 (13/16) @181 9 14 11 7 G 4 L VC-377 BOARD (11/16) 10 I 15 05 K 8 19 D F 17 B 13 CAMERA/MECHA CONTROL XX MARK:NO MOUNT E 16 5 J 3 20 H C 6 12 2 18 M D_1.2V DCR-HC17E/HC19E/HC21/HC21E/HC22E/HC32/HC32E/HC33/HC33E For Schematic Diagram • Refer to page 4-87 for printed wiring board. 4-55 4-56 VC-377 (12/16) XX R6005 XX R6004 XX R6022 XX C6035 XX C6009 XX C6010 R6016 xx R6019 xx (6/16) NO MARK:REC/PB MODE : Voltage measurment of the CSP ICs and the Transistors with mark, are not possible. 2.8 4.4 2.6 0 0.5 38 39 40 R6021 15k LM_LIM_DET MT_5V 33 R6002 1k R6003 TREEL_FG TAPE_TOP XRST_VTR REC_PROOF CAP_FG DRUM_ERROR CAP_VS CHIME_SCK DRUM_FG MODE_SW_A IC6001 BD6639AGLV-E2 C_FRC 1 TEST 2 VMR 3 CFGOUT 4 C_PGND 5 GND 6 CFGIN+ 7 CFGIN- 8 CAGC 9 U+ 10 U- 11 V+ 12 V- 13 W+ 14 W- 15 VCC1 16 VH 17 TOPIN 18 TOPOUT 19 ENDIN 20 ENDOUT 21 RLP1 22 RLM1 23 RLO1 24 RLDO1 25 RLP2 26 RLM2 27 RLO2 28 RLDO2 29 VCC2 30 LIMOUT 31 DEC1 32 DEC2 33 XRESET 34 MCK 35 SCK 36 XCS 37 SI 38 DGND 39 CSR 40 CBIN 41 CBOUT 42 CBLOUT 43 DBIN 44 DBOUT 45 ISNF 46 VG 47 PGC 48 PGIN 49 PGOUT 50 VREF 51 DFGIN 52 DFGOUT 53 DFC 54 DFILTER 55 UIN 56 VIN 57 WIN 58 COM 59 D_PGND 60 NC 61 NC 62 D_U 63 D_VS 64 D_V 65 NC 66 D_VS 67 D_W 68 L_OUT1 69 L_VM 70 NC 71 L_OUT2 72 L_PGND 73 C_U 74 C_VS 75 C_V 76 C_VS 77 C_W 78 NC 79 CAP_ON 80 D_PGND(M) 81 D_U(M) 82 D_U(M) 83 D_VS1(M) 84 D_V(M) 85 D_VS2(M) 86 D_W(M) 87 L_OUT1(M) 88 L_VM(M) 89 L_OUT2(M) 90 L_PGND(M) 91 C_U(M) 92 C_VS1(M) 93 C_V(M) 94 C_VS2(M) 95 C_W(M) 96 CAP_ON 10P CN6001 1 2 3 4 5 6 7 8 9 10 CAP_PWM XVSP_SCK 33 R6001 27P CN6002 1 2 3 4 5 6 7 8 9 10 11 12 13 14 15 16 17 18 19 20 21 22 23 24 25 26 27 VTR_UNREG MODE_SW_C CHIME_SDA UNLOAD VSP_SO REG_GND CHIME_VDD LOAD 4.7uH L6001 XCS_IC_6001 SREEL_FG DRUM_PWM REG_GND MODE_SW_B CAP_ERROR DRUM_VS CAP_FWD TAPE_END 0.1u C6001 DEW_AD XCC_DOWN DRUM_PG IC_6001_13.5V SPCK 2200 R6023 XREEL_HALL_ON D_2.8V TAPE_LED_ON 0.01u 16V C6003 1 2 3 4 0.001u 50V C6002 1 2 3 4 FB6001 27P CN6003 1 2 3 4 5 6 7 8 9 10 11 12 13 14 15 16 17 18 19 20 21 22 23 24 25 26 27 2.2 R6009 470p C6034 16V 0.01u 16V C6007 0.1u C6018 10V 4700 R6025 0.01u 16V C6008 0.1u C6030 16V 0.1u C6027 16V 6800p C6031 0.1u C6014 10V 10k R6024 470p C6032 16V 0.1u C6015 10V 1u C6019 6.3V 470p C6033 16V 2.2 R6012 10V C6012 0.1u 1u C6006 6.3V 0.047u C6020 10V 0.01u C6013 16V 0.1u C6025 10V 0.1u C6024 10V 0.1u C6026 10V 100k R6027 2SC584600LS0 Q6003 0.1u C6011 10V C6023 6.3V 1u 1k R6008 470p C6029 50V 0.022u C6017 16V 6800p C6028 16V 0.1u C6022 10V 47k R6010 270 R6020 2.2 R6011 1u 6.3V C6021 0.1u C6016 10V 22k R6026 0.047u 10V C6004 1 2 3 4 10k RB6001 1 2 3 4 5 6 7 8 2SA2030T2L Q6002 1 A XREEL_HALL_ON TAPE_LED_ON SENSOR_VCC TAPE_LED_A TAPE_LED_K LM_- LM_+ DRUM_W DRUM_V DRUM_U DRUM_COM DRUM_FG DRUM_PG UNLOAD LOAD XREEL_HALL_ON TAPE_LED_ON DRUM_FG DRUM_PG UNLOAD LOAD DRUM_FG_SENS FG_PG_COM DRUM_PG_SENS SENSOR_VCC TAPE_LED_A TAPE_LED_K LM_- LM_+ DRUM_V DRUM_W DRUM_U DRUM_COM FG_PG_COM DRUM_PG_SENS DRUM_FG_SENS REC_PROOF CHIME_VDD CHIME_SDA CHIME_SCK XCC_DOWN XCC_DOWN REC_PROOF CHIME_SCK CHIME_SDA CHIME_VDD FG2 MR_VCC FG1 CAP_U HE_VCC WHE- CAP_W WHE+ VHE- VHE+ UHE- UHE+ CAP_W CAP_V CAP_U MR_VCC FG1 FG2 UHE+ UHE- VHE+ VHE- WHE+ WHE- HE_VCC TAPE_TOP_C TAPE_END_C S_REEL_+ S_REEL_- T_REEL_- T_REEL_+ T_REEL_- T_REEL_+ S_REEL_- S_REEL_+ TAPE_END_C TAPE_TOP_C CAP_V DEW_AD MODE_SW_A MODE_SW_B MODE_SW_C CAP_ON CAP_FWD CAP_FG TAPE_TOP TAPE_END SREEL_FG TREEL_FG TREEL_FG SREEL_FG TAPE_TOP TAPE_END MODE_SW_A MODE_SW_B MODE_SW_C CAP_FWD CAP_FG CAP_ON DEW_AD LM_LOAD CAP_U TAPE_LED_K VHE- XMODE_SW_C TREEL- DRUM_U HE_GND HE_VCC UHE+ CAP_V DRUM_U FG XREC_PROOF XMODE_SW_A SREEL+ CAP_W M_COM TAPE_TOP XCCDOWN_SW CAP_U CAP_W DRUM_V CAP_U LM_UNLOAD FG_VCC TAPE_END TREEL+ UHE- CHIME_SCK FG_GND MIC/REC_SW_GND XMODE_SW_B CAP_U VHE+ SW_COM/SW_GND PG DEW- FG1 CAP_W SREEL- FG_GND FG/PG_COM DRUM_W DRUM_V TOP/END_GND DEW+ N.C. DRUM_W CHIME_SDA WHE+ WHE- FG2 CHIME_VDD CAP_W TAPE_LED_A LM_LOAD LM_UNLOAD CAP_V HALL_VCC FG_VCC CAP_V HALL_GND CAP_V of LEVEL2 CAPSTAN M901 MOTOR DRUM MOTOR (MDX-Z210) MECHANISM DECK Z MECHANISM BLOCK M903 FG (2/2) HALL PG/FG (LOADING MOTOR) PAGE 4-75 (9/16) (15/16) @170 (14/16) (13/16) (15/16) @185 (13/16) @186 (15/16) @187 (13/16) (4/16) @151 (11/16) @180 @137 (6/16) (3/16) (9/16) @118 (3/16) (11/16) @188 (15/16) (15/16) @189 (11/16) @179 (11/16) @105 (1/16) 10 I 15 05 K 8 SERVO D F B 13 E 16 5 J 3 XX MARK:NO MOUNT H C 6 12 2 9 14 11 7 G 4 VC-377 BOARD (12/16) IC6001 DRUM/CAPASTAN/LOADING MOTOR/DRIVE B+ SWITCH LED DRIVE VTR_UNREG DCR-HC17E/HC19E/HC21/HC21E/HC22E/HC32/HC32E/HC33/HC33E For Schematic Diagram • Refer to page 4-87 for printed wiring board. 4-57 4-58 VC-377 (13/16) XX D1012 XX R5007 (10/16) (16/16) NO MARK:REC/PB MODE : Voltage measurment of the CSP ICs and the Transistors with mark, are not possible. 42 41 3.1 2.8 0.1 2.8 0.2 3.3 0 REG_GND XCC_DOWN IC_5001_RXD0 XSYS_RST BATT/XEXT IC_5001_TXD0 XF_TALLY_LED D_2.8V BATT_SIG FAST_CHARGE INIT_CHARGE_ON IC_5001_CS XVM_MAD LINEOUT_V IC_5001_SCK0 OSD_V VOUT LANC_IN LANC_OUT XLANC_PWR_ON RB5001 1k 1 2 3 4 5 6 7 8 HI_EVER_SCK HI_EVER_SO 0.1u C5010 BATT_IN XRESET EVER_3.0V XDS_RESET SIRCS_SIG BATT_UNREG VTR_UNREG VTR_DD_ON XCS_DD RB5003 100k 1 2 3 4 5 6 7 8 1M R5019 XLANC_JACK_IN XLANC_ON IC5001 MB89097LGA-G-191-ER 1 2 3 4 5 6 7 8 9 10 11 12 13 14 15 16 17 18 19 20 21 22 23 24 25 26 27 28 29 30 31 32 33 34 35 36 37 38 39 40 41 42 43 44 45 46 47 48 49 50 51 52 53 54 55 56 57 58 59 60 61 62 63 64 65 66 67 68 69 70 71 72 73 74 75 76 77 78 79 80 DTC144EMT2L Q5001 RB5002 100k 1 2 3 4 5 6 7 8 C5003 4V 22u 1M R5018 10M R5015 4700 R5014 0.01u C5007 100k ±0.5% R5003 1k R5011 470 R5020 X5002 10MHz 18p C5009 0 R5016 1k R5017 1k R5001 47k R5008 0.01u C5005 HN1L02FU(TE85R) Q5002 3 5 4 6 2 1 18p C5008 1k R5002 0.01u C5004 47k ±0.5% R5004 0.1u C5006 470k ±0.5% R5006 1k R5013 1M ±0.5% R5005 1SS355TE-17 D5001 X5001 32.768kHz 1 2 3 4 0.01u C5001 0.01u C5002 0.01u C5011 1k R5022 100k RB5004 ZOOM_VR_AD D1006 MAZB068H0LS0 1 2 6 5 4 3 KEY_AD0 KEY_AD2 D1007 MAZB068H0LS0 1 2 6 5 4 3 EDZ TE61 6.8B D1008 150 R1004 14P CN1001 1 2 3 4 5 6 7 8 9 10 11 12 13 14 MT_5V 8P CN1002 1 2 3 4 5 6 7 8 KEY_AD3 MULTI_JACK_IN_CRADLE MULTI_JACK_IN 1 A XF_TALLY_LED XCC_DOWN BATT_SIG BATT/XEXT BATT_IN FAST_CHARGE HI_EVER_SCK HI_EVER_SO XSYS_RST IC_5001_SCK0 INIT_CHARGE_ON VTR_DD_ON FAST_CHARGE INIT_CHARGE_ON LANC_OUT LINEOUT_V BATT/XEXT XMODE_SW XBATT_INFO_SW XLANC_PWR_ON XMEM_LED LINEOUT_V HI_EVER_SCK IC_5001_SCK0 IC_5001_RXD0 IC_5001_TXD0 IC_5001_CS LANC_IN LANC_OUT XDS_RESET XDS_RESET SIRCS_SIG BATT_IN IC_5001_RXD0 IC_5001_TXD0 OSD_V IC_5001_CS VTR_DD_ON XCS_DD XRESET XRESET BATT_SIG XPOWER_SW XEJECT_SW XCC_DOWN XVM_MAD XLANC_PWR_ON XCHARGE_LED XCAM_LED XVTR_LED XCS_DD SIRCS_SIG XLANC_JACK_IN XLANC_ON XLANC_ON MULTI_JACK_IN LANC_IN MULTI_JACK_IN XLANC_JACK_IN XVM_MAD MULTI_JACK_IN_CRADLE MULTI_JACK_IN_CRADLE 1 3 5 7 2 4 6 8 1 2 3 XBATT_INFO_SW XEASY_MODE_LED XCHARGE_LED XEJECT_SW XPOWER_SW XMODE_SW XVTR_LED XMEM_LED XCAM_LED XF_TALLY_LED XEASY_MODE_LED XSYS_RST OSD_V HI_EVER_SO VCC GPI4 X1A(OUT) GPI1 GPI3 SYS_V MULTIJACK_AD PLAY_LED XEJECT_SW XHI_RST LANC_IN XLANC_JACK_IN GPO4 EASY_MODE_LED GPAD/IO8 XSIRCS_IN VCC X_TAL(10MHzOUT) BT_LED CAM_LED TO_HI_SO GND X0A(IN) XCS_LCD_DRIVER HOTSHOE_ID2 DD_SETTING4 DD_SETTING2 XMEM_ON_SW VTR_DD_ON STROBE_LED XMODE_SW CHARGEINH GPO3 MOD0 LANC_OUT TO_HI_CS INIT_CHARGE GPO2 CHARGE_LED HOTSHOE_ID1 VCC STROBE_PLUNGER RST_X XCS_DD XLANC_POWER_ON GPI2 XPOWER_SW CS_SIRCS1 MOD1 IB_SI XHI_MAD FR_EVER_SCK DD_SETTHING1 TO_HI_SCK FAST_CHARGE TO_HI_V_OUT GPO1 XSYS_RST BATT_SENSE GND DD_SETTING3 CA_SIRCS2 AVREF XBATT_INFO_SW SHOE_ON MEM_LED BATT/XEXT EVF_TALLY FR_EVER_SO IB_SO BATT_IN XCC_DOWN SIRCS_OUT F_TALLY ACV_SENSE LCD_COM/XDATA X_TAL(10MHzIN) GND XLANC_ON FM_HI_SI REG_GND KEY_AD0(SS) REG_GND KEY_AD2(PHOTO) REG_GND XCAM_LED XPOWER_SW ZOOM_VR D_2.8V MODE_LED_VDD XEJECT_SW XVTR_LED XMODE_SW XMEM_LED REG_GND BATT_INFO EASY_LED_VDD CHARGE_LED_VDD KEY_AD3 REG_GND XCHARGE_LED XEASY_LED @181 (11/16) (4/16) @149 @190 (15/16) @185 (12/16) (15/16) (15/16) @198 (14/16) @170 (12/16) (14/16) (15/16) (9/16) FP-187 PAGE 4-74 LND001-LND008 FLEXIBLE of LEVEL2 of LEVEL2 (SS10300) LND001-LND014 PAGE 4-77 KEY BLOCK CONTROL @191 (16/16) 10 I 15 05 8 D F 17 B 13 HI CONTROL E 16 5 J 3 VC-377 BOARD (13/16) H C 6 12 2 XX MARK:NO MOUNT 9 14 11 7 G 4 (3/16) (6/16) (11/16) @106 (1/16) (5/16) (3/16) @117 (11/16) @193 (15/16) (16/16) (15/16) @192 (12/16) @187 (14/16) @194 (15/16) @195 @153 (4/16) IC5001 HI CONTROL LED DRIVE DETECTOR BATTERY CHARGE VOUT DCR-HC17E/HC19E/HC21/HC21E/HC22E/HC32/HC32E/HC33/HC33E For Schematic Diagram • Refer to page 4-87 for printed wiring board. 4-59 4-60 VC-377 (14/16) The components identified by mark 0 or dotted line with mark 0 are critical for safety. Replace only with part number specified. Les composants identifiés par une marque 0 sont critiques pour la sécurité. Ne les remplacer que par une piéce portant le numéro spécifié. NO MARK:REC/PB MODE 8.3 8.1 8.3 7.6 8.3 8.1 8.1 8.1 0 8.1 0 3 0 0 0.1 7.8 7.8 7.7 0 7.8 BATT_UNREG EMB2T2R Q2005 6 2 1 3 5 4 6 2 1 3 5 4 LF2001 0uH EDZ TE61 6.8B D2002 BATT/XEXT_CR 1SS400TE-61 D2005 FAST_CHARGE REG_GND MT/15.5/BL_UNREG ACV_UNREG 10V C2006 10u 0.1u C2004 1k R2001 F004 VTR_UNREG 10 R2004 0.1u C2003 BATT_SIG 10V 10u C2008 0.022u C2005 0.1u C2002 MA4ZD03001S0 D2003 2 3 1 4 F001 C/D_UNREG 6800 R2006 0.1u C2001 EMH2-T2R Q2004 BATT/XEXT DAP222-TL D2006 1 2 3 1M R2003 TPCS8302(TE12L) Q2002 1 4 2 3 8 5 67 2SC584600LS0 Q2001 MAZS120008SO D2001 REG_GND 100k R2002 2SB798-T1-DLDK Q2003 F003 10V 10u C2007 INIT_CHARGE_ON 30P CN2001 1 2 3 4 5 6 7 8 9 10 11 12 13 14 15 16 17 18 19 20 21 22 23 24 25 26 27 28 29 30 1200 R2005 F002 1 A BATT_GND D ACV_UNREG BATT_UNREG ACV_GND BATT_GND D ACV_UNREG ACV_UNREG BATT_UNREG ACV_GND ACV_GND ACV_UNREG N.C. S BATT_GND BATT_UNREG BATT_GND S ACV_UNREG BATT_GND BATT_UNREG BATT_UNREG ACV_GND N.C. ACV_GND N.C. BATT_SIG BATT/XEXT ACV_GND BATT_GND G BATT_UNREG N.C. G ACV_UNREG @196 (16/16) (16/16) @197 @194 (13/16) @199 (15/16) @170 @198 (13/16) (15/16) (12/16) (9/16) (13/16) (15/16) of LEVEL2 FP-180 FLEXIBLE PAGE 4-74 LND001-LND030 10 05 8 D F B DC IN (FU BLOCK) E 5 3 VC-377 BOARD (14/16) C 6 2 XX MARK:NO MOUNT 9 11 7 G 4 SWITCH SWITCH CHARGE CONTROL SWITCH CHARGE CONTROL, DOUBLE INSERTION DETECT 2 1 4 3 1.4A/32V 1.4A/32V 1.4A/32V 1.4A/32V DCR-HC17E/HC19E/HC21/HC21E/HC22E/HC32/HC32E/HC33/HC33E For Schematic Diagram • Refer to page 4-87 for printed wiring board. 4-61 4-62 VC-377 (15/16) R2312 XX R2315 XX R2316 XX R2313 XX R2314 XX R2317 XX R2318 XX XX R2320 XX R2321 XX R2327 XX R2329 XX R2349 R2345 XX XX R2346 XX R2357 XX L2311 XX 6.3V C2341 XX R2356 XX R2336 XX R2328 XX R2326 XX R2325 XX R2324 XX R2322 XX R2323 D_1.5V D_1.5V NO MARK:REC/PB MODE : Voltage measurment of the CSP ICs and the Transistors with mark, are not possible. 1.5 8.3 1.5 2.3 3.3 8.3 4.9 7.5 4.9 2.9 8.3 4.4 2.9 2.6 8.3 4.6 7.2 4.6 43 8.3 1 1.6 0.9 44 8.3 2.4 3.6 2.4 4.8 15.5 4.8 3.3 R14.6/P0 R14.8 /P15.5 15.5 8.6 R14.9 15.5 13.2 13.8 15.5 R-7.4/P0.3 R-7.4 /P0.3 R-14.3 /P-14.6 R0.4/P0 R-0.4 /P0.2 -14.8 1.9 1.9 2.8 2.2 1.1 1.1 0.5 3.2 1.3 0.4 2.3 1 1.5 3 1 4.6 1.2 1.3 2SA207800LS0 Q2311 REG_GND 1SS357-TPH3 D2302 1u C2317 1k R2310 16V 2.2u C2332 VOUT XLANC_ON MA4SD1000LS0 D2305 2 3 1 4 1u C2319 6800 R2308 ±0.5% 56k R2305 2200 R2335 10u 6.3V C2346 Q2307 MCH5819-TL-E 5 2 1 3 4 22k R2341 L2320 4.7uH 10u 6.3V C2348 L2317 4.7uH BL_-15.5V 33k R2306 CAM_DD_ON 6.3V 4.7u C2333 LANC_SIG 22uH L2306 SCH2806-TL-E Q2303 1 2 3 4 5 6 CAP_ERROR C2326 4.7u 16V DRUM_VS C2308 0.047u 4.7uH L2314 33uH L2301 0.01u C2313 0.1u C2316 2SA207800LS0 Q2310 REG_GND IC_6001_13.5V MB44A125ALGL-G-ERE1 IC2301 1 2 3 4 5 6 7 8 9 10 11 12 13 14 15 16 17 18 19 20 21 22 23 24 25 26 27 28 29 30 31 32 33 34 35 36 37 38 39 40 41 42 43 44 45 46 47 48 49 50 51 52 53 54 55 56 57 58 59 60 61 62 63 64 65 66 67 68 69 70 71 72 73 74 75 76 77 78 79 80 ±0.5% 100k R2342 L2316 22uH SSM6K30FE(TPLR3) Q2302 1 3 4 2 5 6 ±0.5% 220k R2344 6.3V 2.2u C2322 33uH L2304 C/D_UNREG LANC_IN 10uH L2303 EVER_3.0V 22u C2349 10V 4.7u C2323 L2315 4.7uH LANC_DC C2331 4.7u 10V 10u 6.3V C2344 L2313 4.7uH 22uH L2308 C2330 4.7u 10V 0.1u C2301 22uH L2305 L2310 4.7uH SSM6K30FE(TPLR3) Q2301 1 3 4 2 5 6 CAP_VS REG_GND 100k R2338 SCH2816-TL-E Q2308 1 2 3 4 5 6 4V 22u C2337 22u C2343 910 R2304 LI_3V 10u 6.3V C2347 10V 4.7u C2320 EMX1T2R Q2314 6 2 1 3 5 4 0.022u C2306 XCS_DD 10u 6.3V C2345 C2314 0.1u L2321 4.7uH MAS3132E0LS0 D2301 1 2 3 100 R2303 XRESET 0.001u C2302 DRUM_ERROR 10u 6.3V C2340 2SC584600LS0 Q2315 VTR_UNREG C2311 0.1u 10u 6.3V C2342 16V 2.2u C2325 6.3V 4.7u C2328 C2307 0.1u 2700 R2309 EMT1T2R Q2316 6 2 1 3 5 4 L2309 4.7uH CAM_15V MT/15.5/BL_UNREG XLANC_PWR_ON 1u 25V C2324 4700 R2302 0.001u C2303 L2319 4.7uH 6.3V 10u C2336 SCH2807-TL-E Q2306 1 2 3 4 5 6 0.01u C2305 SCH2807-TL-E Q2305 1 2 3 4 5 6 BATT_IN SCH2806-TL-E Q2304 1 2 3 4 5 6 L2318 4.7uH 56k R2311 CAM_-7.5V SCH2816-TL-E Q2309 1 2 3 4 5 6 L2312 4.7uH BATT_UNREG 22uH L2307 0.022u C2310 C2312 0.1u LANC_OUT L2302 33uH 4700p C2304 HI_EVER_SCK MA4ZD03001S0 D2304 2 3 1 4 2.2 R2319 68k R2307 REG_GND 6.3V 4.7u C2335 HI_EVER_SO 1u C2315 ±0.5% 27k R2339 ±0.5% 100k R2340 5600 R2332 MCH3405-TL-E Q2313 6.3V 4.7u C2334 1u 16V C2327 ±0.5% 9100 R2343 100k R2331 2SC584600LS0 Q2312 12k R2330 10V 2.2u C2352 10V 2.2u C2351 6.3V 4.7u C2353 6.3V 4.7u C2350 MA2SD10008S0 D2303 6.3V 10u C2318 10V 4.7u C2321 1u 16V C2329 16V 4.7u C2354 220p C2309 EMX1T2R Q2321 6 2 1 3 5 4 100k R2351 ±0.5% 15k R2355 680 R2352 6.3V 4.7u C2357 2SA1162-YG-TE85L Q2320 ±0.5% 10k R2354 CL2301 TA75S01F(TE85R) IC2302 1 2 3 4 5 ±0.5% 15k R2348 ±0.5% 10k R2350 10k R2347 1u C2338 0.1u C2339 VTR_DD_ON A_2.8V D_2.8V A_2.8V A_4.6V D_2.8V MT_5V D_1.2V USB_3.1V D_1.5V D_2.8V A_2.8V A_1.5V D_1.2V D_2.8V A_2.8V USB_3.1V D_2.8V D_1.9V D_1.5V D_2.8V A_1.5V A_2.8V D_2.8V RP_4.6V RP_2.8V AU_2.8V AU_4.6V A_2.8V A_4.6V D_2.8V EP_8.5V EP_4.6V EP_2.8V D_1.2V D_2.8V MT_5V D_2.8V 1 A OUT1-1 VS1 OUT1-2 OUT2 VS2 OUT3-1 VS3 OUT3-2 OUT4 VS4 OUT5 VS5 OUT6 VS6 OUT7 OUT2 VS2 OUT3-1 VS3 OUT3-2 OUT4 VS4 OUT5 VS5 OUT6 VCONT5 EP_8.5V OUT7 OUT1-1 IN7 VCONT6 CAM_15V VCONT6 VCONT5 IN4 CAM_15V IN1 MT_5V IN3 IN4 CAP_VS DRUM_VS IN7 VR VTR_DD_ON VR VTR_DD_ON LANC_DC LANC_SIG LANC_OUT XLANC_PWR_ON LANC_IN XLANC_ON XLANC_ON XLANC_PWR_ON LANC_OUT LANC_IN LANC_SIG LANC_DC VS6 VTR_DD_ON IN3 D_1.2V USB_3.1V A_1.5V RP_2.8V A_2.8V D_2.8V AU_2.8V EP_2.8V A_4.6V AU_4.6V EP_4.6V RP_4.6V EP_8.5V EP_8.5V A_2.8V D_2.8V A_2.8V A_4.6V D_2.8V MT_5V D_1.2V USB_3.1V D_1.5V D_2.8V A_2.8V A_1.5V D_1.2V D_2.8V A_2.8V USB_3.1V D_2.8V D_1.9V D_1.5V D_2.8V A_1.5V A_2.8V D_2.8V RP_4.6V RP_2.8V AU_2.8V AU_4.6V A_2.8V A_4.6V D_2.8V EP_8.5V EP_4.6V EP_2.8V D_1.2V D_2.8V MT_5V D_2.8V CAP_VS DRUM_VS OUT1-2 D_1.5V IN1 VS1 MT_5V MT_5V D_1.9V +INE6 VCCO2 VCONT5 FB5 VS5 OUT2 OUT6 VS6 GNDO OUT5 OUT1-2 OUT4 OUT7 VCC3 OUT3-2 VS4 VS3 OUT3-1 VS2 VS1 OUT1-1 VCCO1 VB VCC1 -INE5 +INE5 -INE4 FB4 FB3 +INE2 -INE3 -INE2 FB2 OUTA -INA NP_CTL FB1 -INE1 -INE8 RT CSCP CS VOUT5 VOUT6 VCONT6 REG6CTL IN7 IN6 IN4 IN5 IN2 IN3 IN1 LD FB6 -INE6 FB7 CLK DIN RESET -INE7 SENSE LANC_OUT DATA_OUT GND2 XCTL2 WAKE_UP DATA_IN OUTC2 OUTC1 VCC2 VOUT1 VOUT2 VOUT3 VBATT CTL1 VREF VR GND1 VOUT4 (VOUT5) (VOUT5) + - (VOUT6) (VOUT6) (IN2) (IN2) BL_GND MT_GND IC2301 LANC DRIVE, DRUM/CAPSTAN PWM DRIVE DC CONTROL, RESET, @198 (14/16) @190 (13/16) @193 (16/16) (16/16) @200 @202 (16/16) @195 (13/16) @189 (12/16) @199 (14/16) @192 (13/16) IC2302 3.1V REG (1/16) @102 (2/16) @114 (16/16) (10/16) @175 (16/16) (12/16) @185 (13/16) @136 (3/16) @148 (4/16) (5/16) @155 @162 (6/16) @163 (7/16) (8/16) @166 (9/16) @169 @173 (9/16) @184 (11/16) (12/16) @188 (16/16) @201 (4/16) @107 (1/16) @101 (1/16) @186 (12/16) H C 6 12 2 18 9 14 11 7 G 4 L XX MARK:NO MOUNT 10 I 15 05 K 8 VC-377 BOARD (15/16) 19 D F 17 B 13 21 DC/DC CONVERTER (DD BLOCK) E 16 5 J 3 20 22 (13/16) (12/16) (14/16) @170 (9/16) SWITCHING SWITCHING SWITCHING SWITCHING SWITCHING SWITCHING SWITCHING SWITCHING SWITCHING Q2313,2314 (13/16) (13/16) 1.2V REG Q2320,2321 1.9V REG 13.5V REG -7.5V REG Q2315,2316 B+ SWITCH B+ SWITCH 3.0V LANC_DC VOUT DCR-HC17E/HC19E/HC21/HC21E/HC22E/HC32/HC32E/HC33/HC33E For Schematic Diagram • Refer to page 4-87 for printed wiring board. 4-63 4-64 VC-377 (16/16) XCS_MC_FLASH MD2 XX CN1009 1 2 3 4 5 6 7 8 9 10 11 12 13 14 15 16 MD2 GND GND EEP_SO SWP EEP_SI GND EEP_SCK XSYS_RST EEP_SI EEP_SCK D_2.8V RF_MON XCS_EEP XCS_MC_FLASH EEP_SO XSYS_RST (5/16) (3/16) @106 (6/16) (1/16) (10/16) (13/16) (11/16) XX C1001 XCRADLE_IN XCRADLE_IN XCRADLE_IN NO MARK:REC/PB MODE 0 0 0 0 0 4.9 NSAD500H-T1-A D1011 5 4 3 2 1 INT_MIC_R SIRCS_SIG XF_TALLY_LED INT_MIC_L XSHUTTER_OPEN IR_ON 22 R1013 2SC5663T2L Q1001 22 R1016 3300 R1015 EEP_SI XCS_EEP EEP_SCK RF_MON SWP EEP_SO SP- XMS_LED_ON MS_BS XRESET MS_DIO REG_GND MS_VCC_ON C1003 0.01u IC1001 TK70529SCL-G 1 2 3 4 5 MS_SCLK MS_XIN SP+ AUDIO_R_I/O 470 R1011 S_Y_I/O LANC_DC LANC_SIG PITCH_AD VST_C_RESET YAW_AD S_C_I/O AUDIO_L_I/O XLANC_JACK_IN VIDEO_I/O 0.1u C1002 TP_Y VD_SO TP_SEL1 VD_SI PANEL_R PANEL_VD PANEL_HD KEY_AD1 XCS_LCD PANEL_B TP_X VD_SCK PANEL_G RB1001 1k 1 2 3 4 5 6 7 8 MULTI_JACK_IN 1k R1010 24P CN1006 1 2 3 4 5 6 7 8 9 10 11 12 13 14 15 16 17 18 19 20 21 22 23 24 REG_GND USB_D- TPB+ TPB- TPA+ BATT/XEXT_CR USB_D+ TPA- MAZS120008SO D1009 0.1u C1004 MULTI_JACK_IN_CRADLE ACV_UNREG USB_DET 1k R1018 0.1u C1005 51P CN1003 1 2 3 4 5 6 7 8 9 10 11 12 13 14 15 16 17 18 19 20 21 22 23 24 25 26 27 28 29 30 31 32 33 34 35 36 37 38 39 40 41 42 43 44 45 46 47 48 49 50 51 45P CN1008 1 2 3 4 5 6 7 8 9 10 11 12 13 14 15 16 17 18 19 20 21 22 23 24 25 26 27 28 29 30 31 32 33 34 35 36 37 38 39 40 41 42 43 44 45 MAZB068H0LS0 D1005 1 2 6 5 4 3 18P CN1004 1 2 3 4 5 6 7 8 9 10 11 12 13 14 15 16 17 18 10k R1019 10k R1020 1SS357(T3SONY1) D1010 8P CN1007 1 2 3 4 5 6 7 8 F1002 F1001 1 A BL_-15.5V LI_3V D_2.8V MT_5V EP_8.5V EP_4.6V EP_2.8V A_2.8V A_4.6V A_2.8V A_4.6V LI_3V MT_5V MS_SCLK LANC_SIG XLANC_JACK_IN LANC_DC S_C_I/O S_Y_I/O AUDIO_L_I/O AUDIO_R_I/O VIDEO_I/O MULTI_JACK_IN MS_VCC_ON D_2.8V IR_ON MS_XIN MS_DIO MS_BS XMS_LED_ON XRESET SP+ SP- XF_TALLY_LED SIRCS_SIG XSHUTTER_OPEN INT_MIC_L INT_MIC_R PITCH_AD YAW_AD VST_C_RESET VIDEO_I/O MULTI_JACK_IN_CRADLE AUDIO_R_I/O AUDIO_L_I/O S_Y_I/O S_C_I/O LANC_DC LANC_SIG LANC_SIG LANC_DC XRESET YAW_AD PITCH_AD VST_C_RESET IR_ON XSHUTTER_OPEN XMS_LED_ON MS_VCC_ON MS_SCLK MS_XIN MS_DIO MS_BS VIDEO_I/O S_C_I/O S_Y_I/O SP- SP+ AUDIO_R_I/O AUDIO_L_I/O INT_MIC_L INT_MIC_R MULTI_JACK_IN MULTI_JACK_IN_CRADLE XLANC_JACK_IN SIRCS_SIG XF_TALLY_LED EP_2.8V EP_4.6V EP_8.5V BL_-15.5V D_2.8V BL_-15.5V LI_3V EP_8.5V EP_4.6V EP_2.8V A_2.8V A_4.6V D_2.8V MT_5V GND SWP EEP_SO RF_MON XCS_EEP EEP_SI EEP_SCK GND NS_LED_A REG_GND XF_TALLY_LED INT_MIC_R INT_MIC_L XSHUTTER_OPEN A_4.6V NS_LED_K D_2.8V SIRCS_SIG MIC_GND MIC_GND VST_C_RESET REG_GND REG_GND YAW_AD PITCH_AD A_2.8V 2.9V KEY_AD1 PANEL_G VD_SCK BL_-15.5V EP_8.5V BL_GND REG_GND TP_SEL1 TP_Y EP_2.8V TP_X PANEL_VD VD_SI PANEL_HD PANEL_B XCS_LCD PANEL_R EP_4.6V REG_GND REG_GND VD_SO AUDIO_L_I/O ACV_UNREG LANC_DC REG_GND ACV_GND ACV_GND USB_D+ REG_GND TPA USB_DET ACV_GND ACV_GND XCRADLE_IN S_Y_I/O ACV_UNREG REG_GND ACV_UNREG REG_GND REG_GND BATT/XEXT ACV_GND REG_GND ACV_UNREG ACV_GND REG_GND S_C_I/O ACV_GND NTPB REG_GND ACV_GND VIDEO_I/O ACV_GND ACV_GND ACV_UNREG N.C TPB ACV_UNREG LANC_SIG ACV_UNREG MULTI_JACK_IN N.C NTPA REG_GND USB_D- REG_GND ACV_UNREG AUDIO_R_I/O ACV_UNREG ACV_UNREG D_2.8V REG_GND REG_GND N.C. REG_GND N.C. MS_INSERT N.C. XACCESS_LED REG_GND MS_VCC D_2.8V MS_DIO MS_BS LI_3V SP- SP+ REG_GND MS_SCLK XRESET N.C. N.C N.C XLANC_JACK_IN REG_GND TPB(N.C.) REG_GND REG_GND REG_GND USB_D-(N.C.) USB_DET(N.C.) NTPB(N.C.) LANC_DC REG_GND USB_D+(N.C.) REG_GND S_C TPA(N.C.) AUDIO_L_I/O REG_GND VIDEO_I/O LANC_SIG S_Y REG_GND AUDIO_R_I/O NTPA(N.C.) REG_GND REG_GND REG_GND MULTI_JACK_IN 2.9V REG IC1001 (11/16) @183 (11/16) (8/16) @156 (6/16) (8/16) @167 (15/16) @201 @200 (15/16) (10/16) @175 (15/16) (2/16) (15/16) @114 (13/16) (15/16) @193 (15/16) @202 @178 (11/16) (4/16) @154 @171 (9/16) (13/16) @191 (3/16) (4/16) (7/16) @127 @165 @196 (14/16) @197 (14/16) @147 (4/16) @182 (11/16) @177 (4/16) @150 @128 (3/16) LND001-LND045 BOARD FP-182 of LEVEL2 FLEXIBLE PAGE 4-71 CN603 FFC-038 FLEXIBLE PAGE 4-70 THROUGH THE SI-042 of LEVEL2 CPC (FOR CHECK) of LEVEL2 THROUGH THE FP-190 FLEXIBLE PAGE 4-67 CR-050 CN001 CN601 PD-237 of LEVEL2 PAGE 4-65 FP-185 FLEXIBLE THROUGH THE VC-377 BOARD (16/16) 10 I 15 05 K 8 D F B 13 XX MARK:NO MOUNT E 5 J 3 CONNECTOR (CN BLOCK) H C 6 12 2 M 9 14 11 7 G 4 L LED DRIVE (11/16) (10/16) 0.2A/50V 0.2A/50V The components identified by mark 0 or dotted line with mark 0 are critical for safety. Replace only with part number specified. Les composants identifiés par une marque 0 sont critiques pour la sécurité. Ne les remplacer que par une piéce portant le numéro spécifié. DCR-HC17E/HC19E/HC21/HC21E/HC22E/HC32/HC32E/HC33/HC33E Link Link 4-3. PRINTED WIRING BOARDS VC-377 BOARD (SIDE A) VC-377 BOARD (SIDE B) VC-377 BOARD (SIDE A) VC-377 BOARD (SIDE B) WAVEFORMS MOUNTED PARTS LOCATION COMMON NOTE FOR PRINTED WIRING BOARDS WAVEFORMS MOUNTED PARTS LOCATION COMMON NOTE FOR PRINTED WIRING BOARDS Board Name Function VC-377 A/D CONVERTER, TIMING GENERATOR, LENS DRIVE, VIDEO/AUDIO DSP, DS/HI CONTROL, FLASH, SDRAM, DV SIGNAL PROCESS, DV INTERFACE, REC/PB AMP, VIDEO, AUDIO I/O, EVF DRIVE, CAMERA/MECHA CONTROL, SERVO, HI CONTROL, DC IN, DC/DC CONVERTER, CONNECTOR 4-79 DCR-HC17E/HC19E/HC21/HC21E/HC22E/HC32/HC32E/HC33/HC33E 4-3. PRINTED WIRING BOARDS 4-3. PRINTED WIRING BOARDS 4-3. PRINTED WIRING BOARDS • : Uses unleaded solder. • : Circuit board : Flexible board Pattern from the side which enables seeing. : pattern of the rear side (The other layers’ patterns are not indicated) • Through hole is omitted. • Circled numbers refer to waveforms. • There are a few cases that the part printed on diagram isn’t mounted in this model. • C: panel designation THIS NOTE IS COMMON FOR PRINTED WIRING BOARDS 2 1 3 2 1 3 2 1 3 3 4 5 2 1 1 2 3 6 5 4 E B C 3 1 5 2 4 6 1 2 3 6 5 4 3 1 5 2 4 6 1 2 3 5 4 4 3 1 2 3 1 2 4 5 5 3 4 1 2 1 4 2 3 4 6 2 5 3 1 1 2 4 3 1 4 2 3 • Chip parts. Transistor Diode BOARD INFORMATION Board Name Waveforms Parts Location Pattern (Shown on Page) (Shown on Page) Total Number of Layers Layers Not Indicated VC-377 4-107 4-115 8 layers 2 to 7 layers DCR-HC17E/HC19E/HC21/HC21E/HC22E/HC32/HC32E/HC33/HC33E 4-87 VC-377 (SIDE A) 4-88 VC-377 Note for Printed Wiring Board (See page 4-79). : Uses unleaded solder. A C B E 1 2 3 4 5 16 1 C B E 1 2 26 27 1 2 26 27 2 1 26 27 P C B E C B E 3 2 1 E C B 1 8 1 51 2 50 E C B 1 12 36 25 48 13 37 24 48 1 12 13 37 36 24 25 B 1 5 8 4 1 5 8 4 1 5 8 4 1 5 8 4 1 7 8 14 1 7 8 14 1 2 22 23 A 1 30 1 12 36 25 48 13 37 24 1 5 8 4 1 5 8 4 L6001 L3701 L3702 FB4101 RB5301 RB5302 RB5303 RB5304 RB5305 RB5306 RB5307 FB7001 L4101 C5001 C5002 C5003 C5004 Q5001 C5005 Q5002 1 3 6 4 C5006 C5007 C5008 C5009 Q2320 C5010 Q2321 C5011 L7001 L7002 L7003 X5301 IC2302 C2338 C2339 D5001 R5001 R5002 R5003 R5004 R5005 LF4101 R5006 LF4102 R5007 R5008 IC5001 FB5301 CN3101 FB5302 R5011 R5013 R5014 R5015 R5016 R5017 R5018 R5019 C3101 C3102 C2357 C3103 C3104 C3105 Q3101 C3106 C3107 C3108 R5020 C3109 R5022 C3110 C3111 C3112 C3113 C3114 C3115 CN6002 C3116 CN6003 C3118 R2345 CN3701 C3119 R2347 R2348 R2349 C3120 LF2001 C3121 C6001 C3122 C3123 R2350 R2351 D3101 C3701 R2352 Q6002 C3702 Q6003 C3703 R2354 C3704 R2355 R3101 Q3701 C3705 CN1002 Q3702 C3706 R3102 CN1003 Q3703 C3707 R3103 C3708 R3104 C3709 R3105 CL7001 R3106 CL7002 R3107 CL7003 R3108 IC3101 IC3102 C3710 C3711 C3712 C3713 C3714 R3110 R3112 C3716 C3717 C3718 C3719 C3720 C3721 C3722 C3723 C3724 D3701 R6001 C3725 C3726 R6002 D3702 R6003 D3703 C3727 C3728 C3729 R3701 R3702 R3703 R3704 R3705 R3706 R3707 R3708 IC3701 R3709 IC3702 IC3703 IC3704 IC3705 IC3706 IC3707 R3710 R3711 D1005 R3712 C4101 D1009 C4102 C4103 C4104 C4105 C4106 C4107 C4108 D1010 R6020 D1011 R6025 R1011 R6026 R6027 R3725 CL5107 R1018 R1019 CN7001 CL5301 CL5302 CL5303 R1020 CL5304 CL5305 CL5306 CL5307 R3734 CL5308 CL5309 R3735 C7001 R3736 C7002 R3737 R3738 C7004 R3739 C7005 RB5001 RB5002 C7006 RB5003 C7007 Q7003 CL5310 C7008 RB5004 CL5311 CN2001 C7009 CL5312 R4102 R4103 R4104 R3740 R3741 R3742 R3743 R3744 C7010 IC4101 R3745 C7011 R3746 C7012 R3747 C7013 R3748 C7014 C2001 R3749 C7015 C2002 C2003 C2004 C2006 C2007 C2008 R3750 F001 R3751 F002 R3752 F003 R3753 F004 R3754 R3755 C7021 F1001 C7022 R3756 F1002 R3757 R3758 R3759 R7001 R7002 R7003 R3760 R3761 R3762 R7006 R3763 R7007 R3764 R7008 R3765 R7009 IC7001 R3766 R3767 IC7003 R3768 R3769 D2001 D2002 R7012 R3770 R2001 R3771 R3772 R3773 R3774 R3775 R7019 X5001 R3776 X5002 R3777 R3778 R3779 R7020 R7023 R7024 R7025 C5302 R7026 C5303 C5304 C5305 C5306 C5307 C5308 C5309 C5310 C5311 C5312 C5313 C5314 C5315 C5316 C5317 C5318 C5319 RB3701 RB3702 RB3703 C5320 C5321 L2301 L2302 L2304 L2305 R5301 L2306 R5302 R5303 L2307 L2308 R5304 R5305 RB1001 R5306 R5307 R5308 R5309 IC5301 IC5302 X3101 R5313 R5314 R5315 R5316 R5317 R5318 R5323 R5324 R5325 FB3101 FB3102 FB3103 RB4101 L3101 RB7001 1 7 2 8 1 7 2 8 1 7 2 8 1 3 4 6 A1 B1 C1 D1 E1 F1 G1 H1 A2 B2 C2 D2 E2 F2 G2 H2 A3 B3 C3 D3 E3 F3 G3 H3 A4 B4 C4 D4 E4 F4 G4 H4 A5 B5 C5 D5 E5 F5 G5 H5 A6 B6 C6 D6 E6 F6 G6 H6 A7 B7 C7 D7 E7 F7 G7 H7 A8 B8 C8 D8 E8 F8 G8 H8 3 4 1 2 3 4 1 2 1 3 4 5 1 3 6 8 11 14 16 19 20 80 2 4 7 10 12 15 18 21 79 78 22 23 76 75 77 5 9 13 17 24 26 74 72 73 25 27 28 71 70 69 29 30 31 68 67 65 33 32 34 66 64 57 53 49 45 37 35 36 63 62 38 39 61 58 55 52 50 47 44 42 40 60 59 56 54 51 48 46 43 41 1 7 2 8 1 3 4 6 B E C 1 7 2 8 1 7 2 8 1 2 3 4 1 3 2 4 5 6 7 8 9 10 11 12 13 14 15 16 17 18 19 20 21 22 23 24 25 26 27 28 29 30 31 32 33 34 35 36 37 38 39 40 41 42 43 44 45 46 47 48 49 50 51 52 53 54 55 56 57 58 59 60 61 62 63 64 65 66 67 68 69 70 71 72 73 74 75 76 77 78 79 80 81 82 83 84 85 86 87 88 89 90 91 92 93 94 95 96 97 98 99 100 101 102 103 104 105 106 107 108 109 110 111 112 113 114 115 116 117 118 119 120 122 123 124 125 121 126 129 128 130 131 132 127 133 134 135 136 137 138 139 140 141 142 143 144 145 146 147 149 150 148 152 153 151 154 155 156 157 158 159 160 161 162 163 164 165 166 167 168 169 170 172 173 171 174 175 176 179 177 178 181 180 183 182 184 185 186 187 189 190 188 193 192 197 196 191 194 199 200 195 203 198 201 206 205 202 204 208 209 212 211 207 213 210 214 215 216 1 7 2 8 1 7 2 8 1 8 2 16 1 15 CN1007 CN1009 1 7 2 8 1 7 2 8 1 7 2 8 1 7 2 8 1 2 3 4 1 2 3 4 5 6 7 8 9 10 11 12 13 14 15 16 17 18 19 20 21 22 23 24 25 26 27 28 29 30 31 32 33 34 35 36 37 38 39 40 41 42 43 44 45 46 47 48 49 50 51 52 53 54 55 56 57 58 59 60 61 62 63 64 65 66 67 68 69 70 71 72 73 74 75 76 77 78 79 80 1 7 2 8 1 7 2 8 1 3 4 6 1 3 4 6 1 7 2 8 1 3 1 7 2 8 1 7 2 8 Note: CN1007 (8P) and CN1009 (16P) have the same mount location. When you replace, since either CN1007 or CN1009 is used, please refer to schematic diagram and electrical parts list. VC-377 BOARD (SIDE A) 1-864-370- 11 21 05 A B C D E 1 2 3 4 5 6 1 4 5 6 8 9 10 11 7 3 2 12 30 31 32 33 34 35 36 37 41 42 MT_5V D_2.8V D_1.2V VOUT DCR-HC17E/HC19E/HC21/HC21E/HC22E/HC32/HC32E/HC33/HC33E 4-90 VC-377 (SIDE B) 4-89 Note for Printed Wiring Board (See page 4-79). : Uses unleaded solder. CB E P 4 5 1 8 C B E 1 25 26 50 P 1 1 3 6 4 16 8 9 C B 1 3 6 4 1 3 6 4 1 3 6 4 E CB E C B E D S G CB E P A A A A A A A A A A 1 10 14 1 1 18 24 1 1 2 44 45 C B E 1 10 1 2 3 4 5 C B E 4 5 8 1 48 1 12 13 37 36 24 25 CB E CB E CB E C B E C B E CB E 1 4 5 8 1 3 4 5 1 3 4 5 P A A CL2301 C4001 C4002 C4003 C4004 C4005 Q4001 C4006 Q4002 C4007 C4008 Q4005 C4009 C4202 C4203 C4010 C4204 C4011 C4205 C4012 C4206 C4207 C4013 C4208 C4014 C4015 C4209 C4016 C4017 C4018 C4401 C4019 C4402 C4403 C4404 C4210 C4405 Q4401 C4211 C4406 Q4402 C4212 C4407 C4213 C4408 C4020 C4214 C4409 C4021 C4215 C4022 C4216 C4023 C4217 C4024 C4218 C4025 C4026 C4027 C4410 C4028 C4411 C4029 C4412 R4002 C4413 R4003 C4414 R4004 C4220 C4415 R4005 C4221 C4416 R4006 C4222 C4417 R4007 C4418 C4030 R4008 C4419 R4009 C4031 IC4001 RB5101 IC4002 C4032 RB5102 IC4003 C4033 C4034 RB5104 C4035 R4201 RB5105 C4036 R4202 R4203 RB5107 C4037 C4420 R4204 RB5108 C4421 R4011 RB5109 R4205 C4422 R4206 C4423 R4207 R4013 C4424 R4014 R4208 C4425 R4015 IC4201 C4426 C4427 C4428 R4018 C4429 R4401 R4402 R4403 R4404 R4407 C4430 R4409 C4431 IC4401 IC4402 C4432 R4022 C4433 R4023 C4434 R4024 C4435 C2301 R4025 C2302 C4436 R4026 C4437 C2303 R4027 C2304 C4438 R4028 Q2301 C4439 C2305 R4029 Q2302 C2306 C2307 Q2303 C2308 Q2304 Q2305 C2309 Q2306 Q2307 Q2308 C4440 R4030 C4441 Q2309 C4442 C4443 C4444 C2310 C4445 C2311 R4035 L4301 C4446 R4036 L4302 C2312 C2313 C4448 R4420 Q2310 C2314 Q2311 C4449 C2315 Q2312 C2316 R4423 Q2313 C2317 R4424 Q2314 C2318 C2319 Q2315 R4425 Q2316 R4426 R4427 C2320 C4454 C4455 C2321 C5201 X5101 C4456 C2322 C5202 C4457 C2323 C5203 C2324 C5204 R4430 C4458 R4431 C2325 D2301 C5206 R4432 C2326 D2302 C2327 D2303 C2328 R4434 D2304 C2329 D2305 R4435 R2302 R4436 R2303 R2304 C4460 C4461 R2305 R2306 C4462 R2307 R2308 C2330 R2309 C2331 IC2301 C2332 C2333 C2334 C2335 C2336 C2337 R2310 R2311 R2312 R2313 R2314 R2315 FB5101 R2316 FB5102 R2317 FB5103 C2340 R2318 FB5104 C2341 FB5105 R2319 C2342 FB5106 C2344 C2345 C2346 C2347 C2348 R2320 R2321 R5201 R2322 R5202 R2323 R5203 R2324 R2325 R2326 R2327 C2350 R2328 C2351 R2329 IC5201 IC5202 C2352 C2353 C2354 R2330 R2331 R2332 R2335 R2336 R2338 R2339 R2340 R2341 CN6001 R2342 R2343 R2344 R2346 C6002 C6003 C6004 RB4001 RB4002 C6006 C6007 C6008 CN1001 C6009 R2356 R2357 CN1004 CN1006 C6010 CN1008 C6011 C6012 C6013 C6014 C6015 C1001 C6016 C1002 C6017 C1003 C1004 C6018 C1005 Q1001 C6019 RB4401 RB4402 RB4403 RB4404 C6020 RB4405 C6021 RB4406 C6022 C6023 C6024 C6025 C6026 C6027 C6028 C6029 R6004 R6005 C6030 R6008 IC6001 2 4 1 3 2 4 1 3 2 4 1 3 4 80 78 62 8 61 2 5 7 10 76 77 96 3 6 74 75 94 95 1 13 15 18 11 16 19 14 12 17 20 66 23 22 25 24 26 27 93 9 21 29 30 28 90 32 31 33 89 34 35 44 85 47 40 36 37 39 38 42 45 46 43 41 71 48 49 50 81 51 52 54 83 53 84 56 58 82 86 59 79 63 60 65 64 68 67 88 69 70 73 72 91 55 57 87 92 1 7 2 8 1 7 2 8 C6031 R6009 C6032 C6033 C6034 C6035 R6010 R6011 R6012 D1006 R6016 D1007 D1008 R1004 R6019 CN4301 IC1001 R6021 D1012 R6022 R6023 R6024 R1010 CL5101 C4301 CL5102 C4302 R1013 CL5103 C4303 CL5104 C4304 R1015 CL5105 C4305 R1016 CL5106 C4306 C4307 C4308 C4309 C4310 FB4001 C4311 FB4002 C4312 C4313 FB4003 FB4004 FB4005 FB4201 R4301 FB4401 FB4402 R4302 FB4403 R4303 R4304 Q2001 C2005 R4305 Q2002 R4306 Q2003 R4307 Q2004 R4308 Q2005 IC4301 R4309 R4310 L4001 R4311 L4002 R4312 R4313 L4003 R4314 L4201 L4202 L4203 L4204 L4205 L4206 L4207 D2003 D2005 L4401 D2006 L4402 R2002 L4403 R2003 L4404 R2004 L4405 R2005 C5101 R2006 L4406 C5102 C5103 C5104 C5105 Q5101 C5106 C5107 Q5103 C5108 Q5104 Q5105 C5109 Q5106 Q5107 Q5108 C5110 C5111 C5112 C5113 C5114 C5115 C5117 C5118 C5121 C5124 RB6001 D5101 C5126 D5103 C5127 C5128 FB5201 C5129 R5101 FB5203 R5103 R5104 R5105 R5106 R5107 C5130 C5131 IC5101 R5109 C5132 IC5102 L2303 IC5103 C5133 IC5104 C5134 C5135 C5136 R5110 R5111 L2309 R5112 R5113 R5114 R5115 R5116 R5117 L2310 L2311 CL4001 L2312 CL4002 L2313 L2314 L2315 L2316 L2317 L2318 L2319 R5121 R5124 CL4201 R5125 CL4202 R5126 CL4203 L2320 CL4204 R5128 L2321 CL4205 CL4206 CL4207 R5132 R5135 R5139 R5140 R5141 R5142 R5143 R5144 R5145 R5146 R5147 R5148 R5149 FB6001 C2349 C2343 1 2 3 1 2 3 D5102 1 7 2 8 1 7 2 8 1 7 2 8 1 7 2 8 1 7 2 8 1 3 4 6 303 197 203 205 198 216 79 76 72 71 67 66 112 139 135 136 138 120 130 127 123 108 104 110 97 93 85 91 88 73 70 75 61 56 50 101 145 140 142 32 28 24 31 30 18 21 29 27 7 15 12 19 2 302 8 20 297 293 14 26 289 298 13 11 287 301 10 9 286 279 4 3 278 275 6 5 63 59 58 57 52 55 95 147 148 158 155 161 164 165 300 163 166 168 167 174 173 177 176 218 217 234 241 249 253 255 259 239 247 250 256 265 263 266 281 274 273 1 304 196 195 194 230 238 244 251 232 229 231 240 246 252 254 264 262 285 284 280 143 125 128 126 124 105 103 100 80 83 82 78 74 68 64 60 62 44 49 99 144 141 137 146 109 133 129 107 117 96 90 77 81 84 69 65 257 260 267 269 271 185 179 183 182 188 189 209 207 192 228 214 210 53 47 48 43 54 45 41 40 51 42 39 37 46 38 36 35 33 23 34 175 178 181 180 186 187 193 184 191 190 202 200 134 132 131 121 122 208 212 215 221 224 226 233 236 248 258 261 268 270 272 283 282 119 292 295 294 199 201 204 206 211 213 220 222 225 227 235 219 296 223 118 116 276 288 277 290 291 243 245 237 242 169 170 172 171 25 16 17 22 115 114 113 111 102 106 149 150 94 92 89 86 87 98 151 152 154 153 160 156 157 299 162 159 1 1 3 6 B E C 4 7 2 8 1 7 2 8 2 3 1 1 1 2 4 3 1 2 4 3 2 1 3 6 4 4 3 1 2 3 4 5 6 7 8 9 10 11 12 13 14 15 16 17 18 19 20 21 22 23 24 25 26 27 28 29 30 31 32 33 34 35 36 37 38 39 40 41 42 43 44 45 46 47 48 49 50 51 52 53 54 55 56 57 58 59 60 61 62 63 64 65 66 67 68 69 70 71 72 73 74 75 76 77 78 79 80 1 3 4 6 1 3 4 6 1 2 3 1 1 3 1 3 6 4 6 4 3 4 6 1 3 4 6 1 3 4 6 1 3 4 6 1 3 4 6 2 4 1 3 10 1 2 3 4 5 6 7 8 9 11 12 13 14 15 16 17 18 19 20 21 22 23 24 25 26 27 28 29 30 31 32 33 34 35 36 37 38 39 40 41 42 43 44 45 46 47 48 49 50 51 52 53 54 6 5 4 2 48 1 51 9 8 7 3 52 50 47 29 11 14 53 49 46 45 28 15 18 55 43 42 56 17 13 12 44 39 40 41 20 21 10 16 35 36 37 23 24 22 54 19 33 34 25 26 27 30 31 32 38 1 7 2 8 1 7 2 8 1 7 2 8 1 3 4 6 1 B E C 7 2 8 69 67 65 63 61 59 58 56 54 52 50 48 71 70 68 66 64 62 60 57 55 53 51 49 47 46 73 72 45 44 75 74 43 42 77 76 41 40 79 78 39 38 81 80 37 36 83 82 34 35 85 84 32 33 86 87 30 31 88 89 28 29 90 91 26 27 92 1 3 5 7 9 11 14 16 18 20 22 24 25 2 4 6 8 10 12 13 15 17 19 21 23 1 7 2 8 1 7 2 8 1 2 3 4 5 6 7 8 9 10 11 12 13 14 15 16 17 18 19 20 21 22 23 24 25 26 27 28 29 30 31 32 33 34 35 36 37 38 39 40 41 42 43 44 45 46 47 48 49 50 51 52 53 54 55 56 57 58 59 60 61 62 63 64 65 66 67 68 69 70 71 72 73 74 75 76 77 78 79 80 81 82 83 84 85 86 87 88 89 90 91 92 93 94 95 96 97 98 99 100 101 102 103 104 105 106 107 108 109 110 111 112 113 114 115 116 117 118 119 120 121 122 123 124 125 126 127 128 129 130 131 132 133 134 135 136 137 138 139 140 141 142 143 144 145 146 147 148 149 150 151 152 153 154 155 156 157 158 159 160 161 162 163 164 165 166 167 168 169 170 171 172 173 174 175 176 177 178 179 180 181 182 183 184 185 186 187 188 189 190 191 192 1 7 2 8 296 301 303 299 6 14 300 305 5 10 11 16 304 308 306 1 2 4 8 13 17 21 3 7 9 12 15 19 23 18 20 22 28 33 36 46 50 24 30 35 40 44 49 26 32 42 47 52 25 29 34 38 43 48 27 31 37 39 41 45 56 60 64 71 68 87 54 58 61 67 72 82 53 57 62 66 70 74 51 55 59 63 65 69 77 78 80 73 75 79 84 81 86 85 90 83 88 89 92 91 93 94 96 95 97 98 100 76 99 101 102 104 103 105 107 106 108 109 110 112 111 114 119 113 117 115 116 124 123 121 120 118 129 127 126 125 122 153 133 131 130 128 137 135 134 132 141 138 139 136 148 144 143 140 294 297 298 302 290 293 292 295 286 288 289 291 282 284 285 287 307 276 279 280 281 283 272 274 275 277 278 270 269 271 267 273 268 265 266 264 263 262 260 261 259 257 258 256 255 253 230 254 252 251 249 250 248 247 245 246 243 242 237 244 239 241 222 225 218 214 240 235 236 226 221 215 212 238 233 234 232 231 228 224 220 216 211 229 227 223 219 217 213 209 210 204 200 190 187 182 205 199 195 193 191 185 207 202 197 192 188 183 208 203 198 194 189 184 181 177 173 169 167 163 161 179 175 171 166 162 158 156 178 174 170 165 164 159 176 172 168 160 145 149 157 155 152 154 150 151 146 147 142 206 201 196 186 180 10 1 2 3 4 5 6 7 8 9 11 12 13 14 15 16 17 18 19 20 21 22 23 24 25 26 27 28 29 30 31 32 33 34 35 36 37 38 39 40 41 42 43 44 45 46 47 48 49 50 51 52 53 54 VC-377 BOARD (SIDE B) 1-864-370- 11 21 05 A B C D E 1 2 3 4 5 6 24 25 26 23 40 38 39 16 15 14 17 19 18 13 22 20 21 29 28 27 43 44 A_2.8V D_1.2V USB_3.1V LANC_DC 3.0V VOUT A_2.8V D_2.8V D_1.5V A_1.5V A_1.5V A_2.8V D_2.8V D_1.9V VTR_UNREG D_1.5V D_1.2V/D_1.5V D_2.8V AU_4.6V A_2.8V 4-107 DCR-HC17E/HC19E/HC21/HC21E/HC22E/HC32/HC32E/HC33/HC33E 4-4. WAVEFORMS VC-377 BOARD SIDE A VC-377 BOARD SIDE B VC-377 BOARD SIDE A VC-377 BOARD SIDE B VC-377 BOARD (1/5) 1 IC3101 5 (X3101) REC/PB 2.5 Vp-p 3 3.3 Vp-p IC3101 qa REC/PB 36 MHz 18 MHz 2 2.8 Vp-p IC3101 9 REC 18 MHz 0 7 9 IC3101 wg REC 8.0 Vp-p IC3101 wk REC 25 Vp-p IC3101 ea REC 8.0 Vp-p 6 IC3101 ws REC 3.3 Vp-p V H H V V 5 IC3101 wa REC 3.3 Vp-p 4 IC3101 qk REC 2.8 Vp-p 18 MHz V 8 25 Vp-p IC3101 wh REC VC-377 (1/5) 4-108 DCR-HC17E/HC19E/HC21/HC21E/HC22E/HC32/HC32E/HC33/HC33E VC-377 BOARD SIDE A VC-377 BOARD SIDE B VC-377 BOARD SIDE A VC-377 BOARD SIDE B VC-377 BOARD (2/5) qs IC3102 e; REC 600 mVp-p H qj R4009 (IC4001 rh) REC/PB 390 mVp-p H qk R4013 (IC4001 td) REC/PB 450 mVp-p H ql R4018 (IC4001 y;) REC/PB 380 mVp-p H qh qf qg Q4002 5 REC/PB 320 mVp-p Q4002 6 REC/PB 380 mVp-p Q4002 7 REC/PB 420 mVp-p H H H w; R4023 (IC4001 C1002 1-125-777-11 CERAMIC CHIP 0.1uF 10% 10V C1003 1-164-943-11 CERAMIC CHIP 0.01uF 10% 16V C1004 1-125-777-11 CERAMIC CHIP 0.1uF 10% 10V C1005 1-125-777-11 CERAMIC CHIP 0.1uF 10% 10V C2001 1-125-777-11 CERAMIC CHIP 0.1uF 10% 10V C2002 1-125-777-11 CERAMIC CHIP 0.1uF 10% 10V C2003 1-125-777-11 CERAMIC CHIP 0.1uF 10% 10V C2004 1-125-777-11 CERAMIC CHIP 0.1uF 10% 10V C2005 1-107-819-11 CERAMIC CHIP 0.022uF 10% 16V C2006 1-165-875-11 CERAMIC CHIP 10uF 10% 10V C2007 1-165-875-11 CERAMIC CHIP 10uF 10% 10V C2008 1-165-875-11 CERAMIC CHIP 10uF 10% 10V C2301 1-125-777-11 CERAMIC CHIP 0.1uF 10% 10V C2302 1-164-937-11 CERAMIC CHIP 0.001uF 10% 50V C2303 1-164-937-11 CERAMIC CHIP 0.001uF 10% 50V C2304 1-164-941-11 CERAMIC CHIP 0.0047uF 10% 16V C2305 1-164-943-11 CERAMIC CHIP 0.01uF 10% 16V C2306 1-107-819-11 CERAMIC CHIP 0.022uF 10% 16V C2307 1-125-777-11 CERAMIC CHIP 0.1uF 10% 10V C2308 1-119-923-11 CERAMIC CHIP 0.047uF 10% 10V C2309 1-164-882-11 CERAMIC CHIP 220PF 5% 16V C2310 1-107-819-11 CERAMIC CHIP 0.022uF 10% 16V C2311 1-125-777-11 CERAMIC CHIP 0.1uF 10% 10V C2312 1-125-777-11 CERAMIC CHIP 0.1uF 10% 10V C2313 1-164-943-11 CERAMIC CHIP 0.01uF 10% 16V C2314 1-125-777-11 CERAMIC CHIP 0.1uF 10% 10V C2315 1-165-908-11 CERAMIC CHIP 1uF 10% 10V C2316 1-125-777-11 CERAMIC CHIP 0.1uF 10% 10V C2317 1-165-908-11 CERAMIC CHIP 1uF 10% 10V C2318 1-137-710-11 CERAMIC CHIP 10uF 20% 6.3V C2319 1-165-908-11 CERAMIC CHIP 1uF 10% 10V C2320 1-115-566-11 CERAMIC CHIP 4.7uF 10% 10V C2321 1-115-566-11 CERAMIC CHIP 4.7uF 10% 10V C2322 1-125-838-11 CERAMIC CHIP 2.2uF 10% 6.3V C2323 1-115-566-11 CERAMIC CHIP 4.7uF 10% 10V C2324 1-125-827-91 CERAMIC CHIP 1uF 10% 25V C2325 1-127-861-11 CERAMIC CHIP 2.2uF 10% 16V C2326 1-127-820-11 CERAMIC CHIP 4.7uF 10% 16V C2327 1-127-573-11 CERAMIC CHIP 1uF 10% 16V C2328 1-127-760-11 CERAMIC CHIP 4.7uF 10% 6.3V C2329 1-107-682-11 CERAMIC CHIP 1uF 10% 16V C2330 1-115-566-11 CERAMIC CHIP 4.7uF 10% 10V C2331 1-115-566-11 CERAMIC CHIP 4.7uF 10% 10V C2332 1-127-861-11 CERAMIC CHIP 2.2uF 10% 16V C2333 1-127-760-11 CERAMIC CHIP 4.7uF 10% 6.3V C2334 1-127-760-11 CERAMIC CHIP 4.7uF 10% 6.3V C2335 1-127-760-11 CERAMIC CHIP 4.7uF 10% 6.3V C2336 1-135-259-11 TANTAL. CHIP 10uF 20% 6.3V C2337 1-104-847-11 TANTAL. CHIP 22uF 20% 4V C2338 1-125-837-91 CERAMIC CHIP 1uF 10% 6.3V C2339 1-125-777-11 CERAMIC CHIP 0.1uF 10% 10V C2340 1-135-259-11 TANTAL. CHIP 10uF 20% 6.3V C2342 1-135-259-11 TANTAL. CHIP 10uF 20% 6.3V C2343 1-119-667-11 CERAMIC CHIP 22uF 10V C2344 1-135-259-11 TANTAL. CHIP 10uF 20% 6.3V C2345 1-135-259-11 TANTAL. CHIP 10uF 20% 6.3V C2346 1-135-259-11 TANTAL. CHIP 10uF 20% 6.3V C2347 1-135-259-11 TANTAL. CHIP 10uF 20% 6.3V C2348 1-135-259-11 TANTAL. CHIP 10uF 20% 6.3V C2349 1-119-667-11 CERAMIC CHIP 22uF 10V C2350 1-127-760-11 CERAMIC CHIP 4.7uF 10% 6.3V C2351 1-125-889-91 CERAMIC CHIP 2.2uF 10% 10V C2352 1-125-889-91 CERAMIC CHIP 2.2uF 10% 10V C2353 1-127-760-11 CERAMIC CHIP 4.7uF 10% 6.3V C2354 1-127-820-11 CERAMIC CHIP 4.7uF 10% 16V C2357 1-127-760-11 CERAMIC CHIP 4.7uF 10% 6.3V C3101 1-164-943-11 CERAMIC CHIP 0.01uF 10% 16V C3102 1-115-467-11 CERAMIC CHIP 0.22uF 10% 10V C3103 1-164-870-11 CERAMIC CHIP 68PF 5% 50V C3104 1-164-870-11 CERAMIC CHIP 68PF 5% 50V C3105 1-127-861-11 CERAMIC CHIP 2.2uF 10% 16V C3106 1-127-760-11 CERAMIC CHIP 4.7uF 10% 6.3V C3107 1-125-837-91 CERAMIC CHIP 1uF 10% 6.3V C3108 1-125-777-11 CERAMIC CHIP 0.1uF 10% 10V C3109 1-125-837-91 CERAMIC CHIP 1uF 10% 6.3V C3110 1-164-943-11 CERAMIC CHIP 0.01uF 10% 16V C3113 1-107-826-11 CERAMIC CHIP 0.1uF 10% 16V C3114 1-115-339-11 CERAMIC CHIP 0.1uF 10% 50V C3115 1-164-943-11 CERAMIC CHIP 0.01uF 10% 16V C3116 1-128-934-91 CERAMIC CHIP 0.33uF 20% 10V C3118 1-107-826-11 CERAMIC CHIP 0.1uF 10% 16V C3119 1-125-837-91 CERAMIC CHIP 1uF 10% 6.3V C3120 1-107-826-11 CERAMIC CHIP 0.1uF 10% 16V C3121 1-107-826-11 CERAMIC CHIP 0.1uF 10% 16V C3122 1-107-826-11 CERAMIC CHIP 0.1uF 10% 16V C3123 1-127-895-91 TANTAL. CHIP 22uF 20% 4V C3709 1-115-467-11 CERAMIC CHIP 0.22uF 10% 10V C3710 1-164-940-11 CERAMIC CHIP 0.0033uF 10% 16V C3711 1-107-826-11 CERAMIC CHIP 0.1uF 10% 16V C3712 1-125-837-91 CERAMIC CHIP 1uF 10% 6.3V C3713 1-164-677-11 CERAMIC CHIP 0.033uF 10% 16V C3714 1-125-777-11 CERAMIC CHIP 0.1uF 10% 10V C3716 1-125-777-11 CERAMIC CHIP 0.1uF 10% 10V C3717 1-125-777-11 CERAMIC CHIP 0.1uF 10% 10V C3718 1-107-826-11 CERAMIC CHIP 0.1uF 10% 16V C3719 1-164-943-11 CERAMIC CHIP 0.01uF 10% 16V C3720 1-162-970-11 CERAMIC CHIP 0.01uF 10% 25V C3721 1-117-863-11 CERAMIC CHIP 0.47uF 10% 6.3V C3722 1-107-826-11 CERAMIC CHIP 0.1uF 10% 16V C3723 1-107-819-11 CERAMIC CHIP 0.022uF 10% 16V C3724 1-164-937-11 CERAMIC CHIP 0.001uF 10% 50V C3725 1-164-943-11 CERAMIC CHIP 0.01uF 10% 16V C3726 1-107-819-11 CERAMIC CHIP 0.022uF 10% 16V C3727 1-127-760-11 CERAMIC CHIP 4.7uF 10% 6.3V Ref. No. Part No. Description Ref. No. Part No. Description 5-22 DCR-HC17E/HC19E/HC21/HC21E/HC22E/HC32/HC32E/HC33/HC33E VC-377 C3728 1-113-682-11 TANTAL. CHIP 33uF 20% 10V C4001 1-125-777-11 CERAMIC CHIP 0.1uF 10% 10V C4002 1-125-777-11 CERAMIC CHIP 0.1uF 10% 10V C4003 1-125-777-11 CERAMIC CHIP 0.1uF 10% 10V C4005 1-125-777-11 CERAMIC CHIP 0.1uF 10% 10V C4006 1-127-895-91 TANTAL. CHIP 22uF 20% 4V C4007 1-125-777-11 CERAMIC CHIP 0.1uF 10% 10V C4008 1-125-837-91 CERAMIC CHIP 1uF 10% 6.3V C4009 1-164-943-11 CERAMIC CHIP 0.01uF 10% 16V C4010 1-125-777-11 CERAMIC CHIP 0.1uF 10% 10V C4011 1-125-777-11 CERAMIC CHIP 0.1uF 10% 10V C4012 1-125-777-11 CERAMIC CHIP 0.1uF 10% 10V C4013 1-125-777-11 CERAMIC CHIP 0.1uF 10% 10V C4014 1-125-777-11 CERAMIC CHIP 0.1uF 10% 10V C4015 1-125-777-11 CERAMIC CHIP 0.1uF 10% 10V C4016 1-125-777-11 CERAMIC CHIP 0.1uF 10% 10V C4017 1-125-777-11 CERAMIC CHIP 0.1uF 10% 10V C4018 1-125-777-11 CERAMIC CHIP 0.1uF 10% 10V C4019 1-125-777-11 CERAMIC CHIP 0.1uF 10% 10V C4022 1-125-777-11 CERAMIC CHIP 0.1uF 10% 10V C4023 1-125-777-11 CERAMIC CHIP 0.1uF 10% 10V C4024 1-125-777-11 CERAMIC CHIP 0.1uF 10% 10V C4025 1-125-777-11 CERAMIC CHIP 0.1uF 10% 10V C4027 1-127-760-11 CERAMIC CHIP 4.7uF 10% 6.3V C4029 1-125-777-11 CERAMIC CHIP 0.1uF 10% 10V C4030 1-125-777-11 CERAMIC CHIP 0.1uF 10% 10V C4032 1-125-777-11 CERAMIC CHIP 0.1uF 10% 10V C4033 1-127-760-11 CERAMIC CHIP 4.7uF 10% 6.3V C4035 1-125-777-11 CERAMIC CHIP 0.1uF 10% 10V C4101 1-164-943-11 CERAMIC CHIP 0.01uF 10% 16V C4102 1-127-760-11 CERAMIC CHIP 4.7uF 10% 6.3V C4103 1-164-937-11 CERAMIC CHIP 0.001uF 10% 50V C4104 1-125-777-11 CERAMIC CHIP 0.1uF 10% 10V C4105 1-125-837-91 CERAMIC CHIP 1uF 10% 6.3V C4106 1-164-882-11 CERAMIC CHIP 220PF 5% 16V C4107 1-125-777-11 CERAMIC CHIP 0.1uF 10% 10V C4108 1-164-935-11 CERAMIC CHIP 470PF 10% 50V C4202 1-127-760-11 CERAMIC CHIP 4.7uF 10% 6.3V C4203 1-125-777-11 CERAMIC CHIP 0.1uF 10% 10V C4205 1-125-777-11 CERAMIC CHIP 0.1uF 10% 10V C4206 1-125-777-11 CERAMIC CHIP 0.1uF 10% 10V C4208 1-125-777-11 CERAMIC CHIP 0.1uF 10% 10V C4209 1-125-777-11 CERAMIC CHIP 0.1uF 10% 10V C4210 1-125-777-11 CERAMIC CHIP 0.1uF 10% 10V C4212 1-125-777-11 CERAMIC CHIP 0.1uF 10% 10V C4215 1-125-777-11 CERAMIC CHIP 0.1uF 10% 10V C4216 1-127-760-11 CERAMIC CHIP 4.7uF 10% 6.3V C4218 1-127-760-11 CERAMIC CHIP 4.7uF 10% 6.3V C4220 1-125-777-11 CERAMIC CHIP 0.1uF 10% 10V C4221 1-125-777-11 CERAMIC CHIP 0.1uF 10% 10V C4222 1-125-777-11 CERAMIC CHIP 0.1uF 10% 10V C4301 1-127-760-11 CERAMIC CHIP 4.7uF 10% 6.3V C4302 1-164-943-11 CERAMIC CHIP 0.01uF 10% 16V C4303 1-127-760-11 CERAMIC CHIP 4.7uF 10% 6.3V C4304 1-164-943-11 CERAMIC CHIP 0.01uF 10% 16V C4305 1-125-891-11 CERAMIC CHIP 0.47uF 10% 10V C4306 1-100-249-11 CERAMIC CHIP 0.01uF 10% 16V C4307 1-125-891-11 CERAMIC CHIP 0.47uF 10% 10V C4308 1-164-943-11 CERAMIC CHIP 0.01uF 10% 16V C4309 1-164-943-11 CERAMIC CHIP 0.01uF 10% 16V C4310 1-125-777-11 CERAMIC CHIP 0.1uF 10% 10V C4311 1-125-777-11 CERAMIC CHIP 0.1uF 10% 10V C4312 1-164-943-11 CERAMIC CHIP 0.01uF 10% 16V C4313 1-164-943-11 CERAMIC CHIP 0.01uF 10% 16V C4401 1-125-837-91 CERAMIC CHIP 1uF 10% 6.3V C4404 1-137-710-11 CERAMIC CHIP 10uF 20% 6.3V C4405 1-137-710-11 CERAMIC CHIP 10uF 20% 6.3V C4406 1-127-760-11 CERAMIC CHIP 4.7uF 10% 6.3V C4407 1-137-710-11 CERAMIC CHIP 10uF 20% 6.3V C4408 1-137-710-11 CERAMIC CHIP 10uF 20% 6.3V C4409 1-125-838-11 CERAMIC CHIP 2.2uF 10% 6.3V C4410 1-125-838-11 CERAMIC CHIP 2.2uF 10% 6.3V C4411 1-164-943-11 CERAMIC CHIP 0.01uF 10% 16V (HC32/HC33) C4412 1-127-760-11 CERAMIC CHIP 4.7uF 10% 6.3V C4413 1-164-943-11 CERAMIC CHIP 0.01uF 10% 16V C4414 1-127-760-11 CERAMIC CHIP 4.7uF 10% 6.3V C4415 1-125-777-11 CERAMIC CHIP 0.1uF 10% 10V C4416 1-125-777-11 CERAMIC CHIP 0.1uF 10% 10V C4417 1-164-943-11 CERAMIC CHIP 0.01uF 10% 16V C4418 1-127-760-11 CERAMIC CHIP 4.7uF 10% 6.3V C4419 1-127-760-11 CERAMIC CHIP 4.7uF 10% 6.3V C4420 1-127-760-11 CERAMIC CHIP 4.7uF 10% 6.3V C4421 1-125-837-91 CERAMIC CHIP 1uF 10% 6.3V C4422 1-125-837-91 CERAMIC CHIP 1uF 10% 6.3V C4423 1-127-760-11 CERAMIC CHIP 4.7uF 10% 6.3V C4424 1-125-837-91 CERAMIC CHIP 1uF 10% 6.3V C4425 1-125-837-91 CERAMIC CHIP 1uF 10% 6.3V C4426 1-125-837-91 CERAMIC CHIP 1uF 10% 6.3V C4427 1-125-777-11 CERAMIC CHIP 0.1uF 10% 10V C4428 1-164-937-11 CERAMIC CHIP 0.001uF 10% 50V C4429 1-125-777-11 CERAMIC CHIP 0.1uF 10% 10V C4430 1-164-943-11 CERAMIC CHIP 0.01uF 10% 16V C4431 1-164-943-11 CERAMIC CHIP 0.01uF 10% 16V C4432 1-164-943-11 CERAMIC CHIP 0.01uF 10% 16V C4433 1-164-937-11 CERAMIC CHIP 0.001uF 10% 50V C4434 1-127-760-11 CERAMIC CHIP 4.7uF 10% 6.3V C4436 1-125-837-91 CERAMIC CHIP 1uF 10% 6.3V C4437 1-125-837-91 CERAMIC CHIP 1uF 10% 6.3V C4438 1-125-837-91 CERAMIC CHIP 1uF 10% 6.3V C4441 1-125-777-11 CERAMIC CHIP 0.1uF 10% 10V C4443 1-127-760-11 CERAMIC CHIP 4.7uF 10% 6.3V C4445 1-125-837-91 CERAMIC CHIP 1uF 10% 6.3V C4446 1-125-837-91 CERAMIC CHIP 1uF 10% 6.3V C4448 1-127-760-11 CERAMIC CHIP 4.7uF 10% 6.3V C4449 1-127-573-11 CERAMIC CHIP 1uF 10% 16V C4454 1-127-760-11 CERAMIC CHIP 4.7uF 10% 6.3V C4455 1-127-760-11 CERAMIC CHIP 4.7uF 10% 6.3V C4456 1-125-837-91 CERAMIC CHIP 1uF 10% 6.3V C4457 1-125-837-91 CERAMIC CHIP 1uF 10% 6.3V C4458 1-125-837-91 CERAMIC CHIP 1uF 10% 6.3V C4460 1-125-777-11 CERAMIC CHIP 0.1uF 10% 10V C4461 1-137-710-11 CERAMIC CHIP 10uF 20% 6.3V C5001 1-164-943-11 CERAMIC CHIP 0.01uF 10% 16V C5002 1-164-943-11 CERAMIC CHIP 0.01uF 10% 16V Ref. No. Part No. Description Ref. No. Part No. Description 5-23 DCR-HC17E/HC19E/HC21/HC21E/HC22E/HC32/HC32E/HC33/HC33E VC-377 C5003 1-104-847-11 TANTAL. CHIP 22uF 20% 4V C5004 1-164-943-11 CERAMIC CHIP 0.01uF 10% 16V C5005 1-164-943-11 CERAMIC CHIP 0.01uF 10% 16V C5006 1-125-777-11 CERAMIC CHIP 0.1uF 10% 10V C5007 1-164-943-11 CERAMIC CHIP 0.01uF 10% 16V C5008 1-164-856-81 CERAMIC CHIP 18PF 5% 50V C5009 1-164-856-81 CERAMIC CHIP 18PF 5% 50V C5010 1-125-777-11 CERAMIC CHIP 0.1uF 10% 10V C5011 1-164-943-11 CERAMIC CHIP 0.01uF 10% 16V C5101 1-164-943-11 CERAMIC CHIP 0.01uF 10% 16V C5102 1-125-777-11 CERAMIC CHIP 0.1uF 10% 10V C5103 1-125-777-11 CERAMIC CHIP 0.1uF 10% 10V C5104 1-125-777-11 CERAMIC CHIP 0.1uF 10% 10V C5106 1-125-777-11 CERAMIC CHIP 0.1uF 10% 10V C5107 1-125-777-11 CERAMIC CHIP 0.1uF 10% 10V C5108 1-125-777-11 CERAMIC CHIP 0.1uF 10% 10V C5109 1-125-777-11 CERAMIC CHIP 0.1uF 10% 10V C5110 1-125-777-11 CERAMIC CHIP 0.1uF 10% 10V C5113 1-125-777-11 CERAMIC CHIP 0.1uF 10% 10V (HC32: KR/HC32E/HC33E) C5114 1-125-777-11 CERAMIC CHIP 0.1uF 10% 10V C5115 1-125-777-11 CERAMIC CHIP 0.1uF 10% 10V C5117 1-125-777-11 CERAMIC CHIP 0.1uF 10% 10V C5118 1-125-777-11 CERAMIC CHIP 0.1uF 10% 10V C5121 1-125-777-11 CERAMIC CHIP 0.1uF 10% 10V C5124 1-164-874-11 CERAMIC CHIP 100PF 5% 50V C5126 1-125-777-11 CERAMIC CHIP 0.1uF 10% 10V C5128 1-164-943-11 CERAMIC CHIP 0.01uF 10% 16V C5131 1-137-710-11 CERAMIC CHIP 10uF 20% 6.3V C5133 1-137-710-11 CERAMIC CHIP 10uF 20% 6.3V C5134 1-127-895-91 TANTAL. CHIP 22uF 20% 4V C5135 1-125-837-91 CERAMIC CHIP 1uF 10% 6.3V C5136 1-127-760-11 CERAMIC CHIP 4.7uF 10% 6.3V C5201 1-125-777-11 CERAMIC CHIP 0.1uF 10% 10V C5202 1-125-777-11 CERAMIC CHIP 0.1uF 10% 10V C5203 1-127-895-91 TANTAL. CHIP 22uF 20% 4V C5204 1-125-777-11 CERAMIC CHIP 0.1uF 10% 10V C5206 1-127-760-11 CERAMIC CHIP 4.7uF 10% 6.3V C5303 1-164-850-11 CERAMIC CHIP 10PF 0.5PF 50V C5304 1-164-850-11 CERAMIC CHIP 10PF 0.5PF 50V C5305 1-125-777-11 CERAMIC CHIP 0.1uF 10% 10V C5306 1-125-777-11 CERAMIC CHIP 0.1uF 10% 10V C5307 1-125-777-11 CERAMIC CHIP 0.1uF 10% 10V C5308 1-125-777-11 CERAMIC CHIP 0.1uF 10% 10V C5309 1-125-777-11 CERAMIC CHIP 0.1uF 10% 10V C5310 1-125-777-11 CERAMIC CHIP 0.1uF 10% 10V C5311 1-125-837-91 CERAMIC CHIP 1uF 10% 6.3V C5312 1-125-837-91 CERAMIC CHIP 1uF 10% 6.3V C5315 1-125-777-11 CERAMIC CHIP 0.1uF 10% 10V C5316 1-164-943-11 CERAMIC CHIP 0.01uF 10% 16V C5317 1-164-943-11 CERAMIC CHIP 0.01uF 10% 16V C5319 1-164-943-11 CERAMIC CHIP 0.01uF 10% 16V C5320 1-164-943-11 CERAMIC CHIP 0.01uF 10% 16V C6001 1-125-777-11 CERAMIC CHIP 0.1uF 10% 10V C6002 1-100-246-11 CERAMIC CHIP 0.001uF 10% 50V C6003 1-100-249-11 CERAMIC CHIP 0.01uF 10% 16V C6004 1-100-251-11 CERAMIC CHIP 0.047uF 10% 10V C6006 1-125-837-91 CERAMIC CHIP 1uF 10% 6.3V C6007 1-164-943-11 CERAMIC CHIP 0.01uF 10% 16V C6008 1-164-943-11 CERAMIC CHIP 0.01uF 10% 16V C6011 1-125-777-11 CERAMIC CHIP 0.1uF 10% 10V C6012 1-125-777-11 CERAMIC CHIP 0.1uF 10% 10V C6013 1-164-943-11 CERAMIC CHIP 0.01uF 10% 16V C6014 1-125-777-11 CERAMIC CHIP 0.1uF 10% 10V C6015 1-125-777-11 CERAMIC CHIP 0.1uF 10% 10V C6016 1-125-777-11 CERAMIC CHIP 0.1uF 10% 10V C6017 1-107-819-11 CERAMIC CHIP 0.022uF 10% 16V C6018 1-125-777-11 CERAMIC CHIP 0.1uF 10% 10V C6019 1-125-837-91 CERAMIC CHIP 1uF 10% 6.3V C6020 1-119-923-11 CERAMIC CHIP 0.047uF 10% 10V C6021 1-125-837-91 CERAMIC CHIP 1uF 10% 6.3V C6022 1-125-777-11 CERAMIC CHIP 0.1uF 10% 10V C6023 1-125-837-91 CERAMIC CHIP 1uF 10% 6.3V C6024 1-125-777-11 CERAMIC CHIP 0.1uF 10% 10V C6025 1-125-777-11 CERAMIC CHIP 0.1uF 10% 10V C6026 1-125-777-11 CERAMIC CHIP 0.1uF 10% 10V C6027 1-107-826-11 CERAMIC CHIP 0.1uF 10% 16V C6028 1-164-942-11 CERAMIC CHIP 0.0068uF 10% 16V C6029 1-164-935-11 CERAMIC CHIP 470PF 10% 50V C6030 1-107-826-11 CERAMIC CHIP 0.1uF 10% 16V C6031 1-164-942-11 CERAMIC CHIP 0.0068uF 10% 16V C6032 1-164-935-11 CERAMIC CHIP 470PF 10% 50V C6033 1-164-935-11 CERAMIC CHIP 470PF 10% 50V C6034 1-164-935-11 CERAMIC CHIP 470PF 10% 50V C7001 1-125-837-91 CERAMIC CHIP 1uF 10% 6.3V C7004 1-107-826-11 CERAMIC CHIP 0.1uF 10% 16V C7005 1-164-739-11 CERAMIC CHIP 560PF 5% 50V C7008 1-164-943-11 CERAMIC CHIP 0.01uF 10% 16V C7010 1-127-760-11 CERAMIC CHIP 4.7uF 10% 6.3V C7012 1-115-566-11 CERAMIC CHIP 4.7uF 10% 10V C7014 1-127-760-11 CERAMIC CHIP 4.7uF 10% 6.3V C7015 1-137-710-11 CERAMIC CHIP 10uF 20% 6.3V C7021 1-125-777-11 CERAMIC CHIP 0.1uF 10% 10V C7022 1-137-710-11 CERAMIC CHIP 10uF 20% 6.3V < CONNECTOR > CN1001 1-816-645-31 FFC/FPC CONNECTOR (LIF) 14P CN1002 1-766-644-21 FFC/CONNECTOR, FPC (LIF (NON-ZIF)) 8P CN1003 1-817-283-41 CONNECTOR, FPC (ZIF) 51P CN1004 1-817-550-11 CONNECTOR, FPC (LIF (NON-ZIF)) 18P CN1006 1-816-650-31 FFC/FPC CONNECTOR (LIF) 24P CN1007 1-766-644-21 FFC/CONNECTOR, FPC (LIF (NON-ZIF)) 8P CN1008 1-817-910-41 CONNECTOR, FPC (ZIF) 45P CN2001 1-766-360-21 CONNECTOR, FFC/FPC 30P CN3101 1-816-177-11 FFC/CONNECTOR, FPC (ZIF) 16P CN3701 1-817-543-31 CONNECTOR, FPC (ZIF) 27P CN4301 1-817-705-11 CONNECTOR, FPC (LIF (NON-ZIF)) 10P CN6001 1-817-705-11 CONNECTOR, FPC (LIF (NON-ZIF)) 10P CN6002 1-784-421-11 CONNECTOR, FFC/FPC (ZIF) 27P CN6003 1-784-421-11 CONNECTOR, FFC/FPC (ZIF) 27P CN7001 1-816-595-31 CONNECTOR, FPC (ZIF) 23P < DIODE > D1005 6-500-044-01 DIODE DF6A6.8FU (TE85R) D1006 6-500-044-01 DIODE DF6A6.8FU (TE85R) Ref. No. Part No. Description Ref. No. Part No. Description 5-24 DCR-HC17E/HC19E/HC21/HC21E/HC22E/HC32/HC32E/HC33/HC33E VC-377 The components identified by mark 0 or dotted line with mark 0 are critical for safety. Replace only with part num- ber specified. Les composants identifiés par une marque 0 sont critiques pour la sécurité. Ne les remplacer que par une pièce portant le numéro spécifié. D1007 6-500-044-01 DIODE DF6A6.8FU (TE85R) D1008 8-719-083-91 DIODE EDZ TE61 6.8B D1009 8-719-056-59 DIODE MAZS120008SO D1010 8-719-078-02 DIODE 1SS357 (T3SONY1) D1011 6-500-750-01 DIODE NSAD500H-T1-A D2001 8-719-056-59 DIODE MAZS120008SO D2002 8-719-083-91 DIODE EDZ TE61 6.8B D2003 8-719-074-08 DIODE MA4ZD03001S0 D2005 8-719-069-28 DIODE 1SS400TE-61 D2006 8-719-991-00 DIODE DAP222 D2301 6-500-314-01 DIODE DAN222MT2L D2302 8-719-027-76 DIODE 1SS357-TPH3 D2303 8-719-085-53 DIODE MA2SD10008S0 D2304 8-719-074-08 DIODE MA4ZD03001S0 D2305 6-500-168-01 DIODE MA4SD1000LS0 D3101 8-719-082-63 DIODE 1SV329 (TPL3) D3701 8-719-988-61 DIODE 1SS355TE-17 D3702 8-719-075-62 DIODE 1SS401 (TE85L) D5001 8-719-988-61 DIODE 1SS355TE-17 D5102 6-500-776-01 DIODE MAZW068H0LS0 < FUSE > 0F001 1-576-406-21 FUSE (1.4A/32V) 0F002 1-576-406-21 FUSE (1.4A/32V) 0F003 1-576-406-21 FUSE (1.4A/32V) 0F004 1-576-406-21 FUSE (1.4A/32V) 0F1001 1-576-647-11 FUSE (0.2A/50V) 0F1002 1-576-647-11 FUSE (0.2A/50V) < FERRITE BEAD > FB3101 1-400-461-21 FERRITE, EMI (SMD) (1005) (HC32E/HC33E) FB3101 1-400-829-11 BEAD, FERRITE (1005) (HC32/HC33) FB3102 1-400-461-21 FERRITE, EMI (SMD) (1005) (HC32E/HC33E) FB3102 1-400-829-11 BEAD, FERRITE (1005) (HC32/HC33) FB3103 1-500-283-11 INDUCTOR, FERRITE BEAD FB4001 1-400-461-21 FERRITE, EMI (SMD) (1005) (HC32E/HC33E) FB4001 1-400-829-11 BEAD, FERRITE (1005) (HC32/HC33) FB4002 1-400-461-21 FERRITE, EMI (SMD) (1005) (HC32E/HC33E) FB4002 1-400-829-11 BEAD, FERRITE (1005) (HC32/HC33) FB4004 1-400-461-21 FERRITE, EMI (SMD) (1005) (HC32E/HC33E) FB4004 1-400-829-11 BEAD, FERRITE (1005) (HC32: KR) FB4005 1-400-829-11 BEAD, FERRITE (1005) (HC32: EXCEPT KR/HC33) FB4101 1-400-461-21 FERRITE, EMI (SMD) (1005) (HC32E/HC33E) FB4101 1-400-829-11 BEAD, FERRITE (1005) (HC32/HC33) FB4201 1-400-461-21 FERRITE, EMI (SMD) (1005) (HC32E/HC33E) FB4201 1-400-829-11 BEAD, FERRITE (1005) (HC32/HC33) FB4401 1-400-461-21 FERRITE, EMI (SMD) (1005) (HC32E/HC33E) FB4401 1-400-829-11 BEAD, FERRITE (1005) (HC32/HC33) FB4402 1-414-760-21 BEAD, FERRITE (CHIP) (1608) FB4403 1-414-760-21 BEAD, FERRITE (CHIP) (1608) FB5101 1-500-284-21 INDUCTOR, FERRITE BEAD FB5102 1-400-461-21 FERRITE, EMI (SMD) (1005) (HC32E/HC33E) FB5102 1-400-829-11 BEAD, FERRITE (1005) (HC32/HC33) FB5103 1-400-461-21 FERRITE, EMI (SMD) (1005) (HC32E/HC33E) FB5103 1-400-829-11 BEAD, FERRITE (1005) (HC32/HC33) FB5104 1-400-461-21 FERRITE, EMI (SMD) (1005) (HC32E/HC33E) FB5104 1-400-829-11 BEAD, FERRITE (1005) (HC32/HC33) FB5105 1-400-461-21 FERRITE, EMI (SMD) (1005) (HC32E/HC33E) FB5105 1-400-829-11 BEAD, FERRITE (1005) (HC32/HC33) FB5106 1-400-461-21 FERRITE, EMI (SMD) (1005) (HC32E/HC33E) FB5106 1-400-829-11 BEAD, FERRITE (1005) (HC32/HC33) FB5201 1-400-461-21 FERRITE, EMI (SMD) (1005) (HC32E/HC33E) FB5201 1-400-829-11 BEAD, FERRITE (1005) (HC32/HC33) FB5203 1-400-461-21 FERRITE, EMI (SMD) (1005) (HC32E/HC33E) FB5203 1-400-829-11 BEAD, FERRITE (1005) (HC32/HC33) FB5301 1-400-461-21 FERRITE, EMI (SMD) (1005) (HC32E/HC33E) FB5301 1-400-829-11 BEAD, FERRITE (1005) (HC32/HC33) FB6001 1-400-461-21 FERRITE, EMI (SMD) (1005) (HC32E/HC33E) FB6001 1-400-829-11 BEAD, FERRITE (1005) (HC32/HC33) FB7001 1-400-461-21 FERRITE, EMI (SMD) (1005) (HC32E/HC33E) FB7001 1-400-829-11 BEAD, FERRITE (1005) (HC32/HC33) < IC > IC1001 6-706-965-01 IC TK70529SCL-G IC2301 6-707-649-01 IC MB44A125ALGL-G-ERE1 IC2302 8-759-075-66 IC TA75S01F IC3101 8-752-417-70 IC CXD2444AR-T4 IC3102 6-705-651-01 IC VSP995PTR IC3705 8-759-681-42 IC NJM12902V (TE2) IC3706 8-759-681-42 IC NJM12902V (TE2) IC3707 6-706-005-01 IC BD6756GLV-E2 IC4001 6-705-687-01 IC TINIAN-RU (HC32: KR/HC32E/HC33E) IC4001 6-707-507-01 IC 32R5659 (HC32: EXCEPT KR/HC33) IC4002 6-703-830-01 IC GM72V161621ET-10KDR IC4101 6-707-247-01 IC SN0306037ZVWR IC4201 6-704-695-01 IC uPD15002AFC-DN2-E2-A IC4301 6-707-432-01 IC TLS26A102PFBR IC4401 6-707-435-01 IC AN12921A-VB IC4402 6-707-570-01 IC AK4554VT-E2 IC5001 6-805-372-01 IC MB89097LGA-G-191-ER IC5101 6-702-356-01 IC AK6512CL-L IC5102 8-753-235-21 IC CXD3175BGG-T6 IC5103 6-702-708-01 IC TC7SZU04AFE (TE85R) (HC32: KR/HC32E/HC33E) IC5201 6-707-634-01 IC W9816G6CB-7-ER20 IC5202 (Not supplied) IC S99-50031-30-ER IC5301 6-805-238-01 IC MB91195LGL-G-125-ERE1 IC5302 6-705-122-01 IC BR25C320FV-WE2 IC6001 6-707-428-01 IC BD6639AGLV-E2 IC7001 8-753-220-77 IC CXM3007AR-T4 IC7003 8-759-693-13 IC NJM12904V (TE2) < COIL > L2301 1-456-138-11 INDUCTOR 33uH L2302 1-456-138-11 INDUCTOR 33uH L2303 1-400-588-11 INDUCTOR, LAMINATE CHIP 10uH L2304 1-456-138-11 INDUCTOR 33uH L2305 1-456-137-11 INDUCTOR 22uH L2306 1-456-137-11 INDUCTOR 22uH L2307 1-456-137-11 INDUCTOR 22uH L2308 1-456-137-11 INDUCTOR 22uH L2309 1-469-524-91 INDUCTOR 4.7uH L2310 1-469-524-91 INDUCTOR 4.7uH Ref. No. Part No. Description Ref. No. Part No. Description 5-25 DCR-HC17E/HC19E/HC21/HC21E/HC22E/HC32/HC32E/HC33/HC33E VC-377 L2312 1-469-524-91 INDUCTOR 4.7uH L2313 1-469-524-91 INDUCTOR 4.7uH L2314 1-412-056-11 INDUCTOR 4.7uH L2315 1-469-524-91 INDUCTOR 4.7uH L2316 1-469-526-91 INDUCTOR 22uH L2317 1-469-524-91 INDUCTOR 4.7uH L2318 1-469-524-91 INDUCTOR 4.7uH L2319 1-469-524-91 INDUCTOR 4.7uH L2320 1-469-524-91 INDUCTOR 4.7uH L2321 1-469-524-91 INDUCTOR 4.7uH L3101 1-400-588-11 INDUCTOR, LAMINATE CHIP 10uH L3701 1-400-588-11 INDUCTOR, LAMINATE CHIP 10uH L3702 1-469-525-91 INDUCTOR 10uH L4001 1-400-353-21 INDUCTOR 22uH L4002 1-400-588-11 INDUCTOR, LAMINATE CHIP 10uH L4003 1-400-588-11 INDUCTOR, LAMINATE CHIP 10uH L4101 1-400-588-11 INDUCTOR, LAMINATE CHIP 10uH L4202 1-400-588-11 INDUCTOR, LAMINATE CHIP 10uH L4205 1-400-588-11 INDUCTOR, LAMINATE CHIP 10uH L4207 1-400-588-11 INDUCTOR, LAMINATE CHIP 10uH L4301 1-400-588-11 INDUCTOR, LAMINATE CHIP 10uH L4302 1-400-588-11 INDUCTOR, LAMINATE CHIP 10uH L4401 1-400-588-11 INDUCTOR, LAMINATE CHIP 10uH L4402 1-400-588-11 INDUCTOR, LAMINATE CHIP 10uH L4403 1-400-137-11 INDUCTOR 10uH L4404 1-400-588-11 INDUCTOR, LAMINATE CHIP 10uH L4405 1-400-588-11 INDUCTOR, LAMINATE CHIP 10uH L4406 1-400-588-11 INDUCTOR, LAMINATE CHIP 10uH L6001 1-400-202-21 INDUCTOR 4.7uH L7001 1-400-588-11 INDUCTOR, LAMINATE CHIP 10uH L7002 1-400-588-11 INDUCTOR, LAMINATE CHIP 10uH L7003 1-400-588-11 INDUCTOR, LAMINATE CHIP 10uH < LINE FILTER > LF2001 1-456-681-21 COIL, CHOKE LF4101 1-400-633-21 COMMON MODE CHOKE COIL LF4102 1-400-633-21 COMMON MODE CHOKE COIL < TRANSISTOR > Q1001 6-550-102-01 TRANSISTOR 2SC5663T2L Q2001 6-550-237-01 TRANSISTOR 2SC5658T2LQ/R Q2002 8-729-056-54 TRANSISTOR TPCS8302 (TE12L) Q2003 8-729-101-07 TRANSISTOR 2SB798-DL Q2004 6-550-094-01 TRANSISTOR EMH2-T2R Q2005 6-550-809-01 TRANSISTOR EMB2T2R Q2301 6-550-675-01 TRANSISTOR SSM6K30FE (TPLR3) Q2302 6-550-675-01 TRANSISTOR SSM6K30FE (TPLR3) Q2303 6-550-813-01 TRANSISTOR SCH2806-TL-E Q2304 6-550-813-01 TRANSISTOR SCH2806-TL-E Q2305 6-550-814-01 TRANSISTOR SCH2807-TL-E Q2306 6-550-814-01 TRANSISTOR SCH2807-TL-E Q2307 6-550-533-01 TRANSISTOR MCH5819-TL-E Q2308 6-550-713-01 TRANSISTOR SCH2816-TL-E Q2309 6-550-713-01 TRANSISTOR SCH2816-TL-E Q2310 6-550-232-01 TRANSISTOR 2SA2029T2LQ/R Q2311 6-550-232-01 TRANSISTOR 2SA2029T2LQ/R Q2312 6-550-237-01 TRANSISTOR 2SC5658T2LQ/R Q2313 8-729-056-01 TRANSISTOR MCH3405-TL-E Q2314 8-729-053-52 TRANSISTOR HN1C01FE-Y/GR (TPLR3) Q2315 6-550-237-01 TRANSISTOR 2SC5658T2LQ/R Q2316 8-729-053-54 TRANSISTOR HN1A01FE-Y/GR (TPLR3) Q2320 8-729-216-22 TRANSISTOR 2SA1162-G Q2321 8-729-053-52 TRANSISTOR HN1C01FE-Y/GR (TPLR3) Q3101 6-550-240-01 TRANSISTOR DTA114TMT2L Q3701 8-729-052-66 TRANSISTOR 2SC4617HT2L Q3702 8-729-054-51 TRANSISTOR UP04116008S0 Q3703 8-729-052-66 TRANSISTOR 2SC4617HT2L Q4001 6-550-119-01 TRANSISTOR DTC144EMT2L Q4002 6-550-383-01 TRANSISTOR HN4A71FK (TE85R) Q4005 6-550-239-01 TRANSISTOR DTA144EMT2L Q4401 8-729-921-51 TRANSISTOR 2SD1834-T100 Q4402 8-729-054-48 TRANSISTOR UP04601008S0 Q5001 6-550-119-01 TRANSISTOR DTC144EMT2L Q5002 8-729-041-43 TRANSISTOR HN1L02FU (TE85R) Q5101 6-550-119-01 TRANSISTOR DTC144EMT2L Q5103 6-550-119-01 TRANSISTOR DTC144EMT2L Q5104 6-550-237-01 TRANSISTOR 2SC5658T2LQ/R Q5105 6-550-174-01 TRANSISTOR 2SA2030T2L Q5106 8-729-053-54 TRANSISTOR HN1A01FE-Y/GR (TPLR3) Q5107 6-550-239-01 TRANSISTOR DTA144EMT2L Q5108 6-550-282-01 TRANSISTOR UNR31A600LS0 Q6002 6-550-174-01 TRANSISTOR 2SA2030T2L Q6003 6-550-237-01 TRANSISTOR 2SC5658T2LQ/R Q7003 8-729-054-48 TRANSISTOR UP04601008S0 < RESISTOR > R1004 1-218-943-11 RES-CHIP 150 5% 1/16W R1010 1-218-953-11 RES-CHIP 1K 5% 1/16W R1011 1-216-817-11 METAL CHIP 470 5% 1/10W R1013 1-216-801-11 METAL CHIP 22 5% 1/10W R1015 1-218-959-11 RES-CHIP 3.3K 5% 1/16W R1016 1-216-801-11 METAL CHIP 22 5% 1/10W R1018 1-218-953-11 RES-CHIP 1K 5% 1/16W R1019 1-218-965-11 RES-CHIP 10K 5% 1/16W R1020 1-218-965-11 RES-CHIP 10K 5% 1/16W R2001 1-218-953-11 RES-CHIP 1K 5% 1/16W R2002 1-218-977-11 RES-CHIP 100K 5% 1/16W R2003 1-218-989-11 RES-CHIP 1M 5% 1/16W R2004 1-216-797-11 METAL CHIP 10 5% 1/10W R2005 1-218-954-11 RES-CHIP 1.2K 5% 1/16W R2006 1-218-963-11 RES-CHIP 6.8K 5% 1/16W R2302 1-218-961-11 RES-CHIP 4.7K 5% 1/16W R2303 1-218-941-81 RES-CHIP 100 5% 1/16W R2304 1-220-182-11 RES-CHIP 910 5% 1/16W R2305 1-208-929-11 METAL CHIP 56K 0.5% 1/16W R2306 1-218-971-11 RES-CHIP 33K 5% 1/16W R2307 1-218-975-11 RES-CHIP 68K 5% 1/16W R2308 1-218-963-11 RES-CHIP 6.8K 5% 1/16W R2309 1-218-958-11 RES-CHIP 2.7K 5% 1/16W R2310 1-218-953-11 RES-CHIP 1K 5% 1/16W R2311 1-218-974-11 RES-CHIP 56K 5% 1/16W R2319 1-216-789-11 METAL CHIP 2.2 5% 1/10W R2330 1-218-966-11 RES-CHIP 12K 5% 1/16W R2331 1-218-977-11 RES-CHIP 100K 5% 1/16W R2332 1-218-962-11 RES-CHIP 5.6K 5% 1/16W Ref. No. Part No. Description Ref. No. Part No. Description 5-26 DCR-HC17E/HC19E/HC21/HC21E/HC22E/HC32/HC32E/HC33/HC33E VC-377 R2335 1-218-957-11 RES-CHIP 2.2K 5% 1/16W R2338 1-218-977-11 RES-CHIP 100K 5% 1/16W R2339 1-218-970-11 RES-CHIP 27K 5% 1/16W R2340 1-208-935-11 METAL CHIP 100K 0.5% 1/16W R2341 1-218-969-11 RES-CHIP 22K 5% 1/16W R2342 1-208-935-11 METAL CHIP 100K 0.5% 1/16W R2343 1-208-910-11 METAL CHIP 9.1K 0.5% 1/16W R2344 1-208-943-11 METAL CHIP 220K 0.5% 1/16W R2347 1-218-965-11 RES-CHIP 10K 5% 1/16W R2348 1-208-711-11 METAL CHIP 15K 0.5% 1/16W R2350 1-208-911-11 METAL CHIP 10K 0.5% 1/16W R2351 1-218-977-11 RES-CHIP 100K 5% 1/16W R2352 1-218-951-11 RES-CHIP 680 5% 1/16W R2354 1-208-911-11 METAL CHIP 10K 0.5% 1/16W R2355 1-208-711-11 METAL CHIP 15K 0.5% 1/16W R3101 1-218-977-11 RES-CHIP 100K 5% 1/16W R3107 1-218-977-11 RES-CHIP 100K 5% 1/16W R3108 1-218-937-11 RES-CHIP 47 5% 1/16W R3110 1-218-965-11 RES-CHIP 10K 5% 1/16W R3112 1-218-985-11 RES-CHIP 470K 5% 1/16W R3750 1-216-001-00 RES-CHIP 10 5% 1/10W R3751 1-218-941-81 RES-CHIP 100 5% 1/16W R3752 1-218-977-11 RES-CHIP 100K 5% 1/16W R3753 1-218-977-11 RES-CHIP 100K 5% 1/16W R3754 1-218-965-11 RES-CHIP 10K 5% 1/16W R3755 1-208-715-11 METAL CHIP 22K 0.5% 1/16W R3756 1-218-973-11 RES-CHIP 47K 5% 1/16W R3757 1-218-961-11 RES-CHIP 4.7K 5% 1/16W R3758 1-218-977-11 RES-CHIP 100K 5% 1/16W R3759 1-218-985-11 RES-CHIP 470K 5% 1/16W R3760 1-208-911-11 METAL CHIP 10K 0.5% 1/16W R3762 1-218-968-11 RES-CHIP 18K 5% 1/16W R3763 1-218-969-11 RES-CHIP 22K 5% 1/16W R3764 1-218-980-11 RES-CHIP 180K 5% 1/16W R3765 1-218-947-11 RES-CHIP 330 5% 1/16W R3766 1-218-972-11 RES-CHIP 39K 5% 1/16W R3767 1-218-980-11 RES-CHIP 180K 5% 1/16W R3768 1-218-969-11 RES-CHIP 22K 5% 1/16W R3770 1-218-953-11 RES-CHIP 1K 5% 1/16W R3771 1-218-962-11 RES-CHIP 5.6K 5% 1/16W R3772 1-218-980-11 RES-CHIP 180K 5% 1/16W R3773 1-218-980-11 RES-CHIP 180K 5% 1/16W R3775 1-218-980-11 RES-CHIP 180K 5% 1/16W R3776 1-218-965-11 RES-CHIP 10K 5% 1/16W R3777 1-218-965-11 RES-CHIP 10K 5% 1/16W R4003 1-218-969-11 RES-CHIP 22K 5% 1/16W R4005 1-218-945-11 RES-CHIP 220 5% 1/16W (HC32: EXCEPT KR/HC33) R4005 1-208-661-11 METAL CHIP 120 0.5% 1/16W (HC32: KR/HC32E/HC33E) R4006 1-218-945-11 RES-CHIP 220 5% 1/16W (HC32: EXCEPT KR/HC33) R4006 1-208-661-11 METAL CHIP 120 0.5% 1/16W (HC32: KR/HC32E/HC33E) R4007 1-208-905-11 METAL CHIP 5.6K 0.5% 1/16W (HC32: EXCEPT KR/HC33) R4007 1-208-695-11 METAL CHIP 3.3K 0.5% 1/16W (HC32: KR/HC32E/HC33E) R4008 1-218-945-11 RES-CHIP 220 5% 1/16W (HC32: EXCEPT KR/HC33) R4008 1-208-661-11 METAL CHIP 120 0.5% 1/16W (HC32: KR/HC32E/HC33E) R4009 1-218-945-11 RES-CHIP 220 5% 1/16W (HC32: EXCEPT KR/HC33) R4009 1-208-873-81 METAL CHIP 270 0.5% 1/16W (HC32: KR/HC32E/HC33E) R4011 1-208-905-11 METAL CHIP 5.6K 0.5% 1/16W (HC32: EXCEPT KR/HC33) R4011 1-208-709-11 METAL CHIP 12K 0.5% 1/16W (HC32: KR/HC32E/HC33E) R4013 1-218-944-11 RES-CHIP 180 5% 1/16W R4014 1-218-962-11 RES-CHIP 5.6K 5% 1/16W R4015 1-218-960-11 RES-CHIP 3.9K 5% 1/16W (HC32: KR/HC32E/HC33E) R4015 1-218-969-11 RES-CHIP 22K 5% 1/16W (HC32: EXCEPT KR/HC33) R4018 1-218-944-11 RES-CHIP 180 5% 1/16W (HC32: KR/HC32E/HC33E) R4018 1-218-952-11 RES-CHIP 820 5% 1/16W (HC32: EXCEPT KR/HC33) R4024 1-218-953-11 RES-CHIP 1K 5% 1/16W R4025 1-218-973-11 RES-CHIP 47K 5% 1/16W R4028 1-218-955-11 RES-CHIP 1.5K 5% 1/16W R4036 1-218-941-81 RES-CHIP 100 5% 1/16W (HC32: EXCEPT KR/HC33) R4102 1-208-702-11 METAL CHIP 6.2K 0.5% 1/16W R4103 1-208-866-11 METAL CHIP 130 0.5% 1/16W R4104 1-218-864-11 METAL CHIP 5.1K 0.5% 1/10W R4202 1-218-953-11 RES-CHIP 1K 5% 1/16W R4207 1-216-864-11 SHORT CHIP 0 R4301 1-218-965-11 RES-CHIP 10K 5% 1/16W R4302 1-218-969-11 RES-CHIP 22K 5% 1/16W R4305 1-218-965-11 RES-CHIP 10K 5% 1/16W R4306 1-218-963-11 RES-CHIP 6.8K 5% 1/16W R4307 1-208-715-11 METAL CHIP 22K 0.5% 1/16W R4308 1-208-911-11 METAL CHIP 10K 0.5% 1/16W R4309 1-208-911-11 METAL CHIP 10K 0.5% 1/16W R4310 1-208-715-11 METAL CHIP 22K 0.5% 1/16W R4311 1-208-869-11 METAL CHIP 180 0.5% 1/16W R4312 1-208-869-11 METAL CHIP 180 0.5% 1/16W R4313 1-208-869-11 METAL CHIP 180 0.5% 1/16W R4314 1-208-869-11 METAL CHIP 180 0.5% 1/16W R4401 1-218-977-11 RES-CHIP 100K 5% 1/16W R4402 1-218-961-11 RES-CHIP 4.7K 5% 1/16W R4403 1-218-973-11 RES-CHIP 47K 5% 1/16W R4404 1-218-965-11 RES-CHIP 10K 5% 1/16W R4407 1-218-945-11 RES-CHIP 220 5% 1/16W R4409 1-218-965-11 RES-CHIP 10K 5% 1/16W (HC32/HC33) R4420 1-218-977-11 RES-CHIP 100K 5% 1/16W R4430 1-218-949-11 RES-CHIP 470 5% 1/16W R4431 1-218-965-11 RES-CHIP 10K 5% 1/16W R4432 1-218-965-11 RES-CHIP 10K 5% 1/16W R4434 1-218-949-11 RES-CHIP 470 5% 1/16W R5001 1-218-953-11 RES-CHIP 1K 5% 1/16W R5002 1-218-953-11 RES-CHIP 1K 5% 1/16W R5003 1-208-935-11 METAL CHIP 100K 0.5% 1/16W R5004 1-208-927-11 METAL CHIP 47K 0.5% 1/16W Ref. No. Part No. Description Ref. No. Part No. Description 5-27 DCR-HC17E/HC19E/HC21/HC21E/HC22E/HC32/HC32E/HC33/HC33E VC-377 R5005 1-218-989-11 RES-CHIP 1M 5% 1/16W R5006 1-218-985-11 RES-CHIP 470K 5% 1/16W R5008 1-218-973-11 RES-CHIP 47K 5% 1/16W R5011 1-218-953-11 RES-CHIP 1K 5% 1/16W R5013 1-218-953-11 RES-CHIP 1K 5% 1/16W R5014 1-218-961-11 RES-CHIP 4.7K 5% 1/16W R5015 1-219-570-11 METAL CHIP 10M 5% 1/10W R5016 1-218-990-11 SHORT CHIP 0 R5017 1-218-953-11 RES-CHIP 1K 5% 1/16W R5018 1-218-989-11 RES-CHIP 1M 5% 1/16W R5019 1-218-989-11 RES-CHIP 1M 5% 1/16W R5020 1-218-949-11 RES-CHIP 470 5% 1/16W R5022 1-218-953-11 RES-CHIP 1K 5% 1/16W R5101 1-218-977-11 RES-CHIP 100K 5% 1/16W R5104 1-218-990-11 SHORT CHIP 0 R5105 1-218-990-11 SHORT CHIP 0 (HC32: KR/HC32E/HC33E) R5106 1-220-880-81 METAL CHIP 27 0.5% 1/16W R5107 1-218-989-11 RES-CHIP 1M 5% 1/16W (HC32: KR/HC32E/HC33E) R5109 1-220-880-81 METAL CHIP 27 0.5% 1/16W R5110 1-218-990-11 SHORT CHIP 0 (HC32: KR/HC32E/HC33E) R5114 1-218-990-11 SHORT CHIP 0 R5115 1-218-941-81 RES-CHIP 100 5% 1/16W (HC32: KR/HC32E/HC33E) R5115 1-218-990-11 SHORT CHIP 0 (HC32: EXCEPT KR/HC33) R5116 1-218-985-11 RES-CHIP 470K 5% 1/16W R5117 1-218-977-11 RES-CHIP 100K 5% 1/16W R5121 1-218-985-11 RES-CHIP 470K 5% 1/16W R5124 1-218-941-81 RES-CHIP 100 5% 1/16W R5125 1-218-977-11 RES-CHIP 100K 5% 1/16W R5126 1-218-955-11 RES-CHIP 1.5K 5% 1/16W R5128 1-218-940-11 RES-CHIP 82 5% 1/16W R5132 1-218-953-11 RES-CHIP 1K 5% 1/16W R5135 1-218-973-11 RES-CHIP 47K 5% 1/16W R5139 1-218-957-11 RES-CHIP 2.2K 5% 1/16W R5140 1-218-961-11 RES-CHIP 4.7K 5% 1/16W R5141 1-216-791-11 METAL CHIP 3.3 5% 1/10W R5142 1-218-955-11 RES-CHIP 1.5K 5% 1/16W R5143 1-218-962-11 RES-CHIP 5.6K 5% 1/16W R5144 1-218-959-11 RES-CHIP 3.3K 5% 1/16W R5145 1-218-977-11 RES-CHIP 100K 5% 1/16W R5146 1-218-959-11 RES-CHIP 3.3K 5% 1/16W R5147 1-218-989-11 RES-CHIP 1M 5% 1/16W R5148 1-218-959-11 RES-CHIP 3.3K 5% 1/16W R5201 1-218-990-11 SHORT CHIP 0 R5301 1-218-941-81 RES-CHIP 100 5% 1/16W R5302 1-218-965-11 RES-CHIP 10K 5% 1/16W R5303 1-218-965-11 RES-CHIP 10K 5% 1/16W R5304 1-218-977-11 RES-CHIP 100K 5% 1/16W R5306 1-218-990-11 SHORT CHIP 0 R5307 1-218-990-11 SHORT CHIP 0 (HC32/HC33) R5308 1-218-990-11 SHORT CHIP 0 (HC32E/HC33E) R5313 1-218-985-11 RES-CHIP 470K 5% 1/16W R5314 1-218-953-11 RES-CHIP 1K 5% 1/16W R5315 1-218-981-11 RES-CHIP 220K 5% 1/16W R5316 1-218-975-11 RES-CHIP 68K 5% 1/16W R5317 1-218-977-11 RES-CHIP 100K 5% 1/16W R5318 1-218-977-11 RES-CHIP 100K 5% 1/16W R5323 1-218-953-11 RES-CHIP 1K 5% 1/16W R5325 1-218-977-11 RES-CHIP 100K 5% 1/16W R6001 1-218-935-11 RES-CHIP 33 5% 1/16W R6002 1-218-935-11 RES-CHIP 33 5% 1/16W R6003 1-218-953-11 RES-CHIP 1K 5% 1/16W R6008 1-218-953-11 RES-CHIP 1K 5% 1/16W R6009 1-216-789-11 METAL CHIP 2.2 5% 1/10W R6010 1-218-973-11 RES-CHIP 47K 5% 1/16W R6011 1-216-789-11 METAL CHIP 2.2 5% 1/10W R6012 1-216-789-11 METAL CHIP 2.2 5% 1/10W R6020 1-218-946-11 RES-CHIP 270 5% 1/16W R6021 1-218-967-11 RES-CHIP 15K 5% 1/16W R6023 1-218-957-11 RES-CHIP 2.2K 5% 1/16W R6024 1-218-965-11 RES-CHIP 10K 5% 1/16W R6025 1-218-961-11 RES-CHIP 4.7K 5% 1/16W R6026 1-218-969-11 RES-CHIP 22K 5% 1/16W R6027 1-218-977-11 RES-CHIP 100K 5% 1/16W R7001 1-218-975-11 RES-CHIP 68K 5% 1/16W R7002 1-218-949-11 RES-CHIP 470 5% 1/16W R7006 1-208-934-11 METAL CHIP 91K 0.5% 1/16W R7007 1-208-911-11 METAL CHIP 10K 0.5% 1/16W R7012 1-218-965-11 RES-CHIP 10K 5% 1/16W R7019 1-208-941-11 METAL CHIP 180K 0.5% 1/16W R7020 1-208-923-11 METAL CHIP 33K 0.5% 1/16W R7023 1-218-956-11 RES-CHIP 1.8K 5% 1/16W R7024 1-211-983-11 METAL CHIP 39 0.5% 1/10W < COMPOSITION CIRCUIT BLOCK > RB1001 1-234-375-21 RES, NETWORK 1K (1005X4) RB3701 1-234-380-21 RES, NETWORK 47K (1005X4) RB3702 1-234-400-21 CONDUCTOR, NETWORK (2010X4) RB3703 1-234-400-21 CONDUCTOR, NETWORK (2010X4) RB4001 1-234-400-21 CONDUCTOR, NETWORK (2010X4) (HC32: EXCEPT KR/HC33) RB4001 1-234-714-11 RES, NETWORK 56 (1005X4) (HC32: KR/HC32E/HC33E) RB4002 1-234-377-21 RES, NETWORK 4.7K (1005X4) RB4101 1-234-714-11 RES, NETWORK 56 (1005X4) RB4401 1-242-963-21 RES, NETWORK 33 (1005X4) RB4402 1-242-963-21 RES, NETWORK 33 (1005X4) RB4403 1-234-375-21 RES, NETWORK 1K (1005X4) RB4404 1-234-378-21 RES, NETWORK 10K (1005X4) RB4405 1-234-380-21 RES, NETWORK 47K (1005X4) RB4406 1-234-376-21 RES, NETWORK 2.2K (1005X4) RB5001 1-234-375-21 RES, NETWORK 1K (1005X4) RB5002 1-234-381-21 RES, NETWORK 100K (1005X4) RB5003 1-234-381-21 RES, NETWORK 100K (1005X4) RB5004 1-234-381-21 RES, NETWORK 100K (1005X4) RB5102 1-234-381-21 RES, NETWORK 100K (1005X4) RB5104 1-234-375-21 RES, NETWORK 1K (1005X4) RB5105 1-234-375-21 RES, NETWORK 1K (1005X4) RB5107 1-234-375-21 RES, NETWORK 1K (1005X4) RB5108 1-234-375-21 RES, NETWORK 1K (1005X4) RB5109 1-234-378-21 RES, NETWORK 10K (1005X4) RB5303 1-234-381-21 RES, NETWORK 100K (1005X4) RB5304 1-234-381-21 RES, NETWORK 100K (1005X4) RB5305 1-234-384-11 RES, NETWORK 1M (1005X4) Ref. No. Part No. Description Ref. No. Part No. Description 5-28 DCR-HC17E/HC19E/HC21/HC21E/HC22E/HC32/HC32E/HC33/HC33E RB5306 1-234-377-21 RES, NETWORK 4.7K (1005X4) RB5307 1-234-378-21 RES, NETWORK 10K (1005X4) RB6001 1-234-378-21 RES, NETWORK 10K (1005X4) RB7001 1-234-369-21 RES, NETWORK 10 (1005X4) < VIBRATOR > X3101 1-767-400-11 VIBRATOR, CRYSTAL (36 MHz) X5001 1-760-458-21 VIBRATOR, CRYSTAL (32.768 kHz) X5002 1-795-244-11 VIBRATOR, CERAMIC (10 MHz) X5101 1-781-620-21 VIBRATOR, CERAMIC (48 MHz) (HC32: KR/HC32E/HC33E) X5301 1-760-655-41 VIBRATOR, CRYSTAL (20 MHz) VC-377 [Description of main button functions on toolbar of the Adobe Acrobat Reader Ver5.0 (for Windows)] Printing a text 1. Click the Print button . 2. Specify a printer, print range, number of copies, and other op- tions, and then click [OK]. Application of printing: To set a range to be printed within a page, select the graphic selection tool and drag on the page to enclose a range to be printed, and then click the Print button. Finding a text 1. Click the Find button . 2. Enter a character string to be found into a text box, and click the [Find]. (Specify the find options as necessary) Application to the Service Manual: To execute “find” from current page toward the previous pages, select the check box “Find Backward” and then click the “Find”. 3. Open the find dialog box again, and click the [Find Again] and you can find the matched character strings displayed next. (Character strings entered previously are displayed as they are in the text box.) Application to the Service Manual: The parts on the drawing pages (block diagrams, circuit dia- grams, printed circuit boards) and parts list pages in a text can be found using this find function. For example, find a Ref. No. of IC on the block diagram, and click the [Find Again] continuously, so that you can move to the Ref. No. of IC on the circuit diagram or printed circuit board diagram succes- sively. Note: The find function may not be applied to the Service Manual depending on the date of issue. Switching a page • To move to the first page, click the . • To move to the last page, click the . • To move to the previous page, click the . • To move to the next page, click the . Reversing the screens displayed once • To reverse the previous screens (operation) one by one, click the . • To advance the reversed screens (operation) one by one, click the . Application to the Service Manual: This function allows you to go and back between circuit dia- gram and printed circuit board diagram, and accordingly it will be convenient for the voltage check. Moving with link 1. Select either palm tool , zoom tool , text selection tool , or graphic selection tool . 2. Place the pointer in the position in a text where the link exists (such as a button on cover and the table of contents page, or blue characters on the removal flowchart page or drawing page), and the pointer will change to the forefinger form . 3. Then, click the link. (You will go to the link destination.) Moving with bookmark: Click an item (text) on the bookmark pallet, and you can move to the link destination. Also, clicking can display the hidden items. (To go back to original state, click ) Zooming or rotating the screen display “Zoom in/out” • Click the triangle button in the zoom control box to select the display magnification. Or, you may click or for zoom- ing in or out. “Rotate” • Click rotate tool , and the page then rotates 90 degrees each. Application to the Service Manual: The printed circuit board diagram you see now can be changed to the same direction as the set. Toolbar Revision History 987678211.pdf Reverse Ver. 1.0 Date 2005.01 History Official Release Contents — S.M. Rev. issued — DCR-HC17E/HC19E/HC21/HC21E/HC22E/HC32/HC32E/HC33/HC33E

标签:

版权声明

1. 本站所有素材,仅限学习交流,仅展示部分内容,如需查看完整内容,请下载原文件。
2. 会员在本站下载的所有素材,只拥有使用权,著作权归原作者所有。
3. 所有素材,未经合法授权,请勿用于商业用途,会员不得以任何形式发布、传播、复制、转售该素材,否则一律封号处理。
4. 如果素材损害你的权益请联系客服QQ:77594475 处理。