松下DVD-LX97视盘机电路原理图

分类:电子电工 日期: 点击:0
松下DVD-LX97视盘机电路原理图-0 松下DVD-LX97视盘机电路原理图-1 松下DVD-LX97视盘机电路原理图-2 松下DVD-LX97视盘机电路原理图-3 松下DVD-LX97视盘机电路原理图-4 松下DVD-LX97视盘机电路原理图-5 松下DVD-LX97视盘机电路原理图-6 松下DVD-LX97视盘机电路原理图-7

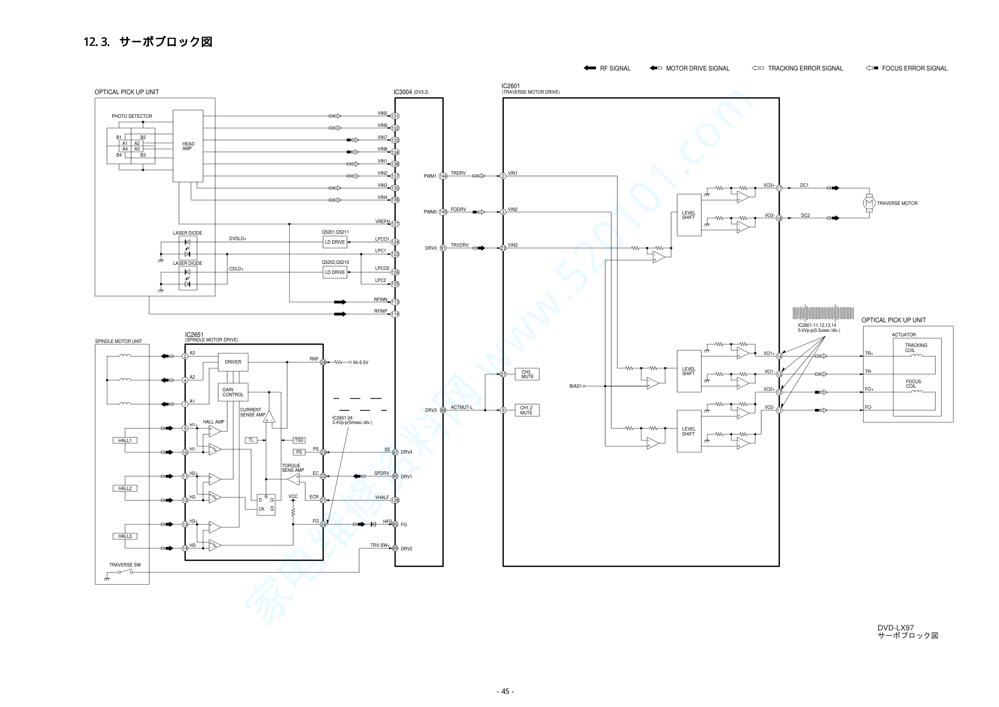
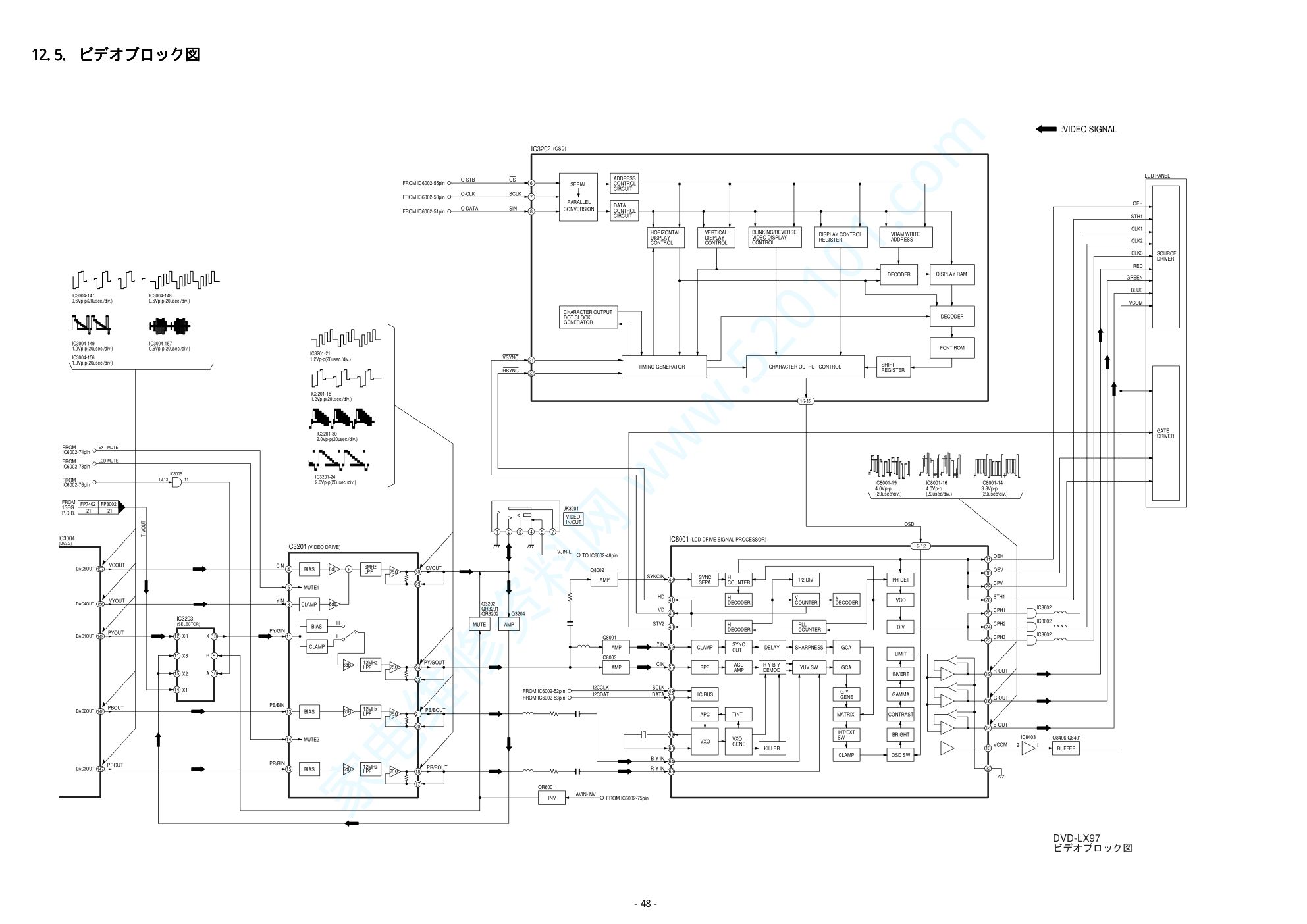
12 12 12 12 ブロッ ブロッ ブロッ ブロック ク ク ク図 図 図 図 注 注 注 注意: 意: 意: 意: ���� ·����測定に使用される DC 電子電圧計(テスターなど)の内部インピーダンスや測定セットによっても電圧値、波形に多少の誤差を生ずる場合があります。従いまして値はあくまでも参考値であり、修理時の目安としてご活用ください。 12. 1. 12. 1. 12. 1. 12. 1. 総合ブロッ 総合ブロッ 総合ブロッ 総合ブロック ク ク ク図 図 図 図 IC3001 ROM FLASH 32Mbit 8Kbit IC6002 IC2601 IC2651 MECHANISM UNIT TRAVERSE MAIN P.C.B. OPERATION P.C.B. 1SEG P.C.B. COIL TRACKING COIL FOCUS MPU OPERATION KEY CONTROL REMOTE LED SELECTOR DRIVE MOTOR TRAVERSE MOTOR TRAVERSE DRIVE MOTOR SPINDLE MOTOR SPINDLE UNIT PICK-UP OPT OUT SPEAKER IC4008 IC4004 SELECTOR IC3203 SELECTOR IC7403 SELECTOR IC7405 IC7402 AUDIO D/A CONVERTER SD AUDIO PROCESSOR 1SEG MODULE PROCESSOR IC7304 TUNER ANALOG ANT DIGITAL ANT TU3501 SD CARD IC7303 FM TRANSMITTER ANTENNA IC4901 HEADPHONE AUDIO IN/OUT LCD IC3009 VIDEO IN/OUT IC8001 IC3201 IC4003 DRIVE VIDEO SIGNAL PROCESSOR VIDEO CONVERTER D/A AUDIO AUDIO POWER AMP DC VOLUME CONTROL IC3004 SERVO CONTROLLER/ AV DECODER/ SYSTEM CONTROLLER DV3.2 OPTICAL DISC CONTROLLER/ SDRAM 128Mbit IC3002 EEP ROM DVD-LX97 -43- 家电维修资料网 www.520101.com 12. 2. 12. 2. 12. 2. 12. 2. 電源ブロッ 電源ブロッ 電源ブロッ 電源ブロック ク ク ク図 図 図 図 DVD-LX97 D6003 D6002 D6001 IC1001 (REG CONTROLLER) 3 8 32 PVCC1 PVCC2 VCC QR1411 4 OUT2 IC1411 (REG OPR+3.3V) 5 VIN 3 VOUT 1 ON/OFF 4 EXT REG Q1001 SW Q1201 SW Q1202,QR1202 OUT3 7 REG Q1002 REG Q1003 IC1004 D +1.2V DD +1.2V D1017 D1016 QR1007 QR1008 DD +3.3V D +3.3V M +5.5V 9 OUT4 A +5V D +5V IC1003 REG SWA +5V IC1251 REG FMT +5V OPR +3.3V 47 STB23 IC1101 REG REG POWER NG DET POWER NG DET IR6801 REMOCON IC6007 RESET 45 STB5 46 STB4 12 OUT5 5 8 7 6 T1101 4 3 2 1 LCD +5V LCD +17V LCD +7.5V LCD -13V PWR +9V Q1101 D1401 D1411 D1404 D1405 D1416 D1413 D1414 SWITCHING Q1412 VOLTAGE DET IC1412 SWITCHING QR1413 POWER CTL Q1401 POWER CTL Q1402 CTL IC1401 CTL QR1402 JK1401 JK1421 1 FP6201 4 FP6801 4 1 IP1401 IP1421 DC IN BAT+ JK1401 DC IN JK1421 BATTERY ADP ON IC6002 OPERATION P.C.B. (OPERATION MPU) 5 PA3 6 PA4 KEY2 KEY1 REMOIRQ FP6201 2 FP6801 2 31 P20 KEY3 7 PA5 FP6201 5 FP6801 5 FP6201 D6004 PWR-SW DVDON-H LCDON-H PON-H 6 FP6801 6 FP6201 1 FP6801 1 18 NRST 44 P42 S6004 R.SKIP S6003 F.SKIP S6002 30sec. SKIP S6001 FM-TM STAND-BY LED S6809 LEFT S6808 ENTER S6807 RIGHT S6817 AVSELECT S6810 MONITOR S6811 EQ MODE S6812 TV S6801 PLAY S6815 VOL(-) S6816 VOL(+) S6813 MENU S6814 UP S6818 TOPMENU S6804 RETURN S6005 OPEN/CLOSE S6805 DOWN S6803 STOP S6802 PAUSE S6806 DISPLAY 43 P41 12 OSC2 13 OSC1 X6001 80 P80 CHARGE LED 79 P81 FM-TM-LED 71 P76 59 P62 34 P23 65 P70 45 P43 PWRON-H FMTON-H PWRNG-L OPRON-H ADPON-L L 67 P72 68 P73 66 P71 10 VREF+ 11 VDD1 -44- 家电维修资料网 www.520101.com 12. 3. 12. 3. 12. 3. 12. 3. サーボブロ サーボブロ サーボブロ サーボブロック ック ック ック図 図 図 図 - + - + - + + - - + - + - + - + MUTE CH3 BIAS1 MUTE CH1,2 SHIFT LEVEL - + + - + - + - SHIFT LEVEL - + - + + - SHIFT LEVEL - + + - TRAVERSE MOTOR 0.4Vp-p(0.5usec./div.) IC2601-11,12,13,14 3.4Vp-p(5msec./div.) IC2651-24 M+5.5V RF SIGNAL MOTOR DRIVE SIGNAL TRACKING ERROR SIGNAL FOCUS ERROR SIGNAL VIN3 VIN2 VIN1 ACTMUT-L TRVDRV FODRV TRDRV VO2- VO2+ VO1- VO1+ VO3- VO3+ DC2 DC1 88 91 2 9 27 11 12 13 14 18 17 23 3 (TRAVERSE MOTOR DRIVE) IC2601 FO- FO+ TR- TR+ OPTICAL PICK UP UNIT ACTUATOR COIL FOCUS COIL TRACKING RFINN RFINP SS SPDRV DRV4 DRV1 FG DRV2 VHALF HFG TRV-SW+ LASER DIODE Q5202,Q5215 LD DRIVE VREFH LPCO1 LPC1 LPCO2 LPC2 VIN4 VIN3 VIN2 PWM1 PWM0 DRV0 DRV3 VIN1 VIN8 VIN7 VIN6 VIN5 OPTICAL PICK UP UNIT PHOTO DETECTOR B3 B4 B2 B1 A3 A2 A4 A1 LASER DIODE DVDLD+ CDLD+ AMP HEAD Q5201,Q5211 LD DRIVE 131 (DV3.2) IC3004 (SPINDLE MOTOR DRIVE) SPINDLE MOTOR UNIT IC2651 132 133 134 138 137 135 136 127 124 123 126 125 113 114 128 145 144 DVD-LX97 2 DRIVER A3 A2 A1 H1+ H1- H2+ H2- H3+ PS EC ECR FG H3- GAIN CONTROL HALL AMP TORQUE SENS AMP CURRENT SENSE AMP D R CK Q Q 4 7 9 HALL1 HALL2 HALL3 TRAVERSE SW 10 11 22 23 RNF 28 87 90 85 89 21 24 12 13 14 PS VCC TSD TL -45- 家电维修资料网 www.520101.com 12. 4. 12. 4. 12. 4. 12. 4. オーディオ オーディオ オーディオ オーディオブロック ブロック ブロック ブロック図 図 図 図 SPEAKER L SPEAKER R - - + + FP7402 18 FP3002 T-AOUTL T-AOUTR FROM 1SEG P.C.B. FROM 1SEG P.C.B. 18 FP7402 19 FP3002 19 FP3002 DTV-MUTE1 24 FP7402 24 JK4001 D4007 D4006 2 1 6 7 8 7 9 1 5 4 2 3 VOLUME BIAS R-IN L-IN HPSENSE DC VOL MUTE BIAS CONTROL D+3.3V QR4004 MUTE CTRL QR4009 (1/2) IC4005(1/2) HPSENSE-H DVD-TUNER POWERMUT HPMUT-L AJIN-L IC4005(1/2) MUTE QR4008 QR4017 QR4018 SWITCHING QR4009 (1/2) MUTE QR4011 MUTE QR4010 SWITCHING QR4016 D4003 Q4002 JACK-IN DET. MODE CONTROL POWER MANAGEMENT AUDIO IN/OUT 5.0Vp-p(5usec./div.) IC3004-169 4.0Vp-p(0.5msec./div.) IC4003-14,15 OPT OUT 28 26 R-OUT- L-OUT- R-OUT+ L-OUT+ 15 17 19 18 24 10 12 21 5 S-DOWN 2 7 25 5 15 16 80 64 14 + - + - + - + - + - + - LPF BUFFER QR6001 AVIN INV. QR4014 MUTE QR4015 D4004 IC6003 BUFFER D/A ZERR/ ZEROA MANAGER CLOCK SYSTEM MODULATOR CONTROLLER LPF VOUTR VOUTL D/A DATA BCK LRCK SCK PORT SERIAL AUDIO 8 7 6 (DV3.2) (AUDIO DAC) IC4003 B 9 A X0 X DVD-TUNER 10 12 X3 11 X2 15 Y3 4 Y2 2 Y0 1 13 Y1 5 X1 14 Y 3 (SELECTOR) IC4004 INA 2 OUTA 8 OUTB 5 O CNT 4 INB 3 (SW AMP) IC4006 B 9 A DTV-MUTE 10 Y1 5 Y 3 Y0 1 Y3 4 Y2 2 (SELECTOR) IC3203 (AUDIO POWER AMP/DC VOLUME CONTROL) IC4008 169 168 167 P67 P84 75 P85 26 P10 27 P11 47 P45 63 P66 LRCK 166 DACCK (DACSCK) 173 IECOUT P13 (AMUT) SRCK IC3004 (OPERATION MPU) IC6002 ADOUT3 (DMIX OUT) 4 1 2 IC6005 76 11 12,13 DVD-LX97 A B C -46- 家电维修资料网 www.520101.com QR4702(1/2) MUTE QR4005 BUFFER QR4702(1/2) MUTE QR4703(1/2) MUTE QR4703(1/2) MUTE JK4702 1 5 4 3 2 HEAD PHONE TO IC6002-46pin HPJOPEN-H JK4703 1 5 4 3 2 HEAD PHONE MPX PHASE QR4901 RFOUT RIN PLL LOOP FILTER DETECTOR 1/2 1/50 1/4 OSC 1/19 φ MUTE PROGRAM COUNTER SHIFT REGISTER FROM IC6002-57pin 24 20 19 18 17 15 14 1 5 12 10 7 LPF RF + - LPF + + - (FM TRANSMITTER) IC4901 FROM IC6002-50pin FROM IC6002-51pin FROM IC6002-58pin MUTE O-DATA5V O-CLK5V CE LIN ANT IC6006 11 12,13 IC6006 8 9,10 IC6006 3 2 1 FROM IC6002-59pin IC6006 6 4 5 :AUDIO SIGNAL BST AGC BOOST BST SW MT SW SW 13 18 MUTE SW 17 (HP AMP) BST1 PWB PWA INB INA OUTA OUTB AGC IN BST OUT BST2 IC4701 3 4 6 8 12 FROM IC6002-63pin FROM IC6002-62pin POWER-MUTE XBSON-H DVD-LX97 A B C -47- 家电维修资料网 www.520101.com 12. 5. 12. 5. 12. 5. 12. 5. ビデオブロ ビデオブロ ビデオブロ ビデオブロック ック ック ック図 図 図 図 2.0Vp-p(20usec./div.) IC3201-24 2.0Vp-p(20usec./div.) IC3201-30 1.2Vp-p(20usec./div.) IC3201-21 1.2Vp-p(20usec./div.) IC3201-18 DVD-LX97 0.6Vp-p(20usec./div.) IC3004-148 0.6Vp-p(20usec./div.) IC3004-147 0.6Vp-p(20usec./div.) IC3004-157 1.0Vp-p(20usec./div.) IC3004-149 1.0Vp-p(20usec./div.) IC3004-156 (DV3.2) 157 IC3004 DAC5OUT EXT-MUTE LCD-MUTE 156 DAC4OUT 149 DAC1OUT 148 DAC2OUT 147 DAC3OUT CVOUT PY/GOUT PB/BOUT PR/ROUT IC3202 (OSD) ADDRESS CONTROL CIRCUIT DATA CONTROL CIRCUIT HORIZONTAL DISPLAY CONTROL VERTICAL DISPLAY CONTROL DISPLAY RAM DECODER DECODER FONT ROM SHIFT REGISTER BLINKING/REVERSE VIDEO DISPLAY CONTROL DISPLAY CONTROL REGISTER VRAM WRITE ADDRESS TIMING GENERATOR CHARACTER OUTPUT CONTROL PARALLEL CONVERSION SERIAL CS SCLK VSYNC HSYNC SIN O-STB O-CLK O-DATA CHARACTER OUTPUT DOT CLOCK GENERATOR :VIDEO SIGNAL 6 21 22 16-19 7 8 AMP AMP AMP FROM IC6002-53pin FROM IC6002-52pin I2CDAT I2CCLK (LCD DRIVE SIGNAL PROCESSOR) IC8001 B-Y IN R-Y IN DATA SCLK CIN YIN STV2 HD VD SYNCIN VCOM B-OUT G-OUT R-OUT CPH3 CPH2 CPH1 IC8602 IC8602 IC8602 STH1 CPV OEV OEH 9-12 IIC BUS 50 49 43 41 40 48 64 63 13 14 22 16 19 26 29 30 31 23 24 25 DECODER V COUNTER V 1/2 DIV COUNTER PLL DECODER H DECODER H COUNTER H SEPA SYNC PH-DET OSD VCO DIV TINT APC VXO GENE VXO KILLER 60 59 LIMIT INVERT GAMMA CONTRAST BUFFER 1 2 IC8403 Q8406,Q8401 BRIGHT OSD SW GENE G-Y MATRIX SW INT/EXT CLAMP GCA YUV SW DEMOD R-Y B-Y AMP ACC INV BPF 55 GCA SHARPNESS DELAY CUT SYNC CLAMP 52 6MHz LPF 12MHz LPF BIAS CIN YIN PY/GIN PB/BIN PR/RIN PROUT PBOUT PYOUT VYOUT VCOUT FROM IC6002-74pin FROM IC6002-73pin 12,13 11 IC6005 FROM IC6002-76pin FROM 1SEG P.C.B. BIAS MUTE1 + 75Ω 6dB 6dB (VIDEO DRIVE) IC3201 (20usec/div.) 3.8Vp-p IC8001-14 (20usec/div.) 4.0Vp-p IC8001-16 (20usec/div.) 4.0Vp-p IC8001-19 LCD PANEL STH1 OEH CLK1 CLK3 CLK2 RED BLUE GREEN VCOM DRIVER GATE DRIVER SOURCE 30 29 75Ω 24 23 12MHz LPF 6dB 75Ω 21 20 4 5 MUTE2 14 CLAMP MUTE QR3202 QR3201 Q3202 AMP Q3204 Q8003 Q8001 Q8002 QR6001 CLAMP BIAS H L 6dB 8 11 13 BIAS 12MHz LPF 6dB 75Ω 18 17 15 JK3201 VIDEO IN/OUT VJIN-L TO IC6002-48pin AVIN-INV FROM IC6002-75pin 1 5 7 4 3 2 IC3203 12 13 X 10 A 9 B (SELECTOR) X0 X3 X2 11 15 X1 14 FROM IC6002-50pin FROM IC6002-51pin FROM IC6002-55pin FP3002 21 FP7402 T-VOUT 21 -48- 家电维修资料网 www.520101.com 12. 6. 12. 6. 12. 6. 12. 6. 1111 セグブロッ セグブロッ セグブロッ セグブロック ク ク ク図 図 図 図 X Y X0 X2 Y0 Y2 Y1 Y3 X1 X3 A B 381RST VOUTR DATA BCK LRCK SCK VOUTL 15 5 8 7 6 14 I2C CLK I2C SDA TSD7 TSCLK TSD6 TSD INTF PSYNC PRST NRAMLLB NRAMLUB NWT NPDOWNIO NINTO NRD NCS NCSA LRCLK2 BCLK2 DAOUT AXI NRST SDWP SDCD SDCMD SDDAT0 SDDAT1 SDDAT2 SDDAT3 SDCLK ADC VCO2 VCO1 CRLLER TX URF IN RF2 RF3 RF1 CTRL CH1 CH0 COMMON A VOUT AOUT ANTIN ATV EN DTV EN DTV AOR DTV AOL DTV VO : SD FORMAT SIGNAL : AUDIO SIGNAL : VIDEO SIGNAL : ISDB SIGNAL GPIOA1 127 130 GPIOF7 GPIOF6 GPIOF0 GPIOF7 GPIOF4 GPIOF1 GPIOB0 VDACAOUT GPIOD1 GPIOA5 GPIOB7 NLB NUB NTHROUGH GPIOC5 NCRE CD0-CD15 CA01-CA15 GPIOD7 NRST GPIOB3 GPIOB2 24 24 25 25 27 28 28 27 FP3002 FP3002 FP3002 FP7402 FP7402 FP7402 FP3002 FP7402 157 62 137 136 115 100 89 75 74 147 66 71 72 141 131 8 20 1 4 173 172 166 165 170 167 D0 D15 A15 A1 8 10 13 14 9 15 12 11 8 10 11 12 13 14 15 9 FP7402 FP3002 FP7402 FP3002 FP7402 FP3002 FP7402 FP3002 FP7402 FP3002 FP7402 FP3002 FP7402 FP3002 FP7402 FP3002 106 100 36 120 122 14 15 125 28 4 6 2 12 1 12 11 5 1 6 7 13 3 12 15 1 2 5 4 14 11 10 9 6 6 23 23 FP7402 FP7402 FP3002 FP3002 21 18 19 19 18 21 FP7402 FP7402 FP7402 FP3002 FP3002 FP3002 200 (ANALOG TUNER) TU3501 IC7201 (1SEG TUNER MODULE) (SELECTOR) IC7200 IC7304 (AUDIO DAC) IC7402 (1SEG MODULE PROCESSOR) IC7303 (SD AUDIO PROCESSOR) 67 13 5 3 6 64 127 45 20 (CD0-CD15) (CA1-CA15) DTV 3R3V 153 148 149 124 CNT INT HOST I/F 16 16 16 16 (SYNCHRDNIZATION I/F) DMA for USB-SD PLL CLKRST SD I/F AUDIO BLOCK PLAYBACK DMA for RAM I/F C2 RAM DATARAM ACORE IRAM TROM UPCONV FSC DTV MUTE DTV RST DTV RX DTV TX XCRE NPDOWNIO XCS1 NUB NLB NINTO 381PRST SCL SDA TSCLK TSDATA RESET CPU INT PCK DVD-LX97 1 FE RST RESET 134 IC7202 27MCLK GENERATOR CLOCK 151 IC7301 PORT SERIAL AUDIO LPF D/A MANAGER CLOCK SYSTEM CONTROLLER MODULATOR D/A LPF OFDM,FEC TUNER 9 26 11 12 13 22 21 R4 R4 R2 R2 R1 R2 R2 TUNER CONTROL AGC DEMOD. OFDM FEC CPU I/F REF CLK REF OSC PLL2 PLL1 IF FIL REJECT BPF INT-ANT DIGITAL EXT-ANT DIGITAL 1 JK7200 2 3 3 2 1 JK3501 EXT-ANT ANALOG IC7405 (SELECTOR) IC7403 (SELECTOR) -49- 家电维修资料网 www.520101.com 12. 7. 12. 7. 12. 7. 12. 7. 1111 セグ電源ブ セグ電源ブ セグ電源ブ セグ電源ブロック ロック ロック ロック図 図 図 図 IC7100 REG ATV 5V IC7106 REG IC7105 REG TUN VDD2R8V TUN AVDD1R5V IC7104 REG IC7102 REG DTV 5V TUN AVDD3R3V IC7110 REG IC7101 REG DTV 1R5V OSW 5V IC7108 REG DTV 2R8V DTV 1R2V IC7107 REG DTV 3R3V IC7109 REG ATV EN DTV PWEN1 DTV EN DTV 5R25V 6 6 29 29 23 23 30-32 30-32 FP7402 FP7402 FP7402 FP3002 FP3002 FP3002 FP7402 FP3002 DVD-LX97 1 -50- 家电维修资料网 www.520101.com

标签:

版权声明

1. 本站所有素材,仅限学习交流,仅展示部分内容,如需查看完整内容,请下载原文件。
2. 会员在本站下载的所有素材,只拥有使用权,著作权归原作者所有。
3. 所有素材,未经合法授权,请勿用于商业用途,会员不得以任何形式发布、传播、复制、转售该素材,否则一律封号处理。
4. 如果素材损害你的权益请联系客服QQ:77594475 处理。