先锋PIONEER AVIC-9DVD音响电路原理图

分类:电子电工 日期: 点击:0
先锋PIONEER AVIC-9DVD音响电路原理图-0 先锋PIONEER AVIC-9DVD音响电路原理图-1 先锋PIONEER AVIC-9DVD音响电路原理图-2 先锋PIONEER AVIC-9DVD音响电路原理图-3 先锋PIONEER AVIC-9DVD音响电路原理图-4 先锋PIONEER AVIC-9DVD音响电路原理图-5 先锋PIONEER AVIC-9DVD音响电路原理图-6 先锋PIONEER AVIC-9DVD音响电路原理图-7 先锋PIONEER AVIC-9DVD音响电路原理图-8 先锋PIONEER AVIC-9DVD音响电路原理图-9

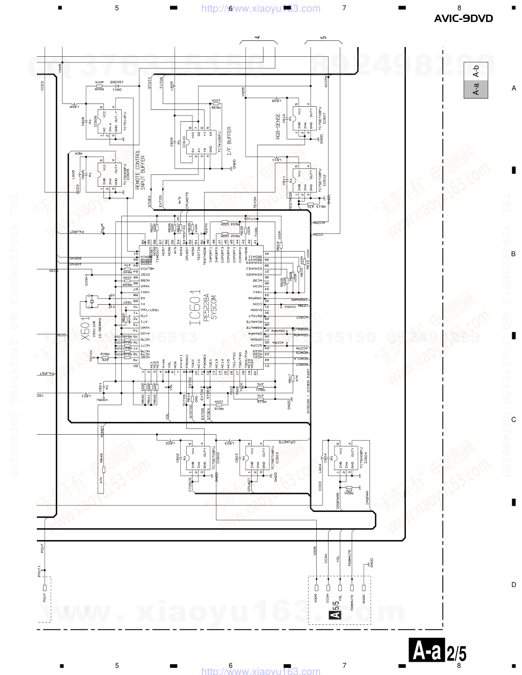
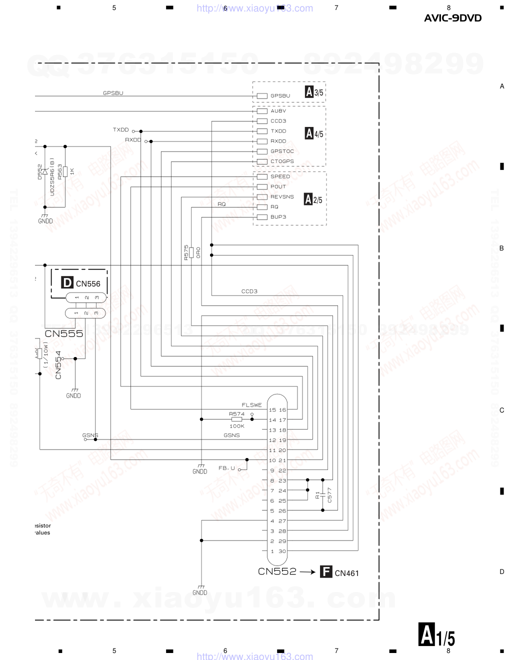
MAIN PCB 1/5 (GPS) AVIC-9DVD 1 2 3 4 1 2 3 4 D C B A A MAIN PCB(GPS) 1/5 5V Regulator Decimal points for resistor and capacitor fixed values are expressed as : 2.2 2R2 0.022 R022 ← ← The > mark found on some component parts indicates the importance of the safety factor of the part. Therefore, when replacing, be sure to use parts of identical designation. Symbol indicates a resistor. No differentiation is made between chip resistors and discrete resistors. NOTE : Symbol indicates a capacitor. No differentiation is made between chip capacitors and discrete capacitors. GYRO SENSOR MAIN UNIT Consists of MAIN PCB INTERFACE PCB GRILLE PCB G-SENSOR PCB A 1/5 www. xiaoyu163. com QQ 376315150 9 9 2 8 9 4 2 9 8 TEL 13942296513 9 9 2 8 9 4 2 9 8 0 5 1 5 1 3 6 7 3 Q Q TEL 13942296513 QQ 376315150 892498299 TEL 13942296513 QQ 376315150 892498299 http://www.xiaoyu163.com AVIC-9DVD 5 6 7 8 5 6 7 8 D C B A A 1/5 F CN461 A 3/5 A 4/5 A 2/5 D CN556 esistor values www. xiaoyu163. com QQ 376315150 9 9 2 8 9 4 2 9 8 TEL 13942296513 9 9 2 8 9 4 2 9 8 0 5 1 5 1 3 6 7 3 Q Q TEL 13942296513 QQ 376315150 892498299 TEL 13942296513 QQ 376315150 892498299 http://www.xiaoyu163.com AVIC-9DVD 1 2 3 4 1 2 3 4 D C B A MAIN PCB 2/5 (SYSCOM)(GUIDE PAGE) A-a A-b A-a A-b A-b A-a Large size SCH diagram Guide page Detailed page A 5/5 A 1/5 A 4/5 A 2/5 A-a 2/5 www. xiaoyu163. com QQ 376315150 9 9 2 8 9 4 2 9 8 TEL 13942296513 9 9 2 8 9 4 2 9 8 0 5 1 5 1 3 6 7 3 Q Q TEL 13942296513 QQ 376315150 892498299 TEL 13942296513 QQ 376315150 892498299 http://www.xiaoyu163.com AVIC-9DVD 5 6 7 8 5 6 7 8 D C B A A 4/5 C CN2851 A MAIN PCB(SYSCOM) 2/5 A 5/5 A 3/5 A 4/5 MAIN UNIT Consists of MAIN PCB INTERFACE PCB GRILLE PCB G-SENSOR PCB A-b 2/5 A 2/5 www. xiaoyu163. com QQ 376315150 9 9 2 8 9 4 2 9 8 TEL 13942296513 9 9 2 8 9 4 2 9 8 0 5 1 5 1 3 6 7 3 Q Q TEL 13942296513 QQ 376315150 892498299 TEL 13942296513 QQ 376315150 892498299 http://www.xiaoyu163.com A 1/5 A 4/5 AVIC-9DVD 1 2 3 4 1 2 3 4 D C B A A-a A-b 1 3 2 A-a 2/5 www. xiaoyu163. com QQ 376315150 9 9 2 8 9 4 2 9 8 TEL 13942296513 9 9 2 8 9 4 2 9 8 0 5 1 5 1 3 6 7 3 Q Q TEL 13942296513 QQ 376315150 892498299 TEL 13942296513 QQ 376315150 892498299 http://www.xiaoyu163.com A 5/5 AVIC-9DVD 5 6 7 8 5 6 7 8 D C B A A-a A-b 5 4 A-a 2/5 www. xiaoyu163. com QQ 376315150 9 9 2 8 9 4 2 9 8 TEL 13942296513 9 9 2 8 9 4 2 9 8 0 5 1 5 1 3 6 7 3 Q Q TEL 13942296513 QQ 376315150 892498299 TEL 13942296513 QQ 376315150 892498299 http://www.xiaoyu163.com A 4/5 C CN2851 A MAIN PCB(SYSCOM) 2/5 A 5/5 A 3/5 1 2 3 4 1 2 3 4 D C B A A-a A-b AVIC-9DVD 1 3 2 A-b 2/5 www. xiaoyu163. com QQ 376315150 9 9 2 8 9 4 2 9 8 TEL 13942296513 9 9 2 8 9 4 2 9 8 0 5 1 5 1 3 6 7 3 Q Q TEL 13942296513 QQ 376315150 892498299 TEL 13942296513 QQ 376315150 892498299 http://www.xiaoyu163.com AVIC-9DVD 5 6 7 8 5 6 7 8 D C B A A-a A-b A 4/5 MAIN UNIT Consists of MAIN PCB INTERFACE PCB GRILLE PCB G-SENSOR PCB 5 4 A-b 2/5 www. xiaoyu163. com QQ 376315150 9 9 2 8 9 4 2 9 8 TEL 13942296513 9 9 2 8 9 4 2 9 8 0 5 1 5 1 3 6 7 3 Q Q TEL 13942296513 QQ 376315150 892498299 TEL 13942296513 QQ 376315150 892498299 http://www.xiaoyu163.com FAN MOTOR > A 2/5 CXM1192 > > > A 4/5 A 1/5 THERMISTOR TEMPERATURE SENSOR AVIC-9DVD 1 2 3 4 1 2 3 4 D C B A MAIN PCB 3/5 (P/S) A 3/5 www. xiaoyu163. com QQ 376315150 9 9 2 8 9 4 2 9 8 TEL 13942296513 9 9 2 8 9 4 2 9 8 0 5 1 5 1 3 6 7 3 Q Q TEL 13942296513 QQ 376315150 892498299 TEL 13942296513 QQ 376315150 892498299 http://www.xiaoyu163.com AVIC-9DVD 5 6 7 8 5 6 7 8 D C B A CAR INTERFACE A MAIN PCB(P/S) 3/5 > > > > A 4/5 MAIN UNIT Consists of MAIN PCB INTERFACE PCB GRILLE PCB G-SENSOR PCB A 3/5 www. xiaoyu163. com QQ 376315150 9 9 2 8 9 4 2 9 8 TEL 13942296513 9 9 2 8 9 4 2 9 8 0 5 1 5 1 3 6 7 3 Q Q TEL 13942296513 QQ 376315150 892498299 TEL 13942296513 QQ 376315150 892498299 http://www.xiaoyu163.com AVIC-9DVD 1 2 3 4 1 2 3 4 D C B A A 5/5 CN1701 A 2/5 A 3/5 A 5/5 A 2/5 A 5/5 G 2/2 CN302 E 5/6 > D E F K H MAIN PCB 4/5 (VIDEO•CC CORE I/F)(GUIDE PAGE) A 4/5 A-a 4/5 www. xiaoyu163. com QQ 376315150 9 9 2 8 9 4 2 9 8 TEL 13942296513 9 9 2 8 9 4 2 9 8 0 5 1 5 1 3 6 7 3 Q Q TEL 13942296513 QQ 376315150 892498299 TEL 13942296513 QQ 376315150 892498299 http://www.xiaoyu163.com AVIC-9DVD 5 6 7 8 5 6 7 8 D C B A SD3V R3264 0R0 A MAIN PCB 4/5 A 2/5 A 2/5 A 2/5 A 3/5 A 1/5 (VIDEO • CC CORE I/F) A B C G,J I L M MAIN UNIT Consists of MAIN PCB INTERFACE PCB GRILLE PCB G-SENSOR PCB A-b 4/5 A 4/5 CORD ASSY www. xiaoyu163. com QQ 376315150 9 9 2 8 9 4 2 9 8 TEL 13942296513 9 9 2 8 9 4 2 9 8 0 5 1 5 1 3 6 7 3 Q Q TEL 13942296513 QQ 376315150 892498299 TEL 13942296513 QQ 376315150 892498299 http://www.xiaoyu163.com AVIC-9DVD 1 2 3 4 1 2 3 4 D C B A A 5/5 CN1701 A 2/5 A 3/5 A 5/5 G 2/2 CN302 E 5/6 > 1 2 3 A-a 4/5 A-a A-b www. xiaoyu163. com QQ 376315150 9 9 2 8 9 4 2 9 8 TEL 13942296513 9 9 2 8 9 4 2 9 8 0 5 1 5 1 3 6 7 3 Q Q TEL 13942296513 QQ 376315150 892498299 TEL 13942296513 QQ 376315150 892498299 http://www.xiaoyu163.com AVIC-9DVD 5 6 7 8 5 6 7 8 D C B A A 2/5 A 5/5 D E F K H 4 5 A-a 4/5 A-a A-b www. xiaoyu163. com QQ 376315150 9 9 2 8 9 4 2 9 8 TEL 13942296513 9 9 2 8 9 4 2 9 8 0 5 1 5 1 3 6 7 3 Q Q TEL 13942296513 QQ 376315150 892498299 TEL 13942296513 QQ 376315150 892498299 http://www.xiaoyu163.com SD3V R3264 0R0 A MAIN PCB 4/5 A 2/5 A 3/5 A 1/5 (VIDEO • CC CORE I/F) MAIN UNIT Consists of MAIN PCB INTERFACE PCB GRILLE PCB G-SENSOR PCB AVIC-9DVD 1 2 3 4 1 2 3 4 D C B A 1 2 3 A-b 4/5 A-a A-b www. xiaoyu163. com QQ 376315150 9 9 2 8 9 4 2 9 8 TEL 13942296513 9 9 2 8 9 4 2 9 8 0 5 1 5 1 3 6 7 3 Q Q TEL 13942296513 QQ 376315150 892498299 TEL 13942296513 QQ 376315150 892498299 http://www.xiaoyu163.com A 2/5 A 2/5 A 2/5 A B C G,J I L M AVIC-9DVD 5 6 7 8 5 6 7 8 D C B A 4 5 A-b 4/5 A-a A-b www. xiaoyu163. com QQ 376315150 9 9 2 8 9 4 2 9 8 TEL 13942296513 9 9 2 8 9 4 2 9 8 0 5 1 5 1 3 6 7 3 Q Q TEL 13942296513 QQ 376315150 892498299 TEL 13942296513 QQ 376315150 892498299 http://www.xiaoyu163.com AVIC-9DVD 1 2 3 4 1 2 3 4 D C B A A MAIN PCB(AUDIO) 5/5 A 4/5 A 4/5 A 4/5 MAIN PCB 5/5 (AUDIO)(GUIDE PAGE) A 5/5 A-a 5/5 www. xiaoyu163. com QQ 376315150 9 9 2 8 9 4 2 9 8 TEL 13942296513 9 9 2 8 9 4 2 9 8 0 5 1 5 1 3 6 7 3 Q Q TEL 13942296513 QQ 376315150 892498299 TEL 13942296513 QQ 376315150 892498299 http://www.xiaoyu163.com AVIC-9DVD 5 6 7 8 5 6 7 8 D C B A A 2/5 A 1/5 A 4/5 A 4/5 A 2/5 A 4/5 B CN5004 MAIN UNIT Consists of MAIN PCB INTERFACE PCB GRILLE PCB G-SENSOR PCB A-b 5/5 A 5/5 www. xiaoyu163. com QQ 376315150 9 9 2 8 9 4 2 9 8 TEL 13942296513 9 9 2 8 9 4 2 9 8 0 5 1 5 1 3 6 7 3 Q Q TEL 13942296513 QQ 376315150 892498299 TEL 13942296513 QQ 376315150 892498299 http://www.xiaoyu163.com AVIC-9DVD 1 2 3 4 1 2 3 4 D C B A A MAIN PCB(AUDIO) 5/5 A 4/5 A 4/5 1 3 2 4 A-a 5/5 A-a A-b www. xiaoyu163. com QQ 376315150 9 9 2 8 9 4 2 9 8 TEL 13942296513 9 9 2 8 9 4 2 9 8 0 5 1 5 1 3 6 7 3 Q Q TEL 13942296513 QQ 376315150 892498299 TEL 13942296513 QQ 376315150 892498299 http://www.xiaoyu163.com AVIC-9DVD 5 6 7 8 5 6 7 8 D C B A A 4/5 A-a 5/5 A-a A-b www. xiaoyu163. com QQ 376315150 9 9 2 8 9 4 2 9 8 TEL 13942296513 9 9 2 8 9 4 2 9 8 0 5 1 5 1 3 6 7 3 Q Q TEL 13942296513 QQ 376315150 892498299 TEL 13942296513 QQ 376315150 892498299 http://www.xiaoyu163.com AVIC-9DVD 1 2 3 4 1 2 3 4 D C B A A 4/5 A 2/5 A 4/5 1 3 2 4 A-b 5/5 A-a A-b www. xiaoyu163. com QQ 376315150 9 9 2 8 9 4 2 9 8 TEL 13942296513 9 9 2 8 9 4 2 9 8 0 5 1 5 1 3 6 7 3 Q Q TEL 13942296513 QQ 376315150 892498299 TEL 13942296513 QQ 376315150 892498299 http://www.xiaoyu163.com AVIC-9DVD 5 6 7 8 5 6 7 8 D C B A A 2/5 A 1/5 A 4/5 B CN5004 MAIN UNIT Consists of MAIN PCB INTERFACE PCB GRILLE PCB G-SENSOR PCB A-b 5/5 A-a A-b www. xiaoyu163. com QQ 376315150 9 9 2 8 9 4 2 9 8 TEL 13942296513 9 9 2 8 9 4 2 9 8 0 5 1 5 1 3 6 7 3 Q Q TEL 13942296513 QQ 376315150 892498299 TEL 13942296513 QQ 376315150 892498299 http://www.xiaoyu163.com AVIC-9DVD 1 2 3 4 1 2 3 4 D C B A INTERFACE PCB B MIC SPEAKER A 5/5 CN3901 www. xiaoyu163. com QQ 376315150 9 9 2 8 9 4 2 9 8 TEL 13942296513 9 9 2 8 9 4 2 9 8 0 5 1 5 1 3 6 7 3 Q Q TEL 13942296513 QQ 376315150 892498299 TEL 13942296513 QQ 376315150 892498299 http://www.xiaoyu163.com EXTENSION (BLACK) B INTERFACE PCB MAIN UNIT Consists of MAIN PCB INTERFACE PCB GRILLE PCB G-SENSOR PCB AVIC-9DVD 5 6 7 8 5 6 7 8 D C B A B www. xiaoyu163. com QQ 376315150 9 9 2 8 9 4 2 9 8 TEL 13942296513 9 9 2 8 9 4 2 9 8 0 5 1 5 1 3 6 7 3 Q Q TEL 13942296513 QQ 376315150 892498299 TEL 13942296513 QQ 376315150 892498299 http://www.xiaoyu163.com AVIC-9DVD 1 2 3 4 1 2 3 4 D C B A GRILLE PCB CARD IN ILLUMI CARD OUT ILLUMI DISC INSERTION ILLUMI DISC INSERTION ILLUMI MODEL NAME ILLUMI CN660 C GRILLE PCB A 2/5 MAIN UNIT Consists of MAIN PCB INTERFACE PCB GRILLE PCB G-SENSOR PCB C www. xiaoyu163. com QQ 376315150 9 9 2 8 9 4 2 9 8 TEL 13942296513 9 9 2 8 9 4 2 9 8 0 5 1 5 1 3 6 7 3 Q Q TEL 13942296513 QQ 376315150 892498299 TEL 13942296513 QQ 376315150 892498299 http://www.xiaoyu163.com AVIC-9DVD 1 2 3 4 1 2 3 4 D C B A CN555 D G-SENSOR PCB A 1/5 MAIN UNIT Consists of MAIN PCB INTERFACE PCB GRILLE PCB G-SENSOR PCB G-SENSOR PCB D www. xiaoyu163. com QQ 376315150 9 9 2 8 9 4 2 9 8 TEL 13942296513 9 9 2 8 9 4 2 9 8 0 5 1 5 1 3 6 7 3 Q Q TEL 13942296513 QQ 376315150 892498299 TEL 13942296513 QQ 376315150 892498299 http://www.xiaoyu163.com AVIC-9DVD 1 2 3 4 1 2 3 4 D C B A CC UNIT 1/6 (CPU, ASIC, SDRAM)(GUIDE PAGE) E 4/6 E CC UNIT(CPU,ASIC,SDRAM) 1/6 E 3/6 E 1/6 E-a 1/6 www. xiaoyu163. com QQ 376315150 9 9 2 8 9 4 2 9 8 TEL 13942296513 9 9 2 8 9 4 2 9 8 0 5 1 5 1 3 6 7 3 Q Q TEL 13942296513 QQ 376315150 892498299 TEL 13942296513 QQ 376315150 892498299 http://www.xiaoyu163.com ← TH153 E 2/6 E 5/6 G CN1401 AVIC-9DVD 5 6 7 8 5 6 7 8 D C B A E-b 1/6 E 1/6 www. xiaoyu163. com QQ 376315150 9 9 2 8 9 4 2 9 8 TEL 13942296513 9 9 2 8 9 4 2 9 8 0 5 1 5 1 3 6 7 3 Q Q TEL 13942296513 QQ 376315150 892498299 TEL 13942296513 QQ 376315150 892498299 http://www.xiaoyu163.com E 4/6 E CC UNIT(CPU,ASIC,SDRAM) 1/6 AVIC-9DVD 1 2 3 4 1 2 3 4 D C B A E-a E-b 1 2 E-a 1/6 www. xiaoyu163. com QQ 376315150 9 9 2 8 9 4 2 9 8 TEL 13942296513 9 9 2 8 9 4 2 9 8 0 5 1 5 1 3 6 7 3 Q Q TEL 13942296513 QQ 376315150 892498299 TEL 13942296513 QQ 376315150 892498299 http://www.xiaoyu163.com E 3/6 AVIC-9DVD 5 6 7 8 5 6 7 8 D C B A 3 E-a 1/6 E-a E-b www. xiaoyu163. com QQ 376315150 9 9 2 8 9 4 2 9 8 TEL 13942296513 9 9 2 8 9 4 2 9 8 0 5 1 5 1 3 6 7 3 Q Q TEL 13942296513 QQ 376315150 892498299 TEL 13942296513 QQ 376315150 892498299 http://www.xiaoyu163.com ← E 5/6 G CN1401 1 2 3 4 1 2 3 4 D C B A E-a E-b AVIC-9DVD 1 2 E-b 1/6 www. xiaoyu163. com QQ 376315150 9 9 2 8 9 4 2 9 8 TEL 13942296513 9 9 2 8 9 4 2 9 8 0 5 1 5 1 3 6 7 3 Q Q TEL 13942296513 QQ 376315150 892498299 TEL 13942296513 QQ 376315150 892498299 http://www.xiaoyu163.com AVIC-9DVD 5 6 7 8 5 6 7 8 D C B A E-b 1/6 ← TH153 E 2/6 3 E-a E-b www. xiaoyu163. com QQ 376315150 9 9 2 8 9 4 2 9 8 TEL 13942296513 9 9 2 8 9 4 2 9 8 0 5 1 5 1 3 6 7 3 Q Q TEL 13942296513 QQ 376315150 892498299 TEL 13942296513 QQ 376315150 892498299 http://www.xiaoyu163.com E 1/6 AVIC-9DVD 1 2 3 4 1 2 3 4 D C B A CC UNIT 2/6 (ROM, SRAM, BUS-BUFFER) E 2/6 www. xiaoyu163. com QQ 376315150 9 9 2 8 9 4 2 9 8 TEL 13942296513 9 9 2 8 9 4 2 9 8 0 5 1 5 1 3 6 7 3 Q Q TEL 13942296513 QQ 376315150 892498299 TEL 13942296513 QQ 376315150 892498299 http://www.xiaoyu163.com AVIC-9DVD 5 6 7 8 5 6 7 8 D C B A E 2/6 E CC UNIT(ROM,SRAM,BUS-BUFFER) 2/6 E 3/6 E 4/6 E 5/6 www. xiaoyu163. com QQ 376315150 9 9 2 8 9 4 2 9 8 TEL 13942296513 9 9 2 8 9 4 2 9 8 0 5 1 5 1 3 6 7 3 Q Q TEL 13942296513 QQ 376315150 892498299 TEL 13942296513 QQ 376315150 892498299 http://www.xiaoyu163.com AVIC-9DVD 1 2 3 4 1 2 3 4 D C B A E 2/6 E CC UNIT(GRAPHIC) 3/6 E 1/6 Graphic Display CC UNIT 3/6 (GRAPHIC) E 3/6 www. xiaoyu163. com QQ 376315150 9 9 2 8 9 4 2 9 8 TEL 13942296513 9 9 2 8 9 4 2 9 8 0 5 1 5 1 3 6 7 3 Q Q TEL 13942296513 QQ 376315150 892498299 TEL 13942296513 QQ 376315150 892498299 http://www.xiaoyu163.com AVIC-9DVD 5 6 7 8 5 6 7 8 D C B A E 3/6 E 5/6 Display Controller www. xiaoyu163. com QQ 376315150 9 9 2 8 9 4 2 9 8 TEL 13942296513 9 9 2 8 9 4 2 9 8 0 5 1 5 1 3 6 7 3 Q Q TEL 13942296513 QQ 376315150 892498299 TEL 13942296513 QQ 376315150 892498299 http://www.xiaoyu163.com AVIC-9DVD 1 2 3 4 1 2 3 4 D C B A E CC UNIT(PC CARD) 4/6 PC CARD 5V←3.3V 5V 3.3V ← CC UNIT 4/6 (PC CARD) E 4/6 www. xiaoyu163. com QQ 376315150 9 9 2 8 9 4 2 9 8 TEL 13942296513 9 9 2 8 9 4 2 9 8 0 5 1 5 1 3 6 7 3 Q Q TEL 13942296513 QQ 376315150 892498299 TEL 13942296513 QQ 376315150 892498299 http://www.xiaoyu163.com AVIC-9DVD 5 6 7 8 5 6 7 8 D C B A E 4/6 E 1/6 E 2/6 E 5/6 5V↔3.3V 3.3V PC CARD POWER SW ← www. xiaoyu163. com QQ 376315150 9 9 2 8 9 4 2 9 8 TEL 13942296513 9 9 2 8 9 4 2 9 8 0 5 1 5 1 3 6 7 3 Q Q TEL 13942296513 QQ 376315150 892498299 TEL 13942296513 QQ 376315150 892498299 http://www.xiaoyu163.com AVIC-9DVD 1 2 3 4 1 2 3 4 D C B A E 1/6 E 2/6 E 3/6 E 4/6 A 4/5 CN3254 RE CC UNIT 5/6 (DSP, I/F CONNECTOR)(GUIDE PAGE) E 5/6 E-a 5/6 www. xiaoyu163. com QQ 376315150 9 9 2 8 9 4 2 9 8 TEL 13942296513 9 9 2 8 9 4 2 9 8 0 5 1 5 1 3 6 7 3 Q Q TEL 13942296513 QQ 376315150 892498299 TEL 13942296513 QQ 376315150 892498299 http://www.xiaoyu163.com AVIC-9DVD 5 6 7 8 5 6 7 8 D C B A E 6/6 E CC UNIT(DSP,I/F CONNECTOR) 5/6 ESET NAVI SOUND E-b 5/6 E 5/6 www. xiaoyu163. com QQ 376315150 9 9 2 8 9 4 2 9 8 TEL 13942296513 9 9 2 8 9 4 2 9 8 0 5 1 5 1 3 6 7 3 Q Q TEL 13942296513 QQ 376315150 892498299 TEL 13942296513 QQ 376315150 892498299 http://www.xiaoyu163.com AVIC-9DVD 1 2 3 4 1 2 3 4 D C B A E 1/6 E 2/6 RESET 1 2 E-a 5/6 E-a E-b www. xiaoyu163. com QQ 376315150 9 9 2 8 9 4 2 9 8 TEL 13942296513 9 9 2 8 9 4 2 9 8 0 5 1 5 1 3 6 7 3 Q Q TEL 13942296513 QQ 376315150 892498299 TEL 13942296513 QQ 376315150 892498299 http://www.xiaoyu163.com AVIC-9DVD 5 6 7 8 5 6 7 8 D C B A E-a 5/6 E 3/6 E 4/6 A 4/5 CN3254 3 E-a E-b www. xiaoyu163. com QQ 376315150 9 9 2 8 9 4 2 9 8 TEL 13942296513 9 9 2 8 9 4 2 9 8 0 5 1 5 1 3 6 7 3 Q Q TEL 13942296513 QQ 376315150 892498299 TEL 13942296513 QQ 376315150 892498299 http://www.xiaoyu163.com AVIC-9DVD 1 2 3 4 1 2 3 4 D C B A E 6/6 E CC UNIT(DSP,I/F CONNECTOR) 5/6 RESET NAVI SOUND 1 2 E-b 5/6 E-a E-b www. xiaoyu163. com QQ 376315150 9 9 2 8 9 4 2 9 8 TEL 13942296513 9 9 2 8 9 4 2 9 8 0 5 1 5 1 3 6 7 3 Q Q TEL 13942296513 QQ 376315150 892498299 TEL 13942296513 QQ 376315150 892498299 http://www.xiaoyu163.com AVIC-9DVD 5 6 7 8 5 6 7 8 D C B A E-b 5/6 3 E-a E-b www. xiaoyu163. com QQ 376315150 9 9 2 8 9 4 2 9 8 TEL 13942296513 9 9 2 8 9 4 2 9 8 0 5 1 5 1 3 6 7 3 Q Q TEL 13942296513 QQ 376315150 892498299 TEL 13942296513 QQ 376315150 892498299 http://www.xiaoyu163.com AVIC-9DVD 1 2 3 4 1 2 3 4 D C B A CC UNIT 6/6 (CC POWER SUPPLY) E 5/6 E CC UNIT(CC POWER SUPPLY) 6/6 > > 2.5V Regulator DC/DC E 6/6 www. xiaoyu163. com QQ 376315150 9 9 2 8 9 4 2 9 8 TEL 13942296513 9 9 2 8 9 4 2 9 8 0 5 1 5 1 3 6 7 3 Q Q TEL 13942296513 QQ 376315150 892498299 TEL 13942296513 QQ 376315150 892498299 http://www.xiaoyu163.com AVIC-9DVD 5 6 7 8 5 6 7 8 D C B A E 5/6 > DC/DC Converter 3.3V 5V 2ch E 6/6 www. xiaoyu163. com QQ 376315150 9 9 2 8 9 4 2 9 8 TEL 13942296513 9 9 2 8 9 4 2 9 8 0 5 1 5 1 3 6 7 3 Q Q TEL 13942296513 QQ 376315150 892498299 TEL 13942296513 QQ 376315150 892498299 http://www.xiaoyu163.com AVIC-9DVD 1 2 3 4 1 2 3 4 D C B A RF ADC CN552 A 1/5 F GPS UNIT www. xiaoyu163. com QQ 376315150 9 9 2 8 9 4 2 9 8 TEL 13942296513 9 9 2 8 9 4 2 9 8 0 5 1 5 1 3 6 7 3 Q Q TEL 13942296513 QQ 376315150 892498299 TEL 13942296513 QQ 376315150 892498299 http://www.xiaoyu163.com AVIC-9DVD 5 6 7 8 5 6 7 8 D C B A F CPU FLASH ROM F GPS UNIT www. xiaoyu163. com QQ 376315150 9 9 2 8 9 4 2 9 8 TEL 13942296513 9 9 2 8 9 4 2 9 8 0 5 1 5 1 3 6 7 3 Q Q TEL 13942296513 QQ 376315150 892498299 TEL 13942296513 QQ 376315150 892498299 http://www.xiaoyu163.com MN677061ZYUB 5.0V 8.0V POWER SUPPLY 5.0V 3.3V POWER SUPPLY 5.0V 3.3V POWER SUPPLY 3.3V 2.7V 2.2V 1.65V 2.2V 1.65V 2 8 3 0 4 7 9 1 6 RF SIGNAL FOCUS SERVO LINE TRACKING SERVO LINE CARRIAGE SERVO LINE SPINDLE SERVO LINE CLOCK LINE F T C S CLK F T F T F T F T F T F T F T F T F T F T S C C S S C C S S C M M2 SPINDLE MOTOR CXB6218 M M3 CARRIAGE MOTOR CXB5955 M M1 LOADING MOTOR CXB5960 1/2 G DVD CORE UNIT V(FRONT END) 2/2 G PICKUP UNIT(SERVICE)(DP4) RF AMP BLOCK DISC DETECT SWITCH DRIVER BLOCK SERVO CONTROLLER BLOCK SERVO-C 2/2 G DVD MECHANISM MODULE(1/2)(GUIDE PAGE) AVIC-9DVD 1 2 3 4 1 2 3 4 D C B A G 1/2 G-a 1/2 www. xiaoyu163. com QQ 376315150 9 9 2 8 9 4 2 9 8 TEL 13942296513 9 9 2 8 9 4 2 9 8 0 5 1 5 1 3 6 7 3 Q Q TEL 13942296513 QQ 376315150 892498299 TEL 13942296513 QQ 376315150 892498299 http://www.xiaoyu163.com SYSTEM CONTROLLER I/F SYSTEM CONTROLLER I/F MNZS25BDAUB 680 680 680 680 680 680 POWER SUPPLY 3.3V 2.7V 5 ^ & % $ # @ ! S C S C CLK 33.8MHz CLK CLK CLK CLK K CPU I/F OPTICAL DISC CONTROLLER BLOCK ODC-CPU I/F MPEG STREAM 2/2 G 2/2 G 2/2 G E CN2 ATAPI I/F AVIC-9DVD 5 6 7 8 5 6 7 8 D C B A G-b 1/2 G 1/2 www. xiaoyu163. com QQ 376315150 9 9 2 8 9 4 2 9 8 TEL 13942296513 9 9 2 8 9 4 2 9 8 0 5 1 5 1 3 6 7 3 Q Q TEL 13942296513 QQ 376315150 892498299 TEL 13942296513 QQ 376315150 892498299 http://www.xiaoyu163.com AVIC-9DVD 1 2 3 4 1 2 3 4 D C B A G-a G-b G-a 1/2 POWER SUPPLY 5.0V 3.3V 2 2V 2.2V 1.65V 8 3 0 RF SIGNAL FOCUS SERVO LINE TRACKING SERVO LINE CARRIAGE SERVO LINE SPINDLE SERVO LINE CLOCK LINE F T C S CLK F T 1/2 G DVD CORE UNIT V(FRONT END) 2/2 G PICKUP UNIT(SERVICE)(DP4) RF AMP BLOCK SERVO-CPU I/F 1 2 3 www. xiaoyu163. com QQ 376315150 9 9 2 8 9 4 2 9 8 TEL 13942296513 9 9 2 8 9 4 2 9 8 0 5 1 5 1 3 6 7 3 Q Q TEL 13942296513 QQ 376315150 892498299 TEL 13942296513 QQ 376315150 892498299 http://www.xiaoyu163.com AVIC-9DVD 5 6 7 8 5 6 7 8 D C B A G-a 1/2 G-a G-b MN677061ZYUB 5.0V 8.0V POWER SUPPLY 5.0V 3.3V POWER SUPPLY 3.3V 2.7V 2.2V 1.65V 2 8 4 7 9 1 6 F T F T F T F T F T F T F T F T F F T S S C C S S C C S S C M M2 SPINDLE MOTOR CXB6218 M M3 CARRIAGE MOTOR CXB5955 M M1 LOADING MOTOR CXB5960 DISC DETECT SWITCH DRIVER BLOCK SERVO CONTROLLER BLOCK 2/2 G 4 5 www. xiaoyu163. com QQ 376315150 9 9 2 8 9 4 2 9 8 TEL 13942296513 9 9 2 8 9 4 2 9 8 0 5 1 5 1 3 6 7 3 Q Q TEL 13942296513 QQ 376315150 892498299 TEL 13942296513 QQ 376315150 892498299 http://www.xiaoyu163.com 1 2 3 4 1 2 3 4 D C B A G-a G-b AVIC-9DVD G-b 1/2 SYSTEM CONTROLLER I/F SYSTEM CONTROLLER I/F MNZS25BDAUB POWER SUPPLY 3.3V 2.7V 5 CLK 33.8MHz CLK -CPU I/F OPTICAL DISC CONTROLLER BLOCK ODC-CPU I/F 2/2 G 2/2 G 1 2 3 www. xiaoyu163. com QQ 376315150 9 9 2 8 9 4 2 9 8 TEL 13942296513 9 9 2 8 9 4 2 9 8 0 5 1 5 1 3 6 7 3 Q Q TEL 13942296513 QQ 376315150 892498299 TEL 13942296513 QQ 376315150 892498299 http://www.xiaoyu163.com AVIC-9DVD 5 6 7 8 5 6 7 8 D C B A G-b 1/2 G-a G-b 680 680 680 680 680 680 ^ & % $ # @ ! S C S C CLK CLK CLK CK MPEG STREAM 2/2 G E CN2 ATAPI I/F 4 5 www. xiaoyu163. com QQ 376315150 9 9 2 8 9 4 2 9 8 TEL 13942296513 9 9 2 8 9 4 2 9 8 0 5 1 5 1 3 6 7 3 Q Q TEL 13942296513 QQ 376315150 892498299 TEL 13942296513 QQ 376315150 892498299 http://www.xiaoyu163.com PD6354B 4.97MHz 1/2 G 1/2 G 1/2 G 1/2 G 1/2 G 1/2 G MICRO COMPUTER BLOCK POWER SUPPLY POWER SUPPLY 3.3V CLOCK FREQUENCY 5MHz 1.8V 6.3V(5.0V) 2.7V 3.3V ›� PE5277B AVIC-9DVD 1 2 3 4 1 2 3 4 D C B A G 2/2 DVD MECHANISM MODULE(2/2)(GUIDE PAGE) G-a 2/2 www. xiaoyu163. com QQ 376315150 9 9 2 8 9 4 2 9 8 TEL 13942296513 9 9 2 8 9 4 2 9 8 0 5 1 5 1 3 6 7 3 Q Q TEL 13942296513 QQ 376315150 892498299 TEL 13942296513 QQ 376315150 892498299 http://www.xiaoyu163.com MN677532JAUB 470 200 VCC A CN3251 1/2 G 1/2 G MPEG STREAM 2/2 G DVD CORE UNIT V(BACK END) AV CHIP BLOCK CLK 33.8MHz AUDIO 2ch ANALOG OUT SRCKAV AOUT0 LRCKAV SRCKAV AOUT0 LRCKAV POWER SUPPLY 3.3V * ( ) ¤� ‹� L1732 L1759 L1760 AVIC-9DVD 5 6 7 8 5 6 7 8 D C B A G 2/2 G-b 2/2 www. xiaoyu163. com QQ 376315150 9 9 2 8 9 4 2 9 8 TEL 13942296513 9 9 2 8 9 4 2 9 8 0 5 1 5 1 3 6 7 3 Q Q TEL 13942296513 QQ 376315150 892498299 TEL 13942296513 QQ 376315150 892498299 http://www.xiaoyu163.com AVIC-9DVD 1 2 3 4 1 2 3 4 D C B A PD6354B 1/2 G 1/2 G 1/2 G 1/2 G 1/2 G 1/2 G POWER SUPPLY 1.8V 6.3V(5.0V) 2.7V 3.3V ›� 1 G-a G-b G-a 2/2 www. xiaoyu163. com QQ 376315150 9 9 2 8 9 4 2 9 8 TEL 13942296513 9 9 2 8 9 4 2 9 8 0 5 1 5 1 3 6 7 3 Q Q TEL 13942296513 QQ 376315150 892498299 TEL 13942296513 QQ 376315150 892498299 http://www.xiaoyu163.com AVIC-9DVD 5 6 7 8 5 6 7 8 D C B A 4.97MHz MICRO COMPUTER BLOCK POWER SUPPLY 3.3V CLOCK FREQUENCY 5MHz PE5277B 2 G-a 2/2 G-a G-b www. xiaoyu163. com QQ 376315150 9 9 2 8 9 4 2 9 8 TEL 13942296513 9 9 2 8 9 4 2 9 8 0 5 1 5 1 3 6 7 3 Q Q TEL 13942296513 QQ 376315150 892498299 TEL 13942296513 QQ 376315150 892498299 http://www.xiaoyu163.com AVIC-9DVD 1 2 3 4 1 2 3 4 D C B A 1 470 VCC A CN3251 1/2 G 2/2 G DVD CORE UNIT V(BACK END) AV CHIP BLOCK CLK 33.8MHz AUDIO 2ch ANALOG OUT SRCKAV AOUT0 LRCKAV SRCKAV AOUT0 LRCKAV ¤� ‹� L1732 L1759 L1760 G-a G-b G-b 2/2 www. xiaoyu163. com QQ 376315150 9 9 2 8 9 4 2 9 8 TEL 13942296513 9 9 2 8 9 4 2 9 8 0 5 1 5 1 3 6 7 3 Q Q TEL 13942296513 QQ 376315150 892498299 TEL 13942296513 QQ 376315150 892498299 http://www.xiaoyu163.com AVIC-9DVD 5 6 7 8 5 6 7 8 D C B A 2 MN677532JAUB 200 1/2 G MPEG STREAM POWER SUPPLY 3.3V * ( ) G-b 2/2 G-a G-b www. xiaoyu163. com QQ 376315150 9 9 2 8 9 4 2 9 8 TEL 13942296513 9 9 2 8 9 4 2 9 8 0 5 1 5 1 3 6 7 3 Q Q TEL 13942296513 QQ 376315150 892498299 TEL 13942296513 QQ 376315150 892498299 http://www.xiaoyu163.com AVIC-9DVD 1 2 3 4 1 2 3 4 D C B A PU UNIT(REFERENCE) www. xiaoyu163. com QQ 376315150 9 9 2 8 9 4 2 9 8 TEL 13942296513 9 9 2 8 9 4 2 9 8 0 5 1 5 1 3 6 7 3 Q Q TEL 13942296513 QQ 376315150 892498299 TEL 13942296513 QQ 376315150 892498299 http://www.xiaoyu163.com

标签:

版权声明

1. 本站所有素材,仅限学习交流,仅展示部分内容,如需查看完整内容,请下载原文件。
2. 会员在本站下载的所有素材,只拥有使用权,著作权归原作者所有。
3. 所有素材,未经合法授权,请勿用于商业用途,会员不得以任何形式发布、传播、复制、转售该素材,否则一律封号处理。
4. 如果素材损害你的权益请联系客服QQ:77594475 处理。