三洋LCD-42K30TD液晶电视电路图

分类:电子电工 日期: 点击:0
三洋LCD-42K30TD液晶电视电路图-0 三洋LCD-42K30TD液晶电视电路图-1 三洋LCD-42K30TD液晶电视电路图-2 三洋LCD-42K30TD液晶电视电路图-3 三洋LCD-42K30TD液晶电视电路图-4 三洋LCD-42K30TD液晶电视电路图-5 三洋LCD-42K30TD液晶电视电路图-6

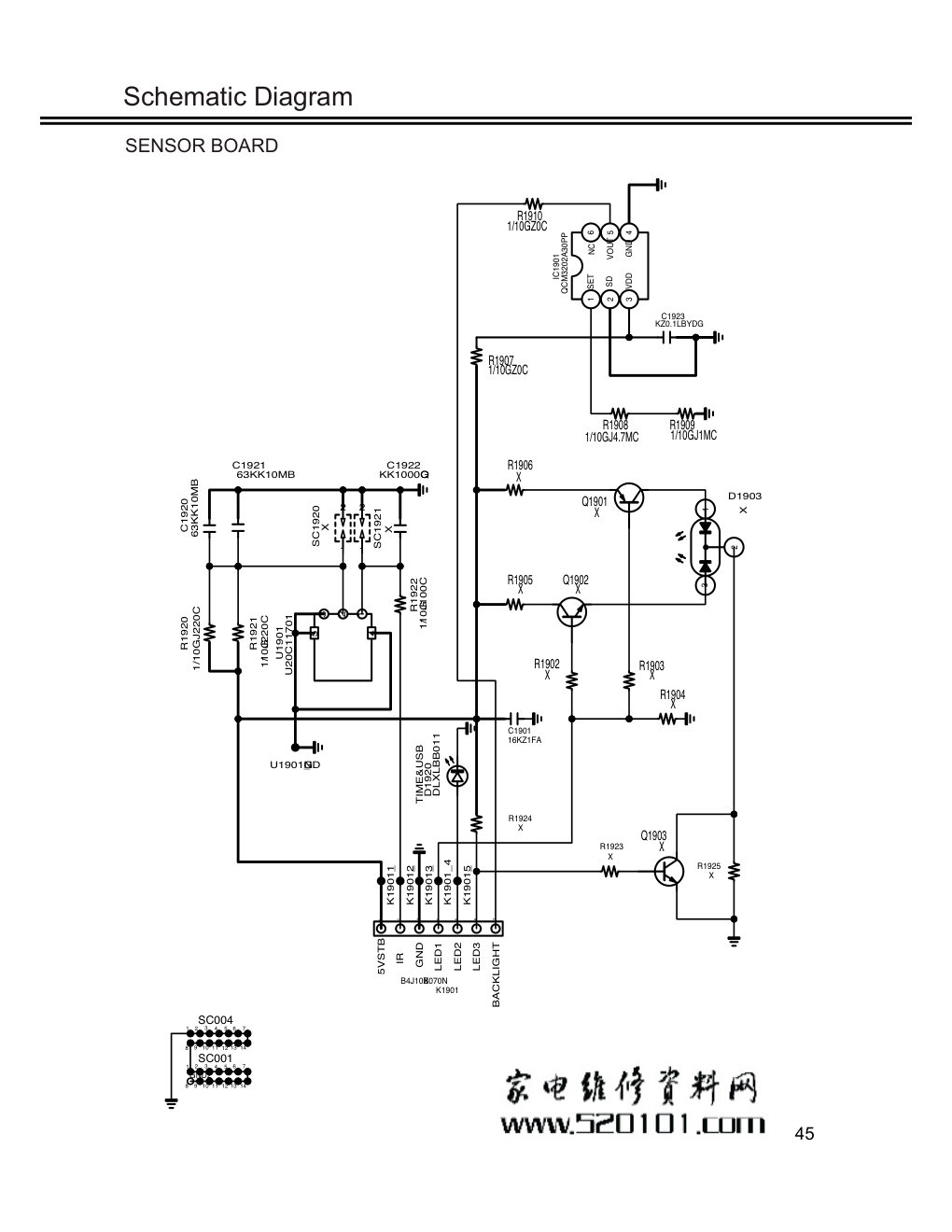
Model No. LCD-42K30TD Service Ref.No. LCD-42K30TD-00 SERVICE MANUAL LCD Television Product Code: 1-130-184-11 Original Version Chassis Series:UE5-A N7DM REFERENCE NO. SM3010414 Contents FILE NO. Give complete "SERVICE REF. NO." for parts order or servicing.It is shown on the rating lable at the cabinet back of the unit. This T.V. receiver will not work properly in foreign countries where the television transmission system and power source �������������������������������������������� �������������������������� Safety Notice...............................................2 ������������������������������������������������������������ Chassis Block Diagrams.............................4 CPU Block Diagrams .................................5 IC Block Diagrams ..................................6-8 On-screen Service Menu System..........9-12 Service Adjustments............................13-15 Mechanical Disassembly.....................16-17 Chassis Electrical Parts List.................18-33 PCB Assemble.....................................34-35 Printed Wiring Board............................36-39 Schematic Diagram..............................40-45 40 Schematic Diagram 1/10GJ4.7KC R8009 UART_TX1 1/10GJ100C R8012 UART_RX1 1/10GJ4.7KC R8010 1/10GJ100C R8011 5VSTB CL8002_5 CL8002_3 CL8002_6 CL8002_1 LED2 AH Q8000 CJ100CGQ C8052 CL8002_4 1/10GJ100C R8019 BACKLIGHT_DET J10AU075N K8002 1 2 3 4 5 6 7 KEY1 X D8051 5VSTB LED1 CL8002_2 K8001B CJ100CGQ C8007 K8001A AH Q8001 IR CL8002_7 CJ100CGQ C8051 KEY0 X D8050 AH Q1063 12VA AH Q1062 L26B2770G L1060 1/10GJ47C R1072 1/10GJ10KC R1076 1/10GJ8.2KC R1071 MONITOR_R 1/10GJ4.7KC R1073 1/10GJ4.7KC R1067 1/10GJ47KC R1075 1/10GJ47C R1078 1/10GJ8.2KC R1077 MONITOR_L 1/10GJ47KC R1069 MONITOR_V 1/10GJ10KC R1070 OPC_OUT 1/10GJ4.7KC R7509 12VP X R7513 X R7511 VBR_OUT1 X R7512 1/10GJ4.7KC R7510 1/10GZ0C R7506 B4J10B0130G K7500 20 21 22 23 24 25 1 1 26 2 2 27 3 28 4 29 5 6 7 8 9 30 31 32 33 34 35 36 37 38 39 40 43 44 45 10 46 11 47 12 48 13 49 49 14 15 16 17 18 19 50 50 RXOC+ RXEC+ RXE2+ RXE1- RXOC- RXE0+ RXO1+ RXE1+ RXE3+ RXO3+ RXO0+ RXO3- RXO2+ RXE2- RXO1- RXE3- RXEC- RXE0- RXO0- RXO2- RXO4+ RXO4- RXE4- RXE4+ UART_RX UART_TX 5VD MONITOR_ROUT MONITOR_LOUT KZ0.1LBYDG C1068 QFMS6141S5X-P IC1004 1 2 3 4 5 CVBSOUT 5VD CJ100CGQ C8053 X D8052 POWER_KEY +3.3VD 1/10GJ2.2KC R8024 X R8025 1/10GJ22KC R8053 1/10GJ1KC R8054 1/10GJ1KC R8055 1/10GJ1KC R8023 1/10GJ2KC R8051 1/10GJ2KC R8050 1/10GJ10KC R8052 1/10GJ47KC R3107 1/10GZ0C R3115 1/10GJ33KC R3109 12VA KK2200GQ C3113 KK1000LBYAG C3103 1/10GZ0C R3114 KK1000LBYAG C3101 L2GM3R3MG L3002 KK2200GQ C3112 1/10GJ33KC R3108 1/10GJ47KC R3102 1/10GJ560C R3106 1/10GJ560C R3101 1/10GJ100C R3118 KZ0.018LBYDG C3117 1/10GJ13KC R3119 1/10GJ100C R3116 1/10GJ13KC R3117 KZ0.018LBYDG C3114 OPC_EN KZ0.1LBYDG C7503 KZ0.1LBYDG C1063 KZ0.1LBYDG C1066 KZ0.1LBYDG C3107 16EM100LBVD C3108 16EM100LBVD C3106 16EM470LBVD C7502 KZ0.1LBYDG C3119 AH Q1064 AH Q1065 1/10GJ470C R1074 1/10GJ470C R1068 1/10GJ1KC R1082 1/10GJ1KC R1084 1/10GJ10KC R1081 1/10GJ10KC R1083 + + - - BA4558F-E2 IC3100 1 2 3 4 5 6 7 8 1/10GZ0C R7507 AVDD_DE 1/10GJ1KC R152 VCORE PLLVDD KZ0.1LBYDG C6723 SDA T_SDA VDD_DE VCC1.8_DE X R143 R1A43304G RP100 1/10GZ0C R146 KZ0.1LBYDG C6725 TS_VAL 1/10GJ33C R154 L26B2770G L6704 1/10GJ100C R148 VDD_DE KZ0.1LBYDG C6714 TS_D[0-7] KZ0.1LBYDG C6722 IF_OUT VCC3.3_DE VDD_DE VCORE 1/10GJ8.2KC R137 1/10GJ10KC R138 VDD_DE L26B2770G L6703 KZ0.1LBYDG C6703 VCC1.8_DE KZ0.1LBYDG C6711 L2F7R33KG L111 L26B2770G L6701 QXXAVD116---P IC102 40 GND 41 AGC2 42 AGC1 43 GPIO[0] 44 GND 45 VDDP 46 GND 47 TS_SYNC 48 TS_VALID 49 TS_DATA[0] 50 TS_DATA[1] 51 TS_DATA[2] 52 TS_DATA[3] 1 GND 53 TS_DATA[4] 2 VDDP 54 VDDP 3 GND 55 GND 4 I2CS_SCL 56 TS_DATA[5] 5 I2CS_SDA 57 TS_DATA[6] 6 IRQ_N 58 TS_DATA[7] 7 VDDC 59 VDDC 8 GND 9 EXTRSTN 10 SLEEP 60 GND 11 STATUS 61 TS_CLK 12 SADD[4] 62 TS_ERROR_N 13 VDDP 63 GPIO[1] 14 GND 64 VDDC 15 SADD[3] 16 SADD[2] 17 SADD[1] 18 SADD[0] 19 VDDC 20 GND 21 VDDC 22 GND 23 XIN 24 XOUT 25 GND 26 PLLTEST 27 OSCMODE 28 AVDD_18 29 GND 30 VIP 31 VIM 32 GND 33 AVDD_33 34 RFLEV 35 I2CM_SCL/GPIO[2] 36 I2CM_SDA/GPIO[3] 37 VDDC 38 GND 39 VDDC 65 KZ0.1LBYDG C6716 TS_START R1A43304G RP101 L26B2770G L6700 1/10GJ100C R135 VCORE IF_AGC VDD_DE KZ0.1LBYDG C6705 6.3EM220LBVD C6702 10EM220LBWA C6704 1/10GJ2.2MC R144 1/10GZ0C R141 KZ0.1LBYDG C6710 1/10GJ33C R155 VDD_DE 1/10GJ100C R147 1/10GF1KC R139 SYS_RESET L26B2770G L6702 VCC1.8_DE 1/10GJ100C R136 LM1117S-3.3P IC6701 1 ADJUST/GROUND 2 OUTPUT 3 INPUT 4 1/10GJ33C R134 1/10GZ0C R132 VCORE VDD_DE VCORE T_SCL 1/10GZ0C R145 VCC3.3_DE KZ0.1LBYDG C6718 PLLVDD KZ0.1LBYDG C6709 KZ0.1LBYDG C6719 1/10GJ100C R151 5VD #IF_OUT VDD_DE KZ0.1LBYDG C6721 SCL KZ0.1LBYDG C6712 VCC3.3_DE KZ0.1LBYDG C6713 VCC1.8_DE TS_CLK AVDD_DE KZ0.1LBYDG C6724 AMS1117-1.8P IC6700 1 2 3 4 CJ1000CGQ C5905 EM10LBVD C5900 1/10GJ100C R5906 X C5902 1SS356 D5901 KZ0.1LZF C5901 +3.3VD 1/10GJ47KC R5905 QXXAVD046---P IC5900 1 VOUT 2 VSS 3 IN 4 VSEN 5 Cd X D5900 SYSTEM_RST AK Q5900 1/10GJ10KC R5904 X SW5900 1 2 3 4 RXE1- LED1 1/10GJ33C R5511 +3.3VD AV1_V 1/10GJ47C R5502 DQS1 VGA_G KZ0.1LBYDG C5504 KEY1 SIFP VDDC RXOC+ BACKLIGHT_DET ATV_VIN+ SYS_RESET AV2_V HDMI_RX1- +3.3VD HOTPLUG SYSTEM_RST TP7 LED2 ADJ_PWM RXE1+ 1/10GZ0C R5525 SIFM SPI_CSN_2 AVDD_DDR VGA_R ATV_VIN- 16KK0.047GQ C5510 HDMI_RX2+ 1/10GF390C R5500 R1A43304G RB5500 SV1_C 1/10GJ100C R5526 FLASH1_WP RXOC- AVDD_DDR ON_PBACK X C5542 J10AU045N K2002 1 1 2 3 4 4 16KK0.047GQ C5521 KZ0.1LBYDG C5503 RXE2- TP5 VDDC HDMI_RX0+ 16KK0.047GQ C5512 SV1_Y MCLK- PC_R SDA MONITOR_LOUT MDDR_VREF AVDD_AU VDDP OPC_EN RXO1+ MUTE_AMP AUOUTL0 DQM1 KZ0.1LBYDG C5502 HDMI_DDC_SDA MDATA[16-31] 1/10GJ100C R5527 SCL RXE2+ AVDD_MPLL AVDD_OTG MUTE2 MCLK+ PC_L MONITOR_ROUT AUOUTR0 KK8200GQ C5506 HDMI_RXC- RXE0+ 1/10GJ100C R5505 RXO1- EPM_WP AVDD_DDR KZ1000LBYDG C5651 +3.3VD KK0.018GQ C5540 AVDD_DVI QXXAVD113---M IC5500 67 AUVRM 68 AUVRP 69 AUVAG 150 GPIO58/SDATA[2] 151 GPIO59/SDATA[3] 152 GPIO60/SDWPDZ 153 GPIO61/SDCMD 154 GPIO62/SDCLK 155 VDDP 70 AVDD_AU 156 LVA4P 71 AUOUTL2 157 LVA4M 72 AUOUTR2 158 LVA3P 73 AUOUTL1 159 LVA4M 74 AUOUTR1 75 AUOUTL0 76 AUOUTR0 77 VDDP 78 GND 79 VDDC 160 LVACKP 161 LVACKM 162 LVA2P 163 LVA2M 164 LVA1P 165 LVA1M 80 TS0DATA[0] 166 LVA0P 81 TS0DATA[1] 167 LVA0M 82 TS0DATA[2] 168 VDDP 83 TS0DATA[3] 169 LVB4P 84 TS0DATA[4] 85 TS0DATA[5] 86 TS0DATA[6] 87 TS0DATA[7] 88 TS0VALID 89 TS0SYNC 170 LVB4M 171 LVB3P 172 LVB3M 173 LVBCKP 174 LVBCKM 175 LVB2P 90 TS0CLK 176 LVB2M 91 GND 177 LVB1P 92 VDDC 178 LVB1M 93 PCMDATA[7]/CI_DATA[7] 179 LVB0P 94 PCMDATA[6]/CI_DATA[6] 95 PCMDATA[5]/CI_DATA[5] 96 PCMDATA[4]/CI_DATA[4] 97 PCMDATA[3]/CI_DATA[3] 98 PCMDATA[2]/CI_DATA[2] 99 PCMDATA[1]/CI_DATA[1] 1 GPIO0/UART_RX1/CEC 180 LVB0M 2 GPIO1/UART_TX1 181 AVDD_LPLL 3 GPIO2 182 GND 4 GPIO16 183 GND 5 RXCKN 184 VDDC 6 RXCKP 185 CI_RST 7 RX0N 186 GPIO54/SDCDZ 8 RX0P 187 CI_CD 9 AVDD_33 188 GPIO53/MSINS 189 TS1DATA 190 TS1VALID 191 TS1SYNC 192 TS1CLK 193 IRIN 194 INT 195 DQS[3] 196 AVDD_DDR 197 MDATA[31] 198 MDATA[30] 199 GND 200 MDATA[29] 201 MDATA[28] 202 MDATA[27] 203 MDATA[26] 204 DQM[3] 205 MDATA[25] 206 MDATA[24] 207 AVDD_DDR 208 MDATA[23] 209 MDATA[22] 210 MDATA[21] 211 MDATA[20] 212 AVDD_DDR 213 MDATA[19] 214 MDATA[18] 215 GND 216 DQM[2] 217 MDATA[17] 218 MDATA[16] 219 AVDD_DDR 220 DQS[2] 221 IS2_IN_WS/GPIO44 222 I2S_IN_BCK/GPIO45 223 I2S_IN_SD 224 SPDIFI 225 I2S_OUT_MCK 226 I2S_OUT_WS 227 VDDP 228 GND 229 VDDC 230 I2S_OUT_BCK 231 I2S_OUT_SD 10 RX1N 232 SPDIFO 11 RX1P 233 I2S_OUT_MUTE/CEC 12 GND 13 RX2N 14 RX2P 15 GPIO125 16 REXT 17 DDCD_DA 18 DDCD_CK 19 HSYNC1 100 PCMDATA[0]/CI_DATA[0] 101 PCMADR[14]/CI_A[14] 102 PCMADR[13]/CI_A[13] 103 PCMADR[12]/CI_A[12] 104 PCMADR[11]/CI_A[11] 20 VSYNC1 105 PCMADR[10]/CI_A[10] 21 VCLAMP 106 PCMADR[9]/CI_A[9] 22 REFP 107 PCMADR[8]/CI_A[8] 23 REFM 108 VDDP 24 BIN1P 109 PCMADR[7]/CI_A[7] 25 SOGIN1 26 GIN1P 27 RIN1P 28 BINM 29 BIN0P 110 PCMADR[6]/CI_A[6] 111 PCMADR[5]/CI_A[5] 112 PCMADR[4]/CI_A[4] 113 PCMADR[3]/CI_A[3] 251 MADR[10] 114 PCMADR[2]/CI_A[2] 252 MADR[11] 115 PCMADR[1]/CI_A[1] 30 GINM 253 MADR[12] 116 PCMADR[0]/CI_A[0] 31 GIN0P 254 BADR[1] 117 GPIO3 32 SOGIN0 255 BADR[0] 118 GPIO4 33 RINM 256 WEZ 119 DDCA_DA 34 RIN0P 35 AVDD_33 36 GND 37 HSYNC0 38 VSYNC0 39 CVBS7 120 DDCA_CK 121 SAR0 122 SAR1 123 SAR2 124 SAR3 125 PWM0 40 CVBS5 126 PWM1 41 CVBS6 127 PWM2 42 CVBS4 128 PWM3 43 CVBS3 129 DDCR_DA 44 CVBS2 45 CVBS1 46 VCOM1 47 CVBS0 48 VCOM0 49 AVDD_33 130 DDCR_CK 131 HWRESET 132 SCK 133 SDI 134 SDO 135 SCZ 50 CVBSOUT 136 VDDP 51 GND 137 GND 52 AVDD_SIF 138 GPIO15/SDOCDT 53 SIF1P 139 GPIO55/SDPWRCTL 54 SIF1M 55 VDDC 56 GND 57 AUL0 58 AUR0 59 AUL1 140 PCMIOR/CI_RD 141 PCMIOW/CI_WR 142 PCMOEN 143 PCMWEN 144 PCMREG/CI_CLK 145 PCMCEN/CI_CS 60 AUR1 146 PCMIRQ/CI_INT 61 AUL2 147 PCMWAIT/CI_WACK 62 AUR2 148 GPIO56/SDATA[0] 63 AUL3 149 GPIO57/SDATA[1] 64 AUR3 65 AUCOM 66 GND 242 MADR[2] 248 MADR[7] 235 MVREF 241 MADR[1] 247 AVDD_DDR 243 MADR[3] 234 GPIO14/UART_TX1 240 MADR[0] 239 AVDD_MEMPLL 244 MADR[4] 238 MCLKE 245 MADR[5] 250 MADR[9] 237 MCLK 249 MADR[8] 246 MADR[6] 236 MCLKZ 257 RASZ 258 CASZ 259 DQS[1] 260 AVDD_DDR 261 MDATA[15] 262 MDATA[14] 263 GND 264 MDATA[13] 265 MDATA[12] 266 MDATA[11] 267 MDATA[10] 268 VDDC 269 DQM[1] 270 MDATA[9] 271 MDATA[8] 272 AVDD_DDR 273 MDATA[7] 274 MDATA[6] 275 MDATA[5] 276 MDATA[4] 277 AVDD_DDR 278 MDATA[3] 279 MDATA[2] 280 GND 281 DQM[0] 282 MDATA[1] 283 MDATA[0] 284 AVDD_DDR 285 DQS[0] 286 VDDC 287 AVDDL_DVI 288 USB_REXT 289 AVDD_USB 290 USB_DM 291 USB_DP 292 GND 293 XOUT 294 XIN 295 AVDD_MPLL 296 GND 297 GND 16KK0.047GQ C5522 RXE3- VDDP KZ0.1LBYDG C5536 HDMI_RX1+ KK8200GQ C5513 CKE AV2_PR 16KK0.047GQ C5505 AVDD_DDR RXE0- AVDD_DVI RXO3+ VDDP 16KK0.047GQ C5515 VDDC IR HDMI_RX0- ON_PANEL_PWM1 RXE3+ AVDD_MEMPLL AV2_Y AVDD_DDR 1/10GF1KC R5651 KZ0.1LBYDG C5534 VDDC TS_VAL 1/10GJ100C R5506 HDMI_RXC+ 16KK0.047GQ C5511 RXO2+ S_SW DQS3 KK0.018GQ C5541 BA1 RXE4- MDDR_VREF DQM0 16KK0.047GQ C5523 TS_D[0-7] KZ0.1LBYDG C5544 TS_START AV2_PB HDMI_DDC_SCL 16KK0.047GQ C5514 5VSTB P_FAIL1 16KK0.047GQ C5507 RXO0+ 1/10GJ47C R5534 DQM3 X R5532 TS_CLK HDMI_RX2- AVDD_DDR RXE4+ DQS0 AVSOY DVD_SW 1/10GJ4.7KC R5507 VDDC SOG RXO2- BA0 1/10GJ47C R5501 AVDD_DDR SPI_SCK KZ0.1LBYDG C5525 1/10GJ13KC R5529 RXEC+ 1/10GJ2.2MC R5524 VDDC DVD_R 16KK0.047GQ C5546 FLASH2_WP AVDD_ADC SPI_SDI AVDD_DDR SPDIFO VGA_B KZ0.1LBYDG C5524 WEZ 1/10GJ33C R5510 16KK0.047GQ C5508 RXO3- AVDDL_DVI AVDD_ADC X R5533 PWR_ON/OFF RXEC- DVD_L 16KK0.047GQ C5519 SPI_SDO DQM2 1/10GJ4.7KC R5508 HDMI_CEC CVBSOUT VGA_HS RASZ MDATA[0-15] UART_TX1 RXO4- 1/10GJ47C R5503 +3.3VD SPI_CSN_1 1/10GJ13KC R5528 RXO0- TP6 AV1_R AVDD_SIF AVDD_DDR 16KK0.047GQ C5545 UART_RX1 MADR[0-12] VDDP L3BE221PG L8007 VGA_VS CASZ AVDD_LPLL 16KK0.047GQ C5509 AV1_L KZ0.01LBYDG C5650 V10B6830G X5500 VDDC X C5543 KEY0 RXO4+ DQS2 TP4 POWER_KEY 16KK0.047GQ C5520 AVDD_DDR 1/10GF1KC R5650 DDRDQS1 DDRBA0 DDRDQM1 KZ0.1LBYDG C5619 KZ0.1LBYDG C5620 CLKN1 KZ0.1LBYDG C5623 KZ0.1LBYDG C5621 CLK1 M0_CKE DDRDQS0 KZ0.1LBYDG C5624 DDRDQM0 DDRWE KZ0.1LBYDG C5618 KZ0.1LBYDG C5622 DDRCAS DDRRAS K4H561638J-LCCC IC5600 1 VDD 2 DQ0 3 VDDQ 4 DQ1 5 DQ2 6 VSSQ 7 DQ3 8 DQ4 9 VDDQ 10 DQ5 11 DQ6 12 VSSQ 13 DQ7 14 NC 15 VDDQ 16 LDQS 17 NC 18 VDD 19 NC 20 LDM 21 % oWE 22 % oCAS 23 % oRAS 24 % oCS 25 NC 26 BA0 27 BA1 40 A9 41 A11 42 A12 43 NC 44 CKE 45 CK 46 % oCK 47 UDM 48 VSS 49 VREF 50 NC 51 UDQS 52 VSSQ 53 NC 54 DQ8 55 VDDQ 56 DQ9 57 DQ10 58 VSSQ 59 DQ11 60 DQ12 61 VDDQ 62 DQ13 63 DQ14 64 VSSQ 65 DQ15 66 VSS 28 AP/A10 29 A0 30 A1 31 A2 32 A3 33 VDD 34 VSS 35 A4 36 A5 37 A6 38 A7 39 A8 DDRBA1 KZ0.1LBYDG C5625 DQS2 DDRDQM1 DDRBA0 CASZ DDRBA1 DDRWE RASZ DDRCAS DDRDQM0 DDRDQS0 WEZ DQM3 BA1 DDRDQS1 DQS3 DQM2 DDRRAS BA0 1/10GJ33C R5616 KZ0.1LBYDG C5605 M1-BA0 VCC2.5V UDQS0 UDMO L26B2770G L5600 WEZ M1-BA1 DQM0 LDQS0 DQS1 LDQS0 WEZM0 UDMO CASZM0 RASZ DQM1 KZ0.1LBYDG C5607 BA1 LDQM0 MADR[0-12] M1-BA1 WEZM0 M1-CKE RASZM0 UDQS0 CASZ RASZM0 KZ0.1LBYDG C5602 K4H561638J-LCCC IC5601 1 VDD 2 DQ0 3 VDDQ 4 DQ1 5 DQ2 6 VSSQ 7 DQ3 8 DQ4 9 VDDQ 10 DQ5 11 DQ6 12 VSSQ 13 DQ7 14 NC 15 VDDQ 16 LDQS 17 NC 18 VDD 19 NC 20 LDM 21 % oWE 22 % oCAS 23 % oRAS 24 % oCS 25 NC 26 BA0 27 BA1 40 A9 41 A11 42 A12 43 NC 44 CKE 45 CK 46 % oCK 47 UDM 48 VSS 49 VREF 50 NC 51 UDQS 52 VSSQ 53 NC 54 DQ8 55 VDDQ 56 DQ9 57 DQ10 58 VSSQ 59 DQ11 60 DQ12 61 VDDQ 62 DQ13 63 DQ14 64 VSSQ 65 DQ15 66 VSS 28 AP/A10 29 A0 30 A1 31 A2 32 A3 33 VDD 34 VSS 35 A4 36 A5 37 A6 38 A7 39 A8 DQS0 M1-BA0 BA0 CASZM0 LDQM0 DMQC0 DMQC0 MVREF-1 DMQC0 MVREF-2 MVREF-1 KZ0.1LBYDG C5610 KZ0.1LBYDG C5613 KZ0.1LBYDG C5614 KZ0.1LBYDG C5617 KZ0.1LBYDG C5615 KZ0.1LBYDG C5612 KZ0.1LBYDG C5616 KZ0.1LBYDG C5611 DMQC0 MVREF-2 DMQC0 KZ0.1LBYDG C5601 1/10GF1KC R5608 1/10GF1KC R5609 1/10GF1KC R5601 1/10GF1KC R5600 DATA[0-15] M0_MADR[0-12] 1/10GJ22C R5602 1/10GJ22C R5603 1/10GJ22C R5604 1/10GJ22C R5605 1/10GJ22C R5612 1/10GJ22C R5614 1/10GJ22C R5610 1/10GJ22C R5611 1/10GJ22C R5613 1/10GJ56C R5615 1/10GJ300C R5619 CKE MCLK+ MCLK- CK0 CLKN0 CLKN0 CK0 M1-CKE MCLK- MCLK+ 1/10GJ300C R5617 CLK1 CLKN1 M0_CKE 1/10GJ56C R5621 CKE DATA[16-31] MDATA[16-31] M1MADR[0-12] MADR[0-12] MDATA[0-15] DATA[0-15] M0_MADR[0-12] DATA[16-31] M1MADR[0-12] 1/10GJ22C R5607 1/10GJ100C R8080 1/10GJ100C R8077 SPI_CSN_2 X R5754 X R5750 SCL 1/10GJ33KC R5752 KZ0.1LBYDG C8070 1/10GJ100C R8074 SPI_SCK SPI_SDO +3.3VD SPI_SDI X C5756 WP X R5755 EPM_WP SPI_CSN_1 SDA SPI_SCK 6.3EM47LBWA C5750 1/10GJ4.7KC R8078 1/10GJ10KC R8072 KZ0.1LBYDG C5752 J10AU055N K8003 1 2 3 4 5 SPI_SDI QXXAVD115---P IC8001 1 A0 2 A1 3 A2 4 VSS 5 SDA 6 SCL 7 WP 8 VCC +3.3VD KZ0.1LBYDG C5755 +3.3VD 1/10GJ100C R8081 1/10GJ4.7KC R8079 KZ0.1LBYDG C8071 QXXAAJQ1027-- IC5750 1 /CS 2 DO 3 /WP 4 GND 5 DIO 6 CLK 7 /HOLD 8 VCC X R5751 FLASH1_WP X IC5751 1 /CS 2 DO 3 /WP 4 GND 5 DIO 6 CLK 7 /HOLD 8 VCC SPI_SDO QXXAVC839---P IC8002 1 A0 2 A1 3 A2 4 VSS 5 SDA 6 SCL 7 WP 8 VCC SCL FLASH2_WP SDA 1/10GJ100C R8073 1/10GJ47C R126 5V_B2 X R108 5VA QFSA1156P6X-P IC8003 1 A 2 GND 3 B 4 S 5 NC 6 VCC SIFM IF_TV X C111 SIFP X D100 RF_AGC SDA 5V_IFVCC 10KK0.22GQ C109 IF_TV X R107 X C120 L26B2770G L6705 5VA T_SDA L26B2770G L6709 1/10GJ100C R122 WFXLBB008---N XL101 TDA9886TSV4P IC101 1 VIF1 2 VIF2 3 OP1 4 FMPLL 5 DEEM 6 AFD 7 DGND 8 AUD 9 TOP 10 SDA 11 SCL 12 SIOMAD 13 n.c. 14 TAGC 15 REF 16 VAGC(1) 17 CVBS 18 AGND 19 VPLL 20 Vp 21 AFC 22 OP2 23 SIF1 24 SIF2 #IF_OUT 10EM220LBVD C6732 KK0.01LBYAG C114 X R103 ATV_VIN+ X R112 KZ0.01LBYDG C136 1/10GJ330C R113 IF_AGC CJ390CGQ C115 KZ0.1LBYDG C102 X R110 1/10GJ100C R102 T_RF_AGC 5V_B1 5V_B1 KZ0.1LBYDG C106 1/10GJ100C R101 1/10GZ0C L105 16KK0.01LBYAG C116 1/10GJ75C R128 1/10GJ100C R123 L26B2770G L101 WFXLBB007---N XL100 RF_AGC_SEL 5V_IF TV_VIDEO 1/10GJ220C R125 X Q100 1/10GJ100C R119 1/10GJ1KC R158 SCL 10EM220LBVD C6729 KK1500GQ C110 5V_OUT 10KK0.47GQ C108 X R124 X R109 KZ0.1LBYDG C132 1/10GJ100KC R117 1/10GJ22KC R115 T_SCL 10EM47LBVD C6739 L26B2770G L110 1/10GJ47C R127 1/10GJ47C R130 5VA KZ0.1LBYDG C104 TV_VIDEO IF_OUT KK0.01LBYAG C113 5V_IFVCC 1/10GZ0C R118 5V_IF 1AV4F1BRZ0010 A101 10 DIF 2 12 AIF 1 ANT_PWR 2 B1(+5V) 3 RF AGC 5 SDA 6 B2(+5V) 4 SCL 8 A.S 9 IF AGC 13 GND 14 GND 11 DIF 1 15 GND 16 GND X R100 L26B2770G L6708 AH Q101 1/10GZ0C R160 1/10GZ0C R104 X R120 KZ0.1LBYDG C6731 KK0.01LBYAG C112 X D102 ATV_VIN- 6.3EM47LBWA C103 1/10GJ10KC R157 X C119 16KK0.47GQ C117 1/10GJ22KC R116 KZ0.1LBYDG C6728 1/10GJ47C R131 5V_B2 RF_AGC_SEL 1/10GJ22KC R114 CJ22CGQ C107 10EM47LBVD C6735 RF_AGC 5V_IF 1/10GJ75C R129 T_RF_AGC 1/10GJ5.6KC R121 X R156 16KK0.1LBYAG C123 R1A42204G RP5615 R1A42204G RP5614 R1A42204G RP5613 R1A42204G RP5612 R1A42204G RP5605 R1A42204G RP5607 R1A42204G RP5608 R1A42204G RP5606 R1A42204G RP5616 CJ10CGQ C5501 CJ10CGQ C5500 CJ10CGQ C125 CJ10CGQ C124 1LB4R1YA560JG RP5609 1LB4R1YA560JG RP5604 1LB4R1YA560JG RP5600 1LB4R1YA560JG RP5610 1LB4R1YA560JG RP5602 1LB4R1YA560JG RP5611 L26B2770G L7501 1/10GJ33C R5520 1/10GJ4.7KC R5519 1/10GJ10KC R5517 X C128 X C129 16KK0.1LBYAG C127 16KK0.1LBYAG C126 CJ56LBZBG C134 VDD_DE VDD_DE KZ0.1LBYDG C135 10KZ1LBYDG C6734 10KZ1LBYDG C6738 16EM100LBVD C1062 +12VA +12VA V10B6260N X101 1/10GJ10KC R8022 1/10GJ10KC R8020 X C5754 R1A42204G RP5617 1LB4R1YA560JG RP5603 1LB4R1YA560JG RP5601 RGF990FTCANL R5521 KZ0.022LBYDG C133 1/10GJ100C R159 1/10GJ1KC R5509 1/10GJ1KC R5504 J10AU045N K8000 1 1 2 3 4 4 CJ22CGQ C100 CJ22CGQ C101 L26B2770G L1062 KZ0.1LBYDG C6727 6.3EM470LBVD C6706 +5VTU +5VTU 5VA 5VA 5VA 5V_IF KZ0.1LBYDG C8008 6.3EM470LBVD C5603 LED3 LED3 1/10GJ10KC R5539 1/10GJ10KC R5538 R1A41034G RB5501 KZ0.1LBYDG C6707 10KK1LZB C5537 1/10GJ10KC R7508 R1A44704G RP102 1/10GJ4.7KC R133 1/10GJ4.7KC R142 1/10GJ4.7KC R153 1/10GJ2.7KC R149 1/10GJ2.7KC R150 1SS352G D6701 P_FAIL AUOUTR0 PH-R ROUT LOUT PH-L AUOUTL0 1/10GZ0C R1054 1/10GJ33KC R5753 KZ0.1LBYDG C5751 1/10GJ75C R111 6.3KK2.2LBYAG C5535 6.3KK2.2LBYAG C5538 6.3KK2.2LBYAG C5600 6.3KK2.2LBYAG C5606 6.3KK2.2LBYAG C5608 6.3KK2.2LBYAG C5609 X C5904 6.3KK2.2LBYAG C5906 KZ0.1LBYDG C6726 J10AU065N K8001 1 1 2 3 4 4 5 6 1/10GJ100KC R5902 1/10GJ10KC R8082 1/10GJ100KC R5903 1/10GZ0C R5901 25KK0.22LZB C5903 L26B2770G L5750 10KK2.2LBYAG C1060 10KK2.2LBYAG C1061 10KK2.2LBYAG C1064 10KK2.2LBYAG C1067 10KK2.2LBYAG C3102 10KK2.2LBYAG C3105 10KK2.2LBYAG C5530 10KK2.2LBYAG C5533 10KK2.2LBYAG C5529 10KK2.2LBYAG C5531 10KK2.2LBYAG C5528 10KK2.2LBYAG C5532 10KK2.2LBYAG C6730 1LB4V10B0630G X100 4 1 2 3 1/10GJ100C R106 1/10GJ100C R105 KK1000LBYAG C118 16EM10LBVD C6708 16EM10LBVD C6715 16EM10LBVD C6717 16EM10LBVD C6720 16EM10LBVDJ C105 1/10GJ390C R140 SC07 1 2 3 4 5 6 7 8 9 10 11 12 13 14 SC08 1 2 3 4 5 6 7 8 9 10 11 12 13 14 SC06 1 2 3 4 5 6 7 8 9 10 11 12 13 14 SC05 1 2 3 4 5 6 7 8 9 10 11 12 13 14 SC03 1 2 3 4 5 6 7 8 9 10 11 12 13 14 SC04 1 2 3 4 5 6 7 8 9 10 11 12 13 14 SC02 1 2 3 4 5 6 7 8 9 10 11 12 13 14 SC01 1 2 3 4 5 6 7 8 9 10 11 12 13 14 SC10 1 2 3 4 5 6 7 8 9 10 11 12 13 14 SC012 1 2 3 4 5 6 7 8 9 10 11 12 13 14 SC11 1 2 3 4 5 6 7 8 9 10 11 12 13 14 SC09 1 2 3 4 5 6 7 8 9 10 11 12 13 14 J30A00102 TP1 J30A00102 TP2 1/10GJ12KC R3105 1/10GJ12KC R3100 1/10GJ2.2KC R3104 1/10GJ2.2KC R3103 CJ220LBZBG C3100 CJ220LBZBG C3104 1/10GZ0C R5531 1/10GZ0C R5530 1/10GJ4.7KC R8021 BIT_SELECT LVDS_SELECT TS_D[0] TS_D[6] TS_D[7] TS_D[2] TS_D[1] TS_D[5] TS_D[4] TS_D[3] DATA[12] M0_MADR[4] DATA[31] M1MADR[4] DATA[18] MADR[0] TS_D[5] DATA[11] M0_MADR[3] DATA[30] MDATA[31] M1MADR[3] MDATA[15] DATA[17] TS_D[4] DATA[10] M0_MADR[2] DATA[29] MDATA[30] MDATA[31] M1MADR[2] MDATA[14] M0_MADR[11] DATA[16] DATA[9] TS_D[3] M0_MADR[1] DATA[28] MDATA[29] MDATA[30] M1MADR[1] MDATA[13] M0_MADR[10] DATA[8] TS_D[2] M0_MADR[0] DATA[27] MDATA[28] MDATA[29] M1MADR[0] MDATA[12] M0_MADR[9] DATA[7] TS_D[1] DATA[26] MDATA[27] MDATA[28] MDATA[11] M0_MADR[8] DATA[6] TS_D[0] DATA[25] MDATA[26] MDATA[27] MDATA[10] DATA[5] M0_MADR[7] MADR[0] DATA[24] MDATA[25] MDATA[26] MDATA[9] DATA[4] MADR[1] DATA[23] MDATA[24] MDATA[25] MDATA[8] DATA[3] M1MADR[12] DATA[22] M0_MADR[12] MDATA[23] MDATA[24] MDATA[7] DATA[2] M1MADR[11] DATA[21] MDATA[22] MDATA[23] MDATA[6] MDATA[15] DATA[1] DATA[20] MDATA[21] M1MADR[10] MDATA[22] MDATA[5] MDATA[14] DATA[0] DATA[19] MDATA[20] MDATA[21] M1MADR[9] MADR[2] MDATA[4] MDATA[13] DATA[15] DATA[18] MDATA[19] MDATA[20] M1MADR[8] MADR[3] MDATA[3] MDATA[12] DATA[14] MADR[12] DATA[17] MDATA[18] MDATA[19] M1MADR[7] MADR[4] MDATA[2] MDATA[11] DATA[13] MADR[11] DATA[16] MDATA[17] MDATA[18] MADR[5] MDATA[1] M1MADR[6] MDATA[10] DATA[12] MADR[10] MDATA[16] MDATA[17] DATA[31] MADR[6] MDATA[0] M1MADR[5] MDATA[9] MADR[9] DATA[11] MDATA[16] DATA[30] MADR[7] M1MADR[4] MDATA[8] MADR[8] MADR[12] DATA[10] DATA[29] MADR[8] M1MADR[3] MDATA[7] MADR[7] M0_MADR[6] MADR[11] DATA[9] DATA[28] MADR[9] MDATA[6] M1MADR[2] M0_MADR[5] MADR[6] MADR[10] DATA[8] MADR[10] DATA[27] MDATA[5] M1MADR[1] M0_MADR[4] MADR[5] MADR[9] DATA[7] DATA[26] M0_MADR[12] MDATA[4] M1MADR[12] M1MADR[0] MADR[4] M0_MADR[3] MADR[11] MADR[8] DATA[6] M0_MADR[11] DATA[25] MDATA[3] M1MADR[11] MADR[3] MADR[7] M0_MADR[2] DATA[5] M0_MADR[10] MDATA[2] DATA[24] M1MADR[10] MADR[2] MADR[6] M0_MADR[1] DATA[4] M0_MADR[9] MADR[12] MDATA[1] DATA[23] M1MADR[9] MADR[1] MADR[5] M0_MADR[0] M0_MADR[8] DATA[3] MDATA[0] DATA[22] M1MADR[8] MADR[0] MADR[4] DATA[15] M0_MADR[7] DATA[2] M1MADR[7] DATA[21] MADR[3] DATA[14] M0_MADR[6] DATA[1] M1MADR[6] DATA[20] MADR[2] TS_D[7] DATA[13] M0_MADR[5] DATA[0] M1MADR[5] DATA[19] MADR[1] TS_D[6] OPC_EN BACKLIGHT IR 5VSTB GND LED1 LED2 LED3 DEBUG PORT AV MONITOR OUTPUT AUDIO OP AMP TUNER CIRCUIT DVB-T DEMODULATOR (MSTAR'S MSB1200) GND KEY_POWER KEY1 KEY0 CE6353 CPU RESET(ACTIVE HIGH) RS_TX Close to IC LVDS I/F TS INPUT I/F FROM MSB1200(IC102) SPI FLASH I/F RS_RX QXXAVD117---M QXXAVD117---M 256Mb X 2 DDR FOR HD CLOSE TO CPU CLOSE TO CPU I2C ADDRESS AT A4 SPI FLASH HDCP KEY TEMPORARY INFO EERPOM 32Mb SPI FLASH PLS PLACE CLOSED TO IC5500(MSD109) I2C ADDRESS AT A0 OPTION FOR AIR UPDATE K3953M K9650M SAW FILTER CLOSED TO TUNER SAW FILTER TDTC-G501D XC6108 QFSA1156P6X-P MSD109CL-H-LF AT24C512 AT24C04 LVDS CABLE I/F MAIN BOARD 2/1 41 Schematic Diagram 1/10GJ10KC R6520 HDMI1_RX1- HDMI3_RX1+ HDMI_RX0- HDMI_RXC- HDMI3_RXC- 1/10GJ27KC R6532 HDMI2_RX0- HDMI_RX0+ 1/10GJ47KC R6540 HDMI_RX1+ HDMI_RXC+ RX5V2_DDC_SDA HDMI3_RX2- HDMI3_RX2+ HDMI3_RX0+ X Q6500 X R6535 PS301-VCC X R6518 HDMI1_RX0+ HDMI2_RX0+ 1/10GJ100C R6537 HDMI_RX2- PS301-VCC HDMI2_RX2- CEC1 X R6519 HDMI2_RX1+ PS301-VCC RX5V1_DDC_SDA X R6545 RGF4990FTCANL R6528 HDMI3_RX0- HDMI3_RXC+ HDMI1_RX1+ HDMI1_RX0- HDMI_RX2+ RX5V1_DDC_SCL HDMI2_RXC- 1/10GJ47KC R6539 HDMI1_RXC- RX5V3_DDC_SCL HDMI1_RX2- 1/10GJ27KC R6529 HDMI_DDC_SCL PS301-VCC RX5V3_DDC_SDA 1/10GJ100C R6536 HDMI1_RX2+ HDMI3_RX1- HDMI_CEC X D6503 HDMI1_RXC+ HDMI2_RX2+ HDMI_DDC_SDA HDMI2_RX1- RX5V2_DDC_SCL CEC2 1/10GJ10KC R6527 CEC3 1/10GJ10KC R6569 PS301-VCC HDMI2_RXC+ 1/10GJ27KC R6538 HDMI_RX1- Z30B0220G SC6503 1 2 HDMI1_RX1- HDMI2_HPD J11B6930M K6503 1 19 20 21 22 23 HDMI1_RXC- HDMI3_RX0- Z30B0220G SC6502 1 2 Z30B0220G SC6508 1 2 1/10GJ100C R6505 HDMI2_RX1+ Z30B0220G SC6506 1 2 HDMI3_RX2+ HDMI3_RXC+ 1/10GJ47KC R6551 HDMI3_RX2- HDMI2_RX0+ CEC1 HDMI1_RX2+ HDMI2_RXC- 1/10GJ10KC R6524 1/10GJ47KC R6547 1/10GJ100C R6517 RX5V2_DDC_SDA Z30B0220G SC6504 1 2 1/10GJ10KC R6514 1/10GJ47KC R6549 HDMI2_RX2+ HDMI2_RX0- HDMI3_5VIN HDMI1_RX1+ HDMI2_RX1- HDMI2_5VIN Z30B0220G SC6500 1 2 RX5V3_DDC_SDA HDMI3_RX0+ 1/10GJ100C R6516 1/10GJ100C R6507 HDMI2_RX2- J11B6930M K6501 1 19 20 21 22 23 HDMI1_5VIN HDMI1_RX0- 1/10GJ100C R6526 Z30B0220G SC6501 1 2 1/10GJ100C R6525 Z30B0220G SC6507 1 2 HDMI1_RX0+ HDMI3_RX1+ HDMI2_RXC+ RX5V2_DDC_SCL RX5V1_DDC_SDA 1/10GJ47KC R6548 CEC2 1/10GJ47KC R6546 RX5V3_DDC_SCL CEC3 1/10GJ10KC R6513 1/10GJ47KC R6550 HDMI3_RXC- HDMI1_RXC+ RX5V1_DDC_SCL Z30B0220G SC6505 1 2 HDMI3_RX1- HDMI1_RX2- PC5V 5VD 1/10GJ470C R1518 VGA_G VGA_HS 1/10GJ4.7KC R1503 1/10GJ47C R1514 CL1500 VGA_R X C1607 CL1501 X C1605 X SC1504 1 2 1/10GJ4.7KC R1500 24LC21A/SNP IC1501 1 A0 2 A1 3 A2 4 VSS 5 SDA 6 SCL 7 TEST 8 VDD 1/10GZ0C R1502 J11B2731N K1502 1 2 3 4 5 6 7 8 9 10 11 12 13 14 15 16 17 1/10GJ4.7KC R1508 X C1503 X R1501 16KK0.1GQ C1500 VGA_VS X SC1502 1 2 1/10GJ47C R1513 X SC1500 1 2 UDZS5.6BG D1502 1/10GJ4.7KC R1509 CJ100LBZBG C1501 X C1606 UDZS5.6BG D1503 CL1503 CJ100LBZBG C1502 SOG 1SS352G D1501 1/10GJ47C R1515 X SC1503 1 2 1/10GJ100C R1517 X C1604 CL1504 X SC1505 1 2 CL1502 1/10GJ75C R1510 1SS352G D1500 X SC1506 1 2 1/10GJ75C R1512 1/10GJ75C R1511 VGA_B 1/10GJ100C R1516 X SC1501 1 2 PH-LOUT PH-ROUT X C1031 X C1030 K1002_2 K1002_3 J12B07600 K1002 1 2 3 4 5 6 7 8 9 K1002_1 1/10GZ0C R010 AH Q001 25KK0.22LZB C009 1/10GZ0C R004 ROUT KK0.1GQ C011 25KK0.22LZB C012 KZ0.47FB C013 35EM1000LBVD C016 35EM470LBVD C008 KZ0.47FB C014 35EM1000LBVD C015 1/10GZ0C R006 LOUT 24VA X SC1507 1 2 PC_L CL10 1/10GJ12KC R1519 X C1512 PC_R X C1511 CL12 1/10GJ12KC R1520 1/10GJ10KC R1522 X SC1508 1 2 1/10GZ0C L1500 1/10GJ10KC R1521 1/10GZ0C L1501 J12B06800 K1501 CL11 K1000_9 K1000_2 K1000_10 K1000_5 K1000_6 K1000_1 1/10GJ10KC R1031 K1003_8 K1003_3 X C1026 DVD_L K1003_9 X SC1013 1 2 AV2_V 1/10GJ12KC R1032 K1003_6 1/10GJ470C R1028 1/10GJ75C R1026 CJ10LBZBG C1021 AVSOY 1/10GJ75C R1029 K1003_2 K1003_5 AV2_PR X SC1011 1 2 X SC1012 1 2 X C1019 DVD_SW 1/10GJ10KC R1036 X C1023 CJ10LBZBG C1024 X SC1014 1 2 K1003_7 1/10GJ75C R1034 K1003_1 1/10GJ12KC R1037 1/10GJ47C R1027 AV2_Y X SC1009 1 2 X SC1010 1 2 K1003_10 DVD_R AV2_PB K1003_4 1/10GJ10KC R034 PH-LOUT 5VD TPA6110A2P IC003 1BYPASS 2 GND 3SHUTDOWN 4 IN2 5 VO2 6 VDD 7 VO1 8 IN1- KK0.1GQ C037 PH-R AH Q006 HP_MUTE PH-ROUT 1/10GZ0C R027 PH-L L2GM3R3MG L004 KK0.01GQ C029 1/10GJ10KC R025 1/10GJ5.6KC R035 16KK0.22GQ C030 L26B2770G L6817 10EM220LBWA C6863 5VD KZ0.1LBYDG C6864 LM1117S-3.3P IC6901 1 ADJUST/GROUND 2 OUTPUT 3 INPUT 4 16KK0.1GQ C6866 16KK0.1GQ C6867 16KK0.1GQ C6868 16KK0.1GQ C6869 16KK0.1GQ C6870 16KK0.1GQ C6871 16KK0.1GQ C6872 16KK0.1GQ C6874 16KK0.1GQ C6873 16KK0.1GQ C6875 PS301-VCC 1/10GZ0C R1043 1/10GJ75C R1039 1/10GJ82C R1053 K1004_4 K1004_6 1/10GJ82C R1052 X R1042 X R1041 X Q1010 K1004_3 B4J31B01101 K1004 1 2 3 4 5 6 7 8 9 K1004_G K1004_G3 K1004_7 1/10GJ220C R1048 X R1040 X R1016 EM4.7LBVD C1035 24VA AH Q002 AH Q003 UDZS20BG D001 1/10GJ1.2KC R016 1/10GZ0C R014 MUTE_AMP 1/10GJ47KC R6553 1/10GJ10KC R6554 1/10GJ10KC R047 HP_MUTE 1/10GJ10KC R012 AH Q004 1/10GJ10KC R020 1/10GZ0C R019 JACK_MUTE JACK_MUTE 5VD SPDIFO SDA SCL J11B6930M K6502 1 19 20 21 22 23 SV1_C SV1_Y S_SW HOTPLUG HDMI3_5VIN HDMI2_5VIN HDMI1_5VIN X R6556 PS301-VCC X R6557 1/10GJ33C R1507 1/10GJ33C R1506 UART_TX UART_RX 1/10GJ75C R1079 1/10GJ75C R1047 1/10GJ5.6KC R029 1/10GJ10KC R028 1/10GJ10KC R037 PS301-VCC 1/10GJ10KC R6558 HDMI1_HPD HDMI1_HPD 1/10GJ10KC R6564 PS301-VCC HDMI3_HPD HDMI3_HPD R6561 1/10GJ10KC HDMI2_HPD PS301-VCC 1/10GJ47C R1080 X R003 X R005 10EM47LBVD C032 10EM100LBVD C033 10EM100LBVD C034 PS301-VCC 6.3EM100LBVD C6865 1/10GZ0C R002 1/10GJ10KC R048 QXXAVD112---P IC001 1 PVCCL 2 % oSD 3 PVCCL 4 MUTE 5 LIN 6 RIN 7 BYPASS 8 AGND 9 AGND 10 PVCCR 11VCLAMP 12 PVCCR 13 PGNDR 14 PGNDR 15 ROUT 16 BSR 17 GAIN1 18 GAIN0 19 AVCC 20 AVCC 21 BSL 22 LOUT 23 PGNDL 24 PGNDL RCLAMP0524PP IC6506 1 2 3 4 5 6 10 9 7 RCLAMP0524PP IC6504 1 2 3 4 5 6 10 9 7 RCLAMP0524PP IC6505 1 2 3 4 5 6 10 9 7 RCLAMP0524PP IC6502 1 2 3 4 5 6 10 9 7 RCLAMP0524PP IC6501 1 2 3 4 5 6 10 9 7 RCLAMP0524PP IC6503 1 2 3 4 5 6 10 9 7 EDID_BRG_EN I2C_CTL_EN X SC1021 X SC1020 X SC1022 35EM100LBWA C010 PS321TQFP80M IC6500 1 PC0/I2C_RST 2 SDA1 3 SCL1 4 GND 5 B11 6 A11 7 VCC 8 B12 9 A12 10 GND 11 B13 12 A13 13 VCC 14 B14 15 A14 16 GND 17 VCC 18 REXT 19 NC 20PC1/POWDN 21 S1/SDA_CTL 22 S2/SCL_CTL 23 S3/I2C_ADDR GND 24 GND 25 Y4 26 Z4 27 VCC 28 Y3 29 Z3 30 GND 31 Y2 32 Z2 33 VCC 34 Y1 35 Z1 36 GND 37 I2C_CTL_EN 38 SCL_SINK 39 SDA_SINK 40 HPD_SINK 41 POW_SINK 42 OE#/STANDBY 43 POW_SINK 44 HPD3 45 SDA3 46 SCL3 47 GND 48 B31 49 A31 50 VCC 51 B32 52 A32 53 GND 54 B33 55 A33 56 VCC 57 B34 58 A34 59 GND 60 CEXT 61 POW2 62 HPD2 63 SDA2 64 SCL2 65 EDID_BRG_EN 66 GND 67 B21 68 A21 69 VCC 70 B22 71 A22 72 GND 73 B23 74 A23 75 VCC 76 B24 77 A24 78 GND 79 POW1 80 HPD1 1/10GJ1KC R1038 1/10GJ1KC R1051 MUTE2 AH Q007 1/10GJ10KC R038 5VD 5VD 1/10GJ10KC R6560 1/10GJ10KC R6563 1/10GJ10KC R6566 X R6565 X R6562 X R6559 AVDD_MEMPLL AVDD_LPLL +3.3VD 16KK0.1GQ C6821 VDDP L26B2770G L6811 AVDD_ADC L26B2770G L6809 AVDD_OTG VDDP 16KK0.1GQ C6823 L26B2770G L6805 AVDD_LPLL 16KK0.1GQ C6822 16KK0.1GQ C6837 AVDD_AU 16KK0.1GQ C6824 L26B2770G L6808 AVDD_SIF 16KK0.1GQ C6825 KZ0.1LBYDG C6817 L26B2770G L6812 AVDD_ADC L26B2770G L6803 16KK0.1GQ C6826 L26B2770G L6804 AVDD_OTG AVDD_AU 16KK0.1GQ C6831 AVDD_MPLL 16KK0.1GQ C6832 L26B2770G L6807 KZ0.1LBYDG C6815 16KK0.1GQ C6834 AVDD_DVI AVDD_MPLL 16KK0.1GQ C6840 5VSTB 16KK0.1GQ C6836 AMS1117-3.3P IC6801 1 Ground/Adjust 2 Vout 3 Vin 4 +3.3VD AMS1117-3.3P IC6802 1 Ground/Adjust 2 Vout 3 Vin 4 16KK0.1GQ C6842 AVDD_DVI 16KK0.1GQ C6827 AVDD_SIF X L6810 L26B2770G L6802 5VSTB AVDD_MEMPLL 16KK0.1GQ C6828 L26B2770G L6801 VDDP L26B2770G L6806 16KK0.1GQ C6839 AVDD_MPLL 16KK0.1GQ C6806 AVDD_DDR 5VD 16KK0.1GQ C6808 16KK0.1GQ C6810 16KK0.1GQ C6812 X L6823 L26B2770G L6800 VCC2.5V AMS1117-2.5P IC6800 1 2 3 4 16KK0.1GQ C6801 16KK0.1GQ C6807 16KK0.1GQ C6809 16KK0.1GQ C6805 16KK0.1GQ C6811 16KK0.1GQ C6813 VCC2.5V L26B2770G L6822 5VSTB 16KK0.1GQ C6802 L26B2770G L6814 VCC1.2V 10EM100LBVD C6843 L2WS3R6NG L6816 VDDC 16KK0.1GQ C6856 6.3EM1000LBVD C6852 16KK0.1GQ C6844 16KK0.1GQ C6857 VDDC L26B2770G L6815 16KK0.1GQ C6860 VCC1.2V 16KK0.1GQ C6861 16KK0.1GQ C6862 5VSTB 16KK0.1GQ C6859 L26B2770G L6813 AVDDL_DVI 1/10GZ0C R6820 16KK0.1GQ C6858 16KK0.1GQ C6854 QST1S10PHR--P IC6803 1 A0 2 A1 3 A2 4 VSS 5 SDA 6 SCL 7 TEST 8 VDD AH Q6801 CL1503_1 16KK0.1GQ C405 12VP AH Q6805 1/10GJ10KC R6824 5VA 1/10GJ10KC R6828 X C401 24VA KK0.1GQ C058 AH Q6806 16KK0.1GQ C131 1/10GJ10KC R6803 ON_PANEL_PWM1 5VD 5VSTB 1/10GJ10KC R6804 1SS352G D004 P_FAIL CL101_1 EM100LBVD C057 5VSTB CL1503_2 PWR_ON/OFF 16KK0.1GQ C402 ON_PANEL CL1503_12 16KK0.1GQ C6877 1/10GJ10KC R6826 CL001_2 P_FAIL CL1503_3 5VD TPC8109P IC6804 1 S 2 3 4 G 5 6 7 8 D 1/10GJ4.7KC R6827 CL1503_4 CL001_1 POWER_ON J10AU145N K1503 1 1 2 3 4 5 6 7 8 9 10 11 12 13 13 14 14 KK0.1GQ C056 5VSTB 1/10GJ10KC R6825 12VA CL1503_9 EM100LBVD C055 1SS352G D002 L26B2770G L005 CL1503_7 16KK0.1GQ C406 1SS352G D003 X K101 1 1 2 2 P_FAIL POWER_ON 10EM470LBVD C6876 CL101_2 OPC_OUT BLON CL38 X Q6802 1/10GJ10KC R7514 X R7524 X R7516 CL37 1/10GZ0C R1526 CL39 1/10GJ10KC R1524 VBR_OUT1 X R7517 X C8072 X R1525 X R7515 J10AU045N K1521 1 1 2 3 4 4 X R1523 ADJ_PWM X R7522 1/10GJ47KC R7384 AH Q6803 BLON 1/10GJ10KC R7385 ON_PBACK P_FAIL AH Q7208 AK Q7207 1/10GJ10KC R7519 5VD 1/10GJ10KC R7525 1/10GJ47KC R7383 +3.3VD 1/10GJ2.7KC R7380 1/10GJ2.2KC R7381 1/10GJ4.7KC R7382 KK2200LBYAG C7351 1/10GJ10KC R7520 X Q6804 X R7523 P_FAIL1 5VD B4J12B08400 K1000 1 2 3 4 5 6 7 8 9 10 11 12 13 14 5VSTB 6.3EM100LBVD C6849 6.3EM470LBVD C6816 6.3EM1000LBVD C6803 16EM470LBVD C403 10EM470LBVD C400 L26B2770G L6818 6.3EM1000LBVD C6851 16KK0.1GQ C6848 X C1006 K1000_3 X SC1000 1 2 AV1_R K1000_11 X SC1002 1 2 1/10GJ75C R1000 X C1003 AV1_L X C1000 1/10GJ47C R1001 1/10GJ10KC R1003 K1000_7 AV1_V 1/10GJ10KC R1006 X SC1004 1 2 1/10GJ12KC R1007 1/10GJ12KC R1004 10EM220LBVD C1002 MONITOR_L X SC1003 1 2 X C1007 MONITOR_V X C1004 K1000_12 1/10GJ100KC R1005 1/10GJ100KC R1008 K1000_8 MONITOR_R X C1001 X SC1005 1 2 K1000_4 1/10GJ100KC R1002 X SC1001 1 2 6.3EM470LBVD C6804 10EM220LBVD C6800 1LB4J12B05501 K1003 1 2 3 12 11 10 9 8 7 6 5 4 +3.3VD SHA01 1 SHA02 1 SHA03 1 SHA04 1 SHA05 1 SHA06 1 SHA07 1 SHA08 1 SHB01 1 2 SHB02 1 2 SHB03 1 2 SHB04 1 2 SHB05 1 2 KK0.1LBYAG C007 KK0.1LBYAG C002 1/10GJ10KC R011 1/10GJ10KC R013 1/10GJ10KC R021 KK0.1LBYAG C018 L2WK470MN L002 L2WK470MN L001 1/10GF10KC R6822 1/10GF10KC R6821 1/10GF6.8KC R6823 1/10GJ10KC R6555 1/10GZ0C R7521 X R7518 KZ0.1LBYDG C6818 KZ0.1LBYDG C6819 1SS352G D6802 P_FAIL 1SS352G D6801 P_FAIL 1SS352G D6803 P_FAIL L26B2770G L006 J10AU025N KSP9R 11 22 KSP9R_1 KSP9R_2 J10AU035N KSP9L 1 3 KSP9L_1 KSP9L_2 5VD_AMP 5VD_AMP GND GND GND GND GND GND GND GND GND GND GND GND GND GND GND GND GND GND GND GND GND GND GND GND GND GND GND 1/10GJ1KC R6567 1/10GJ1KC R6568 1/10GJ1KC R6570 AH Q6501 AH Q6502 AH Q6503 1/10GJ47KC R6541 X R6552 1/10GJ4.7KC R017 1/10GJ4.7KC R018 1/10GJ47KC R009 GND 10EM220LBVD C6814 6.3KK2.2LBYAG C6829 6.3KK2.2LBYAG C6830 6.3KK2.2LBYAG C6833 6.3KK2.2LBYAG C6835 6.3KK2.2LBYAG C6838 6.3KK2.2LBYAG C6841 6.3KK2.2LBYAG C6846 6.3KK2.2LBYAG C6847 6.3KK2.2LBYAG C6853 6.3KK2.2LBYAG C6855 6.3KK2.2LBYAG C6820 10EM100LBVD C130 10EM100LBVD C6850 16KK4.7GMB C6845 1/10GZ0C R7504 10KK2.2LBYAG C6508 1/10GJ47C R1030 1/10GJ47C R1035 1/10GJ47C R1046 1/10GJ47C R1045 35EM470LBVD C001 16KK1LBYAG C003 16KK1LBYAG C004 16KK1LBYAG C005 16KK1LBYAG C006 16KK1LBYAG C017 16KK1LBYAG C031 16KK1LBYAG C035 16EM10LBVD C1005 16EM10LBVD C1008 CJ22VBG C1504 CJ22VBG C1505 KK1000LBYAG C1506 16KK1LBYAG C6502 16KK1LBYAG C6504 16KK1LBYAG C6506 J10AU055N K001 1 1 2 3 4 4 5 1/10GJ1.2KC R015 +3.3VD 5VD X R1504 X C1507 1/10GZ0C R6510 1/10GZ0C R6511 1/10GZ0C R6509 HDMI SWITCH, 3 INPUT 1 OUTPUT C Y SW +3.3V FOR I/O AND ADC +2.5V FOR CPU DDR +1.2V FOR CPU CORE +24V FOR AU AMP +5.0V FOR TUNER POWER SUPPLY FROM POWER BOARD BLON I_PWM E_PWM PWM_SEL AUDIO AMPLIFIER CIRCUIT(10W X 2) HDMI INPUT 1/2/3 PC VIDEO & AUDIO INPUT QST1S10PHR--P L GND GND R AV1 S_VIDEO INPUT S/PDIF OUTPUT AV2 Y/PB/PR & L/R INPUT AV1 CVBS INPUT AND MONITOR OUT HD_PHONE OUTPUT 6DB AUDIO AMPLIFIER MAIN BOARD 2/2 42 Schematic Diagram POWER BOARD P-GND 32V B4Z21B0090N L662 1/10GZ0C JP620 X C6801 1/10GF10KC R6003 1/10GJ2.2KC R672 KK0.1LBYAG C686 DDXLBB041 D1604 T601H8 GND1 X R613 X C6009 UDZS13BG D6808 T602H7 X D674 1/2GJ3.3K R666 P-GND T6011H10 B4Z21B0090N L670 1/4GJ10B R621 1/10GF2.2KC R637 12V CJ100LBZBG C614 35EM2200LBWA C662 P-GND C604H2 02 R653 1/10GJ1KC R6811 L602H4 T601H14 B4L26B0980N L663 K662_2 P-GND R603H2 X K671 1 1 2 2 X R1615 KK0.1LBYAG C1608 1/2GJ2.2 R1619 K660_6 X JP604 1/10GZ0C JP608 KK0.22LBYAG C1603 5VSTB AH Q685 X R1654 1/10GJ2.2KC R6801 C601H1 X R678 1/10GJ1KC R6812 X K681 1 1 2 3 4 4 AH Q6800 T6011H9 1/10GJ120C R656 X C649 P-GND D603H4 1/10GJ1KC R667 5VA 12VP J10AU105N K660 1 1 2 3 4 5 6 7 8 9 10 10 L601H2 1/10GJ6.2KC R1613 K671_2 C647H2 T602H10 1/4GJ10B R652 450GK0.1DV C626 P-GND 250KK1000XH C603 D603H1 T602H4 1/10GJ27KC R6806 1/10GZ0C JP621 KK0.1LZB C696 1/10GJ4.7KC R693 X D661 3 1 2 P-GND K681_1 K670_2 T602H12 X L604H4 16EM10LBVD C612 X R679 T601H12 AH Q683 X C1655 24VA P-GND EM47LBVD C1607 L603H3 450GK0.1DV C620 KK0.1LBYAG C1693 L601H3 K680_6 X JP602 1/10GJ27KC R1685 ON/OFF K680_1 GND1 D6807 UDZS5.6BG X C648 CL602 UDZS27BG D6805 5VSTB 12V UDZS27BG D6806 P-GND X R674 1/10GJ330KC R644 C604H1 X C605 L603H1 24VA GND1 1/4GJ10B R649 K680_4 L605H5 X R666A P-GND 5VA R603H1 D603H2 P-GND ON/OFF SCB4 1 2 3 4 5 6 7 8 9 1011121314 P-GND 1/10GJ47KC R648 X L611 KK0.1LBYAG C1664 FFXLBB003VC F601 L604H1 X C674 X T601 2 6 7 8 10 9 1 14 12 13 3 5VA 1/10GF1.5KC R6803 T601H13 KK0.1LBYAG C675 X R6800 T6011H15 KK0.22LBYAG C632 C605H2 X R670A X JP603 P-GND 1/10GZ0C JP612 L602H1 1/10GZ0C JP610 KK0.01LBYAG C1609 1/10GZ0C JP607 L604H3 C605H1 32V KK0.1LBYAG C698 UDZS16BG D604 SCB8 1 2 3 4 5 6 7 8 9 1011121314 P-GND KK0.22LBYAG C640 P-GND GND1 T601H3 24VP KK0.1LZB C6803 1/4GJ10B R650 C619H1 1/10GJ22KC R6809 X R677 X Q670 KK0.1LBYAG C685 100FJ0.1LBYA C639 2SC3332S Q1606 T6011H18 1/10GJ10KC R647 KK0.1LZB C6800 K671_1 P-GND C607H2 1/10GJ2KC R645 1/10GF150C R6006 X K661 1 1 2 3 4 5 6 7 8 9 10 10 X C6022 24VP C647H1 K661_1 250KK100XH C606 GND1 L603H4 1/10GJ10KC R636 T6011H1 1/10GJ2.2KC R6009 X C6025 1/10GJ10KC R6810 PE-ON X C1660 X R692 P-GND J10AU145N K680 1 1 2 3 4 5 6 7 8 9 10 11 12 13 13 14 14 T601H10 P-GND 400GJ1P C608 1 2 1/2GJ3.3K R664 KK0.1LBYAG C637 K680_9 1/10GJ1KC R6813 DDXLBB041 D1606 1/10GF3.9KC R615 L603H2 P-GND P-GND 1/10GJ1KC R6814 P-GND P-GND P-GND X D672 P-GND 2000KK470NH C635 1/10GF10KC R6804 KK0.1LBYAG C673 T601H7 1/10GJ56KC R1612 X R612 250KK1000XH C602 KK0.01LBYAG C684 KK0.1LBYAG C664 KK0.1LBYAG C611 X JP601 C601H2 16KZ2.2FA C618 L604H2 1/10GF1KC R6005 T601H1 KK0.22LBYAG C634 P-GND 24VA L602H3 1000KK1000CRD C695 P-GND C619H2 2SD400E-MP Q681 UPC1093J IC604 1 2 3 K660_1 1/10GZ0C JP609 P-GND 1/10GJ47KC R651 1/10GJ47C R6002 L601H1 PE-ON X R676 B4J10B0100N K601 1 2 K661_6 X C616 450GK0.1DV C625 K670_1 1/10GJ470C R6805 K680_2 P-GND 1/10GJ1KC R695 X C660 X R657 CL601 1/10GJ2.2KC R697 T601H9 KK0.1LBYAG C1602 X R675 DDXLBB038 D670 1/3GJ100 R1609 P-GND 1/10GJ27KC R682 5VSTB L605H1 P-GND 2SJ0.22 R681 KK1000LBYAG C633 24VP L605H6 P-GND J JP605 2SJ68K R1618 1/10GJ27KC R671 X C697 L601H4 C608H1 1/10GJ15KC R643 SCB6 1 2 3 4 5 6 7 8 9 1011121314 K680_3 L602H2 P-GND 1/10GZ0C JP611 25EM47LBVD C1604 KK1000LBYAG C1605 X Q672 X L610 12V T602H6 5VSTB D603H3 1/10GJ1KC R696 24VP C608H2 25EM47LBVD C638 SCB7 1 2 3 4 5 6 7 8 9 1011121314 X K670 1 1 2 2 X R684A KK0.1LBYAG C671 1/10GJ10KC R642 P-GND J10AU055N K662 1 1 2 3 4 4 5 1000KK1000CRD C688 X D671 KK0.1LBYAG C1675 P-GND KK0.1LZB C694 P-GND KK1500LBYAG C631 SCB1 1 2 3 4 5 6 7 8 9 1011121314 P-GND DDXLBB031 D673 SCB5 1 2 3 4 5 6 7 8 9 1011121314 KK0.1LBYAG C1606 GND1 C607H1 T602H1 K662_1 35EM2200LBWA C677 P-GND 1/10GJ22KC R694 12VP 2SJ0.47 R661 KK470LBYAG C630 1/4GJ10B R655 1/10GJ470C R691 B4Z21B0090N L671 KK0.1LBYAG C693 K681_2 KK0.22LBYAG C617 1000KK1000CTB C1610 X F601A X F601B 1/10GJ1KC R1607 1/10GJ10KC R1606 1/10GJ5.6KC R1614 16KK0.22LZB C6024 16KK0.22GQ ENE621D14A VA601 1 2 DHXAVB019 R603 IC1601 1 LUVP 2LATCH/PLIMIT 3 CS/FB 4 GND 5 OUT 6 VCC 7 NC 8 VSTR 1/10GJ1KC R623 X R630A 2SJ0.68 R654 J JP634 X JP636 J JP606 J JP633 J JP631 J JP632 J JP635 X JP637 2000KK470NH C655 1/10GF5.6KC R616 1/10GJ2.2KC R683 1/10GJ150KC R1611 1/10GJ15KC R1623 GJ56KB R1603 GJ56KB R1617 GJ750KB R626 GJ3.9MB R1601 GJ3.9MB R1621 GJ3.9MB R1622 GJ3.9MB R1633 DDXLBB035 D1607 KK0.01LBYAG C687 RB215T-90 D660 3 1 2 RB215T-90 D662 3 1 2 PC123Y52 D651 1 2 3 4 PC123Y52 D652 1 2 3 4 PC123Y52 D650 1 2 3 4 GJ1KB R699 B4F35B0270N L601 1 2 3 4 X L604 1 2 3 4 KIA378R12PI IC680 1 2 3 4 KIA78R05PI IC670 1 2 3 4 L6599DTRP IC633 1 CSS 2 DELAY 3 CF 4 RFMIN 5 STBY 6 ISEN 7 LINE 8 DIS 9 PFC_STOP 10 GND 11 LVG 12 VCC 13 N.C. 14 OUT 15 HVG 16 VBOOT UPC1093J IC610 1 2 3 2SK3264-F82 Q1603 2 D DZXLBYD33CG D1601 DDXLBB074G D1602 DDXLBB074G D610 DDXLBB074G D611 DDXLBB074G D612 DDXLBB074G D630 DDXLBB074G D631 DZXLBYD16CG D1605 02 D638 D603 1 2 3 4 RB085T-90 D680 2 DDXLBB074G D6801 DDXLBB074G D6802 DDXLBB074G D6803 DDXLBB074G D6804 DDXLBB074G D6809 DDXLBB074G D691 800MH0.047VC C636 450EM220VC C647 250KK220XH C652 250KK220XH C653 250KK100XH C654 GJ2.2KB R1616 GJ4.7KB R6008 1/4GJ10B R624 1/2CK10MBLZA R659 GJ1.5KB R686 1/10GF8.2KC R6802 B4L51B1360N T6011 1 2 3 6 7 8 9 10 11 12 13 14 15 16 17 18 4 B4L51B1340N T602 7 10 9 1 12 8 3 6 11 2 4 RB085T-90 D663 UDZS12BG D682 KK220LBYAG C622 1000KK470CRD C678 1000KK470CRD C679 1000KK470CRD C667 1000KK470CRD C666 GJ1MB R629 GJ1MB R631 1/10GJ6.8KC R6807 1/10GJ10KC R632 1/10GJ10KC R634 J JP615 J JP616 X JP670 J JP671 1/10GJ10KC R698 1/10GJ5.6KC R688 1/10GJ27KC R685 2SA984F Q682 1/10GJ8.2KC R689 DDXLBB031 D675 AH Q691 AK Q690 AK Q692 AK Q684 X L606 L6562ADTRP IC602 1 INV 2 COMP 3 MULT 4 CS 5 ZCD 6 GND 7 GD 8 VCC B4L26B1200N L605 12 1 5 6 7 8 10 11 9 1/2GJ1M R602 1/2GJ1M R601 1/2GJ1M R606 1/2GJ1M R605 GJ22B R1610 X C619A X C601A X C604A X C605A L606H1 L606H2 1/10GJ10KC R687 1/10GJ10KC R680 L605H9 2SJ1.5K R660 1/10GJ5.6KC R1686 C607H3 C608H3 1/2GJ2.2 R611 X C1631 X C1632 35EM474Z C1601 KK0.1LBYAG C1689 400GK2.2DV C607 16KK0.01GQ C615 16EM1000LBVE C670 16EM470LBVE C672 35EM1000LBVE C676 25EM100LBVE C682 KK0.1GQ C689 16EM1000LBVE C690 25EM2200LBVE C691 16EM470LBVE C699 UHF10JT D601 DDXLBB048 D602 RB085T-60 D690 2 B4F35B0250N L602 1 2 3 4 STF13NK50Z Q601 1S 2 D STF13NK50Z Q602 2 D STF13NK50Z Q604 2 D 1/4GJ10B R1604 1/4GJ56B R1605 1/10GJ15KC R609 GJ33KB R618 2SJ0.22 R620 2SJ0.22 R622 GJ750KB R627 1/2CK10MBLZA R658 B4F35B0250N L603 1 2 3 4 1SJ12K R630 1SJ0.47 R670 1SJ10 R684 GJ1.5KB R690 1SJ0.47 R1608 35EM1000LBVE C663 35EM1000LBVE C665 25EM2200LBVE C683 25EM1000LBVE C680 25EM1000LBVE C681 25EM1000LBVE C692 400GK1FB C1630 X L660 X L661 275MM0.22LBXA C619 275MM0.22LBXA C601 275MM0.22LBXA C604 L605H12 L605H8 1LG4B10Y0360A D603A 1AA2HEA0364-- ASSY,PWB,POWER,N7DM 1LG0B10Y0410A PCB.PWB,POWER,N7DM D665A 1AA2HEA0366-- Q602A 1AA2HEA0365-- DC400V D665A 1AA2HEA0366-- 7.5MM SCREW DDXLBB064 QFAN7602M---P L603 (N7DM) 1LB4F35B0260N 43 Schematic Diagram LED BOARD SC001 1 2 3 4 5 6 7 8 9 10 11 12 13 14 SC004 1 2 3 4 5 6 7 8 9 10 11 12 13 14 1/10GJ10KC R1911 16KZ1FA C1901 1/10GJ1.5KC R1914 1/10GJ200KC R1912 AH Q1902 K1904_1 K1904_7 K1904_2 K1904_4 K1904_6 K1904_5 K1904_3 B4J10XB070N K1904 1 2 3 4 5 6 7 B4J10XB070N K1903 1 2 3 4 5 6 7 AK Q1901 1/10GJ100KC R1910 AH Q1903 1/10GJ10KC R1915 1/10GJ3.9KC R1916 DLXLBB30 D1903 1 2 3 1/10GJ750C R1913 GND2 GND2 BACKLIGHT LED2 LED1 LED3 5VSTB IR GND KEY BOARD CL1907 Z30B0220G SC1901 1 2 1/10GJ470C R1903 UDZS10BG ZD1906 B4S10B01500 SW1904 1 2 3 4 5 UDZS10BG ZD1900 B4S10B01500 SW1901 1 2 3 4 5 Z30B0220G SC1900 1 2 SC002 1 2 3 4 5 6 7 8 9 10 11 12 13 14 B4S10B01500 SW1906 1 2 3 4 5 B4S10B01500 SW1902 1 2 3 4 5 CL1904 1/10GJ680C R1904 K1900_4 UDZS10BG ZD1902 UDZS10BG ZD1903 CL1905 UDZS10BG ZD1904 B4J10XB040N K1901 1 1 2 3 4 4 CL1901 B4S10B01500 SW1903 1 2 3 4 5 UDZS10BG ZD1901 1/10G J680C R1901 CL1906 K1900_1 1/10G J470C R1900 UDZS10BG ZD1905 B4S10B01500 SW1900 1 2 3 4 5 SC003 1 2 3 4 5 6 7 8 9 10 11 12 13 14 Z30B0220G SC1902 1 2 SC001 1 2 3 4 5 6 7 8 9 10 11 12 13 14 B4S10B01500 SW1905 1 2 3 4 5 CL1902 1/10G J1.2KC R1905 1/10G J1.2KC R1902 GND2 GND2 GND2 GND2 G ND UP DOWN UP SCREW TV/AV CH KEY0 DOWN O N /O F POWER SW VOL MENU KEY1 KEY_PO WER 44 Schematic Diagram RS232C Z30B0220G SC2002 1 2 3V3_COM X K2005 1 2 3 4 5 6 7 8 9 10 11 X R2085 1/10GJ100C R2078 X IC6805 1 Ground/Adjust 2 Vout 3 Vin 4 5VSTB X R2086 X C2022 K2008_G X L6819 X R2090 16KK0.1GQ C2020 1/10GZ0C J2071F X C2023 GND K2010_2 GND J10B1801N K2003 1 2 3 4 5 6 7 8 9 10 11 GND GND K2008_5 X R2089 GND 1/10GJ100C R2079 Z30B0220G SC2003 1 2 K2008_3 X L6820 5VSTB GND GND K2010_1 X J2071M K2010_5 K2010_G GND GND X C2030 GND X C2031 GND 1/10GJ100C R2076 K2008_2 X C2029 K2010_3 X C2032 Z30B0220G SC2000 1 2 GND 1/10GJ100C R2077 GND GND 3V3_COM GND K2008_1 1/10GZ0C J2075F X J2075M Z30B0220G SC2001 1 2 MAX232CPE IC2001 1 C1+ 2 V+ 3 C1- 4 C2+ 5 C2- 6 V- 7 T2out 8 R2in 9 R2out 10 T2in 11 T1in 12 R1out 13 R1in 14 T1out 15 GND 16 VCC X IC2002 1 2 3 4 5 X IC2003 1 2 3 4 5 2HLF0052 H2001 1 2 GND 1/10GJ100C R2080 1/10GJ100C R2081 1/10GJ100C R2082 1/10GJ100C R2083 1/10GZ0C R2088 1/10GZ0C R2087 KK0.1LBYAG C2016 KK0.1LBYAG C2017 KK0.1LBYAG C2018 KK0.1LBYAG C2019 B4J10XB040N K2001 1 1 2 3 4 4 RX_IN RS232C OUTPUT RS232C INPUT RS-232 INPUT AND OUTPUT TX_OUT TX_IN RS_TX RX_OUT RS_RX 45 Schematic Diagram SENSOR BOARD SC1920 X 1 2 1/10G J220C R1921 K1901_5 6.3KK10MB C1921 K1901_3 6.3KK10MB C1920 B4J10XB070N K1901 1 2 3 4 5 6 7 K1901_1 1/10G J100C R1922 K1901_2 U20C11701 U1901 5 1 4 2 3 KK1000G Q C1922 U1901_G ND X SC1921 1 2 K1901_4 1/10GJ220C R1920 X Q1902 X R1906 X R1905 X R1904 16KZ1FA C1901 X R1903 1/10GZ0C R1907 KZ0.1LBYDG C1923 1/10GJ4.7MC R1908 QCM3202A30PP IC1901 1 SET 2 SD 3 VDD 4 GND 5 VOUT 6 NC 1/10GZ0C R1910 1/10GJ1MC R1909 SC004 1 2 3 4 5 6 7 8 9 10 11 12 13 14 SC001 1 2 3 4 5 6 7 8 9 10 11 12 13 14 X Q1901 X R1902 X Q1903 X R1923 X R1924 X R1925 DLXLBB011 D1920 X D1903 1 2 3 GND2 BACKLIGHT LED3 IR LED2 LED1 TIME&USB 5VSTB GND

标签:

版权声明

1. 本站所有素材,仅限学习交流,仅展示部分内容,如需查看完整内容,请下载原文件。
2. 会员在本站下载的所有素材,只拥有使用权,著作权归原作者所有。
3. 所有素材,未经合法授权,请勿用于商业用途,会员不得以任何形式发布、传播、复制、转售该素材,否则一律封号处理。
4. 如果素材损害你的权益请联系客服QQ:77594475 处理。