三洋LCD-39XR12F液晶电视电路图

分类:电子电工 日期: 点击:0
三洋LCD-39XR12F液晶电视电路图-0 三洋LCD-39XR12F液晶电视电路图-1 三洋LCD-39XR12F液晶电视电路图-2 三洋LCD-39XR12F液晶电视电路图-3 三洋LCD-39XR12F液晶电视电路图-4 三洋LCD-39XR12F液晶电视电路图-5 三洋LCD-39XR12F液晶电视电路图-6

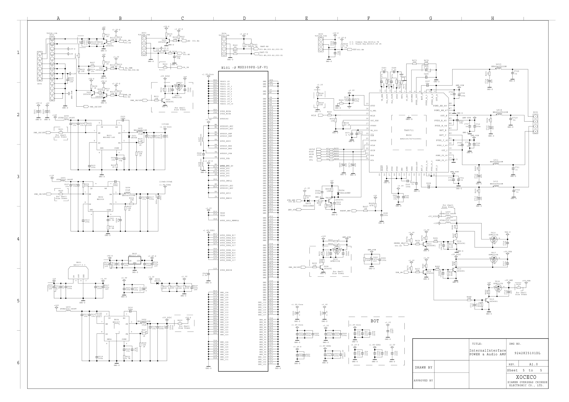
SERVICE MANUAL PRODUCT CODE No. 1 682 351 86: PAL-B/G (Australia) FILE NO. PRODUCT CODE No. REFERENCE No.:SM0915220 LCD-39XR12F NTSC(AV) LCD TV EPG MENU MUTE LIST RECALL EXIT INPUT VOL CH STEREO TTX INDEX SUBTITLE 1 7 4 2 8 5 0 3 9 6 ZOO M TV/RADIO OK INFO FAV.LIST Q.TOOL FRZ/MIX -A MIUA MIUB PWM -D SAR SPI UART/I2CS I2CM IR XTAL RESET USB GPIO_TCON GPIO GPIO_PM -C HDMI AUDIO I2S SPDIF RGB -E CVBS Sheet to DRAWN BY 5 1 A1.0 Core & Memory 9242KI5101DL N101 MSD309PX-LF-V1 N101 MSD309PX-LF-V1 N101 MSD309PX-LF-V1 N101 MSD309PX-LF-V1 XOCECO XIAMEN OVERSEAS CHINESE ELECTRONIC CO., LTD. TITLE: DWG NO. REV. APPROVED BY N107 NT5TU32M16DG-AC N104 NT5TU32M16DG-AC N102 EN25Q128-104FIP MB_MCLKZ MIUA_DQSB1 MB_DQ7 MA_A13 MB_BA1 MIUA_DQ9 MIUA_DQ10 MA_A4 MA_DQM0 MB_MCLK MA_A5 MA_A5 MA_A2 MIUA_A6 MIUB_DQ15 MB_A3 MIUB_BA2 MIUB_ODT MB_DQ12 MIUA_A5 MA_DQ1 MIUB_DQ8 MA_MCLKZ MIUB_BA0 MA_DQ11 MIUA_A10 MIUA_A4 MB_DQ15 MIUB_WEZ MB_MCLKZ MA_A6 MIUA_WEZ MIUB_DQ12 MB_DQ9 MB_ODT MB_A8 MB_DQ8 MIUA_DQ7 MIUB_A8 MB_DQ6 MIUA_DQ15 MA_A8 MB_BA1 MA_MCLKZ MA_A11 MA_DQ8 MA_A0 MB_RASZ MA_DQ6 MB_A11 MA_BA0 MA_DQ9 MB_DQS1 MIUA_DQSB0 MA_DQ5 MIUA_ODT MB_A3 MB_DQ1 MIUB_MCKE MIUB_A1 MA_DQ12 MIUA_ODT MA_DQ8 MB_A2 MIUA_MCLK MIUB_DQSB1 MIUA_A13 MB_DQ13 MA_DQ0 MIUB_A6 MA_A9 MA_BA1 MA_DQ7 MIUA_DQM1 MIUA_A3 MB_A6 MIUA_A12 MIUB_A10 MIUA_BA0 MA_DQ11 MIUB_A3 MIUA_DQ6 MIUB_BA1 MIUB_DQ7 MIUB_A11 MIUA_DQ8 MIUB_DQS0 MB_DQ14 MA_DQ13 MA_A10 MA_CKE MB_A12 MB_DQM0 MIUA_DQ9 MB_BA2 MA_BA2 MB_A4 MIUA_DQ12 MA_DQS1 MA_A3 MB_DQ6 MIUB_DQ13 MIUB_MCLKZ MA_WEZ MA_DQ5 MA_A7 MIUA_BA0 MA_DQ15 MA_A9 MIUB_A2 MA_CASZ MA_DQM1 MIUA_DQ7 MIUA_DQ11 MA_DQ1 MIUA_DQ13 MIUA_A12 MA_A1 MB_A9 MIUA_DQ1 MB_A0 MA_A1 MA_DQ14 MB_A7 MIUA_DQS1 MB_WEZ MB_DQ10 MA_CKE MIUA_CASZ MA_MCLK MB_MCLKZ MA_A3 MIUB_DQ2 MB_CASZ MA_DQ9 MB_CASZ MB_DQSB0 MIUA_A4 MB_DQ11 MIUA_A11 MIUA_DQM0 MIUB_DQ3 MA_DQ15 MIUB_A13 MIUA_BA2 MIUB_DQM1 MB_DQSB1 MIUA_DQ5 MB_A6 MIUA_A1 MIUA_DQ13 MIUA_DQ14 MIUB_DQ6 MB_A1 MIUA_DQ1 MIUB_A0 MA_A10 MB_A13 MIUA_DQ8 MA_WEZ MIUA_A3 MB_DQS0 MA_RASZ MIUA_A1 MB_DQ8 MIUA_BA1 MA_DQ7 MB_A10 MIUA_MCLKZ MB_DQ9 MIUB_A7 MIUA_A5 MB_DQ13 MIUA_A8 MIUA_DQ12 MA_A4 MB_DQM0 MB_A0 MIUA_DQSB0 MB_DQSB0 MIUB_DQ4 MB_A2 MB_DQ5 MA_DQS0 MIUB_DQ11 MIUA_BA2 MIUA_DQ14 MIUA_A0 MIUB_A10 MB_DQ3 MA_DQ4 MIUA_MCLKZ MA_BA2 MIUB_DQS1 MIUA_DQ3 MB_DQSB1 MA_BA0 MIUA_A9 MB_DQS0 MIUB_A4 MIUB_DQ10 MIUA_A6 MIUA_DQ15 MB_DQS1 MIUB_DQM0 MA_DQ12 MIUB_DQ9 MA_DQ3 MA_DQSB1 MIUA_DQ2 MA_DQM1 MA_A12 MB_DQ7 MA_ODT MIUB_A9 MB_DQ1 MIUA_A10 MIUA_DQ4 MB_DQM1 MIUA_DQ6 MB_DQ0 MA_DQ0 MIUB_DQSB0 MB_A5 MB_A10 MB_DQ0 MA_A8 MIUA_DQM0 MA_DQ14 MIUA_A9 MIUA_A8 MIUA_DQ5 MB_CKE MIUA_A11 MIUA_A7 MB_A11 MB_A13 MIUA_WEZ MB_DQ2 MA_DQ6 MIUB_DQ14 MIUA_A2 MB_A9 MB_A12 MIUA_A13 MIUA_DQ10 MIUB_DQ5 MA_DQ2 MB_WEZ MA_DQ10 MB_DQ4 MB_DQ4 MB_A5 MB_DQ5 MB_RASZ MA_A12 MA_CASZ MIUA_DQS0 MB_DQ14 MB_MCLK MB_ODT MB_DQ2 MIUA_BA1 MB_DQM1 MIUB_DQ14 MA_ODT MA_MCLK MIUA_MCLK MIUA_DQS1 MIUA_DQ3 MB_DQ12 MA_DQS0 MB_DQ10 MIUB_RASZ MIUA_MCKE MB_DQ15 MIUA_A2 MA_A11 MA_BA1 MIUB_DQ3 MB_BA2 MIUA_CASZ MA_DQ10 MIUA_DQS0 MB_A4 MIUA_DQ11 MIUB_CASZ MA_MCLKZ MIUB_MCLKZ MA_A0 MIUA_A0 MA_A2 MB_A1 MA_RASZ MIUA_A7 MB_A8 MB_BA0 MB_DQ11 MA_DQSB0 MIUA_DQ0 MB_BA0 MB_A7 MIUB_MCLK MIUA_DQM1 MIUA_DQ0 MA_DQ4 MIUA_DQ2 MB_DQ3 MA_A7 MIUA_DQSB1 MIUB_A12 MB_CKE MA_MCLK MIUB_BA0 MA_DQSB1 MIUA_DQ4 MIUA_RASZ MA_DQSB0 MA_A13 MIUB_MCLK MA_DQM0 MA_DQ2 MIUB_DQ0 MIUA_RASZ MA_DQ13 MIUA_MCKE MIUB_DQ1 MA_DQ3 MA_DQS1 MIUB_DQSB0 MB_MCLK MA_A6 MIUB_A5 MIUB_A13 MIUB_A4 MIUB_A1 MIUB_DQM1 MIUB_A9 MIUB_ODT MIUB_DQSB1 MIUB_CASZ MIUB_DQ15 MIUB_DQ6 MIUB_WEZ MIUB_DQ10 MIUB_A11 MIUB_A3 MIUB_DQ7 MIUB_MCKE MIUB_DQ8 MIUB_DQM0 MIUB_A7 MIUB_DQ2 MIUB_A6 MIUB_A8 MIUB_A5 MIUB_A2 MIUB_DQ12 MIUB_DQ0 MIUB_A12 MIUB_DQ11 MIUB_DQ1 MIUB_BA1 MIUB_DQ9 MIUB_RASZ MIUB_DQ4 MIUB_DQS0 MIUB_DQS1 MIUB_A0 MIUB_DQ5 MIUB_BA2 MIUB_DQ13 SPI-CS- SPI-DO SPI-CK SPI-DI C101 100n +3.3V-S R116 10K C102 100n R101 10K C108 100n G101 24MHz C110 30p R121 0 R122 1M +3.3V-S C103 100n R120 10K N106 APX810-29SAG-7 Vcc GND RESET C109 30p R111 33 +3.3V SCL +3.3V R105 10K C105 100n R103 10K R106 0 R110 33 SDA L101 BG1608B121 R145 10K +3.3V HDMI-CEC 003:A5;003:A2;003:A4 HDMI1-HP 003:B3 HDMI1-SDA 003:A3 HDMI1-RX2- 003:A2 HDMI1-RX1+ 003:A2 HDMI1-RX2+ 003:A2 HDMI1-RX1- 003:A2 HDMI1-RX0- 003:A2 HDMI1-RX0+ 003:A2 HDMI1-RXC+ 003:A2 HDMI1-SCL 003:A3 HDMI1-RXC- 003:A2 HDMI3-RX0- 003:A5 HDMI3-RX0+ 003:A5 HDMI3-RX1+ 003:A5 HDMI3-RX2- 003:A5 HDMI3-SCL 003:A5 HDMI3-RXC+ 003:A5 HDMI3-RX2+ 003:A5 HDMI3-HP 003:B6 HDMI3-SDA 003:A6 HDMI3-RXC- 003:A5 HDMI3-RX1- 003:A5 YPBPR-Y_IN 003:D1 YPBPR-Y_IN- 003:D2 YPBPR-PB_IN 003:D1 YPBPR-PB_IN- 003:D2 YPBPR-PR_IN 003:D1 YPBPR-PR_IN- 003:D2 YPBPR-SOG_IN 003:D1 VGA-R_IN- 003:G3 VGA-R_IN 003:G2 VGA-G_IN 003:G2 VGA-G_IN- 003:G3 VGA-B_IN 003:G2 VGA-B_IN- 003:G3 VGA-HSYNC 003:G2 VGA-SOG_IN 003:G2 VGA-VSYNC 003:G2 RXO0+ RXO1- RXO2- RXO3- RXOC+ RXO1+ RXO4+ RXO4- RXOC- RXO0- RXO2+ RXO3+ RXE4- RXE3- RXE0- RXE1- RXE0+ RXE2+ RXE4+ RXE2- RXE3+ RXEC- RXEC+ RXE1+ YPBPR-LIN 003:D2 VGA-RIN 003:G1 YPBPR-RIN 003:D2 VGA-LIN 003:G1 HPAMP-LOUT 003:F5 SPDIF HPAMP-ROUT 003:F4 C104 47n R109 68 C128 100n R162 22 C126 100n +1.8V-DDR2 C121 100n R154 75 +1.8V-DDR2 C130 100n R159 22 +1.8V-DDR2 R151 75 C124 100n C120 100n R158 22 R137 22 C131 100n C125 100n B_MVERF R160 22 R150 10K B_MVERF R163 22 +1.8V-DDR2 R113 100 R156 75 R161 22 +1.8V-DDR2 R152 75 C122 100n +1.8V-DDR2 A_MVERF C111 100n C119 100n R153 75 R112 100 C116 100n R108 10K C129 100n C107 100n R155 75 R167 100 R168 100 R165 22 C115 100n R164 22 R114 10K +1.8V-DDR2 R136 22 R115 10K A_MVERF C117 100n R148 10K R157 75 R147 10K C127 100n C118 100n R119 10K R118 10K BL_PWM ISP_EN 003:G1 KEY STB_AMP LED SCL IR UART-RX SDA UART-TX USB-D+ 003:G3 USB-D- 003:G3 HP-DCT- 003:H5 PWR_SW HP-MUTE- 003:G4 BL_SW- PNPWR_SW R134 22 R132 22 R125 75 R128 75 R126 75 R123 75 R124 75 R127 75 R135 22 R133 22 R129 75 R130 22 R131 22 R149 100 C106 47n C114 47n C123 100n C132 100n R117 22 MCLK SDIN LRCLK SCLK RESET_AMP R166 10K R102 10K R141 0 R143 0 R142 0 R140 0 R138 0 R139 0 USB_SW CAT24C04WI N105 NC1 1 A1 2 A2 3 Vss 4 SDA 5 SCL 6 WP 7 Vcc 8 C112 2.2u C113 2.2u SPDIF_CL RST_DEMO C10 PAD_IO[8](A_A0) A22 PAD_IO[41](A_A1) A9 PAD_IO[5](A_A2) B23 PAD_IO[44](A_A3) B9 PAD_IO[3](A_A4) A23 PAD_IO[43](A_A5) C9 PAD_IO[6](A_A6) C23 PAD_IO[45](A_A7) B8 PAD_IO[4](A_A8) A24 PAD_IO[46](A_A9) B22 PAD_IO[42](A_A10) C8 PAD_IO[2](A_A11) B24 PAD_IO[35](A_A12) C13 PAD_IO[14](A_DQ0) A19 PAD_IO[32(A_DQ1) A12 PAD_IO[15](A_DQ2) B19 PAD_IO[33](A_DQ3) C20 PAD_IO[34](A_DQ4) B12 PAD_IO[13](A_DQ5) C19 PAD_IO[31](A_DQ6) A13 PAD_IO[17](A_DQ7) B14 PAD_IO[18](A_DQ8) C18 PAD_IO[29](A_DQ9) C14 PAD_IO[19](A_DQ10) A18 PAD_IO[30](A_DQ11) B18 PAD_IO[28](A_DQ12) B13 PAD_IO[16](A_DQ13) B17 PAD_IO[27](A_DQ14) C15 PAD_IO[20](A_DQ15) A16 PAD_IO[23](A_DQS0) C16 PAD_IO[24](A_DQS0B) A15 PAD_IO[21](A_DQS1) B15 PAD_IO[22](A_DQS1B) B16 PAD_IO[26](A_DQM0) C17 PAD_IO[25](A_DQM1) C12 PAD_IO[12](A_MCLK) B11 PAD_IO[10](A_MCLKZ) C21 PAD_IO[37](A_CKE) B20 PAD_IO[36](A_WEZ) B10 PAD_IO[9](A_RASZ) A10 PAD_IO[7](A_CASZ) A21 PAD_IO[39](A_BA0) B21 PAD_IO[38](A_BA1) C22 PAD_IO[40](A_BA2) C11 PAD_IO[11](A_ODT) D22 MVREF B7 PAD_IO[0](A_A13) E23 PAD_IO[55](B_A0) U24 PAD_IO[88](B_A1) D24 PAD_IO[52](B_A2) V25 PAD_IO[91](B_A3) D25 PAD_IO[50](B_A4) V24 PAD_IO[90](B_A5) D23 PAD_IO[53](B_A6) W25 PAD_IO[92](B_A7) C25 PAD_IO[51](B_A8) W24 PAD_IO[93](B_A9) V23 PAD_IO[89](B_A10) C24 PAD_IO[49](B_A11) W23 PAD_IO[82](B_A12) B25 PAD_IO[47](B_A13) H23 PAD_IO[61](B_DQ0) P24 PAD_IO[79](B_DQ1) G24 PAD_IO[62](B_DQ2) R23 PAD_IO[80](B_DQ3) R24 PAD_IO[81](B_DQ4) G25 PAD_IO[60](B_DQ5) P23 PAD_IO[78](B_DQ6) H24 PAD_IO[64](B_DQ7) J25 PAD_IO[65](B_DQ8) N23 PAD_IO[76](B_DQ9) J24 PAD_IO[66](B_DQ10) N24 PAD_IO[77](B_DQ11) N25 PAD_IO[75](B_DQ12) J23 PAD_IO[63](B_DQ13) M25 PAD_IO[74](B_DQ14) K23 PAD_IO[67](B_DQ15) L24 PAD_IO[70](B_DQS0) L23 PAD_IO[71](B_DQS0B) K24 PAD_IO[68](B_DQS1) K25 PAD_IO[69](B_DQS1B) M23 PAD_IO[73](B_DQM0) M24 PAD_IO[72](B_DQM1) G23 PAD_IO[59](B_MCLK) F25 PAD_IO[57](B_MCLKZ) T23 PAD_IO[84](B_CKE) R25 PAD_IO[83](B_WEZ) F23 PAD_IO[56](B_RASZ) E24 PAD_IO[54](B_CASZ) T24 PAD_IO[86](B_BA0) T25 PAD_IO[85](B_BA1) U23 PAD_IO[87](B_BA2) F24 PAD_IO[58](B_ODT) AB25 PAD_PWM0 AB24 PAD_PWM1 E6 PAD_PWM2 J5 PAD_SAR0 G4 PAD_SAR1 B4 PAD_SAR2(POWER_DET) C4 PAD_GPIO_PM6(BOOT_FLASH_CS) A4 PAD_SPI_CZ(BACKUP_FLASH_CS) A2 PAD_SPI_CK B3 PAD_SPI_DI A3 PAD_SPI_DO B2 PAD_GPIO_PM8(FLASH_WP) P6 DDCA_CK N6 DDCA_DA AA23 PAD_DDCR_CK AA24 PAD_DDCR_DA G5 PAD_IRIN AD1 PAD_XTAL_IN AE2 PAD_XTAL_OUT E5 PAD_RESET C2 PAD_DP_P0 B1 PAD_DM_P0 AD11 PAD_DP_P1 AE11 PAD_DM_P1 F11 PAD_GND_EFUSE E11 PAD_TESTPINPP AC24 PADA_OUTP_CH[6](PAD_R_ODD[7]) AC25 PADA_OUTN_CH[6](PAD_R_ODD[6]) AD24 PADA_OUTP_CH[7](PAD_R_ODD[5]) AD25 PADA_OUTN_CH[7](PAD_R_ODD[4]) AE24 PADA_OUTP_CH[8](PAD_R_ODD[3]) AC23 PADA_OUTN_CH[8](PAD_R_ODD[2]) AE23 PADA_OUTP_CH[9](PAD_R_ODD[1]) AD23 PADA_OUTN_CH[9](PAD_R_ODD[0]) AE22 PADA_OUTP_CH[10](PAD_G_ODD[7]) AC22 PADA_OUTN_CH[10](PAD_G_ODD[6]) AC21 PADA_OUTP_CH[11](PAD_G_ODD[5]) AD22 PADA_OUTN_CH[11](PAD_G_ODD[4]) AC20 PADA_OUTP_CH[12](PAD_G_ODD[3]) AD21 PADA_OUTN_CH[12](PAD_G_ODD[2]) AE20 PADA_OUTP_CH[13](PAD_G_ODD[1]) AD20 PADA_OUTN_CH[13](PAD_G_ODD[0]) AE19 PADA_OUTP_CH[14](PAD_B_ODD[7]) AC19 PADA_OUTN_CH[14](PAD_B_ODD[6]) AC18 PADA_OUTP_CH[15](PAD_B_ODD[5]) AD19 PADA_OUTN_CH[15](PAD_B_ODD[4]) AC17 PADA_OUTP_CH[16](PAD_B_ODD[3]) AD18 PADA_OUTN_CH[16](PAD_B_ODD[2]) AE17 PADA_OUTP_CH[17](PAD_B_ODD[1]) AD17 PADA_OUTN_CH[17](PAD_B_ODD[0]) T5 PAD_TCON1(SC1_RE1) AB10 PAD_TCON2(FE_ANT5V_MONITOR) V5 PAD_TCON5(SC1_MUTE) AC11 PAD_TCON6(PCM_5V_CTL) A7 PAD_GPIO0(NTP_MUTE) C7 PAD_GPIO1(AMP_RST) F4 PAD_GPIO2(INV_CTL) D6 PAD_PWM3 AA7 PAD_SAR3 AA8 PAD_TCON7(SIDE_AV_DET) AA9 PAD_TCON4 AB7 PAD_TCON3(TUNER_RESET) AA10 PAD_TCON0 R6 PAD_TCON9(COMP_DET) Y8 PAD_TCON10(HP_DET) Y9 PAD_TCON11(HP_MUTE) T4 PAD_TCON15(SC1_DET) E4 PAD_GPIO3(PANEL_CTL) C3 PAD_GPIO4(USB_CTL) D4 PAD_GPIO5(ERROR_OUT) F6 PAD_GPIO12(AMD_SCL) F5 PAD_GPIO13(AMP_SDA) AB8 PAD_GPIO_PM0(5V_HDMI_3) H5 PAD_GPIO_PM1(5V_HDMI_1) C5 PAD_GPIO_PM4(POWER_ON_OFF) K4 PAD_GPIO_PM5(5V_HDMI_2) L5 PAD_GPIO_PM11(DSUB_DET) M6 PAD_GPIO_PM12(EDID_WP) G2 PAD_RX0N_A H3 PAD_RX0P_A H2 PAD_RX1N_A J3 PAD_RX1P_A J2 PAD_RX2N_A J1 PAD_RX2P_A G3 PAD_RXCN_A G1 PAD_RXCP_A M4 DDCDA_CK M5 DDCDA_DA K6 PAD_HOTPLUGA D2 PAD_RX0N_B E3 PAD_RX0P_B E2 PAD_RX1N_B F3 PAD_RX1P_B F2 PAD_RX2N_B F1 PAD_RX2P_B D3 PAD_RXCN_B D1 PAD_RXCP_B J6 DDCDB_CK L6 DDCDB_DA J4 HOTPLUGB AC8 PAD_RX0N_C AD9 PAD_RX0P_C AC9 PAD_RX1N_C AD10 PAD_RX1P_C AE10 PAD_RX2N_C AC10 PAD_RX2P_C AE8 PAD_RXCN_C AD8 PAD_RXCP_C AE7 DDCDC_CK AD7 DDCDC_DA AC7 HOTPLUGC K5 PAD_CEC R4 PAD_LINEIN_L0 R5 PAD_LINEIN_R0 T6 PAD_LINEIN_L1 U6 PAD_LINEIN_R1 V6 PAD_LINEIN_L2 U5 PAD_LINEIN_R2 AD6 PAD_LINEIN_L5 AC6 PAD_LINEIN_R5 V1 PAD_LINEOUT_L0 V2 PAD_LINEOUT_R0 AA6 PAD_LINEOUT_L3 Y5 PAD_LINEOUT_R3 AD5 PAD_EARPHONE_OUTL AE5 PAD_EARPHONE_OUTR AB4 PAD_VRP AB5 PAD_VAG AC3 AVSS_VRM_ADC_DAC A6 PAD_I2S_OUT_MCK B5 PAD_I2S_OUT_SD B6 PAD_I2S_OUT_WS C6 PAD_I2S_OUT_BCK C1 PAD_I2S_IN_BCK(USB0_OCD) H6 PAD_I2S_IN_SD(USB0_CTL) G6 PAD_I2S_IN_WS P5 PAD_SPDIF_OUT M2 PADA_RIN0M M3 PADA_RIN0P L2 PADA_GIN0M L3 PADA_GIN0P K1 PADA_BIN0M K3 PADA_BIN0P K2 PADA_SOGIN0 N4 PAD_HSYNC0 N5 PAD_VSYNC0 R3 PADA_RIN1M P2 PADA_RIN1P P3 PADA_GIN1M N2 PADA_GIN1P N3 PADA_BIN1M M1 PADA_BIN1P N1 PADA_SOGIN1 W6 PAD_HSYNC1 Y6 PAD_VSYNC1 U2 PADA_RIN2M U3 PADA_RIN2P T2 PADA_GIN2M T1 PADA_GIN2P R1 PADA_BIN2M R2 PADA_BIN2P T3 PADA_SOGIN2 AC5 PADA_CVBS0 W4 PADA_CVBS1 W5 PADA_CVBS2 W2 PADA_CVBS4 W3 PADA_CVBS5 V3 PADA_CVBS_OUT1 AA4 PADA_CVBS_OUT2 W1 PADA_VCOM V4 PADA_HSYNC2 AA5 PADA_CVBS3 TP102 H9 DQ5 L2 BA0 N8 A4 B1 DQ14 R2 A12 P2 A7 P3 A9 D9 DQ13 F1 DQ6 D1 DQ12 P8 A8 M2 A10 C2 DQ9 N7 A6 F9 DQ7 N3 A5 C8 DQ8 P7 A11 D7 DQ10 B9 DQ15 L3 BA1 D3 DQ11 N2 A3 H1 DQ4 M7 A2 M3 A1 E2 NC#E2 H3 DQ3 M8 A0 L1 BA2 K8 CK R3 NC#R3 J8 CK K2 CKE K9 ODT R7 NC#R7 L8 CS K3 WE E8 LDQS F7 LDQS K7 RAS B7 UDQS L7 CAS F3 LDM B3 UDM A2 NC#A2 J2 VREF A8 UDQS R8 NC#R8 G9 VDDQ10 G7 VDDQ9 G3 VDDQ8 G1 VDDQ7 E9 VDDQ6 C9 VDDQ5 C7 VDDQ4 C3 VDDQ3 C1 VDDQ2 A9 VDDQ1 G8 DQ0 G2 DQ1 H7 DQ2 R1 VDD5 M9 VDD4 J9 VDD3 E1 VDD2 A1 VDD1 J7 VSSDL J1 VDDL H8 VSSQ10 H2 VSSQ9 F8 VSSQ8 F2 VSSQ7 E7 VSSQ6 D8 VSSQ5 D2 VSSQ4 B8 VSSQ3 B2 VSSQ2 A7 VSSQ1 P9 VSS5 N1 VSS4 J3 VSS3 E3 VSS2 A3 VSS1 H9 DQ5 L2 BA0 N8 A4 B1 DQ14 R2 A12 P2 A7 P3 A9 D9 DQ13 F1 DQ6 D1 DQ12 P8 A8 M2 A10 C2 DQ9 N7 A6 F9 DQ7 N3 A5 C8 DQ8 P7 A11 D7 DQ10 B9 DQ15 L3 BA1 D3 DQ11 N2 A3 H1 DQ4 M7 A2 M3 A1 E2 NC#E2 H3 DQ3 M8 A0 L1 BA2 K8 CK R3 NC#R3 J8 CK K2 CKE K9 ODT R7 NC#R7 L8 CS K3 WE E8 LDQS F7 LDQS K7 RAS B7 UDQS L7 CAS F3 LDM B3 UDM A2 NC#A2 J2 VREF A8 UDQS R8 NC#R8 G9 VDDQ10 G7 VDDQ9 G3 VDDQ8 G1 VDDQ7 E9 VDDQ6 C9 VDDQ5 C7 VDDQ4 C3 VDDQ3 C1 VDDQ2 A9 VDDQ1 G8 DQ0 G2 DQ1 H7 DQ2 R1 VDD5 M9 VDD4 J9 VDD3 E1 VDD2 A1 VDD1 J7 VSSDL J1 VDDL H8 VSSQ10 H2 VSSQ9 F8 VSSQ8 F2 VSSQ7 E7 VSSQ6 D8 VSSQ5 D2 VSSQ4 B8 VSSQ3 B2 VSSQ2 A7 VSSQ1 P9 VSS5 N1 VSS4 J3 VSS3 E3 VSS2 A3 VSS1 R144 1K +5V-HDMI1 HDMI1-DCT- HDMI1-DCT- +3.3V R104 4.7K SDA R107 4.7K SCL 1 CS 2 DO/DQ1 3 WP/DQ2 4 VSS 5 DI/DQ0 6 CLK 7 NC/DQ3 8 VCC R146 2.2K 1 NC(DQ3) 2 VCC 3 NC_3 4 NC_4 5 NC_5 6 NC_6 7 CS 8 DO(DQ1) 9 WP(DQ2) 10 VSS 11 NC_11 12 NC_12 13 NC_13 14 NC_14 15 DI(DQ0) 16 CLK LVDS_I/O2(3D_EN) LVDS_I/O1(LD_EN) N103 EN25Q32B-104HIP Close to DDR Close to 309 Close to DDR Close to DDR Close to 309 Close to 309 Close to DDR A B C D E F G H 1 2 3 4 5 6 -B PCMCIA TS1 TS0 FRONT END NAND FLASH Sheet to DRAWN BY 5 2 A1.0 RF 9242KI5101DL N101 MSD309PX-LF-V1 XOCECO XIAMEN OVERSEAS CHINESE ELECTRONIC CO., LTD. TITLE: DWG NO. REV. APPROVED BY N201 ATBM8848 GND-D +1.8V_TUNER IF_AGC RF_AGC R219 2.2K R220 2.2K C209 100n C210 100n GND-D DIF_M DIF_P GND-D C253 56p C274 100n R243 4.7K C245 100n +5V_TUNER +3.3V_TUNER SCL_T C283 100n GND-D GND-D C266 100n GND-D +1.8V_TUNER +1.8V_TUNER DIF_P R237 10K +1.8V_TUNER C263 100n GND-D IF_N C262 100n C220 100u 16V +3.3V_TUNER GND-D GND-D C279 100n C228 10u +5V C224 100n C269 100n GND-D SDA_T GND-D C216 100n R267 100 GND-D GND-D GND-D C268 1n SDA_T +1.8V_TUNER L209 12nH CS0603-12NJ-S R268 100 SYS_RESET SCL_T GND-D R272 4.7K L202 STLI1608_R12KT C221 100n IF_P C286 10p C275 100n C276 100n C270 100n C271 100n C265 100n C282 10p GND-D GND-D DIF_M GND-D C259 39p GND-D C222 22n +1.8V_TUNER RF_AGC 002:C4 C261 10u IF_N GND-D +3.3V_TUNER GND-D +1.8V_TUNER C281 30p RFAGC_A L207 270nH CS0603-R27J-S GND-D GND-D C278 100n R260 4.7K GND-D R230 0 GND-D C219 150p C242 100u 16V C272 100n GND-D GND-D +3.3V_TUNER IF_AGC 002:C4 C277 1u C255 100n R241 4.7K +3.3V_TUNER GND-D C287 30p +5V_TUNER RFAGC_A C273 1n L208 390nH CS0603-R39J-S IF_P C288 100n C215 100n R251 1% 4.99K G202 31.875MHz C280 100n N205 XC5200C 1 VDDA_1 2 IN1 3 GND_3 4 GND_4 5 GND_5 6 ExtChoke 7 GND_7 8 VDDA_8 9 VDDA_9 10 NC_10 11 NC_11 12 VDDC_12 13 VDDC_13 14 VDDA_14 15 VAGC 16 VIF 17 VDDA_17 18 SIF 19 GND_19 20 VDDC_20 21 VDDA_21 22 GND_22 23 GPIO3 24 TestMode 25 GPIO2 26 VDDC_26 27 GPIO1 28 AddrSel 29 X2 30 GND_30 31 X1 32 ExtRef 33 VDDD_33 34 SCL 35 SDA 36 GND_36 37 Reset 38 VDDA_38 39 NC_39 40 NC_40 41 V145 42 VDDC_42 43 VDDC_43 44 Rext 45 VDDA_45 46 GND_46 47 VDDC_47 48 VDDA_48 C257 120p N202 AZ1117-3.3 1 GND 2 OUT 3 IN R247 0 R249 0 R254 0 R255 0 R257 0 C285 100n L201 STPB3216-380PT C218 100n 16V R235 10K R211 10K 1 TSPSYNC 2 TSBVLD 3 TSBCLK 4 TSB7 5 TXB6 6 VDD33_6 7 TSB5 8 TSB4 9 TSB3 10 VDD1210 11 TSB2 12 TSB1 13 TSB0 14 PWM0 15 VDD12_PLL 16 CLK_REF_OUT 17 VDD_DIV 18 REFCLKIO 19 REFCLKI1 20 VDD_OSC 21 DVDD_ADC 22 ADVDD_ADC 23 QVINP 24 QVINN 25 IVINP 26 IVINN 27 AVDD_REF 28 REF_BIAS_EXT 29 VDD1229 30 TESTIO16 31 TESTIO15 32 VDD33 33 TESTIO14 34 TESTIO13 35 TESTIO12 36 TESTIO11 37 TESTIO10 38 I2CINT 39 SCLM 40 SDAM 41 VDD12_41 42 SCLS 43 SDAS 44 DBGBUS17 45 VDD33_45 46 DBGBUS16 47 DBGBUS15 48 TESTIO17 49 TESTIO18 50 TESTIO19 51 VDD33_51 52 VDD12_52 53 DBGBUS14 54 DBGBUS13 55 NC_55 56 NC_56 57 VDD12_57 58 NC_58 59 VDD33_59 60 VDD33_60 61 DBGBUS12 62 DBGBUS11 63 VDD33_63 64 DBGBUS10 65 VDD33_65 66 PWM1 67 VDD33_67 68 VDD12_68 69 RESETN 70 DBGSEL 71 TEST0 72 TEST1 73 GND R236 4.7K R227 100K GND-D IFAGC_D R225 100K +3.3V_DE GND-D TV_FAT_IFN R223 100K R212 4.7K +3.3V_DIV R226 100K C205 100n +3.3V_DE C203 100n +1.2V_DE +3.3VA_DE R206 10K TV_FAT_IFP TS_SYNC R210 4.7K +1.2V_DE R209 10K +1.2V_DE TS_CLK +3.3V_DE +3.3V_DE R232 100 R229 100K +3.3V_DE TS_VAL G201 30.400MHz R231 100 C201 100n R224 4.7K R218 100K R201 33 R204 232 C207 1u R205 1M R213 100K +3.3VA_DE +3.3V_DE C212 100n +3.3V_DE R228 100K +3.3V_DE C204 100n +1.2V_DE IFAGC_D C233 100n L206 SGMI2012-2R2KT +3.3V_DE C241 100n C223 10u C237 100n C250 10u C252 100n C235 100n C247 100n +1.2V_DE C231 100n C244 100n L203 STBH2012-221PT C232 10u C260 100n +3.3VA_DE C238 100n C225 100n C251 100n L204 STBH2012-221PT C240 100n C230 100n C239 100n L205 STBH2012-221PT C254 100n C256 1u C248 100n C227 100n +3.3V +3.3V_DIV C243 100n C236 100n C234 100n +3.3V_DE C229 100n C246 100n R202 33 R203 33 TS_D7 TS_D6 TS_D5 TS_D4 TS_D3 TS_D2 TS_D1 TS_D0 TP201 N203 FSA4159 1 B1 2 GND 3 B0 4 A 5 Vcc 6 S GND-D RF_SEL IFAGC IFAGC +5V_TUNER C249 100n 16V GND-D R244 0 RF_SEL R222 100 R221 4.7K SDA_T SCL_T C289 100n R266 47 GND-D GND-D +5V_TUNER R259 0 R258 0 GND-D GND-D C284 100n +5V_TUNER 47 R264 R261 0 R256 0 TV_FAT_IFN TV_FAT_IFP TS_CLK TS_D7 TS_D6 TS_D5 TS_D4 TS_SYNC TS_D3 TS_D2 TS_D1 TS_D0 TS_VAL RST_DEMO R207 4.7K +3.3V_DE +3.3V_DE V201 MMBT3906LT1 V202 MMBT3906LT1 C226 220u 16V C258 220u 16V W21 PAD_PCM_D[0] U21 PAD_PCM_D[1] U19 PAD_PCM_D[2] AD12 PAD_PCM_D[3] AC12 PAD_PCM_D[4] AD13 PAD_PCM_D[5] Y12 PAD_PCM_D[6] AA11 PAD_PCM_D[7] Y24 PAD_PCM_A[0] Y22 PAD_PCM_A[1] AB22 PAD_PCM_A[2] AA22 PAD_PCM_A[3] AA20 PAD_PCM_A[4] Y21 PAD_PCM_A[5] AA18 PAD_PCM_A[6] AA19 PAD_PCM_A[7] AA16 PAD_PCM_A[8] AA14 PAD_PCM_A[9] AA12 PAD_PCM_A[10] Y15 PAD_PCM_A[11] AA17 PAD_PCM_A[12] AA15 PAD_PCM_A[13] AE14 PAD_PCM_A[14] Y20 PAD_PCM_RESET AD16 PAD_PCM_IRQA_N Y13 PAD_PCM_OE_N Y14 PAD_PCM_IORD_N AA13 PAD_PCM_CE_N AC14 PAD_PCM_WE_N AB23 PAD_PCM_CD_N AB20 PAD_PCM_WAIT_N AB14 PAD_PCM_IOWR_N AA21 PAD-PCM_REG_N Y25 PAD_PCM2_CE_N T21 PAD_PF_ALE T19 PAD_PF_AD[15] Y16 PAD_TS1_D[0] AD14 PAD_TS1_D[1] AD15 PAD_TS1_D[2] AC15 PAD_TS1_D[3] AC16 PAD_TS1_D[4] Y17 PAD_TS1_D[5] AB17 PAD_TS1_D[6] AB19 PAD_TS1_D[7] Y18 PAD_TS1_CLK AE16 PAD_TS1_VLD AB16 PAD_TS1_SYNC U20 PAD_TS0_D[0] V20 PAD_TS0_D[1] R19 PAD_TS0_D[2] AE13 PAD_TS0_D[3] AC13 PAD_TS0_D[4] Y11 PAD_TS0_D[5] AB11 PAD_TS0_D[6] AB13 PAD_TS0_D[7] Y19 PAD_TS0_CLK Y23 PAD_TS0_VLD W20 PAD_TS0_SYNC AA3 PAD_IP AA2 PAD_IM Y3 PAD_QP Y2 PAD_QM AB1 PAD_VIFP AA1 PAD_VIFM AB2 PAD_SIFP AB3 PAD_SIFM AC4 PAD_TGPIO0(RF_AGC_CTRL) AD2 PAD_TGPIO1(DEMOD_RESET) AD4 PAD_TGPIO2(TUNER_SCL) AE4 PAD_TGPIO3(TUNER_SDA) AD3 PAD_IFAGC AE3 PAD_RFAGC_TAGC P21 PAD_PF_CE0Z P20 PAD_PF_CE1Z R20 PAD_PF_OEZ T20 PAD_PF_WEZ P19 PAD_F_RBZ C202 33p C206 33p R265 390 R262 390 R217 59K R242 0 R248 0 N204 AS1117-1V8 IN GND OUT +3.3V_T R270 0 R271 0 R252 0 +3.3V_1 +3.3V_1 +3.3V_2 +3.3V_2 +3.3V_2 R245 0 R246 0 R250 1K 1% R269 0 R253 0 +3.3V_T +3.3V_T +3.3V_T +3.3V_T R239 0 R238 0 L210 820nH IF-10S X201 1 GND SYS_RESET SDA_T R215 33 SCL_T R214 33 GND-D C211 33p 50V R216 33 C208 33p 50V R233 0 R234 0 C217 10p 50V C214 10p 50V +1.2V-Core C213 100u 16V R240 0 +3.3V_T_1 +3.3V_T_1 +5V_TUNER C264 100n C267 10u R208 33 R263 33 R273 0 R274 0 C290 10u 10V C291 10u 10V Close to 309 JUMPER JUMPER JUMPER JUMPER JUMPER JUMPER JUMPER JUMPER JUMPER JUMPER JUMPER JUMPER JUMPER JUMPER A B C D E F G H 1 2 3 4 5 6 Sheet to DRAWN BY 5 3 A1.0 AV Interface 9242KI5101DL XOCECO XIAMEN OVERSEAS CHINESE ELECTRONIC CO., LTD. TITLE: DWG NO. REV. APPROVED BY YPBPR-Y YPBPR-PB YPBPR-PR VGA-SCL VGA-SDA 100p C332 10K R363 1n C336 47 R342 47 R374 GND-D 001:F4 VGA-RIN GND-D 12K R352 47 R373 47p C329 GND-D 001:H5 YPBPR-PB_IN 4.7K R369 001:H5 YPBPR-SOG_IN 12K R356 001:H4 VGA-VSYNC 001:F4 VGA-LIN HP-DCT- 001:D5 47 R376 10K R349 001:B4;003:A1;005:D1 UART-RX 47 R340 001:H4 VGA-SOG_IN 100p C330 001:H4 VGA-B_IN 100p C331 GND-D C324 47p 001:H4 VGA-G_IN USB-D+ 001:B5 10K R354 MMBD1204 D310 HPAMP-ROUT 001:F4 470 R341 001:H5 YPBPR-Y_IN 001:F4 YPBPR-LIN 001:H4 VGA-HSYNC X311 UBA-100/W 1 2 3 4 G G 47 R343 GND-D GND-D 10K R364 C302 10u 47p C333 +5V 75 R384 47p C328 GND-D GND-D GND-D GND-D 12K R353 VCC-VGA 001:B5;003:A1;005:D1 UART-TX IP4223CZ6 N303 1 2 3 4 5 6 33 R350 4.7K R368 USB-D- 001:B6 R344 33 HP-MUTE- 001:D5 001:H4 VGA-R_IN 33 R345 1n C319 10K R355 GND-D HPAMP-LOUT 001:F4 12K R365 75 R381 SPDIF 001:F5 001:H5 YPBPR-PR_IN GND-D 33 R351 001:F4 YPBPR-RIN VCC-VGA 75 R383 GND-D X306 JY-3541L-01-030 G R L C344 100n C306 100n 100n C338 47n C335 47n C334 47n C318 47n C321 47n C320 47n C337 C317 1u 1u C323 C309 1u 1u C322 C310 1u 1u C316 C343 100u 16V R357 68 R359 68 YPBPR-PR_IN- 001:H5 C325 47n R358 68 C327 47n YPBPR-Y_IN- 001:H5 C326 47n YPBPR-PB_IN- 001:H5 R379 68 R378 68 VGA-B_IN- 001:H4 VGA-G_IN- 001:H4 VGA-R_IN- 001:H4 R377 68 GND-D C340 47n C341 47n C339 47n HDMI1-SCL 001:E5 GND-D D305 MMBD1204 R311 4.7K HDMI3-SDA 001:E5 +5V-HDMI3 HDMI1-RXC+ 001:E5 HDMI3-RX0- 001:E5 +5V-HDMI1 HDMI-CEC 001:E5;003:A5;003:A4 +5V-HDMI3 HDMI-CEC 001:E5;003:A2;003:A4 HDMI3-SCL 001:E5 R317 4.7K HDMI1-RX0- 001:E4 C308 100n HDMI1-SDA 001:E5 X302 HDMI 18 11 4 17 7 14 3 2 10 13 6 19 9 1 16 5 12 15 8 HDMI1-RXC- 001:E4 HDMI3-HP 001:E5 HDMI3-RX1+ 001:E5 +5V-HDMI1 HDMI3-RX2- 001:E5 R335 1K R313 4.7K +5V R315 4.7K HDMI3-RXC- 001:E5 HDMI1-HP 001:E5 HDMI1-RX2- 001:E4 +5V-HDMI3 D306 MMBD1204 R336 1K +5V HDMI3-RX0+ 001:E5 HDMI3-RX2+ 001:E5 HDMI1-RX0+ 001:E4 HDMI1-RX1- 001:E4 HDMI3-RX1- 001:E5 HDMI3-RXC+ 001:E5 HDMI1-RX1+ 001:E4 +5V-HDMI3 X303 HDMI 18 11 4 17 7 14 3 2 10 13 6 19 9 1 16 5 12 15 8 +5V-HDMI1 C311 100n +5V-HDMI1 HDMI1-RX2+ 001:E4 100 R371 R372 100 GND-D GND-D 22K R382 R380 22K R393 5.1 R394 5.1 +5V-USB R322 12K R320 12K R325 39K R330 39K GND-D C315 1u 10V C313 1u 10V GND-D R319 4.7K R326 4.7K GND-D R308 4.7K +12V R321 1K +5V N302 CAT24C02WI 1 A0 2 A1 3 A2 4 Vss 5 SDA 6 SCL 7 WP 8 Vcc D302 CD4148WP D303 CD4148WP D301 CD4148WP R309 4.7K C301 100n +5V_AMP C305 3.3n C304 3.3n R301 1K R302 1K R316 200K R314 200K SPDIF 001:F5 R318 300 R323 4.7K +3.3V SPDIF_CL R333 47 HC1038-15F-3.08 X307 1 2 3 4 5 6 7 8 9 11 12 13 14 10 15 X304 RCA-386A-02 G BU R X305 RCA-286A-02 W R X309 RCA-103A-OR OR X301 ST-113 R G2 L G5 R307 0 +3.3V R338 1K GND-D GND-D +5V R324 1K C314 1u 10V GND-D C342 1u 10V GND-D D308 CD4148WP D307 CD4148WP C312 220u 16V R396 180 R397 120 R312 200 R337 75 C307 1u 10V R327 10K R328 10K +5V R310 1K +3.3V ISP_EN 001:B4 R367 470 R370 1K R366 470 +3.3V-S R334 1K R332 1K R331 10K R329 10K RXOC- RXEC+ K301 GND-D R386 0 RXO0+ RXO3- RXEC- RXO0- RXO2- R388 0 LVDS_I/O2(3D_EN) R385 0 GND-D RXE0- SDA VDD-P RXE4+ RXE2+ RXO1- RXO4- VDD-P RXO3+ RXE1+ RXE3+ RXE4- RXE3- R387 10K LVDS_I/O1(LD_EN) +3.3V SCL RXO4+ R390 0 RXO2+ RXE1- R389 10K RXE2- RXO1+ RXE0+ RXOC+ X308 PHB-2x20-2.0 22 22 1 1 21 21 4 4 5 5 15 15 11 11 6 6 20 20 8 8 13 13 9 9 14 14 17 17 18 18 19 19 16 16 7 7 12 12 2 2 3 3 10 10 23 23 24 24 25 25 27 27 28 28 26 26 29 29 30 30 31 31 32 32 33 33 34 34 35 35 36 36 37 37 38 38 39 39 40 40 X310 FPC1.0-SMT11-30WX-1H 18 18 11 11 25 25 4 4 28 28 17 17 7 7 24 24 21 21 14 14 3 3 2 2 10 10 20 20 13 13 27 27 6 6 30 30 19 19 9 9 23 23 1 1 26 26 16 16 5 5 22 22 12 12 15 15 29 29 8 8 RXO1+ RXOC- GND-D RXO2+ RXO1- RXOC+ RXO0- VDD-P RXO2- RXO0+ RXO3- RXO3+ D304 CD4148WP D309 CD4148WP AMP_STB V310 2SC4081 V309 2SC4081 V308 2SC4081 V306 2SC4081 V304 2SC4081 V305 2SC4081 V307 2SC4081 V302 2SC4081 V303 2SA1576UB V301 2SA1576UB IR_IN GND-D 0 R347 FU301 SMD1206P075TF R306 4.7 R304 4.7 R303 4.7 R305 4.7 N301 SGM4918 1 C1P 2 C1N 3 Vss 4 OUTL 5 OUTR 6 NR 7 NL 8 VDD 9 SHDN 10 GND10 11 GND11 R339 33 75 R360 75 R361 75 R362 R391 33 R392 33 470 R375 R398 33 R395 33 R346 33 R348 33 R399 33 R400 33 C303 220u 16V C726 10u 10V Near MSD309 Near MSD309 Near MSD309 Near MSD309 A B C D E F G H 1 2 3 4 5 6 XOCECO -F Sheet to DRAWN BY 5 5 A1.0 InternalInterface POWER & Audio AMP 9242KI5101DL N101 MSD309PX-LF-V1 XIAMEN OVERSEAS CHINESE ELECTRONIC CO., LTD. TITLE: DWG NO. REV. APPROVED BY LED 001:B4 GND-D +5V-S +5V-S R627 45.3K 1% N605 AS1117-3V3 IN GND OUT GND-D +3.3V-S R642 33 GND-D +12V L602 STPB3216-380PT GND-D GND-D PNPWR_SW 001:D6 C609 10u +5V-USB L603 STPB3216-380PT +3.3V-S GND-D C616 10u R643 33 R645 4.7K UART-TX 001:B5;003:A1;003:G1 UART-RX 001:B4;003:A1;003:G1 GND-D R628 10K 1% C638 10u +3.3V R681 10K X604 TJC10-04A 1 2 3 4 C635 10u +3.3V R626 10K 1% VDD-P GND-D GND-D +12V R638 10K C608 10u AMP-POW R641 1K +5V-S +12V R623 10K 1% +1.8V-DDR2 GND-D R686 47K IR 001:B5 GND-D C607 10u +5V-S +1.2V-Core R644 4.7K R674 1K R625 4.3K 1% R676 10K R679 1K +3.3V L601 STPB3216-380PT KEY 001:B4 D601 SK34A C612 100n C604 100n C620 100n C631 100n +3.3V-S C622 100n C625 100n C630 100n C629 10n C634 100u 16V C619 100u 16V C602 100u 16V C618 100n C615 100n C613 100n R604 100K R605 100K C628 33p C624 10n R621 1K R622 4.7K R636 1K C645 39p GND-D C621 3.3n C623 100n C627 100n GND-D +2.5V +3.3V-S +1.8V-DDR2 +3.3V GND-D GND-D GND-D GND-D C651 100n C654 100n C655 100n C659 100n C662 100n C666 100n C658 100n C661 100n C652 100n C653 100n GND-D GND-D +1.2V-Core L608 BG1608B121 GND-D +3.3V-S C648 100n +3.3V +2.5V L607 BG1608B121 +1.8V-DDR2 GND-D +3.3V-S R617 10K +5V +3.3V-S R615 10K R607 100 R619 1K +5V-S +12V GND-D R609 10K +5V +5V GND-D BL_SW- 001:D6 PWR_SW 001:D6 R603 10K BL_PWM 001:B4;004:B2 C610 100n +5V-S +3.3V R618 1K R611 1K +5V-S GND-D C614 10u R608 1K R616 10K R613 1K R612 1K GND-D R620 1K R614 2.2K R630 10K C716 100n +1.2V-Core +1.2V-Core +3.3V +3.3V-S +1.8V-DDR2 +2.5V GND-D GND-D GND-D GND-D GND-D C639 100n R683 8.2K C606 10u C663 100n C693 100n R671 470 C706 39n C695 2.2n R660 10K MCLK C697 39n C684 47n R667 1K R655 47 R647 3K C709 100n SCLK C701 100n C683 4.7n C704 1n C708 1n R656 47 R669 47K C710 100n C698 39n C672 100n C720 1u C721 1u C692 100n R666 18.2K C722 1u C705 100n C656 100n R663 10K C703 39n C707 1n C719 1u R664 0 C689 47n R649 10K R648 10K C702 1n R654 10K R670 470 SDIN LRCLK R673 100 C676 100n GND-D C688 4.7n SCL R678 22K N606 TAS5711 1 OUT_A 2 PVDD_A_2 3 PVDD_A_3 4 BST_A 5 GVDD_OUT 6 SSTIMER 7 OC_ADJ 8 PBTL 9 AVSS 10 PLL_FLTM 11 PLL_FLTP 12 VR_ANA 13 AVDD 14 A_SEL 15 MCLK 16 OSC_RES 17 DVSSO 18 VR_DIG 19 PDN 20 LRCLK 21 SCLK 22 SDIN 23 SDA 24 SCL 25 RESET 26 STEST 27 DVDD 28 DVSS 29 GND 30 AGND 31 VREG 32 GVDD+OUT 33 BST_D 34 PVDD_D_34 35 PVDD_D3_5 36 OUT_D 37 PGND_CD_37 38 PGND_CD_38 39 OUT_C 40 PVDD_C_40 41 PVDD_C_41 42 BST_C 43 BST_B 44 PVDD_B_44 45 PVDD_B_45 46 OUT_B 47 PGND_AB_47 48 PGND_AB_48 R657 47 R653 47 C685 100n AMP-POW AMP-POW AMP-POW AMP-POW +3.3V +3.3V +3.3V STB_AMP 001:B4 RESET_AMP GND-D GND-D GND-D GND-D GND-D GND-D GND-D GND-D GND-D GND-D GND-D GND-D GND-D GND-D GND-D GND-D GND-D GND-D GND-D GND-D SDA C611 10u L613 NR8040T220M L612 NR8040T220M L611 NR8040T220M L614 NR8040T220M GND-D R668 100K R646 1K +3.3V C671 4.7u C682 100n +5V +5V R624 10K 1% +5V C665 33p C664 100n USB_SW L610 STPB3216-380PT +12V R675 1K +3.3V R677 10K GND-D R680 1K C626 47p C632 47p C669 33p 50V C673 33p 50V GND-D GND-D R659 33 R658 33 L604 15uH NR6045T150M C642 10u 10V C674 100n C678 100n C677 100n C679 100n C690 100n C687 100n C675 100n C681 100n C686 100n C649 2.2u +5V_AMP V618 APM2315A S D G R688 10K C718 100n 16V +5V GND-D R692 47K AMP-POW C696 1u C694 1u C641 220u 16V C617 220u 16V E22 VDDC1.2V F22 VDDC1.2V E21 VDDC1.2V_3 F21 VDDC1.2V_4 G21 VDDC1.2V_5 H21 VDDC1.2V_6 E20 VDDC1.2V_7 H20 DVDD_MIUA J21 AVDD1P2 M8 AVDD2P5_ADC M9 AVDD2P5_ADC N8 AVDD25_REF N9 AVDD25_REF R9 AVDD_AU25 P8 AVDD25_MOD P9 AVDD25_MOD T8 AVDD25_PGA U8 AVSS_PGA E9 AVDD_DVI_E9 AVDD_DVI E10 AVDD_DVI F9 AVDD_DVI G10 AVDD_DMPLL H9 AVDD3P3_ADC H10 AVDD3P3_ADC K9 AVDD_AU33 J9 AVDD_EAR33 E19 VDDP F19 VDDP G18 AVDD_LPLL_MEMPLL E17 AVDD_DDRA_E17 E18 AVDD_DDRA_E18 F17 AVDD_DDRA_F17 F18 AVDD_DDRA_F18 G17 AVDD_DDRA_G17 L10 DVDD_NODIE AC2 GND AE1 GND Y10 GND V7 GND W7 GND V8 GND W8 GND V9 GND W9 GND J10 GND K10 GND M10 GND N10 GND P10 GND R10 GND T10 GND U10 GND V10 GND W10 GND D11 GND G11 GND H11 GND J11 GND K11 GND L11 GND M11 GND N11 GND P11 GND R11 GND T11 GND U11 GND V11 GND W11 GND D12 GND E12 GND F12 GND G12 GND H12 GND J12 GND K12 GND L12 GND M12 GND N12 GND P12 GND R12 GND T12 GND U12 GND V12 GND W12 GND D13 GND E13 GND F13 GND H13 GND J13 GND K13 GND L13 GND M13 GND N13 GND P13 GND R13 GND T13 GND U13 GND D14 GND E14 GND F14 GND G14 GND H14 GND J14 GND K14 GND L14 GND M14 GND N14 GND P14 GND R14 GND T14 GND U14 GND D15 GND E15 GND F15 GND G15 GND H15 GND J15 GND K15 GND L15 GND F20 VDDC1.2V_8 G20 VDDC1.2V_9 G22 VDDC1.2V_10 J20 DVDD_MIUB F10 AVDD_DVI G9 AVDD_DVI G16 AVDD_DDRB_G16 H16 AVDD_DDRB_H16 H17 AVDD_DDRB_H17 J16 AVDD_DDRB_J16 J17 AVDD_DDRB_J17 U16 GND_85 T16 GND_86 R16 GND_87 P16 GND_88 N16 GND_89 M16 GND_90 L16 GND_91 K16 GND_92 F16 GND_93 E16 GND_94 D16 GND_95 K17 GND_96 L17 GND_97 M17 GND_98 N17 GND_99 P17 GND_100 R17 GND_101 T17 GND_102 U17 GND_103 N19 GND_104 M19 GND_105 L19 GND_106 K19 GND_107 N20 GND_108 M20 GND_109 L20 GND_110 K20 GND_111 N21 GND_112 M21 GND_113 L21 GND_116 K21 GND_117 N22 GND_118 M22 GND_119 L22 GND_120 K22 GND_121 J22 GND_122 H22 GND_123 U18 GND_124 T18 GND_125 R18 GND_126 P18 GND_127 N18 GND_128 M18 GND_129 L18 GND_130 K18 GND_131 M15 GND_132 N15 GND_133 P15 GND_134 R15 GND_135 T15 GND_136 U15 GND_137 N601 AZ1117-3.3 1 GND 2 OUT 3 IN L605 15uH NR6045T150M N602 MP2309 1 BS 2 IN 3 SW 4 GND 5 FB 6 COMP 7 EN 8 SS R610 100K +5V_DCDC L609 STPB3216-380PT +5V_DCDC R682 10K R684 8.2K GND-D R685 47K +5V_DCDC C717 100n C640 100n C637 100n L606 10uH NR8040T100M N604 MP2307 1 BS 2 IN 3 SW 4 GND4 5 FB 6 COMP 7 EN 8 SS D603 CD4148WP D604 CD4148WP R691 8.2K +3.3V +2.5V GND-D R637 390 R633 390 R629 390 R640 390 C700 10u 10V C699 10u10V C711 10u 10V C714 330p 50V C715 330p 50V C712 330p 50V C713 330p 50V R693 18 R694 18 R689 18 R690 18 GND-D GND-D GND-D GND-D N603 MP1482-18V 1 BS 2 IN 3 SW 4 GND 5 FB 6 COMP 7 EN 8 SS +3.3V C657 10u 6.3V +1.2V-Core C650 10u 6.3V GND-D GND-D C667 10u 6.3V +3.3V-S AMP_STB X605 TJC10S-03A 1 2 3 X603 TJC10S-04A 1 2 3 4 X602 TJC3S-13A 1 2 3 4 5 6 7 8 9 10 11 12 13 X606 1 2 3 4 R635 1K R665 4.7K 1% C680 470u 35V R662 0 PWR_ON/OFF GND-D R650 10K V608 2SC4081 C660 100n C668 100n R661 0 V610 APM2315A S D G AMP-POW +12V PWR_ON/OFF PWR_ON/OFF R601 33 R602 33 PWR_ON/OFF R639 0 +5V-S C644 100n GND-D R631 10K V607 APM2315A S D G C646 100n PWR_ON/OFF V605 2SC4081 +5V_DCDC +5V R634 47K V609 2SC4081 V611 2SC4081 V612 2SC4081 V615 2SC4081 V606 2SC4081 V602 2SC4081 V603 2SC4081 V604 2SC4081 V601 2SC4081 V613 2SC4081 V614 2SC4081 V616 APM2315A S D G V617 APM2315A S D G R687 47K R652 47K R651 47K R672 0 R695 0 +5V-USB R632 33 IR_IN C647 220u 16V +3.3V X601 1 2 3 4 5 6 C601 10u 10V C603 10u 10V +5V +5V-S GND-D GND-D C636 470u C633 10u 6.3V R606 2.2K D602 1N4001 C723 10u 10V C724 10u 10V C691 10u 10V C670 10u 10V C605 220u 16V C643 220u 16V R696 0 C725 100u 16V For Small Size Power 1-3: Touch Key,R639=5.6K 1% 2-3: Common Key,R639=4.7K 1151mA 110mA+300mA Size Power For Small Size Power For Small For Small Size Power For Small Size Power Size Power For Small Size Power For Small APA3160/5273160001 BOT A B C D E F G H 1 2 3 4 5 6 Power board Backlight board

标签:

版权声明

1. 本站所有素材,仅限学习交流,仅展示部分内容,如需查看完整内容,请下载原文件。
2. 会员在本站下载的所有素材,只拥有使用权,著作权归原作者所有。
3. 所有素材,未经合法授权,请勿用于商业用途,会员不得以任何形式发布、传播、复制、转售该素材,否则一律封号处理。
4. 如果素材损害你的权益请联系客服QQ:77594475 处理。