三洋LCD-32XA2液晶电视电路图

分类:电子电工 日期: 点击:0
三洋LCD-32XA2液晶电视电路图-0 三洋LCD-32XA2液晶电视电路图-1 三洋LCD-32XA2液晶电视电路图-2 三洋LCD-32XA2液晶电视电路图-3

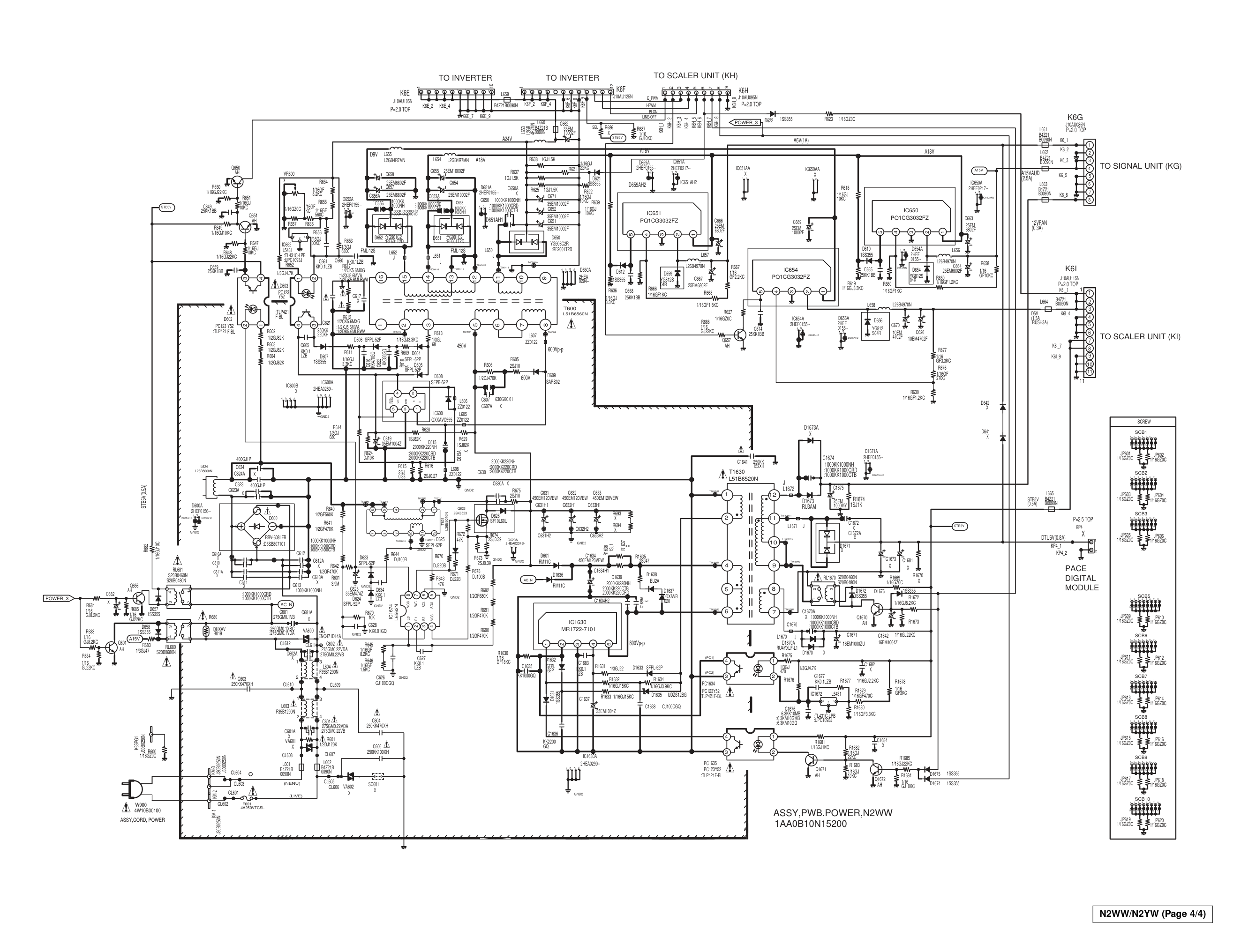
K1003 K1002 10 4 11 5 12 6 13 7 14 8 15 9 16 17 18 19 20 21 1 2 3 SP902 SP901 J10AU020N KSPL 1 1 2 2 J10AU030N KSPR 1 1 2 3 3 K1001 J10AU080N K6G 1 2 3 4 5 6 7 8 J10AU090N K6H 1 2 3 4 5 6 7 8 9 J10AU110N K6I 1 1 2 3 4 5 6 7 8 9 10 11 11 J10EA020N KP4 1 1 2 2 J10AU120N K6F 1 1 2 3 4 5 6 7 8 9 10 11 12 12 J10AU100N K6E 1 1 2 3 4 5 6 7 8 9 10 10 J10PJ300G KLP1 1 2 3 4 5 6 7 8 9 10 11 12 13 14 15 16 17 18 19 20 21 22 23 24 25 26 27 28 29 30 J11B7370G KLP2 1 2 3 4 5 6 7 8 9 10 11 12 13 14 15 16 17 18 19 20 21 22 23 24 25 26 27 28 29 30 31 32 33 34 J10QF110G KI 1 2 3 4 5 6 7 8 9 10 11 J10QF090G KH 1 2 3 4 5 6 7 8 9 J10QF040G KP2A 1 2 3 4 J11XB400G K8D 1 1 2 2 3 4 5 6 7 8 9 10 11 12 13 14 15 16 17 18 19 20 21 22 23 24 25 26 27 28 29 30 31 32 33 34 35 36 37 38 39 39 40 40 43 44 J10QF050G K24HD 1 2 3 4 5 J10QF070G K45PC 1 2 3 4 5 6 7 J10QF140G K8B 1 2 3 4 5 6 7 8 9 10 11 12 13 14 J10AU080N KG 1 2 3 4 5 6 7 8 J10AU040N KF 1 1 2 3 4 4 J10AU140N KB 1 1 2 3 4 5 6 7 8 9 10 11 12 13 14 14 J11XB400G KD 1 1 2 2 3 4 5 6 7 8 9 10 11 12 13 14 15 16 17 18 19 20 21 22 23 24 25 26 27 28 29 30 31 32 33 34 35 36 37 38 39 39 40 40 43 44 J10AU070N KPC 1 2 3 4 5 6 7 J10AU050N KHD 1 2 3 4 5 J10AU050N KX 1 2 3 4 5 J10AU050N KP2B 1 2 3 4 5 J10AU030N KFN1 1 1 2 3 3 J10EA020N KPGN 1 1 2 2 J10AU030N KP3 1 1 2 3 3 J10AU030N KFN3 1 1 2 3 3 J10AU060N KK 1 2 3 4 5 6 J10AU140N KL 1 1 2 3 4 10 5 11 6 12 7 13 8 9 14 14 K1007 1 2 3 4 5 K1006 1 2 3 4 5 6 7 K1004 1 2 3 4 5 6 9 K1005 1 2 3 4 5 K001 FN902 J10ES086G K8J 1 2 3 4 5 6 7 8 VOL- RC POS- VOL+ LED POS+ POWER_SW 1AA0B10N137LB ASSY,PWB,CONTROL,N2WW K19J_1 K19J_8 K19J_2 6.3EM22KE C3901 :6.3EM221V X SC3952 1 2 KZ0.01 GQF C3902 K19J_7 DLXRB0001653C D3901 X SC3902 1 2 K19J_G 5VCPU 5VCPU X SC3951 1 2 VCC VOUT GND GND GND U20B24401 A3901 1 2 3 4 5 KK1000GQ C3904 K19J_6 J10EG085G K19J 1 1 2 3 4 5 6 7 8 8 S10B3530G SW3951 1 2 3 4 S10B3530G SW3952 1 2 3 4 S10B3530G SW3953 1 2 3 4 S10B3530G SW3954 1 2 3 4 S10B3530G SW3955 1 2 3 4 UDZS10BG D3951 UDZS10BG D3952 X D3902 25KZ 0.1GQF C3903 Z30B0220G SC3904 1 2 Z30B0220G SC3903 1 2 X SC3905 1 2 1/16 GJ1KC R3952 1/16 GJ220C R3956 1/16 GJ10C R3957 X R3958 1/16GJ390C R3905 1/16 GJ560C R3953 1/16 GJ270C R3955 X R3959 1/16 GJ100C R3951 1/16GZ0C R3960 1/16GJ100C R3902 1/16 GJ100C R3901 1/16 GJ390C R3954 1/16GZ0C R3961 INVERTER LCD PANEL 1AA0B10N15200 ASSY,PWB,POWER,N2WW 1AA0B10N137LA ASSY,PWB,SIGNAL,N2WW 1AA0B10N13800 ASSY,PWB,SCAL,N2WJ 27inch: LCD (V270W1-L04 REVC4) 1AV4T40B58002 32inch: LCD (V320B1-L01 REVC2) 1AV4T40B65200 or LCD (V320B1-L01 REVC3) 1AV4T40B65201 32inch 27inch EL901 LCD MODULE 1 2 3 4 5 6 9 1 2 3 4 5 6 9 COLOUR TELEVISION CHASSIS SERIES SERVICE REF. NO. UUEE22--AA PRODUCT SAFETY NOTICE: Product safety should be considered when a component replacement is made in any area of a receiver. Components indicated by a mark in this circuit diagram show components whose values have special significance to product safety. It is particularly recommended that only parts specified on the part service manual be used for components replacement pointed out by the mark. CIRCUIT DIAGRAM NOTICE: 1. All resistance value are in ohms, K=1,000, M=1,000,000. 2. All resistance rated wattages are 1/6W unless otherwise noted. 3. Excepting electrolytic capacitors, all capacitance values of less than 1are expressed in µ F and more than 1 are µF. 4. All capacitance rated voltages are 50V unless otherwise noted. 5. All inductance values are in µ H. 6. This circuit diagram covers a basic or representative chassis only. There may be some components or partial circuit differences between the actual chassis and the circuit diagram. 7. Parts specified with "X" are not installed in this model. 8. Parts specified with "J" are just jumper wires. 9. Expression of capacitance and resistance in circuit diagrme. N2WW/N2YW TRANSISTOR, DIODE AND INTEGRATED CIRCUIT TERMINAL GUIDE C: COLLECTOR B: BASE E: EMITTER A: ANODE K: KATHODE B B C C E E C E B C E B B C E A K K A A K FUSIBLE RESISTOR PARTICULAR PARTS SYMBOL 1 1 1 N/2 N/2 + 1 N NON POLE ELECTRIC CAPACITOR POSISTER C E B CHIP COMPONENTS K A TRANSISTOR DIODE 123 RESISTOR 12 X 103=12K Capacitance (Example) 1000 C M 2000 D Characteristic Capacitance value (220pF) Allowable error (±20%) Kind (Ceramic) Rated voltage (1,000V) J= ± 5% K= ±10% M= ±20% Resistance (Example) 1/2 N J 1.2 Resistance value (1.2Ω) Allowable error (±5%) Kind (M.carbon) Rated wattage (1/2W) D: Carbon N: Metalized carbon S: Oxied metalized W: Wire wounding C: Solid T, A, U, D:  Electrolytic C, K, B: Ceramic F: Mylar film M, N: Polypropylene Z: Metalized paper LCD-27XA2-00 LCD-32XA2-00 16KZ2.2FA C1037 X C1226 25EM4.7KE C101 :25EM4.71V K1001_2 5V_SW TUNGND KCP_G 5V_SW CJ100CGQ C1008 KE_2 P_GND POWER 6.3EM100KE C6633 :6.3EM1001V KK_1 K1002_15 X L6602 K1001_20 1SS355 D1201 KP2B_3 Q113 2SC2814 F4P :2SC2814-F5 X TP6600 X JS1253 CTL_A KK 4700GQ C114 TUNGND X KP3 1 1 2 3 3 P_GND TUNGND K1002_6 X JS1207 X Q6600 X JS292 RIN 5V_SW KL_11 CJ100CGQ C1017 TUNGND UDZS10BG D1003 10EM47KE C1011 :10EM471V K1001_11 P_GND D122 1SS356 5V_SW 1/16GZ0C JS1209 TUNGND TUNGND K1001A X 10 4 11 5 12 6 13 7 14 8 15 9 16 17 18 19 20 21 1 2 3 TUNGND X C6605 A101_6 K1002_1 X KPGN 1 1 2 2 L3BQ102PG L101 X Q1205 KZ 0.01GQF C6602 KPGNG 5VCPU X L6604 Q114 2SC5730RP P_GND 1/16GZ0C JS1221 X C1223 P_GND POWER K1001_3 AH Q6607 X C6617 KE_1 UDZS10BG D1013 KK_3 UDZS 33BG D104 X C6607 K1001A21 KP2B_G X JS1252 UDZS10BG D1004 TUNGND Q1004 AH KK 0.01GQ C127 X C6606 CJ100CGQ C1009 P_GND K1002_16 UDZS10BG D1008 KCP_6 IR K1002_7 X JS122 X TP6607 X L6600 1 2 3 4 P_GND KL_6 X Q6604 X JS126 D/A_CTL K1001_12 TUNGND 25EM 4703H C6618 X C6600 TUNGND 5VCPU J12B06000 K001 X C1222 P_GND UDZS10BG D1001 A101_7 POWER_3 K1002_2 X D6607 16KZ1FA C1251 CJ100CGQ C1019 X IC6605 1 VIN 2 VOUT 3 COM 4 Oadj 5 ON/OFF 6 P_GND X IC6600 1 Vin 2 Vout 3 COM 4 Oadj 5 Vsoft 6 X121 SF6376Y 1 2 3 4 5 1/16GZ0C JS1222 Q1204 X X C6629 KK 0.01GQ C126 KK 0.033BA C117 TUNGND X C6601 X C6609 K1001A_G X JS121 TUNGND X C6610 KE_G X C6631 KK 0.033BA C107 X D101 1/16GZ0C JS123 UDZS10BG D1019 A101_1 P_GND KP2B_5 P_GND X C6608 PANEL_PWR SB5388G X122A 1 2 3 4 X IC6607 1 2 3 TUNGND AJ Q1202 K1002_19 KK 4700GQ C115 KCP_2 P_GND KL_1 POWER K1001_15 TUNGND X A101 1 AGC 2 3 AS 4 SCL 5 SDA 6 NC 7 PB 8 9 TU2 10 11 IF 12 13 14 15 P_GND X C1221 P_GND KL_14 P_GND TUNGND A101_9 K1002_3 X D6600 P_GND 1/16GZ0C JS1223 SCL P_GND 1SS355 D102 TUNGND L26B2770G L1002A 5V_SW K1001_6 SC1_8 P_GND KE_4 X C6603 TUNGND 1/16GZ0C JS128 KK 0.01GQ C102 P_GND P_GND UDZS10BG D1018 X Q6603 P_GND L26B2770G L1001A CJ100CGQ C1005 A101_G P_GND KP3_1 X K1002A 10 4 11 5 12 6 13 7 14 8 15 9 16 17 18 19 20 21 1 2 3 1SS355 D6601 P_GND P_GND B/CB-IN SDA 1/16GZ0C JS102 Q111 AH 6.3KK10MB C112 :6.3KM10GMB 10EM 10003H C6604 UDZS10BG D1005 TUNGND K1002_20 KCP_3 TUNGND Q1201 AH UDZS10BG D1012 16KK0.33BA C6632 POWER P_GND X K1008 1 2 3 4 5 6 7 8 1SS355 D6608 P_GND 5V_SW X Q6601 1 S 2 3 4 G 5 6 7 8 D P_GND K1001_16 KP2B_1 P_GND G/Y-IN P_GND 6.3EM100KE C6630 :6.3EM1001V P_GND CJ270CGQ C116 16KZ1FA C1253 POWER_1 AJ Q1003 X C1224 D121 X A101_11 K1002A21 UDZS10BG D1014 1/16GZ0C JS101 REC_CTL L2FB470MG L103 X JS1205 1SS355 D103 KL_13 5V_SW P_FAIL2 R/CR-IN 1SS355 D6613 K1001_7 X D6612 KK 0.01GQ C104 POWER_1 5V_SW X JS125 X L6606 CJ100CGQ C1007 P_GND A101_4 5V_SW KP3_G Q112 2SC2814F4P :2SC2814-F5 GIN UDZS10BG D1006 P_GND X TP6608 POWER_1 GIN J11B4710N KCP1 1 2 3 4 5 6 7 8 9 10 11 12 X D1002 X IC6602 1 VIN 2 VOUT 3 COM 4 Oadj 5 ON/OFF 6 R/C2-IN K1001_1 X C1227 KCP_5 P_FAIL1 UDZS10BG D1017 X TP6602 CJ100CGQ C1003 P_GND BL_ADJ P_GND BL_EN X TP_6604 K1001_19 K1002_11 KP2B_2 P_GND BIN X JS1251 6.3EM220KE C103 P_FAIL1 L2GL391JG L102 TUNGND X KK 1 2 3 4 5 6 P_GND K1002A_G TUNGND X JS1206 5V_SW KK 4700GQ C113 KL_12 X D1204 X KE 1 2 3 4 5 X C6627 X KP2B 1 2 3 4 5 16KZ2.2FA C1039 SC2_8 K1001_8 P_GND TUNGND 10EM 10003H C6628 KK 0.033BA C106 1/16GZ0C JS124 P_GND X TP-A KSPL_1 K1002_8 14VAUD A101_5 KP3_3 CJ100CGQ C1006 POWER P_GND P_GND J10AU035N KSPR 1 1 2 3 3 J10AU025N KSPL 1 1 2 2 X KL 1 1 2 3 4 10 5 11 6 12 7 13 8 9 14 14 5VCPU BA05SFPP IC6606 1 2 3 4 5 X X122 1 2 3 4 5 UDZS10BG D202 TV-OUT2 CTL_B 16KK 0.33BA C3442 25EM10KE C3466 :25EM101V STV8216TP IC3451 1 AO1L 2 AO1R 3 NC 4 NC 5 NC 6 NC 7 VDDC 8 GNDC 9 AL1L 10 AL1R 11 VMC1 12 13 VMC2 14 AL2L 15 AL2R 16 VDDA 17 GNDAH 18 AO2L 19 AO2R 20 VDDH 21 NC 22 VREFA 23 AL3L 24 AL3R 25 NC 26 GBAP 27 NC 28 LSL 29 LSR 30 SW 31 HPL 32 HPR 33 GNDSA 34 NC 35 HPD 36 ADR 37 NC 38 NC 39 SCL 40 SDA 41 NC 42 REG 43 RESET 44 SYSCK 45 MCK 46 VDD1 47 GND1 48 NC 49 GNDSP 50 NC 51 NC 52 XTI 53 XTO 54 VDDP 55 GNDP 56 GND2 57 VDD2 58 CKTST 59 NC 60 NC 61 SDO 62 ST/SDI 63 WS 64 SCK 65 BUS1(MACH-3) 66 NC 67 NC 68 BUS0(BBE) 69 IRQ 70 NC 71 NC 72 NC 73 SIF 74 VTOP 75 VREFIF 76 VDDIF 77 GNDIF 78 MONOIN 79 NC 80 NC 1/16 GZ0C C3408 L26B2770G L3453 25KZ 0.1GQF C3455 5V_SW 25EM10KE C3477 :25EM101V X D3421 KK5600GQ C3484 25KZ 0.1GQF C3465 X C3479 25KZ 0.1GQF C3486 CJ100 CGQ C3443 X C3411 UDZS10BG D3443 UDZS10BG D3444 25EM10KE C3462 :25EM101V 25KZ 0.1GQF C3461 CJ18 CGQ C3482 25KZ 0.1GQF C3406 X C3485 16KK 0.22BA C3451 CJ100 CGQ C3441 CJ15CGQ C3481 25KZ 0.1GQF C3463 X C3421 16KZ 1FA C3456 3V3_SW 25KZ 0.1GQF C3483 CJ100 CGQ C3431 25EM10KE C3450 :25EM101V 25EM10KE C3464 :25EM101V X Q3421 5V_SW 16KK 0.33BA C3444 25EM10KE C3468 :25EM101V X Q3422 16KK 0.33BA C3448 CJ100 CGQ C3445 25KZ 0.1GQF C3467 25KZ 0.1GQF C3449 5V_SW 25KZ 0.1GQF C3469 25KZ 0.1GQF C3452 V10B3370G X3451 CJ100 CGQ C3433 25KZ 0.1GQF C3478 L26B2770G L3452 CJ100CGQ C3447 CJ100CGQ C3454 16KK 0.33BA C3446 6.3KK10MB C3457 6.3KK10MB C3458 25EM10KE C3470 :25EM101V 3V3_SW CJ12CGQ C125 KK390GQ C121 16KK0.22BA C142 CJ560 CGQ C137 AH Q131 AJ Q134 AH Q133 V10B 6260N X133 KK0.01GQ C131 KZ 0.01GQF C134 CJ560 CGQ C138 KK0.01 GQ C132 KK0.01GQ C122 5V_SW TV-OUT2 25EM10KE C133 :25EM101V 16KK 0.47BA C141 TV-OUT1 16KK0.47BA C123 KK 0.01GQ C120 TDA9886TSV4P IC101 1 VIF1 2 VIF2 3 OP1 4 FMPLL 5 DEEM 6 AFD 7 DGND 8 AUD 9 TOP 10 SDA 11 SCL 12 SIOMAD 13 n.c. 14 TAGC 15 REF 16 VAGC(1) 17 CVBS 18 AGND 19 VPLL 20 Vp 21 AFC 22 OP2 23 SIF1 24 SIF2 KK1500 GQ C143 UDZS 10BG D1203 10EM47KE C1202 :10EM471V L2F74R7JG L1202 L2F7 4R7JG L1201 16KZ 2.2FA C1213 TV-OUT1 16KZ2.2FA C1205 CJ82 CGQ C1212 L2F74R7JG L1203 16KZ2.2FA C1200 CJ82 CGQ C1218 CJ82 CGQ C1211 UDZS10BG D1202 X Q135 1/16GZ0C JS130 X Q132 X C136 X L132 X C135 5V_SW JS127 X AGC SCL SDA SDA SCL BLK-IN K1003_G K1003_21 L26B2770G L1003 CJ100CGQ C1034 CJ100CGQ C1031 CJ100CGQ C1016 CJ100CGQ C1018 16KZ2.2FA C1038 16KZ2.2FA C1036 J12B2920N K1006 1 2 3 4 5 6 7 J12B2910N K1007 1 2 3 4 5 X KHD 1 2 3 4 5 CJ100CGQ C1012 CJ100CGQ C1015 16KZ2.2FA C1033 16KZ2.2FA C1032 16KZ2.2FA C1014 16KZ2.2FA C1013 CJ100CGQ C1023 16KZ2.2FA C1022 CJ100CGQ C1021 16KZ2.2FA C1024 0 2 2 1 3 1 0 3 ENA VEE HLHL HHLL 3210 A B TC4052BFP IC1222 1 2 3 4 5 6 7 8 VSS 9 10 11 12 13 14 15 16 UDZS10BG D1009 UDZS10BG D1007 X C1229 X C1228 5V_SW D/A_CTL CTL_C L-OUT R-OUT SCL SDA KK0.01GQ C1010 16KZ1FA C1252 DM-Y-IN L26B2770G L1002 K1002_21 L26B2770G L1001 K1001_21 J11B2460N K1002 10 4 11 5 12 6 13 7 14 8 15 9 16 17 18 19 20 21 1 2 3 K1001 B4J12B08900 10 4 11 5 12 6 13 7 14 8 15 9 16 17 18 19 20 21 1 2 3 K1003 B4J12B08900 10 4 11 5 12 6 13 7 14 8 15 9 16 17 18 19 20 21 1 2 3 X L1092 1 2 3 K1010_9 K1010_1 X L1091 1 2 3 5VCPU X L1095 1 2 3 K1010_15 K1010_14 K1010_13 X L1094 1 2 3 X D1091 K1010_12 X K1010 1 3 4 5 6 7 8 9 10 11 12 13 14 15 2 16 17 X C1091 K1010_2 X D1092 K1010_3 K1010_6 X C1092 X L1093 1 2 3 X IC1091 1 A0 2 A1 3 A2 4 VSS 5 SDA 6 SCL 7 TEST 8 VDD 16KZ 0.22GQF C043 16KK 0.47GQ C025 25EM 100KE C003 P_GND 16KZ 0.22GQF C044 25EM100KE C028 16KK 0.47BA C008 16KZ 0.22GQF C021 P_GND P_GND KK 4700GQ C049 16KK 0.47GQ C026 25EM100KE C027 AH Q001 16KZ 0.22GQF C023 P_GND KK1000GQ C013 25EM 47KE C004 KK 4700GQ C009 16KK 0.47BA C001 16KZ 0.22GQF C042 KK 4700GQ C050 16KZ 0.22GQF C041 2SD2198RP Q002 1/16GZ0C JS001 16KZ 0.22GQF C024 AH Q003 P_GND P_GND 25EM 22KE C005 :25EM 221V EM2.2KE C007 :EM2.21V P_GND P_GND 16KK 0.47 BA C002 L2WE181MG L001 14VAUD P_GND P_GND P_GND KK 4700GQ C010 P_GND 16KZ 0.22GQF C022 SFPB-54P D001 16KK 0.47BA C006 16EM 10004U C014 P_GND P_GND 5VCPU P_GND P_GND X C6625 P_GND P_GND 16KK 0.33BA C6634 6.3EM 100KE C6635 :6.3EM 1001V BA33BC0FPP IC6642 1 2 3 16KK 0.33BA C6636 6.3EM 100KE C6637 :6.3EM 1001V P_GND P_FAIL1 3V3_SW X TP6605 1SS355 D6618 X D6615 X D6616 X D6614 X TP6606 1V8_SW P_FAIL1 KSPR_1 P_GND AH Q004 5VCPU 16KZ1FA C3511 16KZ1FA C3514 16KZ1FA C019 16KZ1FA C020 HPL-OUT HPR-OUT HPL-OUT HPR-OUT A6V 1/16GZ0C JS6603 1/16GZ0C JS6604 A6V KSPL_2 KSPR_3 CTL_A 5V_SW CTL_B CTL_C 16KZ 2.2FA C1255 CJ82 CGQ C1254 UDZS10BG D1205 L2F74R7JG L1205 CJ82 CGQ C1214 16KZ 2.2FA C1215 UDZS10BG D1206 L2F74R7JG L1204 AH Q1262 5V_SW V-OUT + + - - NJM2904MP IC1851 :BA2904FP 1 2 3 4 5 6 7 8 KZ 0.01GQF C1861 KF3_G 25EM22KE C1851 :25EM221V X C1853 25KZ 0.1GQF C1863 2SC5103PP Q1851 KF3_1 X Q1853 RB051 L-40G D1856 KF1_G 25EM22KE C1862 :25EM221V KZ 0.01GQF C1858 DHXAVB011G TH1841 + + - - NJM2903MP IC1841 :BA2903FP 1 2 3 4 5 6 7 8 1SS355 D1841 1SS355 D1842 5VCPU DHXAVB011G TH1842 25EM22KE C1841 :25EM221V 12VFAN 14VAUD A6V P_GND P_GND 5VCPU 3V3_SW 1V8_SW PANEL_PWR 1/16GZ0C J101 1/16GZ0C J102 1/16GZ0C J103 1/16GZ0C J104 1/16GZ0C J105 1/16GZ0C J106 1/16GZ0C J107 1/16GZ0C J108 1/16GZ0C J109 P_GND BL_ADJ BL_EN P_FAIL2 P_FAIL1 MUTE/RXD AGC SDA SCL CTL_A CTL_B D/A_CTL CTL_C BLK-IN B/CB-IN R/C2-IN G/Y-IN V-OUT DM-Y-IN R/CR-IN 1/16GZ0C J110 IR SC1_8 SC2_8 REC_CTL 1/16GZ0C J201 1/16GZ0C J202 1/16GZ0C J203 1/16GZ0C J204 1/16GZ0C J205 1/16GZ0C J206 1/16GZ0C J207 1/16GZ0C J208 1/16GZ0C J209 1/16GZ0C J210 1/16GZ0C J215 1/16GZ0C J217 1/16GZ0C J216 1/16GZ0C J218 1/16GZ0C J213 1/16GZ0C J219 1/16GZ0C J211 1/16GZ0C J212 1/16GZ0C J214 1/16GZ0C J220 1/16GZ0C J227 1/16GZ0C J225 1/16GZ0C J221 1/16GZ0C J229 1/16GZ0C J226 1/16GZ0C J230 1/16GZ0C J223 1/16GZ0C J222 1/16GZ0C J224 1/16GZ0C J228 L26B2770G L002 KK0.01 GQ C031 KK0.01 GQ C032 KK0.01 GQ C033 KK0.01 GQ C034 P_GND P_GND J10AU035N KFN1 1 1 2 3 3 X KFN3 1 1 2 3 3 12VFAN J10AU085N KG 1 2 3 4 5 6 7 8 POWER_1 POWER_3 LA4919N-E IC001 1 HPIN1 2 HPIN2 3 HPD.C 4 HPStanby 5 AMPStanby 6 D.C 7 DDL 8 ONTIME 9 IN2 10 PREGND 11 PREVCC 12 IN-VREF 13 IN1 14 POWERGND 15 OUT1- 16 OUT+ 17 18 19 VCC 20 SWOUT 21 SWE 22 SWB 23 SWGND 24 OUT2+ 25 OUT2- 26 POWERGND 27 HPOUT2 28 HOPOUT1 X K1009 7 1 2 3 4 5 6 L2PJ100MG L1851 BA18BC0FPP IC6608 1 VCC 2 GND 3 OUT L2C4120KJ L004 L2C4120KJ L003 6.3KK 2.2GQ C015 SC3_8 UDZS10BG D1058 KF1_1 L26B2770G L1852 L26B2770G L1853 X L1855 X L1856 SC3_8 AH Q1855 AH Q1854 1/16GZ0C J235 1/16GZ0C J239 1/16GZ0C J240 1/16GZ0C J232 1/16GZ0C J238 1/16GZ0C J237 1/16GZ0C J231 1/16GZ0C J236 1/16GZ0C J233 1/16GZ0C J234 NV_SCL NV_SDA KCP_1 KCP_4 STATUS/FAN NV_SDA NV_SCL BA7626FP IC1224 1 MONOUT 2 GND 3 IN5 4 GND 5 IN4 6 CTLE 7 IN3 8 CTLD 9 CTLC 10 VOUT2 11 CTLB 12 IN2 13 VCC 14 VOUT1 15 CTLA 16 IN1 J11XB400G KD 1 1 2 2 3 4 5 6 7 8 9 10 11 12 13 14 15 16 17 18 19 20 21 22 23 24 25 26 27 28 29 30 31 32 33 34 35 36 37 38 39 39 40 40 43 44 CJ100CGQ C1044 CJ100CGQ C1042 CJ100CGQ C1041 CJ100CGQ C1043 CJ100CGQ C1028 CJ100CGQ C1027 CJ100CGQ C1025 CJ100CGQ C1026 X KX 1 2 3 4 5 X KF 1 1 2 3 4 4 J10AU145N KB 1 1 2 3 4 5 6 7 8 9 10 11 12 13 14 14 1/16GZ0C J111 1/16GZ0C J113 5V_SW 11V 1/16GZ0C J112 1/16GZ0C J114 P_GND X D1093 X D1094 X D1095 X D1096 X D1097 X D1098 5V_SW X KPC 1 2 3 4 5 6 7 X D1099 X C1093 K1010_10 K1010_5 KG_8 KG_3 KG_1 KG_5 KB_14 KB_13 KB_11 KB_9 KB_7 KB_5 KB-2 KF_1 KD_2 KD_3 KD_4 KD_5 KD_6 KD_7 KD_8 KD_9 KD_10 KD_12 KD_13 KD_14 KD_15 KD_17 KD_18 KD_19 KD_21 KD_22 KD_23 KD_24 KD_25 KD_26 KD_27 KD_28 KD_29 KD_30 KD_31 KD_32 KD_33 KD_34 KD_35 KD_36 KD_37 KD_38 KD_39 KD_40 KF_4 KF_3 KF_2 K001_1 K001_2 K001_3 KPC_1 KPC_2 KPC_3 KPC_4 KPC_5 KPC_6 KPC_7 KHD_1 KX_1 KX_3 KX_4 KX_5 KHD_2 KHD_3 KHD_4 KHD_5 K1007_3 K1007_4 K1007_2 K1006_2 K1006_1 K1006_4 K1006_6 K1004_1 K1004_5 K1004_2 K1004_3 K1003_2 K1003_6 K1003_8 K1003_20 K1005_2 K1005_1 K1005_4 X C6622 P_GND 25KZ 0.1GQF C6624 P_GND POWER P_FAIL2 P_GND P_GND X TP6609 16EM100KE C6626 :16EM1001V P_GND 1SS355 D6611 POWER_1 11V SI-3012 LUP IC6604 1 ADJ 2 GND 3 Vc 4 Vin 5 Vo P_GND AH Q6606 12VFAN X IC1110 1 VIN1 2 CTL 3 VIN2 4 NC 5 NC 6 V+ 7 VOUT 8 GND X C1111 X C1110 1/16GZ0C JS1126 X D1126 1/16GZ0C JS1111 RGB_ON/OFF X D1110 5V_SW X C1112 X D1111 X D1112 X D1113 X D1114 16KZ1FA C1118 16KZ1FA C1117 16KZ1FA C1116 X C1114 X D1117 X D1118 X D1116 X C1113 RGB_ON/OFF 16KZ1FA C1204 X C1206 X C1207 16KZ1FA C1208 TUNGND SCREW_14 S002 1 2 3 4 5 6 7 8 9 10 11 12 13 14 SCREW_14 S001 1 2 3 4 5 6 7 8 9 10 11 12 13 14 SCREW_14 S1 1 2 3 4 5 6 7 8 9 10 11 12 13 14 SCREW_14 S2 1 2 3 4 5 6 7 8 9 10 11 12 13 14 SCREW_14 S4 1 2 3 4 5 6 7 8 9 10 11 12 13 14 SCREW_14 S5 1 2 3 4 5 6 7 8 9 10 11 12 13 14 SCREW_14 S6 1 2 3 4 5 6 7 8 9 10 11 12 13 14 SCREW_14 S4B 1 2 3 4 5 6 7 8 9 10 11 12 13 14 SCREW_14 S1B 1 2 3 4 5 6 7 8 9 10 11 12 13 14 SCREW_14 S6B 1 2 3 4 5 6 7 8 9 10 11 12 13 14 SCREW_14 S5B 1 2 3 4 5 6 7 8 9 10 11 12 13 14 SCREW_14 S2B 1 2 3 4 5 6 7 8 9 10 11 12 13 14 TUNGND TUNGND X IC6643 1 2 3 P_GND 16KZ1FA C1045 16KZ1FA C1046 16KZ1FA C1047 P_GND P_GND P_GND P_GND P_GND 3V3STB 3V3STB R-OUT L-OUT NJM2155MP IC3501 1 IN-L 2 HIL-L 3 HOUT-L 4 LOWIN-L 5 LOWOUT-L 6 OUT-L 7 FILTER 8 BBE 9 PROCESS 10 LO CONTOUR 11 MACH3 12 VCC 13 GND 14 LPOUT 15 LPIN 16 GOUT 17 GIN 18 VREF 19 OUT-R 20 LOWOUT-R 21 LOWIN-R 22 HOUT-R 23 HIN-R 24 IN-R KK3300GQ C3506 KK3300GQ C3509 16KK 0.033GQ C3505 16KK 0.033GQ C3510 25EM10KE C3512 :25EM101V 6.3KK10MB C3513 :6.3KM10GMB RB551 V-30G D3501 25EM 100KE C3501 11V 25EM10KE C3508 :25EM101V 25EM10KE C3507 :25EM101V 10KK 0.22GQ C3502 10KK 0.22GQ C3503 25KK 0.1GQ C3504 STATUS/FAN STATUS/FAN LED/TXD LED/TXD MUTE/RXD MUTE/RXD J12B3541N K1004 1 2 3 4 5 6 9 X TP3401 6.3KK10MB C3515 :6.3KM10GMB J12B2910N K1005 1 2 3 4 5 6 7 N_RESET N_RESET SH5 1 SH4 1 SH3 1 SH2 1 SH1 1 SH6 1 2 SH7 1 2 SH8 1 2 SH9 1 2 SH10 1 2 H L H L L H X IC1221 1 2 3 4 GND 5 6 7 8 9 10 GND 11 12 13 VCC 14 15 GND 16 H L H L L H BA7603FP IC1251 1 2 3 4 GND 5 6 7 8 9 10 GND 11 12 13 VCC 14 15 GND 16 TUNGND KK 0.01GQ C108 CJ15CGQ C128 X C129 KK0.01GQ C111 1/16GZ0C C130 TUNGND X X202 X T101 1 2 3 4 6 X X204 TUNGND X X203 TUNGND JS129 X H L H L L H X IC1205 1 2 3 4 GND 5 6 7 8 9 10 GND 11 12 13 VCC 14 15 GND 16 RIN BIN 1/16GZ0C JS1208 1/16GZ0C JS1210 16KZ1FA C1256 16KZ1FA C1257 16KZ1FA C1258 X D1081 X D1082 X D1083 X D1084 X L6601 Q1005 AH 5V_SW KK0.01GQ C1050 X JS1001 KK1000 GQ C147 KK1000 GQ C146 KK5600 GQ C144 X C145 X C1052 X C1053 X C1054 X C1051 X C1058 X C1057 X C1056 X C1055 X C1060 X C1059 X C1061 X C1062 X C1064 X C1063 KK2700 GQ C148 C3487 6.3EM 100KE :6.3EM 1001V X C150 X C149 X C151 1/16GZ0C JS131 11V X KSPG1 TUNGND X KTH2 1 1 2 2 X KTH1 1 1 2 2 F1BEB0310 A101A YES 1 2 3 4 5 6 7 8 9 10 11 12 13 14 15 SCREW_16 S3 1 2 3 4 5 6 7 8 9 10 11 12 13 14 15 16 SCREW_16 S3B 1 2 3 4 5 6 7 8 9 10 11 12 13 14 15 16 X KIF 1 2 3 4 5 6 X JS132 25KZ 0.1GQF C1230 X C1231 TP_IF1 TP_IF2 5VCPU AH Q1856 10KK 2.2GQ C051 P_GND 1/16 GJ33KC R004 X R6625 1/16GJ 3.3KC R1059 X R1116 X R6612 X R6628 1/16 GZ0C R001 1/16GZ0C R107 X R6619 X R6632 1/16 GJ100C R1872 X R6608 1/16GJ 150C R1056 1/16 GJ10KC R6653 1/16GJ10KC R1843 1GJ5.6 R6656 1/16GJ 18KC R162 1/16GJ2.2KC R1029 1/16 GJ220C R3441 1/16GZ0C R1128 1/10GZ0.0 R152 1/16GJ2.2KC R1064 1/16GJ 15KC R1877 1/16 GJ27KC R3505 1/16GJ 75C R1046 X R3424 1/16 GJ180C R1263 X R6630 1/10GZ0.0 R6664 1/16 GJ150C R1253 1/16GJ120C R3475 1/16GJ220C R1017 1/16 GZ0C R103 X R1205 X R6601 1/16GJ 75C R1036 1/16 GJ3.9KC R1876 1/16 GZ0C R3514 X R1873 1/16 GJ47KC R6655 X R6611 1/16GJ10KC R3513 1/16GJ22KC R009 X R6613 1/16 GJ10KC R3512 1/16GJ560C R1081 X R1096 X R134 1/16 GJ82C R3482 1/16GJ 2.2KC R1009 X R6602 1/16GJ 18KC R3506 X R1121 X R6672 1/10GZ0.0 R3515 1/16 GJ680C R028 X R6607 1/3 GJ22 R1027 1/16 GJ220C R142 X R1208 X R3421 1/16GZ0C R3476 1/16GZ0C R1257 1/16 GJ150C R1256 1/16 GJ220C R3444 X R1039 X R136 1/16 GZ0C R002 1/10GZ0.0 R156 1/16GJ100C R1217 X R1089 1/16GJ150KC R1866 X R044 X R127 X R1111 1/10GZ0.0 R6669 1/16 GJ150C R1254 1/10GZ0.0 R6660 1/16 GJ100C R102 1/16GJ100C R1215 1/16GJ10KC R6654 X R6610 X R1093 X R1063 X R1134 1/16GJ 150C R1002 1/16 GJ39KC R1847 X R6603 1/16GJ 120C R137 X R1088 X R6635 1/16GJ10KC R1058 X R1086 1/16 GJ680KC R6644 1/16GJ270C R1206 X R6649 1/16GJ1.8KC R005 X R108 1/16GJ1KC R1844 1GJ5.6 R6659 X R1077 1/16 GJ5.6KC R1837 1/16GZ0C R1129 1/16 GJ10KC R042 1/10GZ0.0 R151 X R1126 X R1103 1/16GZ0C R1117 1/16GJ 2.2KC R1065 1/16 GJ2.7KC R123 1/16 GJ1.8KC R140 X R1101 1/16GJ100C R1210 1/16GZ0C R3501 1/3 GJ2.2 R024 1/10GZ0.0 R6665 1/16 GJ100C R101 1/16 GJ100KC R1874 1/16 GJ10KC R010 1/16GJ 150C R1072 X R046 1/16 GJ270C R1201 1/10GZ0.0 R013 1/16GJ220C R3473 X R6638 1/16 GJ3.3KC R1857 1/16 GJ10KC R118 1/16 GZ0C R3508 1/16GZ0C R1080 1/16GJ 220C R1034 X R141 1/16GJ2.2KC R1028 1/16GJ 390C R3503 1/16 GJ10KC R1851 X R1069 1/16GZ0C R1218 X R6621 1/16GJ 3.3KC R1012 1/16 GJ33KC R006 1/16 GJ150C R1252 X R3423 X R143 X R1008 X R1006 X R6648 1/16 GJ150KC R1864 1/16 GJ4.7KC R1203 X R6636 1/10GZ0.0 R155 X R1004 X R6627 1/16 GJ680C R029 1/16GJ2.2KC R1015 X R1863 1/16GJ100C R3466 1/16GJ 75C R1040 1/10GZ0.0 R6667 X R1133 1/16GJ1.5KC R045 X R6605 X R1068 1/16 GJ1KC R1024 X R1092 1/16GJ 75C R1037 1/16GJ1.5KC R043 X R6600 1/16GJ100C R1052 1/16 GJ3.9KC R1845 1/16 GJ1KC R1026 X R1075 X R6604 X R1042 1/16 GJ220C R3443 1/16GJ2.2KC R1016 1/16 GJ56KC R1849 X R1097 1GJ4.7 R6657 1/16GJ 56KC R3502 1/16GJ100C R1202 1/16GJ100C R1051 1/10GZ0.0 R159 1/16GJ 75C R1049 1/16GZ0C R1130 1/10GZ0.0 R150 1/8GZ000 R6639 X R1104 1/3GZ0 R012 1/16GZ0C R1118 1/16 GZ0C R138 1/8GJ75 R1023 1/16GJ220C R1035 X R1102 1/16GJ100C R1858 1/10GZ0.0 R6663 1/16 GJ220C R3442 1/16 GJ270C R1230 1/16GJ22C R109 1/16GJ 6.8KC R161 X R1119 1/16 GJ100C R1842 1/16GJ 68KC R124 1/16 GJ47KC R6642 1/16GJ100C R1212 X R6620 X R6624 X R114 1/16 GJ5.6KC R120 X R1011 X R3509 1/3 GJ2.2 R023 X R1113 1/16 GJ1KC R3504 1/16GZ0C R1219 1/16GJ220C R3486 1/16GZ 0C R125 X R1070 1/16GJ 100C R144 X R6647 1/3 GJ2.2 R021 1/16GJ100C R1020 1/16GJ220C R1033 X R6629 1/16GJ 150C R1071 X R6650 X R6631 1/16 GJ100C R1871 1/10GZ0.0 R6671 1/16 GJ560C R131 X R6634 1/2 GF2.2 R2011 1/16 GJ10KC R3510 X R1122 1/10GZ0.0 R154 X R6623 1/16GJ220C R1018 X R1067 1/16GJ 220C R3474 1/10GZ0.0 R6668 1/16 GJ100C R3483 1/16GJ10KC R6641 1/16GJ270KC R3468 1/16GJ100C R3467 1/16GJ 8.2KC R106 1/16 GJ10KC R041 X R1091 X R1100 X R6609 X R1003 X R1076 1/16 GJ150C R1021 1/16GJ 220C R128 1/3GZ0 R011 1/16GJ 3.3KC R133 1/16GJ75C R1038 1/16GJ2.2KC R1055 1/16GZ0C R4286 X R1084 1/16GJ 68KC R1078 X R1098 1/16 GJ5.6KC R1838 1GJ5.6 R6658 1/16GZ0C R1259 1/16 GJ33C R126 1/16 GJ10C R027 1/16GJ2.2KC R1005 1/16 GJ22KC R049 X R1095 1/10GZ0.0 R158 1/16GZ0C R1112 1/16GJ 270C R139 1/10GZ0.0 R6661 X R3507 1/16GJ2.2KC R1014 X R1061 1/16 GJ100C R1841 X R1114 X R007 1/16GJ100C R1213 1/16 GJ3.9KC R1848 X R1110 X R1131 1/16 GJ330C R112 1/16 GJ10KC R1878 1/16 GJ270C R1284 X R6618 1/16GJ220C R3485 1/16GJ 75C R1047 X R1127 1/16GJ2.2KC R1074 1/16 GJ1.8KC R003 1/3GZ0 R052 1/16 GJ33KC R110 X R1124 1/16GJ220C R1030 1/16 GJ100KC R1869 1/16GJ100C R1862 1/16GJ 10KC R113 1/16GJ 150C R1057 X R1066 1/16GJ100C R121 X R6637 1/16GJ100C R116 X R1041 1/10GZ0.0 R153 X R3422 X R6633 X R1207 1/16GJ100C R1211 1/16 GJ33KC R008 1/16GJ 8.2KC R130 1/16GJ 220C R135 1/10GZ0.0 R6666 1/16 GJ180C R1264 X R1043 1/16 GJ150C R1022 1/16 GJ100C R3484 1/16 GF100KC R6643 1/16 GJ3.9KC R1853 1/16GJ2.2KC R1073 1/16 GJ8.2KC R1840 1/16GJ10KC R1031 X R6622 1/16 GJ10KC R1856 1/16 GJ150C R1251 1/16GJ 10KC R132 1/16 GJ10KC R3511 1/16 GJ5.6KC R129 1/16 GJ10KC R1204 1/16 GJ10C R026 1/16 GJ10KC R6640 1/16GJ100C R1044 X R1868 1/16GJ 68KC R1079 1/16GJ 150C R1001 1/16 GJ5.6KC R1839 X R6606 1/16GZ0C R1258 1/16GJ 3.3KC R1032 X R1099 1/3 GJ2.2 R022 1/16 GJ82C R3481 1/16GJ2.2KC R1007 1/16 GJ33KC R051 1/10GZ0.0 R157 1/16 GJ10KC R104 1/16GJ100C R1216 1/16GJ47C R111 1/16GJ10KC R1200 1/10GZ0.0 R6670 X R115 X R1094 1/10GZ0.0 R6662 X R1062 1/16 GF100KC R6645 1/16GJ100C R122 1/16GJ100C R1214 1/16 GJ270C R1283 1/16GJ2.2KC R1054 1/16 GJ3.9KC R1846 1/16GJ 220C R1019 1/16 GJ150C R1255 X R1132 X R1123 1/16GJ220C R1013 SC1_8 SC2_8 B/CB-IN G/Y-IN R/CR-IN SC2_B SC2_G SC3_8 SCIL2 IR RGB_ON/OFF GIN 33V Y_IN CB_IN CR_IN U_SIG Y_SIG V_SIG FROM PACE DIGITAL U Y V <17icnh> <23icnh> TO INVERTER UNIT TO INVERTER UNIT SEL E-PWM HEAD-PHONE 17inch 17inch 23inch 23inch TO_SPEAKER <6V> 23inch<24V> 17inch<19V> ASSY,PWB,SIGNAL,N2WW 1AA0B10N137LA R L PC INPUT TO MOTOR FAN R G B H V A B C D/A L L * * TV SC1 SC2 SC3 AV4 HD DM H L H H L H H H * * * * L L H L L H H H * * * * DC ADP. TO SCAL UNIT (K8D) TO SCAL TO SCAL PC AUDIO AV5 INPUT AV4 INPUT AV3 INPUT AV1 INPUT SCART2 INPUT MONITER FROM PACE DIGITAL FROM PACE DIGITAL TO SIDE AV TO SIDE AV A-DETECT SCREW-HOLE FOR HEAT-SINK SCREW-HOLE SHIELD CASE L R MONITER OUT AUDIO PROCESSOR & DIGITAL SOUND DEMODULATOR (NICAM/A2 STEREO/3D SURROUND) VIDEO SW RGB SW AUDIO SW TO SCAL UNIT (K8B) TO POWER UNIT (K6G) AUDIO AMP. BBE/BASS EXPANDER IF-PLL DEMODULATOR 4 2 6 18 20 VIDEO IN AUDIO-L IN AUDIO-R IN VIDEO IN AUDIO-L IN AUDIO-R IN AUDIO-L IN AUDIO-R IN VIDEO OUT AUDIO-L OUT AUDIO-R OUT VIDEO IN AUDIO-L IN AUDIO-R IN 4 2 6 18 20 VIDEO IN AUDIO-L IN AUDIO-R IN N2WW/N2YW (Page 2/4) CJ100 CGQ C2047 CJ330 CGQ C2046 CJ330 CGQ C2016 CJ330 CGQ C2012 25KZ 0.1GQF C2020 25KZ 0.1GQF C2018 CJ330 CGQ C2006 25KZ 0.1GQF C2009 16KK 0.022GQ C2056 16EM 10KE C2055 :16EM 101V 25KZ 0.1GQF C2045 KK1000 GQ C2004 CJ330 CGQ C2021 25KZ 0.1GQF C2005 CJ330 CGQ C2054 6.3EM100KE C2017 :6.3EM1001V 25KZ 0.1GQF C2015 16KK0.22GQ C2050 16EM10KE C2052 :16EM101V CJ330 CGQ C2008 C2035 25KZ0.1GQF C2029 CJ330 CGQ C2019 C2039 25KZ0.1GQF C2043 6.3EM100KE C2014 :6.3EM1001V 16KK 0.022GQ C2031 25KZ0.1GQF C2057 25KZ 0.1GQF C2023 CJ330CGQ C2058 CJ390CGQ C2051 CJ330 CGQ C2007 25KZ 0.1GQF C2011 L2F7 5R6JG L2018 CD10CGQ C2048 L2F7 2R2JG L2015 CJ220 CGQ C2034 CJ270 CGQ C2032 CJ18CGQ C2033 QXXAVC554M IC1801 1 SCL 2 TV_VGA 3 RESET 4 XOUT 5 VSS 6 XIN 7 VCC 8 MODE 9 INT0 10 A_DET 11 CLK0 12 DATA 13 IR 14 ON/OFF 15 POWER_4 16 VREF 17 CMP0_1 18 CMP0_0 19 CMP1_0 20 SDA 25KZ 0.1GQF C1805 25KZ 0.1GQF C1806 CJ15 CGQ C1804 CJ15 CGQ C1803 KK0.01 GQ C1802 6.3EM100KE C1801 :6.3EM1001V L26B 2770G L1801 25KZ 0.1GQF C2027 CJ330 CGQ C2024 CJ330 CGQ C2028 25KZ 0.1GQF C2010 CJ330CGQ C2044 CJ330CGQ C2030 CJ330CGQ C2022 F34DF222G L2007 1 2 3 L26B2770G L2006 L26B2770G L2008 F34DF222G L2009 1 2 3 L26B2770G L2012 F34DF222G L2013 1 2 3 6.3EM 100KE C2025 :6.3EM 1001V L26B 2770G L2014 6.3EM100KE C2026 :6.3EM1001V 6.3EM100KE C2013 :6.3EM1001V L26B2770G L2004 L26B 2770G L2001 6.3EM 100KE C2001 :6.3EM 1001V L26B 2770G L2002 6.3EM 100KE C2002 :6.3EM 1001V CJ270CGQ C2036 L2F7 2R2JG L2016 CJ18CGQ C2037 CJ220 CGQ C2038 CJ18CGQ C2041 CJ270 CGQ C2040 L2F7 2R2JG L2017 CJ220 CGQ C2042 CJ100CGQ C2049 X C4101 X C4116 25KZ 0.1GQF C4048 25KZ 0.1GQF C4010 1/10GZ0.0 L2021 X C4117 CD8CGQ C4021 X L2027 X C4118 6.3EM100KE C4040 :6.3EM1001V CD8CGQ C4025 X C4112 F34DF 222G L4009 1 2 3 25KZ 0.1GQF C4007 X C4119 L26B2770G L4002 CD8CGQ C4029 L26B2770G L4114 25KZ 0.1GQF C4006 X C4120 L26B2770G L4011 L26B2770G L4113 25KZ0.1GQF C4035 16EM 10KE C4009 :16EM 101V X C4121 6.3EM 100KE C4013 :6.3EM 1001V F34DF222G L4005 1 2 3 25KZ0.1GQF C4039 X L2028 16KZ1FA C4034 16EM 10KE C4008 :16EM 101V 6.3EM 10001V C4123 6.3EM100KE C4015 :6.3EM1001V F34DF222G L4012 1 2 3 X L2022 25KZ0.1GQF C4041 25KZ0.1GQF C4033 25KZ 0.1GQF C4012 25KZ 0.1GQF C4111 25KZ0.1GQF C4042 1/10GZ 0.0 L4007 L3CG601PG L4105 1 2 3 4 1/10GZ0.0 L2026 L3CG601PG L4108 1 2 3 4 25KZ 0.1GQF C4043 V10B3370G X4001 KK0.01 GQ C4002 1/10GZ 0.0 L4008 L3CG601PG L4104 1 2 3 4 L3CG601PG L4109 1 2 3 4 KK0.1LZB C4020 F34DF222G L4001 1 2 3 L3CG601PG L4103 1 2 3 4 X C4110 L3CG601PG L4110 1 2 3 4 KK0.1LZB C4023 CJ18CGQ C4032 25KZ 0.1GQF C4005 L3CG601PG L4102 1 2 3 4 X C4109 KK0.1LZB C4024 CJ22CGQ C4031 L3CG601PG L4101 1 2 3 4 1/10GZ 0.0 L4111 X C4108 J10PJ300G KLP1 1 2 3 4 5 6 7 8 9 10 11 12 13 14 15 16 17 18 19 20 21 22 23 24 25 26 27 28 29 30 KK0.1LZB C4027 25KZ 0.1GQF C4038 L3CG601PG L4106 1 2 3 4 X C4107 KK0.1LZB C4028 16KZ1FA C4037 J11B7370G KLP2 1 2 3 4 5 6 7 8 9 10 11 12 13 14 15 16 17 18 19 20 21 22 23 24 25 26 27 28 29 30 31 32 33 34 L3CG601PG L4107 1 2 3 4 X C4106 25KZ 0.1GQF C4046 25KZ0.1GQF C4022 F34DF222G L4010 1 2 3 25KZ0.1GQF C4018 1/10GZ 0.0 L4112 25KZ 0.1GQF C4001 X C4105 25KZ 0.1GQF C4122 25KZ 0.1GQF C4047 25KZ0.1GQF C4026 25KZ 0.1GQF C4036 KK0.1LZB C4019 25KZ 0.1GQF C4003 X C4104 X C4113 25KZ 0.1GQF C4044 25KZ0.1GQF C4030 L26B2770G L4003 25KZ 0.1GQF C4011 X C4103 X C4114 16EM10KE C4045 :16EM101V X C4102 X C4115 16EM10KE C4049 :16EM101V 25KZ 0.1GQF C4004 F34DF222G L2005 1 2 3 F34DF 222G L2003 1 2 3 25KZ 0.1GQF C2053 16KK 0.022 GQ C2003 CJ270 CGQ C2059 CJ390CGQ C2061 L2F72R2JG L2019 CJ22 CGQ C2060 1/10GZ 0.0 L4021 1/10GZ 0.0 L4023 X L4027 1/10GZ 0.0 L4025 X L4022 X L4028 1/10GZ 0.0 L4026 STV3600BM IC801 2 PORTC6/SDA 3 PORTC5/SCL_NVM 4 PORTC4/SDA_NVM 5 PORTD0/AV_CTL_A 6 PORTD1/LCD_ON 7 PORTD2/50/60HZ 8 PORTD3/AV_CTL_B 9 PORTD6/POWER_FAIL2 10 PORTA2/PLL_LOCK 11 PORTA3/LCD_BR 12 VSS_IO 13 VDD33_IO 14 VSS 15 VDD12_CORE 16 SDRAM_D7 17 SDRAM_D6 18 SDRAM_D5 19 SDRAM_D4 20 SDRAM_D3 21 SDRAM_D2 22 SDRAM_D1 23 SDRAM_D0 24 VSS_IO 25 VDD33_IO 26 SDRAM_D15 27 SDRAM_D14 28 SDRAM_D13 29 SDRAM_D12 30 SDRAM_D11 31 SDRAM_D10 32 SDRAM_D9 33 SDRAM_D8 34 VDD33_IO 35 VSS_IO 36 ADDR_13 37 NOT_BE1 38 ADDR_12 39 ADDR_11 40 ADDR_9 41 ADDR_8 42 ADDR_7 43 ADDR_6 44 ADDR_5 45 ADDR_4 46 CKOUT_SDRAM 47 VDD33_IO 48 VSS_IO 49 CKIN_SDRAM 50 ADDR_3 51 ADDR_2 52 ADDR_1 53 ADDR_0 54 ADDR_10 55 ADDR_16 56 ADDR_15 57 NOT_CS_SDRAM 58 NOT_RAS 59 NOT_CAS 60 RD_NOTWR 61 NOT_BE0 62 VDD12_CORE 63 VSS 64 VDD33_IO 65 VSS_IO 66 NOT_CS_FLASH 67 ADDR_17 68 ADDR_18 69 ADDR_19 70 ADDR_14 71 VDD12_CORE 72 VSS 73 FLASH_D15 74 FLASH_D7 75 FLASH_D14 76 FLASH_D6 77 FLASH_D13 78 FLASH_D5 79 FLASH_D12 80 FLASH_D4 81 VSS_IO 82 VDD33_IO 83 FLASH_D11 84 FLASH_D3 85 FLASH_D10 86 FLASH_D2 87 FLASH_D9 88 FLASH_D1 89 FLASH_D8 90 FLASH_D0 91 VSS 92 VDD12_CORE 93 TMS 94 TCK 95 TDO 96 TDI 97 TRST 98 NRESET 99 VSS 100VDD12_CORE 101VCC12_PLL2 102 GND_PLL2 103 VCC12_PLL3 104 GND_PLL3 105 XTALIN 106 XTALOUT 107 VCC12_IO 108 GND_IO 109 CLKXTM 110 CLKXTP 111 VSS_PLL 112 VDD12_PLL 113 SHIELD_PLL 114 VSYNC 115 HSYNC 116 CLK_DATA 117 YCRCB0 118 YCRCB1 119 YCRCB2 120 YCRCB3 121 YCRCB4 122 YCRCB5 123 YCRCB6 124 YCRCB7 125 VDD12_CORE 126 VSS 127 PORTC3/POWER3 128 PORTC2/AV_CTL_C 129 PORTC1/SCL_ADE3800 130 PORTC0/SDA_ADE3800 131 PORTA0/NRESET_OUT 132 PORTD4/RC_IN 133 PORTA1/POWER_FAIL1 134 PORTD7/POWER_INFO 135 PORTA4/LED/FLASH_TXD 136 PORTA5/MUTE/FLASH_RXD 137 PORTA6/SEL 138 PORTA7/STATUS/FAN_CTL 139 VDD33_IO 140 VSS_IO 141 PORTB5/AGC 142 PORTB4/SC3_8 143 PORTB3/SC2_8 144 PORTB2/SC1_8 145 PORTB1/KEYBOARD 146 PORTB0/POWER_SW 147 PORTD5/POWER1 148 VCC33_ADC 149 GND_ADC 150 SHIELD_ADCDAC 151 REXT 152 GND_REXT 153 PB_B 154 PR_R 155 Y_G 156 GND_DAC 157 VCC33_DAC 158 V100 159 H100 160 CLK_DFL/PIP_CLK 1 PORTC7/SCL CD10CGQ C849 V10B 3370G X801 CJ12CGQ C850 CJ330 CGQ C806 25KZ 0.1GQF C805 25KZ 0.1GQF C809 CJ330 CGQ C810 CJ330 CGQ C808 25KZ 0.1GQF C811 CJ330 CGQ C812 25KZ 0.1GQF C813 CJ330 CGQ C814 25KZ 0.1GQF C815 CJ330 CGQ C816 25KZ 0.1GQF C817 CJ330 CGQ C818 CJ330 CGQ C820 25KZ 0.1GQF C819 25KZ 0.1GQF C837 CJ330 CGQ C838 CJ330 CGQ C840 25KZ 0.1GQF C839 CJ330 CGQ C843 25KZ 0.1GQF C842 25KZ 0.1GQF C841 25KZ 0.1GQF C860 CJ330 CGQ C861 25KZ 0.1GQF C856 CJ330 CGQ C857 25KZ 0.1GQF C846 CJ330 CGQ C848 CJ330 CGQ C847 CJ330 CGQ C851 CJ330 CGQ C853 25KZ 0.1GQF C852 25KZ 0.1GQF C866 CJ330 CGQ C867 CJ330 CGQ C865 25KZ 0.1GQF C864 6.3EM100KE C803 :6.3EM1001V L26B 2770G L814 F34DF 222G L815 1 2 3 L26B 2770G L801 F34DF 222G L802 1 2 3 6.3EM 100KE C868 :6.3EM 1001V 6.3EM100KE C854 :6.3EM1001V 6.3EM100KE C855 :6.3EM1001V L26B 2770G L811 L26B 2770G L809 F34DF 222G L810 1 2 3 1/10GZ 0.0 L4006 X IC4501 1 R1IN 2 HD_SYNC 3 G1IN 4 GND 5 B1IN 6 GND 7 R2IN 8 GND 9 G2IN 10 GND 11 B2IN 12 VD1IN 13 VD2IN 14 VD_OUT 15 B_OUT 16 CTL 17 COMP_SYNC_OUT 18 COMP_SYNC_IN 19 G_OUT 20 VCC 21 R_OUT 22 HD_OUT 23 HD2IN 24 HD1IN 6.3EM100KE C4014 :6.3EM1001V L26B2770G L4004 X C4531 X C4532 X C4533 X C4561 25KZ0.1GQF C4508 L4502 X C4505 X 16KZ2.2FA C4502 C4507 CJ120CGQ 25KZ0.1GQF C4501 C4504 X C4503 X C4506 1/16GZ0C L4501 L2F7R82KG C4513 X 16KZ2.2FA C4512 L4511 L2F7R82KG L4512 X C4515 X C4516 1/16GZ0C C4517 CJ120CGQ C4514 X C4523 X 16KZ2.2FA C4522 L4521 L2F7R82KG L4522 X C4525 X C4526 1/16GZ0C C4527 CJ120CGQ C4524 X 16EM4701V C4509 25KZ 0.1GQF C4535 L26B0870G L4535 X C4534 X IC4502 1 N.C. 2 1A 3 GND 4 1Y 5 VCC C4541 X C4542 X X C4543 X C4553 C4551 X X IC4503 1 N.C. 2 1A 3 GND 4 1Y 5 VCC C4552 X X D4501 X L4531 X L4532 1/10GZ0.0 L4533 1/16GZ0C J4502 1/16GZ0C J4503 1/16GZ0C J4504 1/16GZ0C J4501 1/16GZ0C J4505 25KZ0.1GQF C4518 25KZ0.1GQF C4511 25KZ0.1GQF C4528 25KZ0.1GQF C4521 IC803 QXXAVC624M 1 VDD 2 DQ0 3 VDDQ 4 DQ1 5 DQ2 6 VSSQ 7 DQ3 8 DQ4 9 VDDQ 10 DQ5 11 DQ6 12 VSSQ 13 DQ7 14 VDD 15 LDQM 16 /WE 17 /CAS 18 /RAS 19 /CS 20 BA0 21 BA1 22 A10/AP 23 A0 24 A1 43 VDDQ 44 DQ9 45 DQ10 46 VSSQ 47 DQ11 48 DQ12 49 VDDQ 50 DQ13 51 DQ14 52 VSSQ 53 DQ15 54 VSS 31 A6 32 A7 33 A8 34 A9 35 A11 36 NC 37 CKE 38 CLK 39 UDQM 40 NC 41 VSS 42 DQ8 25 A2 26 A3 27 VDD 28 VSS 29 A4 30 A5 IC805 M29W160ET7NM 41 DQ13 42 DQ6 43 DQ14 44 DQ7 45 DQ15A-1 46 VSS 47 BYTE 48 A16 1 A15 2 A14 3 A13 4 A12 5 A11 6 A10 7 A9 8 A8 9 A19 10 NC 11 oW 12 RP 13 NC 14 NC 15 RB 16 A18 17 A17 18 A7 19 A6 20 A5 21 A4 22 A3 23 A2 24 A1 25 A0 26 E 27 VSS 28 G 29 DQ0 30 DQ8 31 DQ1 32 DQ9 33 DQ2 34 DQ10 35 DQ3 36 DQ11 37 VCC 38 DQ4 39 DQ12 40 DQ5 X L2010 1 2 3 1/10 GZ0.0 L2023 X C2401 X C2402 X C2404 X C2403 X L2403 1 2 3 X C2411 X L2402 X C2406 X C2407 X C2405 X C2409 X C2408 X L2405 1 2 3 X L2404 X C2410 X C2413 X C2414 X C2421 X C2420 X C2427 X C2428 X C2415 X C2416 X C2422 X C2423 X C2429 X C2430 X C2417 X C2424 X C2431 X C2418 L2407 X X C2419 X C2425 L2408 X X C2426 X C2432 L2409 X X C2433 X C2435 X C2434 X L2406 X C2412 X C2437 X C2436 X C2439 X C2438 X C2441 X C2440 X C2443 X C2442 X C2445 X C2444 X C2447 X C2446 X L2411 1 2 3 X C2448 X L2410 1/10GZ0.0 L2423 X L2422 X L2428 1/10GZ0.0 L2426 1/10GZ0.0 L2421 X L2427 X L2431 X L2429 F34DF 222G L812 1 2 3 25KZ0.1 GQF C807 X C4016 X C4017 RB521S-30G D801 X D802 X C844 X C845 X D803 1/10GZ 0.0 L821 1/10GZ 0.0 L829 X L830 X L833 X L832 X L828 X L831 25KZ0.1GQF C804 CJ22 CGQ C802 CJ22 CGQ C801 V10B5120G X1801 X D804 X C859 L813 X J10ES086G K8J 1 2 3 4 5 6 7 8 L26B0870G L1811 L26B0870G L1812 L26B0870G L1813 L26B0870G L1851 L26B0870G L1852 L26B0870G L1853 1/16GZ0C L1854 25KZ 0.1GQF C1851 25KZ0.1GQF C1852 25KZ0.1GQF C1854 25KZ0.1GQF C1853 X C1855 J11XB400G K8D 1 1 2 2 3 4 5 6 7 8 9 10 11 12 13 14 15 16 17 18 19 20 21 22 23 24 25 26 27 28 29 30 31 32 33 34 35 36 37 38 39 39 40 40 43 44 L26B0870G L1856 16KZ2.2FA C862 6.3KK10MB C863 :6.3KM10GMB L26B0870G L1857 L26B0870G L1858 L26B0870G L1859 L26B0870G L1860 L26B0870G L1861 L26B0870G L1862 25KZ 0.1GQF C1856 25KZ 0.1GQF C1860 25KZ 0.1GQF C1862 25KZ 0.1GQF C1857 25KZ 0.1GQF C1858 25KZ 0.1GQF C1859 25KZ 0.1GQF C1861 25KZ 0.1GQF C8064 L26B2770G L8089 L8065 L8066 L8067 L8068 L8069 L8070 L8071 L8072 L8073 L8074 L8075 L8076 L8077 L8078 L8079 L8080 L8081 L8082 L8083 L8084 L8085 L8086 L8087 25KZ 0.1GQF C8065 C8066 C8067 X C8068 C8069 C8070 C8071 C8072 C8073 C8074 C8075 X C8076 C8077 C8078 C8079 C8080 X C8081 C8082 C8083 1/10GZ 0.0 L2032 X L2029 L8088 25KZ 0.1GQF C8063 L26B0870G L8064 PANEL_PWR 1/10GZ 0.0 L1855 1/10GZ 0.0 L1814 1/10GZ 0.0 L1863 25KZ 0.1GQF C824 CJ330 CGQ C826 25KZ 0.1GQF C825 CJ330 CGQ C821 CJ330 CGQ C823 CJ330 CGQ C822 CJ330 CGQ C829 25KZ 0.1GQF C830 CJ330 CGQ C827 CJ330 CGQ C832 IC804 QXXAVC624M 1 VDD 2 DQ0 3 VDDQ 4 DQ1 5 DQ2 6 VSSQ 7 DQ3 8 DQ4 9 VDDQ 10 DQ5 11 DQ6 12 VSSQ 13 DQ7 14 VDD 15 LDQM 16 /WE 17 /CAS 18 /RAS 19 /CS 20 BA0 21 BA1 22 A10/AP 23 A0 24 A1 43 VDDQ 44 DQ9 45 DQ10 46 VSSQ 47 DQ11 48 DQ12 49 VDDQ 50 DQ13 51 DQ14 52 VSSQ 53 DQ15 54 VSS 31 A6 32 A7 33 A8 34 A9 35 A11 36 NC 37 CKE 38 CLK 39 UDQM 40 NC 41 VSS 42 DQ8 25 A2 26 A3 27 VDD 28 VSS 29 A4 30 A5 25KZ 0.1GQF C831 CJ330 CGQ C828 25KZ 0.1GQF C836 16KK 0.22GQ C834 F34DF222G L805 1 2 3 F34DF222G L806 1 2 3 L26B2770G L804 6.3EM100KE C833 :6.3EM1001V X L826 X K8C 1 2 3 X L2031 25KZ 0.1GQF C6008 PANEL_PWR 25KZ 0.1GQF C6009 25KZ 0.1GQF C6010 25KZ 0.1GQF C6011 25KZ 0.1GQF C6012 25KZ 0.1GQF C6013 QXXAVC597G IC6002 1 GND 2 VOUT 3 VIN X K45PC 1 2 3 4 5 6 7 X K24HD 1 2 3 4 5 J10QF095G KH 1 2 3 4 5 6 7 8 9 J10QF045G KP2A 1 2 3 4 J10QF115G KI 1 2 3 4 5 6 7 8 9 10 11 X K8A 1 2 3 4 5 BA33BC0FPP IC6001 1 2 3 25KZ 0.1GQF C6002 16EM 10KE C6001 :16EM 101V 16EM 10KE C6003 :16EM 101V 25KZ 0.1GQF C6005 16EM 10KE C6006 :16EM 101V 16EM 10KE C6004 :16EM 101V 1/10GZ 0.0 L6004 1/10GZ 0.0 L6005 L26B 2770G L6001 L26B2770G L6002 L26B2770G L6003 16EM100KE C6007 :16EM1001V 1/10GZ 0.0 L1891 1/10GZ 0.0 L1890 25KZ 0.1GQF C835 KLP1_1 KLP1_2 KLP1_6 KLP1_7 KLP1_8 KLP1_13 KLP1_23 KLP1_25 KLP1_26 KLP1_27 KLP2_8 KLP2_20 KLP2_21 KLP2_22 KLP2_26 KLP2_27 K45PC_1 X L4534 1/10GZ 0.0 L4536 K45PC_2 K45PC_3 K45PC_4 K45PC_5 K45PC_6 K45PC_7 K24HD_1 K24HD_3 K24HD_5 K24HD_2 F34DF222G L1802 1 2 3 X L1803 X L827 KP2A_1 KP2A_2 KP2A_3 KP2A_4 K8C_3 K8C_1 K8C_2 K8J_1 K8J_2 K8A_1 K8A_2 K8A_3 K8A_4 KH_1 KH_2 KH_3 KH_4 KH_5 KH_7 KH_8 KH_6 K8D_1 K8D_2 K8D_3 K8D_4 K8D_6 K8D_7 K8D_8 K8D_9 K8D_10 K8D_11 K8D_12 K8D_13 K8D_15 K8D_17 K8D_18 K8D_19 K8D_20 K8D_16 K8D_28 K8D_31 K8D_32 K8D_33 K8D_34 K8D_35 K8D_37 K8D_38 K8D_39 K8D_22 K8D_23 K8D_24 K8D_14 K8D_26 K8D_29 K8B_1 K8B_5 K8B_7 K8B_9 K8B_11 K8B_13 K8B_3 KI_4 KI_1 KI_7 KJTAG_1 KJTAG_2 KJTAG_3 KJTAG_4 KJTAG_5 KJTAG_6 KJTAG_7 SCB1A 1 2 3 4 5 6 7 8 9 10 11 12 13 14 1/10GZ 0.0 L1892 SCB2A 1 2 3 4 5 6 7 8 9 10 11 12 13 14 1/10GZ 0.0 L1893 1/10GZ 0.0 L1894 SCB3A 1 2 3 4 5 6 7 8 9 10 11 12 13 14 1/10GZ 0.0 L1895 1/10GZ 0.0 L1897 1/10GZ 0.0 L1896 SCB4A 1 2 3 4 5 6 7 8 9 10 11 12 13 14 J10QF145G K8B 1 2 3 4 5 6 7 8 9 10 11 12 13 14 1/10GZ0.0 L2025 X L2024 1/10GZ0.0 L2425 X L2424 X L4024 X L823 X L822 X L825 X L824 SCB1B 1 2 3 4 5 6 7 8 9 10 11 12 13 14 SCB2B 1 2 3 4 5 6 7 8 9 10 11 12 13 14 SCB3B 1 2 3 4 5 6 7 8 9 10 11 12 13 14 SCB4B 1 2 3 4 5 6 7 8 9 10 11 12 13 14 1/16GJ 100C R4010 1/16GJ 10KC R828 1/16GJ1.5KC R869 1/16GJ 330C R4517 X R4533 1/16GF 68C R2016 X R2408 1/16GZ0C R4551 1/16GJ 10KC R874 1/16GZ 0C R4109 1/16GJ33C R817 1/16GF 820C R4526 1/16GJ100C R831 1/16GJ100C R1811 1/16GJ240C R4514 1/16GJ33C R838 X R804 1/16GJ 100KC R860 1/16GJ 10KC R853 1/16GJ 75C R2007 1/16GJ 22C R4016 X R836 1/16GJ 100C R802 1/16GJ 8.2KC R2001 1/16GJ 100C R1801 X R2006 1/16GZ 0C R4120 1/16GJ 4.7KC R4022 1/16GF 270C R4521 1/16GJ39C R2012 X R2401 1/16GZ 0C R851 1/16GJ33C R840 1/16GZ 0C R873 X R837 1/10GZ 0.0 R4104 1/16GZ 0C R4002 1/16GF 470C R2013 1/16GJ 1.5KC R4515 1/16GJ 100KC R859 1/16GJ 10KC R811 X R807 1/10GZ0.0 R4106 1/16GJ4.7KC R1808 X R4101 1/16GZ 0C R4117 1/16GJ 100C R4005 X R2420 1/16GJ 330C R4527 1/16GJ 47C R2017 1/16GJ 100C R4011 1/16GJ 15KC R868 X R2407 X R1805 1/16GJ 15KC R871 X R4111 X R2411 X R4534 1/16GZ0C R4112 X R866 1/16GJ 10KC R4114 1/16GJ33C R816 X R4102 1/16GJ 1KC R849 1/16GJ100C R832 1/16GF220C R2018 1/16GJ240C R4524 1/16GJ 4.7KC R4024 1/16GJ33C R839 X R803 1/16GJ 100C R2003 1/16GJ22KC R861 1/16GZ0C R842 1/16GJ 10KC R823 X R2417 1/16GJ100C R829 1/16GZ 0C R818 1/16GZ 0C R4113 X R4017 1/16GZ 0C R865 1/16GJ100C R1813 X R4536 1/16GZ 0C R4118 1/16GJ 4.7KC R805 1/16GF220C R2020 1/16GJ 10KC R835 X R855 1/16GJ 39C R2008 X R2402 1/16GZ0C R862 1/16GJ33C R841 1/16GJ 1.5KC R4525 X R858 1/16GJ 22C R4019 1/16GJ 82C R4512 1/16GZ0C R4541 X R4108 1/16GJ 10KC R810 1/16GJ 4.7KC R1816 X R2406 1/16GJ 1.5KC R4505 1/16GJ240C R4504 X R2415 1/16GJ 3.3KC R4007 1/16GJ 100C R2002 X R2418 X R4532 1/16GJ1.5KC R872 1/16GZ0C R4018 1/16GJ 1KC R4503 1/16GJ10KC R4115 1/16GJ 2.2KC R847 1/16GJ 10KC R824 X R2412 1/16GJ 10KC R827 X R2416 1/16GJ 1KC R4003 X R2015 1/16GJ 100C R4006 X R4535 1/16GJ 75C R2011 1/16GJ100KC R820 1/16GZ 0C R4116 1/16GJ4.7KC R1810 1/16GZ 0C R4009 1/16GJ100C R833 1/16GZ0C R4542 1/16GF220C R2019 X R856 1/10GZ 0.0 R4105 1/16GJ 100C R2004 X R2409 1/16GJ 75C R2009 1/16GJ 1KC R4513 1/16GZ 0C R809 1/16GF 820C R4506 1/16GJ 100C R826 X R4119 1/16GJ100C R813 X R2413 1/16GJ 22C R4013 1/16GJ 1KC R4121 1/16GJ 15KC R870 1/16GF 270C R4501 1/16GJ33C R819 1/16GJ 10KC R4004 1/16GJ 10KC R825 1/16GJ100C R830 1/16GZ 0C R1814 1/16GJ 100C R822 1/16GJ 39C R2010 X R1806 1/16GF 820C R4516 1/16GJ100C R1812 X R4103 1/16GJ 4.7KC R806 1/16GJ 100C R834 X R857 X R4014 1/16GJ 4.7KC R844 X R2403 1/16GF 150C R2014 1/16GJ 82C R4522 1/16GJ 1MC R4021 X R4543 1/10GZ 0.0 R4001 1/16GJ 100C R1815 X R2005 1/16GJ 820C R812 1/16GZ0C R4552 1/16GJ 10KC R1807 1/16GJ 4.7KC R1802 1/16GJ 82C R4502 1/16GZ0C R4015 X R4531 X R2405 1/16GJ 4.7KC R4023 X R4553 X R2404 1/16GF 270C R4511 1/16GJ 1KC R4008 1/16GJ2.2KC R846 1/16GJ 15KC R867 R4020 X 1/10GZ 0.0 R4107 X R821 1/16GJ 100C R801 1/16GJ4.7KC R1809 1/16GJ 1KC R4523 X R2419 1/16GJ 330C R4507 1/16GJ 4.7KC R814 X R2414 1/16GZ0C R4012 X R2410 R1A43304G RB802 R1A46804G RB2002 R1A40R04G RB4002 R1A43304G RB811 R1A43304G RB805 X RB2402 R1A43304G RB807 R1A43304G RB806 R1A43304G RB801 R1A40R04G RB4003 R1A4 3304G RB813 R1A43304G RB803 R1A46804G RB2001 R1A40R04G RB4001 R1A4 3304G RB814 R1A43304G RB804 X RB2401 R1A43304G RB808 R1A40R04G RB4005 R1A43304G RB810 R1A40R04G RB4004 R1A43304G RB809 R1A43304G RB812 GND_C GND_C CPU_PG GND_C GND_C GND_C VIDEO_CG CPU_AG VIDEO_AG CPU_AG SC_AG SC_AG GND_C GND_C SC_AG SC_G VIDEO_CG GND_P HD_DG GND_C SC_DG HD_PG GND_C LCD_G GND_C GND_C HD_DG SC_PG HD_G SW_G GND_C HD_AG GND_C CPU_PG VIDEO_AG GND_C GND_C GND_C GND_C GND_C GND_C GND_C GND_C HD_PG SC_PG SC_DG HD_AG GND_C VIDEO_DG GND_C VIDEO_G VIDEO_DG GND_C GND_C GND_C GND_C 3V3SW 1V8SW 3V3CPU 1V2CPU 3V3SW 5VCPU 10V 5VSW 3V3SW 3V3CPU 3V3SW 1V8SW 5VCPU 5VSW 1V8SW 1V8SW 3V3CPU 10V 1V8SW 3V3CPU 1V2CPU 5VCPU 1V8SW 5VCPU 3V3SW 2SA1037AKR Q4502 :2SA1179NM6P :TXXKBB001P :TXXKBB002P :TXXKBB003P 2SA1037AKR Q4512 :2SA1179NM6P :TXXKBB001P :TXXKBB002P :TXXKBB003P 2SA1037AKR Q4522 :2SA1179NM6P :TXXKBB001P :TXXKBB002P :TXXKBB003P AJ Q802 X Q804 2SC2412KR Q4501 :2SC2812NL6P :TXXKBB004P :TXXKBB005P :TXXKBB006P X Q803 2SC2412KR Q4511 :2SC2812NL6P :TXXKBB004P :TXXKBB005P :TXXKBB006P 2SC2412KR Q4521 :2SC2812NL6P :TXXKBB004P :TXXKBB005P :TXXKBB006P AH Q801 AH Q807 X Q805 AH Q806 J10QF075G KJTAG 1 2 3 4 5 6 7 Z802 1 2 3 4 5 6 7 8 9 10 11 12 13 14 15 16 Z801 1 2 3 4 5 6 7 8 F34DF222G L4115 1 2 3 F34DF 222G L4116 1 2 3 1/16GJ 10KC R4110 F34DF 222G L4118 1 2 3 F34DF 222G L4117 1 2 3 X R1851 X R1852 1/16GJ 10KC R876 1/16GJ 10KC R875 1/16GJ 4.7KC R845 SCB7B 1 2 3 4 5 6 7 8 9 10 11 12 13 14 1/10GZ 0.0 L1843 1/10GZ 0.0 L1841 SCB6A 1 2 3 4 5 6 7 8 9 10 11 12 13 14 1/10GZ 0.0 L1898 GND_C SCB5B 1 2 3 4 5 6 7 8 9 10 11 12 13 14 1/10GZ 0.0 L1842 SCB5A 1 2 3 4 5 6 7 8 9 10 11 12 13 14 GND_C SCB6B 1 2 3 4 5 6 7 8 9 10 11 12 13 14 1/10GZ 0.0 L1844 GND_C SCB7A 1 2 3 4 5 6 7 8 9 10 11 12 13 14 1/10GZ 0.0 L1899 5VCPU M24C64WMN6M IC802 1 E0 2 E1 3 E2 4 VSS 5 SDA 6 SCL 7 %%oWC 8 VCC AH Q808 1/16GJ 15KC R877 1/16GJ 2.2KC R878 1/16GJ 100C R880 1/16GJ100C R879 1/16GJ 3.3KC R881 1/16GJ 3.3KC R882 X C869 X C870 1/16GJ 1.5KC R863 1/16GJ 10KC R854 1/16GJ 4.7KC R864 1/16GJ 10KC R848 1/16GJ 10KC R808 1/16GJ 4.7KC R843 1/16GJ 10KC R852 1/16GF 220C R2021 X KSCAL 1 2 3 4 5 6 5VCPU J10QF 045G KSUB 1 2 3 4 KSUB_1 KSUB_2 KSUB_3 KSUB_4 X C4562 X C4563 1/16GZ0C R1817 1/16GJ 100C R1819 1/16GJ 100C R1818 X C4564 X C4565 C4566 X X C4567 X C4568 X C4569 X C4570 X C4571 X C4572 X C4573 BD4828GG IC806 1 2 3 4 5 KZ0.01 GQF C871 1/16 GZ0C R883 16EM 100KE C872 :16EM 1001V 1/16GJ33C R884 1/10GJ1 R4554 X L2011 1 2 3 1/16GJ33C R2022 1/16GJ33C R2023 1/16 GZ0C R885 1/16 GZ0C R886 X L2401 1 2 3 X R2421 X L803 1 2 3 K8D_5 1/16GZ0C L8090 C8084 X 3V3CPU 1/16G J100KC R1803 1/16GZ 0C R887 X C875 X C876 X C873 X C874 X L834 X L835 25KZ 0.1GQF C877 STV2310D42AM DIGITAL VIDEO DECODER IC2001 40 GND_CLK 41 XTALOUT 42 XTALIN_CLKXTP 43 CLKXTM 44 CLKSEL 45 SHIELD 46 FB 47 REFP_RGB 48 REFM_RGB 49 VCC18_RGB 50 GND_RGB 51 R_CR 52 G 1 VCC18_CVBS 53 B_CB 2 CVBS2_Y 54 VCC18_DIG 3 C 55 GND_DIG 4 VDD18_CORE 56 GND_IO 5 VSS 57 VCC33_IO 6 TST_MODE 58 ADCIN 7 VDD18_CORE 59 VIDEOCOMM 8 VSS 9 SDA 10 SCL 60 VIDEO_OUT 11 VDD18_CORE 61 REFP_CVBS 12 VSS 62 REFM_CVBS 13 NRESET 63 CVBS1_Y 14 VDD33_IO 64 GND_CVBS 15 VSS_IO 16 I2CADD 17 VDD18_CORE 18 VSS 19 YCRCB7 20 YCRCB6 21 YCRCB5 22 YCRCB4 23 VSS_IO 24 VDD33OUT 25 YCRCB3 26 YCRCB2 27 YCRCB1 28 YCRCB0 29 VDD18_OUT 30 VSS_OUT 31 CLK_DATA 32 PLLLOCK 33 HSYNC 34 VSYNC 35 FIELD 36 VDD33OUT 37 GNDSUB 38 VCC18SUB 39 VCC18_CLK 1/16GJ 10KC R888 1/16GJ 10KC R889 1/16GJ 4.7KC R890 GND_C GND_C GND_C GND_C GND_C GND_C 25EM4.7KE C878 :25EM4.71V GND_C ADE3800XLM IC4001 2 PLLVDD18 3 SGND 4 OVDD18 5 DVDD18 6 DVDD18 7 DGND 8 DGND 9 RSDS7- 10 RSDS7+ 11 RSDS5- 12 RSDS5+ 13 OVDD18 14 VRH 15 VRL 16 RSDS3- 17 RSDS3+ 18 DVDD18 19 DVDD18 20 DGND 21 DGND 22 DVDD33 23 XCLK 24 TST_SCAN 25 RESETN2 26 SDA2 27 SCL2/EXT_SOG/CSYNC 28 XCLK_EN 29 VSYNC 30 HSYNC 31 AVDD 32 AGND 33 INB+ 34 INB- 35 AVDD 36 AVDD 37 AGND 38 ING+ 39 ING- 40 AVDD 41 AGND 42 AGND 43 INR+ 44 INR- 45 AVDD 46 XGND 47 XTAL_OUT 48 XTAL_IN 49 XVDD18 50 PGND 51 PVDD18 52 PGND 53 RESETN 54 SDA 55 DGND 56 SCL/CSYNC 57 DVDD33 58 TCON0 59 TCON1 60 TCON2 61 TCON3 62 TCON4 63 TCON5 64 TCON6 65 TCON7 66 DGND 67 DGND 68 DVDD18 69 DVDD18 70 DVDD18 71 EPGND 72 DGND 73 DGND 74 DVDD18 75 DVDD18 76 OVDD18 77 OUT7+ 78 OUT7- 79 OUTCLK1+ 80 OUTCLK1- 81 OUT6+ 82 OUT6- 83 OUT5+ 84 OUT5- 85 OUT4+ 86 OUT4- 87 VRL 88 VRH 89 OVDD18 90 OUT3+ 91 OUT3- 92 OUTCLK0+ 93 OUTCLK0- 94 OUT2+ 95 OUT2- 96 OUT1+ 97 OUT1- 98 OUT0+ 99 OUT0- 100 OVDD18 1 OVDD18 101 GND_PAD X IC2401 40 D12 41 GNDD 42 VDD33 43 D11 44 D10 45 D9 46 D8 47 GNDD 48 VDD18 49 VDD18 50 GNDD 51 A0 52 A1 1 DCLK 53 SDA 2 GNDP 54 SCL 3 VDDP 55 VDD33 4 XCLKP 56 GNDD 5 XCLKM 57 TST_MODE 6 VDDC 58 DE_FIELD 7 GNDC 59 VSOUT 8 XCLKSEL 9 XTALEN 10 VDD18 60 HSOUT 11 GNDD 61 VDD18 12 NRESET 62 GNDD 13 GNDD 63 VDD33 14 VDD33 64 GNDD 15 HCSYNC 16 VSYNC 17 VDDA_ESD 18 VDDA_B 19 GRNDA_B 20 B_PB_P 21 B_PB_M 22 GNDA_SUB 23 VDDA_G 24 GNDA_G 25 G_Y_P 26 G_Y_M 27 GNDA_REF 28 VDDA_REF 29 VDDA_R 30 GNDA_R 31 R_PR_P 32 R_PR_M 33 GNDD 34 VDD33 35 GNDD 36 VDD18 37 D15 38 D14 39 D13 65 HD_DG SC_AG 1/16GZ0C R2024 KLP2_6 X RB2404 X RB2403 GND_C BD4828GG IC1802 1 2 3 4 5 3V3CPU X R1853 X JW_GND 3V3CPU 1/16GJ 10KC R1854 SDRAM_D6 SDRAM_D4 SDRAM_D5 SDRAM_D3 SDRAM_D2 SDRAM_D0 SDRAM_D8 SDRAM_D9 SDRAM_D10 SDRAM_D11 ADDR_13 ADDR_11 SDRAM_D12 SDRAM_D13 SDRAM_D14 SDRAM_D15 SDRAM_D1 FLASH_D11 FLASH_D0 FLASH_D8 FLASH_D1 FLASH_D9 FLASH_D2 FLASH_D10 FLASH_D3 ADDR_9 ADDR_8 ADDR_7 ADDR_6 ADDR_5 ADDR_4 ADDR_15 ADDR_19 ADDR_18 ADDR_17 YCRCB[7] YCRCB[6] YCRCB[5] YCRCB[4] YCRCB[0] YCRCB[1] YCRCB[2] YCRCB[3] YCRCB[0] YCRCB[1] YCRCB[2] YCRCB[3] YCRCB[4] YCRCB[5] YCRCB[6] SDRAM_D7 YCRCB[7] SC1_8 SC2_8 SC3_8 AGC RGB_ON/OFF REC_CTL D/A_CTL SDA SCL STATUS/FAN POWER_5 POWER_4 DM_CLK DM_DATA DM_IR POWER_3 POWER_4 LCD_ON I_PWM E_PWM POWER_5 BLK_IN NV_SCL NV_SDA STATUS/FAN SCL SDA RGB_ON/OFF AGC SC1_8 IR SC2_8 SC3_8 D/A_CTL CTL_C CTL_B CTL_A REC_CTL MUTE/FLASH_RXD POWER_3 POWER_1 P_FAIL2 P_FAIL1 FLASH_TXD LCD_ON I_PWM SDRAM_D7 SDRAM_D6 SDRAM_D5 SDRAM_D4 SDRAM_D3 SDRAM_D2 SDRAM_D1 SDRAM_D0 ADDR_14 NOT_BE1 NOT_CS_SDRAM NOT_RAS NOT_CAS RD_NOTWR NOT_BE0 NOT_CS_FLASH ADDR_3 ADDR_2 ADDR_1 ADDR_0 NOT_BE0 RD_NOTWR NOT_CAS NOT_RAS NOT_CS_SDRAM ADDR_15 ADDR_16 ADDR_10 ADDR_16 ADDR_2 ADDR_1 ADDR_0 ADDR_10 ADDR_3 FLASH_D15 FLASH_D7 FLASH_D14 FLASH_D6 FLASH_D13 FLASH_D5 FLASH_D12 FLASH_D4 FLASH_D15 FLASH_D14 FLASH_D13 FLASH_D12 FLASH_D11 FLASH_D10 FLASH_D9 FLASH_D8 SDRAM_D15 SDRAM_D14 SDRAM_D13 SDRAM_D12 SDRAM_D11 SDRAM_D10 SDRAM_D9 SDRAM_D8 FLASH_D0 FLASH_D1 FLASH_D7 FLASH_D6 FLASH_D5 FLASH_D4 FLASH_D3 FLASH_D2 FLASH_D15 FLASH_D7 FLASH_D14 FLASH_D6 FLASH_D13 FLASH_D5 FLASH_D12 FLASH_D4 FLASH_D11 FLASH_D3 FLASH_D10 FLASH_D2 FLASH_D9 FLASH_D1 FLASH_D8 FLASH_D0 NOT_CAS NOT_CS_FLASH ADDR_0 RD_NOTWR ADDR_16 ADDR_15 ADDR_14 ADDR_13 ADDR_11 ADDR_10 ADDR_9 ADDR_8 ADDR_19 ADDR_18 ADDR_17 ADDR_7 ADDR_6 ADDR_5 ADDR_4 ADDR_3 ADDR_2 ADDR_1 ADDR_11 ADDR_9 ADDR_8 ADDR_7 ADDR_6 ADDR_5 ADDR_4 ADDR_3 ADDR_0 ADDR_1 ADDR_2 DM_CLK DM_IR KEY_IN POWER_SW LED RC_IN NOT_BE1 ADDR_11 ADDR_9 ADDR_8 ADDR_7 ADDR_6 ADDR_5 ADDR_4 ADDR_15 ADDR_16 ADDR_10 NOT_CS_SDRAM NOT_RAS NOT_CAS RD_NOTWR ADDR_18 ADDR_19 PC_VSYNC PC_HSYNC A_DETECT Y PB PR R/CR_IN G/Y_IN B/CB_IN DM_Y_IN TMS TDI TRST NRESET TDO TCK ADDR_12 ADDR_12 ADDR_12 ADDR_12 DM_DATA P_FAIL2 CTL_B CTL_A LCD_ON LCD_ON NV_SCL NV_SDA I_PWM I_PWM E_PWM LED LINE_OFF SCL SDA KEY_IN POWER_SW RC_IN IR R/C2_IN N_RESET PC_R PC_G PC_B CKOUT_SDRAM N_RESET POWER_3 POWER_3 CTL_C P_FAIL1 CKOUT_SDRAM CKOUT_SDRAM MUTE/FLASH_RXD FLASH_TXD POWER_1 P_FAIL2 V_OUT YCRCB[1] YCRCB[0] YCRCB[2] YCRCB[3] YCRCB[4] YCRCB[5] YCRCB[6] YCRCB[7] LINE_OFF C2031/5/9 SCALER PART TV/PC SW PART ASSY,PWB,SCAL,N2WJ 1AA0B10N13800 VIDEO DECODER PART HD DECODER PART SUB CPU PART MAIN CPU PART TO LCD PANEL TO LCD PANEL <27 INCH> <32 INCH> TO P-DIGITAL UNIT VIDEO_G:VIDEO DECODER GND 12 10 8 7 6 5 3 2 1 DESCRIPTION No. G N D 4 <128MB_SDRAM> <128MB_SDRAM> <16MB_FLASH> TO KEY/POWER UNIT <17/23INCH> TO CONTROL UNIT <27/32INCH> TO RC/LED UNIT <17/23INCH> TO SIGNAL UNIT TO SIGNAL UNIT TO SIGNAL UNIT (KD) TO POWER UNIT (K6H) TO POWER UNIT (K6I) SCREW SHIELD CASE TO SIGNAL UNIT (KB) POWER PART OUTSIDE OF SHIELD CASE INSIDE OF SHIELD CASE L8064 ~L8088 C8069 ~C8075 VIDEO_AG:VIDEO DECODER GND (ANALOG) VIDEO_DG:VIDEO DECODER GND (DIGITAL) VIDEO_CG:VIDEO DECODER GND (CLK) HD_G:HD DECODER GND HD_AG:HD DECODER GND (ANALOG) HD_DG:HD DECODER GND (DIGITAL) HD_PG:HD DECODER GND (PLL&CLK) CPU_AG:CPU GND (ANALOG) CPU_PG:CPU GND (PLL&CLK) SW_G:TV/PC SW GND SC_AG:SCALER GND (ANALOG) SC_G:SCALER GND SC_DG:SCALER GND (DIGITAL) SC_PG:SCALER GND (PLL&CLK) LCD_G:LCD PANEL GND GND_P:POWER GND GND_C:COMMON GND 14 15 16 17 18 19 20 21 C8077 ~C8080 C808 2~C808 3 C8065 ~C8067 MAIN CPU/TELETEXT SCALER /LVDS SUB CPU N2WW/N2YW (Page 3/4) CL603 CL609 CL604 X VA601 1 2 CL608 1/2DJ120K R601 275GM0.22VDA C601 :275GM0.22VB CL606 X SC601 1 2 CL605 250KK470XH C603 CL610 CL607 250KK470XH C604 CL601 CL602 X VA602 1 2 F35B1290N L604 1 2 3 4 F35B1290N L603 1 2 3 4 SFPL-52P D604 1/2GJ82K R602 S20B0460N RL681 :S20B0480N 1 2 3 4 AH Q656 KK2200 GQ C1636 1/3GJ47 R683 630GK0.01 C607 1/16GJ3.9KC R1634 1/16 GF18KC R1630 DHXAV B019 R680 2000KK220NH C615 :2000KK220CRD :2000KK220CTB KK470GQ C616 1/2CK5.6MXG R617 :1/2XJ5.6MVA :1/2DK5.6MLBWA C605 KK0.1 LZB 1/16 GJ22KC R685 KK1000GQ C1635 RBV-608LFB D600 :D5SB807101 1 2 3 4 ENC471D14A VA600 1 2 S20B0680N RL680 1 2 3 4 AH Q601 1/16GJ15KC R1633 UDZS12BG D1635 1SS355 D1631 SFPL-52P D605 ZZ0122 L606 2SJ 0.33 R615 1/16GJ15KC R1632 1/3GJ22 R1631 IC1630 MR1722-7101 1 2 3 4 5 1/3GJ 680 R614 QXXAVC555 IC600 1 D 2 S 3 GND 4 VIN 5 OCP/ FB/Tri X C610 2000KK220NH :2000KK220CTB :2000KK220CRD C1639 ZZ0122 L605 PC123 Y52 D602 :TLP421 F-BL 1 2 3 4 1/16 GJ8.2KC R684 275GM0.1VB C681 :250GM0.1XBC :275GM0.1VDA 1/16 GJ8.2KC R633 1/16GJ3.3KC R609 2SJ10 R605 KK330GQ C622 1SS355 D657 PC123Y52 PC1635 :TLP421F-BL 1 2 3 4 450EM120VEW C1634 RM11C D1636 ZZ0122 L608 X C611 SARS02 D609 1/2DJ470K R606 RM11C D601 SFPL-52P D606 2SJ47 R1635 1000KK1000NH C613 :1000KK1000CRD :1000KK1000CTB SFPL -52P D1632 X R610 1/2CK5.6MXG R612 :1/2XJ5.6MVA :1/2DK5.6MLBWA SFPL-52P D1633 1/2GJ82K R604 1/2GJ82K R603 1SS355 D607 SFPB-52P D608 1SS355 D658 ZZ0122 L607 1/16GJ 3.3KC R611 35EM1004Z C1637 1000KK1000NH C612 :1000KK1000CRD ;1000KK1000CTB 1/3GJ 68 R613 PC123 Y52 D603 :TLP421 F-BL 1 2 3 4 2SJ0.27 R616 1/16 GJ22KC R634 PC123Y52 PC1634 :TLP421F-BL 1 2 3 4 CJ100CGQ C1638 35EM1004Z C619 K6F_4 X VR600 1 2 3 S20B0460N RL1670 :S20B0480N 1 2 3 4 1/16GJ 100KC R656 J10AU125N K6F 1 1 2 3 4 5 6 7 8 9 10 11 12 12 K6I_1 D1670 X K6E_7 L654 L2GB4R7MN 25EM10002F C654 K6H_6 K6_5 1000KK1000NH C650 :1000KK1000CRD :1000KK1000CTB K6I_4 J10AU115N K6I 1 1 2 3 4 5 6 7 8 9 10 11 11 KK0.1LZB C660 1/16GF1KC R660 K6H_1 1/16GJ2.2KC R1677 1/16 GJ10KC R1684 1SS355 D1672 C1671 16EM1000ZU YG812S 04R D654 L656 L26B4970N 11 22 K6F_8 R652 1/3GJ4.7K 1/16GJ8.2KC R1672 L5431 IC652 :TL431C-LPB :UPC1093J 1 2 3 PQ1CG3032FZ IC650 1 2 3 4 5 1/16GF 8.2KC R654 1SS355 D610 K6F_2 AH Q1671 1/16GF 1KC R635 1/16GZ0C R627 1000KK 1000NH C656 :1000KK1000CRD :1000KK1000CTB FML-12S D652 :YG901C2 :RF601T2D 3 1 2 25EM6802F C664 1/16 GF3.3KC R677 1GJ1.5K R625 K6H_2 25EM 10002F C669 1/16GJ22KC R1685 1/16GF3.3KC R1680 YG812 S04R D656 C1673 X X R1670 1/16GJ3.3KC R619 1/16GF 560C R655 25EM6802F C657 K6F_6 1SS355 D1674 1000KK 1000NH C653 :1000KK1000CRD :1000KK1000CTB L5431 IC1672 :TL431C-LPB :UPC1093J 1 2 3 6.3KK10MB C1676 :6.3KM10GMB :6.3KM10GG C651 35EM10002F J L1670 C663 25EM 6802F 1/16GF 270C R676 K6H_3 1/16GJ1KC R1681 FML-12S D651 :YG901C2 :RF601T2D 1GJ1.5K R637 AH Q1670 R1676 1/3GJ4.7K J10AU105N K6E 1 1 2 3 4 5 6 7 8 9 10 10 1000KK1000NH :1000KK1000CRD :1000KK1000CTB C1670 J L650 1/16GJ 10KC R618 KP4_2 K6E_4 1/16GZ0C R657 L655 L2GB4R7MN X KP4 1 1 2 2 X C1672 25KK1BB C614 1/16GJ 22KC R1682 K6I_9 X C1681 1SS355 D1675 K6H_4 K6_2 1/16GF1.2KC R630 1GJ1.5K R638 1/16 GF10KC R658 J L1671 1/16 GF3KC R1678 16EM1004Z C1642 X D1671 KK0.1LZB C1677 J L651 1/3GJ 470 R1675 10EM 4702F C670 KK0.1LZB C661 25KK1BB C665 K6E_9 R653 1/3GJ 6800 K6E_2 K6I_7 L653 L2GB 4R7MN 1SS355 D1676 KP4_1 K6H_5 C662 35EM 10002F D650 YG906C2R :RF2001T2D 1/16GF1.2KC R659 1/16GJ 10KC R1683 J L652 1/16GF470C R1679 K6_1 1/16GJ22KC R1673 AH Q1672 10EM4702F C620 K6H_7 K6H_8 L26B4970N L658 1000KK1000NH :1000KK1000CRD :1000KK1000CTB C1674 1SJ1K R1674 RU3AM D1673 C1675 25EM 1000MY J L1672 J10AU095N K6H 1 2 3 4 5 6 7 8 9 K6_8 J10AU085N K6G 1 2 3 4 5 6 7 8 K6_3 K6H_9 X C601A J30B0250N KM-3 J30B0250N KM-2 J30B0250N KM-1 2HEA 0294-- D650A 1 2 3 4 2HEA0290-- IC1630A 1 2 3 4 X IC651AA 1 2 2HEF0217-- IC650A 1 2 2HEF 0155-- D656A 1 2 2HEF0155-- D651A 1 2 2HEF0155-- D652A 1 2 2HEF 0155-- D654A 1 2 C652 35EM10002F 25EM10002F C655 25EM6802F C658 C671 35EM10002F 1/16GJ 3.3KC R636 1/16GF1KC R666 YG812S 04R D659 C666 25EM 6802F 25EM6802F C667 1/16 GF2.2KC R667 25KK1BB C668 L657 L26B4970N 11 22 1/16GF1.8KC R668 1SS355 D612 PQ1CG3032FZ IC651 1 2 3 4 5 1/16GJ 10KC R639 GND2 1/16GZ0C JP601 SCB1 1 2 3 4 5 6 7 8 9 10 11 12 13 14 1/16GZ0C JP602 1/16GZ0C JP603 SCB2 1 2 3 4 5 6 7 8 9 10 11 12 13 14 1/16GZ0C JP604 1/16GZ0C JP605 SCB3 1 2 3 4 5 6 7 8 9 10 11 12 13 14 1/16GZ0C JP606 1/16GZ0C JP612 SCB7 1 2 3 4 5 6 7 8 9 10 11 12 13 14 1/16GZ0C JP614 1/16GZ0C JP611 1/16GZ0C JP616 1/16GZ0C JP609 SCB6 1 2 3 4 5 6 7 8 9 10 11 12 13 14 1/16GZ0C JP613 SCB8 1 2 3 4 5 6 7 8 9 10 11 12 13 14 1/16GZ0C JP615 1/16GZ0C JP610 1/16GZ0C JP618 1/16GZ0C JP619 1/16GZ0C JP620 1/16GZ0C JP617 SCB9 1 2 3 4 5 6 7 8 9 10 11 12 13 14 2HEF0217-- IC651A 1 2 C1634H1 C1634H2 IC650AH2 D654AH2 2HEF0155-- IC654A 1 2 IC654AH2 D656AH2 IC651AH2 D651AH1 KK0.1 LZB C1683 CL612 CL611 X C612A X C613A X C610A X C611A X C617 250KK 220XH C621 250KK 152XH C1641 B4Z21B 0090N L601 B4Z21B 0090N L602 X C682 1/16GJ10C R682 1/16GZ0C R1669 X C1682 X C1684 AH Q650 1/16GJ22KC R650 1/16GJ 10KC R651 25KK1BB C649 AH Q651 1/16GJ10KC R649 1/16GJ22KC R648 1/16GJ 10KC R647 25KK1BB C659 D600A 2HEF0156-- 1 2 GND2 L51B6520N T1630 12 1 2 7 5 6 8 10 9 11 4 T1630H1 T1630H4 T1630H6 T1630H7 T1630H10 T1630H11 L51B6560N T600 12 1 2 3 5 6 7 8 10 9 11 13 14 15 16 T600H2 T600H5 T600H8 T600H10 T600H11 T600H12 T600H13 T600H14 T1630H9 SCB10 1 2 3 4 5 6 7 8 9 10 11 12 13 14 15 16 SCB5 1 2 3 4 5 6 7 8 9 10 11 12 13 14 15 16 B4Z21B 0090N L660 AH Q657 1/16 GJ22KC R688 X R686 1/16 GJ10KC R687 B4Z21B0090N L659 B4Z21 B0090N L661 B4Z21 B0090N L662 B4Z21 B0090N L663 B4Z21 B0090N L664 B4Z21 B0090N L665 DDXAVB 020 D1637 STB5V STB5V A15V A15V POWER_3 POWER_3 STB5V K6F_9 X C1672A X C1670A X C656A X C653A X C650A L6562N IC1674 1 E0 2 E1 3 E2 4 VSS 5 SDA 6 SCL 7 WC 8 VCC AC_N AC_N L26B5040N T621 1 2 4 5 8 9 10 7 6 11 12 GND2 1/2GF560K R640 L26B5060N L624 1/2GF470K R641 1/2GF470K R642 SFPL-52P D623 SFPL-52P D624 35EM474Z C625 GND2 GND2 47K R643 DJ100B R644 C634 KK0.1 LZB CJ100CGQ C626 1/16GF 8.2KC R645 1/16GF 1.5KC R646 GND2 C628 KK0.01GQ 10K R679 GND2 GND2 DJ220B R670 DJ22B R671 SFPL-52P D625 47K R672 2SJ0.39 R673 2SJ0.39 R674 GND2 DJ100B R678 SF10L60U D626 X C630A 2SJ10 R675 1/2GF470K R690 1/2GF470K R691 1/2GF680K R692 C631H1 C631H2 450EM120VEW C631 C632H2 C632H1 450EM120VEW C632 C633H1 C633H2 450EM120VEW C633 GND2 X R693 X R694 GND2 J30B0250N K6SPG1 2HEA0289-- IC600A 1 2 3 4 GND2 GND2 400GJ1P C624 X C624A 400GJ1P C623 X C623A 2HEA0234B- Q623A 1 2 2SK3523 Q623 T621H6 T621H2 T621H5 T621H1 T621H10 T621H11 1/16GZ0C R600 PQ1CG3032FZ IC654 1 2 3 4 5 2HEF0155-- D1671A 1 2 X IC650AA 1 2 1SS355 D621 1/16GJ 22KC R621 1/16GJ 10KC R622 1SS355 D622 1/16GZ0C R623 D1670A RU4YXLF-L1 X D641 X D642 X C1639A DJ10K R624 1SJ82K R628 1SJ82K R629 2000KK220NH C630 :2000KK220CRD :2000KK220CTB 3.9M R631 D1671AH2 D652AH1 D600AH2 D600AH1 D659AH2 2HEF0155-- D659A 1 2 C627 KK0.1 LZB 1SJ1 R1636 X R1637 EU2A D1638 X C615A 250KK100XH C606 X C602A 275GM0.22VDA C602 :275GM0.22VB X C681A IC600B X 1 2 3 4 X C607A X D1673A (NENU) 1 3 2 3 (LIVE) 4 2 4 1 800Vp-p 600Vp-p (PC2) (PC1) STB5V(0.5A) 450V LINE-OFF SEL SCREW A18V D9V A24V P=2.5 TOP 12VFAN (0.3A) A18V STB5V (0.5A) A6V(1A) P=2.0 TOP P=2.0 TOP P=2.0 TOP DTU6V(0.8A) A15VAUD (2.5A) P=2.0 TOP BLON I-PWM E_PWM D5V (1.5A RUSH3A) TO SIGNAL UNIT (KG) TO INVERTER TO INVERTER PACE DIGITAL MODULE A18V F601 4A250VTCSL 1AA0B10N15200 ASSY,PWB.POWER,N2WW 600V TO SCALER UNIT (KI) TO SCALER UNIT (KH) W900 4W10B00100 ASSY,CORD, POWER N2WW/N2YW (Page 4/4)

标签:

版权声明

1. 本站所有素材,仅限学习交流,仅展示部分内容,如需查看完整内容,请下载原文件。
2. 会员在本站下载的所有素材,只拥有使用权,著作权归原作者所有。
3. 所有素材,未经合法授权,请勿用于商业用途,会员不得以任何形式发布、传播、复制、转售该素材,否则一律封号处理。
4. 如果素材损害你的权益请联系客服QQ:77594475 处理。