先锋PIONEER PDV-10音响电路图

分类:电子电工 日期: 点击:0
先锋PIONEER PDV-10音响电路图-0 先锋PIONEER PDV-10音响电路图-1 先锋PIONEER PDV-10音响电路图-2 先锋PIONEER PDV-10音响电路图-3 先锋PIONEER PDV-10音响电路图-4 先锋PIONEER PDV-10音响电路图-5 先锋PIONEER PDV-10音响电路图-6 先锋PIONEER PDV-10音响电路图-7

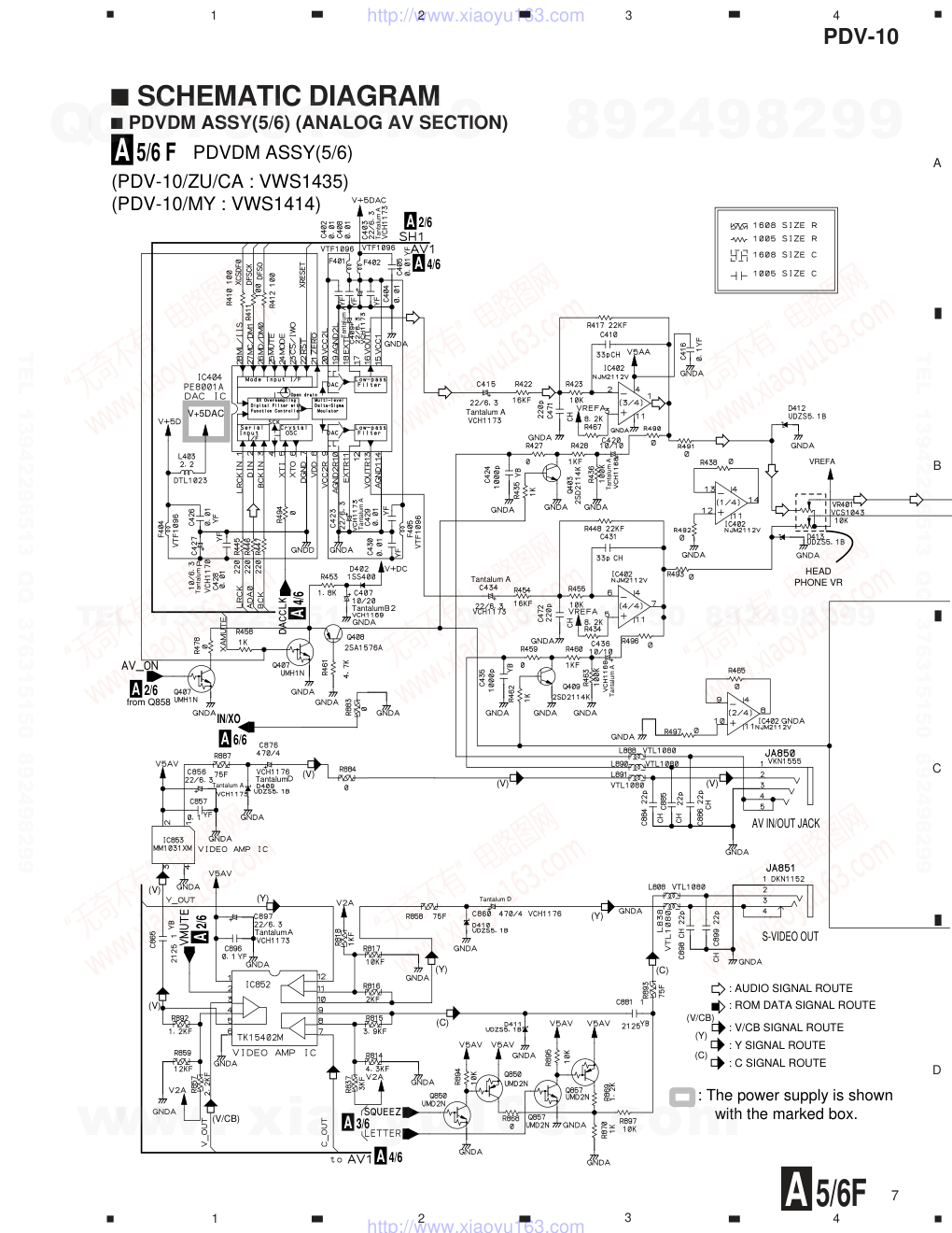
ORDER NO. PIONEER CORPORATION 4-1, Meguro 1-chome, Meguro-ku, Tokyo 153-8654, Japan PIONEER ELECTRONICS SERVICE, INC. P.O. Box 1760, Long Beach, CA 90801-1760, U.S.A. PIONEER EUROPE N.V. Haven 1087, Keetberglaan 1, 9120 Melsele, Belgium PIONEER ELECTRONICS ASIACENTRE PTE. LTD. 253 Allexandra Road, #04-01, Singapore 159936 � � � � � � � � � �PIONEER CORPORATION 2000 RRV2265 T–ZZR JAN. 2000 Printed in Japan PDV-10 PORTABLE DVD PLAYER ¶ This service manual should be used together with the following manual(s): Model No. Order No. Remarks PDV-LC10 RRV2212 THIS MANUAL IS APPLICABLE TO THE FOLLOWING MODEL(S) AND TYPE(S). ZU/CA ‡ AC120V Adapter ZY ‡ AC230V Adapter Type Power Requirement Remarks Model PDV-10 www. xiaoyu163. com QQ 376315150 9 9 2 8 9 4 2 9 8 TEL 13942296513 9 9 2 8 9 4 2 9 8 0 5 1 5 1 3 6 7 3 Q Q TEL 13942296513 QQ 376315150 892498299 TEL 13942296513 QQ 376315150 892498299 http://www.xiaoyu163.com PDV-10 2 PCB ASSEMBLIES P9-6 NSP PDVDS ASSY VWG2143 VWG2144 VWG2143 P9-8 NSP PDVDM ASSY VWS1406 VWS1435 VWS1414 P9-25 DISPLAY ASSY (PDVDS Assy) VXX2674 VXX2679 VXX2679 P9-26 MAIN ASSY (PDVDM Assy) VXX2673 VXX2712 VXX2690 PACKING P5-2 AC Adapter VWX1222 VWX1220 VWX1222 P5-3 Polyethylene Bag Z21-020 VHL1051 Z21-020 P5-7 Operating Instructions (Dutch) VRD1103 Not used VRD1103 P5-8 Operating Instructions (Swedish) VRD1104 Not used VRD1104 P5-9 Operating Instructions (Spanish) VRD1105 Not used VRD1105 P5-10 Operating Instructions (English) VRB1241 VRB1240 VRB1241 P5-11 Operating Instructions (French) VRD1100 Not used VRD1100 P5-12 Operating Instructions (German) VRD1102 Not used VRD1102 P5-13 Operating Instructions (Italian) VRD1101 Not used VRD1101 P5-16 AC Power cord ADG1127 RDG1034 ADG1127 P5-20 Battery Pack (NI-MH) VEM1026 Not used Not used P5-21 Packing Case (Boby) VHG1866 Not used Not used P5-22 Packing Case (Battery) VHG1868 Not used Not used P5-23 Packing Carton VHG1867 VHG1909 VHG1910 P5-24 NSP Warranty Card ARY7022 ARY7023 ARY7022 P5-26 Battery Charger VWY1060 Not used Not used P5-27 Battery Case VXX2697 Not used Not used P5-28 Mirror Mat Sheet DHL1050 VHB1074 VHB1074 Insulating Aircap P5-29 Pad A VHB1072 Not used Not used P5-30 Pad B VHB1073 Not used Not used P5-31 Packing Plat (Side) VHC1054 Not used Not used P5-32 Packing Plat VHC1055 Not used VHC1062 Intermediate Plat Not used VHC1046 VHC1046 No.1 Bottom Board Not used VHC1048 VHC1048 No.2 Master Carton Not used VHG1907 VHG1908 No.3 7 CONTRAST OF MISCELLANEOUS PARTS PDV-10/ZU/CA, PDV-10/ZY and PDV-LC10/ZY are constructed the same except for the following : CONTRAST TABLE Part No. Remarks PDV-LC10 / PDV-10 / PDV-10 / Symbol and Description Ref. No. Mark ZY type ZU/CA type ZY type NOTES : ÷ Parts marked by “ NSP ” are generally unavailable because they are not in our Master Spare Parts List. ÷ The mark found on some component parts indicates the importance of the safety factor of the part. Therefore, when replacing, be sure to use parts of identical designation. ÷ Reference Nos. indicate the pages and Nos. in the service manual for the base model. ÷ When ordering resistors, first convert resistance values into code form as shown in the following examples. Ex. 1 When there are 2 effective digits (any digit apart from 0), such as 560 ohm and 47k ohm (tolerance is shown by J = 5%, and K = 10%). 560 Ω = 56 × 10 1 = 561 ................................................... RD1/4PU 5 6 1 J 47k Ω = 47 × 10 3 = 473 .................................................. RD1/4PU 4 7 3 J 0.5 Ω = R50 ...................................................................... RN2H Â 5 0 K 1 Ω = 1R0 ......................................................................... RS1P 1 Â 0 K Ex. 2 When there are 3 effective digits (such as in high precision metal film resistors). 5.62k Ω = 562 × 10 1 = 5621 ........................................... RN1/4PC 5 6 2 1 F www. xiaoyu163. com QQ 376315150 9 9 2 8 9 4 2 9 8 TEL 13942296513 9 9 2 8 9 4 2 9 8 0 5 1 5 1 3 6 7 3 Q Q TEL 13942296513 QQ 376315150 892498299 TEL 13942296513 QQ 376315150 892498299 http://www.xiaoyu163.com PDV-10 3 Hand hold Not used VEE1006 VEE1006 No.4 EXTERIOR P7-1 LCD Cover VNA2070 Not used Not used P7-2 Insulating Sheet L VEC2080 Not used Not used P7-3 Earth Plate B VBK1092 Not used Not used P7-4 LCD Monitor VXX2668 Not used Not used P7-5 LCD Monitor PCB Assy VXX2669 Not used Not used P7-6 Inverter PCB Assy VXX2670 Not used Not used P7-7 Protective Tape VEC2073 Not used Not used P7-8 Cushion B VEC1311 Not used Not used P7-9 Cover Plate VNH1056 Not used Not used P7-10 Speaker VVY1002 Not used Not used P7-11 Earth Plate A VBK1091 Not used Not used P7-12 LCD Locker VNK4492 Not used Not used P7-13 Locker Spring VBH1316 Not used Not used P7-14 Cushion C VEB1307 Not used Not used P7-15 Mode Button VNK4486 Not used Not used P7-16 Earth Plate C VNH1057 Not used Not used P7-17 Switch Cap VNK4481 Not used Not used P7-18 Flexible Sheet VEC2084 Not used Not used P7-19 F.P.C 22P VNP1693 Not used Not used P7-20 Rear Cover VNK4484 Not used Not used P7-22 LCD Holder VNK4485 Not used Not used P9-1 Body Assy VXA2375 VXA2396 VXA2408 P9-7 Electrostatic Sheet VEC2082 VEC2121 VEC2121 P9-9 Selector Knob VNK4478 Not used Not used P9-10 Chassis Assy VXA2376 VXA2390 VXA2376 P9-13 Power Knob VNK4477 VNK4541 VNK4541 P9-28 65 Label Not used ARW7050 Not used No.5 P9-29 N/P Selector knob VNK4543 Not used VNK4543 P9-30 Label Service Not used VRW1815 Not used No.6 P9-31 Caution Label Not used VRW1805 Not used No.7 P11-1 Top Cover VNK4471 VNK4624 VNK4651 Name Plate Not used VAM1090 VAM1090 No.8 P11-6 Leg Rubber VBH1302 VEB1313 VEB1313 P11-14 Free Stopper VXB1001 Not used Not used P11-15 Label Assy VRW1823 VRW1822 VRW1823 Spacer C Not used VEC2100 VEC2100 No.9 Cushion B Not used VEC1945 Not used No.10 • The numbers in the remarks column correspond to the numbers on the exploded diagram. Refer to “EXPLODED VIEWS”. • For PCB ASSEMBLIES, Refer to “CONTRAST TABLE OF PCB ASSEMBLIES” and “SCHEMATIC DIAGRAM”. Part No. Remarks PDV-LC10 / PDV-10 / PDV-10 / Symbol and Description Ref. No. Mark ZY type ZU/CA type ZY type www. xiaoyu163. com QQ 376315150 9 9 2 8 9 4 2 9 8 TEL 13942296513 9 9 2 8 9 4 2 9 8 0 5 1 5 1 3 6 7 3 Q Q TEL 13942296513 QQ 376315150 892498299 TEL 13942296513 QQ 376315150 892498299 http://www.xiaoyu163.com PDV-10 4 No.4 No.1 No.3 Packing Carton Front mark Tray PDV-10 Sheet (Insulating Aircap) Polyethylene Bag AC Adapter PDV-10 (Body) No.2 EXPLODED VIEWS PACKING SECTION ÷ EXTERIOR SECTION ZU/CA:Only ZU/CA:Only ZU/CA:Only Top Cover Body Assy VEB1061 No. 8 No. 9 Leg Rubber Leg Rubber PDVDM ASSY PDVDS ASSY No. 10 No.7 No.5 No.6 www. xiaoyu163. com QQ 376315150 9 9 2 8 9 4 2 9 8 TEL 13942296513 9 9 2 8 9 4 2 9 8 0 5 1 5 1 3 6 7 3 Q Q TEL 13942296513 QQ 376315150 892498299 TEL 13942296513 QQ 376315150 892498299 http://www.xiaoyu163.com PDV-10 5 IC401 NJM2100V Not used Not used IC403, IC405 TC74HC4053AFT Not used Not used IC415, IC417 NJM2073M Not used Not used IC851 NJM2235V Not used Not used Q13 UMH9N Not used Not used Q402, Q413, Q854 2SD2114K Not used Not used Q405 DTA124EUA Not used Not used Q406, Q411 UMH1N Not used Not used Q410 UMD2N Not used Not used Q853 2SA1576A Not used Not used Q858 DTC124EUA Not used Not used D611 UDZS5.1B Not used Not used L5 VTL1122 Not used Not used L12 VTL1123 Not used Not used L14 VTL1124 Not used Not used L101, L102, L303, L601 VTL1061 LCYA100J2520 LCYA100J2520 L304 VTL1141 LCYA2R7J2520 LCYA2R7J2520 F2 DTF1098 Not used Not used C4, C36, C453, C454, C455 CKSSYF104Z16 Not used Not used C462, C878 CKSSYF104Z16 Not used Not used C42 VCH1171 Not used Not used C401, C406 VCH1168 Not used Not used C411, C439 CKSRYB473K16 Not used Not used C422, C437, C438, C470 CKSSYB223K16 Not used Not used C413, C418, C419, C421 VCH1174 Not used Not used C412, C440 CCSRCH181J50 Not used Not used C456 CKSSYF103Z50 Not used Not used C467, C468 VCH1169 Not used Not used C628 CKSSYB103K16 CKSSYF103Z50 CKSSYF103Z50 C855 VCH1175 Not used Not used C858, C859, C877, C882 CKSRYB104K16 Not used Not used R52 RS1/16SS101J Not used Not used R53 RS1/16SS473J Not used Not used R334 RS1/16SS221J RS1/16SS470J RS1/16SS470J R402, R405, R415, R424, R860 RS1/16SS102J Not used Not used R403, R416 RS1/16SS104J Not used Not used R409, R471, R841, R867 RS1/16S222J Not used Not used R413, R442 RS1/16SS182J Not used Not used R470, R414 RS1/16S6802F Not used Not used R401, R404, R406, R407, R437, R464 RS1/16SS1602F Not used Not used R418, R420, R429, R431 RS1/16S151J Not used Not used R419, R421, R430, R432, R598 RS1/16SS153J Not used Not used R438, R465 RS1/16SS1602F RS1/16SS0R0J RS1/16SS0R0J R433, R466, R468, R469 RS1/16SS822J Not used Not used R472, R473, RS1/16SS103J Not used Not used R475, R476, R701, R840 RS1/16SS0R0J Not used Not used R721 RS1/16SS0R0J Not used RS1/16SS0R0J R844– R850, R886 RS1/16SS0R0J Not used Not used R490– R493, R496, R497, R883 Not used RS1/16SS0R0J RS1/16SS0R0J R884, R1000 Not used RS1/16SS0R0J RS1/16SS0R0J R597 RS1/16SS203J RS1/16SS0R0J RS1/16SS0R0J R723 RS1/16SS113J Not used RS1/16SS113J R885 RS1/16SS472J Not used Not used R896, R899 RS1/16SS102J Not used Not used R908, R910, R920, R924 RS1/16SS331J RS1/16SS101J RS1/16SS101J VWS1435, VWS1414 and VWS1406 are constructed the same except for the following : CONTRAST TABLE OF PCB ASSEMBLIES PDVDM ASSY A F Mark Symbol and Description Part No. VWS1406 VWS1435 VWS1414 Remarks www. xiaoyu163. com QQ 376315150 9 9 2 8 9 4 2 9 8 TEL 13942296513 9 9 2 8 9 4 2 9 8 0 5 1 5 1 3 6 7 3 Q Q TEL 13942296513 QQ 376315150 892498299 TEL 13942296513 QQ 376315150 892498299 http://www.xiaoyu163.com PDV-10 6 R812, R914 RS1/16SS221 RS1/16SS101J RS1/16SS101J S601 QSG1003 Not used Not used S850 VSH1023 Not used VSH1023 S603 VSG1019 VSG1017 VSG1019 S604 VSH1024 Not used VSH1024 S605 VSG1019 Not used VSG1019 S850 VSH1023 Not used Not used CN401 VKN1464 Not used Not used R2007 RS1/16S203J RS1/16S363J R2018 RS1/16S273J RS1/16S622J R2024 Not used RS1/16S473J Mark Symbol and Description Part No. VWG2143 VWG2144 Remarks PDVDS ASSY VWG2144 and VWG2143 are constructed the same except for the following : B Mark Symbol and Description Part No. VWS1406 VWS1435 VWS1414 Remarks www. xiaoyu163. com QQ 376315150 9 9 2 8 9 4 2 9 8 TEL 13942296513 9 9 2 8 9 4 2 9 8 0 5 1 5 1 3 6 7 3 Q Q TEL 13942296513 QQ 376315150 892498299 TEL 13942296513 QQ 376315150 892498299 http://www.xiaoyu163.com PDV-10 7 A B C D 1 2 3 4 1 2 3 4 7 SCHEMATIC DIAGRAM 7 PDVDM ASSY(5/6) (ANALOG AV SECTION) IN/XO S-VIDEO OUT AV IN/OUT JACK Tantalum A Tantalum A Tantalum Tantalum A Tantalum Tantalum A Tantalum A Tantalum A Tantalum A Tantalum Tantalum Tantalum Tantalum A : AUDIO SIGNAL ROUTE : ROM DATA SIGNAL ROUTE : V/CB SIGNAL ROUTE : Y SIGNAL ROUTE : C SIGNAL ROUTE (V/CB) (Y) (C) from Q858 (V) (V) (V) (V) (V) (C) (Y) (Y) (Y) (C) (V/CB) 5/6 F PDVDM ASSY(5/6) A 4/6 A 4/6 A 3/6 A 2/6 A 6/6 A 2/6 A 2/6 A 4/6 A V+5DAC VREFA HEAD PHONE VR : The power supply is shown with the marked box. (PDV-10/ZU/CA : VWS1435) (PDV-10/MY : VWS1414) A 5/6F www. xiaoyu163. com QQ 376315150 9 9 2 8 9 4 2 9 8 TEL 13942296513 9 9 2 8 9 4 2 9 8 0 5 1 5 1 3 6 7 3 Q Q TEL 13942296513 QQ 376315150 892498299 TEL 13942296513 QQ 376315150 892498299 http://www.xiaoyu163.com PDV-10 8 A B C D 1 2 3 4 1 2 3 4 A 5/6F HP OUT JACK Tantalum Tantalum Tantalum Tantalum : AUDIO SIGNAL ROUTE : ROM DATA SIGNAL ROUTE : V/CB SIGNAL ROUTE : Y SIGNAL ROUTE : C SIGNAL ROUTE (V/CB) (Y) (C) 5/6 F PDVDM ASSY(5/6) A 2/6 A 4/6 A 2/6 A 2/6 A V5AA VREFA V2R5 V2A : The power supply is shown with the marked box. (PDV-10/ZU/CA : VWS1435) (PDV-10/MY : VWS1414) www. xiaoyu163. com QQ 376315150 9 9 2 8 9 4 2 9 8 TEL 13942296513 9 9 2 8 9 4 2 9 8 0 5 1 5 1 3 6 7 3 Q Q TEL 13942296513 QQ 376315150 892498299 TEL 13942296513 QQ 376315150 892498299 http://www.xiaoyu163.com

标签:

版权声明

1. 本站所有素材,仅限学习交流,仅展示部分内容,如需查看完整内容,请下载原文件。
2. 会员在本站下载的所有素材,只拥有使用权,著作权归原作者所有。
3. 所有素材,未经合法授权,请勿用于商业用途,会员不得以任何形式发布、传播、复制、转售该素材,否则一律封号处理。
4. 如果素材损害你的权益请联系客服QQ:77594475 处理。