先锋PIONEER PDP-4300音响电路图

分类:电子电工 日期: 点击:0
先锋PIONEER PDP-4300音响电路图-0 先锋PIONEER PDP-4300音响电路图-1 先锋PIONEER PDP-4300音响电路图-2 先锋PIONEER PDP-4300音响电路图-3 先锋PIONEER PDP-4300音响电路图-4 先锋PIONEER PDP-4300音响电路图-5 先锋PIONEER PDP-4300音响电路图-6 先锋PIONEER PDP-4300音响电路图-7 先锋PIONEER PDP-4300音响电路图-8 先锋PIONEER PDP-4300音响电路图-9

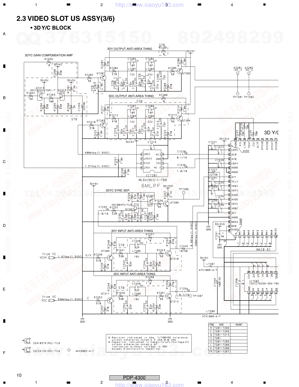
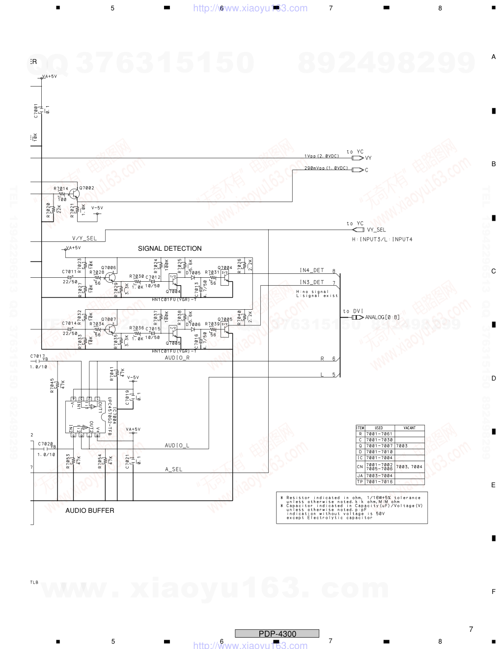
ORDER NO. PIONEER CORPORATION 4-1, Meguro 1-chome, Meguro-ku, Tokyo 153-8654, Japan PIONEER ELECTRONICS (USA) INC. P.O. Box 1760, Long Beach, CA 90801-1760, U.S.A. PIONEER EUROPE NV Haven 1087, Keetberglaan 1, 9120 Melsele, Belgium PIONEER ELECTRONICS ASIACENTRE PTE. LTD. 253 Alexandra Road, #04-01, Singapore 159936 PIONEER CORPORATION 2003 Model No. Order No. Remarks PDP-433CMX/LUCBW ARP3155 EXPLODED VIEWS and PARTS LIST, BLOCK DIAGRAM, ADJUSTMENT PDP-433CMX/LUCBW ARP3156 SCHEMATIC DIAGRAM and PCB DIAGRAM ARP3162 T – ZZR APR. 2003 Printed in Japan THIS MANUAL IS APPLICABLE TO THE FOLLOWING MODEL(S) AND TYPE(S). Model PDP-4300 Type Power Requirement KUC/CA PLASMA DISPLAY PDP-4300 AC120V ¶ This service manual should be used together with the following manual(s). Remarks www. xiaoyu163. com QQ 376315150 9 9 2 8 9 4 2 9 8 TEL 13942296513 9 9 2 8 9 4 2 9 8 0 5 1 5 1 3 6 7 3 Q Q TEL 13942296513 QQ 376315150 892498299 TEL 13942296513 QQ 376315150 892498299 http://www.xiaoyu163.com 2 1 2 3 4 1 2 3 4 C D F A B E PDP-4300 Parts marked by "NSP" are generally unavailable because they are not in our Master Spare Parts List. The mark found on some component parts indicates the importance of the safety factor of the part. Therefore, when replacing, be sure to use parts of identical designation. Screws adjacent to mark on product are used for disassembly. For the applying amount of lubricants or glue, follow the instructions in this manual. (In the case of no amount instructions, apply as you think it appropriate.) Reference Nos. indicate the pages and Nos. in the service manual for the base model. NOTES: When ordering resistors, first convert resistance values into code form as shown in the following examples. Ex.1 When there are 2 effective digits (any digit apart from 0), such as 560 ohm and 47k ohm (tolerance is shown by J=5%, and K=10%). Ex.2 When there are 3 effective digits (such as in high precision metal film resistors). 5 6 1 4 7 3 R 5 0 1 R 0 5 6 2 1 560 47k 0.5 1 RD1/4PU J RD1/4PU J RN2H K RS1P K 56 x 101 47 x 103 R50 1R0 561 473 5.62k RN1/4PC F 562 x 101 5621 1. CONTRAST OF MISCELLANEOUS PARTS Part No. Ref. No. Mark Symbol and Description PDP-433CMX PDP-4300 Remarks /LUCBW /KUC/CA PCB ASSEMBLIES VIDEO SLOT US ASSY Not used AWV1907 No.1 PACKING SECTION P9- 1 Packing Case AHD3130 AHD3164 P9- 7 Accessory Case AHC1040 AHC1036 P9-12 Plasma Caution Sheet ARM1147 Not used P9-18 NSP Warranty Card ARY1093 Not used P9-19 NSP Warranty Card ARY1102 ARY1112 P9-20 Remote Control Unit AXD1459 AXD1466 P9-22 NSP Dry Cell Battery (R6p,AA) VEM1031 AEX1026 P9-28 Display Stand AMR3264 Not used P9-29 Remote Control Holder AMR3268 Not used P9-30 Hex Hole Bolt SMZ80H400FZB Not used P9-31 Washer WB80FZB Not used P9-32 Plasma Caution Sheet ARM1220 ARM1194 P9-33 Operating Instructions ARD1052 Not used (Japaneese/English/French) P9-33 Operating Instructions (English) Not used ARB1551 P9-37 Warranty Card Contens Label AAX2911 Not used FRONT CASE SECTION P28- 2 Front Case Assy AMB2712 AMB2762 P28- 7 Lead Cover AMB2703 AMR3341 REAR SECTION P29- 6 NSP Name Label AAL2430 AAL2444 P29- 9 Terminal Display Label Gray AAX2936 AAX2927 VIDEO SLOT SECTION Screw Not used ABA1300 No.2 CONTRAST TABLE PDP-4300/KUC/CA and PDP-433CMX/LUCBW are constructed the same except for the following : Notes : The numbers in the remarks column correspond to the numbers on the “ EXPLODED VIEWS ”. For the VIDEO SLOT US ASSY, refer to “PCB PARTS LIST”, “2. SCHEMATIC DIAGRAM” and “ 3. PCB CONNECTION DIAGRAM”. For Adjustment of the VIDEO SLOT US ASSY, refer to the service manual ARP3093 for PDA-5002. www. xiaoyu163. com QQ 376315150 9 9 2 8 9 4 2 9 8 TEL 13942296513 9 9 2 8 9 4 2 9 8 0 5 1 5 1 3 6 7 3 Q Q TEL 13942296513 QQ 376315150 892498299 TEL 13942296513 QQ 376315150 892498299 http://www.xiaoyu163.com 3 1 2 3 4 1 2 3 4 C D F A B E PDP-4300 5 3 (No.2) 3 (No.2) 6 1 2 7 • VIDEO SLOT US Parts List Mark No. Description Part No. 1 VIDEO SLOT US Assy AWV1907 2 Video Terminal Panel PRO ANG2540 3 Screw ABA1300 4 • • • • • 5 Screw BPZ30P080FZK 6 Rivet AEP-211 7 Sheet AMR3282 No.1 BMZ30P060FZK Rear Case EXPLODED VIEWS ÷ EXTERIOR SECTION ÷ VIDEO SLOT US ASSY www. xiaoyu163. com QQ 376315150 9 9 2 8 9 4 2 9 8 TEL 13942296513 9 9 2 8 9 4 2 9 8 0 5 1 5 1 3 6 7 3 Q Q TEL 13942296513 QQ 376315150 892498299 TEL 13942296513 QQ 376315150 892498299 http://www.xiaoyu163.com 4 1 2 3 4 1 2 3 4 C D F A B E PDP-4300 VIDEO SLOT US ASSY (AWV1907) [VIDEO I/O BLOCK] SEMICONDUCTORS IC7002 NJM2234M IC7003 TC4052BF IC7001 TK15420M IC7004 UPC4570G2 Q7001,Q7002,Q7006,Q7007 2SC2412K Q7004,Q7005 HN1C01FU D7001-D7004,D7007-D7010 1SS226 D7005,D7006 1SS355 CAPACITORS C7002,C7006 CEANP470M25 C7003,C7012,C7015 CEAT100M50 C7004,C7007,C7010,C7011,C7014 CEAT220M50 C7013,C7016 CEAT4R7M50 C7017,C7020 CKSQYB105K10 C7009 CKSRYB103K50 C7022,C7023,C7025,C7026 CKSRYB222K50 C7001,C7005,C7008,C7018,C7019 CKSRYF104Z16 C7021,C7024 CKSRYF104Z16 RESISTORS All Resistors RS1/16S J OTHERS CN7002 4P DIN SOCKET AKP1217 CN7001 BNC SOCKET AKX1051 JA7003,JA7004 2P PIN JACK DKB1031 7005,7006 SCREW TERMINAL VNE1949 [Y/C SEPA BLOCK] SEMICONDUCTORS IC7104 24LC01B IC7103 CXA1875AM IC7101,IC7105 ML6428CS-1 Q7107 HN1A01FU COILS L7102,L7103 LCYA270J2520 L7101 LCYA470J2520 CAPACITORS C7114 CCSRCH102J50 C7107 CCSRCH220J50 C7108 CCSRCH470J50 C7102 CCSRCH560J50 C7103,C7104 CEAT220M50 C7110,C7133 CEAT221M16 C7105 CKSQYB105K10 C7109 CKSRYB104K16 C7113 CKSRYB223K50 C7106,C7123,C7129 CKSRYF104Z16 RESISTORS R7148,R7161 RAB4C470J Other Resistors RS1/16S J PCB PARTS LIST Mark No. Description Part No. Mark No. Description Part No. [3D Y/C BLOCK] SEMICONDUCTORS IC7203 IS41C16256-35K IC7201 ML6428CS-1 IC7202 UPD64082GF-3BA Q7201-Q7203,Q7206,Q7209,Q7211 2SA1037K Q7208 2SC2412K Q7205 DTC124EK Q7207 HN1B04FU COILS L7207,L7209 FERRITE BEAD ATX1008 L7205 LCTA4R7J2520 L7201 LCYA120J2520 L7202 LCYA220J2520 CAPACITORS C7202 CCSRCH100D50 C7201,C7205 CCSRCH150J50 C7204,C7246,C7247 CCSRCH180J50 C7224 CCSRCH391J50 C7210 CCSRCH470J50 C7236 CCSRCH471J50 C7208 CCSRCH560J50 C7245 CEAT100M50 C7249 CEAT101M25 C7227,C7237 CEAT220M50 C7226,C7235 CKSQYB105K10 C7223,C7225 CKSRYB103K50 C7220,C7254 CKSRYB104K16 C7214,C7215,C7219,C7221,C7222 CKSRYF104Z16 C7228-C7234,C7238,C7239 CKSRYF104Z16 C7241,C7242,C7250,C7251 CKSRYF104Z16 RESISTORS All Resistors RS1/16S J OTHERS K7201,K7202 TEST PIN AKX9002 X7201 CRYSTAL RESONATOR ASS1143 (20MHz) [CHROMA DEC BLOCK] SEMICONDUCTORS IC7301 BA7655AF IC7302 TB1274AF IC7303 TC7WH04FU Q7301,Q7302 2SA1037K Q7303-Q7306 2SC2412K Q7307 HN1C01FU D7301 1SS355 CAPACITORS C7305 CCSRCH8R0D50 C7340 CCSRCH390J50 C7302,C7316,C7337 CEAT100M50 C7341 CEAT220M50 C7333 CEAT2R2M50 www. xiaoyu163. com QQ 376315150 9 9 2 8 9 4 2 9 8 TEL 13942296513 9 9 2 8 9 4 2 9 8 0 5 1 5 1 3 6 7 3 Q Q TEL 13942296513 QQ 376315150 892498299 TEL 13942296513 QQ 376315150 892498299 http://www.xiaoyu163.com 5 1 2 3 4 1 2 3 4 C D F A B E PDP-4300 Mark No. Description Part No. Mark No. Description Part No. C7323 CEAT4R7M50 C7304 CEATR47M50 C7327,C7331,C7338 CKSQYB105K10 C7303 CKSRYB103K50 C7328,C7332,C7336 CKSRYB104K16 C7334 CKSRYB223K50 C7301,C7306-C7315,C7317,C7322 CKSRYF104Z16 C7324-C7326,C7329,C7330,C7335 CKSRYF104Z16 RESISTORS All Resistors RS1/16S J OTHERS K7301-K7304 TEST PIN AKX9002 X7301 CRYSTAL RESONATOR ASS1152 (16.2MHz) [DVI BLOCK] (AWV1906 Only) SEMICONDUCTORS IC7409 24LCS21A IC7402-IC7408 TC74LCX541FT IC7410 TC7WH04FU IC7401 TFP201A D7401 1SS184 D7402,D7404 1SS226 D7403 RD6.8MB CAPACITORS C7406,C7408,C7410,C7413,C7414 CCSRCH101J50 C7417,C7420,C7421,C7425-C7428 CCSRCH101J50 C7432,C7434 CCSRCH101J50 C7403 CEAT470M10 C7401,C7402,C7404,C7405,C7407 CKSRYF104Z16 C7409,C7411,C7412,C7415,C7416 CKSRYF104Z16 C7418,C7419,C7422-C7424 CKSRYF104Z16 C7429-C7431,C7433,C7435-C7438 CKSRYF104Z16 RESISTORS R7412 RAB4C220J R7401,R7402,R7408,R7409 RAB4C680J R7413-R7416,R7423,R7429,R7432 RAB4C680J R7438 RAB4C680J R7417,R7418 RN1/16SE1001D Other Resistors RS1/16S J OTHERS CN7402 24P DVI SOCKET AKP1216 [CONNECTOR BLOCK] RESISTORS R7430 RS1/16S101J R7439, R7440 RS1/16S103J R7433 RS1/16S182J R7435 RS1/16S223J R7434 RS1/16S332J [VIDEO REG BLOCK] SEMICONDUCTORS IC7501 PQ05DZ11 IC7504 PQ3DZ13 IC7502 TA79L05F FILTERS F7501-F7515 EMI FILTER ATF1194 CAPACITORS C7504,C7539 CEAT101M6R3 C7501,C7511 CEAT221M16 C7506,C7508,C7510,C7514,C7516 CEAT470M25 C7520,C7524,C7526,C7528,C7530 CEAT470M25 C7532,C7534,C7536,C7541,C7543 CEAT470M25 C7545 CEAT470M25 C7502,C7503,C7505,C7507,C7509 CKSRYF104Z16 C7512,C7513,C7515,C7517,C7519 CKSRYF104Z16 C7522,C7523,C7525,C7527,C7529 CKSRYF104Z16 C7531,C7533,C7535,C7537,C7538 CKSRYF104Z16 C7540,C7542,C7544 CKSRYF104Z16 RESISTORS R7502 RS1MMF1R0J R7519 RS1MMF4R7J OTHERS SCREW ABA1295 NYRON RIVET AEP-211 3004 PROTECTION SHEET AMR3282 HEXAGONAL HEAD SCREW BBA1051 SCREW BPZ30P080FZK www. xiaoyu163. com QQ 376315150 9 9 2 8 9 4 2 9 8 TEL 13942296513 9 9 2 8 9 4 2 9 8 0 5 1 5 1 3 6 7 3 Q Q TEL 13942296513 QQ 376315150 892498299 TEL 13942296513 QQ 376315150 892498299 http://www.xiaoyu163.com 6 1 2 3 4 1 2 3 4 C D F A B E PDP-4300 2. SCHEMATIC DIAGRAM VIDEO OUT DRIVER VIDEO SIGNAL SELECTOR AUDIO AUDIO SIGNAL SELECTOR 2.1 VIDEO SLOT US ASSY(1/6) • VIDEO I/O BLOCK www. xiaoyu163. com QQ 376315150 9 9 2 8 9 4 2 9 8 TEL 13942296513 9 9 2 8 9 4 2 9 8 0 5 1 5 1 3 6 7 3 Q Q TEL 13942296513 QQ 376315150 892498299 TEL 13942296513 QQ 376315150 892498299 http://www.xiaoyu163.com 7 5 6 7 8 5 6 7 8 C D F A B E PDP-4300 ER SIGNAL DETECTION AUDIO BUFFER www. xiaoyu163. com QQ 376315150 9 9 2 8 9 4 2 9 8 TEL 13942296513 9 9 2 8 9 4 2 9 8 0 5 1 5 1 3 6 7 3 Q Q TEL 13942296513 QQ 376315150 892498299 TEL 13942296513 QQ 376315150 892498299 http://www.xiaoyu163.com 8 1 2 3 4 1 2 3 4 C D F A B E PDP-4300 2.2 VIDEO SLOT US ASSY(2/6) • Y/C SEPA BLOCK 3L Y/C SEP. www. xiaoyu163. com QQ 376315150 9 9 2 8 9 4 2 9 8 TEL 13942296513 9 9 2 8 9 4 2 9 8 0 5 1 5 1 3 6 7 3 Q Q TEL 13942296513 QQ 376315150 892498299 TEL 13942296513 QQ 376315150 892498299 http://www.xiaoyu163.com 9 5 6 7 8 5 6 7 8 C D F A B E PDP-4300 B-Y LEVEL CONTROL R-Y LEVEL CONTROL www. xiaoyu163. com QQ 376315150 9 9 2 8 9 4 2 9 8 TEL 13942296513 9 9 2 8 9 4 2 9 8 0 5 1 5 1 3 6 7 3 Q Q TEL 13942296513 QQ 376315150 892498299 TEL 13942296513 QQ 376315150 892498299 http://www.xiaoyu163.com 10 1 2 3 4 1 2 3 4 C D F A B E PDP-4300 2.3 VIDEO SLOT US ASSY(3/6) • 3D Y/C BLOCK 3DYC GAIN COMPEMSATION AMP 3DY OUTPUT ANTI-AREA THING 3DC OUTPUT ANTI-AREA THING 3DY INPUT ANTI-AREA THING 3DC INPUT ANTI-AREA THING 3DYC SYNC SEP. 3D Y/C www. xiaoyu163. com QQ 376315150 9 9 2 8 9 4 2 9 8 TEL 13942296513 9 9 2 8 9 4 2 9 8 0 5 1 5 1 3 6 7 3 Q Q TEL 13942296513 QQ 376315150 892498299 TEL 13942296513 QQ 376315150 892498299 http://www.xiaoyu163.com 11 5 6 7 8 5 6 7 8 C D F A B E PDP-4300 3D Y/C SEP. www. xiaoyu163. com QQ 376315150 9 9 2 8 9 4 2 9 8 TEL 13942296513 9 9 2 8 9 4 2 9 8 0 5 1 5 1 3 6 7 3 Q Q TEL 13942296513 QQ 376315150 892498299 TEL 13942296513 QQ 376315150 892498299 http://www.xiaoyu163.com 12 1 2 3 4 1 2 3 4 C D F A B E PDP-4300 CHROMA PROCESS (COLOR DIFFERENCE CONVERSION) CHROMA PROCESS IC VY INPUT C INPUT S INPUT: Select "∗" at NTSC only Others are the same as BW AFC INPUT SYNC CHIP CLAMP 2.4 VIDEO SLOT US ASSY(4/6) • CHROMA DECODE BLOCK www. xiaoyu163. com QQ 376315150 9 9 2 8 9 4 2 9 8 TEL 13942296513 9 9 2 8 9 4 2 9 8 0 5 1 5 1 3 6 7 3 Q Q TEL 13942296513 QQ 376315150 892498299 TEL 13942296513 QQ 376315150 892498299 http://www.xiaoyu163.com 13 5 6 7 8 5 6 7 8 C D F A B E PDP-4300 COLOR DIFFERENCE LEVEL CONTROL www. xiaoyu163. com QQ 376315150 9 9 2 8 9 4 2 9 8 TEL 13942296513 9 9 2 8 9 4 2 9 8 0 5 1 5 1 3 6 7 3 Q Q TEL 13942296513 QQ 376315150 892498299 TEL 13942296513 QQ 376315150 892498299 http://www.xiaoyu163.com 14 1 2 3 4 1 2 3 4 C D F A B E PDP-4300 IC7401 TFP201APZP DVI IN PANEL LINK RECEIVER 1/2 2/2 1/2 Large size SCH diagram 2.5 VIDEO SLOT US ASSY(5/6) • DVI BLOCK www. xiaoyu163. com QQ 376315150 9 9 2 8 9 4 2 9 8 TEL 13942296513 9 9 2 8 9 4 2 9 8 0 5 1 5 1 3 6 7 3 Q Q TEL 13942296513 QQ 376315150 892498299 TEL 13942296513 QQ 376315150 892498299 http://www.xiaoyu163.com 15 5 6 7 8 5 6 7 8 C D F A B E PDP-4300 IC7401 TFP201APZP PANEL LINK RECEIVER www. xiaoyu163. com QQ 376315150 9 9 2 8 9 4 2 9 8 TEL 13942296513 9 9 2 8 9 4 2 9 8 0 5 1 5 1 3 6 7 3 Q Q TEL 13942296513 QQ 376315150 892498299 TEL 13942296513 QQ 376315150 892498299 http://www.xiaoyu163.com 16 1 2 3 4 1 2 3 4 C D F A B E PDP-4300 1/2 2/2 2/2 Large size SCH diagram www. xiaoyu163. com QQ 376315150 9 9 2 8 9 4 2 9 8 TEL 13942296513 9 9 2 8 9 4 2 9 8 0 5 1 5 1 3 6 7 3 Q Q TEL 13942296513 QQ 376315150 892498299 TEL 13942296513 QQ 376315150 892498299 http://www.xiaoyu163.com 17 5 6 7 8 5 6 7 8 C D F A B E PDP-4300 www. xiaoyu163. com QQ 376315150 9 9 2 8 9 4 2 9 8 TEL 13942296513 9 9 2 8 9 4 2 9 8 0 5 1 5 1 3 6 7 3 Q Q TEL 13942296513 QQ 376315150 892498299 TEL 13942296513 QQ 376315150 892498299 http://www.xiaoyu163.com 18 1 2 3 4 1 2 3 4 C D F A B E PDP-4300 2.6 VIDEO SLOT US ASSY(6/6) • VIDEO RGB BLOCK www. xiaoyu163. com QQ 376315150 9 9 2 8 9 4 2 9 8 TEL 13942296513 9 9 2 8 9 4 2 9 8 0 5 1 5 1 3 6 7 3 Q Q TEL 13942296513 QQ 376315150 892498299 TEL 13942296513 QQ 376315150 892498299 http://www.xiaoyu163.com 19 5 6 7 8 5 6 7 8 C D F A B E PDP-4300 www. xiaoyu163. com QQ 376315150 9 9 2 8 9 4 2 9 8 TEL 13942296513 9 9 2 8 9 4 2 9 8 0 5 1 5 1 3 6 7 3 Q Q TEL 13942296513 QQ 376315150 892498299 TEL 13942296513 QQ 376315150 892498299 http://www.xiaoyu163.com 20 1 2 3 4 1 2 3 4 C D F A B E PDP-4300 (ANP1988-B) VIDEO SLOT US ASSY SIDE A 3. PCB CONNECTION DIAGRAM 3.1 VIDEO SLOT US ASSY www. xiaoyu163. com QQ 376315150 9 9 2 8 9 4 2 9 8 TEL 13942296513 9 9 2 8 9 4 2 9 8 0 5 1 5 1 3 6 7 3 Q Q TEL 13942296513 QQ 376315150 892498299 TEL 13942296513 QQ 376315150 892498299 http://www.xiaoyu163.com

标签:

版权声明

1. 本站所有素材,仅限学习交流,仅展示部分内容,如需查看完整内容,请下载原文件。
2. 会员在本站下载的所有素材,只拥有使用权,著作权归原作者所有。
3. 所有素材,未经合法授权,请勿用于商业用途,会员不得以任何形式发布、传播、复制、转售该素材,否则一律封号处理。
4. 如果素材损害你的权益请联系客服QQ:77594475 处理。