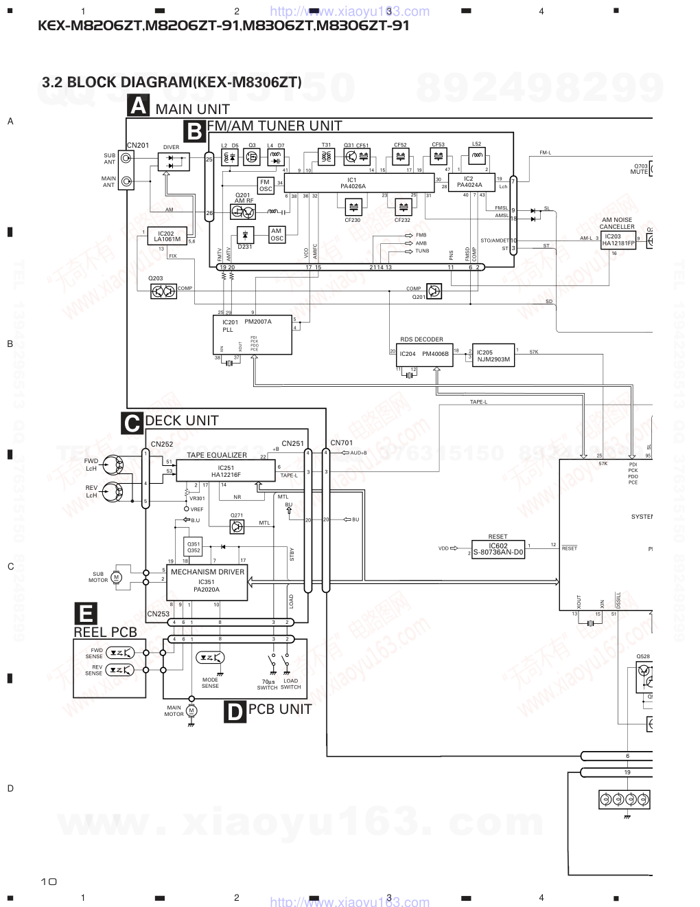
先锋PIONEER KEX-M8306ZT-91音响电路图

分类:电子电工 日期: 点击:0
先锋PIONEER KEX-M8306ZT-91音响电路图-0 先锋PIONEER KEX-M8306ZT-91音响电路图-1 先锋PIONEER KEX-M8306ZT-91音响电路图-2 先锋PIONEER KEX-M8306ZT-91音响电路图-3 先锋PIONEER KEX-M8306ZT-91音响电路图-4 先锋PIONEER KEX-M8306ZT-91音响电路图-5 先锋PIONEER KEX-M8306ZT-91音响电路图-6 先锋PIONEER KEX-M8306ZT-91音响电路图-7 先锋PIONEER KEX-M8306ZT-91音响电路图-8 先锋PIONEER KEX-M8306ZT-91音响电路图-9

ORDER NO. CRT2545 PUB. NO. CRT2545 AUDIO SYSTEM HEAD UNIT Manufactured for TOYOTA by PIONEER CORPORATION VEHICLE DESTINATION PRODUCED AFTER TOYOTA PART No. ID No. PIONEER MODEL No. LEXUS LX470 U.S.A., CANADA August 2000 86120-60390 P1720 KEX-M8206ZT/UC LEXUS LX470 U.S.A., CANADA August 2000 86120-60390 P1720 KEX-M8206ZT-91/UC LEXUS LX470 U.S.A., CANADA August 2000 86120-60280 P1722 KEX-M8306ZT/UC LEXUS LX470 U.S.A., CANADA August 2000 86120-60280 P1722 KEX-M8306ZT-91/UC LX470 Service Manual www. xiaoyu163. com QQ 376315150 9 9 2 8 9 4 2 9 8 TEL 13942296513 9 9 2 8 9 4 2 9 8 0 5 1 5 1 3 6 7 3 Q Q TEL 13942296513 QQ 376315150 892498299 TEL 13942296513 QQ 376315150 892498299 http://www.xiaoyu163.com 2 KEX-M8206ZT,M8206ZT-91,M8306ZT,M8306ZT-91 - Dolby noise reduction manufactured under license from Dolby Laboratories Licensing Corporation. "Dolby" and the double-D symbol are trademarks of Dolby Laboratories Licensing Corporation. - These models do not provide the test mode for CD changers. - KEX-M8206ZT/UC and KEX-M8306ZT/UC have adopted AVC-LAN. KEX-M8206ZT/UC - Supplementary model is identical to the original except for the addition of following items. Description Part No. KEX-M8206ZT-91/UC KEX-M8306ZT-91/UC Polyethylene Bag CEG1106 CEG1106 Carton CHA1721 CHA1721 Contain Box CHL4139 CHL4140 Cover CEG1045 CEG1045 KEX-M8306ZT/UC ID No.P1720 ID No.P1722 - This service manual should be used together with the following manual(s): Model Order No. Mech. Module Remarks CX-631 CRT1640 2L Cassette Mech. Module:Mech.Description CONTENTS 1. SAFETY INFORMATION ............................................3 2. EXPLODED VIEWS AND PARTS LIST.......................4 3. BLOCK DIAGRAM AND SCHEMATIC DIAGRAM .....8 4. PCB CONNECTION DIAGRAM ................................30 5. ELECTRICAL PARTS LIST ........................................44 6. ADJUSTMENT..........................................................55 7. GENERAL INFORMATION .......................................60 7.1 DIAGNOSIS.......................................................60 7.1.1 DISASSEMBLY ........................................60 7.1.2 CONNECTOR FUNCTION DESCRIPTION ..61 7.1.3 TROUBLESHOOTING................................62 7.2 IC........................................................................64 7.3 EXPLANATION..................................................69 7.3.1 SYSTEM BLOCK DIAGRAM ...................69 7.3.2 OPERATIONAL FLOW CHART................70 8. OPERATIONS AND SPECIFICATIONS.....................71 www. xiaoyu163. com QQ 376315150 9 9 2 8 9 4 2 9 8 TEL 13942296513 9 9 2 8 9 4 2 9 8 0 5 1 5 1 3 6 7 3 Q Q TEL 13942296513 QQ 376315150 892498299 TEL 13942296513 QQ 376315150 892498299 http://www.xiaoyu163.com 3 KEX-M8206ZT,M8206ZT-91,M8306ZT,M8306ZT-91 1. SAFETY INFORMATION This service manual is intended for qualified service technicians; it is not meant for the casual do-it-yourselfer. Qualified technicians have the necessary test equipment and tools, and have been trained to properly and safely repair complex products such as those covered by this manual. Improperly performed repairs can adversely affect the safety and reliability of the product and may void the warranty. If you are not qualified to perform the repair of this product properly and safely, you should not risk trying to do so and refer the repair to a qualified service technician. www. xiaoyu163. com QQ 376315150 9 9 2 8 9 4 2 9 8 TEL 13942296513 9 9 2 8 9 4 2 9 8 0 5 1 5 1 3 6 7 3 Q Q TEL 13942296513 QQ 376315150 892498299 TEL 13942296513 QQ 376315150 892498299 http://www.xiaoyu163.com 4 KEX-M8206ZT,M8206ZT-91,M8306ZT,M8306ZT-91 3 1 1 1 5 15 45 7 17 11 12 10 43 44 42 6 43 18 9 19 16 7 8 8 13 14 8 8 4 2 2 20 27 21 30 31 21 21 21 21 50 46 46 36 41 37 35 49 49 43 23 26 39 40 24 26 43 33 34 32 22 38 25 33 34 32 48 47 29 28 2. EXPLODED VIEWS AND PARTS LIST 2.1 EXTERIOR www. xiaoyu163. com QQ 376315150 9 9 2 8 9 4 2 9 8 TEL 13942296513 9 9 2 8 9 4 2 9 8 0 5 1 5 1 3 6 7 3 Q Q TEL 13942296513 QQ 376315150 892498299 TEL 13942296513 QQ 376315150 892498299 http://www.xiaoyu163.com 5 KEX-M8206ZT,M8206ZT-91,M8306ZT,M8306ZT-91 Mark No. Description Part No. Mark No. Description Part No. 1 Screw BMZ26P050FMC 2 Screw BMZ30P050FMC 3 Case CNB2590 4 Insulator CNM6654 5 Cushion CNM6934 6 Main Unit(KEX-M8206ZT) CWM7093 Main Unit(KEX-M8306ZT) CWM7096 7 Screw BMZ30P080FMC 8 Screw BPZ30P060FSN 9 Terminal(CN202) CKF1059 10 Terminal(CN303) CKF1059 11 Connector(CN302) CKM1065 12 Connector(CN301) CKM1322 13 Plug(CN651) CKS3542 14 Connector(CN701) CKS3568 15 Antenna Jack(CN201) CKX1024 16 Holder CNC8711 17 Holder CNC8712 18 FM/AM Tuner Unit CWE1611 19 Holder CNC6774 20 Chassis Unit CXB5297 21 Screw BPZ26P100FMC 22 Button(EJECT) CAC6642 23 Button(CH,PROG,DISC) CAC6771 24 Button(SEEK,TRACK) CAC6772 25 Button(TRAF) CAC6557 26 Lighting Conductor CNV6144 27 Rubber CNV6145 28 Lighting Conductor CNV6500 29 Holder CNV6502 30 Keyboard Unit CWM7103 31 Socket(CN901) CKS3555 32 Knob Assy CXB5296 * 33 Knob CAA1500 34 Spring CBL-108 35 Button(AM) CAC5252 36 Button(TAPE) CAC5254 37 Button(FM) CAC5253 38 Grille Unit(KEX-M8206ZT)CXB6091 Grille Unit(KEX-M8306ZT)CXB6092 39 Door(KEX-M8206ZT) CAT2133 Door(KEX-M8306ZT) CAT2135 40 Spring CBH1371 41 Button(DISC) CAC6186 42 Cassette Mechanism ModuleEXK3885 43 Screw IMS26P050FMC 44 Transistor(Q331) 2SB1185 45 Transistor(Q521) 2SB1185 46 Shield CNC9047 47 Holder CNV6503 48 Lighting Conductor CNV6501 49 Holder Unit CXB2765 50 Lighting Conductor CNV6143 - EXTERIOR SECTION PARTS LIST NOTE: - Parts marked by “*” are generally unavailable because they are not in our Master Spare Parts List. - Screws adjacent to ∇ mark on the product are used for disassembly. www. xiaoyu163. com QQ 376315150 9 9 2 8 9 4 2 9 8 TEL 13942296513 9 9 2 8 9 4 2 9 8 0 5 1 5 1 3 6 7 3 Q Q TEL 13942296513 QQ 376315150 892498299 TEL 13942296513 QQ 376315150 892498299 http://www.xiaoyu163.com 6 KEX-M8206ZT,M8206ZT-91,M8306ZT,M8306ZT-91 2.3 CASSETTE MECHANISM MODULE www. xiaoyu163. com QQ 376315150 9 9 2 8 9 4 2 9 8 TEL 13942296513 9 9 2 8 9 4 2 9 8 0 5 1 5 1 3 6 7 3 Q Q TEL 13942296513 QQ 376315150 892498299 TEL 13942296513 QQ 376315150 892498299 http://www.xiaoyu163.com 7 KEX-M8206ZT,M8206ZT-91,M8306ZT,M8306ZT-91 1 Screw BSZ20P040FMC 2 Washer CBF1037 3 Washer CBF1038 4 Washer CBG1003 5 Deck Unit EWM1027 6 Screw(M2x5) EBA1028 7 Screw(M2x2.5) EBA1037 8 Spring EBH1531 9 Spring EBH1589 10 Connector(CN251) CKS3540 11 Spring EBH1515 12 Spring EBH1587 13 Spring EBH1517 14 Spring EBH1518 15 Spring EBH1519 16 Spring EBH1537 17 Cord EDD1027 18 Photo-interrupter(EGN2,3) EGN1006 19 Photo-interrupter(EGN1) EGN1005 20 Roller ENR1031 21 Shaft ELA1362 22 Roller ELA1348 23 Arm ENC1490 24 Arm ENC1397 25 Guide ENC1519 26 Holder ENC1516 27 Lever ENC1448 28 Arm ENC1488 29 Roller ENR1023 30 Belt ENT1027 31 Gear ENV1347 32 Collar ENV1508 33 Gear ENV1350 34 Flywheel ENV1500 35 Worm Gear ENV1439 36 Worm Wheel ENV1440 37 Gear ENR1037 38 Lever ENV1533 39 Arm ENV1525 40 Gathering PCB ENX1037 41 Gathering PCB ENX1060 42 Switch(S1)(S2) ESG1004 43 Motor Unit(M2)(SUB) EXA1382 44 Chassis Unit EXA1559 45 Tube ENM1039 46 Roller ENR1027 47 Reel Unit EXA1560 48 Head Base Unit EXA1434 49 Lever Unit EXA1578 50 Gear Unit EXA1545 51 Frame Unit EXA1476 52 Lever Unit EXA1439 53 Head Assy(HD1) EXA1594 54 Motor Unit(M1)(MAIN) EXA1499 55 Washer HBF-179 56 Screw JGZ20P025FNI 57 Spring EBH1545 58 Washer YE20FUC 59 Pinch Roller Unit EXA1533 60 Pinch Roller Unit EXA1532 61 Capacitor(C1) CEAL4R7M35 Mark No. Description Part No. Mark No. Description Part No. - CASSETTE MECHANISM MODULE SECTION PARTS LIST www. xiaoyu163. com QQ 376315150 9 9 2 8 9 4 2 9 8 TEL 13942296513 9 9 2 8 9 4 2 9 8 0 5 1 5 1 3 6 7 3 Q Q TEL 13942296513 QQ 376315150 892498299 TEL 13942296513 QQ 376315150 892498299 http://www.xiaoyu163.com 8 KEX-M8206ZT,M8206ZT-91,M8306ZT,M8306ZT-91 A 1 2 3 4 B C D 1 2 3 4 Q203 Q3 L2 D5 L4 D7 25 26 Q201 AM RF AM OSC FM OSC D231 CF52 CF51 T31 Q31 CF232 CF230 23 25 PA4026A IC1 CF53 L52 PA4024A IC2 DIVER IC202 LA1061M AM CN201 SUB ANT MAIN ANT FIX COMP FMTV AMTV VCO AMIFC FMB AMB TUNB 19 20 17 15 2114 13 11 6 2 IC201 PM2007A PLL XIN XOUT PDI PCK PDO PCE 29 25 COMP 9 5 4 IC204 PM4006B 11 12 IC205 NJM2903M RDS DECODER CN251 CN252 CN253 IC251 HA12216F TAPE EQUALIZER MECHANISM DRIVER IC351 PA2020A Q271 B.U BU M SUB MOTOR M MAIN MOTOR 10 +B TAPE-L MTL MTL VR301 VREF 6 22 14 17 2 51 53 17 7 18 19 5 2 NR Q351 Q352 1 9 8 STBY LOAD LOAD SWITCH MODE SENSE FWD SENSE REV SENSE 1 4 5 4 3 20 FWD LcH REV LcH 2 3 8 1 6 4 2 3 8 1 6 4 41 9 10 34 6 38 36 32 14 15 17 19 30 31 28 47 1 2 19 40 7 43 Lch FMSL AMSL STO/AMDET ST COMP FMSD PNS S-80736AN-D0 IC703 2 1 RESET VDD Q528 Q530 Q531 Q205 HA12181FP IC203 AM NOISE CANCELLER 3 AM-L 9 16 Q703 MUTE Q705 MUTE FM-L AM-L BU CN701 4 3 20 19 2 6 5 20 18 2 3 1 57K 25 57K 13 15 12 RESET Q706 88 TAPEMUTE AUD+B TAPE-L Q201 SL 51 DSSILL XIN XOUT SYSTEM CONT IC601 PDI PCK PDO PCE 1 5,6 13 ST SD SL SD 95 90 ST 89 38 37 A MAIN UNIT FM/AM TUNER UNIT B C DECK UNIT D PCB UNIT E REEL PCB 7 9 18 10 3 PD5579A SWITCH 70µs 3. BLOCK DIAGRAM AND SCHEMATIC DIAGRAM 3.1 BLOCK DIAGRAM(KEX-M8206ZT) www. xiaoyu163. com QQ 376315150 9 9 2 8 9 4 2 9 8 TEL 13942296513 9 9 2 8 9 4 2 9 8 0 5 1 5 1 3 6 7 3 Q Q TEL 13942296513 QQ 376315150 892498299 TEL 13942296513 QQ 376315150 892498299 http://www.xiaoyu163.com KEX-M8206ZT,M8206ZT-91,M8306ZT,M8306ZT-91 5 6 7 8 A B C D 5 6 7 8 9 528 Q530 Q527 Q529 Q531 BU Q521 Q522 Q525 Q526 ILLUMINATION DIMMER CONTROL ACC BU Q501 Q323 5V REGULATOR VDD5V VDD Q332 Q331 AUD+B TUNB BU 8V REGULATOR Q608 VDD SWITCH VDD SYSPW Q337-1 Q336 Q337-2 Q335 Q302 ASEN Q301 BSEN Q303 ISEN BU Q606 MUTE CONTROL Q359 Q360 Q358 TUNB AUD+B TC74HC4066AF IC781 ANALOG SWITCH NJM2068MD IC703 NJM2068MD IC702 Q709 Q603 Q607 UNBAL BAL NJM2068MD MIX AMP IC701 10 8 L+ L- 11 9 6,12 ANSW Q205 03 TE 05 TE Q701 TUNER-L 2 1 2 1 2 1 KEY MATRIX 20 5 S904 EJECT Q354 Q351 AMB FMB BU ANT TAPE-L AMMT FMMT AMMT FMMT 37 38 STEM CONTROLLER IC601 SL SD 95 90 ST 89 AMPW AMPW 44 FMPW 43 AUD+B 73 75 23 ASEN BSEN ISEN HA12187FP IC681 AVC LAN 6 5 TX+ TX- 50 SYSMUTE MUTESENS IPPW 8 1 2 TX RX MUTESENS RX TX IPPW ANSW 22 30 29 1 100 CN301 CN302 BU ACC ANT MUTE ILL+ +B ACC ILL- FMPW AMB FMB Q335 Q336 F KEYBOARD UNIT PD5579A 1 4 3 22 POWER VOLGND ENC1M ENC2P CN901 24 21 4 15 CN651 KD1 POWER ENC1M POWER 53 54 55 S901 POWER-VOL ENC1P ENC2M ENC1P KD1 KST2 S902 TUNE 2110 13 8 17 KST2 ENC1M ENC1P ENC2M ENC2P 12 3 22 KST2 59 KD1 67 ENC2M 86 ENC2P 87 www. xiaoyu163. com QQ 376315150 9 9 2 8 9 4 2 9 8 TEL 13942296513 9 9 2 8 9 4 2 9 8 0 5 1 5 1 3 6 7 3 Q Q TEL 13942296513 QQ 376315150 892498299 TEL 13942296513 QQ 376315150 892498299 http://www.xiaoyu163.com 10 KEX-M8206ZT,M8206ZT-91,M8306ZT,M8306ZT-91 A 1 2 3 4 B C D 1 2 3 4 Q203 Q3 L2 D5 L4 D7 25 26 Q201 AM RF AM OSC FM OSC D231 CF52 CF51 T31 Q31 CF232 CF230 23 25 PA4026A IC1 CF53 L52 PA4024A IC2 DIVER IC202 LA1061M AM CN201 SUB ANT MAIN ANT FIX COMP FMTV AMTV VCO AMIFC FMB AMB TUNB 19 20 17 15 2114 13 11 6 2 IC201 PM2007A PLL XIN XOUT PDI PCK PDO PCE 29 25 COMP 9 5 4 IC204 PM4006B 11 12 IC205 NJM2903M RDS DECODER CN251 CN252 CN253 IC251 HA12216F TAPE EQUALIZER MECHANISM DRIVER IC351 PA2020A Q271 B.U BU M SUB MOTOR M MAIN MOTOR 10 +B TAPE-L MTL MTL VR301 VREF 6 22 14 17 2 51 53 17 7 18 19 5 2 NR Q351 Q352 1 9 8 STBY LOAD LOAD SWITCH MODE SENSE FWD SENSE REV SENSE 1 4 5 4 3 20 FWD LcH REV LcH 2 3 8 1 6 4 2 3 8 1 6 4 41 9 10 34 6 38 36 32 14 15 17 19 30 31 28 47 1 2 19 40 7 43 Lch FMSL AMSL STO/AMDET ST COMP FMSD PNS S-80736AN-D0 IC602 2 1 RESET VDD Q528 Q5 Q2 HA12181FP IC203 AM NOISE CANCELLER 3 AM-L 9 16 Q703 MUTE FM-L BU CN701 4 3 20 19 6 20 18 2 3 1 57K 25 57K 13 15 12 RESET AUD+B TAPE-L Q201 SL 51 DSSILL XIN XOUT SYSTEM PDI PCK PDO PCE 1 5,6 13 ST SD SL 95 38 37 A MAIN UNIT FM/AM TUNER UNIT B C DECK UNIT D PCB UNIT E REEL PCB 7 9 18 10 3 PD SWITCH 70µs 3.2 BLOCK DIAGRAM(KEX-M8306ZT) www. xiaoyu163. com QQ 376315150 9 9 2 8 9 4 2 9 8 TEL 13942296513 9 9 2 8 9 4 2 9 8 0 5 1 5 1 3 6 7 3 Q Q TEL 13942296513 QQ 376315150 892498299 TEL 13942296513 QQ 376315150 892498299 http://www.xiaoyu163.com 11 KEX-M8206ZT,M8206ZT-91,M8306ZT,M8306ZT-91 5 6 7 8 A B C D 5 6 7 8 Q528 Q530 Q527 Q529 Q531 BU Q521 Q522 Q525 Q526 ILLUMINATION DIMMER CONTROL ACC BU Q501 Q323 5V REGULATOR VDD5V VDD Q332 Q331 AUD+B TUNB BU 8V REGULATOR Q553 VDD SWITCH VDD SYSPW Q337-1 Q336 Q337-2 Q335 Q302 ASEN Q301 BSEN Q303 ISEN BU Q358 MUTE CONTROL Q755 Q756 Q753 Q603 PML003AM E-VOL IC701 RL Q205 81FP OISE LLER 9 Q703 MUTE Q701 AM-L 2 11 KEY MATRIX 19 20 6 5 S903 EJECT TAPE-L FMMT FMMT 38 SYSTEM CONTROLLER IC601 PDI PCK PDO PCE SL SD 95 90 ST 89 AMPW AMPW 44 FMPW 43 AUD+B 73 75 23 ASEN BSEN ISEN HA12187FP IC681 AVC LAN 6 5 TX+ TX- 50 SYSMUTE AMPMUT IPPW 8 1 2 TX RX AMPMUT RX TX IPPW 22 30 29 49 CN301 CN302 BU ACC ANT MUTE ILL+ +B ACC ILL- FMPW AMB FMB Q335 Q336 F KEYBOARD UNIT PD5581B 1 4 3 22 POWER VOLGND ENC1M ENC2P CN901 24 21 4 15 CN651 KD1 POWER ENC1M POWER 53 54 55 S901 POWER-VOL ENC1P ENC2M ENC1P KD1 KST2 S902 AUDIO-TUNE 2110 13 8 17 KST2 ENC1M ENC1P ENC2M ENC2P 12 3 22 KST2 59 KD1 67 ENC2M 86 ENC2P 87 FM-L 4 3 MUTE CONTROL Q357 www. xiaoyu163. com QQ 376315150 9 9 2 8 9 4 2 9 8 TEL 13942296513 9 9 2 8 9 4 2 9 8 0 5 1 5 1 3 6 7 3 Q Q TEL 13942296513 QQ 376315150 892498299 TEL 13942296513 QQ 376315150 892498299 http://www.xiaoyu163.com 12 KEX-M8206ZT,M8206ZT-91,M8306ZT,M8306ZT-91 A 1 2 3 4 B C D 1 2 3 4 3.3 MAIN UNIT(GUIDE PAGE)(KEX-M8206ZT) Note: When ordering service parts, be sure to refer to “EXPLODED VIEWS AND PARTS LIST” or “ELECTRICAL PARTS LIST”. A CASSETTE MECHANISM MODULE SYSTEM MUTE MIX AMP TAPE MUTE TUNER MUTE RBDS DECODER AM PNS FM DIVERSITY PLL FM:-26dBs(400Hz,30%) AM:-16dBs(400Hz,30%) TAPE:- 8dBs FM:-18dBs AM:-18dBs TAPE:-4dBs AM FM AM AM AM AM AM FM AM FM B A MAIN UNIT C D E F CN901 A-a A-a A-a A-b A-b A-a A-a A-b A-b A-b A-b A-a A-a Large size SCH diagram Guide page Detailed page www. xiaoyu163. com QQ 376315150 9 9 2 8 9 4 2 9 8 TEL 13942296513 9 9 2 8 9 4 2 9 8 0 5 1 5 1 3 6 7 3 Q Q TEL 13942296513 QQ 376315150 892498299 TEL 13942296513 QQ 376315150 892498299 http://www.xiaoyu163.com KEX-M8206ZT,M8206ZT-91,M8306ZT,M8306ZT-91 5 6 7 8 A B C D 5 6 7 8 13 A 8V 5V ILL 8V REGULATOR ILL DIMMER CONTROL ANALOG SW CONTROL & BU MUTE ILL DS DRIVE AVC LAN MUTE 5V REGULATOR AUDIO 8V REGULATOR BU ACC ILL SENSE ANALOG SWITCH AUDIO 4V UNBAL BAL RESET FM:-13dBs AM:-13dBs TAPE:+1dBs FM:-13dBs AM:-13dBs TAPE:+1dBs 8V 1 SYSTEM CONTROLLER A-b www. xiaoyu163. com QQ 376315150 9 9 2 8 9 4 2 9 8 TEL 13942296513 9 9 2 8 9 4 2 9 8 0 5 1 5 1 3 6 7 3 Q Q TEL 13942296513 QQ 376315150 892498299 TEL 13942296513 QQ 376315150 892498299 http://www.xiaoyu163.com 14 KEX-M8206ZT,M8206ZT-91,M8306ZT,M8306ZT-91 A 1 2 3 4 B C D 1 2 3 4 A-a A-a A-b FM DIVERSITY PLL FM:-26dBs(400Hz,30%) AM:-16dBs(400Hz,30%) AM FM B A MAIN UNIT F CN901 SYSTEM CONTROLLER 1 2 3 www. xiaoyu163. com QQ 376315150 9 9 2 8 9 4 2 9 8 TEL 13942296513 9 9 2 8 9 4 2 9 8 0 5 1 5 1 3 6 7 3 Q Q TEL 13942296513 QQ 376315150 892498299 TEL 13942296513 QQ 376315150 892498299 http://www.xiaoyu163.com 15 KEX-M8206ZT,M8206ZT-91,M8306ZT,M8306ZT-91 5 6 7 8 A B C D 5 6 7 8 A-a A-a A-b CASSETTE MECHANISM MODULE UNBAL BAL SYSTEM MUTE MIX AMP TAPE MUTE TUNER MUTE RBDS DECODER AM PNS TAPE:- 8dBs FM:-18dBs AM:-18dBs TAPE:-4dBs FM:-13dB AM:-13dB TAPE:+1d AM AM AM AM AM FM AM FM C D E 4 5 www. xiaoyu163. com QQ 376315150 9 9 2 8 9 4 2 9 8 TEL 13942296513 9 9 2 8 9 4 2 9 8 0 5 1 5 1 3 6 7 3 Q Q TEL 13942296513 QQ 376315150 892498299 TEL 13942296513 QQ 376315150 892498299 http://www.xiaoyu163.com 16 KEX-M8206ZT,M8206ZT-91,M8306ZT,M8306ZT-91 A 1 2 3 4 B C D 1 2 3 4 A-a A-b A-b 5V ILL 8V REGULATOR ILL DIMMER CONTROL ANALOG SW CONTROL & BU MUTE ILL DS DRIVE AVC LAN MUTE 5V REGULATOR 8V LER 1 2 3 www. xiaoyu163. com QQ 376315150 9 9 2 8 9 4 2 9 8 TEL 13942296513 9 9 2 8 9 4 2 9 8 0 5 1 5 1 3 6 7 3 Q Q TEL 13942296513 QQ 376315150 892498299 TEL 13942296513 QQ 376315150 892498299 http://www.xiaoyu163.com 17 KEX-M8206ZT,M8206ZT-91,M8306ZT,M8306ZT-91 5 6 7 8 A B C D 5 6 7 8 A-b A-a A-b 8V 5V 5V REGULATOR AUDIO 8V REGULATOR BU ACC ILL SENSE ANALOG SWITCH AUDIO 4V AL RESET FM:-13dBs AM:-13dBs TAPE:+1dBs FM:-13dBs AM:-13dBs TAPE:+1dBs 4 5 www. xiaoyu163. com QQ 376315150 9 9 2 8 9 4 2 9 8 TEL 13942296513 9 9 2 8 9 4 2 9 8 0 5 1 5 1 3 6 7 3 Q Q TEL 13942296513 QQ 376315150 892498299 TEL 13942296513 QQ 376315150 892498299 http://www.xiaoyu163.com 18 KEX-M8206ZT,M8206ZT-91,M8306ZT,M8306ZT-91 A 1 2 3 4 B C D 1 2 3 4 3.4 MAIN UNIT(GUIDE PAGE)(KEX-M8306ZT) Note: When ordering service parts, be sure to refer to “EXPLODED VIEWS AND PARTS LIST” or “ELECTRICAL PARTS LIST”. A A-a CASSETTE MECHANISM MODULE C D E E-VOL FM MUTE RBDS DECODER AM PNS PLL FM DIVERSITY B A MAIN UNIT FM:-26dBs(400Hz,30%) AM:-16dBs(400Hz,30%) TAPE:- 8dBs FM:-37.5dBs AM:-28.5dBs TAPE:-14.5dBs AUX :-11.5dBs AM FM AM AM AM AM AM FM AM FM FM AM F CN901 www. xiaoyu163. com QQ 376315150 9 9 2 8 9 4 2 9 8 TEL 13942296513 9 9 2 8 9 4 2 9 8 0 5 1 5 1 3 6 7 3 Q Q TEL 13942296513 QQ 376315150 892498299 TEL 13942296513 QQ 376315150 892498299 http://www.xiaoyu163.com 19 KEX-M8206ZT,M8206ZT-91,M8306ZT,M8306ZT-91 5 6 7 8 A B C D 5 6 7 8A A-b PD5581B SYSTEM CONTROLLER 5V REGULATOR AUDIO 8V REGULATOR BU ACC ILL SENSE BU MUTE ILL 8V REGULATOR ILL DIMMER CONTROL ANT CONTROL AMP CONTROL MUTE BEEP AVC LAN RESET SYSTEM MUTE FM:-20dBs AM:-20dBs TAPE:-6dBs AUX :+2.2dBs www. xiaoyu163. com QQ 376315150 9 9 2 8 9 4 2 9 8 TEL 13942296513 9 9 2 8 9 4 2 9 8 0 5 1 5 1 3 6 7 3 Q Q TEL 13942296513 QQ 376315150 892498299 TEL 13942296513 QQ 376315150 892498299 http://www.xiaoyu163.com 20 KEX-M8206ZT,M8206ZT-91,M8306ZT,M8306ZT-91 A 1 2 3 4 B C D 1 2 3 4 A-a A-a A-b SYSTEM CONTROLLER AM PNS PLL FM DIVERSITY B A MAIN UNIT FM:-26dBs(400Hz,30%) AM:-16dBs(400Hz,30%) AM FM F CN901 PD5581B 1 2 3 www. xiaoyu163. com QQ 376315150 9 9 2 8 9 4 2 9 8 TEL 13942296513 9 9 2 8 9 4 2 9 8 0 5 1 5 1 3 6 7 3 Q Q TEL 13942296513 QQ 376315150 892498299 TEL 13942296513 QQ 376315150 892498299 http://www.xiaoyu163.com 21 KEX-M8206ZT,M8206ZT-91,M8306ZT,M8306ZT-91 5 6 7 8 A B C D 5 6 7 8 A-a A-a A-b CASSETTE MECHANISM MODULE C D E E-VOL FM MUTE RBDS DECODER TAPE:- 8dBs FM:-37.5dBs AM:-28.5dBs TAPE:-14.5dBs AUX :-11.5dBs AM AM AM AM AM FM AM FM FM AM PD5581B 4 5 6 7 www. xiaoyu163. com QQ 376315150 9 9 2 8 9 4 2 9 8 TEL 13942296513 9 9 2 8 9 4 2 9 8 0 5 1 5 1 3 6 7 3 Q Q TEL 13942296513 QQ 376315150 892498299 TEL 13942296513 QQ 376315150 892498299 http://www.xiaoyu163.com 22 KEX-M8206ZT,M8206ZT-91,M8306ZT,M8306ZT-91 A 1 2 3 4 B C D 1 2 3 4 A-a A-b A-b LER 5V REGULATOR ILL 8V REGULATOR ILL DIMMER CONTROL ANT CONTROL AMP CONTROL MUTE BEEP AVC LAN 1 2 3 www. xiaoyu163. com QQ 376315150 9 9 2 8 9 4 2 9 8 TEL 13942296513 9 9 2 8 9 4 2 9 8 0 5 1 5 1 3 6 7 3 Q Q TEL 13942296513 QQ 376315150 892498299 TEL 13942296513 QQ 376315150 892498299 http://www.xiaoyu163.com 23 KEX-M8206ZT,M8206ZT-91,M8306ZT,M8306ZT-91 5 6 7 8 A B C D 5 6 7 8 A-b A-a A-b 5V REGULATOR AUDIO 8V REGULATOR BU ACC ILL SENSE BU MUTE RESET SYSTEM MUTE FM:-20dBs AM:-20dBs TAPE:-6dBs AUX :+2.2dBs 4 5 6 7 www. xiaoyu163. com QQ 376315150 9 9 2 8 9 4 2 9 8 TEL 13942296513 9 9 2 8 9 4 2 9 8 0 5 1 5 1 3 6 7 3 Q Q TEL 13942296513 QQ 376315150 892498299 TEL 13942296513 QQ 376315150 892498299 http://www.xiaoyu163.com 24 KEX-M8206ZT,M8206ZT-91,M8306ZT,M8306ZT-91 A 1 2 3 4 B C D 1 2 3 4 3.5 FM/AM TUNER UNIT B FM AM FM FM FM FM FM FM AM AM AM AM AM FM,AM FM,AM FM,AM FM,AM FM,AM FM,AM AM FM FM AM FM FM AM AM AM AM AM RF FM FRONT END FM OSC AM OSC B A FM/AM TUNER UNIT www. xiaoyu163. com QQ 376315150 9 9 2 8 9 4 2 9 8 TEL 13942296513 9 9 2 8 9 4 2 9 8 0 5 1 5 1 3 6 7 3 Q Q TEL 13942296513 QQ 376315150 892498299 TEL 13942296513 QQ 376315150 892498299 http://www.xiaoyu163.com KEX-M8206ZT,M8206ZT-91,M8306ZT,M8306ZT-91 5 6 7 8 A B C D 5 6 7 8 25 B FM M FM FM FM FM FM AM AM AM AM AM FM,AM FM,AM PNS FM IF www. xiaoyu163. com QQ 376315150 9 9 2 8 9 4 2 9 8 TEL 13942296513 9 9 2 8 9 4 2 9 8 0 5 1 5 1 3 6 7 3 Q Q TEL 13942296513 QQ 376315150 892498299 TEL 13942296513 QQ 376315150 892498299 http://www.xiaoyu163.com 26 KEX-M8206ZT,M8206ZT-91,M8306ZT,M8306ZT-91 A 1 2 3 4 B C D 1 2 3 4 3.6 CASSETTE MECHANISM MODULE C DECK UNIT B/C HA12216F 11 12 13 14 15 16 17 18 19 20 40 39 38 37 36 35 34 33 32 31 30 29 28 27 26 25 24 23 22 21 1 2 3 4 5 6 7 8 9 10 R256 180 R291 0R0 C271 1/50 R283 0R0 R284 0R0 R282 0R0 C253 390P C254 390P C252 390P C251 390P R281 0R0 R255 180 C256 R01 R258 18K R402 3R3K R403 910 R275 47K R293 0R0 C272 R1 R285 0R0 HD1 HEAD ASSY EXA1594 TEST TAPE NCT-150 (400Hz, 200nWb/m) RL RR FR FL C302 R1 VR302 33K(B) -8.24dBs(300mV)±1dB Fwd-R Fwd-L Rev-R Rev-L NFI(L) RIN(L) RIP FIN(L) GND GND FIN(R) VREF RIN(R) NFI(R) M-OUT(R) EQOUT(R) TAI(R) BIAS RAI(R) PBOUT(R) DET(L) MUTE MSGV(R) MAOUT MSI MSDET MSGV F/R 120/70 NR MOUT(L) EQOUT(L) TAI(L) NC RAI(L) PBOUT(L) NC DET(L) MSGV(S) CN252 CN251 DOLBY B NR IC251 VR301 33K(B) C310 R1 C309 R1 R321 0R0 VCC CCP1280 CCP1280 NC MSOUT NC NC R260 13K R262 270K C401 4700P R401 12K R276 100K C402 R33 C404 R01 C403 R022 R288 0R0 R274 0R0 R289 0R0 R273 0R0 R272 0R0 R404 270K C405 R033 R2 22 R278 100K Q271 2SC4116 R292 0R0 R271 18K C301 R1 R294 0R0 R259 13K C255 R01 R257 18K R261 270K C A CN701 www. xiaoyu163. com QQ 376315150 9 9 2 8 9 4 2 9 8 TEL 13942296513 9 9 2 8 9 4 2 9 8 0 5 1 5 1 3 6 7 3 Q Q TEL 13942296513 QQ 376315150 892498299 TEL 13942296513 QQ 376315150 892498299 http://www.xiaoyu163.com 27 KEX-M8206ZT,M8206ZT-91,M8306ZT,M8306ZT-91 5 6 7 8 A B C D 5 6 7 8E D C SWITCHES: PCB UNIT S1:LOAD SWITCH..........EJECT-PLAY S2:70µs SWITCH...............ON-OFF The underlined indicates the switch position. R275 47K R351 1K R352 1K R353 1K R354 1K R373 0R0 R355 270K C352 3900P R362 180 C351 R22 C354 R01 R374 0R0 C355 R1 D351 1SS355 M1 MOTOR UNIT (MAIN MOTOR) EXA1499 M2 MOTOR UNIT (SUB MOTOR) EXA1382 RS3 RS2 RS1 SC2 SC1 TAB MC CE VCC2 NC VCC MCS RRS FRS RSB C TAB MS2 NC NC MM SM1 RRS GND FRS mtl RSB load CN253 CN254 MECHANISM DRIVER IC351 PA2020A R375 0R0 R404 270K 405 R033 R277 220K R278 100K 6 PCB UNIT REEL PCB S1 LOAD ESG1004 S2 ESG1004 70µs MODE SENSE EGN1 EGN1005 EGN2 EGN1006 FWD END SENSE EGN3 EGN1006 REV END SENSE 7 7 8 NM MCS R357 4R7K R358 10K C353 R01 R359 10K C356 R01 R360 1K R361 6R2K R356 2K Q351 2SB1260 Q352 2SC4102 RES NES 8 L1 C1 4R7/35 E D www. xiaoyu163. com QQ 376315150 9 9 2 8 9 4 2 9 8 TEL 13942296513 9 9 2 8 9 4 2 9 8 0 5 1 5 1 3 6 7 3 Q Q TEL 13942296513 QQ 376315150 892498299 TEL 13942296513 QQ 376315150 892498299 http://www.xiaoyu163.com 28 KEX-M8206ZT,M8206ZT-91,M8306ZT,M8306ZT-91 A 1 2 3 4 B C D 1 2 3 4 3.7 KEYBOARD UNIT F CN651 A KEYBOARD UNIT F POWER-VOL www. xiaoyu163. com QQ 376315150 9 9 2 8 9 4 2 9 8 TEL 13942296513 9 9 2 8 9 4 2 9 8 0 5 1 5 1 3 6 7 3 Q Q TEL 13942296513 QQ 376315150 892498299 TEL 13942296513 QQ 376315150 892498299 http://www.xiaoyu163.com 29 KEX-M8206ZT,M8206ZT-91,M8306ZT,M8306ZT-91 5 6 7 8 A B C D 5 6 7 8F 8V 60mA 8V 60mA 8V 60mA 8V 60mA 8V 60mA 8V 60mA 8V 60mA www. xiaoyu163. com QQ 376315150 9 9 2 8 9 4 2 9 8 TEL 13942296513 9 9 2 8 9 4 2 9 8 0 5 1 5 1 3 6 7 3 Q Q TEL 13942296513 QQ 376315150 892498299 TEL 13942296513 QQ 376315150 892498299 http://www.xiaoyu163.com 30 KEX-M8206ZT,M8206ZT-91,M8306ZT,M8306ZT-91 A 1 2 3 4 B C D 1 2 3 4 MAIN UNIT 4. PCB CONNECTION DIAGRAM 4.1 MAIN UNIT(KEX-M8206ZT) NOTE FOR PCB DIAGRAMS 1. The parts mounted on this PCB include all necessary parts for several destination. For further information for respective destinations, be sure to check with the schematic diagram. 2. Viewpoint of PCB diagrams Capacitor Connector P.C.Board Chip Part SIDE A SIDE B A ANTENNA 1 2 B A www. xiaoyu163. com QQ 376315150 9 9 2 8 9 4 2 9 8 TEL 13942296513 9 9 2 8 9 4 2 9 8 0 5 1 5 1 3 6 7 3 Q Q TEL 13942296513 QQ 376315150 892498299 TEL 13942296513 QQ 376315150 892498299 http://www.xiaoyu163.com 31 KEX-M8206ZT,M8206ZT-91,M8306ZT,M8306ZT-91 5 6 7 8 A B C D 5 6 7 8 FRONT C F CN251 CN901 SIDE A A www. xiaoyu163. com QQ 376315150 9 9 2 8 9 4 2 9 8 TEL 13942296513 9 9 2 8 9 4 2 9 8 0 5 1 5 1 3 6 7 3 Q Q TEL 13942296513 QQ 376315150 892498299 TEL 13942296513 QQ 376315150 892498299 http://www.xiaoyu163.com 32 KEX-M8206ZT,M8206ZT-91,M8306ZT,M8306ZT-91 A 1 2 3 4 B C D 1 2 3 4 FRONT A MAIN UNIT A www. xiaoyu163. com QQ 376315150 9 9 2 8 9 4 2 9 8 TEL 13942296513 9 9 2 8 9 4 2 9 8 0 5 1 5 1 3 6 7 3 Q Q TEL 13942296513 QQ 376315150 892498299 TEL 13942296513 QQ 376315150 892498299 http://www.xiaoyu163.com 33 KEX-M8206ZT,M8206ZT-91,M8306ZT,M8306ZT-91 5 6 7 8 A B C D 5 6 7 8 SIDE B T A www. xiaoyu163. com QQ 376315150 9 9 2 8 9 4 2 9 8 TEL 13942296513 9 9 2 8 9 4 2 9 8 0 5 1 5 1 3 6 7 3 Q Q TEL 13942296513 QQ 376315150 892498299 TEL 13942296513 QQ 376315150 892498299 http://www.xiaoyu163.com 34 KEX-M8206ZT,M8206ZT-91,M8306ZT,M8306ZT-91 A 1 2 3 4 B C D 1 2 3 4 MAIN UNIT 4.2 MAIN UNIT(KEX-M8306ZT) A B A www. xiaoyu163. com QQ 376315150 9 9 2 8 9 4 2 9 8 TEL 13942296513 9 9 2 8 9 4 2 9 8 0 5 1 5 1 3 6 7 3 Q Q TEL 13942296513 QQ 376315150 892498299 TEL 13942296513 QQ 376315150 892498299 http://www.xiaoyu163.com 35 KEX-M8206ZT,M8206ZT-91,M8306ZT,M8306ZT-91 5 6 7 8 A B C D 5 6 7 8 FRONT C F CN251 CN901 SIDE A A www. xiaoyu163. com QQ 376315150 9 9 2 8 9 4 2 9 8 TEL 13942296513 9 9 2 8 9 4 2 9 8 0 5 1 5 1 3 6 7 3 Q Q TEL 13942296513 QQ 376315150 892498299 TEL 13942296513 QQ 376315150 892498299 http://www.xiaoyu163.com 36 KEX-M8206ZT,M8206ZT-91,M8306ZT,M8306ZT-91 A 1 2 3 4 B C D 1 2 3 4 MAIN UNIT A A www. xiaoyu163. com QQ 376315150 9 9 2 8 9 4 2 9 8 TEL 13942296513 9 9 2 8 9 4 2 9 8 0 5 1 5 1 3 6 7 3 Q Q TEL 13942296513 QQ 376315150 892498299 TEL 13942296513 QQ 376315150 892498299 http://www.xiaoyu163.com 37 KEX-M8206ZT,M8206ZT-91,M8306ZT,M8306ZT-91 5 6 7 8 A B C D 5 6 7 8 FRONT SIDE B A www. xiaoyu163. com QQ 376315150 9 9 2 8 9 4 2 9 8 TEL 13942296513 9 9 2 8 9 4 2 9 8 0 5 1 5 1 3 6 7 3 Q Q TEL 13942296513 QQ 376315150 892498299 TEL 13942296513 QQ 376315150 892498299 http://www.xiaoyu163.com 38 KEX-M8206ZT,M8206ZT-91,M8306ZT,M8306ZT-91 A 1 2 3 4 B C D 1 2 3 4 4.3 FM/AM TUNER UNIT B SIDE A B FM/AM TUNER UNIT A www. xiaoyu163. com QQ 376315150 9 9 2 8 9 4 2 9 8 TEL 13942296513 9 9 2 8 9 4 2 9 8 0 5 1 5 1 3 6 7 3 Q Q TEL 13942296513 QQ 376315150 892498299 TEL 13942296513 QQ 376315150 892498299 http://www.xiaoyu163.com 39 KEX-M8206ZT,M8206ZT-91,M8306ZT,M8306ZT-91 1 2 3 4 A B C D 1 2 3 4B B FM/AM TUNER UNIT SIDE B www. xiaoyu163. com QQ 376315150 9 9 2 8 9 4 2 9 8 TEL 13942296513 9 9 2 8 9 4 2 9 8 0 5 1 5 1 3 6 7 3 Q Q TEL 13942296513 QQ 376315150 892498299 TEL 13942296513 QQ 376315150 892498299 http://www.xiaoyu163.com 40 KEX-M8206ZT,M8206ZT-91,M8306ZT,M8306ZT-91 A 1 2 3 4 B C D 1 2 3 4 4.4 CASSETTE MACHANISM MODULE C IC,Q ADJ VR302 IC351 IC251 Q351 Q352 VR301 HEAD ASSY M2 CN253 CN254 CN252 Q351 Q352 IC351 C354 C352 C351 C353 C356 C355 R355 R362 R375 R373 R374 R358 R357 R361 R360 R359 D351 R356 R354 R353 R352 R351 Q271 R275 R274 R273 R272 R288 R289 R287 R322 R321 R290 R276 R278 R277 R260 R258 R254 R252 R253 C253 R261 R259 R403 R284 R282 R281 R283 R294 R292 C251 R262 R256 R291 VR302 VR301 R251 C301 C272 C256 C254 C252 R257 R293 R255 C255 R271 R285 C310 C302 C405 C309 C402 C401 C403 C404 R404 IC251 R402 R401 Q271 E D C322 C271 C321 CN251 1 5 2 10 15 20 19 A CN701 C DECK UNIT C DECK UNIT SIDE A SIDE B www. xiaoyu163. com QQ 376315150 9 9 2 8 9 4 2 9 8 TEL 13942296513 9 9 2 8 9 4 2 9 8 0 5 1 5 1 3 6 7 3 Q Q TEL 13942296513 QQ 376315150 892498299 TEL 13942296513 QQ 376315150 892498299 http://www.xiaoyu163.com 41 KEX-M8206ZT,M8206ZT-91,M8306ZT,M8306ZT-91 1 2 3 4 A B C D 1 2 3 4E D 1 2 3 4 5 6 7 8 6 5 4 3 2 1 L1 RED M M1 MOTOR UNIT (MAIN MOTOR) LOAD SW S1 70µs SW S2 MODE SENSE EGN1 D PCB UNIT D PCB UNIT C CN253 E D E REEL UNIT SIDE A SIDE B www. xiaoyu163. com QQ 376315150 9 9 2 8 9 4 2 9 8 TEL 13942296513 9 9 2 8 9 4 2 9 8 0 5 1 5 1 3 6 7 3 Q Q TEL 13942296513 QQ 376315150 892498299 TEL 13942296513 QQ 376315150 892498299 http://www.xiaoyu163.com 42 KEX-M8206ZT,M8206ZT-91,M8306ZT,M8306ZT-91 A 1 2 3 4 B C D 1 2 3 4 4.5 KEYBOARD UNIT F F KEYBOARD UNIT POWER-VOL SEEK TRACK SEEK TRACK EJECT AM FM TAPE DISC TRAF TUNE CH PROG DISC CH PROG DISC SIDE A www. xiaoyu163. com QQ 376315150 9 9 2 8 9 4 2 9 8 TEL 13942296513 9 9 2 8 9 4 2 9 8 0 5 1 5 1 3 6 7 3 Q Q TEL 13942296513 QQ 376315150 892498299 TEL 13942296513 QQ 376315150 892498299 http://www.xiaoyu163.com 43 KEX-M8206ZT,M8206ZT-91,M8306ZT,M8306ZT-91 1 2 3 4 A B C D 1 2 3 4F A CN651 F KEYBOARD UNIT SIDE B www. xiaoyu163. com QQ 376315150 9 9 2 8 9 4 2 9 8 TEL 13942296513 9 9 2 8 9 4 2 9 8 0 5 1 5 1 3 6 7 3 Q Q TEL 13942296513 QQ 376315150 892498299 TEL 13942296513 QQ 376315150 892498299 http://www.xiaoyu163.com 44 KEX-M8206ZT,M8206ZT-91,M8306ZT,M8306ZT-91 5. ELECTRICAL PARTS LIST NOTE: - Parts whose parts numbers are omitted are subject to being not supplied. - The part numbers shown below indicate chip components. Chip Resistor RS1/_S___J,RS1/__S___J Chip Capacitor (except for CQS.....) CKS....., CCS....., CSZS..... Unit Number : CWE1611 Unit Name : FM/AM Tuner Unit MISCELLANEOUS IC 1 IC PA4023B IC 2 IC PA4024A Q 1 Chip Transistor 2SC2712 Q 3 FET 3SK263 Q 5 Transistor 2SK1067 Q 31 Chip Transistor 2SC2712 Q 151 Transistor DTC144EU Q 165 Transistor 2SC4116 Q 201 FET 2SK291 Q 202 Chip Transistor 2SC2712 Q 203 FET 2SK2373 D 3 Diode 1SV251 D 4 Diode 1SV250 D 5 Diode KV1410-F1 D 6 Diode MA157 D 7 Diode KV1410-F1 D 8 Diode KV1410-F1 D 9 Diode KV1410-F1 D 10 Diode 1SV250 D 201 Diode MA157 D 202 Diode 1SV251 D 231 Diode SVC253 L 1 Inductor LCTBR12K2125 L 2 Air-core Coil CTC1152 L 3 Air-core Coil CTC1152 L 4 Air-core Coil CTC1151 L 5 Coil CTC1147 L 6 Air-core Coil CTC1153 L 40 Inductor LCTBR15K1608 L 51 Ferri-Inductor LAU150K L 52 Coil CTC1136 L 201 Ferri-Inductor LAU4R7K L 202 Ferri-Inductor LAU330K L 203 Inductor CTF1371 L 208 Inductor LAU390K L 209 Inductor LCTA680J3225 L 210 Coil CTB1103 L 231 Inductor LAU3R3J T 31 Coil CTE1116 TC 1 Trimmer CCL1019 TC 2 Trimmer CCL1019 TC 3 Trimmer CCL1019 CF 25 Ceramic Filter CTF1292 CF 51 Ceramic Filter CTF1292 CF 52 Ceramic Filter CTF1292 CF 53 Ceramic Filter CTF1292 CF 230 Crystal Filter CTF1262 CF 232 Ceramic Filter CTF1348 X 151 Radiator 918.5Hz CSS1365 X 231 Crystal Resonator 10.26MHz CSS1111 VR 101 Semi-fixed 15kΩ(B) CCP1230 VR 151 Semi-fixed 10kΩ(B) CCP1229 VR 154 Semi-fixed 150kΩ(B) CCP1236 VR 156 Semi-fixed 100kΩ(B) CCP1235 RESISTORS R 3 RS1/16S223J R 4 RS1/16S101J R 6 RS1/16S101J R 8 RS1/16S332J R 9 RS1/16S823J R 10 RS1/16S223J R 11 RS1/16S124J R 12 RS1/16S474J R 15 RS1/16S161J R 16 RS1/16S104J R 17 RS1/16S332J R 18 RS1/16S332J R 19 RS1/16S154J R 21 RS1/16S332J R 22 RS1/16S510J R 24 RS1/16S101J R 25 RS1/16S221J R 26 RS1/16S102J R 31 RS1/16S470J R 32 RS1/16S912J R 33 RS1/16S912J R 34 RS1/16S331J R 35 RS1/16S331J R 51 RS1/16S331J R 55 RS1/16S102J R 56 RS1/16S823J R 61 RS1/16S392J R 62 RS1/16S273J R 103 RS1/16S333J R 104 RS1/16S334J R 105 RS1/16S683J R 107 RS1/16S222J R 152 RS1/16S393J R 155 RS1/16S393J R 157 RS1/10S223J R 160 RS1/16S222J R 161 RS1/16S563J R 162 RS1/16S225J R 163 RS1/16S222J R 164 RS1/16S823J R 165 RS1/16S102J R 201 RS1/16S103J R 202 RS1/16S103J R 203 RS1/16S225J R 204 RS1/16S472J R 205 RS1/16S471J R 206 RS1/16S220J R 207 RS1/16S101J R 208 RS1/16S102J R 210 RS1/16S125J =====Circuit Symbol and No.===Part Name Part No. --- ------ ------------------------------------------ ------------------------- =====Circuit Symbol and No.===Part Name Part No. --- ------ ------------------------------------------ ------------------------- B www. xiaoyu163. com QQ 376315150 9 9 2 8 9 4 2 9 8 TEL 13942296513 9 9 2 8 9 4 2 9 8 0 5 1 5 1 3 6 7 3 Q Q TEL 13942296513 QQ 376315150 892498299 TEL 13942296513 QQ 376315150 892498299 http://www.xiaoyu163.com 45 KEX-M8206ZT,M8206ZT-91,M8306ZT,M8306ZT-91 R 211 RS1/16S223J R 214 RS1/16S393J R 215 RS1/16S104J R 230 RS1/16S0R0J R 231 RS1/16S242J R 232 RS1/16S473J R 237 RS1/16S103J R 238 RS1/16S104J R 239 RS1/16S104J R 240 RS1/16S103J R 241 RS1/16S202J R 243 RS1/16S123J R 244 RS1/16S103J R 246 RS1/16S0R0J R 247 RS1/10S303J R 248 RS1/16S0R0J R 250 RS1/16S0R0J CAPACITORS C 1 CCSRCH220J50 C 2 CKSRYB222K50 C 3 CCSRCH4R0D50 C 5 CKSRYB222K50 C 6 CKSQYB473K16 C 7 CKSQYB473K16 C 8 CKSQYB104K16 C 9 CKSRYB222K50 C 10 CEAL1R0M50 C 11 CCSRCH470J50 C 12 CCSRCJ3R0C50 C 13 CKSRYB222K50 C 15 CCSRCJ3R0D50 C 17 CCSRCH120J50 C 18 CKSRYB103K25 C 19 CCSRCH120J50 C 20 CKSRYB222K50 C 21 CEAL100M16 C 22 CCSRRH100D50 C 23 CCSRRH150J50 C 24 CCSRCH471J50 C 30 CCSRRH201J50 C 31 CKSRYB103K25 C 32 CKSQYB473K16 C 33 CCSRCH220J50 C 34 CCSRCH4R0D50 C 41 CKSQYB104K16 C 51 CKSRYB223K25 C 52 CKSRYB103K25 C 54 CCSRCH470J50 C 55 CKSQYB223K25 C 56 CKSQYB104K16 C 57 CKSRYB472K50 C 58 CEJA330M10 C 59 CKSRYB103K25 C 61 CCSRCH270J50 C 62 CKSRYB103K25 C 63 CEALR22M50 C 65 CKSQYB104K16 C 101 CEALNP100M10 C 102 CKSRYB182K50 C 103 CKSQYB682K50 C 104 CEAL2R2M50 C 105 CKSRYB103K25 C 106 CCSRCH151J50 C 107 CKSRYB103K25 C 151 CKSRYB562K25 C 152 CKSQYB104K16 C 153 CEAL3R3M50 C 154 CKSQYB104K16 C 157 CEAL3R3M50 C 158 CKSYB474K16 C 159 CEAL220M6R3 C 160 CKSQYB104K16 C 161 CKSQYB104K16 C 162 CEAL3R3M50 C 163 CKSRYB102K50 C 165 CCSRCH100D50 C 201 CKSRYB103K25 C 202 CCSRCH100D50 C 203 CKSRYB332K50 C 204 CKSQYB473K16 C 205 CKSQYB473K16 C 206 CKSRYB103K25 C 207 CCSRCH120J50 C 211 CCSRCH560J50 C 212 CEAL680M10 C 213 CKSRYB103K25 C 214 CKSQYB225K10 C 215 CCSRCH680J50 C 216 CCSRCH101J50 C 217 CEAL2R2M50 C 219 CKSRYB223K25 C 220 CKSRYB103K25 C 221 CKSRYB103K25 C 230 CKSQYB104K16 C 231 CCSRCH330J50 C 232 CCSRCH150J50 C 233 CKSRYB103K25 C 234 CEJA330M10 C 235 CKSRYB332K50 C 236 CKSQYB473K16 C 237 CCSRTH180J50 C 239 CKSRYB103K25 C 240 CKSYB104K16 C 241 CKSQYB104K16 C 242 CEALR47M50 C 244 CKSQYB473K16 C 245 CKSQYB103K25 C 248 CKSQYB334K16 C 250 CCSRCJ3R0C50 Unit Number : CWM7096(KEX-M8306ZT) Unit Name : Main Unit MISCELLANEOUS IC 201 IC PM2007A IC 202 IC LA1061M IC 203 IC HA12181FP IC 204 IC PM4006B IC 205 IC NJM2903M IC 601 IC PD5581B IC 602 IC S-80736AN-D0 IC 681 IC HA12187FP IC 701 IC PML003AM Q 201 Chip Transistor 2SC2712 Q 203 Transistor IMX1 Q 204 Chip Transistor 2SC2712 Q 205 Chip Transistor 2SC2712 Q 206 Chip Transistor 2SC2712 Q 301 Chip Transistor 2SC2712 Q 302 Transistor DTC144TK Q 303 Transistor DTC144TK Q 323 Transistor 2SD2318F5 Q 331 Transistor 2SB1185 Q 332 Transistor IMX1 =====Circuit Symbol and No.===Part Name Part No. --- ------ ------------------------------------------ ------------------------- =====Circuit Symbol and No.===Part Name Part No. --- ------ ------------------------------------------ ------------------------- A www. xiaoyu163. com QQ 376315150 9 9 2 8 9 4 2 9 8 TEL 13942296513 9 9 2 8 9 4 2 9 8 0 5 1 5 1 3 6 7 3 Q Q TEL 13942296513 QQ 376315150 892498299 TEL 13942296513 QQ 376315150 892498299 http://www.xiaoyu163.com 46 KEX-M8206ZT,M8206ZT-91,M8306ZT,M8306ZT-91 Q 335 Transistor DTB123EK Q 336 Transistor DTB123EK Q 337 Transistor IMX1 Q 351 Transistor 2SA1255 Q 354 Transistor DTC144EK Q 357 Transistor DTC114EK Q 358 Transistor 2SA1162 Q 359 Transistor DTC144EK Q 360 Transistor 2SA1255 Q 361 Chip Transistor 2SC2712 Q 362 Chip Transistor 2SC2712 Q 363 Transistor 2SA1162 Q 501 Transistor 2SA1162 Q 521 Transistor 2SB1185 Q 525 Chip Transistor 2SC2712 Q 526 Chip Transistor 2SC2712 Q 527 Transistor 2SA1797 Q 528 Transistor 2SA1797 Q 529 Transistor 2SA1162 Q 530 Transistor 2SA1162 Q 531 Transistor IMD3A Q 553 Transistor IMD3A Q 601 Transistor DTA144EK Q 602 Transistor 2SA1162 Q 603 Transistor DTA114EK Q 606 Transistor 2SA1162 Q 607 Chip Transistor 2SC2712 Q 701 Transistor DTC114TK Q 702 Transistor IMX1 Q 703 Transistor IMH4 Q 704 Transistor IMH4 Q 708 Transistor 2SC2412K Q 751 Transistor DTC323TK Q 752 Transistor DTC323TK Q 753 Transistor DTC323TK Q 754 Transistor DTC323TK Q 755 Chip Transistor 2SC2712 Q 756 Transistor 2SA1162 D 201 Diode 1SS355 D 202 Diode 1SV241 D 203 Diode 1SV241 D 204 Diode 1SS355 D 205 Diode MA152WK D 206 Diode DAP202K D 301 Diode ERC05-10B D 302 Diode HZU8R2(B1) D 303 Diode HZU8R2(B1) D 304 Diode HZU8R2(B1) D 306 Diode 1SS355 D 307 Diode 1SS355 D 321 Diode ERA15-02VH D 322 Diode UDZS5R6(B) D 331 Diode 1SS355 D 332 Diode HZU8R2(B1) D 333 Diode 1SS355 D 334 Diode MA152WK D 351 Diode UDZ20(B) D 354 Diode UDZ20(B) D 355 Diode UDZ20(B) D 356 Diode RD9R1M(B1) D 357 Diode MA152WK D 501 Diode UDZS8R2(B) D 502 Diode MA153 D 591 Diode UDZS10(B) D 601 Diode 1SS355 D 603 Diode 1SS355 D 658 Diode 1SS355 D 659 Diode 1SS355 D 660 Diode 1SS355 D 681 Diode UDZ18(B) D 682 Diode UDZ18(B) D 755 Diode 1SS355 L 201 Inductor LCTB4R7K3216 L 202 Inductor LCTA4R7J3225 L 203 Inductor LCTA4R7J2520 L 204 Inductor LCTA4R7J3225 L 205 Inductor LCTB6R8K3216 L 206 Inductor LCTB6R8K3216 L 207 Inductor LCTB6R8K3216 L 208 Inductor LCTA4R7J3225 L 209 Inductor LCTA561J4532 L 211 Inductor LCTA2R2J2520 L 212 Inductor LCTA101J3225 L 213 Inductor CTF1305 L 251 Inductor LCTA101J2520 L 252 Inductor LCTB2R2K2125 L 253 Inductor LCTB2R2K2125 L 301 Coil 350µH CTH1092 L 601 Inductor LCTB100K3216 L 602 Inductor LCTB100K3216 L 603 Inductor LCTB100K3216 L 605 Inductor CTF1305 L 606 Inductor CTF1305 L 701 Inductor CTF1305 CG 201 Surge Protector DSP-201M-A21F CG 202 Surge Protector DSP-201M-A21F X 201 Crystal Resonator 7.200MHz CSS1379 X 202 Crystal Resonator 4.332MHz CSS1056 X 601 Radiator 10.00MHz CSS1428 VR 201 10kΩ(B) CCP1396 VR 202 2.2kΩ(B) CCP1392 FU 301 Fuse 5A CEK1195 FM/AM Tuner Unit CWE1611 RESISTORS R 201 RS1/10S103J R 204 RS1/10S102J R 205 RS1/10S471J R 206 RS1/10S105J R 207 RS1/10S472J R 210 RS1/10S225J R 211 RS1/10S225J R 212 RS1/10S225J R 213 RS1/10S225J R 217 RS1/10S102J R 218 RS1/10S103J R 219 RS1/10S103J R 220 RS1/10S104J R 221 RS1/10S473J R 222 RS1/10S473J R 223 RS1/10S224J R 224 RS1/10S103J R 225 RS1/10S334J R 226 RS1/10S101J R 227 RS1/10S101J R 228 RS1/10S104J R 229 RS1/10S104J R 230 RS1/10S103J R 231 RS1/10S182J R 232 RS1/10S683J =====Circuit Symbol and No.===Part Name Part No. --- ------ ------------------------------------------ ------------------------- =====Circuit Symbol and No.===Part Name Part No. --- ------ ------------------------------------------ ------------------------- www. xiaoyu163. com QQ 376315150 9 9 2 8 9 4 2 9 8 TEL 13942296513 9 9 2 8 9 4 2 9 8 0 5 1 5 1 3 6 7 3 Q Q TEL 13942296513 QQ 376315150 892498299 TEL 13942296513 QQ 376315150 892498299 http://www.xiaoyu163.com 47 KEX-M8206ZT,M8206ZT-91,M8306ZT,M8306ZT-91 R 233 RS1/10S153J R 234 RS1/10S103J R 235 RS1/10S561J R 236 RS1/10S472J R 237 RS1/10S682J R 238 RS1/10S102J R 239 RS1/10S222J R 240 RS1/10S682J R 241 RS1/10S472J R 242 RS1/10S331J R 243 RS1/10S102J R 244 RS1/10S102J R 245 RS1/10S473J R 246 RS1/10S562J R 247 RS1/10S222J R 248 RS1/10S562J R 249 RS1/10S222J R 250 RS1/10S222J R 251 RS1/10S102J R 252 RS1/10S473J R 253 RS1/10S472J R 254 RS1/10S473J R 255 2.2kΩ CCN1121 R 256 RS1/10S0R0J R 258 RS1/10S393J R 259 RS1/10S272J R 260 RS1/10S392J R 261 RS1/10S222J R 262 RS1/10S392J R 263 RS1/10S152J R 264 RS1/10S332J R 265 RS1/10S473J R 266 RS1/10S183J R 267 RS1/10S184J R 268 RS1/10S104J R 269 RS1/10S123J R 270 RS1/10S105J R 271 RS1/10S822J R 272 RS1/10S822J R 273 RS1/10S222J R 274 RS1/10S102J R 275 RS1/10S102J R 276 RS1/10S102J R 277 RS1/10S102J R 278 RS1/10S102J R 279 RS1/10S102J R 280 RS1/10S102J R 281 RS1/10S104J R 282 RS1/10S562J R 283 RS1/10S104J R 284 RS1/10S333J R 286 RS1/10S681J R 287 RS1/10S222J R 288 RS1/10S102J R 289 RS1/10S562J R 290 RS1/10S684J R 291 RS1/10S222J R 292 RS1/10S222J R 293 RS1/10S0R0J R 301 RS1/10S104J R 302 RS1/10S104J R 303 RS1/10S104J R 304 RS1/8S222J R 305 RS1/8S222J R 306 RS1/8S472J R 307 RS1/8S472J R 308 RS1/10S473J R 322 RS1/10S223J R 325 RS1/10S101J R 331 RS1/10S223J R 332 RS1/10S102J R 333 RS1/10S331J R 334 RS1/10S103J R 335 RS1/10S471J R 336 RS1/10S102J R 343 RS1/10S472J R 351 RS1/4S101J R 352 RS1/4S101J R 357 RS1/10S473J R 358 RS1/10S103J R 359 RS1/10S103J R 366 RS1/8S221J R 367 RS1/10S103J R 368 RS1/10S103J R 369 RS1/10S103J R 370 RS1/10S103J R 371 RS1/10S473J R 372 RS1/4S101J R 373 RS1/4S101J R 375 RS1/10S473J R 376 RS1/10S104J R 377 RS1/10S103J R 378 RS1/10S103J R 379 RS1/10S104J R 501 RS1/8S222J R 502 RS1/10S103J R 503 RS1/10S103J R 504 RS1/10S683J R 505 RS1/10S103J R 506 RS1/10S103J R 521 RS1/4S2R2J R 522 RS1/4S2R2J R 527 RS1/10S103J R 528 RS1/10S561J R 531 RS1/10S2R2J R 532 RS1/10S1R5J R 533 RS1/10S471J R 534 RS1/10S471J R 535 RS1/10S822J R 536 RS1/10S822J R 537 RS1/10S103J R 538 RS1/10S102J R 539 RS1/10S102J R 591 RS1/8S222J R 592 RS1/8S472J R 601 RS1/10S104J R 604 RS1/10S102J R 607 RS1/10S102J R 608 RS1/10S102J R 609 RS1/10S102J R 610 RS1/10S681J R 611 RS1/10S102J R 612 RS1/10S102J R 613 RS1/10S473J R 614 RS1/10S473J R 617 RS1/10S472J R 618 RA3C103J R 621 1kΩ CCN1120 R 622 RS1/10S473J R 623 RS1/10S473J R 624 RS1/10S473J R 625 RS1/10S104J R 626 RS1/10S223J R 627 1kΩ CCN1120 R 628 47kΩ CCN1131 R 629 RS1/10S102J R 630 RA3C102J R 631 RS1/10S681J R 632 RS1/10S102J R 633 RS1/10S102J =====Circuit Symbol and No.===Part Name Part No. --- ------ ------------------------------------------ ------------------------- =====Circuit Symbol and No.===Part Name Part No. --- ------ ------------------------------------------ ------------------------- www. xiaoyu163. com QQ 376315150 9 9 2 8 9 4 2 9 8 TEL 13942296513 9 9 2 8 9 4 2 9 8 0 5 1 5 1 3 6 7 3 Q Q TEL 13942296513 QQ 376315150 892498299 TEL 13942296513 QQ 376315150 892498299 http://www.xiaoyu163.com 48 KEX-M8206ZT,M8206ZT-91,M8306ZT,M8306ZT-91 R 634 RS1/10S473J R 635 RS1/10S103J R 639 RS1/10S472J R 640 RS1/10S222J R 641 RS1/10S473J R 642 RS1/10S392J R 643 RS1/10S102J R 644 RS1/10S102J R 645 RS1/10S103J R 646 RS1/10S103J R 651 RS1/10S102J R 652 RS1/10S102J R 653 RS1/10S102J R 654 1kΩ CCN1120 R 655 RS1/10S102J R 656 RA3C102J R 657 RS1/10S102J R 658 RS1/10S102J R 659 47kΩ CCN1131 R 660 RS1/10S473J R 661 RS1/10S473J R 662 RS1/10S473J R 663 RS1/10S473J R 664 RS1/10S473J R 665 RS1/10S473J R 681 RS1/4S101J R 682 RS1/4S101J R 683 RS1PMF680J R 693 RS1/10S473J R 694 RS1/10S473J R 701 RS1/10S272J R 702 RS1/10S272J R 703 RS1/10S224J R 704 RS1/10S224J R 705 RS1/10S224J R 706 RS1/10S222J R 707 RS1/10S222J R 708 RS1/10S223J R 709 RS1/10S222J R 710 RS1/10S222J R 711 RS1/10S103J R 712 RS1/10S103J R 713 RS1/10S103J R 717 RS1/10S182J R 718 RS1/10S182J R 719 RS1/10S822J R 720 RS1/10S822J R 729 RS1/10S0R0J R 730 RS1/10S0R0J R 751 RS1/10S391J R 752 RS1/10S391J R 753 RS1/10S391J R 754 RS1/10S391J R 755 RS1/10S103J R 756 RS1/10S103J R 757 RS1/10S103J R 758 RS1/10S103J R 759 RS1/10S473J R 760 RS1/10S473J R 761 RS1/10S473J R 762 RS1/10S473J R 763 RS1/10S470J R 764 RS1/10S470J R 765 RS1/10S470J R 766 RS1/10S470J R 781 RS1/8S103J R 782 RS1/8S103J R 783 RS1/8S103J R 784 RS1/8S103J R 788 RS1/10S103J R 789 RS1/10S103J R 790 RS1/10S103J R 791 RS1/10S103J R 792 RS1/10S103J R 793 RS1/10S102J R 794 RS1/10S103J R 795 RS1/10S272J R 796 RS1/10S272J R 797 RS1/10S272J R 798 RS1/10S272J CAPACITORS C 201 CKSQYB222K50 C 202 CKSQYB103K50 C 203 CCSQCH471J50 C 204 CKSQYB222K50 C 205 CKSQYB222K50 C 209 CKSQYB222K50 C 210 CEJA100M16 C 211 CKSQYB103K50 C 212 CKSQYB472K50 C 213 CKSQYB392K50 C 214 CKSQYB103K50 C 215 CKSQYB103K50 C 216 CEJA100M16 C 217 CKSQYB473K50 C 218 CEJA2R2M50 C 219 CKSQYB102K50 C 220 CKSQYB103K50 C 221 CKSQYB473K50 C 223 CKSQYB103K50 C 224 4.7µF/10V CCH1280 C 225 CKSQYB154K16 C 226 CKSQYB103K50 C 227 CSZSR220M10 C 228 CKSQYB103K50 C 229 CKSQYB103K50 C 230 CSZSR220M10 C 231 CEJA101M10 C 232 CKSQYB473K50 C 233 CKSQYB223K50 C 234 CKSQYB223K50 C 235 CCSQCH101J50 C 236 CKSQYB103K50 C 237 CKSQYB103K50 C 239 CKSYB473K50 C 241 CCSQCH150J50 C 242 CCSQCH150J50 C 243 CKSQYB103K50 C 244 4.7µF/10V CCH1280 C 245 CKSQYB103K50 C 247 CKSQYB473K50 C 248 CKSQYB473K50 C 249 CKSQYB473K50 C 250 CKSQYB473K50 C 251 CKSQYB334K16 C 252 CKSQYB102K50 C 253 CKSQYB392K50 C 254 CKSQYB182K50 C 255 CKSQYB473K50 C 256 CEJA3R3M50 C 257 CKSQYB333K50 C 258 CEJANP1R0M50 C 259 CQMA683J50 C 260 CQMA333J50 C 261 CQMA333J50 C 262 CQMA333J50 =====Circuit Symbol and No.===Part Name Part No. --- ------ ------------------------------------------ ------------------------- =====Circuit Symbol and No.===Part Name Part No. --- ------ ------------------------------------------ ------------------------- www. xiaoyu163. com QQ 376315150 9 9 2 8 9 4 2 9 8 TEL 13942296513 9 9 2 8 9 4 2 9 8 0 5 1 5 1 3 6 7 3 Q Q TEL 13942296513 QQ 376315150 892498299 TEL 13942296513 QQ 376315150 892498299 http://www.xiaoyu163.com 49 KEX-M8206ZT,M8206ZT-91,M8306ZT,M8306ZT-91 C 263 CKSQYB393K50 C 264 CKSQYB682K50 C 265 CKSQYB473K50 C 266 CKSQYB473K50 C 267 CEAL4R7M35 C 268 CKSQYB104K50 C 270 CCSQCH220J50 C 271 CCSQCH220J50 C 272 CKSQYB223K50 C 273 CKSQYB104K50 C 275 CKSQYB104K50 C 276 CKSQYB105K16 C 277 CKSQYB104K50 C 278 CKSQYB472K50 C 279 CKSQYB103K50 C 280 CKSQYB103K50 C 282 CKSQYB334K16 C 283 CKSQYB473K50 C 284 CKSQYB473K50 C 290 CKSQYB473K50 C 294 CKSQYB222K50 C 301 2200µF/16V CCH1186 C 302 CKSQYB473K50 C 303 CEAL1R0M50 C 304 CEAL1R0M50 C 305 CKSQYB102K50 C 306 CKSQYB102K50 C 323 CKSQYB473K50 C 324 CEAL1R0M50 C 325 CKSQYB103K50 C 326 CEJA330M10 C 331 CKSQYB103K50 C 332 CEJA101M16 C 333 CKSQYB103K50 C 334 CKSQYB473K50 C 335 CKSQYB473K50 C 351 CKSQYB103K50 C 354 CKSQYB104K50 C 355 CKSQYB103K50 C 356 1000µF/16V CCH1149 C 501 CKSQYB102K50 C 502 CEAL1R0M50 C 503 CEAL1R0M50 C 521 CKSQYB472K50 C 522 CEJA101M16 C 523 CKSQYB103K50 C 524 CKSQYB102K50 C 525 CKSQYB102K50 C 530 CKSQYB102K50 C 591 CKSQYB102K50 C 603 CKSQYB103K50 C 604 CKSQYB103K50 C 605 CKSQYB102K50 C 607 CKSQYB473K50 C 608 CKSQYB473K50 C 611 CKSQYB103K50 C 612 CEAL4R7M35 C 651 CKSQYB103K50 C 652 CKSQYB103K50 C 653 CKSQYB103K50 C 654 CKSQYB102K50 C 655 CKSQYB102K50 C 656 CKSQYB102K50 C 657 CKSQYB102K50 C 658 CKSQYB103K50 C 659 CKSQYB103K50 C 660 CKSQYB103K50 C 663 CKSQYB102K50 C 664 CKSQYB102K50 C 665 CKSQYB102K50 C 666 CKSQYB473K50 C 667 CKSQYB473K50 C 668 CEJA101M6R3 C 669 CKSQYB473K50 C 681 CKSQYB103K50 C 682 CCSQCH221J50 C 683 CCSQCH221J50 C 684 CKSQYB102K50 C 701 CEAL1R0M50 C 703 CEAL2R2M50 C 704 CEAL2R2M50 C 705 CKSQYB273K50 C 706 CKSQYB273K50 C 707 CKSQYB223K50 C 709 CKSQYB392K50 C 710 CKSQYB392K50 C 711 CEAL1R0M50 C 712 CEAL1R0M50 C 713 CEAL1R0M50 C 714 CEAL1R0M50 C 715 CEAL1R0M50 C 716 CEAL1R0M50 C 717 CEAL1R0M50 C 718 CEAL1R0M50 C 719 CEAL100M16 C 720 CEJA101M10 C 721 CKSQYB104K50 C 725 CEALNP4R7M16 C 726 CEALNP4R7M16 C 729 CKSQYB105K16 C 751 4.7µF/35V CCH1016 C 752 4.7µF/35V CCH1016 C 753 4.7µF/35V CCH1016 C 754 4.7µF/35V CCH1016 C 755 4.7µF/35V CCH1016 C 756 4.7µF/35V CCH1016 C 757 4.7µF/35V CCH1016 C 758 4.7µF/35V CCH1016 C 759 CKSQYB103K50 C 760 CKSQYB103K50 C 761 CKSQYB103K50 C 762 CKSQYB103K50 C 777 CEJA101M16 C 778 CKSQYB103K50 C 781 CCSQCH221J50 C 782 CCSQCH221J50 C 783 CCSQCH221J50 C 784 CCSQCH221J50 C 785 CKSQYB102K50 C 786 CKSQYB102K50 C 789 CKSQYB105K16 Unit Number : CWM7093(KEX-M8206ZT) Unit Name : Main Unit MISCELLANEOUS IC 201 IC PM2007A IC 202 IC LA1061M IC 203 IC HA12181FP IC 204 IC PM4006B IC 205 IC NJM2903M =====Circuit Symbol and No.===Part Name Part No. --- ------ ------------------------------------------ ------------------------- =====Circuit Symbol and No.===Part Name Part No. --- ------ ------------------------------------------ ------------------------- A www. xiaoyu163. com QQ 376315150 9 9 2 8 9 4 2 9 8 TEL 13942296513 9 9 2 8 9 4 2 9 8 0 5 1 5 1 3 6 7 3 Q Q TEL 13942296513 QQ 376315150 892498299 TEL 13942296513 QQ 376315150 892498299 http://www.xiaoyu163.com 50 KEX-M8206ZT,M8206ZT-91,M8306ZT,M8306ZT-91 IC 601 IC PD5579A IC 602 IC S-80736AN-D0 IC 681 IC HA12187FP IC 701 IC NJM2068MD IC 702 IC NJM2068MD IC 703 IC NJM2068MD IC 781 IC TC74HC4066AF Q 201 Chip Transistor 2SC2712 Q 203 Transistor IMX1 Q 204 Chip Transistor 2SC2712 Q 205 Chip Transistor 2SC2712 Q 206 Chip Transistor 2SC2712 Q 301 Chip Transistor 2SC2712 Q 302 Transistor DTC144TK Q 303 Transistor DTC144TK Q 323 Transistor 2SD2318F5 Q 331 Transistor 2SB1185 Q 332 Transistor IMX1 Q 335 Transistor DTB123EK Q 336 Transistor DTB123EK Q 337 Transistor IMX1 Q 351 Transistor 2SA1255 Q 354 Transistor DTC144EK Q 357 Transistor DTC114EK Q 358 Transistor DTA114EK Q 359 Transistor DTC114EK Q 360 Transistor DTA114EK Q 368 Chip Transistor 2SC2712 Q 501 Transistor 2SA1162 Q 521 Transistor 2SB1185 Q 525 Transistor 2SD1767 Q 526 Chip Transistor 2SC2712 Q 527 Transistor 2SA1797 Q 528 Transistor 2SA1797 Q 529 Transistor 2SA1162 Q 530 Transistor 2SA1162 Q 531 Transistor IMD3A Q 601 Transistor DTA144EK Q 602 Transistor 2SA1162 Q 603 Transistor DTA114EK Q 607 Chip Transistor 2SC2712 Q 608 Transistor DTA114EK Q 701 Transistor IMH4 Q 702 Transistor IMX1 Q 703 Transistor IMH4 Q 704 Transistor IMH4 Q 705 Transistor IMH4 Q 706 Transistor IMH4 Q 707 Transistor IMH4 Q 708 Transistor 2SC2412K Q 709 Transistor IMH4 Q 710 Transistor IMH4 D 201 Diode 1SS355 D 202 Diode 1SV241 D 203 Diode 1SV241 D 204 Diode 1SS355 D 205 Diode MA152WK D 206 Diode DAP202K D 301 Diode ERC05-10B D 302 Diode HZU8R2(B1) D 303 Diode HZU8R2(B1) D 304 Diode HZU8R2(B1) D 306 Diode 1SS355 D 307 Diode 1SS355 D 321 Diode ERA15-02VH D 322 Diode UDZS5R6(B) D 331 Diode 1SS355 D 332 Diode HZU8R2(B1) D 333 Diode 1SS355 D 334 Diode MA152WK D 351 Diode UDZ20(B) D 354 Diode UDZ20(B) D 355 Diode HZU8R2(B3) D 501 Diode UDZS8R2(B) D 502 Diode MA153 D 591 Diode UDZS10(B) D 601 Diode 1SS355 D 651 Diode 1SS355 D 658 Diode 1SS355 D 659 Diode 1SS355 D 660 Diode 1SS355 D 681 Diode UDZ18(B) D 682 Diode UDZ18(B) D 771 Diode HZU4LL(C) D 781 Diode UDZS10(B) D 782 Diode UDZS10(B) D 783 Diode UDZS10(B) D 784 Diode UDZS10(B) L 201 Inductor LCTB4R7K3216 L 202 Inductor LCTA4R7J3225 L 203 Inductor LCTA4R7J2520 L 204 Inductor LCTA4R7J3225 L 205 Inductor LCTB6R8K3216 L 206 Inductor LCTB6R8K3216 L 207 Inductor LCTB6R8K3216 L 208 Inductor LCTA4R7J3225 L 209 Inductor LCTA561J4532 L 211 Inductor LCTA2R2J2520 L 212 Inductor LCTA101J3225 L 213 Inductor CTF1305 L 251 Inductor LCTA101J2520 L 252 Inductor LCTB2R2K2125 L 253 Inductor LCTB2R2K2125 L 301 Coil 350µH CTH1092 L 601 Inductor LCTB100K3216 L 602 Inductor LCTB100K3216 L 603 Inductor LCTB100K3216 L 605 Inductor CTF1305 L 606 Inductor CTF1305 CG 201 Surge Protector DSP-201M-A21F CG 202 Surge Protector DSP-201M-A21F X 201 Crystal Resonator 7.200MHz CSS1379 X 202 Crystal Resonator 4.332MHz CSS1056 X 601 Radiator 10.00MHz CSS1428 VR 201 10kΩ(B) CCP1396 VR 202 2.2kΩ(B) CCP1392 FU 301 Fuse 5A CEK1195 FM/AM Tuner Unit CWE1611 RESISTORS R 201 RS1/10S103J R 204 RS1/10S102J R 205 RS1/10S471J R 206 RS1/10S105J R 207 RS1/10S472J R 210 RS1/10S225J R 211 RS1/10S225J R 212 RS1/10S225J R 213 RS1/10S225J R 217 RS1/10S102J =====Circuit Symbol and No.===Part Name Part No. --- ------ ------------------------------------------ ------------------------- =====Circuit Symbol and No.===Part Name Part No. --- ------ ------------------------------------------ ------------------------- www. xiaoyu163. com QQ 376315150 9 9 2 8 9 4 2 9 8 TEL 13942296513 9 9 2 8 9 4 2 9 8 0 5 1 5 1 3 6 7 3 Q Q TEL 13942296513 QQ 376315150 892498299 TEL 13942296513 QQ 376315150 892498299 http://www.xiaoyu163.com 51 KEX-M8206ZT,M8206ZT-91,M8306ZT,M8306ZT-91 R 218 RS1/10S103J R 219 RS1/10S103J R 220 RS1/10S104J R 221 RS1/10S473J R 222 RS1/10S473J R 223 RS1/10S224J R 224 RS1/10S103J R 225 RS1/10S334J R 226 RS1/10S101J R 227 RS1/10S101J R 228 RS1/10S104J R 229 RS1/10S104J R 230 RS1/10S103J R 231 RS1/10S182J R 232 RS1/10S683J R 233 RS1/10S153J R 234 RS1/10S103J R 235 RS1/10S561J R 236 RS1/10S472J R 237 RS1/10S682J R 238 RS1/10S102J R 239 RS1/10S222J R 240 RS1/10S682J R 241 RS1/10S472J R 242 RS1/10S331J R 243 RS1/10S102J R 244 RS1/10S102J R 245 RS1/10S473J R 246 RS1/10S562J R 247 RS1/10S222J R 248 RS1/10S562J R 249 RS1/10S222J R 250 RS1/10S222J R 251 RS1/10S102J R 252 RS1/10S473J R 253 RS1/10S472J R 254 RS1/10S473J R 255 2.2kΩ CCN1121 R 256 RS1/10S0R0J R 258 RS1/10S393J R 259 RS1/10S272J R 260 RS1/10S392J R 261 RS1/10S222J R 262 RS1/10S392J R 263 RS1/10S152J R 264 RS1/10S332J R 265 RS1/10S473J R 266 RS1/10S183J R 267 RS1/10S184J R 268 RS1/10S104J R 269 RS1/10S123J R 270 RS1/10S105J R 271 RS1/10S822J R 272 RS1/10S822J R 273 RS1/10S222J R 274 RS1/10S102J R 275 RS1/10S102J R 276 RS1/10S102J R 277 RS1/10S102J R 278 RS1/10S102J R 279 RS1/10S102J R 280 RS1/10S102J R 281 RS1/10S104J R 282 RS1/10S562J R 283 RS1/10S104J R 284 RS1/10S333J R 286 RS1/10S681J R 287 RS1/10S222J R 288 RS1/10S102J R 289 RS1/10S562J R 290 RS1/10S684J R 291 RS1/10S222J R 292 RS1/10S222J R 293 RS1/10S0R0J R 301 RS1/10S104J R 302 RS1/10S104J R 303 RS1/10S104J R 304 RS1/8S222J R 305 RS1/8S222J R 306 RS1/8S472J R 307 RS1/8S472J R 308 RS1/10S473J R 322 RS1/10S223J R 325 RS1/10S101J R 331 RS1/10S223J R 332 RS1/10S102J R 333 RS1/10S331J R 334 RS1/10S103J R 335 RS1/10S471J R 336 RS1/10S102J R 343 RS1/10S472J R 351 RS1/4S101J R 352 RS1/4S101J R 357 RS1/10S473J R 358 RS1/10S103J R 359 RS1/10S103J R 366 RS1/8S221J R 370 RS1/10S104J R 371 RS1/10S473J R 501 RS1/8S222J R 502 RS1/10S103J R 503 RS1/10S103J R 504 RS1/10S683J R 505 RS1/10S103J R 506 RS1/10S103J R 521 RS1/4S2R2J R 522 RS1/4S2R2J R 527 RS1/10S103J R 528 RS1/4S561J R 531 RS1/10S2R2J R 532 RS1/10S1R5J R 533 RS1/10S471J R 534 RS1/10S471J R 535 RS1/10S822J R 536 RS1/10S822J R 537 RS1/10S103J R 538 RS1/10S102J R 539 RS1/10S102J R 591 RS1/8S222J R 592 RS1/8S472J R 601 RS1/10S104J R 604 RS1/10S102J R 605 RS1/10S473J R 609 RS1/10S102J R 610 RS1/10S681J R 611 RS1/10S102J R 612 RS1/10S102J R 613 RS1/10S473J R 614 RS1/10S473J R 615 RS1/10S103J =====Circuit Symbol and No.===Part Name Part No. --- ------ ------------------------------------------ ------------------------- =====Circuit Symbol and No.===Part Name Part No. --- ------ ------------------------------------------ ------------------------- www. xiaoyu163. com QQ 376315150 9 9 2 8 9 4 2 9 8 TEL 13942296513 9 9 2 8 9 4 2 9 8 0 5 1 5 1 3 6 7 3 Q Q TEL 13942296513 QQ 376315150 892498299 TEL 13942296513 QQ 376315150 892498299 http://www.xiaoyu163.com R 616 RS1/10S103J R 617 RS1/10S472J R 618 RA3C103J R 619 RS1/10S102J R 621 1kΩ CCN1120 R 622 RS1/10S473J R 623 RS1/10S473J R 624 RS1/10S473J R 625 RS1/10S104J R 626 RS1/10S223J R 627 1kΩ CCN1120 R 628 47kΩ CCN1131 R 629 RS1/10S102J R 630 RA3C102J R 631 RS1/10S681J R 632 RS1/10S102J R 633 RS1/10S102J R 634 RS1/10S473J R 635 RS1/10S103J R 641 RS1/10S473J R 644 RS1/10S102J R 645 RS1/10S103J R 651 RS1/10S102J R 652 RS1/10S102J R 653 RS1/10S102J R 654 1kΩ CCN1120 R 655 RS1/10S102J R 656 RA3C102J R 657 RS1/10S102J R 658 RS1/10S102J R 659 47kΩ CCN1131 R 660 RS1/10S473J R 661 RS1/10S473J R 662 RS1/10S473J R 663 RS1/10S473J R 664 RS1/10S473J R 665 RS1/10S473J R 681 RS1/4S101J R 682 RS1/4S101J R 683 RS1PMF680J R 693 RS1/10S473J R 697 RS1/10S473J R 701 RS1/10S392J R 702 RS1/10S392J R 703 RS1/10S224J R 704 RS1/10S224J R 705 RS1/10S224J R 706 RS1/10S222J R 707 RS1/10S222J R 708 RS1/10S822J R 709 RS1/10S102J R 710 RS1/10S102J R 711 RS1/10S222J R 712 RS1/10S222J R 713 RS1/10S102J R 715 RS1/10S272J R 716 RS1/10S272J R 717 RS1/10S222J R 718 RS1/10S222J R 719 RS1/10S103J R 720 RS1/10S103J R 721 RS1/10S393J R 722 RS1/10S393J R 723 RS1/10S823J R 724 RS1/10S823J R 725 RS1/10S102J R 726 RS1/10S102J R 727 RS1/10S473J R 728 RS1/10S473J R 729 RS1/10S222J R 730 RS1/10S222J R 731 RS1/10S682J R 732 RS1/10S682J R 735 RS1/10S222J R 736 RS1/10S222J R 737 RS1/10S222J R 738 RS1/10S222J R 739 RS1/10S470J R 740 RS1/10S470J R 741 RS1/10S470J R 742 RS1/10S470J R 743 RS1/10S102J R 744 RS1/10S102J R 745 RS1/10S473J R 746 RS1/10S473J R 747 RS1/10S473J R 748 RS1/10S473J R 753 RS1/10S0R0J R 771 RS1/10S103J R 781 RS1/10S223J R 784 RS1/10S470J R 785 RS1/10S470J R 786 RS1/10S470J R 787 RS1/10S470J R 788 RS1/10S272J R 789 RS1/10S272J R 790 RS1/10S822J R 791 RS1/10S822J CAPACITORS C 201 CKSQYB222K50 C 202 CKSQYB103K50 C 203 CCSQCH471J50 C 204 CKSQYB222K50 C 205 CKSQYB222K50 C 209 CKSQYB222K50 C 210 CEJA100M16 C 211 CKSQYB103K50 C 212 CKSQYB472K50 C 213 CKSQYB392K50 C 214 CKSQYB103K50 C 215 CKSQYB103K50 C 216 CEJA100M16 C 217 CKSQYB473K50 C 218 CEJA2R2M50 C 219 CKSQYB102K50 C 220 CKSQYB103K50 C 221 CKSQYB473K50 C 223 CKSQYB103K50 C 224 4.7µF/10V CCH1280 C 225 CKSQYB154K16 C 226 CKSQYB103K50 C 227 CSZSR220M10 C 228 CKSQYB103K50 C 229 CKSQYB103K50 C 230 CSZSR220M10 C 231 CEJA101M10 C 232 CKSQYB473K50 C 233 CKSQYB223K50 C 234 CKSQYB223K50 52 KEX-M8206ZT,M8206ZT-91,M8306ZT,M8306ZT-91 =====Circuit Symbol and No.===Part Name Part No. --- ------ ------------------------------------------ ------------------------- =====Circuit Symbol and No.===Part Name Part No. --- ------ ------------------------------------------ ------------------------- www. xiaoyu163. com QQ 376315150 9 9 2 8 9 4 2 9 8 TEL 13942296513 9 9 2 8 9 4 2 9 8 0 5 1 5 1 3 6 7 3 Q Q TEL 13942296513 QQ 376315150 892498299 TEL 13942296513 QQ 376315150 892498299 http://www.xiaoyu163.com C 235 CCSQCH101J50 C 236 CKSQYB103K50 C 237 CKSQYB103K50 C 239 CKSYB473K50 C 241 CCSQCH150J50 C 242 CCSQCH150J50 C 243 CKSQYB103K50 C 244 4.7µF/10V CCH1280 C 245 CKSQYB103K50 C 247 CKSQYB473K50 C 248 CKSQYB473K50 C 249 CKSQYB473K50 C 250 CKSQYB473K50 C 251 CKSQYB334K16 C 252 CKSQYB102K50 C 253 CKSQYB392K50 C 254 CKSQYB182K50 C 255 CKSQYB473K50 C 256 CEJA3R3M50 C 257 CKSQYB333K50 C 258 CEJANP1R0M50 C 259 CQMA683J50 C 260 CQMA333J50 C 261 CQMA333J50 C 262 CQMA333J50 C 263 CKSQYB393K50 C 264 CKSQYB682K50 C 265 CKSQYB473K50 C 266 CKSQYB473K50 C 267 CEAL4R7M35 C 268 CKSQYB104K50 C 270 CCSQCH220J50 C 271 CCSQCH220J50 C 272 CKSQYB223K50 C 273 CKSQYB104K50 C 275 CKSQYB104K50 C 276 CKSQYB105K16 C 277 CKSQYB104K50 C 278 CKSQYB472K50 C 279 CKSQYB103K50 C 280 CKSQYB103K50 C 282 CKSQYB334K16 C 283 CKSQYB473K50 C 284 CKSQYB473K50 C 290 CKSQYB473K50 C 294 CKSQYB222K50 C 301 2200µF/16V CCH1186 C 302 CKSQYB473K50 C 303 CEAL1R0M50 C 304 CEAL1R0M50 C 305 CKSQYB102K50 C 306 CKSQYB102K50 C 323 CKSQYB473K50 C 324 CEAL1R0M50 C 325 CKSQYB103K50 C 326 CEJA330M10 C 331 CKSQYB103K50 C 332 CEJA101M16 C 333 CKSQYB103K50 C 334 CKSQYB473K50 C 335 CKSQYB473K50 C 351 CKSQYB103K50 C 354 CKSQYB102K50 C 356 1000µF/16V CCH1149 C 501 CKSQYB102K50 C 502 CEAL1R0M50 C 503 CEAL1R0M50 C 521 CKSQYB472K50 C 522 CEJA101M16 C 523 CKSQYB103K50 C 524 CKSQYB102K50 C 525 CKSQYB102K50 C 530 CKSQYB102K50 C 591 CKSQYB102K50 C 603 CKSQYB103K50 C 604 CKSQYB103K50 C 605 CKSQYB102K50 C 606 CKSQYB473K50 C 607 CKSQYB473K50 C 608 CKSQYB102K50 C 612 CEAL4R7M35 C 614 CKSQYB105K16 C 651 CKSQYB103K50 C 652 CKSQYB103K50 C 653 CKSQYB103K50 C 654 CKSQYB102K50 C 655 CKSQYB102K50 C 656 CKSQYB102K50 C 657 CKSQYB102K50 C 658 CKSQYB103K50 C 659 CKSQYB103K50 C 660 CKSQYB103K50 C 663 CKSQYB102K50 C 664 CKSQYB102K50 C 665 CKSQYB102K50 C 666 CKSQYB473K50 C 667 CKSQYB473K50 C 668 CEJA101M6R3 C 669 CKSQYB473K50 C 681 CKSQYB103K50 C 682 CCSQCH221J50 C 683 CCSQCH221J50 C 684 CKSQYB102K50 C 701 CKSQYB105K16 C 703 2.2µF/50V CCH1375 C 704 2.2µF/50V CCH1375 C 705 CKSQYB223K50 C 706 CKSQYB223K50 C 707 CKSQYB223K50 C 709 CKSQYB153K50 C 710 CKSQYB153K50 C 711 2.2µF/50V CCH1375 C 712 2.2µF/50V CCH1375 C 713 4.7µF/35V CCH1016 C 714 4.7µF/35V CCH1016 C 715 CCSQCH120J50 C 716 CCSQCH120J50 C 717 4.7µF/35V CCH1016 C 718 4.7µF/35V CCH1016 C 719 4.7µF/35V CCH1016 C 720 4.7µF/35V CCH1016 C 721 CCSQCH151J50 C 722 CCSQCH151J50 C 723 CCSQCH331J50 C 724 CCSQCH331J50 C 725 CKSQYB682K50 C 726 CKSQYB682K50 C 727 CKSQYB682K50 C 728 CKSQYB682K50 C 771 CEJA101M6R3 C 772 CKSQYB103K50 C 773 CEJA101M10 C 774 CKSQYB103K50 C 775 CKSQYB103K50 C 776 CKSQYB103K50 C 777 CEJA101M16 C 778 CKSQYB103K50 C 781 CKSQYB104K50 C 782 CEALNP4R7M16 C 783 CEALNP4R7M16 53 KEX-M8206ZT,M8206ZT-91,M8306ZT,M8306ZT-91 =====Circuit Symbol and No.===Part Name Part No. --- ------ ------------------------------------------ ------------------------- =====Circuit Symbol and No.===Part Name Part No. --- ------ ------------------------------------------ ------------------------- www. xiaoyu163. com QQ 376315150 9 9 2 8 9 4 2 9 8 TEL 13942296513 9 9 2 8 9 4 2 9 8 0 5 1 5 1 3 6 7 3 Q Q TEL 13942296513 QQ 376315150 892498299 TEL 13942296513 QQ 376315150 892498299 http://www.xiaoyu163.com C 784 CEALNP4R7M16 C 785 CEALNP4R7M16 C 786 CCSQCH101J50 C 787 CCSQCH101J50 C 788 CCSQCH101J50 C 789 CCSQCH101J50 C 790 4.7µF/50V CCH1320 C 791 4.7µF/50V CCH1320 Unit Number : CWM7103 Unit Name : Keyboard Unit MISCELLANEOUS S 901 Encoder CSD1045 S 902 Encoder CSD1047 IL 901 Lamp 8V 60mA CEL1670 IL 902 Lamp 8V 60mA CEL1671 IL 903 Lamp 8V 60mA CEL1670 IL 904 Lamp 8V 60mA CEL1671 IL 905 Lamp 8V 60mA CEL1670 IL 906 Lamp 8V 60mA CEL1670 IL 907 Lamp 8V 60mA CEL1670 RESISTORS R 901 0Ω CCN1110 R 903 0Ω CCN1110 R 905 0Ω CCN1110 R 907 RS1/10S0R0J R 909 RS1/10S0R0J R 911 RS1/10S1R5J R 912 RS1/10S1R0J R 913 RS1/10S1R0J R 914 RS1/10S1R0J Unit Number : EWM1027 Unit Name : Deck Unit MISCELLANEOUS IC 251 IC HA12216F IC 351 IC PA2020A Q 271 Transistor 2SC4116 Q 351 Transistor 2SB1260 Q 352 Transistor 2SC4102 D 351 Diode 1SS355 VR 301 Semi-fixed 33kΩ(B) CCP1280 VR 302 Semi-fixed 33kΩ(B) CCP1280 RESISTORS R 255 RS1/16S181J R 256 RS1/16S181J R 257 RS1/16S183J R 258 RS1/16S183J R 259 RS1/16S133J R 260 RS1/16S133J R 261 RS1/16S274J R 262 RS1/16S274J R 271 RS1/16S183J R 272 RS1/8S0R0J R 273 RS1/8S0R0J R 274 RS1/8S0R0J R 275 RS1/16S473J R 276 RS1/16S104J R 277 RS1/16S224J R 278 RS1/16S104J R 281 RS1/8S0R0J R 282 RS1/8S0R0J R 283 RS1/8S0R0J R 284 RS1/8S0R0J R 285 RS1/16S0R0J R 288 RS1/16S0R0J R 289 RS1/16S0R0J R 291 RS1/8S0R0J R 292 RS1/10S0R0J R 293 RS1/10S0R0J R 294 RS1/10S0R0J R 321 RS1/8S0R0J R 351 RS1/16S102J R 352 RS1/16S102J R 353 RS1/16S102J R 354 RS1/16S102J R 355 RS1/10S274J R 356 RS1/10S202J R 357 RS1/10S472J R 358 RS1/10S103J R 359 RS1/10S103J R 360 RS1/10S102J R 361 RS1/10S622J R 362 RS1/8S181J R 373 RS1/8S0R0J R 374 RS1/8S0R0J R 375 RS1/8S0R0J R 401 RS1/16S123J R 402 RS1/16S332J R 403 RS1/16S911J R 404 RS1/16S274J CAPACITORS C 251 CKSRYB391K50 C 252 CKSRYB391K50 C 253 CKSRYB391K50 C 254 CKSRYB391K50 C 255 CKSRYB103K50 C 256 CKSRYB103K50 C 271 CEJA1R0M50 C 272 CKSQYB104K16 C 301 CKSQYB104K16 C 302 CKSQYB104K16 C 309 CKSQYB104K16 C 310 CKSQYB104K16 C 351 CKSYB224K25 C 352 CKSQYB392K50 C 353 CKSQYB103K50 C 354 CKSQYB103K50 C 355 CKSYB104K50 C 356 CKSQYB103K50 C 401 CKSRYB472K50 C 402 CKSYB334K25 C 403 CKSRYB223K25 C 404 CKSRYB103K50 C 405 CKSRYB333K16 Unit Number : Unit Name : PCB Unit L 1 Inductor ETH0002 S 1 Switch (LOAD) ESG1004 S 2 Switch (70µs) ESG1004 EGN 1 Photo-Interrupter EGN1005 Unit Number : Unit Name : Reel PCB EGN 2 Photo-Interrupter EGN1006 EGN 3 Photo-Interrupter EGN1006 Miscellaneous Parts List C 1 CEAL4R7M35 M 1 Motor Unit (Main) EXA1499 M 2 Motor Unit (Sub) EXA1382 HD 1 Head Assy EXA1594 54 KEX-M8206ZT,M8206ZT-91,M8306ZT,M8306ZT-91 =====Circuit Symbol and No.===Part Name Part No. --- ------ ------------------------------------------ ------------------------- =====Circuit Symbol and No.===Part Name Part No. --- ------ ------------------------------------------ ------------------------- C D E F www. xiaoyu163. com QQ 376315150 9 9 2 8 9 4 2 9 8 TEL 13942296513 9 9 2 8 9 4 2 9 8 0 5 1 5 1 3 6 7 3 Q Q TEL 13942296513 QQ 376315150 892498299 TEL 13942296513 QQ 376315150 892498299 http://www.xiaoyu163.com 55 KEX-M8206ZT,M8206ZT-91,M8306ZT,M8306ZT-91 6.1 TUNER/AUDIO ADJUSTMENT - Connection Diagram 6. ADJUSTMENT 20P 12P 20P 12P 16P 25P 16P 25P EMV (MADE BY NIPPON DENSO) 14P 10P 8P 6P 14P 8P 6P 20P H/U 20P AMP BULLET CONNECTOR BULLET CONNECTOR BULLET CONNECTOR KEX-M8206ZT/UC DVD-CH XDV-M8106ZT/UC GM-8406ZT/UC GGD1239 GGD1242 GGD1169 www. xiaoyu163. com QQ 376315150 9 9 2 8 9 4 2 9 8 TEL 13942296513 9 9 2 8 9 4 2 9 8 0 5 1 5 1 3 6 7 3 Q Q TEL 13942296513 QQ 376315150 892498299 TEL 13942296513 QQ 376315150 892498299 http://www.xiaoyu163.com 56 KEX-M8206ZT,M8206ZT-91,M8306ZT,M8306ZT-91 20P 12P 20P 16P 14P 16P 14P EMV (Made by NIPPON DENSO) 14P 10P 8P 6P 8P 20P H/U KEX-M8306ZT/UC DVD-CH XDV-M8106ZT/UC AMP (Made by JBL) GGD1169 BULLET CONNECTOR BULLET CONNECTOR BULLET CONNECTOR 12P 20P 6P 14P GGD1241 GGD1239 GGD1243 www. xiaoyu163. com QQ 376315150 9 9 2 8 9 4 2 9 8 TEL 13942296513 9 9 2 8 9 4 2 9 8 0 5 1 5 1 3 6 7 3 Q Q TEL 13942296513 QQ 376315150 892498299 TEL 13942296513 QQ 376315150 892498299 http://www.xiaoyu163.com 57 KEX-M8206ZT,M8206ZT-91,M8306ZT,M8306ZT-91 Main Antenna Jack FM SSG Stereo Modulator 50Ω(37.5Ω) Antenna Plug Dummy Antenna 50Ω(75Ω) IC601 MAIN UNIT mV Meter (1) Oscilloscope (1) 4Ω Lch + Lch - Rch + Rch - AMPLIFIER DC Regulated Power Supply BACK UP ACC GND +13.2V GND FM/AM TUNER UNIT DECK UNIT 4Ω VR202 VR201 R287 DC V Meter(3) VR302 mV Meter(2) VR301 L-CH R-CH Pin2 Pin3 CN251 DECK UNIT Extention Cord GGD1121 DC V Meter(1) Pin 1 Pin 14 Pin 13 Pin26 FM/AM TUNER UNIT (SIDE A) DC V Meter(2) L5 L52 VR151 VR101 VR154 VR156 T31 L6 Pin 6(FMSD) Pin 19(FMTV) Pin 27 Pin 28 Center Meter C63 L52 FM/AM TUNER UNIT(SIDE B) TC3 TC2 TC1 www. xiaoyu163. com QQ 376315150 9 9 2 8 9 4 2 9 8 TEL 13942296513 9 9 2 8 9 4 2 9 8 0 5 1 5 1 3 6 7 3 Q Q TEL 13942296513 QQ 376315150 892498299 TEL 13942296513 QQ 376315150 892498299 http://www.xiaoyu163.com 58 KEX-M8206ZT,M8206ZT-91,M8306ZT,M8306ZT-91 FM ADJUSTMENT Modulation M:MONO MOD., 400Hz 30%(22.5kHz Dev.) or 400Hz 100%(75kHz Dev.) S1:STEREO MOD., 1kHz, L or R=30%(20.25kHz+7.5kHz Dev.) S2:STEREO MOD., 1kHz, L or R=60%(40.5kHz+7.5kHz Dev.) NOTE:Before proceeding to further adjustments after switching power ON, let the tuner run for ten minutes to allow the circuits to stabilize. FM SSG Displayed Adjustment Adjustment Method No. Frequency(MHz) Level(dBf) Frequency(MHz) Point (Switch Position) TUN Volt 1 ••••• ••••• 107.9 L5 DC V Meter(1) : 6V Center 1 98.1 M 65-85 98.1 L52 Center Meter : 0 Meter IFT 1 98.1 M 5-15 98.1 T31 mV Meter(1) : Maximum ANT 1 98.1 M 5-15 98.1 TC1,TC2 mV Meter(1) : Maximum Trimmer RF Coil 1 89.9 M 5-15 89.9 L6 mV Meter(1) : Maximum RF 1 106.1 M 5-15 106.1 TC3 mV Meter(1) : Maximum Trimmer RF Coil 1 89.9 M 5-15 89.9 L6 mV Meter(1) : Maximum RF 1 106.1 M 5-15 106.1 TC3 mV Meter(1) : Maximum Trimmer Separation 1 98.1 S1 65 98.1 VR101 mV Meter(1) : Maximum ARC 1 98.1 S1 38 98.1 VR154 mV Meter(1) : Separation 5dB Separation Interstation 1 98.1 M 65 98.1 --- mV Meter(1) : AdB Noise 2 98.1 M -∞ 98.1 VR151 mV Meter(1) : A-20dB Search 1 98.1 M 33 98.1 VR156 DC V Meter(2) : more than 3.5V Sensitivity 2 98.1 M 32 98.1 VR156 DC V Meter(2) : 0 3 Repeat steps 1 and 2 until the adjustment standards are satisfied. DOLBY B NR ADJUSTMENT No. Test Tape Adjustment Point Adjustment Method (Switch Position) 1 NCT-150 VR301(Lch),VR302(Rch) mV Meter(2) : -8.24dBm(300mV)±1dB (400Hz,200nwb/m) (DOLBY NR Switch : OFF) RBDS SL ADJUSTMENT FM SSG Displayed Adjustment Adjustment Method No. Frequency(MHz) Level(dBf) Frequency(MHz) Point (Switch Position) 1 104.0 S2 35 104.0 VR202 DC V Meter(3) : 1.75V±0.05V www. xiaoyu163. com QQ 376315150 9 9 2 8 9 4 2 9 8 TEL 13942296513 9 9 2 8 9 4 2 9 8 0 5 1 5 1 3 6 7 3 Q Q TEL 13942296513 QQ 376315150 892498299 TEL 13942296513 QQ 376315150 892498299 http://www.xiaoyu163.com 59 KEX-M8206ZT,M8206ZT-91,M8306ZT,M8306ZT-91 Connection: Setting of the pulse generator (setting of superimposed pulse) Adjustment: 1. Setting of SSG Receiving frequency : 1000 kHz Percentage modulation : 30% Modulation frequency : 400 Hz Antenna input : 74 dBuV (EMF) 2. Set the system as shown in 1., then tune to a radio station. 3. Superimpose the pulse over signal to set modulation of SSG to OFF. 4. Use a noise meter to monitor output. Adjust VR201 to minimize the noise level. Pulse generator (equivalent to HP8011A) SSG 2-signal pad AM dummy KEX-M8406ZT KEX-M9406ZT Output Noise meter Pulse width :50usec Pulse intervals :5msec Pulse voltage :4Vp-p 4Vp-p(EMF) 50us 5ms AM NOISE CANCELER ADJUSTMENT KEX-M8206ZT/UC KEX-M8306ZT/UC www. xiaoyu163. com QQ 376315150 9 9 2 8 9 4 2 9 8 TEL 13942296513 9 9 2 8 9 4 2 9 8 0 5 1 5 1 3 6 7 3 Q Q TEL 13942296513 QQ 376315150 892498299 TEL 13942296513 QQ 376315150 892498299 http://www.xiaoyu163.com 60 KEX-M8206ZT,M8206ZT-91,M8306ZT,M8306ZT-91 Fig.2 Fig.1 7.1.1 DISASSEMBLY - Removing the Main Unit (Fig.2) Remove the two screws. Straight the tabs at two locations indicated. Remove the two screws and then remove the Main Unit. - Removing the Case (not shown) 1. Remove the case. - Removing the Grille Assy (Fig.1) Remove the two screws and then remove the Grille Assy. - Removing the Cassette Mechanism Module (Fig.1) Remove the four screws and then remove the Cassette Mechanism Module. Cassette Mechanism Module Main Unit Grille Assy 7.1 DIAGNOSIS 7. GENERAL INFORMATION www. xiaoyu163. com QQ 376315150 9 9 2 8 9 4 2 9 8 TEL 13942296513 9 9 2 8 9 4 2 9 8 0 5 1 5 1 3 6 7 3 Q Q TEL 13942296513 QQ 376315150 892498299 TEL 13942296513 QQ 376315150 892498299 http://www.xiaoyu163.com 61 KEX-M8206ZT,M8206ZT-91,M8306ZT,M8306ZT-91 7.1.2 CONNECTOR FUNCTION DESCRIPTION ILL+ ILL- SLD GND ACC +B TX- R- R+ L- L+ MUTE TX+ +B R+ MUTE R- GND SGND ACC L+ L- TX2+ TX2- ANT MAIN ANTENNA SUB ANTENNA ILL+ ILL- GND ACC +B TX- RR FR RL FL MUTE TX+ CDR+ MUTE CDR- SGND CDL+ CDL- TX2+ TX2- ANT MAIN ANTENNA SUB ANTENNA SGND BEEP AMP - KEX-M8206ZT - KEX-M8306ZT www. xiaoyu163. com QQ 376315150 9 9 2 8 9 4 2 9 8 TEL 13942296513 9 9 2 8 9 4 2 9 8 0 5 1 5 1 3 6 7 3 Q Q TEL 13942296513 QQ 376315150 892498299 TEL 13942296513 QQ 376315150 892498299 http://www.xiaoyu163.com 62 KEX-M8206ZT,M8206ZT-91,M8306ZT,M8306ZT-91 Is B-UP ON? BSENS terminal Pin 75(IC601) NO Check +B (Check a power supply.) YES Is ACC ON? ASENS terminal NO Turn on ACC (Check a power supply.) Pin 73(IC601) YES Does illumination come on? NO Check illumination circuit? ILSENS terminal Pin 23(IC601) DSSILL terminal Pin 51(IC601) YES Is PWR-ON enabled? NO Check PWRSW terminal POWER Pin 55(IC601) YES Is voice output? NO Is amplifier connected correctly? YES Is any sound of FM, AM and TAPE (internal sources) output? NO Connect amp correctly YES Is VOL adjustment enabled? NO Check encoder input. ENC1+ Pin 53(IC601) ENC1- Pin 54(IC601) YES Normal operation NO Check the following terminals SYSPW Pin 52(IC601) ANSW Pin 100(IC601) SYSMUTE Pin 50(IC601) MUTE Pin 49(IC601) YES Are FM and AM sounds output? NO Check the following terminals FMPW Pin 43(IC601) AMPW Pin 44(IC601) FMMUTE Pin 38(IC601) AMMUTE Pin 37(IC601) YES Is TAPE sound output? NO Recheck hardware YES IsTAPE mechanical unit operated normally? NO Check the following terminals STBY Pin 85(IC601) CM Pin 84(IC601) SC1 Pin 83(IC601) SC2 Pin 82(IC601) YES Check the following terminals SYSPW Pin 52(IC601) TAPEMUTE Pin 88(IC601) 7.1.3 TROUBLESHOOTING - KEX-M8206ZT www. xiaoyu163. com QQ 376315150 9 9 2 8 9 4 2 9 8 TEL 13942296513 9 9 2 8 9 4 2 9 8 0 5 1 5 1 3 6 7 3 Q Q TEL 13942296513 QQ 376315150 892498299 TEL 13942296513 QQ 376315150 892498299 http://www.xiaoyu163.com 63 KEX-M8206ZT,M8206ZT-91,M8306ZT,M8306ZT-91 - KEX-M8306ZT Is B-UP ON? BSENS terminal Pin 75(IC601) NO Check +B (Check a power supply.) YES Is ACC ON? ASENS terminal NO Turn on ACC (Check a power supply.) Pin 73(IC601) YES Does illumination come on? NO Check illumination circuit? ILSENS terminal Pin 23(IC601) DSSILL terminal Pin 51(IC601) YES Is PWR-ON enabled? NO Check PWRSW terminal POWER Pin 55(IC601) YES Is voice output? NO Is amplifier connected correctly? YES Is any sound of FM, AM and TAPE (internal sources) output? NO Connect amp correctly YES Is VOL adjustment enabled? NO Check encoder input. ENC1+ Pin 53(IC601) ENC1- Pin 54(IC601) YES Normal operation NO Check the following terminals SYSPW Pin 52(IC601) AMPPW Pin 100(IC601) SYSMUTE Pin 50(IC601) MUTE Pin 49(IC601) YES Are FM and AM sounds output? NO Check the following terminals FMPW Pin 43(IC601) AMPW Pin 44(IC601) YES Is TAPE sound output? NO Recheck hardware YES IsTAPE mechanical unit operated normally? NO Check the following terminals STBY Pin 85(IC601) CM Pin 84(IC601) SC1 Pin 83(IC601) SC2 Pin 82(IC601) YES Check the following terminals SYSPW Pin 52(IC601) www. xiaoyu163. com QQ 376315150 9 9 2 8 9 4 2 9 8 TEL 13942296513 9 9 2 8 9 4 2 9 8 0 5 1 5 1 3 6 7 3 Q Q TEL 13942296513 QQ 376315150 892498299 TEL 13942296513 QQ 376315150 892498299 http://www.xiaoyu163.com 64 KEX-M8206ZT,M8206ZT-91,M8306ZT,M8306ZT-91 - Pin Functions (PD5579A) Pin No. Pin Name I/O Function and Operation 1 MUTESENS Not used 2 linh O Inhibit output for LCD driver 3 LCE O Chip enable output pin for LCD driver 4 ILL Not used 5 LDO O LCD driver data output 6 NC Not used 7 LCK O Clock output for LCD driver 8 BYTE Connect to GND 9 CNVSS Connect to GND 10 XCIN Not used 11 XCOUT Not used 12 reset I Reset input 13 XOUT O X'tal terminal 14 VSS GND 15 XIN I X'tal terminal 16 VDD Power supply 17 nmi Connect to VDD 18 rck I RDS clock input 19 ldet I PLL lock sense input 20 NC Not used 21 RX2 I BUS data input 22 IPPW O BUS driver power supply output 23 ilsens I Illumination sense input 24 drst O Reset output 25 57K I 57kHzBP-OUT sense input 26 currq O Current request 27 sk I SK signal input 28 rdslk I RDS LK signal input 29 RX1 I BUS data input 30 TX O BUS data output 31 PDO O Data output for PLL IC 32 PDI I Data input from PLL IC 33 PCK O PLL clock output 34 PCE O Chip enable output for PLL IC 35 ECE Not used 36 RDSMUTE O RDS mute 37 AMMUTE O AM mute output 38 FMMUTE O FM mute output 39 blpw O Not used 40 MODSENS I Modulation sense 41 EPM Not used 42 RDT I RDS demodulation data input 43 FMPW O FM power output 44 AMPW O AM power output 45 swvdd O Grille power supply control output 46 CE Not used 47 ANTB O Antenna control B 48 ANTA O Antenna control A 49 MUTE O BUS mute output 50 sysmut O System mute 51 dssill O DSS illumination output 52 syspw O System power control output 53 ENC1+ I VOL encoder (+) input 54 ENC1- I VOL encoder (-) input 55 power I POWER key input 56-61 KST5-0 O Key strobe output 7.2 IC www. xiaoyu163. com QQ 376315150 9 9 2 8 9 4 2 9 8 TEL 13942296513 9 9 2 8 9 4 2 9 8 0 5 1 5 1 3 6 7 3 Q Q TEL 13942296513 QQ 376315150 892498299 TEL 13942296513 QQ 376315150 892498299 http://www.xiaoyu163.com 65 KEX-M8206ZT,M8206ZT-91,M8306ZT,M8306ZT-91 Pin No. Pin Name I/O Function and Operation 62 VCC Power supply 63 NC Not used 64 VSS Connect to GND 65-68 KD3-0 I Key data input 69 MS I Cassette mechanism MS sense input 70 fR O Head forward/reverse select output 71 PLAY O MS gain select output 72 mtl I Cassette mechanism tape detect input 73 asens I ACC power sense input 74 csej I Cassette eject sense input 75 bsens I Back up power sense input 76 NR O Dolby NR ON/OFF select output 77 csload I Tape loading detect input 78 POS I Position sense 79 RES I Cassette mechanism reverse end sense input 80 NES I Cassette mechanism forward end sense input 81 TEST I Test terminal 82 SC2 O Cassette mechanism sub motor control output 83 SC1 O Cassette mechanism sub motor control output 84 CM O Cassette mechanism capstan motor control output 85 stby I Stand-by input terminal 86 ENC2- I AUD encoder (-) input 87 ENC2+ I AUD encoder (+) input 88 TAPEMUTE O TAPE mute output 89 ST I Stereo 90 FMSD I FM SD input 91 NL RDS noise level 92 CL Synchronizing signal input of display data latch 93 RDSL RDS signal level 94 ILL- Not used 95 SL I Signal level input 96 AVSS Connect to GND 97 NC Not used 98 VREF Connect to VDD 99 AVCC Connect to VDD 100 ANSW O Analog SW *PD5579A 30 31 50 51 80 81 100 1 IC's marked by* are MOS type. Be careful in handling them because they are very liable to be damaged by electrostatic induction. www. xiaoyu163. com QQ 376315150 9 9 2 8 9 4 2 9 8 TEL 13942296513 9 9 2 8 9 4 2 9 8 0 5 1 5 1 3 6 7 3 Q Q TEL 13942296513 QQ 376315150 892498299 TEL 13942296513 QQ 376315150 892498299 http://www.xiaoyu163.com 66 KEX-M8206ZT,M8206ZT-91,M8306ZT,M8306ZT-91 - Pin Functions (PD5581B) Pin No. Pin Name I/O Function and Operation 1 NC Not used 2 currq O Current request 3 VDT O E-VOL driver data output 4 NC Not used 5 VCK O E-VOL driver data clock 6 NC Not used 7 VST O E-VOL driver strobe output 8 BYTE Connect to GND 9 CNVSS Connect to GND 10 XCIN Not used 11 XCOUT Not used 12 reset I Reset input 13 XOUT O X'tal terminal 14 VSS GND 15 XIN I X'tal terminal 16 VDD Power supply 17 nmi Connect to VDD 18 rck I RDS clock input 19 ldet I PLL lock sense input 20 NC Not used 21 RX2 I BUS data input 22 IPPW O BUS driver power supply output 23 ilsens I Illumination sense input 24 PEE O BEEP output 25 57K I 57kHzBP-OUT sense input 26 drst O RDS decoder IC reset 27 sk I SK signal input 28 rdslk I RDS LK signal input 29 RX1 I BUS data input 30 TX O BUS data output 31 PDO O Data output for PLL IC 32 PDI I Data input from PLL IC 33 PCK O PLL clock output 34 PCE O Chip enable output for PLL IC 35 NC Not used 36 RDSMUTE O RDS mute 37 NC O Not used 38 NC O Not used 39 NC O Not used 40 MODSENS I Modulation sense 41 EPM Not used 42 RDT I RDS demodulation data input 43 FMPW O FM power output 44 AMPW O AM power output 45 swvdd O Grille power supply control output 46 CE Not used 47 NC O Not used 48 NC O Not used 49 MUTE O Amp mute output 50 sysmut O System mute 51 dssill O DSS illumination output 52 syspw O System power control output 53 ENC1+ I VOL encoder (+) input 54 ENC1- I VOL encoder (-) input 55 power I POWER key input 56-58 NC O Not used www. xiaoyu163. com QQ 376315150 9 9 2 8 9 4 2 9 8 TEL 13942296513 9 9 2 8 9 4 2 9 8 0 5 1 5 1 3 6 7 3 Q Q TEL 13942296513 QQ 376315150 892498299 TEL 13942296513 QQ 376315150 892498299 http://www.xiaoyu163.com 67 KEX-M8206ZT,M8206ZT-91,M8306ZT,M8306ZT-91 Pin No. Pin Name I/O Function and Operation 59-61 KST2-0 O Key strobe output 62 VCC Power supply 63 NC Not used 64 VSS Connect to GND 65-68 KD3-0 I Key data input 69 MS I Cassette mechanism MS sense input 70 fR O Head forward/reverse select output 71 PLAY O MS gain select output 72 mtl I Cassette mechanism tape detect input 73 asens I ACC power sense input 74 csej I Cassette eject sense input 75 bsens I Back up power sense input 76 NR O Dolby NR ON/OFF select output 77 csload I Tape loading detect input 78 POS I Position sense 79 RES I Cassette mechanism reverse end sense input 80 NES I Cassette mechanism forward end sense input 81 TEST I Test terminal 82 SC2 O Cassette mechanism sub motor control output 83 SC1 O Cassette mechanism sub motor control output 84 CM O Cassette mechanism capstan motor control output 85 stby I Stand-by input terminal 86 ENC2- I AUD encoder (-) input 87 ENC2+ I AUD encoder (+) input 88 NC O Not used 89 ST I Stereo 90 FMSD I FM SD input 91 NL RDS noise level 92 CL I RDS tune off sense input 93 RDSL RDS signal level 94 NC Not used 95 SL I Signal level input 96 AVSS Connect to GND 97 NC Not used 98 VREF Connect to VDD 99 AVCC Connect to VDD 100 AMPPW O External amplifier cntrol *PD5581B 30 31 50 51 80 81 100 1 www. xiaoyu163. com QQ 376315150 9 9 2 8 9 4 2 9 8 TEL 13942296513 9 9 2 8 9 4 2 9 8 0 5 1 5 1 3 6 7 3 Q Q TEL 13942296513 QQ 376315150 892498299 TEL 13942296513 QQ 376315150 892498299 http://www.xiaoyu163.com 68 KEX-M8206ZT,M8206ZT-91,M8306ZT,M8306ZT-91 HA12216F 31 32 33 34 35 36 37 38 39 40 1 2 3 4 5 6 7 8 9 10 11 12 13 14 15 16 17 18 19 20 21 22 23 24 25 26 27 28 29 30 MSGV(R) MAOUT MSI MSDET VCC MSOUT MSGV F/R 120/70 NR MOUT(L) EQOUT(L) TAI(L) NC RAI(L) PBOUT(L) NC DET(L) NC MSGV(S) NFI(L) RIN(L) RIP FIN(L) GND GND FIN(R) VREF RIN(R) NFI(R) M-OUT(R) EQOUT(R) TAI(R) BIAS RAI(R) PBOUT(R) NC DET(L) NC MUTE Dolby B-N LPF DET S/R T/R Dolby B-N T/R F/R F/R www. xiaoyu163. com QQ 376315150 9 9 2 8 9 4 2 9 8 TEL 13942296513 9 9 2 8 9 4 2 9 8 0 5 1 5 1 3 6 7 3 Q Q TEL 13942296513 QQ 376315150 892498299 TEL 13942296513 QQ 376315150 892498299 http://www.xiaoyu163.com 69 KEX-M8206ZT,M8206ZT-91,M8306ZT,M8306ZT-91 7.3 EXPLANATION 7.3.1 SYSTEM BLOCK DIAGRAM H/U PWR AMP +B, ACC KEX-M8206ZT/UC DVD CHANGER XDV-M8106ZT/UC POWER SUPPLY(+B, ACC) BUS SIGNAL(SOUND, VISION) DISPLAY (OTHER MAKERS) NAVIGATION ECU (OTHER MAKERS) (OTHER MAKERS) - KEX-M8206ZT - KEX-M8306ZT H/U PWR AMP +B, ACC KEX-M8306ZT/UC DVD CHANGER XDV-M8106ZT/UC POWER SUPPLY(+B, ACC) BUS SIGNAL(SOUND, VISION) DISPLAY (OTHER MAKERS) NAVIGATION ECU (OTHER MAKERS) (OTHER MAKERS) www. xiaoyu163. com QQ 376315150 9 9 2 8 9 4 2 9 8 TEL 13942296513 9 9 2 8 9 4 2 9 8 0 5 1 5 1 3 6 7 3 Q Q TEL 13942296513 QQ 376315150 892498299 TEL 13942296513 QQ 376315150 892498299 http://www.xiaoyu163.com 70 KEX-M8206ZT,M8206ZT-91,M8306ZT,M8306ZT-91 7.3.2 OPERATIONAL FLOW CHART Completes power-on operation. (After that, proceed to each source operation.) SYSPW←L 52pin YES Source ON Source keys operative PPW←H 22pin swvdd←L 45pin asens 73pin bsens 75pin VCC=5V 16pin VDD=5V 62pin Power ON L L www. xiaoyu163. com QQ 376315150 9 9 2 8 9 4 2 9 8 TEL 13942296513 9 9 2 8 9 4 2 9 8 0 5 1 5 1 3 6 7 3 Q Q TEL 13942296513 QQ 376315150 892498299 TEL 13942296513 QQ 376315150 892498299 http://www.xiaoyu163.com 71 KEX-M8206ZT,M8206ZT-91,M8306ZT,M8306ZT-91 8. OPERATIONS AND SPECIFICATIONS 8.1 OPERATIONS - RADIO DOWN UP SEEK AM FM POWER ON/OFF VOLUME TUNING, MANUAL SEEK TRAFFIC INFORMATION - TAPE DOWN UP AUTO PROGRAM SEARCH TAPE POWER ON/OFF VOLUME EJECT DIRECTION CHANGE www. xiaoyu163. com QQ 376315150 9 9 2 8 9 4 2 9 8 TEL 13942296513 9 9 2 8 9 4 2 9 8 0 5 1 5 1 3 6 7 3 Q Q TEL 13942296513 QQ 376315150 892498299 TEL 13942296513 QQ 376315150 892498299 http://www.xiaoyu163.com KEX-M8206ZT,M8206ZT-91,M8306ZT,M8306ZT-91 PIONEER CORPORATION 4-1, Meguro 1-Chome, Meguro-ku, Tokyo 153-8654, Japan PIONEER ELECTRONICS SERVICE INC. P.O.Box 1760, Long Beach, CA 90801-1760 U.S.A. PIONEER EUROPE NV Haven 1087 Keetberglaan 1, 9120 Melsele, Belgium PIONEER ELECTRONICS ASIACENTRE PTE.LTD. 253 Alexandra Road, #04-01, Singapore 159936 C PIONEER CORPORATION 2000 K-ZZS. JULY 2000 Printed in Japan - CD, DVD 8.2 SPECIFICATIONS General Power source. . . . . . . . . . . . . . . . . . . 13.2 V(10.5V—16.0V allowable) Electrode dark current . . . . . . . . . . . . . . . . . . . . . . . . . . less than 1 mA Grounding system. . . . . . . . . . . . . . . . . . . . . . . . . . . . . . . Negative type Weight . . . . . . . . . . . . . . . . . . . . . . . . . . . . . . . . . . . . . . . . . . . . . . . . . 1.13 kg Tape player Tape . . . . . . . . . . . . . . . . . . . . . . . Compact cassette tape (C-30—C-90) Tape speed . . . . . . . . . . . 4.76 cm/sec.(+0.14 cm/sec.,-0.05 cm/sec.) Wow & flutter . . . . . . . . . . . . . . . . . . . . . . . . . . less than 0.2 %(WRMS) Fast forward/rewind time . . . . . . . . . . . . less than 120 sec. for C-60 Stereo separation . . . . . . . . . . . . . . . . . . . . . . . . . . . . . more than 30 dB Signal-to-noise ratio . . . . . . . . . . . . . . . . . . . . . . . . . . more than 40 dB FM tuner Frequency range. . . . . . . . . . . . . . . . . . . . . . . . . . . . . 87.7 — 107.9 MHz Usable sensitivity . . . . . . . . . . . . . . . . . . . . . 7 dBµ ± 6dB (S/N: 30 dB) Signal-to-noise ratio. . . . . . . . . . . . . . . . . . . more than 48 dB(stereo) Distortion . . . . . . . . . . . . . . . . . . . . . . . . . . . . . . . . . . . . . . . less than 1.5% Stereo separation. . . . . . . . . . . more than 25 dB (35 ±10 dB, 1 kHz) AM tuner Frequency range . . . . . . . . . . . . . . . . . . . . . . . . . . . . . . 530 — 1,710 kHz Usable sensitivity . . . . . . . . . . . . . . . . . . . . 28 dBµ± 5dB (S/N: 20 dB) Selectivity. . . . . . . . . . . . . . . . . . . . . . . . . . . more than 50 dB (±10 kHz) Signal-to-noise ratio. . . . . . . . . . . . . . . . . . . more than 44 dB(74dBµ) Distortion. . . . . . . . . . . . . . . . . . . . . . . . . . . . . . . less than 1.0% (74dBµ) DOWN UP TRACK SELECT CD,DVD POWER ON/OFF VOLUME DOWN UP DISC SELECT www. xiaoyu163. com QQ 376315150 9 9 2 8 9 4 2 9 8 TEL 13942296513 9 9 2 8 9 4 2 9 8 0 5 1 5 1 3 6 7 3 Q Q TEL 13942296513 QQ 376315150 892498299 TEL 13942296513 QQ 376315150 892498299 http://www.xiaoyu163.com

标签:

版权声明

1. 本站所有素材,仅限学习交流,仅展示部分内容,如需查看完整内容,请下载原文件。
2. 会员在本站下载的所有素材,只拥有使用权,著作权归原作者所有。
3. 所有素材,未经合法授权,请勿用于商业用途,会员不得以任何形式发布、传播、复制、转售该素材,否则一律封号处理。
4. 如果素材损害你的权益请联系客服QQ:77594475 处理。