先锋PIONEER KEH-P4015音响电路图

分类:电子电工 日期: 点击:0
先锋PIONEER KEH-P4015音响电路图-0 先锋PIONEER KEH-P4015音响电路图-1 先锋PIONEER KEH-P4015音响电路图-2 先锋PIONEER KEH-P4015音响电路图-3 先锋PIONEER KEH-P4015音响电路图-4 先锋PIONEER KEH-P4015音响电路图-5 先锋PIONEER KEH-P4015音响电路图-6 先锋PIONEER KEH-P4015音响电路图-7 先锋PIONEER KEH-P4015音响电路图-8 先锋PIONEER KEH-P4015音响电路图-9

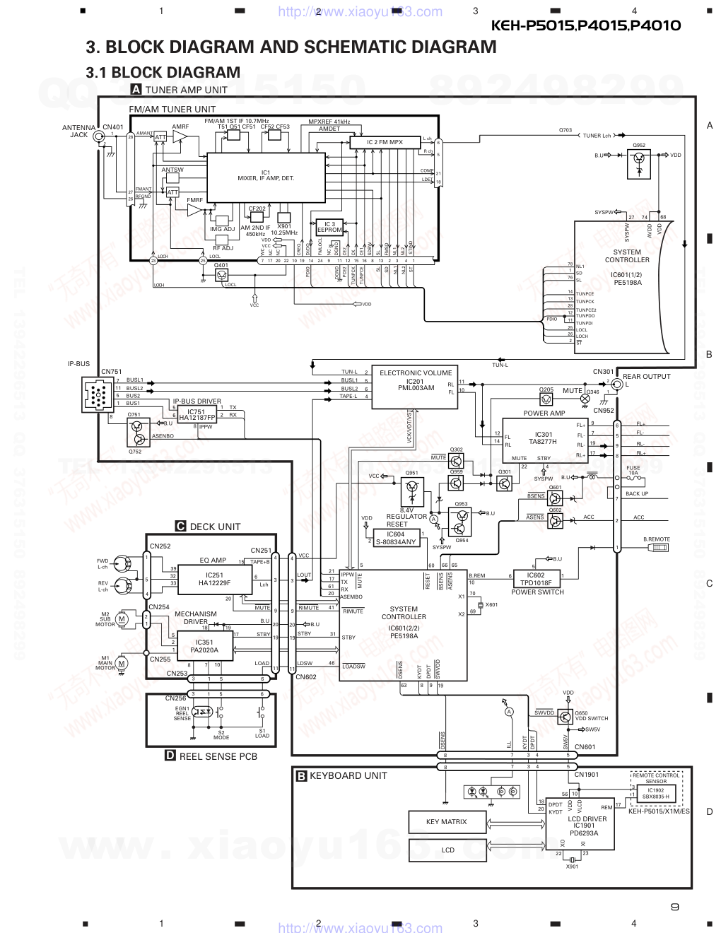
PIONEER CORPORATION 4-1, Meguro 1-Chome, Meguro-ku, Tokyo 153-8654, Japan PIONEER ELECTRONICS SERVICE INC. P.O.Box 1760, Long Beach, CA 90801-1760 U.S.A. PIONEER EUROPE NV Haven 1087 Keetberglaan 1, 9120 Melsele, Belgium PIONEER ELECTRONICS ASIACENTRE PTE.LTD. 253 Alexandra Road, #04-01, Singapore 159936 C PIONEER CORPORATION 2000 K-ZZD. OCT. 2000 Printed in Japan ORDER NO. CRT2583 MULTI-CD CONTROL HIGH POWER CASSETTE PLAYER WITH FM/AM TUNER KEH-P5015 X1M/ES Service Manual CONTENTS 1. SAFETY INFORMATION ............................................2 2. EXPLODED VIEWS AND PARTS LIST.......................2 3. BLOCK DIAGRAM AND SCHEMATIC DIAGRAM .....9 4. PCB CONNECTION DIAGRAM ................................22 5. ELECTRICAL PARTS LIST ........................................30 6. ADJUSTMENT..........................................................33 7. GENERAL INFORMATION .......................................34 7.1 DIAGNOSIS ........................................................34 7.1.1 DISASSEMBLY .........................................34 7.1.2 CONNECTOR FUNCTION DESCRIPTION35 7.2 PARTS .................................................................36 7.2.1 IC................................................................36 7.2.2 DISPLAY....................................................41 7.3 OPERATIONAL FLOW CHART...........................42 8. OPERATIONS AND SPECIFICATIONS.....................43 KEH-P5015/X1M/ES - This service manual should be used together with the following manual(s): Model No. Order No. Mech. Module Remarks CX-1011 CRT2406 3L Cassette Mech. Module:Mech.Description, Disassembly, Adjustment - This service manual does not describe the CD test mode. For the operations in the CD test mode, refer to the CD player's Service manual. KEH-P4015 X1M/ES KEH-P4010 X1M/UC www. xiaoyu163. com QQ 376315150 9 9 2 8 9 4 2 9 8 TEL 13942296513 9 9 2 8 9 4 2 9 8 0 5 1 5 1 3 6 7 3 Q Q TEL 13942296513 QQ 376315150 892498299 TEL 13942296513 QQ 376315150 892498299 http://www.xiaoyu163.com 2 KEH-P5015,P4015,P4010 1. SAFETY INFORMATION CAUTION This service manual is intended for qualified service technicians; it is not meant for the casual do-it-yourselfer. Qualified technicians have the necessary test equipment and tools, and have been trained to properly and safely repair complex products such as those covered by this manual. Improperly performed repairs can adversely affect the safety and reliability of the product and may void the warranty. If you are not qualified to perform the repair of this product properly and safely; you should not risk trying to do so and refer the repair to a qualified service technician. WARNING This product contains lead in solder and certain electrical parts contain chemicals which are known to the state of California to cause cancer, birth defects or other reproductive harm. Health & Safety Code Section 25249.6 - Proposition 65 2. EXPLODED VIEWS AND PARTS LIST 2.1 PACKING 4 7 11 3 10 9 8 6 5 16 2 17 12 15 14 13 1 18 19 20 www. xiaoyu163. com QQ 376315150 9 9 2 8 9 4 2 9 8 TEL 13942296513 9 9 2 8 9 4 2 9 8 0 5 1 5 1 3 6 7 3 Q Q TEL 13942296513 QQ 376315150 892498299 TEL 13942296513 QQ 376315150 892498299 http://www.xiaoyu163.com 3 KEH-P5015,P4015,P4010 NOTE: - Parts marked by “*” are generally unavailable because they are not in our Master Spare Parts List. - Screws adjacent to ∇ mark on the product are used for disassembly. - Owner's Manual, Installation Manual Model Part No. Language KEH-P5015/X1M/ES CRD3289 English, Spanish, Portuguese(B) KEH-P4015/X1M/ES CRD3290 Chinese, Arabic CRD3295 English, Spanish, Portuguese(B), Chinese, Arabic KEH-P4010/X1M/UC CRD3288 English, French, Spanish CRD3294 English, French, Spanish - PACKING SECTION PARTS LIST Part No. Mark No. Symbol and Description KEH-P5015/X1M/ES KEH-P4015/X1M/ES KEH-P4010/X1M/UC 1-1 Owner’s Manual CRD3289 CRD3289 CRD3288 1-2 Owner’s Manual CRD3290 CRD3290 Not used 1-3 Installation Manual CRD3295 CRD3295 CRD3294 * 1-4 Card Not used Not used ARY1048 * 1-5 Caution Card CRP1238 CRP1238 CRP1238 2 Cord Assy CDE6222 CDE6222 CDE6222 3 Spring CBH1650 CBH1650 CBH1650 4 Screw Assy CEA2351 CEA2351 CEA2780 5 Screw CBA1304 CBA1304 CBA1284 * 6 Polyethylene Bag CEG-127 CEG-127 CNM4338 7 Screw CRZ50P090FMC CRZ50P090FMC CRZ50P090FMC 8 Screw TRZ50P080FMC TRZ50P080FMC TRZ50P080FMC * 9 Polyethylene Bag CEG-158 CEG-158 CEG-158 10 Handle CNC5395 CNC5395 CNC5395 11 Bush CNV3930 CNV3930 CNV3930 12 Polyethylene Bag CEG-162 CEG-162 CEG1173 13 Carton CHG4178 CHG4182 CHG4186 14 Contain Box CHL4178 CHL4182 CHL4186 15 Protector CHP2346 CHP2346 CHP2346 16 Protector CHP2347 CHP2347 CHP2347 17 Case Assy CXB3520 CXB3520 CXB3520 18 Screw(M2x4) Not used Not used CBA1488 19 Remote Control Unit CXB7194 Not used Not used 20 Battery CEX1065 Not used Not used www. xiaoyu163. com QQ 376315150 9 9 2 8 9 4 2 9 8 TEL 13942296513 9 9 2 8 9 4 2 9 8 0 5 1 5 1 3 6 7 3 Q Q TEL 13942296513 QQ 376315150 892498299 TEL 13942296513 QQ 376315150 892498299 http://www.xiaoyu163.com 4 KEH-P5015,P4015,P4010 2.2 EXTERIOR A B www. xiaoyu163. com QQ 376315150 9 9 2 8 9 4 2 9 8 TEL 13942296513 9 9 2 8 9 4 2 9 8 0 5 1 5 1 3 6 7 3 Q Q TEL 13942296513 QQ 376315150 892498299 TEL 13942296513 QQ 376315150 892498299 http://www.xiaoyu163.com 5 KEH-P5015,P4015,P4010 1 Screw BSZ26P050FMC 2 Screw BSZ30P050FMC 3 Screw BSZ30P200FMC 4 Cord Assy CDE6222 5 Fuse(10A) CEK1136 6 Case CNB2350 7 Holder CNC5704 8 Cushion CNM5210 9 Insulator CNM7083 10 Tuner Amp Unit See Contrast table(2) 11 Screw BPZ26P080FMC 12 Screw BSZ26P080FMC 13 Screw BSZ26P160FMC 14 ••••• 15 FM/AM Tuner Unit CWE1563 16 Holder CNC8815 17 Pin Jack(CN301) CKB1035 18 Terminal(CN403) CKF1059 19 Plug(CN952) CKM1270 20 Connector(CN751) CKS3408 21 Connector(CN602) CKS3568 22 Connector(CN601) CKS3581 23 Antenna Jack(CN401) CKX1056 24 Panel CNB2343 25 Holder CNC6845 26 Holder CNC7996 27 Heat Sink CNR1505 28 Detach Grille Assy See Contrast table(2) 29 Screw BPZ20P100FZK 30 Button(DETACH) CAC5789 31 Button(1–6) CAC6822 32 Button(A,B) CAC6823 33 Button(EJECT, BSM) CAC6824 34 Button(CROSS) CAC6825 35 Button(+,-) CAC6821 36 Button(SOURCE) CAC6851 37 Spring CBH2210 38 Cover CNS6171 39 Keyboard Unit See Contrast table(2) 40 LCD(LCD1902) See Contrast table(2) 41 Connector(CN1901) CKS3580 42 Holder CNC9091 43 Spacer See Contrast table(2) 44 Sheet CNM7059 45 Rubber CNV6480 46 Lighting Conductor CNV6495 47 Lighting Conductor CNV6496 48 Connector CNV6497 49 Grille Unit See Contrast table(2) 50 Chassis Unit CXB6660 51 Holder Unit CXB6681 52 Button CAC4836 53 Spring CBH1834 54 Spring CBH1835 55 Spring CBH2182 56 Bracket CNC6135 57 Bracket CNC6791 58 Arm CNV4692 59 Arm CNV4693 60 Arm CNV4728 61 Panel Unit CXB4927 62 Door CAT2109 63 Spring CBH1838 64 Screw IMS20P030FZK 65 Cassette Mechanism Module EXK4150 66 Screw ISS26P055FUC 67 IC(IC301) TA8277H 68 Transistor(Q951) 2SD2396 69 IC(IC1902) See Contrast table(2) 70 ••••• 71 Remote Control Unit See Contrast table(2) 72 Cover See Contrast table(2) 73 Panel CNS6344 (1) EXTERIOR SECTION PARTS LIST Mark No. Description Part No. Mark No. Description Part No. www. xiaoyu163. com QQ 376315150 9 9 2 8 9 4 2 9 8 TEL 13942296513 9 9 2 8 9 4 2 9 8 0 5 1 5 1 3 6 7 3 Q Q TEL 13942296513 QQ 376315150 892498299 TEL 13942296513 QQ 376315150 892498299 http://www.xiaoyu163.com 6 KEH-P5015,P4015,P4010 Part No. Mark No. Symbol and Description KEH-P5015/X1M/ES KEH-P4015/X1M/ES KEH-P4010/X1M/UC 10 Tuner Amp Unit CWM7329 CWM7335 CWM7334 28 Detach Grille Assy CXB6174 CXB6180 CXB6179 39 Keyboard Unit CWM7341 CWM7347 CWM7346 40 LCD(LCD1902) CAW1617 CAW1635 CAW1635 43 Spacer CNM5043 Not used Not used 49 Grille Unit CXB6708 CXB6710 CXB6334 69 IC(IC1902) SBX8035-H Not used Not used 71 Remote Control Unit CXB7194 Not used Not used 72 Cover CNS6439 Not used Not used (2) CONTRAST TABLE KEH-P5015/X1M/ES, KEH-P4015/X1M/ES and KEH-P4010/X1M/UC are constructed the same except for the following: www. xiaoyu163. com QQ 376315150 9 9 2 8 9 4 2 9 8 TEL 13942296513 9 9 2 8 9 4 2 9 8 0 5 1 5 1 3 6 7 3 Q Q TEL 13942296513 QQ 376315150 892498299 TEL 13942296513 QQ 376315150 892498299 http://www.xiaoyu163.com 7 KEH-P5015,P4015,P4010 2.3 CASSETTE MECHANISM MODULE C D www. xiaoyu163. com QQ 376315150 9 9 2 8 9 4 2 9 8 TEL 13942296513 9 9 2 8 9 4 2 9 8 0 5 1 5 1 3 6 7 3 Q Q TEL 13942296513 QQ 376315150 892498299 TEL 13942296513 QQ 376315150 892498299 http://www.xiaoyu163.com 8 KEH-P5015,P4015,P4010 1 Screw BSZ20P040FMC 2 Washer CBF1037 3 Washer CBG1003 4 Screw EBA1028 5 Screw CBA1037 6 Spring EBH1531 7 Spring EBH1642 8 Spring EBH1641 9 Spring EBH1626 10 Spring EBH1627 11 Spring EBH1649 12 Cord EDD1024 13 Photo-reflector(EGN1) EGN1004 14 Arm ENC1526 15 Lever ENC1544 16 Lever ENC1543 17 Arm ENC1532 18 Frame ENC1533 19 Holder ENC1534 20 Gear ENC1535 21 Arm ENC1550 22 Roller ENR1040 23 Belt ENT1027 24 Collar ENV1508 25 Arm ENV1539 26 Arm ENV1540 27 Gear ENV1544 28 Gear ENV1547 29 Gear ENV1560 30 Worm Wheel ENV1566 31 Lever ENV1551 32 Flywheel ENV1554 33 Gathering PCB ENX1068 34 Switch(S1,S2) ESG1007 * 35 Deck Unit EWM1032 36 Plug(CN251) CKS3540 37 Gathering PCB ENX1067 38 Motor Unit(M1) EXA1491 39 Motor EXM1028 40 Head Assy(HD1) EXA1592 41 Motor Unit(M2) EXA1580 42 Screw BMZ20P022FMC 43 Bracket ENC1528 44 Chassis Unit EXA1615 45 Pinch Holder Unit EXA1608 46 Pinch Roller ENV1518 47 Pinch Holder Unit EXA1607 48 Pinch Roller ENV1518 49 Reel Unit EXA1585 50 Head Base Unit EXA1611 51 Lever Unit EXA1587 52 Gear Unit EXA1596 53 Motor Unit(Service) EXX1055 54 Washer HBF-179 55 Spring EBH1537 Mark No. Description Part No. Mark No. Description Part No. - CASSETTE MECHANISM MODULE SECTION PARTS LIST www. xiaoyu163. com QQ 376315150 9 9 2 8 9 4 2 9 8 TEL 13942296513 9 9 2 8 9 4 2 9 8 0 5 1 5 1 3 6 7 3 Q Q TEL 13942296513 QQ 376315150 892498299 TEL 13942296513 QQ 376315150 892498299 http://www.xiaoyu163.com 9 KEH-P5015,P4015,P4010 1 2 3 4 1 2 3 4 D C B A 3. BLOCK DIAGRAM AND SCHEMATIC DIAGRAM 3.1 BLOCK DIAGRAM TUNER Lch Q703 B.U VDD Q952 SYSPW SYSPW VDD AVDD 27 74 68 SYSTEM CONTROLLER PE5198A IC601(1/2) TUN-L TUN-L ELECTRONIC VOLUME PML003AM IC201 11 10 2 4 TAPE-L RL FL POWER AMP IC301 12 14 MUTE STBY FL RL FL+ FL- RL+ RL- 22 4 9 7 19 17 SYSPW B.U B.U SYSPW Q302 Q951 Q959 Q301 Q953 Q601 Q602 MUTE 8.4V REGULATOR RESET IC604 S-80834ANY VCC VDD 5 60 1 2 66 65 70 69 41 31 MUTE RESET BSENS ASENS SWVDD DPDT KYDT DSENS RIMUTE STBY LOADSW X1 X2 SYSTEM CONTROLLER IC601(2/2) PE5198A X601 Q954 BSENS ASENS ACC FUSE 10A B.U STBY B.U MUTE LOAD 46 63 8 9 19 Q650 SWVDD VDD SW5V ILL KYDT DPDT SW5V VDD SWITCH 5 1 4 2 1 3 4 11 9 20 19 3 4 11 9 20 19 9 6 2 1 5 8 7 A TUNER AMP UNIT C DECK UNIT B KEYBOARD UNIT 7 3 4 5 7 3 4 5 LCD DRIVER IC1901 PD6293A DPDT KYDT VDD VLCD XO XI X901 18 20 56 10 22 23 IC251 HA12229F IC351 PA2020A EQ AMP MECHANISM DRIVER CN251 CN252 CN254 CN255 CN253 6 15 TAPE+B Lch 20 FWD L-ch REV L-ch 39 32 33 18 19 17 3 1 5 6 8 7 10 CN256 3 1 5 6 S1 LOAD S2 MODE EGN1 REEL SENSE M M M2 SUB MOTOR M1 MAIN MOTOR 5 2 1 D REEL SENSE PCB CN602 CN952 CN601 CN1901 VCK/VDT/VST ACC BACK UP FL+ RL- B.REMOTE VCC LOUT RIMUTE LDSW STBY KEY MATRIX LCD IC 3 EEPROM ANTENNA JACK 1 2 FM/AM TUNER UNIT 28 27 FM/AM 1ST IF 10.7MHz T51 Q51 CF51 CF52 CF53 IC1 MIXER, IF AMP, DET. 6 21 18 LDET COMP 22 25 10 14 12 15 16 8 13 2 3 4 CF202 VDD LOCL VCC Q401 VCC VDD DI/DO CE2 CK CE1 SDBW SL FMSD PCE2 TUNPCK TUNPCE SL SD PDIO NL1 NL2 IC 2 FM MPX NL1 78 NL1 SD SL TUNPCE TUNPCK TUNPCE2 TUNPDO LOCL 1 76 14 13 28 12 25 TUNPDI 11 PDIO POWER SWITCH 1 6 IC602 TPD1018F 8 8 DSENS A A AMANT FMANT ATT ATT AMRF FMRF IMG ADJ RF ADJ X901 10.25MHz ANTSW LOCL 23 LOCH AMDET MPXREF 41kHz AM 2ND IF 450kHz 19 CREQ 11 DGND DGND 1 STIND ST L ch ST 2 TA8277H 1 2 8 5 6 B.U TX RX IPPW ASENBO IP-BUS DRIVER IC751 HA12187FP BUSL1 BUSL2 BUS2 BUS1 Q751 Q752 8 1 5 11 7 CN751 IP-BUS BUSL1 5 BUSL2 6 1 2 CN301 Q346 Q205 MUTE TX RX 17 61 20 ASEMBO IPPW 21 REMOTE CONTROL SENSOR IC1902 SBX8035-H 3 1 17 REM LOCH LOCH 26 CN401 REAR OUTPUT L 5 R ch 9 24 NC FMLOCL 20 17 7 NC NC WC 26 RFGND NL2 FL- RL+ KEH-P5015/X1M/ES B.REM 10 B.U 5 www. xiaoyu163. com QQ 376315150 9 9 2 8 9 4 2 9 8 TEL 13942296513 9 9 2 8 9 4 2 9 8 0 5 1 5 1 3 6 7 3 Q Q TEL 13942296513 QQ 376315150 892498299 TEL 13942296513 QQ 376315150 892498299 http://www.xiaoyu163.com 10 KEH-P5015,P4015,P4010 1 2 3 4 1 2 3 4 D C B A 3.3 OVERALL CONNECTION DIAGRAM(GUIDE PAGE) Note: When ordering service parts, be sure to refer to “EXPLODED VIEWS AND PARTS LIST” or “ELECTRICAL PARTS LIST”. A-a A-b A-a A-a A-b A-b A-b A-b A-a A-a Large size SCH diagram Guide page Detailed page A A-a B C DSP-201M-S00B X601:CSS1023 4.194304MHz 682 272 272 162 162 183 183 FM/AM TUNER UNIT ANTENNA JACK A CN1901 CN251 For resistors and capacitors in the circuit diagrams, their resistance values or capacitance values are expressed in codes: Ex. *Resistors Code Practical value 123 12k ohms 103 10k ohms *Capacitors Code Practical value 103 0.01uF 101/10 100uF/10V TUNER AMP UNIT LOADSW The > mark found on some component parts indicates the importance of the safety factor of the part. Therefore, when replacing, be sure to use parts of identical designation. Symbol indicates a resistor. No differentiation is made between chip resistors and discrete resistors. NOTE : Symbol indicates a capacitor. No differentiation is made between chip capacitors and discrete capacitors. R666 103 103 Not used KEH-P5015/X1M/ES KEH-P4015/X1M/ES KEH-P4010/X1M/UC R667 333 333 473 SYSTEM CONTROLLER SWD 5V B FM(100%) 400Hz AM(30%) 400Hz : -19.5dBs : -30.0dBs TAPE (0dB)315Hz : -9.9dBs IP-BUS DRIV www. xiaoyu163. com QQ 376315150 9 9 2 8 9 4 2 9 8 TEL 13942296513 9 9 2 8 9 4 2 9 8 0 5 1 5 1 3 6 7 3 Q Q TEL 13942296513 QQ 376315150 892498299 TEL 13942296513 QQ 376315150 892498299 http://www.xiaoyu163.com 11 KEH-P5015,P4015,P4010 5 6 7 8 5 6 7 8 D C B A A-b A 600µH 332/16 >CEK1136 REAR OUTPUT L R 11 10 9 8 7 6 5 4 3 2 1 IP-BUS INPUT SOURCE SELECTOR, ELECTRONIC VOLUME MUTE POWER AMP 8.4V REGULATOR OFF MUTE 5V REGULATOR POWER SWITCH BACK UP SENSE ACC SENSE SYSTEM MUTE BACK LIGHT SWITCH FM AM IP-BUS TAPE : 3.6dBs : -6.9dBs : 10.3dBs : -3.8dBs IP-BUS(0dB)1kHz : 2.2dBs TAPE : -4.6dBs TAPE : 22.2dBs VER www. xiaoyu163. com QQ 376315150 9 9 2 8 9 4 2 9 8 TEL 13942296513 9 9 2 8 9 4 2 9 8 0 5 1 5 1 3 6 7 3 Q Q TEL 13942296513 QQ 376315150 892498299 TEL 13942296513 QQ 376315150 892498299 http://www.xiaoyu163.com 12 KEH-P5015,P4015,P4010 1 2 3 4 1 2 3 4 D C B A DSP-201M-S00B X601:CSS1023 4.194304MHz 682 272 272 162 162 183 183 FM/AM TUNER UNIT ANTENNA JACK A TUNER AMP UNIT R666 103 103 Not used KEH-P5015/X1M/ES KEH-P4015/X1M/ES KEH-P4010/X1M/UC R667 333 333 473 SYSTEM CONTROLLER FM(100%) 400Hz AM(30%) 400Hz : -19.5dBs : -30.0dBs A-a A-a A-b 1 2 3 4 www. xiaoyu163. com QQ 376315150 9 9 2 8 9 4 2 9 8 TEL 13942296513 9 9 2 8 9 4 2 9 8 0 5 1 5 1 3 6 7 3 Q Q TEL 13942296513 QQ 376315150 892498299 TEL 13942296513 QQ 376315150 892498299 http://www.xiaoyu163.com 13 KEH-P5015,P4015,P4010 5 6 7 8 5 6 7 8 D C B A B C CN1901 CN251 For resistors and capacitors in the circuit diagrams, their resistance values or capacitance values are expressed in codes: Ex. *Resistors Code Practical value 123 12k ohms 103 10k ohms *Capacitors Code Practical value 103 0.01uF 101/10 100uF/10V LOADSW The > mark found on some component parts indicates the importance of the safety factor of the part. Therefore, when replacing, be sure to use parts of identical designation. Symbol indicates a resistor. No differentiation is made between chip resistors and discrete resistors. NOTE : Symbol indicates a capacitor. No differentiation is made between chip capacitors and discrete capacitors. SYSTEM CONTROLLER SWD 5V BACK L TAPE (0dB)315Hz : -9.9dBs IP-BUS DRIVER A-a A-a A-b 4 5 6 7 www. xiaoyu163. com QQ 376315150 9 9 2 8 9 4 2 9 8 TEL 13942296513 9 9 2 8 9 4 2 9 8 0 5 1 5 1 3 6 7 3 Q Q TEL 13942296513 QQ 376315150 892498299 TEL 13942296513 QQ 376315150 892498299 http://www.xiaoyu163.com 14 1 2 3 4 1 2 3 4 D C B A 600µH 332/16 >CEK1136 REAR OUTPUT L R SOURCE SELECTOR, ELECTRONIC VOLUME MUTE POWER AMP 8.4V REGULATOR OFF MUTE 5V REGULATOR SYSTEM MUTE FM AM IP-BUS TAPE : 3.6dBs : -6.9dBs : 10.3dBs : -3.8dBs TAPE : -4.6dBs TAPE : 22.2dBs A-a A-b A-b 1 2 3 4 KEH-P5015,P4015,P4010 www. xiaoyu163. com QQ 376315150 9 9 2 8 9 4 2 9 8 TEL 13942296513 9 9 2 8 9 4 2 9 8 0 5 1 5 1 3 6 7 3 Q Q TEL 13942296513 QQ 376315150 892498299 TEL 13942296513 QQ 376315150 892498299 http://www.xiaoyu163.com 15 5 6 7 8 5 6 7 8 D C B A 11 10 9 8 7 6 5 4 3 2 1 IP-BUS INPUT 5V REGULATOR POWER SWITCH BACK UP SENSE ACC SENSE BACK LIGHT SWITCH IP-BUS(0dB)1kHz : 2.2dBs VER A-b A-a A-b 4 5 6 7 KEH-P5015,P4015,P4010 www. xiaoyu163. com QQ 376315150 9 9 2 8 9 4 2 9 8 TEL 13942296513 9 9 2 8 9 4 2 9 8 0 5 1 5 1 3 6 7 3 Q Q TEL 13942296513 QQ 376315150 892498299 TEL 13942296513 QQ 376315150 892498299 http://www.xiaoyu163.com 16 KEH-P5015,P4015,P4010 1 2 3 4 1 2 3 4 D C B A 4.97MHz CAW1617 LCD DRIVER, KEY CONTROLLER REMO SENS EQ PAUSE/SCAN B 3.3 KEYBOARD UNIT(KEH-P5015/X1M/ES) www. xiaoyu163. com QQ 376315150 9 9 2 8 9 4 2 9 8 TEL 13942296513 9 9 2 8 9 4 2 9 8 0 5 1 5 1 3 6 7 3 Q Q TEL 13942296513 QQ 376315150 892498299 TEL 13942296513 QQ 376315150 892498299 http://www.xiaoyu163.com 17 KEH-P5015,P4015,P4010 5 6 7 8 5 6 7 8 D C B A 7MHz 0R0 151 151 151 IL1801,1802 : CEL1651 14V 40mA D1811-1818 : SML210PT A CN601 B KEYBOARD UNIT REMOTE CONTROL SENSOR EQ LOCAL/BSM LOUD B www. xiaoyu163. com QQ 376315150 9 9 2 8 9 4 2 9 8 TEL 13942296513 9 9 2 8 9 4 2 9 8 0 5 1 5 1 3 6 7 3 Q Q TEL 13942296513 QQ 376315150 892498299 TEL 13942296513 QQ 376315150 892498299 http://www.xiaoyu163.com 18 KEH-P5015,P4015,P4010 1 2 3 4 1 2 3 4 D C B A 4.97MHz CAW1635 LCD DRIVER, KEY CONTROLLER EQ PAUSE/SCAN B 3.4 KEYBOARD UNIT(KEH-P4015/X1M/ES, KEH-P4010/X1M/UC) www. xiaoyu163. com QQ 376315150 9 9 2 8 9 4 2 9 8 TEL 13942296513 9 9 2 8 9 4 2 9 8 0 5 1 5 1 3 6 7 3 Q Q TEL 13942296513 QQ 376315150 892498299 TEL 13942296513 QQ 376315150 892498299 http://www.xiaoyu163.com 19 KEH-P5015,P4015,P4010 5 6 7 8 5 6 7 8 D C B A 7MHz 0R0 151 151 151 IL1801,1802 : CEL1651 14V 40mA D1811-1818 : SML210PT A CN601 B KEYBOARD UNIT EQ LOCAL/BSM LOUD B www. xiaoyu163. com QQ 376315150 9 9 2 8 9 4 2 9 8 TEL 13942296513 9 9 2 8 9 4 2 9 8 0 5 1 5 1 3 6 7 3 Q Q TEL 13942296513 QQ 376315150 892498299 TEL 13942296513 QQ 376315150 892498299 http://www.xiaoyu163.com 20 KEH-P5015,P4015,P4010 1 2 3 4 1 2 3 4 D C B A DECK UNIT MUTE HA12229F 11 12 13 14 15 16 17 18 19 20 40 39 38 37 36 35 34 33 32 31 30 29 28 27 26 25 24 23 22 21 1 2 3 4 5 6 7 8 9 10 C253 390P C251 C256 R01 C405 R033 R404 270K R01 C404 910 R403 3R3K C255 R01 C272 R1 C401 3900P R285 0R0 HD1 HEAD ASSY EXA1592 TEST TAPE NCT-150 (400Hz, 200nWb/m) RL RR FR FL C302 R1 C301 R1 R304 R302 16K 16K R301 16K R303 16K -8.24dBs±4dB Fwd-R Fwd-L Rev-R Rev-L NF1(R) Vref1 RIN(L) NC RIN(R) GND FIN(R) Vref2 FIN(L) NFI(L) M-OUT(L) EQOUT(L) Vref4 TAI(L) BIAS NC NC MSGV(S) MUTE 120/70 ser/REP f/R MSDET MSI MAOUT MSGV(R) MOUT(R) EQOUT(R) Vref3 TAI(R) RIP PBOUT(R) NC NC NC CN252 CN251 EQ AMP IC251 390P C252 390P C254 390P PBOUT(L) NC VCC MSOUT NC C403 R022 R402 R33 C402 15K R401 18K R271 C271 1/50 3.5 CASSETTE MECHANISM MODULE C C Decimal points for resistor and capacitor fixed values are expressed as : 2.2 2R2 0.022 R022 ← ← Symbol indicates a resistor. No differentiation is made between chip resistors and discrete resistors. NOTE : Symbol indicates a capacitor. No differentiation is made between chip capacitors and discrete capacitors. www. xiaoyu163. com QQ 376315150 9 9 2 8 9 4 2 9 8 TEL 13942296513 9 9 2 8 9 4 2 9 8 0 5 1 5 1 3 6 7 3 Q Q TEL 13942296513 QQ 376315150 892498299 TEL 13942296513 QQ 376315150 892498299 http://www.xiaoyu163.com 21 KEH-P5015,P4015,P4010 5 6 7 8 5 6 7 8 D C B A REEL SENSE PCB SWITCHES: REEL SENSE PCB S1:LOAD SWITCH..........EJECT-PLAY S2:MODE SWITCH............ON-OFF The underlined indicates the switch position. 3 R351 1K R352 1K R353 1K R354 1K R373 0R0 R355 270K C352 3900P R362 300 C351 R22 C353 R01 C354 R01 R374 0R0 C356 R01 C355 R1 D352 1SS355 M1 MOTOR UNIT (MAIN MOTOR) EXA1491 S1 LOAD ESG1007 S2 ESG1007 MODE REEL SENSE EGN1 EGN1004 M2 MOTOR UNIT (SUB MOTOR) EXA1580 RS3 RS2 RS1 SC2 SC1 TAB MC CE VCC2 NC VCC MCS RRS FRS RSB C TAB MS2 NC NC MM SM1 RSB GND RS mtl MCS load CN255 CN253 CN256 CN254 MECHANISM DRIVER IC351 PA2020A R022 C D D www. xiaoyu163. com QQ 376315150 9 9 2 8 9 4 2 9 8 TEL 13942296513 9 9 2 8 9 4 2 9 8 0 5 1 5 1 3 6 7 3 Q Q TEL 13942296513 QQ 376315150 892498299 TEL 13942296513 QQ 376315150 892498299 http://www.xiaoyu163.com 22 KEH-P5015,P4015,P4010 1 2 3 4 1 2 3 4 D C B A A TUNER AMP UNIT CORD ASSY B CN1901 4. PCB CONNECTION DIAGRAM 4.1 TUNER AMP UNIT NOTE FOR PCB DIAGRAMS 1. The parts mounted on this PCB include all necessary parts for several destination. For further information for respective destinations, be sure to check with the schematic dia- gram. 2. Viewpoint of PCB diagrams A Capacitor Connector P.C.Board Chip Part SIDE A SIDE B www. xiaoyu163. com QQ 376315150 9 9 2 8 9 4 2 9 8 TEL 13942296513 9 9 2 8 9 4 2 9 8 0 5 1 5 1 3 6 7 3 Q Q TEL 13942296513 QQ 376315150 892498299 TEL 13942296513 QQ 376315150 892498299 http://www.xiaoyu163.com C CN251 FM/AM TUNER UNIT FRONT REAR OUTPUT IP-BUS INPUT 1 2 3 4 L R ANTENNA JACK 23 KEH-P5015,P4015,P4010 5 6 7 8 5 6 7 8 D C B A A SIDE A www. xiaoyu163. com QQ 376315150 9 9 2 8 9 4 2 9 8 TEL 13942296513 9 9 2 8 9 4 2 9 8 0 5 1 5 1 3 6 7 3 Q Q TEL 13942296513 QQ 376315150 892498299 TEL 13942296513 QQ 376315150 892498299 http://www.xiaoyu163.com 24 KEH-P5015,P4015,P4010 1 2 3 4 1 2 3 4 D C B A A TUNER AMP UNIT 1 2 3 4 5 6 3 2 1 6 5 4 3 2 1 6 5 4 A www. xiaoyu163. com QQ 376315150 9 9 2 8 9 4 2 9 8 TEL 13942296513 9 9 2 8 9 4 2 9 8 0 5 1 5 1 3 6 7 3 Q Q TEL 13942296513 QQ 376315150 892498299 TEL 13942296513 QQ 376315150 892498299 http://www.xiaoyu163.com 25 KEH-P5015,P4015,P4010 5 6 7 8 5 6 7 8 D C B A A SIDE B www. xiaoyu163. com QQ 376315150 9 9 2 8 9 4 2 9 8 TEL 13942296513 9 9 2 8 9 4 2 9 8 0 5 1 5 1 3 6 7 3 Q Q TEL 13942296513 QQ 376315150 892498299 TEL 13942296513 QQ 376315150 892498299 http://www.xiaoyu163.com 26 KEH-P5015,P4015,P4010 1 2 3 4 1 2 3 4 D C B A 4.2 KEYBOARD UNIT B KEYBOARD UNIT EQ VOL+ VOL- SOURCE 1 2 3 4 5 6 LOCAL/BSM EJECT AUDIO BAND ← ↑ → ↑ B SIDE A PAUSE/SCAN LOUD www. xiaoyu163. com QQ 376315150 9 9 2 8 9 4 2 9 8 TEL 13942296513 9 9 2 8 9 4 2 9 8 0 5 1 5 1 3 6 7 3 Q Q TEL 13942296513 QQ 376315150 892498299 TEL 13942296513 QQ 376315150 892498299 http://www.xiaoyu163.com B KEYBOARD UNIT A CN601 27 KEH-P5015,P4015,P4010 1 2 3 4 1 2 3 4 D C B A B SIDE B www. xiaoyu163. com QQ 376315150 9 9 2 8 9 4 2 9 8 TEL 13942296513 9 9 2 8 9 4 2 9 8 0 5 1 5 1 3 6 7 3 Q Q TEL 13942296513 QQ 376315150 892498299 TEL 13942296513 QQ 376315150 892498299 http://www.xiaoyu163.com 28 KEH-P5015,P4015,P4010 1 2 3 4 1 2 3 4 D C B A CN251 CN271 IC,Q IC251 Q351 Q352 ADJ VR302 VR301 IC351 CN252 CN254 CN253 CN255 M1 M2 HEAD ASSY CN256 21 22 4.4 CASSETTE MECHANISM MODULE DECK UNIT C CN602 DECK UNIT C A SIDE A SIDE B CN256 D C www. xiaoyu163. com QQ 376315150 9 9 2 8 9 4 2 9 8 TEL 13942296513 9 9 2 8 9 4 2 9 8 0 5 1 5 1 3 6 7 3 Q Q TEL 13942296513 QQ 376315150 892498299 TEL 13942296513 QQ 376315150 892498299 http://www.xiaoyu163.com 29 KEH-P5015,P4015,P4010 1 2 3 4 1 2 3 4 D C B A 1 2 3 4 5 6 S1 LOAD S2 MODE CN256 EGN1 REEL SENSE REEL SENSE PCB D CN253 C D www. xiaoyu163. com QQ 376315150 9 9 2 8 9 4 2 9 8 TEL 13942296513 9 9 2 8 9 4 2 9 8 0 5 1 5 1 3 6 7 3 Q Q TEL 13942296513 QQ 376315150 892498299 TEL 13942296513 QQ 376315150 892498299 http://www.xiaoyu163.com 30 KEH-P5015,P4015,P4010 5. ELECTRICAL PARTS LIST NOTES: - Parts whose parts numbers are omitted are subject to being not supplied. - The part numbers shown below indicate chip components. Chip Resistor RS1/_S___J,RS1/__S___J Chip Capacitor (except for CQS.....) CKS....., CCS....., CSZS..... =====Circuit Symbol and No.===Part Name Part No. --- ------ ------------------------------------------ ------------------------- Unit Number : CWM7329(KEH-P5015/X1M/ES) Unit Number : CWM7335(KEH-P4015/X1M/ES) Unit Number : CWM7334(KEH-P4010/X1M/UC) Unit Name : Tuner Amp Unit MISCELLANEOUS IC 201 IC PML003AM IC 301 IC TA8277H IC 601 IC PE5198A IC 602 IC TPD1018F IC 604 IC S-80834ANY IC 751 IC HA12187FP Q 205 Transistor DTA124EU Q 301 Transistor DTC124EU Q 302 Transistor DTA124ES Q 346 Transistor RN1610 Q 401 Transistor 2SC4081 Q 601 Transistor 2SC4081 Q 602 Transistor 2SC4081 Q 609 Transistor 2SA1037K Q 751 Transistor 2SA1037K Q 752 Transistor DTC114EU Q 951 Transistor 2SD2396 Q 952 Transistor 2SD2037 Q 953 Transistor 2SB1243 Q 954 Transistor DTC114EU Q 959 Transistor 2SC4081 Q 960 Transistor RN46A1 D 301 Diode 1SS270 D 302 Diode 1SS270 D 313 Diode S5688G D 314 Diode S5688G D 315 Diode S5688G D 316 Diode S5688G D 317 Diode S5688G D 318 Diode S5688G D 319 Diode S5688G D 320 Diode S5688G D 601 Diode HZS7L(C2) D 602 Diode HZS7L(A1) D 603 Diode 1SS270 D 605 Diode 1SS270 D 608 Diode S5688G D 609 Diode S5688G D 670 Diode 1SS270 D 671 Diode 1SS270 D 672 Diode 1SS270 D 674 Diode 1SS270 D 675 Diode 1SS270 D 676 Diode 1SS270 D 951 Diode S5688G D 952 Diode S5688G D 953 Diode S5688G D 956 Diode HZS6L(B2) D 957 Diode HZS9L(B3) D 958 Diode HZS9L(A2) L 401 Ferri-Inductor LAU1R0M L 402 Ferri-Inductor LAU4R7K L 403 Ferri-Inductor LAU1R0M L 601 Ferri-Inductor LAU2R2K L 602 Inductor LAU100K L 603 Ferri-Inductor LAU2R2K L 751 Ferri-Inductor LAU2R2K L 951 Choke Coil 600µH CTH1168 X 601 Crystal Resonator 4.194304MHz CSS1023 AR 401 Surge Protector DSP-201M-S00B RESISTORS R 205 RD1/4PU821J R 206 RD1/4PU821J R 207 RD1/4PU102J R 208 RD1/4PU102J R 209 RD1/4PU223J R 210 RD1/4PU223J R 215 RS1/16S821J R 216 RD1/4PU821J R 219 RS1/16S223J R 220 RS1/16S223J R 223 RS1/16S0R0J R 225 RS1/16S0R0J R 301 RS1/16S103J R 302 RS1/16S221J R 303 RS1/16S153J R 304 RS1/16S103J R 305 RS1/16S152J R 306 RS1/16S101J R 401 RS1/16S162J R 402 RS1/16S162J R 403 RS1/16S272J R 404 RS1/16S272J R 405 RS1/16S0R0J R 406 RS1/16S0R0J R 407 RD1/4PU222J R 408 RD1/4PU222J R 409 RS1/16S681J R 410 RS1/16S473J R 411 RS1/16S681J R 412 RD1/4PU473J R 413 RS1/16S681J R 414 RD1/4PU472J R 415 RS1/16S103J R 416 RS1/16S393J R 417 RD1/4PU681J =====Circuit Symbol and No.===Part Name Part No. --- ------ ------------------------------------------ ------------------------- A www. xiaoyu163. com QQ 376315150 9 9 2 8 9 4 2 9 8 TEL 13942296513 9 9 2 8 9 4 2 9 8 0 5 1 5 1 3 6 7 3 Q Q TEL 13942296513 QQ 376315150 892498299 TEL 13942296513 QQ 376315150 892498299 http://www.xiaoyu163.com KEH-P5015,P4015,P4010 R 418 RS1/16S473J R 420 RS1/16S681J R 421 RS1/16S473J R 422 RS1/16S681J R 423 RS1/16S473J R 424 RS1/16S473J R 430 RS1/16S0R0J R 601 RS1/16S104J R 602 RS1/16S473J R 603 RS1/16S104J R 604 RS1/16S223J R 605 RS1/16S473J R 606 RS1/16S473J R 607 RS1/16S472J R 608 RD1/4PU102J R 627 RD1/4PU103J R 632 RS1/16S473J R 638 RS1/16S124J R 639 RD1/4PU102J R 640 RS1/16S223J R 641 RD1/4PU752J R 642 RS1/16S222J R 643 RD1/4PU103J R 644 RD1/4PU222J R 645 RS1/16S222J R 646 RS1/16S222J R 648 RD1/4PU222J R 649 RAB4C222J R 653 RS1/16S222J R 654 RS1/16S222J R 655 RS1/16S222J R 656 RS1/16S473J R 657 RS1/16S473J R 658 RS1/16S473J R 659 RS1/16S473J R 660 RS1/16S203J R 661 RS1/16S473J R 665 RS1/16S473J R 666 (KEH-P5015/X1M/ES,P4015/X1M/ES) RS1/16S103J R 667 (KEH-P5015/X1M/ES,P4015/X1M/ES) RS1/16S333J R 667 (KEH-P4010/X1M/UC) RS1/16S473J R 668 RS1/16S222J R 669 RS1/16S222J R 672 RS1/16S222J R 673 RS1/16S473J R 675 RS1/16S1R0J R 679 RD1/4PU222J R 685 RS1/16S682J R 690 RD1/4PU472J R 691 RS1/16S222J R 694 RD1/4PU222J R 751 RD1/4PU222J R 752 RS1/16S223J R 753 RS1/16S472J R 754 RS1/16S102J R 755 RS1/16S102J R 756 RS1/16S473J R 757 RS1/16S473J R 758 RS1/16S102J R 759 RD1/4PU101J R 760 RS1/16S620J R 761 RD1/4PU101J R 951 RS1/16S103J R 952 RD1/4PU122J R 953 RS1/16S122J R 954 RS1/16S101J R 955 RS1/16S183J R 958 RS1/16S0R0J R 963 RS1/16S223J R 964 RD1/4PU152J R 965 RS1/16S103J R 967 RD1/4PU152J R 968 RD1/4PU201J CAPACITORS C 201 CKSRYB104K16 C 202 CKSRYB104K16 C 203 CKSRYB104K16 C 204 CKSRYB104K16 C 205 CKSRYB105K6R3 C 206 CKSRYB105K6R3 C 207 CKSRYB105K6R3 C 208 CKSRYB105K6R3 C 209 CEJA4R7M35 C 210 CEJA4R7M35 C 211 CKSRYB153K25 C 212 CKSRYB153K25 C 215 CEJA2R2M50 C 216 CEJA2R2M50 C 225 CEJA100M16 C 226 CEJA470M10 C 227 CKSRYB104K16 C 301 CKSQYB474K16 C 302 CKSQYB474K16 C 303 CKSQYB474K16 C 304 CKSQYB474K16 C 305 CEJA100M16 C 306 CKSQYB225K10 C 307 CKSRYB473K16 C 308 CEJA330M10 C 309 3300µF/16V CCH1368 C 310 CKSRYB104K16 C 311 CKSQYB474K16 C 312 CKSQYB474K16 C 313 CKSQYB474K16 C 314 CKSQYB474K16 C 315 CKSQYB225K10 C 320 CKSRYB224K16 C 401 CKSRYB183K25 C 402 CKSRYB183K25 C 403 CKSQYB103K50 C 404 CKSRYB473K16 C 405 CEJA101M6R3 C 406 CEJA220M10 C 407 CKSRYB103K50 C 408 CKSRYB223K25 C 410 CKSRYB472K50 C 411 CKSRYB473K16 C 416 CKSRYB473K16 C 417 CCSRCH101J50 C 446 CKSRYB223K25 C 493 CKSRYB103K50 C 601 CKSRYB103K50 C 602 CKSRYB472K50 C 610 CEJA2R2M50 C 612 CCSRCH150J50 C 613 CCSRCH150J50 C 614 CCSRCH101J50 C 615 CEJA4R7M35 C 617 CKSRYB103K50 =====Circuit Symbol and No.===Part Name Part No. --- ------ ------------------------------------------ ------------------------- =====Circuit Symbol and No.===Part Name Part No. --- ------ ------------------------------------------ ------------------------- 31 www. xiaoyu163. com QQ 376315150 9 9 2 8 9 4 2 9 8 TEL 13942296513 9 9 2 8 9 4 2 9 8 0 5 1 5 1 3 6 7 3 Q Q TEL 13942296513 QQ 376315150 892498299 TEL 13942296513 QQ 376315150 892498299 http://www.xiaoyu163.com 32 KEH-P5015,P4015,P4010 C 620 CEJA100M16 C 621 CEJA220M10 C 636 CKSRYB473K16 C 670 CKSRYB104K16 C 751 CKSRYB104K16 C 752 CKSRYB102K50 C 951 470µF/16V CCH1183 C 952 CEJA470M10 C 953 100µF/16V CCH1179 C 954 CKSRYB103K50 C 956 CKSRYB103K50 C 957 CCSRCH101J50 C 958 330µF/10V CCH1181 Unit Number : CWM7341 (KEH-P5015/X1M/ES) Unit Name : Keyboard Unit MISCELLANEOUS IC 1901 IC PD6340A IC 1902 IC SBX8035-H D 1811 LED SML210PT D 1812 LED SML210PT D 1813 LED SML210PT D 1814 LED SML210PT D 1815 LED SML210PT D 1816 LED SML210PT D 1817 LED SML210PT D 1818 LED SML210PT D 1850 LED NSSW440-9159 D 1851 LED NSSW440-9159 D 1901 Diode MA152WK D 1902 Diode MA152WA X 1901 Ceramic Resonator 4.97MHz CSS1422 IL 1801 Lamp 14V 40mA CEL1651 IL 1802 Lamp 14V 40mA CEL1651 LCD1902 LCD CAW1617 RESISTORS R 1809 RS1/16S131J R 1810 RS1/16S151J R 1811 RS1/16S181J R 1812 RS1/16S181J R 1813 RS1/16S151J R 1814 RS1/16S181J R 1815 RS1/16S181J R 1816 RS1/16S151J R 1817 RS1/16S181J R 1818 RS1/16S181J R 1823 RS1/16S471J R 1824 RS1/16S471J R 1825 RS1/16S471J R 1826 RS1/16S471J R 1850 RS1/16S151J R 1851 RS1/16S151J R 1852 RS1/16S151J R 1853 RS1/16S0R0J R 1901 RS1/10S222J R 1902 RS1/10S222J R 1903 RS1/16S121J R 1904 RS1/16S2R2J CAPACITORS C 1810 CKSQYB104K16 C 1811 CKSQYB104K16 C 1901 CEH100M6R3 C 1902 CKSRYB103K50 Unit Number : CWM7347 (KEH-P4015/X1M/ES) Unit Name : Keyboard Unit MISCELLANEOUS IC 1901 IC PD6340A D 1811 LED SML210PT D 1812 LED SML210PT D 1813 LED SML210PT D 1814 LED SML210PT D 1815 LED SML210PT D 1816 LED SML210PT D 1817 LED SML210PT D 1818 LED SML210PT D 1850 LED NSSW440-9159 D 1851 LED NSSW440-9159 D 1901 Diode MA152WK D 1902 Diode MA152WA X 1901 Ceramic Resonator 4.97MHz CSS1422 IL 1801 Lamp 14V 40mA CEL1651 IL 1802 Lamp 14V 40mA CEL1651 LCD1902 LCD CAW1635 RESISTORS R 1809 RS1/16S131J R 1810 RS1/16S151J R 1811 RS1/16S181J R 1812 RS1/16S181J R 1813 RS1/16S151J R 1814 RS1/16S181J R 1815 RS1/16S181J R 1816 RS1/16S151J R 1817 RS1/16S181J R 1818 RS1/16S181J R 1823 RS1/16S471J R 1824 RS1/16S471J R 1825 RS1/16S471J R 1826 RS1/16S471J R 1850 RS1/16S151J R 1851 RS1/16S151J R 1852 RS1/16S151J R 1853 RS1/16S0R0J R 1901 RS1/10S222J R 1902 RS1/10S222J R 1905 RS1/16S473J CAPACITORS C 1810 CKSQYB104K16 C 1811 CKSQYB104K16 C 1902 CKSRYB103K50 Unit Number : CWM7346 (KEH-P4010/X1M/UC) Unit Name : Keyboard Unit MISCELLANEOUS IC 1901 IC PD6340A D 1811 LED SML210PT D 1812 LED SML210PT D 1813 LED SML210PT D 1814 LED SML210PT D 1815 LED SML210PT D 1816 LED SML210PT D 1817 LED SML210PT D 1818 LED SML210PT D 1850 LED NSSW440-9159 =====Circuit Symbol and No.===Part Name Part No. --- ------ ------------------------------------------ ------------------------- =====Circuit Symbol and No.===Part Name Part No. --- ------ ------------------------------------------ ------------------------- B B B www. xiaoyu163. com QQ 376315150 9 9 2 8 9 4 2 9 8 TEL 13942296513 9 9 2 8 9 4 2 9 8 0 5 1 5 1 3 6 7 3 Q Q TEL 13942296513 QQ 376315150 892498299 TEL 13942296513 QQ 376315150 892498299 http://www.xiaoyu163.com KEH-P5015,P4015,P4010 D 1851 LED NSSW440-9159 D 1901 Diode MA152WK D 1902 Diode MA152WA X 1901 Ceramic Resonator 4.97MHz CSS1422 IL 1801 Lamp 14V 40mA CEL1651 IL 1802 Lamp 14V 40mA CEL1651 LCD1902 LCD CAW1635 RESISTORS R 1809 RS1/16S131J R 1810 RS1/16S151J R 1811 RS1/16S181J R 1812 RS1/16S181J R 1813 RS1/16S151J R 1814 RS1/16S181J R 1815 RS1/16S181J R 1816 RS1/16S151J R 1817 RS1/16S181J R 1818 RS1/16S181J R 1823 RS1/16S471J R 1824 RS1/16S471J R 1825 RS1/16S471J R 1826 RS1/16S471J R 1850 RS1/16S151J R 1851 RS1/16S151J R 1852 RS1/16S151J R 1853 RS1/16S0R0J R 1901 RS1/10S222J R 1902 RS1/10S222J R 1905 RS1/16S473J CAPACITORS C 1810 CKSQYB104K16 C 1811 CKSQYB104K16 C 1902 CKSRYB103K50 Unit Number : EWM1032 Unit Name : Deck Unit MISCELLANEOUS IC 251 IC HA12229F IC 351 IC PA2020A D 352 Diode 1SS355 RESISTORS R 271 RS1/16S183J R 285 RS1/16S0R0J R 301 RS1/16S163J R 302 RS1/16S163J R 303 RS1/16S163J R 304 RS1/16S163J R 351 RS1/16S102J R 352 RS1/16S102J R 353 RS1/16S102J R 354 RS1/16S102J R 355 RS1/16S274J R 362 RS1/8S301J R 373 RS1/16S0R0J R 374 RS1/8S0R0J R 401 RS1/16S153J R 402 RS1/16S332J R 403 RS1/16S911J R 404 RS1/16S274J CAPACITORS C 251 CKSRYB391K50 C 252 CKSRYB391K50 C 253 CKSRYB391K50 C 254 CKSRYB391K50 C 255 CKSRYB103K50 C 256 CKSRYB103K50 C 271 1µF/50V ECH0002 C 272 CKSRYB104K16 C 301 CKSRYB104K16 C 302 CKSRYB104K16 C 351 CKSQYB224K25 C 352 CKSRYB392K50 C 353 CKSRYB103K50 C 354 CKSRYB103K50 C 355 CKSQYB104K50 C 356 CKSRYB103K50 C 401 CKSRYB392K50 C 402 CKSRYB334K10 C 403 CKSRYB223K25 C 404 CKSRYB103K50 C 405 CKSRYB333K16 Unit Number : Unit Name : REEL SENSE PCB S 1 Switch(LOAD) ESG1007 S 2 Switch(MODE) ESG1007 EGN 1 Photo-reflector EGN1004 Miscellaneous Parts List M 1 Motor Unit(MAIN) EXA1491 M 2 Motor Unit(SUB) EXA1580 HD 1 Head Assy EXA1592 =====Circuit Symbol and No.===Part Name Part No. --- ------ ------------------------------------------ ------------------------- =====Circuit Symbol and No.===Part Name Part No. --- ------ ------------------------------------------ ------------------------- 33 C 6. ADJUSTMENT There is no information to be shown in this chapter. D www. xiaoyu163. com QQ 376315150 9 9 2 8 9 4 2 9 8 TEL 13942296513 9 9 2 8 9 4 2 9 8 0 5 1 5 1 3 6 7 3 Q Q TEL 13942296513 QQ 376315150 892498299 TEL 13942296513 QQ 376315150 892498299 http://www.xiaoyu163.com 34 KEH-P5015,P4015,P4010 - Removing the Tuner Amp Unit (Fig.2) Remove the two screws. Straight the tabs at four locations indicated. Remove the screw. Remove the three screws and then remove the Tuner Amp Unit. - Removing the Case (not shown) 1. Remove the two screws. 2. Remove the Case. - Removing the Cassette Mechanism Module (Fig.1) Remove the four screws and then remove the Cassette Mechanism Module. - Removing the Panel Assy (Fig.1) Disconnect the two stoppers and then remove the Panel Assy. Fig.1 7 GENERAL INFORMATION 7.1 DIAGNOSIS 7.1.1 DISASSEMBLY Fig.2 Tuner Amp Unit Cassette Mechanism Module Panel Assy www. xiaoyu163. com QQ 376315150 9 9 2 8 9 4 2 9 8 TEL 13942296513 9 9 2 8 9 4 2 9 8 0 5 1 5 1 3 6 7 3 Q Q TEL 13942296513 QQ 376315150 892498299 TEL 13942296513 QQ 376315150 892498299 http://www.xiaoyu163.com 35 KEH-P5015,P4015,P4010 7.1.2 CONNECTOR FUNCTION DESCRIPTION 11 10 9 8 7 6 5 4 3 2 1 IP-BUS IN 1. BUS+ 2. GND 3. GND 4. NC 5. BUS- 6. GND 7. BUS L+ INPUT 8. ASENB 9. BUS R+ INPUT 10. BUS R- INPUT 11. BUS L- INPUT ANTENNA JACK 11 10 9 8 7 6 5 4 3 2 1 12 1. B.REMOTE 2. ACC 3. FR- OUTPUT 4. FR+ OUTPUT 5. FL- OUTPUT 6. FL+ OUTPUT 7. BACK UP 8. RL+ OUTPUT 9. RL- OUTPUT 10. RR+ OUTPUT 11. RR- OUTPUT 12. GND REAR OUTPUT www. xiaoyu163. com QQ 376315150 9 9 2 8 9 4 2 9 8 TEL 13942296513 9 9 2 8 9 4 2 9 8 0 5 1 5 1 3 6 7 3 Q Q TEL 13942296513 QQ 376315150 892498299 TEL 13942296513 QQ 376315150 892498299 http://www.xiaoyu163.com 36 KEH-P5015,P4015,P4010 36 7.2 PARTS 7.2.1 IC - Pin Functions (PE5198A) Pin No. Pin Name I/O Format Function and Operation 1 SD I Station detector input 2 st I FM stereo input 3 ADPW O C A/D converter power supply output 4 AVSS A/D converter GND 5 mute O C System mute output 6 TELLIN I Telephone mute input 7 AVREF1 A/D converter reference voltage 8 KYDT I Key data input 9 DPDT O C Display data output 10 B.REM O C B.REM control output 11 TUNPDI I PLL IC data input 12 TUNPDO O C PLL IC data output 13 TUNPCK O C PLL IC clock output 14 TUNPCE O C PLL IC chip enable output 15 tmute O C Tuner mute output 16 NC Not used 17 TX O C IP BUS data output 18 NC Not used 19 swvdd O C Key board unit power supply control output 20 ASENBO O C Slave power supply control output 21 IPPW O C IP-BUS driver power supply output 22 VST O C Strobe pulse output for electronic volume 23 VCK O C Clock output for electronic volume 24 VDT O C Data output for electronic volume 25 LOCL O C Local L output 26 LOCH O C Local H output 27 SYSPW O C System power supply control output 28 TUNPCE2 O C EEPROM chip enable output 29 DALMON O C DFS alarm output 30 currq O Tuner voltage FIX output 31 STBY O C Cassette mechanism stand-by output 32 CM O C Cassette mechanism capstan motor control output 33 VSS GND 34 SC1 O C Cassette mechanism sub motor control output 35 SC2 O C Cassette mechanism sub motor control output 36 NES I Cassette mechanism forward end sense input 37 RES I Cassette mechanism reverse end sense input 38 POS I Cassette mechanism position sense input 39 NR O N Cassette mechanism dolby NR ON/OFF select output 40 mtlsw I Cassette mechanism metal tape sense input 41 RIMUTE O N Cassette mechanism RI mute output 42 PLAY O C Cassette mechanism tape MS filter select output 43 n/R I Cassette mechanism tape direction input 44 MSIN I Cassette mechanism MS sense input 45 PEE O C Beep tone output 46 loadsw I Tape loading sensor input 47 RDS57K I RDS 57kHz pulse count input 48 SDBW O SD bandwidth signal input 49 PCL O C Clock adjustment output 50 LCDPW O C LCD back light power supply control output 51–54 NC Not used 55 fm/AM O C RDS decoder power supply control output 56 TX O C IP BUS data output 57 RX I IP BUS data input 58 NC Not used www. xiaoyu163. com QQ 376315150 9 9 2 8 9 4 2 9 8 TEL 13942296513 9 9 2 8 9 4 2 9 8 0 5 1 5 1 3 6 7 3 Q Q TEL 13942296513 QQ 376315150 892498299 TEL 13942296513 QQ 376315150 892498299 http://www.xiaoyu163.com 37 KEH-P5015,P4015,P4010 IC's marked by* are MOS type. Be careful in handling them because they are very liable to be damaged by electrostatic induction. *PE5198A Pin No. Pin Name I/O Format Function and Operation 59 ILL O C Illumination power supply control output 60 reset I Reset input 61 ldet I PLL lock sense input 62 RCK O C FROM clock output 63 dsens I Grille detach sense input 64 RDT I FROM data input 65 asens I ACC power sense input 66 bsens I Back up power sense input 67 VSS GND 68 VDD Power supply 69 X2 Crystal oscillator connection pin 70 X1 Crystal oscillator connection pin 71 IC GND 72 NC Not used 73 TESTIN I Test program mode input 74 AVDD Power supply terminal 75 AVREF0 A/D converter reference voltage 75 SL I SD level input from tuner 77 MODEL I Model select input 78 NL1 I RDS noise level input 79 NL2DT I RDS noise level input 80 ILMPW O C Illumination power supply control output 20 21 40 41 60 61 80 1 Format Meaning C C MOS N N Channel open drain *PD6340A 49 48 33 32 17 16 1 64 www. xiaoyu163. com QQ 376315150 9 9 2 8 9 4 2 9 8 TEL 13942296513 9 9 2 8 9 4 2 9 8 0 5 1 5 1 3 6 7 3 Q Q TEL 13942296513 QQ 376315150 892498299 TEL 13942296513 QQ 376315150 892498299 http://www.xiaoyu163.com 38 KEH-P5015,P4015,P4010 - Pin Functions (PD6340A) Pin No. Pin Name I/O Function and Operation 1-5 SEG4-0 O LCD segment output 6-9 COM3-0 O LCD common output 10 VLCD LCD drive power supply 11-14 KST3-0 O Key strobe output 15,16 KDT0,1 I Key data input (analogue input) 17 REM I Remote control reception 18 DPDT I Display data input 19 RST Not used 20 KYDT O Key data output 21 MODA GND 22 X0 Crystal oscillator connection pin 23 X1 Crystal oscillator connection pin 24 VSS GND 25,26 KDT2,3 I Key data input 27 NC Not used 28 KST4 O Key strobe output 29-55 SEG39-13 O LCD segment output 56 VDD Power supply 57-64 SEG12-5 O LCD segment output TA8277H TAB GND2 STBY VCC2 RIP IN1 IN2 PRE-GND IN4 IN3 AUX IN OUT3(+) OUT3(+) GND3 OUT3(-) VCC1 OUT4(+) MUTE OUT4(-) GND4 CRIP OUT 1 2 3 4 5 6 7 8 9 10 11 12 13 14 15 16 17 18 19 20 21 22 23 24 25 OUT2(-) OUT2(+) OUT1(-) GND1 OUT1(+) + – + – + – + – + – + – + – + – www. xiaoyu163. com QQ 376315150 9 9 2 8 9 4 2 9 8 TEL 13942296513 9 9 2 8 9 4 2 9 8 0 5 1 5 1 3 6 7 3 Q Q TEL 13942296513 QQ 376315150 892498299 TEL 13942296513 QQ 376315150 892498299 http://www.xiaoyu163.com 39 KEH-P5015,P4015,P4010 S-80834ANY 1 2 3 1 OUT VDD VSS 30 TAI(L) 29 TEST 28 PBOUT(L) 27 NC 26 NC 25 NC 31 NFI(R) 32 Vref1 33 RIN(L) 34 NC 35 RIN(R) 11 12 13 14 15 16 17 18 20 19 MUTE ON/off MSOUT 120/70 ser/REP for/REV VCC MSDET MSI MAOUT MSGv(R) 36 37 4 5 GND FIN(R) M-OUT(R) Vref3 38 6 Vref2 EQOUT(R) 39 7 FIN(L) TAI(R) 40 8 NFI(L) RIP 1 9 M-OUT(L) PBOUT(R) 2 10 EQOUT(L) NC 3 Vref4 24 23 22 21 MSGv(S) NC NC NC LPF DET MUTE ON/off MUTE ON/off HA12229F www. xiaoyu163. com QQ 376315150 9 9 2 8 9 4 2 9 8 TEL 13942296513 9 9 2 8 9 4 2 9 8 0 5 1 5 1 3 6 7 3 Q Q TEL 13942296513 QQ 376315150 892498299 TEL 13942296513 QQ 376315150 892498299 http://www.xiaoyu163.com 40 KEH-P5015,P4015,P4010 No. Symbol I/O Explain 1 STIND O stereo "Low" when the FM stereo signals are received. indicator To be pulled up to the "VDD" at 47kΩ. 2 FMSD O FM station "High" when signals are received. To be pulled up to the "VDD" at 47kΩ detector Meanwhile, 10kΩ should be used when taking diver FIX trigger from here and "High: 0.9VDD or more" and "Low: 250mV or less". (Should satisfy the diver IC specifications) 3 NL1 O noise level-1 "High" when noise is received. Output for the RDS. GND at 47kΩ //1,800pF. 4 NL2 O noise level-2 "High" when noise is received. Output for the RDS. GND at 36kΩ //330pF. 5 Rch O R channel FM stereo "R-ch" signal output or AM audio output. output Add the specified di-emphasis constant. 6 Lch O L channel FM stereo "L-ch" signal output or AM audio output. output Add the specified di-emphasis constant. 7 WC write control EEPROM write control. Writing permissible at "Low". Normally open. 8 SDBW O SD bandwidth SD bandwidth signal output. For detection of detuning data for the RDS. 9 NC Not used 10 VDD power Power supply pin for the digital section. supply D.C. 5V +/- 0.25V. Be careful about overlapping noise in the logic section. 11 DGND digital ground Grounding for the digital section. 12 CE2 I chip enable-2 EEPROM chip enable. Active a "Low" To be pulled up to the "VDD" at 47kΩ 13 SL I/O signal level Received FM/AM signal level (strength) output. Connect the specified load resistor and capacitor (10k Ω + 39k Ω //4,700pF) 14 DI/DO I/O data input/ Data input/Data output data output To be pulled up to the "VDD" at 47kΩ 15 CK I clock Clock input To be pulled up to the "VDD" at 47kΩ 16 CE1 I chip enable-1 AF·RF chip enable. Active at "High" To be grounded at 47kΩ 17 NC Not used 18 LDET O lock detector Active at "Low". To be pulled up to the "VDD" at 47kΩ 19 CREQ I current request Active at "Low". To be grounded at 47kΩ 20 NC Not used 21 COMP O composite signal FM composite signal output. r out < 100Ω 22 VCC power supply Analog section power supply pin.D.C.8.4V +/- 0.3V 23 LOCH I local high FM local high pin. When seeking local high, apply 5V together with "LOCL". 24 FMLOCL I FM local low FM local low pin. When seeking local low, apply 5V to the base of the NPN transistor with which the specified resistor is being connected to the emitter. Keep it open in case of ordinary marketed models. 25 LOCL I local low FM/AM local low pin. When seeking local low, apply 5V to the base of the NPN transistor. Since this pin is exclusive for AM when the FMLOCL is in use, do not drive it under FM. 26 RFGND RF ground Grounding for the antenna section. 27 FMANT I FM antenna input FM antenna input. 75Ω. Serge absorber (DSP-201M-S00B) is necessary. 28 AMANT I AM antenna input AM antenna input. High impedance. Connect to the antenna through an L (LAU type) of 4.7µH.To cope with the power transmission line hums, insert a series circuit consisting of an L (a coil of about 100mH) + R (a resistor of 470 Ω to 2.2kΩ) between the GND. IC 3 EEPROM FM/AM TUNER UNIT 28 27 FM/AM 1ST IF 10.7MHz T51 Q51 CF51 CF52 CF53 IC1 MIXER, IF AMP, DET. 6 21 18 LDET COMP 22 25 10 14 12 15 16 8 13 2 3 4 CF202 VDD VCC DI/DO CE2 CK CE1 SDBW SL FMSD NL1 NL2 IC 2 FM MPX AMANT FMANT ATT ATT AMRF FMRF IMG ADJ RF ADJ X901 10.25MHz ANT ADJ LOCL 23 LOCH AMDET MPXREF 41kHz AM 2ND IF 450kHz 19 CREQ 11 DGND 1 STIND L ch 5 R ch 9 24 NC FMLOCL 20 17 7 NC NC WC 26 RFGND - FM/AM Tuner Unit www. xiaoyu163. com QQ 376315150 9 9 2 8 9 4 2 9 8 TEL 13942296513 9 9 2 8 9 4 2 9 8 0 5 1 5 1 3 6 7 3 Q Q TEL 13942296513 QQ 376315150 892498299 TEL 13942296513 QQ 376315150 892498299 http://www.xiaoyu163.com 41 KEH-P5015,P4015,P4010 SEG37 SEG35 SEG34 SEG33 SEG32 SEG31 SEG30 SEG29 SEG28 SEG27 SEG26 SEG25 SEG24 SEG23 SEG22 SEG21 SEG20 SEG18 SEG17 SEG16 SEG15 SEG14 SEG13 SEG12 SEG11 SEG10 SEG9 SEG8 SEG7 SEG6 SEG5 SEG4 SEG3 SEG2 SEG1 SEG0 SEG19 SEG36 COM2B COM0A COM2C COM3B COM2D COM1B COM0B SEG39 SEG38 COM3A COM2A COM1A 37 36 35 34 33 32 31 30 29 28 27 26 25 24 23 22 20 19 18 17 16 15 14 13 12 11 10 9 8 7 6 5 4 3 2 21 1 47 46 45 44 43 42 41 39 38 50 49 48 40 COM2B COM0A COM2C COM3B COM2D COM1B COM0B COM3A COM2A COM1A COMMON SEGMENT 7.2.2 DISPLAY - CAW1617(KEH-P5015/X1M/ES), CAW1635(KEH-P4015/X1M/ES, KEH-P4010/X1M/UC) www. xiaoyu163. com QQ 376315150 9 9 2 8 9 4 2 9 8 TEL 13942296513 9 9 2 8 9 4 2 9 8 0 5 1 5 1 3 6 7 3 Q Q TEL 13942296513 QQ 376315150 892498299 TEL 13942296513 QQ 376315150 892498299 http://www.xiaoyu163.com 42 KEH-P5015,P4015,P4010 7.3 OPERATIONAL FROW CHART VDD=5V Pin 68 Power ON YES bsens Pin 66 asens Pin 65 dsens Pin 63 ADPW←H Pin 3 IPPW←H Pin 21 swvdd←L Pin 19 Source keys operative Completes power-on operation. (After that, proceed to each source operation.) SYSPW←H Pin 27 Starts communication with Grille microcomputer. Source ON 300ms 300ms In case of the above signal, the communication with Grille microcomputer may fail. If the time interval is not 300msec, the oscillator may be defective. BSENS=L ASENS=L DSENS=L www. xiaoyu163. com QQ 376315150 9 9 2 8 9 4 2 9 8 TEL 13942296513 9 9 2 8 9 4 2 9 8 0 5 1 5 1 3 6 7 3 Q Q TEL 13942296513 QQ 376315150 892498299 TEL 13942296513 QQ 376315150 892498299 http://www.xiaoyu163.com 43 KEH-P5015,P4015,P4010 8. OPERATIONS AND SPECIFICATIONS 8.1 OPERATIONS Head Unit Remote Controller (KEH-P5015) KEH-P5015 is equipped with a remote controller for convenient operation. Operation is the same as when using buttons on the head unit. +/– button Raise or lower the volume. AUDIO button BAND button CD button Press once to select a CD. ATT button This lets you quickly lower volume level (by about 90%). Press once more to return to the original volume level. 5/∞�/2/3 buttons TUNER button Press once to select a tuner. P TAPE button Press once to select a tape. AUSE button Press once to pause play. AUDIO button BAND button Detach button PAUSE/SCAN button Buttons 1–6 SOURCE button LOUD button EQ button EJECT button LOCAL/BSM button +/– buttons Cassette door 5/∞�/2/3 buttons www. xiaoyu163. com QQ 376315150 9 9 2 8 9 4 2 9 8 TEL 13942296513 9 9 2 8 9 4 2 9 8 0 5 1 5 1 3 6 7 3 Q Q TEL 13942296513 QQ 376315150 892498299 TEL 13942296513 QQ 376315150 892498299 http://www.xiaoyu163.com 44 KEH-P5015,P4015,P4010 Basic Operation To Listen to Music The following explains the initial operations required before you can listen to music. Note: • Loading a cassette in this product. 1. Select the desired source (e.g. Tuner). 7 Head Unit Each press of the SOURCE button selects the desired source in the following order: CD player (one disc only) = Tuner = Tape = Multi-CD player = External Unit = AUX 7 Remote Controller Each press of the button selects the desired source in the following order: TUNER button : Tuner = Sources OFF CD button : CD player (one disc only) = Multi-CD player = Sources OFF Note: • External Unit refers to a Pioneer product (such as one available in the future) that, although incom- patible as a source, enables control of basic functions by this product. Only one External Unit can be controlled by this product. • In the following cases, the sound source will not change: * When a product corresponding to each source is not connected to this product. * When no tape is set in this product. * When no magazine is set in the Multi-CD player. * When no disc is set in the CD player. * When the AUX (external input) is set to OFF. • When this product’s blue/white lead is connected to the car’s Auto-antenna relay control terminal, the car’s Auto-antenna extends when this product’s source is switched ON. To retract the antenna, switch the source OFF. 2. Raise or lower the volume. 3. Turn the source OFF. Hold for 1 second Each press changes the Source ... Preset Tuning • You can memorize broadcast stations in buttons 1 through 6 for easy, one-touch station recall. Preset station recall 2 seconds or less Broadcast station preset memory 2 seconds or more Note: • Up to 18 FM stations (6 in F1 (FM1), F2 (FM2) and F3 (FM3)) and 6 AM stations can be stored in memory. • You can also use the 5 or ∞ buttons to recall broadcast sta- tions memorized in buttons 1 through 6. Preset Number Indicator Band F1 (FM1) = F2 (FM2) = F3 (FM3) = AM Band Indicator Frequency Indicator Basic Operation of Tuner Reset the AM tuning step from 9 kHz (the factory preset step) to 10 kHz when using the tuner in North, Central or South America.(KEH-P5015/X1M/ES, KEH-P4015/X1M/ES) Manual and Seek Tuning • You can select the tuning method by changing the length of time you press the 2/3 button. Manual Tuning (step by step) 0.5 seconds or less Seek Tuning 0.5 seconds or more Note: • If you continue pressing the button for longer than 0.5 seconds, you can skip broadcast stations. Seek Tuning starts as soon as you release the button. • Stereo indicator “” lights when a stereo station is selected. www. xiaoyu163. com QQ 376315150 9 9 2 8 9 4 2 9 8 TEL 13942296513 9 9 2 8 9 4 2 9 8 0 5 1 5 1 3 6 7 3 Q Q TEL 13942296513 QQ 376315150 892498299 TEL 13942296513 QQ 376315150 892498299 http://www.xiaoyu163.com 45 KEH-P5015,P4015,P4010 Eject Note: • The Tape function can be turned ON/OFF with the cassette tape remain- ing in this product. Basic Operation of Cassette Player Basic Operation Direction Change Direction Indicator Cassette Loading Slot Note: • Don’t insert any materials except for cassette into Cassette Loading Slot. Fast Forward/Rewind and Music Search • Each press of the 3 button selects Fast Forward or Forward-Music Search. FF (Fast Forward) = F-MS (Forward-Music Search) = Normal Playback • Each press of the 2 button selects Rewind or Rewind-Music Search. REW (Rewind) = R-MS (Rewind-Music Search) = Normal Playback Note: • Fast Forward/Rewind and Music Search can be canceled by pressing the BAND button. Basic Operation of Multi-CD Player This product can control a Multi-CD player (sold separately). Play Time Indicator Disc Search Disc Number Indicator Track Number Indicator Disc Number Search (for 6-Disc, 12-Disc types) • You can select discs directly with the 1 to 6 buttons. Just press the number corresponding to the disc you want to listen to. Note: • When a 12-Disc Multi-CD Player is connected and you want to select disc 7 to 12, press the 1 to 6 buttons for 2 seconds. Note: • The Multi-CD player may perform a preparatory operation, such as verifying the presence of a disc or reading disc information, when the power is turned ON or a new disc is selected for play- back. “READY” is displayed. • If the Multi-CD player cannot operate properly, an error message such as “ERROR-14” is dis- played. Refer to the Multi-CD player owner’s manual. • If there are no discs in the Multi-CD player magazine, “NO DISC” is displayed. Track Search and Fast Forward/Reverse • You can select between Track Search or Fast Forward/Reverse by pressing the 2/3 button for a different length of time. Track Search 0.5 seconds or less Fast Forward/Reverse Continue pressing Note: • Multi-CD indicator “ ” lights when a Multi-CD source is selected. www. xiaoyu163. com QQ 376315150 9 9 2 8 9 4 2 9 8 TEL 13942296513 9 9 2 8 9 4 2 9 8 0 5 1 5 1 3 6 7 3 Q Q TEL 13942296513 QQ 376315150 892498299 TEL 13942296513 QQ 376315150 892498299 http://www.xiaoyu163.com 46 KEH-P5015,P4015,P4010 2. Rear output 3. Antenna jack + ≠ + ≠ + ≠ + ≠ + ≠ + ≠ 11. Blue/white To system control terminal of the power amp or Auto-antenna relay control terminal (max. 300 mA 12 V DC). 12. Connecting cords with RCA pin plugs (sold separately) 14. System remote control 27. Front speaker (Right) 28. Rear speaker (Right) 19. White 23. Gray 20. White/black 21. Green 22. Green/black 24. Gray/black 25. Violet 26. Violet/black 17. Front speaker (Left) 18. Rear speaker (Left) 16. Perform these connections when using a different amp (sold separately). 15. With a 2 speaker system, do not connect anything to the speaker leads that are not connected to speakers. 1. This product 4. Fuse 8. Yellow To terminal always supplied with power regardless of ignition switch position. 10. Black (ground) To vehicle (metal) body. 9. Red To electric terminal controlled by ignition switch (12 V DC) ON/OFF. 13. Power amp (sold separately) 18. Rear speaker (Left) 28. Rear speaker (Right) 6. IP-BUS input (Blue) 7. IP-BUS cable 5. Multi-CD player (sold separately) www. xiaoyu163. com QQ 376315150 9 9 2 8 9 4 2 9 8 TEL 13942296513 9 9 2 8 9 4 2 9 8 0 5 1 5 1 3 6 7 3 Q Q TEL 13942296513 QQ 376315150 892498299 TEL 13942296513 QQ 376315150 892498299 http://www.xiaoyu163.com 47 KEH-P5015,P4015,P4010 8.2 SPECIFICATIONS - KEH-P5015/X1M/ES, KEH-P4015/X1M/ES General Power source .......... 14.4 V DC (10.8 – 15.1 V allowable) Grounding system ........................................ Negative type Max. current consumption ........................................ 8.5 A Electrode dark current ................................Less than 4 mA Dimensions (DIN) (chassis) ...... 178 (W) × 50 (H) × 155 (D) mm (nose) ............ 188 (W) × 58 (H) × 19 (D) mm (D) (chassis) ...... 178 (W) × 50 (H) × 160 (D) mm (nose) ............ 170 (W) × 48 (H) × 14 (D) mm Weight ...................................................................... 1.2 kg Amplifier Continuous power output is 20 W per channel min. into 4 ohms, both channels driven 50 to 15,000 Hz with no more than 5% THD. Maximum power output ...................................... 45 W × 4 Load impedance .......................... 4 Ω (4 – 8 Ω allowable) Preout maximum output level/output impedance ............................ 2.2 V/1 kΩ Equalizer (3-Band Equalizer) (Low) .................................................. Level: ±12 dB (Mid) .................................................... Level: ±12 dB (High) .................................................. Level: ±12 dB Loudness contour (Low) .................. +3.5 dB (100 Hz), +3 dB (10 kHz) (Mid) ................ +10 dB (100 Hz), +6.5 dB (10 kHz) (High) ................ +11 dB (100 Hz), +11 dB (10 kHz) (volume: –30 dB) Cassette player Tape ........................ Compact cassette tape (C-30 – C-90) Tape speed ........ 4.76cm/sec.(+0.14cm/sec., -0.05cm/sec.) Fast forward/rewinding time .... Approx. 100 sec. for C-60 Wow & flutter .......................................... 0.09% (WRMS) Frequency response ...................... 30 – 16,000 Hz (±3 dB) Stereo separation ...................................................... 45 dB Signal-to-noise ratio .................... 61 dB (IEC-A network) FM tuner Frequency range ...................................... 87.5 – 108 MHz Usable sensitivity ...................................................... 9 dBf (0.8 µV/75 Ω, mono, S/N: 30 dB) 50 dB quieting sensitivity .... 15 dBf (1.5 µV/75 Ω, mono) Signal-to-noise ratio ...................... 70 dB (IEC-A network) Distortion .......................... 0.3% (at 65 dBf, 1 kHz, stereo) Frequency response ...................... 30 – 15,000 Hz (±3 dB) Stereo separation .......................... 40 dB (at 65 dBf, 1 kHz) AM tuner Frequency range ........................ 531 – 1,602 kHz (9 kHz) 530 – 1,640 kHz (10 kHz) Usable sensitivity .............................. 18 µV (S/N: 20 dB) Selectivity .................................................. 50 dB (±9 kHz) 50 dB (±10 kHz) Note: • Specifications and the design are subject to possi- ble modification without notice due to improve- ments. www. xiaoyu163. com QQ 376315150 9 9 2 8 9 4 2 9 8 TEL 13942296513 9 9 2 8 9 4 2 9 8 0 5 1 5 1 3 6 7 3 Q Q TEL 13942296513 QQ 376315150 892498299 TEL 13942296513 QQ 376315150 892498299 http://www.xiaoyu163.com KEH-P5015,P4015,P4010 - KEH-P4010/X1M/UC General Power source .......... 14.4 V DC (10.8 – 15.1 V allowable) Grounding system ........................................ Negative type Max. current consumption ........................................ 8.5 A Electrode dark current ................................Less than 4 mA Dimensions (DIN) (chassis) ...... 178 (W) × 50 (H) × 155 (D) mm [7 (W) × 2 (H) × 6-1/8 (D) in] (nose) ............ 188 (W) × 58 (H) × 19 (D) mm [7-3/8 (W) × 2-1/4 (H) × 3/4 (D) in] (D) (chassis) ...... 178 (W) × 50 (H) × 160 (D) mm [7 (W) × 2 (H) × 6-1/4 (D) in] (nose) ............ 170 (W) × 48 (H) × 14 (D) mm [6-3/4 (W) × 1-7/8 (H) × 5/8 (D) in] Weight ........................................................ 1.2 kg (2.6 lbs) Amplifier Continuous power output is 20 W per channel min. into 4 ohms, both channels driven 50 to 15,000 Hz with no more than 5% THD. Maximum power output ...................................... 45 W × 4 Load impedance .......................... 4 Ω (4 – 8 Ω allowable) Preout maximum output level/ output impedance .................................... 2.2 V/1 kΩ Equalizer (3 band equalizer) (Low) .............................................................. ±12 dB (Mid) .............................................................. ±12 dB (High) .............................................................. ±12 dB Loudness contour (Low) .................. +3.5 dB (100 Hz), +3 dB (10 kHz) (Mid) ................ +10 dB (100 Hz), +6.5 dB (10 kHz) (High) ................ +11 dB (100 Hz), +11 dB (10 kHz) (volume: –30 dB) Cassette player Tape ........................ Compact cassette tape (C-30 – C-90) Tape speed ........ 4.76cm/sec.(+0.14cm/sec., -0.05cm/sec.) Fast forward/rewinding time .... Approx. 100 sec. for C-60 Wow & flutter .......................................... 0.09% (WRMS) Frequency response ...................... 30 – 16,000 Hz (±3 dB) Stereo separation ...................................................... 45 dB Signal-to-noise ratio...................... 61 dB (IHF-A network) FM tuner Frequency range .................................... 87.9 – 107.9 MHz Usable sensitivity ...................................................... 9 dBf (0.8 µV/75 Ω, mono, S/N: 30 dB) 50 dB quieting sensitivity .... 15 dBf (1.5 µV/75 Ω, mono) Signal-to-noise ratio ...................... 70 dB (IHF-A network) Distortion .......................... 0.3% (at 65 dBf, 1 kHz, stereo) Frequency response ...................... 30 – 15,000 Hz (±3 dB) Stereo separation .......................... 40 dB (at 65 dBf, 1 kHz) Selectivity .................................................... 70 dB (2ACA) Three-signal intermodulation (desired signal level) ........................................ 30 dBf (two undesired signal level: 100 dBf) AM tuner Frequency range ...................... 530 – 1,710 kHz (10 kHz) Usable sensitivity .............................. 18 µV (S/N: 20 dB) Selectivity ................................................ 50 dB (±10 kHz) Note: • Specifications and the design are subject to possi- ble modification without notice due to improve- ments. www. xiaoyu163. com QQ 376315150 9 9 2 8 9 4 2 9 8 TEL 13942296513 9 9 2 8 9 4 2 9 8 0 5 1 5 1 3 6 7 3 Q Q TEL 13942296513 QQ 376315150 892498299 TEL 13942296513 QQ 376315150 892498299 http://www.xiaoyu163.com

标签:

版权声明

1. 本站所有素材,仅限学习交流,仅展示部分内容,如需查看完整内容,请下载原文件。
2. 会员在本站下载的所有素材,只拥有使用权,著作权归原作者所有。
3. 所有素材,未经合法授权,请勿用于商业用途,会员不得以任何形式发布、传播、复制、转售该素材,否则一律封号处理。
4. 如果素材损害你的权益请联系客服QQ:77594475 处理。