先锋PIONEER KEH-M8227ZT音响电路图

分类:电子电工 日期: 点击:0
先锋PIONEER KEH-M8227ZT音响电路图-0 先锋PIONEER KEH-M8227ZT音响电路图-1 先锋PIONEER KEH-M8227ZT音响电路图-2 先锋PIONEER KEH-M8227ZT音响电路图-3 先锋PIONEER KEH-M8227ZT音响电路图-4 先锋PIONEER KEH-M8227ZT音响电路图-5 先锋PIONEER KEH-M8227ZT音响电路图-6 先锋PIONEER KEH-M8227ZT音响电路图-7 先锋PIONEER KEH-M8227ZT音响电路图-8 先锋PIONEER KEH-M8227ZT音响电路图-9

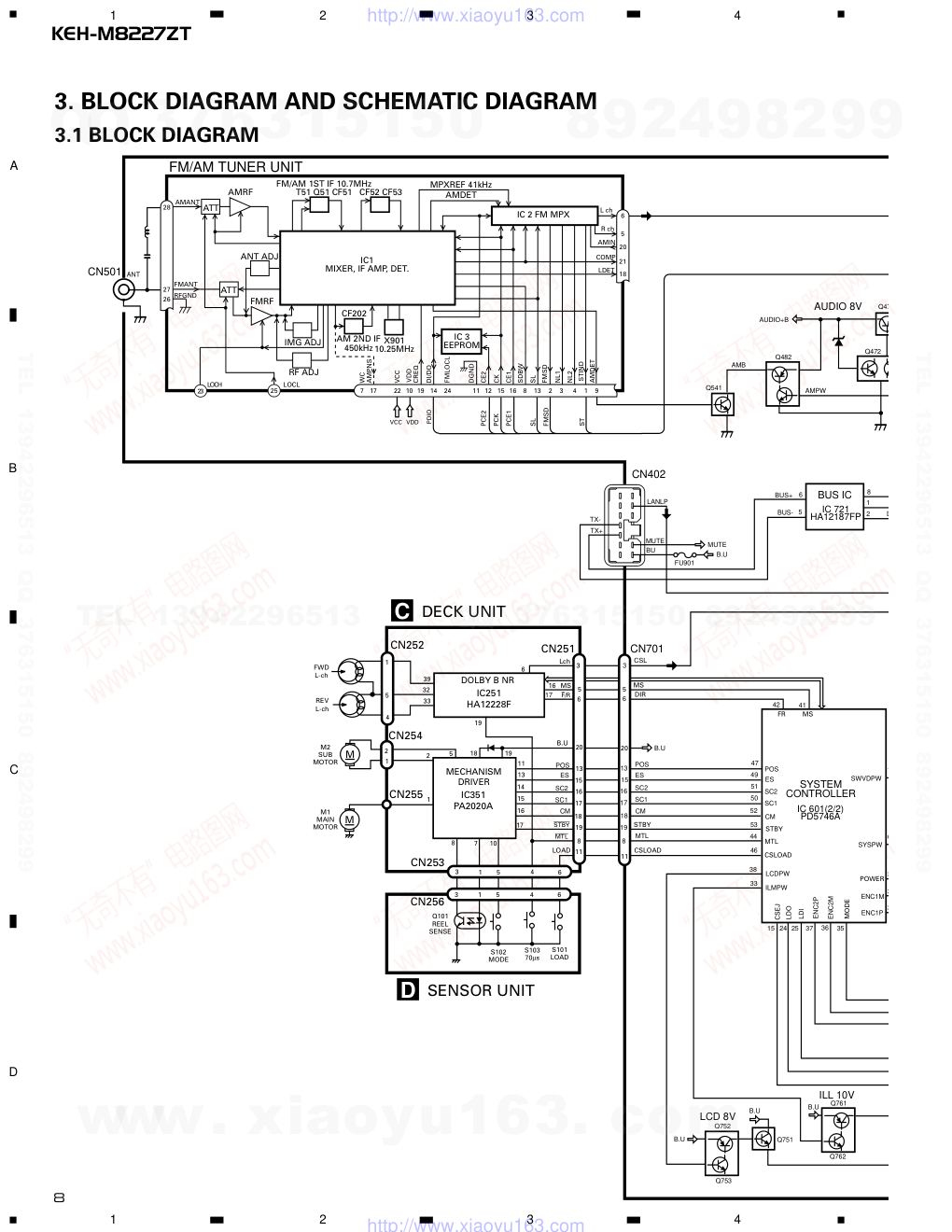
PIONEER CORPORATION 4-1, Meguro 1-Chome, Meguro-ku, Tokyo 153-8654, Japan PIONEER ELECTRONICS (USA) INC. P.O.Box 1760, Long Beach, CA 90801-1760 U.S.A. PIONEER EUROPE NV Haven 1087 Keetberglaan 1, 9120 Melsele, Belgium PIONEER ELECTRONICS ASIACENTRE PTE.LTD. 253 Alexandra Road, #04-01, Singapore 159936 C PIONEER CORPORATION 2002 K-ZZB. MAR. 2002 Printed in Japan AUDIO SYSTEM HEAD UNIT KEH-M8227ZT XN/ES VEHICLE DESTINATION PRODUCED AFTER PART No. ID No. PIONEER MODEL No. CAMRY THAILAND April 2002 86120-YZB22 T7411 KEH-M8227ZT/XN/ES - This service manual should be used together with the manual(s) listed below. For the parts numbers, adjustments, etc. which are not shown in this manual, refer to the following manual(s). Model No. Order No. Mech. Module Remarks CX-1011 CRT2406 3L Cassette Mech. Module:Mech.Description, Disassembly, Adjustment - Dolby noise reduction manufactured under license from Dolby Laboratories Licensing Corporation. "Dolby" and the double-D symbol are trademarks of Dolby Laboratories Licensing Corporation. For details, refer to "Important symbols for good services". ORDER NO. CRT2839 Service Manual TOYOTA www. xiaoyu163. com QQ 376315150 9 9 2 8 9 4 2 9 8 TEL 13942296513 9 9 2 8 9 4 2 9 8 0 5 1 5 1 3 6 7 3 Q Q TEL 13942296513 QQ 376315150 892498299 TEL 13942296513 QQ 376315150 892498299 http://www.xiaoyu163.com 2 KEH-M8227ZT [ Important symbols for good services ] In this manual, the symbols shown-below indicate that adjustments, settings or cleaning should be made securely. When you find the procedures bearing any of the symbols, be sure to fulfill them: 2. Adjustments To keep the original performances of the product, optimum adjustments or specification confirmation is indispensable. In accordance with the procedures or instructions described in this manual, adjustments should be performed. 3. Cleaning For optical pickups, tape-deck heads, lenses and mirrors used in projection monitors, and other parts requiring cleaning, proper cleaning should be performed to restore their performances. 5. Lubricants, glues, and replacement parts Appropriately applying grease or glue can maintain the product performances. But improper lubrication or applying glue may lead to failures or troubles in the product. By following the instructions in this manual, be sure to apply the prescribed grease or glue to proper portions by the appropriate amount.For replacement parts or tools, the prescribed ones should be used. 4. Shipping mode and shipping screws To protect the product from damages or failures that may be caused during transit, the shipping mode should be set or the shipping screws should be installed before shipping out in accordance with this manual, if necessary. 1. Product safety You should conform to the regulations governing the product (safety, radio and noise, and other regulations), and should keep the safety during servicing by following the safety instructions described in this manual. CONTENTS 1. SAFETY INFORMATION ............................................3 2. EXPLODED VIEWS AND PARTS LIST.......................4 3. BLOCK DIAGRAM AND SCHEMATIC DIAGRAM .....8 4. PCB CONNECTION DIAGRAM ................................20 5. ELECTRICAL PARTS LIST ........................................27 6. ADJUSTMENT..........................................................32 7. GENERAL INFORMATION .......................................37 7.1 DIAGNOSIS ........................................................37 7.1.1 DISASSEMBLY .........................................37 7.1.2 CONNECTOR FUNCTION DESCRIPTION.......39 7.2 PARTS .................................................................40 7.2.1 IC................................................................40 7.2.2 DISPLAY....................................................43 7.3 OPERATIONAL FLOW CHART...........................44 7.4 CLEANING ..........................................................45 8. OPERATIONS AND SPECIFICATIONS.....................46 www. xiaoyu163. com QQ 376315150 9 9 2 8 9 4 2 9 8 TEL 13942296513 9 9 2 8 9 4 2 9 8 0 5 1 5 1 3 6 7 3 Q Q TEL 13942296513 QQ 376315150 892498299 TEL 13942296513 QQ 376315150 892498299 http://www.xiaoyu163.com KEH-M8227ZT 3 1. SAFETY INFORMATION This service manual is intended for qualified service technicians; it is not meant for the casual do-it-yourselfer. Qualified technicians have the necessary test equipment and tools, and have been trained to properly and safely repair complex products such as those covered by this manual. Improperly performed repairs can adversely affect the safety and reliability of the product and may void the warranty. If you are not qualified to perform the repair of this product properly and safely; you should not risk trying to do so and refer the repair to a qualified service technician. www. xiaoyu163. com QQ 376315150 9 9 2 8 9 4 2 9 8 TEL 13942296513 9 9 2 8 9 4 2 9 8 0 5 1 5 1 3 6 7 3 Q Q TEL 13942296513 QQ 376315150 892498299 TEL 13942296513 QQ 376315150 892498299 http://www.xiaoyu163.com A B 4 KEH-M8227ZT 2. EXPLODED VIEWS AND PARTS LIST 2.1 EXTERIOR www. xiaoyu163. com QQ 376315150 9 9 2 8 9 4 2 9 8 TEL 13942296513 9 9 2 8 9 4 2 9 8 0 5 1 5 1 3 6 7 3 Q Q TEL 13942296513 QQ 376315150 892498299 TEL 13942296513 QQ 376315150 892498299 http://www.xiaoyu163.com KEH-M8227ZT 5 1 Screw ASZ26P140FMC 2 Screw BMZ30P100FMC 3 Screw BSZ26P050FMC 4 Case CNB2727 5 Earth CNC9555 6 Frame CNC9781 7 Insulator CNM7401 8 Spacer CNM7755 9 Heat Sink CNR1613 10 Tuner Amp Unit CWM8206 11 Screw BMZ30P060FMC 12 Screw(M3x8) CBA1339 13 Plug(CN402) CKM1221 14 Connector(CN401) CKM1222 15 Connector(CN701) CKS3568 16 Connector(CN601) CKS4557 17 86146-48030(CN501) CKX1057 18 Holder CNC9545 19 Holder CNC9546 20 FM/AM Tuner Unit CWE1557 21 Holder CNC8855 22 Terminal(CN403) VNF1084 23 Terminal(CN404) VNF1084 24 Chassis Unit CXB8435 25 Screw BPZ26P080FMC 26 Button(CD,FM/AM,TAPE) CAC7462 27 Button(SCAN,UP,DOWN) CAC7463 28 Button(EJECT) CAC7464 29 Button(T.INFO) CAC7465 30 Button(EQ) CAC7466 31 Button(1,2) CAC7467 32 Button(3,4) CAC7468 33 Button(5,6) CAC7469 34 Door CAT2340 35 Spring CBH1712 36 Grille CNS6945 37 Lighting Conductor CNV7040 38 Keyboard Unit CWM8207 39 LCD(LCD901) CAW1729 40 Connector(CN901) CKS4256 41 Holder CNC9780 42 Sheet CNM7774 43 Spacer CNM7857 44 Lighting Conductor CNV7041 45 Connector CNV7280 46 Knob Unit CXB8432 47 Holder Unit CXB8433 48 Cassette Mechanism ModuleEXK4245 49 Screw ISS26P055FUC * 50 Cushion CNM5281 51 IC(IC201) TDA7384 52 Transistor(Q471,761) 2SB1185 * 53 Seal CNM7933 - EXTERIOR SECTION PARTS LIST Mark No. Description Part No. Mark No. Description Part No. NOTE: - Parts marked by “*” are generally unavailable because they are not in our Master Spare Parts List. - Screws adjacent to ∇ mark on the product are used for disassembly. - For the applying amount of lubricants or glue, follow the instructions in this manual. ( In the case of no amount instructions, apply as you think it appropriate.) www. xiaoyu163. com QQ 376315150 9 9 2 8 9 4 2 9 8 TEL 13942296513 9 9 2 8 9 4 2 9 8 0 5 1 5 1 3 6 7 3 Q Q TEL 13942296513 QQ 376315150 892498299 TEL 13942296513 QQ 376315150 892498299 http://www.xiaoyu163.com 6 KEH-M8227ZT 2.2 CASSETTE MECHANISM MODULE C D For grease application, refer to the service manual for CX-1011 (CRT2406). www. xiaoyu163. com QQ 376315150 9 9 2 8 9 4 2 9 8 TEL 13942296513 9 9 2 8 9 4 2 9 8 0 5 1 5 1 3 6 7 3 Q Q TEL 13942296513 QQ 376315150 892498299 TEL 13942296513 QQ 376315150 892498299 http://www.xiaoyu163.com KEH-M8227ZT 7 Mark No. Description Part No. Mark No. Description Part No. 1 Screw BSZ20P040FMC 2 Washer CBF1037 3 Washer CBG1003 4 Screw EBA1028 5 Screw CBA1037 6 Spring EBH1653 7 Spring EBH1642 8 Spring EBH1641 9 Spring EBH1626 10 Spring EBH1627 11 Spring EBH1648 12 Cord EDD1024 13 Photo-reflector(Q101) EGN1004 14 Arm ENC1526 * 15 Lever ENC1544 16 Lever ENC1543 17 Arm ENC1532 18 Frame ENC1533 19 Holder ENC1534 20 Gear ENC1535 21 Arm ENC1550 22 Roller ENR1040 23 Belt ENT1027 24 Collar ENV1508 25 Arm ENV1539 26 Arm ENV1540 27 Gear ENV1569 28 Gear ENV1547 29 Gear ENV1560 30 Worm Wheel ENV1566 31 Lever ENV1551 32 Flywheel ENV1554 33 Gathering PCB ENX1073 34 Switch(S101,102,103) ESG1007 35 Deck Unit EWM1033 36 Plug(CN251) CKS3540 37 Gathering PCB ENX1067 38 Motor Unit(M1) EXA1491 39 Motor EXM1028 40 Head Assy(HD1) EXA1506 41 Motor Unit(M2) EXA1580 42 Screw BMZ20P022FMC 43 Bracket ENC1528 44 Chassis Unit EXA1615 45 Pinch Holder Unit EXA1608 46 Pinch Roller ENV1518 47 Pinch Holder Unit EXA1607 48 Pinch Roller ENV1518 49 Reel Unit EXA1625 50 Head Base Unit EXA1611 51 Lever Unit EXA1587 52 Gear Unit EXA1596 53 Motor Unit(Service) EXX1055 54 Washer HBF-179 55 Spring EBH1537 56 Arm ENC1537 57 Sensor Unit EWM1041 - CASSETTE MECHANISM MODULE SECTION PARTS LIST www. xiaoyu163. com QQ 376315150 9 9 2 8 9 4 2 9 8 TEL 13942296513 9 9 2 8 9 4 2 9 8 0 5 1 5 1 3 6 7 3 Q Q TEL 13942296513 QQ 376315150 892498299 TEL 13942296513 QQ 376315150 892498299 http://www.xiaoyu163.com IC 721 HA12187FP BUS IC LDO LDI CSLOAD MS 46 STBY 53 LCDPW 38 POWER 3 3 ENC1M 3 33 SYSTEM CONTROLLER IC 601(2/2) PD5746A LANLP 8 15 CSEJ ILMPW B.U CN701 CN402 Q761 B.U Q752 Q753 FM/AM TUNER UNIT 19 3 PDIO VCC stby B.U LOAD 5 1 4 2 1 3 11 20 19 DECK UNIT IC251 HA12228F IC351 PA2020A DOLBY B NR MECHANISM DRIVER CN251 CN252 CN254 CN255 CN253 6 16 MS Lch FWD L-ch REV L-ch 39 32 33 18 19 17 3 1 5 6 8 7 10 CN256 3 1 5 6 S101 LOAD S102 MODE Q101 REEL SENSE M M M2 SUB MOTOR M1 MAIN MOTOR 5 2 1 SENSOR UNIT 11 6 5 5 6 17 f/R FR 42 41 DIR MS STBY 15 13 15 13 49 47 POS ES 13 11 POS ES POS ES 18 17 18 17 52 50 16 15 SC1 CM 20 B.U 16 16 51 14 SC2 SC1 CM SC2 SC1 CM SC2 VDD CN501 ANT 6 SYSPW PCE2 PCK PCE1 SL FMSD S103 70µs 4 4 mtl MTL 8 8 1 2 D 6 5 TX- TX+ BUS+ BUS- MUTE Q482 AMB AMPW Q541 AUDIO 8V ST B.U BU FU901 CSL MTL 44 CSLOAD Q762 7 SWVDPW MUTE Q47 Q472 LCD 8V ILL 10V Q751 B.U AUDIO+B 24 25 ENC1P ENC2M ENC2P MODE 37 36 35 IC 3 EEPROM 28 27 FM/AM 1ST IF 10.7MHz T51 Q51 CF51 CF52 CF53 IC1 MIXER, IF AMP, DET. 6 21 18 LDET COMP 22 25 10 14 12 15 16 8 13 2 3 4 CF202 VDD VCC DI/DO CE2 CK CE1 SDBW SL FMSD NL1 NL2 IC 2 FM MPX AMANT FMANT ATT ATT AMRF FMRF IMG ADJ RF ADJ X901 10.25MHz ANT ADJ LOCL 23 LOCH AMDET MPXREF 41kHz AM 2ND IF 450kHz 19 CREQ 11 DGND 1 STIND L ch 5 R ch 9 24 AMDET FMLOCL 20 17 7 AMPNS WC 26 RFGND AMIN C D 19 8 KEH-M8227ZT 1 2 3 4 1 2 3 4 D C B A 3. BLOCK DIAGRAM AND SCHEMATIC DIAGRAM 3.1 BLOCK DIAGRAM www. xiaoyu163. com QQ 376315150 9 9 2 8 9 4 2 9 8 TEL 13942296513 9 9 2 8 9 4 2 9 8 0 5 1 5 1 3 6 7 3 Q Q TEL 13942296513 QQ 376315150 892498299 TEL 13942296513 QQ 376315150 892498299 http://www.xiaoyu163.com 21 87FP IC 9 1 BSENS ASENS VDD B.U BACK UP 72 17 16 FMSD SL PCE1 PCK PCE2 PDO 10 FLOUT 11 RLOUT XOUT XIN B.U SWVDD IL+B BL+B ILL+B CSEJ ENC1M ENC1P LCDBL 5 3 19 17 RL— RL+ FL+ FL- GND ISENS 5 76 FM L 3 POWER 7 LDO 34 LDI 31 ENC1M 32 14 LANL+ 5 CSL 4 71 1 4 80 19 FL 12 RL 15 22 4 SYSTEM CONTROLLER RESET POWER AMP M LER 2) A IC 101 PML003AM IC 681 S-80736AN-D0 IC 201 TDA7384 RESET Q421 SYSPW Q201 Q461 Q431 8 IPPW IPPW ELECTRONIC VOLUME/ SOURCE SELECTOR STBY MUTE IC 901 LC75853NW LCD DRIVER KEY MATRIX LCD 10 16 5 15 17 19 12 11 16 6 4 2 9 5 LDI LDO KEY DATA LCD DATA 64 61 CN601 CN901 761 KEYBOARD UNIT TUNER AMP UNIT 10 X601 12 ACC RL— RL+ ILL FL— FL+ 2 CN401 IC 601(1/2) PD5746A Q411 Q462 ST 20 Q211 B.U SYSPW 63 SYSPW Q731 23 1 DIN1 TX 22 2 DOUT RX1 LANMUTE 65 AMPW 66 O 8V ILL 62 Q202 VDD 5V IC 421 S-81256SGUP-DIM Q463 3 Q464 74 SWVDPW LANMUTE MUTE SWVDD MUTE SYSMUTE 62 BU MUTE 2 B.U Q471 B.U Q472 SYSPW 10V BSENS ASENS ISENS IC 112 NJM2068MD 3 1 Q351 Q352 Q353 Q354 RLBOOST RLCUT RRBOOST RRCUT 5 6 3 2 7 RR 14 FIX.EQ AUDIO+B/2 8 AUDIO+B AUDIO+B 19 FROUT FR 11 BEEP 21 BACK UP D901-D925 S915 EJECT MAIN VOLUME VR901 MODE SELECTOR VR902 POWER ENC1M ENC1P POWER ENC1P ENC2M ENC2P 13 8 3 6 18 15 MODE ENC2M ENC2P MODE MODE 35 A B PDI 79 KEH-M8227ZT 5 6 7 8 5 6 7 8 D C B A 9 www. xiaoyu163. com QQ 376315150 9 9 2 8 9 4 2 9 8 TEL 13942296513 9 9 2 8 9 4 2 9 8 0 5 1 5 1 3 6 7 3 Q Q TEL 13942296513 QQ 376315150 892498299 TEL 13942296513 QQ 376315150 892498299 http://www.xiaoyu163.com 10 KEH-M8227ZT 1 2 3 4 1 2 3 4 D C B A 3.2 OVERALL CONNECTION DIAGRAM(GUIDE PAGE) Note: When ordering service parts, be sure to refer to “EXPLODED VIEWS AND PARTS LIST” or “ELECTRICAL PARTS LIST”. A-a A-b A-a A-a A-b A-b A-b A-b A-a A-a Large size SCH diagram Guide page Detailed page A B CN901 FM/AM TUNER UNIT Decimal points for resistor and capacitor fixed values are expressed as : 2.2 2R2 0.022 R022 ← ← The > mark found on some component parts indicates the importance of the safety factor of the part. Therefore, when replacing, be sure to use parts of identical designation. Symbol indicates a resistor. No differentiation is made between chip resistors and discrete resistors. NOTE : Symbol indicates a capacitor. No differentiation is made between chip capacitors and discrete capacitors. FM(30%): -30dBs AM(30%):-12.7dBs FM(30%): AM(30%):-2 TAPE:-1 CD: + A-a www. xiaoyu163. com QQ 376315150 9 9 2 8 9 4 2 9 8 TEL 13942296513 9 9 2 8 9 4 2 9 8 0 5 1 5 1 3 6 7 3 Q Q TEL 13942296513 QQ 376315150 892498299 TEL 13942296513 QQ 376315150 892498299 http://www.xiaoyu163.com KEH-M8227ZT 5 6 7 8 5 6 7 8 D C B A 11 ASENSE BSENSE ISENSE 3.5~5.5V A C CN251 TUNER AMP UNIT > 5A FM(30%): -30dBs AM(30%):-21.7dBs TAPE:-11.8dBs CD: +1.0dBs FM(30%):-12.9dBs AM(30%):-12.7dBs TAPE: +0.3dBs CD: +7.1dBs FM(30%):+12.6dBs AM(30%):+13.3dBs TAPE:+26.3dBs CD:+33.1dBs TAPE:-8.4dBs (400Hz 200nWb/m) CD:+8.2dBs (1KHz 0dB) A A-b www. xiaoyu163. com QQ 376315150 9 9 2 8 9 4 2 9 8 TEL 13942296513 9 9 2 8 9 4 2 9 8 0 5 1 5 1 3 6 7 3 Q Q TEL 13942296513 QQ 376315150 892498299 TEL 13942296513 QQ 376315150 892498299 http://www.xiaoyu163.com 12 KEH-M8227ZT 1 2 3 4 1 2 3 4 D C B A FM/AM TUNER UNIT Decimal points for resistor and capacitor fixed values are expressed as : 2.2 2R2 0.022 R022 ← ← The > mark found on some component parts indicates the importance of the safety factor of the part. Therefore, when replacing, be sure to use parts of identical designation. Symbol indicates a resistor. No differentiation is made between chip resistors and discrete resistors. NOTE : Symbol indicates a capacitor. No differentiation is made between chip capacitors and discrete capacitors. FM(30%): -30dBs AM(30%):-12.7dBs FM(30%): -30dBs AM(30%):-21.7dBs TAPE:-11.8dBs CD: +1.0dBs A-a A-a A-b 1 2 3 4 www. xiaoyu163. com QQ 376315150 9 9 2 8 9 4 2 9 8 TEL 13942296513 9 9 2 8 9 4 2 9 8 0 5 1 5 1 3 6 7 3 Q Q TEL 13942296513 QQ 376315150 892498299 TEL 13942296513 QQ 376315150 892498299 http://www.xiaoyu163.com KEH-M8227ZT 5 6 7 8 5 6 7 8 D C B A 13 A-a A-a A-b B CN901 5 6 www. xiaoyu163. com QQ 376315150 9 9 2 8 9 4 2 9 8 TEL 13942296513 9 9 2 8 9 4 2 9 8 0 5 1 5 1 3 6 7 3 Q Q TEL 13942296513 QQ 376315150 892498299 TEL 13942296513 QQ 376315150 892498299 http://www.xiaoyu163.com 14 KEH-M8227ZT 1 2 3 4 1 2 3 4 D C B A A-a A-b A-b ASENSE 3.5~5.5V A TUNER AMP UNIT > 5A FM(30%):-12.9dBs AM(30%):-12.7dBs TAPE: +0.3dBs CD: +7.1dBs FM(30%):+12.6dBs AM(30%):+13.3dBs TAPE:+26.3dBs CD:+33.1dBs CD:+8.2dBs (1KHz 0dB) 3 4 1 2 www. xiaoyu163. com QQ 376315150 9 9 2 8 9 4 2 9 8 TEL 13942296513 9 9 2 8 9 4 2 9 8 0 5 1 5 1 3 6 7 3 Q Q TEL 13942296513 QQ 376315150 892498299 TEL 13942296513 QQ 376315150 892498299 http://www.xiaoyu163.com BSENSE ISENSE C CN251 TAPE:-8.4dBs (400Hz 200nWb/m) KEH-M8227ZT 5 6 7 8 5 6 7 8 D C B A 15 A-b A-a A-b 5 6 www. xiaoyu163. com QQ 376315150 9 9 2 8 9 4 2 9 8 TEL 13942296513 9 9 2 8 9 4 2 9 8 0 5 1 5 1 3 6 7 3 Q Q TEL 13942296513 QQ 376315150 892498299 TEL 13942296513 QQ 376315150 892498299 http://www.xiaoyu163.com CAW1729 B A KEYBOARD UNIT CN601 T.INFO AM/FM CSD1066 16 KEH-M8227ZT 1 2 3 4 1 2 3 4 D C B A 3.2 KEYBOARD UNIT B www. xiaoyu163. com QQ 376315150 9 9 2 8 9 4 2 9 8 TEL 13942296513 9 9 2 8 9 4 2 9 8 0 5 1 5 1 3 6 7 3 Q Q TEL 13942296513 QQ 376315150 892498299 TEL 13942296513 QQ 376315150 892498299 http://www.xiaoyu163.com KEH-M8227ZT 17 www. xiaoyu163. com QQ 376315150 9 9 2 8 9 4 2 9 8 TEL 13942296513 9 9 2 8 9 4 2 9 8 0 5 1 5 1 3 6 7 3 Q Q TEL 13942296513 QQ 376315150 892498299 TEL 13942296513 QQ 376315150 892498299 http://www.xiaoyu163.com 18 KEH-M8227ZT 1 2 3 4 1 2 3 4 D C B A 3.3 CASSETTE MECHANISM MODULE C DECK UNIT MUTE HA12228F 11 12 13 14 15 16 17 18 19 20 40 39 38 37 36 35 34 33 32 31 30 29 28 27 26 25 24 23 22 21 1 2 3 4 5 6 7 8 9 10 C253 390P C251 C256 R01 C405 R033 R404 270K R01 C404 910 R403 3R3K C255 R01 C272 R1 C401 3900P R285 0R0 HD1 HEAD ASSY EXA1506 TEST TAPE NCT-150 (400Hz, 200nWb/m) RL RR FR FL C302 R1 C301 R1 VR301 33K(B) -8.24dBs±1dB Fwd-R Fwd-L Rev-R Rev-L NF1(R) Vref1 RIN(L) NC RIN(R) GND FIN(R) Vref2 FIN(L) NFI(L) M-OUT(L) EQOUT(L) Vref4 TAI(L) BIAS NC NC MSGV(S) MUTE 120/70 ser/REP f/R MSDET MSI MAOUT MSGV(R) MOUT(R) EQOUT(R) Vref3 TAI(R) RIP PBOUT(R) NC DET(R) NRONoff CN252 CN251 Dolby B NR IC251 390P C252 390P C254 390P PBOUT(L) NC VCC MSOUT NC C403 R022 R402 R33 C402 15K R401 18K R271 C271 1/50 C310 R1 C309 R1 CCP1280 VR302 33K(B) CCP1280 A C CN701 www. xiaoyu163. com QQ 376315150 9 9 2 8 9 4 2 9 8 TEL 13942296513 9 9 2 8 9 4 2 9 8 0 5 1 5 1 3 6 7 3 Q Q TEL 13942296513 QQ 376315150 892498299 TEL 13942296513 QQ 376315150 892498299 http://www.xiaoyu163.com KEH-M8227ZT 5 6 7 8 5 6 7 8 D C B A 19 D C SENSOR UNIT 033 R351 1K R352 1K R353 1K R354 1K R373 0R0 R355 270K C352 3900P R362 300 C351 R22 C353 R01 C354 R01 R374 0R0 C356 R01 C355 R1 D352 1SS355 M1 MOTOR UNIT (MAIN MOTOR) EXA1491 S101 LOAD ESG1007 S102 ESG1007 MODE REEL SENSE Q101 EGN1004 M2 MOTOR UNIT (SUB MOTOR) EXA1580 RS3 RS2 RS1 SC2 SC1 TAB MC CE VCC2 NC VCC MCS RRS FRS RSB C TAB MS2 NC NC MM SM1 RSB GND RS mtl MCS load CN255 CN253 CN256 CN254 MECHANISM DRIVER IC351 PA2020A R022 S103 ESG1007 70µs R375 0R0 L101 L102 1 SWITCH POSITION: SENSOR UNIT S101:LOAD SWITCH..........EJECT-PLAY S102:MODE SWITCH............ON-OFF S103:70µs SWITCH...............ON-OFF The underlined indicates the switch position. D www. xiaoyu163. com QQ 376315150 9 9 2 8 9 4 2 9 8 TEL 13942296513 9 9 2 8 9 4 2 9 8 0 5 1 5 1 3 6 7 3 Q Q TEL 13942296513 QQ 376315150 892498299 TEL 13942296513 QQ 376315150 892498299 http://www.xiaoyu163.com 20 KEH-M8227ZT 1 2 3 4 1 2 3 4 D C B A NOTE FOR PCB DIAGRAMS 1. The parts mounted on this PCB include all necessary parts for several destination. For further information for respective destinations, be sure to check with the schematic dia- gram. 2. Viewpoint of PCB diagrams A Capacitor Connector P.C.Board Chip Part SIDE A SIDE B TUNER AMP UNIT 4. PCB CONNECTION DIAGRAM 4.1 TUNER AMP UNIT ANTENNA FM/AM TUNER UNIT A www. xiaoyu163. com QQ 376315150 9 9 2 8 9 4 2 9 8 TEL 13942296513 9 9 2 8 9 4 2 9 8 0 5 1 5 1 3 6 7 3 Q Q TEL 13942296513 QQ 376315150 892498299 TEL 13942296513 QQ 376315150 892498299 http://www.xiaoyu163.com 21 KEH-M8227ZT 5 6 7 8 5 6 7 8 D C B A A SIDE A C B CN901 CN251 FRONT www. xiaoyu163. com QQ 376315150 9 9 2 8 9 4 2 9 8 TEL 13942296513 9 9 2 8 9 4 2 9 8 0 5 1 5 1 3 6 7 3 Q Q TEL 13942296513 QQ 376315150 892498299 TEL 13942296513 QQ 376315150 892498299 http://www.xiaoyu163.com 22 KEH-M8227ZT 1 2 3 4 1 2 3 4 D C B A A TUNER AMP UNIT 1 1 1 1 A www. xiaoyu163. com QQ 376315150 9 9 2 8 9 4 2 9 8 TEL 13942296513 9 9 2 8 9 4 2 9 8 0 5 1 5 1 3 6 7 3 Q Q TEL 13942296513 QQ 376315150 892498299 TEL 13942296513 QQ 376315150 892498299 http://www.xiaoyu163.com 23 KEH-M8227ZT 5 6 7 8 5 6 7 8 D C B A A SIDE B www. xiaoyu163. com QQ 376315150 9 9 2 8 9 4 2 9 8 TEL 13942296513 9 9 2 8 9 4 2 9 8 0 5 1 5 1 3 6 7 3 Q Q TEL 13942296513 QQ 376315150 892498299 TEL 13942296513 QQ 376315150 892498299 http://www.xiaoyu163.com 24 KEH-M8227ZT 1 2 3 4 1 2 3 4 D C B A 4.2 KEYBOARD UNIT KEYBOARD UNIT B B A CN601 UP DOWN SCAN EJECT EQ 6 5 4 3 2 1 T.INFO TAPE AM/FM CD MODE SELECTOR MAIN VOLUME KEYBOARD UNIT B SIDE B SIDE A www. xiaoyu163. com QQ 376315150 9 9 2 8 9 4 2 9 8 TEL 13942296513 9 9 2 8 9 4 2 9 8 0 5 1 5 1 3 6 7 3 Q Q TEL 13942296513 QQ 376315150 892498299 TEL 13942296513 QQ 376315150 892498299 http://www.xiaoyu163.com 25 KEH-M8227ZT 1 2 3 4 1 2 3 4 D C B A SIDE A C 4.3 DECK UNIT CN251 C271 SIDE B IC,Q IC251 Q351 Q352 ADJ VR302 VR301 IC351 CN252 CN254 CN253 CN255 M1 M2 HEAD ASSY CN256 21 22 A CN701 DECK UNIT C DECK UNIT C D www. xiaoyu163. com QQ 376315150 9 9 2 8 9 4 2 9 8 TEL 13942296513 9 9 2 8 9 4 2 9 8 0 5 1 5 1 3 6 7 3 Q Q TEL 13942296513 QQ 376315150 892498299 TEL 13942296513 QQ 376315150 892498299 http://www.xiaoyu163.com 26 KEH-M8227ZT 1 2 3 4 1 2 3 4 D C B A D 4.4 SENSOR UNIT 1 2 3 4 5 6 S101 LOAD S102 MODE S103 70µs CN256 Q101 REEL SENSE L101 L102 C CN253 SENSOR UNIT D www. xiaoyu163. com QQ 376315150 9 9 2 8 9 4 2 9 8 TEL 13942296513 9 9 2 8 9 4 2 9 8 0 5 1 5 1 3 6 7 3 Q Q TEL 13942296513 QQ 376315150 892498299 TEL 13942296513 QQ 376315150 892498299 http://www.xiaoyu163.com 27 KEH-M8227ZT 5. ELECTRICAL PARTS LIST NOTES: - Parts whose parts numbers are omitted are subject to being not supplied. - The part numbers shown below indicate chip components. Chip Resistor RS1/_S___J,RS1/__S___J Chip Capacitor (except for CQS.....) CKS....., CCS....., CSZS..... =====Circuit Symbol and No.===Part Name Part No. --- ------ ------------------------------------------ ------------------------- Unit Number : CWM8206 Unit Name : Tuner Amp Unit MISCELLANEOUS IC 101 IC PML003AM IC 112 IC NJM2068MD IC 201 IC TDA7384 IC 421 IC S-81256SGUP-DIM IC 601 IC PD5746A IC 681 IC S-80736AN-D0 IC 721 IC HA12187FP Q 201 Transistor DTC143EK Q 202 Transistor 2SD1468S Q 211 Chip Transistor 2SC2712 Q 351 Transistor 2SC3929 Q 352 Transistor 2SC3929 Q 353 Transistor 2SC3929 Q 354 Transistor 2SC3929 Q 411 Chip Transistor 2SC2712 Q 421 Chip Transistor 2SC2712 Q 431 Chip Transistor 2SC2712 Q 461 Transistor 2SA1162 Q 462 Transistor DTC144EK Q 463 Transistor 2SD1760F5 Q 464 Transistor 2SA1162 Q 471 Transistor 2SB1185 Q 472 Transistor IMX1 Q 482 Transistor IMD3A Q 541 Chip Transistor 2SC2712 Q 731 Transistor 2SA1162 Q 751 Transistor 2SD1760F5 Q 752 Transistor 2SA1162 Q 753 Transistor DTC114EK Q 761 Transistor 2SB1185 Q 762 Transistor IMX1 D 11 Diode 5KP24A D 211 Diode HZU8R2(B3) D 381 Diode HZU4R7(B2) D 411 Diode HZU8R2(B1) D 421 Diode HZU8R2(B1) D 431 Diode HZU8R2(B1) D 461 Diode MPG06G-6415G50 D 463 Diode UDZS16(B) D 471 Diode 1SS355 D 472 Diode HZU8R2(B1) D 721 Diode UDZS20(B) D 722 Diode UDZS20(B) D 731 Diode 1SS355 D 732 Diode UDZS20(B) D 751 Diode UDZS9R1(B) L 11 Choke Coil 600µH CTH1225 L 461 Ferri-Inductor LAU150K L 501 Ferri-Inductor LAU2R2K L 510 Inductor LCTA101J2520 L 561 Coil CTB1103 L 562 Inductor LCTA1R0J2520 L 563 Inductor LAU1R0K L 701 Inductor LFEA4R7J X 601 Radiator 10.00MHz CSS1428 FU 901 Fuse 5A CEK1216 AR 501 Surge Protector DSP-201M FM/AM Tuner Unit CWE1557 RESISTORS R 11 RS1/16S100J R 12 RS1/16S100J R 13 RS1/16S100J R 14 RS1/16S100J R 15 RS1/16S100J R 16 RS1/16S100J R 17 RS1/16S100J R 18 RS1/16S100J R 101 RS1/16S0R0J R 102 RS1/16S182J R 103 RS1/16S682J R 104 RS1/16S682J R 106 RS1/16S392J R 107 RS1/16S562J R 108 RS1/16S562J R 109 RS1/16S152J R 111 RS1/16S392J R 112 RS1/16S562J R 113 RS1/16S562J R 114 RS1/16S272J R 115 RS1/16S0R0J R 116 RS1/16S182J R 117 RS1/16S682J R 118 RS1/16S682J R 120 RS1/16S102J R 121 RS1/16S102J R 122 RS1/16S473J R 123 RS1/16S473J R 124 RS1/16S102J R 125 RS1/16S102J R 131 RS1/16S334J R 132 RS1/16S334J R 135 RS1/16S332J R 136 RS1/16S332J R 137 RS1/16S472J R 138 RS1/16S472J R 144 RS1/16S332J R 145 RS1/16S332J R 150 RS1/16S563J R 151 RS1/16S563J R 152 RS1/16S103J R 153 RS1/16S103J R 201 RS1/16S103J R 202 RS1/16S103J R 203 RS1/16S331J =====Circuit Symbol and No.===Part Name Part No. --- ------ ------------------------------------------ ------------------------- A www. xiaoyu163. com QQ 376315150 9 9 2 8 9 4 2 9 8 TEL 13942296513 9 9 2 8 9 4 2 9 8 0 5 1 5 1 3 6 7 3 Q Q TEL 13942296513 QQ 376315150 892498299 TEL 13942296513 QQ 376315150 892498299 http://www.xiaoyu163.com R 204 RS1/16S222J R 205 RS1/16S103J R 206 RS1/16S103J R 211 RS1/16S183J R 212 RS1/16S104J R 351 RS1/16S332J R 352 RS1/16S0R0J R 353 RS1/16S122J R 354 RS1/16S0R0J R 355 RS1/16S683J R 356 RS1/16S332J R 357 RS1/16S332J R 358 RS1/16S0R0J R 359 RS1/16S122J R 360 RS1/16S0R0J R 361 RS1/16S683J R 362 RS1/16S332J R 363 RS1/16S332J R 364 RS1/16S0R0J R 365 RS1/16S122J R 366 RS1/16S0R0J R 367 RS1/16S683J R 368 RS1/16S332J R 369 RS1/16S332J R 370 RS1/16S0R0J R 371 RS1/16S122J R 372 RS1/16S0R0J R 373 RS1/16S683J R 374 RS1/16S332J R 381 RS1/16S222J R 411 RS1/16S473J R 412 RS1/16S104J R 413 RD1/4PU102J R 414 RS1/10S272J R 415 RS1/10S222J R 421 RS1/16S473J R 422 RS1/16S104J R 431 RS1/16S473J R 432 RS1/16S104J R 433 RD1/4PU222J R 434 RS1/10S272J R 435 RS1/10S222J R 461 RS1/16S103J R 462 RS1/16S123J R 463 RS1/16S182J R 466 RS1/16S103J R 467 RS1/16S472J R 471 RS1/16S223J R 472 RS1/16S103J R 473 RS1/16S102J R 474 RS1/16S331J R 475 RS1/16S471J R 476 RS1/16S681J R 505 RS1/16S0R0J R 547 RS1/16S682J R 549 RS1/16S822J R 550 RS1/16S222J R 561 RS1/16S222J R 564 RS1/16S473J R 565 RS1/16S681J R 566 RS1/16S473J R 567 RS1/16S681J R 568 RS1/16S473J R 569 RS1/16S681J R 570 RS1/16S472J R 571 RS1/16S103J R 572 RS1/16S393J R 573 RS1/16S681J R 574 RS1/16S473J R 575 RS1/16S103J R 576 RS1/16S473J R 577 RS1/16S0R0J R 581 RS1/16S272J R 582 RS1/16S272J R 583 RS1/16S162J R 584 RS1/16S162J R 585 RS1/16S102J R 586 RS1/16S102J R 601 RS1/16S102J R 602 RS1/16S102J R 603 RS1/16S102J R 604 RS1/16S104J R 605 RS1/16S104J R 606 RS1/16S104J R 607 RS1/16S473J R 608 RS1/16S102J R 609 RS1/16S102J R 610 RS1/16S473J R 611 RS1/16S473J R 612 RS1/16S102J R 615 RS1/16S472J R 616 RS1/16S102J R 617 RS1/16S102J R 618 RS1/16S102J R 619 RS1/16S102J R 620 RS1/16S102J R 623 RS1/16S102J R 624 RS1/16S473J R 625 RS1/16S102J R 626 RS1/16S473J R 627 RS1/16S102J R 628 RS1/16S473J R 629 RS1/16S102J R 630 RS1/16S473J R 631 RS1/16S102J R 632 RS1/16S473J R 633 RS1/16S102J R 634 RS1/16S473J R 651 RS1/16S102J R 652 RS1/16S102J R 653 RS1/16S102J R 654 RS1/16S102J R 655 RS1/16S104J R 661 RS1/16S102J R 662 RS1/16S473J R 663 RS1/16S473J R 664 RS1/16S102J R 665 RS1/16S102J R 671 RS1/16S473J R 673 RS1/16S473J R 681 RS1/16S104J R 701 RS1/16S473J R 702 RS1/16S473J R 703 RS1/16S473J R 704 RS1/16S103J R 705 RS1/16S473J R 706 RS1/16S102J R 707 RS1/16S102J R 708 RS1/16S102J R 709 RS1/16S102J R 710 RS1/16S102J R 711 RS1/16S102J R 712 RS1/16S102J R 713 RS1/16S102J R 714 RS1/16S102J R 715 RS1/16S102J R 716 RS1/16S102J R 717 RS1/16S681J R 721 RD1/4PU101J R 722 RD1/4PU101J 28 KEH-M8227ZT =====Circuit Symbol and No.===Part Name Part No. --- ------ ------------------------------------------ ------------------------- =====Circuit Symbol and No.===Part Name Part No. --- ------ ------------------------------------------ ------------------------- www. xiaoyu163. com QQ 376315150 9 9 2 8 9 4 2 9 8 TEL 13942296513 9 9 2 8 9 4 2 9 8 0 5 1 5 1 3 6 7 3 Q Q TEL 13942296513 QQ 376315150 892498299 TEL 13942296513 QQ 376315150 892498299 http://www.xiaoyu163.com 29 KEH-M8227ZT R 723 RS1PMF680J R 731 RS1/16S472J R 732 RS1/16S103J R 741 RS1/16S102J R 751 RS1/16S103J R 752 RS1/16S472J R 753 RD1/4PU471J R 761 RS1/16S103J R 762 RS1/16S103J R 763 RS1/16S101J R 764 RS1/16S101J R 765 RS1/16S472J R 766 RS1/16S472J R 772 RS1/16S0R0J CAPACITORS C 11 3300µF/16V CCH1177 C 12 CKSQYB102K50 C 14 CKSRYB223K50 C 15 CKSRYB223K50 C 31 CKSRYB102K50 C 32 CKSRYB102K50 C 33 CKSRYB102K50 C 34 CKSRYB102K50 C 35 CKSRYB102K50 C 36 CKSRYB102K50 C 37 CKSRYB102K50 C 38 CKSRYB102K50 C 39 CKSQYB102K50 C 51 CKSRYB472K50 C 52 CKSRYB472K50 C 53 CKSRYB472K50 C 54 CKSRYB472K50 C 55 CKSRYB472K50 C 56 CKSRYB472K50 C 57 CKSRYB472K50 C 58 CKSRYB472K50 C 101 CKSRYF105Z10 C 102 CKSRYF105Z10 C 103 CKSRYF105Z10 C 104 CKSRYF474Z16 C 105 CKSRYF474Z16 C 106 CKSRYF474Z16 C 107 CKSRYF474Z16 C 108 CKSRYF105Z10 C 109 CKSRYF105Z10 C 110 CKSRYF105Z10 C 111 CEJQNP4R7M16 C 112 CEJQNP4R7M16 C 113 CKSRYB103K50 C 114 CKSRYB103K50 C 115 CEJQ100M16 C 116 CKSRYB472K50 C 117 CKSRYB472K50 C 121 CEJQNP4R7M16 C 122 CEJQNP4R7M16 C 131 CCSRCH101J50 C 132 CCSRCH101J50 C 135 CKSRYB103K50 C 140 CKSRYB683K16 C 141 CKSRYB683K16 C 142 CKSRYB224K10 C 143 CKSRYB224K10 C 151 CKSRYB104K16 C 160 CFTNA224J50 C 161 CFTNA224J50 C 162 CFTNA224J50 C 163 CFTNA224J50 C 201 CKSQYB104K50 C 202 CEJQ330M10 C 203 CFTNA105J50 C 204 CEJQ100M16 C 205 CEJQ1R0M50 C 207 CKSRYB473K50 C 301 CKSRYB104K16 C 302 CEJQ470M10 C 351 CKSRYB104K16 C 353 CKSRYB104K16 C 355 CKSRYF474Z16 C 356 CKSRYB104K16 C 359 CKSRYB103K50 C 361 CKSRYF224Z16 C 362 CKSRYB223K50 C 363 CKSRYB104K16 C 365 CKSRYB104K16 C 367 CKSRYF474Z16 C 368 CKSRYB104K16 C 371 CKSRYB103K50 C 373 CKSRYF224Z16 C 374 CKSRYB223K50 C 381 CEJQ101M6R3 C 382 CKSRYB102K50 C 411 CEJQ2R2M50 C 431 CKSQYB103K50 C 461 CEAT471M25 C 462 CKSRYB103K50 C 464 CEJQ100M16 C 465 CKSRYB103K50 C 466 CKSRYB103K50 C 467 CEJQ101M10 C 468 CKSRYB102K50 C 471 CKSRYB103K50 C 472 CEJQ100M16 C 473 CKSRYB103K50 C 501 CKSQYB103K50 C 552 CKSRYB103K50 C 553 CKSRYB103K50 C 554 CKSRYB224K10 C 562 CKSRYB103K50 C 563 CEJQ101M16 C 564 CKSRYB472K50 C 565 CKSRYB103K50 C 566 CEJQ101M16 C 581 CKSRYB103K50 C 582 CKSRYB103K50 C 583 CKSRYB103K50 C 584 CKSRYB103K50 C 601 CKSRYB102K50 C 602 CKSRYB102K50 C 603 CCSRCH101J50 C 604 CCSRCH101J50 C 605 CCSRCH101J50 C 606 CCSRCH101J50 C 607 CCSRCH101J50 C 608 CCSRCH101J50 C 610 CKSRYB102K50 C 611 CKSRYB102K50 C 612 CKSRYB473K50 C 681 CKSRYB103K50 C 682 CKSRYB223K50 C 702 CEJQ101M16 =====Circuit Symbol and No.===Part Name Part No. --- ------ ------------------------------------------ ------------------------- =====Circuit Symbol and No.===Part Name Part No. --- ------ ------------------------------------------ ------------------------- www. xiaoyu163. com QQ 376315150 9 9 2 8 9 4 2 9 8 TEL 13942296513 9 9 2 8 9 4 2 9 8 0 5 1 5 1 3 6 7 3 Q Q TEL 13942296513 QQ 376315150 892498299 TEL 13942296513 QQ 376315150 892498299 http://www.xiaoyu163.com C 721 CKSRYB103K50 C 722 CKSQYB221K50 C 723 CKSQYB221K50 C 751 CKSRYB103K50 C 752 CEJQ1R0M50 C 753 CEJQ100M16 C 754 CKSRYB103K50 C 761 CKSRYB103K50 C 762 CEJQ100M16 C 763 CKSRYB473K50 C 771 CEJQ4R7M35 Unit Number : CWM8207 Unit Name : Keyboard Unit MISCELLANEOUS IC 901 IC LC75853NW D 901 Chip LED SML210FC(KL) D 902 Chip LED SML210FC(KL) D 903 Chip LED SML210FC(KL) D 904 Chip LED SML210FC(KL) D 905 Chip LED SML210FC(KL) D 906 Chip LED SML210FC(KL) D 907 Chip LED SML210FC(KL) D 908 Chip LED SML210FC(KL) D 909 Chip LED SML210FC(KL) D 910 Chip LED SML210FC(KL) D 912 Chip LED SML210FC(KL) D 913 Chip LED SML210FC(KL) D 915 Chip LED SML210FC(KL) D 916 Chip LED SML210FC(KL) D 918 Chip LED SML210FC(KL) D 919 LED SML710FC(KL) D 920 Chip LED SML210FC(KL) D 921 Chip LED SML210FC(KL) D 922 Chip LED SML210FC(KL) D 923 Chip LED SML210FC(KL) D 924 Chip LED SML210FC(KL) D 925 Chip LED SML210FC(KL) D 951 Diode 1SS355 D 952 Diode 1SS355 D 953 Diode 1SS355 D 954 Diode 1SS355 S 901 Switch CSG1041 S 902 Switch CSG1041 S 903 Switch CSG1041 S 904 Switch CSG1041 S 905 Switch CSG1041 S 906 Switch CSG1041 S 907 Switch CSG1041 S 908 Switch CSG1041 S 909 Switch CSG1041 S 910 Switch CSG1041 S 911 Switch CSG1041 S 912 Switch CSG1041 S 913 Switch CSG1041 S 914 Switch CSG1041 S 915 Switch CSG1041 IL 901 Lamp 60mA, 8V CEL1710 IL 902 Lamp 60mA, 8V CEL1710 VR 901 Encoder (MAIN VOLUME) CSD1048 VR 902 Encoder (MODE SELECTOR) CSD1066 LCD 901 LCD CAW1729 RESISTORS R 901 RS1/16S103J R 902 RS1/16S683J R 910 RS1/16S820J R 911 RS1/16S101J R 912 RS1/16S820J R 913 RS1/16S101J R 914 RS1/16S101J R 915 RS1/16S101J R 916 RS1/16S101J R 917 RS1/16S101J R 918 RS1/16S101J R 919 RS1/16S101J R 920 RS1/16S101J R 921 RS1/16S101J R 922 RS1/16S101J R 923 RS1/16S101J R 924 RS1/16S101J R 925 RS1/16S101J R 926 RS1/16S820J R 927 RS1/16S101J R 928 RS1/16S820J R 929 RS1/16S101J R 930 RS1/16S101J R 931 RS1/16S101J R 932 RS1/16S101J R 941 RS1/16S6R8J R 942 RS1/16S6R8J R 943 RS1/16S6R8J R 944 RS1/16S6R8J R 945 RS1/16S6R8J R 946 RS1/16S6R8J R 947 RS1/16S6R8J R 948 RS1/16S6R8J CAPACITORS C 901 CKSRYB821K50 C 902 CKSRYB473K50 C 903 CKSRYB473K50 C 904 CKSRYB103K50 C 906 CKSRYB102K50 C 907 CKSRYB102K50 C 908 CKSRYB102K50 C 909 CKSRYB102K50 Unit Number : EWM1033 Unit Name : Deck Unit MISCELLANEOUS IC 251 IC HA12228F IC 351 IC PA2020A D 352 Diode 1SS355 VR 301 Semi-fixed 33kΩ(B) CCP1280 VR 302 Semi-fixed 33kΩ(B) CCP1280 RESISTORS R 271 RS1/16S183J R 285 RS1/16S0R0J R 351 RS1/16S102J R 352 RS1/16S102J R 353 RS1/16S102J R 354 RS1/16S102J R 355 RS1/16S274J R 362 RS1/8S301J R 373 RS1/16S0R0J R 374 RS1/8S0R0J 30 KEH-M8227ZT =====Circuit Symbol and No.===Part Name Part No. --- ------ ------------------------------------------ ------------------------- =====Circuit Symbol and No.===Part Name Part No. --- ------ ------------------------------------------ ------------------------- B C www. xiaoyu163. com QQ 376315150 9 9 2 8 9 4 2 9 8 TEL 13942296513 9 9 2 8 9 4 2 9 8 0 5 1 5 1 3 6 7 3 Q Q TEL 13942296513 QQ 376315150 892498299 TEL 13942296513 QQ 376315150 892498299 http://www.xiaoyu163.com R 375 RS1/8S0R0J R 401 RS1/16S153J R 402 RS1/16S332J R 403 RS1/16S911J R 404 RS1/16S274J CAPACITORS C 251 CKSRYB391K50 C 252 CKSRYB391K50 C 253 CKSRYB391K50 C 254 CKSRYB391K50 C 255 CKSRYB103K50 C 256 CKSRYB103K50 C 271 1µF/50V ECH0002 C 272 CKSRYB104K16 C 301 CKSRYB104K16 C 302 CKSRYB104K16 C 309 CKSRYB104K16 C 310 CKSRYB104K16 C 351 CKSQYB224K25 C 352 CKSRYB392K50 C 353 CKSRYB103K50 C 354 CKSRYB103K50 C 355 CKSQYB104K50 C 356 CKSRYB103K50 C 401 CKSRYB392K50 C 402 CKSRYB334K10 C 403 CKSRYB223K25 C 404 CKSRYB103K50 C 405 CKSRYB333K16 Unit Number : EWM1041 Unit Name : Sensor Unit MISCELLANEOUS S 101 Switch(LOAD) ESG1007 S 102 Switch(MODE) ESG1007 S 103 Switch(70µs) ESG1007 Q 101 Photo-reflector EGN1004 L 101 Inductor CTF1546 L 102 Inductor CTF1546 Miscellaneous Parts List M 1 Motor Unit(MAIN) EXA1491 M 2 Motor Unit(SUB) EXA1580 HD 1 Head Assy EXA1506 31 KEH-M8227ZT =====Circuit Symbol and No.===Part Name Part No. --- ------ ------------------------------------------ ------------------------- =====Circuit Symbol and No.===Part Name Part No. --- ------ ------------------------------------------ ------------------------- D www. xiaoyu163. com QQ 376315150 9 9 2 8 9 4 2 9 8 TEL 13942296513 9 9 2 8 9 4 2 9 8 0 5 1 5 1 3 6 7 3 Q Q TEL 13942296513 QQ 376315150 892498299 TEL 13942296513 QQ 376315150 892498299 http://www.xiaoyu163.com 32 KEH-M8227ZT 6. ADJUSTMENT 6.1 CASSETTE MECHANISM ADJUSTMENT DOLBY B NR ADJUSTMENT No. Test Tape Adjustment Point Adjustment Method (Switch Position) 1 NCT-150 VR301(Lch),VR302(Rch) mV Meter(2) : –8.24dBm(300mV)±1dB (400Hz,200nwb/m) (DOLBY NR Switch : OFF) TUNER AMP UNIT FM/AM TUNER UNIT DECK UNIT VR302 mV Meter(2) VR301 L-CH R-CH Pin2 Pin3 CN251 DECK UNIT Extension Cord GGD1121 www. xiaoyu163. com QQ 376315150 9 9 2 8 9 4 2 9 8 TEL 13942296513 9 9 2 8 9 4 2 9 8 0 5 1 5 1 3 6 7 3 Q Q TEL 13942296513 QQ 376315150 892498299 TEL 13942296513 QQ 376315150 892498299 http://www.xiaoyu163.com -AVC-LAN DIAGNOSIS MODE -Operations and functions (1) Key operations for Diagnosis IN (Note *1 ) (2) Key operations for Diagnosis OUT (2) Key operations for Diagnosis OUT (2) Key operations for Diagnosis OUT Normal operation mode All-element lighting mode SW check mode Service check mode The physical addresses for all devices connected to the AVC-LAN (including this product) are displayed. The current and past product conditions are checked by performing the system check and collecting the diagnosis memory data. Each address check result is displayed as follows: "OK", "Not connected", "Check", "Replace", "Old Version" or "No response". Details display mode This mode is available only when the service check result is "Check", "Replace" or "Old Version". For each physical address, the following information is displayed: - Logical address for the device where some failure occurs and the diagnosis codes (indicating details of the failure), which were obtained through system check - In addition to the above data, sub-code (indicating the device with failure), connecting confirmation no. (time stamp), and frequency of occurrence, which were obtained from diagnosis memory data Diagnosis memory clearance < From the service check mode > The diagnosis memory data (codes) for all devices connected are cleared. < From the details display mode > The diagnosis memory data for devices selected is cleared. After memory clearance is completed, the mode is automatically shifted to the service check mode. (6)Key operations for Memory clearance (6)Key operations for Memory clearance Memory clearance automatically ends. (3) Key operations for entering Service check mode (4)Key operations for entering the details display mode (5)Key operations for returning to the service check mode Note *1: To enter the diagnosis IN mode, use the buttons on the head unit. (1) Diagnosis IN While pressing the CH1 and CH6 With three times of beep sound, the mode buttons simultaneously, press the change operation completes. DISC button three times. (2) Diagnosis OUT Keep the DISC button pressed for 1.7 seconds or more and turn the ACC switch OFF. (3) Entering the Service check mode. Press the TRACK UP button. With a beep sound, the mode change completes. (4) Entering the Details display mode. Press the CH2 button. (5) Returning to the service check mode. Press the CH3 button. (6)Clearing the Memory data Keep the CH5 button pressed for 1.7 seconds or more. Change the display (forward) Press the TRACK UP button. Change the display (backward) Press the TRACK DOWN button. -Key operations All elements on the LCD are lit. (This is for checking if the LCD is lit normally.) Note : In this mode, when any key except for TRACK UP is pressed, a beep will be heard once. (You can check if pressing keys are accepted normally by hearing beeps.) 33 KEH-M8227ZT 6.2 AVC-LAN DIAGNOSIS MODE www. xiaoyu163. com QQ 376315150 9 9 2 8 9 4 2 9 8 TEL 13942296513 9 9 2 8 9 4 2 9 8 0 5 1 5 1 3 6 7 3 Q Q TEL 13942296513 QQ 376315150 892498299 TEL 13942296513 QQ 376315150 892498299 http://www.xiaoyu163.com After system check completes, the check results for the devices connected to the AVC-LAN are displayed in turn in order of physical address number as follows: "Physical address" ...The smallest physical address number is displayed first, whose check result will follow it. Ex. P190 Physical address number (radio cassette) The physical address is displayed. "Check result" ...The check result is displayed. Ex. good Normal (OK) ECHn Replace CHEC Check OLd Old Version "Physical address" ...The next physical address number is displayed. "Connecting confirmation no. (current)" ...The AVC-LAN time stamp is displayed. Ex. no01 The connecting confirmation number is displayed. The current connecting confirmation number (expressed in the hexadecimal number system by using 00 to FF) The number increases by one each time one minute passes. When 256 minutes pass, the indication returns to 00. Service check mode Details display mode Details display mode (only in case of "Replace", "Check", or "Old Version") This mode is available only when the service check result is "Replace", "Check" or "Old Version". To select this mode, press the CH2 key. "Physical address (for selected devices)" The physical address number is displayed, whose check result details will follow it. Ex. P360 Physical address number (CD-CH) "Diagnosis data source" The detailed items depend on the data source. Ex. SyS The data was obtained from system check. "Logical address" The logical address number for the device with failure is displayed. Ex. 1L_63 Logical address number (CD-CH) The logical address is displayed. Serial number "Diagnosis code" The diagnosis code indicates what problem occurs. Ex. 1d_45 Diagnosis code (abnormal EJECT) The diagnosis code is displayed. If there are two or more diagnosis codes, the diagnosis data display will continue. Ex. COdE The data was obtained from diagnosis memory data. "Logical address"...The same as that for the SyS data "Diagnosis code"...The same as that for the SyS data "Sub code"...This code indicates the device with failure. Ex. 1P_190 The sub code is displayed. "Connecting confirmation number (when some failure occurs)"... AVC-LAN time stamp Ex. no01 The connecting confirmation number (expressed in the hexadecimal number system by using 00 to FF) The connecting confirmation number is displayed. "Frequency of occurrence" ...The frequency of failures occurred Ex. 1c_15 The frequency of occurrence expressed in the decimal number system. The frequency of occurrence is displayed. -Diagnosis mode display 34 KEH-M8227ZT www. xiaoyu163. com QQ 376315150 9 9 2 8 9 4 2 9 8 TEL 13942296513 9 9 2 8 9 4 2 9 8 0 5 1 5 1 3 6 7 3 Q Q TEL 13942296513 QQ 376315150 892498299 TEL 13942296513 QQ 376315150 892498299 http://www.xiaoyu163.com Physical address allocation _ 2 _ 3 Display P_ 1 _ 2 _ 3 Ex.P190 Physical address 0 1 2 3 4 5 6 7 8 9 A B C D E F _ 1 1 0 1 2 3 4 5 6 7 8 9 A B C D E 0 1 2 3 4 5 6 7 8 9 A B C D E 0 1 2 3 4 5 6 7 8 9 A B C D E 0 1 2 3 4 5 6 7 8 9 A B C D E 0 1 2 3 4 5 6 7 8 9 A B C D E F F F F F _ 1 2 _ 1 3 _ 1 4 _ 1 5 _ 1 6 0 2 4 6 8 C E 1,3,5,7, 9-B,D,F M.DISP computer New EMV New device with AV New MM ECU device with AV Audio ECU Audio H/U Rear TV Rear Control SW Multi-CD decoder CD-CH commander AMP controlled radio tuner New 1-DIN TV Europe navigation DISP.M/U Rear TV with movie mode Navigation with controls MONET ECU Vehicle Information ECU 1-DIN Navigation DISPLAY with SW Europe GW ECU Consolidated inside panel Gateway ECU FM multiplex DISPLAY Steering SW Navigation remote controller Fr controlled SW Simple LCD Consolidated SW MD-CH commander Body computer 0 8 1-7, 9-F 0 8 1-7, 9-F 0 1-F 0 8 C 1-7,9-8,D-F 0 1-F Navigation computer ATIS VICS TV tuner H/W CD-CH H/W DVD-CH TEL information ECU Camera controller Radio Cassette Radio cassette with no CH controller CD-P 1DIN CD-CH MD-P MD-CH DAT DCC TEL ECU Equalizer DSP H/W AMP GPS receiver ATIS decoder FM multiplex decoder CD-CH MD-CH CD-ROM -CH MD-ROM -CH TEL information May Day A/C computer Body computer DVD deck Radio wave beacon Optical beacon 35 KEH-M8227ZT www. xiaoyu163. com QQ 376315150 9 9 2 8 9 4 2 9 8 TEL 13942296513 9 9 2 8 9 4 2 9 8 0 5 1 5 1 3 6 7 3 Q Q TEL 13942296513 QQ 376315150 892498299 TEL 13942296513 QQ 376315150 892498299 http://www.xiaoyu163.com 36 KEH-M8227ZT Logical address name Logical address Diagnosis code Diagnosis details AM tuner PLL unlocked FM tuner PLL unlocked No antenna connected Antenna power supply abnormal Tuner power supply abnormal AM tuner abnormal FM tuner abnormal SW tuner abnormal TV tuner PLL unlocked FRONTEND abnormal TV divergence shifting error TV – no reception VNR screen error No antenna connected Antenna power supply abnormal SEL +B current – small SEL +B current – large Belt broken Mechanical failure or cassette broken EJECT failure TAPE jamming Dirty head Mech power supply abnormal CD Mech abnormal CD loading/unloading abnormal CD lead-in abnormal No disc loaded Incorrect disc Disc unreadable CD-ROM abnormal CD abnormal EJECT abnormal Scratches or non-recorded side CD high temperature detected Excessive current detected Tray IN/OUT abnormal Elevator abnormal Clamp abnormal MD mech abnormal MD IN/OUT abnormal MD lead-in abnormal No disc loaded Incorrect disc Disc unreadable MD-ROM abnormal MD abnormal EJECT error Scratches or non-recorded side MD high temperature detected Excessive current detected Tray IN/OUT abnormal Elevator abnormal Clamp abnormal 10 11 40 41 42 43 44 45 10 11 40 41 42 43 44 45 46 10 40 41 42 43 44 10 11 12 40 41 42 43 44 45 46 47 48 50 51 52 10 11 12 40 41 42 43 44 45 46 47 48 50 51 52 Radio TV tuner Cassette tape CD CD-P CD-CH MD MD-CH 60H 40H 61H 43H 62H 63H 64H 65H Logical address name Logical address Diagnosis code Diagnosis details No diagnosis Abnormal reset Abnormal +B Abnormal ACC Abnormal MUTE Fuse broken Microcomputer - abnormal ROM - abnormal RAM - abnormal Bus - abnormal F-ROM - abnormal V-RAM - abnormal Gate allay abnormal Paint controller abnormal Backup memory abnormal Voice output controller abnormal Internal power supply abnormal Sync signal abnormal (input) Sync signal abnormal (output) ECU not connected Transmission abnormal Connecting confirmation: abnormal Connecting confirmation: no response Registered device data missing (History of registered devices) Master unavailable Connecting confirmation: abnormal Connecting confirmation: no response Last mode abnormal Command/order: no response Mode status abnormal Transmission fault Master reset Slave reset Master abnormal Registration completion acknowledgement error Voice processor ON abnormal ON/OFF command or parameter abnormal Registration command transmission Multiple frames intermit. Diagnosis - no response 00 01 10 11 12 13 20 21 22 23 24 25 26 27 28 29 2A 30 31 D0 D1 D2 D4 D5 D6 D7 D8 D9 DA DB DC DD DE DF E0 E1 E2 E3 E4 FF Communi -cation control 01H Logical address name Logical address Diagnosis code Diagnosis details Gyroscope abnormal GPS receiver abnormal RTC abnormal SS section abnormal No Time updating TCXO abnormal PLL lock abnormal GPS antenna abnormal GPS antenna power supply abnormal Map disc reading abnormal SPD signal abnormal Player abnormal High temperature abnormal Antenna power supply abnormal Radio wave beacon - no antenna connected Optical beacon - no antenna connected No FM antenna connected FM receiver abnormal Radio wave beacon abnormal Optical beacon abnormal Voice-control activation SW abnormal Voice-control Microphone abnormal Multi-CD-CH (optical cable) abnormal Multi-CD-CH (optical cable) not connected Multi-CD-CH (CarNet) abnormal Multi-CD-CH (CarNet) not connected HIT64 communication not connected HIT64 communication abnormal HIT64 BRQ disconnection HIT64 BRQ short-circuit HIT64 disconnection CarNet communication not connected CarNet communication abnormal CarNet periodical communication abnormal Video circuit abnormal Back light abnormal (with no current) Back light abnormal (with excessive current) Panel open/close mechanical operation abnormal Front seat monitor abnormal Heater abnormal Panel SW abnormal Touch SW failure TEL ECU abnormal Communication serial lines abnormal Wireless PWR lines abnormal 10 11 12 13 14 15 16 40 41 42 43 44 45 41 45 46 47 4A 4B 4C 40 41 40 41 42 43 50 51 52 53 54 55 56 57 10 11 12 13 40 41 10 11 10 40 41 Navigation /GPS Extended communi -cation Information display/front monitors 58H 80H 02H 32H 34H Diagnosis code table FM multiplex (VICS), radio wave beacon, beacon, optical beacon, FM multiplex (data), and FM multiplex tuner 54H 84H 5BH 83H 82H 9AH Voice control 85H SW, Audio SW, SW shifting, Command SW 21H 23H 24H 25H TEL ECU, TEL 57H 68H www. xiaoyu163. com QQ 376315150 9 9 2 8 9 4 2 9 8 TEL 13942296513 9 9 2 8 9 4 2 9 8 0 5 1 5 1 3 6 7 3 Q Q TEL 13942296513 QQ 376315150 892498299 TEL 13942296513 QQ 376315150 892498299 http://www.xiaoyu163.com 37 KEH-M8227ZT 7. GENERAL INFORMATION 7.1 DIAGNOSIS 7.1.1 DISASSEMBLY Remove the four screws and then remove v the Cassette Mechanism Module. - Removing the Cassette Mechanism Module (Fig.2) u 1 Fig.1 - Removing the Case (Fig.1) 1 1 1 1 Cassette Mechanism Module Fig.2 Remove the two screws and then remove v the Case. 1 1 1 Case www. xiaoyu163. com QQ 376315150 9 9 2 8 9 4 2 9 8 TEL 13942296513 9 9 2 8 9 4 2 9 8 0 5 1 5 1 3 6 7 3 Q Q TEL 13942296513 QQ 376315150 892498299 TEL 13942296513 QQ 376315150 892498299 http://www.xiaoyu163.com 38 KEH-M8227ZT Fig.5 Remove the two screws. - Removing the Tuner Amp Unit (Fig.5) 1 Remove the three screws and then remove the Heat Sink. 2 Remove the screw. 3 Straight the tabs at two locations indicated. 4 Remove the two screws and then remove the Tuner Amp Unit. 5 Tuner Amp Unit 1 1 2 2 2 Heat Sink 3 4 4 5 5 Fig.4 - Removing the Frame (Fig.4) Remove the four screws and then remove the Frame. 1 1 1 1 1 Frame Fig.3 Remove the two screws. - Removing the Grille Assy (Fig.3) 1 Release the five latches and then remove the Grille Assy. 2 1 1 2 2 2 2 2 Grille Assy www. xiaoyu163. com QQ 376315150 9 9 2 8 9 4 2 9 8 TEL 13942296513 9 9 2 8 9 4 2 9 8 0 5 1 5 1 3 6 7 3 Q Q TEL 13942296513 QQ 376315150 892498299 TEL 13942296513 QQ 376315150 892498299 http://www.xiaoyu163.com 39 KEH-M8227ZT 7.1.2 CONNECTOR FUNCTION DESCRIPTION RR RR RL RL FR FR FL FL GND ILL ACC +B CDR CDR CDL CDL GND GND TX TX ACC MUTE +B www. xiaoyu163. com QQ 376315150 9 9 2 8 9 4 2 9 8 TEL 13942296513 9 9 2 8 9 4 2 9 8 0 5 1 5 1 3 6 7 3 Q Q TEL 13942296513 QQ 376315150 892498299 TEL 13942296513 QQ 376315150 892498299 http://www.xiaoyu163.com 40 KEH-M8227ZT 7.2 PARTS 7.2.1 IC - Pin Functions (PD5746A) Pin No. Pin Name I/O Function and Operation 1 PCK O PLL clock output 2,3 NC Not used 4 PCE2 O PLL chip enable output 5 FMSD I TUNER:SD input 6 CNVSS Connect to GND 7,8 NC Not used 9 RESET I Reset input 10 OSC1 O Crystal oscillating element connection pin 11 VSS3 GND 12 OSC2 I Crystal oscillating element connection pin 13 VCC1 Power Supply 14 NC Not used 15 CSEJ I Cssette eject sense input 16 BSENS I Back up sense input 17 ASENS I ACC power sense input 18 RX2 I BUS data input 2 19 IPPW O BUS power supply control output 20 ST I TUNER:FM stereo input 21 BEEP O Beep tone output 22 RX I BUS data input 23 TX O BUS data output 24 LDO O LCD driver data output 25 LDI I LCD driver data input 26 LCK O Clock output for LCD driver 27 LCE O Chip enable output pin for LCD driver 28 ROMDATA O ROM collection data output 29 ROMCS Not used 30 ROMCLK Not used 31 ENC1M I Connect to encoder switch (VOLUME) 32 ENC1P O Connect to encoder switch (VOLUME) 33 ILMPW O Illumination power supply control output 34 POWER O Connect to encoder switch (POWER SW) 35 MODE O Connect to encoder switch (MODE SW) 36 ENC1M I Connect to encoder switch (MODE SELECTOR) 37 ENC1P O Connect to encoder switch (MODE SELECTOR) 38 LCDPW O LCD power supply control output 39,40 NC Not used 41 MS I Cassette: MS sense input 42 FR O Cassette: Dolby N/R select output 43 PLAY O Cassette: MS gain select output 44 MTL I Cassette: Metal tape sense input 45 NR O Cassette: Noise reduction sense output 46 CSLOAD I Cassette: Loading switch input 47 POS I Cassette: Position sense input 48 NC Not used 49 ES I Cassette: Normal sense input 50 CS1 O Cassette: Sub motor control output 1 51 CS2 O Cassette: Sub motor control output 2 52 CM O Cassette: Capstan motor control output 53 STBY O Cassette: Drive IC control output 54-56 NC Not used 57 EVSTB O E-VOL driver strobe output 58 EVDATA O E-VOL driver data output 59 EVCLK O E-VOL driver data clock output 60 TEST I Test terminal 61 NC Not used www. xiaoyu163. com QQ 376315150 9 9 2 8 9 4 2 9 8 TEL 13942296513 9 9 2 8 9 4 2 9 8 0 5 1 5 1 3 6 7 3 Q Q TEL 13942296513 QQ 376315150 892498299 TEL 13942296513 QQ 376315150 892498299 http://www.xiaoyu163.com 41 KEH-M8227ZT REF VOL 1 2 3 GND VIN VOUT S-81256SGUP-DIM Pin No. Pin Name I/O Function and Operation 62 SYSMUTE O System mute output 63 SYSPW O System power supply control output 64 NC Not used 65 LANMUTE O LAN mute output 66 AMPW O AM power output 67 FMPW O FM power output 68,69 NC Not used 70 LOCL O TUNER:Local "L" output 71 PCE1 O PLL chip enable output 72 ISENS I Illumination sense input 73 NC Not used 74 SWVDPW Connect to VDD 75 AVSS Connect to GND 76 SL I Signal level input 77 VREF A/D converter standard voltage 78 AVCC Connect to VDD 79 PDI I PLL data input 80 PDO O PLL data output 80 1 20 21 40 41 60 61 *PD5746A IC's marked by * are MOS type. Be careful in handling them because they are very liable to be damaged by electrostatic induction. www. xiaoyu163. com QQ 376315150 9 9 2 8 9 4 2 9 8 TEL 13942296513 9 9 2 8 9 4 2 9 8 0 5 1 5 1 3 6 7 3 Q Q TEL 13942296513 QQ 376315150 892498299 TEL 13942296513 QQ 376315150 892498299 http://www.xiaoyu163.com 42 KEH-M8227ZT - FM/AM Tuner Unit No. Symbol I/O Explain 1 STIND O stereo "Low" when the FM stereo signals are received. indicator To be pulled up to the "VDD" at 47kΩ. 2 FMSD O FM station "High" when signals are received. To be pulled up to the "VDD" at 47kΩ detector Meanwhile, 10kΩ should be used when taking diver FIX trigger from here and "High: 0.9VDD or more" and "Low: 250mV or less". (Should satisfy the diver IC specifications) 3 NL1 O noise level-1 "High" when noise is received. Output for the RDS. GND at 47kΩ //1,800pF. 4 NL2 O noise level-2 "High" when noise is received. Output for the RDS. GND at 36kΩ //330pF. 5 Rch O R channel FM stereo "R-ch" signal output or AM audio output. output Add the specified de-emphasis constant. 6 Lch O L channel FM stereo "L-ch" signal output or AM audio output. output Add the specified de-emphasis constant. 7 WC write control EEPROM write control. Writing permissible at "Low". Normally open. 8 SDBW O SD bandwidth SD bandwidth signal output. For detection of detuning data for the RDS. 9 AMDET O AM detector AM detector output. r out < 100Ω output 10 VDD power Power supply pin for the digital section. supply DC 5V +/- 0.25V. Be careful about overlapping noise in the logic section. 11 DGND digital ground Grounding for the digital section. 12 CE2 I chip enable-2 EEPROM chip enable. Active a "Low" To be pulled up to the "VDD" at 47kΩ 13 SL I/O signal level Received FM/AM signal level (strength) output. Connect the specified load resistor and capacitor (10k Ω + 39k Ω //4,700pF) 14 DI/DO I/O data input/ Data input/Data output data output To be pulled up to the "VDD" at 47kΩ 15 CK I clock Clock input To be pulled up to the "VDD" at 47kΩ 16 CE1 I chip enable-1 AF·RF chip enable. Active at "High" To be grounded at 47kΩ 17 AMPNS O AM PNS IF signal IF signal output for AM PNS circuit. 18 LDET O lock detector Active at "Low". To be pulled up to the "VDD" at 47kΩ 19 CREQ I current request Active at "Low". To be grounded at 47kΩ 20 AMIN I AM audio input The frequency response and the level are set by connecting an external CR network with terminal AMIN as terminal AMDET. r in = 50kΩ 21 COMP O composite signal FM composite signal output. r out < 100Ω 22 VCC power supply Analog section power supply pin.DC 8.4V +/- 0.3V 23 LOCH I local high FM local high pin. When seeking local high, apply 5V together with "LOCL". 24 FMLOCL I FM local low FM local low pin. When seeking local low, apply 5V to the base of the NPN transistor with which the specified resistor is being connected to the emitter. Keep it open in case of ordinary marketed models. 25 LOCL I local low FM/AM local low pin. When seeking local low, apply 5V to the base of the NPN transistor. Since this pin is exclusive for AM when the FMLOCL is in use, do not drive it under FM. 26 RFGND RF ground Grounding for the antenna section. 27 FMANT I FM antenna input FM antenna input. 75Ω. Surge absorber (DSP-201M-S00B) is necessary. 28 AMANT I AM antenna input AM antenna input. High impedance. Connect to the antenna through an L (LAU type) of 4.7µH.To cope with the power transmission line hums, insert a series circuit consisting of an L (a coil of about 100mH) + R (a resistor of 470 Ω to 2.2kΩ) between the GND. IC 3 EEPROM 28 27 FM/AM 1ST IF 10.7MHz T51 Q51 CF51 CF52 CF53 IC1 MIXER, IF AMP, DET. 6 21 18 LDET COMP 22 25 10 14 12 15 16 8 13 2 3 4 CF202 VDD VCC DI/DO CE2 CK CE1 SDBW SL FMSD NL1 NL2 IC 2 FM MPX AMANT FMANT ATT ATT AMRF FMRF IMG ADJ RF ADJ X901 10.25MHz ANT ADJ LOCL 23 LOCH AMDET MPXREF 41kHz AM 2ND IF 450kHz 19 CREQ 11 DGND 1 STIND L ch 5 R ch 9 24 AMDET FMLOCL 20 17 7 AMPNS WC 26 RFGND AMIN www. xiaoyu163. com QQ 376315150 9 9 2 8 9 4 2 9 8 TEL 13942296513 9 9 2 8 9 4 2 9 8 0 5 1 5 1 3 6 7 3 Q Q TEL 13942296513 QQ 376315150 892498299 TEL 13942296513 QQ 376315150 892498299 http://www.xiaoyu163.com COMMON SEGMENT 1 2 3 4 5 6 7 8 9 10 11 12 13 14 15 16 17 18 19 20 21 22 23 24 25 26 27 28 29 30 31 32 33 34 35 36 37 38 39 40 41 42(COM3) 43(COM2) 44(COM1) 42(COM3) 43(COM2) 44(COM1) - CAW1729 KEH-M8227ZT 43 7.2.2 DISPLAY www. xiaoyu163. com QQ 376315150 9 9 2 8 9 4 2 9 8 TEL 13942296513 9 9 2 8 9 4 2 9 8 0 5 1 5 1 3 6 7 3 Q Q TEL 13942296513 QQ 376315150 892498299 TEL 13942296513 QQ 376315150 892498299 http://www.xiaoyu163.com POWER ON VCC1=5V 13 pin bsens 16 pin asens 17 pin IPPW←H 19 pin Starts communication with AVC-LAN SWVDPW←L 74 pin Source keys operative Source ON SYSPW←H 63 pin Completes power-on operation. (After that, proceed to each source operation.) bsens=L asens=L YES YES 44 KEH-M8227ZT 7.3 OPERATIONAL FLOW CHART www. xiaoyu163. com QQ 376315150 9 9 2 8 9 4 2 9 8 TEL 13942296513 9 9 2 8 9 4 2 9 8 0 5 1 5 1 3 6 7 3 Q Q TEL 13942296513 QQ 376315150 892498299 TEL 13942296513 QQ 376315150 892498299 http://www.xiaoyu163.com 45 KEH-M8227ZT 7.4 CLEANING Before shipping out the product, be sure to clean the following portions by using the prescribed cleaning tools: Portions to be cleaned Cleaning tools Cassette heads Pinch rollers Cleaning paper : GED-008 Capstans www. xiaoyu163. com QQ 376315150 9 9 2 8 9 4 2 9 8 TEL 13942296513 9 9 2 8 9 4 2 9 8 0 5 1 5 1 3 6 7 3 Q Q TEL 13942296513 QQ 376315150 892498299 TEL 13942296513 QQ 376315150 892498299 http://www.xiaoyu163.com Audio control Power On/Off, Volume Power On/Off Push the power button to turn the unit on or off. Volume Control To increase the volume, turn knob to the right. To decrease the volume, turn it to the left. Mode indicator Level indicator CD, AM•FM, TAPE Press one of these buttons to switch power on and switch to the respective source. 1 4 3 2 1 2 Mode This selects the volume and tone adjustment modes. Press the knob to change the mode. After selecting the mode, adjust using this knob. BAS (Bass)* MID (Mid-range)* TRE (Treble)* FAD (Front/Rear volume) BAL (Left/Right volume) * You can switch to the BAS, MID and TRE modes only when the equalizer mode is CST. (Custom). Adjustment Carry out adjustment of the mode selected with this knob. Adjust by turning the knob clockwise or counterclockwise. EQ You can select the desired tone with the Equalizer button. Each time you press the Equalizer button, the Equalizer mode changes as follows: NORMAL (Normal) → POPS (Pops) → NEWS (News) → JAZZ (Jazz) → ROC. (Rock) → CST. (Custom) In the Custom mode, you can adjust tone as desired. 3 4 46 KEH-M8227ZT 8. OPERATIONS AND SPECIFICATIONS 8.1 OPERATIONS www. xiaoyu163. com QQ 376315150 9 9 2 8 9 4 2 9 8 TEL 13942296513 9 9 2 8 9 4 2 9 8 0 5 1 5 1 3 6 7 3 Q Q TEL 13942296513 QQ 376315150 892498299 TEL 13942296513 QQ 376315150 892498299 http://www.xiaoyu163.com Automatic Tuning Broadcast stations above a certain signal strength can be tuned into automatically. To cancel, press the button again. Press the button down either on the side or the side. The automatic tuning will start, and the radio will find and tune into the sta- tion. Lights up when the traffic information button is switched Lights up when an FM stereo broadcast is being received Band Lights up during SCAN or Preset Scan Preset number Frequency Listening to the Radio AM•FM Pressing the button switches on the power to the radio and changes the waveband. AM FM1 FM2 1 5 2 3 6 4 1 2 Manual Tuning This is useful to tune into a station with a weak signal that cannot be found with the automatic tuning. Turn the knob clockwise or counterclockwise until you find the frequency you want. Preset Memory This function is used to memorize radio sta- tions. To memorize a station: Choose one button and press it down for about 1.7 seconds until you hear a beep. To select a memorized station: Having memorized a station, you can press the same button again and within 1.7 sec- onds the radio will tune into that memorized station. Preset Scan The radio will automatically tune in to all of your preset stations which are of a certain signal strength one by one for about 5 sec- onds each. Keep the button pressed for more than 1.7 seconds, until you hear a beep. To cancel the preset scan, press the button again. • If you choose Preset Scan on the FM waveband, it will be automatically carried out on both FM1 and FM2. • Preset Scan is for reception of strong broad- cast station transmissions only. You can- not use it for reception of weak broadcast station transmissions. Scan The radio will automatically tune in to stations which are of a certain signal strength in turn for about 5 seconds each. Press the button quickly (for less than 1.7 seconds). To cancel the scan, press the but- ton again. Traffic information Listening to traffic information Reception of preset traffic information stations is possible in areas where traffic information is broadcast. Press the Traffic Information button. ( lights.) Press once more to cancel. • This unit is already preset to receive FM 100.0 MHz broadcasts. • After pressing the Traffic Information but- ton, reception of traffic information contin- ues even if you press the Tuning or Preset buttons. • If the battery is disconnected, the preset for traffic information reception may switch to FM 100.0 MHz. Changing preset traffic information sta- tions 1. Tune to the traffic information station (FM or AM) you want to preset. 2. Press the Traffic Information button until you hear a beep. 3 4 5 6 47 KEH-M8227ZT www. xiaoyu163. com QQ 376315150 9 9 2 8 9 4 2 9 8 TEL 13942296513 9 9 2 8 9 4 2 9 8 0 5 1 5 1 3 6 7 3 Q Q TEL 13942296513 QQ 376315150 892498299 TEL 13942296513 QQ 376315150 892498299 http://www.xiaoyu163.com 48 KEH-M8227ZT Listening to tape Tape Slot If you insert a cassette tape into the tape slot, tape playback begins. • This product is compatible with metal tapes. Tape Eject If you press the tape eject button, the cas- sette tape is ejected. A cassette can be ejected even if the ve- hicle engine switch is turned to the OFF position. Tape Pressing the tape button switches on the power to the tape player, and playback be- gins. When there is no cassette tape inserted in the machine, the power is not switched on. Dolby B NR indicator (Dolby NR B-Type) Tape Direction Repeat play indicator Skip play indicator Tape select indicator (METAL) 3 1 2 7 4 9 6 8 5 1 2 3 Dolby B NR When playing a cassette recorded in Dolby NR mode, press the Dolby B NR button. will light. To cancel the Dolby B NR setting, press the same button once again. • Manufactured under license from Dolby Laboratories. Dolby and the double-D symbol are trademarks of Dolby Laborato- ries. Tape Direction Press the tape direction button. Fast-Forwarding and Rewinding Press the button to fast forward or to rewind the tape. To stop fast forward or rewind, press the same button again or press the TAPE button. Start of a Track You can skip forward or go back to the start of a track you like to choose within previous 9 tracks and next 9 tracks of the track being played. Press the start of track button as many as you like to skip (3 times if you like to skip to the third track). The track being played is counted when you rewind. • Press the side of the start of track but- ton to skip forward. • Press the side to go back. The cancel this function, press the tape but- ton. The start of track function may not work properly in the following cases: • If there is a blank section of less than 3 seconds between tracks • If there is noise between tracks Repeat Press the repeat button. RPT will light. To cancel the repeat function, press the re- peat button once again. The repeat function may not work prop- erly in the following cases: • If there is a blank section of less than 3 seconds between tracks • If there is noise between tracks Skip Press the skip button. SKIP will light. To cancel the skip function, press the skip button once again. The skip function may not work properly in the following cases: • If a blank section is less than about 15 seconds long • If there is noise between tracks • If the start and end of a track are not clearly defined 4 5 7 8 9 6 www. xiaoyu163. com QQ 376315150 9 9 2 8 9 4 2 9 8 TEL 13942296513 9 9 2 8 9 4 2 9 8 0 5 1 5 1 3 6 7 3 Q Q TEL 13942296513 QQ 376315150 892498299 TEL 13942296513 QQ 376315150 892498299 http://www.xiaoyu163.com 49 KEH-M8227ZT Listening to a CD Connect a CD changer, and you can operate it with this unit. CD Changer Pressing this button starts CD playback. Disc Press the disc change button. Track, Fast Forward/Reverse Track Press the track button. Fast Forward/Reverse Press the fast forward/reverse button for one second or longer. When you take your finger off the fast for- ward/reverse button, playback will start at that position. Scan indicator Random play indicator Disc mode indicator Repeat play indicator Disc number Track number Elapsed play time indicator 1 4 3 5 6 2 1 2 3 Scan To play the first 10 seconds of each track on the CD being played 1. Press the scan button. SCAN will light. 2. When you reach the track you want to hear, press the scan button once again. Playback will then continue from that track. To play the first 10 seconds of the first track of each CD in the magazine 1. Press the scan button until you hear a beep. DISC SCAN will light. 2. When you reach the disc you want to hear, press the scan button once again. Playback will then continue from that disc. Repeat Repeating the track being played Press the repeat button. RPT will light. Pressing the repeat button again will cancel the repeat function. Repeating the disc being played Press the repeat button until you hear a beep. DISC RPT will light. Pressing the repeat button again will cancel the disc repeat function. Random To play tracks on the disc being played in random order Press the random play button. RAND will light. Pressing the random button again will cancel the random play function. To play tracks on all discs in the maga- zine in random order Press the random play button until you hear a beep. DISC RAND will light. Pressing the random button again will cancel the disc random play function. • Since tracks are played in random or- der, the same track may be played twice in succession. 4 5 6 www. xiaoyu163. com QQ 376315150 9 9 2 8 9 4 2 9 8 TEL 13942296513 9 9 2 8 9 4 2 9 8 0 5 1 5 1 3 6 7 3 Q Q TEL 13942296513 QQ 376315150 892498299 TEL 13942296513 QQ 376315150 892498299 http://www.xiaoyu163.com KEH-M8227ZT 8.2 SPECIFICATIONS Power source.................13.2V(10.5V-16.0V allowable) DC Backup current.................................................1mA or less Grounding system........................................Negative type Dimensions................................180(W)x50(H)x165(D)mm Weight......................................................................1.226kg Cassette player Tape................................Compact cassette tape(C30-C90) Tape speed ......4.76 cm/sec.(+0.14 cm/sec.,-0.05 cm/sec.) Wow and flutter.................................0.2% or less(WRMS) Crosstalk ..........................................................40dB or less Separation.....................................................30dB or more S/N .................................................................40dB or more Distortion.............................................................3% or less Dolby level...........................................................-8.24±1dB CD (AVC-LAN) S/N .................................................................70dB or more Distortion..........................................................0.3% or less Separation.....................................................55dB or more FM tuner Frequency...................................................87.5–108.0 MHz S/N(MONO) ...................................................46dB or more Distortion(30% MOD.) .....................................1.5% or less IF interference ...............................................64dB or more Image interference........................................35dB or more AM tuner Frequency...................................................531–1602 kMHz AGC sens. ......................................................20dBuV ±7dB S/N 20dB usable sens.................................35dBuV or less IF interference ...............................................40dB or more Image interference........................................45dB or more Distortion(30% MOD.) .....................................1.5% or less www. xiaoyu163. com QQ 376315150 9 9 2 8 9 4 2 9 8 TEL 13942296513 9 9 2 8 9 4 2 9 8 0 5 1 5 1 3 6 7 3 Q Q TEL 13942296513 QQ 376315150 892498299 TEL 13942296513 QQ 376315150 892498299 http://www.xiaoyu163.com

标签:

版权声明

1. 本站所有素材,仅限学习交流,仅展示部分内容,如需查看完整内容,请下载原文件。
2. 会员在本站下载的所有素材,只拥有使用权,著作权归原作者所有。
3. 所有素材,未经合法授权,请勿用于商业用途,会员不得以任何形式发布、传播、复制、转售该素材,否则一律封号处理。
4. 如果素材损害你的权益请联系客服QQ:77594475 处理。