先锋PIONEER KEH-3910音响电路图

分类:电子电工 日期: 点击:0
先锋PIONEER KEH-3910音响电路图-0 先锋PIONEER KEH-3910音响电路图-1 先锋PIONEER KEH-3910音响电路图-2 先锋PIONEER KEH-3910音响电路图-3 先锋PIONEER KEH-3910音响电路图-4 先锋PIONEER KEH-3910音响电路图-5 先锋PIONEER KEH-3910音响电路图-6 先锋PIONEER KEH-3910音响电路图-7 先锋PIONEER KEH-3910音响电路图-8 先锋PIONEER KEH-3910音响电路图-9

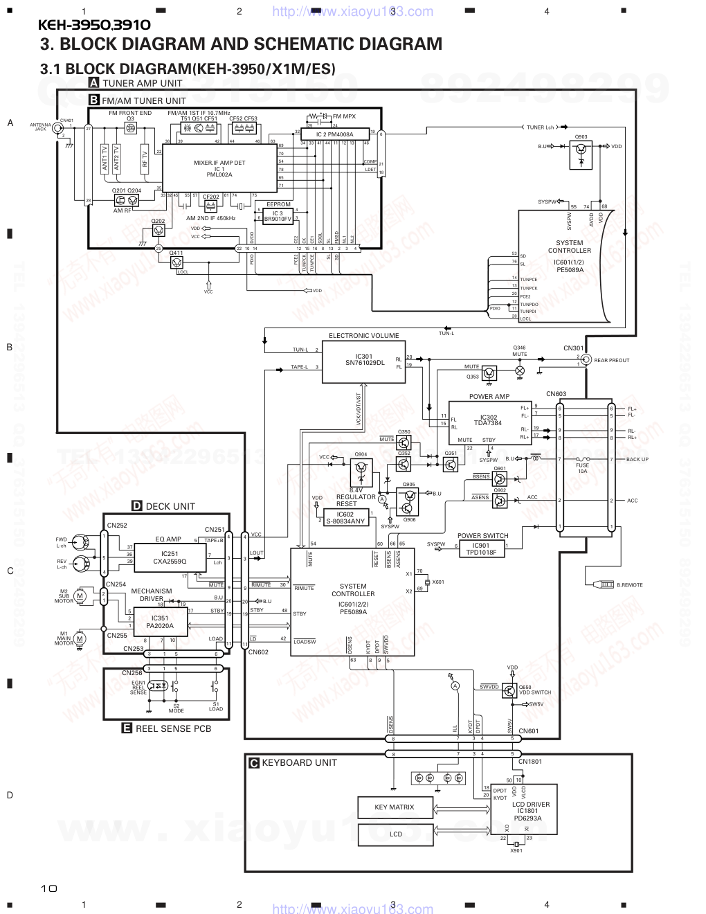
PIONEER CORPORATION 4-1, Meguro 1-Chome, Meguro-ku, Tokyo 153-8654, Japan PIONEER ELECTRONICS SERVICE INC. P.O.Box 1760, Long Beach, CA 90801-1760 U.S.A. PIONEER ELECTRONIC [EUROPE] N.V. Haven 1087 Keetberglaan 1, 9120 Melsele, Belgium PIONEER ELECTRONICS ASIACENTRE PTE.LTD. 253 Alexandra Road, #04-01, Singapore 159936 C PIONEER CORPORATION 1999 K-ZZD. NOV. 1999 Printed in Japan ORDER NO. CRT2421 HIGH POWER CASSETTE PLAYER WITH FM/AM TUNER KEH-3950 X1M/ES Service Manual CONTENTS 1. SAFETY INFORMATION ............................................2 2. EXPLODED VIEWS AND PARTS LIST.......................2 3. BLOCK DIAGRAM AND SCHEMATIC DIAGRAM ...10 4. PCB CONNECTION DIAGRAM ................................26 5. ELECTRICAL PARTS LIST ........................................36 6. ADJUSTMENT..........................................................43 7. GENERAL INFORMATION .......................................44 7.1 DISASSEMBLY ...................................................44 7.2 PARTS .................................................................45 7.2.1 IC................................................................45 7.2.2 DISPLAY....................................................49 8. OPERATIONS AND SPECIFICATIONS.....................50 KEH-3950/X1M/ES - This service manual should be used together with the following manual(s): Model No. Order No. Mech. Module Remarks CX-1011 CRT2406 3L Cassette Mech. Module:Circuit Description, Mech.Description, Disassembly KEH-3910 X1M/EE HIGH POWER CASSETTE PLAYER WITH FM/MW/LW TUNER www. xiaoyu163. com QQ 376315150 9 9 2 8 9 4 2 9 8 TEL 13942296513 9 9 2 8 9 4 2 9 8 0 5 1 5 1 3 6 7 3 Q Q TEL 13942296513 QQ 376315150 892498299 TEL 13942296513 QQ 376315150 892498299 http://www.xiaoyu163.com NOTE: - Parts marked by “*” are generally unavailable because they are not in our Master Spare Parts List. - Screws adjacent to ∇ mark on the product are used for disassembly. 2 KEH-3950,3910 1. SAFETY INFORMATION This service manual is intended for qualified service technicians; it is not meant for the casual do-it-yourselfer. Qualified technicians have the necessary test equipment and tools, and have been trained to properly and safely repair complex products such as those covered by this manual. Improperly performed repairs can adversely affect the safety and reliability of the product and may void the warranty. If you are not qualified to perform the repair of this product properly and safely, you should not risk trying to do so and refer the repair to a qualified service technician. 2. EXPLODED VIEWS AND PARTS LIST 2.1 PACKING(KEH-3950/X1M/ES) 4 7 11 3 10 9 8 6 5 16 2 17 12 15 14 13 1 1-1 Owner’s Manual CRD3119 1-2 Installation Manual CRD3121 1-3 Polyethylene Bag CEG1116 2 Cord Assy CDE6222 3 Spring CBH1650 4 Screw Assy CEA2351 5 Screw CBA1304 * 6 Polyethylene Bag CEG-127 7 Screw CRZ50P090FMC 8 Screw TRZ50P080FMC * 9 Polyethylene Bag CEG-158 10 Handle CNC5395 11 Bush CNV3930 12 Polyethylene Bag CEG-162 13 Carton CHG3846 14 Contain Box CHL3846 15 Protector CHP2243 16 Protector CHP2244 17 Case Assy CXB3520 - PACKING SECTION PARTS LIST Mark No. Description Part No. Mark No. Description Part No. www. xiaoyu163. com QQ 376315150 9 9 2 8 9 4 2 9 8 TEL 13942296513 9 9 2 8 9 4 2 9 8 0 5 1 5 1 3 6 7 3 Q Q TEL 13942296513 QQ 376315150 892498299 TEL 13942296513 QQ 376315150 892498299 http://www.xiaoyu163.com 3 KEH-3950,3910 - Owner's Manual, Installation Manual Model Part No. Language KEH-3950/X1M/ES CRD3119 English, Spanish, Portuguese(B), CRD3121 Chinese, Arabic - Owner's Manual, Installation Manual Model Part No. Language KEH-3910/X1M/EE CRD3125 English, Russian CRD3126 10 1 13 7 11 9 8 12 2 5 4 6 3 2.2 PACKING(KEH-3910/X1M/EE) 1 Cord Assy CDE6222 2 Accessory Assy CEA1917 3 Screw CBA1304 4 Handle CNC5395 5 Bush CNV3930 * 6 Polyethylene Bag E36-615 7 Polyethylene Bag CEG-162 8 Carton CHG3847 9 Contain Box CHL3847 10 Protector CHP2243 11 Protector CHP2244 12-1 Owner’s Manual CRD3125 12-2 Installation Manual CRD3126 12-3 Polyethylene Bag CEG1116 13 Case Assy CXB3520 - PACKING SECTION PARTS LIST Mark No. Description Part No. Mark No. Description Part No. www. xiaoyu163. com QQ 376315150 9 9 2 8 9 4 2 9 8 TEL 13942296513 9 9 2 8 9 4 2 9 8 0 5 1 5 1 3 6 7 3 Q Q TEL 13942296513 QQ 376315150 892498299 TEL 13942296513 QQ 376315150 892498299 http://www.xiaoyu163.com 4 KEH-3950,3910 2.3 EXTERIOR(KEH-3950/X1M/ES) www. xiaoyu163. com QQ 376315150 9 9 2 8 9 4 2 9 8 TEL 13942296513 9 9 2 8 9 4 2 9 8 0 5 1 5 1 3 6 7 3 Q Q TEL 13942296513 QQ 376315150 892498299 TEL 13942296513 QQ 376315150 892498299 http://www.xiaoyu163.com 5 KEH-3950,3910 1 Screw BSZ26P050FMC 2 Screw BSZ30P050FMC 3 Screw BSZ30P200FMC 4 Cord Assy CDE6222 5 ••••• 6 Case CNB2350 7 Earth Plate CNC8368 8 Spacer CNM4913 9 Insulator CNM5963 10 Tuner Amp Unit CWM6810 11 Screw BSZ26P080FMC 12 Screw BSZ26P160FMC 13 ••••• 14 FM/AM Tuner Unit CWE1501 15 Holder CNC7532 16 Plug(CN603) CKM1270 17 Connector(CN602) CKS3568 18 Connector(CN601) CKS3581 19 Antenna Jack(CN402) CKX1056 20 Panel CNB2514 21 Holder CNC5399 22 Holder CNC6845 23 Holder CNC7533 24 Holder CNC7996 25 Insulator CNM5967 26 Heat Sink CNR1505 27 Holder Unit CXB2687 28 ••••• 29 Chassis Unit CXB3012 30 Detach Grille Assy CXB4854 31 Screw BPZ20P100FZK 32 Button(DETACH) CAC5789 33 Button(1-6) CAC6275 34 Button(EJECT) CAC6277 35 Button(+ -) CAC6273 36 Button(SELECT) CAC6276 37 Button(SOURCE/LOUD) CAC6495 38 Spring CBH2210 39 Cover CNS5661 40 Keyboard Unit CWM6814 41 LCD(LCD1801) CAW1560 42 Connector(CN1801) CKS3580 43 Holder CNC8517 44 Rubber CNV5954 45 Lighting Conductor CNV6274 46 Rubber CNV5968 47 Grille Unit CXB4523 48 Button CAC4836 49 Spring CBH1834 50 Spring CBH1835 51 Spring CBH2182 52 Bracket CNC6135 53 Bracket CNC6791 54 Arm CNV4692 55 Arm CNV4693 56 Arm CNV4728 57 Panel Unit CXB4927 58 Door CAT2109 59 Spring CBH1838 60 Screw IMS20P030FZK 61 Cassette Mechanism Module EXK4100 62 Screw ISS26P055FUC 63 Fuse(10A) CEK1136 64 IC(IC302) TDA7384 65 Transistor(Q904) 2SD2396 66 Pin Jack(CN301) CKB1028 67 Screw BPZ26P080FMC 68 Panel CNS5132 - EXTERIOR SECTION PARTS LIST Mark No. Description Part No. Mark No. Description Part No. www. xiaoyu163. com QQ 376315150 9 9 2 8 9 4 2 9 8 TEL 13942296513 9 9 2 8 9 4 2 9 8 0 5 1 5 1 3 6 7 3 Q Q TEL 13942296513 QQ 376315150 892498299 TEL 13942296513 QQ 376315150 892498299 http://www.xiaoyu163.com 6 KEH-3950,3910 2.4 EXTERIOR(KEH-3910/X1M/EE) www. xiaoyu163. com QQ 376315150 9 9 2 8 9 4 2 9 8 TEL 13942296513 9 9 2 8 9 4 2 9 8 0 5 1 5 1 3 6 7 3 Q Q TEL 13942296513 QQ 376315150 892498299 TEL 13942296513 QQ 376315150 892498299 http://www.xiaoyu163.com 7 KEH-3950,3910 1 Screw BSZ26P050FMC 2 Screw BSZ30P050FMC 3 Screw BSZ30P200FMC 4 Cord Assy CDE6222 5 ••••• 6 Case CNB2350 7 Earth Plate CNC8368 8 Spacer CNM4913 9 Insulator CNM5963 10 Tuner Amp Unit CWM6808 11 Screw BSZ26P080FMC 12 Screw BSZ26P160FMC 13 Cord CDE6158 14 FM/AM Tuner Unit CWE1504 15 Holder CNC7532 16 Plug(CN603) CKM1270 17 Connector(CN602) CKS3568 18 Connector(CN601) CKS3581 19 Antenna Jack(CN402) CKX1056 20 Panel CNB2345 21 Holder CNC5399 22 Holder CNC6845 23 Holder CNC7533 24 Holder CNC7996 25 Insulator CNM5967 26 Heat Sink CNR1505 27 Holder Unit CXB2687 28 ••••• 29 Chassis Unit CXB3012 30 Detach Grille Assy CXB4852 31 Screw BPZ20P100FZK 32 Button(DETACH) CAC5789 33 Button(1-6) CAC6275 34 Button(EJECT) CAC6277 35 Button(+ -) CAC6273 36 Button(SELECT) CAC6276 37 Button(SOURCE/LOUD) CAC6495 38 Spring CBH2210 39 Cover CNS5661 40 Keyboard Unit CWM6814 41 LCD(LCD1801) CAW1560 42 Connector(CN1801) CKS3580 43 Holder CNC8517 44 Rubber CNV5954 45 Lighting Conductor CNV5955 46 Rubber CNV5968 47 Grille Unit CXB4521 48 Button CAC4836 49 Spring CBH1834 50 Spring CBH1835 51 Spring CBH2182 52 Bracket CNC6135 53 Bracket CNC6791 54 Arm CNV4692 55 Arm CNV4693 56 Arm CNV4728 57 Panel Unit CXB4928 58 Door CAT2109 59 Spring CBH1838 60 Screw IMS20P030FZK 61 Cassette Mechanism Module EXK4100 62 Screw ISS26P055FUC 63 Fuse(10A) CEK1136 64 IC(IC302) TDA7384 65 Transistor(Q904) 2SD2396 - EXTERIOR SECTION PARTS LIST Mark No. Description Part No. Mark No. Description Part No. www. xiaoyu163. com QQ 376315150 9 9 2 8 9 4 2 9 8 TEL 13942296513 9 9 2 8 9 4 2 9 8 0 5 1 5 1 3 6 7 3 Q Q TEL 13942296513 QQ 376315150 892498299 TEL 13942296513 QQ 376315150 892498299 http://www.xiaoyu163.com 8 KEH-3950,3910 2.5 CASSETTE MECHANISM MODULE www. xiaoyu163. com QQ 376315150 9 9 2 8 9 4 2 9 8 TEL 13942296513 9 9 2 8 9 4 2 9 8 0 5 1 5 1 3 6 7 3 Q Q TEL 13942296513 QQ 376315150 892498299 TEL 13942296513 QQ 376315150 892498299 http://www.xiaoyu163.com 9 KEH-3950,3910 1 Screw BSZ20P040FMC 2 Washer CBF1037 3 Washer CBG1003 4 Screw EBA1028 5 Screw CBA1037 6 Spring EBH1531 7 Spring EBH1624 8 Spring EBH1625 9 Spring EBH1626 10 Spring EBH1627 11 Spring EBH1628 12 Cord EDD1024 13 Photo-reflector(EGN1) EGN1004 14 Arm ENC1526 15 Lever ENC1530 16 Lever ENC1531 17 Arm ENC1532 18 Frame ENC1533 19 Holder ENC1534 20 Gear ENC1535 21 Arm ENC1536 22 Roller ENR1040 23 Belt ENT1027 24 Collar ENV1508 25 Arm ENV1539 26 Arm ENV1540 27 Gear ENV1544 28 Gear ENV1547 29 Gear ENV1548 30 Worm Wheel ENV1550 31 Lever ENV1551 32 Flywheel ENV1554 33 Gathering PCB ENX1054 34 Switch(S1,S2) ESG1007 35 Deck Unit EWM1023 36 Plug(CN251) CKS3540 37 Gathering PCB ENX1053 38 Motor Unit(M1) EXA1491 39 Motor EXM1028 40 Head Assy(HD1) EXA1592 41 Motor Unit(M2) EXA1580 42 Screw BMZ20P022FMC 43 Bracket ENC1528 44 Chassis Unit EXA1582 45 Pinch Holder Unit EXA1584 46 Pinch Roller ENV1518 47 Pinch Holder Unit EXA1583 48 Pinch Roller ENV1518 49 Reel Unit EXA1585 50 Head Base Unit EXA1586 51 Lever Unit EXA1587 52 Gear Unit EXA1588 53 Motor Unit(Service) EXX1055 54 Washer HBF-179 55 Screw CBA1250 56 Bracket ENC1542 Mark No. Description Part No. Mark No. Description Part No. - CASSETTE MECHANISM MODULE SECTION PARTS LIST www. xiaoyu163. com QQ 376315150 9 9 2 8 9 4 2 9 8 TEL 13942296513 9 9 2 8 9 4 2 9 8 0 5 1 5 1 3 6 7 3 Q Q TEL 13942296513 QQ 376315150 892498299 TEL 13942296513 QQ 376315150 892498299 http://www.xiaoyu163.com 10 KEH-3950,3910 1 2 3 4 1 2 3 4 D C B A 3. BLOCK DIAGRAM AND SCHEMATIC DIAGRAM 3.1 BLOCK DIAGRAM(KEH-3950/X1M/ES) TUNER Lch B.U VDD Q903 SYSPW SYSPW VDD AVDD 55 74 68 SYSTEM CONTROLLER PE5089A IC601(1/2) TUN-L TUN-L ELECTRONIC VOLUME SN761029DL IC301 20 19 2 3 TAPE-L RL FL Q353 Q346 MUTE MUTE POWER AMP TDA7384 IC302 11 15 MUTE STBY FL RL FL+ FL- RL+ RL- 22 4 9 7 19 17 SYSPW B.U B.U SYSPW Q350 Q904 Q352 Q351 Q905 Q901 Q902 MUTE 8.4V REGULATOR RESET IC602 S-80834ANY VCC VDD 54 60 1 2 66 65 70 69 30 48 MUTE RESET BSENS ASENS SWVDD DPDT KYDT DSENS RIMUTE STBY LOADSW X1 X2 SYSTEM CONTROLLER IC601(2/2) PE5089A X601 Q906 BSENS ASENS ACC FUSE 10A B.U STBY B.U MUTE LOAD 42 63 8 9 5 Q650 SWVDD VDD SW5V ILL KYDT DPDT SW5V VDD SWITCH 5 1 4 2 1 3 4 11 9 20 19 3 4 11 9 20 19 9 6 2 1 5 8 7 2 1 A TUNER AMP UNIT D DECK UNIT C KEYBOARD UNIT 7 3 4 5 7 3 4 5 LCD DRIVER IC1801 PD6293A DPDT KYDT VDD VLCD XO XI X901 18 20 50 10 22 23 IC251 CXA2559Q IC351 PA2020A EQ AMP MECHANISM DRIVER CN251 CN252 CN254 CN255 CN253 7 5 TAPE+B Lch 17 FWD L-ch REV L-ch 37 36 39 18 19 17 3 1 5 6 8 7 10 CN256 3 1 5 6 S1 LOAD S2 MODE EGN1 REEL SENSE M M M2 SUB MOTOR M1 MAIN MOTOR 5 2 1 E REEL SENSE PCB CN602 CN301 CN603 CN601 CN1801 VCK/VDT/VST ACC BACK UP FL+ FL- RL- RL+ B.REMOTE VCC LOUT RIMUTE LD STBY 9 6 5 8 7 2 KEY MATRIX LCD ANT1 TV ANT2 TV RF TV IC 3 BR9010FV AM 2ND IF 450kHz ANTENNA JACK CN401 1 2 B FM/AM TUNER UNIT 27 28 FM FRONT END Q3 Q201 Q204 AM RF FM/AM 1ST IF 10.7MHz T51 Q51 CF51 CF52 CF53 MIXER.IF AMP DET IC 1 PML002A 38 39 42 44 46 63 32 19 46 6 21 18 LDET COMP 34 33 41 44 11 12 13 69 70 54 78 65 71 75 74 61 57 55 45 33 35 22 22 25 10 14 12 15 16 8 13 2 3 4 CF202 VDD LOCL VCC Q411 VCC VDD DI/DO CE2 CK CE1 SDBL SL FMSD PCE2 TUNPCK TUNPCE SL SD PDIO NL1 NL2 EEPROM 5 6 4 3 IC 2 PM4008A FM MPX 25 24 Q202 32 SD SL TUNPCE TUNPCK PCE2 TUNPDO LOCL 53 76 14 13 20 12 28 TUNPDI 11 PDIO 1 POWER SWITCH 1 6 IC901 TPD1018F SYSPW 8 8 DSENS A A REAR PREOUT www. xiaoyu163. com QQ 376315150 9 9 2 8 9 4 2 9 8 TEL 13942296513 9 9 2 8 9 4 2 9 8 0 5 1 5 1 3 6 7 3 Q Q TEL 13942296513 QQ 376315150 892498299 TEL 13942296513 QQ 376315150 892498299 http://www.xiaoyu163.com 11 KEH-3950,3910 1 2 3 4 1 2 3 4 D C B A 3.2 BLOCK DIAGRAM(KEH-3910/X1M/EE) TUNER Lch B.U VDD Q903 SYSPW SYSPW VDD AVDD 55 74 68 SYSTEM CONTROLLER PE5089A IC601(1/2) TUN-L TUN-L ELECTRONIC VOLUME SN761029DL IC301 20 19 2 3 TAPE-L RL FL POWER AMP TDA7384 IC302 11 15 MUTE STBY FL RL FL+ FL- RL+ RL- 22 4 9 7 19 17 SYSPW B.U B.U SYSPW Q350 Q904 Q352 Q351 Q905 Q901 Q902 MUTE 8.4V REGULATOR RESET IC602 S-80834ANY VCC VDD 54 60 1 2 66 65 70 69 64 30 48 MUTE RESET BSENS ASENS SWVDD DPDT KYDT DSENS RIMUTE STBY LOADSW X1 X2 TELIN SYSTEM CONTROLLER IC601(2/2) PE5089A X601 Q906 BSENS ASENS ACC FUSE 10A TEL MUTE Q951 B.U STBY B.U MUTE LOAD 42 63 8 9 5 Q650 SWVDD VDD SW5V ILL KYDT DPDT SW5V VDD SWITCH 5 1 4 2 1 3 4 11 9 20 19 3 4 11 9 20 19 9 6 2 1 5 8 7 A TUNER AMP UNIT D DECK UNIT C KEYBOARD UNIT 7 3 4 5 7 3 4 5 LCD DRIVER IC1801 PD6293A DPDT KYDT VDD VLCD XO XI X901 18 20 50 10 22 23 IC251 CXA2559Q IC351 PA2020A EQ AMP MECHANISM DRIVER CN251 CN252 CN254 CN255 CN253 7 5 TAPE+B Lch 17 FWD L-ch REV L-ch 37 36 39 18 19 17 3 1 5 6 8 7 10 CN256 3 1 5 6 S1 LOAD S2 MODE EGN1 REEL SENSE M M M2 SUB MOTOR M1 MAIN MOTOR 5 2 1 E REEL SENSE PCB CN602 CN603 CN901 CN601 CN1801 VCK/VDT/VST ACC BACK UP FL+ FL- RL- RL+ TEL MUTE B.REMOTE VCC LOUT RIMUTE LD STBY 9 6 5 8 7 2 KEY MATRIX LCD ANT1 TV ANT2 TV RF TV IC 3 BR9010FV AM 2ND IF 450kHz ANTENNA JACK CN401 1 2 B FM/AM TUNER UNIT 27 28 FM FRONT END Q3 Q201 Q204 AM RF FM/AM 1ST IF 10.7MHz T51 Q51 CF51 CF52 CF53 MIXER.IF AMP DET IC 1 PML002A 38 39 42 44 46 63 32 19 46 6 21 18 LDET COMP 34 33 41 44 11 12 13 69 70 54 78 65 71 75 74 61 57 55 45 33 35 22 22 25 10 14 12 15 16 8 13 2 3 4 CF202 VDD LOCL VCC Q411 VCC VDD DI/DO CE2 CK CE1 SDBL SL FMSD PCE2 TUNPCK TUNPCE SL SD PDIO NL1 NL2 EEPROM 5 6 4 3 IC 2 PM4008A FM MPX 25 24 Q202 32 SD SL TUNPCE TUNPCK PCE2 TUNPDO LOCL 53 76 14 13 20 12 28 TUNPDI 11 PDIO 1 POWER SWITCH 1 6 IC901 TPD1018F SYSPW 8 8 DSENS A A www. xiaoyu163. com QQ 376315150 9 9 2 8 9 4 2 9 8 TEL 13942296513 9 9 2 8 9 4 2 9 8 0 5 1 5 1 3 6 7 3 Q Q TEL 13942296513 QQ 376315150 892498299 TEL 13942296513 QQ 376315150 892498299 http://www.xiaoyu163.com 12 KEH-3950,3910 1 2 3 4 1 2 3 4 D C B A 3.3 OVERALL CONNECTION DIAGRAM(GUIDE PAGE) Note: When ordering service parts, be sure to refer to “EXPLODED VIEWS AND PARTS LIST” or “ELECTRICAL PARTS LIST”. A-a A-b A-a A-a A-b A-b A-b A-b A-a A-a Large size SCH diagram Guide page Detailed page A A-a ANTENNA JACK KEH-3950/X1M/ES KEH-3910/X1M/EE R602 223 NOT USED R603 223 473 KEH-3950/X1M/ES KEH-3910/X1M/EE C462,463 183 123 R460,461 272 162 R464,465 162 272 PE5089A KEH-3950/X1M/ES KEH-3910/X1M/EE C491 C494 102 103 101 Not used The > mark found on some component parts indicates the importance of the safety factor of the part. Therefore, when replacing, be sure to use parts of identical designation. Symbol indicates a resistor. No differentiation is made between chip resistors and discrete resistors. NOTE : Symbol indicates a capacitor. No differentiation is made between chip capacitors and discrete capacitors. For resistors and capacitors in the circuit diagrams, their resistance values or capacitance values are expressed in codes: Ex. *Resistors Code Practical value 123 12k ohms 103 10k ohms *Capacitors Code Practical value 103 0.01uF 101/10 100uF/10V FM(100%)(ES) : -19.5dBs FM(100%)(ES) : -15.5dBs AM(30%)(ES) : -30dBs AM(30%)(ES) : -26dBs SYSTEM CONTROLLER SOUR ELECT RESET TAPE 315Hz(0dB) : -7.9dBs FM( FM( AM( AM( TAP A B E D TUNER AMP UNIT FM/AM TUNER UNIT CASSETTE MECHANISM MODULE www. xiaoyu163. com QQ 376315150 9 9 2 8 9 4 2 9 8 TEL 13942296513 9 9 2 8 9 4 2 9 8 0 5 1 5 1 3 6 7 3 Q Q TEL 13942296513 QQ 376315150 892498299 TEL 13942296513 QQ 376315150 892498299 http://www.xiaoyu163.com 13 KEH-3950,3910 5 6 7 8 5 6 7 8 D C B A A-b A 600µH 3300/16 R483 100 R482 0R0 KEH-3910/X1M/EE KEH-3950/X1M/ES TEL MUTE KEH-3910/X1M/EE CEK1136 REAR PREOUT L-CH R-CH > 752 RCE SELECTOR/ TRONIC VOLUME POWER AMP 5V REGULATOR SWD 5V POWER SWITCH ACC SENSE BACK UP SENSE TELEPHONE MUTE 8.4V REGULATOR OFF MUTE SYSTEM MUTE ES): -19.5dBs EE): -15.5dBs (ES) : -30.0dBs (EE) : -26.0dBs PE : -7.9dBs FM(ES): 5.5dBs FM(EE): 7.5dBs AM (ES): -5.0dBs AM (EE): -1.0dBs TAPE : -2.9dBs FM(ES) : 31.5dBs FM(EE) : 33.5dBs AM(ES) : 21.0dBs AM(EE) : 25.0dBs TAPE : 23.1dBs TAPE(ES) : -4.2dBs C KEYBOARD UNIT www. xiaoyu163. com QQ 376315150 9 9 2 8 9 4 2 9 8 TEL 13942296513 9 9 2 8 9 4 2 9 8 0 5 1 5 1 3 6 7 3 Q Q TEL 13942296513 QQ 376315150 892498299 TEL 13942296513 QQ 376315150 892498299 http://www.xiaoyu163.com 14 KEH-3950,3910 1 2 3 4 1 2 3 4 D C B A ANTENNA JACK KEH-3950/X1M/ES KEH-3910/X1M/EE R602 223 NOT USED R603 223 473 KEH-3950/X1M/ES KEH-3910/X1M/EE C462,463 183 123 R460,461 272 162 R464,465 162 272 KEH-3950/X1M/ES KEH-3910/X1M/EE C491 C494 102 103 101 Not used FM(100%)(ES) : -19.5dBs FM(100%)(ES) : -15.5dBs AM(30%)(ES) : -30dBs AM(30%)(ES) : -26dBs SYSTEM CONTROLLER SOURCE SE ELECTRONI RESET FM(ES): -19.5d FM(EE): -15.5d AM(ES) : -30.0 AM(EE) : -26.0d TAPE : -7.9dBs A-a A-a A-b A B TUNER AMP UNIT FM/AM TUNER UNIT 1 2 www. xiaoyu163. com QQ 376315150 9 9 2 8 9 4 2 9 8 TEL 13942296513 9 9 2 8 9 4 2 9 8 0 5 1 5 1 3 6 7 3 Q Q TEL 13942296513 QQ 376315150 892498299 TEL 13942296513 QQ 376315150 892498299 http://www.xiaoyu163.com 15 KEH-3950,3910 5 6 7 8 5 6 7 8 D C B A PE5089A The > mark found on some component parts indicates the importance of the safety factor of the part. Therefore, when replacing, be sure to use parts of identical designation. Symbol indicates a resistor. No differentiation is made between chip resistors and discrete resistors. NOTE : Symbol indicates a capacitor. No differentiation is made between chip capacitors and discrete capacitors. For resistors and capacitors in the circuit diagrams, their resistance values or capacitance values are expressed in codes: Ex. *Resistors Code Practical value 123 12k ohms 103 10k ohms *Capacitors Code Practical value 103 0.01uF 101/10 100uF/10V SYSTEM CONTROLLER TAPE 315Hz(0dB) : -7.9dBs A-a A-a A-b E D CASSETTE MECHANISM MODULE 3 www. xiaoyu163. com QQ 376315150 9 9 2 8 9 4 2 9 8 TEL 13942296513 9 9 2 8 9 4 2 9 8 0 5 1 5 1 3 6 7 3 Q Q TEL 13942296513 QQ 376315150 892498299 TEL 13942296513 QQ 376315150 892498299 http://www.xiaoyu163.com 16 1 2 3 4 1 2 3 4 D C B A 600µH 3300/16 KEH-3950/X1M/ES CEK1136 REAR PREOUT L-CH R-CH > RCE SELECTOR/ TRONIC VOLUME POWER AMP 8.4V REGULATOR SYSTEM MUTE ES): -19.5dBs EE): -15.5dBs (ES) : -30.0dBs (EE) : -26.0dBs PE : -7.9dBs FM(ES): 5.5dBs FM(EE): 7.5dBs AM (ES): -5.0dBs AM (EE): -1.0dBs TAPE : -2.9dBs FM(ES) : 31.5dBs FM(EE) : 33.5dBs AM(ES) : 21.0dBs AM(EE) : 25.0dBs TAPE : 23.1dBs TAPE(ES) : -4.2dBs A-a A-b A-b 1 2 KEH-3950,3910 www. xiaoyu163. com QQ 376315150 9 9 2 8 9 4 2 9 8 TEL 13942296513 9 9 2 8 9 4 2 9 8 0 5 1 5 1 3 6 7 3 Q Q TEL 13942296513 QQ 376315150 892498299 TEL 13942296513 QQ 376315150 892498299 http://www.xiaoyu163.com 17 5 6 7 8 5 6 7 8 D C B A R483 100 R482 0R0 KEH-3910/X1M/EE TEL MUTE KEH-3910/X1M/EE 752 5V REGULATOR SWD 5V POWER SWITCH ACC SENSE BACK UP SENSE TELEPHONE MUTE OFF MUTE A-b A-a A-b 3 KEH-3950,3910 C KEYBOARD UNIT www. xiaoyu163. com QQ 376315150 9 9 2 8 9 4 2 9 8 TEL 13942296513 9 9 2 8 9 4 2 9 8 0 5 1 5 1 3 6 7 3 Q Q TEL 13942296513 QQ 376315150 892498299 TEL 13942296513 QQ 376315150 892498299 http://www.xiaoyu163.com 18 KEH-3950,3910 1 2 3 4 1 2 3 4 D C B A B KV1410(23) Mark None F0 F65 F125 A0 A74 A125 Band – FM FM FM AM AM AM Input Level – 0dBf 65dBf 125dBf 0dBµ 74dBµ 125dBµ DAN217U DAN217U 3.4 FM/AM TUNER UNIT(KEH-3950/X1M/ES) B A FM/AM TUNER UNIT www. xiaoyu163. com QQ 376315150 9 9 2 8 9 4 2 9 8 TEL 13942296513 9 9 2 8 9 4 2 9 8 0 5 1 5 1 3 6 7 3 Q Q TEL 13942296513 QQ 376315150 892498299 TEL 13942296513 QQ 376315150 892498299 http://www.xiaoyu163.com 19 KEH-3950,3910 5 6 7 8 5 6 7 8 D C B A KV1410(23) B www. xiaoyu163. com QQ 376315150 9 9 2 8 9 4 2 9 8 TEL 13942296513 9 9 2 8 9 4 2 9 8 0 5 1 5 1 3 6 7 3 Q Q TEL 13942296513 QQ 376315150 892498299 TEL 13942296513 QQ 376315150 892498299 http://www.xiaoyu163.com 20 KEH-3950,3910 1 2 3 4 1 2 3 4 D C B A B KV1410(23) Mark None F0 F65 F125 A0 A74 A125 Band – FM FM FM AM AM AM Input Level – 0dBf 65dBf 125dBf 0dBµ 74dBµ 125dBµ DAN217U DAN217U C29 C26 4700P 4700P 0R0 C30 12P R23 D7 1SS390 R5 470 C34 C27 4700P 4700P D8 1SS390 R5 470 R24 470 C13 27P C925 4700P D901 1SS390 C903 27P R901 4R7K 4P 0R0 C9 22P 0R0 C33 1 56P 3.5 FM/AM TUNER UNIT(KEH-3910/X1M/EE) B A FM/AM TUNER UNIT www. xiaoyu163. com QQ 376315150 9 9 2 8 9 4 2 9 8 TEL 13942296513 9 9 2 8 9 4 2 9 8 0 5 1 5 1 3 6 7 3 Q Q TEL 13942296513 QQ 376315150 892498299 TEL 13942296513 QQ 376315150 892498299 http://www.xiaoyu163.com 21 KEH-3950,3910 5 6 7 8 5 6 7 8 D C B A KV1410(23) C925 4700P D901 1SS390 C903 27P 901 7K 6P R910 0R0 B www. xiaoyu163. com QQ 376315150 9 9 2 8 9 4 2 9 8 TEL 13942296513 9 9 2 8 9 4 2 9 8 0 5 1 5 1 3 6 7 3 Q Q TEL 13942296513 QQ 376315150 892498299 TEL 13942296513 QQ 376315150 892498299 http://www.xiaoyu163.com 22 KEH-3950,3910 1 2 3 4 1 2 3 4 D C B A LCD DRIVER, KEY CONTROLLER PD6293A CAW1560 C 3.6 KEYBOARD UNIT C KEYBOARD UNIT www. xiaoyu163. com QQ 376315150 9 9 2 8 9 4 2 9 8 TEL 13942296513 9 9 2 8 9 4 2 9 8 0 5 1 5 1 3 6 7 3 Q Q TEL 13942296513 QQ 376315150 892498299 TEL 13942296513 QQ 376315150 892498299 http://www.xiaoyu163.com 23 KEH-3950,3910 5 6 7 8 5 6 7 8 D C B A LOUD CLK LOCAL BSM IL1801-1804 : CEL1547(14V 40mA) C A CN601 www. xiaoyu163. com QQ 376315150 9 9 2 8 9 4 2 9 8 TEL 13942296513 9 9 2 8 9 4 2 9 8 0 5 1 5 1 3 6 7 3 Q Q TEL 13942296513 QQ 376315150 892498299 TEL 13942296513 QQ 376315150 892498299 http://www.xiaoyu163.com 24 KEH-3950,3910 1 2 3 4 1 2 3 4 D C B A DECK UNIT MUTE CXA2559Q 11 12 13 14 15 16 17 18 19 20 40 39 38 37 36 35 34 33 32 31 30 29 28 27 26 25 24 23 22 21 1 2 3 4 5 6 7 8 9 10 R256 220 R287 0R0 C273 22/16 R283 0R0 R284 0R0 R282 0R0 C253 330P C254 330P C252 330P C251 330P R281 0R0 R255 220 C256 R01 R258 1K R301 18K R273 1K R274 1K R271 1K R272 1K R290 C403 R403 C402 3900P C401 R33 R323 0R0 R257 1K C255 R01 C272 R1 C313 100P R286 0R0 R285 0R0 HD1 HEAD ASSY EXA1592 TEST TAPE NCT-150 (400Hz, 200nWb/m) RL RR FR FL C302 R1 C301 R1 R304 R302 16K 16K R305 16K R303 16K -6dBs(388mV)±1dB Fwd-R Fwd-L Rev-R Rev-L PBFB2 PBRIN2 PBGND PBFIN2 VCT PBREF PBFIN1 PBGND PBRIN1 PBFB1 PBTC1 PBOUT1 OUTREF1 TAPEIN1 VCC LINEOUT1 TCH1 MSLPF MSMODE DRSW TAPESW MUTESW MSOUT MSTC G1FB G2FB PBTC2 PBOUT2 OUTREF2 TAPEIN2 GND DIREF LINEOUT2 TCH2 MSSW CN252 CN251 EQ AMP IC251 D 3.7 CASSETTE MECHANISM MODULE D A CN602 www. xiaoyu163. com QQ 376315150 9 9 2 8 9 4 2 9 8 TEL 13942296513 9 9 2 8 9 4 2 9 8 0 5 1 5 1 3 6 7 3 Q Q TEL 13942296513 QQ 376315150 892498299 TEL 13942296513 QQ 376315150 892498299 http://www.xiaoyu163.com D 25 KEH-3950,3910 5 6 7 8 5 6 7 8 D C B A REEL SENSE PCB SWITCHES: PCB UNIT S1:LOAD SWITCH..........EJECT-PLAY S2:MODE SWITCH............ON-OFF The underlined indicates the switch position. R290 0R0 C403 R068 R403 82K C402 3900P C401 R33 R402 18K R401 4R7K R351 1K R352 1K R353 1K R354 1K R373 0R0 R355 270K C352 3900P R362 300 C351 R22 C353 R01 C354 R01 R374 0R0 C356 R01 C355 R1 D352 1SS355 M1 MOTOR UNIT (MAIN MOTOR) EXA1491 S1 LOAD ESG1007 S2 ESG1007 MODE REEL SENSE EGN1 EGN1004 M2 MOTOR UNIT (SUB MOTOR) EXA1580 RS3 RS2 RS1 SC2 SC1 TAB MC CE VCC2 NC VCC MCS RRS FRS RSB C TAB MS2 NC NC MM SM1 RSB GND RS mtl MCS load CN255 CN253 CN256 CN254 MECHANISM DRIVER IC351 PA2020A E E www. xiaoyu163. com QQ 376315150 9 9 2 8 9 4 2 9 8 TEL 13942296513 9 9 2 8 9 4 2 9 8 0 5 1 5 1 3 6 7 3 Q Q TEL 13942296513 QQ 376315150 892498299 TEL 13942296513 QQ 376315150 892498299 http://www.xiaoyu163.com 26 KEH-3950,3910 1 2 3 4 1 2 3 4 D C B A 4. PCB CONNECTION DIAGRAM 4.1 TUNER AMP UNIT NOTE FOR PCB DIAGRAMS 1. The parts mounted on this PCB include all necessary parts for several destination. For further information for respective destinations, be sure to check with the schematic dia- gram. 2. Viewpoint of PCB diagrams A A Capacitor Connector P.C.Board Chip Part SIDE A SIDE B TUNER AMP UNIT C CN1801 CORD ASSY www. xiaoyu163. com QQ 376315150 9 9 2 8 9 4 2 9 8 TEL 13942296513 9 9 2 8 9 4 2 9 8 0 5 1 5 1 3 6 7 3 Q Q TEL 13942296513 QQ 376315150 892498299 TEL 13942296513 QQ 376315150 892498299 http://www.xiaoyu163.com 27 KEH-3950,3910 5 6 7 8 5 6 7 8 D C B A A REAR PREOUT L-CH R-CH 1 2 3 4 ANTENNA JACK SIDE A B CORD CN251 D www. xiaoyu163. com QQ 376315150 9 9 2 8 9 4 2 9 8 TEL 13942296513 9 9 2 8 9 4 2 9 8 0 5 1 5 1 3 6 7 3 Q Q TEL 13942296513 QQ 376315150 892498299 TEL 13942296513 QQ 376315150 892498299 http://www.xiaoyu163.com 28 KEH-3950,3910 1 2 3 4 1 2 3 4 D C B A 1 3 4 6 1 3 4 6 1 3 4 6 A A TUNER AMP UNIT www. xiaoyu163. com QQ 376315150 9 9 2 8 9 4 2 9 8 TEL 13942296513 9 9 2 8 9 4 2 9 8 0 5 1 5 1 3 6 7 3 Q Q TEL 13942296513 QQ 376315150 892498299 TEL 13942296513 QQ 376315150 892498299 http://www.xiaoyu163.com 29 KEH-3950,3910 5 6 7 8 5 6 7 8 D C B A A SIDE B www. xiaoyu163. com QQ 376315150 9 9 2 8 9 4 2 9 8 TEL 13942296513 9 9 2 8 9 4 2 9 8 0 5 1 5 1 3 6 7 3 Q Q TEL 13942296513 QQ 376315150 892498299 TEL 13942296513 QQ 376315150 892498299 http://www.xiaoyu163.com 30 KEH-3950,3910 1 2 3 4 1 2 3 4 D C B A 4.2 FM/AM TUNER UNIT SIDE A B FM/AM TUNER UNIT A B www. xiaoyu163. com QQ 376315150 9 9 2 8 9 4 2 9 8 TEL 13942296513 9 9 2 8 9 4 2 9 8 0 5 1 5 1 3 6 7 3 Q Q TEL 13942296513 QQ 376315150 892498299 TEL 13942296513 QQ 376315150 892498299 http://www.xiaoyu163.com 31 KEH-3950,3910 1 2 3 4 1 2 3 4 D C B A SIDE B B FM/AM TUNER UNIT B www. xiaoyu163. com QQ 376315150 9 9 2 8 9 4 2 9 8 TEL 13942296513 9 9 2 8 9 4 2 9 8 0 5 1 5 1 3 6 7 3 Q Q TEL 13942296513 QQ 376315150 892498299 TEL 13942296513 QQ 376315150 892498299 http://www.xiaoyu163.com 32 KEH-3950,3910 1 2 3 4 1 2 3 4 D C B A 4.3 KEYBOARD UNIT VOL + VOL - SOURCE 1 2 3 4 5 6 EJECT ← AUDIO ← ← ← BAND LOUD C C SIDE A KEYBOARD UNIT LOCAL CLK BSM www. xiaoyu163. com QQ 376315150 9 9 2 8 9 4 2 9 8 TEL 13942296513 9 9 2 8 9 4 2 9 8 0 5 1 5 1 3 6 7 3 Q Q TEL 13942296513 QQ 376315150 892498299 TEL 13942296513 QQ 376315150 892498299 http://www.xiaoyu163.com 33 KEH-3950,3910 1 2 3 4 1 2 3 4 D C B A C C SIDE B KEYBOARD UNIT A CN601 www. xiaoyu163. com QQ 376315150 9 9 2 8 9 4 2 9 8 TEL 13942296513 9 9 2 8 9 4 2 9 8 0 5 1 5 1 3 6 7 3 Q Q TEL 13942296513 QQ 376315150 892498299 TEL 13942296513 QQ 376315150 892498299 http://www.xiaoyu163.com 34 KEH-3950,3910 1 2 3 4 1 2 3 4 D C B A IC,Q IC251 Q351 Q352 ADJ VR302 VR301 IC253 CN252 CN254 CN253 CN255 M1 M2 HEAD ASSY CN256 21 22 DECK UNIT CN602 4.4 CASSETTE MECHANISM MODULE D DECK UNIT D A E SIDE A SIDE B D www. xiaoyu163. com QQ 376315150 9 9 2 8 9 4 2 9 8 TEL 13942296513 9 9 2 8 9 4 2 9 8 0 5 1 5 1 3 6 7 3 Q Q TEL 13942296513 QQ 376315150 892498299 TEL 13942296513 QQ 376315150 892498299 http://www.xiaoyu163.com 35 KEH-3950,3910 1 2 3 4 1 2 3 4 D C B A 1 2 3 4 5 6 S3 70µs SW S1 LOAD SW S2 MODE SW CN256 EGN1 REEL SENSE REEL SENSE PCB CN253 E D E www. xiaoyu163. com QQ 376315150 9 9 2 8 9 4 2 9 8 TEL 13942296513 9 9 2 8 9 4 2 9 8 0 5 1 5 1 3 6 7 3 Q Q TEL 13942296513 QQ 376315150 892498299 TEL 13942296513 QQ 376315150 892498299 http://www.xiaoyu163.com 36 KEH-3950,3910 5. ELECTRICAL PARTS LIST NOTES: - Parts whose parts numbers are omitted are subject to being not supplied. - The part numbers shown below indicate chip components. Chip Resistor RS1/_S___J,RS1/__S___J Chip Capacitor (except for CQS.....) CKS....., CCS....., CSZS..... =====Circuit Symbol and No.===Part Name Part No. --- ------ ------------------------------------------ ------------------------- Unit Number : CWM6810 (KEH-3950/X1M/ES) Unit Name : Tuner Amp Unit MISCELLANEOUS IC 301 IC SN761029DL IC 302 IC TDA7384 IC 601 IC PE5089A IC 602 IC S-80834ANY IC 901 IC TPD1018F Q 346 Transistor RN1610 Q 350 Transistor 2SC2412K Q 351 Transistor DTC124EK Q 352 Transistor 2SC2412K Q 353 Transistor DTA124EK Q 411 Transistor 2SC2412K Q 650 Transistor 2SA1037K Q 901 Transistor 2SC2412K Q 902 Transistor 2SC2412K Q 903 Transistor 2SD2037 Q 904 Transistor 2SD2396 Q 905 Transistor 2SB1243 Q 906 Transistor DTC114EK Q 920 Transistor RN46A1 D 350 Diode HZS9L(A2) D 351 Diode 1SS270 D 352 Diode 1SS270 D 601 Diode 1SS270 D 602 Diode 1SS270 D 650 Diode 1SS270 D 651 Diode 1SS270 D 652 Diode 1SS270 D 653 Diode 1SS270 D 654 Diode 1SS270 D 655 Diode 1SS270 D 901 Diode HZS7L(C2) D 902 Diode S5688G D 903 Diode S5688G D 904 Diode HZS7L(A1) D 905 Diode S5688G D 906 Diode HZS6L(B2) D 907 Diode HZS9L(C1) D 909 Diode S5688G D 910 Diode S5688G L 401 Ferri-Inductor LAU4R7K L 402 Ferri-Inductor LAU2R2K L 403 Inductor LAU100K L 601 Ferri-Inductor LAU2R2K L 602 Ferri-Inductor LAU2R2K L 650 Ferri-Inductor LAU2R2K L 901 Choke Coil 600µH CTH1168 X 601 Crystal Resonator 4.194304MHz CSS1023 AR 945 DSP-201M-S00B RESISTORS R 312 RS1/10S272J R 313 RS1/10S272J R 314 RS1/10S151J R 315 RS1/10S151J R 316 RS1/10S221J R 317 RS1/10S221J R 342 RD1/4PU821J R 343 RD1/4PU821J R 344 RS1/10S223J R 345 RS1/10S223J R 350 RD1/4PU223J R 351 RD1/4PU152J R 352 RD1/4PU103J R 353 RD1/4PU153J R 354 RD1/4PU221J R 355 RD1/4PU101J R 356 RD1/4PU152J R 357 RD1/4PU103J R 358 RD1/4PU223J R 360 RD1/4PU103J R 411 RS1/10S681J R 412 RS1/10S681J R 413 RS1/10S681J R 414 RS1/10S103J R 415 RS1/10S681J R 416 RD1/4PU473J R 417 RS1/10S472J R 418 RS1/10S473J R 419 RS1/10S473J R 420 RS1/10S473J R 421 RD1/4PU473J R 422 RD1/4PU473J R 423 RD1/4PU681J R 424 RD1/4PU681J R 425 RS1/10S393J R 427 RD1/4PU222J R 428 RD1/4PU222J R 460 RS1/10S272J R 461 RS1/10S272J R 464 RS1/10S162J R 465 RS1/10S162J R 468 RS1/10S0R0J R 469 RS1/10S0R0J R 483 RS1/10S0R0J R 491 RS1/10S0R0J R 499 RS1/8S0R0J R 601 RD1/4PU124J R 602 RS1/10S223J R 603 RS1/10S223J R 604 RS1/10S473J =====Circuit Symbol and No.===Part Name Part No. --- ------ ------------------------------------------ ------------------------- A www. xiaoyu163. com QQ 376315150 9 9 2 8 9 4 2 9 8 TEL 13942296513 9 9 2 8 9 4 2 9 8 0 5 1 5 1 3 6 7 3 Q Q TEL 13942296513 QQ 376315150 892498299 TEL 13942296513 QQ 376315150 892498299 http://www.xiaoyu163.com KEH-3950,3910 R 605 RD1/4PU473J R 606 RS1/10S682J R 610 RAB4C473J R 612 RD1/4PU473J R 615 RD1/4PU103J R 616 RS1/10S473J R 617 RAB4C102J R 618 RD1/4PU102J R 621 RD1/4PU102J R 623 RD1/4PU102J R 624 RD1/4PU102J R 626 RS1/8S102J R 627 RS1/10S102J R 628 RS1/10S102J R 629 RS1/10S681J R 637 RD1/4PU103J R 649 RD1/4PU222J R 650 RD1/4PU472J R 651 RD1/4PU222J R 652 RD1/4PU472J R 653 RD1/4PU222J R 654 RD1/4PU473J R 655 RD1/4PU752J R 656 RD1/4PU223J R 657 RD1/4PU222J R 660 RS1/10S1R0J R 901 RD1/4PU473J R 902 RD1/4PU223J R 903 RD1/4PU223J R 904 RD1/4PU473J R 905 RD1/4PU102J R 906 RD1/4PU473J R 907 RD1/4PU473J R 908 RD1/4PU472J R 909 RD1/4PU103J R 910 RD1/4PU101J R 911 RD1/4PU122J R 912 RD1/4PU103J R 914 RD1/4PU102J R 944 RD1/4PU152J R 955 RD1/4PU473J CAPACITORS C 310 CEJA2R2M50 C 311 CEJA2R2M50 C 312 CEJA2R2M50 C 313 CEJA2R2M50 C 314 CEJA2R2M50 C 317 CEJA100M16 C 318 CEJA100M16 C 319 CKSQYB822K50 C 320 CKSQYB822K50 C 321 CEJA1R0M50 C 322 CEJA1R0M50 C 323 CKSQYB183K50 C 324 CKSQYB183K50 C 325 CKSQYB104K16 C 326 CKSQYB104K16 C 327 CKSQYB104K16 C 328 CKSQYB104K16 C 329 CEJA2R2M50 C 330 CEJA100M16 C 332 CKSQYB473K50 C 333 CEJA470M10 C 334 CKSQYB104K16 C 340 CEJA2R2M50 C 341 CEJA2R2M50 C 350 CEJA330M10 C 360 CKSQYB225K10 C 361 CEJA1R0M50 C 362 CKSYB225K16 C 363 CEJA100M16 C 364 CFTNA224J50 C 365 CFTNA224J50 C 366 CFTNA224J50 C 367 CFTNA224J50 C 368 CKSQYB104K16 C 399 3300µF/16V CCH1344 C 411 CKSQYB223K50 C 412 CKSQYB223K50 C 413 CKSQYB102K50 C 414 CEJA220M10 C 415 CKSQYB473K50 C 416 CEJA101M10 C 417 CKSQYB472K50 C 462 CKSQYB183K50 C 463 CKSQYB183K50 C 490 CKSQYB103K50 C 491 CKSQYB102K50 C 492 CCSQCH101J50 C 494 CKSQYB103K50 C 601 CKSQYB473K50 C 602 CEJA2R2M50 C 603 CKSQYB103K50 C 604 CCSQCH101J50 C 605 CCSQCH150J50 C 606 CCSQCH150J50 C 608 CEJA4R7M35 C 609 CEJA100M16 C 610 CEJA220M10 C 650 CKSQYB223K50 C 901 CEJA101M10 C 902 CKSQYB473K50 C 903 470µF/16V CCH1183 C 904 CKSQYB103K50 C 905 330µF/10V CCH1181 C 906 CKSQYB103K50 C 907 100µF/16V CCH1179 C 908 CKSQYB103K50 C 910 CKSQYB473K50 Unit Number : CWE1501 (KEH-3950/X1M/ES) Unit Name : FM/AM Tuner Unit MISCELLANEOUS IC 1 IC PML002A IC 2 IC PM4008A IC 3 IC BR9010FV Q 1 Transistor 2SC4081 Q 2 Transistor DTC124EU Q 3 FET 3SK263 Q 51 Transistor 2SC4081 Q 201 FET 2SK932 Q 202 Transistor DTC124EU Q 204 Transistor 2SC4081 D 1 Diode KV1410(23) D 2 Diode 1SV248 D 6 Diode KV1410(23) D 201 Diode DAN217U D 202 Diode DAN217U D 903 Diode KV1410(23) D 904 Diode SVC253 L 1 Coil CTC1155 L 3 Inductor LCTB1R5K2125 L 4 Coil CTC1155 =====Circuit Symbol and No.===Part Name Part No. --- ------ ------------------------------------------ ------------------------- =====Circuit Symbol and No.===Part Name Part No. --- ------ ------------------------------------------ ------------------------- 37 B www. xiaoyu163. com QQ 376315150 9 9 2 8 9 4 2 9 8 TEL 13942296513 9 9 2 8 9 4 2 9 8 0 5 1 5 1 3 6 7 3 Q Q TEL 13942296513 QQ 376315150 892498299 TEL 13942296513 QQ 376315150 892498299 http://www.xiaoyu163.com 38 KEH-3950,3910 L 201 Inductor LCTB330K1608 L 202 Inductor CTF1287 L 203 Inductor LCTA121J3225 L 901 Coil CTC1154 L 902 Inductor LCTA3R3J3225 L 904 Inductor LCTBR47K1608 L 905 Inductor LCTBR47K1608 T 51 Coil CTE1132 CF 51 Ceramic Filter CTF1442 CF 52 Ceramic Filter CTF1442 CF 53 Ceramic Filter CTF1442 CF 202 Ceramic Filter CTF1348 X 901 Crystal Resonator 10.250MHz CSS1432 RESISTORS R 1 RS1/16S183J R 2 RS1/16S103J R 5 RS1/16S0R0J R 7 RS1/16S273J R 8 RS1/16S473J R 9 RS1/16S223J R 10 RS1/16S473J R 11 RS1/16S221J R 12 RS1/16S103J R 13 RS1/16S104J R 16 RS1/16S223J R 17 RS1/16S221J R 18 RS1/16S221J R 19 RS1/16S473J R 20 RS1/16S470J R 31 RS1/16S0R0J R 51 RS1/16S470J R 52 RS1/16S103J R 53 RS1/16S103J R 54 RS1/16S331J R 55 RS1/16S331J R 56 RS1/16S560J R 57 RS1/16S560J R 58 RS1/16S102J R 59 RS1/16S225J R 60 RS1/16S133J R 61 RS1/16S433J R 101 RS1/16S333J R 102 RS1/16S103J R 103 RS1/16S333J R 104 RS1/16S562J R 106 RS1/16S0R0J R 108 RS1/16S0R0J R 110 RS1/16S154J R 111 RS1/16S273J R 113 RS1/16S222J R 114 RS1/16S333J R 115 RS1/16S334J R 116 RS1/16S473J R 202 RS1/16S472J R 203 RS1/16S225J R 204 RS1/16S102J R 205 RS1/16S220J R 206 RS1/16S471J R 208 RS1/16S104J R 209 RS1/16S104J R 210 RS1/16S563J R 213 RS1/16S223J R 251 RS1/16S225J R 902 RS1/16S103J R 904 RS1/16S473J R 907 RS1/16S103J R 908 RS1/16S681J R 909 RS1/16S473J R 914 RS1/16S562J CAPACITORS C 1 CCSQCH4R0C50 C 6 CKSQYB105K10 C 8 CKSRYB222K50 C 10 CCSRCH220J50 C 11 CCSRCH150J50 C 12 CCSRCH8R0D50 C 14 CCSRCJ3R0C50 C 15 CKSRYB103K50 C 16 CKSRYB222K50 C 17 CKSRYB222K50 C 18 CCSRCJ3R0C50 C 19 CKSRYB103K50 C 20 CKSRYB103K50 C 21 CKSRYB103K50 C 24 CKSQYB334K16 C 26 CKSRYB472K50 C 30 CCSRCH220J50 C 32 CCSRCH470J50 C 35 CKSRYB103K50 C 51 CKSRYB103K50 C 52 CKSRYB473K16 C 53 CCSRCK2R0C50 C 54 CKSRYB103K50 C 55 CKSRYB104K16 C 56 CKSRYB104K16 C 58 CKSQYB224K16 C 101 CEALNP100M10 C 102 CCSRCH151J50 C 103 CKSRYB473K16 C 105 CKSRYB682K25 C 106 CEALR68M50 C 107 CKSRYB103K50 C 108 CKSQYB474K16 C 109 CKSQYB474K16 C 110 CKSRYB104K16 C 111 CKSRYB104K16 C 112 CKSRYB104K16 C 113 CKSRYB123K25 C 114 CEAL220M6R3 C 115 CKSRYB473K16 C 116 CEAL2R2M50 C 117 CKSRYB102K50 C 120 CKSRYB183K25 C 121 CKSRYB332K50 C 122 CKSRYB562K25 C 123 CKSRYB681K50 C 125 CKSRYB103K50 C 126 CKSRYB103K50 C 127 CEAL2R2M50 C 128 CKSRYB103K50 C 201 CCSRCH471J50 C 202 CCSRCH100D50 C 203 CKSRYB104K16 C 204 CKSRYB332K50 C 205 CKSRYB103K50 C 206 CKSRYB104K16 C 207 CKSRYB473K16 C 208 CCSRCH560J50 C 209 CEAL470M6R3 C 210 CKSRYB103K50 =====Circuit Symbol and No.===Part Name Part No. --- ------ ------------------------------------------ ------------------------- =====Circuit Symbol and No.===Part Name Part No. --- ------ ------------------------------------------ ------------------------- www. xiaoyu163. com QQ 376315150 9 9 2 8 9 4 2 9 8 TEL 13942296513 9 9 2 8 9 4 2 9 8 0 5 1 5 1 3 6 7 3 Q Q TEL 13942296513 QQ 376315150 892498299 TEL 13942296513 QQ 376315150 892498299 http://www.xiaoyu163.com KEH-3950,3910 C 211 CKSRYB103K50 C 212 CCSRCH101J50 C 215 CKSRYB223K25 C 216 CKSQYB334K16 C 217 CKSRYB103K50 C 219 CKSQYB105K10 C 220 CKSRYB104K16 C 221 CKSRYB473K16 C 222 CKSQYB334K16 C 223 CKSQYB474K16 C 224 CKSRYB104K16 C 225 CKSRYB272K50 C 226 CKSRYB682K25 C 902 CCSRCH270J50 C 904 CKSRYB223K25 C 905 CKSRYB103K50 C 906 CCSRTH100D50 C 907 CCSRTH150J50 C 909 CCSRTH100D50 C 910 CKSRYB332K50 C 912 CKSQYB474K16 C 913 CKSRYB223K25 C 914 CKSRYB682K25 C 915 CKSQYB223K25 C 916 CKSQYB474K16 C 917 CKSYB475K10 C 918 CKSRYB223K25 C 919 CKSQYB225K10 C 920 CCSRCH270J50 C 921 CCSRCH270J50 C 922 CKSYB105K16 C 923 CKSRYB103K50 Unit Number : CWM6814 Unit Name : Keyboard Unit MISCELLANEOUS IC 1801 IC PD6293A D 1801 Diode MA152WK D 1802 Diode MA152WA X 1801 Ceramic Resonator 4.97MHz CSS1422 IL 1801 Lamp 14V 40mA CEL1547 IL 1802 Lamp 14V 40mA CEL1547 IL 1803 Lamp 14V 40mA CEL1547 IL 1804 Lamp 14V 40mA CEL1547 LCD1801 LCD CAW1560 RESISTORS R 1801 RS1/8S222J R 1802 RS1/8S222J R 1803 RS1/10S471J R 1804 RS1/10S471J R 1805 RS1/10S471J R 1806 RS1/10S471J CAPACITORS C 1801 CKSQYB103K50 Unit Number : CWM6808 (KEH-3910/X1M/EE) Unit Name : Tuner Amp Unit MISCELLANEOUS IC 301 IC SN761029DL IC 302 IC TDA7384 IC 601 IC PE5089A IC 602 IC S-80834ANY IC 901 IC TPD1018F Q 350 Transistor 2SC2412K Q 351 Transistor DTC124EK Q 352 Transistor 2SC2412K Q 411 Transistor 2SC2412K Q 650 Transistor 2SA1037K Q 901 Transistor 2SC2412K Q 902 Transistor 2SC2412K Q 903 Transistor 2SD2037 Q 904 Transistor 2SD2396 Q 905 Transistor 2SB1243 Q 906 Transistor DTC114EK Q 920 Transistor RN46A1 Q 951 Transistor 2SA1037K D 350 Diode HZS9L(A2) D 351 Diode 1SS270 D 352 Diode 1SS270 D 601 Diode 1SS270 D 602 Diode 1SS270 D 650 Diode 1SS270 D 651 Diode 1SS270 D 652 Diode 1SS270 D 653 Diode 1SS270 D 654 Diode 1SS270 D 655 Diode 1SS270 D 901 Diode HZS7L(C2) D 902 Diode S5688G D 903 Diode S5688G D 904 Diode HZS7L(A1) D 905 Diode S5688G D 906 Diode HZS6L(B2) D 907 Diode HZS9L(C1) D 909 Diode S5688G D 910 Diode S5688G D 951 Diode 1SS270 D 952 Diode 1SS270 L 401 Ferri-Inductor LAU4R7K L 402 Ferri-Inductor LAU2R2K L 403 Inductor LAU100K L 601 Ferri-Inductor LAU2R2K L 602 Ferri-Inductor LAU2R2K L 650 Ferri-Inductor LAU2R2K L 901 Choke Coil 600µH CTH1168 L 951 Ferri-Inductor LAU2R2K X 601 Crystal Resonator 4.194304MHz CSS1023 AR 945 DSP-201M-S00B RESISTORS R 312 RS1/10S272J R 313 RS1/10S272J R 314 RS1/10S151J R 315 RS1/10S151J R 316 RS1/10S221J R 317 RS1/10S221J R 344 RS1/10S223J R 345 RS1/10S223J R 350 RD1/4PU223J R 351 RD1/4PU152J R 352 RD1/4PU103J R 353 RD1/4PU153J R 354 RD1/4PU221J R 355 RD1/4PU101J R 356 RD1/4PU152J R 357 RD1/4PU103J R 358 RD1/4PU223J R 360 RD1/4PU103J R 411 RS1/10S681J R 412 RS1/10S681J =====Circuit Symbol and No.===Part Name Part No. --- ------ ------------------------------------------ ------------------------- =====Circuit Symbol and No.===Part Name Part No. --- ------ ------------------------------------------ ------------------------- 39 C A www. xiaoyu163. com QQ 376315150 9 9 2 8 9 4 2 9 8 TEL 13942296513 9 9 2 8 9 4 2 9 8 0 5 1 5 1 3 6 7 3 Q Q TEL 13942296513 QQ 376315150 892498299 TEL 13942296513 QQ 376315150 892498299 http://www.xiaoyu163.com 40 KEH-3950,3910 R 413 RS1/10S681J R 414 RS1/10S103J R 415 RS1/10S681J R 416 RD1/4PU473J R 417 RS1/10S472J R 418 RS1/10S473J R 419 RS1/10S473J R 420 RS1/10S473J R 421 RD1/4PU473J R 422 RD1/4PU473J R 423 RD1/4PU681J R 424 RD1/4PU681J R 425 RS1/10S393J R 427 RD1/4PU222J R 428 RD1/4PU222J R 460 RS1/10S162J R 461 RS1/10S162J R 464 RS1/10S272J R 465 RS1/10S272J R 468 RS1/10S0R0J R 469 RS1/10S0R0J R 482 RS1/10S0R0J R 483 RS1/10S100J R 491 RS1/10S0R0J R 499 RS1/8S0R0J R 601 RD1/4PU124J R 603 RS1/10S473J R 604 RS1/10S473J R 605 RD1/4PU473J R 606 RS1/10S682J R 610 RAB4C473J R 612 RD1/4PU473J R 615 RD1/4PU103J R 616 RS1/10S473J R 617 RAB4C102J R 618 RD1/4PU102J R 621 RD1/4PU102J R 623 RD1/4PU102J R 624 RD1/4PU102J R 626 RS1/8S102J R 627 RS1/10S102J R 628 RS1/10S102J R 629 RS1/10S681J R 637 RD1/4PU103J R 649 RD1/4PU222J R 650 RD1/4PU472J R 651 RD1/4PU222J R 652 RD1/4PU472J R 653 RD1/4PU222J R 654 RD1/4PU473J R 655 RD1/4PU752J R 656 RD1/4PU223J R 657 RD1/4PU222J R 660 RS1/10S1R0J R 901 RD1/4PU473J R 902 RD1/4PU223J R 903 RD1/4PU223J R 904 RD1/4PU473J R 905 RD1/4PU102J R 906 RD1/4PU473J R 907 RD1/4PU473J R 908 RD1/4PU472J R 909 RD1/4PU103J R 910 RD1/4PU101J R 911 RD1/4PU122J R 912 RD1/4PU103J R 914 RD1/4PU102J R 944 RD1/4PU152J R 951 RD1/4PU153J R 952 RD1/4PU472J R 953 RD1/4PU473J R 954 RD1/4PU102J R 955 RD1/4PU473J CAPACITORS C 310 CEJA2R2M50 C 311 CEJA2R2M50 C 312 CEJA2R2M50 C 313 CEJA2R2M50 C 314 CEJA2R2M50 C 317 CEJA100M16 C 318 CEJA100M16 C 319 CKSQYB822K50 C 320 CKSQYB822K50 C 321 CEJA1R0M50 C 322 CEJA1R0M50 C 323 CKSQYB183K50 C 324 CKSQYB183K50 C 325 CKSQYB104K16 C 326 CKSQYB104K16 C 327 CKSQYB104K16 C 328 CKSQYB104K16 C 329 CEJA2R2M50 C 330 CEJA100M16 C 332 CKSQYB473K50 C 333 CEJA470M10 C 334 CKSQYB104K16 C 350 CEJA330M10 C 360 CKSQYB225K10 C 361 CEJA1R0M50 C 362 CKSYB225K16 C 363 CEJA100M16 C 364 CFTNA224J50 C 365 CFTNA224J50 C 366 CFTNA224J50 C 367 CFTNA224J50 C 368 CKSQYB104K16 C 399 3300µF/16V CCH1344 C 411 CKSQYB223K50 C 412 CKSQYB223K50 C 413 CKSQYB102K50 C 414 CEJA220M10 C 415 CKSQYB473K50 C 416 CEJA101M10 C 417 CKSQYB472K50 C 462 CKSQYB123K50 C 463 CKSQYB123K50 C 490 CKSQYB103K50 C 491 CKSQYB101J50 C 492 CCSQCH101J50 C 601 CKSQYB473K50 C 602 CEJA2R2M50 C 603 CKSQYB103K50 C 604 CCSQCH101J50 C 605 CCSQCH150J50 C 606 CCSQCH150J50 C 608 CEJA4R7M35 C 609 CEJA100M16 C 610 CEJA220M10 C 650 CKSQYB223K50 =====Circuit Symbol and No.===Part Name Part No. --- ------ ------------------------------------------ ------------------------- =====Circuit Symbol and No.===Part Name Part No. --- ------ ------------------------------------------ ------------------------- www. xiaoyu163. com QQ 376315150 9 9 2 8 9 4 2 9 8 TEL 13942296513 9 9 2 8 9 4 2 9 8 0 5 1 5 1 3 6 7 3 Q Q TEL 13942296513 QQ 376315150 892498299 TEL 13942296513 QQ 376315150 892498299 http://www.xiaoyu163.com 41 KEH-3950,3910 C 901 CEJA101M10 C 902 CKSQYB473K50 C 903 470µF/16V CCH1183 C 904 CKSQYB103K50 C 905 330µF/10V CCH1181 C 906 CKSQYB103K50 C 907 100µF/16V CCH1179 C 908 CKSQYB103K50 C 910 CKSQYB473K50 Unit Number : CWE1504 (KEH-3910/X1M/EE) Unit Name : FM/AM Tuner Unit MISCELLANEOUS IC 1 IC PML002A IC 2 IC PM4008A IC 3 IC BR9010FV Q 1 Transistor 2SC4081 Q 2 Transistor DTC124EU Q 3 FET 3SK263 Q 51 Transistor 2SC4081 Q 201 FET 2SK932 Q 202 Transistor DTC124EU Q 204 Transistor 2SC4081 D 1 Diode KV1410(23) D 2 Diode 1SV248 D 6 Diode KV1410(23) D 7 Diode 1SS390 D 8 Diode 1SS390 D 101 Diode 1SS355 D 201 Diode DAN217U D 202 Diode DAN217U D 901 Diode 1SS390 D 903 Diode KV1410(23) D 904 Diode SVC253 L 1 Coil CTC1155 L 3 Inductor LCTB1R5K2125 L 4 Coil CTC1155 L 201 Inductor LCTB330K1608 L 202 Inductor CTF1287 L 203 Inductor LCTA121J3225 L 901 Coil CTC1154 L 902 Inductor LCTA3R3J3225 L 904 Inductor LCTBR47K1608 L 905 Inductor LCTBR47K1608 T 51 Coil CTE1132 CF 51 Ceramic Filter CTF1442 CF 52 Ceramic Filter CTF1442 CF 53 Ceramic Filter CTF1442 CF 202 Ceramic Filter CTF1348 X 901 Crystal Resonator 10.250MHz CSS1432 RESISTORS R 1 RS1/16S183J R 2 RS1/16S103J R 5 RS1/16S471J R 7 RS1/16S273J R 8 RS1/16S473J R 9 RS1/16S223J R 10 RS1/16S473J R 11 RS1/16S221J R 12 RS1/16S103J R 13 RS1/16S0R0J R 15 RS1/16S471J R 16 RS1/16S223J R 17 RS1/16S221J R 18 RS1/16S221J R 19 RS1/16S473J R 20 RS1/16S470J R 21 RS1/16S103J R 22 RS1/16S103J R 23 RS1/16S0R0J R 24 RS1/16S471J R 31 RS1/16S0R0J R 51 RS1/16S470J R 52 RS1/16S103J R 53 RS1/16S103J R 54 RS1/16S331J R 55 RS1/16S331J R 56 RS1/16S560J R 57 RS1/16S560J R 58 RS1/16S102J R 59 RS1/16S225J R 60 RS1/16S133J R 61 RS1/16S433J R 62 RS1/16S562J R 101 RS1/16S333J R 102 RS1/16S103J R 103 RS1/16S333J R 104 RS1/16S562J R 106 RS1/16S0R0J R 108 RS1/16S0R0J R 110 RS1/16S154J R 111 RS1/16S273J R 112 RS1/16S223J R 113 RS1/16S222J R 114 RS1/16S333J R 115 RS1/16S334J R 116 RS1/16S473J R 117 RS1/16S333J R 118 RS1/16S223J R 122 RS1/16S0R0J R 202 RS1/16S472J R 203 RS1/16S225J R 204 RS1/16S102J R 205 RS1/16S220J R 206 RS1/16S471J R 208 RS1/16S104J R 209 RS1/16S104J R 210 RS1/16S563J R 213 RS1/16S223J R 251 RS1/16S225J R 901 RS1/16S472J R 902 RS1/16S103J R 904 RS1/16S473J R 907 RS1/16S103J R 908 RS1/16S681J R 909 RS1/16S473J R 910 RS1/16S0R0J CAPACITORS C 1 CCSQCH4R0C50 C 3 CCSRCH270J50 C 6 CKSQYB105K10 C 8 CKSRYB222K50 C 9 CCSRCH220J50 =====Circuit Symbol and No.===Part Name Part No. --- ------ ------------------------------------------ ------------------------- =====Circuit Symbol and No.===Part Name Part No. --- ------ ------------------------------------------ ------------------------- B www. xiaoyu163. com QQ 376315150 9 9 2 8 9 4 2 9 8 TEL 13942296513 9 9 2 8 9 4 2 9 8 0 5 1 5 1 3 6 7 3 Q Q TEL 13942296513 QQ 376315150 892498299 TEL 13942296513 QQ 376315150 892498299 http://www.xiaoyu163.com C 12 CCSRCH4R0C50 C 13 CCSRCH270J50 C 15 CKSRYB103K50 C 16 CCSRCH100D50 C 17 CKSRYB222K50 C 19 CKSRYB103K50 C 20 CKSRYB103K50 C 21 CKSRYB103K50 C 24 CKSQYB334K16 C 26 CKSRYB472K50 C 27 CKSRYB472K50 C 29 CKSRYB472K50 C 30 CCSRCH120J50 C 33 CCSRCK1R0C50 C 34 CKSRYB472K50 C 35 CKSRYB103K50 C 51 CKSRYB103K50 C 52 CKSRYB473K16 C 53 CCSRCK2R0C50 C 54 CKSRYB103K50 C 55 CKSRYB104K16 C 56 CKSRYB104K16 C 58 CKSQYB224K16 C 59 CKSRYB223K25 C 60 CKSRYB104K16 C 101 CEALNP100M10 C 102 CCSRCH151J50 C 103 CKSRYB473K16 C 105 CKSRYB682K25 C 106 CEAL2R2M50 C 107 CKSRYB103K50 C 108 CKSQYB474K16 C 109 CKSQYB474K16 C 110 CKSRYB104K16 C 111 CKSRYB104K16 C 112 CKSRYB104K16 C 113 CKSRYB123K25 C 114 CEAL220M6R3 C 115 CKSRYB473K16 C 116 CEAL2R2M50 C 117 CKSRYB102K50 C 120 CKSRYB153K25 C 121 CKSRYB332K50 C 122 CKSRYB682K25 C 123 CKSRYB681K50 C 125 CKSRYB103K50 C 126 CKSRYB103K50 C 127 CEAL2R2M50 C 128 CKSRYB103K50 C 201 CCSRCH471J50 C 202 CCSRCH100D50 C 203 CKSRYB104K16 C 204 CKSRYB332K50 C 205 CKSRYB103K50 C 206 CKSRYB104K16 C 207 CKSRYB473K16 C 208 CCSRCH560J50 C 209 CEAL470M6R3 C 210 CKSRYB103K50 C 211 CKSRYB103K50 C 212 CCSRCH101J50 C 215 CKSRYB223K25 C 216 CKSQYB334K16 C 217 CKSRYB103K50 C 219 CKSQYB105K10 C 220 CKSRYB104K16 C 221 CKSRYB473K16 C 222 CKSQYB334K16 C 223 CKSQYB474K16 C 224 CKSRYB104K16 C 225 CKSRYB272K50 C 226 CKSRYB682K25 C 902 CCSRCH560J50 C 903 CCSRCH270J50 C 904 CKSRYB223K25 C 905 CKSRYB103K50 C 906 CCSRTH8R0D50 C 907 CCSRTH8R0D50 C 909 CCSRTH100D50 C 910 CKSRYB332K50 C 912 CKSQYB474K16 C 913 CKSRYB223K25 C 914 CKSRYB682K25 C 915 CKSQYB223K25 C 916 CKSQYB474K16 C 917 CKSYB475K10 C 918 CKSRYB223K25 C 919 CKSQYB225K10 C 920 CCSRCH270J50 C 921 CCSRCH270J50 C 922 CKSYB105K16 C 923 CKSRYB103K50 C 925 CKSRYB472K50 Unit Number : EWM1023 Unit Name : Deck Unit MISCELLANEOUS IC 251 IC CXA2559Q IC 351 IC PA2020A D 352 Diode 1SS355 RESISTORS R 255 RS1/16S221J R 256 RS1/16S221J R 257 RS1/16S102J R 258 RS1/16S102J R 271 RS1/16S102J R 272 RS1/16S102J R 273 RS1/16S102J R 274 RS1/16S102J R 281 RS1/8S0R0J R 282 RS1/8S0R0J R 283 RS1/8S0R0J R 284 RS1/8S0R0J R 285 RS1/16S0R0J R 286 RS1/16S0R0J R 287 RS1/8S0R0J R 290 RS1/8S0R0J R 301 RS1/16S183J R 302 RS1/16S163J R 303 RS1/16S163J R 304 RS1/16S163J R 305 RS1/16S163J R 323 RS1/8S0R0J R 351 RS1/16S102J R 352 RS1/16S102J R 353 RS1/16S102J 42 KEH-3950,3910 =====Circuit Symbol and No.===Part Name Part No. --- ------ ------------------------------------------ ------------------------- =====Circuit Symbol and No.===Part Name Part No. --- ------ ------------------------------------------ ------------------------- D www. xiaoyu163. com QQ 376315150 9 9 2 8 9 4 2 9 8 TEL 13942296513 9 9 2 8 9 4 2 9 8 0 5 1 5 1 3 6 7 3 Q Q TEL 13942296513 QQ 376315150 892498299 TEL 13942296513 QQ 376315150 892498299 http://www.xiaoyu163.com R 354 RS1/16S102J R 355 RS1/10S274J R 362 RS1/8S301J R 373 RS1/8S0R0J R 374 RS1/8S0R0J R 401 RS1/16S472J R 402 RS1/16S183J R 403 RS1/16S823J CAPACITORS C 251 CKSRYB331K50 C 252 CKSRYB331K50 C 253 CKSRYB331K50 C 254 CKSRYB331K50 C 255 CKSRYB103K50 C 256 CKSRYB103K50 C 272 CKSRYB104K16 C 273 CEJA220M16 C 301 CKSRYB104K16 C 302 CKSRYB104K16 C 313 CCSRCH101J50 C 351 CKSYB224K25 C 352 CKSRYB392K50 C 353 CKSRYB103K50 C 354 CKSRYB103K50 C 355 CKSYB104K50 C 356 CKSRYB103K50 C 401 CKSQYB334K16 C 402 CKSRYB392K50 C 403 CKSRYB683K16 Unit Number : Unit Name : REEL SENSE PCB S 1 Switch(LOAD) ESG1007 S 2 Switch(MODE) ESG1007 EGN 1 Photo-reflector EGN1004 Miscellaneous Parts List M 1 Motor Unit(MAIN) EXA1491 M 2 Motor Unit(SUB) EXA1580 HD 1 Head Assy EXA1592 Fuse(10A) CEK1136 43 KEH-3950,3910 E =====Circuit Symbol and No.===Part Name Part No. --- ------ ------------------------------------------ ------------------------- =====Circuit Symbol and No.===Part Name Part No. --- ------ ------------------------------------------ ------------------------- 6. ADJUSTMENT There is no information to be shown in this chapter. www. xiaoyu163. com QQ 376315150 9 9 2 8 9 4 2 9 8 TEL 13942296513 9 9 2 8 9 4 2 9 8 0 5 1 5 1 3 6 7 3 Q Q TEL 13942296513 QQ 376315150 892498299 TEL 13942296513 QQ 376315150 892498299 http://www.xiaoyu163.com 44 KEH-3950,3910 7. GENERAL INFORMATION 7.1. DISASSEMBLY - Remove the Tuner Amp Unit(Fig.2) Remove the two screws. Remove the three screws. Remove the screw. Unbend the tabs at four locations indicated by arrow until straight. Remove the Tuner Amp Unit. - Remove the Case(not shown) 1.Remove the two screws. 2.Remove the Case. - Remove the Cassette Mechanism Module (not shown) 1.Remove the four screws. 2.Disconnect the connector, and then remove the Cassette Mechanism module. - Remove the Panel Unit(Fig.1) Disengage the stopper at two locations indi- cated by arrow. Remove the Panel Unit. Fig.1 Fig.2 Panel Unit Tuner Amp Unit Cassette Mechanism Module www. xiaoyu163. com QQ 376315150 9 9 2 8 9 4 2 9 8 TEL 13942296513 9 9 2 8 9 4 2 9 8 0 5 1 5 1 3 6 7 3 Q Q TEL 13942296513 QQ 376315150 892498299 TEL 13942296513 QQ 376315150 892498299 http://www.xiaoyu163.com 45 KEH-3950,3910 7.2 PARTS 7.2.1 IC - Pin Functions (PE5089A) Pin No. Pin Name I/O Format Function and Operation 1,2 NC Not used 3 ADPW O C A/D converter power supply output 4 AVSS GND 5 swvdd O C Grille power supply control output 6 st I FM stereo input 7 AVREF1 Connected to 5V line 8 KYDT I Key data input 9 DPDT O C Display data output 10 SDBW I SDBW input 11 TUNPDI I PLL IC data input 12 TUNPDO O C PLL IC data output 13 TUNPCK O C PLL IC clock output 14 TUNPCE O C PLL IC chip enable output 15 currq O C Tuner voltage FIX output 16–18 NC Not used 19 RECIVE O C During RDS data reception output 20 PCE2 O C PLL IC chip enable output 21 fm/AM O C FM/AM power select output 22 VST O C Strobe pulse output for electronic volume 23 VCK O C Clock output for electronic volume 24 VDT O C Data output for electronic volume 25 LCDPW O C LCD back light power supply control output 26 ILMPW O C Illumination power supply control output 27 LOCH O C LOCH output 28 LOCL O C LOCL output 29 NC Not used 30 rimute O N RI output port 31 CM O C Cassette mechanism capstan motor control output 32 NR O N Dolby B NR output 33 VSS GND 34 SC2 O C Cassette mechanism sub motor control output 35 SC1 O C Cassette mechanism sub motor control output 36 MSIN I Cassette mechanism MS sense input 37-39 NC Not used 40 n/R O Tape direction forward / reverse output 41 PLAY O C Tape MS filter select output 42 loadsw I Tape loading input 43 POS I Cassette mechanism position sense input 44 RES I Cassette mechanism reverse end sense input 45 PEE O C Beep tone output 46 NES I Cassette mechanism forward end sense input 47 RDS57K I 57kHzBP-OUT sense input 48 STBY O C Stand-by output 49 NC Not used 50 drst O C Decoder reset output 51 tmute O C Tuner mute output 52 ANTPW O Antenna power output 53 SD I SD input 54 mute O C Mute output 55 SYSPW O C System power supply control output 56,57 NC Not used 58 rdslk I RDS LK signal input 59 RDT I RDS data input 60 reset I Reset input 61 ldet I PLL lock sense input www. xiaoyu163. com QQ 376315150 9 9 2 8 9 4 2 9 8 TEL 13942296513 9 9 2 8 9 4 2 9 8 0 5 1 5 1 3 6 7 3 Q Q TEL 13942296513 QQ 376315150 892498299 TEL 13942296513 QQ 376315150 892498299 http://www.xiaoyu163.com 46 KEH-3950,3910 IC's marked by* are MOS type. Be careful in handling them because they are very liable to be damaged by electrostatic induction. *PE5089A Pin No. Pin Name I/O Format Function and Operation 62 rck I RDS clock input 63 dsens I Grille detach sense input 64 TELIN I Telephone mute input 65 asens I ACC power sense input 66 bsens I Back up power sense input 67 NC Not used 68 VDD VDD 69 X2 O Oscillator output 70 X1 I Oscillator input 71 GND Connect to GND 72 NC Not used 73 TESTIN I Test program mode input 74 AVDD A/D converter analog power supply (VDD) 75 AVREF0 I A/D converter standard voltage input 76 SL I Signal level input 77 MODELIN I Model select input 78 NL1 I Noise level 1 input 79 NL2 I Noise level 2 input 80 NC Not used 20 21 40 41 60 61 80 1 Format Meaning C C MOS N N Channel open drain *PD6293A 49 48 33 32 17 16 1 64 www. xiaoyu163. com QQ 376315150 9 9 2 8 9 4 2 9 8 TEL 13942296513 9 9 2 8 9 4 2 9 8 0 5 1 5 1 3 6 7 3 Q Q TEL 13942296513 QQ 376315150 892498299 TEL 13942296513 QQ 376315150 892498299 http://www.xiaoyu163.com 47 KEH-3950,3910 - Pin Functions (PD6293A) Pin No. Pin Name I/O Function and Operation 1-5 SEG4-0 O LCD segment output 6-9 COM3-0 O LCD common output 10 VLCD LCD drive power supply 11-14 KST3-0 O Key strobe output 15,16 KDT0,1 I Key data input (analogue input) 17 REM I Remote control reception 18 DPDT I Display data input 19 NC Not used 20 KYDT O Key data output 21 MODA GND 22 X0 Crystal oscillator connection pin 23 X1 Crystal oscillator connection pin 24 VSS GND 25,26 KDT2,3 I Key data input 27 NC Not used 28 KST4 O Key strobe output 29-32 NC Not used 33-55 SEG35-13 O LCD segment output 56 VDD Power supply 57-64 SEG12-5 O LCD segment output SN761029DL 48 47 46 45 44 43 42 41 40 39 38 37 36 35 34 33 32 31 30 29 28 27 26 25 1 2 3 4 5 6 7 8 9 10 11 12 13 14 15 16 17 18 19 20 21 22 23 24 VCC AVcc IN1-R IN1-L IN2-R IN2-L IN3-R IN3-L IN4(+)-R IN4(+)-L IN4(-)-R IN4(-)-L AGND AGND SWout-R SWout-L ZCin-R ZCin-L LOUD-R LOUD-L VRin-R VRin-L TREB-R TREB-L BASS-C1-R BASS-C1-L BASS-R-R BASS-R-L BASS-C2-R BASS-C2-L NC NC TONEout-R TONEout-L FADERin-R FADERin-L FRNTout-R FRNTout-L REARout-R REARout-L DVcc VREFin DATA AGND CLK DGND STB Ct 3 Line Serial Bus Bass Treble Volume, Loudness Fader Gain Adjust Isolator Zero-cross Detector Power Supply Bass Treble Volume, Loudness Fader Gain Adjust Isolator Power Supply A A www. xiaoyu163. com QQ 376315150 9 9 2 8 9 4 2 9 8 TEL 13942296513 9 9 2 8 9 4 2 9 8 0 5 1 5 1 3 6 7 3 Q Q TEL 13942296513 QQ 376315150 892498299 TEL 13942296513 QQ 376315150 892498299 http://www.xiaoyu163.com 48 KEH-3950,3910 BR9010FV NC VCC CS SK WC GND DO DI 1 2 3 4 8 7 6 5 CS SK DI DO WC : Chip select input : Serial data clock input : Serial data input : Serial data output : Write control input S-80834ANY 1 2 3 1 OUT VDD VSS www. xiaoyu163. com QQ 376315150 9 9 2 8 9 4 2 9 8 TEL 13942296513 9 9 2 8 9 4 2 9 8 0 5 1 5 1 3 6 7 3 Q Q TEL 13942296513 QQ 376315150 892498299 TEL 13942296513 QQ 376315150 892498299 http://www.xiaoyu163.com 49 KEH-3950,3910 COMMON SEGMENT 7.2.2 DISPLAY - CAW1560 www. xiaoyu163. com QQ 376315150 9 9 2 8 9 4 2 9 8 TEL 13942296513 9 9 2 8 9 4 2 9 8 0 5 1 5 1 3 6 7 3 Q Q TEL 13942296513 QQ 376315150 892498299 TEL 13942296513 QQ 376315150 892498299 http://www.xiaoyu163.com 50 KEH-3950,3910 8. OPERATIONS AND SPECIFICATIONS 8.1 OPERATIONS 5/∞/2/3 buttons SOURCE/OFF button +/– button AUDIO button Detach button Buttons 1–6 Cassette door EJECT button BSM button CLOCK button LOCAL button BAND button LOUD button www. xiaoyu163. com QQ 376315150 9 9 2 8 9 4 2 9 8 TEL 13942296513 9 9 2 8 9 4 2 9 8 0 5 1 5 1 3 6 7 3 Q Q TEL 13942296513 QQ 376315150 892498299 TEL 13942296513 QQ 376315150 892498299 http://www.xiaoyu163.com 51 KEH-3950,3910 Basic Operation To Listen to Music The following explains the initial operations required before you can listen to music. Note: • Loading a cassette in this product. 1. Select the desired source (e.g. Tuner). Each press of the SOURCE/OFF button selects the desired source in the following order: Tape = Tuner Note: • The cassette player will not change when no tape is set in this product. • When this product’s blue/white lead is connected to the car’s Auto-antenna relay control terminal, the car’s Auto-antenna extends when this product’s source is switched ON. To retract the antenna, switch the source OFF. 2. Raise or lower the volume. 3. Turn the source OFF. Hold for 1 second Each press changes the Source ... Basic Operation of Tuner(KEH-3950/X1M/ES) Reset the AM tuning step from 9 kHz (the factory preset step) to 10 kHz when using the tuner in North, Central or South America. Manual and Seek Tuning • You can select the tuning method by changing the length of time you press the 2/3 button. Manual Tuning (step by step) 0.5 seconds or less Seek Tuning 0.5 seconds or more Note: • If you continue pressing the button for longer than 0.5 seconds, you can skip broadcast stations. Seek Tuning starts as soon as you release the button. • Stereo indicator “” lights when a stereo station is selected. Preset Tuning • You can memorize broadcast stations in buttons 1 through 6 for easy, one-touch station recall. Preset station recall 2 seconds or less Broadcast station preset memory 2 seconds or more Note: • Up to 18 FM stations (6 in FM1, FM2 and FM3) and 6 AM stations can be stored in memory. • You can also use the 5 or ∞ buttons to recall broadcast sta- tions memorized in buttons 1 through 6. Preset Number Indicator Band FM1 = FM2 = FM3 = AM Band Indicator Frequency Indicator www. xiaoyu163. com QQ 376315150 9 9 2 8 9 4 2 9 8 TEL 13942296513 9 9 2 8 9 4 2 9 8 0 5 1 5 1 3 6 7 3 Q Q TEL 13942296513 QQ 376315150 892498299 TEL 13942296513 QQ 376315150 892498299 http://www.xiaoyu163.com 52 KEH-3950,3910 Basic Operation of Cassette Player Direction Change Direction Indicator Eject Note: • The Tape function can be turned ON/OFF with the cassette tape remaining in this product. Fast Forward/Rewind and Music Search • Each press of the 3 button selects Fast Forward or Forward-Music Search. FF (Fast Forward) = F-MS (Forward-Music Search) = Normal Playback • Each press of the 2 button selects Rewind or Rewind-Music Search. REW (Rewind) = R-MS (Rewind-Music Search) = Normal Playback Note: • Fast Forward/Rewind and Music Search can be canceled by pressing the BAND button. Cassette Loading Slot Basic Operation of Tuner(KEH-3910/X1M/EE) Basic Operation Manual and Seek Tuning • You can select the tuning method by changing the length of time you press the 2/3 button. Manual Tuning (step by step) 0.5 seconds or less Seek Tuning 0.5 seconds or more Note: • If you continue pressing the button for longer than 0.5 seconds, you can skip broadcast stations. Seek Tuning starts as soon as you release the button. • Stereo indicator “” lights when a stereo station is selected. Preset Tuning • You can memorize broadcast stations in but- tons 1 through 6 for easy, one-touch station recall. Preset station recall 2 seconds or less Broadcast station preset memory 2 seconds or more Note: • Up to 18 FM stations (6 in FM1, FM2 and FM3) and 6 MW/LW stations can be stored in memory. • You can also use the 5 or ∞ buttons to recall broadcast stations memorized in buttons 1 through 6. Preset Number Indicator Band FM1 = FM2 = FM3 = MW/LW Note: • The FM bands cover different frequency ranges as below; FM1 : 65 —74 MHz FM2, FM3 : 87.5 — 108 MHz Band Indicator Frequency Indicator www. xiaoyu163. com QQ 376315150 9 9 2 8 9 4 2 9 8 TEL 13942296513 9 9 2 8 9 4 2 9 8 0 5 1 5 1 3 6 7 3 Q Q TEL 13942296513 QQ 376315150 892498299 TEL 13942296513 QQ 376315150 892498299 http://www.xiaoyu163.com 53 KEH-3950,3910 Audio Adjustment Entering the Audio Menu With this Menu, you can adjust the sound quality. Note: • After entering the Audio Menu, if you do not perform an operation within about 30 seconds, the Audio Menu is automatically canceled. 1. Select the desired mode in the Audio Menu. 2. Operate a mode. 3. Cancel the Audio Menu. Audio Menu Functions The Audio Menu features the following functions. Balance Adjustment (FADER) This function allows you to select a Fader/Balance setting that provides ideal listening conditions in all occupied seats. Note: • FADER “0” is the proper setting when 2 speakers are in use. 3. Adjust left/right speaker bal- ance with the 2/3 buttons. “L9” – “R9” is displayed as it moves from left to right. 2. Adjust front/rear speaker bal- ance with the 5/∞ buttons. “F15” – “R15” is displayed as it moves from front to rear. 1. Press the AUDIO button and select the Fader/Balance mode (FADER) in the Audio Menu. Each press changes the Mode ... Bass Adjustment (BAS) You can adjust a Bass level as desired. Treble Adjustment (TRE) You can adjust a Treble level as desired. Loudness Adjustment (LOUD) The Loudness function compensates for deficiencies in the low and high sound ranges at low volume. “LOUD” • Switch the Loudness function ON/OFF with the LOUD button. 2. Boost or attenuate the treble level with the 5/∞ buttons. The display shows “+6” – “–6”. 1. Press the AUDIO button and select the Treble mode (TRE) in the Audio Menu. 2. Boost or attenuate the bass level with the 5/∞ buttons. The display shows “+6” – “–6”. 1. Press the AUDIO button and select the Bass mode (BAS) in the Audio Menu. www. xiaoyu163. com QQ 376315150 9 9 2 8 9 4 2 9 8 TEL 13942296513 9 9 2 8 9 4 2 9 8 0 5 1 5 1 3 6 7 3 Q Q TEL 13942296513 QQ 376315150 892498299 TEL 13942296513 QQ 376315150 892498299 http://www.xiaoyu163.com 54 KEH-3950,3910 1.This Product 3.Antenna jack 9. To terminal always supplied with power regardless of ignition switch position. 7.To electric terminal controlled by ignition switch (12 V DC) ON/OFF. 11. Connecting cords with RCA pin plugs (sold separately) 12. Blue/white 13. To system control terminal of the power amp or Auto- antenna relay control terminal. (Max. 300 mA 12 V DC) 15. Power amp (sold separately) 5.To vehicle (metal) body. 19. Rear 18. Front 4.Black (ground) 6.Red 8.Yellow 20. White 21. White/black 22. Gray 23. Gray/black 24. Green 25. Green/black 26. Violet 27. Violet/black 2.Rear output 10. Fuse + ≠ + ≠ + ≠ + ≠ + ≠ + ≠ 14. System remote control 16. Left speaker 17.Right speaker 18. Front 19. Rear 19. Rear 19. Rear 29. Perform these connections when using a different amp (sold separately). 28. With a 2 speaker system, do not connect anything to the speaker leads that are not connected to speakers. - KEH-3950/X1M/ES www. xiaoyu163. com QQ 376315150 9 9 2 8 9 4 2 9 8 TEL 13942296513 9 9 2 8 9 4 2 9 8 0 5 1 5 1 3 6 7 3 Q Q TEL 13942296513 QQ 376315150 892498299 TEL 13942296513 QQ 376315150 892498299 http://www.xiaoyu163.com 55 KEH-3950,3910 This Product Antenna jack To terminal always supplied with power regardless of ignition switch position. To electric terminal controlled by ignition switch (12 V DC) ON/OFF. Blue/white To system control terminal of the power amp or Auto-antenna relay control terminal. (Max. 300 mA 12 V DC) To vehicle (metal) body. Rear speaker Front speaker Black (ground) Red Yellow White White/black Gray Gray/black Green Green/black Violet Violet/black Fuse + ≠ + ≠ + ≠ + ≠ Left Right Front speaker Rear speaker Yellow/black If you use a cellular telephone, connect it via the Audio Mute lead on the cellular telephone. If not, keep the Audio Mute lead free of any connections. With a 2 speaker system, do not connect anything to the speaker leads that are not connected to speakers. - KEH-3910/X1M/EE www. xiaoyu163. com QQ 376315150 9 9 2 8 9 4 2 9 8 TEL 13942296513 9 9 2 8 9 4 2 9 8 0 5 1 5 1 3 6 7 3 Q Q TEL 13942296513 QQ 376315150 892498299 TEL 13942296513 QQ 376315150 892498299 http://www.xiaoyu163.com 56 KEH-3950,3910 8.2 SPECIFICATIONS - KEH-3950/X1M/ES General Power source .......... 14.4 V DC (10.8 – 15.1 V allowable) Grounding system ........................................ Negative type Max. current consumption ........................................ 8.5 A Dimensions (DIN) (chassis) ...... 178 (W) × 50 (H) × 155 (D) mm (nose) ............ 188 (W) × 58 (H) × 19 (D) mm (D) (chassis) ...... 178 (W) × 50 (H) × 160 (D) mm (nose) ............ 170 (W) × 48 (H) × 14 (D) mm Weight ...................................................................... 1.2 kg Amplifier Continuous power output is 17 W per channel min. into 4 ohms, both channels driven 50 to 15,000 Hz with no more than 5% THD. Maximum power output ...................................... 40 W × 4 Load impedance .......................... 4 Ω (4 – 8 Ω allowable) Preout maximum output level/output impedance .......................... 2.2 V /1 kΩ Tone controls (Bass) .............................................. ±12 dB (100 Hz) (Treble) ............................................ ±12 dB (10 kHz) Loudness contour ........ +10 dB (100 Hz), +7 dB (10 kHz) (volume: –30 dB) Cassette player Tape ........................ Compact cassette tape (C-30 – C-90) Tape speed .... 4.76 cm/sec.(+0.14 cm/sec., -0.05 cm/sec.) Fast forward/rewinding time .... Approx. 100 sec. for C-60 Wow & flutter .......................................... 0.09% (WRMS) Frequency response ...................... 30 – 16,000 Hz (±3 dB) Stereo separation ...................................................... 45 dB Signal-to-noise ratio .................... 61 dB (IEC-A network) FM tuner Frequency range ...................................... 87.5 – 108 MHz Usable sensitivity .................................................... 11 dBf (1.0 µV/75 Ω, mono, S/N: 30 dB) 50 dB quieting sensitivity .... 16 dBf (1.7 µV/75 Ω, mono) Signal-to-noise ratio ...................... 70 dB (IEC-A network) Distortion .......................... 0.3% (at 65 dBf, 1 kHz, stereo) Frequency response ...................... 30 – 15,000 Hz (±3 dB) Stereo separation .......................... 40 dB (at 65 dBf, 1 kHz) AM tuner Frequency range ........................ 531 – 1,602 kHz (9 kHz) 530 – 1,640 kHz (10 kHz) Usable sensitivity .............................. 18 µV (S/N: 20 dB) Selectivity .................................................. 50 dB (±9 kHz) 50 dB (±10 kHz) Note: • Specifications and the design are subject to possi- ble modification without notice due to improve- ments. www. xiaoyu163. com QQ 376315150 9 9 2 8 9 4 2 9 8 TEL 13942296513 9 9 2 8 9 4 2 9 8 0 5 1 5 1 3 6 7 3 Q Q TEL 13942296513 QQ 376315150 892498299 TEL 13942296513 QQ 376315150 892498299 http://www.xiaoyu163.com 57 KEH-3950,3910 - KEH-3910/X1M/EE General Power source .......... 14.4 V DC (10.8 – 15.1 V allowable) Grounding system ........................................ Negative type Max. current consumption ........................................ 8.5 A Dimensions (mounting size) ...... 178 (W) × 50 (H) × 155 (D) mm (front face) .............. 188 (W) × 58 (H) × 19 (D) mm Weight ...................................................................... 1.2 kg Amplifier Maximum power output ...................................... 40 W × 4 Continuous power output .................................... 22 W × 4 (DIN45324, +B = 14.4 V) Load impedance .......................... 4 Ω (4 – 8 Ω allowable) Tone controls (Bass) .............................................. ±12 dB (100 Hz) (Treble) ............................................ ±12 dB (10 kHz) Loudness contour ........ +10 dB (100 Hz), +7 dB (10 kHz) (volume: –30 dB) Cassette player Tape ........................ Compact cassette tape (C-30 – C-90) Tape speed .... 4.76 cm/sec.(+0.14 cm/sec., -0.05 cm/sec.) Fast forward/rewinding time .... Approx. 100 sec. for C-60 Wow & flutter .......................................... 0.09% (WRMS) Frequency response ...................... 30 – 16,000 Hz (±3 dB) Stereo separation ...................................................... 45 dB Signal-to-noise ratio .................... 61 dB (IEC-A network) FM tuner Frequency range ............................................ 65 – 74 MHz 87.5 – 108 MHz Usable sensitivity .................. 11 dBf (1.0 µV/75 Ω, mono, S/N: 30 dB) 50 dB quieting sensitivity .... 16 dBf (1.7 µV/75 Ω, mono) Signal-to-noise ratio ...................... 70 dB (IEC-A network) Distortion .......................... 0.3% (at 65 dBf, 1 kHz, stereo) Frequency response ...................... 30 – 15,000 Hz (±3 dB) Stereo separation .......................... 40 dB (at 65 dBf, 1 kHz) MW tuner Frequency range ...................................... 531 – 1,602 kHz Usable sensitivity .............................. 18 µV (S/N: 20 dB) Selectivity .................................................. 50 dB (±9 kHz) LW tuner Frequency range ........................................ 153 – 281 kHz Usable sensitivity .............................. 30 µV (S/N: 20 dB) Selectivity .................................................. 50 dB (±9 kHz) Note: • Specifications and the design are subject to possi- ble modification without notice due to improve- ments. www. xiaoyu163. com QQ 376315150 9 9 2 8 9 4 2 9 8 TEL 13942296513 9 9 2 8 9 4 2 9 8 0 5 1 5 1 3 6 7 3 Q Q TEL 13942296513 QQ 376315150 892498299 TEL 13942296513 QQ 376315150 892498299 http://www.xiaoyu163.com

标签:

版权声明

1. 本站所有素材,仅限学习交流,仅展示部分内容,如需查看完整内容,请下载原文件。
2. 会员在本站下载的所有素材,只拥有使用权,著作权归原作者所有。
3. 所有素材,未经合法授权,请勿用于商业用途,会员不得以任何形式发布、传播、复制、转售该素材,否则一律封号处理。
4. 如果素材损害你的权益请联系客服QQ:77594475 处理。