采用MT1389HD方案的DVD机电路原理图

分类:电子电工 日期: 点击:0
采用MT1389HD方案的DVD机电路原理图-0 采用MT1389HD方案的DVD机电路原理图-1 采用MT1389HD方案的DVD机电路原理图-2 采用MT1389HD方案的DVD机电路原理图-3 采用MT1389HD方案的DVD机电路原理图-4 采用MT1389HD方案的DVD机电路原理图-5 采用MT1389HD方案的DVD机电路原理图-6

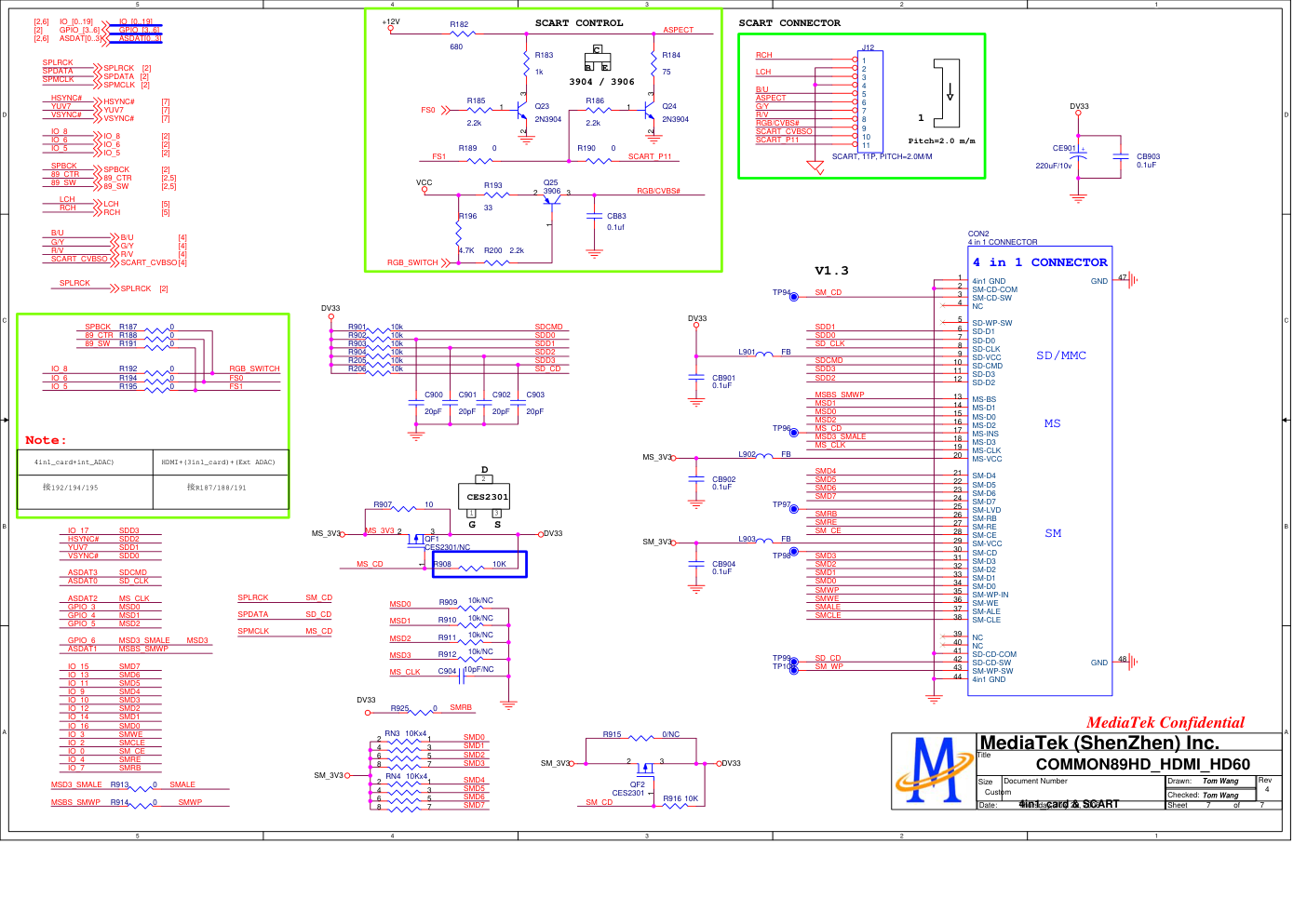
5 4 3 2 1 D D C C B B A A MT1389E Audio 3.3V DEVICE DVDD3 TYPE Digital 1.8V RESET Circuit Digital 3.3V 2 MT1389HD OP AMP. 6 MT1392 HDMI 3 SDRAM & FLASH 5 AUDIO OUT&PCM1606 AV33 Laser Diode 3.3V COMMON1389HD_HDMI_HD60_V4 Audio DAC NAME DV33 Audio +12V Digital 5V Audio DAC Servo 3.3V Audio 5V MT1389E VCC Digital 3.3V SDRAM RFV33 SD33 AVDD5 1 INDEX & POWER, RESET MT1389E 4 VIDEO OUT & AV-CON SUPPLY V18 +12V MDxxx Open IR1 , if used VFD VSDA Pull UP Reserved MT1389HD(LQFP256) DVD MP Board for SANYO HD60 PUH (Small Size) -12V Audio -12V OP AMP. Date History Supports 1389HD & Memory Card Interface The original released. V2 P# add protection circuit for OPU 2005/03/07 2 2005/05/30 Rev V1 V3 delete U20 and U21 4 2005/07/28 add R177 and R178 for HDMI I2C V4 6 2005/10/27 INDEX 4 C 1 7 Thursday, July 20, 2006 COMMON89HD_HDMI_HD60 MediaTek Confidential Tom Wang Tom Wang Title Size Document Number Rev Date: Sheet of MediaTek (ShenZhen) Inc. Drawn: Checked: +12V -12V AVCC VSDA VSTB VSCK GND DV33 V33 VCC URST# IR IRVCC VSDA VSDA VSCK IR VSTB +P12V URST# RFV33 V33 -P12V V18 DVDD18 VSCK [2] VSDA [2] VSTB [2] URST# [2,4,6] IR [2] V33 DV33 RFV33 +12V -12V AVCC DV33 -P12V +P12V V33 VCC +P12V -P12V VCC DV33 DV33 DV33 VCC 92_DV33 V18 DVDD18 VCC CB2 0.1uF CB83 0.1uF L15 FB R142 200 1% CB69 0.1uF L22 FB IR1 IR 1 2 3 CB94 0.1uF CB46 0.1uF CB96 NC + CE47 47uF/10v R141 100 1% + CE19 100uF/6.3v + CE35 100uF/10v CB5 0.1uF + CE42 100uF/6.3v U5 AZ1117H-ADJ SOT223/SMD 1 2 3 ADJ/GND OUT IN CB35 0.1uF U15 NC SOT223/SMD 1 2 3 ADJ/GND OUT IN + CE46 220uF/6.3v C220UF6.3V/D6H11 L19 FB + CE6 47uF/6.3v CB47 0.1uF CB6 0.1uF L34 NC R68 200 1% CON1 6x1 W/HOUSING DIP6/W/H/P2.54 1 2 3 4 5 6 CB80 100pF + CE37 10uF/6.3v CE10UF6.3V/DIP/P2.0/D4H5 + CE41 220uF/6.3v + CE34 47uF/6.3v D17 1N4148 + CE30 47uF/6.3v L39 FB R151 NC R0603/SMD TP1 + CE48 220uF/6.3v R69 100 1% + CE7 47uF/16v J1 6x1 W/HOUSING 1 2 3 4 5 6 R117 10k L3 FB U14 AZ1117H-ADJ SOT223/SMD 1 2 3 ADJ/GND OUT IN + CE8 47uF/16v CB90 0.1uF L13 FB R152 NC R0603/SMD CB62 0.1uF R106 10k L2 FB 5 4 3 2 1 D D C C B B A A IIC G VIDEO INTERFACE C 2SK3018 2N3904 B FLASH AUDIO INTERFACE 3 3 2SB1132 1 3 2 E C 1 2 E MEMORY 1 D B S C Very Important to reduce Noise 21 15 F- 14 6 GND-LD 11 9 Vcc 10 5 VR-CD 19 13 VR-DVD 12 A/a T+ 2 23 C/c 8 22 B/b Vc(Vref) SANYO SF-HD60 20 RF NC HFM 3 GND-PD T- F+ 16 MD CD-LD NC 7 E F 18 CD/DVD SW 17 4 D/d 24 1 DVD-LD reserve this circuit for protection OPU RS-232 MT1389HD TQFP 256 4 Custom 2 7 Thursday, July 20, 2006 COMMON89HD_HDMI_HD60 MediaTek Confidential Tom Wang Tom Wang Title Size Document Number Rev Date: Sheet of MediaTek (ShenZhen) Inc. Drawn: Checked: PCE# V1P4 FOSO TRSO A WE# MA[0..11] F+ AD[0..7] SCL ABCK SP+ SL- T+ C RAS# ASPDIF PRD# PWR# A[0..20] D SL+ DCLK DCKE ASDAT[0..2] FMSO T- SP- ACLK B IOA SDA DQ[0..15] ALRCK CAS# LDO_DVD CS# BA[0..1] DQM[0..1] V1P4 JITFO ADIN OP+ XI XTALI STBY IO_19 IOA YUV[1..6] RFO F- ALRCK LIMIT SP- SL+ SL- LIMIT SP+ C D IOA RFO A B F AVCC1 E LD-CD MDI1 AVCC1 LD-DVD TRCLOSE STBY TCK TDO TMS TRIN TROUT TDI RFV33 V1P4 OPO V20 XO DQ12 DQ13 V1P4 RFVDD3 APLLVDD3 ADACVDD 89_CTR 89_AL 89_ARS 89_AR 89_ALS 89_SW YUV7 SPLRCK SPDATA SPMCLK SPBCK VSYNC# TRO FMSO FOSO V1P4 FOO FMO DMO TRSO VSCK VSTB VSDA MUTE_DAC USBP USBM USBVDD H601# XO HSYNC# AD7 GPIO_5 DACVDD3 A7 TDO SUBB JITFN 89_ALS JITFO MA4 IO_2 DQ2 IO_19 A0 A14 ASDAT1 ALRCK HSYNC# YUV4 UP3_1 PWR# AD0 V18 FOO OPO E 89_CTR GPIO_6 ABCK 89_AR DQM1 MA3 IO_12 IO_4 URST# VSTB PRD# AD2 B A5 FMO TDI 89_AL MA2 MA5 IO_9 YUV5 DQ1 DQM0 A16 V20 LDO1 C OP- ASDAT0 SPDATA IO_3 ICE SDA AD4 A17 A12 OP+ SUBD DACVDD3 89_ARS USBP ACLK CAS# MA7 IO_10 IR AD5 A4 TCK AD3 A9 ALE USBM IO_6 DQ0 DQ6 URD# A6 AD6 A11 V1P4 V2P8 D V1P4 ASPDIF ASDAT2 MA6 YUV6 PCE# OP- RFOP APLLVDD3 89_SW JITFN IO_18 WE# IO_7 IO_0 DQ5 INT0# SCL V601# TMS A13 A20 DACVDD3 GPIO_3 ASDAT3 CS# BA0 MA11 IO_8 DQ4 VSCK UWR# A10 A15 DMO FEO MDI1 SUBA DQ9 VREF V2P8 ADIN VREF SPBCK RFV18 PLLVDD3 MA8 IO_15 IO_13 VSYNC# YUV2 DQ15 UP3_0 A19 TEO RFV18 V20 FS GPIO_4 BA1 MA10 MA0 IO_16 IO_17 DACVDD3 DQ14 TXD RFVDD3 LDO2 V1P4 ADACVDD PLLVDD3 SPMCLK MA9 IO_1 RFVDD3 H601# A3 A18 A8 TROPEN RFON MDI2 F DQ11 DQ10 SPLRCK RAS# MA1 DCLK IO_11 YUV3 YUV1 DQ8 DQ3 VSDA A1 AD1 A2 SUBC A FS LDO_CD DCKE IO_14 IO_5 YUV7 DQ7 RXD TRO PWDN# MUTE_DAC PWDN# INT0# IR URST# UP3_0 XO GPIO_[3..6] ASDAT[0..3] IO_[0..19] ASDAT3 UP3_1 LDO_CD LDO1 LDO_DVD LDO2 V601# TxD RxD USBVDD V18 TEZISLV DMSO LOAD- TRCLOSE TROPEN TROPEN TRIN TROUT LOAD- TRCLOSE LOAD+ IO_18 XI RFVDD3 GND GND RFVDD3 DQ[0..15] [3] SDA [3,6] PCE# [3] ABCK [5,6] ALRCK [5,6] ASPDIF [4,6] SCL [3,6] ASDAT[0..2] [3,6] MA[0..11] [3] PRD# [3] PWR# [3] ACLK [5,6] WE# [3] CS# [3] RAS# [3] CAS# [3] DCKE [3] DCLK [3] A[0..20] [3] AD[0..7] [3] BA[0..1] [3] DQM[0..1] [3] YUV[1..6] [4,6] 89_CTR [5,7] 89_AL [5,6] 89_ARS [5,6] 89_ALS [5,6] 89_AR [5,6] 89_SW [5,7] SPBCK [3] SPMCLK [7] SPDATA [7] SPLRCK [7] YUV7 [7] VSYNC# [7] VSCK [1] VSTB [1] VSDA [1] MUTE_DAC [5] USBP [4] USBM [4] USBVDD [4] H601# [4,6] HSYNC# [7] PWDN# [6] INT0# [6] IR [1] URST# [1,4,6] UP3_0 [6] XO [6] ASDAT[0..3] [6,7] GPIO_[3..6] [7] IO_[0..19] [3,6] ASDAT3 [3,6] UP3_1 [6] V601# [4,6] TRCLOSE [2] TROPEN [2] AVCC RFV33 AVCC VCC MO_VCC MO_VCC V18 DV33 RFV33 V18 DV33 DV33 DV33 V18 V18 V18 DV33 DV33 V18 RFV33 RFV33 DV33 MO_VCC DV33 DV33 DV33 MO_VCC MO_VCC DV33 TP54 TP40 TP6 TP52 TP20 CB73 330pF CB114 0.47uF/NC TP58 Q3 8050 2 1 3 TP13 TP75 R80 10k C36 C/NC CB139 0.1uF R174 NC/10K CB40 0.047uF L18 FB TP25 CB75 0.1uF TP17 TP57 CB54 1uF R77 100k CE25 10uF/10v L12 FB R81 4.7 TP21 CN4 6x1 W/HOUSING 1 2 3 4 5 6 CB31 0.1uF TP65 CB68 0.1uF + CE40 10uF/16v CE10UF16V/DIP/P2.0/D5H11 TP9 TP64 TP26 TP7 TP14 TP39 CB15 0.1uF + CE32 47uF/10v CB34 0.1uF Q4 8050 2 1 3 CB138 0.1uF R104 1K R74 6.8 CB51 1uF CB52 1uF TP68 CB71 0.015uF TP80 TP59 TP55 CB41 1000pF TP66 CB26 0.1uF TP60 R90 1 CE24 10uF/10v TP53 TP69 CB33 0.1uF TP18 R75 0 CB56 0.1uF R173 NC/10K R123 2K R89 150k CB64 2200pF CB48 0.1uF TP16 TOP CN3 HEADER 24 SMD0.5 TOP 1 2 3 4 5 6 7 8 9 10 11 12 13 14 15 16 17 18 19 20 21 22 23 24 TP5 Q1 8550 2 1 3 R101 10k TP51 TP29 CB142 0.1uF Q16 2N3904 1 3 2 R92 150k CB146 0.1uF TP3 TP10 TP82 TP23 CB58 0.1uF/NC + CE26 100uF/6.3v TP70 CB67 330pF + CE27 47uF/6.3v CB148 0.1uF CB21 0.1uF TP8 CB140 4.7uF TP28 TP86 C35 0.1uF Y100 27MHz L43 47uH Pin Assignment v1.5 MT1389HD U7 MT1389HD 2 250 3 4 5 1 252 253 6 7 8 9 10 11 12 13 14 15 16 17 18 19 20 21 22 23 256 28 27 30 29 32 31 43 26 25 33 34 35 36 42 41 45 39 40 46 38 37 59 75 74 72 71 70 69 68 52 91 62 63 87 86 64 65 84 83 82 81 73 93 53 54 55 56 80 57 58 67 92 85 60 61 76 78 90 79 66 77 94 95 96 97 98 99 100 101 102 103 104 105 116 106 107 244 245 108 109 110 111 112 122 113 114 115 117 118 120 119 121 123 124 125 126 128 127 129 192 191 190 189 188 187 186 185 184 183 182 181 180 179 178 177 176 175 174 173 172 171 170 169 167 168 166 165 164 163 162 161 160 159 158 156 157 155 154 153 152 151 150 148 149 147 146 145 144 143 141 142 140 139 138 137 136 134 135 133 132 131 130 249 255 24 254 231 230 238 237 248 247 236 251 246 243 241 242 240 239 234 235 232 224 225 222 221 220 219 226 218 217 215 213 214 204 211 210 209 208 212 207 206 205 203 202 201 200 199 198 197 196 195 194 193 233 44 47 48 49 50 51 88 89 216 223 228 229 227 DVDA CRTPLP DVDB DVDC DVDD AGND OSP OSN DVDRFIP DVDRFIN MA MB MC MD SA SB SC SD CDFON CDFOP TNI TPI MDI1 MDI2 LDO2 LDO1 AVDD3 V2REFO SGND VREFO V20 TEO FEO VPLLVSS RFLVL/RFON CSO/RFOP TEZISLV OP_OUT OP_INN OP_INP FOO TRO VPLLVDD3 TROPENPWM PWMOUT1/V_ADIN9 USB_VSS FMO DMO IOA5 IOA20 HIGHA1 HIGHA3 HIGHA4 HIGHA5 HIGHA6 HIGHA7 TMS/V_ADIN5 A17 HIGHA0 IOA18 IOA21 AD6 IOA19 DVDD3 AD4 AD3 AD2 DVSS HIGHA2 DVDD18 TCK/V_ADIN6 TDO/V_ADIN7 DVDD18 IOA2 AD1 IOA3 IOA4 A16 IOA0 AD5 IOA6 IOA7 IOCS# IOCE# DVSS AD0 IOWR# IOA1 UWR# URD# DVDD3 UP1_2 UP1_3 UP1_4 UP1_5 UP1_6 UP1_7 UP3_0 UP3_1 UP3_4 RD4 UP3_5 ICE ADCVDD3 ADCVSS PRST# IR INT0# DQM0 IO_19 RD15 RD7 RD6 RD5 RD3 DVDD3 RD1 RD2 RD0 RD14 RD13 RD12 RD11 RD9 RD10 RD8 DACVSSC YUV1/Y DACVDDB YUV2/C DACVSSB YUV3/CVBS DACVDDA YUV4/G DACVSSA YUV5/B YUV6/R VSYNC/V_ADIN1 YUV7 HSYNC/V_ADIN2 DVSS IO_17 C0/IO_0 C1/IO_1 DVDD18 C2/IO_2 C3/IO_3 C4/IO_4 DVDD3 C5/IO_5 C7/IO_7 C6/IO_6 YUVCLK/IO_8 Y0/IO_9 Y1/IO_10 Y2/IO_11 Y3/IO_12 Y4/IO_13 DVDD18 Y5/IO_14 Y6/IO_15 DVDD3 Y7/IO_16 RA4 RA5 RA6 RA7 RA8 RA9 DVSS RA11 CKE RCLK DVDD3 RA3 RA2 RA1 DVDD18 RA0 RA10 BA1 BA0 RCS# CAS# RAS# RWE# DQM1 DVDD3 IO_18 HRFZC IREF SVDD3 RFGC RFGND18 ADACVDD2 IDACEXLP PLLVSS RFRPAC RFRPDC JITFN RFGND RFVDD3 LPFOP LPFIP LPFIN LPFON PLLVDD3 XTALI JITFO RFVDD18 AR/SDATA1 AVCM ARF(SW) ADACVSS1 ADACVSS2 APLLVSS AL/SDATA2 APLLCAP APLLVDD3 MC_DATA DVDD18 ASDATA4 SPMCLK ACLK ABCK ALRCK DVDD3 ASDATA3 SPBCK SPLRCK SPDATA ASDATA2/GPO_0 ASDATA1/GPO_1 GPIO_3 GPIO_4 RCLKB/GPIO_5 RVREF/GPIO_6 ASDATA0/GPO_2 DACVDDC VREF FS YUV0/CIN XTALO CAPPAD USBP USBM USB_VDD3 FG/V_ADIN8 TDI/V_ADIN4 ALE AD7 SPDIF ARS/SDATA3 ALF/(CTR) ADACVDD1 ALS/SDATA0 TP34 TP74 TP41 R91 NC + CE23 10uF/16v TP50 + CE39 NC/100uF/10V Q2 8550 2 1 3 TP49 + CE22 100uF/6.3v R99 18k L12 150uH CB38 390pF R163 1 CB66 150pF CB55 2200PF R25 1k R93 10k R32 R/NC CB138 0.1uF U8 BA5954 1 9 10 12 3 2 15 7 14 13 21 19 20 24 27 6 4 5 28 8 11 17 18 16 23 22 25 26 29 30 VINFC PVCC1 PGND VOSL+ CF2 CF1 VOTK+ VNFFC VOFC+ VOFC- PVCC2 PGND VNFTK CTK2 BIAS VOSL VINSL+ VINSL- STBY VCC VOSL- VOLD+ VOLD- VOTK- VINLD PREGND CTK1 VINTK G1 G2 + CE29 47uF/6.3v R96 20k CB63 0.1uF/NC R76 0 + CE28 47uF/6.3v R175 0 CB50 1uF TP46 TP36 RN1 0x4 1 2 3 4 5 6 7 8 R86 680k TP33 R49 20k R162 1 CB16 0.1uF R83 10k TP56 + CE14 1000uF/10v + CE21 100uF/10v CB145 0.1uF TP12 TP30 TP81 TP32 CB24 0.1uF TP77 L14 FB R78 10k TP73 R88 680k Q21 2SB1132 1 3 2 CB49 120pF/NC TP15 R79 100k R84 10k R103 220 CB74 0.1uF TP27 L10 FB CB70 150pF R73 15k + CE49 47uF/6.3v CB19 0.1uF R70 100k CB99 0.033uF L16 10uH TP2 CB25 0.1uF R100 10k R176 0 CB39 0.047uF TP45 TP72 CB136 0.1uF L14 FB R161 1 CB84 0.1uF L17 10uH CB72 0.1uF R82 4.7 CB53 1uF CB32 0.1uF R119 100k C37 33pF TP4 R160 1 R105 220 TP11 TP83 R95 20k CB36 0.1uF TP43 R85 10k CB44 0.1uF R97 15k + CE18 47uF/6.3v TP35 Q21 NC/2N3906 SOT-23 CB65 2200pF CB35 0.1uF Q15 2SK3018 1 3 2 R87 0 CB152 0.1uF TP62 CB100 20pF TP38 R24 0 CB147 0.1uF R71 75 1% CB43 0.1uF CB143 0.1uF CN5 5x1 W/HOUSING 1 2 3 4 5 Q22 NC/2N3906 SOT-23 L36 FB TP85 R102 220 R72 750k CB59 5600pF C151 0.1uF CN8 4x1 W/HOUSING 1 2 3 4 TP37 TP61 TP42 TP84 + CE38 NC/100uF/10V TP78 TP44 C36 33pF CB44 0.1uF TP47 TP76 TP63 Q14 2SK3018 1 3 2 TP24 CB150 0.1uF TP22 CB42 0.1uF TP31 Q20 2SB1132 1 3 2 L37 FB TP48 TP71 TP67 TP79 R98 20k TRCLOSE TROPEN 5 4 3 2 1 D D C C B B A A DRAM FLASH 16Mb TSOP 48 pin FLASH DRAM Memory Card I/F IIC SDRAM&FLASH 4 B 3 7 Thursday, July 20, 2006 COMMON89HD_HDMI_HD60 MediaTek Confidential Tom Wang Tom Wang Title Size Document Number Rev Date: Sheet of MediaTek (ShenZhen) Inc. Drawn: Checked: WE# CAS# BA[0..1] MA[0..11] RAS# DCLK DCKE CS# DQM[0..1] PCE# PRD# A[0..20] PWR# DQ2 MA10 DQ15 DBA0 DQ11 MA2 DWE# MA8 MA9 DRAS# DCAS# DQ13 MA11 SDCLK MA0 MA4 DQ7 DQ14 MA7 DQ9 DQ10 DQ1 DQ8 MA1 MA5 DQ4 DQM0 DQ0 DCS# DQ12 DQ3 DQ6 MA6 DBA1 SDCKE DQM1 MA3 DQ5 DCKE SDCLK DRAS# BA0 DCAS# DCS# CAS# DBA1 CS# DBA0 RAS# SDCKE WE# DCLK BA1 DWE# AA20 A20 A13 A4 A0 PRD# AD6 A3 A18 A12 A16 A15 AD1 AD5 A9 AD0 A11 A6 A17 AD4 A14 A5 AD7 A2 AA20 PWR# A1 AD2 A7 A19 A10 PCE# A8 AD3 YUV7 SPMCLK MS_CD SPDATA SCL SCL SPBCK SPLRCK SD_CD SPDATA SDA DQ[0..15] HSYNC# SPBCK CF_CD GND AD[0..7] VSYNC# SDA SM_CD SPLRCK DV33 SDA SD33 SPMCLK SCL CAS# [2] DCLK [2] DCKE [2] WE# [2] RAS# [2] DQM[0..1] [2] MA[0..11] [2] CS# [2] BA[0..1] [2] PCE# [2] PWR# [2] A[0..20] [2] PRD# [2] DQ[0..15] [2] SCL [2,6] YUV7 [2] SPLRCK [2] SPMCLK [2] SPDATA [2] VSYNC# [2] SPBCK [2] HSYNC# [2] SDA [2,6] AD[0..7] [2] SD33 SD33 DV33 DV33 DV33 DV33 DV33 DV33 DV33 SD33 L42 FB RN108 33x4 1 2 3 4 5 6 7 8 + CE39 100uF/10v CB48 0.1uF + CE38 100uF/10v U10 ESMT M12L64164A-7T TSOP54 1 2 4 12 5 7 9 8 10 46 11 13 15 16 17 18 19 35 22 23 24 25 26 14 41 29 30 31 32 33 34 36 37 38 39 40 43 42 44 52 45 47 49 48 50 51 53 54 20 21 3 6 27 28 VCC DQ0 DQ1 VSSQ DQ2 DQ3 VCCQ DQ4 DQ5 VSSQ DQ6 DQ7 DQML WE CAS RAS CS A11 A10/AP A0 A1 A2 A3 VCC VSS A4 A5 A6 A7 A8 A9 NC CKE CLK DQMH NC VCCQ DQ8 DQ9 VSSQ DQ10 DQ11 VCCQ DQ12 DQ13 DQ14 DQ15 VSS BA0/A13 BA1/A12 VCCQ VSSQ VCC VSS R122 0 CB88 0.1uF CB85 0.1uF U9 MX29LV160 25 24 23 22 21 20 19 18 8 10 28 47 16 29 31 33 35 7 26 38 40 42 44 30 32 14 36 39 41 43 45 37 27 11 9 34 46 6 4 5 3 2 1 48 17 12 A0 A1 A2 A3 A4 A5 A6 A7 A8 A20 OE BYTE A18 D0 D1 D2 D3 A9 CE D4 D5 D6 D7 D8 D9 WP/ACC D11 D12 D13 D14 D15 VCC GND1 WE A19 D10 GND2 A10 A12 A11 A13 A14 A15 A16 A17 RESET CB89 0.1uF U11 EEPROM 24C16 SOP8NB 1 2 3 4 5 6 7 8 NC NC NC GND SDA SCL WP VCC RN109 33x4 1 2 3 4 5 6 7 8 CB87 0.1uF CB76 0.1uF R116 1k R121 10k R109 1k R120 0 CB86 0.1uF 5 4 3 2 1 D D C C B B A A S-VIDEO C B COMPOSITE E 3906 COAXIAL OPTICAL delete U20 and U21 USB HOST connector VGA VIDEO OUT & AV-CON 4 C 4 7 Thursday, July 20, 2006 COMMON89HD_HDMI_HD60 MediaTek Confidential Tom Wang Tom Wang Title Size Document Number Rev Date: Sheet of MediaTek (ShenZhen) Inc. Drawn: Checked: SC YUV1 CVBSO YUV2 SC SY CENT YUV3 B/U R/V SY SUB LSCH RCH LCH G/Y RSCH ASPDIF RSCH LCH SUB LSCH CENT RCH YUV[1..6] USBM USBP URST# USBVDD G/Y B/U R/V +5VV YUV5 YUV6 YUV4 CVBSO COAXIAL H601# V601# B/U G/Y R/V SCART_CVBSO SCART_CVBSO USBVCC USBM USBP USBVCC B/U V601# R/V H601# G/Y OPTICAL ASPDIF LCH [5] RSCH [5] CENT [5] ASPDIF [2,6] RCH [5] LSCH [5] SUB [5] YUV[1..6] [2,6] USBM [2] USBP [2] URST# [1,2,6] USBVDD [2] V601# [2,6] H601# [2,6] B/U [7] G/Y [7] R/V [7] SCART_CVBSO [7] +5VV +5V +5VV +5VV +5VV +5VV +5VV +5VV +5VV +5VV +5VV +5VV +5VV VCC +5VV +5VV VCC DV33 +5VV CB13 47P D13 1N4148 1 2 R221 4.7K/NC + CE36 47uF/16v CB26 47P CB24 100P Q10 3906 R55 150,1% R56 150,1% P1 RCA+SPDIF 1 2 3 4 5 6 7 8 9 C46 330p R111 33 D3 1N4148 1 2 Q26 3906 R146 0 L20 FB R58 150,1% D6 1N4148 1 2 R73 75,1% D4 1N4148 1 2 D12 1N4148 1 2 CB25 100P R113 33 C45 0.1uF P5 D-SUB15 FEMALE DSUB15/DIP/F 16 17 1 2 3 4 5 6 7 8 9 10 11 12 13 14 15 1:GND 2:D+ 3:D- 4:VCC 4 2 3 1 P4 USB TYPEA USBHOST/4P/SMD 3 2 1 4 5 6 L2 1.8uH L1 1.8uH R147 0 Q7 3906 Q6 3906 L23 1.8uH Q11 3906 CB14 120P CB97 0.1uF P2 RCA-AV9 2 3 1 6 4 5 9 7 8 10 11 12 Q8 3906 R148 0 R79 75,1% L9 0.56uH F1 FUSE R57 150,1% L6 0.56uH R69 NC C601 0.1uF CB16 47P R219 0/NC R68 NC R81 NC R149 0 R78 75,1% D16 1N4148 1 2 R63 100 CB28 47P CB21 100P D2 1N4148 1 2 D29 1N4148 1 2 L8 0.56uH CB15 120P CB18 47P R67 75,1% R150 0 R59 150,1% D5 1N4148 1 2 L5 0.56uH CB29 10uF/10v C105 100P D1 1N4148 1 2 R74 NC R220 4.7K/NC R54 150,1% R72 75,1% CB27 47P CB23 100P R601 33 Q9 3906 D1 1N4148 1 2 CB17 120P R80 NC R218 75,1% L7 0.56uH R112 15K CB19 100P G G C Y P3 S-VIDEO + RCA 1 2 3 4 5 6 7 8 9 CB20 100P D15 1N4148 1 2 L4 0.56uH + CE36 47uF/16v R66 75,1% R75 NC D14 1N4148 1 2 D28 1N4148 1 2 R110 15K R217 0 5 4 3 2 1 D D C C B B A A PCM DSD Low High WM8766 31k 22k C64 Int. DAC 22k 31k C67 1000pF C72 C69 1000pF C78 R86 C73 100pF C82 R94 C79 100pF R98 C83 R109 C87 C86 R120 180pF C90 R127 180pF 1800pF 180pF 1800pF 180pF 1800pF 22k 180pF 1800pF 22k 1800pF 22k 1800pF 180pF 22k 100pF 100pF 100pF 100pF 1000pF 1000pF 1000pF 1000pF 31k 31k 31k 31k ADAC Internal External R104~R108, R111~R114, MUTE_Circuit 0 0 NC NC H/W Mode / 24-bit Right Justified R110 R117,R119 I2S FORMAT HARDWARE MODE H/W Mode / 24-bit Right Justified AUDIO OUT 4 C 5 7 Thursday, July 20, 2006 COMMON89HD_HDMI_HD60 MediaTek Confidential Tom Wang Tom Wang Title Size Document Number Rev Date: Sheet of MediaTek (ShenZhen) Inc. Drawn: Checked: SUBW1 RCH +12V -12V SUB -12V +12V -12V +12V -12V LSUR1 LCH LSCH +12V RSUR1 CENT -12V +12V +12V RSCH -12V CENTER1 RMAIN1 8766_L 8766_R 8766_LS 8766_RS 8766_CTR 8766_SW DAC_ASDAT2 DAC_ASDAT1 DAC_ASDAT0 SLRCK1 SBCLK1 SACLK1 AVDD DAC_VREFP AVDD LMAIN1 RSUR1 CENTER1 LSUR1 RMAIN1 89_SW 89_AL 89_CTR 89_AR 89_ALS 89_ARS 8766_RS 8766_R 8766_LS 8766_CTR 8766_L 8766_SW LMAIN1 CENT RCH LSCH RSCH SUB LCH ACLK MUTE_DAC 89_ARS 89_AL ALRCK 89_ALS 89_SW 89_CTR ABCK 89_AR MUTE_DAC ACLK ALRCK SACLK1 SLRCK1 SBCLK1 ABCK SUBW1 89_ALS DAC_ASDAT2 89_AR DAC_ASDAT1 DAC_ASDAT0 89_AL A_MUTE A_MUTE A_MUTE A_MUTE A_MUTE A_MUTE A_AUTE WS_R ALRCK 89_AR 89_AL RSUR1 WS_R WS_CENT CENTER1 SACLK1 WS_SUBW LSUL2 WS_L SBCLK1 DAC_ASDAT0 WS_SUBW SUBW1 RMAIN1 WS_RUSR WS_RSUR DAC_ASDAT1 WS_LSUR SLRCK1 AVDD WS_CENTER ACLK DAC_ASDAT2 LMAIN1 WS_LSUR ABCK WS_L PCM_DSD GND A 89_ALS SBCLK1 SLRLK1 SACLK1 DAC_ASDAT0 DAC_ASDAT1 DAC_ASDAT2 U9_4.5 U9_4.5 LSCH [4] RSCH [4] CENT [4] RCH [4,7] LCH [4,7] SUB [4] 89_ARS [2] 89_ALS [2] 89_AR [2] ACLK [2,6] 89_AL [2] ALRCK [2,6] 89_CTR [2] MUTE_DAC [2] ABCK [2,6] 89_SW [2] VCC DV33 DVDD DVDD +12V VCC -12V +12V DVDD VCC VCC_AUDIO VCC_AUDIO +12V R91 560 CB9 100pF Q17 3906 1 2 3 CB5 100pF R90 0 C75 10uF/10v + CE6 10uF/16v CB126 0.1uF U16 78L05 TO-92 1 2 3 GND OUT IN R121 5.1k R25 5.1k R6 1K R93 0 R11 100 L26 FB + CE11 10uF/16v + - U3A NJM4558 OPA 3 2 1 8 4 R92 0 CB50 0.1uF R112 0/NC D9 1N4148 1 2 + - U1B NJM4558 OPA 5 6 7 8 4 + - U2A NJM4558 OPA 3 2 1 8 4 R105 0 + CE15 10uF/16v R181 0 R63 100k R19 5.1k CB4 100pF + CE3 10uF/16v + CE28 47uF/10v CB124 0.1uF + CE9 100uF/16V R30 31k R56 4.7k R9 100 CB1 100pF R2 1K R90 0 D10 1N4148 1 2 R5 100 R8 1K R113 0/NC CB12 100pF U4 PCM1606 1 2 3 4 5 6 7 8 9 10 11 12 13 14 15 16 17 18 19 20 DATA1 DATA2 DATA3 FMT1 FMT0 ZEROA AGND Vout5 Vout6 Vout1 Vout2 Vout3 Vout4 Vcom Vcc DEMP0 DEMP1 LRCK BCK SCKI R106 0 + CE7 10uF/16v Q16 2N3904 SMD/3904 1 3 2 + CE12 10uF/16v CB10 1000pF Q19 2N3904 SMD/3904 1 3 2 R18 31k C68 0.1uF R28 10k Q17 2N3904 SMD/3904 1 3 2 CB125 0.1uF RN101 33x4 1 2 3 4 5 6 7 8 CB31 0.1u + - U1A NJM4558 OPA 3 2 1 8 4 CB8 100pF + - U3B NJM4558 OPA 5 6 7 8 4 + - U2B NJM4558 OPA 5 6 7 8 4 R107 0 R117 0/NC CB123 0.1uF + CE4 10uF/16v R66 470 R10 1K + CE1 100uF/10V R125 NC + CE45 470uF/10V R20 10k CB6 1000pF R101 NC D8 1N4148 1 2 R15 5.1k R26 10k R7 100 R92 0 CB11 1000pF R104 0 Q5 2N3904 SMD/3904 1 3 2 R3 100 CB2 1000pF R108 0 R16 10k + CE29 10uF/16V R114 0/NC R64 10K CB59 0.1u Q14 2N3904 SMD/3904 1 3 2 + CE13 10uF/16v CB98 0.1uF R17 31k D7 1N4148 1 2 CB127 0.1uF + CE28 47uF/16V R111 0/NC CB3 1000pF R29 31k C74 0.1uF + CE27 47uF/6.3v R151 1K R110 0 CB7 1000pF R103 0 R119 0/NC + CE29 220uF/10v + CE5 10uF/16v CB59 0.1uF R67 22k R23 31k CB60 0.1uF + CE10 10uF/16v R179 0 Q18 3906 1 2 3 R93 0 R24 31k R4 1K R32 10k U9 WM8766 1 2 3 4 5 6 7 8 9 10 11 12 13 14 28 27 26 25 24 23 22 21 20 19 18 17 16 15 MODE MCLK BCLK LRCLK DVDD DGND DIN1 DIN2 DIN3 DNC ML/I2S MC/IWL MD/DM MUTE AVDD AGND VOUT3R VOUT3L VOUT2R VOUT2L VOUT1R VOUT1L NC NC VMID VREFP VREFN PCM/DSD Q15 2N3904 SMD/3904 1 3 2 R22 10k + CE17 47uF/16V R1 100 CB51 0.1uF R27 5.1k + CE14 10uF/16v R31 5.1k + CE2 10uF/16v CB58 0.1uF R180 0 L25 FB 5 4 3 2 1 D D C C B B A A Differential Signal ! No Through Hole ! 100 ohm - Impedance Differential Signal ! No Through Hole ! 100 ohm - Impedance For Measurement Closed to MT1392 Power Pin ! MT1392 HDMI 4 C 6 7 Thursday, July 20, 2006 COMMON89HD_HDMI_HD60 MediaTek Confidential Tom Wang Tom Wang Title Size Document Number Rev Date: Sheet of MediaTek (ShenZhen) Inc. Drawn: Checked: YUV4 YUV5 SDA SCL IO_0 C0 IO_1 C1 IO_2 C2 IO_3 C3 IO_4 C4 IO_5 C5 IO_6 C6 IO_7 C7 YUV6 HDMI_SDA UP3_1 HDMI_SCL UP3_0 VCK XO UP3_1 UP3_0 PWDN# MSCK MSD ACLK ABCK ASPDIF HDMI_SCL HDMI_SDA ALRCK TX2- GPO8 TX1- TX1+ GPO9 TX0- TX0+ TXC- TXC+ ABCK ACLK ASDAT0 ASDAT1 ASDAT2 ASDAT3 ASPDIF H601# V601# URST# INT0# URST# C0 92_SDA 92_SCL C1 XO C2 92_INT0# C3 YUV6 C4 YUV5 TRAP1 TRAP0 C5 YUV4 C6 GPO7 C7 Y0 Y1 Y2 Y3 Y4 Y5 Y6 Y7 1392_VCK MSD MSCK PWDN# TRAP2 HPD TX2+ GPO10 XO 92_SCL SCL 92_SDA SDA 92_INT0# INT0# F_TX2- F_TX1+ F_TX0- F_TXC- F_TX1- F_TX2+ F_TX0+ HDMI_SCL HDMI_SDA F_TXC+ HPD HDMI_VCC H601# V601# ALRCK FS_1392 TX1- VREF_1392 TXC- TX0- TX1+ TXC+ TX0+ TX2+ TX2- IO_[0..19] Y1 IO_10 Y2 IO_11 Y0 IO_9 Y3 IO_12 Y4 IO_13 Y5 IO_14 Y6 IO_15 Y7 IO_16 IO_8 VCK 89_ALS 89_AR 89_AL 89_ARS 89_AR ASDAT1 ASDAT2 89_AL 89_ARS ASDAT3 ASDAT0 89_ALS YUV4 [2,4] SCL [2,3] SDA [2,3] YUV6 [2,4] UP3_1 [2] UP3_0 [2] PWDN# [2] ALRCK [2,5] ACLK [2,5] ABCK [2,5] ASPDIF [2,4] INT0# [2] URST# [1,2,4] XO [2] H601# [2,4] V601# [2,4] YUV5 [2,4] IO_[0..19] [2,3] 89_ALS [2,5] 89_AL [2,5] 89_AR [2,5] 89_ARS [2,5] 1392_AVDD3 1392PLL_AVDD3 92_DV33 1392_AVDD3 92_DV33 DVDD18 DV33 DV33 DVDD18 1392DAC_AVDD3 1392PLL_AVDD3 VCC 1392DAC_AVDD3 1392PLL_AVDD3 92_DV33 92_DV33 VCC L23 FB R166 1k TP90 CB132 0.1uF R171 NC CB71 0.1uF E3 ESD0603 L34 FB E1 ESD0603 R160 NC E9 ESD0603 CB74 0.1uF R164 10K R138 100 R172 NC E4 ESD0603 + CE37 47uF/6.3v CB72 0.1uF R114 1.5k R156 560 E7 ESD0603 CB93 5600pF L37 FB U25 EEPROM 24C04 SOP8/SMD 1 2 3 4 5 6 7 8 NC NC NC GND SDA SCL WP VCC TP93 TP/SMD/D1.0 R130 NC CB79 0.1uF C0603/SMD R137 100 R167 1k/NC E10 ESD0603 E8 ESD0603 E6 ESD0603 U12 MT1392E HDMI TX PROCESSOR SPQFP80/SMD 1 2 3 4 5 6 7 8 9 10 11 12 13 14 15 16 17 18 19 20 21 22 23 25 24 26 27 28 29 30 31 32 33 34 35 36 37 38 39 40 41 42 43 44 45 46 47 48 49 50 51 52 53 54 55 56 57 58 59 60 61 62 63 64 65 66 67 68 69 70 71 72 73 74 75 76 77 78 79 80 DVSS C0 C1 C2 C3 C4 C5 C6 C7 DVDD33 VCK DVSS Y0 Y1 Y2 Y3 Y4 Y5 Y6 Y7 SSCK SSD DVDD18 RST PWDN CLK INT DVSS A7/GPO0 A6/GPO1 TRAP2/GPO2 TRAP1/GPO3 TRAP0/GPO4 MSCK/GPO5 MSD/GPO6 GPO7 GPO8 GPO9 GPO10 HTPLG AVSS PLLC0 PLLC1 AVDD AVDD AVSS AVSS TCK- TCK+ AVDD TX0- TX0+ AVSS TX1- TX1+ AVDD TX2- TX2+ AVSS SWING AVDD VREF FS AVSS AVDD AVSS AVDD G AVSS B R SPDIF AD3 AD2 AD1 AD0 ACK ABCK ALRCK DVDD18 L35 FB CB78 0.1uF R168 NC R163 NC R0603/SMD CN10 A HDMI TYPE-A 1 2 3 4 5 6 7 8 9 10 11 12 13 14 15 16 17 18 19 22 21 20 23 TP92 R144 0 CB73 0.1uF + CE43 10uF/10v CAP\R1 R165 1k CB82 0.1uF R115 1.5k R169 NC CB76 0.1uF L24 FB TP89 TP91 CB95 0.1uF E5 ESD0603 CB81 0.1uF C0603/SMD E2 ESD0603 CB75 0.1uF R170 NC CB77 0.1uF L34 FB R140 510 R0603/SMD R131 0/NC L36 FB 5 4 3 2 1 D D C C B B A A SCART CONTROL C E B 3904 / 3906 V1.3 S G CES2301 D 3 2 1 Pitch=2.0 m/m V| 1 SCART CONNECTOR 接192/194/195 接R187/188/191 4in1_card+int_ADAC) HDMI+(3in1_card)+(Ext ADAC) Note: 4in1_card & SCART 4 Custom 7 7 Thursday, July 20, 2006 COMMON89HD_HDMI_HD60 MediaTek Confidential Tom Wang Tom Wang Title Size Document Number Rev Date: Sheet of MediaTek (ShenZhen) Inc. Drawn: Checked: ASDAT[0..3] GPIO_[3..6] FS1 SCART_P11 ASPECT RGB/CVBS# SMD6 MSD0 SMRE MS_CLK SDCMD SM_WP MSD3_SMALE SMD7 SMD5 SMD2 SDD3 SDD2 SD_CD SMD4 SMD3 SMCLE SM_CE SMWE SD_CLK SMRB MS_CD MSD2 MSD1 SMD0 SMALE SM_CD SMD1 MSBS_SMWP SDD1 SMWP SMD7 MS_CLK SDD1 SMD4 SMD6 SDD2 SMD1 SMD5 SD_CD MS_3V3 MSD0 SDD3 SMD3 SMD0 SDCMD MSD1 SMD2 SDD0 MSD2 MSD3 MS_CD SDD0 IO_[0..19] RGB/CVBS# SCART_P11 ASPECT RCH LCH B/U SCART_CVBSO R/V G/Y ASDAT2 MS_CLK GPIO_3 MSD0 IO_12 SMD2 IO_16 SMD0 IO_3 SMWE IO_11 SMD5 IO_15 SMD7 IO_4 SMRE GPIO_5 MSD2 IO_9 SMD4 IO_14 SMD1 IO_0 SM_CE IO_7 SMRB IO_2 SMCLE GPIO_4 MSD1 IO_13 SMD6 FS1 SPBCK ASDAT0 SD_CLK ASDAT3 SDCMD HSYNC# SDD2 YUV7 SDD1 IO_17 SDD3 VSYNC# SDD0 MSBS_SMWP SMWP MSD3_SMALE SMALE FS0 GPIO_6 MSD3_SMALE MSD3 RGB_SWITCH 89_SW 89_CTR ASDAT1 MSBS_SMWP LCH RCH 89_CTR 89_SW SPBCK IO_5 IO_6 IO_8 VSYNC# YUV7 HSYNC# B/U G/Y R/V SCART_CVBSO IO_6 IO_5 IO_8 SM_CD IO_10 SMD3 SM_CD SPLRCK SPLRCK SD_CD SPDATA MS_CD SPMCLK SPMCLK SPDATA SPLRCK SMRB ASDAT[0..3] [2,6] GPIO_[3..6] [2] RGB_SWITCH FS0 IO_[0..19] [2,6] RCH [5] LCH [5] 89_CTR [2,5] 89_SW [2,5] SPBCK [2] IO_5 [2] IO_6 [2] IO_8 [2] VSYNC# [7] YUV7 [7] HSYNC# [7] B/U [4] G/Y [4] R/V [4] SCART_CVBSO [4] SPLRCK [2] SPMCLK [2] SPDATA [2] SPLRCK [2] VCC +12V SM_3V3 MS_3V3 DV33 SM_3V3 DV33 DV33 SM_3V3 DV33 MS_3V3 DV33 DV33 R912 10k/NC + CE901 220uF/10v L903 FB QF1 CES2301/NC 1 2 3 R909 10k/NC TP99 Q24 2N3904 1 2 3 CB904 0.1uF R913 0 CB902 0.1uF CB901 0.1uF RN4 10Kx41 2 3 4 5 6 7 8 C901 20pF R916 10K R190 0 R192 0 R911 10k/NC R908 10K C903 20pF R206 10k R186 2.2k R904 10k R902 10k R189 0 RN3 10Kx41 2 3 4 5 6 7 8 TP97 Q25 3906 1 2 3 C900 20pF R194 0 CB903 0.1uF TP94 Q23 2N3904 1 2 3 R182 680 R910 10k/NC R193 33 R183 1k R188 0 R195 0 R196 4.7K R925 0 L901 FB R200 2.2k C902 20pF TP98 4 in 1 CONNECTOR SM SD/MMC MS CON2 4 in 1 CONNECTOR 1 2 3 4 5 6 7 8 9 10 11 12 13 14 15 16 17 18 19 20 21 22 23 24 25 26 27 28 29 30 31 32 33 34 35 36 37 38 39 40 41 42 43 44 47 48 4in1 GND SM-CD-COM SM-CD-SW NC SD-WP-SW SD-D1 SD-D0 SD-CLK SD-VCC SD-CMD SD-D3 SD-D2 MS-BS MS-D1 MS-D0 MS-D2 MS-INS MS-D3 MS-CLK MS-VCC SM-D4 SM-D5 SM-D6 SM-D7 SM-LVD SM-RB SM-RE SM-CE SM-VCC SM-CD SM-D3 SM-D2 SM-D1 SM-D0 SM-WP-IN SM-WE SM-ALE SM-CLE NC NC SD-CD-COM SD-CD-SW SM-WP-SW 4in1 GND GND GND R191 0 R184 75 J12 SCART, 11P, PITCH=2.0M/M 1 2 3 4 5 6 7 8 9 10 11 C904 10pF/NC CB83 0.1uf R205 10k L902 FB R903 10k R901 10k QF2 CES2301 1 2 3 TP100 R914 0 R185 2.2k R187 0 R915 0/NC TP96 R907 10

标签:

版权声明

1. 本站所有素材,仅限学习交流,仅展示部分内容,如需查看完整内容,请下载原文件。
2. 会员在本站下载的所有素材,只拥有使用权,著作权归原作者所有。
3. 所有素材,未经合法授权,请勿用于商业用途,会员不得以任何形式发布、传播、复制、转售该素材,否则一律封号处理。
4. 如果素材损害你的权益请联系客服QQ:77594475 处理。