安桥ONKYO TX-SR600E功放维修手册

分类:电子电工 日期: 点击:0
安桥ONKYO TX-SR600E功放维修手册-0 安桥ONKYO TX-SR600E功放维修手册-1 安桥ONKYO TX-SR600E功放维修手册-2 安桥ONKYO TX-SR600E功放维修手册-3 安桥ONKYO TX-SR600E功放维修手册-4 安桥ONKYO TX-SR600E功放维修手册-5 安桥ONKYO TX-SR600E功放维修手册-6 安桥ONKYO TX-SR600E功放维修手册-7 安桥ONKYO TX-SR600E功放维修手册-8 安桥ONKYO TX-SR600E功放维修手册-9

BMDD,BMDC 120V AC, 60Hz BMPP,BMPA,SMPP,GMPA 230~240V AC, 50Hz BMWT,GMWT,GMWR,GMWQ 120/220~230V AC, 50/60Hz GMGK 220V AC, 50Hz 0 TX-SR600/E SERVICE MANUAL SERVICE MANUAL AV RECEIVER Black, Golden and Silver models MODEL TX-SR600/E Ref. No. 3730 052002 RC-480M SAFETY-RELATED COMPONENT WARNING!! COMPONENTS IDENTIFIED BY MARK ON THE SCHEMATIC DIAGRAM AND IN THE PARTS LIST ARE CRITICAL FOR RISK OF FIRE AND ELECTRIC SHOCK. REPLACE THESE COMPONENTS WITH ONKYO PARTS WHOSE PART NUMBERS APPEAR AS SHOWN IN THIS MANUAL. MAKE LEAKAGE-CURRENT OR RESISTANCE MEASUREMENTS TO DETERMINE THAT EXPOSED PARTS ARE ACCEPTABLY INSULATED FROM THE SUPPLY CIRCUIT BEFORE RETURNING THE APPLIANCE TO THE CUSTOMER. 家电维修资料网 AMPLIFIER SECTION Continuous average power output (FTC) All channels: 80 W per channel min. RMS at 8 ohm, 2 channels driven from 20 Hz to 20 kHz with no more than 0.08% total harmonic distortion. 105 W min. RMS at 6 ohm, 2 channels driven from 1 kHz with no more than 0.1% total harmonic distortion. Continuous power output (DIN) 115 W at 6 ohm Maximum power output (EIAJ) 145 W at 6 ohm Dynamic power output (stereo) 2 215 W at 3 ohm 2 160 W at 4 ohm 2 95 W at 8 ohm Total harmonic distortion: 0.08% at rated power 0.08% at 1 W output IM distortion: 0.08% at rated power 0.08% at 1 W output Damping factor: 60 at 8 ohm Input sensitivity and impedance LINE (CD, TAPE, DVD, VIDEO 1-4): 200 mV, 47 k ohm MULTICHANNEL INPUT (FRONT L/C/R, SURROUND L/R): 200 mV, 47 k ohm (SUBWOOFER): 36 mV, 47 k ohm COAXIAL (DIGITAL): 0.5 Vp-p, 75 ohm DVD, VIDEO 1, 2, 3, 4: 1 Vp-p, 75 ohm 1 Vp-p, 75 ohm (Y) 0.28 Vp-p, 75 ohm (C) COMPONENT VIDEO 1, 2: 1 Vp-p, 75 ohm (Y) 0.7 Vp-p, 75 ohm (PB, PR) Output level and impedance Rec out (TAPE, VIDEO 1): 200 mV, 470 ohm Pre out: 1 V, 470 ohm VIDEO (VIDEO 1, MONITOR OUT): 1 Vp-p, 75 ohm 1 Vp-p, 75 ohm (Y) 0.28 p-p, 75 ohm (C) COMPONENT VIDEO OUT: 1 Vp-p, 75 ohm (Y) 0.7 Vp-p, 75 ohm (PB, PR) Frequency response: 10 Hz to 100 kHz:+1/-3 dB (CD in Direct mode) Tone control Bass: ±12 dB at 50 Hz Treble: ±12 dB at 20,000 Hz Signal-to-noise ratio (stereo) CD/Tape: 100 dB (IHF A, 0.5 V input) Muting: - 50 dB TUNER SECTION FM Tuning range: 87.5 -108.0 MHz (50-kHz steps) Usable sensitivity Mono: 11.2 dBf, 1.0 µV (75 ohm IHF) 0.9 µV (75 ohm DIN) Stereo: 17.2 dBf, 2.0 µV (75 ohm IHF) 23 µV (75 ohm DIN) 50 dB quieting sensitivity Mono: 17.2 dBf, 2.0 µV (75 ohm ) Stereo: 37.2 dBf, 20 µV (75 ohm ) Capture ratio: 2.0 dB Image rejection ratio USA & Canadian models: 40 dB Other area models: 85 dB IF rejection ratio: 90 dB Signal-to-noise ratio Mono: 76 dB Stereo: 70 dB Alternate channel attenuation: 55 dB Selectivity: 50 dB (DIN) AM suppression ratio: 50 dB Total harmonic distortion Mono: 0.2% Stereo: 0.3% Frequency response: 30 Hz -15 kHz, ±1.0 dB Stereo separation: 45 dB at 1 kHz 30 dB at 100 Hz - 10 kHz AM Tuning range USA & Canadian models: 530 to 1,710 kHz (10-kHz steps) European & Australian models: 522 to 1,611 kHz (9-kHz steps) Worldwide models: 531 to 1,602 kHz (9-kHz steps) 530 to 1,710 kHz (10-kHz steps) Usable sensitivity: 30 µV Image rejection ratio: 40 dB IF rejection ratio: 40 dB Signal-to-noise ratio: 40 dB Total harmonic distortion: 0.7% GENERAL Power supply USA & Canadian models: AC 120 V, 60 Hz European & Australian models: AC 230 - 240 V, 50 Hz Some Asian models: AC 220 - 230 V, 50/60 Hz Worldwide models: AC 220 - 230 and 120 V switchable, 50/60 Hz Power consumption USA & Canadian models: 5.5 A Other models: 450 W Dimensions (W H D): 435 175 431.5 mm 17-1/8" 6-7/8" 16-15/16" Weight USA & Canadian models: 24.5 lbs. Other models: 12.1 kg REMOTE CONTROLLER Transmitter: Infrared Signal range: Approx. 16 ft., 5 meters Power supply: Two "AA" batteries (1.5 V 2) Specifications and features are subject to change without notice. RIAA deviation: 20 Hz to 20 kHz:±0.8 dB TX-SR600/E SPECIFICATIONS 家电维修资料网 L 27122965 REMOTE CONTROL CAUTION: SPEAKER IMPEDANCE 6 OHMS MIN. /SPEAKER ANTENNA FM 75 AM COAXIAL OPTICAL 1 2 IN IN IN IN FRONT SURR CENTER SUB WOOFER VIDEO 2 VIDEO 1 OUT DIGITAL INPUT DVD MONITOR OUT DVD TAPE CD SUBWOOFER PRE OUT L R FRONT SPEAKERS SURROUND SPEAKERS CENTER SPEAKER R L R L R VIDEO 3 VIDEO 2 VIDEO 3 VIDEO 1 VIDEO OPTICAL IN IN IN IN DIGITAL OUTPUT IN INPUT 1 INPUT 2 OUTPUT COMPONENT VIDEO PR PB Y OUT OUT A B SURROUND BACK SPEAKER DIGITAL INPUT L R R L S VIDEO AC OUTLETS AV RECEIVER MODEL NO. TX-SR600E SWITCHED TOTAL 100W MAX. AC 230-240 V 50 Hz 4. Memory Preservation This unit does not require memory preserv ation batteries. A built-in memory power back-up system preserves the contents of the memory during po wer f ailures and e ven when the unit is unplugged. The unit must be plugged in order to char ge the back-up system. The memory preserv ation period after the unit has been unplugged varies depending on climate and placement of the unit. On the average, memory contents are protected over a period of a few weeks after the last time the unit has been unplugged. This period is shorter when the unit is exposed to a highly humid climate. 2. To initialize the unit This device employs a microprocessor to perform various functions and operations. If interference generated by an external power supply, radio wave, or other electrical source results in accident which causes the specified operations and functions to operate abnormally. To perform a result, please follow the procedure below. 1.Press and hold down the VIDEO-1 button, then press the STANDBY/ON button. 2.After "clear" is displayed, the preset memory and each mode stored in the memory, such as surround, are initialized and will return to the factory setting. 3. Safety-check out (Only U.S.A. model) After correcting the original service problem, perform the following safety check before releasing the set to the customer. Connect the insulating-resistance tester between the plug of power supply cord and screw on the back panel. Specifications: 3.3Mohm+/-10% at 500V. 1. Replacing the fuses This symbol located near the fuses indicates that the fuse used is fast operating type. For continued protection against fire hazard, replace with same type fuse. For fuse rating refer to the marking adjacent to the symbol. Ce symbole indique que le fusible utlise est a rapide. Pour une protection permanente, n'untiliser que fusibles de meme type. Ce darnier est la qu le present symbol est appse. CIRCUIT NO. PART NO. DESCRIPTION Note: :120V model only : Other models except 120V model : Asian model only for 230V : Chinese model only 5.Setting the voltage selector (Worldwide models only) Worldwide models are equipped with a voltage selector to conform with local power supplies. Be sure to set this switch to match the voltage of the power supply in your area before plugging in the unit. Determine the proper voltage for your area: 220-230 V or 120 V. If the preset voltage is not correct for your area, insert a screwdriver into the groove in the switch. Slide the switch all the way to the upper (120 V) or to the lower (220-230 V), whichever is appropriate. 6.Setting the AM tuning step frequency (Worldwide models only) F6901,F6902 F901 F902 F903 F9501 ONT SURR CENTER SUB WOOFER VIDEO 1 DVD L R SURROUND BACK R L PRE OUT OUT S IR IN AV RECEIVER MODEL NO. TX-SR700E 120 V 220-230 V 120 V VOLTAGE SELECTOR 220-230 V 1. Press the MENU button on the front panel or SETUP button on the remote controller. The main menu appears. * Menu ***************** 1.Speaker Config 2.Speaker Distance 3.Level Calibration 4.Input Setup 5.OSD Setup 6.Preference |ENTER|Quit:|SETUP| 2.Use the and cursor buttons to select “ 6. Preference ” and then press the ENTER button. * Menu ***************** 1.Speaker Config 2.Speaker Distance 3.Level Calibration 4.Input Setup 5.OSD Setup 6.Preference 6.Preference *********************** a.Headphones Level : 0dB b.AM Frequency Step :9 kHz Quit:|SETUP| b. AM Frequency Step This setting only appears on the worldwide model. It determines the increment amount or decrement amount when adjusting the AM tuner frequency. The initial setting is 9 kHz, and this needs only to be changed if you are using the unit in a 10-kHz region. 252199 10A-UL,Fuse 252100 10A-EAK,Fuse F901 252261 8A-T/UL-ST2,Fuse 252198 or 8A-UL or 252077, 4A-SE-EAK, 252243 or 4A-SE-TL250V or 252277 4A-SE-TL250V,Fuse 252075, 2.5A-SE-EAK, 252241 or 2.5A-SE-TL250V or 252275 2.5A-SE-TL250V,Fuse 252160 or 2.5A-UL/T-237 or 252254 2.5A-T/UL-ST2,Fuse 252075, 2.5A-SE-EAK, 252241 or 2.5A-SE-TL250V or 252275 2.5A-SE-TL250V,Fuse TX-SR600/E SERVICE PROCEDURES 家电维修资料网 1 2 4 5 6 7 8 9 10 11 14 16 21 22 23 24 25 26 31 32 33 34 41 51 52 F6901 F901 F902 F9501 P101 P6931 P7501 P7502 P901 Q6050 Q6065 Q6055 Q6060 T901 U1 U2 U3 U4 U5 U6 U11 U12 U8 U14 U16 U17 U19 U20 U21 U27 U28 U24 U26 U29 U31 U32 U36 42 42 9 42 4 4 4 14 6 12 46 47 4 24 F6902 U23 27 36 36 TX-SR600/E EXPLODED VIEW TX-SR600/E F903 家电维修资料网 REF.NO. PART NO. DESCRIPTIONS 1 27111271B Front bracket 27111273B Front bracket 27111272B Front bracket 2 27212382 Front panel 27212383 Front panel 27212384 Front panel

27212385 Front panel 27212386 Front panel 4 838130088 3TTB+8B,Self-tapping screw 5 28135244 Badge 28135245 Badge 6 838430088 3TTB+8B(BC),Self-tapping screw 7 28325907 Knob, volume 28326010 Knob, volume 28326011 Knob, volume 28326012 Knob, volume 8 27122964A Rear panel 27122965A Rear panel

27122966A Rear panel 27122967A Rear panel 27122968A Rear panel 27122970A Rear panel 9 838430088 3TTB+8B(BC),Self-tapping screw 10 82143010 3P+10FN(BC),Pan head screw 11 27191130 Holder, outlet 12 28325497A Knob, power 28325499A Knob, power 28325547A Knob, power 14 27255004 CS-1U,Clip 16 28191957 Clear plate 28191958 Clear plate 21 27100418A Chassis 22 27190693A KGLS-6RF,Holder 23 27190428A KGLS-10RF,Holder 24 27190266 KGLS-12RF,Holder 25 27190657 KGLS-18RF,Holder 26 27190369 Holder 27 27300750 Bushing, cord 31 27160504 Heat sink 32 801433 3SMS8W.SW+14B(BC),Self-tapping screw 33 830440089 4TTC+8C(BC),Self-tapping screw 34 28330135A Cap 36 29110083 Tape,cloth 41 28184835 Top cover 28184837 Top cover 28184836 Top cover 42 838430088 3TTB+8B(BC),Self-tapping screw 838930088 3TTB+8B(UN),Self-tapping screw 46 27175319B Leg 47 28141494 Cushion 51 260208 Binder 52 223024 AC238,Isolated sheet F6901, 252199 10A-UL,Fuse F6902 252100 10A-EAK,Fuse REF.NO. PART NO. DESCRIPTIONS F901 252261 8A-T/UL-ST2,Fuse 252198 or 8A-UL or F902 252077, 4A-SE-EAK, 252243 or 4A-SE-TL250V or 252277 4A-SE-TL250V,Fuse F903 252075, 2.5A-SE-EAK, 252241 or 2.5A-SE-TL250V or 252275 2.5A-SE-TL250V,Fuse F9501 252160 or 2.5A-UL/T-237 or 252254 2.5A-T/UL-ST2,Fuse 252075, 2.5A-SE-EAK, 252241 or 2.5A-SE-TL250V or 252275 2.5A-SE-TL250V,Fuse P101 2047152522 NCFC7-152522,Flexible cable P6931 2047134512 NCFC7-134512,Flexible cable P7501 2047113022 NCFC7-113022,Flexible cable P7502 2047061522 NCFC7-061522,Flexible cable P901 253332HIT or AS-UC-2 or 253333VOL AS-UC-2,Power supply cord 253197HIT or AS-SAA or 253307VOL AS-SAA,Power supply cord 253233KAW AS-CEE-2,Power supply cord

253198HIT AS-BS,Power supply cord 253337HIT or AS-CCEE or 253338VOL AS-CCEE,Power supply cord P902A 25052665 NSCT-2P2561,AC outlet Q6050~ 2202843 or 2SC5242-O or Q6052 2202842 2SC5242-R,Transistor Q6053~ 2203663, MN130S-O, Q6055 2202842, 2SC5242-R, 2202843, 2SC5242-O, 2203664 or MN130S-Y or 2203666 MN130S-P,Transistor Q6060~ 2202833 or 2SA1962-O or Q6062 2202832 2SA1962-R,Transistor Q6063~ 2203673, MP130S-O, Q6065 2202832, 2SA1962-R, 2202833, 2SA1962-O, 2203674 or MP130S-Y or 2203676 MP130S-P,Transistor T901 2301584 NPT-1438D,Power transformer 2301585 NPT-1438P,Power transformer

2301586 NPT-1438DG,Power transformer ! ! ! ! ! ! * * * * * * * * * * * * * * ! ! ! ! ! ! ! ! ! ! ! ! ! ! ! ! ! ! ! ! :Black model only :Silver model only :Golden model only :120V model only :Other models except 120V model

:European model only :Asian model only :Australian model only :Chinese model only :Hongkong model only :korean model only NOTE: CAUTION: Replacement for transistor of mark *, if necessary must be made from the same beta group (HFE) as the original type. NOTE: THE COMPONENTS IDENTIFIED BY MARK ! ARE CRITICAL FOR RISK OF FIRE AND ELECTRIC SHOCK. REPLACE ONLY WITH PART NUMBER SPECIFIED. TX-SR600/E EXPLODED VIEW PARTS LIST 家电维修资料网 REF.NO. PART NO. DESCRIPTIONS U5 1A929564-1A NAVD-7464-1A,Video terminal PC board ass'y 1A929564-1B NAVD-7464-1B,Video terminal PC board ass'y U6 1A929565-1A NAVD-7465-1A,Componenet video terminal PC board ass'y 1A929565-1B NAVD-7465-1B,Componenet video terminal PC board ass'y U8 1A929567-1A NAVD-7467-1A,Front video PC board ass'y 1A929567-1B NAVD-7467-1B,Front video PC board ass'y U11 1A929570-1A NADG-7470-1A,Front optical input PC board ass'y 1A929570-1B NADG-7470-1B,Front optical input PC board ass'y U12 1A929571-1A NAETC-7471-1A,PC board for holder 1A929571-1B NAETC-7471-1B,PC board for holder U14 1A929574-1A NAAF-7474-1A,Power amplifier PC board ass'y U16 1A929575-1A NAETC-7475-1A, Speaker terminal PC board ass'y 1A929575-1B NAETC-7475-1B, Speaker terminal PC board ass'y U17 1A929577-1A NAPS-7477-1A,Secondary circuit PC board ass'y 1A929577-1B NAPS-7477-1B,Secondary circuit PC board ass'y U19 1A929579-1A NAETC-7479-1A,PC board for holder 1A929579-1B NAETC-7479-1B,PC board for holder U20 1A929580-1A NAETC-7480-1A,Thermal detector PC board ass'y 1A929580-1B NAETC-7480-1B,Thermal detector PC board ass'y U21 1A929581-1A NAETC-7481-1A,PC board for holder 1A929581-1B NAETC-7481-1B,PC board for holder U23 1A929583-1B NAAF-7483-1B,Driver circuit PC board ass'y

1A929583-1C NAAF-7483-1C,Driver circuit PC board ass'y 1A929583-1D NAAF-7483-1D,Driver circuit PC board ass'y 1A929583-1E NAAF-7483-1E,Driver circuit PC board ass'y U24 1A929584-1B NAPS-7484-1B,Primary circuit PC board ass'y

1A929584-1C NAPS-7484-1C,Primary circuit PC board ass'y 1A929584-1D NAPS-7484-1D,Primary circuit PC board ass'y 1A929584-1E NAPS-7484-1E,Primary circuit PC board ass'y 1A929584-1F NAPS-7484-1F,Primary circuit PC board ass'y U26 1A929586-1B NAETC-7486-1B,Connector PC board ass'y

1A929586-1C NAETC-7486-1C,Connector PC board ass'y 1A929586-1D NAETC-7486-1D,Connector PC board ass'y 1A929586-1E NAETC-7486-1E,Connector PC board ass'y 1A929586-1F NAETC-7486-1F,Connector PC board ass'y U27 1A929587-1B NASW-7487-1B,Power switch PC board ass'y

1A929587-1C NASW-7487-1C,Power switch PC board ass'y 1A929587-1D NASW-7487-1D,Power switch PC board ass'y 1A929587-1E NASW-7487-1E,Power switch PC board ass'y 1A929587-1F NASW-7487-1F,Power switch PC board ass'y U28 1A929588-1B NAETC-7488-1B,PC board for holder

1A929588-1C NAETC-7488-1C,PC board for holder 1A929588-1D NAETC-7488-1D,PC board for holder 1A929588-1E NAETC-7488-1E,PC board for holder 1A929588-1F NAETC-7488-1F,PC board for holder REF.NO. PART NO. DESCRIPTIONS U29 1A929589-1B NAPS-7489-1B,Terminal PC board ass'y

1A929589-1C NAPS-7489-1C,Terminal PC board ass'y 1A929589-1D NAPS-7489-1D,Terminal PC board ass'y 1A929589-1E NAPS-7489-1E,Terminal PC board ass'y 1A929589-1F NAPS-7489-1F,Terminal PC board ass'y U31 1A929591-1B NAETC-7491-1B,PC board for holder

1A929591-1C NAETC-7491-1C,PC board for holder 1A929591-1D NAETC-7491-1D,PC board for holder 1A929591-1E NAETC-7491-1E,PC board for holder 1A929591-1F NAETC-7491-1F,PC board for holder U32 1A929592-1B NAETC-7492-1B,PC board for holder

1A929592-1C NAETC-7492-1C,PC board for holder 1A929592-1D NAETC-7492-1D,PC board for holder 1A929592-1E NAETC-7492-1E,PC board for holder 1A929592-1F NAETC-7492-1F,PC board for holder U33 1A929593-1F NAAF-7483-1F,AC outlet terminal U36 240138A, ENG06501QR, 240134A or TFCE1U114B or 240141 FAE350-A13F,Tuner pack 240139A, ENG07501QR, 240135 or TFCE1E512A or 240142 FAE404-E13F,Tuner pack 1A929574-1B NAAF-7474-1A,Power amplifier PC board ass'y :Black model only :Silver model only :Golden model only :120V model only :Other models except 120V model

:European model only :Asian model only :Australian model only :Chinese model only :Hongkong model only :korean model only NOTE: 1A929583-1A NAAF-7483-1A,Driver circuit PC board ass'y 1A929584-1A NAPS-7484-1A,Primary circuit PC board ass'y 1A929586-1A NAETC-7486-1A,Connector PC board ass'y PC board ass'y 1A929592-1A NAETC-7492-1A,PC board for holder 1A929591-1A NAETC-7491-1A,PC board for holder 1A929589-1A NAPS-7489-1A,Terminal PC board ass'y U1 1A929560-1A NADG-7460-1A,Main circuit PC baord ass'y 1A929560-1B NADG-7460-1B,Main circuit PC baord ass'y

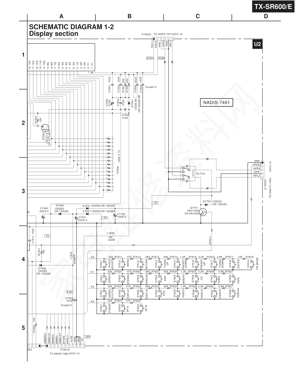
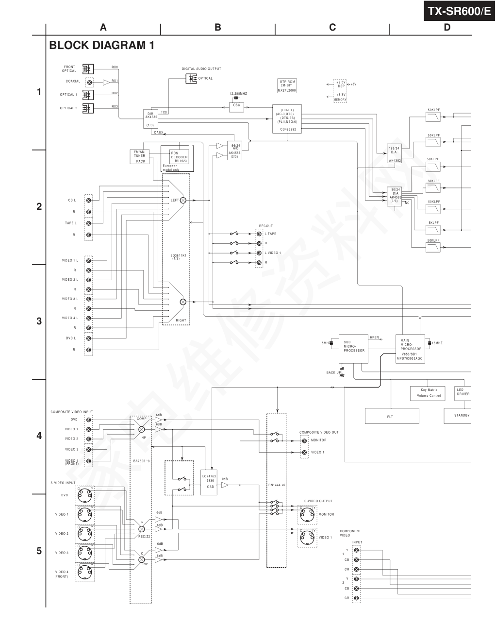
1A929560-1C NADG-7460-1C,Main circuit PC baord ass'y 1A929560-1D NADG-7460-1D,Main circuit PC baord ass'y U2 1A929561-1A NADIS-7461-1A,Display circuit PC board ass'y 1A929561-1B NADIS-7461-1B,Display circuit PC board ass'y 1A929562-1A NASW-7462-1A,Volume PC board ass'y 1A929562-1B NASW-7462-1B,Volume PC board ass'y U4 1A929563-1A NAETC-7463-1A,Headphone terminal 1A929563-1B PC board ass'y NAETC-7463-1B,Headphone terminal PC board ass'y U3 TX-SR600/E EXPLODED VIEW PARTS LIST 家电维修资料网 BACK UP OSC DVD L R TAPE L R MONITOR VIDEO 1 COMPOSITE VIDEO OUT VIDEO 3 VIDEO 4 (FRONT) CD L R COMP INP C INP Y REC/Z2 Y C VIDEO 1 Y C S-VIDEO OUTPUT MONITOR Y C S-VIDEO INPUT DVD Y C VIDEO 1 Y C VIDEO 2 Y C VIDEO 3 Y C VIDEO 4 (FRONT) COAXIAL +5V +2.5V DSP +3.3V MEMORY 5MHZ 16MHZ 12.288MHZ VIDEO 1 L R VIDEO 2 L R VIDEO 3 L R VIDEO 4 L R RECOUT L TAPE R L VIDEO 1 R RIGHT BD3811K1 (1/2) LEFT COMPOSITE VIDEO INPUT DVD VIDEO 1 VIDEO 2 COMPONENT VIDEO 1 Y CB CR INPUT 2 Y CB CR OPTICAL DIGITAL AUDIO OUTPUT OPTICAL 1 OPTICAL 2 OPTICAL FRONT SUB MICRO- PROCESSOR CS493292 (DD-EX) (AC-3,DTS) (DTS-ES) (PLII,NEO:6) MAIN MICRO- PROCESSOR MPD703033AGC V850/SB1 AK4586 96/24 D/A (3/3) NC AK4382 192/24 D/A BU1923 RDS DECODER FM/AM TUNER PACK MX27L2000 OTP ROM 2M-BIT LED DRIVER STANDBY AK4586 96/24 A/D (2/3) AK4586 DIR (1/3) 50KLPF 5KLPF 50KLPF 50KLPF 50KLPF 50KLPF 50KLPF RX0 RX1 RX2 RX3 TX0 DAUX HPEN -9836 LC74763 BA7625 *3 RN1444 x6 6dB 6dB 0dB OSD 6dB 6dB European model only FLT Volume Control Key Matrix 6dB 6dB TX-SR600/E BLOCK DIAGRAM 1 A 1 2 3 4 5 B C D 家电维修资料网 FRONT SPEAKERS LEFT RIGHT CENTER BACK SURROUND SPEAKERS LEFT RIGHT SP-B RIGHT LEFT AC OUTLET FUSE FUSE SUBWOOFER PREOUT SW->R SW->L VOLTAGE & CURRENT SENSOR -12V +12V +7V AUDIO -7V AUDIO MUTE MUTE MUTE MUTE -27V -VP +8V VIDEO 12V TRIGGER +B3 RELAY +B2 FLAC FL TUBE FLAC MAIN AMP +B1/-B1 -12V AUDIO +5V DSP +12V AUDIO MUTE MUTE MUTE THERMAL SENSOR RI INTERFACE +5.6V STANDBY MULTICHANNEL INPUT / DVD IN SL SR C SW COMPONENT VIDEO OUITPUT Y CB CR HEAD PHONE REMOTE SENSOR RI T902 T901 AC IN BASS/TREBLE BASS/TREBLE BD3811K1 (2/2) -1 -1 LED DRIVER STANDBY LED BD3812 MASTER VOLUME CUT BOOST DSW MCSW DC MCC BL TL DL BR TR DR MCSR DSR DSL MCSL BYPASS BYPASS EXCEPT MDD TV-5 POWER SW TV-8 HPEN HPMUT VOLH SPF SPCS SPB/Z2 Z2MUTE AUMUT POWER SEC1H CNPT Power Amplifier +29dB +29dB +29dB +29dB +29dB +29dB P/W models D model TX-SR600/E BLOCK DIAGRAM 2 A 1 2 3 4 5 B C D 家电维修资料网 TX-SR600/E SCHEMATIC DIAGRAM 1-1 Display section 5.6V 5V P7501A TO NADG-7460 (SCH.-2) R7592 100K X 12 * F2 F2 NP NP P35 P34 P33 P32 P31 P30 P29 P28 P27 P26 P25 P24 P23 P22 P21 P20 P19 P18 P17 P16 P15 P14 P13 P12 P11 P10 P9 P8 P7 P6 P5 P4 P3 P2 P1 16G 15G 14G 13G 12G 11G 10G 9G 8G 7G 6G 5G 4G 3G 2G 1G NP Q7501 HNA-16MM39T 4 5 6 7 8 9 10 11 12 13 14 15 16 17 18 19 20 21 22 23 24 25 26 27 28 29 30 31 32 33 34 35 36 37 38 39 40 41 42 43 44 45 46 47 48 49 50 51 52 53 54 55 56 57 58 59 JL7501A JL7501B P7504 S7501 Q7504 RN2403 OR KRA103S U7501 SPS4441E1 L7504 022M Q7502 UPD780233GC -068-8BT 21:ANI1 21 22:ANI0 22 41:P45/FIP37 41 42:P44/FIP36 42 43:P43/FIP35 43 61:FIP19 61 ANI2 20 ANI3 19 AVDD 24 AVSS 18 FIP0 80 FIP1 79 FIP10 70 FIP11 69 FIP12 68 FIP13 67 FIP14 66 FIP15 65 FIP16 64 FIP17 63 FIP18 62 FIP2 78 FIP20 58 FIP21 57 FIP22 56 FIP23 55 FIP3 77 FIP4 76 FIP5 75 FIP6 74 FIP7 73 FIP8 72 FIP9 71 IC 5 P01/INTP1 16 P02/TI 17 P20/SCK3 14 P21/SO3 13 P22 12 P23 11 P24/BUSY 10 P25SO1 9 P26/SI1 8 P27/SCK1 7 P30/FIP24 54 P31/FIP25 53 P32/FIP26 52 P33/FIP27 51 P34/FIP28 50 P35/FIP29 49 P36/FIP30 48 P37/FIP31 47 P40/FIP32 46 P41/FIP33 45 P42/FIP34 44 P46/FIP38 40 P47/FIP39 39 P50/FIP40 38 P51/FIP41 37 P52/FIP42 36 P53/FIP43 35 P54/FIP44 34 P55/FIP45 33 P56/FIP46 32 P57/FIP47 31 P60/FIP48 30 P61/FIP49 29 P62/FIP50 28 P63/FIP51 27 P64/FIP52 26 POO/INTP0 15 VDD0 25 VDD1 1 VDD259 VLOAD60 VSS0 23 VSS1 2 X1 3 X2 4 RESET 6 R7581 220 R7524 330 R7590 100 * R7518 10K Q7505 KRC102S OR RN1402 Q7581 KRC102S OR RN1402 X7501 CST5.00MGW Q7503 2SC2712 OR KTC3875 R7593 100K X 15 * D7581 STANDBY D7505 UDZ2.7B OR UDZS2.7B D7502 UDZ5.1B OR UDZS5.1B D7508 1SS352 OR 1SS355 D7506 1SS352 OR 1SS355 D7503 1SS352 OR 1SS355 C7540 220/6.3 C 22 C7514 100/6.3 C7524 0.1F C7517 102K C7533 104Z C7507 104Z C7518 103Z C7532 471J C7531 101J C7513 104Z C7523 474J C7516 104Z C7515 104Z C7508 102J C7511 102J C7510 102J C7509 102J R7530 1K R7529 560 R7528 560 R7527 10K R7526 10K R7519 47K R7539 10K R7531 10K R7523 2.7K R7589 100 * R7588 100 * R7587 100 * R7535 1K R7536 1K R7507 4.7K R7538 10K R7537 10K R7532 10K R7505 220K R7506 4.7K R7525 100 R7517 1K R7516 10K R7515 10K R7514 47K R7512 1K R7511 1K R7510 1K R7509 4.7K R7508 4.7K R7521 2.7K R7520 2.7K R7522 2.7K R7503 10K PURELED ZONE2LED IRIN HPDET SYSOUT SYSIN STBYLED IRIN VAJ VBJ VAJ VAJ VBJ VBJ K3 K2 K1 K0 SBMLDY SBMDI SBMDO SBMCLK SBMRST SYSIN SBMRST SBMCLK SBMLDY +5.6S SBMDO SBMDI SYSIN HPRLY GND GND NASW-7462 NADIS-7461 Used at the time of a flash micom. R7587 R7588 R7589 R7590 R7591 R7592 R7593 P7504 Except D U3 U2 A 1 2 3 4 5 B C D 家电维修资料网 TX-SR600/E SCHEMATIC DIAGRAM 1-2 Display section AC6V AC6V -26V 5.6V 5V 5V 5V RL7701 P7502A TO NAPS-7477(SCH.-6) P7501A TO NADG-7460 (SCH.-2) 14G 13G 12G 11G 10G 9G 8G 7G 6G 5G 4G 3G 2G 1G NP NP F1 F1 1 2 3 4 5 6 7 8 9 10 11 12 13 14 15 16 17 18 JL7502A S7638 VIDEO4 S7643 SP-B S7642 SP-A S7641 STANDBY S7637 VIDEO3 S7636 VIDEO2 S7634 DVD S7633 AUDIO-SL S7632 DISPLAY S7631 DIMMER PTY/TP S7621 DIRECT S7622 STEREO S7623 SURROUND S7624 DSP S7625 MEMORY S7619 FM MODE S7618 ENTER S7616 PRESET UP S7617 TUING DOWN S7628 TAPE S7615 PRESET DOWN S7635 VIDEO1 S7627 TUNER S7626 CD S7614 TUING UP S7613 RETURN S7612 MENU S7611 AUDIO ADJUST 504 L7504 022M L7505 022M R7590 100 * R7618 12K R7617 3.9K R7627 3.9K R7616 2.2K R7615 1.2K R7636 2.2K R7637 3.9K R7614 820 R7613 560 R7641 330 R7642 470 R7631 330 R7632 470 R7633 560 R7634 820 R7635 1.2K R7626 2.2K R7621 330 R7625 1.2K R7624 820 R7623 560 R7622 470 R7612 470 R7611 330 Q7701 KRC102S OR RN1402 W Q7503 2SC2712 OR KTC3875 R7591 100K X 15 * D7501 UDZ8.2B OR UDZS8.2B D7508 1SS352 OR 1SS355 D7701 1SS352 OR 1SS355 D7507 1SS352 OR 1SS355 D7506 1SS352 OR 1SS355 D7702 1SS352 OR 1SS355 C7540 220/6.3 C7521 220/6.3 C7705 100/6.3 C7502 47/50 C7533 104Z C7534 104Z C7501 104Z C7504 473Z C7513 104Z C7506 223Z C7505 473Z C7503 104Z R7531 10K R7502 220 R7501 220 R7503 10K HPR1 HPE HPL1 FAC1 FAC2 HPE GND HPDET HPR2 HPE HPL2 HPRLY K0 K1 K2 K3 SBMRST SBMCLK SBMLDY +5.6S SBMDO SBMDI SYSIN HPRLY GND GND -VP TO NAETC-7463 (SCH.-3) Except D Except D U2 NADIS-7461 A 1 2 3 4 5 B C D 家电维修资料网 TX-SR600/E SCHEMATIC DIAGRAM 2-1 DSP section TX-SR600/E P304 VIDEO-1 IN VIDEO-1 OUT P303 VIDEO-2 IN VIDEO-3 IN P301 CD TAPE OUT TAPE IN DVD J5A J5 J3 P9501A P307 P308 Q302 BD3812F AGND1 2 AGND2 4 AGND3 6 CL 8 DA 9 DGND11 IN1 1 IN2 3 MUTE10 OUT1 14 OUT2 13 SEL 12 VCC 7 VEE 5 P105B TO NAETC-7486 P106B TO NAETC-7486 Q305 78L07 G I O P2501A FRONT VIDEO-4 IN TO NAVD-7467 P107B TO NAETC-7486 P404B TO NAAF-7483 L301 L302 L300 DA CL MUT VEE VCC BAAS BOOST BASS TREBLE 47k 47k 47k 47k 47k 47k 47k 47k 47k 47k 47k 47k 47k 47k 47k 47k 47k 47k 47k 47k 47k 47k 47k 47k 47k 47k 47k 47k Q301 BD3811K1 29 70 32 41 44 49 51 53 54 67 56 58 62 60 61 59 47 46 45 66 69 33 40 43 30 10 77 78 21 22 79 80 23 24 1 2 3 4 5 6 7 8 9 11 12 27 26 25 28 15 14 13 16 48 55 19 20 57 17 18 36 37 38 35 71 72 73 74 75 76 63 64 52 50 65 68 34 39 42 31 C350 221K C349 221K C336 332J C338 563J C339 563J C337 332J P306 SW PREOUT Q321 OR KRA102S RN2402 Q322 OR KRA102S RN2402 Q308 RN1441 Q314 RN1441 Q313 RN1441 Q312 RN1441 Q311 RN1441 Q310 RN1441 Q309 RN1441 Q320 RN1441 Q318 RN1441 Q319 RN1441 Q317 RN1441 Q307 RN1441 Q315 RN1441 Q316 RN1441 C340 104Z C341 104Z C363 104Z C364 104Z C360 105K C357 474K C358 224K C359 474K C346 10/16 C356 47/16 C355 47/16 C354 47/16 C362 20/16 C329 10/16 C331 10/16 C330 10/16 C335 10/16 C334 10/16 C333 10/16 C332 10/16 C361 220/16 C351 47/16 C353 47/16 C352 47/16 C348 10/16 Q803 NJM4565M 5 6 4 7 Q304 NJM4565M 3 2 4 1 Q304 NJM4565M 5 8 6 7 R375 100 R367 680 R374 100 R373 100 R395 0 R398 0 R308 330 R309 330 R311 330 R310 330 330 R316 330 R315 330 R314 330 R335 470K R334 470K R313 330 R312 330 R305 330 R304 330 R325 470K R324 470K R303 330 R302 330 R300 330 R301 330 R399 100 R354 470 R356 2.2K R368 680 R383 220K R382 220K R344 47K R345 100 R346 680 R369 680 R372 100 R366 680 R370 100 R371 100 R365 680 R364 680 R378 47K R377 47K R376 47K R380 47K R379 47K R381 47K R358 47K R357 1K R359 5.6K R360 2.2K R361 10K R355 2.2K R353 470 R352 10K R351 10K R349 10K R350 10K R363 10K R362 10K C372 102J C371* 102J/103K C370 102J C327 104Z 104Z C309 221J C308 C324 104Z C311 221J C310 221J C317 221K C316 221K C315 221J C314 221J C305 221J C304 221J C301 221K C300 221K C325 104Z C328 221J C322 C344 330J C345 330J SWPO IRZ2 GND DIFTX OSDCK OSDDA OSDCS VSYNC SYNCDET T12VA T12VB GND +12VAF ABUSIN T12VZ REMIN SS3 CS3 SDET CS4 CS5 SS6 SS5 SS1 SS4 CS1 CS2 SS2 RI OPTIN2 OPTIN1 +5VDSP COAXIN1 Z2LOL Z2LOR Z2LMUT +7VZ2 -7VZ2 V4R AMUTE V4L TU06L TU06R CDLP CDL V1OL V1OR V2OL V2OR TOL TOR V4L V4R TUL TUR CDRP CDR VSYNC1 TOLP TOL CDR CDL TIR TIL TORP TOR V3IR V3IL TILP TIL V2IR V2IL OUT_L V1IR V1IL OUT_R TIRP TIR DVDR DVDL MRS MLS MSW MC ADCL SELMUT SELCLK ADCR SELSDO LPO GNDJ3 DAC_R RPO DMIXR -7V +7V DAC_L RSPO DMIXL GNDJ3 V3IL LSPO V2OLP CPO DAC_SW DAC_C GNDJ3 OUT_SW OUT_RS DAC_RS_IN DAC_LS_IN OUT_LS SBO V2ORP OUT_C V3IR V2ILP V2IL SWPO DAC_SW +12VA V2IRP V2IR Z2MUTE AMUTE V1OLP V1OL Z2MUT1 AMUT1 -12VA V1ORP V1OR DAC_L V1ILP V1IL V1IRP V1IR +7V +12VA DVDLP DVDL -12VA AC_SW DVDRP DVDR NADG-7460 R390 0 R389 0 U1 (SCH.-3) (SCH.-8) (SCH.-8) (SCH.-8) (SCH.-4) A 1 2 3 4 B C D E 家电维修资料网 TX-SR600/E SCHEMATIC DIAGRAM 2-2 DSP section TX-SR600/E A B C D C181 - YES - - C182 - YES - - C183 - YES - - C184 - YES - - C185 - YES - - C186 - YES - - C187 - YES - - C371 102J 103K 103K 102J L181 - YES - - Q101 - YES - - Q181 - YES - - R104 - YES - - R105 - YES - - R181 - YES - - R182 - YES - - R183 - YES - - R184 - YES - - R7055 YES - YES YES R7056 - YES - - R7057 YES - - - R7058 - YES YES YES R7059 YES - - - R7060 - YES YES YES R7061 YES - - YES R7062 - YES YES - X181 - YES - - Asia REGION U.S.A. Europe Australia /Korean P304 P305 DVD MLS/MRS C/SW P9501A J3A J2 J2A J1 J1A J4A P309 P801 Q302 BD3812F AGND1 2 AGND2 4 AGND3 6 CL 8 DA 9 DGND11 IN1 1 IN2 3 MUTE10 OUT1 14 OUT2 13 SEL 12 VCC 7 VEE 5 Q802 AK4382 BICK 2 CCLK 7 CDTI 8 DZFL 16 DZFR 15 L+ 12 L- 11 LRCK 4 MCLK 1 R+ 10 R- 9 SDTI 3 VDD 14 VSS 13 CSN 6 PDN 5 -12V +12V E300 Q305 78L07 G I O Q306 79L07 G I O P2601A TO NADG-7470 FRONT OPT IN TVDD DVDD VCOM DFZ1 LOUT3 ROUT3 LOUT2 ROUT2 LOUT1 ROUT1 LIN RIN PVDD VREFH AVDD AVSS DFZ2 CSN CCLK CDTI CDTO INT1 INT0 SDTI3 SDTI2 PDN RX1 I2C RX2 TST RX3 SLAVE RX4 PVSS R SDTI1 SDTO BICK LRCK MCKO TX DVSS XTI XTO Q801 AK4586 1 2 3 4 5 6 7 8 9 10 11 12 13 14 15 16 17 18 19 20 21 22 23 24 25 26 27 28 29 30 31 32 33 34 35 36 37 38 39 40 41 42 43 44 L802 022M L801 022M L805 022M L804 022M L803 022M Q707 TC7WU04FU GND 4 1 6 3 7 2 5 VCC8 C834 681J C825 472J C833 681J C836 681J C826 472J C835 681J OR OR C363 104Z C364 104Z 10/16 C851 10/16 C852 47/16 C853 10/16 C854 10/16 C856 10/16 C855 10/16 C848 220/16 C849 220/16 C362 220/16 C842 220/16 C841 220/16 C810 220/6.3 C819 220/6.3 C846 47/16 C361 220/16 C847 47/16 C809 10/16 C806 220/6.3 C801 220/6.3 Q806 NJM4565M 5 6 4 7 Q804 NJM4565M 5 6 4 7 Q805 NJM4565M 5 6 4 7 Q304 NJM4565M 3 2 4 1 Q803 NJM4565M 3 8 2 1 Q806 NJM4565M 3 8 2 1 Q805 NJM4565M 3 8 2 1 Q804 NJM4565M 3 8 2 1 R820 10K R821 10K R831 2.2K R388 0 R387 0 R321 330 R320 330 R319 330 R318 330 R317 330 R316 330 R315 330 R860 47 R806 47 R861 47 R807 47 R832 2.2K R841 8.2K R842 2.2K R856 22 R857 22 R808 1K R818 10K R814 330 R815 330 R816 330 R817 330 R813 18K R354 470 R356 2.2K R829 820 R828 820 R827 820 R826 820 R838 8.2K R812 220 R811 220 R810 220 R809 1K R801 470 R802 47 R394 22 (1/2W) R835 2.2K R845 2.2K R833 2.2K R843 2.2K R834 2.2K R844 2.2K R847 4.7K R852 120 R853 120 R836 8.2K R846 4.7K R837 8.2K R855 120 R854 120 R839 8.2K R849 4.7K R848 4.7K R803 BK1608LM182 R803: R804 47 R805 47 R352 10K R350 10K R747 1M C321 221J C320 221J C319 221J C318 221J C317 221K C316 221K C315 221J C325 104Z C326 104Z C827 681J C829 821J C828 102J C837 152J C816 102J C812 330J C813 330J C811 104Z C815 330J C814 330J C818 104Z C802 101J C803 104Z C732 150J C733 150J C840 152J C838 153J C832 821J C830 822J C839 152J C831 821J C844 104Z C843 104Z C808 104Z C807 104Z C804 104Z C345 330J C731 104Z V1IRP V1IR +7V +12VA DVDLP DVDL -12VA DAC_SW DVDRP DVDR -7V -12VA MLSP MLS MRSP MRS MCP MC DIRCS DSPCLK DSPSDO DSPSDI DIRINT1 DIRINT0 MSWP MSW SBDA +3.3V C/SWDA GNDJ2 DAC_SB +12VA SRDA -12VA SDTO BCK LRCK DAC_C MCK DIFTX DAC_SW DAC_LS DIRPD DAC_RS +5VDSP ADCL OPTIN2 OPTIN1 COAXIN1 ADCR DAC_L GNDJ1 LRCK LRDA DAC_R BCK MCK +5VDSP U1 NADG-7460 (SCH.-3) A 1 2 3 4 B C D E 家电维修资料网 TX-SR600/E SCHEMATIC DIAGRAM 2-3 DSP section TX-SR600/E D9505 D3SBA20 P6931B TO NAAF-7474 E302 NEGI-TANSI P9501 P9502 JL9501B TO NAPS-7477 P7501B TO NADIS-7461 TO NAETC-7486 Q7001 MPD703033AGC-174-8EU 1:P21/SO2 1 26:P107/RTP7/KR7/A12 26 27:P110/_WAIT/A1 27 28:A111/A2 28 29:A112/A3 29 2:P22/_SCK2/SCL1 2 30:P113/A4 30 31:_RESET 31 32:XT1 32 3:P23/RXD1/SI3 3 4:P24/TXD1/SO3 4 51:P44/AD4 51 52:P45/AD5 52 53:P46/AD6 53 5:P25/ASK1/_SCK3 5 6:EVDD 6 76:P72/ANI2 76 77:P73/ANI3 77 78:P74/ANI4 78 79:P75/ANI5 79 AVDD 71 AVREF 73 AVSS 72 BVDD 55 BVSS 56 CLKOUT 39 EVSS 7 IC/VPP 18 P00/NMI 86 P01/INTP0 87 P02/INTP1 88 P03/INTP2 89 P04/INTP3 90 P05/INTP4/ADTRC 91 P06/INTP5RTPTRC 92 P07/INTP6 93 P10/SIO/SDA0 94 P100/RTP0/KRO/A5 19 P101/RTP1/KR1/A6 20 P102/RPT2/KR1/A7 21 P103/RTP3/KR3/A8 22 P104/RTP4/KR4/A9 23 P105/RTP5/A10 24 P106/RTP6/KR6/A11 25 P11/SO0 95 P12/_SCKO/SCL0 96 P13/SII/RXD0 97 P14/SO1/TXD0 98 P15/_SCK1/ASCK0 99 P20/S12/SDA1 100 P26/TI3/T02 8 P27/TI3/TO3 9 P30/TI00 10 P31/TIOI 11 P32/TI10/SI4 12 P33/TI11/SO4 13 P34/TOO/A13/_SCK4 14 P35/TOI/A14 15 P36/T14/TO4/A15 16 P37/T15/T05 17 P40/AD0 47 P41/AD1 48 P42/AD2 49 P43/AD3 50 P47/AD7 54 P50/AD8 57 P51/AD9 58 P52/AD10 59 P53/AD11 60 P54/AD12 61 P55/AD13 62 P56/AD14 63 P57/AD15 64 P60/A16 65 P61/A17 66 P62/A18 67 P63/A19 68 P64/A20 69 P65/A21 70 P70/ANI0 74 P71/ANI1 75 P76/ANI6 80 P77/ANI7 81 P80/ANI8 82 P81/ANI9 83 P82/ANI10 84 P83/ANI11 85 P90/_LBEN/_WRL 40 P91/_UBEN 41 P92/_R/_W/_WRL 42 P93/_DSTB/_RD 43 P94/_ASTB 44 P95/_HLDAK 45 P96/_HLDRQ 46 REGC 34 VDD 38 VSS 37 X1 36 X2 35 XT2 33 Q7003 2SA1182 Q9503 KTA1266-GR 2SA1015-GR Q9501 78M12 G I O Q9509 MPC29M33HF G I O Q9507 78M05 G I O Q9508 NJM78M56FA G I O Q9506 MPC2908HF G I O Q9502 79M12 G I O E301 P7701 FLASH WRITER P101 TO TUNER PACK Q101 KTC3875-GR /2SC2712 T2 T1 VSS2 VDD2 XI X0 T57 RCLK CMP VSS3 VSS1 VDD1 MUX VREF RDSDATA QUAL Q181 BU1923F 1 2 3 4 5 6 7 8 9 10 11 12 13 14 15 16 D7006 HZU4.3B D7004 HZU6.2B D9510 HZU27B Q7004 KRC104S RN1404 Q7002 KRC104S RN1404 R9508 1 (1W) R9503 22 (1/2W) R9504 8.2K R9505 8.2K R9506 33K R187 47K R186 R182 1K R183 1K R184 1K P2208A X7001 CSTCV16.0MXJ0C L7001 220K NCH-1477 220K X181 XTL4.332M C9530 104J C9504 104J C9501 104J C9502 104J C9503 104J C805 104Z D7003 1SS352 D7002 D9512 D9513 D7001 D9504 D9503 D9501 D9501-9503: RL1N4003 D9502 D9509 D9508 D9507 D9506 D7005 1SS352 C9515 4700/16 C9523 1000/25 C7009* 100/6.3 OR 1000/6.3 C101 3.3/50 C9510* 220/16 470/16 C9509 220/16 C9506 470/35 C9505 1000/35 C9514 220/35 C9512 220/35 C9513 220/35 C9511 220/35 C9516 470/63 C9527 10/16 C9522 220/6.3 C102 3.3/50 C7002 1/50 C181 2.2/50 C7004 1/50 C9525 10/16 C7010 47/6.3 C9520 220/10 R9511 33 (1W) R7018 1K R7089 3.3K R7088 3.3K R7091 10K R7090 10K R7074 330 R7087 10K R7019 1K R7084 10K R7085 47K R7083 330 R105 3.3K R104 680K R9501 10 (1W) R9502 33 (1/2W) 46 330 45 330 41 330 R7032 330 R7038 330 R7037 330 R7036 330 R7035 10K R7049 1K R7066 330 R7068 330 R7069 330 R7073 330 R7075 330 R7076 82 R7082 82 R7080 330 R7081 330 R7079 82 R7078 82 R7077 82 R7072 330 R7065 330 R7067 330 R7026 47K R7025 330 R7021 2.2K R7020 5.1K R7024 330 R7023 330 R7005 330 R7004 330 R7003 330 R7006 330 R7007 330 R7008 330 R7009 330 R7010 330 R7011 330 R7012 330 R7013 330 R7014 330 R7017 330 R7022 330 48 330 47 330 44 330 43 330 39 330 40 330 R7002 330 R7001 330 R103 100K R7053 330 R7055* 1K R7057* 1K R7059* 1K R7061* 1K MODEL R7056* 1K RDS_EN R7058* 1K PAL_EN R7060* 1K AREA1 R7062*1K AREA2 R7071 220K R181 1K R7016 1K R7070 47K R7030 15K R9510 3.3 (1W) C9508 104Z C9507 104Z C9524 104Z C9518 223Z C105 104Z C9517 223Z C9526 104Z C9521 104Z 6 104Z C104 101J C103 101J C7003 104Z C185 104Z C187 330J C186 330J C7008 104Z C7001 104Z C7005 104Z C9519 104Z +12VA +24V GND GND GND SD TMUT TU06R TU06L DET +5VVD CNPT STEREO +12VA +5VDSP FMSIG PLLCLK PLLSDO PLLSTB CS1 CS2 SS2 RI RDSDET -12VA -24V +12VAF SEC1-1 AGND +5VVD SEC1-2 -VP SEC3-1 SEC3-2 +5VDSP GND +5VCPU +5VHLD VPPEN PLLCLK PLLSDO PLLSTB TMUT SUBRST IP POWER +5VCPU MPURST SUBCLK SUBSDO STDBY3.3V CS5 CS4 CS3 CS2 CS1 SS6 SS5 SS4 SS3 SS2 SS1 SUBSDI AMUT OSDCS OSDCK OSDDA Z2MUT Z2LMUT GND +5VCPU 232TXD 232RXD GND PROTECT SUBRST 232TXD 232RXD SUBRST SUBCLK SUBCLK MPURST SUBSDO SUBSDO SUBSDI SUBSDI SUBRDY SUBRDY SEC1H RI IRZ2 HPMUT REMIN +5.6S RDSSCK GND POFF GND VSYNC1 -VP SYNCDET CNPT RDSSIG +24V RDSDA +24V SDET AGND SELMUT AGND SELCLK VOLH SELSDO SEC1H DIRINT1 SPZ2/SPB DIRINT0 SPCS DIRCS SPF DIRPD PROTECT POWER +13V GND European model only NADG-7460 U1 (SCH.-8) (SCH.-6) (SCH.-1) (SCH.-5) (N.C) A 1 2 3 4 B C D E 家电维修资料网 TX-SR600/E TX-SR600/E A B C D C181 - YES - - C182 - YES - - C183 - YES - - C184 - YES - - C185 - YES - - C186 - YES - - C187 - YES - - C371 102J 103K 103K 102J L181 - YES - - Q101 - YES - - Q181 - YES - - R104 - YES - - R105 - YES - - R181 - YES - - R182 - YES - - R183 - YES - - R184 - YES - - R7055 YES - YES YES R7056 - YES - - R7057 YES - - - R7058 - YES YES YES R7059 YES - - - R7060 - YES YES YES R7061 YES - - YES R7062 - YES YES - X181 - YES - - Asia REGION U.S.A. Europe Australia /Korean TO NAAF-7474 Q702 MX27L4000 /MX29LV040 A0 20 A1 19 A10 31 A11 1 A12 12 A13 4 A14 5 A15 11 A16 10 A17 6 A18/NC 9 A2 18 A3 17 A4 16 A5 15 A6 14 A7 13 A8 3 A9 2 DQ0 21 DQ1 22 DQ2 23 DQ3 25 DQ4 26 DQ5 27 DQ6 28 DQ7 29 VCC 8 VSS 24 CE 30 OE 32 WE/A18 7 Q704 74VHC574 0D 2 0Q 19 1D 3 1Q 18 2D 4 2Q 17 3D 5 3Q 16 4D 6 4Q 15 5D 7 5Q 14 6D 8 6Q 13 7D 9 7Q 12 CK11 GND 10 OUTCTL 1 VCC20 Q705 74VHC574 0D 2 0Q 19 1D 3 1Q 18 2D 4 2Q 17 3D 5 3Q 16 4D 6 4Q 15 5D 7 5Q 14 6D 8 6Q 13 7D 9 7Q 12 CK11 GND 10 OUTCTL 1 VCC20 Q709 BA33C25 2.5V 5 3.3V 4 G 3 NC 2 VI 1 51:P44/AD4 51 52:P45/AD5 52 53 76:P72/ANI2 76 77:P73/ANI3 77 78 79 AVDD 71 AVREF 73 AVSS 72 BVDD 55 BVSS 56 P40/AD0 47 P41/AD1 48 P42/AD2 49 P43/AD3 50 P47/AD7 54 P50/AD8 57 P51/AD9 58 P52/AD10 59 P53/AD11 60 P54/AD12 61 P55/AD13 62 P56/AD14 63 P57/AD15 64 P60/A16 65 P61/A17 66 P62/A18 67 P63/A19 68 P64/A20 69 P65/A21 70 P70/ANI0 74 P71/ANI1 75 P76/ANI6 80 P96/_HLDRQ 46 T2 T1 VSS2 VDD2 XI X0 T57 RCLK CMP VSS3 VSS1 VDD1 MUX VREF RDSDATA QUAL Q181 BU1923F 1 2 3 4 5 6 7 8 9 10 11 12 13 14 15 16 Q708 74VHCT00 1A 1 1B 2 1Y 3 2A 4 2B 5 2Y 6 3A 10 3B 9 3Y 8 4A 13 4B 12 4Y 11 GND 7 VCC 14 R751 1K R750 1K R740 10 R748 10 R744 1K R743 1K R742 1K R186 47K R182 1K R183 1K R185 47K Q701 CS493292-CLR A0/SCCLK 7 A1/SCDIN 6 AUDATA0 41 AUDATA1 40 AUDATA2 39 CLKIN 30 CLKSEL 31 CMPCLK/SCLKN228 CMPDAT/RCV958/SDATAN2 27 CMPREQ/LRCLKN2 29 DATA0 17 DATA1 16 DATA2 15 DATA3 14 DATA4 11 DATA5 10 DATA6 9 DATA7 8 DC 38 DD 37 FILT1 33 FILT2 32 LRCKN126 LRCLK 42 MCLK 44 SCDIO/SCDOUT 19 SCLK 43 SCLKN1/STCCLK2 25 SDTAN122 VDD1 1 VDD212 VDD323 VDDA 34 VSS1 2 VSS2 13 VSS3 24 VSSA 35 XMT958 3 ABOOT/_INTREQ 20 CS 18 EXTMEM21 RD/R/_W 5 RESET 36 WR/DA 4 L806 BK1608LM182 L705 BK1608LM182 L706 022M NCH-1471 L701 022M NCH-1471 L181 220K L703 470M NCH-1479 L704 022M NCH-1471 L702 022M NCH1471 X701 12.288MHZ HC-49/U03C 6 7 5 VCC8 C183 561J C726 220/6.3 C704 47/16 C701 47/16 C702 47/16 C184 47/16 C181 2.2/50 C709 220/6.3 C719 220/6.3 R388 R719 220 R720 220 R721 220 R7046 330 R7045 330 R7041 330 R7038 330 R7050 22K R7052 22K R7051 1K R7049 1K R7048 330 R7047 330 R7044 330 R7043 330 R7039 330 R7040 330 R7053 330 R7055* 1K R7057* 1K R7059* 1K R7061 1K MODEL R7056* 1K RDS_EN R7058* 1K PAL_EN R7060* 1K AREA1 R7062*1K AREA2 R702 10 R705 10 R181 1K R708 10 R709 10 R710 10 R711 10 R712 10 R713 10 R714 10 R715 10 R738 10K R739 10K R707 330 R737 10K R736 10K R735 10K R734 10K R733 10K R732 10K R704 10K 1M R746 10 R703 4.7K R716 10K R718 10K R717 10K R722 47 R706 330 R701 47 R731 47 R730 47 R724 47 R725 4.7K R726 1K R727 4.7K R728 4.7K R729 47 R723 33K C7007 104Z C720 104Z C723 101J C734 101J C721 101J C722 101J C703 104Z C733 150J C7006 104Z C182 103K C708 104Z C727 104Z C728 104Z 104Z C730 104Z C717 104Z C711 101J C712 104Z C707 101J C706 101J C705 104Z C714 105K C710 101J C715 105K C716 471J C718 101J C713 103K SEC1H DIRINT1 SPZ2/SPB DIRINT0 SPCS DIRCS SPF DIRPD PROTECT POWER +13V GND STEREO SD RDSDET DSPCS A15M A16M A17M A18M DSPRST INTREQ DSPSDI DSPCLK DSPSDO ~ROM/RAM VPPEN HPMUT SPF SPCS SPZ2/SPB VOLH INTREQ DSPSDI DSPCS +3.3V A0 A8 A1 A9 A2 A10 A3 A11 A4 A12 EXTMEM A5 A13 A6 A14 A7 A15 CODECMCK GND DSPMCK RD RD BCK SDTO LRCK BCK SDTO A4 A5 A6 A7 A12 _WEF A14 A8 A9 A13 A11 DSPRST SBDA A0 A3 A2 A1 IO0 IO1 IO2 IO3 IO4 IO5 IO6 IO7 A10 A18M A17M A16M A15M LRCK BCK MCK WE LRDA DSPSDO DSPCLK +2.5V +5VDSP +3.3V RD AGND DGND connection point NADG-7460 U1 European model only SCHEMATIC DIAGRAM 2-4 DSP section A 1 2 3 4 B C D E 家电维修资料网 TX-SR600/E SCHEMATIC DIAGRAM 3 Y C P2503 S V L R VIDEO4 IN P209B TO NAVD-7464 (SCH.-7) P2501B TO NADG-7460 (SCH.-2) P2505 C2503 104Z C2504 104Z C2501 471J C2502 471J R2504 75 R2503 75 R2502 330 R2501 330 R2505 75 V4C GND V4Y GND V-4 V4-L V4E V4-R NAVD-7467 U8 JL7502B E7701 P7706 L7701 022M * L7703 022M * L7704 022M * P7705 HEADPHONES C7701 102J C7702 102J C7703 104Z C7704 104Z GND HPDET HPR2 HPE HPL2 NAETC-7463 U4 U2601 P2601B TO NADG-7460 (SCH.-2) L2601 0.22M C2601 100/6.3 C2602 104Z R2601 220 +5V GND V4D NADG-7470 U11 A 1 2 3 4 5 B C D 家电维修资料网 TX-SR600/E SCHEMATIC DIAGRAM 4-1 Power amplifier section 1 49.4V 49.4V 49.4V -45.3V -45.3V -45.3V -49.3V -49.3V -49.3V 49.9V 49.9V 49.9V 1.1V 1.1V 1.1V -1.1V -1.1V -1.1V -50.7V -50.7V -50.7V -49.9V -49.9V -49.9V -45.8V -45.8V -45.8V 0V 0V 0V 50.7V 50.7V 50.7V -0.65V -0.65V -0.65V -0.1V -0.1V -0.1V Q5013 Q5003 Q5043 Q5053 Q5014 Q5004 Q5044 Q5054 Q5015 Q5005 Q5045 Q5055 Q5033 Q5034 Q5035 R5013 56K R5003 1K R5043 2.2K R5063 1.2K R5163 120 (1/4W) R5133 18K R5173 120 (1/4W) R5033 56K R5183 10 (1/4W) R5193 10 (1/4W) R5083 3.3K R5113 1K R5093 100K R5073 560 R5103 100K R5053 4.7K R5023 330 R5014 56K R5004 1K R5044 2.2K R5064 1.2K R5164 120 (1/4W) R5134 18K R5174 120 (1/4W) R5034 56K R5184 10 (1/4W) R5194 10 (1/4W) R5084 3.3K R5114 1K R5094 100K R5074 560 R5104 100K R5054 4.7K R5024 330 R5015 56K R5005 1K R5045 2.2K R5065 1.2K R5165 120 (1/4W) R5135 18K R5175 120 (1/4W) R5035 56K R5185 10 (1/4W) R5195 10 (1/4W) R5085 3.3K R5115 1K R5095 100K R5075 560 R5105 100K R5055 4.7K R5025 330 C5013 100/16 C5043 220/16 C5053 47/50 C5113 10/63 C5103 10/63 C5023 10/50 C5014 100/16 C5044 220/16 C5054 47/50 C5114 10/63 C5104 10/63 C5024 10/50 C5015 100/16 C5045 220/16 C5055 47/50 C5115 10/63 C5105 10/63 C5025 10/50 C5003 101K C5083 040D C5093 101J C5004 101K C5084 040D C5094 101J C5005 101K C5085 040D C5095 101J P6003B TO NAAF-7474 (SCH.-5) P6004B TO NAAF-7474 (SCH.-5) P6005B TO NAAF-7474 (SCH.-5) D5003 MTZJ5.6B D5004 MTZJ5.6B D5005 MTZJ5.6B NF -B1 +B1 B+ B- NF -B1 +B1 B+ B- NF -B1 +B1 B+ B- NAAF-7483 SL SR SB SEMICONDUCTORS NO. L / R / C SL / SR / SB Q5000-02,5010-12 2SC1775A-E,F OR 2SC1845-E KTC3200-BL OR 2SC1775A-E,F OR 2SC1845-E,F Q5020-22 2SA992-E,F Q5030-32 2SA949-Y,O KTA1024-Y,O OR 2SA949-Y,O Q5040-42 2SC2229-Y,O KTC3206-Y,O OR 2SC2229-Y,O NO. Q5003-05,5013-15 Q5023-25 Q5033-35 Q5043-45 2SA992-E,F U23 A 1 2 3 4 5 B C D 家电维修资料网 TX-SR600/E SCHEMATIC DIAGRAM 4-1 Power amplifier section 2 49.1V -45.3V -45.3V -45.3V -49.3V -49.3V -49.3V 49.1V 49.1V 49.6V 49.6V 49.6V 50.2V 50.2V 50.2V 1.1V 1.1V 1.1V -1.1V -1.1V -1.1V -50.7V -50.7V -50.7V -49.9V -49.9V -49.9V -45.8V -45.8V -45.8V 0V 0V 0V 50.7V 50.7V 50.7V -0.65V -0.65V -0.65V -0.1V -0.1V -0.1V Q5012 Q5002 Q5042 Q5052 Q5011 Q5001 Q5041 Q5051 Q5010 Q5000 Q5040 Q5050 Q5032 Q5022 Q5031 Q5021 Q5030 Q5020 R5012 56K R5002 1K R5042 2.2K R5122 470 (1/4W) R5062 1.2K R5162 120 (1/4W) R5132 18K R5172 120 (1/4W) R5032 56K R5182 10 (1/4W) R5192 10 (1/4W) R5082 3.3K R5112 1.2K R5092 100K R5072 560 R5102 100K R5052 4.7K R5022 330 R5011 56K R5001 1K R5041 2.2K R5121 470 (1/4W) R5061 1.2K R5161 120 (1/4W) R5131 18K R5171 120 (1/4W) R5031 56K R5181 10 (1/4W) R5191 10 (1/4W) R5081 3.3K R5111 1.2K R5091 100K R5071 560 R5101 100K R5051 4.7K R5021 330 R5010 56K R5000 1K R5040 2.2K R5120 470 (1/4W) R5060 1.2K R5160 120 (1/4W) R5130 18K R5170 120 (1/4W) R5030 56K R5180 10 (1/4W) R5190 10 (1/4W) R5080 3.3K R5110 1.2K R5090 100K R5070 560 R5100 100K R5050 4.7K R5020 330 C5012 100/16 C5042 220/16 C5052 47/50 C5112 10/63 C5102 10/63 C5022 10/50 C5011 100/16 C5041 220/16 C5051 47/50 C5111 10/63 C5101 10/63 C5021 10/50 C5010 100/16 C5040 220/16 C5050 47/50 C5110 10/63 C5100 10/63 C5020 10/50 C5002 101K C5082 040D C5092 101J C5001 101K C5081 040D C5091 101J C5000 101K C5080 040D C5090 101J P6002B TO NAAF-7474 (SCH.-5) P6001B TO NAAF-7474 (SCH.-5) P6000B TO NAAF-7474 (SCH.-5) D5002 MTZJ5.6B D5001 MTZJ5.6B D5000 MTZJ5.6B P404C TO NADG-7460 (SCH.-2) P6903B TO NAAF-7474 (SCH.-5) P404A TO NADG-7460 (SCH.-2) P6011B TO NAAF-7474 (SCH.-5) SB C LS RS R L NF -B1 +B1 B+ B- NF -B1 +B1 B+ B- NF -B1 +B1 B+ B- SEMICONDUCTORS NO. L / R / C SL / SR / SB Q5000-02,5010-12 2SC1775A-E,F OR 2SC1845-E KTC3200-BL OR 2SC1775A-E,F OR 2SC1845-E,F Q5020-22 2SA992-E,F Q5030-32 2SA949-Y,O KTA1024-Y,O OR 2SA949-Y,O Q5040-42 2SC2229-Y,O KTC3206-Y,O OR 2SC2229-Y,O C R L NO. Q5003-05,5013-15 Q5023-25 Q5033-35 Q5043-45 2SA992-E,F U23 NAAF-7483 A 1 2 3 4 5 B C D 家电维修资料网 TX-SR600/E SCHEMATIC DIAGRAM 5-1 Power amplifier section 3 JL6952A TO NAPS-7477 (SCH.-6) JL6951A TO NAPS-7477 (SCH.-6) F6901 * F6902 * RL6901 RL6902 D6904 D6905 -50.8V -50.8V -50.8V -1.1V -1.1V -1.1V -0.4V -0.4V -0.4V -0.6V -0.6V -0.6V 0.6V 0.6V 0.6V 50.8V 50.8V 50.8V -0.6V -0.6V -0.6V 0.6V 0.6V 0.6V 1.1V 1.1V 1.1V 1.0V 1.0V 1.0V Q6901 Q6033 Q6053 Q6073 Q6023 Q6013 Q6034 Q6054 Q6074 Q6024 Q6014 Q6035 Q6055 Q6075 Q6025 Q6015 R6902 1K R6904 (1/2W) R6905 (1/2W) R6053 2.7K R6163 33K R6083 2.2 (1/4W) R6143 22K R6173 47K R6183 47K R6093 2.2 (1/4W) R6073 120 (1/4W) R6233 8.2 (1W) R6153 4.7K R6013 3.9K R6003 5.6K R6033 270 R6054 2.7K R6164 33K R6084 2.2 (1/4W) R6144 22K R6174 47K R6184 47K R6094 2.2 (1/4W) R6074 120 (1/4W) R6154 4.7K R6014 3.9K R6004 5.6K R6034 270 R6055 2.7K R6165 33K R6085 2.2 (1/4W) R6145 22K R6175 47K R6185 47K R6095 2.2 (1/4W) R6075 120 (1/4W) R6235 8.2 (1W) R6155 4.7K R6015 3.9K R6005 5.6K R6035 270 C6902 C6901 C6043 47/50 C6044 47/50 C6045 47/50 C6906 104J C6907 104J C6904 334J C6905 334J C6053 C6233 473J C6235 473J R6043 1K R6044 1K R6045 1K R6103 0.22 X2 (2W) R6104 0.22 X2 (2W) R6105 0.22 X2 (2W) D6906 D6003 D6004 D6005 P6003A TO NAAF-7483 (SCH.-5) P6004A TO NAAF-7483 (SCH.-5) P6005A TO NAAF-7483 (SCH.-5) P931 TO NAPS-7484 (SCH.-6) Q6063 Q6043 Q6064 Q6044 Q6065 Q6045 C6708 223J P6906 P6083 ID+ ID- P6084 ID+ ID- P6085 ID+ ID- P6011A NAAF-7483 (SCH.-5) R6234 8.2 (1W) C6234 473J NF -B1 E +B1 E B+ B- E NF -B1 +B1 B+ B- NF -B1 +B1 B+ B- +13VS +13VS MPUGND MPUGND POWER SEMICONDUCTORS NO. L / R / C SL / SR / SB Q6030-35 2SC5171 2SC5171 OR KTD2061-Y Q6040-45 2SA1930 2SA1930 OR KTB1369-Y Q6050-55 2SC5242-R,O 2SC5242-R,O OR MN130S-O,Y,P Q6060-65 2SA1962-R,O 2SA1962-R,O OR MP130S-O,Y,P SEMICONDUCTORS NO. Q6010-6015 2SC1740S-R,S Q6020-6025 KTA1267-GR OR 2SA933S-R,S Q6601-6603,Q6901 KTC3199-GR OR 2SC1740S-R,S OR 2SC2458-GR Q6701,6702 KTC3200-BL,GR OR 2SC1775A-E,F OR 2SC1845-E,F Q6703 KTA1268-BL,GR OR 2SA992-E,F Q6303 KTA1267-GR OR 2SA933S-R,S Q6501 2SC1845-GR Q6070-75 KTC3200-BL,GR OR 2SC1775A-E,F OR 2SC1845-E,F TYPE F6901,6902 D 10A/125V P T10AL250V G T10AL250V J 10A/125V W T10L250V 12000/63 SL SR SB NAAF-7474 12000/63 U15 A 1 2 3 4 5 B C D 家电维修资料网 TX-SR600/E SCHEMATIC DIAGRAM 5-2 Power amplifier section 4 P6903A TO NAAF-7483 (SCH.-5) J12A TO NAETC-7478 (SCH.-7) P6931A TO NADG-7460 (SCH.-2) JL6805A TO NAETC-7475,6 (SCH.-6) D6703 MTZJ5.1B -50.8V -50.8V -50.8V -1.1V -1.1V -1.1V -0.4V -0.4V -0.4V -0.6V -0.6V -0.6V 0.6V 0.6V 0.6V 50.8V 50.8V 50.8V -0.6V -0.6V -0.6V 0.6V 0.6V 0.6V 1.1V 1.1V 1.1V 1.0V 1.0V 1.0V -0.3V Q6701 Q6702 Q6602 Q6603 Q6601 Q6032 Q6052 Q6072 Q6022 Q6012 Q6031 Q6051 Q6071 Q6021 Q6011 Q6030 Q6050 Q6070 Q6020 Q6010 R6750 390 (1/2W) R6751 390 (1/2W) R6704 47K R6701 22K R6702 10K R6706 22K R6602 1K R6603 1K R6601 1K R6708 33K R6308 4.7K R6306 10K R6307 2.2K R6052 2.7K R6162 33K R6082 2.2 (1/4W) R6142 22K R6172 47K R6182 47K R6092 2.2 (1/4W) R6072 120 (1/4W) R6232 8.2 (1W) R6152 4.7K R6012 3.9K R6002 5.6K R6032 270 R6051 2.7K R6161 33K R6081 2.2 (1/4W) R6141 22K R6171 47K R6181 47K R6091 2.2 (1/4W) R6071 120 (1/4W) R6231 8.2 (1W) R6151 4.7K R6011 3.9K R6001 5.6K R6031 270 R6050 2.7K R6160 33K R6080 2.2 (1/4W) R6140 22K R6170 47K R6180 47K R6090 2.2 (1/4W) R6070 120 (1/4W) R6230 8.2 (1W) R6150 4.7K R6010 3.9K R6000 5.6K R6030 270 C6701 100/6.3 C6704 1/50 C6706 100/6.3 C6042 47/50 C6041 47/50 C6040 47/50 C6232 473J C6231 473J C6230 473J R6042 1K R6041 1K R6040 1K R6102 0.22 X2 (2W) R6101 0.22 X2 (2W) R6100 0.22 X2 (2W) D6702 D6701 D6307 D6306 D6002 D6001 D6000 P6002A TO NAAF-7483 (SCH.-5) P6001A TO NAAF-7483 (SCH.-5) P6000A TO NAAF-7483 (SCH.-5) Q6062 Q6042 Q6061 Q6041 Q6060 Q6040 Q6703 Q6303 C6703 223Z R6380 PTH9M04BE 222TS2F333 THERMAL SENS. P6082 ID+ ID- P6081 ID+ ID- P6080 ID+ ID- P6301 TH1 COM JL6953A TO NAPS-7477 (SCH.-7) JL6402 JL6402B NAAF-7483 (SCH.-5) JL6803A TO NAETC-7475,76 (SCH.-6) JL6804A TO NAETC-7475,6 (SCH.-6) NF -B1 +B1 B+ B- +24V TH1 NF -B1 +B1 B+ B- NF -B1 +B1 B+ B- BRLD FRLD CSRLD +24V +B1 HPL E HPR +24V RLGND RLGND VOLH SEC1H SPB SPCS SPF +13VS PRO POWER +13VS POWER MPUGND NAETC-7480 C R L U15 U20 NAAF-7474 A 1 2 3 4 5 B C D 家电维修资料网 TX-SR600/E SCHEMATIC DIAGRAM 6-1 Power supply section P902 AC OUTLET TOTAL 100W MAX P902 AC OUTLETS TOTAL 100W MAX *PA TYPE 1P ONLY P902 AC OUTLETS TOTAL 100W MAX *WR TYPE 1P ONLY E LENT. POUR UNE PROTECTION PERMANENTE,N'UTILISER CE SYMBOLE INDIQUE QUE LE FUSIBLE UTLISE EST INDIQUE LA QU LE PRESENT SYMBOL EST APPOSE. QUE DES FUSIBLES DE MEME TYPE. CE DARNIER EST RATING REFER TO THE MARKING ADJACENT TO THE SYMBOL FOR CONTINUED PROTECTION AGAINST FIRE HAZARD,REPLACE WITH SAME TYPE FUSE. FOR FUSE THIS SYMBOL LOCATED NEAR THE FUSE INDICATES THAT THE FUSE USED IS SLOW OPERATING TYPE ATTENTION V A ET CALIBRATION COMME INDIQUE. D'INCENDIE, REMPLACER UNIQUEMENT PERMANENTE CONTRE LES RISQUES AFIN D'ASSURER UNE PROTECTION PAR UN FUSIBLE DE MEME TYPE V A AGAINST FIRE HAZARD, REPLACE FOR CONTINUED PROTECTION AND RATING INDICATED. ONLY WITH FUSE OF SAME TYPE CAUTION T901 THERMAL FUSE T901 THERMAL FUSE T901 THERMAL FUSE S902 VOLTAGE SELECTOR 220V 120V T902 P TYPE T902 G TYPE T902 W TYPE P922 P922A P921A P926A P925A P926 P925 P921 P913 P912 P912A P911A P911 P913 P913A P911A P911 P912 P912A P913A P911A P911 F903 T2.5AL250V F903 T2.5AL250V F902 * F902 * F903 T2.5AL250V F901 * F902 * T902 TYPE D NPT-1358D P NPT-1358P G NPT-1358DG J NPT-1358J W NPT-1358DG TYPE F901 F902 D 8A/125V NO P NO T4AL250V G NO T4AL250V J 10A/125V NO W 8A/125V T4AL250V TYPE AC D 120V/60HZ P 230V50HZ G 220V50HZ J 100V50/60HZ W 120V/220V 50/60HZ NAETC-7493 NAPS-7489 NAPS-7489 NAPS-7489 BY MARK ARE CRITICAL FOR SAFETY IDENTIFIED NOTE THE COMPONENTS REPLACE ONLY WITH PART NUMBER SPECIFIED. . . VOLTAGE (MEASURED WITH VOLTMETER) IS DC VOLTAGE. (NO INPUT SIGNAL) . ELECTROLYTIC CAPACITORS ( ) ARE IN F/WV. . ALL CAPACITORS ARE IN pF/50WV UNLESS OTHERWISE NOTED. EX) 030 3pF 330 33pF 331 330pF u ALL RESISTORS ARE IN OHMS 1/6 WATTS UNLESS OTHERWISE NOTED. CIRCUIT IS SUBJECT TO CHANGE FOR IMPROVEMENT. . . 333 0.033uF 15V P902 AC OUTLETS D: TOTAL 120W 1A MAX J: TOTAL 100W MAX P7502B TO NADIS-7461 (SCH.-1) JL6953B TO NAAF-7474 (SCH.-5) E921 JL9501A TO NADG-7460 (SCH.-2) JL6952B TO NAAF-7474 (SCH.-5) JL6951B TO NAAF-7474 (SCH.-5) T901 THERMAL FUSE S906 POWER P/G/W/J TYPE ONLY P901 T902 D/J TYPE SEE LEFT DIAGRAM FOR OTHER TYPE P901A AC-H AC-G Q921 KTC3199-GR 2SC1740S-R,S 2SC2458-GR P918A P917A 16 10 11 12 13 14 P996 P995 P997 15 17 18 19 20 21 P915 P916 P917 P918 P911 P912A P911A P912 C922 220/35 F9501 D,J:2.5A/125V P,W:T2.5AL250V F901 * R9591 1 (1/2W) R9592 1 (1/2W) R9594 3.9 1.2(1/2W) (1/2W) R923 1K R922 10K R924 82 (1/2W) R901 3.3M D-TYPE ONLY C9591 223Z J913 D TYPE ONLY D925 1SS133 OR 1SS270A D922 D921 D924 D923 D921-D924 GP104003E OR RL1N4003 C902 472M /250VAC C901 103M /275VAC C921 223Z C923 223J RL901 P931A TO NAAF-7474 (SCH.-5) +13VS +13VS MPUGND HPE HPR1 HPE FAC2 FAC1 MPUGND HPL1 POWER 8 9 10 11 S3 12 S3GND 14 S3 S2 S2 13 T901 TYPE D NPT-1438D P NPT-1438P G NPT-1438DG J NPT-1438J W NPT-1438DG NASW-7487 NAPS-7477 NAPS-7489 NAPS-7484 U17 U29 U24 U27 A 1 2 3 4 5 B C D 家电维修资料网 TX-SR600/E SCHEMATIC DIAGRAM 6-2 Speaker terminal section P6801 SP-B R ZONE2 R SP-B L ZONE2 L P6800 FL FR P6802 SPEAKERS-CS C SL SR SB JL6805B TO NAAF-7474 (SCH.-5) JL6803B TO NAAF-7474 (SCH.-5) JL6804B TO NAAF-7474 (SCH.-5) RL6604 RL6601 RL6600 RL6603 L6801 S1.3C L6805 S1.3C L6804 S1.3C L6803 S1.3C L6802 S1.3C L6800 S1.3C R6801 22 R6811 22 R6805 22 R6815 22 R6804 22 R6814 22 R6803 22 R6813 22 R6802 22 R6812 22 R6800 22 R6810 22 D6604 D6601 D6600 C6840 103J * C6841 103J * C6856 102K * C6857 102K * C6855 102K * C6854 102K * C6853 102K * C6852 102K * C6851 102K * C6850 102K * C6604 103Z C6601 103Z C6842 103J * * ARE P/G TYPE ONLY C6845 103J * C6844 103J * C6843 103J * C6847 103J * C6846 103J * C6600 103J LSP RSP CSP LSSP RSSP SBSP BRLD FRLD CSRLD +24V LSPE RSPE CSPE LSSPE RSSPE SBSPE NAETC-7475 D6600,1,4 1SS133 OR 1SS270A U16 A 1 2 3 4 5 B C D 家电维修资料网 (SCH.-8) (SCH.-8) TX-SR600/E SCHEMATIC DIAGRAM 7 Video section P205B TO NAETC-7486 P208 COAX IN P241 COMPONENT INPUT CR CB Y P241 COMPONENT OUT CR CB Y P241 COMPONENT INPUT CR CB Y P207B TO NAETC-7486 P243A TO NAVD-7464 P243B TO NAETC-7465 P209A TO NAVD-7467(SCH.-3) Q211 74HCU04 1 2 3 4 5 6 7 8 9 10 11 12 13 14 Y C C Y P201 MONITOR DVD IN Y C C Y P203 VIDEO-2 IN VIDEO-3 IN Y C C Y P202 VIDEO-1 IN VIDEO-1 OUT U203 TX5050 OPTOUT U201 RX5050 OPT2 U202 RX5050 OPT1 D242 DR2.4SB D205 DR2.4SB D202 DR2.4SB D204 DZS2.4V D203 DR2.4SB J208 J223 J230 SCLK SIN CS XTALIN1 XTALOUT1 HSYNCOUT XTALIN2 XTALOUT2 VSS VDD1 SYNCDET VCOOUT FC VCOIN AMPOUT AMPIN PDOUT VSS SEPC SYNCIN CVCR CVIN VDD2 CVOUT RST VSYNCOUT ON SCREEN DISPLAY CONTROLLER Q210 LC74763 1 2 3 4 5 6 7 8 9 10 11 12 13 14 15 16 17 18 19 20 21 22 23 24 25 26 27 28 29 30 R298 10 R299 10K P2060 RI Q241 RN1401 RL242 RL241 C218 223J C216 682J C222 474J X201 XTL14.3MHZ X202 XTL17.7MHZ L203 022J L243 022J L241 022J L201 022J L202 560J D241 1SS352 D201 1SS352 Q209 2SC2712-GR P201 MONITOR DVD IN P203 VIDEO-2 IN VIDEO-3 IN P202 VIDEO-1 IN VIDOE-1 OUT Q208 2SA1162-GR Q256 2SA1162-GR Q255 2SA1162-GR Q203 2SA1162-GR Q204 2SA1162-GR Q258 2SA1162-GR Q257 2SA1162-GR Q201 RN1444 Q202 RN1444 Q207 RN1444 Q206 RN1444 Q254 RN1444 Q253 RN1444 Q252 RN1444 Q251 RN1444 IN1 CTL-A OUT1 Vdd IN2 CTL-B OUT2 CTL-C CTL-D IN3 CTL-E IN4 GND IN5 GND MON Q259 BA7625 C IN/OUT 1 2 3 4 5 6 7 8 9 10 11 12 13 14 15 16 IN1 CTL-A OUT1 Vdd IN2 CTL-B OUT2 CTL-C CTL-D IN3 CTL-E IN4 GND IN5 GND MON Q205 BA7625 COMP IN/OUT 1 2 3 4 5 6 7 8 9 10 11 12 13 14 15 16 IN1 CTL-A OUT1 Vdd IN2 CTL-B OUT2 CTL-C CTL-D IN3 CTL-E IN4 GND IN5 GND MON Q260 BA7625 Y IN/OUT 1 2 3 4 5 6 7 8 9 10 11 12 13 14 15 16 R245 220 R243 000J R211 220 R2088 000J R252 75 R2048 000J R2046 000J R269 1K R287 1.8K R2060 470 R249 1K R288 15K R289 150K R250 220 R240220 R268 75 R203 75 R280 000J R242 000J R279 1K R201 75 R270 1K R277 68 R264 10K R248 560 R214 220 R213 220 R246 220 R247 560 R236 2.2K R237 2.2K R239 2.2K R238 2.2K R244 000J R210 000J R2054 000J R251 75 R217 1.8K R216 12K R221 47K R219 3.3K R218 10K R235 2.2K R222 1K R2206.8K R230 2.7K R22947K R231 2.2K R234 2.2K R233 2.2K R224 820K R223 220 R226 6.8K R225 1.5K R228 1K R232 2.2K R227 120 R212 220 R2051 000J R2052 75 R205 75 R208 10K R256 75 R25575 R26610K R258 75 R26510K R257 75 R2042 000J R2041 000J R2044 75 R2043 75 R259 75 R260 75 R204 75 R207 10K R202 75 R263 10K R253 75 R254 75 C201 470/6.3 C270 47/16 C269 2.2/50 C268 2.2/50 C274 47/6.3 C240 47/6.3 C265 47/16 C243 470/6.3 C252 470/16 C215 10/16 C209 100/16 C212 100/16 C221 0.47/50 C223 100/16 C232 1/50 C214 0.33/50 C217 1/50 C236 2.2/50 C205 2.2/50 C203 470/6.3 C204 2.2/50 C256 470/6.3 C258 2.2/50 C2042 2.2/50 C260 2.2/50 C207 47/16 C263 47/16 C254 2.2/50 C202 2.2/50 C246 104Z C267 104Z C241 104Z C242 104Z C239 104Z C237 104Z C275 104Z C248 101J C273 080D C250 104Z C238 104Z C235 104Z C233 104Z C234 104Z C211 104Z C210 470J C213 122K C220 270J C219 220J C231 470J C230 470J C229 470J C224 100D C225 180J C226 220J C227 100D C228 470J C208 104Z C255 104Z C257 104Z C2041 104Z C259 104Z C264 104Z C253 104Z C251 102K C266 104Z SS1 SS2 SS4 SS5 CTL-A CTL-B SYNCDET CTL-B CTL-E CTL-E CTL-A V4-SCIN VSYNC OSDCS OSDSD OSDCK CTRA-1 CTL-B CTL-A CTL-B CTL-B CTL-E NSDET SDET CTRA-1 V4-SYIN CS1 SDET CS2 NSDET CTRA-2 CTL-B CTL-B CTL-E V4-COMIN 12VTRGZ RI CNPT DGND DGND +8V CTRA-2 RIGND SS2 CS2 CS1 SS4 SS1 SS5 +8V Y1 CB1 CNPT RI CB2 CR1 CB1 +5V CB2 CB1 Y2 Y CR1 CNPT CR2 CR2 CR Y1 CR CB2 Y2 CB CB Y COAXIN1 DGND SYNCDET VSYNC OSDCS OSDCK DGGND OPTIN2 RIGND +8V OSDSD RI CNPT OPTOUT +5VD OPTIN1 CS1 ~SDET*~OSD CS2 ~SDET*OSD CS3 SDET CS4 OSD CS5 ~OSD SS1 SDET*(~OSD+SI) SS2 SDET*~OSD SS3 ~PAL*(~SDET+OSD) SS4 PAL*(~SDET+OSD) SS5 ~PAL*(~SDET+OSD*~SI) SS6 PAL*(~SDET+OSD*~SI) NAVD-7464 NAETC-7465 Except 120V model U5 U6 A 1 2 3 4 5 B C D 家电维修资料网 (SCH.-7) (SCH.-2) (SCH.-7) TX-SR600/E SCHEMATIC DIAGRAM 8 Connector section P205A TO NAVD-7464 P105A TO NADG-7460 (SCH.-2) P207A TO NAVD-7464 P107A TO NADG-7460 (SCH.-2) P106A TO NADG-7460 Q2236 RN2202 Q2237 Q2231 Q2232 Q2234 R2082 100K R2083 100K R2077 100K R2078 100K R2080 100K -7V +12V D1GND 12TRGB 12TRGA SYNCDET VSYNC OSDCS SS55 OSDSD SS1 OSDCK SS44 COAXIN1 CS11 OPTOUT CS22 +5VD SS22 OPTIN1 D1GND DGGND +8V OPTIN2 CNPT RI OPTIN2 SYNCDET VSYNC OSDCS OSDSD OSDCK COAXIN1 OPTOUT +5VD OPTIN1 DGGND 12VTRGZ CS11 SS55 SS44 CS22 SS22 SS5 SS1 SS4 CS1 CS2 SS2 RI +8V CNPT CS1 ~OSDC CS2 OSDC SS1 ~OSDS+SI SS2 ~OSDS*~SI SS4 OSD*~SI SS5 OSDS SDET OSDS ~SDET ~OSDS - NAETC-7486 RN2202 RN2202 RN2202 RN2202 U26 A 1 2 3 4 5 B C D 家电维修资料网 P7705 JL7502B P7706 P7502A P7504 JL7502A JL7501A Q7501 P6001B P6002B P6003B P6004B P6005B P6000B P901A P912 P913 AC-G AC-H P931A P955B S902 E921 P918A P917A S906 P7501A P6011B P918 P917 P911 NAPS-7484 PRIMARY CIRCUIT PC BOARD NASW-7487 POWER SWITCH PC BOARD NAPS-7489 TERMINAL PC BOARD NAPS-7477 SECONDARY CIRCUIT PC BOARD NAETC-7463 HEADPHONE TERMINAL PC BOARD NADIS-7461 DISPLAY CIRCUIT PC BOARD NAETC-7475 SPEAKER TERMINAL PC BOARD NAAF-7474 POWER AMPLIFIER PC BOARD NAETC-7480 THERMAL DETECTOR PC BOARD NADG-7 FRONT INPUT PC BOA (Except 120V model) T901 NPT-1438* JL6803B JL6804B JL6805B P6800 P6802 P6801 JL6402B NAETC-7480 JL6803A JL6804A P6011A P931 JL6952A JL6951A JL6805A JL6402A P997A P6906 JL6953A P6931A P6000A P6001A P6002A P6003A P6004A P6005A P955A 1 3 5 7 P911A P912A P913A JL6952B JL6951B P995B 10 11 12 13 14 15 16 17 18 19 20 21 NAPS-7477 P996B P997B JL6953B P7502B JL9501A PCB1 PCB3 PCB5 PCB5 PCB6 PCB6 PCB7 PCB7 PCB7 Page ** :PC board view. : Flat cable : Jumper Wire : Socket : PC board to PC board U29 U17 U4 U2 U20 U24 U27 W model only U15 U16 TX-SR600/E WIRING VIEW 1 A 1 2 3 4 5 B C D 家电维修资料网 S7501 JL7501B P2503 P209B P2501B U2601 P201 P206 P202 P203 P208 P2004 P209A P243B U201 U202 U203 P2060 P242A P243A P6001B P6002B P6003B P6004B P6005B P404A P6000B P2207A P107A P106A P105A P207A P205A P6011B P207B P210 P205A NAAF-7483 DRIVER CIRCUIT PC BOARD DG-7470 NT OPTICAL UT BOARD NASW-7462 VOLUME PC BOARD NAVD-7467 FRONT VIDEO PC BOARD NAVD-7465 COMPONENT VIDEO TERMINAL PC BOARD NAETC-7486 CONNECTOR PC BOARD NADG-7460 MAIN CIRCUIT PC BOARD NAVD-7464 VIDEO TERMINAL PC BOARD JL9501B P101 P404B P2208A P2062B P2501A P2601A P6931B P7501B NADG-7460 P107B P106B P105B P306 P301 P302 P303 P304 P305 12pin P2601B PCB1 PCB2 PCB3 PCB3 PCB4 PCB8 PCB9 PCB9 PCB* :PC board view. TUNER PACK : Flat cable : Jumper Wire : Socket : PC board to PC board U3 U8 U6 U1 U7 U5 U23 U11 U26 TX-SR600/E WIRING VIEW 2 A 1 2 3 4 5 B C D 家电维修资料网 TX-SR600/E PC BOARD-CONNECTION VIEW 1 JL6804A P6931A P404A P207B P207A P7501B P7501A P2501C P2601A P2601B P2501A P6903B P6903A P6903B P404C P931 P6004A P6005A P6003A P6000A P6001A P6002A P6000B P6001B P6004B P6005B P6002B P6003B P209C JL6402 JL6402B JL6953A JL7501A JL7501B P6083 P6301 P6085 P6084 P6082 P6081 P6080 P6011A P6011B P106B P106A JL6952A JL6951A JL6803A JL7502A JL7502B JL6805A P7504 P7701 FLASH WRITER P105B P205B P205A P105A P101 CN1 P107B P107A GND HPDET HPR2 HPE HPL2 VAJ VBJ SUBSDO VCC RESET SUBCLK SUBSD1 GND VAJ VBJ FA GND HPDET HPR2 HPE HPL2 FA H H H H STEREO SBMRST SBMCLK SBMDO SBMDI SBMLDY SYSIN HPRLY +5.6S GND GND -VP SD TMUT TU-R GND TU-L RDS +12V +5V FMSIG GND DO CL DI PLLCE SUBRST IP +5VCPU MPURST SUBCLK SUBSDO SUBSDI GND V4C SD TMUT TU06R GND TU06L DET +12VA +5VDSP FMSIG GND PLLCLK PLLSDO PLLSTB GND GND STEREO SUBRST SUBCLK SUBSDO SUBSDI SUBRDY RI HPMUT +5.6S -VP GND V4-L V4-R V4Y V4E GND GND V4-R V4-L V-4 V4D +5VDSP GND GND +5V OPTIN2 OPTIN1 +5VDSP COAXIN1 GND Z2LMUT +7VZ2 -7VZ2 SS5 SS1 SS4 CS1 CS2 SS2 RI +5VVD GND DIFTX OSDCK OSDDA OSDCS VSYNC SYNCDET T12VA T12VB GND +12VAF CNPT GND GND GND GND GND GND CNPT OPTIN2 OPTIN1 +5VDSP COAXIN1 AGND Z2LMUT +7V -7V SS5 SS1 SS4 CS1 CS2 SS2 RI +5VVD GND DIFTX OSDCK OSDDA OSDCS VSYNC SYNCDET T12VA T12VB GND +12VAF VGND VGND SYNCDET SYNCDET VSYNC VSYNC OSDCS OSDCS OSDSD OSDSD OSDCK OSDCK COAXIN1 COAXIN1 OPTOUT OPTOUT +5VD +5VD OPTIN1 OPTIN1 DGGND DGGND OPTIN2 OPTIN2 12VTRGZ 12VTRGZ RI CNPT VGND VGND +5VVD D1GND SS2 CS2 CS1 SS4 SS1 SS5 RI CNPT VGND VGND +5VVD D1GND SS2 CS2 CS1 SS4 SS1 SS5 SS6 GND S1HB S1GND S1HA S1LB S1GND S1LA MPUGND HPR E HPL +13VS +13VS NF NF NF NF NF GND +13V POWER SPF SPCS SEC1H VOLH AGND AGND +24V +24V POWER +22V CSRLD FRLD BRLD PROTECT SPZ2/SPB NF -B1 +B1 B+ B- NF -B1 +B1 B+ B- NF -B1 +B1 B+ B- NF -B1 +B1 B+ B- NF -B1 +B1 B+ B- NF -B1 +B1 B+ B- COM TH1 ID+ ID- ID+ ID- ID+ ID- ID+ ID- ID+ ID- TH1 ID+ ID- +22V E E E NF -B1 +B1 B+ B- NF -B1 +B1 B+ B- NF -B1 +B1 B+ B- NF -B1 +B1 B+ B- NF -B1 +B1 B+ B- NF -B1 +B1 B+ B- L R RS LS C SB NAVD-7467 NA NAETC-7486 (SCH.-5) NAETC-7480 THERMAL SENS (SCH.-2) NADG-7470 (SCH.-5) NAAF-7483 (SCH.-4) (FINAL) POWER AMP2 NAAF-7474 (PRE DRIVER) POWER AMP1 (SCH.-1) NASW-7462 VOLUME NAETC-7463 (SCH.-3) HEADPHONE FLASH WRITER (SCH.-1) NADIS-7461 DISPLAY (SCH.-3) IN VIDEO4 FRONT (SCH.-3) OPT IN FRONT TUNER-UNIT MOTHER (S COMPOSI (SCH.-8) NADG-7460 SELECTOR/VOLUME/TONE/DSP/MAIN CPU/B2,B3 POW U36 U36 U1 U1 U26 U26 U11 U11 U15 U15 U23 U23 U20 U20 U8 U8 U4 U4 U3 U3 U2 U2 U5 U5 A 1 2 3 4 5 B C D 家电维修资料网 TX-SR600/E PC BOARD-CONNECTION VIEW 2 P243B JL6803B JL6804B P6931B P404B P404A P7502A P7502B P308 J12A P6000A P6000B P931A P209A JL6953B P912 P911A P912A P911 P918A P917A P917 P918 JL6951B JL6952B JL9501A JL9501B JL6805B JL6805A S1LB S1GND S1LA S1HB S1GND S1HA FAC1 FAC1 FAC2 FAC2 HPE HPE HPR1 HPR1 HPE HPE HPL1 HPL1 AGND SEC1-1 SEC1-2 SEC3-1 SEC3-2 HPL1 HPE HPR1 AGND SEC1-1 SEC1-2 SEC3-1 SEC3-2 +24V MPUGND +13VS +13VS POWER +24V AGND AGND VOLH SEC1H SPZ2/SPB SPCS SPF PROTECT POWER +13V GND GNDJ3 GNDJ3 GNDJ3 LPO RPO RSPO LSPO CPO SBO RI CNPT DIGND +5V VGND VGND +5VVD D1GND SS2 CS2 CS1 SS4 SS1 SS5 GND V4Y GND V-4 GND SBSPE RSSPE LSSPE CSPE RSPE LSPE BRLD FRLD LSP RSP CSP LSSP RSSP SBSP +22V CSRLD FRLD BRLD CSRLD +24V B+ B- NF -B1 +B1 B+ B- B+ B- NF -B1 +B1 B+ B- L R RS LS C SB NAVD-7464 EXCEPT MDD NAPS-7484 (SCH.-6) NAETC-7475 (SCH.-6) SPEAKER TRM NAETC-7463 (SCH.-3) EADPHONE (SCH.-6) NASW-7487 POWER SW POWER PRIMARY NAPS-7489 (SCH.-6) (SCH.-7) COMPOSITE/S VIDEO SELECTOR/VOLUME/TONE/DSP/MAIN CPU/B2,B3 POWER (SCH.-6) TRANS POWER SECONDARY (SCH.-6) NAPS-7477 U17 U17 U29 U29 U27 U27 U24 U24 U15 U15 U16 U16 P243A RI CNPT DIGND +5V NAETC-7465 VIDEO (SCH.-7) COMPONENT U6 U6 P901 P915 P916 P901A AC-H AC-G NPT-1438* U1 U1 U5 U5 A 1 2 3 4 5 B C D 家电维修资料网 MAIN CIRCUIT PC BOARD (NADG-7460-1A/1B/1C/1D) CIRCUIT NO. PART NO. DESCRIPTION ICs Q181 22241297R2 BU1923F

Q301 22241761R3 BD3811K1 Q302 22241785R2 BD3812F Q304 22241383R2, NJM4565M-D, 22240489R1NE or MPC4570G2-T1(MST) or 22240581R2 NJM4565M Q305 222780073R2 78L07 Q306 222790073R2 79L07 Q7001 22241870R3 MPD703033AGC-174-8EU Q701 22241788R2 CS493292-CLR Q702 22241795R3 or MX27L2000(TX-SR600) or 22241817R3 MX27L4000TC-20(TXSR600) Q704,Q705 22274574ER2TO, TC74VHC574FT, 22274574ER2ST or M74VHC574TTR or 22274574IR2TI SN74AHC574PWR Q707 22240935R2 TC7WU04FU Q709 22241778R2 BA33C25FP Q801 22241620R3 AK4586 Q802 22241784R2 AK4382A Q803~Q806 22241383R2, NJM4565M-D, 22240489R1NE or MPC4570G2-T1(MST) or 22240581R2 NJM4565M Q9501 222780125 78M12HF Q9502 222790125 79M12HF Q9506 22278008DNE MPC2908HF Q9507 222780055 78M05HF Q9508 222780565JRC NJM78M56FA Q9509 22278033ENE MPC29M33HF Transistors Q101 2216175R2 or KTC3875-GR or 2213145R2 2SC2712-GR

Q307~Q320 2215410R2 RN1441 Q321,Q322 2216220R2 or KRA102S or 2214530R2 RN2402 Q7002 2216210R2 or KRC104S or 2214490R2 RN1404 Q9503 2215975 or KTA1266-GR or 2211455 2SA1015-GR Diodes D7001~D7003 223234R2 or 1SS352 or D7005 223269R2 1SS355 D7004 224660624R2, HZU6.2B, 224490620R2 or UDZ6.2B or 224550620R2 UDZS6.2B D9501~D9504 22380260, RL1N4003, D9506~D9509 22380032 or 1SR139-100 or 22380035 GP104003E D9505 22380271F, D3SBA20, 22380022F or RBV402 or 22380285F RS403M D9510 224662704R2 or HZU27B or 224552700R2 UDZS27B D9512,D9513 223234R2 or 1SS352 or 223269R2 1SS355 Oscillators X181 3010345 or HQS-3H2-04332-20 or 3010203 AF6146CG,Crystal

X7001 3010329R2 CSTCV16.00MXJ0C,Ceramic X701 3010335 or AT-49H12.288MHz or 3010327 AT-4912.288MHz,Crystal CIRCUIT NO. PART NO. DESCRIPTION Coils L181 231237K220R2 NCH-1477

L300~L302 230955R2 BK1608HS102-T L7001 231237K220R2 NCH-1477 L701,L702 231237M022R2 NCH-1471 L703 231237K470R2 NCH-1479 L704,L706 231237M022R2 NCH-1471 L705 230958R1 BK1608LM182-T L801~L805 231237M022R2 NCH-1471 L806 230958R1 BK1608LM182-T Capacitors C101,C102 394680337 3.3uF,50V,Elect. C181 394680227 2.2uF,50V,Elect.

C183 374725614 560pF+/-5%,50V,Plastic

C184 394644707 47uF,16V,Elect.

C300,C301 374722215 220pF+/-10%,50V,Plastic C316,C317 374722215 220pF+/-10%,50V,Plastic C329~C335 393341007 10uF,16V,Elect. C336,C337 374723324 3300pF+/-5%,50V,Plastic C338,C339 374725634 0.056uF+/-5%,50V,Plastic C346,C348 393341007 10uF,16V,Elect. C349,C350 374722215 220pF+/-10%,50V,Plastic C351~C356 393344707 47uF,16V,Elect. C361,C362 394642217 220uF,16V,Elect. C7002,C7004 394680107 1uF,50V,Elect. C7009 394621017 100uF,6.3V,Elect. 394621027 1000uF,6.3V,Elect. C701,C702 394644707 47uF,16V,Elect. C7010 394624707 47uF,6.3V,Elect. C704 394644707 47uF,16V,Elect. C709,C719 394622217 220uF,6.3V,Elect. C726 394622217 220uF,6.3V,Elect. C801,C806 394622217 220uF,6.3V,Elect. C809 394641007 10uF,16V,Elect. C810,C819 394622217 220uF,6.3V,Elect. C825,C826 374724724 4700pF+/-5%,50V,Plastic C827 374726814 680pF+/-5%,50V,Plastic C828 374721024 1000pF+/-5%,50V,Plastic C829,C830 374728214 820pF+/-5%,50V,Plastic C831,C832 374728214 820pF+/-5%,50V,Plastic C833~C836 374726814 680pF+/-5%,50V,Plastic C837 374721524 1500pF+/-5%,50V,Plastic C838 374721534 0.015uF+/-5%,50V,Plastic C839,C840 374721524 1500pF+/-5%,50V,Plastic C841,C842 394642217 220uF,16V,Elect. C846,C847 393344707 47uF,16V,Elect. C848,C849 394642217 220uF,16V,Elect. C851 393341007 10uF,16V,Elect. C852 393344707 47uF,16V,Elect. C853~C856 393341007 10uF,16V,Elect. C9501~C9504 374721044 0.1uF+/-5%,50V,Plastic C9505 394661027 1000uF,35V,Elect. C9506 394664717 470uF,35V,Elect. C9509 394642217 220uF,16V,Elect. C9510 394642217 220uF,16V,Elect. 394644717 470uF,16V,Elect. C9511~C9514 394562217 220uF,35V,Elect. C9515 394544727 4700uF,16V,Elect. C9516 394674717 470uF,63V,Elect. C9520 394632217 220uF,10V,Elect. C9522 394622217 220uF,6.3V,Elect. C9523 394651027 1000uF,25V,Elect. C9525,C9527 394641007 10uF,16V,Elect. C9530 374721044 0.1uF+/-5%,50V,Plastic : 120V model only

: European model only : Except 120V model TX-SR600/E PRINTED CIRCUIT BOARD-PARTS LIST 1 家电维修资料网 CIRCUIT NO. PART NO. DESCRIPTION Resistors R394 443522204 22ohm+/-5%,1/2W,Metal oxide R9501 442621004F 10ohm+/-5%,1W,Metal oxide R9502 443523304 33ohm+/-5%,1/2W,Metal oxide R9503 443522204 22ohm+/-5%,1/2W,Metal oxide R9510 452630334F 3.3ohm+/-5%,1W,Metal R9511 442623304F 33ohm+/-5%,1W,Metal oxide Terminals P301 25045571 or NPJ-6PDRW386 or 25045300 NPJ-6PDBL159 P303,P304 25045303 or NPJ-4PDBL162 or 25045575 NPJ-4PDRW389 P305 25045572 or NPJ-6PDBRW387 or 25045649 NPJ-6PDBRW453 P306 25045567 NPJ-1PDBL382 Sockets JL9501B 25050269 NSCT-5P97 P101 25052211 or NSCT-15P2108 or 25051822 NSCT-15P1609 P404B 2009990718UL NSAS-26P1005 P6931B 25052209 or NSCT-13P2106 or 25051820 NSCT-13P1607 P7501B 25052207 or NSCT-11P2104 or 25051818 NSCT-11P1605 Plugs P105B 25055708 NPLG-12P664 P106B 25055804 NPLG-4P760 P107B 25055711 NPLG-15P667 P2208A 25055701 NPLG-5P657 P2501A,P2601A 25055133 NPLG-3P117 Heat sink Q9501B 27160500 RAD-165 Cushions Q801A,Q802A 28141445 (DAC) Screws Q9501A 82143010 3P+10FN(BC),Pan head Q9506A~Q9508A 82143010 3P+10FN(BC),Pan head DISPLAY CIRCUIT PC BOARD (NADIS-7461-1A/1B) CIRCUIT NO. PART NO. DESCRIPTION FL tube Q7501 212229 HNA-16MM39T Remote sensor U7501 241341 or SPS-444-1-E1 or 241335 SPS-444-1 IC Q7502 22241790R3 MPD780232GC-068-8BT Transistors Q7503 2216175R2 or KTC3875-GR or 2213145R2 2SC2712-GR Q7504 2216230R2 or KRA103S or 2214540R2 RN2403 Q7505,Q7581 2216190R2 or KRC102S or Q7701 2214470R2 RN1402 CIRCUIT NO. PART NO. DESCRIPTION Diodes D7501 224490820R2, UDZ8.2B, 224550820R2 or UDZS8.2B or 224660824R2 HZU8.2B D7502 224490510R2, UDZ5.1B, 224550510R2 or UDZS5.1B or 224660514R2 HZU5.1B D7503 223234R2 or 1SS352 or D7506~D7508 223269R2 1SS355 D7505 224490270R2 or UDZ2.7B or 224660274R2 HZU2.7B D7581 225290 SEL4110R D7701,D7702 223234R2 or 1SS352 or 223269R2 1SS355 Coils L7504,L7505 231237M022R2 NCH-1471 Oscillator X7501 3010242 CST5.00MGW,Ceramic Capacitors C7502 394684707 47uF,50V,Elect. C7514 394621017 100uF,6.3V,Elect. C7521 394622217 220uF,6.3V,Elect. C7523 375524744 0.47uF+/-5%,50V,Plastic C7524 3000120 or FMC0H104Z or 3000121 SCDA5R5104A,Super C7540 355722219 220uF,6.3V,Elect. C7705 394621017 100uF,6.3V,Elect. Relay RL7701 25065610 NRL-2P1A-DC4.5-156 Switches S7611~S7618 25035699 or NPS-111-S662 or S7621~S7624 25035714 NPS-111-S677 S7619,S7625 25035699 or NPS-111-S662 or 25035714 NPS-111-S677 S7626~S7628 25035699 or NPS-111-S662 or S7631~S7638 25035714 NPS-111-S677 S7644~S7647 25035714 NPS-111-S677 S7641~S7643 25035699 or NPS-111-S662 or 25035714 NPS-111-S677 Sockets JL7501A 25051087 NSCT-3P874 JL7502A 25051089 NSCT-5P876 P7501A 25052057 or NSCT-11P1844 or 25051855 NSCT-11P1642 P7502A 25052052 or NSCT-6P1839 or 25051850 NSCT-6P1637 Holder Q7501A 27190989A (FL) VOLUME PC BOARD (NASW-7462-1A/1B) CIRCUIT NO. PART NO. DESCRIPTION S7501 25065627 EC12E2425,Rotary encoder JL7501B 25051087 NSCT-3P874,Socket HEADPHONE TERMINAL PC BOARD (NAETC-7463-1A/1B) CIRCUIT NO. PART NO. DESCRIPTION Coils L7701 233454M022S NCH-1452 022M L7703,L7704 231237M022R2 NCH-1471 Capacitor C7703 374721044 0.1uF+/-5%,50V,Plastic Terminal P7705 25045514 YKB26-5005 Socket JL7502B 25051089 NSCT-5P876 TX-SR600/E PRINTED CIRCUIT BOARD-PARTS LIST 2 家电维修资料网 VIDEO TERMINAL PC BOARD (NAVD-7464-1A/1B) CIRCUIT NO. PART NO. DESCRIPTION ICs Q205 22240373 BA7625 Q210 22241779 LC74763-9836 Q211 222740046R2TO 74HCU04(TC74HCU04F) Q259,Q260 22240373 BA7625 Transistors Q201,Q202 2216031R2 or RN1444-A or 2216032R2 RN1444-B Q203,Q204 2216185R2 or KTA1504-GR or 2214375R2 2SA1162-GR Q206,Q207 2216031R2 or RN1444-A or Q251~Q254 2216032R2 RN1444-B Q208 2216185R2 or KTA1504-GR or Q255~Q258 2214375R2 2SA1162-GR Q209 2216175R2 or KTC3875-GR or 2213145R2 2SC2712-GR Photo coupler U201,U202 24120083 or GP1FA550RZ or 24120086 GP1FA551RZ U203 24120082 or GP1FA550TZ or 24120085 GP1FA551TZ Diodes D201 223234R2 or 1SS352 or 223269R2 1SS355 D202~D205 224490240R2 or UDZ2.4B or 224370240R2 RD2.4SB Coils L201 231237M022R2 NCH-1471 L202 231292J056R2 NCH-1572 L203,L241 231237M022R2 NCH-1471 L243 231237M022R2 NCH-1471 Oscillators X201 3010363 HC-49/U0314.318M X202 3010364 HC-49/U0317.734M Capacitors C201,C203 394624717 470uF,6.3V,Elect. C202,C204 394680227 2.2uF,50V,Elect. C205 394680227 2.2uF,50V,Elect. C207,C240 394644707 47uF,16V,Elect. C209 394641017 100uF,16V,Elect. C214 354783399 0.33uF,50V,Elect. C215,C223 394641017 100uF,16V,Elect. C216 374726824 6800pF+/-5%,50V,Plastic C217,C232 354780109 1uF,50V,Elect. C218 374722234 0.022uF+/-5%,50V,Plastic C221 354784799 0.47uF,50V,Elect. C222 375524744 0.47uF+/-5%,50V,Plastic C236 394680227 2.2uF,50V,Elect. C243 394624717 470uF,6.3V,Elect. C252,C256 394624717 470uF,6.3V,Elect. C254,C258 394680227 2.2uF,50V,Elect. C260 394680227 2.2uF,50V,Elect. C263,C265 394644707 47uF,16V,Elect. C268,C269 394680227 2.2uF,50V,Elect. C270,C274 394644707 47uF,16V,Elect. Terminals P201~P203 25045681 NPJ-10PDBY478 P208 25045473 NPJ-1PDBL291 Sockets P205B 25051238 NSCT-13P1028 P207B 25051237 NSCT-12P1027 P243B 25051088 NSCT-4P875 Plug P209A 25055135 NPLG-5P119 COMPONENT VIDEO PC BOARD (NAVD-7465-1A/1B) CIRCUIT NO. PART NO. DESCRIPTION Transistor Q241 2216175R2 or KTC3875-GR or 2213145R2 2SC2712-GR Diodes D241 223234R2 or 1SS352 or 223269R2 1SS355 D242 224490240R2 or UDZ2.4B or 224370240R2 RD2.4SB Relays RL241,RL242 25065610 NRL-2P1A-DC4.5-156 Terminals P2060 25045504 NPJ-1PDBL319 P241 25045686 or NPJ-9PDGLR483 or 25045690 NPJ-9PDGLR487 Socket P243A 25051088 NSCT-4P875 FRONT VIDEO PC BOARD (NAVD-7467-1A/1B) CIRCUIT NO. PART NO. DESCRIPTION Terminal P2503 25045680 NPJ-7PDB477 Sockets P209B 2009990434UL NSAS-10P0578 P2501B 2001320610 NSAS-6P0299 FRONT OPTICAL INPUT PC BOARD (NADG-7470-1A/1B/1C/1D/1N/1O/ CIRCUIT NO. PART NO. DESCRIPTION Photo coupler U2601 24120083 or GP1FA550RZ or U2601 or 24120086 GP1FA551RZ Coil L2601 231237M022R2 NCH-1471 Capacitor C2601 394621017 100uF,6.3V,Elect. Socket P2601B 2009990249 NSAS-6P0362 : Except 120V model TX-SR600/E PRINTED CIRCUIT BOARD-PARTS LIST 3 家电维修资料网 POWER AMPLIFIER PC BOARD (NAAF-7474-1A/1B) CIRCUIT NO. PART NO. DESCRIPTION Transistors Q6010~Q6015 2213284 or 2SC1740S-R or Q6020~Q6025 2213285 2SC1740S-S Q6030~Q6032 2203010 2SC5171 Q6033~Q6035 2203434 or KTD2061-Y or 2203010 2SC5171 Q6040~Q6042 2203000 2SA1930 Q6043~Q6045 2203424 or KTB1369-Y or 2203000 2SA1930 Q6050~Q6052 2202823 or * 2SC5200-O or 2202822 * 2SC5200-R Q6053~Q6055 2202823, * 2SC5200-O, 2202822, * 2SC5200-R, 2203683, * MN150S-O, 2203684 or * MN150S-Y or 2203686 * MN150S-P Q6060~Q6062 2202813 or * 2SA1943-O or 2202812 * 2SA1943-R Q6063~Q6065 2202813, * 2SA1943-O, 2202812, * 2SA1943-R, 2203693, * MP150S-O, 2203694 or * MP150S-Y or 2203696 * MP150S-P Q6070~Q6075 2215896, KTC3200-BL, 2215895, KTC3200-GR, 2210755, 2SC1775A-E, 2210756, 2SC1775A-F, 2211732 or 2SC1845-F or 2211733 2SC1845-E Q6303 2215995 KTA1267-GR, 2213354 2SA933S-R or 2213355 2SA933S-S Q6601~Q6603 2215864 KTC3199-GR 2212115, 2SC2458-GR, 2213284 or 2SC1740S-R or 2213285 2SC1740S-S Q6701~Q6703 2215896, KTC3200-BL, 2215895, KTC3200-GR, 2210755, 2SC1775A-E, 2210756, 2SC1775A-F, 2211732 or 2SC1845-F or 2211733 2SC1845-E Q6901 2215864 KTC3199-GR 2212115, 2SC2458-GR, 2213284 or 2SC1740S-R or 2213285 2SC1740S-S Diodes D6000~D6005 223163, 1SS133, D6306,D6307 223205 or 1SS270A or D6701,D6702 223222 WG713A D6703,D6704 224470512 MTZJ5.1B D6904,D6905 22380274, RS603M, 22380038 or RBV602 or 22380130 D5SBA20 D6906 223163, 1SS133, 223205 or 1SS270A or 223222 WG713A CIRCUIT NO. PART NO. DESCRIPTION Capacitors C6040~C6045 394684707 47uF,50V,Elect. C6230~C6235 374724734 0.047uF+/-5%,50V,Plastic C6701,C6706 394621017 100uF,6.3V,Elect. C6704 394680107 1uF,50V,Elect. C6708 374722234 0.022uF+/-5%,50V,Plastic C6901,C6902 3504313 12000uF,63V,Elect. C6901,C6902 3504376 12000uF,63V,Elect. C6901,C6902 3504373 15000uF,71V,Elect. C6901,C6902 3504374 15000uF,71V,Elect. C6904,C6905 374733344 0.033uF+/-5%,50V,Plastic C6906,C6907 374721044 0.1uF+/-5%,50V,Plastic Resistors R6040~R6045 5210258 N06HR1KBC,Trimming R6070~R6075 415471214 120ohm+/-5%,1/4W,NF carbon R6080~R6085 415470224 2.2ohm+/-5%,1/4W,NF carbon R6090~R6095 415470224 2.2ohm+/-5%,1/4W,NF carbon R6100~R6105 4000201, RF-5EGKR22, 4000132 or RGC55 0.22 or 4500245 BPR55FK0.22,Metal plate R6230~R6235 453630824 8.2ohm+/-5%,1W,Metal R6750,R6751 443523914 390ohm+/-5%,1/2W,Metal oxide Fuse holders F6901A,F6901B 25052133 ! NSCT-1P2031 F6902A,F6902B 25052133 ! NSCT-1P2031 Fuse label F6901C 29362801 T10AL250V Relays RL6901 25065561, NRL-1P5A-DC12-127, RL6902 25065508, NRL-1P10A-DC12-093, 25065515 or NRL-1P5A-DC12-096 or 25065526 NRL-1P5A-DC12-102 Sockets JL6402A 25051087 NSCT-3P874 JL6803A,JL6804A 25051110 NSCT-6P897 JL6805A 25051108 NSCT-4P895 JL6951A 25051109 NSCT-5P896 JL6952A 25051109 NSCT-5P896 JL6953A 25051087 NSCT-3P874 P6931A 25052209 NSCT-13P2106 Plugs P6000A~P6005A 25056010 NPLG-5P0960 P6011A 25056015 NPLG-10P0965 P6080~P6085 25055038 NPLG-2P29 P6301 25055038 NPLG-2P29 P931 25055701 NPLG-5P657 Heat sink D6903A 27160499 RAD-164 Bar C6901A 27141817 BUS Screws D6903B,D6904B 82143010 3P+10FN(BC),Pan head Clamps P6840~P6842 260226 CP-2S CAUTION: Replacement for transistor of mark *, if necessary must be made from the same beta group (HFE) as the original type. NOTE: THE COMPONENTS IDENTIFIED BY MARK ! ARE CRITICAL FOR RISK OF FIRE AND ELECTRIC SHOCK. REPLACE ONLY WITH PART NUMBER SPECIFIED. : 120V model only

: European model only : Except 120V model NOTE: TX-SR600/E PRINTED CIRCUIT BOARD-PARTS LIST 4 家电维修资料网 SPEAKER TERMINAL PC BOARD (NAETC-7475-1A/1B) CIRCUIT NO. PART NO. DESCRIPTION Diodes D6600,D6601 223163, 1SS133, D6604 223205 or 1SS270A or 223222 WG713A Coils L6800~L6805 231176S S-1.3C Capacitors C6600 374721034 0.01uF+/-5%,50V,Plastic C6840~C6847 374721034 0.01uF+/-5%,50V,Plastic Relays RL6600,RL6601 25065563, NRL-2P5A-DC24-129, RL6603,RL6604 25065517 or NRL-2P5A-DC24-098 or 25065586 NRL-2P5A-DC24-142 Terminals P6800 25060330 NTM-4PDMN261 25060331 NTM-4PDMN262 P6801 25060332 NTM-4PDML263 P6802 25060326 NTM-8PDMN257 25060327 NTM-8PDMN258 Sockets JL6803B 25050283 NSCT-6P111 JL6804B 25050283 NSCT-6P111 JL6805B 25050281 NSCT-4P109 SECONDARY CIRCUIT PC BOARD (NAPS-7477-1A/1B) CIRCUIT NO. PART NO. DESCRIPTION Capacitor C9591 374721044 0.1uF+/-5%,50V,Plastic Resistors R9591,R9592 453530104 1ohm+/-5%,1/2W,Metal R9594 453530394 3.9ohm+/-5%,1/2W,Metal 453530124 1.2ohm+/-5%,1/2W,Metal Fuse holders F9501A,F9501B 25052133T ! NSCT-1P2031 Fuse label F9501C 29361747 T2.5AL250V Sockets JL6951B 25051109 NSCT-5P896 JL6952B 25051109 NSCT-5P896 JL6953B 25051087 NSCT-3P874 JL9501A 25051109 NSCT-5P896 P7502B 25052052 or NSCT-6P1839 or 25051850 NSCT-6P1637 THERMAL DETECTOR PC BOARD (NAETC-7480-1A/1B) CIRCUIT NO. PART NO. DESCRIPTION Thermistor R6380 4000153 PTH9M04BF222TS2F333 Socket JL6402B 25051087 NSCT-3P874 DRIVER CIRCUIT PC BOARD (NAAF-7483-1A/1B/1C/1D/1E/1F) CIRCUIT NO. PART NO. DESCRIPTION Transistors Q5000~Q5002 2211733, * 2SC1845-E, Q5010~Q5012 2210755 or * 2SC1775A-E or 2210756, * 2SC1775A-F, Q5003~Q5005 2215896, * KTC3200-BL, Q5013~Q5015 2210755, * 2SC1775A-E, 2210756 or * 2SC1775A-F or 2211733 * 2SC1845-E Q5020~Q5022 2211793 or 2SA992-E or 2211792 2SA992-F Q5030~Q5032 2211354 or 2SA949-Y or 2211353 2SA949-O Q5033~Q5035 2215844, KTA1024-Y, 2211353, 2SA949-O, 2211354 or 2SA949-Y or 2215843 KTA1024-O Q5040~Q5042 2211634 or 2SC2229-Y or 2211633 2SC2229-O Q5043~Q5045 2215854, KTC3206-Y, 2211633, 2SC2229-O, 2211634 or 2SC2229-Y or 2215853 KTC3206-O Q5050~Q5052 2212115, 2SC2458-GR, 2213284 or 2SC1740S-R or 2213285 2SC1740S-S Q5053~Q5055 2215864, KTC3199-GR, 2212115, 2SC2458-GR, 2213284 or 2SC1740S-R or 2213285 2SC1740S-S Diodes D5000~D5005 224470562 MTZJ5.6B Capacitors C5000~C5005 374721015 100pF+/-10%,50V,Plastic C5010~C5015 393341017 100uF,16V,Elect. C5020~C5025 394681007 10uF,50V,Elect. C5040~C5045 393342217 220uF,16V,Elect. C5050~C5055 394684707 47uF,50V,Elect. C5100~C5105 394671007 10uF,63V,Elect. C5110~C5115 394671007 10uF,63V,Elect. Resistors R5120~R5122 415474714 470ohm+/-5%,1/4W,NF carbon R5160~R5165 415471214 120ohm+/-5%,1/4W,NF carbon R5170~R5175 415471214 120ohm+/-5%,1/4W,NF carbon R5180~R5185 415471004 10ohm+/-5%,1/4W,NF carbon R5190~R5195 415471004 10ohm+/-5%,1/4W,NF carbon Sockets P6000B~P6005B 25052288 NSCT-5P2185 P6011B 25052293 NSCT-10P2190 Plug P404A 25055156 NPLG-12P140 Holders P5000,P5002 27190540-1 Clamp P5003 27190540-1 Clamp CAUTION: Replacement for transistor of mark *, if necessary must be made from the same beta group (HFE) as the original type. NOTE: THE COMPONENTS IDENTIFIED BY MARK ! ARE CRITICAL FOR RISK OF FIRE AND ELECTRIC SHOCK. REPLACE ONLY WITH PART NUMBER SPECIFIED. : 120V model only : Except 120V model TX-SR600/E PRINTED CIRCUIT BOARD-PARTS LIST 5 家电维修资料网 PRIMARY CIRCUIT PC BOARD (NAPS-7484-1A/1B/1C/1D/1E/1F) CIRCUIT NO. PART NO. DESCRIPTION Transistor Q921 2215864, KTC3199-GR, 2212115, 2SC2458-GR, 2213284 or 2SC1740S-R or 2213285 2SC1740S-S Diodes D921~D924 22380260 or RL1N4003 or 22380035 GP104003E D925 223163, 1SS133, 223205 or 1SS270A or Power transformer T902 2301381 NPT-1358D 2301382 NPT-1358P

2301383 NPT-1358DG Capacitors C901 3500196S ! RE275V-103M,IS C922 394662217 220uF,35V,Elect. C923 374722234 0.022uF+/-5%,50V,Plastic Resistors R901 4000206S ! RD1/2SPH-3.3M,Solid R924 443528204 82ohm+/-5%,1/2W,Metal oxide AC outlet P902 25051126 ! NSCT-4P913 P902 25051125 ! NSCT-4P912

P902 25052115 ! NSCT-2P2013 P902 25052381 ! NSCT-2P2278 Relay RL901 25065561, ! NRL-1P5A-DC12-127, 25065508, ! NRL-1P10A-DC12-093, 25065515 or ! NRL-1P5A-DC12-096 or 25065526 ! NRL-1P5A-DC12-102 Fuse holders F901A,F901B 25052133 ! NSCT-1P2031 F902A,F902B 25052133 ! NSCT-1P2031 F903A,F903B 25052133 ! NSCT-1P2031 Switch S902 25065437 ! NSS-22157P Socket P931A 25051230 NSCT-5P1020 Plug P901A 25055675 or ! NPLG-2P631 or 25056028 ! NPLG-2P0978 CONNECTOR PC BOARD (NAETC-7486-1A/1B/1C/1D/1E/1F) CIRCUIT NO. PART NO. DESCRIPTION Transistors Q2225 2213290 DTC114ES Q2231,Q2232 2215770 or KRA102M or Q2234,Q2236 2213510 DTA114ES Q2237 2215770 or KRA102M or 2213510 DTA114ES Sockets P105A 25051237 NSCT-12P1027 P106A 25051526 NSCT-4P1313 P107A 25051240 NSCT-15P1030 P205A 25055709 NPLG-13P665 P207A 25055708 NPLG-12P664 POWER SWITCH PC BOARD (NASW-7487-1B/1C/1D/1E/1F) CIRCUIT NO. PART NO. DESCRIPTION Capacitors C902 3300030 ! DE1307E472M-KH,IS,IS Switch S906 25035702 ! NPS-121-L665P CAUTION: Replacement for transistor of mark *, if necessary must be made from the same beta group (HFE) as the original type. NOTE: THE COMPONENTS IDENTIFIED BY MARK ! ARE CRITICAL FOR RISK OF FIRE AND ELECTRIC SHOCK. REPLACE ONLY WITH PART NUMBER SPECIFIED. : 120V model only

: European model only : Worldwide model only : Korean model only : Australian model only : Chinese model only : Hongkong model only : Except 120V model ! ! ! TX-SR600/E PRINTED CIRCUIT BOARD-PARTS LIST 6 家电维修资料网 TX-SR700/E MAIN MICROPROCESSOR Connection diagram A 1 2 3 4 5 B C D RL241,RL242 Q241 VIDEO RELAY SW COMPONENT VIDEO 1/2 SELECTOR SW RL901 Q921 POWER RELAY SW Q7001 MPD703033AGC-174-8EU 26 27 28 29 30 31 XT1 32 51 52 53 BVDD 55 BVSS 56 CLKOUT 39 IC/VPP 18 19 20 21 22 23 24 25 10 11 12 13 14 15 16 P37/T15/T05 17 47 48 49 50 54 57 58 59 60 61 62 63 P57/AD15 64 65 66 40 41 42 43 44 45 46 REGC 34 VDD 38 VSS 37 X1 36 X2 35 XT2 33 PUREPOWER PLLCLK PLLSDO PLLSTB TMUT CS5 CS4 CS3 CS2 CS1 SS6 SS5 AMUT Z2MUT FSTB FCL FDA MPURST T12VZ CNPT SELMUT SELCLK SELSDO DIRINT1 DIRINT0 DIRCS DIRPD DSPCS A15M A16M A17M A18M DSPRST INTREQ DSPSDI DSPCLK DSPSDO ~ROM/RAM SPF SPCS POWER X7001 16MHz OSC T12VB T12VA Z2LMUT Q702 FLASH ROM MX27L4000 Q701 DSP IC CS493292 DD-EX,DTS-ES DTS,PLII,NEO 6 Q301 SEL. VOLUME TONE BD3811 Q302 SOUND PROCESSOR BD3812 Q801 DIR IC AK4586 Q802 DA CONVERTER AK4382 Q9509 3.3V CONST. VOLTAGE TUNER PACK Q321 GATE Q322 GATE PREOUT PREOUT SURROUND CH. FRONT/CENTER/SURROUND BACK/SUBWOOFER CH. Q7002 RESET MUTE SWITCH NC NC NC NC GND 5V NC GND 家电维修资料网 TX-SR700/E MAIN MICROPROCESSOR Connection diagram A 1 2 3 4 5 B C D RL7701 Q7701 HP RELAY SW RL6650 Q6601 FRONT RELAY SW RL6651 Q6603 SP B RELAY SW RL6653,RL6654 Q6602 CENTER/SB SR RELAY SW RL6901,RL6902 Q6902 POWER AMP +B SW Q7001 703033AGC-174-8EU 1 2 3 4 5 EVDD 6 76 77 78 79 AVDD 71 AVREF 73 AVSS 72 EVSS 7 86 87 88 89 90 91 92 93 94 95 96 97 98 99 100 8 9 10 11 12 13 14 15 61 62 63 P57/AD15 64 65 66 67 68 P64/A20 69 70 74 75 80 81 P80/ANI8 82 83 84 85 MODEL RDS_EN PAL_EN AREA1 AREA2 CS3 CS2 CS1 SS6 SS5 SS4 SS3 SS2 SS1 OSDCS OSDCK OSDDA PROTECT SUBRST 232TXD 232RXD SUBCLK SUBSDO SUBSDI SUBRDY SEC1H IRZ2 REMIN RDSSCK POFF VSYNC1 SYNCDET RDSSIG RDSDA SDET STEREO SD A17M A18M VPPEN HPMUT SPF SPCS SPB VOLH THERMO. DET. OUTPUT VOLTAGE DET. OVER VOLTAGE CURRENT DETECTION POWER FAILURE DET. Q7502 SUB MICROPROCESSOR UPD780233GC-068-8BT RDS DECODER (European Model only) Q702 FLASH ROM MX27L4000 CH 5V GND +5V +5V +5V GND NC NC INITIALIZING INITIALIZING INITIALIZING Y C MONITOR Q254 Q2041 Q253 Q252 Q251 R2054 SS1 SS2 SS4 SS5 P201 MONITOR Q202 Q201 CS1 CS2 Q7003,Q7004 BUFFER 2210 ON SCREEN DEMODULATOR LC74763 VIDEO SELECTOR SWITCH BA7625 家电维修资料网 Q7502 SUB-MICROPROCESSOR UPD780232GC-068-8BT 21 K3 22 P45/FIP37 41 P44/FIP36 42 P43/FIP35 43 61 ANI2 20 ANI3 19 AVDD 24 AVSS 18 80 79 70 69 68 67 66 65 64 63 62 78 FIP20 58 FIP21 57 FIP22 56 FIP23 55 77 76 75 74 73 72 71 IC 5 P01/INTP1 16 P02/TI 17 P20/SCK3 14 P21/SO3 13 P22 12 P23 11 P24/BUSY 10 P25SO1 9 P26/SI1 8 P27/SCK1 7 P30/FIP24 54 P31/FIP25 53 P32/FIP26 52 P33/FIP27 51 P34/FIP28 50 P35/FIP29 49 P36/FIP30 48 P37/FIP31 47 P40/FIP32 46 P41/FIP33 45 P42/FIP34 44 40 39 38 37 36 35 34 33 32 31 30 29 28 PURELED 27 ZONE2LED 26 POO/INTP0 15 VDD0 25 VDD1 1 VDD2 59 VLOAD 60 VSS0 23 VSS1 2 X1 3 X2 4 RESET 6 Q7501 FL TUBE HNA-16MM39T S7617 DOWN TUNING S7615 PRESET< S7614 TUNING UP S7613 RETURN S7612 MENU S7611 AUDIO ADJUST S7616 PRESET> 2.2K 330 1.2K 820 560 470 K1 K0 U7501 SPS4441E1 IRF Q7581 D7581 STANDBY IND. S7501 MAIN VOLUME Q7001 MAIN MICROPROCESSOR X7501 5MHZ OSC P7705 HEDPHONE SWITCH Q7504 BUFFER P2060 RI TERMINAL ENTER 3.9K S7618 S7619 FM MODE 12K S7627 S7625 MEMORY S7624 DSP S7623 SURROUND S7622 STEREO S7621 DIRECT S7626 CD 2.2K 330 1.2K 820 560 470 TUNER 3.9K S7628 TAPE S7637 VIDEO 3 S7635 VIDEO 1 S7634 DVD S7633 AUDIO-SL S7632 DISPLAY S7631 DIMMER S7636 VIDEO 2 2.2K 330 1.2K 820 560 470 VIDEO 4 3.9K S7638 S7643 SP B S7642 SP A S7641 STANDBY 330 470 K2 . P 16 P15 P14 P13 P 12 P 11 P10 P9 P8 P7 P 6 P5 P 4 P 3 P2 P1 16G 15G 14G 13G 12G 11G 10G 9G 8G 7G 6G 5G 4G 3G 2G 1G P22 P21 P20 P19 P18 P17 P23 P24 P25 P26 P27 P28 P29 P30 P31 P32 P33 P34 P35 K1 K0 AVSS STBYLED -IRIN HPDET SYSOUT SYSIN VAJ VBJ SUBLDY SUBDI SUBDO SUBCL -RESET IC X2 X1 VSS VDD TX-SR600/E SUB-MICROPROCESSOR Connection diagram TX-SR600/E A 1 2 3 4 B C D E 家电维修资料网 No. Function I/O Act Description 1 OSDDA O H Serial data signal output pin to OSD IC. 2 OSDCL O CLK Serial clock signal output pin to OSD IC. 3 OSDCS O H Chip select signal output pin to OSD IC. 4 SVS1 O H Logic output pin of S video 1. 5 SVS2 O H Logic output pin of S video 2. 6 VCC Power supply pin. Connect to 5V. 7 VSS Power supply pin. Connect to the ground. 8 SVS3 O H Logic output pin of S video 3.. 9 SVS4 O H Logic output pin of S video 4. 10 SVS5 O H Logic output pin of S video 5. 11 SVS6 O H Logic output pin of S video 6. 12 VCS1 O H Logic output pin of video 1. 13 VCS2 O H Logic output pin of video 2. 14 VCS3 O H Logic output pin of video 3. 15 VCS4 I/O H Logic output pin of video 4. 16 VCS5 O H Logic output pin of video 5. 17 VCS6 O H Logic output pin of video 6. 19 POWER O H Output pin to control the power supply of amplifier section. 20 PUREPOWER O H Not used. 21 Z2LMUT O H Not used. 22 Z2MUT O H Muting control output pin for Zone 2. 23 AMUT O H Audio muting control output pin. 24 PLLSTB O H Strobe signal output pin to PLL IC in the tuner pack. 25 PLLSDO O H Data signal output pin to PLL IC. 26 PLLCLK O H Clock signal output pin to PLL IC. 27 TMUT O H Muting control output pin for tuner section. 28 FSTB O H Not used. 29 FCL O H Not used. 30 FDA O H Not used. 31 ~RESET System reset pin 35 XOUT Oscillator circuit output pin for main clock. Connector the 16MHz ceramic resonator. 36 XIN Oscillator circuit input pin for main clock. Connector the 16MHz ceramic resonator. 37 VSS Power supply pin. Connect to the ground. 38 VCC Power supply pin. Connect to 5V. 41 CNPT O H Composite signal selector pin. 42 T12VB O H Not used. 43 T12VA O H Not used. 44 SELMUT O H Muting control signal output pin to BD3811. 45 SELCLK O H Clock signal output pin to BD3811. 46 SELSDO O H Data signal output pin to BD3811. 47 DIRINT1 I H Interrupter signal input pin from DIR IC. 48 DIRINT0 I H Interrupter signal input pin from DIR IC. 49 ~DIRCS O L Chip select signal output pin to DIR IC. 50 ~DIRPD O L Power down signal output pin to DIR IC. 51 ~DSPRST O H Reset signal output pinto DIR IC. 52 ~INTREQ I L Interrupter signal of DSP IC and rollback signal input/output pin. 53 DSPSDI I H Serial data signal input pin from DIR and DSP ICs. 54 ~DSPCS O L Chip select signal output pin to DSP IC. 55 BVDD Power supply pin. Connect to 3.3V. 56 BVSS Power supply pin. Connect to ground. 57 DSPCLK O H Serial clock signal output pin to DIR and DSP ICs. 58 DSPSDO O H Serial data signal output pin to DIR and DSP ICs. 59 ~ROM/RAM O L/H ROM/RAM select pin to DSP IC. 94 SUBSDI/SI I H Data signal input pin from the sub microprocessor. 95 SUBSDO/SO O H data signal output pin to the sub microprocessor. 96 SUBCLK/SCL O CLK Clock signal output pin to the sub microprocessor. 97 232RXD I H Not used. 98 232TXD O H Not used. 99 SUBRST/HS O H Reset signal output pin to the sub microprocessor. 100 PROTECT I H over current and over voltage detection input pin. 60 A15 O H Address 15 output pin to Boot ROM. 61 A16 O H Address 16 output pin to Boot ROM. 62 A17 O H Address 17 output pin to Boot ROM. 63 A18 O H Address 18 output pin to Boot ROM. 65 SPF O H Speaker relay control signal output pin for the front channel. 66 SPCS O H Speaker relay control signal output pin for the center and surround channels. 67 SPB O H Speaker relay control signal output pin for the speaker B. 68 VPPEN O H Vpp voltage generation circuit to rewrite the program. 70 HPMUT O H Muting control signal output pin for headphone. 71 VCC Power supply pin. Connect to 5V. 72 VSS Power supply pin. Connect to the ground. 73 VCC Power supply pin. Connect to 5V. 74 VOLH I ANA Output level detection input pin. 75 MODEL I ANA Initializing input pin of model. 76 STEREO I H Stereo broadcast detection input pin. 77 ~SD I L Broadcast detection input pin more than the muting level. 78 RDSEN I H Initializing input pin of RDS broadcast. 79 PALEN I L/H Initializing input pin of PAL or NTSC. 80 AREA1 I H Initializing input pin of band aria. 81 AREA2 I H Initializing input pin of band aria. 83 SDET I H S video signal detection input pin 84 RDSDA I H Data input pin from RDS decoder. 85 RDSSIG I H Signal input pin from RDS decoder 86 SYNC I H External synchronizing judgement input pin from OSD IC. 87 ~VSYNC I L Vertical synchronizing signal input pin. 88 ~POFF I L Power failure detection input pin. 89 RDSSCK I CLK Clock signal input pin from RDS decoder. 90 ~IRIN I L Not used. 91 ~IRZ2 I L Not used. 92 SEC1H O H Amplifier gain control output pin. 93 SUBRDY I H Ready signal input pin from the sub microprocessor. No. Function I/O Act Description TX-SR600/E MAIN MICROPROCESSOR-TERMINAL DESCRIPTIONS TX-SR600E 家电维修资料网 TX-SR700/E MAIN MICROPROCESSOR Connection diagram A 1 2 3 4 5 B C D RL241,RL242 Q241 VIDEO RELAY SW COMPONENT VIDEO 1/2 SELECTOR SW RL901 Q921 POWER RELAY SW Q7001 MPD703033AGC-174-8EU 26 27 28 29 30 31 XT1 32 51 52 53 BVDD 55 BVSS 56 CLKOUT 39 IC/VPP 18 19 20 21 22 23 24 25 10 11 12 13 14 15 16 P37/T15/T05 17 47 48 49 50 54 57 58 59 60 61 62 63 P57/AD15 64 65 66 40 41 42 43 44 45 46 REGC 34 VDD 38 VSS 37 X1 36 X2 35 XT2 33 PUREPOWER PLLCLK PLLSDO PLLSTB TMUT CS5 CS4 CS3 CS2 CS1 SS6 SS5 AMUT Z2MUT FSTB FCL FDA MPURST T12VZ CNPT SELMUT SELCLK SELSDO DIRINT1 DIRINT0 DIRCS DIRPD DSPCS A15M A16M A17M A18M DSPRST INTREQ DSPSDI DSPCLK DSPSDO ~ROM/RAM SPF SPCS POWER X7001 16MHz OSC T12VB T12VA Z2LMUT Q702 FLASH ROM MX27L4000 Q701 DSP IC CS493292 DD-EX,DTS-ES DTS,PLII,NEO 6 Q301 SEL. VOLUME TONE BD3811 Q302 SOUND PROCESSOR BD3812 Q801 DIR IC AK4586 Q802 DA CONVERTER AK4382 Q9509 3.3V CONST. VOLTAGE TUNER PACK Q321 GATE Q322 GATE PREOUT PREOUT SURROUND CH. FRONT/CENTER/SURROUND BACK/SUBWOOFER CH. Q7002 RESET MUTE SWITCH NC NC NC NC GND 5V NC GND 家电维修资料网 TX-SR700/E MAIN MICROPROCESSOR Connection diagram A 1 2 3 4 5 B C D RL7701 Q7701 HP RELAY SW RL6650 Q6601 FRONT RELAY SW RL6651 Q6603 SP B RELAY SW RL6653,RL6654 Q6602 CENTER/SB SR RELAY SW RL6901,RL6902 Q6902 POWER AMP +B SW Q7001 703033AGC-174-8EU 1 2 3 4 5 EVDD 6 76 77 78 79 AVDD 71 AVREF 73 AVSS 72 EVSS 7 86 87 88 89 90 91 92 93 94 95 96 97 98 99 100 8 9 10 11 12 13 14 15 61 62 63 P57/AD15 64 65 66 67 68 P64/A20 69 70 74 75 80 81 P80/ANI8 82 83 84 85 MODEL RDS_EN PAL_EN AREA1 AREA2 CS3 CS2 CS1 SS6 SS5 SS4 SS3 SS2 SS1 OSDCS OSDCK OSDDA PROTECT SUBRST 232TXD 232RXD SUBCLK SUBSDO SUBSDI SUBRDY SEC1H IRZ2 REMIN RDSSCK POFF VSYNC1 SYNCDET RDSSIG RDSDA SDET STEREO SD A17M A18M VPPEN HPMUT SPF SPCS SPB VOLH THERMO. DET. OUTPUT VOLTAGE DET. OVER VOLTAGE CURRENT DETECTION POWER FAILURE DET. Q7502 SUB MICROPROCESSOR UPD780233GC-068-8BT RDS DECODER (European Model only) Q702 FLASH ROM MX27L4000 CH 5V GND +5V +5V +5V GND NC NC INITIALIZING INITIALIZING INITIALIZING Y C MONITOR Q254 Q2041 Q253 Q252 Q251 R2054 SS1 SS2 SS4 SS5 P201 MONITOR Q202 Q201 CS1 CS2 Q7003,Q7004 BUFFER 2210 ON SCREEN DEMODULATOR LC74763 VIDEO SELECTOR SWITCH BA7625 家电维修资料网 Q7502 SUB-MICROPROCESSOR UPD780232GC-068-8BT 21 K3 22 P45/FIP37 41 P44/FIP36 42 P43/FIP35 43 61 ANI2 20 ANI3 19 AVDD 24 AVSS 18 80 79 70 69 68 67 66 65 64 63 62 78 FIP20 58 FIP21 57 FIP22 56 FIP23 55 77 76 75 74 73 72 71 IC 5 P01/INTP1 16 P02/TI 17 P20/SCK3 14 P21/SO3 13 P22 12 P23 11 P24/BUSY 10 P25SO1 9 P26/SI1 8 P27/SCK1 7 P30/FIP24 54 P31/FIP25 53 P32/FIP26 52 P33/FIP27 51 P34/FIP28 50 P35/FIP29 49 P36/FIP30 48 P37/FIP31 47 P40/FIP32 46 P41/FIP33 45 P42/FIP34 44 40 39 38 37 36 35 34 33 32 31 30 29 28 PURELED 27 ZONE2LED 26 POO/INTP0 15 VDD0 25 VDD1 1 VDD2 59 VLOAD 60 VSS0 23 VSS1 2 X1 3 X2 4 RESET 6 Q7501 FL TUBE HNA-16MM39T S7617 DOWN TUNING S7615 PRESET< S7614 TUNING UP S7613 RETURN S7612 MENU S7611 AUDIO ADJUST S7616 PRESET> 2.2K 330 1.2K 820 560 470 K1 K0 U7501 SPS4441E1 IRF Q7581 D7581 STANDBY IND. S7501 MAIN VOLUME Q7001 MAIN MICROPROCESSOR X7501 5MHZ OSC P7705 HEDPHONE SWITCH Q7504 BUFFER P2060 RI TERMINAL ENTER 3.9K S7618 S7619 FM MODE 12K S7627 S7625 MEMORY S7624 DSP S7623 SURROUND S7622 STEREO S7621 DIRECT S7626 CD 2.2K 330 1.2K 820 560 470 TUNER 3.9K S7628 TAPE S7637 VIDEO 3 S7635 VIDEO 1 S7634 DVD S7633 AUDIO-SL S7632 DISPLAY S7631 DIMMER S7636 VIDEO 2 2.2K 330 1.2K 820 560 470 VIDEO 4 3.9K S7638 S7643 SP B S7642 SP A S7641 STANDBY 330 470 K2 . P 16 P15 P14 P13 P 12 P 11 P10 P9 P8 P7 P 6 P5 P 4 P 3 P2 P1 16G 15G 14G 13G 12G 11G 10G 9G 8G 7G 6G 5G 4G 3G 2G 1G P22 P21 P20 P19 P18 P17 P23 P24 P25 P26 P27 P28 P29 P30 P31 P32 P33 P34 P35 K1 K0 AVSS STBYLED -IRIN HPDET SYSOUT SYSIN VAJ VBJ SUBLDY SUBDI SUBDO SUBCL -RESET IC X2 X1 VSS VDD TX-SR600/E SUB-MICROPROCESSOR Connection diagram TX-SR600/E A 1 2 3 4 B C D E 家电维修资料网 No. Function I/O Act Description 1 OSDDA O H Serial data signal output pin to OSD IC. 2 OSDCL O CLK Serial clock signal output pin to OSD IC. 3 OSDCS O H Chip select signal output pin to OSD IC. 4 SVS1 O H Logic output pin of S video 1. 5 SVS2 O H Logic output pin of S video 2. 6 VCC Power supply pin. Connect to 5V. 7 VSS Power supply pin. Connect to the ground. 8 SVS3 O H Logic output pin of S video 3.. 9 SVS4 O H Logic output pin of S video 4. 10 SVS5 O H Logic output pin of S video 5. 11 SVS6 O H Logic output pin of S video 6. 12 VCS1 O H Logic output pin of video 1. 13 VCS2 O H Logic output pin of video 2. 14 VCS3 O H Logic output pin of video 3. 15 VCS4 I/O H Logic output pin of video 4. 16 VCS5 O H Logic output pin of video 5. 17 VCS6 O H Logic output pin of video 6. 19 POWER O H Output pin to control the power supply of amplifier section. 20 PUREPOWER O H Not used. 21 Z2LMUT O H Not used. 22 Z2MUT O H Muting control output pin for Zone 2. 23 AMUT O H Audio muting control output pin. 24 PLLSTB O H Strobe signal output pin to PLL IC in the tuner pack. 25 PLLSDO O H Data signal output pin to PLL IC. 26 PLLCLK O H Clock signal output pin to PLL IC. 27 TMUT O H Muting control output pin for tuner section. 28 FSTB O H Not used. 29 FCL O H Not used. 30 FDA O H Not used. 31 ~RESET System reset pin 35 XOUT Oscillator circuit output pin for main clock. Connector the 16MHz ceramic resonator. 36 XIN Oscillator circuit input pin for main clock. Connector the 16MHz ceramic resonator. 37 VSS Power supply pin. Connect to the ground. 38 VCC Power supply pin. Connect to 5V. 41 CNPT O H Composite signal selector pin. 42 T12VB O H Not used. 43 T12VA O H Not used. 44 SELMUT O H Muting control signal output pin to BD3811. 45 SELCLK O H Clock signal output pin to BD3811. 46 SELSDO O H Data signal output pin to BD3811. 47 DIRINT1 I H Interrupter signal input pin from DIR IC. 48 DIRINT0 I H Interrupter signal input pin from DIR IC. 49 ~DIRCS O L Chip select signal output pin to DIR IC. 50 ~DIRPD O L Power down signal output pin to DIR IC. 51 ~DSPRST O H Reset signal output pinto DIR IC. 52 ~INTREQ I L Interrupter signal of DSP IC and rollback signal input/output pin. 53 DSPSDI I H Serial data signal input pin from DIR and DSP ICs. 54 ~DSPCS O L Chip select signal output pin to DSP IC. 55 BVDD Power supply pin. Connect to 3.3V. 56 BVSS Power supply pin. Connect to ground. 57 DSPCLK O H Serial clock signal output pin to DIR and DSP ICs. 58 DSPSDO O H Serial data signal output pin to DIR and DSP ICs. 59 ~ROM/RAM O L/H ROM/RAM select pin to DSP IC. 94 SUBSDI/SI I H Data signal input pin from the sub microprocessor. 95 SUBSDO/SO O H data signal output pin to the sub microprocessor. 96 SUBCLK/SCL O CLK Clock signal output pin to the sub microprocessor. 97 232RXD I H Not used. 98 232TXD O H Not used. 99 SUBRST/HS O H Reset signal output pin to the sub microprocessor. 100 PROTECT I H over current and over voltage detection input pin. 60 A15 O H Address 15 output pin to Boot ROM. 61 A16 O H Address 16 output pin to Boot ROM. 62 A17 O H Address 17 output pin to Boot ROM. 63 A18 O H Address 18 output pin to Boot ROM. 65 SPF O H Speaker relay control signal output pin for the front channel. 66 SPCS O H Speaker relay control signal output pin for the center and surround channels. 67 SPB O H Speaker relay control signal output pin for the speaker B. 68 VPPEN O H Vpp voltage generation circuit to rewrite the program. 70 HPMUT O H Muting control signal output pin for headphone. 71 VCC Power supply pin. Connect to 5V. 72 VSS Power supply pin. Connect to the ground. 73 VCC Power supply pin. Connect to 5V. 74 VOLH I ANA Output level detection input pin. 75 MODEL I ANA Initializing input pin of model. 76 STEREO I H Stereo broadcast detection input pin. 77 ~SD I L Broadcast detection input pin more than the muting level. 78 RDSEN I H Initializing input pin of RDS broadcast. 79 PALEN I L/H Initializing input pin of PAL or NTSC. 80 AREA1 I H Initializing input pin of band aria. 81 AREA2 I H Initializing input pin of band aria. 83 SDET I H S video signal detection input pin 84 RDSDA I H Data input pin from RDS decoder. 85 RDSSIG I H Signal input pin from RDS decoder 86 SYNC I H External synchronizing judgement input pin from OSD IC. 87 ~VSYNC I L Vertical synchronizing signal input pin. 88 ~POFF I L Power failure detection input pin. 89 RDSSCK I CLK Clock signal input pin from RDS decoder. 90 ~IRIN I L Not used. 91 ~IRZ2 I L Not used. 92 SEC1H O H Amplifier gain control output pin. 93 SUBRDY I H Ready signal input pin from the sub microprocessor. No. Function I/O Act Description TX-SR600/E MAIN MICROPROCESSOR-TERMINAL DESCRIPTIONS TX-SR600E 家电维修资料网 Pin No. Symbol I/O Description Pin No. Symbol I/O Description 1 VDD Power supply terminal. Connect to 5V. 41 P22 O Segment output terminal of P22. 2 VSS Ground terminal. 42 P21 O Segment output terminal of P21. 3 X1 Ceramic oscillator connection terminals for main system. 43 P20 O Segment output terminal of P20. 4 X2 Connect the 5MHz ceramic oscillator between #3 and #4. 44 P19 O Segment output terminal of P19. 5 IC/VPP Internal connection terminal 45 P18 O Segment output terminal of P18. 6 ~RESET I System reset signal input terminal. 46 P17 O Segment output terminal of P17. 7 SUBCL/SCK I Clock input terminal to transmit the signal from main microprocessor. 47 P16 O Segment output terminal of P16. 8 SUBDO/SDI I Data input terminal to transmit the signal from main microprocessor. 48 P15 O Segment output terminal of P15. 9 SUBDI/SDD O Data output terminal to transmit the signal to main microprocessor. 49 P14 O Segment output terminal of P14. 10 SUBLDY O Data ready output terminal to transmit to the main microprocessor. 50 P13 O Segment output terminal of P13. 11 VBJ I Pulse input terminal from the rotary encoder of volume. 51 P12 O Segment output terminal of P12. 12 VAJ I Pulse input terminal from the rotary encoder of volume. 52 P11 O Segment output terminal of P11. 13 SYSIN I System code input terminal. System code output terminal. Detection terminal of headphone insertion. 53 P10 O Segment output terminal of P10. 14 SYSOUT I 54 P9 O Segment output terminal of P9. 15 HPDET I 55 P8 O Segment output terminal of P8. 16 ~IRIN I Signal input terminal from the remote controller. 56 P7 O Segment output terminal of P7. 17 STBYLED O Standby LED control output terminal. 57 P6 O Segment output terminal of P6. 18 AVSS Ground terminal for A/D converter. 58 P5 O Segment output terminal of P5. 19 K0 I Operation key connection terminal. 59 VDD2 Power supply terminal. Apply +5V. 20 K1 I Operation key connection terminal. 60 VLOAD Negative power supply terminal of FL controller. 21 K2 I Operation key connection terminal. 61 P4 O Segment output terminal of P4. 22 K3 I Operation key connection terminal. 62 P3 O Segment output terminal of P3. 23 VSS0 Ground terminal 63 P2 O Segment output terminal of P2. 24 AVDD Power supply terminal for A/D converter. 64 P1 O Segment output terminal of P1. 25 VDDD ZONE2LED PURELED Power supply terminal. Apply +5V. 65 16G O Grid output terminal of 16G. 26 O 66 15G O Grid output terminal of 15G. 27 O 67 14G O Grid output terminal of 14G. 28 P35 O Segment output terminal of P35. 68 13G O Grid output terminal of 13G. 29 P34 O Segment output terminal of P34. 69 12G O Grid output terminal of 12G. 30 P33 O Segment output terminal of P33. 70 11G O Grid output terminal of 11G. 31 P32 O Segment output terminal of P32. 71 10G O Grid output terminal of 10G. 32 P31 O Segment output terminal of P31. 72 9G O Grid output terminal of 9G. 33 P30 O Segment output terminal of P30. 73 8G O Grid output terminal of 8G. 34 P29 O Segment output terminal of P29. 74 7G O Grid output terminal of 7G. 35 P28 O Segment output terminal of P28. 75 6G O Grid output terminal of 6G. 36 P27 O Segment output terminal of P27. 76 5G O Grid output terminal of 5G. 37 P26 O Segment output terminal of P26. 77 4G O Grid output terminal of 4G. 38 P25 O Segment output terminal of P25. 78 3G O Grid output terminal of 3G. 39 P24 O Segment output terminal of P24. 79 2G O Grid output terminal of 2G. 40 P23 O Segment output terminal of P23. 80 1G O Grid output terminal of 1G. SUB MICROPROCESSOR-TERMINAL DESCRIPTION Not used. Not used. TX-SR600/E TX-SR600/E 家电维修资料网 Q7502 SUB-MICROPROCESSOR UPD780232GC-068-8BT 21 K3 22 P45/FIP37 41 P44/FIP36 42 P43/FIP35 43 61 ANI2 20 ANI3 19 AVDD 24 AVSS 18 80 79 70 69 68 67 66 65 64 63 62 78 FIP20 58 FIP21 57 FIP22 56 FIP23 55 77 76 75 74 73 72 71 IC 5 P01/INTP1 16 P02/TI 17 P20/SCK3 14 P21/SO3 13 P22 12 P23 11 P24/BUSY 10 P25SO1 9 P26/SI1 8 P27/SCK1 7 P30/FIP24 54 P31/FIP25 53 P32/FIP26 52 P33/FIP27 51 P34/FIP28 50 P35/FIP29 49 P36/FIP30 48 P37/FIP31 47 P40/FIP32 46 P41/FIP33 45 P42/FIP34 44 40 39 38 37 36 35 34 33 32 31 30 29 28 PURELED 27 ZONE2LED 26 POO/INTP0 15 VDD0 25 VDD1 1 VDD2 59 VLOAD 60 VSS0 23 VSS1 2 X1 3 X2 4 RESET 6 Q7501 FL TUBE HNA-16MM39T S7617 DOWN TUNING S7615 PRESET< S7614 TUNING UP S7613 RETURN S7612 MENU S7611 AUDIO ADJUST S7616 PRESET> 2.2K 330 1.2K 820 560 470 K1 K0 U7501 SPS4441E1 IRF Q7581 D7581 STANDBY IND. S7501 MAIN VOLUME Q7001 MAIN MICROPROCESSOR X7501 5MHZ OSC P7705 HEDPHONE SWITCH Q7504 BUFFER P2060 RI TERMINAL ENTER 3.9K S7618 S7619 FM MODE 12K S7627 S7625 MEMORY S7624 DSP S7623 SURROUND S7622 STEREO S7621 DIRECT S7626 CD 2.2K 330 1.2K 820 560 470 TUNER 3.9K S7628 TAPE S7637 VIDEO 3 S7635 VIDEO 1 S7634 DVD S7633 AUDIO-SL S7632 DISPLAY S7631 DIMMER S7636 VIDEO 2 2.2K 330 1.2K 820 560 470 VIDEO 4 3.9K S7638 S7643 SP B S7642 SP A S7641 STANDBY 330 470 K2 . P 16 P15 P14 P13 P 12 P 11 P10 P9 P8 P7 P 6 P5 P 4 P 3 P2 P1 16G 15G 14G 13G 12G 11G 10G 9G 8G 7G 6G 5G 4G 3G 2G 1G P22 P21 P20 P19 P18 P17 P23 P24 P25 P26 P27 P28 P29 P30 P31 P32 P33 P34 P35 K1 K0 AVSS STBYLED -IRIN HPDET SYSOUT SYSIN VAJ VBJ SUBLDY SUBDI SUBDO SUBCL -RESET IC X2 X1 VSS VDD TX-SR600/E SUB-MICROPROCESSOR Connection diagram TX-SR600/E A 1 2 3 4 B C D E 家电维修资料网 No. Function I/O Act Description 1 OSDDA O H Serial data signal output pin to OSD IC. 2 OSDCL O CLK Serial clock signal output pin to OSD IC. 3 OSDCS O H Chip select signal output pin to OSD IC. 4 SVS1 O H Logic output pin of S video 1. 5 SVS2 O H Logic output pin of S video 2. 6 VCC Power supply pin. Connect to 5V. 7 VSS Power supply pin. Connect to the ground. 8 SVS3 O H Logic output pin of S video 3.. 9 SVS4 O H Logic output pin of S video 4. 10 SVS5 O H Logic output pin of S video 5. 11 SVS6 O H Logic output pin of S video 6. 12 VCS1 O H Logic output pin of video 1. 13 VCS2 O H Logic output pin of video 2. 14 VCS3 O H Logic output pin of video 3. 15 VCS4 I/O H Logic output pin of video 4. 16 VCS5 O H Logic output pin of video 5. 17 VCS6 O H Logic output pin of video 6. 19 POWER O H Output pin to control the power supply of amplifier section. 20 PUREPOWER O H Not used. 21 Z2LMUT O H Not used. 22 Z2MUT O H Muting control output pin for Zone 2. 23 AMUT O H Audio muting control output pin. 24 PLLSTB O H Strobe signal output pin to PLL IC in the tuner pack. 25 PLLSDO O H Data signal output pin to PLL IC. 26 PLLCLK O H Clock signal output pin to PLL IC. 27 TMUT O H Muting control output pin for tuner section. 28 FSTB O H Not used. 29 FCL O H Not used. 30 FDA O H Not used. 31 ~RESET System reset pin 35 XOUT Oscillator circuit output pin for main clock. Connector the 16MHz ceramic resonator. 36 XIN Oscillator circuit input pin for main clock. Connector the 16MHz ceramic resonator. 37 VSS Power supply pin. Connect to the ground. 38 VCC Power supply pin. Connect to 5V. 41 CNPT O H Composite signal selector pin. 42 T12VB O H Not used. 43 T12VA O H Not used. 44 SELMUT O H Muting control signal output pin to BD3811. 45 SELCLK O H Clock signal output pin to BD3811. 46 SELSDO O H Data signal output pin to BD3811. 47 DIRINT1 I H Interrupter signal input pin from DIR IC. 48 DIRINT0 I H Interrupter signal input pin from DIR IC. 49 ~DIRCS O L Chip select signal output pin to DIR IC. 50 ~DIRPD O L Power down signal output pin to DIR IC. 51 ~DSPRST O H Reset signal output pinto DIR IC. 52 ~INTREQ I L Interrupter signal of DSP IC and rollback signal input/output pin. 53 DSPSDI I H Serial data signal input pin from DIR and DSP ICs. 54 ~DSPCS O L Chip select signal output pin to DSP IC. 55 BVDD Power supply pin. Connect to 3.3V. 56 BVSS Power supply pin. Connect to ground. 57 DSPCLK O H Serial clock signal output pin to DIR and DSP ICs. 58 DSPSDO O H Serial data signal output pin to DIR and DSP ICs. 59 ~ROM/RAM O L/H ROM/RAM select pin to DSP IC. 94 SUBSDI/SI I H Data signal input pin from the sub microprocessor. 95 SUBSDO/SO O H data signal output pin to the sub microprocessor. 96 SUBCLK/SCL O CLK Clock signal output pin to the sub microprocessor. 97 232RXD I H Not used. 98 232TXD O H Not used. 99 SUBRST/HS O H Reset signal output pin to the sub microprocessor. 100 PROTECT I H over current and over voltage detection input pin. 60 A15 O H Address 15 output pin to Boot ROM. 61 A16 O H Address 16 output pin to Boot ROM. 62 A17 O H Address 17 output pin to Boot ROM. 63 A18 O H Address 18 output pin to Boot ROM. 65 SPF O H Speaker relay control signal output pin for the front channel. 66 SPCS O H Speaker relay control signal output pin for the center and surround channels. 67 SPB O H Speaker relay control signal output pin for the speaker B. 68 VPPEN O H Vpp voltage generation circuit to rewrite the program. 70 HPMUT O H Muting control signal output pin for headphone. 71 VCC Power supply pin. Connect to 5V. 72 VSS Power supply pin. Connect to the ground. 73 VCC Power supply pin. Connect to 5V. 74 VOLH I ANA Output level detection input pin. 75 MODEL I ANA Initializing input pin of model. 76 STEREO I H Stereo broadcast detection input pin. 77 ~SD I L Broadcast detection input pin more than the muting level. 78 RDSEN I H Initializing input pin of RDS broadcast. 79 PALEN I L/H Initializing input pin of PAL or NTSC. 80 AREA1 I H Initializing input pin of band aria. 81 AREA2 I H Initializing input pin of band aria. 83 SDET I H S video signal detection input pin 84 RDSDA I H Data input pin from RDS decoder. 85 RDSSIG I H Signal input pin from RDS decoder 86 SYNC I H External synchronizing judgement input pin from OSD IC. 87 ~VSYNC I L Vertical synchronizing signal input pin. 88 ~POFF I L Power failure detection input pin. 89 RDSSCK I CLK Clock signal input pin from RDS decoder. 90 ~IRIN I L Not used. 91 ~IRZ2 I L Not used. 92 SEC1H O H Amplifier gain control output pin. 93 SUBRDY I H Ready signal input pin from the sub microprocessor. No. Function I/O Act Description TX-SR600/E MAIN MICROPROCESSOR-TERMINAL DESCRIPTIONS TX-SR600E 家电维修资料网 R2060 C241 C242 R249 Q241 D241 D242 7 7 12 12 12 7 17 17 7 12 20 7 25 27 12 30 17 7 7 CNPT DGND +5V RL242 RL241 COMPONENT OUT Y CB CR COMPONENT1 Y CB1 CR1 COMPONENT2 Y2 CB2 CR2 25137465 NCVD-7465 1 CB CR Y1 CB1 CR1 GND GND GND GND Y1 GND P241 P241 P2060 P2060 J2066 J2067 J2069 J2068 J2063 P242A J2061 J2064 J2065 J2062 Y2 CR2 CB2 GND GND GND RI +8V CNPT P243A DGND NCETC-7486 1 COAX P107A P106A P105A P207A P205A P2207A J2006 J2002 Q2032 Q2031 R2037 R2036 R2035 C2032 C2031 J2023 J2001 J2007 J2009 J2011 J2010 Q2227 Q2226 Q2225 J2005 J2008 R2247 R2248 R2249 R2250 R2251 R2252 C2244 C2243 J2004 J2022 J2003 25137486 J2016 OPTIN2 GND OPTIN1 +5VD DIFTX OSDCK OSDCS OSDSD VSYNC SYNCDET +7V -7V Z2LMUT Z2LOR Z2LOL AGND ABUSIN T12VZ IRABUS +12V D1GND T12VA T12VB REMIN SS3 CS3 ISS CS4 CS5 SS6 SS5 SS1 SS4 CS1 CS2 SS2 RI +5VVD VGND VGND VGND CNPT VSYNC OSDSD OSDCS OSDCK DIFTX +5VD OPTIN1 DGND OPTIN2 COAX SYNCDET VGND T12VB IRIN SS3 CS3 ISS CS4 CS5 SS6 SS5 SS1 SS4 CS1 CS2 SS2 RI +5VVD VGND VGND CNPT D1GND +7V Z2LMUT Z2LOR AGND Z2LOL ABUSIN T12VZ IRABUS +12V D1GND T12VA -7V AGND T12ABUS AGND T12VZ AGND Q2228 C2246 R2253 C2245 Q2234 Q2232 Q2231 Q2235 R2079 J2020 J2019 J2024 J2021 J2014 Q2236 J2015 Q2233 J2013 R2081 R2082 J2012 R2080 R2077 R2078 Q2237 J2017 R2083 J2018 Connector PC board Component video terminal PC board Component side Soldering side TX-SR600/E PRINTED CIRCUIT BOARD VIEW 9 Video section 2 U6 U26 A 1 2 3 4 5 B C D 家电维修资料网 C208 C210 C211 C213 C219 C220 C224 C225 C226 C227 C228 C229 C230 C231 C233 C234 C235 C237 C238 C239 C246 C247 C248 C250 C251 C253 C255 C257 C259 C261 C264 C266 C267 C273 C275 C2006 C2011 C2012 C2013 C2014 C2017 C2041 C2043 D201 D2001 D2002 L201 L202 L241 L2011 L2012 L2013 L2014 Q201 Q202 Q203 Q204 Q206 Q207 Q208 Q209 Q211 Q211 Q251 Q252 Q253 Q254 Q255 Q256 Q257 Q258 Q2003 Q2004 Q2005 Q2006 Q2007 Q2008 Q2009 Q2041 Q2043 Q2044 Q2045 Q2051 Q2052 R201 R202 R203 R204 R205 R206 R207 R208 R210 R215 R216 R217 R218 R219 R220 R221 R222 R223 R224 R225 R226 R227 R228 R229 R230 R231 R232 R233 R234 R235 R236 R237 R238 R239 R240 R242 R243 R244 R250 R251 R252 R253 R254 R255 R256 R257 R258 R259 R260 R261 R262 R263 R264 R265 R266 R268 R290 R298 R299 R2013 R2014 R2015 R2016 R2017 R2018 R2019 R2020 R2021 R2022 R2023 R2024 R2025 R2026 R2027 R2059 R2031 R2032 R2033 R2034 R2058 R2040 R2041 R2042 R2043 R2044 R2046 R2048 R2051 R2052 R211 R2045 R246 R245 R212 R2053 R248 R2047 R247 R213 R2028 R2054 R2055 R2030 14 1 7 8 L243 R2056 R2039 R2057 L203 R2038 R2049 R2050 R214 R2029 R279 R2086 R2087 R2085 R2084 R277 R278 R270 R269 R280 R289 R287 R288 R2088 D206 R209 C2009 D202 C2045 D204 D205 D203 15 17 15 15 15 27 27 15 27 17 7 25 12 20 15 7 7 7 15 7 22 30 22 22 15 7 20 25 27 15 27 15 27 22 25 15 15 20 17 25 12 15 25 27 7 12 17 30 17 7 30 30 27 12 C201 C202 C203 C204 C205 C206 C207 C209 C212 C214 C215 C216 C217 C218 C221 C222 C223 C232 C236 C240 C252 C254 C256 C258 C260 C262 C263 C265 C268 C269 C274 C2005 C2007 C2015 C2016 C2042 P201 P201 P202 P202 P203 P203 P206 P206 P208 P208 P2004 P2004 P205B P207B P209A P243B Q205 Q205 Q210 Q210 Q259 Q259 Q260 Q260 Q2002 Q2002 Q2033 Q2033 U201 U201 U202 U202 U203 U203 J210 J224 J225 J226 J227 J261 J244 J228 J229 J247 J255 J257 J256 J248 J231 J250 J259 J249 J237 J213 J252 J230 J214 J236 J223 J212 J215 J216 J202 J234 J240 J242 J207 J203 J211 J204 J217 J219 J218 J206 J232 J233 J263 J254 J264 J253 J251 J239 J266 J243 J241 J238 J235 J201 J220 J221 J222 J209 L242 L242 J265 J208 J246 25137464 NCVD-7464 2 OPT2IN DGND OPT1IN +5V DIFTX COAX OSDCK OSDSD OSDCS VSYNC SYNCD VGND IRIN SS3 CS3 ISS CS4 CS5 SS6 SS5 SS1 SS4 CS1 CS2 SS2 12VZ2 +8VVD D1GND CNPT VGND RI VGND X201 X202 J205 P210 J262 J260 J258 VIDEO-4IN RI CNPT +8V DIGND M-OUT DVD-IN V1-IN V1-OUT V2-IN V2-OUT V3-IN V3-IN OPT-OUT OPT1-IN OPT2-IN COAX IN/OUT IRIN IROUT 12VTRGZ J245 C243 C2044 C2019 C2018 C270 C GND S-Y GND S-C C2008 J267 RX-2 RX-1 TX Video terminal PC board Component side Soldering side TX-SR600/E PRINTED CIRCUIT BOARD VIEW 8 Video section 1 U5 A 1 2 3 4 5 B C D 家电维修资料网 17 20 7 7 17 17 12 15 15 15 JL6952B JL6951B F9501A F9501B R9592 R9591 R9594 J9503 J9512 J9502 J9513 J9508 J9509 J9501 J9507 J9505 J9504 F9501 2.5A/125V J9506 J9511 J9510 P995B 10 11 12 13 14 15 16 17 18 19 20 21 NCPS-7477 25137477 P996B P997B 0 C9591 R9593 JL6953B P7502B JL9501A HPR1 HPL1 HPE FAC1 FAC2 HPE HPE HPL1 HPR1 S3 S3GND S3 S2 S2 P918A P917A NCSW-7487 25137487 0 C902 C902 S906 S906 P911A P912A P913A 1 5 7 25137489 NCPS-7489 0 3 J961 J962 J963 U17 U27 U29 Secondary circuit PC board Power switch PC board (Except 120V model) Terminal PC board TX-SR600/E PRINTED CIRCUIT BOARD VIEW 7 Power supply and output sections A 1 2 3 4 5 B C D 家电维修资料网 1 2 3 4 5 7 8 5 6 7 8 9 7 7 15 15 7 7 7 20 22 15 15 22 25 7 30 30 27 7 17 15 7 12 17 20 15 15 15 15 17 7 22 22 25 30 30 7 7 30 15 12 27 25 27 27 22 22 20 7 22 7 7 12 17 25 27 12 15 12 P902 P902 P901A P909 P908 T902 T902 8A/125V AC-G P925 S902 S902 J909 P917 F902B F902A J923 F901B F901A F903A F903B P918 P911 P912 P913 J910 J911 E921 J930 J925 J922 RL901 RL901 C901 C901 J927 J926 J912 J918 J932 J933 J934 J931 J901 R901 J905 J906 J916 J915 J903 J904 D924 D923 R921 D921 C921 D922 C922 D925 R924 J955 Q921 R922 R923 C923 J902 J908 AC-H T2.5AL250V T4AL250V P931A J929 J928 J921 J920 J914 J919 J907 120V 220V B E POWER MPUGND MPUGND +13VS +13VS P901D F903 25137484 NCPS-7484 F901 F902 1 R926 J951 J913 P921A P921 P915 P916 P926 P925 P922 P922A P955B N N L L AC-G AC-H C6600 C6601 C6840 C6841 C6842 C6843 C6844 C6845 C6850 C6851 C6852 C6853 C6854 C6855 C6857 C6856 D6601 JL6803B JL6804B JL6805B L6800 L6800 L6801 L6801 L6802 L6802 L6803 L6803 L6804 L6804 L6805 L6805 R6800 R6801 R6802 R6803 R6804 R6805 R6810 R6811 R6812 R6813 R6814 R6815 RL6600 RL6600 RL6601 RL6601 RL6603 RL6603 RL6604 RL6604 P6800 P6800 P6802 P6802 P6801 P6801 J6616 J6618 D6600 J6628 J6629 J6630 J6622 J6624 J6623 J6621 J6605 J6607 J6608 J6620 C6604 D6604 J6615 J6610 J6614 J6613 J6626 J6617 J6625 J6631 J6627 J6606 J6603 J6601 NCETC-7475 25137475 1 LSP RSP CSP LSSP RSSP SBSP LSPE RSPE CSPE LSSPE RSSPE SBSPE +24V SCRLD FRLD BRLD J6609 C6846 C6847 J6619 J6604 J6612 J6611 J6634 J6635 J6632 J6633 J6602 J16A J15A J16B J15B BLACK GREEN BROWN BLUE RED WHITE GREY BLACK BLACK BLACK BLACK BLACK BLACK BLACK WHITE RED U16 U24 Speaker terminal PC board Primary circuit PC board TX-SR600/E PRINTED CIRCUIT BOARD VIEW 6 Power supply and output sections A 1 2 3 4 5 B C D 家电维修资料网 20 17 27 27 30 30 7 7 17 17 7 20 20 17 17 30 30 27 7 7 22 27 17 20 20 20 30 30 15 25 27 22 30 22 15 17 17 22 22 20 20 20 20 20 20 20 20 20 20 20 20 30 30 30 30 20 20 20 20 20 20 20 20 30 30 0 0 0 25 12 12 20 12 12 25 7 7 20 20 15 22 20 22 15 30 27 25 7 27 27 12 12 20 15 27 7 12 20 15 27 7 2 20 15 27 7 7 C6901 C6901 C6902 C6902 J6013 J6006 JL6803A JL6804A P6011A D6904 D6905 J6090 J6089 J6060 J6061 RL6901 RL6901 RL6902 RL6902 P931 JL6952A JL6951A J6085 J6086 J6087 J6088 J6084 J6026 J6025 J6091 J6104 J6059 J6058 Q6603 R6603 Q6602 Q6901 J6024 R6902 D6706 D6705 C6708 D6901 C6903 D6902 C6904 C6905 R6904 R6905 C6906 C6907 R6706 C6704 D6703 R6704 Q6703 R6702 C6703 J6110 R6701 J6112 J6111 J6106 J6113 J6114 J6041 J6056 J6047 J6046 +13VS +13VS MPUGND MPUGND POWER +B1 -B1 J6115 P6909 F6901 F6902 10A/125V C6510 C6520 R6510 R6520 J6107 E E B E B R6708 J6004 J6002 J6020 J6038 J6017 J6040 J010 J6049 J6050 R6604 J6409 J6410 P6922 P6923 J6005 R6235 R6234 R6233 R6232 R6231 C6234 C6233 C6232 C6231 C6230 +24V CSRLD FRLD BRLD Q6601 R6601 J011 J011A J010A J6021 J6043 J6023 J6044 P6073A J6067 C6706 D6704 R6710 R6709 C6701 JL6805A Q6701 D6702 Q6702 D6701 Q6303 D6307 D6306 R6306 R6307 R6308 P6301 J6066 J6092 JL6402A COM TH1 +24V +24V TH1 LSP RSP CSP LSSP RSSP LSPE RSPE CSPE LSSPE RSSPE R6605 R6602 B B B E E P6841 E E E B B B J6499 J6484 L R C P995A P997A P996A P6906 J6073 J6072 J6071 J6070 J6069 J6068 J6030 J6031 J6032 J6033 J6007 J6008 J6009 J6010 J6012 J6011 J6028 J6029 J6075 J6074 J6094 J6095 J6096 J6097 J6116 J6117 J6118 J6119 J6121 J6120 29 30 J6131 J6132 J6133 R6131 R6521 C6031 C6030 J6053 J6055 J6054 J6037 J6103 J6102 J6101 J6136 J6076 J6122 Q6050 Q6060 Q6051 Q6052 Q6062 Q6061 C6511 C6521 J6099 145 R6511 R6130 C6235 J6127 J6082 J6034 R6230 J6108 J6109 J6042 J6022 J6003 J6001 J6018 J6045 J6019 J6057 J6039 J6083 J6036 J6078 J6124 J6134 J6081 P6840 D6906 C6920 SBSPE SBSP J12 P6000A P6001A P6002A J6016 F6901B F6902B F6901A F6902A P955A B E Q6010 ID- R6140 B E Q6070 R6150 C6050 J6051 B B ID+ Q6040 Q6030 R6070 R6030 R6040 R6050 Q6020 P6080 D6000 R6160 R6180 R6170 R6020 R6090 NF -B1 +B1 B+ B- E BIAS J6052 J6015 J6035 J6014 R6100 R6000 C6040 R6080 J6027 R6010 B E Q6011 ID- R6141 B E Q6071 R6151 C6051 J6098 B B ID+ Q6041 Q6031 R6071 R6031 R6041 R6051 Q6021 P6081 D6001 R6161 R6181 R6171 R6021 R6091 NF -B1 +B1 B+ B- E E BIAS J6100 J6079 J6080 J6077 R6101 R6001 C6041 R6081 J6093 R6011 B E Q6012 ID- 2 C6052 J6137 B B ID+ Q6042 Q6032 R6072 R6032 R6042 R6052 Q6022 P6082 R6022 R6092 NF -B1 +B1 B+ B- E E BIAS J6135 J6125 J6126 J6123 R6102 R6002 C6042 R6082 J6128 R6012 B E NF -B1 +B1 B+ B- E BIAS B E NF -B1 +B1 B+ B- BIAS B E NF -B1 +B1 B+ B- BIAS B E B E E B P6903A P6842 J6062 J6063 J6064 J6065 B C E B C E B C E B C E B C B C E U15 Power amplifier PC board TX-SR600/E PRINTED CIRCUIT BOARD VIEW 5-2 Power amplifier section 3 A 1 2 3 4 5 B C D 家电维修资料网 30 30 20 20 20 20 20 20 30 30 20 20 20 20 20 20 20 20 20 20 15 20 12 12 25 12 12 25 12 12 25 7 15 20 20 7 7 7 20 20 20 27 27 27 30 12 12 7 12 20 15 27 7 12 20 15 27 7 12 20 15 27 7 15 17 HPE +24V RLGND RLGND VOLH SE1H +13VS SPB SPCS SPF POWER PRO HPL HPR MPUGND NCAF-7474 25137474B 1 LS RS J6129 J6130 J6131 J6132 J6133 J6138 J6139 J6140 J6141 J6142 J6149 J6150 J6156 J6157 J6164 J6165 J6176 J6177 J6178 J6183 J6184 J6185 J6196 J6197 R6132 R6512 R6133 R6522 R6134 R6513 R6135 C6035 C6034 C6033 C6032 J6143 J6144 J6136 J6162 J6163 J6161 J6186 J6187 J6182 J6203 J6202 J6166 J6167 J6146 J6168 J6188 Q6053 Q6054 Q6055 Q6065 Q6064 Q6063 Q6062 C6512 J6145 C6513 J6180 C6522 J6159 J6147 J6174 J6192 R6751 R6750 C6514 R6515 R6523 C6523 P6072A J6152 J6170 J6190 J6173 J6155 J6193 JL6953A SB P6931A J6194 +24V P6002A P6003A P6004A P6005A J6204 B Q60 ID- R6142 B E Q6072 R6152 C6052 J6137 B ID+ Q6042 R6052 Q60 P6082 D6002 R6162 R6182 R6172 NF -B1 +B1 B+ B- E BIA J6135 R6 J6128 B E Q6013 ID- R6143 B E Q6073 R6153 C6053 J6158 B B ID+ Q6043 Q6033 R6073 R6033 R6043 R6053 Q6023 P6083 D6003 R6163 R6183 R6173 R6023 R6093 NF -B1 +B1 B+ B- E E BIAS J6160 J6153 J6154 J6151 R6103 R6003 C6043 R6083 J6148 R6013 B E Q6014 ID- R6144 B E Q6074 R6154 C6054 J6179 B B ID+ Q6044 Q6034 R6074 R6034 R6044 R6054 Q6024 P6084 D6004 R6164 R6184 R6174 R6024 R6094 NF -B1 +B1 B+ B- E E BIAS J6181 J6171 J6172 J6169 R6104 R6004 C6044 R6084 J6175 R6014 B E Q6015 ID- R6145 B E Q6075 R6155 C6055 J6200 B ID+ Q6045 Q6035 R6075 R6035 R6045 R6055 Q6025 P6085 D6005 R6165 R6185 R6175 R6025 R6095 NF -B1 +B1 B+ B- E E BIAS J6201 J6191 J6198 J6189 R6105 R6005 C6045 R6085 J6195 R6015 B NF -B1 +B1 B+ B- BIA B E B NF -B1 +B1 B+ B- BIAS B E B NF -B1 +B1 B+ B- E BIAS B E B NF -B1 +B1 B+ B- BIAS J6199 B E E B B E E B J6205 J6206 B C E B C E B C E B C E B C E B C E B C E JL6402B R6380 +24V TH1 +24V 25137480 NCETC-7480 0 U15 U20 Power amplifier PC board Thermal detector PC board TX-SR600/E PRINTED CIRCUIT BOARD VIEW 5-1 Power amplifier section 2 A 1 2 3 4 5 B C D 家电维修资料网 L R C RS LS SB 7 20 15 30 12 22 20 17 17 20 12 22 30 15 J5037 NCAF-7483 25137483B 1 L R C LS RS E E E E E P6011B J5001 J5007 J5021 J5024 P404A J5028 P6072B J5032 J5035 J5038 J5042 J5046 J5040 J5044 J5045 J5049 J5051 E SB P404C P6903B P6000B P6001B P6002B P6003B P6004B P6005B J5020 J5025 C5040 C5010 R5010 R5000 R5020 R5040 C5030 R5030 C5080 Q5000 Q5010 R5120 C5070 R5050 C5000 E C5050 C5020 R5080 R5070 Q5040 R5170 B- B+ NF +B1 -B1 R5190 R5180 C5100 C5110 J5002 R5110 R5130 C5090 B E E Q5050 D5000 R5100 R5090 R5060 J5004 R5160 Q5020 Q5030 R5140 R5150 B E C5041 C5011 R5011 R5001 R5021 R5041 C5031 R5031 C5081 Q5001 Q5011 R5121 C5071 R5051 C5001 E C5051 C5021 R5081 R5071 Q5041 R5171 B- B+ +B1 -B1 R5191 R5181 C5101 C5111 J5022 R5111 R5131 C5091 B E E Q5051 D5001 R5101 R5091 R5061 J5023 R5161 Q5021 Q5031 R5141 R5151 E B C5042 C5012 R5012 R5002 R5022 R5042 C5032 R5032 C5082 Q5002 Q5012 R5122 C5072 R5052 C5002 E C5052 C5022 R5082 R5072 Q5042 R5172 B- B+ NF +B1 -B1 R5192 R5182 C5102 C5112 J5033 R5112 R5132 C5092 B E E Q5052 D5002 R5102 R5092 R5062 J5034 R5162 Q5022 Q5032 R5142 R5152 E B C5044 C5014 R5014 R5004 R5024 R5044 C5034 R5034 C5084 Q5004 Q5014 R5124 C5074 R5054 C5004 B E C5054 C5024 R5084 R5074 Q5044 R5174 B- NF R5194 R5184 C5104 C5114 J5047 R5114 R5134 C5094 B E E Q5054 D5004 R5104 R5094 R5064 J5048 R5164 Q5024 Q5034 R5144 R5154 E B C5043 C5013 R5013 R5003 R5023 R5043 C5033 R5033 C5083 Q5003 Q5013 R5123 C5073 R5053 C5003 B E C5053 C5023 R5083 R5073 Q5043 R5173 B- NF +B1 -B1 R5193 R5183 C5103 C5113 J5039 R5113 R5133 C5093 B E E Q5053 D5003 R5103 R5093 R5063 J5041 R5163 Q5023 Q5033 R5143 R5153 E B C5045 C5015 R5015 R5005 R5025 R5045 C5035 R5035 C5085 Q5005 Q5015 R5125 C5075 R5055 C5005 B E C5055 C5025 R5085 R5075 Q5045 R5175 B- B+ NF +B1 -B1 R5195 R5185 C5105 C5115 J5052 R5115 R5135 C5095 B E E Q5055 D5005 R5105 R5095 R5065 J5053 R5165 Q5025 Q5035 R5145 R5155 B E B B E B B E B B E NF B B E B E B+ -B1 +B1 B B E B E B+ B B E B B E B B E B E B B E J5003 J5080 J5081 J5082 J5083 J5084 J5085 J5086 J5087 J5088 J5089 J5090 J5091 J5026 J5036 J5043 J5050 J5054 P406A J1A J2A J3A J4A J6A J5A J1B J2B J4B J3B J6B J5B P5001 P5000 P5002 P5003 Driver circuit PC board TX-SR600/E PRINTED CIRCUIT BOARD VIEW 4-1 Power amplifier section 1 U23 A 1 2 3 4 5 B C D 家电维修资料网 R2504 R2503 R2505 R2501 R2502 C2502 C2501 C2503 C2504 V4C GND GND V4Y V-4 V4E V4-L V4-R L2601 C2602 R2601 +5V GND V4D C7704 C7702 C7701 HPDET HPR2 GND HPL2 HPE L7703 L7704 25137463 NCETC-7463 P7705 P7705 1 JL7502B E7701 P7706 GND HPDET HPL2 HPE HPR2 J7701 J7702 J7703 C7703 L7701 P2503 P2503 P209B P2501B P2505 NCVD-7467 25137467 1 V4C GND GND V4Y V-4 V4-L V4E V4-R 0 25137470 NCDG-7470 P2601B C2601 U2601 U2601 +5V GND V4D Component side Component side Component side Soldering side Soldering side Soldering side Front video PC board Front optical input PC board Headphone terminal PC board TX-SR600/E PRINTED CIRCUIT BOARD VIEW 3 Front panel section U4 U11 U8 A 1 2 3 4 5 B C D 家电维修资料网 TX-SR600/E PRINTED CIRCUIT BOARD VIEW 2-4 DSP section 1 C101 C104 C105 C181 C182 C183 C184 C185 C186 C187 C701 C702 C703 C705 C706 C707 C708 C709 C710 C711 C712 C713 C714 C715 C716 C717 C718 C719 C721 C722 C723 C724 C727 C728 C730 C731 C805 C9501 C9502 C9503 C9504 C9505 C9505 C9506 C9506 C9507 C9509 C9510 C9515 C9515 C9519 C9520 C9521 C9522 C9523 C9523 C9524 C9525 C9526 C9527 C7001 C7005 C7006 C7007 C7008 C7009 C7010 D9501 D9502 D9503 D9504 D9511 D9512 D9513 D7001 D7002 D7003 D7004 D7006 JL9501B L181 L701 L702 L703 L704 L705 L7001 P9501 P9502 P7701 P2208A P2501A P6931B P7501B Q101 Q181 Q181 Q701 Q701 Q702 Q702 Q704 Q704 Q705 Q705 Q708 Q708 Q9501 Q9504 Q9505 Q9506 Q9507 Q9508 Q9509 Q7001 Q7001 Q7002 Q7003 Q7004 R104 R105 R181 R182 R183 R184 R185 R186 R187 R701 R702 R703 R704 R705 R706 R707 R708 R709 R710 R711 R712 R713 R714 R715 R716 R717 R718 R719 R720 R721 R722 R723 R724 R725 R726 R727 R728 R729 R730 R731 R732 R733 R734 R735 R736 R737 R738 R739 R742 R743 R744 R751 R746 R818 R9501 R9507 R9509 R9510 R9511 R7001 R7002 R7003 R7004 R7005 R7006 R7007 R7008 R7009 R7010 R7011 R7012 R7013 R7014 R7016 R7017 R7018 R7019 R7020 R7021 R7022 R7023 R7024 R7025 R7027 R7028 R7030 31 R7032 33 R7034 035 R7036 R7037 R7038 R7039 R7040 R7041 R7042 R7043 R7044 R7045 R7046 R7047 R7048 R7049 R7050 R7051 R7052 R7053 R7054 R7055 R7056 R7057 R7058 R7059 R7060 R7061 R7062 R7065 R7066 R7067 R7068 R7069 R7070 R7071 R7072 R7073 R7074 R7075 R7076 R7077 R7078 R7079 R7080 R7081 R7082 R7083 R7084 R7085 R7086 R7088 R7089 R7090 R7091 X181 X701 E301 E302 1 1 6 7 17 18 28 29 39 40 1 1 1 1 1 R9512 R9508 R745 C734 R750 L806 P13 P10 P11 1 L300 L302 C370 C371 L301 C372 C9530 R7063 WHEN J5A U1 Main circuit PC board C704 C720 C725 C726 C729 C9508 C9511 C9511 C9512 C9512 C9513 C9513 C9514 C9514 C9516 C9516 C9517 C9518 D9505 D9506 D9507 D9508 D9509 D9510 L706 P2601A Q703 Q703 Q706 Q706 Q709 Q9502 Q9503 R740 R748 R9502 R9503 R9504 R9505 R9506 1 1 1 R749 R741 P12 Pattern:Parts side A 1 2 3 4 5 B C D 家电维修资料网 U1 Main circuit PC board 1 Pattern: Parts side C101 C102 C103 C104 C300 C301 C304 C305 C306 C307 C308 C309 C310 C311 C314 C315 C316 C317 C318 C319 C320 C321 C322 C323 C324 C325 C326 C327 C328 C329 C330 C331 C332 C333 C334 C335 C336 C337 C338 C339 C340 C341 C344 C345 C346 C348 C349 C350 C351 C352 C353 C354 C357 C358 C359 C360 C361 C362 C363 C364 C365 C366 C709 C713 C714 C715 C716 C717 C718 C719 C731 C732 C733 C801 C802 C803 C804 C806 C807 C808 C809 C810 C811 C812 C813 C814 C815 C816 C818 C819 C825 C826 C827 C828 C829 C830 C831 C832 C833 C834 C835 C836 C837 C838 C839 C840 C841 C842 C843 C844 C846 C847 C848 C849 C7002 C7003 C7004 C7005 D7005 L701 L702 L704 L705 L801 L802 L803 L804 L805 P101 P307 P308 P309 P801 P9501A P404B P2062B Q302 Q302 Q305 Q306 Q307 Q308 Q309 Q310 Q311 Q312 Q315 Q316 Q317 Q318 Q321 Q322 Q701 Q707 Q801 Q801 Q802 Q802 Q803 Q804 Q805 Q806 Q7002 R103 R300 R301 R302 R303 R304 R305 R306 R307 R308 R309 R310 R311 R312 R313 R314 R315 R316 R317 R318 R319 R320 R321 R324 R325 R330 R331 R334 R335 R344 R345 R346 R349 R350 R351 R352 R353 R354 R355 R356 R357 R358 R359 R360 R361 R362 R363 R364 R365 R366 R367 R368 R369 R370 R371 R372 R373 R374 R375 R376 R377 R378 R379 R380 R381 R382 R383 R384 R385 R386 R387 R388 R389 R390 R393 R394 R395 R396 R397 R398 R723 R724 R7 R726 R727 R728 R729 R747 R801 R802 R803 R804 R805 R806 R807 R808 R809 R810 R811 R812 R813 R814 R815 R816 R817 R818 R826 R827 R828 R829 R831 R832 R833 R834 R835 R836 R837 R838 R839 R841 R842 R843 R844 R845 R846 R847 R848 R849 R852 R853 R854 R855 R856 R857 R860 R861 R7018 R7019 R7020 R7021 R7022 R7023 R702 R702 R7026 R7027 R7028 R7029 R7030 R7031 R7032 R7033 R7034 R7035 R7036 R7037 R7038 R7039 R7087 X701 X7001 E300 Q301 Q301 NCDG-7460 25137460B P107B P106B P105B 2 2 1 1 1 1 1 Q304 1 1 1 1 R399 C854 C853 C852 C851 C856 C855 R391 R392 L806 Q319 Q313 Q320 Q314 C355 C356 1 J1 P306 P306 P301 P301 P302 P302 P303 P303 P304 P304 P305 P305 R7063 R821 R820 WHEN TUC-P 12pin WHEN TUC-P 4pin J2 J3 J2A J3A J1A J4A J5 TX-SR600/E PRINTED CIRCUIT BOARD VIEW 2-3 DSP section A 1 2 3 4 5 B C D 家电维修资料网 1 C101 C104 C105 C181 C182 C183 C184 C185 C186 C187 C701 C702 C703 C704 C705 C706 C707 C708 C709 C710 C711 C712 C713 C714 C715 C716 C717 C718 C720 C721 C722 C723 C724 C725 C726 C727 C728 C729 C730 C731 C805 C9501 C9502 C9503 C9504 C9505 C9505 C9506 C9506 C9507 C9508 C9509 C9510 C9511 C9511 C9512 C9512 C9513 C9513 C9514 C9514 C9515 C9515 C9516 C9516 C9517 C9518 C9519 C9520 C9521 C9522 C9523 C9523 C9524 C9525 C9526 C9527 C7001 C7005 C7006 C7007 C7008 C7009 C7010 D9501 D9502 D9503 D9504 D9505 D9506 D9507 D9508 D9509 D9510 D9511 D9512 D9513 D7001 D7002 D7003 D7004 D7006 JL9501B L181 L701 L702 L703 L704 L705 L706 L7001 P9501 P9502 P7701 P2208A P2501A P2601A P6931B P7501B Q101 Q181 Q181 Q701 Q701 Q702 Q702 Q703 Q703 Q704 Q704 Q705 Q705 Q706 Q706 Q708 Q708 Q709 Q9501 Q9502 Q9503 Q9504 Q9505 Q9506 Q9507 Q9508 Q9509 Q7001 Q7001 002 Q7003 Q7004 R104 R105 R181 R182 R183 R184 R185 R186 R187 R701 R702 R703 R704 R705 R706 R707 R708 R709 R710 R711 R712 R713 R714 R715 R716 R717 R718 R719 R720 R721 R722 R723 R724 R725 R726 R727 R728 R729 R730 R731 R732 R733 R734 R735 R736 R737 R738 R739 R740 R748 R742 R743 R744 R751 R746 R9501 R9502 R9503 R9504 R9505 R9506 R9507 R9509 R9510 R9511 R7001 R7002 R7003 R7004 R7005 R7006 R7007 R7008 R7009 R7010 R7011 R7012 R7013 R7014 R7016 R7017 R7018 R7019 R7020 R7021 R7022 R7023 R7024 R7025 R7027 R7028 R7030 R7032 R7034 R7036 R7037 R7038 R7039 R7040 R7041 R7042 R7043 R7044 R7045 R7046 R7047 R7048 R7049 R7050 R7051 R7052 R7053 R7054 R7055 R7056 R7057 R7058 R7059 R7060 R7061 R7062 R7065 R7066 R7067 R7068 R7069 R7070 R7071 R7072 R7073 R7074 R7075 R7076 R7077 R7078 R7079 R7080 R7081 R7082 R7083 R7084 R7085 R7086 R7088 R7089 R7090 R7091 X181 E301 E302 1 1 1 1 1 6 7 17 18 28 29 39 40 1 1 1 1 R9512 R9508 R745 C734 R750 R749 R741 L806 P13 P12 P10 P11 1 L300 L302 C370 C371 L301 C372 C9530 R7063 EN J5A U1 Main circuit PC board TX-SR600/E PRINTED CIRCUIT BOARD VIEW 2-2 DSP section A 1 2 3 4 5 B C D 家电维修资料网 � C101 C102 C103 C104 C300 C301 C304 C305 C306 C307 C308 C309 C310 C311 C314 C315 C316 C317 C318 C319 C320 C321 C322 C323 C324 C325 C326 C327 C328 C329 C330 C331 C332 C333 C334 C335 C336 C337 C338 C339 C340 C341 C344 C345 C346 C348 C349 C350 C351 C352 C353 C354 C357 C358 C359 C360 C361 C362 C363 C364 C365 C366 C705 C706 C709 C712 C713 C714 C715 C716 C717 C718 C719 C731 C732 C733 C801 C802 C803 C804 C806 C807 C808 C809 C810 C811 C812 C813 C814 C815 C816 C818 C819 C825 C826 C827 C828 C829 C830 C831 C832 C833 C834 C835 C836 C837 C838 C839 C840 C841 C842 C843 C844 C846 C847 C848 C849 C7001 C7002 C7003 C7004 C7005 C7006 C7007 D7005 L701 L702 L704 L705 L801 L802 L803 L804 L805 P101 P307 P308 P309 P801 P9501A P404B P2062B Q302 Q302 Q305 Q306 Q307 Q308 Q309 Q310 Q311 Q312 Q315 Q316 Q317 Q318 Q321 Q322 Q701 Q701 Q707 Q801 Q801 Q802 Q802 Q803 Q804 Q805 Q806 Q7001 Q7001 Q7002 R103 R300 R301 R302 R303 R304 R305 R306 R307 R308 R309 R310 R311 R312 R313 R314 R315 R316 R317 R318 R319 R320 R321 R324 R325 R330 R331 R334 R335 R344 R345 R346 R349 R350 R351 R352 R353 R354 R355 R356 R357 R358 R359 R360 R361 R362 R363 R364 R365 R366 R367 R368 R369 R370 R371 R372 R373 R374 R375 R376 R377 R378 R379 R380 R381 R382 R383 R384 R385 R386 R387 R388 R389 R390 R393 R394 R395 R396 R397 R398 R701 R702 R703 R704 R705 R706 R716 R717 R722 R723 R724 R725 R726 R727 R728 R729 R730 R731 R747 R801 R802 R803 R804 R805 R806 R807 R808 R809 R810 R811 R812 R813 R814 R815 R816 R817 R818 R826 R827 R828 R829 R831 R832 R833 R834 R835 R836 R837 R838 R839 R841 R842 R843 R844 R845 R846 R847 R848 R849 R852 R853 R854 R855 R856 R857 R860 R861 R7004 R7005 R7006 R7007 R7008 R7009 R7010 R7011 R7012 R7013 R7014 R7016 R7017 R7018 R7019 R7020 R7021 R7022 R7023 R7024 R7025 R7026 R7027 R7028 R7029 R7030 R7031 R7032 R7033 R7034 R7035 R7036 R7037 R7038 R7039 R7040 R7041 R7042 R7043 R7044 R7045 R7046 R7047 R7087 X701 X7001 E300 Q301 Q301 NCDG-7460 25137460B P107B P106B P105B E302 28 29 39 40 1 2 1 1 1 1 1 Q304 1 1 1 1 R399 C854 C853 C852 C851 C856 C855 R391 R392 L806 Q319 Q313 Q320 Q314 C355 C356 P10 1 1 J1 P306 P306 P301 P301 P302 P302 P303 P303 P304 P304 P305 P305 R7063 R821 R820 WHEN TUC-P 12pin WHEN TUC-P 4pin J2 J3 J2A J3A J1A J4A J5A J5 U1 Main circuit PC board TX-SR600/E PRINTED CIRCUIT BOARD VIEW 2-1 DSP section A 1 2 3 4 5 B C D 家电维修资料网 2 2 2 2 2 2 2 2 2 2 2 2 17 17 17 17 12 7 7 7 30 7 C7502 C7521 D7583 D7582 JL7502A P7502A 504 S7635 S7634 S7633 S7644 S7631 S7632 S7647 S7646 S7645 S7643 S7642 S7641 J7522 J7501 J7502 J7503 J7504 J7516 J7524 J7507 J7520 33 D7581 J7506 DISPLAY DIMMER PTY/TP VIDEO1 DVD AUDIO SELECTOR PURE-AUDIO STANDBY REC-OUT SPK-A ZONE2 SPK-B OFF LEVEL-DOWN LEVEL-UP NCDIS-7461 25137461B HPR1 HPE HPL1 EAC2 EAC1 HPDEL GND HPR2 HPE HPL2 STANBY ZONE2 PURE-AUDIO J7521 J7519 C7524 J7511 J7509 J7508 J7514 C7705 J7512 2 J7513 J7505 J7518 J7517 HPE D7584 PURE-AUDIO J7515 RL7701 J7510 J7525 J7523 C7540 S7501 S7501 JL7501B VAJ GND VBJ NCSW-7462 25137462 0 C7513 C7517 L7504 L7505 Q7502 Q7502 Q7503 R7503 R7518 R7519 R7529 R7530 R7587 R7589 R7590 R7611 R7612 R7613 R7614 R7615 R7616 R7617 R7622 R7623 R7624 R7625 R7618 R7626 R7627 R7628 R7637 C7611 GND GND -VP +5.6V SBMRST SBMCLK SBMDO SBMDI SBMDY SYSIN Q7505 D7505 HPRLY VBJ GND VAJ R7621 1 80 61 60 41 40 C7518 R7539 C7535 C7533 C7532 D7508 C7515 C7516 VAJ GND VBJ Component side U3 Volume PC board Component side U2 Display circuit PC board Soldering side Display circuit PC board Soldering side Volume PC board TX-SR600/E PRINTED CIRCUIT BOARD VIEW FROM SOLDERING SIDE 1-2 A 1 2 3 4 5 B C D 家电维修资料网 TX-SR600/E PRINTED CIRCUIT BOARD VIEW FROM SOLDERING SIDE 1-1 2 2 2 2 2 2 2 2 2 2 2 2 2 2 2 2 2 2 2 2 2 2 VOUT VCC GND 7 30 20 12 7 12 12 7 30 7 30 30 7 7 12 12 7 7 7 15 C7514 JL7501A P7504 Q7501 Q7501 R7591 R7593 S7611 S7612 S7613 S7614 S7615 S7616 S7617 S7618 S7621 S7622 S7623 S7624 S7625 S7619 S7626 S7627 S7628 S7629 S7638 S7637 S7636 S7631 U7501 X7501 J7541 J7538 J7522 J7535 J7534 J7552 J7532 J7553 J7554 J7557 J7559 J7555 J7560 J7537 J7527 J7533 J7530 J7529 C7523 J7543 J7536 J7545 J7549 P7601 R7592 J7539 J7547 J7548 J7556 P7501A DIMMER PTY/TP DIRECT STEREO SURROUND DSP FM-MODE MEMORY PHONO CD TUNER TAPE VIDEO4 VIDEO3 VIDEO2 ENTER PRESET-DOWN TUNING-DOWN TUNING-UP PRESET UP GND GND -VP +5.6V SBMRST SBMCLK SBMDO SBMDI SBMDY SYSIN AUDIO ADJUST MENU RETURN J7531 J7528 J7526 HPRLY GND VBJ VAJ GND RESET VCC SUBSD0 SUBSD1 SUBCLK J7540 J7550 TUNER CD TAPE J7558 J7551 J7546 J7544 J7523 J7542 VPP NC C7501 C7503 C7504 C7505 C7506 C7507 C7508 C7509 C7510 C7511 D7501 D7502 D7503 D7506 D7507 Q7583 Q7504 Q7582 R7501 R7502 R7505 R7506 R7507 R7508 R7509 R7510 R7511 R7512 R7514 R7515 R7516 R7517 R751 R751 R7520 R7521 R7522 R7523 R7524 R7526 R7527 R7528 R752 R753 R7583 R7532 R758 R7588 R758 R7590 R7582 R7632 R7636 R7635 R7634 R7633 R7631 R7643 R7646 R7645 R7644 R7642 R7641 C7525 R7581 Q7581 EAC1 HPR1 HPE HPL1 EAC2 R7536 R7537 R7538 R7535 R7525 Q7701 D7702 D7701 VCC RESET SUBCLK SUBSD1 SUBSD0 GND R 1 21 40 HPE R7531 C7518 C7534 VPP NC C7531 Component side Soldering side U2 Display circuit PC board Display circuit PC board A 1 2 3 4 5 B C D 家电维修资料网 Pin No. Symbol I/O Description Pin No. Symbol I/O Description 1 VDD Power supply terminal. Connect to 5V. 41 P22 O Segment output terminal of P22. 2 VSS Ground terminal. 42 P21 O Segment output terminal of P21. 3 X1 Ceramic oscillator connection terminals for main system. 43 P20 O Segment output terminal of P20. 4 X2 Connect the 5MHz ceramic oscillator between #3 and #4. 44 P19 O Segment output terminal of P19. 5 IC/VPP Internal connection terminal 45 P18 O Segment output terminal of P18. 6 ~RESET I System reset signal input terminal. 46 P17 O Segment output terminal of P17. 7 SUBCL/SCK I Clock input terminal to transmit the signal from main microprocessor. 47 P16 O Segment output terminal of P16. 8 SUBDO/SDI I Data input terminal to transmit the signal from main microprocessor. 48 P15 O Segment output terminal of P15. 9 SUBDI/SDD O Data output terminal to transmit the signal to main microprocessor. 49 P14 O Segment output terminal of P14. 10 SUBLDY O Data ready output terminal to transmit to the main microprocessor. 50 P13 O Segment output terminal of P13. 11 VBJ I Pulse input terminal from the rotary encoder of volume. 51 P12 O Segment output terminal of P12. 12 VAJ I Pulse input terminal from the rotary encoder of volume. 52 P11 O Segment output terminal of P11. 13 SYSIN I System code input terminal. System code output terminal. Detection terminal of headphone insertion. 53 P10 O Segment output terminal of P10. 14 SYSOUT I 54 P9 O Segment output terminal of P9. 15 HPDET I 55 P8 O Segment output terminal of P8. 16 ~IRIN I Signal input terminal from the remote controller. 56 P7 O Segment output terminal of P7. 17 STBYLED O Standby LED control output terminal. 57 P6 O Segment output terminal of P6. 18 AVSS Ground terminal for A/D converter. 58 P5 O Segment output terminal of P5. 19 K0 I Operation key connection terminal. 59 VDD2 Power supply terminal. Apply +5V. 20 K1 I Operation key connection terminal. 60 VLOAD Negative power supply terminal of FL controller. 21 K2 I Operation key connection terminal. 61 P4 O Segment output terminal of P4. 22 K3 I Operation key connection terminal. 62 P3 O Segment output terminal of P3. 23 VSS0 Ground terminal 63 P2 O Segment output terminal of P2. 24 AVDD Power supply terminal for A/D converter. 64 P1 O Segment output terminal of P1. 25 VDDD ZONE2LED PURELED Power supply terminal. Apply +5V. 65 16G O Grid output terminal of 16G. 26 O 66 15G O Grid output terminal of 15G. 27 O 67 14G O Grid output terminal of 14G. 28 P35 O Segment output terminal of P35. 68 13G O Grid output terminal of 13G. 29 P34 O Segment output terminal of P34. 69 12G O Grid output terminal of 12G. 30 P33 O Segment output terminal of P33. 70 11G O Grid output terminal of 11G. 31 P32 O Segment output terminal of P32. 71 10G O Grid output terminal of 10G. 32 P31 O Segment output terminal of P31. 72 9G O Grid output terminal of 9G. 33 P30 O Segment output terminal of P30. 73 8G O Grid output terminal of 8G. 34 P29 O Segment output terminal of P29. 74 7G O Grid output terminal of 7G. 35 P28 O Segment output terminal of P28. 75 6G O Grid output terminal of 6G. 36 P27 O Segment output terminal of P27. 76 5G O Grid output terminal of 5G. 37 P26 O Segment output terminal of P26. 77 4G O Grid output terminal of 4G. 38 P25 O Segment output terminal of P25. 78 3G O Grid output terminal of 3G. 39 P24 O Segment output terminal of P24. 79 2G O Grid output terminal of 2G. 40 P23 O Segment output terminal of P23. 80 1G O Grid output terminal of 1G. SUB MICROPROCESSOR-TERMINAL DESCRIPTION Not used. Not used. TX-SR600/E TX-SR600/E 家电维修资料网 JL6803A JL6804A P6011A P931 JL6952A JL6951A B P6073A JL6805A P6301 JL6402A P6841 L R C LS RS P997A P6906 P6072A P6840 JL6953A SB P6931A P6000A P6001A P6002A P6003A P6004A P6005A P955A ID- ID+ R6040 P6080 ID- ID+ R6041 P6081 ID- ID+ R6042 P6082 ID- ID+ R6043 P6083 ID- ID+ R6044 P6084 ID- ID+ R6045 P6085 TX-SR600/E ADJUSTMENT AND CONFIRMATION PROCEDURES 1 Idling current adjustment Before Idling adjustment, turn the trimming resistors R6040 to R6045 to counter clockwise. Connect the DC voltmeter to sockets P6080 to P6085. After turn POWER to ON, adjust the trimming resistors R6040, R6041 and R6042 so that the reading of voltmeter becomes 2.5 mV. (Front and center channels) Adjust the trimming resistors R6043, R6044 and R6045 so that the reading of After adjustment, attach the top cover. voltmeter becomes 1.5 mV. (Surround and surround back channels) Confirm the voltage of points above after about five minutes. Front and center channels When less than 10.0 mV, readjust the resistors above so that the voltage becomes 10.0 mV. When 10.0 mV to 12.0 mV, you are not necessary to adjust. When more than 12.0 mV, readjust the resistors above so that the voltage becomes 12.0 mV. Surround and surround back channels When less than 7.0 mV, readjust the resistors above so that the voltage becomes 7.0 mV. When 7.0 mV to 9.0 mV, you are not necessary to adjust. When more than 9.0 mV, readjust the resistors above so that the voltage becomes 9.0 mV. Note: No load and No signal Confirmation of protection circuit 1. Confirmation of operation of speaker relay Confirm that the speaker relays turn ON approximate. 5 seconds after the power switch is turned ON. Confirm that the speaker relays turn OFF immediately after the power switch is turned OFF. 2. Confirmation of DC detection circuit Press and hold down CD button, then press STANDBY/ON and DISPLAY buttons to set the unit to "Test-1" mode. After "Test-1" on the FL tube light on, press VIDEO 1 button to set the unit to "Test-1-00". Apply DC 1.5 to 3V to DVD INPUT terminal with no load. Confirm that the speaker relay turns OFF. Apply DC -1.5 to -3V to DVD INPUT terminal with no load. Confirm that the speaker relay turns OFF. Caution: Don't apply DC voltage more than 1 sec.. 家电维修资料网 TX-SR600/E ADJUSTMENT AND CONFIRMATION PROCEDURES 2 3. Confirmation of Current detection circuit Set the unit to "Test-1-00". Connect the differentiating circuit and apply the 200Hz square signal to MULTI CHANNEL INPUT terminal of each channel. Adjust the attenuator or Volume so that the output level becomes 35V p-p. Confirm that the speaker relay does not turn OFF when a 3.0 ohm load is connected. Confirm that the speaker relay turns off when a 1.5 ohm load is connected. Caution:Don't continue more than 3 seconds. CR OSCILLATOR DIFFEREN- TIATING CIRCUIT ATTENU- ATOR UNIT SPEAKER TERMINAL MULTI CHANNEL INPUT INPUT OUT- PUT 3.3k 10k 1SS133x6 3.3k GND 0.01 F 0.1 F OSCILLO- SCOPE Differentiating Circuit 200Hz SQUARE 35Vp-p Test Mode 1. Turn POWER button on. 2. Press and hold down CD button, then press STANDBY/ON button. 3. After "Test-1" on the FL tube is displayed, press CD button to set the unit to the Test mode of FL tube. Note: DVD:Test-1 VIDEO 1 :Test-2 SP-A: UP VIDEO 2 :Test-3 VIDEO 3:Test-4 SP-B: DOWN Test-X YZ Item FL TUBE The segments of odd number light on . All segments light on. "FEDCBA987654321" light on. "Good-bye **" light on. Test mode of FL tube SP-B SP-A Press POWER button to finish the Test mode of FL tube. **: Region US:U.S.A. EU:Europe WR:Other models The segments of even number light on . Confirmation of voltage sensor 1. Set the unit to Test-3-4. 2. Apply the signal 1kHz, -15dBV to the MULTI-CH input. Confirm that the FM STEREO is displayed. Confirm the all channels except SUBWOFFER. 3. When connect the resistor 2.7 kohm/1 W between the terminals COM and TH1 of P6301, confirm that "FM STEREO" light on. Note: No input signal. 4.When set the unit to "Test-4-30,confirm that the speaker relays of RL6901 and RL6902 turn off. Note: No input signal. 家电维修资料网 Front Left Front Left SP-B / Zone 2 Left SP-B / Zone 2 Left Surround Right Surround Right Surround Back Right Surround Back Right Zone 2 Right Zone 2 Right Front Left Front Left SP-B / Zone 2 Left SP-B / Zone 2 Left Front Right Front Right SP-B / Zone 2 Right SP-B / Zone 2 Right Front Right Front Right SP-B / Zone 2 Right SP-B / Zone 2 Right Surround Right Surround Right Center Center Center Center Surround Left Surround Left Surround Left Surround Left Surround Back Right Surround Back Right Zone 2 Right Zone 2 Right Surround Back Left Surround Back Left Zone 2 Left Zone 2 Left Surround Back Left Surround Back Left Zone 2 Left Zone 2 Left 1 2 3 Speaker Cable REF.NO. PART NO. DESCRIPTION REF.NO. PART NO. DESCRIPTION 71 29092052 Pad 72 29100153 1020x720,Polybag 73 29110149 Tape,cellophane 74 29110148 PP tape 75 29100097-1A 350*250,Polybag 76 29053880 Carton box 29053881 Carton box 29053882 Carton box

29053883 Carton box 29053884 Carton box 77 29363087 Label UPC 29363083 Label EAN

29363084 Label EAN 29363085 Label EAN 29363086 Label EAN 81 29363059A Label,cable 83 29343298B Instruction manual E 84 29343300A Instruction manual FSI

29343302A Instruction manual CTCS 85 29343301A Instruction manual GDSW

86 29343299 Instruction manual,digist 87 24140480 24140515 RC-480M,Remote controller RC-515M,Remote controller Note 1 88 3010054 UM-3,Battery 89 232140 NMA-3057,AM loop antenna 90 292142 FM antenna 292115 FM antenna

91 25056005 CV-K-1,Conversion plug 92 25065462 YAE21-0237,Antenna adaptor 93 94 29365090A 29355408 Warranty card Instruction sheet Note 1 Note1: A remote controller for U.S.A. model is changed from RC-480M to RC-515M from sep., 2002. At the same a sheet 94 is added. Note: : Black model only : Golden model only : Silver model only : U.S.A. model only : Canadian model only

: European model only : Asian model only : Chinese model only : Australian model only : Hongkong model only : Korean model only TX-SR600/E PACKING PROCEDURES Accessary bag 84 83 88 89 90 85 93 86 71 71 72 73 73 75 81 76 77 74 74 87 91 92 94 75 Except 120V model Put the label 81 between page 2 and page 3 of instruction manual E. Bottom Top Top 家电维修资料网 TX-SR600/E http://www.onkyo.co.jp/ HOMEPAGE ONKYO U.S.A. CORPORATION 18 Park Way, Upper Saddle River, N.J. 07458, U.S.A. Tel: 201-785-2600 Fax: 201-785-2650 E-mail: onkyo@onkyousa.com ONKYO EUROPE ELECTRONICS GmbH Liegnitzerstrasse 6,82194 Groebenzell, GERMANY Tel: +49-8142-4401-0 Fax: +49-8142-4401-555 E-mail: info@onkyo.de ONKYO CHINA LIMITED Units 2102-2107, Metroplaza Tower I, 223 Hing Fong Road, Kwai Chung, N.T., HONG KONG Tel: 852-2429-3118 Fax: 852-2428-9039 Sales & Product Planning Div. : 2-1, Nisshin-cho, Neyagawa-shi, OSAKA 572-8540, JAPAN Tel: 072-831-8111 Fax: 072-833-5222 ONKYO CORPORATION 家电维修资料网

标签:

版权声明

1. 本站所有素材,仅限学习交流,仅展示部分内容,如需查看完整内容,请下载原文件。
2. 会员在本站下载的所有素材,只拥有使用权,著作权归原作者所有。
3. 所有素材,未经合法授权,请勿用于商业用途,会员不得以任何形式发布、传播、复制、转售该素材,否则一律封号处理。
4. 如果素材损害你的权益请联系客服QQ:77594475 处理。