安桥ONKYO DV-SP501 DVD播放器维修手册

分类:电子电工 日期: 点击:0
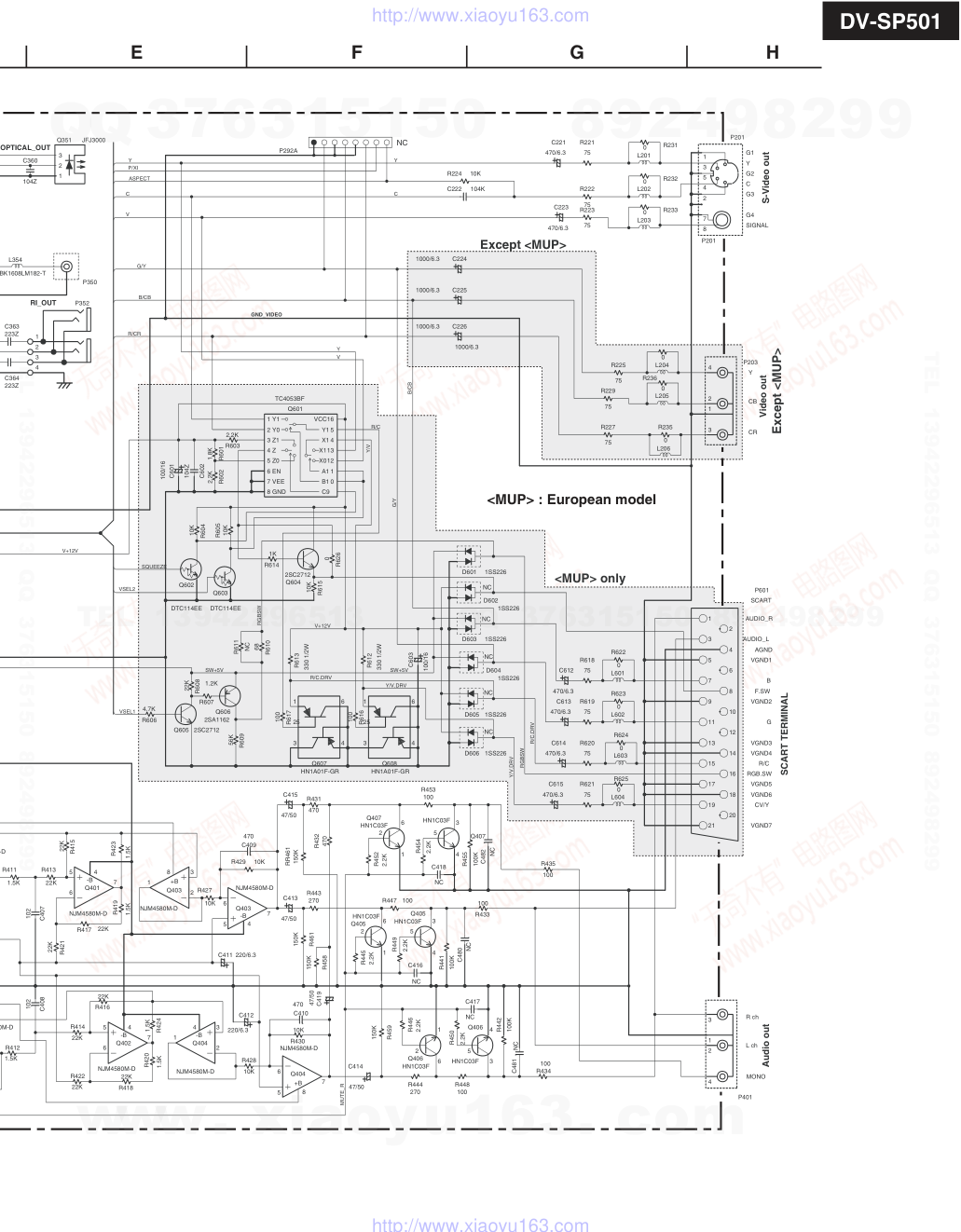
安桥ONKYO DV-SP501 DVD播放器维修手册-0 安桥ONKYO DV-SP501 DVD播放器维修手册-1 安桥ONKYO DV-SP501 DVD播放器维修手册-2 安桥ONKYO DV-SP501 DVD播放器维修手册-3 安桥ONKYO DV-SP501 DVD播放器维修手册-4 安桥ONKYO DV-SP501 DVD播放器维修手册-5 安桥ONKYO DV-SP501 DVD播放器维修手册-6 安桥ONKYO DV-SP501 DVD播放器维修手册-7 安桥ONKYO DV-SP501 DVD播放器维修手册-8 安桥ONKYO DV-SP501 DVD播放器维修手册-9

DV-SP501 SERVICE MANUAL SERVICE MANUAL DVD PLAYER Black, Silver and Golden models MODEL DV-SP501 120V AC, 60Hz 230-240V AC, 50Hz 110-240V AC, 50/60Hz BMDD1N, BMDC1N BMUP2P, SMUP2P BMUS4P, BMUT3P, GMUK3P, GMUR6P, GMUT3P, SMUS4P Ref. No. 3766 072003 RETURN SETUP TOP MENU MENU C U R S O R P U S H T O E N T E R STANDBY OFF ON STANDBY/ON POWER DISPLAY PLAY MODE DIMMER CLEAR STOP PLAY PAUSE ON STANDBY REPEAT A-B RANDOM PLAY MODE DISPLAY DIMMER MENU SETUP TOP MENU RETURN AUDIO TV CONTROL TV/VIDEO CHANNEL VOLUME ON/ STANDBY ANGLE SUBTITLE ZOOM RC-524DV CLEAR OPEN/ CLOSE ENTER 1 2 3 6 7 8 9 0 4 5 RC-523DV Other models RC-524DV North American model ON STANDBY REPEAT A-B RANDOM PLAY MODE DISPLAY DIMMER MENU SETUP TOP MENU RETURN AUDIO ANGLE SUBTITLE ZOOM RC-523DV CLEAR OPEN/ CLOSE ENTER 1 2 3 6 7 8 9 0 4 5 SAFETY-RELATED COMPONENT WARNING!! COMPONENTS IDENTIFIED BY MARK ON THE SCHEMATIC DIAGRAM AND IN THE PARTS LIST ARE CRITICAL FOR RISK OF FIRE AND ELECTRIC SHOCK. REPLACE THESE COMPONENTS WITH ONKYO PARTS WHOSE PART NUMBERS APPEAR AS SHOWN IN THIS MANUAL. MAKE LEAKAGE-CURRENT OR RESISTANCE MEASUREMENTS TO DETERMINE THAT EXPOSED PARTS ARE ACCEPTABLY INSULATED FROM THE SUPPLY CIRCUIT BEFORE RETURNING THE APPLIANCE TO THE CUSTOMER. www. xiaoyu163. com QQ 376315150 9 9 2 8 9 4 2 9 8 TEL 13942296513 9 9 2 8 9 4 2 9 8 0 5 1 5 1 3 6 7 3 Q Q TEL 13942296513 QQ 376315150 892498299 TEL 13942296513 QQ 376315150 892498299 http://www.xiaoyu163.com DV-SP501 SPECIFICATIONS Specifications and features subject to change without notice. Video system North American model: Standard NTSC Other models: PAL/AUTO Region code North American model: 1, European model: 2, Australian and South American models: 4, Asian model: 3, Chinese model: 6 Laser Semiconductor laser, wavelength 650 nm (DVD), 780 nm (CD) Frequency response DVD linear audio 4 HzÐ20 kHz @ 48 kHz sampling rate 4 HzÐ44 kHz @ 96 kHz sampling rate CD audio 4 HzÐ20 kHz Signal-to-noise ratio (digital audio) 106 dB Audio dynamic range (digital audio) 96 dB Harmonic distortion (digital audio) 0.008% Wow and Futter Below measurable level (±0.001% (W. PEAK) or less) Operating conditions Temperature 5 to 35 C (41 F to 95 F) Installation Install horizontally Video outputs COMPONENT VIDEO (Other than European models) Y: 1.0 V (p-p), 75 ohm, negative sync, RCA/phono x1 PB/PR: 0.7 V (p-p), 75 ohm AV CONNECTOR (Euro- pean model only) 0.7 V (p-p), 75 ohm , Scart x1 S VIDEO (S-Video) Y: 1.0 V (p-p), 75 ohm , negative sync, 4-pin mini DIN x1 C: 0.286 V (p-p), 75 ohm VIDEO (composite video) 1.0 V (p-p), 75 ohm , negative sync, RCA/phono x1 Audio outputs OPTICAL -22.5 dBm, optical connector x1 COAXIAL 0.5 V (p-p), 75 ohm , RCA/phono x1 ANALOG 2.0 V rms, 470 , RCA/phono x1 General Power supply North American model: 120 V AC, 60 Hz Other models: 100 - 240 V AC, 50/60 Hz Power consumption 15 W Power consumption in Standby mode North American model: 1.6 W Other models: 2.5 W Weight 3.3 kg (7.3 lbs.) Dimensions (W x H x D) 435 X 81 X 307 mm (17-1/8" X 3-3/16" X 12-1/16") www. xiaoyu163. com QQ 376315150 9 9 2 8 9 4 2 9 8 TEL 13942296513 9 9 2 8 9 4 2 9 8 0 5 1 5 1 3 6 7 3 Q Q TEL 13942296513 QQ 376315150 892498299 TEL 13942296513 QQ 376315150 892498299 http://www.xiaoyu163.com DV-SP501 SERVICE PROCEDURES-1 PROTECTION OF EYES FROM LASER BEAM DURING SERVICING This set employs a laser. Therefore, be sure to follow carefully the instructions below when servicing. WARNING!! SERVICE WARNING : DO NOT APPROACH THE LASER EXIT WITH THE EYE TOO CLOSELY. IN CASE IT IS NECESSARY TO CONFIRM LASER BEAM EMISSION, BE SURE TO OBSERVE FROM A DISTANCE OF MORE THAN 30cm FROM THE SURFACE OF THE OBJECTIVE LENS ON THE OPTICAL PICKUP BLOCK. Laser Diode Properties LASER WARNING Wavelength: 650/780nm (DVD/CD) WARNING: TO REDUCE THE RISK OF FIRE OR ELECTRIC SHOCK, DO NOT EXPOSE THIS APPLIANCE TO RAIN OR MOISTURE. CAUTION: TO REDUCE THE RISK OF ELECTRIC SHOCK, DO NOT REMOVE COVER (OR BACK). NO USER-SERVICEABLE PARTS INSIDE. REFER SERVICING TO QUALIFIED SERVICE PERSONNEL. The lightning flash with arrowhead symbol, within an equilateral triangle, is intended to alert the user to the presence of uninsulated "dangerous voltage" within the product's enclosure that may be of sufficient magnitude to constitute a risk of electric shock to persons. The exclamation point within an equilateral triangle is intended to alert the user to the presence of important operating and maintenance (servicing) instructions in the literature accompanying the appliance. WARNING RISK OF ELECTRIC SHOCK DO NOT OPEN RISQUE DE CHOC ELECTRIQUE NE PAS OUVRIR AVIS WARNING This unit contains a semiconductor laser system and is classified as a "CLASS 1 LASER PRODUCT". So, to use this model properly, read this Instruction Manual carefully. In case of any trouble, please contact the store where you purchased the unit. To prevent being exposed to the laser beam, do not try to open the enclosure. VISIBLE LASER RADIATION WHEN OPEN AND INTERLOCK FAILED OR DEFEATED. DO NOT STARE INTO BEAM. THIS PRODUCT UTILIZES A LASER. USE OF CONTROLS OR ADJUSTMENTS OR PERFORMANCE OF PROCEDURES OTHER THAN THOSE SPECIFIED HEREIN MAY RESULT IN HAZARDOUS RADIATION EXPOSURE. The label on the right is applied on the rear panel except for USA and Canadian models. 1. This unit is a CLASS 1 LASER PRODUCT and employs a laser inside the cabinet. 2. To prevent the laser from being exposed, do not remove the cover. Refer servicing to qualified personnel. "CLASS 1 LASER PRODUCT" CAUTION: CAUTION: SERVICE PROCEDURE 1. Replacing the fuses REF. NO. PART NO. DESCRIPTION This symbol located near the fuse indicates that the fuse used is show operating type, For continued protection against fire hazard, replace with same type fuse , For fuse rating, refer to the marking adjest to the symbol. Ce symbole indique que le fusible utilise est e lent. Pour une protection permanente, n'utiliser que des fusibles de meme type. Ce demier est indique la qu le present symbol est apposre. F1 252252 or 1.6A-TL/T-ST2 , 252147 1.6A-TSC LASER BEAM CAUTION LABEL 252273 or 1.6A-SE-TL250V Except model F1 : North American model : Canadian model www. xiaoyu163. com QQ 376315150 9 9 2 8 9 4 2 9 8 TEL 13942296513 9 9 2 8 9 4 2 9 8 0 5 1 5 1 3 6 7 3 Q Q TEL 13942296513 QQ 376315150 892498299 TEL 13942296513 QQ 376315150 892498299 http://www.xiaoyu163.com DV-SP501 SERVICE PROCEDURES-2 Factory-shipped condition. Connect the power cord to inlet terminal. Push button "ON" (Mechanical SW). Lighting the LED condition. Press the [STOP] and [STANDBY] same time with NO DISC condition. Push button "STANDBY". Pull out the power cord. INITIALIZING 2. Safety-check out (Only U.S.A. model) After correcting the original service problem perform the following safety check before releasing the set to the customer Connect the insulating-resistance tester between the plug of power supply cord and terminal GND on the back panel. Specifications: More than 10M ohm at 500V REMOVE THE SOLDER OF LASER DIODE SHORT When replace the mechanism or DVD main PC board. Shorting the solder of Shot-circuit land. (2 positions) Short Land Mechanism www. xiaoyu163. com QQ 376315150 9 9 2 8 9 4 2 9 8 TEL 13942296513 9 9 2 8 9 4 2 9 8 0 5 1 5 1 3 6 7 3 Q Q TEL 13942296513 QQ 376315150 892498299 TEL 13942296513 QQ 376315150 892498299 http://www.xiaoyu163.com DV-SP501 EXPLODED VIEW A51 Z10 Z12 Z13 Z15 Z15 Z15 A47 A48 A48 A48 A48 P901A P910 A41 A43 A19 A22 03 03 A1 A3 A11 A5 A5 A11 A23 U2 A32 P702 F1 S731 U3 U4 U5 U20 A27 x 3 A3 A10 A11 A11 A12 A13 A13 A16 A16 A30 A35 A44 A46 A46 P501 P502 P503 P701 U6 A23 A55 A56 Z14 A15 DVD PLAYER DV-SP501 P910 d A11 A11 A11 A11 A11 A11 A11 A11 A11 A11 A56 A56 A56 A56 A57 i Z1 Z14 Z14 U1 MPP only A56 DIRECT DIGITAL PATH e a c b g h g a c b i h d e f f A11a A11a Z91A www . x ia o y u 1 6 3 . c o m QQ 3 7 6 3 1 5 1 5 0 9 9 2 8 9 4 2 9 8 T E L 1 3 9 4 2 2 9 6 5 1 3 9 9 2 8 9 4 2 9 8 0 5 1 5 1 3 6 7 3 Q Q TEL 13942296513 QQ 376315150 892498299 TEL 13942296513 QQ 376315150 892498299 http://www.xiaoyu163.com DV-SP501 EXPLODED VIEW TRAVERSE MECHANISM To DVDM CN104 (Stepping Motor) To DVDM CN102 (Spindle Motor) To DVDM CN101 (Pickup Assy) CONTACT SIDE NON-CONTACT SIDE 3 7 8 1 17 16 12 17 10 13 17 10 6 11 14 16 2 9 15 (Torque : 0.15 +/- 0.01 N•m) 15 (Torque : 0.15 +/- 0.01 N•m) 4 (Adjustment screw) 5 (Adjustment spring) Screw Tight GYL1001 Silicone Adhesive GEM1037 Silicone Adhesive GEM1037 TRAVERSE MECHA ASSY parts List Mark No. Description Part No. 1 Spindle Motor VXM1099 2 Stepping Motor VXM1101 3 Pickup Assy-S OXX8005 4 Skew Screw VBA1080 5 Skew Spring VBH1335 6 Guide Bar VLL1514 7 Sub Guide Bar VLL1515 8 Leaf Spring VNC1023 10 NSP 9 Joint Spring VNC1019 Support Spring VNC1020 11 Mecha.Chassis VNE2248 12 Damper Sheet VEB1335 13 Spacer VNL1913 14 Joint 03 VNL1949 15 Tapping Screw OBA8016 16 Screw BBZ20P050FZK 17 Screw PMA26P100FMC Mark No. Description Part No. www. xiaoyu163. com QQ 376315150 9 9 2 8 9 4 2 9 8 TEL 13942296513 9 9 2 8 9 4 2 9 8 0 5 1 5 1 3 6 7 3 Q Q TEL 13942296513 QQ 376315150 892498299 TEL 13942296513 QQ 376315150 892498299 http://www.xiaoyu163.com DV-SP501 EXPLODED VIEW / PARTS LIST A A To DVDM CN101 (Pickup Assy-S) To DVDM CN104 (Stepping Motor) To DVDM CN102 (Spindle Motor) 2 3 5 4 12 23 13 17 21 16 22 15 14 22 22 22 20 18 19 9 1 7 10 11 6 8 8 8 8 Refer to "2.5 TRAVERSE MECHA. ASSY-S". Lubricating Oil GYA1001 Daifree GEM1036 Refer to " Application of Lubricant". Note : Lubricating Oil GYA1001 LOADING MECHA ASSY parts List Mark No. Description Part No. NSP 1 LOAB Assy 2 Traverse Mecha. Assy-S VXX2871 3 Loading Motor Assy VXX2872 4 Motor Pulley 5 Motor 6 Flexible Cable (24P) VDA1945 7 Connector Assy 2P VKP2253 8 Floating Rubber VEB1351 9 Belt VEB1330 10 Stabilizer VNE2253 11 Loading Base VNL1917 12 Float Base DVD VNL1918 13 Drive Cam VNL1919 14 Gear Pulley VNL1921 15 Loading Gear VNL1922 16 Drive Gear VNL1923 17 SW Lever VNL1925 18 Clamper Plate VNE2251 19 Bridge VNE2252 20 Clamper VNL1924 21 Screw JGZ17P028FMC 22 Screw 801530 23 Tray VNL1920 Mark No. Description Part No. NSP: Not service parts LOADING MECHANISM www. xiaoyu163. com QQ 376315150 9 9 2 8 9 4 2 9 8 TEL 13942296513 9 9 2 8 9 4 2 9 8 0 5 1 5 1 3 6 7 3 Q Q TEL 13942296513 QQ 376315150 892498299 TEL 13942296513 QQ 376315150 892498299 http://www.xiaoyu163.com DV-SP501 E F G H P201 Q607 HN1A01F-GR 25 6 3 1 4 Q608 HN1A01F-GR 25 6 3 1 4 Q603 DTC114EE Q602 DTC114EE D601 1SS226 D606 1SS226 D604 1SS226 D603 1SS226 D605 1SS226 D602 1SS226 Q601 TC4053BF A1 1 B1 0 C9 EN 6 GND 8 VCC16 VEE 7 X1 4 X012 X113 Y1 5 Y0 2 Y1 1 Z 4 Z0 5 Z1 3 P601 SCART 10 12 2 20 6 AGND 4 AUDIO_L 3 AUDIO_R 1 B 7 CV/Y 19 F.SW 8 G 11 R/C 15 RGB.SW 16 VGND1 5 VGND2 9 VGND3 13 VGND4 14 VGND5 17 VGND6 18 VGND7 21 C602 104Z P350 C482 C480 C481 C409 470 C410 470 C408 102 C407 102 P203 2 3 1 4 P401 2 3 1 4 R431 470 R435 100 R432 470 R427 10K R428 10K P292A P201 C 4 G1 1 G2 5 G3 2 G4 7 SIGNAL 8 Y 3 Q404 NJM4580M-D 3 2 -B 4 1 Q403 NJM4580M-D 5 6 -B 4 7 Q401 NJM4580M-D 5 6 -B 4 7 Q402 NJM4580M-D 5 6 -B 4 7 Q604 2SC2712 Q605 2SC2712 Q407 HN1C03F 5 3 4 Q407 HN1C03F 2 6 1 Q405 HN1C03F 2 6 1 Q405 HN1C03F 5 3 4 Q406 HN1C03F 2 6 1 Q406 HN1C03F 5 3 4 Q606 2SA1162 Q404 NJM4580M-D 5 +B 8 6 7 Q403 NJM4580M-D 3 +B 8 2 1 M-D D Q351 JFJ3000 OPTICAL_OUT 1 3 2 C364 223Z C418 C416 C417 C222 104K C363 223Z C360 104Z C419 47/50 C414 47/50 C411 220/6.3 C412 220/6.3 C614 470/6.3 C615 470/6.3 C603 100/16 C601 100/16 C223 470/6.3 C221 470/6.3 C224 1000/6.3 C225 1000/6.3 C226 1000/6.3 C612 470/6.3 C613 470/6.3 C415 47/50 C413 47/50 1000/6.3 L201 L203 L202 L204 L205 L206 L603 L604 L601 L602 L354 K1608LM182-T R458 150K RR461 150K R459 150K R461 150K R455 100K R453 100 R454 2.2K R452 2.2K R433 100 R441 100K R445 2.2K R449 2.2K R447 100 R444 270 R434 100 R442 100K R450 2.2K R448 100 R446 2.2K R421 22K R224 10K R611 R610 68 R626 0 R615 10K R604 10K R605 10K R614 1K R613 330 1/2W R612 330 1/2W R617 100 R616 100 R603 2.2K R602 2.2K R601 1.8K R609 56K R607 1.2K R608 22K R606 4.7K R223 75 R231 0 R233 0 R232 0 0 R225 75 R236 0 R235 0 R227 75 R229 75 R621 75 R620 75 R624 0 R625 0 R618 75 R619 75 R622 0 R623 0 R443 270 R429 10K R221 75 R222 75 R422 22K R430 10K R415 22K R423 1.5K R418 22K R414 22K R413 22K R419 1.5K R417 22K R424 1.5K R420 1.5K R416 22K R412 1.5K R411 1.5K P352 RI_OUT 1 2 3 4 Y Y P/XI ASPECT C C V G/Y B/CB GND_VIDEO R/CR Y V B/CB R/C Y/V G/Y V+12V SQUEEZE VSEL2 RGBSW V+12V SW+5V SW+5V R/C.DRV Y/V.DRV VSEL1 R/C.DRV RGBSW Y/V.DRV MUTE_R R ch MONO CR CB Y L ch NC NC NC NC NC NC NC NC NC NC NC NC only SCART TERMINAL Audio out S-Video out Video out Except Except NC : European model www. xiaoyu163. com QQ 376315150 9 9 2 8 9 4 2 9 8 TEL 13942296513 9 9 2 8 9 4 2 9 8 0 5 1 5 1 3 6 7 3 Q Q TEL 13942296513 QQ 376315150 892498299 TEL 13942296513 QQ 376315150 892498299 http://www.xiaoyu163.com SCHEMATIC DIAGRAM A 1 2 3 4 5 B C D Q463 DTC144YKA P701A Q460 DTA114YKA D924 1SS352 D921 1SS352 D923 1SS352 D922 1SS352 D460 1SS352 C359 220 C358 220 C357 104K P901 CN901 ARK 20 CTS 30 DOUT 10 25 DVDPOWER 13 DVDTRKUP 24 GNDD 8 GNDD2 9 GNDD3 11 GNDD4 12 GNDD5 21 GNDD6 22 GNDM 6 GNDM2 7 MDATA 19 RTS 29 RXD 28 SCLK 17 SDATA 18 SYS_CS1 15 SYS_CS2 16 TXD 27 VDET 23 VDVD+12 1 VPR+8A1 3 VPR+8A2 2 VPR+8M1 5 VPR+8M2 4 XDVDRST 14 XVMUTE 26 CN902 C DVDA2 DVDL DVDR GND1 GND2 GND3 GND4 GNDA1 V Y1 CN903 ASPECT CB/B CR/R CY/G DNG3 GND1 GND2 GND4 GND5 LETTER P/XI RGB SQUEEZE VSEL1 VSEL2 C405 152 C406 152 C404 681 C403 681 P351A P702B R119 10K R115 0 R116 0 R118 10K R117 10K P105 Q920 2SC2712 D101 UDZ5B D901 UDZS5.1B D920 UDZS11B P104 CTS 4 DTR 3 GNDD 6 NC 7 RXD 2 TXD 1 V+5D 5 Q402 NJM4580M-D 3 +B 8 2 1 Q401 NJM4580M-D 3 +B 8 2 1 OPTI Q352 TC74VHCU04T 1 2 3 4 5 6 8 9 10 11 12 13 GND 7 VCC 14 C36 223 C101 104Z C923 104Z C36 223 C361 104Z C354 C356 020 C352 104Z C905 104Z C903 104Z C914 104Z C909 104Z C901 104Z C907 104Z C420 470/6.3 C911 100/16 C485 220/16 C486 220/16 C921 220/16 C922 220/16 C920 10/16 C906 220/16 C362 100/6.3 C353 100/6.3 C402 47/16 C401 47/16 C904 220/6.3 C902 220/16 C910 1000/16 C908 1000/16 L3 BK160 L353 BK1608LM182-T L352 BK1608LM182-T L351 BK1608LM182-T R463 1K R482 2.2 (1/4W) R108 47 R406 0 R405 0 R401 1.5K R481 2.2 (1/4W) R101 10K R123 0 R902 2.2K R920 220 R357 470 R355 180 R356 180 R354 330 R352 R353 470K R351 R41 1.5K R410 10K R408 10K R411 1.5 R407 10K R409 10K R402 1.5K R404 NC R456 100K R457 100K R403 NC R126 47 R124 47 R462 1K R107 47 R106 47 R104 47 R103 47 R102 47 R127 47 R125 47 R122 47 R121 47 R135 10K R134 10K R137 10K R136 10K -27V RI FLAC1 VDET FLAC2 IRIN EVER+5V ACK GND DEMO SYSRESET DOUT RESET P_ON XSCK XRDY SI SO GND VSEL1 AGND VSEL2 SQUEEZE ASPECT P/XI RGB G/Y B/CB R/CR GND CS I SO V XSCK MRESET V+12V Y SW+5V RGB V+11V IC CTS DTR RXD TXD VDET DVDMUTE ACK RESET SI SO XSCK XRDY SYSRESET P_ON V+6V DOUT V+6V AGND TXD FLAC1 FLAC2 GND V+12V GND M+8V MGND SW+5V GND EVER+5V P_ON -27V +8V RXD DTR CTS DEMO NAAR-7997 15 10 5 1 R115 R116 RGB - - 0 0 OTHER MUP2P For Download 1mm Pich FFC +12V +6V NC 0 NC From Power supply unit To Display circuit PC board NADIS-7998 From DVD Main circuit PC board NC U1 : OUTPUT TERMINAL PC BOARD C V Y DVDMUTE From DVD Main circuit PC board From DVD Main circuit PC board 1 2 3 4 5 6 7 8 9 10 11 1 2 3 4 5 6 7 8 9 10 11 12 13 14 15 16 17 18 Not use www. xiaoyu163. com QQ 376315150 9 9 2 8 9 4 2 9 8 TEL 13942296513 9 9 2 8 9 4 2 9 8 0 5 1 5 1 3 6 7 3 Q Q TEL 13942296513 QQ 376315150 892498299 TEL 13942296513 QQ 376315150 892498299 http://www.xiaoyu163.com DV-SP501 SCHEMATIC DIAGRAM A 1 2 3 4 5 B C D E F G H P201 Q607 HN1A01F-GR 25 6 3 1 4 Q608 HN1A01F-GR 25 6 3 1 4 Q463 DTC144YKA Q603 DTC114EE Q602 DTC114EE P701A D601 1SS226 D606 1SS226 D604 1SS226 D603 1SS226 D605 1SS226 D602 1SS226 Q601 TC4053BF A1 1 B1 0 C9 EN 6 GND 8 VCC16 VEE 7 X1 4 X012 X113 Y1 5 Y0 2 Y1 1 Z 4 Z0 5 Z1 3 Q460 DTA114YKA P601 SCART 10 12 2 20 6 AGND 4 AUDIO_L 3 AUDIO_R 1 B 7 CV/Y 19 F.SW 8 G 11 R/C 15 RGB.SW 16 VGND1 5 VGND2 9 VGND3 13 VGND4 14 VGND5 17 VGND6 18 VGND7 21 D924 1SS352 D921 1SS352 D923 1SS352 D922 1SS352 D460 1SS352 C602 104Z C359 220 C358 220 C357 104K P901 CN901 ARK 20 CTS 30 DOUT 10 25 DVDPOWER 13 DVDTRKUP 24 GNDD 8 GNDD2 9 GNDD3 11 GNDD4 12 GNDD5 21 GNDD6 22 GNDM 6 GNDM2 7 MDATA 19 RTS 29 RXD 28 SCLK 17 SDATA 18 SYS_CS1 15 SYS_CS2 16 TXD 27 VDET 23 VDVD+12 1 VPR+8A1 3 VPR+8A2 2 VPR+8M1 5 VPR+8M2 4 XDVDRST 14 XVMUTE 26 CN902 C DVDA2 DVDL DVDR GND1 GND2 GND3 GND4 GNDA1 V Y1 CN903 ASPECT CB/B CR/R CY/G DNG3 GND1 GND2 GND4 GND5 LETTER P/XI RGB SQUEEZE VSEL1 VSEL2 P350 C482 C480 C481 C405 152 C406 152 C409 470 C410 470 C408 102 C407 102 C404 681 C403 681 P203 2 3 1 4 P401 2 3 1 4 P351A P702B R431 470 R435 100 R432 470 R427 10K R119 10K R428 10K R115 0 R116 0 R118 10K R117 10K P292A P105 P201 C 4 G1 1 G2 5 G3 2 G4 7 SIGNAL 8 Y 3 Q404 NJM4580M-D 3 2 -B 4 1 Q403 NJM4580M-D 5 6 -B 4 7 Q401 NJM4580M-D 5 6 -B 4 7 Q402 NJM4580M-D 5 6 -B 4 7 Q604 2SC2712 Q605 2SC2712 Q920 2SC2712 Q407 HN1C03F 5 3 4 Q407 HN1C03F 2 6 1 Q405 HN1C03F 2 6 1 Q405 HN1C03F 5 3 4 Q406 HN1C03F 2 6 1 Q406 HN1C03F 5 3 4 D101 UDZ5B D901 UDZS5.1B D920 UDZS11B P104 CTS 4 DTR 3 GNDD 6 NC 7 RXD 2 TXD 1 V+5D 5 Q606 2SA1162 Q404 NJM4580M-D 5 +B 8 6 7 Q403 NJM4580M-D 3 +B 8 2 1 Q402 NJM4580M-D 3 +B 8 2 1 Q401 NJM4580M-D 3 +B 8 2 1 Q351 JFJ3000 OPTICAL_OUT 1 3 2 Q352 TC74VHCU04T 1 2 3 4 5 6 8 9 10 11 12 13 GND 7 VCC 14 C364 223Z C418 C416 C417 C101 104Z C222 104K C923 104Z C363 223Z C360 104Z C361 104Z C354 C356 020 C352 104Z C905 104Z C903 104Z C914 104Z C909 104Z C901 104Z C907 104Z C420 470/6.3 C419 47/50 C414 47/50 C411 220/6.3 C412 220/6.3 C911 100/16 C485 220/16 C486 220/16 C614 470/6.3 C615 470/6.3 C603 100/16 C601 100/16 C223 470/6.3 C221 470/6.3 C224 1000/6.3 C225 1000/6.3 C226 1000/6.3 C612 470/6.3 C613 470/6.3 C415 47/50 C413 47/50 1000/6.3 C921 220/16 C922 220/16 C920 10/16 C906 220/16 C362 100/6.3 C353 100/6.3 C402 47/16 C401 47/16 C904 220/6.3 C902 220/16 C910 1000/16 C908 1000/16 L201 L203 L202 L204 L205 L206 L603 L604 L601 L602 L354 BK1608LM182-T L353 BK1608LM182-T L352 BK1608LM182-T L351 BK1608LM182-T R463 1K R482 2.2 (1/4W) R458 150K RR461 150K R459 150K R461 150K R455 100K R453 100 R454 2.2K R452 2.2K R433 100 R441 100K R445 2.2K R449 2.2K R447 100 R444 270 R434 100 R442 100K R450 2.2K R448 100 R446 2.2K R108 47 R406 0 R405 0 R401 1.5K R481 2.2 (1/4W) R421 22K R224 10K R611 R610 68 R626 0 R615 10K R604 10K R605 10K R614 1K R613 330 1/2W R612 330 1/2W R617 100 R616 100 R603 2.2K R602 2.2K R601 1.8K R609 56K R607 1.2K R608 22K R606 4.7K R101 10K R123 0 R223 75 R231 0 R233 0 R232 0 0 R225 75 R236 0 R235 0 R227 75 R229 75 R621 75 R620 75 R624 0 R625 0 R618 75 R619 75 R622 0 R623 0 R443 270 R429 10K R902 2.2K R920 220 R221 75 R357 470 R355 180 R356 180 R354 330 R352 R353 470K R351 R222 75 R422 22K R430 10K R415 22K R423 1.5K R418 22K R414 22K R413 22K R419 1.5K R417 22K R424 1.5K R420 1.5K R416 22K R412 1.5K R410 10K R408 10K R411 1.5K R407 10K R409 10K R402 1.5K R404 NC R456 100K R457 100K R403 NC R126 47 R124 47 R462 1K R107 47 R106 47 R104 47 R103 47 R102 47 R127 47 R125 47 R122 47 R121 47 R135 10K R134 10K R137 10K R136 10K P352 RI_OUT 1 2 3 4 Y Y P/XI ASPECT -27V C C RI FLAC1 V VDET FLAC2 IRIN EVER+5V ACK G/Y GND DEMO B/CB SYSRESET DOUT RESET GND_VIDEO P_ON XSCK R/CR XRDY Y SI V SO GND VSEL1 AGND B/CB VSEL2 SQUEEZE ASPECT R/C P/XI RGB Y/V G/Y B/CB R/CR G/Y GND CS I SO V XSCK MRESET V+12V V+12V Y SW+5V SQUEEZE RGB V+11V IC VSEL2 RGBSW V+12V SW+5V SW+5V R/C.DRV Y/V.DRV CTS VSEL1 DTR RXD R/C.DRV TXD RGBSW Y/V.DRV VDET DVDMUTE ACK RESET SI SO XSCK XRDY SYSRESET P_ON V+6V DOUT V+6V AGND TXD FLAC1 FLAC2 GND V+12V GND M+8V MGND SW+5V GND EVER+5V P_ON -27V +8V RXD DTR MUTE_R CTS DEMO NAAR-7997 R ch MONO 15 10 5 1 R115 R116 CR CB Y RGB - - 0 0 OTHER MUP2P For Download 1mm Pich FFC L ch +12V +6V NC 0 NC From Power supply unit NC NC NC NC NC NC NC NC NC NC NC NC only SCART TERMINAL Audio out S-Video out Video out Except To Display circuit PC board NADIS-7998 From DVD Main circuit PC board Except NC NC U1 : OUTPUT TERMINAL PC BOARD C V Y DVDMUTE From DVD Main circuit PC board From DVD Main circuit PC board 1 2 3 4 5 6 7 8 9 10 11 1 2 3 4 5 6 7 8 9 10 11 12 13 14 15 16 17 18 Not use : European model w w w . x i a o y u 1 6 3 . c o m Q Q 3 7 6 3 1 5 1 5 0 9 9 2 8 9 4 2 9 8 T E L 1 3 9 4 2 2 9 6 5 1 3 9 9 2 8 9 4 2 9 8 0 5 1 5 1 3 6 7 3 Q Q TEL 13942296513 QQ 376315150 892498299 TEL 13942296513 QQ 376315150 892498299 http://www.xiaoyu163.com P981A AC INLET P982B P982A P982A P981 E LENT.POUR UNE PROTECTION PERMANENTE,N'UTILISER ATTENTION FOR CONTINUED PROTECTION AGAINST FIRE AGAINST FIRE HAZARD, REPLACE RATING REFER TO THE MARKING ADJACENT TO THE SYMBOL. INDIQUE LA QU LE PRESENT SYMBOL EST APPOSE. QUE DES FUSIBLES DE MEME TYPE. CE DARNIER EST CE SYMBOLE INDIQUE QUE LE FUSIBLE UTLISE EST HAZARD,REPLACE WITH SAME TYPE FUSE. FOR FUSE THIS SYMBOL LOCATED NEAR THE FUSE INDICATES THAT THE FUSE USED IS SLOW OPERATING TYPE V A ET CALIBRATION COMME INDIQUE. D'INCENDIE, REMPLACER UNIQUEMENT PERMANENTE CONTRE LES RISQUES AFIN D'ASSURER UNE PROTECTION PAR UN FUSIBLE DE MEME TYPE V A FOR CONTINUED PROTECTION AND RATING INDICATED. ONLY WITH FUSE OF SAME TYPE CAUTION NC NC 0 1K NC 0 1K 0 0 0 0 NC NC NC NC NC NC NC 1K 1K 1K 1K 1K NC NC NC NC NC 0 0 NC NC 0 0 NC 0 Region 6 4 3 2 1 2 MJJ MDD MUP MUT/MUK MUS/MUA R738 R739 R740 R741 R742 R743 MUR P701A JL703B JL703A Q703 S-80145 1 2 3 4 5 P702A D702 UDZS5.6B D701 D703 1SS352 Q704 RN2403 Q705 REMSENS X701 5.00MHZ C706 100/6.3 C703 104Z P731 ENTER S731 NPS-115-S673 5 3 4 2 1 6 7 S704 T.MENU S706 MENU S716 STANDBY S715 DIMMER S713 PLAY MODE S712 CLEAR S714 DISPLAY S707 SETUP S705 RETURN S701 PAUSE S702 STOP S703 PLAY S710 OPEN S709 UP S708 DOWN R757 3.9K R756 1.8K R755 1K R753 470 R754 820 R752 390 R739 R738 R740 R741 R727 0 R701 10K R710 10K R751 2.7K R766 2.7K R758 2.7K R772 3.9K R773 10K R764 3.9K R765 10K R771 1.8K R763 1.8K R759 390 R760 470 R761 820 R767 390 R768 470 R769 820 R770 1K R762 1K R779 470 R713 220K R711 1M 0 00 0 0 0 0 R712 47K Q708 RN1407 D721 STANDBY K1 K1 INIT2 STB_L STB_L K0 K0 REMO K2 UP RIGHT ENTER DOWN LEFT SYSIN K2 RI VDET SYSOUT REMO IRIN ACK DEMO -27V SYSRESET GND PON XRDY SO FLAC1 SI FLAC2 XSCK SYSRESET E+5V IRIN VDET XRDY GND DEMO GND ACK FLAC1 FLAC2 RI -27V 232BU SRESET 232RE 232SO 232SI 232SCK SO XSCK PON RESET SI 1 20 10 R709 NC 0 R708 0 NC Integra Others U3 : STANDBY SWITCH PC BOARD NADIS-7999 To Out put terminal PC board NAAR-7997 ITCH NASW-8000 U5 : INLET TERMINAL PC BOARD NAPS-8001 NC DV-SP501 E F G H www. xiaoyu163. com QQ 376315150 9 9 2 8 9 4 2 9 8 TEL 13942296513 9 9 2 8 9 4 2 9 8 0 5 1 5 1 3 6 7 3 Q Q TEL 13942296513 QQ 376315150 892498299 TEL 13942296513 QQ 376315150 892498299 http://www.xiaoyu163.com C991 103M/250V S991 CN2 P982B AC H CN1 AC G R 100KX5 Q701 MPD780232GC +5V 24 10G 71 11G 70 12G 69 13G 68 1G 80 232SCK 31 232SO 32 2G 79 3G 78 4G 77 5G 76 6G 75 7G 74 8G 73 9G 72 ACK 14 AVSS 18 DISPKLAYMODE 13 FLON_OFF 39 IC 5 INIT0 35 INIT1 34 INIT2 33 IRIN 15 K0 22 K1 21 K2 20 MSO_0 38 MSO_1 37 MSO_2 36 NC10 48 NC11 49 42 NC5 43 NC6 44 NC7 45 NC8 46 NC9 47 OPEN 67 P1 66 P10 55 P11 54 P12 53 P13 52 P14 51 P15 50 P2 65 P3 64 P4 63 P5 62 P6 61 P7 58 P8 57 P9 56 PON 11 R232BUSY 29 R232REQ 28 R232RES 40 R232SI 30 REMO 16 RESET 6 SI 8 SO 9 STBYLED 41 SYSIN 26 SYSOUT 27 SYSRESET 12 VCOFF 17 VDD0 25 VDD1 1 VDD2 59 VDET 19 VLOAD 60 VSS0 23 VSS1 2 X1 3 X2 4 XRDY 10 XSCK 7 R708 Q707 Q706 2S C705 22/50 C701 100/6.3 C704 104Z C702 104Z R717 0 R718 0 R742 R743 R733 1K R734 0 R737 R736 0 R714 100 R715 100 R716 100 R70 10K R726 0 R724 0 R725 0 R719 10K R720 10K R721 10K R722 10K R723 10K R709 0 R711 1M R702 0 R703 100 R704 0 R705 0 R706 0 R707 0 Q702 HNV-13SS12T 10G 32 11G 31 12G 30 13G 29 1G 41 2G 40 3G 39 4G 38 5G 37 6G 36 7G 35 8G 34 9G 33 F1 1 F12 2 F2 45 F22 44 P1 19 P10 10 P11 9 P12 8 P13 7 P14 6 P15 5 P2 18 P3 17 P4 16 P5 15 P6 14 P7 13 P8 12 P9 11 MSO_0 MSO_1 MSO_2 INIT0 INIT1 1G 2G 3G 4G 5G 6G 7G 8G 9G 10G 11G 12G 13G P1 P2 P3 P4 P5 P6 P7 P8 P9 P10 P11 P12 P13 P14 P15 SRESET MSO_0 MSO_1 MSO_2 INIT0 INIT1 INIT2 232SO 232SCK 232SI 232BU 232RE SYSOUT SYSIN K0 K1 FL_ON/OFF STB_L R I D SYS P15 P14 X P13 P12 P11 X P10 P9 P8 P7 13G 12G 11G 10G 9G 8G 7G 6G 5G 4G 3G 2G 1G P6 P5 P4 P3 P2 P1 FLAC1 FLAC -27V NC GND EVRE+12V GND E+8V M+8V NC GND SW+5V GND EVER+5V P ON NGPS-0041 AC100-240V 50Hz/60Hz NGPS-0040 AC100-120V 50Hz/60Hz Model Setup R737 1K NC R736 NC 0 Integra Others 42: NC4 U20 : POWER SUPPLY UNIT U4 : POWER SWITC PC BOARD NA NC NC To Out put terminal PC board NAAR-7997 CN901 NC SCHEMATIC DIAGRAM U2 : DISPLAY CIRCUIT PC BOARD NADIS-7998 A 1 2 3 4 5 B C D NC www. xiaoyu163. com QQ 376315150 9 9 2 8 9 4 2 9 8 TEL 13942296513 9 9 2 8 9 4 2 9 8 0 5 1 5 1 3 6 7 3 Q Q TEL 13942296513 QQ 376315150 892498299 TEL 13942296513 QQ 376315150 892498299 http://www.xiaoyu163.com P981A AC INLET C991 103M/250V S991 CN2 P982B P982A P982B P982A AC H CN1 AC G P981 E LENT.POUR UNE PROTECTION PERMANENTE,N'UTILISER ATTENTION FOR CONTINUED PROTECTION AGAINST FIRE AGAINST FIRE HAZARD, REPLACE RATING REFER TO THE MARKING ADJACENT TO THE SYMBOL. INDIQUE LA QU LE PRESENT SYMBOL EST APPOSE. QUE DES FUSIBLES DE MEME TYPE. CE DARNIER EST CE SYMBOLE INDIQUE QUE LE FUSIBLE UTLISE EST HAZARD,REPLACE WITH SAME TYPE FUSE. FOR FUSE THIS SYMBOL LOCATED NEAR THE FUSE INDICATES THAT THE FUSE USED IS SLOW OPERATING TYPE V A ET CALIBRATION COMME INDIQUE. D'INCENDIE, REMPLACER UNIQUEMENT PERMANENTE CONTRE LES RISQUES AFIN D'ASSURER UNE PROTECTION PAR UN FUSIBLE DE MEME TYPE V A FOR CONTINUED PROTECTION AND RATING INDICATED. ONLY WITH FUSE OF SAME TYPE CAUTION R 100KX5 NC NC 0 1K NC 0 1K 0 0 0 0 NC NC NC NC NC NC NC 1K 1K 1K 1K 1K NC NC NC NC NC 0 0 NC NC 0 0 NC 0 Region 6 4 3 2 1 2 MJJ MDD MUP MUT/MUK MUS/MUA R738 R739 R740 R741 R742 R743 MUR P701A JL703B JL703A Q703 S-80145 1 2 3 4 5 Q701 MPD780232GC +5V 24 10G 71 11G 70 12G 69 13G 68 1G 80 232SCK 31 232SO 32 2G 79 3G 78 4G 77 5G 76 6G 75 7G 74 8G 73 9G 72 ACK 14 AVSS 18 DISPKLAYMODE 13 FLON_OFF 39 IC 5 INIT0 35 INIT1 34 INIT2 33 IRIN 15 K0 22 K1 21 K2 20 MSO_0 38 MSO_1 37 MSO_2 36 NC10 48 NC11 49 42 NC5 43 NC6 44 NC7 45 NC8 46 NC9 47 OPEN 67 P1 66 P10 55 P11 54 P12 53 P13 52 P14 51 P15 50 P2 65 P3 64 P4 63 P5 62 P6 61 P7 58 P8 57 P9 56 PON 11 R232BUSY 29 R232REQ 28 R232RES 40 R232SI 30 REMO 16 RESET 6 SI 8 SO 9 STBYLED 41 SYSIN 26 SYSOUT 27 SYSRESET 12 VCOFF 17 VDD0 25 VDD1 1 VDD2 59 VDET 19 VLOAD 60 VSS0 23 VSS1 2 X1 3 X2 4 XRDY 10 XSCK 7 R708 P702A Q707 Q706 2S D702 UDZS5.6B D701 D703 1SS352 Q704 RN2403 Q705 REMSENS X701 5.00MHZ C705 22/50 C706 100/6.3 C701 100/6.3 C703 104Z C704 104Z C702 104Z P731 ENTER S731 NPS-115-S673 5 3 4 2 1 6 7 S704 T.MENU S706 MENU S716 STANDBY S715 DIMMER S713 PLAY MODE S712 CLEAR S714 DISPLAY S707 SETUP S705 RETURN S701 PAUSE S702 STOP S703 PLAY S710 OPEN S709 UP S708 DOWN R717 0 R718 0 R757 3.9K R756 1.8K R755 1K R753 470 R754 820 R752 390 R739 R738 R740 R741 R742 R743 R733 1K R734 0 R737 R736 0 R714 100 R715 100 R716 100 R727 0 R701 10K R710 10K R751 2.7K R766 2.7K R758 2.7K R726 0 R724 0 R725 0 R719 10K R720 10K R721 10K R722 10K R723 10K R772 3.9K R773 10K R764 3.9K R765 10K R771 1.8K R763 1.8K R759 390 R760 470 R761 820 R767 390 R768 470 R769 820 R770 1K R762 1K R779 470 R713 220K R709 0 R711 1M R702 0 R703 100 R704 0 R705 0 R706 0 R707 0 R712 47K Q708 RN1407 D721 STANDBY Q702 HNV-13SS12T 10G 32 11G 31 12G 30 13G 29 1G 41 2G 40 3G 39 4G 38 5G 37 6G 36 7G 35 8G 34 9G 33 F1 1 F12 2 F2 45 F22 44 P1 19 P10 10 P11 9 P12 8 P13 7 P14 6 P15 5 P2 18 P3 17 P4 16 P5 15 P6 14 P7 13 P8 12 P9 11 K1 K1 MSO_0 MSO_1 MSO_2 INIT0 INIT1 INIT2 1G 2G 3G 4G 5G 6G 7G 8G 9G 10G 11G 12G 13G P1 P2 P3 P4 P5 P6 P7 P8 P9 P10 P11 P12 P13 P14 P15 STB_L STB_L K0 K0 SRESET MSO_0 MSO_1 MSO_2 INIT0 INIT1 INIT2 232SO 232SCK 232SI 232BU 232RE SYSOUT SYSIN K0 K1 REMO K2 UP RIGHT FL_ON/OFF ENTER DOWN LEFT SYSIN STB_L K2 RI VDET SYSOUT REMO IRIN ACK DEMO -27V SYSRESET GND P15 PON P14 XRDY P13 SO FLAC1 P12 SI FLAC2 P11 XSCK P10 SYSRESET E+5V IRIN VDET XRDY GND DEMO GND ACK FLAC1 FLAC2 RI -27V 232BU SRESET 232RE 232SO 232SI 232SCK SO XSCK PON RESET SI P9 P8 P7 13G 12G 11G 10G 9G 8G 7G 6G 5G 4G 3G 2G 1G P6 P5 P4 P3 P2 P1 1 FLAC1 FLAC -27V NC GND EVRE+12V GND E+8V M+8V NC GND SW+5V GND EVER+5V P ON NGPS-0041 AC100-240V 50Hz/60Hz NGPS-0040 AC100-120V 50Hz/60Hz Model Setup R737 1K NC 20 10 R736 NC 0 Integra Others R709 NC 0 R708 0 NC Integra Others 42: NC4 U3 : STANDBY SWITCH PC BOARD NADIS-7999 To Out put terminal PC board NAAR-7997 U20 : POWER SUPPLY UNIT U4 : POWER SWITCH PC BOARD NASW-8000 U5 : INLET TERMINAL PC BOARD NAPS-8001 NC NC To Out put terminal PC board NAAR-7997 CN901 NC DV-SP501 SCHEMATIC DIAGRAM U2 : DISPLAY CIRCUIT PC BOARD NADIS-7998 A 1 2 3 4 5 B C D E F G H NC w w w . x i a o y u 1 6 3 . c o m Q Q 3 7 6 3 1 5 1 5 0 9 9 2 8 9 4 2 9 8 T E L 1 3 9 4 2 2 9 6 5 1 3 9 9 2 8 9 4 2 9 8 0 5 1 5 1 3 6 7 3 Q Q TEL 13942296513 QQ 376315150 892498299 TEL 13942296513 QQ 376315150 892498299 http://www.xiaoyu163.com DV-SP501 E F G H 2/3 2/3 5V Reg. : S VIDEO SIGNAL ROUTE (Y) (Y) : S VIDEO SIGNAL ROUTE (Y) (C) : VIDEO SIGNAL ROUTE (C/V) (C/V) : AUDIO SIGNAL ROUTE (DIGITAL) (D) : VIDEO SIGNAL ROUTE (CY/G) (CY/G) : VIDEO SIGNAL ROUTE (PR/R) (PR/R) : VIDEO SIGNAL ROUTE (PB/B) (PB/B) (Y) (C) (C/V) (CY/G) (PR/R) (PB/B) (Y) (C) (C/V) (CY/G) (PR/R) (PB/B) (Y) (C) (C/V) (CY/G) (PR/R) (PB/B) (D) (D) (D) (D) TO OUTPUT TERMINAL PC BOARD CN903 TO OUTPUT TERMINAL PC BOARD CN901 www. xiaoyu163. com QQ 376315150 9 9 2 8 9 4 2 9 8 TEL 13942296513 9 9 2 8 9 4 2 9 8 0 5 1 5 1 3 6 7 3 Q Q TEL 13942296513 QQ 376315150 892498299 TEL 13942296513 QQ 376315150 892498299 http://www.xiaoyu163.com SCHEMATIC DIAGRAM DVD MAIN CIRCUIT PC BOARD (3/3) DB-VPB501/XJ A 1 2 3 4 5 B C D 2/3 1.8V Reg. 1.8V Reg. (D) (D) (D) www. xiaoyu163. com QQ 376315150 9 9 2 8 9 4 2 9 8 TEL 13942296513 9 9 2 8 9 4 2 9 8 0 5 1 5 1 3 6 7 3 Q Q TEL 13942296513 QQ 376315150 892498299 TEL 13942296513 QQ 376315150 892498299 http://www.xiaoyu163.com DV-SP501 SCHEMATIC DIAGRAM DVD MAIN CIRCUIT PC BOARD (3/3) DB-VPB501/XJ A 1 2 3 4 5 B C D E F G H 2/3 1.8V Reg. 1.8V Reg. (D) (D) (D) 2/3 2/3 5V Reg. : S VIDEO SIGNAL ROUTE (Y) (Y) : S VIDEO SIGNAL ROUTE (Y) (C) : VIDEO SIGNAL ROUTE (C/V) (C/V) : AUDIO SIGNAL ROUTE (DIGITAL) (D) : VIDEO SIGNAL ROUTE (CY/G) (CY/G) : VIDEO SIGNAL ROUTE (PR/R) (PR/R) : VIDEO SIGNAL ROUTE (PB/B) (PB/B) (Y) (C) (C/V) (CY/G) (PR/R) (PB/B) (Y) (C) (C/V) (CY/G) (PR/R) (PB/B) (Y) (C) (C/V) (CY/G) (PR/R) (PB/B) (D) (D) (D) (D) TO OUTPUT TERMINAL PC BOARD CN903 TO OUTPUT TERMINAL PC BOARD CN901 w w w . x i a o y u 1 6 3 . c o m Q Q 3 7 6 3 1 5 1 5 0 9 9 2 8 9 4 2 9 8 T E L 1 3 9 4 2 2 9 6 5 1 3 9 9 2 8 9 4 2 9 8 0 5 1 5 1 3 6 7 3 Q Q TEL 13942296513 QQ 376315150 892498299 TEL 13942296513 QQ 376315150 892498299 http://www.xiaoyu163.com DV-SP501 E F G H 3/3 3/3 1/3 8 6 7 9 10 11 : RF SIGNAL ROUTE (RF) : FE_DATA SIGNAL ROUTE : S VIDEO SIGNAL ROUTE (Y) (Y) : S VIDEO SIGNAL ROUTE (C) (C) : VIDEO SIGNAL ROUTE (C/V) (C/V) : AUDIO DATA SIGNAL ROUTE (AD) : AUDIO SIGNAL ROUTE (DIGITAL) (D) : AUDIO SIGNAL ROUTE (DVD_L ch) (DVD) (DVD) (DVD) (DVD) (Y) (Y) (Y) (Y) (C) (C) (C) (Y) (C/V) (C) (C) (C/V) (C/V) (C/V) (C/V) (AD) To CN904 www. xiaoyu163. com QQ 376315150 9 9 2 8 9 4 2 9 8 TEL 13942296513 9 9 2 8 9 4 2 9 8 0 5 1 5 1 3 6 7 3 Q Q TEL 13942296513 QQ 376315150 892498299 TEL 13942296513 QQ 376315150 892498299 http://www.xiaoyu163.com SCHEMATIC DIAGRAM DVD MAIN CIRCUIT PC BOARD (2/3) DB-VPB501/XJ A 1 2 3 4 5 B C D (Y) (C) (C/V) (AD) (AD) (D) www. xiaoyu163. com QQ 376315150 9 9 2 8 9 4 2 9 8 TEL 13942296513 9 9 2 8 9 4 2 9 8 0 5 1 5 1 3 6 7 3 Q Q TEL 13942296513 QQ 376315150 892498299 TEL 13942296513 QQ 376315150 892498299 http://www.xiaoyu163.com DV-SP501 SCHEMATIC DIAGRAM DVD MAIN CIRCUIT PC BOARD (2/3) DB-VPB501/XJ A 1 2 3 4 5 B C D E F G H (Y) (C) (C/V) (AD) (AD) (D) 3/3 3/3 1/3 8 6 7 9 10 11 : RF SIGNAL ROUTE (RF) : FE_DATA SIGNAL ROUTE : S VIDEO SIGNAL ROUTE (Y) (Y) : S VIDEO SIGNAL ROUTE (C) (C) : VIDEO SIGNAL ROUTE (C/V) (C/V) : AUDIO DATA SIGNAL ROUTE (AD) : AUDIO SIGNAL ROUTE (DIGITAL) (D) : AUDIO SIGNAL ROUTE (DVD_L ch) (DVD) (DVD) (DVD) (DVD) (Y) (Y) (Y) (Y) (C) (C) (C) (Y) (C/V) (C) (C) (C/V) (C/V) (C/V) (C/V) (AD) To CN904 w w w . x i a o y u 1 6 3 . c o m Q Q 3 7 6 3 1 5 1 5 0 9 9 2 8 9 4 2 9 8 T E L 1 3 9 4 2 2 9 6 5 1 3 9 9 2 8 9 4 2 9 8 0 5 1 5 1 3 6 7 3 Q Q TEL 13942296513 QQ 376315150 892498299 TEL 13942296513 QQ 376315150 892498299 http://www.xiaoyu163.com DV-SP501 E F G H 2/3 1 2 4 5 : FOCUS SERVO LOOP LINE : TRACKING SERVO LOOP LINE : STEPPING SERVO LOOP LINE (F) : RF SIGNAL ROUTE (RF) (T) (S) (RF) (RF) (RF) (RF) (RF) (RF) (RF) (RF) (RF) (RF) (RF) (RF) (RF) (RF) (RF) (RF) (RF) (RF) (RF) (RF) (RF) (RF) www. xiaoyu163. com QQ 376315150 9 9 2 8 9 4 2 9 8 TEL 13942296513 9 9 2 8 9 4 2 9 8 0 5 1 5 1 3 6 7 3 Q Q TEL 13942296513 QQ 376315150 892498299 TEL 13942296513 QQ 376315150 892498299 http://www.xiaoyu163.com SCHEMATIC DIAGRAM A 1 2 3 4 5 B C D TO CN601 STEPPING MOTOR PICKUP ASSY CN1013 SPINDLE MOTOR 3 (F) (F) (RF) (RF) (RF) (RF) (RF) (RF) (T) (T) (S) (S) (S) (S) (S) (S) (S) (S) (F) (F) (T) (T) DVD MAIN CIRCUIT PC BOARD (1/3) DB-VPB501/XJ UNCLAMP OPENC CLOSEC ROT DRV LOAD DRVC XDRV MUTE XDRV MUTE2 CLAMP LOAD PCB www. xiaoyu163. com QQ 376315150 9 9 2 8 9 4 2 9 8 TEL 13942296513 9 9 2 8 9 4 2 9 8 0 5 1 5 1 3 6 7 3 Q Q TEL 13942296513 QQ 376315150 892498299 TEL 13942296513 QQ 376315150 892498299 http://www.xiaoyu163.com DV-SP501 SCHEMATIC DIAGRAM A 1 2 3 4 5 B C D E F G H TO CN601 STEPPING MOTOR PICKUP ASSY CN1013 SPINDLE MOTOR 3 (F) (F) (RF) (RF) (RF) (RF) (RF) (RF) (T) (T) (S) (S) (S) (S) (S) (S) (S) (S) (F) (F) (T) (T) 2/3 1 2 4 5 : FOCUS SERVO LOOP LINE : TRACKING SERVO LOOP LINE : STEPPING SERVO LOOP LINE (F) : RF SIGNAL ROUTE (RF) (T) (S) (RF) (RF) (RF) (RF) (RF) (RF) (RF) (RF) (RF) (RF) (RF) (RF) (RF) (RF) (RF) (RF) (RF) (RF) (RF) (RF) (RF) (RF) DVD MAIN CIRCUIT PC BOARD (1/3) DB-VPB501/XJ UNCLAMP OPENC CLOSEC ROT DRV LOAD DRVC XDRV MUTE XDRV MUTE2 CLAMP LOAD PCB w w w . x i a o y u 1 6 3 . c o m Q Q 3 7 6 3 1 5 1 5 0 9 9 2 8 9 4 2 9 8 T E L 1 3 9 4 2 2 9 6 5 1 3 9 9 2 8 9 4 2 9 8 0 5 1 5 1 3 6 7 3 Q Q TEL 13942296513 QQ 376315150 892498299 TEL 13942296513 QQ 376315150 892498299 http://www.xiaoyu163.com DV-SP501 SCHEMATIC DIAGRAM A 1 2 3 4 B C D E NGPS-0040-100-120V NGPS-0041-100-240V Except F1 VS1 C1 R1 CN1 AC-H D6 PHC1-1 R4 R5 C7 C8 C5 3 2 T1 C5 8 7 6 C4 D5 C2 D1-D4 C3 C31 GND 3 2 1 L1 FLAC EV -28V GND SW+8V GND P-con EV+5V IC1 AC-G U20 : POWER SUPPLY UNIT C22 EV+12V SW+8V SW+5V NC FLAC NC 4 5 3 6 9 8 7 2 1 11 13 12 10 14 15 10 11 12 14 15 -16 17 18 R3 R2 C28 IC4 1 2 3 C10 L3 C12 C13 Q3 5-6 3 4 SJW1 R6 D13 Q1 R31 R9 R8 R7 R10 D19 CP1 CP2 CP3 CP4 C14 D14 PHC1 L2 R14 R18 1 2 R16 C15 R17 R15 R19 Q3 7-8 1 2 R12 D17 Q2 R11 R21 R22 Q5 C19 R23 C18 IC3 C21 D9 D16 D15 D7 D8 C30 R32 D11 D12 R29 R30 C27 D18 C24 C25 R24 R25 R26 C26 D6: 1SS133 05NU42 ExcepT C4: 250WXA68M 16x20 400WXA68A 18x20 Wxcept C9 CN2 49101.6PAR 49101.6PAR 49101.6PAR 491.800PAR www . x ia o y u 1 6 3 . c o m QQ 3 7 6 3 1 5 1 5 0 9 9 2 8 9 4 2 9 8 T E L 1 3 9 4 2 2 9 6 5 1 3 9 9 2 8 9 4 2 9 8 0 5 1 5 1 3 6 7 3 Q Q TEL 13942296513 QQ 376315150 892498299 TEL 13942296513 QQ 376315150 892498299 http://www.xiaoyu163.com DV-SP501 PC BOARD CONNECTION DIAGRAM P982A P982B U4: POWER SWITCH PCB NASW-8000 BROWN BROWN S991 P981A P981A P982A P982B NTL WHITE BROWN U5: INLET TERMINAL PCB NAPS-8001 JL703A P731 P701B P702A Q702 S701 S702 S703 S704 S705 S706 S707 S708 S709 S710 S712 S713 S714 S715 U2: DISPLAY CIRCUIT PCB NADIS-7998 DIMMER DISPLAY PLAY_MODE CLEAR PLAY STOP PAUSE OPEN DOWN UP SETUP MENU TOP_MENU RETURN JL703B S716 U3: STANDBY SWITCH PCB NADIS-7999 CN901 CN902 CN903 P105 P292A P351A P351B P701A P702B P901 U1: OUTPUT TERMINAL PCB NAAR-7997 GND G/Y GND GND R/CR P/XI ASPECT B/CB FLAC1 FLAC2 -27V NC NC GND GND GND SW+8V SW+M8V DV-SP501 DPS-5.4 P-ON E+5V SW+5V GND E+12V P851A P801 P802 NAETC-8005 P851B DPS-5.4 ONLY CN2 CN1 AC-H AC-G U20 : POWER SUPPLY UNIT NGPS-0041-100-120V NGPS-0041-100-240V CN903 CN103 CN101 CN104 CN105 CN901 CN902 DVD MECHANISM Z1: DVD MAIN CIRCUIT PCB DB-VPB501 WHT BRN BRN www . x ia o y u 1 6 3 . c o m QQ 3 7 6 3 1 5 1 5 0 9 9 2 8 9 4 2 9 8 T E L 1 3 9 4 2 2 9 6 5 1 3 9 9 2 8 9 4 2 9 8 0 5 1 5 1 3 6 7 3 Q Q TEL 13942296513 QQ 376315150 892498299 TEL 13942296513 QQ 376315150 892498299 http://www.xiaoyu163.com C222 C253 C602 D601 D602 D603 D604 D605 D606 L201 L202 L203 L204 L205 L206 L207 L208 L209 L210 L211 L212 L601 L602 L603 L604 Q601 Q601 Q602 Q603 Q604 Q605 Q606 Q607 Q608 R102 R103 R104 R106 R107 R108 R115 R116 R221 R222 R223 R224 R225 R227 R229 R231 R232 R233 R234 R235 R236 R241 R242 R243 R244 R245 R246 R251 R252 R253 R254 R255 R256 R257 R601 R602 R603 R604 R605 R606 R607 R608 R609 R610 R611 R614 R615 R616 R617 R618 R619 R620 R621 R622 R623 R624 R625 R626 R1014 R1013 R1018 R1019 R1008 R1009 R1020 R1010 R1011 R1012 R1015 R1016 R1017 R1007 R1006 1 1 1 DV-SP501 E F G H www. xiaoyu163. com QQ 376315150 9 9 2 8 9 4 2 9 8 TEL 13942296513 9 9 2 8 9 4 2 9 8 0 5 1 5 1 3 6 7 3 Q Q TEL 13942296513 QQ 376315150 892498299 TEL 13942296513 QQ 376315150 892498299 http://www.xiaoyu163.com C101 C351 C352 C354 C355 C356 C357 C358 C359 C360 C361 C363 C364 C367 C409 C410 C416 C417 C418 C480 C481 C482 C483 C484 C901 C903 C905 C909 C907 C914 D101 D460 D801 D901 D920 L351 L352 L353 L354 L603 L604 Q352 Q352 Q401 Q402 Q403 Q404 Q405 Q406 Q407 Q460 Q463 Q920 R101 R117 R118 R119 R121 R122 R123 R124 R125 R126 R127 R134 R135 R136 R137 R351 R352 R353 R354 R355 R356 R357 R401 R402 R403 R404 R405 R406 R407 R408 R409 R410 R411 R412 R413 R414 R415 R416 R417 R418 R419 R420 R421 R422 R423 R424 R427 R428 R429 R430 R431 R432 R433 R434 R435 R441 R442 R443 R444 R445 R446 R447 R448 R449 R450 R452 R453 R454 R455 R456 R457 R462 R820 R821 R822 R823 R902 R920 R1001 R1004 R1002 R1005 C912 R1003 1 1 1 1 1 1 1 1 D921 D922 R460 R458 R461 R459 Q806 D924 D923 R463 PRINTED CIRCUIT BOARD FROM SOLDERING SIDE VIEW U1 : OUTPUT TERMINAL PC BOARD NAAR-7997 Soldering side A 1 2 3 4 5 B C D www. xiaoyu163. com QQ 376315150 9 9 2 8 9 4 2 9 8 TEL 13942296513 9 9 2 8 9 4 2 9 8 0 5 1 5 1 3 6 7 3 Q Q TEL 13942296513 QQ 376315150 892498299 TEL 13942296513 QQ 376315150 892498299 http://www.xiaoyu163.com C101 C222 C253 C351 C352 C354 C355 C356 C357 C358 C359 C360 C361 C363 C364 C367 C409 C410 C416 C417 C418 C480 C481 C482 C483 C484 C602 C901 C903 C905 C909 C907 C914 D101 D460 D601 D602 D603 D604 D605 D606 D801 D901 D920 L201 L202 L203 L204 L205 L206 L207 L208 L209 L210 L211 L212 L351 L352 L353 L354 L601 L602 L603 L604 Q352 Q352 Q401 Q402 Q403 Q404 Q405 Q406 Q407 Q460 Q463 Q601 Q601 Q602 Q603 Q604 Q605 Q606 Q607 Q608 Q920 R101 R102 R103 R104 R106 R107 R108 R115 R116 R117 R118 R119 R121 R122 R123 R124 R125 R126 R127 R134 R135 R136 R137 R221 R222 R223 R224 R225 R227 R229 R231 R232 R233 R234 R235 R236 R241 R242 R243 R244 R245 R246 R251 R252 R253 R254 R255 R256 R257 R351 R352 R353 R354 R355 R356 R357 R401 R402 R403 R404 R405 R406 R407 R408 R409 R410 R411 R412 R413 R414 R415 R416 R417 R418 R419 R420 R421 R422 R423 R424 R427 R428 R429 R430 R431 R432 R433 R434 R435 R441 R442 R443 R444 R445 R446 R447 R448 R449 R450 R452 R453 R454 R455 R456 R457 R462 R601 R602 R603 R604 R605 R606 R607 R608 R609 R610 R611 R614 R615 R616 R617 R618 R619 R620 R621 R622 R623 R624 R625 R626 R820 R821 R822 R823 R902 R920 R1014 R1001 R1004 R1002 R1013 R1018 R1019 R1008 R1009 R1020 R1010 R1011 R1012 R1015 R1016 R1017 R1007 R1005 R1006 C912 R1003 1 1 1 1 1 1 1 1 1 1 1 D921 D922 R460 R458 R461 R459 Q806 D924 D923 R463 DV-SP501 PRINTED CIRCUIT BOARD FROM SOLDERING SIDE VIEW U1 : OUTPUT TERMINAL PC BOARD NAAR-7997 Soldering side A 1 2 3 4 5 B C D E F G H w w w . x i a o y u 1 6 3 . c o m Q Q 3 7 6 3 1 5 1 5 0 9 9 2 8 9 4 2 9 8 T E L 1 3 9 4 2 2 9 6 5 1 3 9 9 2 8 9 4 2 9 8 0 5 1 5 1 3 6 7 3 Q Q TEL 13942296513 QQ 376315150 892498299 TEL 13942296513 QQ 376315150 892498299 http://www.xiaoyu163.com C221 C223 C224 C225 C226 C227 C228 C229 C229 C251 C252 C601 C603 C612 C613 C614 C615 CN902 CN903 P201 P201 P203 P203 P205 P205 P601 P292A J177 J174 J162 J171 J175 J176 J173 J172 J180 J169 49 47 48 J163 J165 J152 J159 J156 J178 J160 J167 J168 J164 J158 J166 J157 J179 J161 J170 GND G/Y GND GND R/CR P/XI ASPECT B/CB R612 R613 7 7 25 12 30 30 30 22 25 22 7 22 20 17 20 7 22 25 7 DV-SP501 E F G H www. xiaoyu163. com QQ 376315150 9 9 2 8 9 4 2 9 8 TEL 13942296513 9 9 2 8 9 4 2 9 8 0 5 1 5 1 3 6 7 3 Q Q TEL 13942296513 QQ 376315150 892498299 TEL 13942296513 QQ 376315150 892498299 http://www.xiaoyu163.com C353 C362 C401 C402 C403 C404 C405 C406 C407 C408 C413 C414 C415 C419 C485 C486 C411 C412 C814 C902 C904 C906 C910 C908 C911 C920 C921 C922 CN901 P104 P105 P350 P350 P352 P352 P401 P401 P402 P402 P802 P802 P351A P351B P701A P702B Q351 Q351 Q356 Q356 Q801 Q801 R481 R482 J111 J110 J109 J103 J119 J105 J108 J107 J102 J149 J144 J147 J134 J138 J136 J133 J112 J302 J301 J129 J106 J126 J139 J135 J117 J104 J115 J116 J118 J122 J124 J125 J151 J153 J142 J143 J150 J145 J155 J132 J123 J131 J127 J121 J148 J154 J140 J128 J101 C815 P901 NCAR-7997 25137997C 3 FLAC1 FLAC2 -27V NC NC GND GND GND SW+8V SW+M8V DV-SP501 DPS-5.4 C420 J130 J137 J304 J305 J303 J307 J312 J311 P-ON E+5V SW+5V GND E+12V J308 J309 J310 P851A 7 7 12 7 7 25 15 25 15 25 25 25 15 7 22 7 7 30 20 7 7 27 12 17 7 30 7 22 17 22 12 7 27 15 17 Component side PRINTED CIRCUIT BOARD FROM SOLDERING SIDE VIEW U1 : OUTPUT TERMINAL PC BOARD NAAR-7997 A 1 2 3 4 5 B C D www. xiaoyu163. com QQ 376315150 9 9 2 8 9 4 2 9 8 TEL 13942296513 9 9 2 8 9 4 2 9 8 0 5 1 5 1 3 6 7 3 Q Q TEL 13942296513 QQ 376315150 892498299 TEL 13942296513 QQ 376315150 892498299 http://www.xiaoyu163.com C221 C223 C224 C225 C226 C227 C228 C229 C229 C251 C252 C353 C362 C401 C402 C403 C404 C405 C406 C407 C408 C413 C414 C415 C419 C485 C486 C411 C412 C601 C603 C612 C613 C614 C615 C814 C902 C904 C906 C910 C908 C911 C920 C921 C922 CN901 CN902 CN903 P104 P105 P201 P201 P203 P203 P205 P205 P350 P350 P352 P352 P401 P401 P402 P402 P601 P802 P802 P292A P351A P351B P701A P702B Q351 Q351 Q356 Q356 Q801 Q801 R481 R482 J177 J174 J162 J171 J175 J176 J173 J172 J180 J111 J110 J109 J103 J119 J105 J108 J107 J102 J169 J149 J144 J147 J134 J138 J136 J133 J112 J302 J301 J129 J106 J126 J139 J135 J117 J104 J115 J116 J118 J122 J124 J125 J151 J153 J142 J143 J150 J145 J155 J132 J123 J131 J127 J121 J148 J154 J163 J165 J152 J159 J156 J178 J160 J167 J168 J164 J158 J140 J166 J157 J128 J179 J161 J170 J101 C815 P901 NCAR-7997 25137997C 3 GND G/Y GND GND R/CR P/XI ASPECT B/CB FLAC1 FLAC2 -27V NC NC GND GND GND SW+8V SW+M8V R612 R613 DV-SP501 DPS-5.4 C420 J130 J137 J304 J305 J303 J307 J312 J311 P-ON E+5V SW+5V GND E+12V J308 J309 J310 P851A 7 7 25 12 7 7 12 7 7 30 25 30 15 25 15 25 25 25 15 7 22 7 7 30 20 7 7 27 12 17 7 30 7 22 30 17 22 25 22 7 22 20 17 20 7 22 25 7 22 12 7 27 15 17 Component side DV-SP501 PRINTED CIRCUIT BOARD FROM SOLDERING SIDE VIEW U1 : OUTPUT TERMINAL PC BOARD NAAR-7997 A 1 2 3 4 5 B C D E F G H w w w . x i a o y u 1 6 3 . c o m Q Q 3 7 6 3 1 5 1 5 0 9 9 2 8 9 4 2 9 8 T E L 1 3 9 4 2 2 9 6 5 1 3 9 9 2 8 9 4 2 9 8 0 5 1 5 1 3 6 7 3 Q Q TEL 13942296513 QQ 376315150 892498299 TEL 13942296513 QQ 376315150 892498299 http://www.xiaoyu163.com ���� Q708 R757 R779 P982A P982B NCSW-8000 25138000 0 BROWN BROWN C991 P982A P982B S991 S991 P981A P981A P982A P982B NTL WHITE BROWN NCPS-8001 25138001 0 D721 JL703B S716 NCDIS-7999 25137999 0 2 U3 : STANDBY SWITCH PC BOARD NADIS-7999 U4 : POWER SWITCH PC BOARD NASW-8000 U5 : INLET TERMINAL PC BOARD NAPS-8001 Component side Soldering side DV-SP501 PRINTED CIRCUIT BOARD FROM BOTTOM VIEW A 1 2 3 4 5 B C D www. xiaoyu163. com QQ 376315150 9 9 2 8 9 4 2 9 8 TEL 13942296513 9 9 2 8 9 4 2 9 8 0 5 1 5 1 3 6 7 3 Q Q TEL 13942296513 QQ 376315150 892498299 TEL 13942296513 QQ 376315150 892498299 http://www.xiaoyu163.com DV-SP501 PRINTED CIRCUIT BOARD FROM SOLDERING SIDE VIEW NADIS-7998 U2 : DISPLAY CIRCUIT PC BOARD A 1 2 3 4 5 B C D E F G H C702 C703 C704 D701 D702 D703 Q701 Q701 Q703 Q704 R701 R702 R703 R704 R705 R706 R707 R708 R709 R710 R711 R712 R713 R714 R715 R716 R717 R718 R719 R720 R721 R722 R723 R724 R725 R726 R727 R733 R734 R736 R737 R738 R739 R740 R741 R742 R743 R751 R752 R753 R754 R755 R756 R758 R759 R760 R761 R762 R763 R764 R765 R766 R767 R768 R769 R770 R771 R772 R773 1 C701 C705 C706 JL703A P731 P701B P702A Q702 Q702 Q705 Q705 Q706 Q707 S701 S702 S703 S704 S705 S706 S707 S708 S709 S710 S712 S713 S714 S715 X701 J710 J707 J705 J732 J733 J731 J712 J718 J727 J716 J722 J726 J728 J730 J701 J725 J702 J709 J706 J708 J715 J714 J713 J711 J721 J723 J717 J719 J729 J724 J704 J703 NCDIS-7998 25137998 1 R7001 DIMMER DISPLAY PLAY_MODE CLEAR PLAY STOP PAUSE OPEN DOWN UP SETUP MENU TOP_MENU RETURN 2 2 2 2 2 2 2 2 2 2 2 2 2 2 22 12 12 15 7 15 7 15 17 30 30 7 17 7 15 27 25 Component side Soldering side w w w . x i a o y u 1 6 3 . c o m Q Q 3 7 6 3 1 5 1 5 0 9 9 2 8 9 4 2 9 8 T E L 1 3 9 4 2 2 9 6 5 1 3 9 9 2 8 9 4 2 9 8 0 5 1 5 1 3 6 7 3 Q Q TEL 13942296513 QQ 376315150 892498299 TEL 13942296513 QQ 376315150 892498299 http://www.xiaoyu163.com PRINTED CIRCUIT BOARD FROM SOLDERING SIDE VIEW NADIS-7998 U2 : DISPLAY CIRCUIT PC BOARD A 1 2 3 4 5 B C D C702 C703 C704 D701 D702 D703 Q70 Q703 Q704 R701 R702 R703 R704 R705 R706 R707 R708 R709 R710 R712 R713 R714 R715 R716 R717 R718 R719 R720 R721 R722 R723 R724 R725 R726 R733 R734 R736 R737 R738 R739 R740 R741 R742 R743 R758 R759 R760 R761 R762 R763 R764 R765 R766 R767 R768 R769 R770 R771 R772 R773 C701 P731 P701B P702A Q706 Q707 S701 S702 S703 S704 S705 S706 S707 S708 S709 S710 X701 J732 J733 J731 J718 J727 J716 J722 J726 J728 J730 J725 J721 J723 J717 J719 J729 J724 PLAY STOP PAUSE OPEN DOWN UP SETUP MENU TOP_MENU RETURN 2 2 2 2 2 2 2 2 2 2 12 15 7 15 7 15 17 17 7 15 www. xiaoyu163. com QQ 376315150 9 9 2 8 9 4 2 9 8 TEL 13942296513 9 9 2 8 9 4 2 9 8 0 5 1 5 1 3 6 7 3 Q Q TEL 13942296513 QQ 376315150 892498299 TEL 13942296513 QQ 376315150 892498299 http://www.xiaoyu163.com DV-SP501 E F G H Q701 Q701 R711 R727 R751 R752 R753 R754 R755 R756 1 C705 C706 JL703A Q702 Q702 Q705 Q705 S712 S713 S714 S715 701 J710 J707 J705 J712 J701 J702 J709 J706 J708 J715 J714 J713 J711 J704 J703 NCDIS-7998 25137998 1 R7001 DIMMER DISPLAY PLAY_MODE CLEAR 2 2 2 2 22 12 30 30 7 27 25 Component side Soldering side www. xiaoyu163. com QQ 376315150 9 9 2 8 9 4 2 9 8 TEL 13942296513 9 9 2 8 9 4 2 9 8 0 5 1 5 1 3 6 7 3 Q Q TEL 13942296513 QQ 376315150 892498299 TEL 13942296513 QQ 376315150 892498299 http://www.xiaoyu163.com DV-SP501 PRINTED CIRCUIT BOARD VIEW SIDE A SIDE B C101 C102 V+3D SW2 (V+5D) LOAD- LOAD+ PYKC F6 GND 5 1 5 1 CN601 CN602 1 2 CN601 CN602 S101 VNP1910- VWG LOAB VWG2426- 5 1 1 2 1 5 LOAB ASSY LOADING MOTOR ASSY M CN103 B CN601 CN602 CN602 CN601 www. xiaoyu163. com QQ 376315150 9 9 2 8 9 4 2 9 8 TEL 13942296513 9 9 2 8 9 4 2 9 8 0 5 1 5 1 3 6 7 3 Q Q TEL 13942296513 QQ 376315150 892498299 TEL 13942296513 QQ 376315150 892498299 http://www.xiaoyu163.com E C425 R354 1 12 1 4 5 8 26 50 51 75 76 2 10 17 1 2 1 53 105 156 208 24 1 4 5 8 1 8 9 16 29 1 14 1 30 1 11 1 11 1 18 18 1 3 4 5 5 1 1 4 51 75 100 1 25 1 24 22 42 1 21 NP 1 9 24 23 2 1 1 8 104 53 52 1 157 156 2 1 23 23 24 2 1 5 4 2 30 7 1 8 5 7 1 4 1 30 1 1 8 5 C231 CN105 R123 R102 C102 C101 R204 C201 CN104 C120 C118 C116 C126 C202 CN103 R202 R203 IC201 C221 R201 R346 C346 R221 R223 C357 C335 Q202 R124 R222 R101 C362 R364 R361 R363 R365 R369 R368 C222 C124 L361 C342 C326 C323 C315 C309 C318 C348 C388 C377 IC301 C373 C391 C300 C132 C139 C142 C128 C127 CN101 C212 Q212 R214 C211 R213 R212 R211 IC101 C112 C113 C114 C130 R131 R135 C134 Q201 X301 CN301 R220 R366 R367 C301 C302 C304 C305 R390 Q390 L390 R392 R391 C393 C390 C392 C394 C303 Q211 C151 Q193 Q192 R151 L191 L192 L193 L194 C307 C306 C354 C133 R191 R192 R194 R196 R197 R199 R378 R379 R382 R383 R385 R386 R384 R394 R396 R310 R301 R334 R333 R332 R336 R337 R338 R339 R340 R341 R342 R344 R397 R398 CN121 CN122 CN123 CN124 R389 R300 IC601 C621 C644 C640 X601 C664 CN609 CN608 IC604 C690 C604 C614 C623 C630 C637 C648 C647 C681 C694 C607 C619 C622 C636 C649 C641 C659 C671 C684 C698 C660 C650 C651 C564 R1069 R1084 C561 C707 C706 C705 C708 R721 C709 R714 C710 C703 C702 R715 R716 IC701 R713 R712 R711 R724 Q722 Q721 R561 C731 R731 R733 C734 R726 Q726 Q725 R725 C732 R732 R734 C733 R719 R718 C717 R600 C600 R717 C652 Q723 C634 C605 R620 R640 R644 R609 R610 R612 R613 R626 R688 R689 R694 R695 R664 R602 R603 R606 R607 R608 R616 R617 R618 R619 R611 R662 R663 R665 R628 R635 R621 R641 R634 R636 R638 R637 R639 R651 R652 R657 R656 R655 R654 R653 R658 R675 R696 CN607 C642 L641 R741 R742 R744 R961 Q951 C1563 C1562 R907 R906 IC901 R903 R905 R904 R902 R901 C902 Q911 R918 CN901 CN902 IC421 IC411 IC441 IC431 D401 R410 R409 C410 C409 C491 C404 C403 C423 C424 C461 C415 C414 C422 R451 C452 C401 D432 C431 C433 C432 C434 D431 C441 C442 C443 C451 CN904 R960 R433 R444 R951 C413 C412 C462 C463 R461 R462 R421 C411 C421 IC461 C921 R921 R401 R411 C901 C951 Q922 Q921 Q923 R922 D922 R926 R925 R923 R924 R934 R933 D927 D925 D923 Q925 R908 R909 Q926 R932 R931 R441 R443 R442 D402 R402 C406 C407 R408 R407 C408 R403 R952 R953 R954 R955 R956 R957 R958 R959 R964 R965 R966 R967 R968 R969 R1081 Q451 D926 C405 R1082 R1083 R962 R963 R400 R937 R936 Q928 Q927 R938 R939 R935 Q930 Q929 C103 CN903 Q401 R111 CN921 CN923 IC401 R562 C308 C121 C383 C382 C312 C311 C310 R3 R4 R416 R647 R648 L402 R981 L421 D928 R723 R1 R722 Q724 R982 R984 R983 R2 L411 CONTACT SIDE CONTACT SIDE BOTTOM SIDE BOTTOM SIDE BOTTOM SIDE CONTACT UP SIDE SIDE UP SIDE D F A B C UP SIDE UP SIDE CONTACT SIDE (650) SIDE CONTACT D 1/2 (780) 30 UP SIDE D A A B B C C 1 GNDD V+5D LD2 LD1 RFOUT (L600) (L111) (ANP7463-B) PICKUP ASSY CN1013 STEPPING MOTOR SPINDLE MOTOR SIDE A SIDE A CN903 CN103 CN101 CN104 CN105 CN601 A CN901 IC201 IC701 IC101 IC601 IC301 IC901 IC421 IC411 IC441 IC431 IC461 IC401 IC604 IC401 IC461 IC431 IC441 IC411 IC421 IC901 IC701 IC604 IC601 IC101 IC301 IC201 Q724 Q202 Q193 Q192 Q201 Q723 Q725 Q726 Q721 Q722 Q211 Q212 Q911 Q922 Q921 Q923 Q401 Q451 Q928 Q927 Q930 Q929 Q925 Q926 Q724 Q390 Q401 Q929 Q930 Q927 Q928 Q451 Q926 Q925 Q923 Q921 Q922 Q911 Q951 Q723 Q725 Q726 Q721 Q722 Q192 Q193 Q951 Q211 Q390 Q201 Q212 Q202 Output terminal PCB Output terminal PCB Output terminal PCB CN902 DV-SP501 PRINTED CIRCUIT BOARD VIEW DVD MAIN CIRCUIT PC BOARD (DB-VPB501/XJ) A 1 2 3 4 5 B C D www. xiaoyu163. com QQ 376315150 9 9 2 8 9 4 2 9 8 TEL 13942296513 9 9 2 8 9 4 2 9 8 0 5 1 5 1 3 6 7 3 Q Q TEL 13942296513 QQ 376315150 892498299 TEL 13942296513 QQ 376315150 892498299 http://www.xiaoyu163.com 1 1 30 8 14 1 2 30 29 1 23 24 2 1 8 25 27 30 7 1 1 24 1 48 25 1 28 15 14 27 1 54 28 2 1 1 1 17 14 1 26 13 1 0 1 2 3 4 5 6 7 8 9 0 1 2 3 0 0 1 C B A C629 C913 R916 R911 C627 R1063 R9521 R9501 R1051 CN941 C628 C626 R355 C620 R743 R200 C200 R417 C541 C521 C565 C531 C551 Q603 R917 R928 R927 L401 R1064 CN931 R915 R913 R912 R914 C912 IC911 R976 R973 R388 D924 CN911 R659 R660 Q452 R975 R974 R972 R971 R970 R454 R930 R929 Q924 R431 R422 R413 R412 C911 D921 R406 C402 R453 R452 R572 R571 R533 R532 R531 R553 R552 R551 R543 R542 R541 R523 R522 R521 R503 R502 R501 R511 R513 R512 R604 R601 R690 C602 Q511 C624 R432 R415 R414 R405 D403 C232 R183 R182 R178 R172 R171 R169 R170 R168 R167 R166 R165 R164 R109 R110 R120 R119 R118 R117 R116 R100 CN111 IC603 D603 R633 R630 R198 R156 R157 R159 R155 R158 C215 C205 R615 R614 R627 R631 R625 R152 R161 R160 R163 R162 C603 C355 R143 R128 R142 R127 R154 R1013 R1012 R977 R173 R174 R175 R176 R393 R395 R330 R331 R328 R329 R343 R345 R370 R399 R1065 R1623 C501 C511 IC501 R375 R374 C233 R115 R177 R179 R180 R181 C135 R622 C625 IC602 C563 C562 R702 C704 R144 R125 C125 R701 C701 C571 C631 C632 R623 C633 Q501 Q521 Q541 Q551 Q531 R632 C903 R645 R646 R642 R624 R373 R376 R380 R381 R1062 R108 R107 R106 R105 R104 R103 R190 R193 R195 CN113 C158 C155 C160 C161 C152 R1061 R1059 R1057 R1058 R153 CN114 CN112 Q191 Q194 C176 C174 C181 C171 C167 C177 C182 C163 C172 IC151 C230 R126 C381 C643 C639 C638 C635 C203 R9511 R9541 C1053 C1054 R9551 Q977 C210 R9531 R210 R306 R305 R304 R303 C204 R387 R360 R362 R666 R650 C1056 C1055 C1051 R629 R1052 R1053 R1054 R1055 R1066 C1052 R649 R1049 R1050 R605 C213 R1060 C214 R1056 R661 R643 R1011 8 SIDE CONTACT SIDE CONTACT UP SIDE UP SIDE 3 CONTACT SIDE 6 5 2 2 1 1 0 AWM7 HEAT-RESISITANCE PRE-FLAX NORMAL SOLDER LEAD FREE SOLDER ICT FC 0 9 CONTACT SIDE UP SIDE 4 7 DVDM ASSY 0 1 2 3 3 (L210) 4 4 8 9 9 5 5 6 6 7 7 30 (L100) 8 (L623) SIDE B SIDE B IC151 IC602 IC501 IC603 IC911 IC911 IC501 IC602 IC603 IC151 Q977 Q194 Q191 Q531 Q551 Q541 Q521 Q501 Q511 Q924 Q452 Q603 Q452 Q924 Q531 Q551 Q541 Q603 Q191 Q194 DV-SP501 PRINTED CIRCUIT BOARD VIEW DVD MAIN CIRCUIT PC BOARD (DB-VPB501/XJ) A 1 2 3 4 5 B C D www. xiaoyu163. com QQ 376315150 9 9 2 8 9 4 2 9 8 TEL 13942296513 9 9 2 8 9 4 2 9 8 0 5 1 5 1 3 6 7 3 Q Q TEL 13942296513 QQ 376315150 892498299 TEL 13942296513 QQ 376315150 892498299 http://www.xiaoyu163.com 1 2 3 4 5 6 7 1A 1Y 2A 2Y 3A 3Y GND 14 Vcc 13 6A 12 6Y 11 5A 10 5Y 9 4A 8 4Y A L H Y H L Truth table Q532 : TC74VHCU04FT Hex inverter Pin layout DV-SP501 IC BLOCK DIAGRAM / TERMINAL DESCRIPTION www. xiaoyu163. com QQ 376315150 9 9 2 8 9 4 2 9 8 TEL 13942296513 9 9 2 8 9 4 2 9 8 0 5 1 5 1 3 6 7 3 Q Q TEL 13942296513 QQ 376315150 892498299 TEL 13942296513 QQ 376315150 892498299 http://www.xiaoyu163.com DV-SP501 IC BLOCK DIAGRAM/ TERMINAL DESCRIPTION 1 2 3 4 5 6 7 8 1Y 0Y 1Z Z-COM 0Z INH VEE VSS 16 15 14 13 12 11 10 9 VDD Y-COM X-COM 1X 0X A B C CONTROL INPUTS INHIBIT L L L L L L L L H B L L H H L L H H A L H L H L H L H 0X, 0Y, 0Z 1X, 0Y, 0Z 0X, 1Y, 0Z 1X, 1Y, 0Z 0X, 0Y, 1Z 1X, 0Y, 1Z 0X, 1Y, 1Z 1X, 1Y, 1Z NONE "ON" CHANNEL : Don't Care TRUTH TABLE Q601 : TC4053B TRIPLE 2 - CHANNEL MULTIPLEXER / DEMULTIPLEXER PIN LAYOUT LOGIC DIAGRAM OUT c IN OUT c IN OUT c IN OUT c IN OUT c IN LOGIC LEVEL CONVERTER VDD 16 A 11 B C INH 10 9 6 8 VSS 14 12 13 2 1 5 3 4 15 X-COMMON 0X 1X 0Y 1Y 0Z 1Z Z-COMMON Y-COMMON 7 VEE OUT c IN OUT c IN TRUTH TABLE CONTROL C H L Impedance Between IN-OUT 0.5 5 x 10 ohm 10 ohm 2 9 See Electrical Characteristics www. xiaoyu163. com QQ 376315150 9 9 2 8 9 4 2 9 8 TEL 13942296513 9 9 2 8 9 4 2 9 8 0 5 1 5 1 3 6 7 3 Q Q TEL 13942296513 QQ 376315150 892498299 TEL 13942296513 QQ 376315150 892498299 http://www.xiaoyu163.com DV-SP501 IC BLOCK DIAGRAM / TERMINAL DESCRIPTION IC301 : STM6316ATXXA FRONT END IC Block Diagram www. xiaoyu163. com QQ 376315150 9 9 2 8 9 4 2 9 8 TEL 13942296513 9 9 2 8 9 4 2 9 8 0 5 1 5 1 3 6 7 3 Q Q TEL 13942296513 QQ 376315150 892498299 TEL 13942296513 QQ 376315150 892498299 http://www.xiaoyu163.com DV-SP501 IC BLOCK DIAGRAM / TERMINAL DESCRIPTION . o N me a n N I P on it p ir c s e d il a t e d 1 EF R IF k 7 . 2 1 rt a p e c n e r e f e r k c olb g ola n A 2 AI D N G D N G nd g g ola n a 3 IN F R or tic a p a c ck olb n oit alu d o m e d a o t t u p ni n oit aic o s s a C la n gis F R 4 UT O F R or tic a p a c ck olb g ola n a n a m o rf g nitsil e r u txi m 4 B + 3 B + 2 B + 1 B 5 18 A C C V 8 V 1 V 1 g ola n a 6 1 B ut p ni 1 B - U P 7 MN D N G D N G nd g g ola n a 8 2 B ut p ni 2 B - U P 9 MN 3 3 C C V 3 V 3 V 3 g ola n a 0 1 FD E R up k cip o t PU r o f t u p t u o 1 V 2 1 1 MN 8 1 C C V 8 V 1 V 1 g ola n a 2 1 4 B ut p ni 4 B - U P 3 1 IS 8 1 A C C V 8 V 1 V 1 g ola n a 4 1 C 3 B ut p ni 3 B - U P 5 1 IS 3 3 A C C V 3 V 3 V 3 g ola n a 6 1 IS A D N G D N G nd g g ola n a 7 1 SD 3 3 C C V 3 V 3 V 3 g ola n a 8 1 SD 8 1 C C V 8 V 1 V 1 g ola n a 9 1 SD D N G D N G nd g g ola n a 0 2 C ut p ni C m a e b 3 - U P 1 2 A ut p ni A m a e b 3 - U P 2 2 IS D L E I H S V D N G nd g g ola n a 3 2 DC A 8 1 C C V 8 V 1 V 1 g ola n a 4 2 DC A D N G D N G nd g g ola n a 5 2 DC A D L E I H S V D N G nd g g ola n a 6 2 AC D 3 3 C C V 3 V 3 V 3 g ola n a 7 2 AC D D N G D N G nd g g ola n a 8 2 LE D N I P S 2) ts ( m h o 0 6 5 ve ir d r e p p e ts r o f g nitsilt n e rr u c C A D 9 2 GE D E L S 1) ts ( m h o 0 6 5 ve ir d r e p p e ts r o f g nitsilt n e rr u c C A D 0 3 XT E F E R 1 K 0 2 AC D r o f e c n e r e f e R 1 3 ND G F E R x e f e r nd g g ola n a 2 3 C A D F E R % 1 m h o 0 6 5 ce n e r e f e r C A D 3 3 CT A F 1% m h o 0 6 5 us c o f r o f g nitsilt n e rr u c C A D 4 3 CT A T 1% m h o 0 6 5 ng ik c a rt r o f g nitsilt n e rr u c C A D 5 3 AC D 8 1 C C V 8 V 1 V 1 g ola n a 6 3 C PG0 F ut p ni e slu p G F 7 3 PC1 P al n gis lo rt n o c r e vir D 8 3 PC2 n) e p o ( 1 W S y a rt on itis o p N E P O y a rt r o f t u p ni W S 9 3 C PC3 Sl al n gis lo rt n o c r e vir D 0 4 C PC4 on itis o p D L S ut p ni W S e dis n I A B D F E IC301 : STM6316AT www. xiaoyu163. com QQ 376315150 9 9 2 8 9 4 2 9 8 TEL 13942296513 9 9 2 8 9 4 2 9 8 0 5 1 5 1 3 6 7 3 Q Q TEL 13942296513 QQ 376315150 892498299 TEL 13942296513 QQ 376315150 892498299 http://www.xiaoyu163.com DV-SP501 . o N me a n N I P on it p ir c s e d il a t e d 1 4 SS V D N G nd g la tigid 2 4 33 D D VD 3 V 3 V3 3 la tigid 3 4 C5 P 5 6 X / 0 8 7 al n gis lo rt n o c e g n a h c D L m n 0 5 6 / m n 0 8 7 4 4 PC6 D P e d nip s ve ir d eld nip s r o f g nitsil M D P lo rt n o C 5 4 C7 P ia g cip o al n gis lo rt n o c nia g C I E O 6 4 D7 P P 2 0 X / U P 3 0 n e m eltt e s p u -llu P 7 4 SS V D N G nd g la tigid 8 4 18 D D VD 8 V 1 V8 1 la tigid 9 4 D6 P g) u b e d ( st e t 0 5 D5 P g) u b e d ( st e t 1 5 D4 P k) lc P S D ( st e t 2 5 D3 P a) t a d P S D ( st e t 3 5 D2 P 1) b rts P S D ( st e t 4 5 1 D P r o tin o m r o rr e d) e e n d d a F P L z H K 0 3 ( r o tin o m r o rr e G K R T r o fla ni m r e T 5 5 D0 P ve ir d M D P y a rt ve ir d y a rt r o f la n gis M D P lo rt n o C 6 5 SS V D N G nd g la tigid 7 5 33 D D VD 3 V 3 V3 3 la tigid 8 5 RR E _ T U O O R R E _ S R /F I A T A D E B 9 5 ID L A V E _ T U O E _ R R E _ S R /F I A T A D E B 0 6 SS V D N G nd g la tigid 1 6 LK C _ T U O L C B _ S R /F I A T A D E B 2 6 18 D D VD 8 V 1 V8 1 la tigid 3 6 ID L A V D _ T U O I L A V D _ S R /IF A T A D E B 4 6 TA A D _ T U O T A D _ S R /F I A T A D E B 5 6 NC Y S _ T U O S B C C E _ S R /IF A T A D E B 6 6 E PE5 A) M D ( L C S ut p ni d a oln w o d e nit u o r E F 7 6 E PE4 A) M D ( A D S ut p ni d a oln w o d e nit u o r E F 8 63 E PE2 C S /F I d n a m m o c E B 9 6 E PE2 D S /I d n a m m o c E B 0 7 E PE1 e) s olc ( 2 W S y a rt on itis o p E S O L C y a rt r o f t u p ni W S 1 7 E PE0 N I X X D al n gis n oit a g a p o r p s u t a ts E F 2 7 S S V D D N G nd g la tigid 3 73 3 D D VD 3 V 3 V3 3 la tigid 4 7 F PF1 up llu p - K 0 1 al ni m r e t g nitt e s ytilic a f ni-tliu B 5 7 F PF0 wn o dllu p - K 0 1 al ni m r e t g nitt e s ytilic a f ni-tliu B 6 7 S VSS D N G nd g la tigid 7 7 18 D D VD 8 V 1 V8 1 la tigid 8 7 G PG1 O T A L U M E o t al ni m r e t g nitt e s ytilic a f ni-tliu B 9 7 G PG0 O T A L U M E o t al ni m r e t g nitt e s ytilic a f ni-tliu B 0 8 S E TEST wn o dllu p - K 0 1 st e t IC BLOCK DIAGRAM / TERMINAL DESCRIPTION IC301 : STM6316AT www. xiaoyu163. com QQ 376315150 9 9 2 8 9 4 2 9 8 TEL 13942296513 9 9 2 8 9 4 2 9 8 0 5 1 5 1 3 6 7 3 Q Q TEL 13942296513 QQ 376315150 892498299 TEL 13942296513 QQ 376315150 892498299 http://www.xiaoyu163.com DV-SP501 . o N me a n N I P on it p ir c s e d il a t e d 1 8 _N T E S E R ET S E R ut p ni T E S E R 2 8 DC A S S V D N G nd g g ola n a 3 8 DC A 8 1 D D V 8 V 1 V8 1 g ola n a 4 8 LL P D N G D N G nd g g ola n a 5 8 FF O L L P D N G nd g g ola n a 6 8 UT O E R Fl al t X M 0 2 it u c ric g nit allic s o K L C M E T S Y S 7 8 IN E R Fl al t X M 0 2 it u c ric g nit allic s o K L C M E T S Y S 8 8 LL P 8 1 C C V 8 V 1 V8 1 g ola n a 9 8 D LD1 LD m n 0 5 6 al n gis g nivir d D L m n 0 5 6 0 9 D LD2 LD m n 0 8 7 al n gis g nivir d D L m n 0 8 7 1 9 33 A C C V 3 V 3 V3 3 la tigid 2 9 EL S W T N G / R V _ D CD CD r o fla ni m r e t n oitc n uj R V s e d oid r o tin o M 3 9 D1 M L D M L / D M Ll al ni m r e t n oitc n uj e g a tlo v r o tin o M 4 9 2 D M L 2 D M L / R V _ D V D VD D r o fla ni m r e t n oitc n uj R V s e d oid r o tin o M 5 9 DL N G D N G nd g g ola n a 6 9 PM _ T S T n et st 7 9 CE I L S _ T S T n st e t 8 9 DC A _ T S T n st e t 9 9 CD A S F R I _ D C A S ut p t u o la n gis F R 0 0 1 LT I F G B V or tic a p a c ytilib a ts e c n e r e f e r e dis ni r o f la ni m r e t n oitc n uj r e s n e d n o C IC BLOCK DIAGRAM / TERMINAL DESCRIPTION IC301 : STM6316AT www. xiaoyu163. com QQ 376315150 9 9 2 8 9 4 2 9 8 TEL 13942296513 9 9 2 8 9 4 2 9 8 0 5 1 5 1 3 6 7 3 Q Q TEL 13942296513 QQ 376315150 892498299 TEL 13942296513 QQ 376315150 892498299 http://www.xiaoyu163.com DV-SP501 IC BLOCK DIAGRAM / TERMINAL DESCRIPTION . o N me a N n i P. Dir. on it c n u F n i P 1 SO _ P F UT O . e c a fr e t n i C A D / le n a P t n o r F .t u p t u o a t a d r e fs n a rt la ir e S 2 A3 T A D _ A UT O e v r e s e r 3 LK C V UT O e v r e s e r 4 V3 3 _ D D V yl p p u s r e w o P V 3 . 3 5 SS V d n u o r G 6 TA A D _ BT UT O e v r e s e r 7 LK C B _ BT UT O e v r e s e r 8 AG L F _ BT UT O e v r e s e r 9 OS P Y R T T U O r e g n a h C c si D 5 t p e c x e d e tc e n n o c t o n si tI N I .r e g n a h C c si D 5 yl n O .t u p n i e sl u p n o it a t o r y a r T . d e s u e b n a c 0 N I _ E R U T P A C 0 1 ZE E E U Q S UT O .lo rt n o c 2 S / 1 S t u p t u o o e d i V - S r o f la n g is t u p t u O . e d o m t u p t u o e z e e u q s : ' H ' 1 1 RTS UT O t u p t u o la n g is d n e S o T ts e u q e R ) C 2 3 2 - S R ( T R A U 2 1 ER T T E L UT O N O I T C N U F ( r o tc e n n o c ) T R A C S ( O R U E & lo rt n o c 2 S / 1 S t u p t u o o e d i V - S r o f la n g is t u p t u O .la n g is ) G N I H C T I W S . e d o m t u p t u o x o b -r e tt e l: ' H ' 3 1 CTS IN t u p n ila n g is d n e S o T r a e l C ) C 2 3 2 - S R ( T R A U 4 1 V8 1 _ D D V yl p p u s r e w o P V 8 . 1 5 1 SS V d n u o r G 6 1 TA A D _ E F IN . e c a fr e t n i m a e rts 6 1 3 6 L d n E -t n o r F .t u p n i a t a d la ir e S 7 1 LK C B _ E F IN . e c a fr e t n i m a e rts 6 1 3 6 L d n E -t n o r F .t u p n i k c o lc la ir e S 8 1 ID L A V D _ E F IN . e c a fr e t n i m a e rts 6 1 3 6 L d n E -t n o r F .t u p n i g a lf d ila v a t a D 9 1 NC Y S _ E F IN . e c a fr e t n i m a e rts 6 1 3 6 L d n E -t n o r F .t u p n i g a lf e zi n o r h c n y s la ir e S 0 2 ID L A V E _ E F IN . e c a fr e t n i m a e rts 6 1 3 6 L d n E -t n o r F .til p s _ S R r o f g a lf d ila v r o rr E 1 2 ST B C C E _ E F IN . e c a fr e t n i m a e rts 6 1 3 6 L d n E -t n o r F .til p s _ S R r o f g a lf tr a ts k c o l b C C E 2 2 XP /I UT O .r e vir d o e d iv r o f t u p t u o e vis s e r g o r P / e c a lr e t n i f o e g n a h c a r o f la n g is t u p t u O e c a lr e t n i: ' H ' e vis s e r g o r p : 'L ' 3 2 GB R _ D D V yl p p u s r e w o P V 3 . 3 ti u c ric B G R 4 2 GB R _ S S V d n u o r G ti u c ric B G R 5 2 UT O _ B UT O Cb / B 6 2 UT O _ G UT O / Y G 7 2 UT O _ R UT O Cr / R 8 2 GB R _ F E R V IN ce n e r e f e r C A D B G R 9 2 GB R _ F E R I IN ce n e r e f e r t n e rr u c C A D B G R 0 3 CC Y _ D D V yl p p u s r e w o P V 3 . 3 ti u c ric C Y 1 3 CC Y _ S S V d n u o r G ti u c ric C Y 2 3 T U O _ Y T U O 3 3 UT O _ C UT O 4 3 UT O _ V C UT O CV 5 3 CC Y _ F E R V IN ce n e r e f e r C A D C C Y 6 3 CC Y _ F E R I IN ce n e r e f e r t n e rr u c C A D C C Y 7 3 V8 1 _ D D V yl p p u s r e w o P V 8 . 1 8 3 SS V d n u o r G IC601 : STM5589CVA BACK END IC - - - - - - - - - - C Y www. xiaoyu163. com QQ 376315150 9 9 2 8 9 4 2 9 8 TEL 13942296513 9 9 2 8 9 4 2 9 8 0 5 1 5 1 3 6 7 3 Q Q TEL 13942296513 QQ 376315150 892498299 TEL 13942296513 QQ 376315150 892498299 http://www.xiaoyu163.com DV-SP501 . o N me a N n i P. ri Dir. on it c n u F n i P 9 3 TE U M V R D X U O .r e g n a h C c si D 5 t p e c x e d e tc e n n o c t o n si tI .r e g n a h C c si D 5 yl n O . g n it u m r e vir d r o t o m r o f la n g is t u p t u O g n it u m : 'L ' 0 4 EN P O T U O r e g n a h C c si D 5 t p e c x e d e tc e n n o c t o n si tI N I .r e g n a h C c si D 5 yl n O . n o itis o p y a rt r o f la n g is t u p n I . n o itis o p N E P O e t e l p m o c : ' H ' 1 4 SE O L C T U O r e g n a h C c si D 5 t p e c x e d e tc e n n o c t o n si tI N I .r e g n a h C c si D 5 yl n O . n o itis o p y a rt r o f la n g is t u p n I . n o itis o p E S O L C e t e l p m o c : ' H ' 2 4 MP A L C T U O r e g n a h C c si D 5 t p e c x e d e tc e n n o c t o n si tI N I .r e g n a h C c si D 5 yl n O . n o itis o p p m a lc c si d g n i w o h s r o f la n g is t u p n I . n o itis o p p m a lc c si d e t e l p m o c : ' H ' 3 4 MP A L C N U T U O r e g n a h C c si D 5 t p e c x e d e tc e n n o c t o n si tI N I .r e g n a h C c si D 5 yl n O . n o itis o p p m a lc - n u c si d g n i w o h s r o f la n g is t u p n I . n o itis o p p m a lc c si d e t e l p m o c : ' H ' 4 4 NS S _ C S I D T U O r e g n a h C c si D 5 t p e c x e d e tc e n n o c t o n si tI N I .r e g n a h C c si D 5 yl n O . g n itsix e c si d r o f la n g is t u p n I g n itsix e : 'L ' 5 4 E2 T U M V R D X UT O ed v r e s e r 6 4 -x P T UT O ed v r e s e r 7 4 V3 3 _ D D V yl p p u s r e w o P V 3 . 3 8 4 CM P _ D D V yl p p u s r e w o P V 8 . 1 9 4 CM P _ S S V d n u o r G 0 5 SS V d n u o r G 1 5 CK B _ A UT O ck o lc C A D o i d u A 2 5 A0 T A D _ A UT O ta a d R , L t n o r F C A D o i d u A 3 5 A1 T A D _ A UT O ed v r e s e r 4 5 A2 T A D _ A UT O ed v r e s e r 5 5 LK C M _ A UT O ck o lc r e ts a M C A D o i d u A 6 5 CK R L _ A UT O ck o lc R / L C A D o i d u A 7 5 UT O D _ A UT O t u p t u o o i d u a la ti g i d ) 8 5 9 0 6 C E I( F I D P / S 8 5 A4 _ I M S T U O ss e r d d A M A R D S I M S 9 5 A5 _ I M S 0 6 A6 _ I M S 1 6 A7 _ I M S 2 6 A8 _ I M S 3 6 A9 _ I M S 4 6 8 V 1 _ D D V - ly p p u s r e w o P V 8 . 1 5 6 SS V d n u o r G 6 6 A3 _ I M S T U O ss e r d d A M A R D S I M S 7 6 A2 _ I M S 8 6 A1 _ I M S 9 6 A0 _ I M S 0 70 10 A _ I M S 1 71 11 A _ I M S 2 72 12 A _ I M S 3 73 13 A _ I M S IC BLOCK DIAGRAM / TERMINAL DESCRIPTION IC601 : STM5589CVA BACK END IC - - - - - www. xiaoyu163. com QQ 376315150 9 9 2 8 9 4 2 9 8 TEL 13942296513 9 9 2 8 9 4 2 9 8 0 5 1 5 1 3 6 7 3 Q Q TEL 13942296513 QQ 376315150 892498299 TEL 13942296513 QQ 376315150 892498299 http://www.xiaoyu163.com DV-SP501 . o N me a N n i P. Dir. on it c n u F n i P 4 7 S0 C _ I M S UT O 'L'tc ele s pih c M A R D S I M S 5 7 S1 C _ I M S UT O e v r e s e r 6 7 AS R _ I M S UT O L' ' S A R M A R D S I M S 7 7 AS C _ I M S UT O L' ' S A C M A R D S I M S 8 7 WE _ I M S UT O L' ' elb a n E e tir W M A R D S I M S 9 7 ML Q D _ I M S UT O M Q D r e w o L M A R D S I M S tc ele s r e w o L :'L' 0 8 MU Q D _ I M S UT O M Q D r e p p U M A R D S I M S tc ele s r e p p U :'L' 1 8 V3 3 _ D D V ylp p u s r e w o P V 3 . 3 2 8 IN K L C _ I M S IN t u p ni k c olc M A R D S la n r e tx E 3 8 SS V d n u o r G 4 8 D0 _ I M S O /I ta a D M A R D S I M S 5 8 D1 _ I M S 6 8 D2 _ I M S 7 8 D3 _ I M S 8 8 D4 _ I M S 9 8 D5 _ I M S 0 9 D6 _ I M S 1 9 D7 _ I M S 2 9 D8 _ I M S 3 9 D9 _ I M S 4 9 V8 1 _ D D V ylp p u s r e w o P V 8 . 1 5 9 UT O K L C _ I M S UT O t u p t u o k c olc M A R D S 6 9 SS V d n u o r G 7 9 10 D _ I M S O /I ta a D M A R D S I M S 8 9 11 D _ I M S 9 9 12 D _ I M S 0 0 1 13 D _ I M S 1 0 1 14 D _ I M S 2 0 1 15 D _ I M S 3 0 1 SS O R C _ K C A R T UT O ed v r e s e r 4 0 1 CM P X _ D S D UT O ed v r e s e r 5 0 1 ST R X _ C A D UT O ed v r e s e r 6 0 1 LK C M C P _ C D A UT O ed v r e s e r 7 0 1 V3 3 _ D D V ylp p u s r e w o P V 3 . 3 8 0 1 SS V d n u o r G 9 0 1 T S R T X N I ce a fr e t nitin U lo rt n o C cits o n g ai D 0 1 1 M TMS IN ce a fr e t nitin U lo rt n o C cits o n g ai D 1 1 1 D TDO UT O ce a fr e t nitin U lo rt n o C cits o n g ai D 2 1 1 DI TI IN ce a fr e t nitin U lo rt n o C cits o n g ai D 3 1 1 C TCK IN ce a fr e t nitin U lo rt n o C cits o n g ai D 4 1 1 RV D T O R UT O .r e g n a h c c sid 5 yln O . n oit a t o r y a rt r o f t u p t u o M W P 5 1 1 OM R _ M O R F _ T O O B IN tc ele s t o o B . U C D m o rf t o o B :'L' . M O R m r o f t o o B :' H ' 6 1 1 RV D _ D A O L UT O .r e g n a h c c sid 5 yln O . e vir d e s ol C / n e p O y a rt r o f t u p t u o M W P 7 1 1 OE _ U P C UT O . e r a w m rif r o f y r o m e m H S A L F stib M 6 1 r o fla n gis E O elb a n e :'L' IC BLOCK DIAGRAM / TERMINAL DESCRIPTION IC601 : STM5589CVA BACK END IC - - - - - - www. xiaoyu163. com QQ 376315150 9 9 2 8 9 4 2 9 8 TEL 13942296513 9 9 2 8 9 4 2 9 8 0 5 1 5 1 3 6 7 3 Q Q TEL 13942296513 QQ 376315150 892498299 TEL 13942296513 QQ 376315150 892498299 http://www.xiaoyu163.com DV-SP501 . o N me a N n i P. Dir. on it c n u F n i P 8 1 1 CK D S _ U P C UT O e r a w m rif g n i g g u b e d r o f M A R D S s ti b M 4 6 r o f K C O L C 9 1 1 V8 1 _ D D V yl p p u s r e w o P V 8 . 1 0 2 1 LK C X I P IN t u p n i k c o lc m e ts y s z H M 7 2 r e ts a M 1 2 1 SS V d n u o r G 2 2 1 LL P _ D D V yl p p u s r e w o P V 8 . 1 ti u c ric L L P k c o l C 3 2 1 LL P _ S S V d n u o r G ti u c ric L L P k c o l C 4 2 1 ET S E R X IN .la n g is T E S E R m e ts y s N O r e w o P t e s e r :'L ' 5 2 1 RQ I _ D C A S IN ed v r e s e r 6 2 1 DY R X _ P F IN . e c a fr e t n ile n a P t n o r F .t u p n i e k a h s - d n a H 7 2 1 NT I _ E F IN 6 1 3 6 L d n E -t n o r F m o rf la n g is t u p n i t p u rr e t n I 8 2 1 ML Q D _ D S , E W X _ F_ UT O . e l b a n e e tir w y r o m e m h s a l F . M Q D r e w o L M A R S / M A R D S g u b e D .tc e le s r e w o L , e l b a n e :'L ' 9 2 1 MU Q D _ D S UT O M Q D r e p p U M A R S / M A R D S g u b e D tc e le s r e p p u :'L ' 0 3 1 XW R _ D S UT O e tir W / d a e R M A R D S g u b e D d a e r:' H ' , e tir w :'L ' 1 3 1 IT A W _ U P C IN ut p n i' H ' tia w U P C 2 3 1 SH A L F _ E C UT O 'L ' e l b a n E p ih C y r o m e m h s a l F 3 3 1 E2 C _ U P C UT O ed v r e s e r 4 3 1 E1 C _ U P C UT O ed v r e s e r 5 3 1 AS R X _ D S UT O 'L ' S A R M A R D S g u b e D 'L ' e l b a n e p ih c M A R S g u b e D 6 3 1 V3 3 _ D D V yl p p u s r e w o P V 3 . 3 7 3 1 SS V d n u o r G 8 3 1 S1 A R _ U P C UT O ed v r e s e r 9 3 1 AS C X _ D S UT O' L' ' S A C M A R D S g u b e D 0 4 1 CS X _ D S UT O' L' ' tc e le S p ih C M A R D S g u b e D 1 4 1 D0 _ U P C O /I ta a d M A R S / M A R D S g u b e D , H S A L F 2 4 1 D1 _ U P C 3 4 1 D2 _ U P C 4 4 1 D3 _ U P C 5 4 1 D4 _ U P C 6 4 1 D5 _ U P C 7 4 1 D6 _ U P C 8 4 1 D7 _ U P C 9 4 1 V8 1 _ D D V yl p p u s r e w o P V 8 . 1 0 5 1 SS V d n u o r G 1 5 1 D8 _ U P C O /I ta a d M A R S / M A R D S g u b e D , H S A L F 2 5 1 D9 _ U P C 3 5 1 0 1 D _ U P C 4 5 1 11 D _ U P C 5 5 1 12 D _ U P C 6 5 1 13 D _ U P C 7 5 1 14 D _ U P C 8 5 1 15 D _ U P C 9 5 1 V3 3 _ D D V yl p p u s r e w o P V 3 . 3 0 6 1 SS V d n u o r G IC BLOCK DIAGRAM / TERMINAL DESCRIPTION IC601 : STM5589CVA BACK END IC - - - - - - - - - - www. xiaoyu163. com QQ 376315150 9 9 2 8 9 4 2 9 8 TEL 13942296513 9 9 2 8 9 4 2 9 8 0 5 1 5 1 3 6 7 3 Q Q TEL 13942296513 QQ 376315150 892498299 TEL 13942296513 QQ 376315150 892498299 http://www.xiaoyu163.com DV-SP501 . o N me a N n i P. ri Dir. on it c n u F n i P 1 6 1 A1 _ U P C T U O ss e r d d A M A R S / M A R D S g u b e D , H S A L F 2 6 1 A2 _ U P C 3 6 1 A3 _ U P C 4 6 1 A4 _ U P C 5 6 1 A5 _ U P C 6 6 1 A6 _ U P C 7 6 1 A7 _ U P C 8 6 1 A8 _ U P C 9 6 1 A9 _ U P C 0 7 1 10 A _ U P C 1 7 1 V8 1 _ D D V yl p p u s r e w o P V 8 . 1 2 7 1 SS V d n u o r G 3 7 1 11 A _ U P C T U O ss e r d d A M A R S / M A R D S g u b e D , H S A L F 4 7 1 12 A _ U P C 5 7 1 13 A _ U P C 6 7 1 14 A _ U P C 7 7 1 15 A _ U P C 8 7 1 16 A _ U P C 9 7 1 17 A _ U P C 0 8 1 18 A _ U P C 1 8 1 19 A _ U P C 2 8 1 20 A _ U P C 3 8 1 21 A _ U P C 4 8 1 V3 3 _ D D V yl p p u s r e w o P V 3 . 3 5 8 1 SS V d n u o r G 6 8 1 PE X E X UT O ed v r e s e r 7 8 1 OR R R E _ E F IN . e c a fr e t n i m a e rts 6 1 3 6 L d n E -t n o r F g a lf r o rr E C C E 8 8 1 L1 E S V UT O la n g is t u p t u o ) G N I K N I L B ( r o tc e n n o c ) T R A C S ( O R U E e l b a si d t u p t u o B G R : 'L ' e l b a n e t u p t u o B G R : ' H ' 9 8 1 L2 E S V UT O .la n g is C / R , Y / V r o tc e n n o c ) T R A C S ( O R U E B G C Y = t u p t u o B G R V : 'L ' B G R V = t u p t u o B G R V : ' H ' 0 9 1 ST R _ E F UT O . 6 1 3 6 L d n E -t n o r F .t u p t u o t e s e r e r a w d r a H t e s e r : 'L ' 1 9 1 ST R X _ D C A S UT O ed v r e s e r 2 9 1 TE U M M X UT O ed v r e s e r 3 9 1 NC Y S _ B UT O ed v r e s e r 4 9 1 D SDA /O I e c a fr e t n i d n a m m o c 6 1 3 6 L d n E -t n o r F . e n il a t a d la ir e s s u b C 2 I 5 9 1 SCL UT O e c a fr e t n i d n a m m o c 6 1 3 6 L d n E -t n o r F . e n il k c o lc la ir e s s u b C 2 I 6 9 1 K L C W _ B T U O ed v r e s e r 7 9 1 TXD UT O ut p t u o a t a d ) C 2 3 2 - S R ( T R A U 8 9 1 V8 1 _ D D V ly p p u s r e w o P V 8 . 1 9 9 1 SS V d n u o r G 0 0 2 RXD IN ut p n i a t a d ) C 2 3 2 - S R ( T R A U IC BLOCK DIAGRAM / TERMINAL DESCRIPTION IC601 : STM5589CVA BACK END IC - - - - www. xiaoyu163. com QQ 376315150 9 9 2 8 9 4 2 9 8 TEL 13942296513 9 9 2 8 9 4 2 9 8 0 5 1 5 1 3 6 7 3 Q Q TEL 13942296513 QQ 376315150 892498299 TEL 13942296513 QQ 376315150 892498299 http://www.xiaoyu163.com DV-SP501 . o N me a N n i P. ri Dir. on it c n u F n i P 1 0 2 TE U M A X UT O . g n it u m e n il t u p t u o o i d u a g o la n a r o f la n g is t u p t u O g n it u m : 'L ' 2 0 2 IN G I R T IN ce a fr e t n i ti n U lo rt n o C cits o n g a i D 3 0 2 UT O G I R T UT O ce a fr e t n i ti n U lo rt n o C cits o n g a i D 4 0 2 S0 C X _ C A D UT O .lo rt n o c la ir e s C A D o i d u a r o f e l b a n e p ih C e l b a n e : 'L ' 5 0 2 S1 C X _ C A D UT O ed v r e s e r 6 0 2 CK A _ P F UT O . e c a fr e t n i C A D / le n a P t n o r F .' H ' t u p t u o ) e g d e l w o n k c a ( e k a h s - d n a H 7 0 2 CK S _ P F UT O . e c a fr e t n i C A D / le n a P t n o r F .t u p t u o k c o lc r e fs n a rt la ir e S 8 0 2 SI _ P F IN . e c a fr e t n ile n a P t n o r F .t u p n i a t a d r e fs n a rt la ir e S IC BLOCK DIAGRAM / TERMINAL DESCRIPTION IC601 : STM5589CVA BACK END IC www. xiaoyu163. com QQ 376315150 9 9 2 8 9 4 2 9 8 TEL 13942296513 9 9 2 8 9 4 2 9 8 0 5 1 5 1 3 6 7 3 Q Q TEL 13942296513 QQ 376315150 892498299 TEL 13942296513 QQ 376315150 892498299 http://www.xiaoyu163.com DV-SP501 IC BLOCK DIAGRAM / TERMINAL DESCRIPTION IC101 : M63018FP (BTL DRIVER)-1 Pin Arrangement Block Diagram www. xiaoyu163. com QQ 376315150 9 9 2 8 9 4 2 9 8 TEL 13942296513 9 9 2 8 9 4 2 9 8 0 5 1 5 1 3 6 7 3 Q Q TEL 13942296513 QQ 376315150 892498299 TEL 13942296513 QQ 376315150 892498299 http://www.xiaoyu163.com DV-SP501 IC BLOCK DIAGRAM / TERMINAL DESCRIPTION IC101 : M63018FP (BTL DRIVER)-2 Pin Function www. xiaoyu163. com QQ 376315150 9 9 2 8 9 4 2 9 8 TEL 13942296513 9 9 2 8 9 4 2 9 8 0 5 1 5 1 3 6 7 3 Q Q TEL 13942296513 QQ 376315150 892498299 TEL 13942296513 QQ 376315150 892498299 http://www.xiaoyu163.com DV-SP501 IC BLOCK DIAGRAM/ TERMINAL DESCRIPTION - + - + 1 2 3 4 8 7 6 5 (Top view) Pin description 1. A OUTPUT 2. A -INPUT 3. A +INPUT 4. V- 5. B +INPUT 6. B -INPUT 7. B OUTPUT 8. V+ Q401,Q402,Q403,Q404 NJM4580M-D (2-ch Ope. amp.) www. xiaoyu163. com QQ 376315150 9 9 2 8 9 4 2 9 8 TEL 13942296513 9 9 2 8 9 4 2 9 8 0 5 1 5 1 3 6 7 3 Q Q TEL 13942296513 QQ 376315150 892498299 TEL 13942296513 QQ 376315150 892498299 http://www.xiaoyu163.com DV-SP501 IC BLOCK DIAGRAM/ TERMINAL DESCRIPTION 1 2 3 4 5 Q703: S-80130CLMC-JKM VOLTAGE DETECTOR (13.0V CMOS, Active L: out) Top view No. 1 2 3 4 5 Symbol DS VSS NC OUT VDD Description ON/OFF switch for delay time GND Non-connection Voltage detection output pin Voltage input pin *1 *1. NC pin is electrically open. Oscillator counter timer VREF DELAY CIRCUIT VDD VSS DS OUT Detection voltage: 3.0V +/-2% Delay time: 200ms typ. Pin Layout Pin Description Block Diagram www. xiaoyu163. com QQ 376315150 9 9 2 8 9 4 2 9 8 TEL 13942296513 9 9 2 8 9 4 2 9 8 0 5 1 5 1 3 6 7 3 Q Q TEL 13942296513 QQ 376315150 892498299 TEL 13942296513 QQ 376315150 892498299 http://www.xiaoyu163.com DV-SP501 MICROPROCESSOR TERMINAL DESCRIPTION 1G 2G 3G 4G 5G 6G 7G 8G 9G 10G 11G 12G 13G NOT USE (OPEN) P1 P2 P3 P4 P5 P6 --> --> --> --> --> --> --> --> --> --> --> --> --> --> --> --> --> --> --> --> 80 79 78 77 76 75 74 73 72 71 70 69 68 67 66 65 64 63 62 61 FIP0 FIP1 FIP2 FIP3 FIP4 FIP5 FIP6 FIP7 FIP8 FIP9 FIP10 FIP11 FIP12 FIP13 FIP14 FIP15 FIP16 FIP17 FIP18 FIP19 VDD1 --- 1 VDD1 VLOAD 60 --- VLOAD VSS1 --- 2 VSS1 VDD2 59 --- VDD2 X1 --- 3 X1 FIP20 58 -- > P7 X2 --- 4 X2 FIP21 57 -- > P8 IC -- > 5 IC FIP22 56 -- > P9 RESET -- > 6 ~RESET FIP23 55 -- > P10 XSCK -- > 7 P27/~SCK1 P30/FIP24 54 -- > P11 SI -- > 8 P26/SI1 P31/FIP25 53 -- > P12 SO <-- 9 P25/SO1 P32/FIP26 52 -- > P13 uPD780232GC XRDY <-- 10 P24/BUSY P33/FIP27 51 -- > P14 PON <-- 11 P23 P34/FIP28 50 -- > P15 SYSRESET <-- 12 P22 P35/FIP29 49 -- > NC DISPLAYMODE -- > 13 P21/SO3 P36/FIP30 48 -- > NC ACK -- > 14 P20/~SCK3 P37/FIP31 47 -- > NC IRIN -- > 15 P00/INTP0 P40/FIP32 46 -- > NC REMO -- > 16 P01/INTP1 P41/FIP33 45 -- > NC VCOFF <-- 17 P02/TI P42/FIP34 44 -- > NC AVSS --- 18 AVSS P43/FIP35 43 -- > NC VDET -- > 19 ANI3 P44/FIP36 42 -- > NC ANI2 -- > 20 ANI2 P45/FIP37 41 -- > STBYLED ANI1 ANI0 VSS0 AVDD VDD0 P64/FIP52 P63/FIP51 P62/FIP50 P61/FIP49 P60/FIP48 P57/FIP47 P56/FIP46 P55/FIP45 P54/FIP44 P53/FIP43 P52/FIP42 P51/FIP41 P50/FIP40 P47/FIP39 P46/FIP38 21 22 23 24 25 26 27 28 29 30 31 32 33 34 35 36 37 38 39 40 <-- <-- --- --- --- <-- --> <-- <-- <-- --> --> <-- <-- <-- <-- <-- <-- --> --> ANI1 ANI0 VSS0 AVDD VDD0 SYSIN SYSOUT R232REQ R232BUSY R232SI R232SCK R232SO INIT2 INIT1 INIT0 MSO_2 MSO_1 MSO_0 FLON_OFF R232RES Q701 : MPD780232GC www. xiaoyu163. com QQ 376315150 9 9 2 8 9 4 2 9 8 TEL 13942296513 9 9 2 8 9 4 2 9 8 0 5 1 5 1 3 6 7 3 Q Q TEL 13942296513 QQ 376315150 892498299 TEL 13942296513 QQ 376315150 892498299 http://www.xiaoyu163.com DV-SP501 MICROPROCESSOR TERMINAL DESCRIPTION No. PIN NAME SIGNAL I/O DESCRIPTION 1 VDD1 VDD1 Power supply port 2 VSS1 VSS1 Ground port 3 X1 X1 Connect to clock oscillator of main micro processor 4 X2 X2 Connect to clock oscillator of main micro processor 5 IC IC I Connect to VSS1 6 ~RESET ~RESET I System reset input port 7 P27/~SCK1 XSCK I Clock output port for writing in FLASH ROM 8 P26/SI1 SI I Data input port for writing in FLASH ROM 9 P25/SO1 SO O Data output port for writing in FLASH ROM 10 P24/BUSY XRDY O XRDY output port 11 P23 PON O POWER ON/OFF control output port to a system processor. "H": Power ON 12 P22 SYSRESET O System reset control output port 13 P21/SO3 DISPLAY_MOD I Exhibition mode. Active "L":Exhibition mode 14 P20/~SCK3 ACK I ACK input port. 15 P00/INTP0 ~IRIN I IR remote control input port. Active "L": IR mode 16 P01/INTP1 ~REMO I Remote control signal input port. Active "L": Remote control mode 17 P02/TI VCOFF O Video circuit off control output port. 18 AVSS AVSS Ground pin of A/D converter. 19 ANI3 VDET I VDET input port 20 ANI2 ANI2 I Analog input port for A/D converter 21 ANI1 ANI1 I Analog input port for A/D converter 22 ANI0 ANI0 I Analog input port for A/D converter 23 VSS0 VSS0 Ground pin 24 AVDD AVDD Reference analog power supply of A/D converter. VDD1 25 VDD0 VDD0 Power supply pin 26 P64/FIP52 SYSIN I Input port for system buss 27 P63/FIP51 ~SYSOUT O Output port for system buss 28 P62/FIP50 R232REQ I Open pin. 29 P61/FIP49 R232BUSY I Open pin. 30 P60/FIP48 R232SI I Open pin. 31 P57/FIP47 R232SCK O Open pin. 32 P56/FIP46 R232SO O Open pin. 33 P55/FIP45 INIT2 I Initialized setting port of analog input 2 34 P54/FIP44 INIT1 I Initialized setting port of analog input 1 35 P53/FIP43 INIT0 I Initialized setting port of analog input 0 36 P52/FIP42 MSO_2 I Model select input port 2 37 P51/FIP41 MSO_1 I Model select input port 1 38 P50/FIP40 MSO_0 I Model select input port 0 39 P47/FIP39 FLON_OFF O FL filament control output port 40 P46/FIP38 R232RES O Open pin. 41 P45/FIP37 STBYLED O STANDBY LED control output port 42 P44/FIP36 NC O Open pin. 43 P43/FIP35 NC O Open pin. 44 P42/FIP34 NC O Open pin. 45 P41/FIP33 NC O Open pin. 46 P40/FIP32 NC O Open pin. 47 P37/FIP31 NC O Open pin. 48 P36/FIP30 NC O Open pin. 49 P35/FIP29 NC O Open pin. 50 P34/FIP28 P15 O Segment (P15) control output port for FL tube 51 P33/FIP27 P14 O Segment (P14) control output port for FL tube 52 P32/FIP26 P13 O Segment (P13) control output port for FL tube 53 P31/FIP25 P12 O Segment (P12) control output port for FL tube 54 P30/FIP24 P11 O Segment (P11) control output port for FL tube 55 FIP23 P10 O Segment (P10) control output port for FL tube 56 FIP22 P9 O Segment (P9) control output port for FL tube 57 FIP21 P8 O Segment (P8) control output port for FL tube 58 FIP20 P7 O Segment (P7) control output port for FL tube 59 VDD2 VDD2 Power supply port of FIP 60 VLOAD VLOAD Connect to a pull down resistor 61 FIP19 P6 O Segment (P6) control output port for FL tube 62 FIP18 P5 O Segment (P5) control output port for FL tube 63 FIP17 P4 O Segment (P4) control output port for FL tube 64 FIP16 P3 O Segment (P3) control output port for FL tube 65 FIP15 P2 O Segment (P2) control output port for FL tube 66 FIP14 P1 O Segment (P1) control output port for FL tube 67 FIP13 NOT USE O Open pin. 68 FIP12 13G O Grid (13G) control output port for FL tube 69 FIP11 12G O Grid (12G) control output port for FL tube 70 FIP10 11G O Grid (11G) control output port for FL tube 71 FIP9 10G O Grid (10G) control output port for FL tube 72 FIP8 9G O Grid (9G) control output port for FL tube 73 FIP7 8G O Grid (8G) control output port for FL tube 74 FIP6 7G O Grid (7G) control output port for FL tube 75 FIP5 6G O Grid (6G) control output port for FL tube 76 FIP4 5G O Grid (5G) control output port for FL tube 77 FIP3 4G O Grid (4G) control output port for FL tube 78 FIP2 3G O Grid (3G) control output port for FL tube 79 FIP1 2G O Grid (2G) control output port for FL tube 80 FIP0 1G O Grid (1G) control output port for FL tube www. xiaoyu163. com QQ 376315150 9 9 2 8 9 4 2 9 8 TEL 13942296513 9 9 2 8 9 4 2 9 8 0 5 1 5 1 3 6 7 3 Q Q TEL 13942296513 QQ 376315150 892498299 TEL 13942296513 QQ 376315150 892498299 http://www.xiaoyu163.com DV-SP501 1 Dislodge the flexible cable for the pickup from its packaged placement. 2 Remove the flexible cable for the pickup. 3 Remove the two adjustment screws and two adjustment springs. 4 Remove the Pickup Assy-S. Pickup Assy-S Bottom View Flexible cable for the pickup 1 4 3 3 1 2 Front Side Pickup Assy-S Adjustment screw (Skew screw) Adjustment screw (Skew screw) Adjustment spring (Skew spring) Adjustment spring (Skew spring) DISASSEMBLY DVD MECHANISM-3 www. xiaoyu163. com QQ 376315150 9 9 2 8 9 4 2 9 8 TEL 13942296513 9 9 2 8 9 4 2 9 8 0 5 1 5 1 3 6 7 3 Q Q TEL 13942296513 QQ 376315150 892498299 TEL 13942296513 QQ 376315150 892498299 http://www.xiaoyu163.com DV-SP501 5 5 5 Remove the two screws. Silicone Adhesive GEM1037 Silicone Adhesive GEM1037 Pickup Assy-S Note: The screws are secured with epoxy. Make sure to apply epoxy after reattaching the screws. Leaf Spring Joint Spring Joint 03 : Conductive surface Hook Hook Arrangement of the flexible cable for the spindle motor : Conductive surface Arrangement of the flexible cable for the stepping motor Front Side Front Side Bottom View Bottom View DISASSEMBLY DVD MECHANISM-4 www. xiaoyu163. com QQ 376315150 9 9 2 8 9 4 2 9 8 TEL 13942296513 9 9 2 8 9 4 2 9 8 0 5 1 5 1 3 6 7 3 Q Q TEL 13942296513 QQ 376315150 892498299 TEL 13942296513 QQ 376315150 892498299 http://www.xiaoyu163.com DV-SP501 Front Side Note: Be sure to move the Pickup Assy-S to the innermost perimeter. : Conductive surface Arrangement of the flexible cable for the pickup 2 2 1 3 7 Attach the flexible cable of the pickup to the connector. 1 Fold the flexible cable inward at the position of the reference line. 3 Fold the flexible cable of the pickup with the backing inward. 7 Pass the flexible cable below the hook, and fold it back. 8 Fold the flexible cable back at the hook. 9 Fold the flexible cable along the hook. 4 Pass the flexible cable through the hook not allowing any slack. 6 Hook the part folded in Step 1 to the hook. 5 Fold the flexible cable as indicated in the photo. Hook Bottom View 5 6 Make sure there is no slack in the cable Reference line Reference line Backing 97mm +/- 2mm Reference line Hook Pass the cable below the hook Hook 8 Hook Hook 9 Make sure that the cable does not have any slack Make sure that the cable is loose 4 DISASSEMBLY DVD MECHANISM-5 www. xiaoyu163. com QQ 376315150 9 9 2 8 9 4 2 9 8 TEL 13942296513 9 9 2 8 9 4 2 9 8 0 5 1 5 1 3 6 7 3 Q Q TEL 13942296513 QQ 376315150 892498299 TEL 13942296513 QQ 376315150 892498299 http://www.xiaoyu163.com DV-SP501 DISASSEMBLY DVD MECHANISM-1 1. Remove the Bonnet by removing the six screws. Bonnet How to open the Tray when the power cannot be on Slit Drive Gear Loading Mecha.Assy Screwdriver (small) Screwdriver (small) Projection Insert a screwdriver (small) into the slit located at the bottom of the unit, and slide the projection of the Drive Gear in the Loading Mecha. Assy in the direction of the arrow, as Remove the mechanism assembly 1. Remove three screws (Black 3TT+8B(BC) from bottom side. Remove the front panel. 2. Remove two screws on front bracket. And release the FFC (P71). 3. Remove two screws on the power switch PC board and wire holder. 4. Remove four screw (3SMS8W.SW+14B(BC)) from DVD mechanism. 5. Soldering the short lands. It is required because of static electricity protection. 6. Remove six FFCs and one connector assy. 7. Remove the DVD mechanism assembly. www. xiaoyu163. com QQ 376315150 9 9 2 8 9 4 2 9 8 TEL 13942296513 9 9 2 8 9 4 2 9 8 0 5 1 5 1 3 6 7 3 Q Q TEL 13942296513 QQ 376315150 892498299 TEL 13942296513 QQ 376315150 892498299 http://www.xiaoyu163.com DV-SP501 Dislodge the flexible cables from their factory placement. 2 Remove the four hooks. 3 Remove the Traverse Mecha. Assy-S. Traverse Mecha. Assy-S Bottom View Traverse Mecha. Assy-S Flexible cable for the pickup Flexible cable for the spindle motor 1 1 1 2 2 3 Flexible cable for the stepping motor Front Side DISASSEMBLY DVD MECHANISM-2 1 www. xiaoyu163. com QQ 376315150 9 9 2 8 9 4 2 9 8 TEL 13942296513 9 9 2 8 9 4 2 9 8 0 5 1 5 1 3 6 7 3 Q Q TEL 13942296513 QQ 376315150 892498299 TEL 13942296513 QQ 376315150 892498299 http://www.xiaoyu163.com DV-SP501 1 Remove the bridge by removing the one screw. 2 Pull out the tray, then remove it by pressing the hook. 3 Short-circuit two points of C and D by soldering. 4 Remove the four connectors from the Loading Mecha. Assy. Note: After replacement, connect the flexible cable, then remove the soldered joint (open). 5 Remove the four screws that secure the Loading Mecha. Assy to the unit. Loading Mecha. Assy 1 Rear View Front Side 1 3 -1 1 -2 2 -1 2 -2 Loading Base Triangle Drive Cam Pin Hook Bridge Tray Note : when reinserting the Tray C D Removing the Traverse Mecha. Assy-S and Pickup Assy-S When reinserting the Tray, first align the triangle printed on the Loading Base and the pin of the Drive Cam, then insert the Tray. www. xiaoyu163. com QQ 376315150 9 9 2 8 9 4 2 9 8 TEL 13942296513 9 9 2 8 9 4 2 9 8 0 5 1 5 1 3 6 7 3 Q Q TEL 13942296513 QQ 376315150 892498299 TEL 13942296513 QQ 376315150 892498299 http://www.xiaoyu163.com DV-SP501 1 Dislodge the flexible cables from their factory placement. 2 Remove the four hooks. 3 Remove the Traverse Mecha. Assy-S. Traverse Mecha. Assy-S 2 Bottom View Traverse Mecha. Assy-S Flexible cable for the pickup Flexible cable for the spindle motor 1 1 1 2 2 3 Flexible cable for the stepping motor Front Side Removing the Traverse Mecha. Assy-S and Pickup Assy-S x 2 x 2 www. xiaoyu163. com QQ 376315150 9 9 2 8 9 4 2 9 8 TEL 13942296513 9 9 2 8 9 4 2 9 8 0 5 1 5 1 3 6 7 3 Q Q TEL 13942296513 QQ 376315150 892498299 TEL 13942296513 QQ 376315150 892498299 http://www.xiaoyu163.com DV-SP501 1 Dislodge the flexible cable for the pickup from its packaged placement. 2 Remove the flexible cable for the pickup. 3 Remove the two adjustment screws and two adjustment springs. 4 Remove the Pickup Assy-S. Pickup Assy-S 3 Note: The Pickup Assy-S can be removed without removing the Traverse Mecha. Assy-S. (shown as Step .) Bottom View Flexible cable for the pickup 1 4 3 3 1 2 Front Side Pickup Assy-S Adjustment screw (Skew screw) Adjustment screw (Skew screw) Adjustment spring (Skew spring) Adjustment spring (Skew spring) Removing the Traverse Mecha. Assy-S and Pickup Assy-S www. xiaoyu163. com QQ 376315150 9 9 2 8 9 4 2 9 8 TEL 13942296513 9 9 2 8 9 4 2 9 8 0 5 1 5 1 3 6 7 3 Q Q TEL 13942296513 QQ 376315150 892498299 TEL 13942296513 QQ 376315150 892498299 http://www.xiaoyu163.com DV-SP501 5 5 5 Remove the two screws. Silicone Adhesive GEM1037 Silicone Adhesive GEM1037 Pickup Assy-S Note: The screws are secured with epoxy. Make sure to apply epoxy after reattaching the screws. Leaf Spring Joint Spring Joint 03 : Conductive surface Arrangement of the flexible cable for the spindle motor : Conductive surface Arrangement of the flexible cable for the stepping motor Removing the Traverse Mecha. Assy-S and Pickup Assy-S Hook Hook Front Side Front Side Bottom View Bottom View www. xiaoyu163. com QQ 376315150 9 9 2 8 9 4 2 9 8 TEL 13942296513 9 9 2 8 9 4 2 9 8 0 5 1 5 1 3 6 7 3 Q Q TEL 13942296513 QQ 376315150 892498299 TEL 13942296513 QQ 376315150 892498299 http://www.xiaoyu163.com DV-SP501 Removing the Traverse Mecha. Assy-S and Pickup Assy-S Front Side Note: Be sure to move the Pickup Assy-S to the innermost perimeter. : Conductive surface Arrangement of the flexible cable for the pickup 2 2 1 3 7 Attach the flexible cable of the pickup to the connector. 1 Fold the flexible cable inward at the position of the reference line. 3 Fold the flexible cable of the pickup with the backing inward. 7 Pass the flexible cable below the hook, and fold it back. 8 Fold the flexible cable back at the hook. 9 Fold the flexible cable along the hook. 4 Pass the flexible cable through the hook not allowing any slack. 6 Hook the part folded in Step to the hook. 5 Fold the flexible cable as indicated in the photo. Hook Bottom View 5 6 Make sure there is no slack in the cable Reference line Reference line Backing 97mm 2mm Reference line Hook Pass the cable below the hook Hook 8 Hook Hook 9 Make sure that the cable does not have any slack Make sure that the cable is loose 4 +/- 1 www. xiaoyu163. com QQ 376315150 9 9 2 8 9 4 2 9 8 TEL 13942296513 9 9 2 8 9 4 2 9 8 0 5 1 5 1 3 6 7 3 Q Q TEL 13942296513 QQ 376315150 892498299 TEL 13942296513 QQ 376315150 892498299 http://www.xiaoyu163.com Confirm the Regional code and Firmware version. 1. Connect the TV monitor to the DV-SP501. 2.Turn ON the power switch and standby switch ON. (No Disc) 3. Press the "SETUP" key on the front panel. Appear a HOME MENU. (Photo-1) 4. Select "Initial Settings" menu and press "ENTER". 5. Select "Options" menu, and press the "DISPLAY" button. 6. Appear regional code and firmware ROM number. Confirm the regional cord and firmware version. When close the menu, press "RETURN" button of the unit. Make advanced settings Move Select ENTER ENTER Exit HOME MENU HOME MENU DVD Video Adjust Audio Settings Initial Settings Play Mode Setup Navigator Disc Navigator Initial Settings Digital Audio OUT Video Output Language Display Options Parental Lock PhotoViewer Off(us) On REGION 2 ROM VERSION : 1.146_SgiBsc Move Select ENTER Exit HOME MENU (Photo-1) (Photo-2) (Photo-2) DV-SP501 FIRMWARE DOWN LOADING-1 Regional code ROM Version www. xiaoyu163. com QQ 376315150 9 9 2 8 9 4 2 9 8 TEL 13942296513 9 9 2 8 9 4 2 9 8 0 5 1 5 1 3 6 7 3 Q Q TEL 13942296513 QQ 376315150 892498299 TEL 13942296513 QQ 376315150 892498299 http://www.xiaoyu163.com DV-SP501 dvdfw_ sp501 b2bk1076.sz0 Next step. Please continue work ID number and ID data set up. UPGRADE FIRMWARE-2 Using for Window tool 1. Prepare three data on a hard disk of the personal computer. 2. Start the UFU.exe file. 3. Select "Easy" mode. 4. Select "File Selection" mode. 5. Select a program file and open the file. 9. Wait for about 10 minutes. 10. Complete the upgrade firmware. Writing the firmware as below. 1 Loader file UFU setting file UFU witting file Double click the UFU.exe. 6. Connect the JIG (0J13), FFC and connection cable (RS-232C straight type). 7. Turn the power switch and standby "ON" of the DV-SP501. No disc condition. 8. Press the start key. www. xiaoyu163. com QQ 376315150 9 9 2 8 9 4 2 9 8 TEL 13942296513 9 9 2 8 9 4 2 9 8 0 5 1 5 1 3 6 7 3 Q Q TEL 13942296513 QQ 376315150 892498299 TEL 13942296513 QQ 376315150 892498299 http://www.xiaoyu163.com DV-SP501 ID NUMBER AND DATA SETTING Caution: Note: When previous ID number and ID data, such as a factory present ID number and ID data, are maintained, the unit enters ID Number Confirmation Mode when the above keys are pressed. However, if only an ID number is maintained, the unit enters ID Data Input Mode. Preparations: 1 Remote controller RC-484M 2 TV monitor 3 ID Data DVD Disc. (Part No. 0R118) A : ID number Input Mode 1. Press "DVD" and "1" at the same time. 2. Press "RETURN" key and "STEREO" key. 3. Enter a 9-digit ID number and ID number is also displayed on the FL display. 4. After entering all 9 digits, when you press the "PLAY" key the unit enters Compare mode. 5. After entering all 9 digits, when you press the "SEARCH" key, the unit unconditionally sets the input number as the ID number. Then the unit automatically enters Player's Data input Mode. 6. This display appears when the "PLAY" key is pressed in step 4. Enter a 9- digit number to compare. 7. After entering all 9 digits, you press the "PLAY" key. [ Remote controller RC-484M] [Player's ID Number Setting] ID Number ? > - - - - - - - - - compare > Exit Input ID Number ! ********* TV monitor [Player's ID Number Setting] ID Number ? >000000001 Exit Input ID Number ! Compare Mode Note: When you press the PLAY key before inputting a 9- digit ID number, the unit returns to Step 2. [Player's ID Number Setting] ID Number ? >000000001 Input ID Number ! Compare >********* [Player's ID Number Setting] ID Number ? >000000001 Input ID Number ! Compare >000000001 OK? Enter It is necessory to enter individual ID number and ID data to each player when you repair it. www. xiaoyu163. com QQ 376315150 9 9 2 8 9 4 2 9 8 TEL 13942296513 9 9 2 8 9 4 2 9 8 0 5 1 5 1 3 6 7 3 Q Q TEL 13942296513 QQ 376315150 892498299 TEL 13942296513 QQ 376315150 892498299 http://www.xiaoyu163.com DV-SP501 ID NUMBER AND DATA SETTING B : ID DATA Input Mode 1. Press "DVD" and "1" at the same time. 2. Press "RETURN" key and "STEREO" key. 3. Enter a 9-digit ID data. 4. After entering all 9 digits, when you press the "PLAY" key, the unit enters Compare mode. 5. Entering 9- digits again, and press the "PLAY" key. 6. Insert the data disc on the tray of the unit. 7. Writing the data, automatically. About 2 minutes. [ Remote controller RC-484M] [Player's ID Number Setting] ID Number ? > 0 0 1 5 1 * * * * compare > ID Data Setting Mode Input ID Number ! TV monitor * * * * * * * * * [Player's ID Number Setting] ID Number ? > 0 0 1 5 1 * * * * compare > Input ID Number ! * * * * * * * * * Enter Memory Clear ID Data Setting Mode OK? [Player's ID Number Setting] Insert The Data Disc ! Exit [Player's ID Number Setting] Exit Rom Write OK ! Compete 8. Press open the tray of the unit, and take out a disc. 9. Push the power switch off (Mechanical switch) . Push the power switch, standby switch on and close the tray. www. xiaoyu163. com QQ 376315150 9 9 2 8 9 4 2 9 8 TEL 13942296513 9 9 2 8 9 4 2 9 8 0 5 1 5 1 3 6 7 3 Q Q TEL 13942296513 QQ 376315150 892498299 TEL 13942296513 QQ 376315150 892498299 http://www.xiaoyu163.com DV-SP501 PACKIN VIEW Tape North American models: RC-524DV Other models: RC-523DV DV-SP501 P1 P3 MUT3P 3 P2 P5 P6 P6 P6 P6 P7 P10 P9 P901 P902 P903 P905 P905 P906 P911 P912 P913 P915 P981 P907 EXCEPT MODEL www. xiaoyu163. com QQ 376315150 9 9 2 8 9 4 2 9 8 TEL 13942296513 9 9 2 8 9 4 2 9 8 0 5 1 5 1 3 6 7 3 Q Q TEL 13942296513 QQ 376315150 892498299 TEL 13942296513 QQ 376315150 892498299 http://www.xiaoyu163.com DV-SP501 PACKING VIEW Tape Other models: RC-523DV DV-SP501 P1 P3 MUP2P 2 P2 P6 P6 P6 P6 P7 P10 P9 P12 P901 P902 P903 P905 P906 P911 P912 P915 P981 P10 model only Packing of accessory www. xiaoyu163. com QQ 376315150 9 9 2 8 9 4 2 9 8 TEL 13942296513 9 9 2 8 9 4 2 9 8 0 5 1 5 1 3 6 7 3 Q Q TEL 13942296513 QQ 376315150 892498299 TEL 13942296513 QQ 376315150 892498299 http://www.xiaoyu163.com EXPLODED VIEW PARTS LIST ! : Safety part REF. NO. PART NAME DESCRIPTION PART NO. REMARK A1 CHASSIS 27100425B A3 LEG LEG 27175316C A5 CUSHION 28141494 A10 HOLDER KGLS-10RT 27190428A A11 SCREW 3TTB+8B 838130088 A11a WASHER W3*10F(BC) 87643010 A12 HOLDER KGLS-18RT 27190657 A13 HOLDER KGLS-22RT 27190772 A15 LABEL(DVD2) 29362648 A16 CLAMP HL-18-0 27301394 A19 F BRACKET AS, Included konb-cap 27111328A N A19 F BRACKET AS, Included konb-cap 27111330A N A19 F BRACKET AS, Included konb-cap 27111329A N A22 CLEAR PLT 28191991 N A22 CLEAR PLT , 28191992 N A23 TAPE 29110161 A27 SCREW 2.6TTB+8B(BC) 838426088 A30 KNOB (POWER), 28325497A A30 KNOB (POWER), 28325499A A30 KNOB (POWER), 28325547A A32 SCREW 3P+10FN(BC) 82143010 A35 KNOB (CRS) 28326029 A35 KNOB (CRS) 28326030 A51 DOOR 28148540 N A51 DOOR 28148542 N A51 DOOR 28148541 N A55 COVER 28184864 N A55 COVER 28184866 N A55 COVER 28184865 N A56 SCREW 3TTB+8B(BC) 838430088 A56 SCREW 3TTB+8B(UN) 838930088 A57 CUSHION HIME 0.5*120*10 28141542 N A41 F PANEL 27212522 N A41 F PANEL 27212524 N A41 F PANEL 27212526 N A41 F PANEL 27212526 N A41 F PANEL 27212525 N A41 F PANEL 27212523 N A43 BADGE 28135244 A43 BADGE 28135245 A44 FACET 28198906 A46 SCREW 3TTB+8B(BC) 838430088 A47 REAR PANEL 27123120A N A47 REAR PANEL 27123123A N A47 REAR PANEL 27123122A N A47 REAR PANEL 27123118A N A47 REAR PANEL 27123123A A47 REAR PANEL 27123121A N A48 SCREW 3TTB+8B(BC) Except 838430088 A48 SCREW 3TTB+8B(BC) 838430088 F1 FUSE ! 1.6A-T/UL-ST2 252252 F1 or FUSE ! 1.6A-TSC 252147 F1 FUSE ! 1.6A-SE-TL250V Except 252273 F1 or FUSE ! 1.6A-SE-EAK IEC 252073 P501 FFC NCFC5-301512 2045301512 P502 FFC NCFC5-110612 2045110612 N P503 FFC NCFC5-180712 2045180712 N P701 FFC NCFC5-182012 2045182012 P702 SOCKET AS NSAS-10P1160 20044391025 P901A CORE NFY-25 BLACK 230945 P910 WIRE TIE BINDER(CLAMPER)UL 260208 S731 JOY STICK NPS-115-S673 25035710 Z1 DVD Main circuit PC board assy DB-VPB501 24150042 N Z10 DVD Mechanism assy DB-VLD501-007 24801018 N www. xiaoyu163. com QQ 376315150 9 9 2 8 9 4 2 9 8 TEL 13942296513 9 9 2 8 9 4 2 9 8 0 5 1 5 1 3 6 7 3 Q Q TEL 13942296513 QQ 376315150 892498299 TEL 13942296513 QQ 376315150 892498299 http://www.xiaoyu163.com Z12 HOLDER (ML) 27191201 N Z13 HOLDER (MR) 27191202 N Z14 SCREW 3SMS8W.SW+14B(BC) 801433 Z91A SCREW 4TTC+8C(BC) 830440089 U1 Output terminal PC board assy NAAR-7997-1A 1H505597-1A N U1 Output terminal PC board assy NAAR-7997-1B 1H505597-1B N U1 Output terminal PC board assy NAAR-7997-1C 1H505597-1C N U1 Output terminal PC board assy NAAR-7997-1D 1H505597-1D N U1 Output terminal PC board assy NAAR-7997-1E 1H505597-1E N U2 Display circuit PC board assy NADIS-7998-1A 1H505598-1A N U2 Display circuit PC board assy NADIS-7998-1B 1H505598-1B N U2 Display circuit PC board assy NADIS-7998-1C 1H505598-1C N U2 Display circuit PC board assy NADIS-7998-1D 1H505598-1D N U2 Display circuit PC board assy NADIS-7998-1E 1H505598-1E N U3 Standby switch PC board assy NADIS-7999-1A 1H505599-1A N U3 Standby switch PC board assy NADIS-7999-1B 1H505599-1B N U3 Standby switch PC board assy NADIS-7999-1C 1H505599-1C N U3 Standby switch PC board assy NADIS-7999-1D 1H505599-1D N U3 Standby switch PC board assy NADIS-7999-1E 1H505599-1E N U4 Power switch PC board assy NASW-8000-1A 1H505500-1A N U4 Power switch PC board assy NASW-8000-1B 1H505500-1B N U4 Power switch PC board assy NASW-8000-1C 1H505500-1C N U4 Power switch PC board assy NASW-8000-1D 1H505500-1D N U4 Power switch PC board assy NASW-8000-1E 1H505500-1E N U5 Inlet terminal PC board assy NAPS-8001-1A 1H505501-1A N U5 Inlet terminal PC board assy NAPS-8001-1B 1H505501-1B N U5 Inlet terminal PC board assy NAPS-8001-1D 1H505501-1D N U5 Inlet terminal PC board assy NAPS-8001-1C 1H505501-1C N U5 Inlet terminal PC board assy NAPS-8001-1E 1H505501-1E N U6 Support PC board NAETC-8003-1A 1H505503-1A N U6 Support PC board NAETC-8003-1B 1H505503-1B N U6 Support PC board NAETC-8003-1C 1H505503-1C N U6 Support PC board NAETC-8003-1D 1H505503-1D N U6 Support PC board NAETC-8003-1E 1H505503-1E N U20 Power supply assy unit ! NGPS-0040-100-120V 24150040 N U20 Power supply assy unit ! NGPS-0041-100-240V Except 24150041 N : Black color model : Silver color model : Golden color model : North American area : Canadian area : Southeast Asia area : Korea area : South America area : European area : China area www. xiaoyu163. com QQ 376315150 9 9 2 8 9 4 2 9 8 TEL 13942296513 9 9 2 8 9 4 2 9 8 0 5 1 5 1 3 6 7 3 Q Q TEL 13942296513 QQ 376315150 892498299 TEL 13942296513 QQ 376315150 892498299 http://www.xiaoyu163.com PACKING VIEW PARTS LIST ! : Safety part REF. NO. PART NAME DESCRIPTION PART NO. REMARK P1 CARTON 29054056 N P1 CARTON 29054057 N P1 CARTON 29054060 N P1 CARTON 29054058 N P1 CARTON 29054059 N P2 LABEL (RE) 29363451 N P2 LABEL (RE) 29363448 N P2 LABEL (RE) 29363449 N P2 LABEL (RE) 29363450 N P3 UPC LABEL 29363445 N P3 EAN LABEL 29363442 N P3 EAN LABEL G MUR> 29363444 N P3 EAN LABEL 29363443 N P4 LABEL (POP) 29363447 N P5 WRNTY CARD 29365090A P6 PAD (AS) 29092099B N P7 POLY BAG 650 x 500 29100037-1A P9 PP TAPE W48 OPP TAPE 29110148 P10 POLY BAG 350*250 29100097-1A P12 PAD TOP 29092108A N P901 PIN CORD AS RCA3P(YWR) 2010379 P902 BATTERY R6/AA(UM-3) 3010054 P903 PLUG CORD 3.5-MINI PLUG (RI) 2010200 P905 REMO CON RC-524DV 24140524 N P905 REMO CON RC-523DV Except MDC> 24140523 N P906 CORD AS (S CORD) Except 2010380 P906 or CORD AS TPX3000 2010360 P906 RGB CORD YAF11-1015 2010411 P906 or RGB CORD YAF11-0697 2010368 P907 CV PLUG ! CV-K-2 25055911 P911 INS MANUAL En 29343485 N P912 INS MANUAL U2FrEs 29343487 N P913 INS MANUAL U2CtCs 29343488 N P915 INS MANUAL U4ItDeNlSv 29343490A N P981 AC CORD ! AC-UC-2 253296HIT P981 AC CORD ! AS-CEE 253299HIT P981 AC CORD ! AS-KS 253346VOL P981 or AC CORD ! AS-CCC 253363HIT : Black color model : Silver color model : Golden color model : North American area : Canadian area : Southeast Asia area : Korea area : South America area : European area : China area www. xiaoyu163. com QQ 376315150 9 9 2 8 9 4 2 9 8 TEL 13942296513 9 9 2 8 9 4 2 9 8 0 5 1 5 1 3 6 7 3 Q Q TEL 13942296513 QQ 376315150 892498299 TEL 13942296513 QQ 376315150 892498299 http://www.xiaoyu163.com PRINTED CIRCUIT BOARD PARTS LIST U1 : OUTPUT TERMINAL PC BOARD NAAR-7997 CIRCUIT PART NAME DESCRIPTION PART NO. REMARK C101 C-CERA C CK725F1E-104Z1 332161040R1 C221 VR C CE04W6.3V-470M(VR) 394624717 C222 C-CERA C CK725B1C-104K1 332121045R1 C223 VR C CE04W6.3V-470M(VR) 394624717 C224 VR C CE04W6.3V-1000M(VR) 394621027 Except C225 VR C CE04W6.3V-470M(VR) 394624717 Except C226 VR C CE04W6.3V-470M(VR) 394624717 Except C352 C-CERA C CK725F1E-104Z1 332161040R1 C353 VR C CE04W6.3V-100M(VR) 394621017 C357 C-CERA C CK725B1C-104K1 332121045R1 C358 C-CERA C CC725CH1H-220J1 342102204R1 C360 C-CERA C CK725F1E-104Z1 332161040R1 C361 C-CERA C CK725F1E-104Z1 332161040R1 C362 VR C CE04W6.3V-100M(VR) 394621017 C363 C-CERA C CK725F1H-223Z1 332152230R1 C364 C-CERA C CK725F1H-223Z1 332152230R1 C401 VX C CE04W16V-47M(VX) 393344707 C402 VX C CE04W16V-47M(VX) 393344707 C403 TF C ECQ-B50V-681J 374726814 C404 TF C ECQ-B50V-681J 374726814 C405 TF C ECQ-B50V-152J 374721524 C406 TF C ECQ-B50V-152J 374721524 C407 TF C ECQ-B50V-102J 374721024 C408 TF C ECQ-B50V-102J 374721024 C409 C-CERA C CC725CH1H-470J1 342104704R1 C410 C-CERA C CC725CH1H-470J1 342104704R1 C411 VR C CE04W6.3V-220M(VR) 394622217 C412 VR C CE04W6.3V-220M(VR) 394622217 C413 VX C CE04W50V-47M(VX) 393384707 C414 VX C CE04W50V-47M(VX) 393384707 C415 VX C CE04W50V-47M(VX) 393384707 C419 VX C CE04W50V-47M(VX) 393384707 C420 VR C CE04W6.3V-470M(VR) 394624717 C485 VR C CE04W16V-220M(VR) 394642217 C486 VR C CE04W16V-220M(VR) 394642217 C601 VR C CE04W16V-100M(VR) 394641017 C602 C-CERA C CK725F1E-104Z1 332161040R1 C603 VR C CE04W16V-100M(VR) 394641017 C612 VR C CE04W6.3V-470M(VR) 394624717 C613 VR C CE04W6.3V-470M(VR) 394624717 C614 VR C CE04W6.3V-470M(VR) 394624717 C615 VR C CE04W6.3V-470M(VR) 394624717 C901 C-CERA C CK725F1E-104Z1 332161040R1 C902 VR C CE04W16V-220M(VR) 394642217 C903 C-CERA C CK725F1E-104Z1 332161040R1 C904 VR C CE04W6.3V-220M(VR) 394622217 C905 C-CERA C CK725F1E-104Z1 332161040R1 C906 VR C CE04W16V-220M(VR) 394642217 C907 C-CERA C CK725F1E-104Z1 332161040R1 C908 VR C CE04W16V-1000M(VR) 394641027 C909 C-CERA C CK725F1E-104Z1 332161040R1 C910 VR C CE04W16V-1000M(VR) 394641027 C911 VR C CE04W16V-100M(VR) 394641017 C914 C-CERA C CK725F1E-104Z1 332161040R1 C920 VR C CE04W16V-10M(VR) 394641007 C921 VR C CE04W16V-220M(VR) 394642217 C922 VR C CE04W16V-220M(VR) 394642217 CN901 SOCKET NSCT-30P2421 25052524 N www. xiaoyu163. com QQ 376315150 9 9 2 8 9 4 2 9 8 TEL 13942296513 9 9 2 8 9 4 2 9 8 0 5 1 5 1 3 6 7 3 Q Q TEL 13942296513 QQ 376315150 892498299 TEL 13942296513 QQ 376315150 892498299 http://www.xiaoyu163.com CN901 or SOCKET NSCT-30P1741 25051954 CN901 or SOCKET NSCT-30P2227 25052330 CN902 SOCKET NSCT-11P2402 25052505 N CN902 or SOCKET NSCT-11P1822 25051935 CN902 or SOCKET NSCT-11P2208 25052311 N CN903 SOCKET NSCT-18P2409 25052512 CN903 or SOCKET NSCT-18P1729 25051942 CN903 or SOCKET NSCT-18P2215 25052318 D101 ZENER D UDZS5.1B 224550510R2 D101 or ZENER D UDZ5.1B 224490510R2 D460 C-DIODE 1SS352 223234R2 D460 or C-DIODE 1SS355 223269R2 D601 C-DIODE 1SS226 223266R2 D602 C-DIODE 1SS226 223266R2 D901 ZENER D UDZS5.1B 224550510R2 D901 or ZENER D UDZ5.1B 224490510R2 D920 ZENER D UDZS11B 224551100R2 D921 C-DIODE 1SS352 223234R2 D921 or C-DIODE 1SS355 223269R2 D922 C-DIODE 1SS352 223234R2 D922 or C-DIODE 1SS355 223269R2 D923 C-DIODE 1SS352 223234R2 D923 or C-DIODE 1SS355 223269R2 D924 C-DIODE 1SS352 223234R2 D924 or C-DIODE 1SS355 223269R2 L351 EMIFIL BK1608LM182-T 230958R1 L351 or EMIFIL FBM-10-160808-202T 230968R1 L352 EMIFIL BK1608LM182-T 230958R1 L352 or EMIFIL FBM-10-160808-202T 230968R1 L353 EMIFIL BK1608LM182-T 230958R1 L353 or EMIFIL FBM-10-160808-202T 230968R1 L354 EMIFIL BK1608LM182-T 230958R1 L354 or EMIFIL FBM-10-160808-202T 230968R1 L601 EMIFIL BK1608LM182-T 230958R1 P104 SOCKET NSCT-7P2241 25052344 P104 or SOCKET NSCT-7P1676 25051889 P104 or SOCKET NSCT-7P2425 25052528 P601 SOCKET NSCT-21P2176, SCART 25052279 P601 or SOCKET NSCT-21P2602, SCART 25052706 P701A SOCKET NSCT-18P2409 25052512 P701Aor SOCKET NSCT-18P1729 25051942 P701Aor SOCKET NSCT-18P2215 25052318 P351A SOCKET AS NSAS-4P1147 2009990786UL N P901 SOCKET AS NSAS-30P1102 2004C193060UL P201 PIN JACK, S-Terminal NPJ-5PDBY456 25045656 P203 PIN JACK, Video out NPJ-3PDGLR454 25045654 Except P350 PIN JACK, Coaxial out NPJ-1PDOR369 25045548 P352 PIN JACK , RI NPJ-2PDB400 25045589 P401 PIN JACK, Audio out NPJ-3PDBRW455 25045655 Q351 PHT CP, Optical out TOTX179L 24120102 Q352 IC TC74VHCU04FT 22274004HR2O Q401 IC NJM4580M-D 22241448R2 Q402 IC NJM4580M-D 22241448R2 Q403 IC NJM4580M-D 22241448R2 Q404 IC NJM4580M-D 22241448R2 Q601 IC TC4053BF 222840531R2O Q405 TR HN1C03F-B 2216141R2 Q406 TR HN1C03F-B 2216141R2 Q407 TR HN1C03F-B 2216141R2 Q460 TR DTA114YKA 2216480R2 Q460 or TR RN2407 2216360R2 Q460 or TR KRA107S 2216350R2 Q463 TR DTC114YKA 2216470R2 www. xiaoyu163. com QQ 376315150 9 9 2 8 9 4 2 9 8 TEL 13942296513 9 9 2 8 9 4 2 9 8 0 5 1 5 1 3 6 7 3 Q Q TEL 13942296513 QQ 376315150 892498299 TEL 13942296513 QQ 376315150 892498299 http://www.xiaoyu163.com Q463 or TR RN1407 2216260R2 Q463 or TR KRC107S 2216340R2 Q602 TR KRC102S 2216190R2 Q602 or TR RN1402 2214470R2 Q603 TR KRC102S 2216190R2 Q603 or TR RN1402 2214470R2 Q604 TR KTC3875-Y 2216174R2 Q604 or TR KTC3875-GR 2216175R2 Q604 or TR 2SC2712-Y 2213144R2 Q604 or TR 2SC2712-GR 2213145R2 Q605 TR KTC3875-Y 2216174R2 Q605 or TR KTC3875-GR 2216175R2 Q605 or TR 2SC2712-Y 2213144R2 Q605 or TR 2SC2712-GR 2213145R2 Q606 TR KTA1504-GR 2216185R2 Q606 or TR 2SA1162-Y 2214374R2 Q606 or TR 2SA1162-GR 2214375R2 Q607 TR HN1A01F-GR 2215915R2 Q608 TR HN1A01F-GR 2215915R2 Q920 TR KTC3875-GR 2216175R2 Q920 or TR 2SC2712-GR 2213145R2 R1001 C-CARBON R RN72K1J-000JE 435030004R1 R1002 C-CARBON R RN72K1J-000JE 435030004R1 R1003 C-CARBON R RN72K1J-000JE 435030004R1 R1004 C-CARBON R RN72K1J-000JE 435030004R1 R1005 C-CARBON R RN72K1J-000JE 435030004R1 R1006 C-CARBON R RN72K1J-000JE 435030004R1 R1007 C-CARBON R RN72K1J-000JE 435030004R1 R1008 C-CARBON R RN72K1J-000JE 435030004R1 R1009 C-CARBON R RN72K1J-000JE 435030004R1 R101 C-CARBON R RN72K1J-103JE 435031034R1 R102 C-CARBON R RN72K1J-470JE 435034704R1 R1010 C-CARBON R RN72K1J-000JE 435030004R1 R103 C-CARBON R RN72K1J-470JE 435034704R1 R104 C-CARBON R RN72K1J-470JE 435034704R1 R106 C-CARBON R RN72K1J-470JE 435034704R1 R107 C-CARBON R RN72K1J-470JE 435034704R1 R108 C-CARBON R RN72K1J-470JE 435034704R1 R115 C-CARBON R RN72K1J-000JE 435030004R1 R115 C-CARBON R RN72K1J-000JE 435030004R1 Except R116 C-CARBON R RN72K1J-000JE 435030004R1 R117 C-CARBON R RN72K1J-103JE 435031034R1 R118 C-CARBON R RN72K1J-103JE 435031034R1 R119 C-CARBON R RN72K1J-103JE 435031034R1 R121 C-CARBON R RN72K1J-470JE 435034704R1 R122 C-CARBON R RN72K1J-470JE 435034704R1 R123 C-CARBON R RN72K1J-000JE 435030004R1 R124 C-CARBON R RN72K1J-470JE 435034704R1 R125 C-CARBON R RN72K1J-470JE 435034704R1 R126 C-CARBON R RN72K1J-470JE 435034704R1 R127 C-CARBON R RN72K1J-470JE 435034704R1 R134 C-CARBON R RN72K1J-103JE 435031034R1 R135 C-CARBON R RN72K1J-103JE 435031034R1 R136 C-CARBON R RN72K1J-103JE 435031034R1 R137 C-CARBON R RN72K1J-103JE 435031034R1 R221 C-CARBON R RN72K1J-750JE 435037504R1 R222 C-CARBON R RN72K1J-750JE 435037504R1 R223 C-CARBON R RN72K1J-750JE 435037504R1 R224 C-CARBON R RN72K1J-103JE 435031034R1 R225 C-CARBON R RN72K1J-750JE 435037504R1 Except R227 C-CARBON R RN72K1J-750JE 435037504R1 Except R229 C-CARBON R RN72K1J-750JE 435037504R1 Except R231 C-CARBON R RN72K1J-000JE 435030004R1 www. xiaoyu163. com QQ 376315150 9 9 2 8 9 4 2 9 8 TEL 13942296513 9 9 2 8 9 4 2 9 8 0 5 1 5 1 3 6 7 3 Q Q TEL 13942296513 QQ 376315150 892498299 TEL 13942296513 QQ 376315150 892498299 http://www.xiaoyu163.com R232 C-CARBON R RN72K1J-000JE 435030004R1 R233 C-CARBON R RN72K1J-000JE 435030004R1 R234 C-CARBON R RN72K1J-000JE 435030004R1 Except R235 C-CARBON R RN72K1J-000JE 435030004R1 Except R236 C-CARBON R RN72K1J-000JE 435030004R1 Except R351 C-CARBON R RN72K1J-000JE 435030004R1 R353 C-CARBON R RN72K1J-474JE 435034744R1 R354 C-CARBON R RN72K1J-331JE 435033314R1 R355 C-CARBON R RN72K1J-181JE 435031814R1 R356 C-CARBON R RN72K1J-181JE 435031814R1 R357 C-CARBON R RN72K1J-471JE 435034714R1 R401 C-CARBON R RN72K1J-152JE 435031524R1 R402 C-CARBON R RN72K1J-152JE 435031524R1 R405 C-CARBON R RN72K1J-000JE 435030004R1 R406 C-CARBON R RN72K1J-000JE 435030004R1 R407 C-CARBON R RN72K1J-103JE 435031034R1 R408 C-CARBON R RN72K1J-103JE 435031034R1 R409 C-CARBON R RN72K1J-103JE 435031034R1 R410 C-CARBON R RN72K1J-103JE 435031034R1 R411 C-CARBON R RN72K1J-152JE 435031524R1 R412 C-CARBON R RN72K1J-152JE 435031524R1 R413 C-CARBON R RN72K1J-223JE 435032234R1 R414 C-CARBON R RN72K1J-223JE 435032234R1 R415 C-CARBON R RN72K1J-223JE 435032234R1 R416 C-CARBON R RN72K1J-223JE 435032234R1 R417 C-CARBON R RN72K1J-223JE 435032234R1 R418 C-CARBON R RN72K1J-223JE 435032234R1 R419 C-CARBON R RN72K1J-152JE 435031524R1 R420 C-CARBON R RN72K1J-152JE 435031524R1 R421 C-CARBON R RN72K1J-223JE 435032234R1 R422 C-CARBON R RN72K1J-223JE 435032234R1 R423 C-CARBON R RN72K1J-152JE 435031524R1 R424 C-CARBON R RN72K1J-152JE 435031524R1 R427 C-CARBON R RN72K1J-103JE 435031034R1 R428 C-CARBON R RN72K1J-103JE 435031034R1 R429 C-CARBON R RN72K1J-103JE 435031034R1 R430 C-CARBON R RN72K1J-103JE 435031034R1 R431 C-CARBON R RN72K1J-471JE 435034714R1 R432 C-CARBON R RN72K1J-471JE 435034714R1 R433 C-CARBON R RN72K1J-101JE 435031014R1 R434 C-CARBON R RN72K1J-101JE 435031014R1 R435 C-CARBON R RN72K1J-101JE 435031014R1 R441 C-CARBON R RN72K1J-104JE 435031044R1 R442 C-CARBON R RN72K1J-104JE 435031044R1 R443 C-CARBON R RN72K1J-271JE 435032714R1 R444 C-CARBON R RN72K1J-271JE 435032714R1 R445 C-CARBON R RN72K1J-222JE 435032224R1 R446 C-CARBON R RN72K1J-222JE 435032224R1 R447 C-CARBON R RN72K1J-101JE 435031014R1 R448 C-CARBON R RN72K1J-101JE 435031014R1 R449 C-CARBON R RN72K1J-222JE 435032224R1 R450 C-CARBON R RN72K1J-222JE 435032224R1 R452 C-CARBON R RN72K1J-222JE 435032224R1 R453 C-CARBON R RN72K1J-101JE 435031014R1 R454 C-CARBON R RN72K1J-222JE 435032224R1 R455 C-CARBON R RN72K1J-104JE 435031044R1 R456 C-CARBON R RN72K1J-104JE 435031044R1 R457 C-CARBON R RN72K1J-104JE 435031044R1 R458 C-CARBON R RN72K1J-154JE 435031544R1 R459 C-CARBON R RN72K1J-154JE 435031544R1 R460 C-CARBON R RN72K1J-154JE 435031544R1 R461 C-CARBON R RN72K1J-154JE 435031544R1 R462 C-CARBON R RN72K1J-102JE 435031024R1 www. xiaoyu163. com QQ 376315150 9 9 2 8 9 4 2 9 8 TEL 13942296513 9 9 2 8 9 4 2 9 8 0 5 1 5 1 3 6 7 3 Q Q TEL 13942296513 QQ 376315150 892498299 TEL 13942296513 QQ 376315150 892498299 http://www.xiaoyu163.com R463 C-CARBON R RN72K1J-102JE 435031024R1 R481 NF CARBON R R25J-2.2 415470224 R482 NF CARBON R R25J-2.2 415470224 R601 C-CARBON R RN72K1J-182JE 435031824R1 R602 C-CARBON R RN72K1J-222JE 435032224R1 R603 C-CARBON R RN72K1J-222JE 435032224R1 R604 C-CARBON R RN72K1J-103JE 435031034R1 R605 C-CARBON R RN72K1J-103JE 435031034R1 R606 C-CARBON R RN72K1J-472JE 435034724R1 R607 C-CARBON R RN72K1J-122JE 435031224R1 R608 C-CARBON R RN72K1J-223JE 435032234R1 R609 C-CARBON R RN72K1J-563JE 435035634R1 R610 C-CARBON R RN72K1J-680JE 435036804R1 R612 METAL O R RS1/2WBJ-330 443523314 R613 METAL O R RS1/2WBJ-330 443523314 R614 C-CARBON R RN72K1J-102JE 435031024R1 R615 C-CARBON R RN72K1J-103JE 435031034R1 R616 C-CARBON R RN72K1J-101JE 435031014R1 R617 C-CARBON R RN72K1J-101JE 435031014R1 R618 C-CARBON R RN72K1J-750JE 435037504R1 R619 C-CARBON R RN72K1J-750JE 435037504R1 R620 C-CARBON R RN72K1J-750JE 435037504R1 R621 C-CARBON R RN72K1J-750JE 435037504R1 R622 C-CARBON R RN72K1J-000JE 435030004R1 R623 C-CARBON R RN72K1J-000JE 435030004R1 R624 C-CARBON R RN72K1J-000JE 435030004R1 R625 C-CARBON R RN72K1J-000JE 435030004R1 R626 C-CARBON R RN72K1J-000JE 435030004R1 R902 C-CARBON R RN72K1J-222JE 435032224R1 R920 C-CARBON R RN72K1J-221JE 435032214R1 R1012 C-CARBON R RN72K1J-000JE 435030004R1 R1013 C-CARBON R RN72K1J-000JE 435030004R1 R1015 C-CARBON R RN72K1J-000JE 435030004R1 R1016 C-CARBON R RN72K1J-000JE 435030004R1 R1017 C-CARBON R RN72K1J-000JE 435030004R1 R1018 C-CARBON R RN72K1J-000JE 435030004R1 R1019 C-CARBON R RN72K1J-000JE 435030004R1 R1020 C-CARBON R RN72K1J-000JE 435030004R1 U2 : DISPLAY CIRCUIT PC BOARD NADIS-7999 CIRCUIT PART NAME DESCRIPTION PART NO. REMARK Q701 IC MPD780232GC-092-8BT 22242005R3 N Q703 IC S-80130CLMC-JIP-T2 22241924R2 Q702 FL TUBE HNV-13SS12T 212238 Q704 TR KRA103S 2216230R2 Q704 or TR RN2403 2214540R2 C701 ELECT C CE04W6.3V-100M 355721019 C702 C-CERA C CK725F1E-104Z1 332161040R1 C703 C-CERA C CK725F1E-104Z1 332161040R1 C704 C-CERA C CK725F1E-104Z1 332161040R1 C705 ELECT C CE04W50V-22M 355782209 C706 ELECT C CE04W6.3V-100M 355721019 D701 C-DIODE 1SS352 223234R2 D701 or C-DIODE 1SS355 223269R2 D702 ZENER D UDZS5.6B 224550560R2 D703 C-DIODE 1SS352 223234R2 D703 or C-DIODE 1SS355 223269R2 JL703A WIRE HOL NSCT-4P875 25051088 P701B SOCKET NSCT-18P2436 25052539 P701Bor SOCKET NSCT-18P1687 25051900 P701Bor SOCKET NSCT-18P2252 25052355 P731 SOCKET NSCT-7P2241 25052344 www. xiaoyu163. com QQ 376315150 9 9 2 8 9 4 2 9 8 TEL 13942296513 9 9 2 8 9 4 2 9 8 0 5 1 5 1 3 6 7 3 Q Q TEL 13942296513 QQ 376315150 892498299 TEL 13942296513 QQ 376315150 892498299 http://www.xiaoyu163.com P731 or SOCKET NSCT-7P1676 25051889 P731 or SOCKET NSCT-7P2425 25052528 Q705 REMO SENS RPM7138-H9 241348 N R701 C-CARBON R RN72K1J-103JE 435031034R1 R702 C-CARBON R RN72K1J-000JE 435030004R1 R703 C-CARBON R RN72K1J-101JE 435031014R1 R704 C-CARBON R RN72K1J-000JE 435030004R1 R705 C-CARBON R RN72K1J-000JE 435030004R1 R706 C-CARBON R RN72K1J-000JE 435030004R1 R707 C-CARBON R RN72K1J-000JE 435030004R1 R709 C-CARBON R RN72K1J-000JE 435030004R1 R710 C-CARBON R RN72K1J-103JE 435031034R1 R711 C-CARBON R RN72K1J-105JE 435031054R1 R712 C-CARBON R RN72K1J-473JE 435034734R1 R713 C-CARBON R RN72K1J-224JE 435032244R1 R719 C-CARBON R RN72K1J-103JE 435031034R1 R723 C-CARBON R RN72K1J-103JE 435031034R1 R726 C-CARBON R RN72K1J-000JE 435030004R1 R727 C-CARBON R RN72K1J-000JE 435030004R1 R733 C-CARBON R RN72K1J-102JE 435031024R1 R734 C-CARBON R RN72K1J-000JE 435030004R1 R736 C-CARBON R RN72K1J-000JE 435030004R1 R738 C-CARBON R RN72K1J-000JE 435030004R1 Except R739 C-CARBON R RN72K1J-102JE 435031024R1 R740 C-CARBON R RN72K1J-000JE 435030004R1 R741 C-CARBON R RN72K1J-102JE 435031024R1 R742 C-CARBON R RN72K1J-000JE 435030004R1 R743 C-CARBON R RN72K1J-102JE 435031024R1 R751 C-CARBON R RN72K1J-272JE 435032724R1 R752 C-CARBON R RN72K1J-391JE 435033914R1 R753 C-CARBON R RN72K1J-471JE 435034714R1 R754 C-CARBON R RN72K1J-821JE 435038214R1 R755 C-CARBON R RN72K1J-102JE 435031024R1 R756 C-CARBON R RN72K1J-182JE 435031824R1 R758 C-CARBON R RN72K1J-272JE 435032724R1 R759 C-CARBON R RN72K1J-391JE 435033914R1 R760 C-CARBON R RN72K1J-471JE 435034714R1 R761 C-CARBON R RN72K1J-821JE 435038214R1 R762 C-CARBON R RN72K1J-102JE 435031024R1 R763 C-CARBON R RN72K1J-182JE 435031824R1 R764 C-CARBON R RN72K1J-392JE 435033924R1 R765 C-CARBON R RN72K1J-103JE 435031034R1 R766 C-CARBON R RN72K1J-272JE 435032724R1 R767 C-CARBON R RN72K1J-391JE 435033914R1 R768 C-CARBON R RN72K1J-471JE 435034714R1 R769 C-CARBON R RN72K1J-821JE 435038214R1 R770 C-CARBON R RN72K1J-102JE 435031024R1 R771 C-CARBON R RN72K1J-182JE 435031824R1 R772 C-CARBON R RN72K1J-392JE 435033924R1 R773 C-CARBON R RN72K1J-103JE 435031034R1 S701 PUSH SW NPS-111-S681 25035718 S702 PUSH SW NPS-111-S681 25035718 S703 PUSH SW NPS-111-S681 25035718 S704 PUSH SW NPS-111-S681 25035718 S705 PUSH SW NPS-111-S681 25035718 S706 PUSH SW NPS-111-S681 25035718 S707 PUSH SW NPS-111-S681 25035718 S708 PUSH SW NPS-111-S681 25035718 S709 PUSH SW NPS-111-S681 25035718 S710 PUSH SW NPS-111-S681 25035718 S712 PUSH SW NPS-111-S681 25035718 S713 PUSH SW NPS-111-S681 25035718 S714 PUSH SW NPS-111-S681 25035718 www. xiaoyu163. com QQ 376315150 9 9 2 8 9 4 2 9 8 TEL 13942296513 9 9 2 8 9 4 2 9 8 0 5 1 5 1 3 6 7 3 Q Q TEL 13942296513 QQ 376315150 892498299 TEL 13942296513 QQ 376315150 892498299 http://www.xiaoyu163.com S715 PUSH SW NPS-111-S681 25035718 X701 CERA LOCK CST5.00MGW 3010242 Q702A CUSHION t3*10*25 28141513 U3 : STANDBY SWITCH PC BOARD NADIS-7999 CIRCUIT PART NAME DESCRIPTION PART NO. REMARK D721 LED SEL4110R, LED 225290 Q708 TR DTC114YKA 2216470R2 Q708 or TR KRC107S 2216340R2 Q708 or TR RN1407 2216260R2 R757 C-CARBON R RN72K1J-392JE 435033924R1 R779 C-CARBON R RN72K1J-471JE 435034714R1 S716 PUSH SW NPS-111-S681 25035718 U4 : POWER SWITCH PC BOARD NASW-8000 CIRCUIT PART NAME DESCRIPTION PART NO. REMARK C991 IS C ! RE275V-103M 3500196S S991 PUSH SW ! NPS-111-L666P 25035703 S991 or P SW ! NPS-111-L512P 25035550 JL703B WIRE HOL NSCT-4P875 25051088 U5 : INLET TERMINAL PC BOARD NAPS-8001 CIRCUIT PART NAME DESCRIPTION PART NO. REMARK P981A AC INLET ! NPLG-2P956 25056006 P981A AC INLET ! NPLG-2P977 25056027 : North American area : Canadian area : Southeast Asia area : Korea area : South America area : European area : China area www. xiaoyu163. com QQ 376315150 9 9 2 8 9 4 2 9 8 TEL 13942296513 9 9 2 8 9 4 2 9 8 0 5 1 5 1 3 6 7 3 Q Q TEL 13942296513 QQ 376315150 892498299 TEL 13942296513 QQ 376315150 892498299 http://www.xiaoyu163.com www. xiaoyu163. com QQ 376315150 9 9 2 8 9 4 2 9 8 TEL 13942296513 9 9 2 8 9 4 2 9 8 0 5 1 5 1 3 6 7 3 Q Q TEL 13942296513 QQ 376315150 892498299 TEL 13942296513 QQ 376315150 892498299 http://www.xiaoyu163.com www. xiaoyu163. com QQ 376315150 9 9 2 8 9 4 2 9 8 TEL 13942296513 9 9 2 8 9 4 2 9 8 0 5 1 5 1 3 6 7 3 Q Q TEL 13942296513 QQ 376315150 892498299 TEL 13942296513 QQ 376315150 892498299 http://www.xiaoyu163.com www. xiaoyu163. com QQ 376315150 9 9 2 8 9 4 2 9 8 TEL 13942296513 9 9 2 8 9 4 2 9 8 0 5 1 5 1 3 6 7 3 Q Q TEL 13942296513 QQ 376315150 892498299 TEL 13942296513 QQ 376315150 892498299 http://www.xiaoyu163.com www. xiaoyu163. com QQ 376315150 9 9 2 8 9 4 2 9 8 TEL 13942296513 9 9 2 8 9 4 2 9 8 0 5 1 5 1 3 6 7 3 Q Q TEL 13942296513 QQ 376315150 892498299 TEL 13942296513 QQ 376315150 892498299 http://www.xiaoyu163.com www. xiaoyu163. com QQ 376315150 9 9 2 8 9 4 2 9 8 TEL 13942296513 9 9 2 8 9 4 2 9 8 0 5 1 5 1 3 6 7 3 Q Q TEL 13942296513 QQ 376315150 892498299 TEL 13942296513 QQ 376315150 892498299 http://www.xiaoyu163.com www. xiaoyu163. com QQ 376315150 9 9 2 8 9 4 2 9 8 TEL 13942296513 9 9 2 8 9 4 2 9 8 0 5 1 5 1 3 6 7 3 Q Q TEL 13942296513 QQ 376315150 892498299 TEL 13942296513 QQ 376315150 892498299 http://www.xiaoyu163.com www. xiaoyu163. com QQ 376315150 9 9 2 8 9 4 2 9 8 TEL 13942296513 9 9 2 8 9 4 2 9 8 0 5 1 5 1 3 6 7 3 Q Q TEL 13942296513 QQ 376315150 892498299 TEL 13942296513 QQ 376315150 892498299 http://www.xiaoyu163.com www. xiaoyu163. com QQ 376315150 9 9 2 8 9 4 2 9 8 TEL 13942296513 9 9 2 8 9 4 2 9 8 0 5 1 5 1 3 6 7 3 Q Q TEL 13942296513 QQ 376315150 892498299 TEL 13942296513 QQ 376315150 892498299 http://www.xiaoyu163.com www. xiaoyu163. com QQ 376315150 9 9 2 8 9 4 2 9 8 TEL 13942296513 9 9 2 8 9 4 2 9 8 0 5 1 5 1 3 6 7 3 Q Q TEL 13942296513 QQ 376315150 892498299 TEL 13942296513 QQ 376315150 892498299 http://www.xiaoyu163.com UR> www. xiaoyu163. com QQ 376315150 9 9 2 8 9 4 2 9 8 TEL 13942296513 9 9 2 8 9 4 2 9 8 0 5 1 5 1 3 6 7 3 Q Q TEL 13942296513 QQ 376315150 892498299 TEL 13942296513 QQ 376315150 892498299 http://www.xiaoyu163.com DV-SP501 http://www.onkyo.co.jp/ HOMEPAGE ONKYO U.S.A. CORPORATION 18 Park Way, Upper Saddle River, N.J. 07458, U.S.A. Tel: 201-785-2600 Fax: 201-785-2650 E-mail: onkyo@onkyousa.com ONKYO EUROPE ELECTRONICS GmbH Liegnitzerstrasse 6, 82194 Groebenzell, GERMANY Tel: +49-8142-4401-0 Fax: +49-8142-4401-555 E-mail: info@onkyo.de ONKYO CHINA LIMITED Units 2102-2107, Metroplaza Tower I, 223 Hing Fong Road, Kwai Chung, N.T., HONG KONG Tel: 852-2429-3118 Fax: 852-2428-9039 Sales & Product Planning Div. : 2-1, Nisshin-cho, Neyagawa-shi, OSAKA 572-8540, JAPAN Tel: 072-831-8111 Fax: 072-833-5222 ONKYO CORPORATION PN 0Mxxxx D01xx Printed in Japan www. xiaoyu163. com QQ 376315150 9 9 2 8 9 4 2 9 8 TEL 13942296513 9 9 2 8 9 4 2 9 8 0 5 1 5 1 3 6 7 3 Q Q TEL 13942296513 QQ 376315150 892498299 TEL 13942296513 QQ 376315150 892498299 http://www.xiaoyu163.com

标签:

版权声明

1. 本站所有素材,仅限学习交流,仅展示部分内容,如需查看完整内容,请下载原文件。
2. 会员在本站下载的所有素材,只拥有使用权,著作权归原作者所有。
3. 所有素材,未经合法授权,请勿用于商业用途,会员不得以任何形式发布、传播、复制、转售该素材,否则一律封号处理。
4. 如果素材损害你的权益请联系客服QQ:77594475 处理。