安桥ONKYO DV-S757 DVD播放器电路图

分类:电子电工 日期: 点击:0
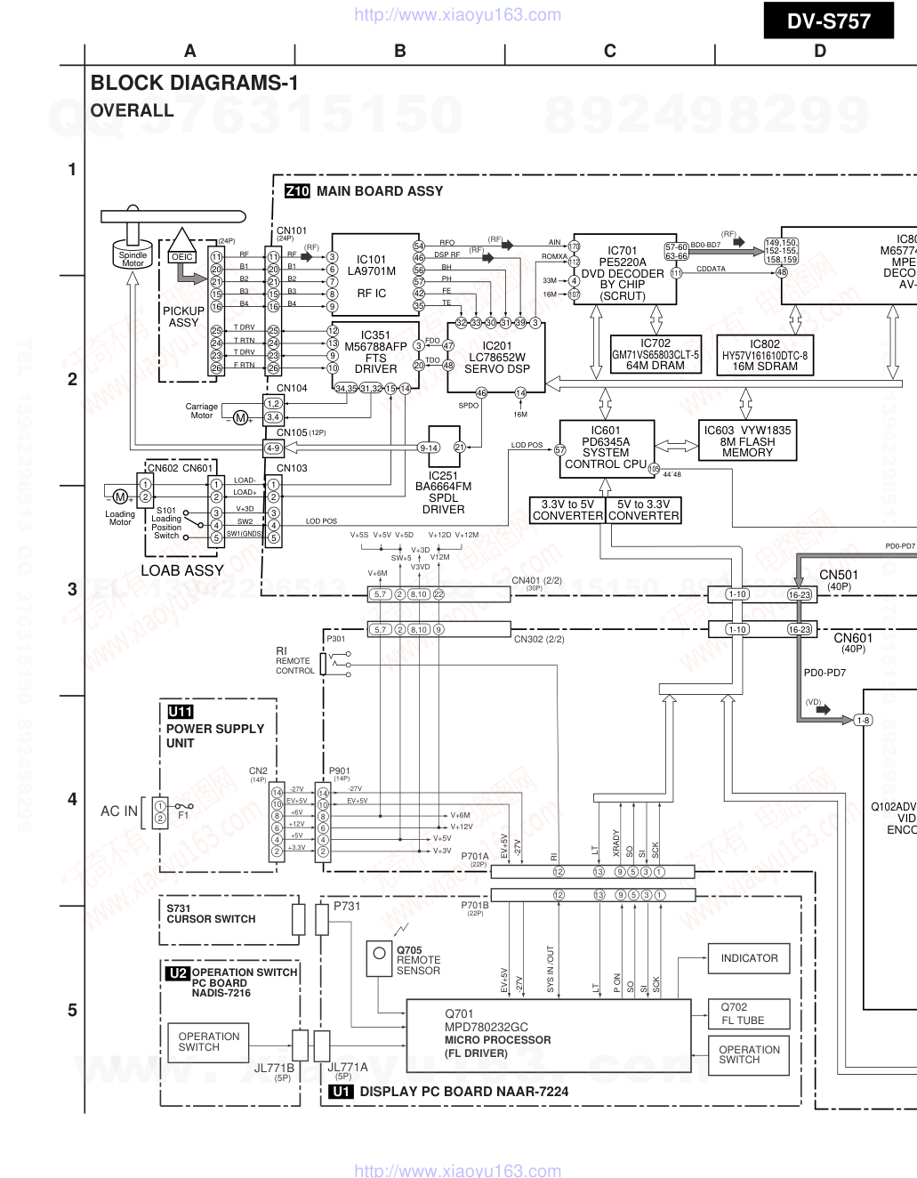
安桥ONKYO DV-S757 DVD播放器电路图-0 安桥ONKYO DV-S757 DVD播放器电路图-1 安桥ONKYO DV-S757 DVD播放器电路图-2 安桥ONKYO DV-S757 DVD播放器电路图-3 安桥ONKYO DV-S757 DVD播放器电路图-4 安桥ONKYO DV-S757 DVD播放器电路图-5 安桥ONKYO DV-S757 DVD播放器电路图-6 安桥ONKYO DV-S757 DVD播放器电路图-7 安桥ONKYO DV-S757 DVD播放器电路图-8 安桥ONKYO DV-S757 DVD播放器电路图-9

DV-S757 SERVICE MANUAL DVD AUDIO/VIDEO PLAYER Black, Silver and Golden models MODEL DV-S757 100-240V AC, 50/60Hz (B)MUP2P, (S)MUP2P (G)MUT3P (B)MUS4P,(G)MUS4P (G)MUR6P Ref. No. 3697 082001 RC-450DV LAST M COND. M DIMMER DISPLAY STANDBY ON ANGLE AUDIO SUBTITLE MENU TOP MENU SETUP RETURN STOP PAUSE FUNCTION M OPEN / CLOSE DOWN UP FR FF CLEAR PROGRAM RANDOM REPEAT A-B STEP/ SLOW SEARCH REMOTE CONTROLLER RC-450DV PLAY 2 3 4 5 6 7 8 9 1 0 +10 + - ENTER DIGITAL SURROUND SAFETY-RELATED COMPONENT WARNING!! COMPONENTS IDENTIFIED BY MARK ON THE SCHEMATIC DIAGRAM AND IN THE PARTS LIST ARE CRITICAL FOR RISK OF FIRE AND ELECTRIC SHOCK. REPLACE THESE COMPONENTS WITH ONKYO PARTS WHOSE PART NUMBERS APPEAR AS SHOWN IN THIS MANUAL. MAKE LEAKAGE-CURRENT OR RESISTANCE MEASUREMENTS TO DETERMINE THAT EXPOSED PARTS ARE ACCEPTABLY INSULATED FROM THE SUPPLY CIRCUIT BEFORE RETURNING THE APPLIANCE TO THE CUSTOMER. www. xiaoyu163. com QQ 376315150 9 9 2 8 9 4 2 9 8 TEL 13942296513 9 9 2 8 9 4 2 9 8 0 5 1 5 1 3 6 7 3 Q Q TEL 13942296513 QQ 376315150 892498299 TEL 13942296513 QQ 376315150 892498299 http://www.xiaoyu163.com DV-S757 SPECIFICATIONS Specifications and features are subject to change without notice. Power supply AC 100-240 V, 50/60 Hz Power consumption 15 W Weight 3.4 kg, 7.5 lbs. External dimensions (W/H/D), 17-1/8" 3-9/16" 12-5/16" Signal system Regional restriction code Some Asian area: 3 South American area: 4 Chinese area: 6 Laser Semiconductor laser, wavelength 650 nm Frequency range (digital audio) DVD linear sound: 48 kHz sampling 4 Hz to 22 kHz 96 kHz sampling 4 Hz to 44 kHz Audio CD: 4 Hz to 20 kHz Signal-to-noise ratio (digital audio) More than 100 dB Audio dynamic range (digital audio) More than 96 dB Harmonic distortion (digital audio) Less than 0.015 % Wow and flutter Below measurable level (less than ±0.001 % (W.PEAK) Operating conditions Temperature: 5 C to 35 C (41 F to 95 F), Operation status: Horizontal Outputs Video output 1.0 V (p-p), 75 , negative sync., pin jack 2 S-video output (Y) 1.0 V (p-p), 75 , negative sync., Mini DIN 4-pin 2 (C) 0.286 V (p-p), 75 Component video output (Y) 1.0 V (p-p), 75 , negative sync., pin jack 1 (PB)/(PR)0.7 V (p-p), 75 Audio output (digital output Optical) Optical connecter 2 Audio output (digital output Coaxial) 75 , pin jack 1 Audio output (analog audio) (rms), 470 , pin jack (L, R) 2 Audio output (5.1 channel analog audio) 2.0 V (rms), 470 , pin jack (FRONT L, FRONT R, CENTER, SURR L, SURR R, SUB WOOFER) 1 PAL/AUTO 435 91 312 mm 0.5 V(p-p), 2.0 V DVD Player www. xiaoyu163. com QQ 376315150 9 9 2 8 9 4 2 9 8 TEL 13942296513 9 9 2 8 9 4 2 9 8 0 5 1 5 1 3 6 7 3 Q Q TEL 13942296513 QQ 376315150 892498299 TEL 13942296513 QQ 376315150 892498299 http://www.xiaoyu163.com DV-S757 SERVICE PROCEDURES-1 PROTECTION OF EYES FROM LASER BEAM DURING SERVICING This set employs a laser. Therefore, be sure to follow carefully the instructions below when servicing. WARNING!! SERVICE WARNING : DO NOT APPROACH THE LASER EXIT WITH THE EYE TOO CLOSELY. IN CASE IT IS NECESSARY TO CONFIRM LASER BEAM EMISSION, BE SURE TO OBSERVE FROM A DISTANCE OF MORE THAN 30cm FROM THE SURFACE OF THE OBJECTIVE LENS ON THE OPTICAL PICKUP BLOCK. Laser Diode Properties 780 nm 0.14 mW LASER WARNING Wavelength: Laser output: 650 nm 0.43 mW Wavelength: Laser output: CD DVD WARNING: TO REDUCE THE RISK OF FIRE OR ELECTRIC SHOCK, DO NOT EXPOSE THIS APPLIANCE TO RAIN OR MOISTURE. CAUTION: TO REDUCE THE RISK OF ELECTRIC SHOCK, DO NOT REMOVE COVER (OR BACK). NO USER-SERVICEABLE PARTS INSIDE. REFER SERVICING TO QUALIFIED SERVICE PERSONNEL. The lightning flash with arrowhead symbol, within an equilateral triangle, is intended to alert the user to the presence of uninsulated "dangerous voltage" within the product's enclosure that may be of sufficient magnitude to constitute a risk of electric shock to persons. The exclamation point within an equilateral triangle is intended to alert the user to the presence of important operating and maintenance (servicing) instructions in the literature accompanying the appliance. WARNING RISK OF ELECTRIC SHOCK DO NOT OPEN RISQUE DE CHOC ELECTRIQUE NE PAS OUVRIR AVIS WARNING This unit contains a semiconductor laser system and is classified as a "CLASS 1 LASER PRODUCT". So, to use this model properly, read this Instruction Manual carefully. In case of any trouble, please contact the store where you purchased the unit. To prevent being exposed to the laser beam, do not try to open the enclosure. VISIBLE LASER RADIATION WHEN OPEN AND INTERLOCK FAILED OR DEFEATED. DO NOT STARE INTO BEAM. THIS PRODUCT UTILIZES A LASER. USE OF CONTROLS OR ADJUSTMENTS OR PERFORMANCE OF PROCEDURES OTHER THAN THOSE SPECIFIED HEREIN MAY RESULT IN HAZARDOUS RADIATION EXPOSURE. The label on the right is applied on the rear panel except for USA and Canadian models. 1. This unit is a CLASS 1 LASER PRODUCT and employs a laser inside the cabinet. 2. To prevent the laser from being exposed, do not remove the cover. Refer servicing to qualified personnel. "CLASS 1 LASER PRODUCT" CAUTION: CAUTION: SERVICE PROCEDURE 1. Replacing the fuses REF. NO. PART NO. DESCRIPTION This symbol located near the fuse indicates that the fuse used is show operating type, For continued protection against fire hazard, replace with same type fuse , For fuse rating, refer to the marking adjest to the symbol. Ce symbole indique que le fusible utilise est e lent. Pour une protection permanente, n'utiliser que des fusibles de meme type. Ce demier est indique la qu le present symbol est apposre. F1 252073 or 1.6A-SE-EAK IECFUSE 252273 1.6A-SE-TL250V 2. Safety-check out (Only U.S.A. model) After correcting the original service problem perform the following safety check before releasing the set to the customer Connect the insulating-resistance tester between the plug of power supply cord and terminal GND on the back panel. Specifications: More than 10M ohm at 500V LASER BEAM CAUTION LABEL www. xiaoyu163. com QQ 376315150 9 9 2 8 9 4 2 9 8 TEL 13942296513 9 9 2 8 9 4 2 9 8 0 5 1 5 1 3 6 7 3 Q Q TEL 13942296513 QQ 376315150 892498299 TEL 13942296513 QQ 376315150 892498299 http://www.xiaoyu163.com DV-S757 PANEL VIEW-1 1. POWER switch and STANDBY indicator Turns on the main power supply for the DV-S757. The DV-S757 enters standby state and the STANDBY indicator lights up. Pressing the switch again to the off position ( OFF) shuts down the main power supply into the DV-S757. Before turning on the power, make sure all cables are properly connected. 2. STANDBY/ON button When STANDBY/ON button is pressed to ON while the POWER switch is set to ON, the DV-S757 turns on and the STANDBY indicator turns off. The indicator around button light up. Pressing the button again returns the DV-S757 to the standby state. This state turns off the display, disables control functions. 3. VIDEO CIRCUIT OFF button and indicator Press to switch the video signal off. 4. LAST MEMORY button You can resume DVD or Video CD playback from the point you last watched even if the disc is removed from the player. Press LAST MEMORY during playback to set a Last Memory point. When you want to resume playback of that disc, press LAST MEMORY in the stop mode and playback starts from the memorized point. Last Memory locations can be stored for up to 5 DVDs and 1 Video CD. 5. CLEAR button Works in conjunction with a number of player functions. Use to cancel repeat and random playback, and to edit programs. 7. Disc tray When loading a disc, place discs in the disc tray with the label side facing up. 8. TOP MENU button Press to call up the top menu programmed on the DVD. Depending on the DVD, the top menu may be identical to the DVD menu. 9. Cursor ( ) button/ENTER button Use to move through the options on menu screens and to change settings. Use ENTER to implement settings selected with the cursor buttons or to set items highlighted in a menu. 10. MENU button Use to display or close the DVD menu or MP3 Navigator screen. 11. button Press to open and close the disc tray. 12. PAUSE button Press during playback to pause. Press again to resume playback. 13. STOP button Press to stop playback. Pressing once enables playback to resume from a point shortly before the location where it stopped. Pressing twice causes the disc to return to the beginning of the disc if playback starts again. Whenever a disc is loaded in the player, indicator above STOP lights up. 14. PLAY button Press to start or resume playback. Whenever a disc is loaded in the player, indicator above PLAY lights up. 15. DIMMER button Toggle to control the lightness of the display (3 steps). 16. REPEAT button Use to set the repeat mode. 17. RANDOM button Press to play chapters/tracks in random order. 18. Remote control sensor Point the remote control toward the remote sensor to operate the player. 19. RETURN button Use to go one menu back (current settings are maintained). Use RETURN when you do not want to change the option setting in a menu. 20. SETUP button Press when the player is in either play or stop mode to open and close the Setup screen. 21. DISPLAY button Press during playback to display statistical disc information. Press repeatedly to display different information. 22. button Press to go back or advance to previous chapters/tracks. Press and hold to perform fast-reverse/fast-forward playback scanning. 23. PHONES jack This is a standard stereo jack for connecting stereo headphones The audio for the ANALOG OUTPUT CH 1 and CH 2 are sent to the headphone speakers. 24. PHONES LEVEL dial Use to control the phones level. Turn the dial clockwise to increase the phones level and counterclockwise to decrease it. 1 2 3 4 5 6 7 8 9 10 11 12 13 14 15 16 17 18 19 20 21 22 23 24 FRONT PANEL www. xiaoyu163. com QQ 376315150 9 9 2 8 9 4 2 9 8 TEL 13942296513 9 9 2 8 9 4 2 9 8 0 5 1 5 1 3 6 7 3 Q Q TEL 13942296513 QQ 376315150 892498299 TEL 13942296513 QQ 376315150 892498299 http://www.xiaoyu163.com DV-S757 TITLE GROUP CHAPTER TRACK REMAIN LAST COND. D.MIX DTS REPEAT DVD- AUDIOVC D D GUI R LFE C L RS LS AC INLET Y P B P R COMPONENT VIDEO S VIDEO OPTICAL COAXIAL REMOTE CONTROL DIGITAL OUTPUT CH 1 CH 2 FRONT SURR CENTER SUB WOOFER VIDEO OUTPUT ANALOG OUTPUT L R MODEL NO. DV-S757 DVD AUDIO / VODEO PLAYER PANEL VIEW-2 REAR PANEL DISPLAY 1. / indicator 2. Inserted disc indicator 3. TITLE/GROUP indicator 4. Angle icon indicator 5. CHAPTER/TRACK indicator 6. REPEAT indicator 7. REMAIN indicator 1. VIDEO OUT COMPONENT jacks If your TV or monitor has component video inputs, you can produce a higher quality picture on your TV or monitor by connecting to the component video outputs on this unit. 2. VIDEO OUTPUT S VIDEO jack If your TV or monitor has an S-video input, clear picture reproduction is possible by connecting the player to your TV or monitor via the S-Video jack. You can switch between [S1] and [S2] S-video output from the Setup menu. 3. VIDEO OUTPUT VIDEO jack Connect to the video input on a TV or monitor or AV amplifier or receiver with video input capability. 4. ANALOG OUTPUT CH 1/CH 2 jacks Use to output two-channel audio (analog) to the audio stereo inputs on a TV or stereo amplifier. 5. ANALOG OUTPUT FRONT/SURR/CENTER/ SUBWOOFER jacks Use to output 5.1 channel audio (analog) to the 5.1 channel discrete inputs on an amplifier. If you are connecting to a receiver that has both digital and analog input jacks for DVD player connection, it may be beneficial to make both connections. 8. L, C, R, LS, RS, LFE and D.MIX indicator 9. LAST indicator 10. COND. indicator 11. D indicator 12. DTS indicator 13. GUI indicator 14. Multifunctional indicator (e.g. operating status and error messages) 1 2 3 4 5 6 7 8 9 10 11 12 13 14 6. DIGITAL OUTPUT OPTICAL jack Use to output the digital audio signal recorded on discs. You can output the digital signal via the optical output jack to an AV amplifier or receiver. 7. DIGITAL OUTPUT COAXIAL jack Use to output the digital audio signal recorded on discs. You can output the digital signal via the coaxial output jack to an AV amplifier or receiver. 8. RI jack Use to connect this player to another component bearing the . mark. This lets you control this unit as though it were a component in a system. 9.AC INLET Use to connect the power cord to the wall outlet. 1 2 3 4 5 6 7 8 9 www. xiaoyu163. com QQ 376315150 9 9 2 8 9 4 2 9 8 TEL 13942296513 9 9 2 8 9 4 2 9 8 0 5 1 5 1 3 6 7 3 Q Q TEL 13942296513 QQ 376315150 892498299 TEL 13942296513 QQ 376315150 892498299 http://www.xiaoyu163.com DV-S757 DV-S757 DVD 47 49 49 49 15 15 43 42 54 U3 To DVD Mechanism Z11 Z12 Z13 7 7 U9 41 53 59 21 23 7 7 U10 1 3 3 7 E903 61 7 5 5 59 7 11 9 19 22 7 U1 E701 7 7 27 37 34 45 E705 F1 S731 Z10 U2 U8 U4 U11 7 36 33 U5 13 7 22 35 59 16 45 28 29 E250 EXPLODED VIEW www . x ia o y u 1 6 3 . c o m QQ 3 7 6 3 1 5 1 5 0 9 9 2 8 9 4 2 9 8 TE L 1 3 9 4 2 2 9 6 5 1 3 9 9 2 8 9 4 2 9 8 0 5 1 5 1 3 6 7 3 Q Q TEL 13942296513 QQ 376315150 892498299 TEL 13942296513 QQ 376315150 892498299 http://www.xiaoyu163.com DV-S757 DV-S757 EXPLODED VIEW PARTS LIST-1 NOTE: THE COMPONENTS IDENTIFIED BY MARK ARE CRITICAL FOR RISK OF FIRE AND ELECTRIC SHOCK. REPLACE ONLY WITH PART NUMBER SPECIFIED. NOTE: :European arer(Regional restriction code-2) :Some Asian arer(Regional restriction code-3) :South American arer(Regional restriction code-4) :Chinese arer(Regional restriction code-6) :Black color model only :Golden color model only :Silver color model only REF.NO. PART NO. DESCRIPTION 1 27100399A Chassis 3 27175316B Leg 5 28141332 Cushion 7 838130088 3TTB+8B, Self tapping screw 9 27190428A KGLS-10RF, Holder 11 27191112 KGPS-6RF, Holder 13 27190693 KGLS-6R, Holder 15 838130208 3TTB+20B, Self tapping screw 16 29362584 ! Label DVD 19 28325497A Knob, power 28325499A Knob, power 28325547A Knob power 21 27111243 Front bracket 27111244 Front bracket 27111245 Front bracket 23 28191926 Clear plate 28191927 Clear plate 27 82143010 3P+10FN(BC), Pan head screw 28 838126068 2.6TTB+6B, Self tapping screw 29 838426088 2.6TTB+8B(BC), Self tapping screw 33 28198935 Facet, PLAY 34 27268041 Guide, CRS 35 28325953 Knob B, OPEN AS 28325954 Knob S, OPEN AS 28325955 Knob G, OPEN AS 36 28325452 Knob, MIC 28325495 Knob, MIC 28325515 Knob, MIC 37 28325933 Knob, CRS 28325934 Knob, CRS 28325935 Knob, CRS 41 27212342A Front panel 27212343A Front panel 27212344A Front panel 42 28148488 Door 28148489 Door 28148490 Door 43 28148491 Door, MOULD 28148492 Door, MOULD 28148493 Door, MOULD 45 28198906 Facet, S 47 28184779A Top cover 28184780A Top cover 28184808 Top cover 49 838430088 3TTB+8B(BC), Self tapping screw 838930088 3TTB+8B(UN), Self tapping screw 53 28135244 Badge 28135245 Badge 28135245 Badge 54 28135284 Badge, DVD-AUDIO 28135285 Badge, DVD-AUDIO REF.NO. PART NO. DESCRIPTION 59 838430088 3TTB+8B(BC), Self tapping screw www . x ia o y u 1 6 3 . c o m QQ 3 7 6 3 1 5 1 5 0 9 9 2 8 9 4 2 9 8 TE L 1 3 9 4 2 2 9 6 5 1 3 9 9 2 8 9 4 2 9 8 0 5 1 5 1 3 6 7 3 Q Q TEL 13942296513 QQ 376315150 892498299 TEL 13942296513 QQ 376315150 892498299 http://www.xiaoyu163.com DV-S757 DV-S757 EXPLODED VIEW PARTS LIST-2 NOTE: THE COMPONENTS IDENTIFIED BY MARK ARE CRITICAL FOR RISK OF FIRE AND ELECTRIC SHOCK. REPLACE ONLY WITH PART NUMBER SPECIFIED. NOTE: :European arer(Regional restriction code-2) :Some Asian arer(Regional restriction code-3) :South American arer(Regional restriction code-4) :Chinese arer(Regional restriction code-6) :Black color model only :Golden color model only :Silver color model only Z10 24150022 DB-VPB302, Main PC board ass'y Z11 24801010 DB-VLD301-006, DVD mechanism ass'y Z12 24840149A DB-VAC301, adapter(L) Z13 24840150A DB-VAC302, adapter(R) U1 1H465515-1B NADIS-7215-1B, Display PC board ass'y 1H465515-1C NADIS-7215-1C, Display PC board ass'y 1H465515-1D NADIS-7215-1D, Display PC board ass'y 1H465515-1E NADIS-7215-1E, Display PC board ass'y U2 1H465516-1B NADIS-7216-1B, Control switch PC board ass'y 1H465516-1C NADIS-7216-1C, Control switch PC board ass'y 1H465516-1D NADIS-7216-1D, Control switch PC board ass'y 1H465516-1E NADIS-7216-1E, Control switch PC board ass'y U3 1H465517-1B NAVD-7217-1B, AV connector PC board ass'y U4 1H465518-1C NASW-7218-1C, Power switch PC board ass'y 1H465518-1D NASW-7218-1D, Power switch PC board ass'y 1H465518-1E NASW-7218-1E, Power switch PC board ass'y U5 1H465519-1B NAPS-7219-1B, AC inlet PC board ass'y U8 1H465515-1B NAETC-7222-1B, Holder PC board ass'y U9 1H465524-1B NAAR-7224-1B, Output terminal PC board ass'y 1H465524-1C NAAR-7224-1C, Output terminal PC board ass'y U10 1H465525-1B NAETC-7225-1B, Phones jack PC board ass'y 1H465525-1C NAETC-7225-1C, Phones jack PC board ass'y U11 24150021A NGPS-0021-100V-240V, Power supply unit 61 27122897B Rear panel 27122898B Rear panel 27122899B Rear panel 27122900B Rear panel E250 2047201512 NCFC7-201512, Flexible flat cable E701 2045222012 NCFC5-222012, Flexible flat cable E705 2009990702UL NSAS-10P0978 E903 260208 Binder, UL F1 252073 or 1.6A-SE-EAK IECFUSE 252273 1.6A-SE-TL250V S731 25035710 NPS-115-S673, Cursor switch ass'y REF.NO. PART NO. DESCRIPTION REF.NO. PART NO. DESCRIPTION www . x ia o y u 1 6 3 . c o m QQ 3 7 6 3 1 5 1 5 0 9 9 2 8 9 4 2 9 8 TE L 1 3 9 4 2 2 9 6 5 1 3 9 9 2 8 9 4 2 9 8 0 5 1 5 1 3 6 7 3 Q Q TEL 13942296513 QQ 376315150 892498299 TEL 13942296513 QQ 376315150 892498299 http://www.xiaoyu163.com DV-S757 A A To DVDM CN151 2 8 8 8 12 23 13 17 16 15 14 20 18 19 9 1 11 10 6 8 Lubricating Oil GYA1001 EXPLODED VIEWS OF MECHANISM DVD MECHANISM : DB-VLD301-006 PARTS LIST REF.NO PART NO. DESCRIPTION REF.NO. PART NO. DESCRIPTION 12 VNL1918 Float base DVD 1 VNP1836 Loading PC board assy 13 VNL1919 Drive cam 2 VXX2782 Traverse mechanism assy 14 VNL1921 Gear pulley 6 VDA1864 Flexible cable 26P 15 VNL1922 Loading gear 8 VEB1327 Float rubber 16 VNL1923 Drive gear 9 VEB1328 Belt 17 VNL1925 SW lever 10 VNE2253 Stabilizer 18 VNE2251 Clamper plate 11 VNL1917 Loading base 19 VNE2252 20 VNL1924 Clamper 23 VNL1920 Bridge Tray www. xiaoyu163. com QQ 376315150 9 9 2 8 9 4 2 9 8 TEL 13942296513 9 9 2 8 9 4 2 9 8 0 5 1 5 1 3 6 7 3 Q Q TEL 13942296513 QQ 376315150 892498299 TEL 13942296513 QQ 376315150 892498299 http://www.xiaoyu163.com A 1 2 3 4 5 B C D DV-S757 3 4 5 3 4 5 Spindle Motor OEIC 11 20 21 15 16 25 24 23 26 11 20 21 15 16 25 24 23 26 RF B1 B2 B3 B4 T RTN T DRV Carriage Motor Loading Motor S101 Loading Position Switch LOAD- LOD POS LOD POS LOAD+ V+3D SW2 SW1(GNDS) T DRV 1 2 1 2 F RTN PICKUP ASSY IC101 LA9701M RF IC CN101 (24P) CN105 CN103 CN104 CN501 (40P) CN601 (40P) 1 2 CN601 CN602 (24P) (12P) LOAB ASSY M M IC351 M56788AFP FTS DRIVER IC251 BA6664FM SPDL DRIVER IC201 LC78652W SERVO DSP IC701 PE5220A DVD DECODER BY CHIP (SCRUT) IC8 M6577 MPE DECO AV IC702 GM71VS65803CLT-5 64M DRAM IC601 PD6345A SYSTEM CONTROL CPU IC603 VYW1835 8M FLASH MEMORY 3 RF 54 170 111 107 RFO AIN ROMXA 46 DSP RF 56 BH 57 PH 42 FE 35 4 57-60 63-66 149,150, 152-155, 158,159 48 TE 6 B1 7 B2 8 B3 9 B4 FDO 3 TDO 20 47 48 46 14 32 33 30 31 39 3 SPDO 21 112 33M BD0-BD7 CDDATA 16M 44´48 3.3V to 5V CONVERTER 5V to 3.3V CONVERTER IC802 HY57V161610DTC-8 16M SDRAM 57 Q102AD VID ENC 1-8 16M PD0-PD7 PD0-PD7 12 13 9 10 15 14 34,35 1,2 3,4 4-9 31,32 9-14 16-23 16-23 1-10 1-10 105 Z10 -27V -27V AC IN P901 (14P) P701A (22P) P701B (22P) CN2 (14P) EV+5V -27V EV+5V F1 14 10 8 6 4 2 1 2 EV+5V +6V +12V +5V +3.3V Q701 MPD780232GC MICRO PROCESSOR (FL DRIVER) Q702 FL TUBE V+12V V+6M V+6M V+3D V+5V V+3V OPERATION SWITCH CN401 (2/2) (30P) CN302 (2/2) JL771A (5P) JL771B (5P) SW+5 V3VD 5,7 8,10 2 V12M V+12D V+12M V+5D V+5V V+5S 9 5,7 8,10 2 22 POWER SUPPLY UNIT 14 10 8 6 4 2 Q705 REMOTE SENSOR OPERATION SWITCH PC BOARD NADIS-7216 U2 S731 CURSOR SWITCH P731 U11 U1 DISPLAY PC BOARD NAAR-7224 1 13 9 5 3 SCK SI SO XRADY LT 1 13 9 5 3 SCK SI SO P ON LT 12 RI SYS IN /OUT 12 P301 RI REMOTE CONTROL (RF) -27V EV+5V INDICATOR OPERATION SWITCH BLOCK DIAGRAMS-1 OVERALL MAIN BOARD ASSY (VD) (RF) (RF) (RF) www. xiaoyu163. com QQ 376315150 9 9 2 8 9 4 2 9 8 TEL 13942296513 9 9 2 8 9 4 2 9 8 0 5 1 5 1 3 6 7 3 Q Q TEL 13942296513 QQ 376315150 892498299 TEL 13942296513 QQ 376315150 892498299 http://www.xiaoyu163.com E F G H DV-S757 25 DOUT CN302(1/2) (40P) CN401(1/2) (40P) P302 COAXIAL OPTICAL DIGITAL OUT C801 774BFP PEG2 ODER V-1 IC901 XCA56367PV150 DVD AUDIO DSP 95-98, 100-103 27M DOUT0 36/16M 2 4 27MDSP AD-V 44´48 IC491 TC74VHC153FT IC905 TC7WH157FU IC913 TC7SH04FU IC906 TC74VHC157FT IC908 TC74VHC157FT IC904 LC89051V IC902 IC61LV6416-12T IC903 IC63LV1024-12T IC481 BU2288FV CLOCK GENERATOR DV7190KST IDEO CODER 45 3 14 27M (For IC801,IC913) (For IC201,IC701) (For IC701) (For IC801) 13 16M 9 36/16M 10 22/24M 22/24M 15 33M 74 25 18 36 64 55 Q302 4 1 23 DOUT1 73 3 7 31 33 2 3 2 3 4 4 AO0 SDI1 SDO0 SDO1 SDO2 71 1 AO1 PD0-PD7 -PD7 68 2 5 V V P801 C Y Y C AMP AMP AMP IQ816 LA7106MFP VIDEO AMP 3 6 10 13 15 11 5 6 7 10 11 6 5 4 10 16 28 55 9 18 DACCLK DACCLK 36 DATA0 31 DATA1 33 DATA2 Q601 CS4392-KS Q504 NJM4565M-D Q604 NJM4565M-D 1 3 19 18 7 15 14 Q801 TK15420M (1/2) 2 4 22/24M IC401 TC7SH04FU AD-C 41 AD-YS 44 AD-CB/B 40 AD-CR/R 37 AD-YD 36 Q501 CS4392-KS Q503 NJM4565-M-D Q504 NJM4565M-D 2 3 3 19 18 5 6 15 14 Q401 CS4392-KS Q403 NJM4565M-D Q404 NJM4565M-D 3 19 18 15 14 P401 P402 CH-1 CH-2 L R L R L R L R FRONT SURROUND CENTER SUB WOOFER U9 OUTPUT TERMINAL PC BOARD NAAR-7224 VIDEO S VIDEO AMP AMP AMP Q817 LA7106MFP VIDEO AMP 3 6 10 13 15 11 Y(GRN) PB(BLU) PR(RED) P802 L OUT R OUT V/Y OUT R/C OUT G OUT B OUT Audio 3 16 18 7 5 3 13 9 11 5 3 4 V Y C R G B AUDIO_L 1 19 15 11 7 AUDIO_R P250B (20P) (21P) 1 2 15 Q251 TC4053BF (R) (C) (Y) (V) (R/C) (V/Y) (G) (B) (G) (B) AV CONNECTOR PC BOARD NAVD-7217 Q251 TC4053BF P251 AV CONNECTOR U3 16 18 7 5 3 13 9 11 P250A MUP Type only 4 6 4 6 Q471 NJM4650D-D PHONES P472 PHONES JACK PC BOARD NAETC-7225 U10 Q801 TK15420M (2/2) Q805 TK15420M (1/2) Q805 TK15420M (2/2) Q809 TK15420M (2/2) 1 2 3 4 P351 FOR UPGRADE FIRMWARE TXD RXD DTR CTS (R) (G) (B) (C) (Y) (C) (Y) (V) (V) (R) (C) (Y) (V) (G) (B) (D) (D) (D) (D) (AD) (AD) (AD) : C SIGNAL ROUTE (C) : G SIGNAL ROUTE : B SIGNAL ROUTE : R SIGNAL ROUTE (R) (G) (B) : VIDEO DATA SIGNAL ROUTE : VIDEO SIGNAL ROUTE (VD) : Y SIGNAL ROUTE (Y) : V SIGNAL ROUTE (V) : AUDIO DATA SIGNAL ROUTE : AUDIO SIGNAL ROUTE (AD) : AUDIO (DIGITAL) SIGNAL ROUTE (D) : RF SIGNAL ROUTE (RF) (D) (AD) (AD) (AD) (D) (VD) www. xiaoyu163. com QQ 376315150 9 9 2 8 9 4 2 9 8 TEL 13942296513 9 9 2 8 9 4 2 9 8 0 5 1 5 1 3 6 7 3 Q Q TEL 13942296513 QQ 376315150 892498299 TEL 13942296513 QQ 376315150 892498299 http://www.xiaoyu163.com A 1 2 3 4 5 B C D DV-S757 LOAB ASSY PICKUP ASSY LOADING MOTOR ASSY : VXX2505 SPINDLE MOTOR STEPPING MOTOR (CARRIAGE) S101 : VSK1011 CN601 S5B-PH-K CN602 S2B-PH-K MAIN BOARD (F) (F) (F) (T) (T) (F) (F) (F) (F) (T) (T) (F) (F) (T) (T) (F) (F) (T) (T) (F) (F) (S) (S) (S) (S) (T) (T) (F) (RF) (RF) (RF) (RF) CN105 CN101 CN103 CN104 : RF SIGNAL ROUTE : FOCUS SERVO LOOP LINE : TRACKING SERVO LOOP LINE (F) (RF) (T) : SLIDER SERVO LOOP LINE (S) : RF SIGNAL ROUTE : FOCUS SERVO LOOP LINE : TRACKING SERVO LOOP LINE (F) (RF) (T) : SLIDER SERVO LOOP LINE (S) Z10 BLOCK DIAGRAMS-2 MECHANISM SECTION www. xiaoyu163. com QQ 376315150 9 9 2 8 9 4 2 9 8 TEL 13942296513 9 9 2 8 9 4 2 9 8 0 5 1 5 1 3 6 7 3 Q Q TEL 13942296513 QQ 376315150 892498299 TEL 13942296513 QQ 376315150 892498299 http://www.xiaoyu163.com A 1 2 3 4 5 B C D E F G H DV-S757 3 4 5 3 4 5 Spindle Motor OEIC 11 20 21 15 16 25 24 23 26 11 20 21 15 16 25 24 23 26 RF B1 B2 B3 B4 T RTN T DRV Carriage Motor Loading Motor S101 Loading Position Switch LOAD- LOD POS LOD POS LOAD+ V+3D SW2 SW1(GNDS) T DRV 1 2 1 2 F RTN PICKUP ASSY IC101 LA9701M RF IC CN101 (24P) 25 DOUT CN302(1/2) (40P) CN105 CN103 CN104 CN501 (40P) CN601 (40P) CN401(1/2) (40P) P302 COAXIAL OPTICAL DIGITAL OUT 1 2 CN601 CN602 (24P) (12P) LOAB ASSY M M IC351 M56788AFP FTS DRIVER IC251 BA6664FM SPDL DRIVER IC201 LC78652W SERVO DSP IC701 PE5220A DVD DECODER BY CHIP (SCRUT) IC801 M65774BFP MPEG2 DECODER AV-1 IC901 XCA56367PV150 DVD AUDIO DSP IC702 GM71VS65803CLT-5 64M DRAM IC601 PD6345A SYSTEM CONTROL CPU IC603 VYW1835 8M FLASH MEMORY 3 RF 54 170 111 107 RFO AIN ROMXA 46 DSP RF 56 BH 57 PH 42 FE 35 4 57-60 63-66 149,150, 152-155, 158,159 95-98, 100-103 48 TE 6 B1 7 B2 8 B3 9 B4 FDO 3 TDO 20 47 48 46 14 32 33 30 31 39 3 SPDO 21 27M DOUT0 36/16M 2 4 27MDSP 112 33M BD0-BD7 CDDATA AD-V 16M 44´48 44´48 3.3V to 5V CONVERTER 5V to 3.3V CONVERTER IC491 TC74VHC153FT IC905 TC7WH157FU IC913 TC7SH04FU IC906 TC74VHC157FT IC908 TC74VHC157FT IC904 LC89051V IC802 HY57V161610DTC-8 16M SDRAM IC902 IC61LV6416-12T IC903 IC63LV1024-12T IC481 BU2288FV CLOCK GENERATOR 57 Q102ADV7190KST VIDEO ENCODER 45 1-8 3 14 27M (For IC801,IC913) (For IC201,IC701) (For IC701) (For IC801) 13 16M 16M 9 36/16M 10 22/24M 22/24M 15 33M 74 25 18 36 64 55 Q302 4 1 23 DOUT1 73 3 7 31 33 2 3 2 3 4 4 AO0 SDI1 SDO0 SDO1 SDO2 71 1 AO1 PD0-PD7 PD0-PD7 PD0-PD7 68 2 5 V V P801 C Y Y C AMP AMP AMP IQ816 LA7106MFP VIDEO AMP 3 6 10 13 15 11 12 13 9 10 15 14 34,35 1,2 3,4 4-9 31,32 9-14 5 6 7 10 11 6 5 4 10 16 28 55 9 18 DACCLK DACCLK 36 DATA0 31 DATA1 33 DATA2 Q601 CS4392-KS Q504 NJM4565M-D Q604 NJM4565M-D 1 3 19 18 7 15 14 Q801 TK15420M (1/2) 2 4 22/24M IC401 TC7SH04FU AD-C 41 AD-YS 44 AD-CB/B 40 AD-CR/R 37 AD-YD 36 16-23 16-23 1-10 1-10 105 Z10 Q501 CS4392-KS Q503 NJM4565-M-D Q504 NJM4565M-D 2 3 3 19 18 5 6 15 14 Q401 CS4392-KS Q403 NJM4565M-D Q404 NJM4565M-D 3 19 18 15 14 P401 P402 CH-1 CH-2 L R L R L R L R FRONT SURROUND CENTER SUB WOOFER U9 OUTPUT TERMINAL PC BOARD NAAR-7224 VIDEO S VIDEO AMP AMP AMP Q817 LA7106MFP VIDEO AMP 3 6 10 13 15 11 Y(GRN) PB(BLU) PR(RED) P802 L OUT R OUT V/Y OUT R/C OUT G OUT B OUT Audio 3 16 18 7 5 3 13 9 11 5 3 4 V Y C R G B AUDIO_L 1 19 15 11 7 AUDIO_R P250B (20P) (21P) 1 2 15 Q251 TC4053BF (R) (C) (Y) (V) (R/C) (V/Y) (G) (B) (G) (B) AV CONNECTOR PC BOARD NAVD-7217 Q251 TC4053BF P251 AV CONNECTOR U3 16 18 7 5 3 13 9 11 P250A MUP Type only -27V -27V AC IN P901 (14P) P701A (22P) P701B (22P) CN2 (14P) EV+5V -27V EV+5V F1 14 10 8 6 4 2 1 2 EV+5V +6V +12V +5V +3.3V Q701 MPD780232GC MICRO PROCESSOR (FL DRIVER) Q702 FL TUBE V+12V V+6M V+6M V+3D V+5V V+3V OPERATION SWITCH CN401 (2/2) (30P) CN302 (2/2) JL771A (5P) JL771B (5P) SW+5 V3VD 5,7 8,10 2 V12M V+12D V+12M V+5D V+5V V+5S 9 5,7 8,10 2 22 POWER SUPPLY UNIT 14 10 8 6 4 2 Q705 REMOTE SENSOR OPERATION SWITCH PC BOARD NADIS-7216 U2 S731 CURSOR SWITCH P731 4 6 4 6 Q471 NJM4650D-D PHONES P472 PHONES JACK PC BOARD NAETC-7225 U10 Q801 TK15420M (2/2) Q805 TK15420M (1/2) Q805 TK15420M (2/2) Q809 TK15420M (2/2) U11 U1 DISPLAY PC BOARD NAAR-7224 1 2 3 4 P351 FOR UPGRADE FIRMWARE TXD RXD DTR CTS 1 13 9 5 3 SCK SI SO XRADY LT 1 13 9 5 3 SCK SI SO P ON LT 12 RI SYS IN /OUT 12 P301 RI REMOTE CONTROL (R) (G) (B) (C) (Y) (C) (Y) (V) (V) (RF) -27V EV+5V INDICATOR OPERATION SWITCH (R) (C) (Y) (V) (G) (B) BLOCK DIAGRAMS-1 OVERALL MAIN BOARD ASSY (D) (D) (D) (D) (AD) (AD) (AD) : C SIGNAL ROUTE (C) : G SIGNAL ROUTE : B SIGNAL ROUTE : R SIGNAL ROUTE (R) (G) (B) : VIDEO DATA SIGNAL ROUTE : VIDEO SIGNAL ROUTE (VD) : Y SIGNAL ROUTE (Y) : V SIGNAL ROUTE (V) : AUDIO DATA SIGNAL ROUTE : AUDIO SIGNAL ROUTE (AD) : AUDIO (DIGITAL) SIGNAL ROUTE (D) : RF SIGNAL ROUTE (RF) (D) (AD) (AD) (AD) (D) (VD) (VD) (RF) (RF) (RF) w w w . x i a o y u 1 6 3 . c o m Q Q 3 7 6 3 1 5 1 5 0 9 9 2 8 9 4 2 9 8 T E L 1 3 9 4 2 2 9 6 5 1 3 9 9 2 8 9 4 2 9 8 0 5 1 5 1 3 6 7 3 Q Q TEL 13942296513 QQ 376315150 892498299 TEL 13942296513 QQ 376315150 892498299 http://www.xiaoyu163.com A 1 2 3 4 5 B C D DV-S757 P701B FLAC1 19 FLAC2 20 NC 21 SRESET 22 R785 P710A D702 UDZS5.6B D701 1SS352 Q704 RN2403 Q705 PIC-37043TH2 REMOTE SENSOR Q712 BD4742G G I O X701 5.00MHZ C703 22/50 C704 100/6.3 C701 100/6.3 C706 223Z C702 104Z S709 PAUSE S710 STOP PLAY S712 CLEAR S713 RANDOM REPEAT S701 T.MENU S702 MENU SETUP R060 0 R057 0 R058 0 R731 100 R055 0 R722 0 R054 0 R702 0 R053 0 R714 4.7K R056 0 R740 390 R052 0 R790 10K R051 0 R715 47K R759 0 R713 0 R712 0 R711 0 R710 0 R709 0 R789 10K R788 10K R708 0 R730 100 R732 100 R760 470 R728 470 R729 470 R727 NC R726 0 R724 0 R725 NC R723 NC R786 NC R787 NC *R721 *R720 R782 10K R753 NC R752 NC R755 NC R701 1M R703 0 R704 0 R705 0 R706 0 R707 0 R717 2.7K R718 2.7K R719 2.7K R716 220K R747 390 R748 470 R733 390 R734 470 R741 470 Q708 RN1407 Q707 RN1407 Q706 RN1407 Q711 RN1407 Q710 RN1407 Q709 RN1407 D705 PLAY_LED D704 STOP_LED D703 OPEN_LED D708 48_LED D707 192_LED D706 96_LED Q701 MPD780232GC-047-8BT +5V 24 10G 71 11G 70 12G 69 13G 68 14G 67 192LED 41 1G 80 2G 79 3G 78 48LED 48 4G 77 5G 76 6G 75 7G 74 8G 73 96LED 42 9G 72 FL_ON/OFF 35 GND1 5 GND2 18 INIT1 19 IRIN 15 K0 22 K1 21 K2 20 LEDO 46 LT1 16 MSO_0 38 MSO_1 37 MSO_2 36 NC1 13 NC2 14 OPCLED 45 P1 66 P10 55 P11 54 P12 53 P13 52 P14 51 P15 50 P2 65 P3 64 P4 63 P5 62 P6 61 P7 58 P8 57 P9 56 PAUSELED 47 PLYLED 43 PON 11 POWERLED 49 R232BUSY 29 R232REQ 28 R232RESET 34 R232SCK 31 R232SI 30 R232SO 32 RESET 6 SI 8 SO 9 STBYLED 39 STPLED 44 SYSIN 26 SYSOUT 27 SYSRESET 12 TEST 33 VCOFF 17 VDD0 25 VDD1 1 VDD2 59 VLED 40 VLOAD 60 VSS0 23 VSS1 2 X1 4 X2 3 XRDY 10 XSCK 7 Q702 14-BT-68GNK 10G 14 11G 15 12G 16 13G 17 14G 18 1G 5 2G 6 3G 7 4G 8 5G 9 6G 10 7G 11 8G 12 9G 13 F1 48 F2' 1 P1 30 P10 39 P11 40 P12 41 P13 42 P14 43 P15 44 P2 31 P3 32 P4 33 P5 34 P6 35 P7 36 P8 37 P9 38 OPC_L STP_L PLY_L 96_L 192_L 48_L K0 STB_L VOF_L K1 MSO_0 MSO_1 MSO_2 INIT1 K0 K1 K2 REMO VOF_L STB_L MSO_0 MSO_1 MSO_2 SRESET 232SO 232SCK 232SI 232BU 232RE SYSOUT SYSIN K0 K1 K2 FL_ON/OFF SYSIN 192_L K2 RI 232RE 232BU 232SI 96_L INIT1 PLY_L SYSOUT STP_L VCOFF OPC_L LT1 REMO 48_L RESET P15 PON P14 XRDY FLAC2 FLAC1 -27V SRESET P13 SO P12 SI P11 XSCK P10 P9 P8 P7 P6 P5 P4 P3 P2 P1 14G 13G 12G 11G 10G 9G 8G 7G 6G 5G 4G 3G 2G 1G P15 P14 P13 P12 P11 P10 P9 P8 P7 P6 P5 P4 P3 P2 P1 14G 13G 12G 11G 10G 9G 8G 7G 6G 5G 4G 3G 2G 1G orKRC107S orKRC107S orKRC107S orKRC107S orKRC107S D706,D707,D708 SEL4910D-D D703,D704,D705 SEL2E10C orKRC197S orTRA103S NADIS-7215 *R721 *R720 33k 5.6k 27k 68k 5.6k 33k 5.6k 8.2k MUR MUS MUT MUP U1 SCHEMATIC DIAGRAMS-1 M A R K B Y T H E C O M P O N E N T S I D E N T F I E D A R R E P L A C E O N L Y W I T H P A R T N U M B E R S P E C I F I E D . . V O L T A G E ( M E A S U R E D W I T HV O L T M E T E R ) I S . E L E C T R O L Y T I C C A P A C I T O R S ( ) A R E I N F / . A L L C A P A C I T O R S A R E I N p F / 5 0 W V U N L E S S O T H E X ) 0 3 0 3 p F 3 3 0 3 3 p F 3 3 1 3 3 0 p F 3 3 3 0 . 0 3 3 u u A L L R E S I S T O R S A R E I N O H M S 1 / 4 W A T T S U N L E S . T H E T H I C K L I N E S O N P C B O A R D A R E T H E P R I N E X ) P R I N T I N G S I D E C I R C U I T I S S U B J E C T T O C H A N G E F O R I M P R O V . . N O T E DISPLAY PC BOARD www. xiaoyu163. com QQ 376315150 9 9 2 8 9 4 2 9 8 TEL 13942296513 9 9 2 8 9 4 2 9 8 0 5 1 5 1 3 6 7 3 Q Q TEL 13942296513 QQ 376315150 892498299 TEL 13942296513 QQ 376315150 892498299 http://www.xiaoyu163.com E F G H DV-S757 -27V 18 232BU 8 232RE 10 232SCK 4 232SI 6 232SO 2 E+5V 17 GND1 16 GND2 14 LT1 13 PON 9 RESET 11 RI 12 SCK 1 SI 3 SO 5 VCOFF 15 XRDY 7 P731 ENTER S731 NPS-115-S673 5 3 4 2 1 6 7 JL771B JL771A S708 OPEN S707 UP S706 DOWN S711 PLAY S714 REPEAT S715 MEMORY S705 DISPLAY S703 SETUP S704 RETURN S721 VIDEO CIRCUIT OFF S722 DIMMER S723 STANDBY R059 0 R746 10K R758 100 R754 100 R041 0 NC R745 3.9K R738 3.9K R739 10K 48 0 R749 820 R750 1K R744 1.8K R737 1.8K 34 0 R735 820 41 0 R742 820 R743 1K R736 1K R774 470 R773 470 R771 1.8K R772 3.9K Q722 RN1407 Q721 RN1407 D721 STANDBY D722 VIDEO CIRCUIT_OFF DOWN UP ENTER RIGHT LEFT VCOFF LT1 RI RESET PON XRDY SO 232SCK SI 232SO XSCK -27V E+5V GND VCOFF GND LT1_1 RI RESET PON XRDY SO 232SCK SI_1 232SO XSCK orKRC107S orKRC107S NADIS-7216 P250B P251 10 12 2 20 6 AGND 4 AUDIO_L 3 AUDIO_R 1 B 7 CV/Y 19 F.SW 8 G 11 R/C 15 RGB.SW 16 VGND1 5 VGND2 9 VGND3 13 VGND4 14 VGND5 17 VGND6 18 VGND7 21 E201A D252 1SS226 2 3 D251 1SS226 D251 1SS226 D252 1SS226 1 2 L254 BK1608LM182-T L251 BK1608LM182-T L252 BK1608LM182-T L253 BK1608LM182-T Q258RN1402 Q252 TC74HCT00AF 1 2 3 4 5 6 8 9 10 11 12 13 GND 7 VCC14 Q251 TC4053BF A 11 B 10 C 9 EN 6 GND 8 VCC16 VEE 7 X 14 X0 12 X1 13 Y 15 Y0 2 Y1 1 Z 4 Z0 5 Z1 3 C265 100/6.3 C251 100/16 C258 470/6.3 C255 470/6.3 C256 470/6.3 C257 470/6.3 C253 100/16 C254 100/6.3 Q256 2SC2712 Q260 2SD655 Q259 2SD655 Q255 2SC2712 Q253 2SC2712 Q254 2SA1162 Q2612SA933 Q262 2SA933 C259 104Z C261 104Z C262 104Z C252 104Z C260 104Z C264 104Z C263 104Z R571 0 R572 0 R285 100 R574 0 R575 0 R277 1K R270 470 R265 470 R262 56K R286 100 R261 1K R276 10K R275 5.1K R274 6.8K R273 150K R288 470 (1/2W) R287 470 (1/2W) R268 22K R267 100 R264 150 R263 150 R259 4.7K R278 4.7K R257 75 R251 75 R253 75 R255 75 R258 R256 R254 R252 R280 1K R279 1K R266 470 R260 22K V+12V AUDIO_R AGND AUDIO_L V+5V B1 G1 R1 B2 B1 G1 G2 V1 Y1 R/C C1 GND V/Y or KTA1267 or KTA1267 or KTC3875 or KRC102S or KTC2874 or KTC2874 or KTC3875 or KTA1504 or KTC3875 NAVD-7217 -5V 1 2 3 4 5 6 7 8 9 10 11 12 13 14 15 16 17 18 19 20 MUP2P Type Only V+12V VVSEL1 C VSEL2 Y V GND G GND B GND +8V SQUEEZE AUDIO_R GNDA AUDIO_L +5V GND R E LENT. POUR UNE PROTECTION PERMANENTE,N'UTILISER CE SYMBOLE INDIQUE QUE LE FUSIBLE UTLISE EST INDIQUE LA QU LE PRESENT SYMBOL EST APPOSE. QUE DES FUSIBLES DE MEME TYPE. CE DARNIER EST RATING REFER TO THE MARKING ADJACENT TO THE SYMBOL FOR CONTINUED PROTECTION AGAINST FIRE HAZARD,REPLACE WITH SAME TYPE FUSE. FOR FUSE THIS SYMBOL LOCATED NEAR THE FUSE INDICATES THAT THE FUSE USED IS SLOW OPERATING TYPE ATTENTION V A ET CALIBRATION COMME INDIQUE. D'INCENDIE, REMPLACER UNIQUEMENT PERMANENTE CONTRE LES RISQUES AFIN D'ASSURER UNE PROTECTION PAR UN FUSIBLE DE MEME TYPE V A AGAINST FIRE HAZARD, REPLACE FOR CONTINUED PROTECTION AND RATING INDICATED. ONLY WITH FUSE OF SAME TYPE CAUTION CN2 S991 POWER P982A P982B P982D P982C P981B P982 CN1 C991 103M NASW-7218 100-240V 50Hz/60Hz FUSE T1.6A 250V NGPS-0021 NAPS-7219 -27V FLAC2 FLAC1 POWER_ON EVER+5V GND0 M+5V GNDM SW+12V GND1 SW+5V GND2 SW+3.3V GND3 to NAAR-7224 P901 AC INLET AV CONNECTOR F1 to NAAR-7224 P701 to NAAR-7224 P250A U11 U5 U4 U3 U2 CURSOR A R E C R I T I C A L F O R S A F E T Y . F I E D . I S D C V O L T A G E . ( N O I N P U T S I G N A L ) F / W V . O T H E R W I S E N O T E D . 0 3 3 u F u L E S S O T H E R W I S E N O T E D . R I N T I N G S I D E O F T H E P A R T S . O V E M E N T . POWER SUPPLY UNIT AC INLET PC BOARD POWER SWITCH PC BOARD AV CONNECTOR PC BOARD OPERATION SWITCH PC BOARD www. xiaoyu163. com QQ 376315150 9 9 2 8 9 4 2 9 8 TEL 13942296513 9 9 2 8 9 4 2 9 8 0 5 1 5 1 3 6 7 3 Q Q TEL 13942296513 QQ 376315150 892498299 TEL 13942296513 QQ 376315150 892498299 http://www.xiaoyu163.com A 1 2 3 4 5 B C D Q001 TC7WH74FU 1 2 3 4 5 6 7 8 R901 0 R910 8.2 (1/2W) Q004 TC7SH86FU 3 2 1 4 5 Q003 TC7SH32FU 3 2 1 4 5 Q002 TC7SHU32FU 3 2 1 4 5 Q304 TC7SHU04FU 3 2 1 4 5 Q303 TC7SHU04FU 3 2 1 4 5 Q301 NC 3 2 1 4 5 Q901 PQ025EZ5MZP GND 5 NC 4 ON/OFF 2 VIN 1 VOUT 3 Q904 NJM2374A 1 2 3 4 5 6 7 8 C916 104Z D902 EG01Z D901 RL1N4003 OR GP1N4003E Q902 78M08 G I O P701A -27V 5 232RE 13 232SCK 19 232SI 17 232SO 21 232UB 15 EVER+5V 6 FLAC1 3 FLAC2 4 GND0 9 GND1 7 KESET 1 LT 10 NC 2 P_ON 14 RI 11 SCK 22 SI 20 SO 18 VCOFF 8 XRADY 16 XRESET 12 1 2 3 U302 GF1FA551TZ U301 GF1FA551TZ P302 P303B P303A Q302 TC74VHCUO4FT 1 2 3 4 5 6 8 9 10 11 12 13 GND 7 VCC14 L901 471 L304 BK1608LM182-T L303 BK1608LM182-T L302 BK1608LM182-T L301 NC R309 0 R311 0 R312 0 R314 0 R316 0 R318 0 R320 0 R308 0 R310 0 R313 0 R315 0 R317 0 R319 0 R321 0 R325 10K R324 10K R323 10K R322 10K CN302 12V 9 2.5V_1 14 2.5V_2 12 3.3V_1 10 3.3V_2 8 5V 2 6V_1 7 6V_2 5 BCK 32 DACCLK 18 DATA0 36 DATA1 31 DATA2 33 DOUT 25 GND0 34 GND1 30 GND10 4 GND2 23 GND4 17 GND5 16 GND6 15 GND7 13 GND8 11 GND9 6 GNDM 1 GNDM0 3 GNG3 20 LRCK 38 NC1 19 NC2 21 XAMUTE 27 XAQRST 24 XCSDF0 40 XCSDF1 35 XDFSCK 28 XDFSO 26 XFRST0 39 XFRST1 37 XMMUTE 29 ZCSAQE 22 P901 -27V 14 EVER+5V 10 FLAC1 12 FLAC2 13 GND0 9 GND1 5 GND2 3 GND3 1 GNDM 7 M+5V 8 POWER_ON 11 SW+12V 6 SW+3.3V_2 2 SW+5V 4 Q903 78M05HF G I O C005 104Z C001 104Z C003 104Z C002 104Z C004 104Z C316 104Z C315 104Z C602 NC C608 NC C606 NC C604 100 C601 NC C603 NC C607 NC C605 NC C508 NC C506 NC C502 NC C504 100 C507 NC C505 NC C501 NC C503 NC C401 NC C408 NC C406 NC C402 NC C404 100 C407 NC C405 NC C403 NC C930 104 C911 102 C931 104 C909 104Z C409 104Z C509 104Z C609 104Z C302 NC C303 NC C904 104Z C901 104Z C922 104Z C924 104Z C305 NC C920 104Z C918 104Z C313 223Z C314 223Z C312 NC C311 220 C308 104Z C307 104Z C304 NC C310 104K C301 NC C925 104Z Q905 2SA1358 L 5 M 10 M 9 M 8 M 7 M 6 R 1 S 4 S 3 VL 2 Q L 5 M 10 M 9 M 8 M 7 M 6 R 1 S 4 S 3 VL 2 L 5 M 10 M 9 M 8 M 7 M 6 R 1 S 4 S 3 V 2 C913 470/16 C910 220/16 C908 220/16 C912 1000/16 C410 100/6.3 C510 100/6.3 C610 100/6 C306 100/6.3 C907 100/16 C906 100/16 C905 100/16 C921 220/6.3 C923 220/16 C915 100/6.3 C919 220/16 C917 220/6.3 C309 100/6.3 R003 0 R001 10K R006 22 R005 33K R002 0 R004 22 R337 22 R332 22 R341 22 R340 22 R339 0 R336 22 R335 22 R334 0 R331 470K R601 0 R609 10K R612 0 R611 0 R610 0 R608 0 R607 0 R605 0 R603 0 R501 0 R509 10K R512 0 R511 0 R510 0 R508 0 R507 0 R505 0 R503 0 R401 0 R409 10K R412 0 R411 0 R410 0 R408 0 R407 0 R405 0 R403 0 R904 0 R909 100 R903 0.47 (1/2W) R907 NC R906 39K R908 NC R905 12K R902 0 R305 0 R343 470 R342 0 R328 180 R327 180 R330 100K R329 330 R302 NC R303 0 R304 NC R301 0 SW+12V V+8V +B AGND -B AGND P_ON FLAC2 FLAC1 -27V GND SW+5V GNDM V+6M SW+12V EVER+5V XFRST0 DATA0 BCK LRCK MCLK2 XDFSCK XDFSO XCSDF0 DACCLK V+3V MCLK1 MCLK2 V+3V MCLK3 MCLK4 DOUT XDFSO XAMUTE XDFSCK XMMUTE XFRST1 DATA1 BCK BCK DATA1 BCK MCK BCK DATA2 LRCK MCLK3 XCSDF1 DATA0 XDFSCK XFRST1 XDFSO LRCK XCSDF1 XFRST0 XCSDF0 FLAC1 FLAC2 -27V DOUT VCOFF XFRST1 LT RI DATA2 XRESET BCK LRCK P_ON MCLK4 XRADY XDFSCK XDFSO RI SO XCSDF1 SI SCK MUP Type only Q902,C906 +B -B AGND V+8V RI P301 OPTICAL COAXIAL DIGITAL OUTPUT To POWER SUPPLY UNIT CN2 to DVD MAIN BOARD CN401 to NADIS-7215 P701B U9 NC : No connecton to NAAR-7224(2/2) 11.3 8.7 5.0 3.3 5.0 5.0 5.8 3.3 DV-S757 SCHEMATIC DIAGRAMS-2 P www. xiaoyu163. com QQ 376315150 9 9 2 8 9 4 2 9 8 TEL 13942296513 9 9 2 8 9 4 2 9 8 0 5 1 5 1 3 6 7 3 Q Q TEL 13942296513 QQ 376315150 892498299 TEL 13942296513 QQ 376315150 892498299 http://www.xiaoyu163.com E F G H P471B C440 102 C439 102 C433 221 C431 222 C432 222 C434 221 C430 101 C429 101 C423 101 C421 101 C425 101 C424 101 C426 101 C422 101 C521 101 C523 101 C626 101 C625 101 C525 101 C526 101 C522 101 C524 101 C532 472 C531 472 C529 222 C530 222 C534 331 C533 331 C539 102 C540 102 C640 102 C639 102 C632 472 C631 472 C633 331 C634 331 C630 222 C629 222 C621 101 C623 101 C624 101 C622 101 P402 P401 C411 104Z 09 4Z C415 104Z C413 104Z 09 4Z C515 104Z C513 104Z C511 104Z 09 4Z C615 104Z C613 104Z C611 104Z Q405 OR KRC107S RN1407 Q407 OR KRC107S RN1407 Q505 OR KRC107S RN1407 Q507 OR KRC107S RN1407 Q406 OR KRC107S RN1407 Q408 OR KRC107S RN1407 Q506 OR KRC107S RN1407 Q508 OR KRC107S RN1407 Q605 OR KRC107S RN1407 Q607 OR KRC107S RN1407 Q606 OR KRC107S RN1407 Q608 OR KRC107S RN1407 Q409 OR KTA1504 2SA1162 Q509 OR KTA1504 2SA1162 Q410 OR KTA1504 2SA1162 Q510 OR KTA1504 2SA1162 Q609 OR KTA1504 2SA1162 Q610 OR KTA1504 2SA1162 Q401 CS4392 AGND 16 AMUTEC 20 AOUTA+ 18 AOUTA- 19 AOUTB+ 15 AOUTB- 14 BMUTEC 13 CMOUT 12 FILT+ 11 LRCK 5 M0 10 M1 9 M2 8 M3 7 MCLK 6 RST 1 SCLK 4 SDATA 3 VA 17 VL 2 Q501 CS4392 AGND 16 AMUTEC 20 AOUTA+ 18 AOUTA- 19 AOUTB+ 15 AOUTB- 14 BMUTEC 13 CMOUT 12 FILT+ 11 LRCK 5 M0 10 M1 9 M2 8 M3 7 MCLK 6 RST 1 SCLK 4 SDATA 3 VA 17 VL 2 Q601 CS4392 AGND 16 AMUTEC 20 AOUTA+ 18 AOUTA- 19 AOUTB+ 15 AOUTB- 14 BMUTEC 13 CMOUT 12 FILT+ 11 LRCK 5 M0 10 M1 9 M2 8 M3 7 MCLK 6 RST 1 SCLK 4 SDATA 3 VA 17 VL 2 Q403 NJM4565M-D 3 2 -B 4 1 Q404 NJM4565M-D 3 2 -B 4 1 Q503 NJM4565M-D 3 2 -B 4 1 Q504 NJM4565M-D 3 2 -B 4 1 Q603 NJM4565M-D 3 2 -B 4 1 Q604 NJM4565M-D 3 2 -B 4 1 Q403 NJM4565M-D 5 +B 8 6 7 Q404 NJM4565M-D 5 +B 8 6 7 Q503 NJM4565M-D 5 +B 8 6 7 Q504 NJM4565M-D 5 +B 8 6 7 Q603 NJM4565M-D 5 +B 8 6 7 Q604 NJM4565M-D 5 +B 8 6 7 C412 220/6.3 10 /6.3 C416 1/50 C414 1/50 C512 220/6.3 10 /6.3 C516 1/50 C514 1/50 00/6.3 C616 1/50 C614 1/50 C612 220/6.3 C427 100/6.3 C428 100/6.3 C435 100/6.3 C437 22/50 C436 100/6.3 C438 22/50 C527 100/6.3 C528 100/6.3 C535 100/6.3 C537 22/50 C536 100/6.3 C538 22/50 C635 100/6.3 C627 100/6.3 C637 22/50 C636 100/6.3 C628 100/6.3 C638 22/50 R425 15K R421 18K R422 18K R426 15K R521 18K R525 15K R526 15K R522 18K R625 15K R621 18K R626 15K R622 18K R641 1K R642 1K R542 1K R541 1K R442 1K R441 1K R647 220 R653 220 R654 220 R648 220 R651 470K R652 470K R454 220 R448 220 R453 220 R447 220 R554 220 R548 220 R553 220 R547 220 R552 470K R551 470K R452 470K R451 470K R439 1.8K R443 4.7K R539 1.8K R543 4.7K R431 33K R429 39K R423 18K R427 15K R433 750 R435 820 R432 33K R430 39K R424 18K R428 15K R434 750 R436 820 R437 750 R445 100K R449 2.2K R455 2.2K R438 750 R446 100K R450 2.2K R456 2.2K R440 1.8K R444 4.7K R540 1.8K R544 4.7K R531 33K R529 39K R523 18K R527 15K R533 1.5K R535 1.8K R532 33K R530 39K R524 18K R528 15K R534 1.5K R536 1.8K R537 1.5K R545 100K R549 2.2K R555 2.2K R538 1.5K R546 100K R550 2.2K R556 2.2K R639 1.8K R643 4.7K R640 1.8K R644 4.7K R631 33K R629 39K R623 18K R627 15K R633 1.5K R635 1.8K R637 1.5K R645 100K R649 2.2K R655 2.2K R632 33K R630 39K R624 18K R628 15K R634 1.5K R636 1.8K R638 1.5K R646 100K R650 2.2K R656 2.2K Q411 HN1C03F 5 3 4 Q411 HN1C03F 2 6 1 Q412 HN1C03F 5 3 4 Q412 HN1C03F 2 6 1 Q511 HN1C03F 5 3 4 Q511 HN1C03F 2 6 1 Q512 HN1C03F 5 3 4 Q512 HN1C03F 2 6 1 Q611 HN1C03F 2 6 1 Q611 HN1C03F 5 3 4 Q612 HN1C03F 2 6 1 Q612 HN1C03F 5 3 4 MUTE+12V XAMUTE AUDIO_R AGND AUDIO_L +B GND AGND -B MUTE+12V XAMUTE MUTE+12V XMMUTE +B GND AGND -B XMMUTE MUTE+12V MUTE+12V XMMUTE +B GND AGND -B XMMUTE MUTE+12V NAAR-7224 to P250A(AV CONNECTOR) MUP Type only CENTER SUBWOOFER R L R L R R L L ANALOG OUTPUT CH-1 CH-2 FRONT SURR to NAAF-7225 P471A (1/2) DV-S757 OUTPUT TERMINAL PC BOARD www. xiaoyu163. com QQ 376315150 9 9 2 8 9 4 2 9 8 TEL 13942296513 9 9 2 8 9 4 2 9 8 0 5 1 5 1 3 6 7 3 Q Q TEL 13942296513 QQ 376315150 892498299 TEL 13942296513 QQ 376315150 892498299 http://www.xiaoyu163.com A 1 2 3 4 5 B C D DV-S757 P710B TO DISPLAY P353 P351 CTS 4 DTR 3 GNDD 6 NC 7 RXD 2 TXD 1 V+5D 5 C104470 104Z 104Z C126 C124 C473 102K C474 102K C475 102K C132 104Z C130 104Z C128 104Z C117 104Z C111 104Z C110 104Z C113 104Z C108 104Z C107 104Z C106 104Z C116 104Z C115 104Z C114 104Z C112104Z C120 104Z C119 104Z C118 104Z C122 104Z P472 C471 47/16 C472 47/16 C109 100/6.3 C105 100/6.3 R185 0 R181 0 R179 3.3K R180330 R184330 R183 NC R104 0 R103 0 R102 0 R101 0 R481 470 R484 470 R483 470 R486 470 R484 470 R482 470 R479 33K R480 33K R472 100 R471 100 R475 10K R476 10K R345 10K R346 10K R347 10K R348 10K R197 0 R197 NC R198 330 R194 0 R192 NC R193 330 R189 0 R187 NC R188330 R154 0 R163 1.2K R157 1.2K R159 47K R158 15K R160 6.8K R152 0 R139 0 R137 0 R135 0 R133 0 R131 10K R130 10K R109 0 R129 0 R128 0 R127 0 R126 0 R125 0 R124 0 R123 0 R122 0 R121 0 R120 10K R119 0 R118 0 R117 0 R116 0 R115 0 R114 0 R113 0 R112 0 R111 0 R110 0 R151 10K R150 0 R149 10K R148 0 R17O 2.2K R173 10K R174 2.2K R172 0 R171 0 R169 0 R165 10K R164 10K R168 NC R167 0 R16610K R132 0 R134 0 R138 0 R136 0 R177 0 R175 330 R176 NC R473 20KB R473 20KB Q471 3 2 4 1 Q471 NJM4650D-D 3 8 2 1 L477 BK1608LM182-T L477-L479 L478 L479 L471 BK1608LM182-T L471-L476 L476 L475 L474 L473 L472 CN601 Q102 ADV7190KST AGND1 18 AGND2 24 AGND3 26 AGND4 33 AGND5 39 AGND6 42 AGND7 55 AGND8 64 ALSB 22 BLANK 21 CLKIN 27 CLKOUT 28 COMP1 46 COMP2 35 CSO_HSO 50 DAC_A 45 DAC_B 44 DAC_C 41 DAC_D 40 DAC_E 37 DAC_F 36 HSYNC 19 NC1 53 NC2 57 NC3 58 NC4 59 NC5 60 NC6 61 NC7 62 P0 1 P1 2 P10 11 P11 12 P12 13 P13 14 P14 15 P15 16 P2 3 P3 4 P4 5 P5 6 P6 7 P7 8 P8 9 P9 10 PAL_NTSC 52 RESET49 RSET1 48 RSET2 34 RTC 32 SCL 30 SDA 31 TTX 56 TTXREQ 23 VAA1 17 VAA2 25 VAA3 29 VAA4 38 VAA5 43 VAA6 54 VAA7 63 VREF 47 VSO/CLAMP 51 VSYNC 20 XVQFRST P/XN LT XRESET TXD SI RXD SO DTR SCK CTS XRADY AD-V AD-YS AD-C PD7 AD-Y/D PD6 PD5 PD4 AD-CB/B PD3 AD-CR/R PD2 PD1 PD0 HSYNC VSYNC XVOFRSI AV1CLK SCL1 SDA0 P/XN P/X1 VSEL1 LETTER HSYNC VSYNC AV1CLK SCL0 SDA0 SQUEEZE VSEL2 SCK SI SO TXD RXD DTR CIS NO Use NO Use NAAR-7224(2/2) NAAF-7225 VC OFF P471A Rch GND Lch -B +B GND GND EVER+5V SW+5V -B GND +B for FL Micon DL GND SO SI SCK XRESET EVER+5V IC NC SW+5V V+3V GND GND6 VSEL2 40 39 SQUEEZE LETTER VSEL1 P/X1 P/XN 38 37 36 35 34 33 32 SDA0 SCL0 GND5 DND4 AV1CLK GND3 GND2 31 30 29 28 27 26 25 24 23 22 XVQERST AV1VSYNC AV1HSYNC PD0 PD1 PD2 PD3 PD4 PD5 PD6 PD7 XCSVQE VQESSO VQESCK XCSVQE5 21 20 19 18 17 16 15 14 13 12 GND1 XREADY CTS SSCK DTR S[F_TO_M] RXD S[M_TO_M TXD XRESET LT1 11 10 9 8 7 6 5 4 3 2 1 PHONES PHONES LEVEL for UPGRADE FIRMWARE to DVD MAIN BOARD CN501 to NAAR-7224 P471B U9 U10 to NAAR-7224(1/2) to NAAR-7224(1/2) SCHEMATIC DIAGRAMS-3 OUTPUT TERMINAL PC BOARD PHONES JACK PC BOARD www. xiaoyu163. com QQ 376315150 9 9 2 8 9 4 2 9 8 TEL 13942296513 9 9 2 8 9 4 2 9 8 0 5 1 5 1 3 6 7 3 Q Q TEL 13942296513 QQ 376315150 892498299 TEL 13942296513 QQ 376315150 892498299 http://www.xiaoyu163.com E F G H DV-S757 Q810 RN1407 Q813 RN1407 Q815 RN2403 Q814 RN2403 Q811 RN2403 Q812 RN2403 Q104 KTA1504 Q105 KTA1504 Q108 KTA1504 Q107 KTA1504 Q106 KTA1504 Q103 KTA1504 Q809 TK25420M 5 6 -B 4 7 Q805 TK15420M 5 6 -B 4 7 Q801 TK15420M 5 6 -B 4 7 Q809 TK15420M 3 +B 8 2 1 Q805 TK15420M 3 +B 8 2 1 Q801 TK15420M 3 +B 8 2 1 Q817 LA7106MFP 1 2 3 4 5 6 7 8 9 10 11 12 13 14 15 16 Q816 LA7106MFP 1 2 3 4 5 6 7 8 9 10 11 12 13 14 15 16 P802 P250A +5V 15 -5V 6 AUDIO_L 16 AUDIO_R 18 B 11 C 3 G 9 GNDA 17 GNDV2 8 GNDV3 10 GNDV4 12 GNDV5 14 R 13 SQUEEZE 19 V 7 V+12V 1 V+8V 20 VSEL1 2 VSEL2 4 Y 5 P801 4 14 1 11 5 15 2 12 7 17 8 18 6 16 3 13 C805 104K C125 C127 C813 104Z C809 104Z C810 104Z C133 C812 104Z C811 104Z C131 C807 104Z C808 104Z C129 C123 C806 104Z C803 104Z C801 104Z C802 104Z C804 104Z C817 104K C816 104K C819 100/6.3 C818 100/6.3 C815 100/6.3 C814 100/6.3 R881 NC R882 1K R889 1K R888 1K R802 0 R827 100K R186 1.8K R182 1.8K R884 100 R886 100 R887 100 R885 1K R196 0 R844 0 R851 1K R850 1K R847 39K R846 2.2K R848 820 R849 NC R854 1.8K R855 1.2K R852 1K R853 NC R147 0 R146 1.8K R857 0 R864 1K R863 1K R860 39K R859 2.2K R861 820 R862 NC R867 1.8K R868 1.2K R865 1K R866 NC R195 1.8K R831 0 R838 1K R837 1K R834 5.1K R833 3.3KK R835 820 R836 NC R841 2.2K R842 3.3K R839 1K R840 NC R191 0 R190 1.8K R178 1.8K R819 820 R815 0 R809 1K R808 1K R805 5.1K R804 3.3K R806 820 R807 NC R812 2.2K R813 3.3K R810 1K R811 NC R822 1K R821 1K R818 5.1K R817 3,3K R820 NC R825 2.2K R826 3.3K R823 1K R824 NC R874 1K R872 1.5K R870 1K R869 1.5K R871 0 R873 0 R875 10K R876 10K R877 100 R879 100 R880 100 R878 1K R883 0 R218 0 R214 0 R221 75 R217 75 R213 75 R212 0 R210 0 R208 0 R206 0 R204 0 R202 0 R211 75 R209 75 R207 75 R205 75 R203 75 R201 75 L811 NC L809 NC L807 NC L806 NC L805 NC L804 NC L803 NC L802 NC L801 NC AUDIO-LCH AUDIO-GND AUDIO-RCH SQUEEZE LETTER COMPONENT VIDEO S VIDEO VIDEO OUTPUT 2SA1162 2SA1162 or or 2SA1162 or 2SA1162 or or or 2SA1162 2SA1162 1.2K NC NC 1.8K 1.8K 2.2K 1.2K 39K 39K 2.2K 5.1K 3.3K 3.3K 2.2K 3.3K 2.2K NC NC NC NC OTHERS MUP2P R868 R867 R860 R859 R855 R854 R847 R846 R834 R833 V+12V V+8V AUDIO-GND AUDIO-LcH AUDIO-RcH AD-CB/B AD-CR/R AD-Y/G AD-YS AD-C AD-V Y (GRN) PB (BLU) PR (RED) to NAVD-7217 P250B MUP Type only MUT,MUR,MUS Type only to NAAR-7224(1/2) www. xiaoyu163. com QQ 376315150 9 9 2 8 9 4 2 9 8 TEL 13942296513 9 9 2 8 9 4 2 9 8 0 5 1 5 1 3 6 7 3 Q Q TEL 13942296513 QQ 376315150 892498299 TEL 13942296513 QQ 376315150 892498299 http://www.xiaoyu163.com A 1 2 3 4 5 B C D E F G H DV-S757 P701B -27V 18 232BU 8 232RE 10 232SCK 4 232SI 6 232SO 2 E+5V 17 FLAC1 19 FLAC2 20 GND1 16 GND2 14 LT1 13 NC 21 PON 9 RESET 11 RI 12 SCK 1 SI 3 SO 5 SRESET 22 VCOFF 15 XRDY 7 R785 P710A D702 UDZS5.6B D701 1SS352 Q704 RN2403 Q705 PIC-37043TH2 REMOTE SENSOR Q712 BD4742G G I O X701 5.00MHZ C703 22/50 C704 100/6.3 C701 100/6.3 C706 223Z C702 104Z P731 ENTER S731 NPS-115-S673 5 3 4 2 1 6 7 JL771B JL771A S708 OPEN S707 UP S706 DOWN S709 PAUSE S710 STOP S711 PLAY S712 CLEAR S713 RANDOM S714 REPEAT S715 MEMORY S705 DISPLAY S701 T.MENU S702 MENU S703 SETUP S704 RETURN S721 VIDEO CIRCUIT OFF S722 DIMMER S723 STANDBY R060 0 R059 0 R746 10K R057 0 R058 0 R731 100 R055 0 R722 0 R054 0 R702 0 R053 0 R714 4.7K R056 0 R740 390 R052 0 R790 10K R051 0 R715 47K R759 0 R713 0 R712 0 R711 0 R710 0 R709 0 R789 10K R788 10K R708 0 R758 100 R754 100 R041 0 R730 100 R732 100 R760 470 R728 470 R729 470 R727 NC R726 0 R724 0 R725 NC R723 NC R786 NC R787 NC *R721 *R720 R782 10K R753 NC R752 NC R755 NC R701 1M R703 0 R704 0 R705 0 R706 0 R707 0 R717 2.7K R718 2.7K R719 2.7K R716 220K R745 3.9K R738 3.9K R739 10K R747 390 R748 470 R749 820 R750 1K R744 1.8K R737 1.8K R733 390 R734 470 R735 820 R741 470 R742 820 R743 1K R736 1K R774 470 R773 470 R771 1.8K R772 3.9K Q708 RN1407 Q707 RN1407 Q706 RN1407 Q711 RN1407 Q710 RN1407 Q709 RN1407 Q722 RN1407 Q721 RN1407 D705 PLAY_LED D704 STOP_LED D703 OPEN_LED D708 48_LED D707 192_LED D706 96_LED D721 STANDBY D722 VIDEO CIRCUIT_OFF Q701 MPD780232GC-047-8BT +5V 24 10G 71 11G 70 12G 69 13G 68 14G 67 192LED 41 1G 80 2G 79 3G 78 48LED 48 4G 77 5G 76 6G 75 7G 74 8G 73 96LED 42 9G 72 FL_ON/OFF 35 GND1 5 GND2 18 INIT1 19 IRIN 15 K0 22 K1 21 K2 20 LEDO 46 LT1 16 MSO_0 38 MSO_1 37 MSO_2 36 NC1 13 NC2 14 OPCLED 45 P1 66 P10 55 P11 54 P12 53 P13 52 P14 51 P15 50 P2 65 P3 64 P4 63 P5 62 P6 61 P7 58 P8 57 P9 56 PAUSELED 47 PLYLED 43 PON 11 POWERLED 49 R232BUSY 29 R232REQ 28 R232RESET 34 R232SCK 31 R232SI 30 R232SO 32 RESET 6 SI 8 SO 9 STBYLED 39 STPLED 44 SYSIN 26 SYSOUT 27 SYSRESET 12 TEST 33 VCOFF 17 VDD0 25 VDD1 1 VDD2 59 VLED 40 VLOAD 60 VSS0 23 VSS1 2 X1 4 X2 3 XRDY 10 XSCK 7 Q702 14-BT-68GNK 10G 14 11G 15 12G 16 13G 17 14G 18 1G 5 2G 6 3G 7 4G 8 5G 9 6G 10 7G 11 8G 12 9G 13 F1 48 F2' 1 P1 30 P10 39 P11 40 P12 41 P13 42 P14 43 P15 44 P2 31 P3 32 P4 33 P5 34 P6 35 P7 36 P8 37 P9 38 OPC_L STP_L PLY_L 96_L 192_L 48_L K0 STB_L VOF_L K1 MSO_0 MSO_1 MSO_2 INIT1 K0 K1 K2 REMO VOF_L STB_L MSO_0 MSO_1 MSO_2 SRESET 232SO 232SCK 232SI 232BU 232RE SYSOUT SYSIN K0 K1 K2 DOWN UP FL_ON/OFF ENTER RIGHT LEFT SYSIN 192_L K2 RI 232RE 232BU 232SI 96_L INIT1 PLY_L SYSOUT STP_L VCOFF VCOFF LT1 RI RESET PON XRDY SO 232SCK SI 232SO XSCK OPC_L LT1 REMO 48_L RESET P15 PON P14 XRDY FLAC2 FLAC1 -27V E+5V GND VCOFF GND LT1_1 RI RESET PON XRDY SO 232SCK SI_1 232SO XSCK SRESET P13 SO P12 SI P11 XSCK P10 P9 P8 P7 P6 P5 P4 P3 P2 P1 14G 13G 12G 11G 10G 9G 8G 7G 6G 5G 4G 3G 2G 1G P15 P14 P13 P12 P11 P10 P9 P8 P7 P6 P5 P4 P3 P2 P1 14G 13G 12G 11G 10G 9G 8G 7G 6G 5G 4G 3G 2G 1G orKRC107S orKRC107S orKRC107S orKRC107S orKRC107S orKRC107S orKRC107S D706,D707,D708 SEL4910D-D D703,D704,D705 SEL2E10C orKRC197S orTRA103S NADIS-7215 *R721 *R720 NADIS-7216 33k 5.6k 27k 68k 5.6k 33k 5.6k 8.2k MUR MUS MUT MUP P250B P251 10 12 2 20 6 AGND 4 AUDIO_L 3 AUDIO_R 1 B 7 CV/Y 19 F.SW 8 G 11 R/C 15 RGB.SW 16 VGND1 5 VGND2 9 VGND3 13 VGND4 14 VGND5 17 VGND6 18 VGND7 21 E201A D252 1SS226 2 3 D251 1SS226 D251 1SS226 D252 1SS226 1 2 L254 BK1608LM182-T L251 BK1608LM182-T L252 BK1608LM182-T L253 BK1608LM182-T Q258RN1402 Q252 TC74HCT00AF 1 2 3 4 5 6 8 9 10 11 12 13 GND 7 VCC14 Q251 TC4053BF A 11 B 10 C 9 EN 6 GND 8 VCC16 VEE 7 X 14 X0 12 X1 13 Y 15 Y0 2 Y1 1 Z 4 Z0 5 Z1 3 C265 100/6.3 C251 100/16 C258 470/6.3 C255 470/6.3 C256 470/6.3 C257 470/6.3 C253 100/16 C254 100/6.3 Q256 2SC2712 Q260 2SD655 Q259 2SD655 Q255 2SC2712 Q253 2SC2712 Q254 2SA1162 Q2612SA933 Q262 2SA933 C259 104Z C261 104Z C262 104Z C252 104Z C260 104Z C264 104Z C263 104Z R571 0 R572 0 R285 100 R574 0 R575 0 R277 1K R270 470 R265 470 R262 56K R286 100 R261 1K R276 10K R275 5.1K R274 6.8K R273 150K R288 470 (1/2W) R287 470 (1/2W) R268 22K R267 100 R264 150 R263 150 R259 4.7K R278 4.7K R257 75 R251 75 R253 75 R255 75 R258 R256 R254 R252 R280 1K R279 1K R266 470 R260 22K V+12V AUDIO_R AGND AUDIO_L V+5V B1 G1 R1 B2 B1 G1 G2 V1 Y1 R/C C1 GND V/Y or KTA1267 or KTA1267 or KTC3875 or KRC102S or KTC2874 or KTC2874 or KTC3875 or KTA1504 or KTC3875 NAVD-7217 -5V 1 2 3 4 5 6 7 8 9 10 11 12 13 14 15 16 17 18 19 20 MUP2P Type Only V+12V VVSEL1 C VSEL2 Y V GND G GND B GND +8V SQUEEZE AUDIO_R GNDA AUDIO_L +5V GND R E LENT. POUR UNE PROTECTION PERMANENTE,N'UTILISER CE SYMBOLE INDIQUE QUE LE FUSIBLE UTLISE EST INDIQUE LA QU LE PRESENT SYMBOL EST APPOSE. QUE DES FUSIBLES DE MEME TYPE. CE DARNIER EST RATING REFER TO THE MARKING ADJACENT TO THE SYMBOL FOR CONTINUED PROTECTION AGAINST FIRE HAZARD,REPLACE WITH SAME TYPE FUSE. FOR FUSE THIS SYMBOL LOCATED NEAR THE FUSE INDICATES THAT THE FUSE USED IS SLOW OPERATING TYPE ATTENTION V A ET CALIBRATION COMME INDIQUE. D'INCENDIE, REMPLACER UNIQUEMENT PERMANENTE CONTRE LES RISQUES AFIN D'ASSURER UNE PROTECTION PAR UN FUSIBLE DE MEME TYPE V A AGAINST FIRE HAZARD, REPLACE FOR CONTINUED PROTECTION AND RATING INDICATED. ONLY WITH FUSE OF SAME TYPE CAUTION CN2 S991 POWER P982A P982B P982D P982C P981B P982 CN1 C991 103M NASW-7218 100-240V 50Hz/60Hz FUSE T1.6A 250V NGPS-0021 NAPS-7219 -27V FLAC2 FLAC1 POWER_ON EVER+5V GND0 M+5V GNDM SW+12V GND1 SW+5V GND2 SW+3.3V GND3 to NAAR-7224 P901 AC INLET AV CONNECTOR F1 to NAAR-7224 P701 to NAAR-7224 P250A U11 U1 U5 U4 U3 U2 CURSOR SCHEMATIC DIAGRAMS-1 M A R K B Y T H E C O M P O N E N T S I D E N T F I E D A R E C R I T I C A L F O R S A F E T Y . R E P L A C E O N L Y W I T H P A R T N U M B E R S P E C I F I E D . . . V O L T A G E ( M E A S U R E D W I T HV O L T M E T E R ) I S D C V O L T A G E . ( N O I N P U T S I G N A L ) . E L E C T R O L Y T I C C A P A C I T O R S ( ) A R E I N F / W V . . A L L C A P A C I T O R S A R E I N p F / 5 0 W V U N L E S S O T H E R W I S E N O T E D . E X ) 0 3 0 3 p F 3 3 0 3 3 p F 3 3 1 3 3 0 p F 3 3 3 0 . 0 3 3 u F u A L L R E S I S T O R S A R E I N O H M S 1 / 4 W A T T S U N L E S S O T H E R W I S E N O T E D . . T H E T H I C K L I N E S O N P C B O A R D A R E T H E P R I N T I N G S I D E O F T H E P A R T S . E X ) P R I N T I N G S I D E C I R C U I T I S S U B J E C T T O C H A N G E F O R I M P R O V E M E N T . . . N O T E DISPLAY PC BOARD POWER SUPPLY UNIT AC INLET PC BOARD POWER SWITCH PC BOARD AV CONNECTOR PC BOARD OPERATION SWITCH PC BOARD w w w . x i a o y u 1 6 3 . c o m Q Q 3 7 6 3 1 5 1 5 0 9 9 2 8 9 4 2 9 8 T E L 1 3 9 4 2 2 9 6 5 1 3 9 9 2 8 9 4 2 9 8 0 5 1 5 1 3 6 7 3 Q Q TEL 13942296513 QQ 376315150 892498299 TEL 13942296513 QQ 376315150 892498299 http://www.xiaoyu163.com A 1 2 3 4 5 B C D E F G H Q001 TC7WH74FU 1 2 3 4 5 6 7 8 R901 0 R910 8.2 (1/2W) P471B Q004 TC7SH86FU 3 2 1 4 5 Q003 TC7SH32FU 3 2 1 4 5 Q002 TC7SHU32FU 3 2 1 4 5 Q304 TC7SHU04FU 3 2 1 4 5 Q303 TC7SHU04FU 3 2 1 4 5 Q301 NC 3 2 1 4 5 Q901 PQ025EZ5MZP GND 5 NC 4 ON/OFF 2 VIN 1 VOUT 3 Q904 NJM2374A 1 2 3 4 5 6 7 8 C440 102 C439 102 C433 221 C431 222 C432 222 C434 221 C430 101 C429 101 C423 101 C421 101 C425 101 C424 101 C426 101 C422 101 C521 101 C523 101 C626 101 C625 101 C525 101 C526 101 C522 101 C524 101 C532 472 C531 472 C529 222 C530 222 C534 331 C533 331 C539 102 C540 102 C640 102 C639 102 C632 472 C631 472 C633 331 C634 331 C630 222 C629 222 C621 101 C623 101 C624 101 C622 101 C916 104Z D902 EG01Z D901 RL1N4003 OR GP1N4003E Q902 78M08 G I O P701A -27V 5 232RE 13 232SCK 19 232SI 17 232SO 21 232UB 15 EVER+5V 6 FLAC1 3 FLAC2 4 GND0 9 GND1 7 KESET 1 LT 10 NC 2 P_ON 14 RI 11 SCK 22 SI 20 SO 18 VCOFF 8 XRADY 16 XRESET 12 1 2 3 U302 GF1FA551TZ U301 GF1FA551TZ P302 P303B P303A Q302 TC74VHCUO4FT 1 2 3 4 5 6 8 9 10 11 12 13 GND 7 VCC14 L901 471 L304 BK1608LM182-T L303 BK1608LM182-T L302 BK1608LM182-T L301 NC R309 0 R311 0 R312 0 R314 0 R316 0 R318 0 R320 0 R308 0 R310 0 R313 0 R315 0 R317 0 R319 0 R321 0 R325 10K R324 10K R323 10K R322 10K CN302 12V 9 2.5V_1 14 2.5V_2 12 3.3V_1 10 3.3V_2 8 5V 2 6V_1 7 6V_2 5 BCK 32 DACCLK 18 DATA0 36 DATA1 31 DATA2 33 DOUT 25 GND0 34 GND1 30 GND10 4 GND2 23 GND4 17 GND5 16 GND6 15 GND7 13 GND8 11 GND9 6 GNDM 1 GNDM0 3 GNG3 20 LRCK 38 NC1 19 NC2 21 XAMUTE 27 XAQRST 24 XCSDF0 40 XCSDF1 35 XDFSCK 28 XDFSO 26 XFRST0 39 XFRST1 37 XMMUTE 29 ZCSAQE 22 P901 -27V 14 EVER+5V 10 FLAC1 12 FLAC2 13 GND0 9 GND1 5 GND2 3 GND3 1 GNDM 7 M+5V 8 POWER_ON 11 SW+12V 6 SW+3.3V_2 2 SW+5V 4 Q903 78M05HF G I O P402 P401 C005 104Z C001 104Z C003 104Z C002 104Z C004 104Z C316 104Z C315 104Z C602 NC C608 NC C606 NC C604 100 C601 NC C603 NC C607 NC C605 NC C508 NC C506 NC C502 NC C504 100 C507 NC C505 NC C501 NC C503 NC C401 NC C408 NC C406 NC C402 NC C404 100 C407 NC C405 NC C403 NC C930 104 C911 102 C931 104 C909 104Z C411 104Z C409 104Z C415 104Z C413 104Z C509 104Z C515 104Z C513 104Z C511 104Z C609 104Z C302 NC C303 NC C904 104Z C901 104Z C922 104Z C924 104Z C305 NC C920 104Z C918 104Z C313 223Z C314 223Z C312 NC C311 220 C308 104Z C307 104Z C304 NC C310 104K C301 NC C925 104Z C615 104Z C613 104Z C611 104Z Q405 OR KRC107S RN1407 Q407 OR KRC107S RN1407 Q505 OR KRC107S RN1407 Q507 OR KRC107S RN1407 Q406 OR KRC107S RN1407 Q408 OR KRC107S RN1407 Q506 OR KRC107S RN1407 Q508 OR KRC107S RN1407 Q605 OR KRC107S RN1407 Q607 OR KRC107S RN1407 Q606 OR KRC107S RN1407 Q608 OR KRC107S RN1407 Q905 2SA1358 Q409 OR KTA1504 2SA1162 Q509 OR KTA1504 2SA1162 Q410 OR KTA1504 2SA1162 Q510 OR KTA1504 2SA1162 Q609 OR KTA1504 2SA1162 Q610 OR KTA1504 2SA1162 Q401 CS4392 AGND 16 AMUTEC 20 AOUTA+ 18 AOUTA- 19 AOUTB+ 15 AOUTB- 14 BMUTEC 13 CMOUT 12 FILT+ 11 LRCK 5 M0 10 M1 9 M2 8 M3 7 MCLK 6 RST 1 SCLK 4 SDATA 3 VA 17 VL 2 Q501 CS4392 AGND 16 AMUTEC 20 AOUTA+ 18 AOUTA- 19 AOUTB+ 15 AOUTB- 14 BMUTEC 13 CMOUT 12 FILT+ 11 LRCK 5 M0 10 M1 9 M2 8 M3 7 MCLK 6 RST 1 SCLK 4 SDATA 3 VA 17 VL 2 Q601 CS4392 AGND 16 AMUTEC 20 AOUTA+ 18 AOUTA- 19 AOUTB+ 15 AOUTB- 14 BMUTEC 13 CMOUT 12 FILT+ 11 LRCK 5 M0 10 M1 9 M2 8 M3 7 MCLK 6 RST 1 SCLK 4 SDATA 3 VA 17 VL 2 Q403 NJM4565M-D 3 2 -B 4 1 Q404 NJM4565M-D 3 2 -B 4 1 Q503 NJM4565M-D 3 2 -B 4 1 Q504 NJM4565M-D 3 2 -B 4 1 Q603 NJM4565M-D 3 2 -B 4 1 Q604 NJM4565M-D 3 2 -B 4 1 Q403 NJM4565M-D 5 +B 8 6 7 Q404 NJM4565M-D 5 +B 8 6 7 Q503 NJM4565M-D 5 +B 8 6 7 Q504 NJM4565M-D 5 +B 8 6 7 Q603 NJM4565M-D 5 +B 8 6 7 Q604 NJM4565M-D 5 +B 8 6 7 C913 470/16 C910 220/16 C908 220/16 C912 1000/16 C412 220/6.3 C410 100/6.3 C416 1/50 C414 1/50 C512 220/6.3 C510 100/6.3 C516 1/50 C514 1/50 C610 100/6.3 C306 100/6.3 C907 100/16 C906 100/16 C905 100/16 C921 220/6.3 C923 220/16 C915 100/6.3 C919 220/16 C917 220/6.3 C309 100/6.3 C616 1/50 C614 1/50 C612 220/6.3 C427 100/6.3 C428 100/6.3 C435 100/6.3 C437 22/50 C436 100/6.3 C438 22/50 C527 100/6.3 C528 100/6.3 C535 100/6.3 C537 22/50 C536 100/6.3 C538 22/50 C635 100/6.3 C627 100/6.3 C637 22/50 C636 100/6.3 C628 100/6.3 C638 22/50 R003 0 R001 10K R006 22 R005 33K R002 0 R004 22 R337 22 R332 22 R341 22 R340 22 R339 0 R336 22 R335 22 R334 0 R331 470K R601 0 R609 10K R612 0 R611 0 R610 0 R608 0 R607 0 R605 0 R603 0 R501 0 R509 10K R512 0 R511 0 R510 0 R508 0 R507 0 R505 0 R503 0 R401 0 R409 10K R412 0 R411 0 R410 0 R408 0 R407 0 R405 0 R403 0 R904 0 R909 100 R903 0.47 (1/2W) R907 NC R906 39K R908 NC R905 12K R902 0 R425 15K R421 18K R422 18K R426 15K R521 18K R525 15K R526 15K R522 18K R625 15K R621 18K R626 15K R622 18K R641 1K R642 1K R542 1K R541 1K R442 1K R441 1K R305 0 R343 470 R342 0 R328 180 R327 180 R330 100K R329 330 R302 NC R303 0 R304 NC R301 0 R647 220 R653 220 R654 220 R648 220 R651 470K R652 470K R454 220 R448 220 R453 220 R447 220 R554 220 R548 220 R553 220 R547 220 R552 470K R551 470K R452 470K R451 470K R439 1.8K R443 4.7K R539 1.8K R543 4.7K R431 33K R429 39K R423 18K R427 15K R433 750 R435 820 R432 33K R430 39K R424 18K R428 15K R434 750 R436 820 R437 750 R445 100K R449 2.2K R455 2.2K R438 750 R446 100K R450 2.2K R456 2.2K R440 1.8K R444 4.7K R540 1.8K R544 4.7K R531 33K R529 39K R523 18K R527 15K R533 1.5K R535 1.8K R532 33K R530 39K R524 18K R528 15K R534 1.5K R536 1.8K R537 1.5K R545 100K R549 2.2K R555 2.2K R538 1.5K R546 100K R550 2.2K R556 2.2K R639 1.8K R643 4.7K R640 1.8K R644 4.7K R631 33K R629 39K R623 18K R627 15K R633 1.5K R635 1.8K R637 1.5K R645 100K R649 2.2K R655 2.2K R632 33K R630 39K R624 18K R628 15K R634 1.5K R636 1.8K R638 1.5K R646 100K R650 2.2K R656 2.2K Q411 HN1C03F 5 3 4 Q411 HN1C03F 2 6 1 Q412 HN1C03F 5 3 4 Q412 HN1C03F 2 6 1 Q511 HN1C03F 5 3 4 Q511 HN1C03F 2 6 1 Q512 HN1C03F 5 3 4 Q512 HN1C03F 2 6 1 Q611 HN1C03F 2 6 1 Q611 HN1C03F 5 3 4 Q612 HN1C03F 2 6 1 Q612 HN1C03F 5 3 4 SW+12V V+8V MUTE+12V XAMUTE +B AGND AUDIO_R -B AGND AUDIO_L AGND P_ON FLAC2 +B FLAC1 GND -27V AGND -B GND SW+5V GNDM V+6M SW+12V EVER+5V XFRST0 DATA0 BCK LRCK MCLK2 XDFSCK XDFSO MUTE+12V XCSDF0 XAMUTE MUTE+12V DACCLK XMMUTE V+3V MCLK1 MCLK2 V+3V MCLK3 MCLK4 DOUT +B XDFSO GND XAMUTE AGND XDFSCK -B XMMUTE XFRST1 DATA1 BCK BCK DATA1 BCK MCK BCK DATA2 LRCK MCLK3 XCSDF1 DATA0 XDFSCK XFRST1 XDFSO LRCK XCSDF1 XFRST0 XCSDF0 XMMUTE MUTE+12V MUTE+12V XMMUTE FLAC1 FLAC2 -27V DOUT VCOFF XFRST1 LT RI DATA2 +B XRESET BCK GND LRCK AGND P_ON MCLK4 -B XRADY XDFSCK XDFSO RI SO XCSDF1 SI SCK XMMUTE MUTE+12V NAAR-7224 MUP Type only Q902,C906 +B -B AGND V+8V to P250A(AV CONNECTOR) MUP Type only CENTER SUBWOOFER R L R L R R L L ANALOG OUTPUT CH-1 CH-2 FRONT SURR RI P301 OPTICAL COAXIAL DIGITAL OUTPUT To POWER SUPPLY UNIT CN2 to DVD MAIN BOARD CN401 to NADIS-7215 P701B to NAAF-7225 P471A U9 (1/2) NC : No connecton to NAAR-7224(2/2) 11.3 8.7 5.0 3.3 5.0 5.0 5.8 3.3 DV-S757 SCHEMATIC DIAGRAMS-2 OUTPUT TERMINAL PC BOARD w w w . x i a o y u 1 6 3 . c o m Q Q 3 7 6 3 1 5 1 5 0 9 9 2 8 9 4 2 9 8 T E L 1 3 9 4 2 2 9 6 5 1 3 9 9 2 8 9 4 2 9 8 0 5 1 5 1 3 6 7 3 Q Q TEL 13942296513 QQ 376315150 892498299 TEL 13942296513 QQ 376315150 892498299 http://www.xiaoyu163.com A 1 2 3 4 5 B C D E F G H DV-S757 P710B TO DISPLAY P353 P351 CTS 4 DTR 3 GNDD 6 NC 7 RXD 2 TXD 1 V+5D 5 Q810 RN1407 Q813 RN1407 Q815 RN2403 Q814 RN2403 Q811 RN2403 Q812 RN2403 Q104 KTA1504 Q105 KTA1504 Q108 KTA1504 Q107 KTA1504 Q106 KTA1504 Q103 KTA1504 Q809 TK25420M 5 6 -B 4 7 Q805 TK15420M 5 6 -B 4 7 Q801 TK15420M 5 6 -B 4 7 Q809 TK15420M 3 +B 8 2 1 Q805 TK15420M 3 +B 8 2 1 Q801 TK15420M 3 +B 8 2 1 Q817 LA7106MFP 1 2 3 4 5 6 7 8 9 10 11 12 13 14 15 16 Q816 LA7106MFP 1 2 3 4 5 6 7 8 9 10 11 12 13 14 15 16 P802 P250A +5V 15 -5V 6 AUDIO_L 16 AUDIO_R 18 B 11 C 3 G 9 GNDA 17 GNDV2 8 GNDV3 10 GNDV4 12 GNDV5 14 R 13 SQUEEZE 19 V 7 V+12V 1 V+8V 20 VSEL1 2 VSEL2 4 Y 5 P801 4 14 1 11 5 15 2 12 7 17 8 18 6 16 3 13 C104470 C805 104K C125 104Z C127 104Z C126 C124 C473 102K C474 102K C475 102K C813 104Z C809 104Z C810 104Z C132 C133 104Z C812 104Z C811 104Z C130 C131 104Z C807 104Z C808 104Z C128 C129 104Z C117 104Z C111 104Z C110 104Z C113 104Z C108 104Z C107 104Z C106 104Z C116 104Z C115 104Z C114 104Z C112104Z C120 104Z C119 104Z C118 104Z C122 C123 104Z C806 104Z C803 104Z C801 104Z C802 104Z C804 104Z C817 104K C816 104K P472 C471 47/16 C472 47/16 C819 100/6.3 C818 100/6.3 C109 100/6.3 C105 100/6.3 C815 100/6.3 C814 100/6.3 R881 NC R882 1K R889 1K R888 1K R802 0 R827 100K R186 1.8K R182 1.8K R185 0 R181 0 R179 3.3K R180330 R184330 R183 NC R104 0 R103 0 R102 0 R101 0 R481 470 R484 470 R483 470 R486 470 R484 470 R482 470 R479 33K R480 33K R472 100 R471 100 R475 10K R476 10K R345 10K R346 10K R347 10K R348 10K R884 100 R886 100 R887 100 R885 1K R196 0 R844 0 R851 1K R850 1K R847 39K R846 2.2K R848 820 R849 NC R854 1.8K R855 1.2K R852 1K R853 NC R147 0 R197 0 R197 NC R198 330 R146 1.8K R857 0 R864 1K R863 1K R860 39K R859 2.2K R861 820 R862 NC R867 1.8K R868 1.2K R865 1K R866 NC R194 0 R192 NC R193 330 R195 1.8K R831 0 R838 1K R837 1K R834 5.1K R833 3.3KK R835 820 R836 NC R841 2.2K R842 3.3K R839 1K R840 NC R191 0 R189 0 R187 NC R188330 R190 1.8K R154 0 R163 1.2K R157 1.2K R159 47K R158 15K R160 6.8K R152 0 R139 0 R137 0 R135 0 R133 0 R131 10K R130 10K R109 0 R129 0 R128 0 R127 0 R126 0 R125 0 R124 0 R123 0 R122 0 R121 0 R120 10K R119 0 R118 0 R117 0 R116 0 R115 0 R114 0 R113 0 R112 0 R111 0 R110 0 R151 10K R150 0 R149 10K R148 0 R17O 2.2K R173 10K R174 2.2K R172 0 R171 0 R169 0 R165 10K R164 10K R168 NC R167 0 R16610K R132 0 R134 0 R138 0 R136 0 R177 0 R175 330 R176 NC R178 1.8K R819 820 R815 0 R809 1K R808 1K R805 5.1K R804 3.3K R806 820 R807 NC R812 2.2K R813 3.3K R810 1K R811 NC R822 1K R821 1K R818 5.1K R817 3,3K R820 NC R825 2.2K R826 3.3K R823 1K R824 NC R874 1K R872 1.5K R870 1K R869 1.5K R871 0 R873 0 R875 10K R876 10K R877 100 R879 100 R880 100 R878 1K R883 0 R218 0 R214 0 R221 75 R217 75 R213 75 R212 0 R210 0 R208 0 R206 0 R204 0 R202 0 R211 75 R209 75 R207 75 R205 75 R203 75 R201 75 R473 20KB R473 20KB Q471 3 2 4 1 Q471 NJM4650D-D 3 8 2 1 L477 BK1608LM182-T L477-L479 L478 L479 L471 BK1608LM182-T L471-L476 L476 L475 L474 L473 L472 L811 NC L809 NC L807 NC L806 NC L805 NC L804 NC L803 NC L802 NC L801 NC CN601 Q102 ADV7190KST AGND1 18 AGND2 24 AGND3 26 AGND4 33 AGND5 39 AGND6 42 AGND7 55 AGND8 64 ALSB 22 BLANK 21 CLKIN 27 CLKOUT 28 COMP1 46 COMP2 35 CSO_HSO 50 DAC_A 45 DAC_B 44 DAC_C 41 DAC_D 40 DAC_E 37 DAC_F 36 HSYNC 19 NC1 53 NC2 57 NC3 58 NC4 59 NC5 60 NC6 61 NC7 62 P0 1 P1 2 P10 11 P11 12 P12 13 P13 14 P14 15 P15 16 P2 3 P3 4 P4 5 P5 6 P6 7 P7 8 P8 9 P9 10 PAL_NTSC 52 RESET49 RSET1 48 RSET2 34 RTC 32 SCL 30 SDA 31 TTX 56 TTXREQ 23 VAA1 17 VAA2 25 VAA3 29 VAA4 38 VAA5 43 VAA6 54 VAA7 63 VREF 47 VSO/CLAMP 51 VSYNC 20 XVQFRST P/XN LT XRESET TXD SI RXD SO DTR SCK CTS XRADY AD-V AD-YS AD-C PD7 AD-Y/D PD6 PD5 PD4 AD-CB/B PD3 AD-CR/R PD2 PD1 PD0 HSYNC VSYNC XVOFRSI AV1CLK SCL1 SDA0 P/XN P/X1 VSEL1 LETTER HSYNC VSYNC AV1CLK SCL0 SDA0 SQUEEZE VSEL2 SCK SI SO TXD AUDIO-LCH RXD AUDIO-GND DTR AUDIO-RCH SQUEEZE LETTER CIS COMPONENT VIDEO S VIDEO VIDEO OUTPUT 2SA1162 2SA1162 or or 2SA1162 or 2SA1162 or or or 2SA1162 2SA1162 NO Use NO Use NAAR-7224(2/2) NAAF-7225 1.2K NC NC 1.8K 1.8K 2.2K 1.2K 39K 39K 2.2K 5.1K 3.3K 3.3K 2.2K 3.3K 2.2K NC NC NC NC OTHERS MUP2P R868 R867 R860 R859 R855 R854 R847 R846 R834 R833 V+12V V+8V AUDIO-GND AUDIO-LcH AUDIO-RcH VC OFF AD-CB/B AD-CR/R AD-Y/G AD-YS AD-C AD-V P471A Rch GND Lch -B +B GND GND EVER+5V SW+5V -B GND +B for FL Micon DL GND SO SI SCK XRESET EVER+5V IC NC SW+5V V+3V GND GND6 VSEL2 40 39 SQUEEZE LETTER VSEL1 P/X1 P/XN 38 37 36 35 34 33 32 SDA0 SCL0 GND5 DND4 AV1CLK GND3 GND2 31 30 29 28 27 26 25 24 23 22 XVQERST AV1VSYNC AV1HSYNC PD0 PD1 PD2 PD3 PD4 PD5 PD6 PD7 XCSVQE VQESSO VQESCK XCSVQE5 21 20 19 18 17 16 15 14 13 12 GND1 XREADY CTS SSCK DTR S[F_TO_M] RXD S[M_TO_M TXD XRESET LT1 11 10 9 8 7 6 5 4 3 2 1 Y (GRN) PB (BLU) PR (RED) PHONES PHONES LEVEL for UPGRADE FIRMWARE to DVD MAIN BOARD CN501 to NAAR-7224 P471B to NAVD-7217 P250B MUP Type only U9 U10 MUT,MUR,MUS Type only to NAAR-7224(1/2) to NAAR-7224(1/2) to NAAR-7224(1/2) SCHEMATIC DIAGRAMS-3 OUTPUT TERMINAL PC BOARD PHONES JACK PC BOARD w w w . x i a o y u 1 6 3 . c o m Q Q 3 7 6 3 1 5 1 5 0 9 9 2 8 9 4 2 9 8 T E L 1 3 9 4 2 2 9 6 5 1 3 9 9 2 8 9 4 2 9 8 0 5 1 5 1 3 6 7 3 Q Q TEL 13942296513 QQ 376315150 892498299 TEL 13942296513 QQ 376315150 892498299 http://www.xiaoyu163.com DV-S757 DV-S757 CN302 CN601 P301 P351 P352A P401 P402 P701 P801 P901 P250A P303A P303B P471B U301 U302 NAAR-7224 P472 P471A R473 NAAF-7225 D721 D722 JL771B S721 S722 S723 NADIS-7216 STANDBY VIDEO CIRCUIT OFF DIMMER P981A P982B P982A BROWN WHITE D703 D710 D709 D706 D707 JL771A P731 P701B Q702 Q705 S704 S705 S706 S707 S708 S709 S710 S711 S701 S702 S703 S712 S713 S714 S715 CLEAR LAST REPEAT RANDOM TOP-MENU MENU RETURN SETUP DISPLAY OPEN RW FF PAUSE STOP PLAY P710A D708 D705 D704 MEMORY P250B P251 S991 P982C P982D NAPS-7219 OPERATION SWITCH PC BOARD NADIS-7215 NASW-7218 POWER SWITCH PC BOARD CN103 CN101 CN104 CN105 LORDING MOTOR ASSY NGPS-0021 CN501 CN401 CN2 GND +3.3V GND SW+5V GND V+12V MGND M+5V GND EVER+5V P ON FLAC2 FLAC1 -27V AC-H AC-L U9 U2 U10 U5 U1 U3 U4 Z11 U11 Z10 PC BOARD CONNECTION DIAGRAM NAVD-7217 AV CONNECTOR PC BOARD DB-VLD301-006 DVD MECHANISM AC INLET PC BOARD POWER SUPPLY DB-VPB302 DVD MAIN BOARD OUTPUT TERMINAL PC BOARD HEADPHONE PC BOARD DISPLAY PC BOARD CURSOR SWITCH S731 PICKUP UNIT SPINDLE MOTOR ASSY STEPPING MOTOR ASSY MUP Type only www . x ia o y u 1 6 3 . c o m QQ 3 7 6 3 1 5 1 5 0 9 9 2 8 9 4 2 9 8 TE L 1 3 9 4 2 2 9 6 5 1 3 9 9 2 8 9 4 2 9 8 0 5 1 5 1 3 6 7 3 Q Q TEL 13942296513 QQ 376315150 892498299 TEL 13942296513 QQ 376315150 892498299 http://www.xiaoyu163.com DV-S757 DV-S757 A 1 2 3 4 B C D E U1 C701 C703 C704 D703 D710 D709 D706 D707 JL771A P731 P701B Q702 Q702 Q703 Q705 Q705 S704 S705 S706 S707 S708 S709 S710 S711 S701 S702 S703 S712 S713 S714 S715 X701 J751 J728 J704 J718 J712 J709 J711 J708 J713 J746 J731 J741 J736 J733 J750 J722 J723 J739 J740 J726 J749 J744 J745 J725 J724 J730 J732 J727 J717 J714 J706 J715 J743 CLEAR LAST REPEAT RANDOM TOP-MENU MENU RETURN SETUP DISPLAY OPEN RW FF PAUSE STOP PLAY J702 J737 J735 J748 J752 J716 J747 J742 J734 J703 Q724 Q723 J705 J710 J720 R785 J719 J721 J738 J729 P710A J701 NCDIS-7215 25137215B D708 J707 D705 D704 J753 J754 DPS_7.2 MEMORY 1 SCK 232SO SI 232SCK SO 232SI XRDY 232BU PON 232RE RESET RI LT1 GND2 VCOFF GND1 E+5V -27V FLAC1 FLAC2 NC SRESET DOWN UP GND ENTER LEFT RIGHT +5V KO GND STB_L VOF_L DV-S757 C702 D701 D702 Q701 Q701 Q704 Q706 Q707 Q708 Q709 Q710 R701 R702 R703 R704 R705 R706 R707 R708 R709 R710 R711 R712 R713 R714 R715 R716 R718 R717 R719 R720 R721 R722 R723 R724 R725 R726 R727 R728 R729 R776 R732 R736 R737 R738 R739 R740 R741 R733 R734 R735 R743 R744 R745 R746 R747 R748 R749 R750 R751 R752 R753 R754 R755 R756 R757 R758 R759 R054 R052 R742 R057 R058 R781 R780 R051 1 80 R782 R053 R056 R055 C706 R059 R787 R786 R060 Q711 R760 R730 R731 Q712 R790 R789 R788 R777 15 12 7 7 7 7 7 7 7 7 15 15 17 30 30 7 20 7 22 17 7 7 27 27 20 25 12 17 25 12 15 7 7 7 7 PRINTED CIRCUIT BOARD VIEWS-1 Component side Soldering side DISPLAY PC BOARD (NADIS-7215) www . x ia o y u 1 6 3 . c o m QQ 3 7 6 3 1 5 1 5 0 9 9 2 8 9 4 2 9 8 TE L 1 3 9 4 2 2 9 6 5 1 3 9 9 2 8 9 4 2 9 8 0 5 1 5 1 3 6 7 3 Q Q TEL 13942296513 QQ 376315150 892498299 TEL 13942296513 QQ 376315150 892498299 http://www.xiaoyu163.com DV-S757 DV-S757 A 1 2 3 4 B C D E U2 U3 U5 U4 C251 C253 C254 C255 C256 C257 C258 E201A P251 Q259 Q260 J205 J203 J211 J210 J209 J214 J213 J212 J215 J217 Q261 Q262 R287 R288 J206 J207 J216 J218 NCVD-7217 25137217 2 J204 J202 J201 J219 J208 P250B E201B V+8V SQUEEZE AUDIO_R GNDA AUDIO_L +5V GNDV5 R GNDV4 B GNDV3 G GNDV2 V -5V Y VSEL2 C VSEL1 V+12V J220 C265 S991 S991 C991 P982C P982D NCSW-7218 25137218 0 P981A P981A P982B P982A NCPS-7219 25137219 BROWN WHITE 0 D721 D722 JL771B S721 S722 S723 NCDIS-7216 25137216 0 STANDBY VIDEO CIRCUIT OFF DIMMER C252 C259 C260 C261 C262 C264 D251 D252 L251 L252 L253 L254 Q251 Q251 Q252 Q252 Q253 Q254 Q255 Q256 Q258 R251 R252 R253 R254 R255 R256 R257 R258 R259 R260 R261 R262 R263 R264 R265 R266 R267 R273 R274 R275 R276 R277 R278 R279 R280 R575 R574 R571 R286 R285 1 1 R572 R268 R270 C263 Q721 Q722 R771 R772 R773 R774 R041 7 7 15 12 15 15 7 12 12 7 7 PRINTED CIRCUIT BOARD VIEWS-2 AV CONNECTOR PC BOARD (NAVD-7217) OPERATION SWITCH PC BOARD (NADIS-7216) POWER SWITCH PC BOARD (NASW-7218) AC INLET PC BOARD (NAPS-7219) Component side Soldering side Component side Soldering side Soldering side Soldering side www . x ia o y u 1 6 3 . c o m QQ 3 7 6 3 1 5 1 5 0 9 9 2 8 9 4 2 9 8 TE L 1 3 9 4 2 2 9 6 5 1 3 9 9 2 8 9 4 2 9 8 0 5 1 5 1 3 6 7 3 Q Q TEL 13942296513 QQ 376315150 892498299 TEL 13942296513 QQ 376315150 892498299 http://www.xiaoyu163.com DV-S757 DV-S757 Soldering side OUTPUT TERMINAL PC BOARD (NAAR-7224) A 1 2 3 4 B C D E U9 C003 C004 PRINTED CIRCUIT BOARD VIEWS-3 www . x ia o y u 1 6 3 . c o m QQ 3 7 6 3 1 5 1 5 0 9 9 2 8 9 4 2 9 8 T E L 1 3 9 4 2 2 9 6 5 1 3 9 9 2 8 9 4 2 9 8 0 5 1 5 1 3 6 7 3 Q Q TEL 13942296513 QQ 376315150 892498299 TEL 13942296513 QQ 376315150 892498299 http://www.xiaoyu163.com DV-S757 DV-S757 Component side U9 OUTPUT TERMINAL PC BOARD (NAAR-7224) A 1 2 3 4 B C D E PRINTED CIRCUIT BOARD VIEWS-4 www . x ia o y u 1 6 3 . c o m QQ 3 7 6 3 1 5 1 5 0 9 9 2 8 9 4 2 9 8 T E L 1 3 9 4 2 2 9 6 5 1 3 9 9 2 8 9 4 2 9 8 0 5 1 5 1 3 6 7 3 Q Q TEL 13942296513 QQ 376315150 892498299 TEL 13942296513 QQ 376315150 892498299 http://www.xiaoyu163.com DV-S757 DV-S757 A 1 2 3 4 B C D E C4 C475 L476 L476 L475 L475 L475 L4 L4744 L474 R472 R472 R471 R471 R4 R487 472 472 C472 C472 E471 E471 P472 72 P4 25137225 3722 25513 2 P473 P DV-S757 757 -S7 U10 PRINTED CIRCUIT BOARD VIEWS-5 Component side Soldering side PHONES JACK PC BOARD (NAAF-7225) www . x ia o y u 1 6 3 . c o m QQ 3 7 6 3 1 5 1 5 0 9 9 2 8 9 4 2 9 8 T E L 1 3 9 4 2 2 9 6 5 1 3 9 9 2 8 9 4 2 9 8 0 5 1 5 1 3 6 7 3 Q Q TEL 13942296513 QQ 376315150 892498299 TEL 13942296513 QQ 376315150 892498299 http://www.xiaoyu163.com DV-S757 A 1 2 3 4 5 B C D PRINTED CIRCUIT BOARD VIEWS-6 Top pattern and top silk MAIN CIRCUIT PC BOARD (DB-VPB302) www. xiaoyu163. com QQ 376315150 9 9 2 8 9 4 2 9 8 TEL 13942296513 9 9 2 8 9 4 2 9 8 0 5 1 5 1 3 6 7 3 Q Q TEL 13942296513 QQ 376315150 892498299 TEL 13942296513 QQ 376315150 892498299 http://www.xiaoyu163.com DV-S757 A 1 2 3 4 5 B C D SPINDLE MOTOR PICKUP ASSY STEPPING MOTOR (CARRIAGE) LOAB PC BOARD PRINTED CIRCUIT BOARD VIEWS-7 Bottom pattern and bottom silk MAIN CIRCUIT PC BOARD (DB-VPB302) LOAB PC BOARD (VNP1836) This PC Board is includes the DVD mechanism assy. www. xiaoyu163. com QQ 376315150 9 9 2 8 9 4 2 9 8 TEL 13942296513 9 9 2 8 9 4 2 9 8 0 5 1 5 1 3 6 7 3 Q Q TEL 13942296513 QQ 376315150 892498299 TEL 13942296513 QQ 376315150 892498299 http://www.xiaoyu163.com DS-S757 NOTE : THE COMPONENTS IDENTIFIED BY MARK ARE CRITICAL FOR RISK OF FIRE AND ELECTRIC SHOCK. REPLACE ONLY WITH PART NUMBER SPECIFIED. NOTE: PRINTED CIRCUIT BOARD PARTS LIST-1 :European arer(Regional restriction code-2) :Some Asian arer(Regional restriction code-3) :South American arer(Regional restriction code-4) :Chinese arer(Regional restriction code-6) DISPLAY PC BOARD (NADIS-7215-1B/1C/D/E) FL tube Q702 212219 14-BT-68GNK Remote sensor Q705 241336 PIC-37043TH2 ICs Q701 22241734R3 or MPD780232GC-047-8BT Q712 22241713R2 BD4742G Transistors Q704 2216230R2 or KRA103S or 2214540R2 RN2403 Q706, Q711 2216340R2 or KRC107S or 2216260R2 RN1407 Diodes D701 223234R2 or 1SS352 or 223269R2 1SS355 D702 224550560R2 UDZS5.6B D703 225374 SEL2E10C, LED D704,D705 225374 SEL2E10C D706-D708 225291D SEL4910D-D, LED Ceramic resonator X701 3010242 CST5.00MGW Capacitors C701,C704 355721019 CE04W6.3V-100uF, Elect. C703 355782209 CE04W50V-22uF, Elect. Push switches S701-S715 25035699 NPS-111-S662 Sockets JL771A 25051089 NSCT-5P876,Wire holder P701B 25052359 or NSCT-22P2256 or 25051904 or NSCT-22P1691 or 25052543 NSCT-22P2440 P731 25052344 or NSCT-7P2241 or 25051889 or NSCT-7P1676 or 25052528 NSCT-7P2425 FL folder Q702B 27191141 Folder LED holder D704A,D705A 27191150 Folder Push switches S721-S723 25035699 NPS-111-S662 Plug JL771B 25055626 NPLG-5P588, Wire trap AV CONNECTOR PC BOARD(NAVD-7217-1B) ICs Q251 222840531R2TO TC4053BF Q252 222740007R2TO TC74HCT00AF Transistors Q253,Q255,Q256 2213144R2 or 2SC2712-Y or 2213145R2 or 2SC2712-GR or 2216174R2 or KTC3875-Y or 2216175R2 KTC3875-GR Q254 2216185R2 or KTA1504-GR or 2214374R2 or 2SA1162-Y or 2214375R2 2SA1162-GR Q258 2216190R2 or KRC102S or 2214470R2 RN1402 Q259,Q260 2216002 or KTC2874-B or 2211705 or 2SD655-E or 2211706 2SD655-F Q261,Q262 2213354 or 2SA933S-R or 2213355 2SA933S-S 2215995 KTA1267-GR Diodes D251,D252 223266R2 1SS226 Coils L251-L254 230958R1 BK1608LM182-T, EMI filter Capacitors C254-C258 354721019 CE04W6.3V-100uF, Elect. C251,C253 354741019 CE04W16V-100uF, Elect. Resistors R287,R288 443524714 RS1/2WBJ-471J OPERATION SWITCH PC BOARD (NADIS-7216-1B/1C/1D/1E) Transistors Q721,Q722 2216340R2 or KRC107S or 2216260R2 RN1407 Sockets P250Bor 25051827 or NSCT-20P1614 or 25052029 or NSCT-20P1816 or 25052216 NSCT-20P2113 P251 25052279 NSCT-21P2176, Scart terminal Reterner E201B 27150455 Shield plate LEDs D721 225290 SEL4110R D722 225291D SEL4910D-D CIRCUIT NO. PART NO. DESCRIPTION CIRCUIT NO. PART NO. DESCRIPTION U1 U2 U3 JL771B Q251, Q252 www. xiaoyu163. com QQ 376315150 9 9 2 8 9 4 2 9 8 TEL 13942296513 9 9 2 8 9 4 2 9 8 0 5 1 5 1 3 6 7 3 Q Q TEL 13942296513 QQ 376315150 892498299 TEL 13942296513 QQ 376315150 892498299 http://www.xiaoyu163.com DV-S757 NOTE : THE COMPONENTS IDENTIFIED BY MARK ARE CRITICAL FOR RISK OF FIRE AND ELECTRIC SHOCK. REPLACE ONLY WITH PART NUMBER SPECIFIED. PRINTED CIRCUIT BOARD PARTS LIST-2 POWER SWITCH PC BOARD (NASW-7218-1B/1C/1D/1E) Capacitor C991 3500196S RE275V-103M, IS capacitor Push switch S991 25035703 or NPS-111-L666P or 25035550 NPS-111-L512P, Power Socket P982B 2009990661UL NSAS-2P0921, Scket AS AC INLET PC BOARD(NAPS-7219-1B) P981A 25056027 NPLG-2P977, AC inlet OUTPUT TERMINAL PC BOARD (NAAR-7224-1B/1C) Photo couplers U301,U302 24120085 GP1FA551TZ, Digital output ICs Q001 22241754R2 TC7WH74FU-TRB Q002,Q003 22241752R2 TC7SH32FU-TCB Q004 22241753R2 TC7SH86FU-TCB Q102 22241636R3 DB-VCP303(ADV7190KST) Q302 22274004HR2TO TC74VHCU04FT Q303,Q304 22241638R2 TC7SHU04FU Q401,Q501,Q601 22241635R2 CS4392-KS Q403,Q404 22241383R2 NJM4565M-D Q503,Q504 22241383R2 NJM4565M-D Q603,Q604 22241383R2 NJM4565M-D Q801,Q805,Q809 22241443R2 TK15420M, IC Q816,Q817 22241465R2 LA7106MFP Q901 22241515R2 PQ025EZ5MZP Q902 222780085 78M08HFB Q903 222780055 78M05HF Q904 22241637R2 NJM2374A Transistors Q103,Q108 2216185R2 or KTA1504-GR or 2214373R2 or 2SA1162-O or 2214374R2 2SA1162-Y Q405-Q408 2216260R2 or RN1407 or 2216340R2 KRC107S Q409,Q410 2214373R2 or 2SA1162-O or 2214374R2 or 2SA1162-Y or 2216185R2 KTA1504-GR Q411,Q412 2216141R2 HN1C03F-B, Transistor Q505-Q508 2216340R2 or KRC107S or 2216260R2 RN1407 Q509,Q510 2214373R2 or 2SA1162-O or 2214374R2 or 2SA1162-Y or 2216185R2 KTA1504-GR Q511,Q512 2216141R2 HN1C03F-B, Transistor Q605-Q608 2216340R2 or KRC107S or 2216260R2 RN1407 Q609,Q610 2214373R2 or 2SA1162-O or 2214374R2 or 2SA1162-Y or 2216185R2 KTA1504-GR Q611,Q612 2216141R2 HN1C03F-B, Transistor Q810,Q813 2216340R2 or KRC107S or 2216260R2 RN1407 Q811,Q812 2216230R2 or KRA103S or 2214540R2 RN2403 Q814,Q815 2216230R2 or KRA103S or 2214540R2 RN2403 Q905 2212644 2SA1358-Y Diodes D901 22380260 or RL1N4003 or 22380032 or 1SR139-100 or 22380035 GP104003E D902 22380293 EG01Z CIRCUIT NO. PART NO. DESCRIPTION U4 U5 U9 CIRCUIT NO. PART NO. DESCRIPTION NOTE: :European arer(Regional restriction code-2) :Some Asian arer(Regional restriction code-3) :South American arer(Regional restriction code-4) :Chinese arer(Regional restriction code-6) www. xiaoyu163. com QQ 376315150 9 9 2 8 9 4 2 9 8 TEL 13942296513 9 9 2 8 9 4 2 9 8 0 5 1 5 1 3 6 7 3 Q Q TEL 13942296513 QQ 376315150 892498299 TEL 13942296513 QQ 376315150 892498299 http://www.xiaoyu163.com DV-S757 NOTE : THE COMPONENTS IDENTIFIED BY MARK ARE CRITICAL FOR RISK OF FIRE AND ELECTRIC SHOCK. REPLACE ONLY WITH PART NUMBER SPECIFIED. PRINTED CIRCUIT BOARD PARTS LIST-3 Coils L302,L303,L304 230958R1 BK1608LM182-T, EMI filter L477,L478,L479 230958R1 BK1608LM182-T, EMI filter L901 231253K471 NCH-1510, Choke coil Capacitors C105,C109 354721019 CE04W6.3V-100uF, Elect. C306,C309,C410 354721019 CE04W6.3V-100uF, Elect. C412,C512,C612 354722219 CE04W6.3V-220uF, Elect. C414,C416 354780109 CE04W50V-1uF, Elect. C427,C428 354721019 CE04W6.3V-100uF, Elect. C429,C430 374721014 ECQ-B50V-101J, Plastic C431,C432 374722224 ECQ-B50V-222J, Plastic C435,C436 354721019 CE04W6.3V-100uF, Elect. C437,C438 354782209 CE04W50V-22uF, Elect. C510,C527,C528 354721019 CE04W6.3V-100uF, Elect. C514,C516 354780109 CE04W50V-1uF, Elect. C529,C530 374722224 ECQ-B50V-222J, Plastic C531,C532 374724724 ECQ-B50V-472J, Plastic C535,C536 354721019 CE04W6.3V-100uF, Elect. C537,C538 354782209 CE04W50V-22uF, Elect. C610,C627,C628 354721019 CE04W6.3V-100uF, Elect. C614,C616 354780109 CE04W50V-1uF, Elect. C629,C630 374722224 ECQ-B50V-222J, Plastic C631,C632 374724724 ECQ-B50V-472J, Plastic C635,C636 354721019 CE04W6.3V-100uF, Elect. C637,C638 354782209 CE04W50V-22uF, Elect. C814,C815 354721019 CE04W6.3V-100uF, Elect. C818,C819,C915 354721019 CE04W6.3V-100uF, Elect. C905,C907 354741019 CE04W16V-100uF, Elect. C906 354741019 CE04W16V-100uF, Elect. C908,C910,C923 354742219 CE04W16V-220uF, Elect. C912 354741029S CE04W16V-1000uF, Elect. C913 354744719 CE04W16V-470uF, Elect. C917,C919,C921 354722219 CE04W6.3V-220uF, Elect. Resistors R903 453534794 RNU1/2WCJ-R47 R910 453530824 RNU1/2WCJ-8R2 Jacks P301 25045589 NPJ-2PDB400, RI P302 25045548 NPJ-1PDOR369, Coaxial P401 25045594 NPJ-4PDWR405 P402 25045669 NPJ-6PDBRW467 P801 25045659 NPJ-10PDBY458, S video P802 25045622 NPJ-3PDGLR429, Component video Sockets CN302,CN601 25052612 NSCT-40P2509 P250A 25052216 or NSCT-20P2113 or 25051827 or NSCT-20P1614 or 25052029 NSCT-20P1816 P303A 200BB190415UL NSAS-4P0816, Socket AS P351 25052344 NSCT-7P2241 P701 25052322 NSCT-22P2219 P901 2002A392815 NSAS-28P0742, Socket AS Radiator Q903a 27160145 RAD-51 Screw Q903b 838430107 3TTB+10S(BC) PHONES JACK PC BOARD(NAETC-7225-1B/1C) IC Q471 22240581R2 or NJM4565M or 22241383R2 NJM4565M-D Coils L471-L476 230958R1 BK1608LM182-T, EMI filter Capacitors C471,C472 354744709 CE04W16V-47uF, Elect. Resistor R473 5112463 N09RGL20KB20M, Phones level Jack P472 25045255 YKB26-5009, Phones Socket P471A 2009990698UL NSAS-12P0973, Socket AS CIRCUIT NO. PART NO. DESCRIPTION CIRCUIT NO. PART NO. DESCRIPTION U10 NOTE: :European arer(Regional restriction code-2) :Some Asian arer(Regional restriction code-3) :South American arer(Regional restriction code-4) :Chinese arer(Regional restriction code-6) www. xiaoyu163. com QQ 376315150 9 9 2 8 9 4 2 9 8 TEL 13942296513 9 9 2 8 9 4 2 9 8 0 5 1 5 1 3 6 7 3 Q Q TEL 13942296513 QQ 376315150 892498299 TEL 13942296513 QQ 376315150 892498299 http://www.xiaoyu163.com DV-S757 DV-S757 +5V -27V +5V Q702 14-BT-68GNK ENTER 68 170 69 120 9 3 9 3 +5V S731 Q701 MPD780232GC-047-8BT 5 18 19 15 20 16 13 14 11 6 8 9 12 17 1 2 4 3 10 +5V 24 10G 71 11G 70 12G 69 13G 68 14G 67 192LED 41 1G 80 2G 79 3G 78 48LED 48 4G 77 5G 76 6G 75 7G 74 8G 73 96LED 42 9G 72 FL_ON/OFF 35 GND1 GND2 INIT1 IRIN K0 22 K1 21 K2 LEDO 46 LT1 MSO_0 38 MSO_1 37 MSO_2 36 NC1 NC2 OPCLED 45 P1 66 P10 55 P11 54 P12 53 P13 52 P14 51 P15 50 P2 65 P3 64 P4 63 P5 62 P6 61 P7 58 P8 57 P9 56 PAUSELED 47 PLYLED 43 PON POWERLED 49 R232BUSY 29 R232REQ 28 R232RESET 34 R232SCK 31 R232SI 30 R232SO 32 RESET SI SO STBYLED 39 STPLED 44 SYSIN 26 SYSOUT 27 SYSRESET TEST 33 VCOFF VDD0 25 VDD1 VDD2 59 VC OFFLED 40 VLOAD 60 VSS0 23 VSS1 X1 X2 XRDY XSCK 7 IC601 PD6354A Q712 BD4742 RI REMOTE CONTROL Q816 LA7106MFP Q817 LA7106MFP VIDEO Y,PB,PR COMPONENT Q704 Z10 DB-VPD302 U11 X701 5MHz P301 MICROPROCESSOR CONNECTION DIAGRAM OPERATION SWITCH CURSOR SWITCH Q705 REMOTE SENSOR SYSTEM CONTROL CPU RESET IC FL TUBE INDICATOR INITIALIZING (MODEL SETTING) VIDEO AMP VIDEO AMP VIDEO SIGNAL IN VIDEO SIGNAL IN BUFFER MAIN BOARD POWER SUPPLY UNIT GRID SEGMENT INITIALIZING www . x ia o y u 1 6 3 . c o m QQ 3 7 6 3 1 5 1 5 0 9 9 2 8 9 4 2 9 8 TE L 1 3 9 4 2 2 9 6 5 1 3 9 9 2 8 9 4 2 9 8 0 5 1 5 1 3 6 7 3 Q Q TEL 13942296513 QQ 376315150 892498299 TEL 13942296513 QQ 376315150 892498299 http://www.xiaoyu163.com DV-S757 DV-S757 Q701: MPD78022GC-047-8BT 1 2 5 6 7 8 9 10 11 12 13 14 15 16 17 18 19 20 21 22 23 24 25 26 27 28 29 30 31 32 33 34 35 36 37 38 39 40 3 4 Vdd1 Vss1 GND RESET XSCK SI SO XRDY PON SYSRESET IRIN LT1 VCOFF GND INIT1 K2 K1 K0 Vss0 +5V Vdd0 SYSIN I SYSOUT O R232REQ I R232BUSY I R232SI I R232SCK O R232SO O TEST I R232RESET O FLON_OFF O MS0_2 I MS0_1 I MS0_0 I STBYLED O VCOFFLED O X2 X1 41 42 43 44 45 46 47 48 49 50 51 52 53 54 55 56 57 58 59 60 61 62 63 64 65 66 67 68 69 70 71 72 73 74 75 79 80 76 77 78 SMP192LED SMP96LED PLYLED STPLED OPCLLED P15 P14 P13 P12 P11 P10 P9 P8 P7 Vdd2 Vload P6 P5 P4 P3 P2 P1 14G 13G 12G 11G 10G 9G 8G 7G 6G 5G 4G 3G 2G 1G O O O O O O O O O O O O O O O O O O O O O O O O O O O O O O O O O O I/O I/O Power supply, +5V Output pin of sampling rate 192 LED. control. Ground pin Output pin of sampling rate 96 LED control. Main clock input pin (5MHz) Output pin of Play LED control. Main clock input pin (5MHz) Output pin of Stop LED control. . Ground pin Output pin of Open/ close LED control. Reset pin of microprocessor Not used Not used Not used Not used Output pin for FL segment (P15) control. Output pin of Power ON control signal for system microcomputer. Not used Not used Input pin of remote control signal from remote sensor. Input pin of LT data for communication with the system microcomputer. Output pin of video circuit control signal. Ground pin for D/A converter. Input pin for initializing set. (Analog signal) Power supply pin (+5V) Input pin for the key operation of the unit. FIP control pin to connect pull down resistor Ground pin Power supply pin of D/A converter, +5V Power supply, +5V Input pin of system control signal (RI). Output pin for FL grid (G14) control. Input pin of REQ signal from microprocessor for RS-232C driver. Input pin of BUSY signal from microprocessor for RS-232C driver Input pin of SI signal from microprocessor for RS-232C driver Input pin of SCK signal from microprocessor for RS-232C driver Input pin of SO soignal from microprocessor for RS-232C driver Input pin for test mode. Output pin of reset signal to microprocessor of RS-232C driver Output pin of FL filament on/off control. Input pin-2 for initializing. (for model select) Output pin of standby LED control . Output pin of video circuit off LED control. PIN NO. MICROPROCESSOR TERMINAL DESCRIPTION FUNCTION FUNCTION PIN NO. DESCRIPTION DESCRIPTION Output pin of the clock for the communication with the system microcomputer, and the writing the data to flash ROM Input pin of the data for the communication with the system microcomputer, and the writing the data to flash ROM Output pin of the data for the communication with the system microcomputer, and the writing the data to flash ROM Output pin of the XRDY signal for the communication with the system microcomputer. Output pin of reset signal for system microcomputer. Input pin for the key operation of the unit. Input pin for the key operation of the unit. Output pin of system control signal (RI). Input pin-1 for initializing set. (for model select) Input pin-0 for initializing set. (for model select) Output pin for FL segment (P14) control. Output pin for FL segment (P13) control. Output pin for FL segment (P12) control. Output pin for FL segment (P11) control. Output pin for FL segment (P10) control. Output pin for FL segment (P9) control. Output pin for FL segment (P8) control. Output pin for FL segment (P7) control. Output pin for FL segment (P6) control. Output pin for FL segment (P5) control. Output pin for FL segment (P4) control. Output pin for FL segment (P3) control. Output pin for FL segment (P2) control. Output pin for FL segment (P1) control. Output pin for FL grid (G12) control. Output pin for FL grid (G13) control. Output pin for FL grid (G11) control. Output pin for FL grid (G10) control. Output pin for FL grid (G9) control. Output pin for FL grid (G6) control. Output pin for FL grid (G4) control. Output pin for FL grid (G3) control. Output pin for FL grid (G2) control. Output pin for FL grid (G1) control. Output pin for FL grid (G8) control. Output pin for FL grid (G7) control. Output pin for FL grid (G5) control. www . x ia o y u 1 6 3 . c o m QQ 3 7 6 3 1 5 1 5 0 9 9 2 8 9 4 2 9 8 TE L 1 3 9 4 2 2 9 6 5 1 3 9 9 2 8 9 4 2 9 8 0 5 1 5 1 3 6 7 3 Q Q TEL 13942296513 QQ 376315150 892498299 TEL 13942296513 QQ 376315150 892498299 http://www.xiaoyu163.com DV-S757 2 14 3 4 1 1 19 2 3 4 DISASSEMBLING PROCEDURES-1 How to remove the DVD mechanism from chassis Begin to pull the tray by rotating the gear pulley (14) clockwise. bottom view Remove the tray panel. tray panel Remove the four screws which is fixing the dvd mechanism to the chassis, and remove the mechanism from chassis. Remove the top cover Remove the screw and remove the bridge (19). screw Begin to pull the tray by rotating the gear pulley (14) clockwise. How to disassembling the DVD mechanism Remove the tray by pressing down the stopper SW lever (17). tray Set the pick short switch to short side. [NOTE] Do not disconnect the FFC and wire before doing this work. short open stopper 1. Optical pick-up are parts which are easy to receive damage with static electricity. Therefore, in case reassembly mechanism, take the measures against static electricity. 2. The number of ( ) in the explanatory note and in the figure shows Ref. No. of the exploded view. www. xiaoyu163. com QQ 376315150 9 9 2 8 9 4 2 9 8 TEL 13942296513 9 9 2 8 9 4 2 9 8 0 5 1 5 1 3 6 7 3 Q Q TEL 13942296513 QQ 376315150 892498299 TEL 13942296513 QQ 376315150 892498299 http://www.xiaoyu163.com DV-S757 5 6 7 7 6 1 DISASSEMBLING PROCEDURES-2 Disconnect the three FFCs and the wire from the main board. How to disassembling the DVD mechanism stopper main board FFC FFC FFC wire Remove the two screws which is fixing the main board to the mechanism, and remove the main board. Remove the traverse unit by pressing down the four stoppers. stopper stopper stopper traverse unit How to reassembling the DVD mechanism 1. To reassemble each mechanism, reverse the applicable "disassemble procedures". Notes in each process 1. Attachment of tray. Insert it after matching the triangle mark of the loading base and the position of pin on the drive cam pin triangle mark Set the pick short switch to open side. [NOTE] Do not set the switch to open side before doing connect the FFC and wire to main board. short open 2. Set the pickup short switch. Replacement of DVD main board After replacement of the DVD main board (DB-VPB302) should do the following work. 1. Setup of the firmware Firmware already exists in the ma inboard. Be sure to check the version of the firmware. 2. Set the region code It is unnecessary. Unit is power on, the region code will be set up automatically. 3. Set the ID number The necessity of inputting ID data into the unit. Refer to "Setting the ID number and ID data" of "UPGRADE FIRMWARE" about the method of input ID data. Refer to "UPGRADE FIRMWARE" www. xiaoyu163. com QQ 376315150 9 9 2 8 9 4 2 9 8 TEL 13942296513 9 9 2 8 9 4 2 9 8 0 5 1 5 1 3 6 7 3 Q Q TEL 13942296513 QQ 376315150 892498299 TEL 13942296513 QQ 376315150 892498299 http://www.xiaoyu163.com DV-S757 UPGRADE FIRMWARE-1 RS-232C Cable (Straight type Cable) D-Sub 25pin (Female type) D-Sub 9pin (Male type) ID DATA DISC (DB-VPB302) Part No. 0R117 REMOTE CONTROLLER for UPGRADE Part No. 24140451S Monitor TV It is used for the input of ID data. It is remote control of the exclusive use for inputting ID data. Can not the input of ID data by remote controller attached to the unit. INTERFACE JIG Part No. GGF1348 Part No. 0J13 or Flexible flat cable Part No.:GGD1231 or 0F001 or D-Sub 9pin (Male type) D-Sub 9pin (Female type) PC (Personal computer) Video cable When using 0J13 When using GGF1348 Prepares for upgrade firmware www. xiaoyu163. com QQ 376315150 9 9 2 8 9 4 2 9 8 TEL 13942296513 9 9 2 8 9 4 2 9 8 0 5 1 5 1 3 6 7 3 Q Q TEL 13942296513 QQ 376315150 892498299 TEL 13942296513 QQ 376315150 892498299 http://www.xiaoyu163.com DV-S757 AC INLET Y P B P R COMPONENT VIDEO S VIDEO OPTICAL COAXIAL REMOTE CONTROL DIGITAL OUTPUT CH 1 CH 2 FRONT SURR CENTER SUB WOOFER VIDEO OUTPUT ANALOG OUTPUT L R MODEL NO. DV-S757 DVD AUDIO / VODEO PLAYER 25P 9P UPGRADE FIRMWARE-2 Flexible flat cable INTERFACE JIG Part No.GGF1348 RS-232C Cable To PC PC (Personal computer) Connections Monitor TV Video in Connect to CN1 Connect to CN2 DO NOT connect the mains lead at this time INTERFACE JIG Part No.0J13 Prepare the file required for rewriting of the firmware. Build the folder to C drive of the hard disk of PC, and put in the file required for the folder. The required file 1. ok_down.exe 3. b1ck1048.sz0 2. down.bat NOTE: This is one example. Rewriting tools Rewriting tools Firmware program The file name changes with versions of the firmware. Rear panel view www. xiaoyu163. com QQ 376315150 9 9 2 8 9 4 2 9 8 TEL 13942296513 9 9 2 8 9 4 2 9 8 0 5 1 5 1 3 6 7 3 Q Q TEL 13942296513 QQ 376315150 892498299 TEL 13942296513 QQ 376315150 892498299 http://www.xiaoyu163.com DV-S757 COND. M TV ON / STANDBY CH + CH - FUNCTION M SEARCH 2 3 4 5 6 7 8 9 1 0 +10 + - TV/ VCR VOL + VOL - TV LAST M DIMMER DISPLAY ANGLE STANDBY ON AUDIO SUBTITLE MENU TOP MENU SETUP RETURN PAUSE DOWN UP FR FF CLEAR PROGRAM DVD RANDOM REPEAT A-B STEP/ SLOW ENTER OPEN /CLOSE KEY B 1 2 3 DVD TV UPGRADE FIRMWARE-3 Pre programming the remote controller Before using remote control for upgrade firmware, it is necessary to carry out the following operation. 1. Set the DVD/TV switch to TV 2. While holding down the STANDBY button on the Remote controller that you want to program, press the ENTER button, and then release both button. 3. 1 key is pushed, it continues within 20 seconds, and 0 key is pushed after that. 4. The complete of the setting of remote control. The order of work In the case of upgrade firmware In the case of replace of the DVD main board Check the firmware Check the ID number Download the firmware Setting the regional code Setting the ID number and data Check the ID number Check the firmware Check of general operation Replace of the DVD main board Setting the ID number and data Check the ID number Check the firmware Check of general operation www. xiaoyu163. com QQ 376315150 9 9 2 8 9 4 2 9 8 TEL 13942296513 9 9 2 8 9 4 2 9 8 0 5 1 5 1 3 6 7 3 Q Q TEL 13942296513 QQ 376315150 892498299 TEL 13942296513 QQ 376315150 892498299 http://www.xiaoyu163.com DV-S757 COND. M CH + CH - FUNCTION M SEARCH 2 3 4 5 6 7 8 9 1 0 +10 + - TV/ VCR VOL + VOL - TV LAST M DIMMER DISPLAY ANGLE STANDBY AUDIO SUBTITLE MENU TOP MENU SETUP RETURN PAUSE DOWN UP FR FF CLEAR PROGRAM DVD RANDOM REPEAT A-B STEP/ SLOW ENTER KEY B 4 5 6 TV DVD Setting TV position [Player's ID Number Setting] ID Number [000000001] compare > Exit Input ID Number ! ********* 000000001 TV DVD Setting TV position UPGRADE FIRMWARE-4 It is necessary to set up an individual number (ID number and ID data) for every player in the DVD audio correspondence player. The guarantee of operation becomes impossible if this ID number and ID data are not set up correctly. About ID number and ID data input It is the following case that the input of ID number is required. 1. After download of the data to the flash ROM of the unit. 2. When displayed on FL display as "No ID Number "after turning ON the power supply of the unit. 3. When displayed on FL display as "No ID DATA". Check ID number. Set-up ID number is displayed. This ID number is recorded in the memorandum. It is displayed also on FL display. 6. Press the B button, and check mode is ended. The input of ID number is needed by the work of rewriting of a farm. Make a note by checking ID number of a set with the following procedure first. 4. Press and hold down CLEAR button, then press the KEY button of remote controller. 5. Press the VOL+ button. 1. Check the connecting the unit to PC and monitor TV. 2. Switch ON the power of unit. 3. Check that the disk is not contained in the unit. Check the firmware 1. Press the SETUP key 2. Operate the CURSOR switch to make up the Setup menu mode are selected on monitor TV. 3. Press the DISPLAY button The region and FW version information will appear on the monitor TV. TV Monitor FL Display www. xiaoyu163. com QQ 376315150 9 9 2 8 9 4 2 9 8 TEL 13942296513 9 9 2 8 9 4 2 9 8 0 5 1 5 1 3 6 7 3 Q Q TEL 13942296513 QQ 376315150 892498299 TEL 13942296513 QQ 376315150 892498299 http://www.xiaoyu163.com DV-S757 C: WINDOWS>_ C: >_ C: dvs757fw>_ Download procedures UPGRADE FIRMWARE-5 1. Start MS-DOS prompt using the start-up menu of PC. [NOTES] This procedure document supposing using Japanese PC. Windows of MS DOS prompt The program file name, the folder name, etc. are examples. 2. Press the Enter button, after inputting cd.. by the keyboard. 3. Press the Enter button, after inputting cd dvs757fw by the keyboard. 4. Press the Enter button, after inputting down b1ck1048.sz0 by the keyboard. dvs757fw : The folder name which saves the program file b1ck1048.sz0 : The program fail name Space Space The file name changes with versions of FW. Zero www. xiaoyu163. com QQ 376315150 9 9 2 8 9 4 2 9 8 TEL 13942296513 9 9 2 8 9 4 2 9 8 0 5 1 5 1 3 6 7 3 Q Q TEL 13942296513 QQ 376315150 892498299 TEL 13942296513 QQ 376315150 892498299 http://www.xiaoyu163.com DV-S757 Download procedures UPGRADE FIRMWARE-6 For continuing the program, please press the any keys. 7. Press the Enter key of PC. 8. Press the Enter button, after inputting MO by the keyboard of PC. 4. Check that the PC and TV monitor are correctly connected with unit. 5. Check that the disk is not contained in the disc. 6. Turn ON the power supply switch of the unit. Please switch on the power supply after connecting the DVD player and PC. www. xiaoyu163. com QQ 376315150 9 9 2 8 9 4 2 9 8 TEL 13942296513 9 9 2 8 9 4 2 9 8 0 5 1 5 1 3 6 7 3 Q Q TEL 13942296513 QQ 376315150 892498299 TEL 13942296513 QQ 376315150 892498299 http://www.xiaoyu163.com DV-S757 ROM ERASE LOADING NO ID MUM! Download procedures UPGRADE FIRMWARE-7 9. Press the Enter button, after inputting SZL by the keyboard of PC. Waiting for from 5 to 10 minutes. The state which download completed The work of download was completed satisfactory. FL Display FL Display The program is checking the circuit. The file(b1ck1048.sz0) specified by the command line is used in this program. The program starts transmission of the data to unit. www. xiaoyu163. com QQ 376315150 9 9 2 8 9 4 2 9 8 TEL 13942296513 9 9 2 8 9 4 2 9 8 0 5 1 5 1 3 6 7 3 Q Q TEL 13942296513 QQ 376315150 892498299 TEL 13942296513 QQ 376315150 892498299 http://www.xiaoyu163.com DV-S757 FUNCTION M SEARCH 2 3 4 5 6 7 8 9 1 0 +10 + - TV DOWN UP FR FF CLEAR PROGRAM DVD RANDOM REPEAT A-B STEP/ SLOW REMOTE CONTROLLER RC -451DV Number button TV DVD Setting TV position TV DVD Setting TV position COND. M CH + CH - FUNCTION M SEARCH 2 3 4 5 6 7 8 9 1 0 +10 + - TV/ VCR VOL + VOL - TV LAST M DIMMER DISPLAY ANGLE STANDBY AUDIO SUBTITLE MENU TOP MENU SETUP RETURN PAUSE DOWN UP FR FF CLEAR PROGRAM DVD RANDOM REPEAT A-B STEP/ SLOW ENTER KEY B 1 2 No ID Number !!! TV Monitor FL display NO ID NUM! [Player's ID Number Setting] ID Number? > - - - - - - - - - Exit Input ID Number! [player's Region setting] <1> : Region 1 <2> : Region 2 <3> : Region 3 <4> : Region 4 <5> : Region 5 <6> : Region 6 Pick out any one of these! REGION INI UPGRADE FIRMWARE-8 Setting the regional code The windows which sets up a region code depending on the destination comes out. Input the region code using remote controller. Destination Operation button name Region code MDD1N MJJ2N MUP2P MUT3P MUT4P MUR6R * * 2 3 4 6 1 2 2 3 4 6 * : About the MDD1N and MJJ2N model, region code are set up automatically. Setting the ID number and ID data TV Monitor Into the input mode of ID number. If input mode requires a unit, the input of the number will be attained. Please input nine-digit ID number in this state. ID number is written to the yellow label also display on the rear panel . 1. Press and hold down the CLEAR button, then press the KEY button 2. Press the VOL+ button. The program is demanding the input of ID number. TV Monitor FL display www. xiaoyu163. com QQ 376315150 9 9 2 8 9 4 2 9 8 TEL 13942296513 9 9 2 8 9 4 2 9 8 0 5 1 5 1 3 6 7 3 Q Q TEL 13942296513 QQ 376315150 892498299 TEL 13942296513 QQ 376315150 892498299 http://www.xiaoyu163.com DV-S757 FUNCTION M SEARCH 2 3 4 5 6 7 8 9 1 0 +10 + - PAUSE DOWN UP FR FF CLEAR PROGRAM RANDOM REPEAT A-B STEP/SLOW KEY B [Player's ID Number Setting] ID Number? > 0 0 0 0 0 0 0 0 1 OK? Complata Mode Enter Input ID Number ! [Player's ID Number Setting] Exit Insert the ID Disc ! IN ID DATA VOL- COND.M CH+ CH- TV/VCR VOL+ VOL- LAST M DIMMER DISPLAY MENU TOP MENU SETUP RETURN PAUSE DOWN UP FR FF ENTER FUNCTION M SEARCH 4 5 6 7 8 9 0 +10 - TV CLEAR PROGRAM DVD RANDOM REPEAT A-B KEY B 5 1, 3 2 [Player's ID Number Setting] Loading The ID data Disc ! [Player's ID Number Setting] Loading The ID data Disc ! [Player's ID Number Setting] Rom Write OK ! Exit RD ID DATA WR ID DATA ID DATA OK UPGRADE FIRMWARE-9 TV Monitor Setting the ID number. 2. Press the VOL - button. TV Monitor FL display If the writing of ID data to a flash ROM is completed, it will be displayed as " Rom Write OK! " ID data setting 1. Press the open/close button of set and the tray is pulled out. 2. Load the ID data disc. 3. Press the open/close button and tray is closed. It becomes such a display during reading of data from CDR. The read-in work of ID data from CDR starts automatically. If reading completes ID data from CDR, next, the writing of ID data to the flash ROM of a set will start. 4. Check being displayed as "Rom Write OK" 1. Input the ID number recorded before using the number button. (Refer to "Check ID number") 6. Put out the disc. 7. Check the ID number. If ID number is set up, it will be in ID data input state from CDR. FL display 8. Check the Firmware. Number key 1,2 - - - 8,9,0 5. Press the B button of remote controller and setting mode is ended. www. xiaoyu163. com QQ 376315150 9 9 2 8 9 4 2 9 8 TEL 13942296513 9 9 2 8 9 4 2 9 8 0 5 1 5 1 3 6 7 3 Q Q TEL 13942296513 QQ 376315150 892498299 TEL 13942296513 QQ 376315150 892498299 http://www.xiaoyu163.com DV-S757 32 30 37 30 32 23,24,25,26 MUP type MUS,MUR,MUT type 33 20,21,22 33 35 2 4 2 1 34 31 10 Front side 5 3 DV-S757 12 13 12 13 13 19 19 36 8 35 34 31 PACKING PROCEDURES www. xiaoyu163. com QQ 376315150 9 9 2 8 9 4 2 9 8 TEL 13942296513 9 9 2 8 9 4 2 9 8 0 5 1 5 1 3 6 7 3 Q Q TEL 13942296513 QQ 376315150 892498299 TEL 13942296513 QQ 376315150 892498299 http://www.xiaoyu163.com DV-S757 PACKING PARTS LIST :European arer(Regional restriction code-2) :Some Asian arer(Regional restriction code-3) :South American arer(Regional restriction code-4) :Chinese arer(Regional restriction code-6) :Black color model only :Golden color model only :Silver color model only REF.NO. PART NO. DESCRIPTION 1 29053776 Carton box B(MUP2P) 29053777 Carton box B(MUS4P) 29053778 Carton box S(MUP2P) 29053779 Carton box G(MUT3P) 29053780 Carton box G(MUS4P) 29053781 Carton box G(MUR6P) 2 29091986 Pad AS 3 29092034 Pad, TOP 4 29100037-1A Poly bag (650 x 500) 5 29110071 or Tape, SOP-400(CLEAR50MT) or 29110098 Tape, W50 3M NO 371 8 29361573 Label(PE-LD) 10 29362904 EAN label B(AS) 29362905 EAN label S(AS) 29362906 EAN label G(AS) 12 29110149 Tape (SEROHAN) NO.29 13 261504 Tape 20 29343128 Instruction manual, E(DVS757MUP) 21 29343129 Instruction manual, U3FSI(DVS757MUP) 22 29343130 Instruction manual, U3DGSw(DVS757MUP) 23 29343131 Instruction manual, CS(DVS757MUP) 24 29343132 Instruction manual, CT(DVS757MUT) 25 29343143 Instruction manual, E(DVS757MUT) 26 29343133 Instruction manual, U2FS(DVS757MUS) 30 253299HIT AS-CEE 253309HIT AS-CCEE 31 24140450 RC-450DV, Remote controller 32 3010054 Battery, UM-3 33 2010379 RCA3P(YWR), PIN Cord AS 34 2010380 S Video cord 35 2010200 3.5-MINI PLUG (RI) 36 2010360 or TPX3000 or 2010368 YAF11-0697, RGB cable 37 25055911 CV-K-2 [NOTES} 19 29100097-1A Poly bag (230 x 250) NOTE: THE COMPONENTS IDENTIFIED BY MARK ARE CRITICAL FOR RISK OF FIRE AND ELECTRIC SHOCK. REPLACE ONLY WITH PART NUMBER SPECIFIED. www. xiaoyu163. com QQ 376315150 9 9 2 8 9 4 2 9 8 TEL 13942296513 9 9 2 8 9 4 2 9 8 0 5 1 5 1 3 6 7 3 Q Q TEL 13942296513 QQ 376315150 892498299 TEL 13942296513 QQ 376315150 892498299 http://www.xiaoyu163.com DV-S757 http://www.onkyo.co.jp/ HOMEPAGE ONKYO U.S.A. CORPORATION 18 Park Way, Upper Saddle River, N.J. 07458, U.S.A. Tel: 201-785-2600 Fax: 201-785-2650 E-mail: onkyo@onkyousa.com ONKYO EUROPE ELECTRONICS GmbH Industriestrasse 20, 82110 Germering, GERMANY Tel: 089-849-320 Fax: 089-849-3265 E-mail: info@onkyo.de ONKYO CHINA LIMITED Units 2102-2107, Metroplaza Tower I, 223 Hing Fong Road, Kwai Chung, N.T., HONG KONG Tel: 852-2429-3118 Fax: 852-2428-9039 Sales & Product Planning Div. : 2-1, Nisshin-cho, Neyagawa-shi, OSAKA 572-8540, JAPAN Tel: 072-831-8111 Fax: 072-833-5222 ONKYO CORPORATION www. xiaoyu163. com QQ 376315150 9 9 2 8 9 4 2 9 8 TEL 13942296513 9 9 2 8 9 4 2 9 8 0 5 1 5 1 3 6 7 3 Q Q TEL 13942296513 QQ 376315150 892498299 TEL 13942296513 QQ 376315150 892498299 http://www.xiaoyu163.com

标签:

版权声明

1. 本站所有素材,仅限学习交流,仅展示部分内容,如需查看完整内容,请下载原文件。
2. 会员在本站下载的所有素材,只拥有使用权,著作权归原作者所有。
3. 所有素材,未经合法授权,请勿用于商业用途,会员不得以任何形式发布、传播、复制、转售该素材,否则一律封号处理。
4. 如果素材损害你的权益请联系客服QQ:77594475 处理。