创维DVD-5620PW图纸

分类:电子电工 日期: 点击:0
创维DVD-5620PW图纸-0 创维DVD-5620PW图纸-1 创维DVD-5620PW图纸-2 创维DVD-5620PW图纸-3 创维DVD-5620PW图纸-4 创维DVD-5620PW图纸-5 创维DVD-5620PW图纸-6 创维DVD-5620PW图纸-7 创维DVD-5620PW图纸-8 创维DVD-5620PW图纸-9

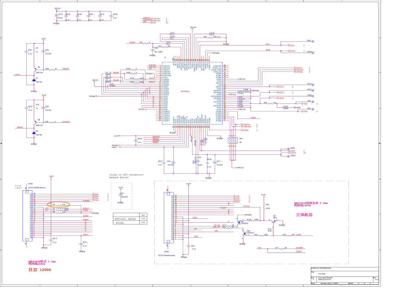
DVD-5620PW 电路原理 (锐致达产三洋光头) DVD-5620PW 等型号的机器是在原采用日立 1200S 光头+SUNPLUS 解码方案的基础上,将激光头改为 三洋 DV-34,同时对电路进行变动后派生的。 这里只对两种方案的不同之处进行分析,因此请先阅读《Sunplus 解码伺服单芯片方案原理》[蓝天网可 下载]。 1、解码板:两种解码板布线和接口不同,因此不可通用; 2、激光头:一种采用日立 1200S 光头,另一种采用三洋 DV-34 光头; 3、电路: (1)光头排座 日立 1200S 光头方案 三洋 DV-34 光头方案 引脚 符号 功能 符号 功能 1 GND 电源地 GND 电源地 2 VREF1 参考电压 DVD DVD 激光管驱动输入 3 VCC 供电电源 GND 电源地 4 F 光电检测器 F 输出 VCC 供电电源 5 E 光电检测器 E 输出 MDI 激光功率检测输出 6 D 光电检测器 D 输出 CD CD 激光管驱动输入 7 A 光电检测器 A 输出 DVD_VR DVD 激光功率电路控制开关 8 B 光电检测器 B 输出 CD_VR CD 激光功率电路控制开关 9 C 光电检测器 C 输出 GND 电源地 10 PUHRF RF 信号输出 E 光电检测器 E 输出 11 GND 电源地 VCC 供电电源 12 CDMDI CD 激光功率检测输出 VREF1 参考电压 13 GND 电源地 GND 电源地 14 F 光电检测器 F 输出 15 CDLD CD 激光管驱动输入 B 光电检测器 B 输出 16 DVDLD DVD 激光管驱动输入 A 光电检测器 A 输出 17 GND 电源地 PUHRF RF 信号输出 18 CD/DVD CD/DVD 光电检测器切换 19 VCC 供电电源 D 光电检测器 D 输出 20 DVDMDI DVD 激光功率检测输出 C 光电检测器 C 输出 21 FOC+ 聚焦线圈正向驱动输入 RAD- 循迹线圈反向驱动输入 22 FOC- 聚焦线圈反向驱动输入 RAD+ 循迹线圈正向驱动输入 23 RAD+ 循迹线圈正向驱动输入 FOC+ 聚焦线圈正向驱动输入 24 RAD- 循迹线圈反向驱动输入 FOC- 聚焦线圈反向驱动输入 (2)激光管控制 日立光头方案 三洋光头方案 当 判 别 为 DVD 光 盘 时 , 由 SPHE6300A 的 Pin34(XDVDLDO)输出低电平信号经 R138 使三极管 Q17 导通,使 CON1 排座的 pin16 为高电平,即打开 DVD 激光管发光;此时,激光功率监测二极管监测信 号从 Pin36(XDVDMDI)输入 SPHE6300A,进入内部 DVD 激光功率控制电路。 当判别为 DVD 光盘时,由 SPHE6300A 的 pin34 脚 输出低电平信号经 R25 使 Q5 导通,使 CON2 排座的 pin2 为高电平,即打开 DVD 激光管发光,同时从 pin56(LDSW)输出低电压信号使 Q23 导通,以此控制 激光二极管的发光强度; 当判别为 CD 光盘时,由 SPHE6300A 的 pin35 脚 当 判 别 为 CD 光 盘 时 , 由 SPHE6300A 的 Pin35(XCDLDO)输出低电平信号经 R137 使三极管 Q18 导通,使 CON1 排座的 pin15 为高电平,即打开 CD 激 光管发光;此时,激光功率监测二极管监测信号从 Pin37(XCDMDI)输入 SPHE6300,进入内部 CD 激光功 率控制电路。 输出低电平信号经 R26 使 Q2 导通,使 CON2 排座的 pin6 为高电平,即打开激光二极管,同时从 pin56 输出高电平信号使 Q3 导通,把 Q4 栅极电位拉低,使 其导通,以此控制激光二极管的发光强度。 (3)音频 DAC: 日立光头方案 WM8746 三洋光头方案 WM8766 引 脚 符号 功能 符号 功能 1 DVDD 数字电路电源 MODE 软件/硬件控制模式选择 2 MCLK 系统时钟信号输入 MCLK 系统时钟信号输入 3 BCLK 音频位时钟信号输入 BCLK 音频位时钟信号输入 4 LRCK 音频左右时钟信号输入 LRCK 音频左右时钟信号输入 5 DIN0 串行音频数据信号输入 0 DVDD 数字电路电源 6 DIN1 串行音频数据信号输入 1 DGND 数字电路电源地 7 DIN2 串行音频数据信号输入 2 DIN1 串行音频数据信号输入 0 8 MODE 软件/硬件控制模式选择(H:硬件) DIN2 串行音频数据信号输入 1 9 MUTE 静音控制信号输入 DIN3 串行音频数据信号输入 2 10 LRCIN2 第二左右时钟输入(192/96KHZ 混合) DOUT 音频数据信号输出 11 DGND 数字电路电源地 ML/I2S 串行控制锁存(软件)/格式(硬件) 12 ML/I2S 串行控制锁存(软件)/格式(硬件) MC/WL 串行控制时钟输入(软件)/字长(硬件) 13 MC/WL 串行控制时钟(软件)/字长(硬件) MD/DM 串行控制数据输入(软件)/去加重(硬件) 14 MD/DM 串行控制数据(软件)/去加重(硬件) MUTE 静音控制信号输入 15 AVDD2 模拟正相 DAC 参考电源 TESTREF1 测试脚 16 CAP 去耦端子 VREFN DAC 反相参考电压 17 OUT2L 左声道模拟信号输出 2 VREFP DAC 正相参考电压 18 GR2 通道 2 负相参考电压 VMID 退耦端子 19 OUT2R 右声道模拟信号输出 2 NC 空脚 20 AGND1 模拟参考电源地 NC 空脚 21 OUT1L 左声道模拟信号输出 1 OUT1L 左声道模拟信号输出 1 22 GR1 通道 1 负相参考电压 OUT1R 右声道模拟信号输出 1 23 OUT1R 右声道模拟信号输出 1 OUT2L 左声道模拟信号输出 2 24 AGND2 模拟电路电源地 2 OUT2R 右声道模拟信号输出 2 25 OUT0L 左声道模拟信号输出 0 OUT3L 左声道模拟信号输出 3 26 GR0 通道 0 负相参考电压 OUT3R 右声道模拟信号输出 3 27 OUT0R 右声道模拟信号输出 0 AGND 模拟电路电源地 28 AVDD1 模拟电路电源 AVDD 模拟电路电源 (4)静音: 日立光头方案 三洋光头方案 设置两路静音电路:用户静音和关机静音。 1、当用户静音时,解码芯片 SPHE8200 的 Pin121 GPIO15 输出低电平信号,使三极管 Q10 导通,VCC3 电压经 Q10 的 EC 极到达静音控制三极管 Q4~Q9 基极, 因此 Q4~Q9 也随之导通,它们的集电极电位被拉低至 0V(忽略 VceO 电压),实现用户静音。 设置三路静音电路:开机、关机、用户静音。 1、开机瞬间,电容 EC41 电压为零,三极管 Q26 导通,AVCC12 电压通过 Q26 的 EC 极到达静音控 制三极管 Q11、Q14~18 基极,使其导通,实现开机 静音。当 EC41 电压上升到一定程度时,三极管 Q26 截止,使静音控制三极管截止,音频正常通过。 2、关机静音,关机前电容 EC18、EC39 两端电压 分别为 4.3V 和 5V,关机后的瞬间,电容 EC39 通过 D20、D19 对 EC18 继续充电,当 EC39 两端电压下降 到一定程度时,三极管 Q11 导通,EC18 电容上的电 压通过 Q11 的 EC 极到达三极管 Q4~Q9 基极,Q4~Q9 随之导通,实现了关机静音。 R175 接-12V 电压目的是为了防止音频信号的负 半周被削波。 2:关机前电容 EC40 电压为 11.3V,在关机瞬间, DVCC 供电为零,EC40 电容上的电压使 Q24 导通, EC40 电容上的电压通过 Q24 的 EC 极到达静音控制 三极管基极,使其导通,实现关机静音。 3、当用户静音时,解码芯片 SPHE8200 的 pin164 输出低电平,三极管 Q25 导通,DVCC3 电压通过 Q25 的 EC 极、D24 使静音控制三极管导通,实现 用户静音。 (5)同轴、光纤输出: 日立光头方案 三洋光头方案 数字音频信号 SPDIF 经反相器 74HCU04(U1) 整形缓冲后输出到同轴和光纤端子。 数字音频信号 SPDIF 经三极管 8050(Q1)放大 后直接输出至同轴和光纤端子。 5 4 3 2 1 D D C C B B A A 60 mA(5.1ch) Video DAC POWER +3.3V AD POWER +3.3V SYSTEM +5V power DSP AD/DA/PWM +3.3V Audio PLL POWER +3.3V Servo analog +5V power 358mA 524 mA 8200 kernell +1.9V close to motor driver 250mA SDRAM POWER +3.3V (PWM bypass) Servo PLL/slicer +3.3V power Video buffer +5V 6300 POWER +3.3V Servo MOTOR +5V power R152 2.2R 0R, . SLED 改 由 改为 提高读碟能力 解决进仓后 外移现象. 改R45 由10R改为0R,提高读碟能力. 8200-32-FS-0-B 1.0 Power C 1 11 Monday, May 17, 2004 SUNPLUS TECHNOLOGY Title Size Document Number Rev Date: Sheet of P-12V GND P+12V AC+ AC- 25V P+12V P+5V AGND AVCC12 AGND AGND AVCC-12 +5AVAA AGND P-12V AGND PA+5V PA+5V P-12V GND AC+ AC- 25V P+12V A+5V VGND GND A3.3V VGND AD_VCC3 RF3.3V RFGND GND AD_GND V+5V GND SD_VCC3 GND GND GND VCC1.8 VVCC3 DVCC APLLVCC3 PWM3.3 RFGND M+5V RFGND GND RFGND P+5V GND VGND VPLLVCC1.8 GND GND PLL3.3V DVCC3 BC62 0.1U BC17 0.01U BC16 0.1U + EC2 100U16V R154 0 BC18 0.01U L25 FB EC4 470U16V + EC27 100U16V R122 10 BC66 0.1U T43 EC36 220U16V T44 T59 L21 FB(300ma 0.7 ohm) T58 BC69 0.1U T57 BC25 0.1U R150 2.2R EC5 220U16V R153 2.2R BC74 0.1U EC32 100U16V 1 2 BC58 0.1U L36 FB(300ma 0.7 ohm) + EC23 100U16V BC42 0.1U BC70 0.1U BC23 0.1U BC35 0.1U R58 200 R45 0R R57 390 L18 FB(300ma 0.7 ohm) R138 33 R1 2.2(0805) BC67 0.1U BC2 0.1U + EC13 220U16V CON5 HEADER 9 1 2 3 4 5 6 7 8 9 U5 LD1117(TO-252 1A) 1 3 2 ADJ IN OUT T42 BC1 0.1U T41 R149 0R T40 T3 + EC28 100U16V BC41 0.1U BC71 0.1U R152 0R R60 33 EC16 100U16V 1 2 EC10 47U16V BC46 0.1U BC21 0.1U L27 FB(300ma 0.7 ohm) BC22 33P + EC3 220U16V U2 LD1117 1 3 2 ADJ IN OUT R151 10 5 4 3 2 1 D D C C B B A A B 1 1 Monday, May 17, 2004 Title Size Document Number Rev Date: Sheet of AGND VGND GND GND GND AD_GND GND GND GND GND VGND AGND RFGND MGND GND RFGND AGND AD_GND AD_GND AGND AGND GND GND GND MGND RFGND RFGND VGND VGND MGND MGND TP53 H53 H29 H58 H15 H30 H17 H43 TP5 H16 H55 H22 H71 H12 H27 H62 T65 TP4 H67 TP14 TP55 H6 H10 TP15 H5 T18 TP58 H1 H20 H61 H66 H7 H9 TP56 TP41 H32 TP61 H60 H4 H44 TP34 TP33 TP44 TP43 TP7 TP49 TP35 TP42 H23 L23 L24 TP30 TP46 TP6 TP66 TP40 H11 H59 TP48 TP2 1 2 3 4 5 6 7 8 9 H19 TP60 TP3 TP39 H28 TP51 H45 H63 TP52 H41 H26 TP47 TP67 H39 TP57 H40 H21 H36 H70 H42 H34 H69 H46 H64 H33 H13 H48 H18 H35 H8 H47 H3 TP54 H50 H2 TP64 H49 H24 H37 TP69 TP65 H52 H25 H57 H68 TP71 H51 H65 TP1 1 2 3 4 5 6 7 8 9 H38 H54 TP59 1 2 3 4 5 6 7 8 9 TP50 H31 TP68 H56 TP62 1 2 3 4 5 6 7 8 9 5 4 3 2 1 D D C C B B A A A9 A8 0 1 1 0 16 bit mode 32 bit mode mode FUSS, AAI, Actima, AATek, MusTek R84 2.2K 15K MECHA GBM, Shinwa, Conser 8200-32-FS-0-B 0.0 8200 DSP C 2 11 Monday, May 17, 2004 SUNPLUS TECHNOLOGY Title Size Document Number Rev Date: Sheet of TV_DAC5 TV_DAC4 TV_DAC3 TV_DAC2 TV_DAC1 TV_DAC0 V_V_SYNC V_H_SYNC AU_D2 AU_D1 AU_LRCK AU_BCK AU_XCK SPDIF_OUT ROM_A11 ROM_A12 ROM_A8 ROMWE SP_DATA ROMCS1 SP_SCL ROMOE /CAS /M_CS DQM1 /WE DQM0 BA0 /RAS ROM_A9 ROM_A10 DQM3 DQM2 RESET_B PCON DRAM_D30 DRAM_D24 NLGIN1 ROM_D1 ROMOE DRAM_A1 TV_DAC3 ROM_A14 BA0 DRAM_D7 DRAM_D1 DRAM_D27 DRAM_D19 V_COMP AU_XCK ROM_A4 ROM_A9 DRAM_D0 RESET_B AIN_R VREF2 ROM_A8 ROM_A1 ROMCS1 DRAM_D16 ROM_A16 /CAS ROM_D4 ROM_A17 DRAM_D4 DRAM_A5 DRAM_D23 DRAM_D8 DRAM_A9 ROM_D7 /RAS POWER_K DRAM_D14 SPDIF_OUT AU_D3 AIN_R ROM_D2 ROM_A10 ROMWE DRAM_D10 DRAM_A4 DQM1 DRAM_A2 DRAM_D31 TV_DAC4 TV_DAC2 AU_BCK DQM2 RESET_B CLKOUT CLKIN DRAM_A10 DRAM_A7 DRAM_D29 TV_DAC1 /M_CS CLKOUT ROM_A11 DRAM_D9 DRAM_D25 DRAM_D22 ROM_A18 DRAM_D21 DRAM_D20 DRAM_D17 V_REF AU_D1 ROM_D6 ROM_D5 DRAM_D5 DRAM_A3 DRAM_D28 DQM3 DRAM_D13 DRAM_D11 DRAM_A8 DQM0 DRAM_A0 DRAM_D26 TV_DAC0 V_V_SYNC ROM_A0 CLKIN NLGIN2 ROM_D3 ROM_A3 DRAM_D12 ROM_A15 ROM_A7 ROM_D0 DRAM_D6 DRAM_D18 TV_DAC5 V_BIAS V_H_SYNC ROM_A2 ROM_A6 DRAM_D3 DRAM_D2 DRAM_D15 DRAM_A6 V_FSADJ ROM_A5 /WE AU_D2 AU_LRCK SCART_SIG SCART_DISPLAY SCART_DISPLAY SCART_SIG AD_OUT AUDIO_MUTE ROM_A12 ROM_A13 ROM_A13 AUDIO_MUTE AU_D3 V_REF V_COMP V_BIAS V_FSADJ SP_SDA SP_SCL LED1 SPDIF_OUT 8 TV_DAC0 6 TV_DAC1 6 TV_DAC2 6 TV_DAC3 6 TV_DAC4 6 TV_DAC5 6 V_V_SYNC 7 V_H_SYNC 7 VFD_STB 7 IR_IN 7 VFD_DATA 7 VFD_CLK 7 AU_D1 9 AU_LRCK 9 AU_D2 9 AU_BCK 9 TEO 4 FEO 4 TEXO 4 FCO 5 TCO 5 RFO 4 RFRP 4 RFCT 4 M_CKE 3 SDRAM_CLK 3 DFCT 4 VREF2 4,5 AU_D3 9 SIPCLK 4 SIPDATA 4 SPDCO 5 SCO 5 ROMOE 3 ROM_A[0..18] 3 SP_SDA 3 SP_SCL 3 ROMCS1 3 ROMWE 3 /M_CS 3 BA0 3 DRAM_D[0..15] 3 DQM0 3 /RAS 3 DRAM_A[0..10] 3 /WE 3 /CAS 3 DQM1 3 MIC_R 7 DRAM_D[16..31] 3 DQM2 3 DQM3 3 RESET_B 3 SCART_SIG 7 SCART_DISPLAY 7 TRAY- 5 TRAY+ 5 SIPDEN 4 SBAD 4 CEI 2,4 PCON_E 7 DMEA 5 AUDIO_MUTE 2 ROM_D[0..7] 3 AU_XCK 9 POW_E 7 DVCC3 GND RFGND GND GND RFGND GND GND APLLVCC3 VPLLVCC1.8 VCC1.8 DVCC3 GND GND GND VCC1.8 VGND VVCC3 VGND VGND DVCC3 GND GND VCC1.8 RFGND RFGND VCC1.8 RFGND RFGND DVCC3 GND VCC1.8 GND DVCC3 GND GND GND GND VCC1.8 AD_GND AD_VCC3 AD_GND AD_VCC3 VCC1.8 GND DVCC3 GND GND DVCC3 MGND AD_GND GND GND VCC1.8 VVCC3 DVCC3 RFGND GND VVCC3 MGND DVCC3 RFGND DVCC3 GND PLL3.3V RFGND A3.3V A3.3V PWM3.3 PWM3.3 DVCC3 GND RFGND RFGND GND DVCC3 RFGND VVCC3 VVCC3 VGND VGND DVCC3 RFGND FD R144 330 C95 1u U9 SPCA8200A 9 10 4 11 12 13 18 14 15 16 17 33 23 25 26 27 200 199 197 198 24 30 196 195 19 20 21 22 45 46 32 36 48 49 50 51 52 34 37 38 39 54 56 57 58 42 47 60 61 64 65 66 69 55 63 67 68 70 29 31 76 77 78 79 80 81 82 83 85 90 84 86 87 88 96 95 100 97 98 99 101 102 105 107 103 104 72 73 74 75 151 109 112 106 108 116 122 110 111 113 114 115 120 124 117 118 119 121 127 126 128 132 125 123 129 130 131 133 134 137 142 135 136 138 147 152 144 145 146 148 149 150 167 8 7 6 3 2 5 1 215 214 213 212 211 210 216 209 208 207 206 205 204 203 202 193 191 190 192 189 187 186 179 178 181 188 185 180 183 182 184 176 175 164 165 177 172 163 170 169 168 166 171 173 174 157 159 158 160 162 161 40 41 43 53 44 154 155 156 153 59 62 35 71 89 91 92 93 94 139 140 143 141 194 201 28 TEXOLP TEXO SVDD ADVDD TEI FEI ADVSS CEI SBAD VREF VRGD RST_B TTIO8 TTIO9 TDM_DX/GPIO/ttin0_4 TDM_CLK/GPIO/ttio1_5 FGIN DMEA SPDC_OUT SC_OUT VDD_K0 VSS_K0 SC1_OUT TRAY_OUT SRV_SCLK SRV_SDATA SRV_SDEN SRV_DFCT R_D6 R_D5 VDD_O0 VSS_O0 R_D4 R_D3 R_D2 R_D1 R_D0 R_A8 R_A10 R_A11 R_A12 R_A1 R_A2 R_A3 R_A4 VDD_K1 VSS_K1 R_A6 R_A7 R_A17 R_A18 R_A19 R_CS1_B VDD_O1 VSS_O1 R_OE_B/GPIO R_WE_B/GPIO R_CS2_B/GPIO TDM_DR/R_CS4_B/GPIO/ttio3_7 IOCHRDY/GPIO VDD_K2 CLKOUT CLKIN VSS_K2 M_D7 M_D6 M_D5 M_D4 VDD_O2 VSS_O2 M_D3 M_D2 M_D1 M_D0 M_D15 VDD_K3 VSS_K3 M_D14 M_D13 M_D12 M_D11 M_D10 VDD_O3 VSS_O3 M_D9 M_D8 VDD_PLLV VSS_PLLV VDD_PLLA VSS_PLLA M_A12/GPIO M_A11/GPIO VDD_O4 M_CLKO M_CKE VSS_O4 M_A10 M_A9 M_A8 M_A7 M_A6 M_A5 VDD_K4 VSS_K4 M_A4 M_DQ1 M_DQ0 M_BA1/GPIO M_A3 M_A2 VDD_O5 VSS_O5 M_A1 M_A0 R_A20/GPIO/M_D31 R_A21/GPIO/M_D30 R_A22/GPIO/M_D29 R_A23/GPIO/M_D28 R_A24/GPIO/M_D27 VDD_K5 VSS_K5 PC_IOR/R_A25/GPIO/M_D26 PC_IOW/R_A26/GPIO/M_D25 PC_WAIT/GPIO/M_D24 VDD_O6 VSS_O6 UA1_CTS/GPIO/M_D21 UA1_RTS/GPIO/M_D20 UA1_DSR/GPIO/M_D19 UA1_DTR/GPIO/M_D18 UA1_RI/GPIO/M_D17 UA1_DCD/GPIO/M_D16 VDD_O7 RFRPLP RFRP SVSS SLVL CNIN RFO DSRSET FDRSET PDRSET PLLVDD VREFO FDFLT PDFLT1 PLLVSS LPFNIN LGIN1 LGIN2 HGIN DAVDD FEO TEO DAVSS TV_DAC5 VDD_TVA2 TV_DAC4 VSS_TVA2 TV_DAC3 VDD_TVA1 TV_DAC2 V_BIAS V_COMP V_REFOUT VSS_TVA1 TV_DAC1 V_FSADJ VDD_TVA0 TV_DAC0 VSS_TVA0 UA0_TX/GPIO UA0_RX/GPIO IECRX/GPIO IECTX/GPIO VDD_K6 VSS_K6 AUD4/GPIO AUD3/GPIO AUD2/GPIO AUD1/GPIO AUD0/GPIO A_LRCK/GPIO A_BCK/GPIO A_XCK/GPIO AIN/AIN_L/AI_BCK AIN_R/AI_DAT ATO/AI_LRCK VM VSS_ADA VDD_ADA R_A13 R_A14 R_A15 R_A0 R_D7 VFD_CLK VFD_STB VFD_DATA IR_IN R_A5 R_A16 R_A9 R_CS3_B/GPIO M_WE_B M_CAS_B M_RAS_B M_CS_B M_BA0 M_DQ3/GPIO M_DQ2/GPIO UA1_TX/GPIO/M_D22 UA1_RX/GPIO/M_D23 PWM_VDD PWM_VSS TDM_FSXR/GPIO/ttio2_6 R69 OPEN C75 0.1u R93 39K C67 1000P NLGIN1 C41 680P DFCO C96 0.001u C63 1U NLGIN2 VREFO R64 10K R143 470 C52 1U BC81 0.1U BC73 0.1U C55 47P BC78 0.1U R82 1.5K R128 4.7K C43 100P BC76 0.1U BC77 0.1U BC68 0.1U T35 R68 OPEN + EC34 10U16V RFI Reset C73 NC R75 5.1K C53 47P R136 10K R66 10K R137 100 R92 10K C88 0.1u C60 NC BC44 0.1U R100 10K T30 BC79 0.1U BC75 0.1U R129 10K R81 10K L4 R65 20K T45 L3 C70 47P C85 0.1U C71 27P R83 20K C56 1000P R97 4.7K D17 1N4148 R67 OPEN XT1 27MHz C61 0.068u Q19 9014(DIP) R74 5.1K SLVL R85 2.2K T36 BC72 0.1U C58 0.1U R84 2.2K C57 NC C77 0.1u C72 NC C42 0.01U R55 10K R51 NC R98 680R R16 0 D15 1N4148 R99 680R R127 10K SLICER C62 NC C59 0.1U C89 0.1u EC14 47U16V R106 390 C78 0.1u C50 0.1U P25 BC80 0.1U R79 NC HG P23 5 4 3 2 1 D D C C B B A A I2C ADDR = 0XA0 8200-32-FS-0-B 1.0 ROM/FLASH/Memory 3 11 Monday, May 17, 2004 SUNPLUS TECHNOLOGY Title Size Document Number Rev Date: Sheet of BA0 M_CKE /RAS DQM0 /M_CS /WE /CAS RAM_CLK DQM1 /M_CS DQM3 BA0 RAM_CLK M_CKE /RAS /WE /CAS DRAM_D25 DRAM_D30 DRAM_D29 DRAM_D21 DRAM_D23 DRAM_D31 DRAM_D16 DRAM_D27 DRAM_D22 DRAM_D17 DRAM_D18 DRAM_D19 DRAM_D24 DRAM_D28 DRAM_D26 DRAM_D20 DQM2 DRAM_D13 DRAM_D15 DRAM_D4 DRAM_D2 DRAM_D8 DRAM_D1 DRAM_D3 DRAM_D11 DRAM_D5 DRAM_D10 DRAM_D12 DRAM_D9 DRAM_D0 DRAM_D7 DRAM_D14 DRAM_D6 DRAM_A9 DRAM_A6 DRAM_A3 DRAM_A10 DRAM_A7 DRAM_A8 DRAM_A1 DRAM_A2 DRAM_A0 DRAM_A5 DRAM_A4 DRAM_A9 DRAM_A6 DRAM_A3 DRAM_A10 DRAM_A7 DRAM_A8 DRAM_A1 DRAM_A2 DRAM_A0 DRAM_A5 DRAM_A4 ROM_A13 ROM_A16 ROM_A7 ROM_A3 ROM_A14 ROM_A0 ROM_A9 ROM_A10 ROM_A2 ROM_A15 ROMOE ROM_A6 ROM_A12 ROM_A17 ROM_A1 ROM_A4 ROM_A8 CE# ROM_A11 ROM_A5 ROMCS1 ROMWE FLASH_POWER ROM_D0 ROM_D5 ROM_D1 ROM_D7 ROM_D6 ROM_D2 ROM_D3 ROM_D4 ROM_A18 ROM_A11 ROM_A12 ROMWE ROM_A13 ROM_A17 ROM_A10 ROM_A16 CE# ROM_A14 ROM_A9 ROM_A15 ROM_A7 ROM_A3 ROM_A8 ROM_A4 ROM_A5 ROM_A6 ROM_A1 ROM_A2 ROM_A0 ROM_D6 ROM_D0 ROM_D7 ROM_D2 ROM_D5 ROM_D4 ROM_D1 ROM_D3 ROM_A18 SP_SCL 2 SP_SDA 2 BA0 2 M_CKE 2 SDRAM_CLK 2 /WE 2 /M_CS 2 DQM0 2 /RAS 2 /CAS 2 DQM1 2 DRAM_D[16..31] 2 DQM2 2 DQM3 2 DRAM_D[0..15] 2 DRAM_A[0..10] 2 ROMCS1 2 ROMOE 2 ROM_A[0..18] 2 ROM_D[0..7] 2 ROMWE 2 GND P+5V GND P+5V GND P+5V GND GND SD_VCC3 GND GND GND SD_VCC3 SD_VCC3 GND SD_VCC3 GND GND GND DVCC3 DVCC FLASH_POWER FLASH_POWER GND GND FLASH_POWER FLASH_POWER BC51 0.1U C86 10P BC43 0.1U U17 SDRAM 512Kx16x2 1 2 3 4 5 6 7 8 9 10 11 12 13 14 15 16 17 18 19 20 21 22 23 24 25 26 27 28 29 30 31 32 33 34 35 36 37 38 39 40 41 42 43 44 45 46 47 48 49 50 VCC DQ0 DQ1 VSSQ DQ2 DQ3 VCCQ DQ4 DQ5 VSSQ DQ6 DQ7 VCCQ DQML WE CAS RAS CS BA/A11 A10 A0 A1 A2 A3 VCC VSS A4 A5 A6 A7 A8 A9 NC CKE CLK DQMH NC VCCQ DQ8 DQ9 VSSQ DQ10 DQ11 VCCQ DQ12 DQ13 VSSQ DQ14 DQ15 VSS BC60 0.1U + EC33 100U16V R48 0 R52 NC R35 1K R34 1K BC38 0.1U U14 SDRAM 512Kx16x2 1 2 3 4 5 6 7 8 9 10 11 12 13 14 15 16 17 18 19 20 21 22 23 24 25 26 27 28 29 30 31 32 33 34 35 36 37 38 39 40 41 42 43 44 45 46 47 48 49 50 VCC DQ0 DQ1 VSSQ DQ2 DQ3 VCCQ DQ4 DQ5 VSSQ DQ6 DQ7 VCCQ DQML WE CAS RAS CS BA/A11 A10 A0 A1 A2 A3 VCC VSS A4 A5 A6 A7 A8 A9 NC CKE CLK DQMH NC VCCQ DQ8 DQ9 VSSQ DQ10 DQ11 VCCQ DQ12 DQ13 VSSQ DQ14 DQ15 VSS BC57 0.1U BC33 0.1U U3 24C01/CAT24C021 1 2 3 4 5 6 7 8 A0 A1 A2 GND SDA SCL WP VCC U19 M29F040/PLCC32 31 2 3 4 5 6 7 8 9 10 11 12 13 14 15 16 17 18 19 20 21 22 23 24 25 26 27 28 29 30 1 32 WE# A16 A15 A12 A7 A6 A5 A4 A3 A2 A1 A0 DQ0 DQ1 DQ2 VSS DQ3 DQ4 DQ5 DQ6 DQ7 CE A10 OE A11 A9 A8 A13 A14 A17 A18 VCC BC65 0.1U BC61 0.1U R105 0R BC59 0.1U R121 33 U7 M29F040/DIP32 31 2 3 4 5 6 7 8 9 10 11 12 13 14 15 16 17 18 19 20 21 22 23 24 25 26 27 28 29 30 1 32 WE# A16 A15 A12 A7 A6 A5 A4 A3 A2 A1 A0 DQ0 DQ1 DQ2 VSS DQ3 DQ4 DQ5 DQ6 DQ7 CE A10 OE A11 A9 A8 A13 A14 A17 A18 VCC 5 4 3 2 1 D D C C B B A A Bottom CONTACT 560 R4 100 HOP1200, AATek Arima close to OPU connector! Reduce Noise! SMD24PIN卧式 0.5mm 同向线24PIN SMD24PIN双排立式 0.5mm 同向线24PIN 三洋机芯 日立 1200S 8200-32-FS-0-B V1.0 Pre-Amp C 4 11 Monday, May 17, 2004 SUNPLUS TECHNOLOGY Title Size Document Number Rev Date: Sheet of CDLD DVDLD DVDLDO CDLDO CEI XOPVIN1 XOPVIP1 A XOPVIP1 CDLDO D XOPVIN1 DVDLDO RFO CDMDI XDVDA F B CEI E PUHRF CDLD DVD DVDMDI PUHRF CD DVDLD CDMDI E DVDMDI VREF1 F A B D XDPDC C C B A D C XDVDC XDPDA RFRP F CD_VR B C A MDI CD/DVD PUHRF VREF1 DVD_VR DVD D E LDSW LDSW CD DVDMDI CDMDI MDI RFO 2 RFRP 2 SBAD 2 VREF2 2,5 DFCT 2 SIPDEN 2 TEO 2 FEO 2 SIPCLK 2 TEXO 2 SIPDATA 2 CEI 2,5 XOPVIN1 5 XOPVIP1 5 RFCT 2 TRAYOUT 5 TRAYIN 5 HOME 5 FOC- 5 FOC+ 5 RAD+ 5 RAD- 5 FOC- 5 FOC+ 5 RAD- 5 RAD+ 5 RF3.3V RFGND RFGND A+5V A+5V RF3.3V RF3.3V RF3.3V RF3.3V RFGND RFGND VREF1 A+5V RFGND RFGND RF3.3V RFGND RF3.3V RFGND RFGND RF3.3V RFGND RFGND RF3.3V RFGND A+5V RFGND RFGND A+5V RFGND RFGND RFGND RFGND RFGND RFGND RFGND A+5V A+5V RFGND RFGND BC4 0.1U C32 NC BC14 0.1U SBAD + EC8 47U16V BC13 0.1U C27 1u R4 100 Q4 2SK3018 1 3 2 R77 0R R117 0R + EC12 47U16V R49 0R C31 82P R2 10 R101 470R TEXO CON1 ELCO-CON24(downer) 26 25 17 16 15 14 13 12 11 10 9 8 7 6 5 4 3 2 1 18 19 20 21 22 23 24 BC40 0.1U R116 100K RFCT C49 680P C48 0.01U R25 0 C21 1u R167 open R54 100K DFCT R18 10 Q5 2SB1132 Q23 2SK3018 1 3 2 R73 0R RN1 NC 1 3 5 7 8 6 4 2 BC36 0.1U C22 NC (120P) + EC1 100U16V BC39 0.1U U1 SPHE6300 4 3 2 1 5 6 7 8 9 10 11 12 13 14 15 16 17 18 19 20 21 22 23 24 25 26 27 28 29 30 31 32 33 34 35 36 37 38 39 40 41 42 43 44 45 46 47 48 49 50 51 52 53 54 55 56 57 58 59 60 61 62 63 64 65 66 67 68 69 70 71 72 73 74 75 76 77 78 79 80 81 82 83 84 85 86 87 88 89 90 91 92 93 94 95 96 97 98 99 100 XOPVIP2 XOPOP1 XOPVIN1 XOPVIP1 XOPVIN2 XOPVOP2 AVSS XDPDA XDPDB XDPDC XDPDD AVDD XDVDD XDVDC XDVDB XDVDA AVSS XCDD XCDC XCDB XCDA XCDF XCDE DVDD XTDM16 XTDM15 XTDM14 XTDM13 XTDM12 XTDM11 XTDM10 DVSS AVDD_5V XDVDLDO XCDLDO XDVDMDI XCDMDI AVSS_5V XV21 AVDD XV165 AVSS XR33K XSVOTST XSBAD XSBADCAP XCEO XCEOCAP DVSS XTDM9 XTDM8 XTDM7 XTDM6 XTDM5 XTDM4 XTDM3 DVDD XFEO XFEOCAP XTEO XTEOCAP AVSS XSBADPH XRFRPMEAN AVDD XRFRPBH XRFRPPH DVSS XDOUT XCS XDATA XCLK DVDD XTDM0 XTDM1 XTDM2 XTDM_DR XTDM_FSXR XTDM_CLK XTDM_DX XTDM17 DVSS XRFRP XRFTSTN XRFTSTP XRFO AVSS XGMRES XAGCCAP AVDD XFLTIP XFLTIN XAGCON XAGCOP XRFIS XRFSUM XRFIN XRFIP NC NC C4 680P RFO R80 470R BC30 0.1U C33 0.1u R164 0 R166 0 Q2 2SB1132 R165 open Q3 9014 1 2 3 C46 220P C5 680P R26 1K R3 100 C6 680P C39 33P C3 680P L1 10UH BC8 0.1U R13 0 + EC9 47U16V TEO D1 1N4148 CON2 ELCO-CON24(double) 26 25 17 16 15 14 13 12 11 10 9 8 7 6 5 4 3 2 1 18 19 20 21 22 23 24 + EC11 47U16V D6 1N4148 R29 33K (1%) C30 0.22U BC31 0.1U FEO C23 1u BC32 0.1U C47 0.047U R19 NC R42 1.2K (1%) BC27 0.1U RFRP R56 12K C40 0.01U BC15 0.1U L2 10UH VREF2 BC28 0.1U + EC6 47U16V 5 4 3 2 1 D D C C B B A A For DC motor 8200-32-FS-0-B 1.0 Motor-Driver B 5 11 Monday, May 17, 2004 SUNPLUS TECHNOLOGY Title Size Document Number Rev Date: Sheet of SP+SNSR SP- SLED- SLED+ FOC+ RAD+ SP+SNSR XOPVIN1 CEI FOC- RAD- SP+ HOME TRAYIN SP- SLED- SLED+ LOAD- LOAD+ LOAD+ LOAD- TRAYOUT SP+ SPDCO 2 VREF2 2,4 DMEA 2 RAD- 4 RAD+ 4 FOC+ 4 FOC- 4 SCO 2 TCO 2 FCO 2 TRAY+ 2 TRAY- 2 TRAYOUT 4 VREF2 2,4 CEI 2,4 XOPVIN1 4 XOPVIP1 4 HOME TRAYIN 4 M+5V MGND MGND M+5V MGND MGND M+5V RFGND MGND R20 150K T26 R33 2.2R C7 0.1U R27 150K TP22 FCO T64 T62 T63 R14 470K TP23 SCO T24 C16 4700P BC26 0.1U T25 T27 T66 T67 10K Driver X2 20K 7.5K 7.5K + - - + 10K X2 20K 7.5K 7.5K + - - + + - 10K 25K + - Driver Driver 10K 15K + - Driver BIAS BIAS BIAS BA5954FP U6 BA5954FP / CMD5954 DIP28-SSOPH 17 18 12 11 16 20 7 15 23 8 10 19 22 28 14 13 5 4 25 27 26 3 2 1 24 9 21 6 29 30 VOLD+ VOLD- VOSL+ VOSL- VOTK- VNFTK VNFFC VOTK+ VINLD Vcc PGND PGND2 PreGND STBY VOFC+ VOFC- VINSL- VINSL+ CTKerr1 BIAS VINTK CFCerr2 CFCerr1 VINFC CTKerr2 PVcc1 PVcc2 VOSL GND1 GND2 Q13 8550(DIP EBC) 2 1 3 BC29 0.1U 330P C28 R46 470K C34 4700P 22K R36 BC34 0.1U Q21 8050(DIP EBC) 2 1 3 BC37 0.1U EC7 100U16V 1 R7 Q12 8550(DIP EBC) 2 1 3 R50 330R R32 330R 1 R6 BC3 0.1U CN1 JST-CON11-2 8 7 6 5 4 3 2 1 10 9 11 22K R43 1 R11 Q20 8050(DIP EBC) 2 1 3 1 R12 330P C35 TP21 TCO R28 1 R37 10K R30 10K 2200P C24 R17 2.2R T28 5 4 3 2 1 D D C C B B A A R/V CVB1 Y Cr G/Y B/U 8200-32-FS-0-B 1.0 Video Buffer B 6 11 Monday, May 17, 2004 SUNPLUS TECHNOLOGY Title Size Document Number Rev Date: Sheet of CVB1_O Y_O CR_O CVB1_O 7 CR_O 7 G/Y_O 7 B/U_O 7 R/V_O 7 TV_DAC1 2 TV_DAC3 2 TV_DAC5 2 TV_DAC2 2 Y_O 7 TV_DAC0 2 TV_DAC4 2 V+5V V+5V V+5V V+5V V+5V V+5V V+5V V+5V VGND VGND VGND VGND VGND VGND VGND VGND VGND VGND VGND VGND V+5V VGND V+5V VGND VGND V+5V VGND VGND V+5V VGND VGND VGND VGND VGND VGND Q9 8550(DIP) 2 1 3 R40 75 Q10 8550(DIP) 2 1 3 R41 75 R38 75 R22 75(0805) C29 100P C26 100P Q7 8550(DIP) 2 1 3 R155 NC(75(0805)) D3 1N4148 L17 1U Q22 NC(8550(DIP)) 2 1 3 D8 1N4148 R44 75(0805) C20 100P C36 100P L19 1U D14 1N4148 C25 10P C15 100P C10 100P L14 1U R23 75(0805) C37 10P C14 10P C38 100P Q8 8550(DIP) 2 1 3 L16 1U R156 0 C18 100P C12 10P D4 1N4148 D9 1N4148 R39 75 R47 75 C11 10P C13 100P L15 1U R31 75 C8 10P D11 1N4148 C9 100P D12 1N4148 R21 75(0805) L13 1U D2 1N4148 C19 100P D7 1N4148 Q6 8550(DIP) 2 1 3 D5 1N4148 R24 75(0805) D10 1N4148 C17 100P D13 1N4148 5 4 3 2 1 D D C C B B A A AGND CE SL FR SW FL SR +12V DIS SIG V+5V VGND +12V MICDET GND MIC -12V CLK DAT IR AC+ GND 5V STB AC- 25V C98 去掉 ,C99,C100,改R8,R9,R10为0R,改鄯VFD显示不稳定性. 8200-32-FS-0-B 1.0 Connector B 7 11 Monday, May 17, 2004 Sunplus Technology Title Size Document Number Rev Date: Sheet of STB_VFD R/V_O G/Y_O B/U_O VSYNC HSYNC COAX Y_O CR_O CVB1_O DATA_VFD CLK_VFD IR DVCC_VFD AC+ AC- 25V OPTI_O R/V_O B/U_O G/Y_O CR_O CVB1_O Y_O VSYNC HSYNC COAX OPTI_O BC_C 8 BSW 8 BF_R 8 BSL 8 BSR 8 B/U_O 6 V_V_SYNC 2 V_H_SYNC 2 R/V_O 6 G/Y_O 6 COAX 8 CVB1_O 6 CR_O 6 Y_O 6 OPTI_O 8 IR_IN 2 VFD_CLK 2 VFD_DATA 2 VFD_STB 2 MIC_R 2 POW_E 2 BF_L 8 SCART_DISPLAY 2 SCART_SIG 2 GND VGND AGND VGND GND AC+ AC- 25V DVCC AD_GND P+12V P-12V P+5V P+5V VGND R5 33R T55 C97 33P R171 33R T33 RN2 4.7K 1 3 5 7 8 6 4 2 T37 T29 T34 T32 T31 T6 T5 T46 T7 T8 T54 J10 PH-5A 1 2 3 4 5 T11 T10 T9 T2 T1 T21 T49 C99 open T16 T48 T51 T52 T47 T17 T50 C100 33P/open CN11 CON9 1 2 3 4 5 6 7 8 9 T15 J9 PH-8A 1 2 3 4 5 6 7 8 C98 open J7 PH-13A 1 2 3 4 5 6 7 8 9 10 11 12 13 T14 R59 33R T56 R10 0R T53 R8 0R T13 R172 33R R9 0R 5 4 3 2 1 D D C C B B A A Power On Mute Power Off Mute 璝ㄏノㄤ 獶WM8766  Audio dac , 叫盢R130,R113,R86,R61,R108,R94 э 20K   璝ㄏノㄤ 獶WM8766  Audio dac , 叫盢C93,C83,C65,C45,C81,C69 э 120P   8200-32-FS-0-B 1.0 Audio filter and MIC 8 11 Monday, May 17, 2004 SUNPLUS TECHNOLOGY Title Size Document Number Rev Date: Sheet of C_C F_R BC_C SR BSR SW BSL SL F_L C_C F_L F_R SW SL SR BF_L COAX BSW BF_R OPTI_O V0+5V BC_C 7 BSR 7 SL 9 SW 9 F_R 9 C_C 9 SR 9 F_L 9 BF_L 7 BF_R 7 SPDIF_OUT 2 COAX 7 BSL 7 AUDIO_MUTE 2 BSW 7 OPTI_O 7 AGND AGND AGND AGND AGND AGND AGND AGND AGND AGND AGND AGND AGND DVCC AGND AGND AGND AGND AGND AGND AGND AGND AGND AGND AGND AGND AGND AGND AVCC-12 AVCC-12 AVCC-12 AVCC-12 AVCC-12 AVCC-12 AVCC-12 AGND AVCC-12 AGND AGND AVCC-12 AGND V0+5V VGND VGND VGND P+5V AGND AGND AGND AGND AGND AGND DVCC3 VGND VGND P+5V vGND P+5V AVCC-12 AGND AVCC12 AVCC12 AVCC12 AVCC12 AVCC12 AVCC12 AVCC12 AVCC12 AVCC12 AVCC12 VGND + - U12A NJM4558 3 2 1 8 4 R145 330 R133 10K D16 OPEN BC64 0.1u C82 820P R109 39K Q1 8050(DIP) R124 10K R103 10K + EC21 10U16V + EC31 10U16V C81 100p Q14 9014(DIP) + EC17 10U16V D20 1N4148 C54 47P R76 470 R15 2.2R R110 10K BC49 0.1U R91 100 R115 10K BC50 0.1U + EC20 10U16V R89 470 R108 18K + EC24 10U16V R70 470 R104 100 R113 18K BC45 0.1U Q11 9014(DIP) R72 100 BC47 0.1U Q24 9015(DIP) 2 1 3 Q18 9014(DIP) R162 100 R123 470 + - U12B NJM4558 5 6 7 8 4 R158 470 R53 68 R134 100 R95 39K C84 47P C64 820P D25 1N4148 C68 820P R71 10K C69 100p C80 820P + - U8B NJM4558 5 6 7 8 4 Q16 9014(DIP) R96 10K R107 10K + - U8A NJM4558 3 2 1 8 4 R94 18K R87 39K C65 100p + EC18 10U16V + EC15 10U16V R88 10K R131 39K Q25 9015 2 1 3 R86 18K C79 47P C93 100p BC55 0.1U C105 22p Q15 9014(DIP) + - U16B NJM4558 5 6 7 8 4 R132 10K C1 0.1u R62 39K + EC30 10U16V R170 150R R159 510R R102 470 R130 18K C92 820p + EC25 10U16V + EC40 100U16V C45 100p R114 39K D24 1N4148 R111 470 C83 100p C102 0.1u R112 100 + EC26 10U16V C66 47P R63 10K R160 10K R125 100 + EC22 10U16V + - U16A NJM4558 3 2 1 8 4 R147 180R C44 820P Q26 9015(DIP) 2 1 3 R61 18K R148 10K R163 3K C74 47P + EC41 220U16V R161 10K + EC19 10U16V D19 OPEN Q17 9014(DIP) BC56 0.1U C90 47P R90 10K 5 4 3 2 1 D D C C B B A A 0:16 bits, Right justified 1:24 bits, I2S WM8726 Format Setting(AU_ML) WM8761 Format Setting(AU_ML) 1:24 bits, I2S 0:24 bits, Right justified ML,MC=00=> RJ 24 bit Audio Format: ML,MC=01=> RJ 20 bit ML,MC=11=> I2S 24 bit ML,MC=10=> I2S 16 bit 8200-32-FS-0-B 1.0 Audio DAC B 9 11 Monday, May 17, 2004 Title Size Document Number Rev Date: Sheet of AU_D2 AU_D1 AU_LRCK AU_BCK AU_XCK AU_D3 SW F_R AU_D1 SL AU_D1 AU_D2 F_L AU_BCK AU_D3 C_C AU_XCK SR AU_XCK A_CAP AU_LRCK AU_BCK A_CAP AU_LRCK AU_XCK 2 AU_D1 2 AU_D2 2 AU_D3 2 AU_LRCK 2 AU_BCK 2 F_R 8 SR 8 SL 8 C_C 8 F_L 8 SW 8 DVCC3 AGND AGND AGND GND GND AUDIO_3V3 AGND +5AVAA AGND AGND +5AVAA BC19 0.1U U10 WM8714/OPEN 4 2 3 1 14 7 10 9 8 13 6 11 12 5 NC SDATA BCLK LRCK MCLK GND MUTE AOUTL Vcc FORMAT AOUTR NC DEEMPH CAP + EC29 10UF/16V BC53 0.1U BC48 0.1U U4 WM8766 5 6 11 12 13 1 14 2 3 4 7 8 9 28 17 27 16 21 23 24 25 26 22 18 15 DVDD DGND ML/I2S MC/IWL MD/DM MODE MUTE MCLK BCLK LRC DIN1 DIN2 DIN3 AVDD VREFP AGND VREFN OUT1L OUT2L OUT2R OUT3L OUT3R OUT1R VMID TESTREF1 BC54 0.1U BC52 0.1U R120 33R 5 4 3 2 1 D D C C B B A A GND 8200 Flash Sdram Sdram ATAPI CN6 TRAY CN2 Audio JACK CP2 Comp/S CP1 VGA CN4 CARD CN7 MIC CN9 AD_GND OPTI CP4 VGND Audio GND GND U11 Audio DAC POWER CN1 U1 U2 ASL ASR AC_C ASW Surround Left Channel Surround RIGHT Channel Center Channel Sub-Woofer Channel Audio Channel Description F_L F_R FRONT LEFT Channel FRONT Right Channel G/Y_O Video Channel B/U_O R/V_O Description Video B or U output COAX SPDIF COAX OUTPUT Video G or Y output Video R or V output MGND RFGND 6300 5954 MOTOR CN3 PUH CN5 24C02 VFD CN8 8200-32-FS-0-B 0 Layout Block A 10 11 Monday, May 17, 2004 SUNPLUS TECHNOLOGY Title Size Document Number Rev Date: Sheet of 5 4 3 2 1 D D C C B B A A SUNPLUS Inc. 3 4 7 2 8 13 5 12 PIC Original Value 10 Component Location 9 Change Value 14 CHANGE LIST: Item 1 15 11 6 DATE 2003/06/24 25 28 21 31 17 24 30 20 29 23 19 22 26 18 27 16 L36 2.2K FB (DIP) 2003/06/24 R152, R45 2.2, 0 0, 0 C41 1000P 680P C31 150P 82P Q4 3904 9014 (DIP) R2, R18 6.8, 6.8 10, 10 R25 1K 0 R139 24K 27K L13, L14, L15 1.8U, 1.8U, 1.8U 1U, 1U, 1U C8, C11 22P, 22P 1P, 1P 2003/06/24 2003/06/24 2003/06/24 2003/06/24 2003/06/24 2003/06/24 2003/06/24 2003/06/24 8200-32-FS-0-B <RevCode> Change List C 11 11 Monday, May 17, 2004 Title Size Document Number Rev Date: Sheet of </p> <div class="main-left-down hidden-xl hidden-lg hidden-md"> <!--资源收费且没有购买--> <a href="http://www.wenhuiw.com/index.php?s=score&c=buy&m=index&module=wenku&id=12223" id="down_box_confirm" class="not-logged-in btn bg-green"><i class="fa fa-shopping-cart"></i> 立即购买</a> <p class="down-score">下载本素材需消耗 <span class="f-red">5</span> 积分</p> <p class="down-feedback">无法下载?<a class="hover:text-green-600" href="tencent://message/?uin=77594475" target="_blank">立即反馈</a></p> </div> <div class="tag">标签: </div> <div class="use-tip"> <h3>版权声明</h3> <p><b>1. 本站所有素材,仅限学习交流,仅展示部分内容,如需查看完整内容,请下载原文件。</b><br> 2. 会员在本站下载的所有素材,只拥有使用权,著作权归原作者所有。<br> 3. 所有素材,未经合法授权,请勿用于商业用途,会员不得以任何形式发布、传播、复制、转售该素材,否则一律封号处理。<br> 4. 如果素材损害你的权益请联系客服QQ:<a href="tencent://message/?uin=77594475">77594475</a> 处理。 </p> </div> </div> <div class="main-relate hidden-sm hidden-xs"> <div class="module-title-box"> <h2 class="title">相关素材</h2> </div> <ul class="module-list"> <li class="col-xl-3 col-lg-3 col-md-3 col-sm-6 col-6"> <div class="module-list_box"> <a class="module-list_thumb wide lazyload" href="/wenku/a23250.html" title="JCT 998-2006 喷涂聚氨酯硬泡体保温材料" data-original="http://file.wenhuiw.com/202306/a9f08eb9830da52.png#系统开启了相对路径模式,本地址是站外域名,不能转为相对路径(在关闭开发者模式后不显示这句话)#没有设置高宽参数,将以原图输出"></a> <div class="module-list_detail"> <h4 class="title txt-ov"><a href="/wenku/a23250.html" title="JCT 998-2006 喷涂聚氨酯硬泡体保温材料">JCT 998-2006 喷涂聚氨酯硬泡体保温材料</a></h4> </div> </div> </li> <li class="col-xl-3 col-lg-3 col-md-3 col-sm-6 col-6"> <div class="module-list_box"> <a class="module-list_thumb wide lazyload" href="/wenku/a23249.html" title="JCT 997-2006 装饰纸面石膏板" data-original="http://file.wenhuiw.com/202306/e292ed4137e88a.png#系统开启了相对路径模式,本地址是站外域名,不能转为相对路径(在关闭开发者模式后不显示这句话)#没有设置高宽参数,将以原图输出"></a> <div class="module-list_detail"> <h4 class="title txt-ov"><a href="/wenku/a23249.html" title="JCT 997-2006 装饰纸面石膏板">JCT 997-2006 装饰纸面石膏板</a></h4> </div> </div> </li> <li class="col-xl-3 col-lg-3 col-md-3 col-sm-6 col-6"> <div class="module-list_box"> <a class="module-list_thumb wide lazyload" href="/wenku/a23248.html" title="JCT 996-2006 玻璃纤维壁布" data-original="http://file.wenhuiw.com/202306/5156b2f64e53176.png#系统开启了相对路径模式,本地址是站外域名,不能转为相对路径(在关闭开发者模式后不显示这句话)#没有设置高宽参数,将以原图输出"></a> <div class="module-list_detail"> <h4 class="title txt-ov"><a href="/wenku/a23248.html" title="JCT 996-2006 玻璃纤维壁布">JCT 996-2006 玻璃纤维壁布</a></h4> </div> </div> </li> <li class="col-xl-3 col-lg-3 col-md-3 col-sm-6 col-6"> <div class="module-list_box"> <a class="module-list_thumb wide lazyload" href="/wenku/a23247.html" title="JCT 995-2006 低比表面积高烧结活性氧化锆粉体" data-original="http://file.wenhuiw.com/202306/8c1c96b37a561d4.png#系统开启了相对路径模式,本地址是站外域名,不能转为相对路径(在关闭开发者模式后不显示这句话)#没有设置高宽参数,将以原图输出"></a> <div class="module-list_detail"> <h4 class="title txt-ov"><a href="/wenku/a23247.html" title="JCT 995-2006 低比表面积高烧结活性氧化锆粉体">JCT 995-2006 低比表面积高烧结活性氧化锆粉体</a></h4> </div> </div> </li> <li class="col-xl-3 col-lg-3 col-md-3 col-sm-6 col-6"> <div class="module-list_box"> <a class="module-list_thumb wide lazyload" href="/wenku/a23246.html" title="JCT 994-2006 微晶玻璃陶瓷复合砖" data-original="http://file.wenhuiw.com/202306/fff87b6f9176d27.png#系统开启了相对路径模式,本地址是站外域名,不能转为相对路径(在关闭开发者模式后不显示这句话)#没有设置高宽参数,将以原图输出"></a> <div class="module-list_detail"> <h4 class="title txt-ov"><a href="/wenku/a23246.html" title="JCT 994-2006 微晶玻璃陶瓷复合砖">JCT 994-2006 微晶玻璃陶瓷复合砖</a></h4> </div> </div> </li> <li class="col-xl-3 col-lg-3 col-md-3 col-sm-6 col-6"> <div class="module-list_box"> <a class="module-list_thumb wide lazyload" href="/wenku/a23245.html" title="JCT 993-2006 外墙外保温用膨胀聚苯乙烯板抹面胶浆" data-original="http://file.wenhuiw.com/202306/2b2e9c8f05c1a.png#系统开启了相对路径模式,本地址是站外域名,不能转为相对路径(在关闭开发者模式后不显示这句话)#没有设置高宽参数,将以原图输出"></a> <div class="module-list_detail"> <h4 class="title txt-ov"><a href="/wenku/a23245.html" title="JCT 993-2006 外墙外保温用膨胀聚苯乙烯板抹面胶浆">JCT 993-2006 外墙外保温用膨胀聚苯乙烯板抹面胶浆</a></h4> </div> </div> </li> <li class="col-xl-3 col-lg-3 col-md-3 col-sm-6 col-6"> <div class="module-list_box"> <a class="module-list_thumb wide lazyload" href="/wenku/a23244.html" title="JCT 992-2006 墙体保温用膨胀聚苯乙烯板胶粘剂" data-original="http://file.wenhuiw.com/202306/1b863e61d25b589.png#系统开启了相对路径模式,本地址是站外域名,不能转为相对路径(在关闭开发者模式后不显示这句话)#没有设置高宽参数,将以原图输出"></a> <div class="module-list_detail"> <h4 class="title txt-ov"><a href="/wenku/a23244.html" title="JCT 992-2006 墙体保温用膨胀聚苯乙烯板胶粘剂">JCT 992-2006 墙体保温用膨胀聚苯乙烯板胶粘剂</a></h4> </div> </div> </li> <li class="col-xl-3 col-lg-3 col-md-3 col-sm-6 col-6"> <div class="module-list_box"> <a class="module-list_thumb wide lazyload" href="/wenku/a23243.html" title="JCT 991-2006 建材工业用石膏墙板(砌块)成型机" data-original="http://file.wenhuiw.com/202306/771f07e799519.png#系统开启了相对路径模式,本地址是站外域名,不能转为相对路径(在关闭开发者模式后不显示这句话)#没有设置高宽参数,将以原图输出"></a> <div class="module-list_detail"> <h4 class="title txt-ov"><a href="/wenku/a23243.html" title="JCT 991-2006 建材工业用石膏墙板(砌块)成型机">JCT 991-2006 建材工业用石膏墙板(砌块)成型机</a></h4> </div> </div> </li> </ul> </div> </div> <div class="main-right col-xl-3 col-lg-3 col-md-3 hidden-sm hidden-xs"> <div class="side-box-dw"></div> <div class="side-fixed-box"> <div class="side shadow"> <a href="javasctipr:;" class="not-logged-in btn bg-yellow"><i class="fa fa-download"></i> 立即下载</a> <p class="down-score">下载本素材需消耗 <span class="f-red">5</span> 积分</p> <p class="down-feedback">无法下载?<a class="hover:text-green-600" href="tencent://message/?uin=77594475" target="_blank">立即反馈</a></p> <ul class="down-attribute"> <li><span>文件大小:</span>239.29 KB</li> <li><span>文件格式:</span>pdf</li> </ul> </div> <div class="side mt20 shadow"> <div class="module-title-box mb15"> <h2 class="title">随机推荐</h2> </div> <ul class="module-list"> <li class="col-lg-4 col-md-3 col-sm-4 col-xs-3 col-4"> <div class="module-list_box p0"> <a class="module-list_thumb wide" href="/wenku/a23254.html" title="一张母狮子卧在草丛里的照片" style="display: block; background-image: url('http://file.wenhuiw.com/202403/c18d26349a7554b.jpg#系统开启了相对路径模式,本地址是站外域名,不能转为相对路径(在关闭开发者模式后不显示这句话)#没有设置高宽参数,将以原图输出')" ;> </a> <div class="module-list_detail"> <h4 class="title"><a href="/wenku/a23254.html" title="一张母狮子卧在草丛里的照片">一张母狮子卧在草丛里的照片</a></h4> </div> </div> </li> <li class="col-lg-4 col-md-3 col-sm-4 col-xs-3 col-4"> <div class="module-list_box p0"> <a class="module-list_thumb wide" href="/wenku/a23253.html" title="员工花名册.xlsx" style="display: block; background-image: url('http://file.wenhuiw.com/202403/389f25971624d9f.jpg#系统开启了相对路径模式,本地址是站外域名,不能转为相对路径(在关闭开发者模式后不显示这句话)#没有设置高宽参数,将以原图输出')" ;> </a> <div class="module-list_detail"> <h4 class="title"><a href="/wenku/a23253.html" title="员工花名册.xlsx">员工花名册.xlsx</a></h4> </div> </div> </li> <li class="col-lg-4 col-md-3 col-sm-4 col-xs-3 col-4"> <div class="module-list_box p0"> <a class="module-list_thumb wide" href="/wenku/a23252.html" title="员工年假统计表" style="display: block; background-image: url('http://file.wenhuiw.com/202403/bde7ec85b0ccdf1.jpg#系统开启了相对路径模式,本地址是站外域名,不能转为相对路径(在关闭开发者模式后不显示这句话)#没有设置高宽参数,将以原图输出')" ;> </a> <div class="module-list_detail"> <h4 class="title"><a href="/wenku/a23252.html" title="员工年假统计表">员工年假统计表</a></h4> </div> </div> </li> <li class="col-lg-4 col-md-3 col-sm-4 col-xs-3 col-4"> <div class="module-list_box p0"> <a class="module-list_thumb wide" href="/wenku/a23251.html" title="实验室安全歌.doc" style="display: block; background-image: url('http://file.wenhuiw.com/202309/310d89e8c45eb81.jpg#系统开启了相对路径模式,本地址是站外域名,不能转为相对路径(在关闭开发者模式后不显示这句话)#没有设置高宽参数,将以原图输出')" ;> </a> <div class="module-list_detail"> <h4 class="title"><a href="/wenku/a23251.html" title="实验室安全歌.doc">实验室安全歌.doc</a></h4> </div> </div> </li> <li class="col-lg-4 col-md-3 col-sm-4 col-xs-3 col-4"> <div class="module-list_box p0"> <a class="module-list_thumb wide" href="/wenku/a23250.html" title="JCT 998-2006 喷涂聚氨酯硬泡体保温材料" style="display: block; background-image: url('http://file.wenhuiw.com/202306/a9f08eb9830da52.png#系统开启了相对路径模式,本地址是站外域名,不能转为相对路径(在关闭开发者模式后不显示这句话)#没有设置高宽参数,将以原图输出')" ;> </a> <div class="module-list_detail"> <h4 class="title"><a href="/wenku/a23250.html" title="JCT 998-2006 喷涂聚氨酯硬泡体保温材料">JCT 998-2006 喷涂聚氨酯硬泡体保温材料</a></h4> </div> </div> </li> <li class="col-lg-4 col-md-3 col-sm-4 col-xs-3 col-4"> <div class="module-list_box p0"> <a class="module-list_thumb wide" href="/wenku/a23249.html" title="JCT 997-2006 装饰纸面石膏板" style="display: block; background-image: url('http://file.wenhuiw.com/202306/e292ed4137e88a.png#系统开启了相对路径模式,本地址是站外域名,不能转为相对路径(在关闭开发者模式后不显示这句话)#没有设置高宽参数,将以原图输出')" ;> </a> <div class="module-list_detail"> <h4 class="title"><a href="/wenku/a23249.html" title="JCT 997-2006 装饰纸面石膏板">JCT 997-2006 装饰纸面石膏板</a></h4> </div> </div> </li> <li class="col-lg-4 col-md-3 col-sm-4 col-xs-3 col-4"> <div class="module-list_box p0"> <a class="module-list_thumb wide" href="/wenku/a23248.html" title="JCT 996-2006 玻璃纤维壁布" style="display: block; background-image: url('http://file.wenhuiw.com/202306/5156b2f64e53176.png#系统开启了相对路径模式,本地址是站外域名,不能转为相对路径(在关闭开发者模式后不显示这句话)#没有设置高宽参数,将以原图输出')" ;> </a> <div class="module-list_detail"> <h4 class="title"><a href="/wenku/a23248.html" title="JCT 996-2006 玻璃纤维壁布">JCT 996-2006 玻璃纤维壁布</a></h4> </div> </div> </li> <li class="col-lg-4 col-md-3 col-sm-4 col-xs-3 col-4"> <div class="module-list_box p0"> <a class="module-list_thumb wide" href="/wenku/a23247.html" title="JCT 995-2006 低比表面积高烧结活性氧化锆粉体" style="display: block; background-image: url('http://file.wenhuiw.com/202306/8c1c96b37a561d4.png#系统开启了相对路径模式,本地址是站外域名,不能转为相对路径(在关闭开发者模式后不显示这句话)#没有设置高宽参数,将以原图输出')" ;> </a> <div class="module-list_detail"> <h4 class="title"><a href="/wenku/a23247.html" title="JCT 995-2006 低比表面积高烧结活性氧化锆粉体">JCT 995-2006 低比表面积高烧结活性氧化锆粉体</a></h4> </div> </div> </li> <li class="col-lg-4 col-md-3 col-sm-4 col-xs-3 col-4"> <div class="module-list_box p0"> <a class="module-list_thumb wide" href="/wenku/a23246.html" title="JCT 994-2006 微晶玻璃陶瓷复合砖" style="display: block; background-image: url('http://file.wenhuiw.com/202306/fff87b6f9176d27.png#系统开启了相对路径模式,本地址是站外域名,不能转为相对路径(在关闭开发者模式后不显示这句话)#没有设置高宽参数,将以原图输出')" ;> </a> <div class="module-list_detail"> <h4 class="title"><a href="/wenku/a23246.html" title="JCT 994-2006 微晶玻璃陶瓷复合砖">JCT 994-2006 微晶玻璃陶瓷复合砖</a></h4> </div> </div> </li> </ul> </div> </div> </div> </div> <div class="main-box-dw"></div> <div class="scroll-to-top hidden-sm hidden-xs" id="toTop"> <i class="bi bi-arrow-up-circle-fill"></i> </div> <!-- 底部 --> <div class="footer"> <div class="container"> <div class="flex justify-center"> <span class="hidden-sm hidden-xs">© CopyRight 2022 文汇知识网</span> <a class="ml10 mr10" href="https://beian.miit.gov.cn" target="_blank">滇ICP备2022006959号-4</a> <span class="hidden-sm hidden-xs"><script> var _hmt = _hmt || []; (function() { var hm = document.createElement("script"); hm.src = "https://hm.baidu.com/hm.js?f0f56f82f7c67c360794e2549e59d9cd"; var s = document.getElementsByTagName("script")[0]; s.parentNode.insertBefore(hm, s); })(); </script> <a href="http://news.zzszq.net/">深知资讯网</a><a href="http://tv.zzszq.net/">深视网</a><a href="http://www.80hlw.com/">80商务</a></span> </div> </div> </div> <!-- 会员登录 --> <div id="login_box" class="hidden fixed"> <div class="login_box_title"> <h4 class="tc">会员登录</h4> <button id="close_login"><i class="fa fa-close"></i></button> </div> <form class="login-form" id="myform" action="" method="post"> <div class="form-group"> <input class="form-control" type="text" autocomplete="off" placeholder="会员名/邮箱/手机" name="data[username]" /> </div> <div class="form-group"> <input class="form-control" type="password" autocomplete="off" placeholder="登录密码" name="data[password]" /> </div> <div class="form-group"> <div class="col-6 pl0 pr0 fl"> <input class="form-control" type="text" autocomplete="off" placeholder="验证码" name="code" /> </div> <div class="col-6 tr fr"> <img align="absmiddle" style="cursor:pointer;" onclick="this.src='/index.php?s=api&c=api&m=captcha&width=120&height=35&t='+Math.random();" src="/index.php?s=api&c=api&m=captcha&width=120&height=35" /> </div> <div class="clearfix"></div> </div> <div class="form-group"> <button type="button" onclick="dr_ajax_member('http://www.wenhuiw.com/index.php?s=member&c=login&m=index', 'myform');" class="btn bg-green">登录</button> </div> <div class="form-group"> <a href="http://www.wenhuiw.com/index.php?s=member&c=register&m=index" id="register-btn" class="fr">注册账号</a> <input type="checkbox" name="remember" value="1" checked="checked" style="vertical-align: -2px;"/> 记住我 <a href="http://www.wenhuiw.com/index.php?s=member&c=login&m=find">忘记密码</a> </div> <div class="form-group tc"> <!--<p class="text-muted">第三方快捷登录</p>--> </div> </form> </div> <div class="mask-body mask-body-dark" style="display: none;"></div> <script src="/static/x2h-002/js/swiper-bundle.min.js"></script> <script src="/static/x2h-002/js/jquery.lazyload.js"></script> <script src="/static/x2h-002/js/common.js"></script> <script> $(function () { $.ajax({ type: "GET",dataType:"json", url: "/index.php?s=api&c=run&is_ajax=1&num=5" }); }); </script> </body> </html>