先锋PIONEER VSX-839RDS电路图

分类:电子电工 日期: 点击:0
先锋PIONEER VSX-839RDS电路图-0 先锋PIONEER VSX-839RDS电路图-1 先锋PIONEER VSX-839RDS电路图-2 先锋PIONEER VSX-839RDS电路图-3 先锋PIONEER VSX-839RDS电路图-4 先锋PIONEER VSX-839RDS电路图-5 先锋PIONEER VSX-839RDS电路图-6 先锋PIONEER VSX-839RDS电路图-7 先锋PIONEER VSX-839RDS电路图-8 先锋PIONEER VSX-839RDS电路图-9

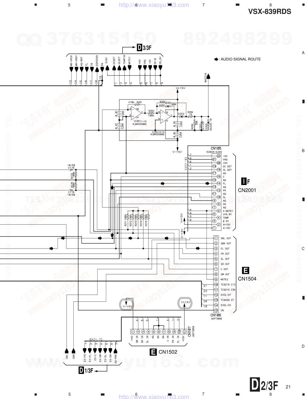
ORDER NO. PIONEER CORPORATION 4-1, Meguro 1-chome, Meguro-ku, Tokyo 153-8654, Japan PIONEER ELECTRONICS SERVICE, INC. P.O. Box 1760, Long Beach, CA 90801-1760, U.S.A. PIONEER ELECTRONIC NV Haven 1087, Keetberglaan 1, 9120 Melsele, Belgium PIONEER ELECTRONICS ASIACENTRE PTE. LTD. 253 Alexandra Road, #04-01, Singapore 159936 � � � � � � � � � �PIONEER CORPORATION 2000 RRV2379 T – ZZR SEPT. 2000 Printed in Japan CONTENTS 1. CONTRAST OF MISCELLANEOUS PARTS ........ 2 2. PCB CONNECTION DIAGRAM .......................... 12 3. SCHEMATIC DIAGRAM ..................................... 14 AUDIO/VIDEO MULTI-CHANNEL RECEIVER VSX-839RDS THIS MANUAL IS APPLICABLE TO THE FOLLOWING MODEL(S) AND TYPE(S). Type Model Power Requirement The voltage can be converted by VSX-839RDS the following method. HYXJI ‡ AC220-230V AC240V, ∗ HVXJI ‡ AC230V AC240V, ∗ ∗ : Alter the wiring of the Power-supply block at the primary winding of Power-transformer referring to the "Line Voltage Selection" described in Service Manual. Model No. Order No. Remarks VSX-35TX/KUXJI/CA RRV2351 ¶ This service manual should be used together with the following manual(s): www. xiaoyu163. com QQ 376315150 9 9 2 8 9 4 2 9 8 TEL 13942296513 9 9 2 8 9 4 2 9 8 0 5 1 5 1 3 6 7 3 Q Q TEL 13942296513 QQ 376315150 892498299 TEL 13942296513 QQ 376315150 892498299 http://www.xiaoyu163.com VSX-839RDS 14 A B C D 1 2 3 4 1 2 3 4 3. SCHEMATIC DIAGRAM 3.1 FM/AM TUNER UNIT FM FRONT END MW RF TUNING BLOCK OSC : 981 - 2052kHz 9k step L1 (AM) (AM) (AM) (AM) (AM) (AM) (FM) (FM) (FM) (FM) (FM) (FM) (FM) (FM) (FM) (FM) FM/AM TUNER UNIT (AXQ7232) F A F A www. xiaoyu163. com QQ 376315150 9 9 2 8 9 4 2 9 8 TEL 13942296513 9 9 2 8 9 4 2 9 8 0 5 1 5 1 3 6 7 3 Q Q TEL 13942296513 QQ 376315150 892498299 TEL 13942296513 QQ 376315150 892498299 http://www.xiaoyu163.com VSX-839RDS 15 A B C D 5 6 7 8 5 6 7 8 3/3F D CN291 L201 ATE7003 : AUDIO SIGNAL ROUTE (TUNER) (TX) : AM SIGNAL ROUTE (AM) : FM SIGNAL ROUTE (FM) (AM) (AM) (FM) (AM) (AM) (AM) (AM) (AM) (AM) (FM) (AM) (FM) (TX) (TX) (TX) (TX) (TX) (FM) : The power supply is shown with the marked box. F A www. xiaoyu163. com QQ 376315150 9 9 2 8 9 4 2 9 8 TEL 13942296513 9 9 2 8 9 4 2 9 8 0 5 1 5 1 3 6 7 3 Q Q TEL 13942296513 QQ 376315150 892498299 TEL 13942296513 QQ 376315150 892498299 http://www.xiaoyu163.com VSX-839RDS 16 A B C D 1 2 3 4 1 2 3 4 F B 5.1CH I/O ASSY ( AWX7627 ) JA1111 : AKB7048 JA1113 : AKB7046 CN1505 E CN1501 E CN1503 E B F : AUDIO SIGNAL ROUTE 3.2 5.1CH I/O and INPUT ASSYS www. xiaoyu163. com QQ 376315150 9 9 2 8 9 4 2 9 8 TEL 13942296513 9 9 2 8 9 4 2 9 8 0 5 1 5 1 3 6 7 3 Q Q TEL 13942296513 QQ 376315150 892498299 TEL 13942296513 QQ 376315150 892498299 http://www.xiaoyu163.com VSX-839RDS 17 A B C D 1 2 3 4 1 2 3 4F C JA1003 : AKB7048 JA1003 : AKB7048 JA1003 : AKB7048 INPUT ASSY (AWX7600) CN1553 E C F : AUDIO SIGNAL ROUTE (VCR1) V1 V1 V1 V1 V1 V2 V2 V2 V2 : AUDIO SIGNAL ROUTE (VCR2) V2 : AUDIO SIGNAL ROUTE (MR) MR : AUDIO SIGNAL ROUTE : AUDIO SIGNAL ROUTE (LD) LD : AUDIO SIGNAL ROUTE (TV) TV LD LD LD LD TV TV TV www. xiaoyu163. com QQ 376315150 9 9 2 8 9 4 2 9 8 TEL 13942296513 9 9 2 8 9 4 2 9 8 0 5 1 5 1 3 6 7 3 Q Q TEL 13942296513 QQ 376315150 892498299 TEL 13942296513 QQ 376315150 892498299 http://www.xiaoyu163.com VSX-839RDS 18 A B C D 1 2 3 4 1 2 3 4 1/3F D 3.2 MAIN CONTROL ASSY (1/3) : The power supply is shown with the marked box. D 2/3F CN7005 CN1551 E D 2/3F LD CD T2 TU V2 CD CD CD T2 MD TU TU MD TU T2 TU T2 V1 MD TV LD TV V2 V1 S F www. xiaoyu163. com QQ 376315150 9 9 2 8 9 4 2 9 8 TEL 13942296513 9 9 2 8 9 4 2 9 8 0 5 1 5 1 3 6 7 3 Q Q TEL 13942296513 QQ 376315150 892498299 TEL 13942296513 QQ 376315150 892498299 http://www.xiaoyu163.com VSX-839RDS 19 A B C D 5 6 7 8 5 6 7 81/3F D MAIN CONTROL ASSY (AWX7625) CN5004 N D 2/3F 1/3 F D D301 D302 RB501V-40 RB501V-40 : AUDIO SIGNAL ROUTE (LD) LD : AUDIO SIGNAL ROUTE : AUDIO SIGNAL ROUTE (TV) TV : AUDIO SIGNAL ROUTE (VCR1) V1 : AUDIO SIGNAL ROUTE (VCR2) V2 : AUDIO SIGNAL ROUTE (MD) MD : AUDIO SIGNAL ROUTE (PHONO) P : AUDIO SIGNAL ROUTE (TUNER) TU : AUDIO SIGNAL ROUTE (CD) CD : AUDIO SIGNAL ROUTE (TAPE2) T2 : AUDIO SIGNAL ROUTE (MR) MR www. xiaoyu163. com QQ 376315150 9 9 2 8 9 4 2 9 8 TEL 13942296513 9 9 2 8 9 4 2 9 8 0 5 1 5 1 3 6 7 3 Q Q TEL 13942296513 QQ 376315150 892498299 TEL 13942296513 QQ 376315150 892498299 http://www.xiaoyu163.com VSX-839RDS 20 A B C D 1 2 3 4 1 2 3 4 3.3 MAIN CONTROL ASSY (2/3) 2/3F D MAIN CONTROL ASSY (AWX7625) D 1/3F D 3/3F D 1/3F 2/3 F D : The power supply is shown with the marked box. www. xiaoyu163. com QQ 376315150 9 9 2 8 9 4 2 9 8 TEL 13942296513 9 9 2 8 9 4 2 9 8 0 5 1 5 1 3 6 7 3 Q Q TEL 13942296513 QQ 376315150 892498299 TEL 13942296513 QQ 376315150 892498299 http://www.xiaoyu163.com VSX-839RDS 21 A B C D 5 6 7 8 5 6 7 8 2/3F D D 3/3F CN1504 E CN2001 CN1502 E D 1/3F : AUDIO SIGNAL ROUTE I F www. xiaoyu163. com QQ 376315150 9 9 2 8 9 4 2 9 8 TEL 13942296513 9 9 2 8 9 4 2 9 8 0 5 1 5 1 3 6 7 3 Q Q TEL 13942296513 QQ 376315150 892498299 TEL 13942296513 QQ 376315150 892498299 http://www.xiaoyu163.com VSX-839RDS 22 A B C D 1 2 3 4 1 2 3 4 3/3F D 3.4 MAIN CONTROL ASSY (3/3) CN7001 D 2/3F CN5008 N CN5005 CN201 N CN5010 N TU TU TU A F S F www. xiaoyu163. com QQ 376315150 9 9 2 8 9 4 2 9 8 TEL 13942296513 9 9 2 8 9 4 2 9 8 0 5 1 5 1 3 6 7 3 Q Q TEL 13942296513 QQ 376315150 892498299 TEL 13942296513 QQ 376315150 892498299 http://www.xiaoyu163.com VSX-839RDS 23 A B C D 5 6 7 8 5 6 7 83/3F D CN9805 MAIN CONTROL ASSY (AWX7625) Y 4/5 CN9806 Y 4/5 CN5003 N CN601 H 3/3 F D : AUDIO SIGNAL ROUTE (TUNER) TU : The power supply is shown with the marked box. www. xiaoyu163. com QQ 376315150 9 9 2 8 9 4 2 9 8 TEL 13942296513 9 9 2 8 9 4 2 9 8 0 5 1 5 1 3 6 7 3 Q Q TEL 13942296513 QQ 376315150 892498299 TEL 13942296513 QQ 376315150 892498299 http://www.xiaoyu163.com VSX-839RDS 24 A B C D 1 2 3 4 1 2 3 4 3.5 V-AMP, REGULATOR, TRANS 2-2 and TRANS 1 ASSYS F I V-AMP ASSY (AWX7723) D 2/3F CN105 To Thermistor OVER LOAD DETECTION I F : AUDIO SIGNAL ROUTE www. xiaoyu163. com QQ 376315150 9 9 2 8 9 4 2 9 8 TEL 13942296513 9 9 2 8 9 4 2 9 8 0 5 1 5 1 3 6 7 3 Q Q TEL 13942296513 QQ 376315150 892498299 TEL 13942296513 QQ 376315150 892498299 http://www.xiaoyu163.com VSX-839RDS 25 A B C D 1 2 3 4 1 2 3 4 TRANS 2-2 ASSY (AWX7720) CAUTION : FOR CONTINUED PROTECTION AGAINST RISK OF FIRE. REPLACE ONLY WITH SAME TYPE NO. 491.200 MFD, BY LITTELFUSE INC. FOR IC5009, IC5010 (AEK7023). CAUTION : FOR CONTINUED PROTECTION AGAINST RISK OF FIRE. REPLACE ONLY WITH SAME TYPE NO. 491005 MFD, BY LITTELFUSE INC. FOR IC5501 (AEK7019). 3004 CN3003 Q TRANS 1 ASSY (AWX7564) M REGULATOR ASSY (AWX7562) CN9803 Y 2/5F P N D3SBA20 O F L F L F P F O N www. xiaoyu163. com QQ 376315150 9 9 2 8 9 4 2 9 8 TEL 13942296513 9 9 2 8 9 4 2 9 8 0 5 1 5 1 3 6 7 3 Q Q TEL 13942296513 QQ 376315150 892498299 TEL 13942296513 QQ 376315150 892498299 http://www.xiaoyu163.com VSX-839RDS 26 A B C D 1 2 3 4 1 2 3 4 F L M 3.6 TRANS 2-1, FAN DRIVER and SP/PS ASSYS Z FU4, FU5 : T2.0A REK1025 CN3002 VSX-839 RDS CN6003 Q CAUTION : FOR CONTINUED PROTECTION AGAINST RISK OF FIRE. REPLACE ONLY WITH SAME TYPE NO. 49102.5 MFD, BY LITTELFUSE INC. FOR IC4501, IC4502 (AEK7019). TRANS 2-1 ASSY ( AWX7572 ) POWER TRANSFORMER J K M FAN DRIVER ASSY (AWX7599) Z LN6SB60 LN6SB60 D3201 MTZJ5.1B AMP FOR POWER AMP VOLTAGE AMPLIFYING STAGE " UH " RECTIFIER FOR POWER AMP "UL" www. xiaoyu163. com QQ 376315150 9 9 2 8 9 4 2 9 8 TEL 13942296513 9 9 2 8 9 4 2 9 8 0 5 1 5 1 3 6 7 3 Q Q TEL 13942296513 QQ 376315150 892498299 TEL 13942296513 QQ 376315150 892498299 http://www.xiaoyu163.com VSX-839RDS 27 A B C D 5 6 7 8 5 6 7 8F L VSX-839 RDS SP/PS ASSY (AWX7735) CN5001 CN5002 N N J K L F D3051– D3060 : 1SS133 • NOTE FOR FUSE REPLACEMENT FOR CONTINUED PROTECTION AGAINST RISK OF FIRE. REPLACE WITH SAME TYPE AND RATINGS ONLY. CAUTION - : AUDIO SIGNAL ROUTE SPEAKER RELAY www. xiaoyu163. com QQ 376315150 9 9 2 8 9 4 2 9 8 TEL 13942296513 9 9 2 8 9 4 2 9 8 0 5 1 5 1 3 6 7 3 Q Q TEL 13942296513 QQ 376315150 892498299 TEL 13942296513 QQ 376315150 892498299 http://www.xiaoyu163.com VSX-839RDS 28 A B C D 1 2 3 4 1 2 3 4 F S S7001 : MEMORY S7002 : SEARCH S7003 : E ON S7007 : MPX S7008 : SPEAKERS S7009 : DIRECT S7010 : SELECT S7011 : CLASS S7012 : FM / AM S7013 : V SELECT S7014 : FL DIMMER S7015 : SPEAKERS S7016 : TONE ON/OFF S7017 : CH SELECT S7018 : BASS – S7019 : TAPE2 MONITOR S7020 : BASS + S7021 : TREBLE – S7022 : TREBLE + S7023 : LOUDNESS S7025 : STANDARD S7026 : ADVANCED S7027 : STEREO S7031 : DSP S7032 : MULTI CH IN S7033 : D–NR S7034 : MIDNIGHT S7035 : THX CINEMA S7501 : STAND BY/ON CN102 7501 7301 CN7201 D 1/3F V W U SEARCH E ON 3.7 DISPLAY ASSY www. xiaoyu163. com QQ 376315150 9 9 2 8 9 4 2 9 8 TEL 13942296513 9 9 2 8 9 4 2 9 8 0 5 1 5 1 3 6 7 3 Q Q TEL 13942296513 QQ 376315150 892498299 TEL 13942296513 QQ 376315150 892498299 http://www.xiaoyu163.com VSX-839RDS 29 A B C D 5 6 7 8 5 6 7 8F S DISPLAY ASSY (AWX7601) CN903 D 3/3F CN7101 T S F www. xiaoyu163. com QQ 376315150 9 9 2 8 9 4 2 9 8 TEL 13942296513 9 9 2 8 9 4 2 9 8 0 5 1 5 1 3 6 7 3 Q Q TEL 13942296513 QQ 376315150 892498299 TEL 13942296513 QQ 376315150 892498299 http://www.xiaoyu163.com VSX-839RDS 30 A B C D 1 2 3 4 1 2 3 4 2/5F Y 3.8 DSP ASSY (2/5) CN5009 N Y 5/5 Y 1/5F ME MA Y 1/5F MA Y 4/5MF www. xiaoyu163. com QQ 376315150 9 9 2 8 9 4 2 9 8 TEL 13942296513 9 9 2 8 9 4 2 9 8 0 5 1 5 1 3 6 7 3 Q Q TEL 13942296513 QQ 376315150 892498299 TEL 13942296513 QQ 376315150 892498299 http://www.xiaoyu163.com VSX-839RDS 31 A B C D 5 6 7 8 5 6 7 8 2/5F Y : The power supply is shown with the marked box. CN5006 N CN5007 N Y 4/5 3/5 3/5 Y 4/5 MP MG ,D/A : AUDIO SIGNAL ROUTE DSP ASSY (AWX7626) Y 2/5 F www. xiaoyu163. com QQ 376315150 9 9 2 8 9 4 2 9 8 TEL 13942296513 9 9 2 8 9 4 2 9 8 0 5 1 5 1 3 6 7 3 Q Q TEL 13942296513 QQ 376315150 892498299 TEL 13942296513 QQ 376315150 892498299 http://www.xiaoyu163.com VSX-839RDS 32 A B C D 1 2 3 4 1 2 3 4 3.9 PRIMARY and P-SW ASSYS F Q PRIMARY ASSY (VSX-839RDS/HY : AWX7596) (VSX-839RDS/HV : AWX7604) CN3005 CN6003 KP200TA4L CN6002 RKP1751 LIVE NEUTRAL FU1 : T4.0A REK –106 AC IN P • NOTE FOR FUSE REPLACEMENT FOR CONTINUED PROTECTION AGAINST RISK OF FIRE. REPLACE WITH SAME TYPE AND RATINGS ONLY. CAUTION - Q F CN6801 P-SW ASSY (AWX7593) Q A HY Type Only L F QA www. xiaoyu163. com QQ 376315150 9 9 2 8 9 4 2 9 8 TEL 13942296513 9 9 2 8 9 4 2 9 8 0 5 1 5 1 3 6 7 3 Q Q TEL 13942296513 QQ 376315150 892498299 TEL 13942296513 QQ 376315150 892498299 http://www.xiaoyu163.com

标签:

版权声明

1. 本站所有素材,仅限学习交流,仅展示部分内容,如需查看完整内容,请下载原文件。
2. 会员在本站下载的所有素材,只拥有使用权,著作权归原作者所有。
3. 所有素材,未经合法授权,请勿用于商业用途,会员不得以任何形式发布、传播、复制、转售该素材,否则一律封号处理。
4. 如果素材损害你的权益请联系客服QQ:77594475 处理。