先锋PIONEER VSX-607RDS电路图

分类:电子电工 日期: 点击:0
先锋PIONEER VSX-607RDS电路图-0 先锋PIONEER VSX-607RDS电路图-1 先锋PIONEER VSX-607RDS电路图-2 先锋PIONEER VSX-607RDS电路图-3 先锋PIONEER VSX-607RDS电路图-4 先锋PIONEER VSX-607RDS电路图-5 先锋PIONEER VSX-607RDS电路图-6 先锋PIONEER VSX-607RDS电路图-7 先锋PIONEER VSX-607RDS电路图-8 先锋PIONEER VSX-607RDS电路图-9

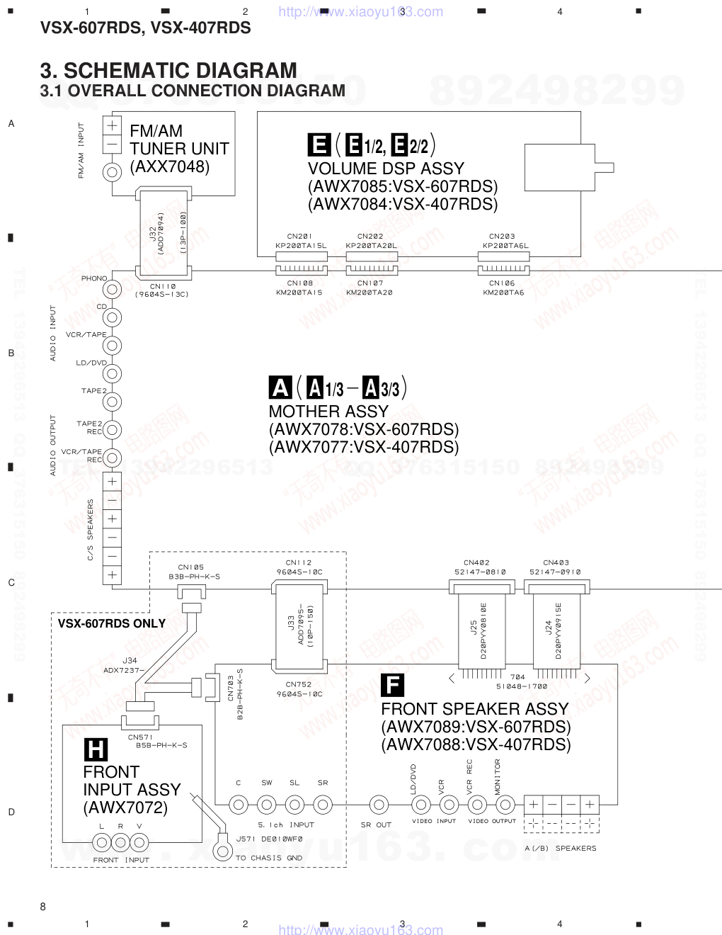
ORDER NO. RRV1953 T - IZK MAY 1998 Printed in Japan PIONEER ELECTRONIC CORPORATION 4-1, Meguro 1-Chome, Meguro-ku, Tokyo 153-8654, Japan PIONEER ELECTRONICS SERVICE, INC. P.O. Box 1760, Long Beach, CA 90801-1760, U.S.A. PIONEER ELECTRONIC (EUROPE) N.V. Haven 1087, Keetberglaan 1, 9120 Melsele, Belgium PIONEER ELECTRONICS ASIACENTRE PTE. LTD. 501 Orchard Road, #10-00 Wheelock Place, Singapore 238880 PIONEER ELECTRONIC CORPORATION 1998 c VSX-607RDS AUDIO/VIDEO MULTI-CHANNEL RECEIVER VSX-407RDS THIS MANUAL IS APPLICABLE TO THE FOLLOWING MODEL(S) AND TYPE(S). The voltage can be converted by the following method. The illustration shows the VSX-607RDS. Type Model Power Requirement VSX-607RDS VSX-407RDS HYXKEW AC220-230V AC240V, ∗ HYXKGR AC220-230V AC240V, ∗ ∗ : Alter the wiring of the Power-supply block at the primary winding of Power-transformer referring to the "Line Voltage Selection" described in Service Manual. 1. SAFETY INFORMATION ...................................... 2 2. EXPLODED VIEWS AND PARTS LIST ................ 3 3. SCHEMATIC DIAGRAM ....................................... 8 4. PCB CONNECTION DIAGRAM .......................... 24 5. PCB PARTS LIST ............................................... 31 6. ADJUSTMENT .................................................... 35 CONTENTS 7. GENERAL INFORMATION ................................ 36 7.1 PARTS ......................................................... 36 7.1.1 IC .......................................................... 36 7.1.2 DISPLAY............................................... 42 7.2 DISASSEMBLY ........................................... 43 7.3 DIAGNOSIS ................................................. 45 7.4 BLOCK DIAGRAM ....................................... 46 7.5 REMOTE CONTROL UNIT [CU-VSX131 (AXD7169)] ............................ 48 8. PANEL FACILITIES AND SPECIFICATIONS .. 52 www. xiaoyu163. com QQ 376315150 9 9 2 8 9 4 2 9 8 TEL 13942296513 9 9 2 8 9 4 2 9 8 0 5 1 5 1 3 6 7 3 Q Q TEL 13942296513 QQ 376315150 892498299 TEL 13942296513 QQ 376315150 892498299 http://www.xiaoyu163.com 2 VSX-607RDS, VSX-407RDS 1. SAFETY INFORMATION This service manual is intended for qualified service technicians ; it is not meant for the casual do-it- yourselfer. Qualified technicians have the necessary test equipment and tools, and have been trained to properly and safely repair complex products such as those covered by this manual. Improperly performed repairs can adversely affect the safety and reliability of the product and may void the warranty. If you are not qualified to perform the repair of this product properly and safely, you should not risk trying to do so and refer the repair to a qualified service technician. WARNING Lead in solder used in this product is listed by the California Health and Welfare agency as a known reproductive toxicant which may cause birth defects or other reproductive harm (California Health & Safety Code, Section 25249.5). When servicing or handling circuit boards and other components which contain lead in solder, avoid unprotected skin contact with the solder. Also, when soldering do not inhale any smoke or fumes produced. NOTICE (FOR CANADIAN MODEL ONLY) Fuse symbols (fast operating fuse) and/or (slow operating fuse) on PCB indicate that replacement parts must be of identical designation. REMARQUE (POUR MODÈLE CANADIEN SEULEMENT) Les symboles de fusible (fusible de type rapide) et/ou (fusible de type lent) sur CCI indiquent que les pièces de remplacement doivent avoir la même désignation. ANY MEASUREMENTS NOT WITHIN THE LIMITS OUTLINED ABOVE ARE INDICATIVE OF A POTENTIAL SHOCK HAZARD AND MUST BE CORRECTED BEFORE RETURNING THE APPLIANCE TO THE CUSTOMER. 2. PRODUCT SAFETY NOTICE Many electrical and mechanical parts in the appliance have special safety related characteristics. These are often not evident from visual inspection nor the protection afforded by them necessarily can be obtained by using replacement components rated for voltage, wattage, etc. Replacement parts which have these special safety characteristics are identified in this Service Manual. Electrical components having such features are identified by marking with a on the schematics and on the parts list in this Service Manual. The use of a substitute replacement component which does not have the same safety characteristics as the PIONEER recommended replacement one, shown in the parts list in this Service Manual, may create shock, fire, or other hazards. Product Safety is continuously under review and new instructions are issued from time to time. For the latest information, always consult the current PIONEER Service Manual. A subscription to, or additional copies of, PIONEER Service Manual may be obtained at a nominal charge from PIONEER. 1. SAFETY PRECAUTIONS The following check should be performed for the continued protection of the customer and service technician. LEAKAGE CURRENT CHECK Measure leakage current to a known earth ground (water pipe, conduit, etc.) by connecting a leakage current tester such as Simpson Model 229-2 or equivalent between the earth ground and all exposed metal parts of the appliance (input/output terminals, screwheads, metal overlays, control shaft, etc.). Plug the AC line cord of the appliance directly into a 120V AC 60Hz outlet and turn the AC power switch on. Any current measured must not exceed 0.5mA. (FOR USA MODEL ONLY) Leakage current tester Reading should not be above 0.5mA Device under test Test all exposed metal surfaces Also test with plug reversed (Using AC adapter plug as required) Earth ground AC Leakage Test www. xiaoyu163. com QQ 376315150 9 9 2 8 9 4 2 9 8 TEL 13942296513 9 9 2 8 9 4 2 9 8 0 5 1 5 1 3 6 7 3 Q Q TEL 13942296513 QQ 376315150 892498299 TEL 13942296513 QQ 376315150 892498299 http://www.xiaoyu163.com 3 VSX-607RDS, VSX-407RDS 2.1 PACKING 1 FM Antenna ADH7005 2 AM Loop Antenna ATB7009 3 Operating Instructions See Contrast table (2) (Italian/Spanish/Portuguese) NSP 4 Warranty Card ARY7010 5 Remote Control Unit See Contrast table (2) (CU-VSX131) 6 Battery Cover See Contrast table (2) NSP 7 Alkaline Dry Cell Battery See Contrast table (2) (LR6, AA) 8 Left Pad AHA7203 9 Right Pad AHA7204 10 Packing Sheet AHG7028 11 Packing Case See Contrast table (2) 12 Polyethylene Bag Z21-038 (0.03×230×340) 13 Operating Instructions See Contrast table (2) (Dutch/Swedish) 14 Operating Instructions See Contrast table (2) (English/French) 15 Remote Control Unit See Contrast table (2) (CU-VSX130) NSP 16 Dry Cell Battery (R6P, AA) See Contrast table (2) 17 Operating Instructions See Contrast table (2) (German) (1) PACKING PARTS LIST Mark No. Description Part No. 2. EXPLODED VIEWS AND PARTS LIST NOTES: • Parts marked by "NSP" are generally unavailable because they are not in our Master Spare Parts List. • The mark found on some component parts indicates the importance of the safety factor of the part. Therefore, when replacing, be sure to use parts of identical designation. • Screws adjacent to mark on the product are used for disassembly. 1 2 4 13 17 HYXKEW Type Only 14 3 5 7, 16 12 8 (1/2) 9 (1/2) 9 (2/2) 8 (2/2) 15 6 10 11 VSX-607RDS Only VSX-407RDS Only (2) CONTRAST TABLE VSX-607RDS/HYXKEW, HYXKGR, VSX-407RDS/HYXKEW and HYXKGR are constructed the same except for the following : k r a M . o N n o it p ir c s e D d n a l o b m y S . o N tr a P s k r a m e R S D R 7 0 6 - X S V S D R 7 0 4 - X S V W E K X Y H R G K X Y H W E K X Y H R G K X Y H P S N P S N 3 5 6 7 1 1 3 1 4 1 5 1 6 1 7 1 ) e s e u g u tr o P / h sin a p S / n aila tI( s n oitc u rts n I g nit a r e p O ) 1 3 1 X S V - U C ( tin U lo rt n o C e t o m e R r e v o C y r e tt a B ) A A , 6 R L ( y r e tt a B lle C y r D e nila kl A e s a C g nik c a P ) h sid e w S / h ct u D ( s n oitc u rts n I g nit a r e p O ) h c n e r F / h silg n E ( s n oitc u rts n I g nit a r e p O ) 0 3 1 X S V - U C ( tin U lo rt n o C e t o m e R ) A A , P 6 R ( y r e tt a B lle C y r D ) n a m r e G ( s n oitc u rts n I g nit a r e p O 1 9 1 7 C R A 9 6 1 7 D X A d e s u t o N 7 0 0 1 X E A 7 8 5 7 D H A 7 9 1 7 C R A 7 5 1 7 E R A d e s u t o N d e s u t o N 3 9 1 7 C R A d e s u t o N 9 6 1 7 D X A d e s u t o N 7 0 0 1 X E A 7 8 5 7 D H A d e s u t o N d e s u t o N d e s u t o N d e s u t o N 3 9 1 7 C R A 0 9 1 7 C R A d e s u t o N 6 5 1 1 N Z R d e s u t o N 6 8 5 7 D H A 6 9 1 7 C R A 6 5 1 7 E R A 2 6 1 7 D X A 1 0 0 7 X E A 2 9 1 7 C R A d e s u t o N d e s u t o N 6 5 1 1 N Z R d e s u t o N 6 8 5 7 D H A d e s u t o N d e s u t o N 2 6 1 7 D X A 1 0 0 7 X E A 2 9 1 7 C R A www. xiaoyu163. com QQ 376315150 9 9 2 8 9 4 2 9 8 TEL 13942296513 9 9 2 8 9 4 2 9 8 0 5 1 5 1 3 6 7 3 Q Q TEL 13942296513 QQ 376315150 892498299 TEL 13942296513 QQ 376315150 892498299 http://www.xiaoyu163.com 4 VSX-607RDS, VSX-407RDS 2.2 EXTERIOR SECTION F F C E E B A B C G G A D D 18 34 34 25 22 34 3 34 34 34 34 34 34 1 36 34 28 (VSX-607RDS Only) 20 20 34 34 34 34 34 34 34 17 14 13 12 34 4 34 27 27 2 21 26 24 Accessory of Front Panel 23 34 34 35 35 5 6 10 19 24 34 34 34 Refer to "2.3 FRONT PANEL SECTION". 33 34 34 34 34 31 31 34 34 25 16 9 8 11 28 VSX-607RDS Only For VSX-607RDS For VSX-407RDS 15 7 34 29 29 VSX-607RDS Only 30 32 Accessory of Front Panel www. xiaoyu163. com QQ 376315150 9 9 2 8 9 4 2 9 8 TEL 13942296513 9 9 2 8 9 4 2 9 8 0 5 1 5 1 3 6 7 3 Q Q TEL 13942296513 QQ 376315150 892498299 TEL 13942296513 QQ 376315150 892498299 http://www.xiaoyu163.com 5 VSX-607RDS, VSX-407RDS 1 MOTHER Assy See Contrast table (2) 2 VOLUME DSP Assy See Contrast table (2) NSP 3 CONNECTION Assy See Contrast table (2) NSP 4 HEADPHONE Assy AWX7086 NSP 5 TRANS 1 Assy AWX7090 NSP 6 TRANS 2 Assy AWX7080 7 PRIMARY Assy AWX7087 8 FRONT SPEAKER Assy See Contrast table (2) 9 FM/AM TUNER Unit AXX7048 10 Power Transformer ATS7204 (T1 : AC220-230V/240V) 11 Flexible Cable (J33) See Contrast table (2) (FRONT SPEAKER CN752-MOTHER CN112) 12 Fuse (FU1 : T2A) AEK1057 13 AC Power Cord ADG7008 14 Cord Stopper CM-22B 15 Flexible Cable 13P (J32) ADD7094 (MOTHER CN110-FM/AM TUNER Unit) NSP 16 Under Base ANA7070 17 Rear Panel See Contrast table (2) 18 Bonnet Case AZN7727 (1) EXTERIOR SECTION PARTS LIST Mark No. Description Part No. Mark No. Description Part No. 19 T Angle ANG7178 20 H Angle ANG7179 21 PCB Angle ANG7180 22 Top Cover AME7373 NSP 23 Heat Sink Y ANH7083 24 PCB Support AEC7006 25 Push Rivet AEC7025 26 PCB Support AEC7132 27 Card Spacer AEC7133 NSP 28 5P Shield Cable (J34) See Contrast table (2) (MOTHER CN105, FRONT SPEAKER CN703- FRONT INPUT CN571) 29 Screw ABA1007 30 Insulator See Contrast table (2) 31 Insulator PNW2766 32 Foot Assy See Contrast table (2) 33 Round Knob AAB7082 34 Screw BBZ30P080FZK 35 Screw ABA7044 36 Screw ABA7043 (2) CONTRAST TABLE VSX-607RDS/HYXKEW, HYXKGR, VSX-407RDS/HYXKEW and HYXKGR are constructed the same except for the following : k r a M . o N n o it p ir c s e D d n a l o b m y S . o N tr a P s k r a m e R S D R 7 0 6 - X S V S D R 7 0 4 - X S V W E K X Y H R G K X Y H W E K X Y H R G K X Y H P S N P S N 1 2 3 8 1 1 7 1 8 2 0 3 2 3 y s s A R E H T O M y s s A P S D E M U L O V y s s A N O I T C E N N O C y s s A R E K A E P S T N O R F ) 3 3 J ( elb a C elbix el F le n a P r a e R ) 4 3 J ( elb a C dleih S P 5 r o t alu s n I y s s A t o o F 8 7 0 7 X W A 5 8 0 7 X W A 5 6 1 7 X W A 9 8 0 7 X W A 5 9 0 7 D D A 0 3 6 7 C N A 7 3 2 7 X D A 6 6 7 2 W N P d e s u t o N 8 7 0 7 X W A 5 8 0 7 X W A 5 6 1 7 X W A 9 8 0 7 X W A 5 9 0 7 D D A 0 3 6 7 C N A 7 3 2 7 X D A 6 6 7 2 W N P d e s u t o N 7 7 0 7 X W A 4 8 0 7 X W A 9 7 0 7 X W A 8 8 0 7 X W A d e s u t o N 9 2 6 7 C N A d e s u t o N d e s u t o N 3 6 2 1 C E R 7 7 0 7 X W A 4 8 0 7 X W A 9 7 0 7 X W A 8 8 0 7 X W A d e s u t o N 9 2 6 7 C N A d e s u t o N d e s u t o N 3 6 2 1 C E R www. xiaoyu163. com QQ 376315150 9 9 2 8 9 4 2 9 8 TEL 13942296513 9 9 2 8 9 4 2 9 8 0 5 1 5 1 3 6 7 3 Q Q TEL 13942296513 QQ 376315150 892498299 TEL 13942296513 QQ 376315150 892498299 http://www.xiaoyu163.com 6 VSX-607RDS, VSX-407RDS 11 5 7 2 6 (2/2) 6 (1/2) 8 1 12 12 12 12 12 VSX-607RDS Only 15 3 13 14 12 4 9 10 (1/2) 10 (2/2) 16 VSX-607RDS Only VSX-607RDS Only 1 FRONT Assy See Contrast table (2) NSP 2 FRONT INPUT Assy See Contrast table (2) NSP 3 POWER SW Assy AWX7061 NSP 4 Getter See Contrast table (2) 5 Power Button PTK AAD7457 6 Function Button PTK AAD7456 7 PIONEER Badge PAM1755 8 LED Lens PNW2019 9 Sheet AAK7580 10 Sub Panel See Contrast table (2) (1) FRONT PANEL SECTION PARTS LIST Mark No. Description Part No. 2.3 FRONT PANEL SECTION Mark No. Description Part No. 11 Front Panel See Contrast table (2) 12 Screw BPZ30P080FMC 13 Flexible Cable 20P (J31) ADD7093 (MOTHER CN109-FRONT CN501) 14 Flexible Cable 20P (J35) ADD7093 (MOTHER CN111-FRONT CN502) 15 Power Button M AAD7442 16 Screw See Contrast table (2) (2) CONTRAST TABLE VSX-607RDS/HYXKEW, HYXKGR, VSX-407RDS/HYXKEW and HYXKGR are constructed the same except for the following : k r a M . o N n o it p ir c s e D d n a l o b m y S . o N tr a P s k r a m e R S D R 7 0 6 - X S V S D R 7 0 4 - X S V W E K X Y H R G K X Y H W E K X Y H R G K X Y H P S N P S N 1 2 4 0 1 1 1 6 1 y s s A T N O R F y s s A T U P N I T N O R F r e tt e G le n a P b u S le n a P t n o r F w e r c S 2 8 0 7 X W A 2 7 0 7 X W A 4 4 6 7 X A A 4 4 0 7 P A A 7 9 4 7 B M A 9 0 0 7 A B A 2 8 0 7 X W A 2 7 0 7 X W A 4 4 6 7 X A A 4 4 0 7 P A A 7 9 4 7 B M A 9 0 0 7 A B A 1 8 0 7 X W A d e s u t o N 3 4 6 7 X A A 3 4 0 7 P A A 6 9 4 7 B M A d e s u t o N 1 8 0 7 X W A d e s u t o N 3 4 6 7 X A A 3 4 0 7 P A A 6 9 4 7 B M A d e s u t o N www. xiaoyu163. com QQ 376315150 9 9 2 8 9 4 2 9 8 TEL 13942296513 9 9 2 8 9 4 2 9 8 0 5 1 5 1 3 6 7 3 Q Q TEL 13942296513 QQ 376315150 892498299 TEL 13942296513 QQ 376315150 892498299 http://www.xiaoyu163.com 7 VSX-607RDS, VSX-407RDS www. xiaoyu163. com QQ 376315150 9 9 2 8 9 4 2 9 8 TEL 13942296513 9 9 2 8 9 4 2 9 8 0 5 1 5 1 3 6 7 3 Q Q TEL 13942296513 QQ 376315150 892498299 TEL 13942296513 QQ 376315150 892498299 http://www.xiaoyu163.com VSX-607RDS, VSX-407RDS 8 A B C D 1 2 3 4 1 2 3 4 3. SCHEMATIC DIAGRAM 3.1 OVERALL CONNECTION DIAGRAM FM/AM TUNER UNIT (AXX7048) E E 1/2, E 2/2 VOLUME DSP ASSY (AWX7085:VSX-607RDS) (AWX7084:VSX-407RDS) A A 1/3 A 3/3 MOTHER ASSY (AWX7078:VSX-607RDS) (AWX7077:VSX-407RDS) F FRONT SPEAKER ASSY (AWX7089:VSX-607RDS) (AWX7088:VSX-407RDS) H FRONT INPUT ASSY (AWX7072) VSX-607RDS ONLY www. xiaoyu163. com QQ 376315150 9 9 2 8 9 4 2 9 8 TEL 13942296513 9 9 2 8 9 4 2 9 8 0 5 1 5 1 3 6 7 3 Q Q TEL 13942296513 QQ 376315150 892498299 TEL 13942296513 QQ 376315150 892498299 http://www.xiaoyu163.com VSX-607RDS, VSX-407RDS 9 A B C D 5 6 7 8 5 6 7 8 Note : When ordering service parts, be sure to refer to "EXPLODED VIEWS and PARTS LIST" or "PCB PARTS LIST". D FRONT ASSY (AWX7082:VSX-607RDS) (AWX7081:VSX-407RDS) G HEADPHONE ASSY (AWX7086) K PRIMARY ASSY (AWX7087) J POWER SW ASSY (AWX7061) C TRANS 2 ASSY (AWX7080) I TRANS 1 ASSY (AWX7090) B CONNECTION ASSY (AWX7165:VSX-607RDS) (AWX7079:VSX-407RDS) POWER TRANSFORMER AC POWER CORD AC220–230V,240V 50/60Hz www. xiaoyu163. com QQ 376315150 9 9 2 8 9 4 2 9 8 TEL 13942296513 9 9 2 8 9 4 2 9 8 0 5 1 5 1 3 6 7 3 Q Q TEL 13942296513 QQ 376315150 892498299 TEL 13942296513 QQ 376315150 892498299 http://www.xiaoyu163.com VSX-607RDS, VSX-407RDS 10 A B C D 1 2 3 4 1 2 3 4 3.2 MOTHER ASSY (1/3) 1/3 A IC151: PHONO RIAA AMP IC101: FUNCTION SW IC102: BUFFER AMP VSX-607RDS ONLY A 1/3 MOTHER ASSY (AWX7078:VSX-607RDS) (AWX7077:VSX-407RDS) CN571 H www. xiaoyu163. com QQ 376315150 9 9 2 8 9 4 2 9 8 TEL 13942296513 9 9 2 8 9 4 2 9 8 0 5 1 5 1 3 6 7 3 Q Q TEL 13942296513 QQ 376315150 892498299 TEL 13942296513 QQ 376315150 892498299 http://www.xiaoyu163.com VSX-607RDS, VSX-407RDS 11 A B C D 5 6 7 8 5 6 7 81/3 A Q191: RIPPLE FILTER FOR TUNER : AUDIO SIGNAL ROUTE : AUDIO SIGNAL ROUTE(CENTER) : AUDIO SIGNAL ROUTE(SURROUND) (C) (S) (C) (S) 2/3 A 2/3 A 2/3 A 2/3 A 2/3 A 3/3 A 3/3 A 1/2 E CN201 1/2 E CN202 CN501 D CN502 D CN752 FM/AM TUNER UNIT F MTZJ5.1B www. xiaoyu163. com QQ 376315150 9 9 2 8 9 4 2 9 8 TEL 13942296513 9 9 2 8 9 4 2 9 8 0 5 1 5 1 3 6 7 3 Q Q TEL 13942296513 QQ 376315150 892498299 TEL 13942296513 QQ 376315150 892498299 http://www.xiaoyu163.com VSX-607RDS, VSX-407RDS 12 A B C D 1 2 3 4 1 2 3 4 3.3 MOTHER ASSY (2/3) 2/3 A IC401(2/2): POWER AMP CENTER IC401(1/2): POWER AMP FRONT Rch (C) (C) (C) (C) A 2/3 MOTHER ASSY (AWX7078:VSX-607RDS) (AWX7077:VSX-407RDS) CAUTION : FOR CONTINUED PROTECTION AGAINST RISK OF FIRE. REPLACE ONLY WITH SAME TYPE NO. ICP-N25, MFD BY ROHM CO., LTD. FOR IC403. J25 1/3 F J24 F A 1/3 A 1/3 A 1/3 A 1/3 A 1/3 A 1/3 A 2SC2705 PAC009A 2SC2705 PAC009A www. xiaoyu163. com QQ 376315150 9 9 2 8 9 4 2 9 8 TEL 13942296513 9 9 2 8 9 4 2 9 8 0 5 1 5 1 3 6 7 3 Q Q TEL 13942296513 QQ 376315150 892498299 TEL 13942296513 QQ 376315150 892498299 http://www.xiaoyu163.com VSX-607RDS, VSX-407RDS 13 A B C D 5 6 7 8 5 6 7 82/3 A : AUDIO SIGNAL ROUTE : AUDIO SIGNAL ROUTE(CENTER) : AUDIO SIGNAL ROUTE(SURROUND) (C) (S) (C) (S) (S) (S) (C) (C) (S) (S) (S) (S) (S) (C) (C) (C) (C) IC402(1/2): POWER AMP FRONT Lch IC402(2/2): POWER AMP SURROUND 1/3 A 1/3 A 1/3 A 3/3 A PAC009A 2SC2705 PAC009A 2SC2705 www. xiaoyu163. com QQ 376315150 9 9 2 8 9 4 2 9 8 TEL 13942296513 9 9 2 8 9 4 2 9 8 0 5 1 5 1 3 6 7 3 Q Q TEL 13942296513 QQ 376315150 892498299 TEL 13942296513 QQ 376315150 892498299 http://www.xiaoyu163.com VSX-607RDS, VSX-407RDS 14 A B C D 1 2 3 4 1 2 3 4 3.4 MOTHER (3/3), CONNECTION AND TRANS 2 ASSEMBLIES 3/3 A B (HP) (HP) (HP) (HP) A 3/3 MOTHER ASSY (AWX7078:VSX-607RDS) (AWX7077:VSX-407RDS) CONNECTION ASSY (AWX7165:VSX-607RDS) (AWX7079:VSX-407RDS) 1/3 A 2/3 A B www. xiaoyu163. com QQ 376315150 9 9 2 8 9 4 2 9 8 TEL 13942296513 9 9 2 8 9 4 2 9 8 0 5 1 5 1 3 6 7 3 Q Q TEL 13942296513 QQ 376315150 892498299 TEL 13942296513 QQ 376315150 892498299 http://www.xiaoyu163.com VSX-607RDS, VSX-407RDS 15 A B C D 5 6 7 8 5 6 7 8 3/3 A B C VSX-607RDS ONLY : AUDIO SIGNAL ROUTE(HEADPHONE) (HP) (HP) (HP) (HP) (HP) (HP) IC651: HEADPHONE AMP 1/2 E G J21 G J22 G CN953 T1 POWER TRANSFORMER G CN952 CN203 C TRANS 2 ASSY (AWX7080) CAUTION : FOR CONTINUED PROTECTION AGAINST RISK OF FIRE. REPLACE ONLY WITH SAME TYPE NO. 49101.6 MFD, BY LITTELFUSE INK. FOR IC71,IC72 (AEK7012). 1.6A 1.6A www. xiaoyu163. com QQ 376315150 9 9 2 8 9 4 2 9 8 TEL 13942296513 9 9 2 8 9 4 2 9 8 0 5 1 5 1 3 6 7 3 Q Q TEL 13942296513 QQ 376315150 892498299 TEL 13942296513 QQ 376315150 892498299 http://www.xiaoyu163.com VSX-607RDS, VSX-407RDS 16 A B C D 1 2 3 4 1 2 3 4 3.5 FRONT ASSY D A 1/3 CN109 A 1/3 CN111 REMOTE RECEIVER UNIT STANDBY IND. S501 : SPEAKERS S502 : SELECT S503 : TAPE2 MONITOR S504 : CHARACTER / SEARCH S505 : TONE(–) / BALANCE(L) S506 : PHONO S507 : STANDBY / ON S508 : TONE(+) / BALANCE(R) S509 : FM / AM S510 : STATION / FREQUENCY(–) S511 : DOLBY PRO LOGIC S512 : CD S513 : MEMORY S514 : DOLBY VIRTUAL S515 : DVD / LD S516 : STATION / FREQUENCY(+) S517 : DIRECT S518 : VCR / TAPE1 S519 : EON MODE S520 : DSP MODE S521 : VIDEO INPUT (VSX-607RDS ONLY) S522 : CLASS S523 : TUNING SELECT S524 : RF ATT www. xiaoyu163. com QQ 376315150 9 9 2 8 9 4 2 9 8 TEL 13942296513 9 9 2 8 9 4 2 9 8 0 5 1 5 1 3 6 7 3 Q Q TEL 13942296513 QQ 376315150 892498299 TEL 13942296513 QQ 376315150 892498299 http://www.xiaoyu163.com VSX-607RDS, VSX-407RDS 17 A B C D 5 6 7 8 5 6 7 8D VSX-607RDS ONLY D FRONT ASSY (AWX7082:VSX-607RDS) (AWX7081:VSX-407RDS) FL TUBE 4.332MHz www. xiaoyu163. com QQ 376315150 9 9 2 8 9 4 2 9 8 TEL 13942296513 9 9 2 8 9 4 2 9 8 0 5 1 5 1 3 6 7 3 Q Q TEL 13942296513 QQ 376315150 892498299 TEL 13942296513 QQ 376315150 892498299 http://www.xiaoyu163.com VSX-607RDS, VSX-407RDS 18 A B C D 1 2 3 4 1 2 3 4 3.6 VOLUME DSP ASSY (1/2) 1/2 E VSX-607RDS ONLY VSX-407RDS ONLY IC206: 44kHz L.P.F. (C) (C) (C) (C) (C) (C) (C) (S) (S) (S) (S) (S) (S) (C) (S) (S) 1/2 CN108 1/3 A E VOLUME DSP ASSY (AWX7085:VSX-607RDS) (AWX7084:VSX-407RDS) IC205(BU4052BCF) CONTROL www. xiaoyu163. com QQ 376315150 9 9 2 8 9 4 2 9 8 TEL 13942296513 9 9 2 8 9 4 2 9 8 0 5 1 5 1 3 6 7 3 Q Q TEL 13942296513 QQ 376315150 892498299 TEL 13942296513 QQ 376315150 892498299 http://www.xiaoyu163.com VSX-607RDS, VSX-407RDS 19 A B C D 5 6 7 8 5 6 7 81/2 E IC211: 44kHz L.P.F. & AMP IC202: TONE CONTROL IC207: 6dB AMP : AUDIO SIGNAL ROUTE : AUDIO SIGNAL ROUTE(CENTER) : AUDIO SIGNAL ROUTE(SURROUND) (C) (S) : AUDIO SIGNAL ROUTE(HEADPHONE) (HP) (C) (C) (C) (S) (S) (C) (S) (S) (C) (S) (HP) CN107 1/3 A CN106 3/3 A 2/2 E 2/2 E 2/2 E 2/2 E 2/2 E 2/2 E 2/2 E 2/2 E MTZJ9.1B www. xiaoyu163. com QQ 376315150 9 9 2 8 9 4 2 9 8 TEL 13942296513 9 9 2 8 9 4 2 9 8 0 5 1 5 1 3 6 7 3 Q Q TEL 13942296513 QQ 376315150 892498299 TEL 13942296513 QQ 376315150 892498299 http://www.xiaoyu163.com VSX-607RDS, VSX-407RDS 20 A B C D 1 2 3 4 1 2 3 4 3.7 VOLUME DSP ASSY (2/2) 2/2 E VSX-607RDS ONLY VSX-407RDS ONLY : AUDIO SIGNAL ROUTE : AUDIO SIGNAL ROUTE(CENTER) : AUDIO SIGNAL ROUTE(SURROUND) (C) (S) IC208,IC209: MIXER(Fch+SW) IC204(BU4052BCF) CONTROL 2/2 E VOLUME DSP ASSY (AWX7085:VSX-607RDS) (AWX7084:VSX-407RDS) 1/2 E 1/2 E 1/2 E 1/2 E 1/2 E www. xiaoyu163. com QQ 376315150 9 9 2 8 9 4 2 9 8 TEL 13942296513 9 9 2 8 9 4 2 9 8 0 5 1 5 1 3 6 7 3 Q Q TEL 13942296513 QQ 376315150 892498299 TEL 13942296513 QQ 376315150 892498299 http://www.xiaoyu163.com VSX-607RDS, VSX-407RDS 21 A B C D 5 6 7 8 5 6 7 82/2 E (C) (C) (C) (C) (S) (S) (S) (S) IC302: PRE-AMP IC301: PRE-AMP Q311 KRA101M 1/2 E 1/2 E 1/2 E 1/2 E 1/2 E 1/2 E www. xiaoyu163. com QQ 376315150 9 9 2 8 9 4 2 9 8 TEL 13942296513 9 9 2 8 9 4 2 9 8 0 5 1 5 1 3 6 7 3 Q Q TEL 13942296513 QQ 376315150 892498299 TEL 13942296513 QQ 376315150 892498299 http://www.xiaoyu163.com VSX-607RDS, VSX-407RDS 22 A B C D 1 2 3 4 1 2 3 4 3.8 FRONT SPEAKER, HEADPHONE, FRONT INPUT, TRANS 1, POWER SW AND PRIMARY ASSEMBLIES F VSX-407RDS ONLY VSX-607RDS ONLY VSX-407RDS ONLY VSX-607RDS ONLY VSX-607RDS ONLY VSX-607RDS ONLY IC801: VIDEO SW IC751: ELECTRONIC VOLUME IC752(2/2): INVERTED MIXER(SL+SR) IC752(1/2):INVERTER VSX-607RDS ONLY : AUDIO SIGNAL ROUTE CN571 CN403 2/3 F H A CN402 2/3 A CN112 1/3 A 0.01 0.01 0.01 0.01 CN701: FRONT SPEAKER ASSY (AWX7089:VSX-607RDS) (AWX7088:VSX-407RDS) Q802 2SA933S M62429P 9604S-10C IC801(NJM2279D) LOGIC www. xiaoyu163. com QQ 376315150 9 9 2 8 9 4 2 9 8 TEL 13942296513 9 9 2 8 9 4 2 9 8 0 5 1 5 1 3 6 7 3 Q Q TEL 13942296513 QQ 376315150 892498299 TEL 13942296513 QQ 376315150 892498299 http://www.xiaoyu163.com VSX-607RDS, VSX-407RDS 23 A B C D 5 6 7 8 5 6 7 8 H I J G K VSX-607RDS ONLY : AUDIO SIGNAL ROUTE(HEADPHONE) (HP) (HP) (HP) ATT1193 K CN105 1/3 A CN703 955 JA951 AC NC AC 10000p/250 10000p/250 T2A FU1:AEK1057 220–230 PRIMARY ASSY (AWX7087) I J TRANS 1 ASSY (AWX7090) POWER SW ASSY (AWX7061) H FRONT INPUT ASSY (AWX7072) G HEADPHONE ASSY (AWX7086) • NOTE FOR FUSE REPLACEMENT FOR CONTINUED PROTECTION AGAINST RISK OF FIRE. REPLACE WITH SAME TYPE AND RATINGS ONLY. CAUTION - F CN93 B CN94 B CN71 C CN72 C AC POWER CORD T1 POWER TRANSFORMER POWER www. xiaoyu163. com QQ 376315150 9 9 2 8 9 4 2 9 8 TEL 13942296513 9 9 2 8 9 4 2 9 8 0 5 1 5 1 3 6 7 3 Q Q TEL 13942296513 QQ 376315150 892498299 TEL 13942296513 QQ 376315150 892498299 http://www.xiaoyu163.com VSX-607RDS, VSX-407RDS 24 A B C D 1 2 3 4 1 2 3 4 A SIDE A 4. PCB CONNECTION DIAGRAM 4.1 MOTHER ASSY NOTE FOR PCB DIAGRAMS : 1. Part numbers in PCB diagrams match those in the schematic diagrams. 2. A comparison between the main parts of PCB and schematic diagrams is shown below. 3. The parts mounted on this PCB include all necessary parts for several destinations. For further information for respective destinations, be sure to check with the schematic diagram. 4. View point of PCB diagrams. Symbol In PCB Diagrams Symbol In Schematic Diagrams Part Name B C E D D G G S S B C E B C E D G S B C E B C E B C E Transistor Transistor with resistor Field effect transistor Resistor array 3-terminal regulator Capacitor Connector P.C.Board Chip Part SIDE A SIDE B F CN752 F T E CN201 D CN501 D CN502 H CN571 F J25 F J24 MOTHER ASSY A IC151 Q101 Q456 Q455 Q406 Q405 IC101 Q452 Q192 Q103 Q IC102 Q102 Q454 Q453 Q457 Q458 IC402 www. xiaoyu163. com QQ 376315150 9 9 2 8 9 4 2 9 8 TEL 13942296513 9 9 2 8 9 4 2 9 8 0 5 1 5 1 3 6 7 3 Q Q TEL 13942296513 QQ 376315150 892498299 TEL 13942296513 QQ 376315150 892498299 http://www.xiaoyu163.com VSX-607RDS, VSX-407RDS 25 A B C D 5 6 7 8 5 6 7 8A 752 E CN202 E CN203 FM/AM TUNER UNIT B CN92 B CN91 Q103 Q191 Q605 Q403 Q453 Q457 Q451 Q404 IC602 Q408 IC603 IC601 IC606 Q402 IC607 IC401 Q651 Q654 IC651 IC403 Q401 Q407 (ANP7244-A) www. xiaoyu163. com QQ 376315150 9 9 2 8 9 4 2 9 8 TEL 13942296513 9 9 2 8 9 4 2 9 8 0 5 1 5 1 3 6 7 3 Q Q TEL 13942296513 QQ 376315150 892498299 TEL 13942296513 QQ 376315150 892498299 http://www.xiaoyu163.com VSX-607RDS, VSX-407RDS 26 A B C D 1 2 3 4 1 2 3 4 4.2 CONNECTION, TRANS 2 AND FRONT ASSEMBLIES D B SIDE A A CN602 A CN601 B CONNECTION ASSY D FRONT ASSY Q583 Q501 Q503 Q581 Q582 Q502 IC581 www. xiaoyu163. com QQ 376315150 9 9 2 8 9 4 2 9 8 TEL 13942296513 9 9 2 8 9 4 2 9 8 0 5 1 5 1 3 6 7 3 Q Q TEL 13942296513 QQ 376315150 892498299 TEL 13942296513 QQ 376315150 892498299 http://www.xiaoyu163.com VSX-607RDS, VSX-407RDS 27 A B C D 5 6 7 8 5 6 7 8 B C D SIDE A IC501 G CN952 A CN111 G J22 G J21 A CN109 T1 POWER TRANSFORMER G CN953 C TRANS 2 ASSY Q505 Q504 IC501 (ANP7245-B) (ANP7244-A) www. xiaoyu163. com QQ 376315150 9 9 2 8 9 4 2 9 8 TEL 13942296513 9 9 2 8 9 4 2 9 8 0 5 1 5 1 3 6 7 3 Q Q TEL 13942296513 QQ 376315150 892498299 TEL 13942296513 QQ 376315150 892498299 http://www.xiaoyu163.com VSX-607RDS, VSX-407RDS 28 A B C D 1 2 3 4 1 2 3 4 4.3 VOLUME DSP ASSY E SIDE A IC202 IC204 CN106 A CN107 A CN108 A VOLUME DSP ASSY E IC201 IC206 IC205 IC202 IC211 IC302 IC301 Q302 VR301 Q301 IC204 IC207 IC208 IC209 Q202 Q311 Q313–Q316 (ANP7245-B) www. xiaoyu163. com QQ 376315150 9 9 2 8 9 4 2 9 8 TEL 13942296513 9 9 2 8 9 4 2 9 8 0 5 1 5 1 3 6 7 3 Q Q TEL 13942296513 QQ 376315150 892498299 TEL 13942296513 QQ 376315150 892498299 http://www.xiaoyu163.com VSX-607RDS, VSX-407RDS 29 A B C D 1 2 3 4 1 2 3 4 4.4 FRONT SPEAKER, HEADPHONE AND FRONT INPUT ASSEMBLIES G H F SIDE A HEADPHONE ASSY Q701–Q704 Q801Q802 IC801 IC751 IC752 J23 K CN112 A CN402 A CN94 B CN72 C CN105 A CN71 C CN403 A CN93 B G FRONT INPUT ASSY H FRONT SPEAKER ASSY F (ANP7245-B) www. xiaoyu163. com QQ 376315150 9 9 2 8 9 4 2 9 8 TEL 13942296513 9 9 2 8 9 4 2 9 8 0 5 1 5 1 3 6 7 3 Q Q TEL 13942296513 QQ 376315150 892498299 TEL 13942296513 QQ 376315150 892498299 http://www.xiaoyu163.com VSX-607RDS, VSX-407RDS 30 A B C D 1 2 3 4 1 2 3 4 4.5 TRANS 1, POWER SW AND PRIMARY ASSEMBLIES K J I SIDE A (ANP7244-A) J POWER SW ASSY K PRIMARY ASSY I TRANS 1 ASSY T1 POWER TRANSFORMER (ANP7245-B) 220-230V 240V (ANP7245-B) G CN951 AC POWER CORD Line Voltage can be changed by the following modification: 1. Disconnect the AC power cord. 2. Remove the cover. 3. Change the connection wire from TRANS 1 ASSY [Terminal No. (J) or (K)] to PRIMARY ASSY (Terminal No. J1) as follows. Voltage Terminal No. of TRANS 1 ASSY 220-230V (J) 240V (K) 4. Stick a line voltage label on the rear panel. Description Part No. 220V label AAX-193 240V label AAX-192 Line Voltage Selection www. xiaoyu163. com QQ 376315150 9 9 2 8 9 4 2 9 8 TEL 13942296513 9 9 2 8 9 4 2 9 8 0 5 1 5 1 3 6 7 3 Q Q TEL 13942296513 QQ 376315150 892498299 TEL 13942296513 QQ 376315150 892498299 http://www.xiaoyu163.com 31 VSX-607RDS, VSX-407RDS Mark No. Description Part No. Mark No. Description Part No. MOTHER ASSY (1) CONTRAST TABLE AWX7078 and AWX7077 are constructed the same except for the following : (2) PARTS LIST FOR AWX7078 SEMICONDUCTORS IC403 ICP-N25 IC151 M5220P IC651 NJM4558D-D IC603,IC606 NJM78M05FA IC601 NJM78M12FA Mark Symbol and Description Part No. Remarks AWX7078 AWX7077 Q101,Q102 2SK246 Not used Q103 KRA103M Not used D101,D102 1SS254 Not used R131 RD1/4PU474J Not used R133,R134 RD1/4PU475J Not used R196,R197 RD1/4PU102J Not used CN105 KR CONNECTOR 3P B3B-PH-K-S Not used CN112 10P CONNECTOR 9604S-10C Not used PCB BINDER VEF1040 Not used Mark No. Description Part No. Mark No. Description Part No. 5. PCB PARTS LIST NOTES: •Parts marked by "NSP" are generally unavailable because they are not in our Master Spare Parts List. •The mark found on some component parts indicates the importance of the safety factor of the part. Therefore, when replacing, be sure to use parts of identical designation. •When ordering resistors, first convert resistance values into code form as shown in the following examples. Ex.1 When there are 2 effective digits (any digit apart from 0), such as 560 ohm and 47k ohm (tolerance is shown by J=5%, and K=10%). 560 Ω → 56 × 10 1 → 561 ........................................................ RD1/4PU 5 6 1 J 47k Ω → 47 × 10 3 → 473 ........................................................ RD1/4PU 4 7 3 J 0.5 Ω → R50 ..................................................................................... RN2H R 5 0 K 1 Ω → 1R0 ..................................................................................... RS1P 1 R 0 K Ex.2 When there are 3 effective digits (such as in high precision metal film resistors). 5.62k Ω → 562 × 10 1 → 5621 ...................................................... RN1/4PC 5 6 2 1 F k r a M n o it p ir c s e D d n a l o b m y S . o N tr a P s k r a m e R S D R 7 0 6 - X S V S D R 7 0 4 - X S V W E K X Y H R G K X Y H W E K X Y H R G K X Y H P S N P S N P S N P S N P S N P S N P S N P S N Y S S A N I A M Y S S A R E H T O M Y S S A N O I T C E N N O C Y S S A 2 S N A R T Y S S A W S R E W O P Y S S A X E L P M O C Y S S A T N O R F Y S S A P S D E M U L O V Y S S A R E K A E P S T N O R F Y S S A E N O H P D A E H Y S S A T U P N I T N O R F Y S S A 1 S N A R T Y S S A Y R A M I R P 6 3 4 7 K W A 8 7 0 7 X W A 5 6 1 7 X W A 0 8 0 7 X W A 1 6 0 7 X W A 1 4 4 7 K W A 2 8 0 7 X W A 5 8 0 7 X W A 9 8 0 7 X W A 6 8 0 7 X W A 2 7 0 7 X W A 0 9 0 7 X W A 7 8 0 7 X W A 6 3 4 7 K W A 8 7 0 7 X W A 5 6 1 7 X W A 0 8 0 7 X W A 1 6 0 7 X W A 1 4 4 7 K W A 2 8 0 7 X W A 5 8 0 7 X W A 9 8 0 7 X W A 6 8 0 7 X W A 2 7 0 7 X W A 0 9 0 7 X W A 7 8 0 7 X W A 5 3 4 7 K W A 7 7 0 7 X W A 9 7 0 7 X W A 0 8 0 7 X W A 1 6 0 7 X W A 0 4 4 7 K W A 1 8 0 7 X W A 4 8 0 7 X W A 8 8 0 7 X W A 6 8 0 7 X W A d e s u t o N 0 9 0 7 X W A 7 8 0 7 X W A 5 3 4 7 K W A 7 7 0 7 X W A 9 7 0 7 X W A 0 8 0 7 X W A 1 6 0 7 X W A 0 4 4 7 K W A 1 8 0 7 X W A 4 8 0 7 X W A 8 8 0 7 X W A 6 8 0 7 X W A d e s u t o N 0 9 0 7 X W A 7 8 0 7 X W A LIST OF WHOLE PCB ASSEMBLIES A IC602 NJM79M12FA IC401,IC402 PAC009A IC101 TC9163AN IC102 UPC4570C Q191,Q192,Q405,Q406 2SC1740S Q403,Q404,Q453,Q454 2SC2240 Q407,Q408,Q457,Q458 2SC2705 Q401,Q402,Q451,Q452 2SC2878 Q651-Q654 2SC2878 Q101,Q102 2SK246 Q103,Q455 KRA103M Q456,Q605 KRC101M D101-D103,D401-D406 1SS254 D451-D458 1SS254 D601 D5SBA20(B) D623 MTZJ27B D190,D191 MTZJ5.1B D624 MTZJ6.8A D603-D606 S5688G COILS L451,L452 AF CHOKE COIL (0.7mH) ATH1004 L151-L154 LAU221J L191 LFA470J RELAY RY401 ASR7001 www. xiaoyu163. com QQ 376315150 9 9 2 8 9 4 2 9 8 TEL 13942296513 9 9 2 8 9 4 2 9 8 0 5 1 5 1 3 6 7 3 Q Q TEL 13942296513 QQ 376315150 892498299 TEL 13942296513 QQ 376315150 892498299 http://www.xiaoyu163.com 32 VSX-607RDS, VSX-407RDS Mark No. Description Part No. Mark No. Description Part No. Mark Symbol and Description Part No. Remarks AWX7165 AWX7079 PCB BINDER VEF1040 Not used CAPACITORS C601 (6800µF/56V) ACH7015 C602 (6800µF/56V) ACH7016 C121-C123,C151,C152 CCCSL101J50 C405,C406,C455,C456 CCCSL121J50 C157,C158 CCCSL151J50 C101-C112,C422,C471 CCCSL221J50 C127,C128,C403,C404 CCCSL331J50 C453,C454 CCCSL331J50 C415,C416,C465,C466 CEANP2R2M50 C417,C420,C467,C469 CEANP2R2M2A C129,C130,C401,C402 CEANP4R7M50 C451,C452 CEANP4R7M50 C155,C156,C653,C654 CEAT100M50 C190,C192,C625 CEAT101M10 C191,C409,C410,C459,C460 CEAT101M16 C657,C658 CEAT101M16 C609,C610 CEAT101M25 C624 CEAT101M35 C411,C461 CEAT101M6R3 C606 CEAT102M25 C194,C407,C458 CEAT1R0M50 C423 CEAT221M10 C626 CEAT221M25 C605 CEAT222M25 C167,C168 CEAT2R2M50 C612,C628 CEAT470M10 C161,C162 CEAT470M25 C425,C426,C477,C478 CEHAQ100M2A C408,C457 CEZA1R0M50 C125,C126 CEZA2R2M50 C473-C476 CFTYA224J50 C199,C482,C484 CGCYX103M16 C159,C160,C421 CKCYB471K50 C472 CKCYB681K50 C119,C120,C131,C132 CKCYF103Z50 C169,C170,C430,C490 CKCYF103Z50 C607,C608,C611,C627 CKCYF103Z50 C651,C652 CKCYF103Z50 C481 CKCYF222Z50 C197 CKPUYB102K50 C193 CKPUYF103Z25 C165,C166 CQMA242J50 C163,C164 CQMBA822J50 C479,C480 CQMXA103J2A RESISTORS R413,R414,R463,R464(0.22Ω,5W) ACN7035 R190 RD1/2PM391J R425,R426,R475,R476 RD1/4MUF101J R663,R664 RD1/4MUF330J R411,R412,R461,R462 RD1/4MUF820J R477,R478,R481,R482 RD1/4PMF4R7J R629 RS1LMF561J R601 RS2LMF330J Other Resistors RD1/4PU J OTHERS CN402 8P JUMPER CONNECTOR 52147-0810 CN403 9P JUMPER CONNECTOR 52147-0910 CN112 10P FFC CONNECTOR 9604S-10C CN110 13P FFC CONNECTOR 9604S-13C CN109,CN111 20P FFC CONNECTOR 9604S-20C 101 6P PIN JACK AKB7012 103 4P PIN JACK AKB7014 CN102 4P PIN JACK AKB7015 CN401 6P SPEAKER TERMINAL AKE7020 CN105 KR CONNECTOR 3P B3B-PH-K-S CN602 14P PLUG KM200TA14 CN108 15P PLUG KM200TA15 CN107 20P PLUG KM200TA20 CN106 6P PLUG KM200TA6 CN601 10P SOCKET KP250NA10 PCB BINDER VEF1040 EARTH METAL FITTING VNF-091 CONNECTION ASSY (1) CONTRAST TABLE AWX7165 and AWX7079 are constructed the same except for the following : (2) PARTS LIST FOR AWX7165 OTHERS CN91,CN93 10P PLUG KM250NA10L CN92,CN94 14P SOCKET KP200TA14L PCB BINDER VEF1040 TRANS 2 ASSY SEMICONDUCTORS IC71,IC72 (1.6A) AEK7012 CAPACITORS C71,C72 (1µF/100V) ACH1237 C74 CEANPR10M50 RESISTORS R71,R72 RD1/4PMF100J Other Resistors RD1/4PM J OTHERS CN72 12P JUMPER CONNECTOR KPD12 CN71 3P JUMPER CONNECTOR KPD3 PCB BINDER VEF1040 FRONT ASSY (1) CONTRAST TABLE AWX7082 and AWX7081 are constructed the same except for the following : B C D Mark Symbol and Description Part No. Remarks AWX7082 AWX7081 D517 1SS254 Not used S521 ASG1034 Not used www. xiaoyu163. com QQ 376315150 9 9 2 8 9 4 2 9 8 TEL 13942296513 9 9 2 8 9 4 2 9 8 0 5 1 5 1 3 6 7 3 Q Q TEL 13942296513 QQ 376315150 892498299 TEL 13942296513 QQ 376315150 892498299 http://www.xiaoyu163.com 33 VSX-607RDS, VSX-407RDS Mark No. Description Part No. Mark No. Description Part No. VOLUME DSP ASSY (1) CONTRAST TABLE AWX7085 and AWX7084 are constructed the same except for the following : (2) PARTS LIST FOR AWX7085 SEMICONDUCTORS IC204,IC205 BU4052BCF IC201 CXD2724Q IC202 M62420FP IC211 NJM4558D-D IC206-IC209 NJM4558LD IC301,IC302 UPC4570C Q313,Q315 2SA1115 Q202 2SC1740S Q314,Q316 2SC2603 Q301,Q302 2SK246 Q311 KRA101M D301-D303 1SS254 D201,D203 MTZJ5.6B D204 MTZJ9.1B COILS L202,L208 LAU1R0J L207 LAU220J CAPACITORS C251-C254 CCCCH121J50 C204,C209,C265 CCCSL101J50 C301,C302 CCCSL271J50 C206,C207 CCPUCH120J50 C321,C322 CCPUSL470J50 C332 CEANP100M50 C241,C242 CEANP4R7M50 C246,C259,C263,C331 CEAT101M10 C247,C248 CEAT1R0M50 C230 CEAT221M10 C201,C202 CEAT470M16 C203,C282 CEAT471M6R3 C221,C222,C229,C231-C236 CEAT4R7M50 C255,C256,C261,C262 CEAT4R7M50 C311-C314 CEAT4R7M50 C211,C212 CEATR22M50 C305-C308 CEZA4R7M50 C227,C228 CFTLA103J50 C223,C224 CFTLA223J50 C225,C226 CFTLA474J50 C303,C304 CFTYA473J50 C243,C244,C249,C250,C284 CGCYX102K25 C213,C214,C237-C240 CKCYF103Z50 C257,C258,C309,C310 CKCYF103Z50 C315,C316 CKCYF103Z50 Mark Symbol and Description Part No. Remarks AWX7085 AWX7084 IC205 BU4052BCF Not used IC208,IC209 NJM4558LD Not used C237-C240 CKCYF103Z50 Not used C261,C262 CEAT4R7M50 Not used R233,R234 RD1/4PU273J Not used R237,R238 RD1/4PU563J Not used R239-R244 RD1/4PU223J Not used R254,R255 RD1/4PU102J Not used (2) PARTS LIST FOR AWX7082 SEMICONDUCTORS IC581 BU1923 IC501 PDG212A Q581 2SA1115 Q505 2SA933S Q583 2SC1740S Q501 KRA101M Q503 KRA103M Q502,Q504,Q582 KRC101M D501,D503-D521 1SS254 D502 BR3371XJ30A COILS L501,L581 LAU2R2J L502 LAUR22J SWITCHES S501-S524 ASG1034 CAPACITORS C514 ACH7013 C587,C588 CCCCH270J50 C590 CEAL101M6R3 C586 CEAT101M10 C589 CEAT1R0M50 C512 CEAT221M10 C517 CEAT221M35 C504,C581 CEAT2R2M50 C511 CEAT470M50 C518 CFTYA104J50 C513 CGCYX103M16 C505 CGCYX104M16 C582 CGCYX472M25 C510 CKCYF103Z50 C507-C509 CKPUYB101K50 C523,C583,C585 CKPUYB102K50 C584 CKPUYB561K50 C501,C502 CKPUYF103Z25 C503,C516,C522 CKPUYF473Z16 RESISTORS All Resistors RD1/4PU J OTHERS X581 CRYSTAL RESONATOR ASS7004 (4.332MHz) X501 CERAMIC RESONATOR ASS7018 (7.2MHz) CN501,CN502 20P FFC CONNECTOR 9607S-20F V501 FL TUBE AAV7053 501 REMOTE RECEIVER UNIT GP1U27X E www. xiaoyu163. com QQ 376315150 9 9 2 8 9 4 2 9 8 TEL 13942296513 9 9 2 8 9 4 2 9 8 0 5 1 5 1 3 6 7 3 Q Q TEL 13942296513 QQ 376315150 892498299 TEL 13942296513 QQ 376315150 892498299 http://www.xiaoyu163.com 34 VSX-607RDS, VSX-407RDS Mark No. Description Part No. Mark No. Description Part No. C264,C266 CKPUYB101K50 C215,C216 CKPUYB102K50 C323,C324 CKPUYB221K50 C205,C208,C217-C220 CKPUYB331K50 C271 CKPUYF103Z25 RESISTORS VR301 (100kΩ) ACX7034 Other Resistors RD1/4PU J OTHERS X201 CRYSTAL RESONATOR ASS7002 (33.8688MHz) CN201 15P SOCKET KP200TA15L CN202 20P SOCKET KP200TA20L CN203 6P SOCKET KP200TA6L FRONT SPEAKER ASSY (1) CONTRAST TABLE AWX7089 and AWX7088 are constructed the same except for the following : (2) PARTS LIST FOR AWX7089 SEMICONDUCTORS IC751 M62429P IC801 NJM2279D IC752 NJM4558LD Q802 2SA933S Q801 2SC1740S Q701,Q703 KRA103M Q702,Q704 KRC101M D803-D806 1SS254 COILS L701,L702 AF CHOKE COIL ATH1004 RELAYS RY701,RY702 ASR7001 CAPACITORS C756,C757 CCCSL101J50 C761,C763,C804,C805 CCCSL221J50 C801-C803 CEAT100M50 C806,C807 CEAT101M10 C751,C752 CEAT1R0M50 C755 CEAT470M10 C758,C759 CEAT470M16 C753,C754,C760 CEAT4R7M50 C701-C704 CFTYA224J50 C808,C809 CKCYF103Z50 C709 CKPUYB101K50 C762,C764 CKPUYB221K50 C765,C810,C851 CKPUYF103Z25 C705-C708 CQMXA103J2A RESISTORS R701-R704 RD1/4PMF4R7J Other Resistors RD1/4PU J OTHERS CN752 10P FFC CONNECTOR 9604S-10C CN702 1P PIN JACK AKB7042 CN751 4P PIN JACK AKB7087 JA801 4P PIN JACK (YELLOW) AKB7100 CN701 8P SPEAKER TERMINAL AKE7044 CN703 KR CONNECTOR B2B-PH-K-S J25 JUMPER WIRE 9P D20PYY0810E J24 JUMPER WIRE 8P D20PYY0915E JA851 REMOTE CONTROL JACK RKN1004 F Mark Symbol and Description Part No. Remarks AWX7089 AWX7088 IC751 M62429P Not used IC752 NJM4558LD Not used Q703 KRA103M Not used Q704 KRC101M Not used D804,D806 1SS254 Not used RY702 ASR7001 Not used C707,C708 CQMXA103J2A Not used C751,C752 CEAT1R0M50 Not used C753,C754,C760 CEAT4R7M50 Not used C755 CEAT470M10 Not used C756,C757 CCCSL101J50 Not used C758,C759 CEAT470M16 Not used C761,C763 CCCSL221J50 Not used C762,C764 CKPUYB221K50 Not used C765 CKPUYF103Z25 Not used C803 CEAT100M50 Not used C811 Not used CGCYX104M16 R711,R712,R751 RD1/4PU103J Not used R752 RD1/4PU471J Not used R753,R754 RD1/4PU121J Not used R755,R759 RD1/4PU123J Not used R756 RD1/4PU362J Not used R757,R758 RD1/4PU153J Not used R760 RD1/4PU223J Not used R765,R766 RD1/4PU104J Not used CN701 AKE7044 Not used 8P SPEAKER TERMINAL CN701 Not used AKE7049 SPEAKER TERMINAL CN703 KR CONNECTOR B2B-PH-K-S Not used CN751 4P PIN JACK AKB7087 Not used CN752 9604S-10C Not used 10P FFC CONNECTOR www. xiaoyu163. com QQ 376315150 9 9 2 8 9 4 2 9 8 TEL 13942296513 9 9 2 8 9 4 2 9 8 0 5 1 5 1 3 6 7 3 Q Q TEL 13942296513 QQ 376315150 892498299 TEL 13942296513 QQ 376315150 892498299 http://www.xiaoyu163.com 35 VSX-607RDS, VSX-407RDS Mark No. Description Part No. Mark No. Description Part No. PRIMARY ASSY SEMICONDUCTORS IC901 NJM78M56FA Q901 KRC101M D905,D906 1SS254 D904 MTZJ5.1A D901,D902 S5688G COIL L901 LINE FILTER ATF-151 TRANSFORMER T901 ATT1193 RELAY RY901 ASR7013 CAPACITORS C901,C902 (10000pF/AC250V) ACG7020 C904 CEAT470M16 C903 CEAT471M16 C905-C907 CKCYF103Z50 RESISTORS R905 RD1/2PM470J Other Resistors RD1/4PU J OTHERS 902 3P CABLE HOLDER 51063-0305 906 4P CABLE HOLDER 51063-0405 H901,H902 FUSE CLIP AKR1003 EARTH METAL FITTING VNF-091 J23 JUMPER WIRE 4P D15A04-250-2651 J26 JUMPER WIRE 3P D15A03-250-2651 HEADPHONE ASSY SEMICONDUCTORS D91,D92 1SS254 D961,D962 S5688G RELAY RY91 ASR7012 CAPACITORS C961 CEANP470M25 C962 CEAT470M50 C952,C953 CGCYX103M16 C951 CGCYX473M16 C954 CKCYF103Z50 RESISTORS All Resistors RD1/4PU J OTHERS 951 3P CABLE HOLDER 51052-0300 952 12P CABLE HOLDER 51052-1200 CN953 14P PLUG KM200TA14 CN952 10P SOCKET KP250NA10 CN951 4P JUMPER CONNECTOR KPE4 JA951 HEADPHONE JACK RKN1002 EARTH METAL FITTING VNF-091 FRONT INPUT ASSY CAPACITORS C574,C575 CGCYX473M16 C571-C573 CKPUYB221K50 RESISTORS All Resistors RD1/4PU J OTHERS JA571 3P PIN JACK (GOLD) AKB7098 CN571 KR CONNECTOR B5B-PH-K-S TRANS 1 ASSY No service parts. POWER SW ASSY SWITCH S51 ASG1035 CAPACITORS C51,C52 CGCYX103K25 OTHERS CN51 3P JUMPER CONNECTOR KPE3 G H I J K 6. ADJUSTMENT There is no information to be shown in this chapter. www. xiaoyu163. com QQ 376315150 9 9 2 8 9 4 2 9 8 TEL 13942296513 9 9 2 8 9 4 2 9 8 0 5 1 5 1 3 6 7 3 Q Q TEL 13942296513 QQ 376315150 892498299 TEL 13942296513 QQ 376315150 892498299 http://www.xiaoyu163.com 36 VSX-607RDS, VSX-407RDS 7. GENERAL INFORMATION • The information shown in the list is basic information and may not correspond exactly to that shown in the schematic diagrams. 7.1 PARTS 7.1.1 IC PAC009A (MOTHER ASSY : IC401, IC402) • 2 ch AF Power Amplifier •Block Diagram TR9 TR22 TR10 TR23 TR11 TR24 TR8 TR21 R6 R15 R7 TR12 R8 TR13 R16 R2 TR4 TR2 TR3 R1 TR16 R10 D1 R9 R3 R5 TR7 R11 R12 TR20 C3 R14 C5 C1 C2 R4 C4 R13 C6 D2 D3 TR6 R17 TR19 R18 TR5 TR18 TR17 TR1 TR14 TR15 14 13 1 2 4 9 3 22 21 19 20 11 12 15 16 17 18 10 8 7 5 6 •Pin Arrangement 22 1 www. xiaoyu163. com QQ 376315150 9 9 2 8 9 4 2 9 8 TEL 13942296513 9 9 2 8 9 4 2 9 8 0 5 1 5 1 3 6 7 3 Q Q TEL 13942296513 QQ 376315150 892498299 TEL 13942296513 QQ 376315150 892498299 http://www.xiaoyu163.com 37 VSX-607RDS, VSX-407RDS PDG212A (FRONT ASSY : IC501) • Mode Control IC •Pin Arrangement 24 23 22 21 20 19 18 17 16 15 14 13 12 11 10 9 8 7 6 5 4 3 2 1 PA2/AN2 25 PA3/AN3 26 PA4/AN4 27 PA5/AN5 28 PA6/AN6 29 PA7/AN7 30 RST 31 EXTAL 32 XTAL 33 Vss 34 PD0/S0 35 PD1/S1 36 PD2/S2 37 PD3/S3 38 PD4/S4 39 PD5/S5 40 PD6/S6 PA1/AN1 PA0/AN0 PC7/KR7 PC6/KR6 PC5/KR5 PC4/KR4 PC3/KR3 PC2/KR2 PC1/KR1 PC0/KR0 PB7/SO1 PB6/SI1 PB5/SCK1 PB4/SO0 PB3/SI0 PB2/SCK0 PB1/CS0 PB0/CINT PE7/T0 PE6 PE5 PE4/RMC PE3//INT3 41 42 43 44 45 46 47 48 49 50 51 52 53 54 55 56 57 58 59 60 61 62 63 64 PD7/S7 PF0/S8 PF1/S9 PF2/S10 PF3/S11 PF4/S12 PF5/S13 PF6/S14 PF7/S15 S16 S17 S18 S19 S20 T15/S21 T14/S22 T13/S23 T12/S24 T11/S25 T10/S26 T9/S27 T8/S28 T7 T6 80 P2/IN2 PE1/EC1/INT1 PE0/EC0/INT0 PG3 PG2 PG1 PG0 NC VDD VFDP T0 T1 T2 T3 T4 T5 79 78 77 76 75 74 73 72 71 70 69 68 67 66 65 •Pin Function . o N e m a N n i P O /I e m a N n o it c n u F n o it c n u F 1 3 T N I/ 3 E P I D E N U T " D E N U T " ,) d e tti m r e p si g nit h gil n e h w ( t h gir si t n u o c F I n e h w yln O . e t a ts E N U T si R E N U T n e h w st u p ni " L " .t n u o c F I e h t r e tf a n o d e n r u t e b n a c L F e h t ni r o t a cid ni 2 C M R / 4 E P I N O C O M E R t u p t u o r e vie c e r lo rt n o c e t o m e r e h t st u p n I 3 5 E P I O E R E T S . O N O M d e c r o f f o e m it e h t t a ti e r o n g I .t u p ni " L " , g nits a c d a o r b cin o h p o e r e ts s e vie c e r R E N U T n e h W r o t a cid ni " D E N U T " e h t t a " L " si O E R E T S d n a " L " si D E N U T n e h w n o d e n r u t L F e h t ni r o t a cid ni " O E R E T S " . d e tti m r e p si g nit h gil 4 6 E P O + M F n oit ale r t u o h ti w M F r o f " H " d n a M A r o f " L " .r e d o c e d S D R e h t f o D D V r o f h cti w s r o tsis n a r T e h t F F O d n a N O . N O I T C N U F e h t o t 5 0 T / 7 E P O E T U M . T t u p t u o R E N U T e h t f o lo rt n o c E T U M 6 T N I C / 0 B P I O D L L P . a t a d sih t y b y c n e u q e rf F I e h t ni- d a e R C I L L P e h t m o rf t u p ni a t a D .r o s s e c o r p o r ci m e h t m o rf st u p t u o ts e u q e R 7 0 S C / 1 B P O E C L L P C I L L P R E N U T e h t f o lo rt n o c lair e s f o elb a n e pih C 8 0 K C S / 2 B P O K C L L P C I L L P R E N U T e h t f o lo rt n o c lair e s f o k c ol C 9 O I S / 3 B P O A D L L P C I L L P R E N U T e h t f o lo rt n o c lair e s f o a t a D 0 1 O O S / 4 B P O Y R C A " H " : N O r e w o P , " L " : y b - d n a t S y ale r r e w o p C A r o f h cti w s r o tsis n a rt e h t F F O d n a N O 1 1 1 K C S / 5 B P O Y R T O R P F F O P S B + A P S A P S L H H : 2 1 nip L H L : 3 1 nip 2 1 1 I S / 6 B P O Y R B + A 3 1 1 O S / 7 B P O C N d e s u t o N 4 1 0 R K / 0 C P I 1 N I Y E K t u p ni n a c s y e K 5 1 1 R K / 1 C P I 2 N I Y E K 6 1 2 R K / 2 C P I 3 N I Y E K 7 1 3 R K / 3 C P I . T E D . C . D .y ale r C A g nit p e c x e s y ale r n e p o ,t u p ni si " L " n e h W tiu c ric n oitc e t o r p e h t f o t u p ni r o tc e t e d C D ." L " t a " F F O R E W O P " s a s e h s alf L F f o n oitc e s s e r u gif- 8 8 1 4 R K / 4 C P I . T E D . L . O 9 1 5 R K / 5 C P O T C E R I D E T U M T C E R I D t u p ni h c 6 t A H T A P Y B / P S D H L H L : 9 1 nip H H L L : 0 2 nip 0 2 6 R K / 6 C P O Y R H C 6 1 2 7 R K / 7 C P L O C N d e s u t o N 2 2 0 N A / 0 A P O T S . C N U F ) N A 3 6 1 9 C T ( C I n oitc n u f e h t f o e b o rts lo rt n o c lair e S 3 2 1 N A / 1 A P O A D . C N U F a t a d lo rt n o c lair e s e h t h ti w C I P S D d n a C I n oitc n u F e h t lo rt n o C www. xiaoyu163. com QQ 376315150 9 9 2 8 9 4 2 9 8 TEL 13942296513 9 9 2 8 9 4 2 9 8 0 5 1 5 1 3 6 7 3 Q Q TEL 13942296513 QQ 376315150 892498299 TEL 13942296513 QQ 376315150 892498299 http://www.xiaoyu163.com 38 VSX-607RDS, VSX-407RDS . o N e m a N n i P O /I e m a N n o it c n u F n o it c n u F 4 2 2 N A / 2 A P O K C . C N U F k c olc lo rt n o c lair e s e h t h ti w C I L O V . E d n a C I E N O T , C I P S D , C I N O I T C N U F e h t lo rt n o C 5 2 3 N A / 3 A P O T A L X ) Q 4 2 7 2 D X C ( C I P S D e h t f o h ct allo rt n o c lair e S 6 2 4 N A / 4 A P O ) P S D ( T E S E R ) Q 4 2 7 2 D X C ( C I P S D t e s e R 7 2 5 N A / 5 A P I Y D E R r e fs n a rt a t a d e h t ti m r e P : H r e fs n a rt a t a d e h t tibih n I: L ) Q 4 2 7 2 D X C ( C I P S D h ti w g nit a cin u m m o c r o F 8 2 6 N A / 6 A P O A D E N O T ) P F 0 2 4 2 6 M ( C I E N O T f o a t a d lo rt n o c lair e S 9 2 7 N A / 7 A P O A D L O V . E ) P 9 2 4 2 6 M ( C I L O V . E f o a t a d lo rt n o c lair e S 0 3 T S R − T S R t e s e R 1 3 L A T X E − L A T X E ) z H M 2 . 7 r o z H M 7 . 7 ( r o t a n o s e r la ts y r c e h t tc e n n o C 2 3 L A T X − L A T X 3 3 s s V − s s V d n u o r G 4 3 0 S / 0 D P L O C N d e s u t o N 5 3 1 S / 1 D P O Y R D N U O R R U S y ale r D N U O R R U S r o f h cti w s r o tsis n a rt e h t F F O d n a N O 6 3 2 S / 2 D P O S S E N D N U O L S S E N D N U O L f o h cti w s r o tsis n a rt e h t F F O d n a n O F F O d e c r o F : N O T C E R I D L F ni r e tc a r a h c " S S E N D N U O L " p u st h giL : N O 7 3 3 S / 3 D P O E T U M . A m e ts y s O I D U A e h t f o lo rt n o c e t u m m e ts y s e h t lo rt n o C 8 3 4 S / 4 D P O E T U M . V L : m e ts y s O I D U A , H : . V . F , H : D V D , H : R C V ) D 9 7 2 2 M J N ( C I O E D I V e h t lo rt n o C 9 3 5 S / 5 D P O A T N O C . V L : m e ts y s O I D U A , H : . V . F , L : D V D , L : R C V ) D 9 7 2 2 M J N ( C I O E D I V e h t lo rt n o C 0 4 6 S / 6 D P O B T N O C . V L : m e ts y s O I D U A , H : . V . F , H : D V D , L : R C V ) D 9 7 2 2 M J N ( C I O E D I V e h t lo rt n o C 1 4 7 S / 7 D P O 1 2 g e S L F r e vir d L F 2 4 8 S / 0 F P O 0 2 g e S L F 3 4 9 S / 1 F P O 9 1 g e S L F 4 4 0 1 S / 2 F P O 8 1 g e S L F 5 4 1 1 S / 3 F P O 0 1 O K / 7 1 g e S L F t u o n a c s y e K / r e vir d L F 6 4 2 1 S / 4 F P O 9 O K / 6 1 g e S L F 7 4 3 1 S / 5 F P O 8 O K / 5 1 g e S L F 8 4 4 1 S / 6 F P O 7 O K / 4 1 g e S L F 9 4 5 1 S / 7 F P O 6 O K / 3 1 g e S L F 0 5 6 1 S O 5 O K / 2 1 g e S L F 1 5 7 1 S O 4 O K / 1 1 g e S L F 2 5 8 1 S O 3 O K / 0 1 g e S L F 3 5 9 1 S O 2 O K / 9 g e S L F 4 5 0 2 S O 1 O K / 8 g e S L F 5 5 1 2 S / 5 1 T O 7 g e S L F r e vir d L F 6 5 2 2 S / 4 1 T O 6 g e S L F 7 5 3 2 S / 3 1 T O 5 g e S L F 8 5 4 2 S / 2 1 T O 4 g e S L F 9 5 5 2 S / 1 1 T O 3 g e S L F 0 6 6 2 S / 0 1 T O 2 g e S L F 1 6 7 2 S / 9 T O 1 g e S L F 2 6 8 2 S / 8 T O 9 . dir G L F r e vir d L F 3 6 7 T O 8 . dir G L F 4 6 6 T O 7 . dir G L F 5 6 5 T O 6 . dir G L F 6 6 4 T O 5 . dir G L F 7 6 3 T O 4 . dir G L F 8 6 2 T O 3 . dir G L F 9 6 1 T O 2 . dir G L F 0 7 0 T O 1 . dir G L F 1 7 P D F V − P D F V ylp p u s r e w o P 2 7 D D V − V 5 ylp p u s r e w o P 3 7 C N − V 5 ylp p u s r e w o P 4 7 0 G P O N W O D . L O V L : N W O D L O V lo rt n o c e m ulo v r o t o M 5 7 1 G P O P U . L O V L : P U L O V lo rt n o c e m ulo v r o t o M 6 7 2 G P L O C N d e s u t o N 7 7 3 G P L O C N d e s u t o N 8 7 0 T N I/ 0 C E / 0 E P I P U E K A W t u p ni p u e k a w C A 9 7 1 T N I/ 1 C E / 1 E P I K C S D R n oit a cin u m m o c S D R f o K L C lo rt n o c lair e S 0 8 2 N I/ 2 E P I A D S D R n oit a cin u m m o c S D R f o A T A D lo rt n o c lair e S www. xiaoyu163. com QQ 376315150 9 9 2 8 9 4 2 9 8 TEL 13942296513 9 9 2 8 9 4 2 9 8 0 5 1 5 1 3 6 7 3 Q Q TEL 13942296513 QQ 376315150 892498299 TEL 13942296513 QQ 376315150 892498299 http://www.xiaoyu163.com 39 VSX-607RDS, VSX-407RDS BU1923 (FRONT ASSY : IC581) • Radio Data System (RDS) Demodulation IC •Pin Arrangement •Block Diagram •Pin Function 4 8 7 1 2 3 4 5 6 7 8 RCLK (NC) XO XI VDD2 VSS2 T1 T2 QUAL RDATA VREF MUX VDD1 VSS1 VSS3 CMP 16 15 14 13 12 MUX 3 VREF 11 10 9 8 th Switched Capacitor Filter 120kΩ ANALOG Comparator Anti-Aliasing Filter 100kΩ 100kΩ 5 VDD1 6 2 VSS1 RDATA 12 VDD2 11 13 14 VSS2 XI XO 10 9 T1 VSS3 CMP T2 DIGITAL CLOCK TEST PLL 57kHz RDS/ARI PLL 1187.5Hz BIPHASE DECODER 1 QUAL 16 RCLK DEFFERENTIAL DECODER . o N e m a N n i P n o it c n u F . o N e m a N n i P n o it c n u F 1 L A U Q L : a t a d r o rr e , H : a t a d e nif ytila u q n oit alu d o m e D 9 2 T , k c olc la n r e t ni e h t s p o ts : H t u p ni ts e T st n e m e v o m : n e p o r o L 2 A T A D R a t a d n oit alu d o m e D 0 1 1 T . D N G o t tc e n n o c r o n e p O t u p ni ts e T 3 F E R V ) 1 D D V 2 / 1 ( ylp p u s r e w o p e c n e r e f e R 1 1 2 S S V ) V 5 . 5 o t V 5 . 4 ( ylp p u s r e w o p la tigi D 4 X U M t u p nila n gis e tis o p m o C 2 1 2 D D V 5 1 D D V ) V 5 . 5 o t V 5 . 4 ( ylp p u s r e w o p g ola n A 3 1 I X ) z H M 2 3 3 . 4 ( r o t a n o s e r la ts y r c e h t tc e n n o C 6 1 S S V 4 1 O X 7 3 S S V 5 1 ) C N ( n oitc e n n o c n o N 8 P M C r o t a r a p m o C 6 1 K L C R ) Z H k 5 . 7 8 1 1 ( k c olc n oit alu d o m e D www. xiaoyu163. com QQ 376315150 9 9 2 8 9 4 2 9 8 TEL 13942296513 9 9 2 8 9 4 2 9 8 0 5 1 5 1 3 6 7 3 Q Q TEL 13942296513 QQ 376315150 892498299 TEL 13942296513 QQ 376315150 892498299 http://www.xiaoyu163.com 40 VSX-607RDS, VSX-407RDS No. Pin Name I/O Function 1-3 T.P O Monitor pin for test Normally, outputs "L". 4 VSS0 – Digital ground 5-8 T.P O Monitor pin for test Normally, outputs "L". 9 TST0 I Test pin Normally, fix to L. 10 VDD0 – Digital power supply 11 VSS1 – Digital ground 12 TST1 I Test pin Normally, fix to "L". 13 TST2 I Test pin Normally, fix to "L". 14 TST3 I Test pin Normally, fix to "L". 15 TST4 I Test pin Normally, fix to "L". 16 XRST I System reset input L : reset. 17 BFOT O Clock and divided frequency output (384/768/256/512 fs) 18 CSL1 I Test pin Normally, fix to "H". 19 CSL2 I Test pin Normally, fix to "L". 20 VSS2 – Digital ground 21 AVS3 – Ground for L-ch D/A converter 22 AVD3 – Power supply for L-ch D/A converter 23 LOUT O L-ch A/D converter output 24 AVD1 – Power supply for L-ch A/D converter 25 AVS1 – Ground for L-ch A/D converter 26 LO1 O OP amp. inverting output for LPF of L-ch A/D converter 27 LIN I Analog input of L-ch A/D converter 28 AVD5 – Power supply for C-ch D/A converter 29 AVS5 – Ground for C-ch D/A converter 30 XCOUT O C-ch D/A converter output 31 AVDX – Analog power supply for master clock 32 XTLO O Crystal oscillation circuit output CXD2724Q (VOLUME DSP ASSY : IC201) • DSP IC •Block Diagram RVDT SCK XLAT READY LRCK BCK SI XMST 50 46 49 47 58 57 55 60 XTLI 33 XTLO 32 BFOT 17 XSOUT 35 XCOUT 30 ROUT 42 LOUT 23 LO2 39 RIN 38 LO1 26 LIN 27 MICRO COMPUTER I/F DSP 24k bit DELAY RAM ADC1 ADC2 DAC1 DAC2 Trim Vol Trim Vol Analog SW Analog SW DAC3 DAC4 CLOCK GENERATOR /TIMING CIRCUIT SERIAL DATA I/F •Pin Function www. xiaoyu163. com QQ 376315150 9 9 2 8 9 4 2 9 8 TEL 13942296513 9 9 2 8 9 4 2 9 8 0 5 1 5 1 3 6 7 3 Q Q TEL 13942296513 QQ 376315150 892498299 TEL 13942296513 QQ 376315150 892498299 http://www.xiaoyu163.com 41 VSX-607RDS, VSX-407RDS No. Pin Name I/O Function 33 XTLI I Crystal oscillation circuit input 34 AVSX – Analog ground for master clock 35 XSOUT O S-ch D/A converter output 36 AVS6 – Ground for S-ch D/A converter 37 AVD6 – Power supply for S-ch D/A converter 38 RIN I Analog input of R-ch A/D converter 39 LO2 O OP amp. inverting output for LPF of R-ch A/D converter 40 AVS2 – Ground for R-ch A/D converter 41 AVD2 – Power supply for R-ch A/D converter 42 ROUT O R-ch D/A converter output 43 AVD4 – Power supply for R-ch D/A converter 44 AVS4 – Ground for R-ch D/A converter 45 VSS3 – Digital ground 46 SCK I Shift clock input of microprocessor interface 47 REDY O Transfer permission signal output of microprocessor interface L : Transfer prohibition 48 T.P – Monitor pin for test Normally, outputs "Hi-Z". 49 XLAT I Latch input of microprocessor interface 50 RVDT I Data input of microprocessor interface 51 XS24 I 24/32 bit slot selection of serial data L : 24 bit slot (It is effective at slave mode.) 52 VDD1 – Digital power supply 53 VSS4 – Digital ground 54 T.P – Monitor pin for test Normally, outputs "L". 55 SI I Serial data input of 1 sampling 2 channel 56 T.P – Input pin for test Normelly, outputs "L". 57 BCK I/O Serial bit transfer clock of serial input/output data SI and SO 58 LRCK I/O Sampling frequency clock of serial input/output data SI and SO 59 VSS5 – Digital ground 60 XMST I Master/slave mode switching input of BCK and LRCK L : master mode 61-63 T.P O Monitor pin for test Normally, outputs "L". 64 VSS6 – Digital ground 65-72 T.P O Monitor pin for test Normally, outputs "L". 73 VDD2 – Digital power supply 74 VSS7 – Digital ground 75-80 T.P O Monitor pin for test Normally, outputs "L". www. xiaoyu163. com QQ 376315150 9 9 2 8 9 4 2 9 8 TEL 13942296513 9 9 2 8 9 4 2 9 8 0 5 1 5 1 3 6 7 3 Q Q TEL 13942296513 QQ 376315150 892498299 TEL 13942296513 QQ 376315150 892498299 http://www.xiaoyu163.com 42 VSX-607RDS, VSX-407RDS AAV7053 (FRONT ASSY : V501) • FL TUBE 7.1.2 DISPLAY ANODE AND GRID ASSIGNMENT PIN ASSIGNMENT 1G (1G) (2G - 9G) 2G P1 P2 P3 P4 P5 P6 P7 P8 P9 P10 P11 P12 P13 P14 P15 P16 P17 P18 S5 Dp2 Dp1 S2 S4 d2 d1 n p r e c g m f b k j h a2 a1 2G 1G S1, S3 Dp2 Dp1 S2 S4 d2 d1 n p r e c g m f b k j h a2 a1 3G S1, S3 Dp2 Dp1 S2 S4 d2 d1 n p r e c g m f b k j h a2 a1 4G S1, S3 Dp2 Dp1 S2 S4 d2 d1 n p r e c g m f b k j h a2 a1 5G S1, S3 Dp2 Dp1 S2 S4 d2 d1 n p r e c g m f b k j h a2 a1 6G S1, S3 Dp2 Dp1 S2 S4 d2 d1 n p r e c g m f b k j h a2 a1 7G S1, S3 Dp2 Dp1 S2 S4 d2 d1 n p r e c g m f b k j h a2 a1 8G S1, S3 Dp2 Dp1 S2 S4 d2 d1 n p r e c g m f b k j h a2 a1 9G S1, S3 P19 P20 P21 Pin No. 1 F1 2 F1 3 NP 4 NP 5 1G 6 2G 7 3G 8 4G 9 5G 10 6G 11 7G 12 8G 13 9G 14 NX 15 NX 16 NX 17 NX 18 NX 19 P1 20 P2 21 P3 22 P4 23 P5 24 P6 25 P7 26 P8 27 P9 28 P10 29 P11 30 P12 31 P13 32 P14 33 P15 34 P16 35 P17 36 P18 37 P19 38 P20 39 P21 40 NP 41 NP 42 F2 43 F2 Connection 3G 4G 5G 6G 7G 8G 9G S4 S3 S2 S1 a1 b2 Dp1 Dp2 e r p n c g m f h j k b S5 b1 a2 1 43 www. xiaoyu163. com QQ 376315150 9 9 2 8 9 4 2 9 8 TEL 13942296513 9 9 2 8 9 4 2 9 8 0 5 1 5 1 3 6 7 3 Q Q TEL 13942296513 QQ 376315150 892498299 TEL 13942296513 QQ 376315150 892498299 http://www.xiaoyu163.com 43 VSX-607RDS, VSX-407RDS 7.2 DISASSEMBLY 7.2.1 Bonnet and FRONT Assy 2 1 1 1 1 1 1 1 2 4 3 ×2 ×3 BONNET FRONT ASSY FRONT ASSY VSX-607RDS Only 6 7 8 9 Front Panel CONNECTION ASSY Release Binder J35 J31 MOTHER ASSY FRONT SPEAKER ASSY CN703 CN105 5 10 10 10 www. xiaoyu163. com QQ 376315150 9 9 2 8 9 4 2 9 8 TEL 13942296513 9 9 2 8 9 4 2 9 8 0 5 1 5 1 3 6 7 3 Q Q TEL 13942296513 QQ 376315150 892498299 TEL 13942296513 QQ 376315150 892498299 http://www.xiaoyu163.com 44 VSX-607RDS, VSX-407RDS 7.2.2 MOTHER and CONNECTION Assemblies 1 1 ×2 ×2 2 ×2 2 4 5 10 Cutting Pliers Rivet 6 CONNECTION ASSY 7 9 8 3 MOTHER ASSY MOTHER AND CONNECTION ASSEMBLIES www. xiaoyu163. com QQ 376315150 9 9 2 8 9 4 2 9 8 TEL 13942296513 9 9 2 8 9 4 2 9 8 0 5 1 5 1 3 6 7 3 Q Q TEL 13942296513 QQ 376315150 892498299 TEL 13942296513 QQ 376315150 892498299 http://www.xiaoyu163.com 45 VSX-607RDS, VSX-407RDS POWER AMPLIFIER IC (MOTHER ASSY : IC401 and IC402) (At Bottom Side) 1 Cut six portions on the Under Base by nipper and remove a Cover. 3 4 2 Diagnose the POWER AMPLIFIER IC (IC401 and IC402). Fix the Cover with the four screws (BBZ30P080FMC). Front Front Front 1 1 22 22 IC401 IC402 A A B B Turn the Cover. CAUTION : After cutting it with the nipper, dispose of it not to injure by touching the cut part to an user's hand. 7.3 DIAGNOSIS www. xiaoyu163. com QQ 376315150 9 9 2 8 9 4 2 9 8 TEL 13942296513 9 9 2 8 9 4 2 9 8 0 5 1 5 1 3 6 7 3 Q Q TEL 13942296513 QQ 376315150 892498299 TEL 13942296513 QQ 376315150 892498299 http://www.xiaoyu163.com 46 VSX-607RDS, VSX-407RDS 7.4 BLOCK DIAGRAM PHONO SPEAKER A HEADPHONE IC151 M5220P Q101, Q102 IC101 TC9163AN FUNCTION SW IC204 BU4052BCF DIRECT/STEREO/6ch SW IC211 NJM4558D-D LPF fc = 44kHz IC801 NJM2279D VIDEO SW IC301 UPC4570C PRE-AMP. MASTER VR IC402 PAC009A POWER AMP. Q451 RY701 Q452 IC102 UPC4570C BUFFER IC201 CXD2724Q DSP IC206 NJM4558LD LPF fc = 44kHz IC651 NJM4558D-D H.P. AMP. IC207 NJM4558LD +6dB GAIN IC202 M62420FP TONE FL DIRECT L R DIRECT TP-L1 TP-R1 CD VCR/TAPE VCR/TAPE OUT LD/DVD LD/DVD MONITOR OUT VCR REC OUT VCR/TAPE TAPE2 OUT TAPE2 IN RIAA FM/AM TUNER UN IT VIDEO 38 27 43 3 1 7 5 3 7 1 7 1 7 1 5 3 6 23 TP-R3 TP-R4 TP-L2 TP-R2 TP-L5 TP-L6 TP-L7 TP-L8 TP-L9 TP-R8 TP-R5 TP-L3 TP-L4 RY701 TP-R9 FR S C 23 35 30 2 19 7 5 3 14 5 15 12 2 1 13 3 3 12 TP-R6 5 1 7 3 10 3 12 VIDEO 1 5 TP-R7 20 15 SPEAKER A SPEAKER CENTER IC302 UPC4570C PRE-AMP. IC401 PAC009A POWER AMP. Q401 +6dB +6dB RY401 Q402 C S TP-C4 TP-C3 TP-C6 TP-S7 RY401 5 20 15 TP-S5 TP-S4 3 1 7 3 5 7 1 3 12 SPEAKER SURROUND www. xiaoyu163. com QQ 376315150 9 9 2 8 9 4 2 9 8 TEL 13942296513 9 9 2 8 9 4 2 9 8 0 5 1 5 1 3 6 7 3 Q Q TEL 13942296513 QQ 376315150 892498299 TEL 13942296513 QQ 376315150 892498299 http://www.xiaoyu163.com 47 VSX-607RDS, VSX-407RDS FRONT SPEAKER ASSY VOLUME DSP ASSY MOTHER ASSY Fig.1 Test Point Location TP-L9 TP-L2 TP-S7 TP-L8 TP-C6 TP-R1 TP-L1 TP-L7 TP-R8 TP-R7 TP-L3 TP-C3 TP-S4 TP-R2 TP-R3 TP-R4 TP-L4 TP-C4 TP-S5 TP-L6 TP-L5 TP-R6 TP-R5 TP-R9 IC801 IC201 IC402 IC401 IC604 IC605 IC101 IC102 IC205 IC202 IC211 IC302 IC301 IC204 IC752 IC751 Test Points for Diagnosis www. xiaoyu163. com QQ 376315150 9 9 2 8 9 4 2 9 8 TEL 13942296513 9 9 2 8 9 4 2 9 8 0 5 1 5 1 3 6 7 3 Q Q TEL 13942296513 QQ 376315150 892498299 TEL 13942296513 QQ 376315150 892498299 http://www.xiaoyu163.com VSX-607RDS, VSX-407RDS 48 • Parts List Mark No. Description Part No. 1 Filter AZA7152 2 Name Plate AZA7301 3 Rubber Sheet (A) AZA7289 4 Rubber Sheet (B) AZA7300 5 Spring (+) AZB7049 6 Spring (–) AZB7050 7 Spring AZB7051 8 Screw AZB7052 9 Remo-con Case (A) AZN7712 10 Remo-con Case (B) AZN7326 11 Battery Cover AZN7327 12 Main Key (FF) AZN7666 13 Main Key (STOP) AZN7329 14 Main Key (REV) AZN7665 15 Main Key (PAUSE) AZN7331 16 Main Key (PLAY) AZN7664 NSP 17 PCB AZW7243 7.5 REMOTE CONTROL UNIT [CU-VSX131 (AXD7169)] (VSX-607RDS ONLY) 7.5.1 EXPLODED VIEWS AND PARTS LIST NOTES: • Parts marked by "NSP" are generally unavailable because they are not in our Master Spare Parts List. • The mark found on some component parts indicates the importance of the safety factor of the part. Therefore, when replacing, be sure to use parts of identical designation. • Screws adjacent to mark on the product are used for disassembly. 2 9 13 12 16 15 14 3 17 1 10 8 11 7 6 5 4 www. xiaoyu163. com QQ 376315150 9 9 2 8 9 4 2 9 8 TEL 13942296513 9 9 2 8 9 4 2 9 8 0 5 1 5 1 3 6 7 3 Q Q TEL 13942296513 QQ 376315150 892498299 TEL 13942296513 QQ 376315150 892498299 http://www.xiaoyu163.com VSX-607RDS, VSX-407RDS 49 A B C D 1 2 3 4 1 2 3 4 7.5.2 SCHEMATIC DIAGRAM Note : When ordering service parts, be sure to refer to "EXPLODED VIEWS and PARTS LIST" or "PCB PARTS LIST". K01 : 0 K02 : 1 K03 : 2 K04 : 3 K05 : 4 K06 : 5 K07 : 6 K08 : 7 K09 : 8 K10 : 9 K11 : K12 : K13 : SET UP K14 : MODE CHK K15 : MULTI OPE. K16 : SYS. OFF K17 : K18 : K19 : ENT. K20 : POWER K21 : CH- K22 : CH+ K23 : DISC K24 : +10 K25 : VOL.- K26 : VOL.+ K27 : TV FUNC. K28 : TV POWER K29 : AMP POW. K30 : MUTING K32 : FUNCTION K33 : DVD K35 : CD K36 : VCR1 K37 : TV CONT. K38 : TUNER K41 : SURROUND SWITCHES www. xiaoyu163. com QQ 376315150 9 9 2 8 9 4 2 9 8 TEL 13942296513 9 9 2 8 9 4 2 9 8 0 5 1 5 1 3 6 7 3 Q Q TEL 13942296513 QQ 376315150 892498299 TEL 13942296513 QQ 376315150 892498299 http://www.xiaoyu163.com VSX-607RDS, VSX-407RDS 50 A B C D 1 2 3 4 1 2 3 4 7.5.3 PCB DIAGRAM www. xiaoyu163. com QQ 376315150 9 9 2 8 9 4 2 9 8 TEL 13942296513 9 9 2 8 9 4 2 9 8 0 5 1 5 1 3 6 7 3 Q Q TEL 13942296513 QQ 376315150 892498299 TEL 13942296513 QQ 376315150 892498299 http://www.xiaoyu163.com VSX-607RDS, VSX-407RDS 51 7.5.4 PCB PARTS LIST NOTES: •Parts marked by "NSP" are generally unavailable because they are not in our Master Spare Parts List. •The mark found on some component parts indicates the importance of the safety factor of the part. Therefore, when replacing, be sure to use parts of identical designation. •When ordering resistors, first convert resistance values into code form as shown in the following examples. Ex.1 When there are 2 effective digits (any digit apart from 0), such as 560 ohm and 47k ohm (tolerance is shown by J=5%, and K=10%). 560 Ω → 56 × 10 1 → 561 ........................................................ RD1/4PU 5 6 1 J 47k Ω → 47 × 10 3 → 473 ........................................................ RD1/4PU 4 7 3 J 0.5 Ω → R50 ..................................................................................... RN2H R 5 0 K 1 Ω → 1R0 ..................................................................................... RS1P 1 R 0 K Ex.2 When there are 3 effective digits (such as in high precision metal film resistors). 5.62k Ω → 562 × 10 1 → 5621 ...................................................... RN1/4PC 5 6 2 1 F Mark No. Description Part No. SEMICONDUCTORS IC1 AZC7281 IC2 AZC7280 IC3,IC4 TC74HC07AF IC5 RH5VA21AA Q4 2SA1037K Q1-Q3 2SC3265 D1,D3,D7 SE1003-C D2 SPS-503C-3 D8,D9,D12,D13,D15,D16 CL-230HR-CD D4-D6 RLS-73 CAPACITORS C2 CEJA470M10 C4-C7,C11 CKSQYB104K25 C3 CEJA221M6R3 C1 CEJA101M6R3 C10 CCSQCH101J50 RESISTORS R2001,R2002 RS1/8S0R0J R1,R2,R4 RS1/8S3R9J Other Resistors RS1/10S J OTHERS X1,X2 CERAMIC RESONATOR KBR-4.0M (4MHz) www. xiaoyu163. com QQ 376315150 9 9 2 8 9 4 2 9 8 TEL 13942296513 9 9 2 8 9 4 2 9 8 0 5 1 5 1 3 6 7 3 Q Q TEL 13942296513 QQ 376315150 892498299 TEL 13942296513 QQ 376315150 892498299 http://www.xiaoyu163.com 52 VSX-607RDS, VSX-407RDS Front Panel The size of characters in the figure may different from that on the actual product. AUDIO/VIDEO MULTI-CHANNEL RECEIVER STANDBY STANDBY/ON SPEAKERS PHONES MEMORY EON MODE RF ATT CLASS STATION FREQUENCY – – + + TUNING SELECT CHARACTER /SEARCH DSP MODE DOLBY VIRTUAL DOLBY PRO LOGIC DIRECT SELECT TONE BALANCE – L + R MASTER VOLUME MIN MAX TAPE 2 MONITOR PHONO FM/AM CD DVD/LD DVD 5.1CH VIDEO AUDIO L R VIDEO INPUT VCR/ TAPE 1 EON DOLBY SURROUND P R O • L O G I C = DSP MODE button ~ DOLBY VIRTUAL button ! DOLBY PRO LOGIC button @ MASTER VOLUME # SPEAKERS button Switches as follows with each press (FRONT SPEAKER only). $ PHONES jack (Headphone terminal) % VIDEO INPUT button/terminals Connect to a video camera, etc. Press the VIDEO INPUT button to switch the function to VIDEO. ^ Remote sensor & Function buttons * SELECT, TONE (–, +) and BALANCE (L, R) buttons SELECT: Use to select the TONE (TREBLE, BASS) and BALANCE control. TONE (–, +): Use to adjust tone. BALANCE (L, R): Use to adjust volume balance. SP A SP A 1 Power switch 2 STANDBY indicator 3 STANDBY/ON button 4 CHARACTER/SEARCH button 5 EON MODE button 6 MEMORY button 7 RF ATT button Set this button to on when receiving strong FM signals (nearby stations) to reduce sound distortion. Normally, this button should be set off. This button does not affect AM reception. 8 CLASS button 9 TUNING SELECT, STATION (–, +) and FRE- QUENCY (–, +) buttons TUNING SELECT: Use to select the STATION mode and FREQUENCY mode when operating the tuner. STATION mode: FREQUENCY mode: STATION (–, +): Use to select the station number when operating the tuner. FREQUENCY (–, +): Use to select the frequency when operating the tuner. 0 Display - DIRECT button Use to play back sound without going through the tone and balance control circuits. DOLBY PRO LOGIC, DSP MODE, DOLBY VIRTUAL and LOUDNESS also turn off. 8. PANEL FACILITIES AND SPECIFICATIONS 8.1 PANEL FACILITIES 3 A 3 A+B OFF 2 BALANCE control 2 3 TREBLE control 3 BASS control www. xiaoyu163. com QQ 376315150 9 9 2 8 9 4 2 9 8 TEL 13942296513 9 9 2 8 9 4 2 9 8 0 5 1 5 1 3 6 7 3 Q Q TEL 13942296513 QQ 376315150 892498299 TEL 13942296513 QQ 376315150 892498299 http://www.xiaoyu163.com 53 VSX-607RDS, VSX-407RDS 1 SPEAKERS A, B indicator The indicator of the FRONT SPEAKER (A, A and B) selected will light. 2 DIRECT indicator Lights when DIRECT is ON. 3 LOUDNESS indicator Lights when LOUDNESS is ON. 4 PRO LOGIC indicator Lights when Dolby Pro Logic is selected. 5 VIRTUAL indicator Lights when DOLBY VIRTUAL is selected. 6 DSP indicator Lights when HALL, JAZZ, DANCE, THEATER 1 and THEATER 2 has been selected with the DSP MODE but- ton. 7 TAPE 2 indicator Lights when TAPE 2 MONITOR is ON. SP AB DIRECT LOUDNESS PRO LOGIC VIRTUAL DSP TAPE 2 EON RDS RF ATT MONO TUNED STEREO Display 8 EON MODE indicator Lights when EON MODE is ON. 9 RDS indicator Lights when RDS broadcast is received. 0 RF ATT indicator - CHARACTER display = TUNER indicator MONO: Lights when the monaural mode is set using the MPX MODE button. TUNED: Lights when broadcasts are being received. STEREO: Lights when stereo broadcasts are received during auto stereo mode. www. xiaoyu163. com QQ 376315150 9 9 2 8 9 4 2 9 8 TEL 13942296513 9 9 2 8 9 4 2 9 8 0 5 1 5 1 3 6 7 3 Q Q TEL 13942296513 QQ 376315150 892498299 TEL 13942296513 QQ 376315150 892498299 http://www.xiaoyu163.com 54 VSX-607RDS, VSX-407RDS R CD AM FM UNBAL 75Ω L A B R L R L R LOOP ANTENNA ANTENNA PHONO TAPE2 MONITOR CD DVD/ LD VCR/ TAPE1 SIGNAL GND IN PLAY IN OUT IN OUT REC IN IN PLAY REC L R L R VIDEO IN VIDEO IN PRE OUT FRONT CONTROL OUT VIDEO OUT TO MONITOR TV VIDEO OUT SUB WOOFER CENTER SPEAKER VCR DVD 5.1CH INPUT SUB WOOFER CENTER SURR. RIGHT SURR. LEFT When connecting or changing equipment, be sure to turn OFF the POWER switch, and disconnect the power cord from the wall outlet. 7 When AM broadcast reception is poor Connect a 5 to 6 meter long vinyl-coated wire to the AM antenna. If possi- ble draw horizontally outdoors to achieve better reception. 7 For better reception of signals, use the FM external antenna. 7Assembling the AM loop antenna 7When attached on a wall, etc. Face towards the direction with the best reception. FM antenna TV monitor VIDEO IN Analog player Cassete deck CD player LD player VCR AUDIO/ VIDEO OUT AUDIO/VIDEO IN ∗ Sub woofer with built-in amplifier Stretch out fully a n d s e c u r e onto the wall using pins. ∗ The sub woofer can be connected in a different way. For details, refer to the instructions on the sub woofer. FM UNBAL 75Ω AM LOOP ANTENNA GND AM indoor antenna (Vinyl-coated wire) AM outdoor antenna VIDEO OUT AUDIO OUT REC INPUT PLAY OUTPUT SIGNAL GND is used to decrease the noises when an analog player, etc. is connected. This is not a ground for safety. ∗ Can also be connected to a cassette deck. ∗ Can also be con- nected to a DVD player. Don't detach the AM loop antenna. AUDIO OUT 75 Ω coaxial cable H AM LOOP ANTENNA GND FM UNBAL 75Ω 5 to 6 m Connecting Devices Speaker www. xiaoyu163. com QQ 376315150 9 9 2 8 9 4 2 9 8 TEL 13942296513 9 9 2 8 9 4 2 9 8 0 5 1 5 1 3 6 7 3 Q Q TEL 13942296513 QQ 376315150 892498299 TEL 13942296513 QQ 376315150 892498299 http://www.xiaoyu163.com 55 VSX-607RDS, VSX-407RDS R L R C L L A L R SURROUND SPEAKERS MANUFACTURED UNDER LICENSE FROM DOLBY LABORATORIES. “DOLBY”, “PRO LOGIC” AND THE DOUBLE-D SYMBOL ARE TRADEMARKS OF DOLBY LABORATORIES. CAUTION: SPEAKER IMPEDANCE 8Ω~16Ω / SPEAKER ATTENTION: IMPEDANCE DE HAUT-PARLEURS 8Ω~16Ω / HAUT-PARLEUR FRONT SPEAKERS 10mm The size of characters and terminal positions in the figures may differ from those on the actual product. 7 AM Antenna terminal 7 Input/output plug Speaker system (Front) Speaker (Center) Speaker system (Surround) 7 Speaker terminal ○ ○ ○ ○ ○ ○ ○ ○ ○ ○ ○ ○ ○ VIDEO IN L R Connect the white plug to L, red plug to R, and yellow plug to VIDEO. Be sure to insert completely. 10 mm 1 2 3 1 2 3 Use nominal impedances ranging from 8 Ω to 16 Ω for the speaker system. Twist the wire core. Twist the wire core. 10 mm 1 3 2 Twist the wire core. AUDIO/VIDEO MULTI-CHANNEL RECEIVER STANDBY STANDBY/ON SPEAKERS PHONES MEMORY EON MODE RF ATT CLASS STATION FREQUENCY – – + + TUNING SELECT CHARACTER /SEARCH VIDEO AUDIO L R VIDEO INPUT 7 Front Panel Connect to equipment such as a video camera, etc. VIDEO OUT AUDIO OUT memo www. xiaoyu163. com QQ 376315150 9 9 2 8 9 4 2 9 8 TEL 13942296513 9 9 2 8 9 4 2 9 8 0 5 1 5 1 3 6 7 3 Q Q TEL 13942296513 QQ 376315150 892498299 TEL 13942296513 QQ 376315150 892498299 http://www.xiaoyu163.com 56 VSX-607RDS, VSX-407RDS When using DVD/LD functions, the unit supports both 2-channel and 5.1-channel input. When the 5.1-channel mode is selected, SURROUND L, R, CENTER and SUB WOOFER terminal are enabled, thus allowing the connection of a Dolby Digital decoder or DVD player with 5.1-channel output. ÷ 5.1-channel inputs are supported only during use of the DVD/LD function. ÷ Other functions cannot be used with 5.1-channel input. VIDEO FRONT SURROUND CENTER SUB WOOFER L R L R ANTENNA PHONO TAPE2 MONITOR CD DVD/ LD VCR/ TAPE1 SIGNAL GND IN PLAY IN OUT IN OUT REC IN IN PLAY REC L R L R VIDEO IN VIDEO IN PRE OUT FRONT DVD 5.1 CH INPUT SUB WOOFER CENTER CONTROL OUT VIDEO OUT TO MONITOR TV VIDEO OUT SUB WOOFER SURR. RIGHT SURR. LEFT AM FM UNBAL 75Ω LOOP ANTENNA [Connection Example] DVD player with 5.1-channel output (built in Dolby Digital decoder) DVD 5.1-Channel Input Terminals memo www. xiaoyu163. com QQ 376315150 9 9 2 8 9 4 2 9 8 TEL 13942296513 9 9 2 8 9 4 2 9 8 0 5 1 5 1 3 6 7 3 Q Q TEL 13942296513 QQ 376315150 892498299 TEL 13942296513 QQ 376315150 892498299 http://www.xiaoyu163.com 57 VSX-607RDS, VSX-407RDS DVD/LD VCR CD TUNER TV CONTROL SURROUND DSP MODE PRO LOGIC CENTER VIRTUAL 5.1CH MULTI CONTROL COMMANDER PRE-PROGRAMMED AND LEARNING 2 3 5 6 9 0 +10 DISC 7 8 4 1 CHANNEL MULTI CONTROL ENTER VOL VOL TV FUNC RECEIVER TV MUTING TEST TONE REAR DIRECT LOUDNESS CLASS TV/VCR MODE CHECK FUNCTION SYSTEM OFF MULTI OPERATION COMMANDER SET UP DISP. MODE MPX FQ + – FQ 6 MULTI CONTROL function buttons Used to set and operate the MULTI CONTROL, and switch the function. TV CONTROL: Press to operate TV. 7 SURROUND button Press when performing surround operations. 8 Number/surround setting buttons [When set to SURROUND (OPERATIONS)] PRO LOGIC: Switches the DOLBY PRO LOGIC. DSP MODE: Switches the surround effects. VIRTUAL: Turns the DOLBY VIRTUAL ON/OFF. 5.1CH: Use to set the DVD 5.1-channel input mode. CENTER –, +: Adjusts the center level. REAR –, +: Adjusts the rear (surround) level. TEST TONE: When turned ON (while in DOLBY PRO LOGIC or DVD 5.1-channel input mode), volume balance adjustment signals are output in order from the speakers and can be adjusted. DIRECT: Use to playback sound without going through the tone and balance control circuits. DOLBY PRO LOGIC, DSP MODE, DOLBY VIRTUAL and LOUDNESS also turn off. LOUDNESS: When LOUDNESS is turned ON at a small volume, the low frequency and high frequency levels increase, enabling the sound to be easier to hear. [Tuner Operations] Number buttons: Use for setting the frequency value when the station call is selected or during direct access. CLASS: Switches the CLASS (A/B/C). DISC: Use to set the Direct Access mode. [VCR operations] Number buttons: Use to select the channel of the TV tuner in the VCR. TV/VCR: Switches between TV/VCR. [CD Operations] DISC: Use to select the DISC number. 9 FUNCTION button Switches the function. 0 MULTI OPERATION button Use to operate the multi operation. - (Power) button Turns ON/OFF the power of devices other than this unit. = TV buttons ~ MODE CHECK button ! COMMANDER SET UP button Use to control and learn operations of other manufacturers' equipment, and set multi operation functions. @ SYSTEM OFF button Use to turn OFF the power of all equipment connected to the main unit. 1 RECEIVER power button 2 MUTING button Press to mute the volume. 3 [When set to SURROUND (OPERATIONS)] %, fi, @, # (Select/Adjust) buttons [When set to other than SURROUND (OP- ERATIONS)] *(Pause), & (Stop), !(Rewind), ⁄(Fast Forward), ENTER/# (Play) buttons [Tuner Operations] FQ +, FQ –, MPX, DISP. MODE, #(FM/AM) buttons MPX: Use to switch the auto stereo/monaural mode for receiving FM broadcasts. When the received broadcast signal is weak, press this button to set the monaural mode. 4 VOL (–, +) buttons 5 [TV Operations] Selects the TV broadcast channel. [Tuner Operations] Select the Tuner station. [CD, LD, DVD Operations] $, › (Chapter/Track Search) buttons. Remote Control Unit www. xiaoyu163. com QQ 376315150 9 9 2 8 9 4 2 9 8 TEL 13942296513 9 9 2 8 9 4 2 9 8 0 5 1 5 1 3 6 7 3 Q Q TEL 13942296513 QQ 376315150 892498299 TEL 13942296513 QQ 376315150 892498299 http://www.xiaoyu163.com 58 VSX-607RDS, VSX-407RDS Amplifier Section Continuous rated power output of 65 watts∗ per channel, min., at 8 ohms, from 40 Hz to 20,000 Hz with no more than 0.09 %∗∗ total harmonic distortion (front). Continuous Power Output (DIN, 1 kHz, T.H.D. 1 %, 8 Ω) STEREO Front ........................................... 70 W + 70 W SURROUND Front ........................................... 50 W + 50 W Center ..................................................... 50 W Rear ........................................................ 50 W Input (Sensitivity/Impedance) PHONO MM .......................................................... 2.8 mV/47 kΩ CD, VCR/TAPE 1, TAPE 2, DVD/LD, VIDEO ........ 200 mV/47 kΩ Phono Overload Level (T.H.D. 0.1 %, 1kHz) PHONO MM ......................................................................90 mV Frequency Response∗ PHONO MM ................................... 20 Hz to 20,000 Hz ± 0.5 dB CD, VCR/TAPE 1, TAPE 2, DVD/LD, VIDEO................................... 5 Hz to 100,000 Hz dB Output (Level/Impedance) VCR/TAPE 1 REC, TAPE 2 REC ............................ 200 mV/1 kΩ Tone Control BASS ..................................................................± 8 dB (150 Hz) TREBLE ............................................................. ± 8 dB (10 kHz) LOUDNESS ................................. +8 dB/+6 dB (100 Hz/10 kHz) Signal-to-Noise Ratio [DIN (Rated power output/50 mW)]∗ PHONO MM ............................................................ 68 dB/61 dB CD, VCR/TAPE 1, TAPE 2, DVD/LD, VIDEO ........... 86 dB/63 dB ∗ Direct: ON ∗∗Measured by Audio Spectrum Analyzer. VIDEO Section Input (Sensitivity/Impedance) VCR/TAPE 1, DVD/LD, VIDEO ................................. 1 Vp-p/75 Ω Output (Level/Impedance) VCR/TAPE 1, REC, MONITOR TV ........................... 1 Vp-p/75 Ω Frequency Response VCR/TAPE 1, DVD/LD, VIDEO = MONITOR ................................................ 5 Hz to 7 MHz dB Signal-to-Noise Ratio .............................................................55 dB Cross Talk ..............................................................................55 dB FM Tuner Section Frequency Range......................................... 87.5 MHz to 108 MHz Usable Sensitivity ..................... Mono: 15.2 dBf, IHF (1.5 µV/75 Ω) 50 dB Quieting Sensitivity ....................................... Mono: 20.2 dBf Stereo: 41.2 dBf Signal-to-Noise Ratio ................................ Mono: 76 dB (at 85 dBf) Stereo: 72 dB (at 85 dBf) Distortion ........................................................ Stereo: 0.6 % (1kHz) Alternate Channel Selectivity ................................ 70 dB (400 kHz) Stereo Separation ..................................................... 40 dB (1 kHz) Frequency Response .............................. 30 Hz to 15 kHz (± 1) dB Antenna Input .......................................................75 Ω unbalanced Sensitivity (DIN) ..................................... Mono: 1.1 µV (S/N 26 dB) Stereo: 50 µV (S/N 46 dB) Signal-to-Noise Ratio (DIN) ........................................ Mono: 62 dB Stereo: 58 dB AM Tuner Section Frequency Range..........................................531 kHz to 1,602 kHz Sensitivity (IHF, Loop antenna) ....................................... 350 µV/m Selectivity ...............................................................................30 dB Signal-to-Noise Ratio .............................................................50 dB Antenna ..................................................................... Loop antenna Miscellaneous Power Requirements ................................. AC 220-230 V, 50/60 Hz Power Consumption .............................................................. 170 W Dimensions ................................. 420 (W) × 143 (H) × 334 (D) mm Weight (without package) ...................................................... 6.7 kg Furnished Parts FM Antenna .................................................................................. 1 AM Loop Antenna ......................................................................... 1 Dry Cell Batteries [size “AA” (IEC LR6)] ........................................ 2 Remote Control Unit ..................................................................... 1 Operating Instructions ................................................................... 1 Warranty card ................................................................................ 1 NOTE: Specifications and the design are subject to possible modifications without notice, due to improvements. +0 –3 +0 –3 Alkaline dry cell battery (size "AA" IEC LR6) x 2 : VSX-607RDS Dry cell battery (size "AA" IEC R6P) x 2 : VSX-407RDS FM antenna ADH7005 AM loop antenna ATB7009 (VSX-607RDS) Remote control unit AXD7169(CU-VSX131) 8.2 SPECIFICATIONS Manufactured under license from Dolby Laboratories Licensing Corporation. “Dolby”, the double-D symbol and “Pro Logic” are trademarks of Dolby Laboratories Licensing Corporation. Accessories (VSX-407RDS) Remote control unit AXD7162(CU-VSX130) www. xiaoyu163. com QQ 376315150 9 9 2 8 9 4 2 9 8 TEL 13942296513 9 9 2 8 9 4 2 9 8 0 5 1 5 1 3 6 7 3 Q Q TEL 13942296513 QQ 376315150 892498299 TEL 13942296513 QQ 376315150 892498299 http://www.xiaoyu163.com

标签:

版权声明

1. 本站所有素材,仅限学习交流,仅展示部分内容,如需查看完整内容,请下载原文件。
2. 会员在本站下载的所有素材,只拥有使用权,著作权归原作者所有。
3. 所有素材,未经合法授权,请勿用于商业用途,会员不得以任何形式发布、传播、复制、转售该素材,否则一律封号处理。
4. 如果素材损害你的权益请联系客服QQ:77594475 处理。