先锋PIONEER S-MF5XJCE电路图

分类:电子电工 日期: 点击:0
先锋PIONEER S-MF5XJCE电路图-0 先锋PIONEER S-MF5XJCE电路图-1 先锋PIONEER S-MF5XJCE电路图-2 先锋PIONEER S-MF5XJCE电路图-3

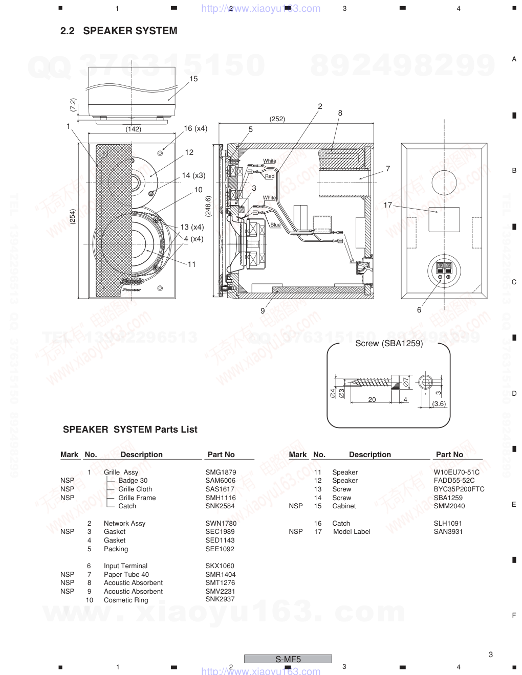
ORDER NO. PIONEER CORPORATION 4-1, Meguro 1-chome, Meguro-ku, Tokyo 153-8654, Japan PIONEER ELECTRONICS (USA) INC. P.O. Box 1760, Long Beach, CA 90801-1760, U.S.A. PIONEER EUROPE NV Haven 1087, Keetberglaan 1, 9120 Melsele, Belgium PIONEER ELECTRONICS ASIACENTRE PTE. LTD. 253 Alexandra Road, #04-01, Singapore 159936 PIONEER CORPORATION 2006 RRV3455 1. REASSEMBLY AND DISASSEMBLY PRECAUTIONS GRILLE The grille is attached to the cabinet by catches. Detach by pull- ing it toward you. TWEETER The woofer is attached to the baffle by 3 external screws. To detach the tweeter, unfasten those screws by hexagonal wrench. When re-attaching it, face its terminal downward. WOOFER The woofer is attached to the baffle by 4 screws between the cosmetic ring and baffle board. To detach it, first remove tweeter . Then remove cosmetic ring . 1. The cosmetic ring is attached to the baffle by its bosses (5pcs). 2. Pry it open by inserting a flat blade screwdriver into upper and lower slot. 3. Unfasten those screws. When re-attaching it, face its terminal upward. Boss Fig.1 cosmetic ring Slot Slot S-MF5 XJC/E SPEAKER SYSTEM T – ZZS JULY 2006 Printed in Japan www. xiaoyu163. com QQ 376315150 9 9 2 8 9 4 2 9 8 TEL 13942296513 9 9 2 8 9 4 2 9 8 0 5 1 5 1 3 6 7 3 Q Q TEL 13942296513 QQ 376315150 892498299 TEL 13942296513 QQ 376315150 892498299 http://www.xiaoyu163.com 2 1 2 3 4 1 2 3 4 C D F A B E S-MF5 8 5 (2/2) 5 (1/2) 5 (1/2) 6 7 5 (2/2) SPEAKER SYSTEM 7 1 6 4 2 (x2) 3 (x2) No.1 Accessories Set Mark No. Description Part No. NSP 1 Accessories Set SME3739 2 Speaker Cable SDS1195 3 Non Skid Pad SEC1964 4 Poly Bag S0 SHL1264 5 Protector SHA2536 6 Protection Sheet S2 SHC1849 7 Poly Bag S4 SHL1452 8 Packing Case SHG2765 2. EXPLODED VIEWS AND PARTS LIST Parts marked by "NSP" are generally unavailable because they are not in our Master Spare Parts List. The mark found on some component parts indicates the importance of the safety factor of the part. Therefore, when replacing, be sure to use parts of identical designation. NOTES: 2.1 PACKING PACKING Parts List www. xiaoyu163. com QQ 376315150 9 9 2 8 9 4 2 9 8 TEL 13942296513 9 9 2 8 9 4 2 9 8 0 5 1 5 1 3 6 7 3 Q Q TEL 13942296513 QQ 376315150 892498299 TEL 13942296513 QQ 376315150 892498299 http://www.xiaoyu163.com 3 1 2 3 4 1 2 3 4 C D F A B E S-MF5 1 Grille Assy SMG1879 NSP Badge 30 SAM6006 NSP Grille Cloth SAS1617 NSP Grille Frame SMH1116 Catch SNK2584 2 Network Assy SWN1780 NSP 3 Gasket SEC1989 4 Gasket SED1143 5 Packing SEE1092 6 Input Terminal SKX1060 NSP 7 Paper Tube 40 SMR1404 NSP 8 Acoustic Absorbent SMT1276 NSP 9 Acoustic Absorbent SMV2231 10 Cosmetic Ring White Red White Blue (142) (254) (248.6) (252) (7.2) 15 16 (x4) 1 2 10 9 6 12 11 14 (x3) 13 (x4) 7 4 (x4) 5 3 8 17 Mark No. Description Part No 11 Speaker W10EU70-51C 12 Speaker FADD55-52C 13 Screw BYC35P200FTC 14 Screw SBA1259 NSP 15 Cabinet SMM2040 16 Catch SLH1091 NSP 17 Model Label SAN3931 Mark No. Description Part No 3 (3.6) ∅7 4 ∅3 ∅4 20 Screw (SBA1259) 2.2 SPEAKER SYSTEM SPEAKER SYSTEM Parts List SNK2937 www. xiaoyu163. com QQ 376315150 9 9 2 8 9 4 2 9 8 TEL 13942296513 9 9 2 8 9 4 2 9 8 0 5 1 5 1 3 6 7 3 Q Q TEL 13942296513 QQ 376315150 892498299 TEL 13942296513 QQ 376315150 892498299 http://www.xiaoyu163.com 4 1 2 3 4 1 2 3 4 C D F A B E S-MF5 3. SCHEMATIC DIAGRAM NETWORK ASSY (SWN1780) 3.3 µF/100 V C INPUT Woofer White White Red Tweeter Blue www. xiaoyu163. com QQ 376315150 9 9 2 8 9 4 2 9 8 TEL 13942296513 9 9 2 8 9 4 2 9 8 0 5 1 5 1 3 6 7 3 Q Q TEL 13942296513 QQ 376315150 892498299 TEL 13942296513 QQ 376315150 892498299 http://www.xiaoyu163.com

标签:

版权声明

1. 本站所有素材,仅限学习交流,仅展示部分内容,如需查看完整内容,请下载原文件。
2. 会员在本站下载的所有素材,只拥有使用权,著作权归原作者所有。
3. 所有素材,未经合法授权,请勿用于商业用途,会员不得以任何形式发布、传播、复制、转售该素材,否则一律封号处理。
4. 如果素材损害你的权益请联系客服QQ:77594475 处理。