先锋PIONEER S-IW691LXTWUM电路图

分类:电子电工 日期: 点击:0
先锋PIONEER S-IW691LXTWUM电路图-0 先锋PIONEER S-IW691LXTWUM电路图-1 先锋PIONEER S-IW691LXTWUM电路图-2 先锋PIONEER S-IW691LXTWUM电路图-3 先锋PIONEER S-IW691LXTWUM电路图-4 先锋PIONEER S-IW691LXTWUM电路图-5 先锋PIONEER S-IW691LXTWUM电路图-6

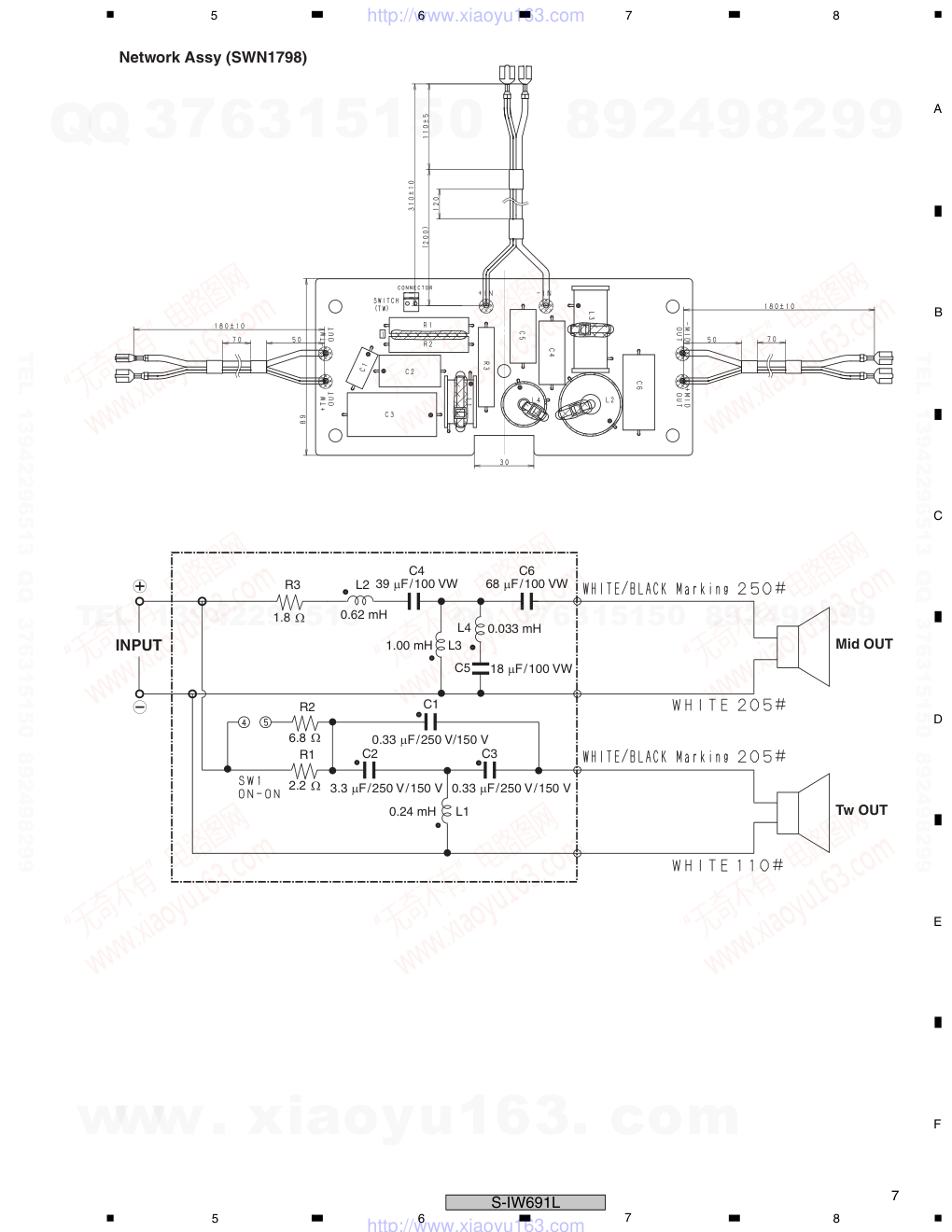
ORDER NO. PIONEER CORPORATION 1-1, Shin-ogura, Saiwai-ku, Kawasaki-shi, Kanagawa 212-0031, Japan PIONEER ELECTRONICS (USA) INC. P.O. Box 1760, Long Beach, CA 90801-1760, U.S.A. PIONEER EUROPE NV Haven 1087, Keetberglaan 1, 9120 Melsele, Belgium PIONEER ELECTRONICS ASIACENTRE PTE. LTD. 253 Alexandra Road, #04-01, Singapore 159936 PIONEER CORPORATION 2010 S-IW691L RRV4042 K-ZZZ JAN. 2010 Printerd in Japan IN-WALL SPEAKER S-IW691L /XTWUM This service manual is intended for qualified service technicians; it is not meant for the casual do-it-yourselfer. Qualified technicians have the necessary test equipment and tools, and have been trained to properly and safely repair complex products such as those covered by this manual. Improperly performed repairs can adversely affect the safety and reliability of the product and may void the warranty. If you are not qualified to perform the repair of this product properly and safely, you should not risk trying to do so and refer the repair to a qualified service technician. WARNING This product contains certain electrical parts contain chemicals which are known to the State of California to cause cancer, birth defects or other reproductive harm. Health & Safety Code Section 25249.6 - Proposition 65 Model Type Power Requirement Serial No. Remarks S-IW691L XTWUM -------------- J***XXXXXX** THIS MANUAL IS APPLICABLE TO THE FOLLOWING MODEL(S) AND TYPE(S). The cabinet of the base model (S-IW691L/XTW/UC) of this product has been modified to comply with the Airborne Toxic Control Measure, the environmental protection regulation of the state of California. The description on compliance with the regulation (Complies with CCR 93120.2[a] Phase 1) has been added on the packaging of this product. www. xiaoyu163. com QQ 376315150 9 9 2 8 9 4 2 9 8 TEL 13942296513 9 9 2 8 9 4 2 9 8 0 5 1 5 1 3 6 7 3 Q Q TEL 13942296513 QQ 376315150 892498299 TEL 13942296513 QQ 376315150 892498299 http://www.xiaoyu163.com 2 S-IW691L 1 2 3 4 C D F A B E 1 2 3 4 1. REASSEMBLY AND DISASSEMBLY PRECAUTIONS • The grille is inserted into the baffle. To detach it, insert a grill removal tool into each of the 4 corner holes of the grille net and push up carefully. • The Speaker frame is attached to the wall by 8 external screws with Rotating clamps. To detach it, unfasten those screws. • The LPF network is attached to the speaker frame by 2 external screws. To detach it, first disconnect the cord to speaker. Next remove the frame. Then unfasten those screws and disconnect the cord to the HPF. • The HPF network is attached to the CST chamber inside of speaker frame by 5 screws. To detach it, first detach CST and disconnect the cord to speaker & LPF network. After removing the CST, disconnect the cords to the speakers and the connector to the Level Control Assy. After then, remove the baffle from the frame and disconnect the cord to WF. And then, unfasten 5 screws tightened to the HPF network. Caution ; When re-attaching the HPF network, apply DIABOND (black) (DB-1600WB) to the contact area to the wooden bar and the through hole for cord again. • The CST speaker is attached to the baffle by 4 external screws. To detach it, unfasten those screws and then, disconnect the wire connection. When reattaching it, face Mid terminal (bigger) rightward. • The woofers are attached to the baffle by 6 external screws. To detach them, unfasten those screws and then, disconnect the wire connection. When re-attaching them, face its terminal downward. • Attach the speaker frame to the wall/ceiling, and tighten the screws lightly (temporary attachment). At this point the rotating clamp will rotate so that the rotating clamp and frame are clamped on to the wall/ceiling. Gently try pulling the speaker forward and check that all of the rotating clamps have rotated outwards and are lightly clamping to the wall/ceiling. • Tighten the screws firmly using no more than the maximum torque specified. Allowable maximum torque: 1.0 N.m Screw Speaker frame Rotating clamp www. xiaoyu163. com QQ 376315150 9 9 2 8 9 4 2 9 8 TEL 13942296513 9 9 2 8 9 4 2 9 8 0 5 1 5 1 3 6 7 3 Q Q TEL 13942296513 QQ 376315150 892498299 TEL 13942296513 QQ 376315150 892498299 http://www.xiaoyu163.com 3 S-IW691L 5 6 7 8 5 6 7 8 C D F A B E Speaker System 2. EXPLODED VIEWS AND PARTS LIST Parts marked by "NSP" are generally unavailable because they are not in our Master Spare Parts List. The mark found on some component parts indicates the importance of the safety factor of the part. Therefore, when replacing, be sure to use parts of identical designation. NOTES: 2.1 PACKING 1 Carton Spacer SHB1189 NSP 2 1..Accessories Set (for Manual) SME3859 2..Polyethylene Bag S2 SHL1295 2..Operating Instruction SRD1386 (En/Frca) NSP 2..Warranty Card SRY1048 3 1..Grille Assy SMG1913 NSP 2..Scrim SER1368 NSP 2..Punching Net SNC1217 4 Polyethylene Bag S7 (for Grille) SHL1393 5 Top Protector SHA2626 NSP 6 1..Accessories Set SME3856 (for Adhesive Tape) 2..Adhesive Tape SEH1134 2..Adhesive Tape SEH6026 2..Polyethylene Bag SHL1246 NSP 7 1..Accessories Set SME3858 (for Removal Tool) 2..Polyethylene Bag SHL1246 2..Grille Removal Tool SLH1096 8 Install Template SRK1037 9 Protection Sheet SHB1200 10 Paint Mask SHC1873 11 • • • • • • • • 12 Bottom Protector SHA2622 13 Polyethylene Bag Sx (for Speaker) SHL1480 14 Packing Case SHG2859 NSP 15 Label Serial SRW1112 16 Caution Label SRN1017 PACKING Parts List Mark No. Description Part No. www. xiaoyu163. com QQ 376315150 9 9 2 8 9 4 2 9 8 TEL 13942296513 9 9 2 8 9 4 2 9 8 0 5 1 5 1 3 6 7 3 Q Q TEL 13942296513 QQ 376315150 892498299 TEL 13942296513 QQ 376315150 892498299 http://www.xiaoyu163.com 4 S-IW691L 1 2 3 4 C D F A B E 1 2 3 4 2.2 CS ASSY � Input terminal � Input terminal www. xiaoyu163. com QQ 376315150 9 9 2 8 9 4 2 9 8 TEL 13942296513 9 9 2 8 9 4 2 9 8 0 5 1 5 1 3 6 7 3 Q Q TEL 13942296513 QQ 376315150 892498299 TEL 13942296513 QQ 376315150 892498299 http://www.xiaoyu163.com 5 S-IW691L 5 6 7 8 5 6 7 8 C D F A B E NSP 1 Fastener (LPF NW) SNA1516 NSP 2 Baffl e SMS1524 3 Install Nail SNK3039 NSP 4 Nail Stopper SNK3040 NSP 5 Frame SNK3042 NSP 6 Switch Cover SNK3041 7 Gasket (for LPF) SEC2237 8 Gasket (for CST) FREC-105 9 Network Assy (LPF) SWN1797 10 Network Assy (HPF) SWN1798 NSP 11 Model Label SAN4066 NSP 12 Gasket (for Fastener) SEC2227 NSP 13 Gasket (for SW Cover) SEC2225 14 Packing SEC2256 15 Packing (for LPF) SEC2257 16 Packing (for LPF) SEC2258 NSP 17 Felt SED1203 NSP 18 Packing (Baffl e Frame) SEC2219 NSP 19 Packing (Baffl e Frame) SEC2220 NSP 20 Packing (Baffl e Frame) SEC2222 21 Cushion SEP1382 NSP 22 Acoustic Absorbent SMV2261 NSP 23 Acoustic Absorbent SMV2262 NSP 24 Acoustic Absorbent SMV2263 NSP 25 Acoustic Absorbent SMV2265 NSP 26 Acoustic Absorbent SMV2266 NSP 27 Acoustic Absorbent SMT1387 NSP 28 Label Serial SRW1117 29 Speaker W16FU90-52H 30 Speaker W13NR40-52DX 31 Screw BKC40P160FTC 32 Screw (for LPF-Fastener) SBA1309 33 Screw (for HPF) BPZ40P060FTC 34 Screw (for Install) SBA1293 35 Hexagon Socket Screw SBA6074 (for WF & CST) 36 Screw (for Fastener-Chamber) BPZ40P100FTB NSP 37 Fung Nut M6 SBN1075 38 Nut (for LPF) NB40FTB 39 Level Control Assy SWL1003 40 Washer (for LPF) WS40FTB 41 Washer WC40FTB 42 Eye Bolt M6 SBA1308 43 Back Cover (for WF) SHC1880 NSP 44 Wooden Bar SLX1185 NSP 45 Adhesive Tape (for MDF Bar) SEH1139 CS Assy Parts List Mark No. Description Part No. Mark No. Description Part No. www. xiaoyu163. com QQ 376315150 9 9 2 8 9 4 2 9 8 TEL 13942296513 9 9 2 8 9 4 2 9 8 0 5 1 5 1 3 6 7 3 Q Q TEL 13942296513 QQ 376315150 892498299 TEL 13942296513 QQ 376315150 892498299 http://www.xiaoyu163.com 6 S-IW691L 1 2 3 4 C D F A B E 1 2 3 4 3. SCHEMATIC DIAGRAM POLY SWITCH 120 F/100 WV 150 F/100 WV INPUT Network Assy (SWN1797) 3.4 mH 0.82 mH 30 mH WOOFER OUT HPF OUT C1 C2 L1 L2 L3 P.SW: P.SW has extreme positive resistance-temperature characteristics. If an abnormal current flows to P.SW due to an excessive input or unusual signal, P.SW heats up and the resistance rapidly increases. With this function, the speakers are protected from excessive input or unusual signal. The resistance value increases even when using a soldering iron for repairing, so allow it to cool before using. www. xiaoyu163. com QQ 376315150 9 9 2 8 9 4 2 9 8 TEL 13942296513 9 9 2 8 9 4 2 9 8 0 5 1 5 1 3 6 7 3 Q Q TEL 13942296513 QQ 376315150 892498299 TEL 13942296513 QQ 376315150 892498299 http://www.xiaoyu163.com 7 S-IW691L 5 6 7 8 5 6 7 8 C D F A B E Network Assy (SWN1798) R3 L2 C4 R2 R1 C1 C2 C3 C6 L4 L3 L1 C5 Mid OUT Tw OUT INPUT 0.33 F/250 V/150 V 39 F/100 VW 68 F/100 VW 18 F/100 VW 3.3 F/250 V/150 V 0.33 F/250 V/150 V 0.033 mH 1.00 mH 0.24 mH 0.62 mH 6.8 1.8 2.2 www. xiaoyu163. com QQ 376315150 9 9 2 8 9 4 2 9 8 TEL 13942296513 9 9 2 8 9 4 2 9 8 0 5 1 5 1 3 6 7 3 Q Q TEL 13942296513 QQ 376315150 892498299 TEL 13942296513 QQ 376315150 892498299 http://www.xiaoyu163.com

标签:

版权声明

1. 本站所有素材,仅限学习交流,仅展示部分内容,如需查看完整内容,请下载原文件。
2. 会员在本站下载的所有素材,只拥有使用权,著作权归原作者所有。
3. 所有素材,未经合法授权,请勿用于商业用途,会员不得以任何形式发布、传播、复制、转售该素材,否则一律封号处理。
4. 如果素材损害你的权益请联系客服QQ:77594475 处理。