先锋PIONEER RFD-1音响电路图

分类:电子电工 日期: 点击:0
先锋PIONEER RFD-1音响电路图-0 先锋PIONEER RFD-1音响电路图-1 先锋PIONEER RFD-1音响电路图-2 先锋PIONEER RFD-1音响电路图-3 先锋PIONEER RFD-1音响电路图-4 先锋PIONEER RFD-1音响电路图-5 先锋PIONEER RFD-1音响电路图-6 先锋PIONEER RFD-1音响电路图-7 先锋PIONEER RFD-1音响电路图-8 先锋PIONEER RFD-1音响电路图-9

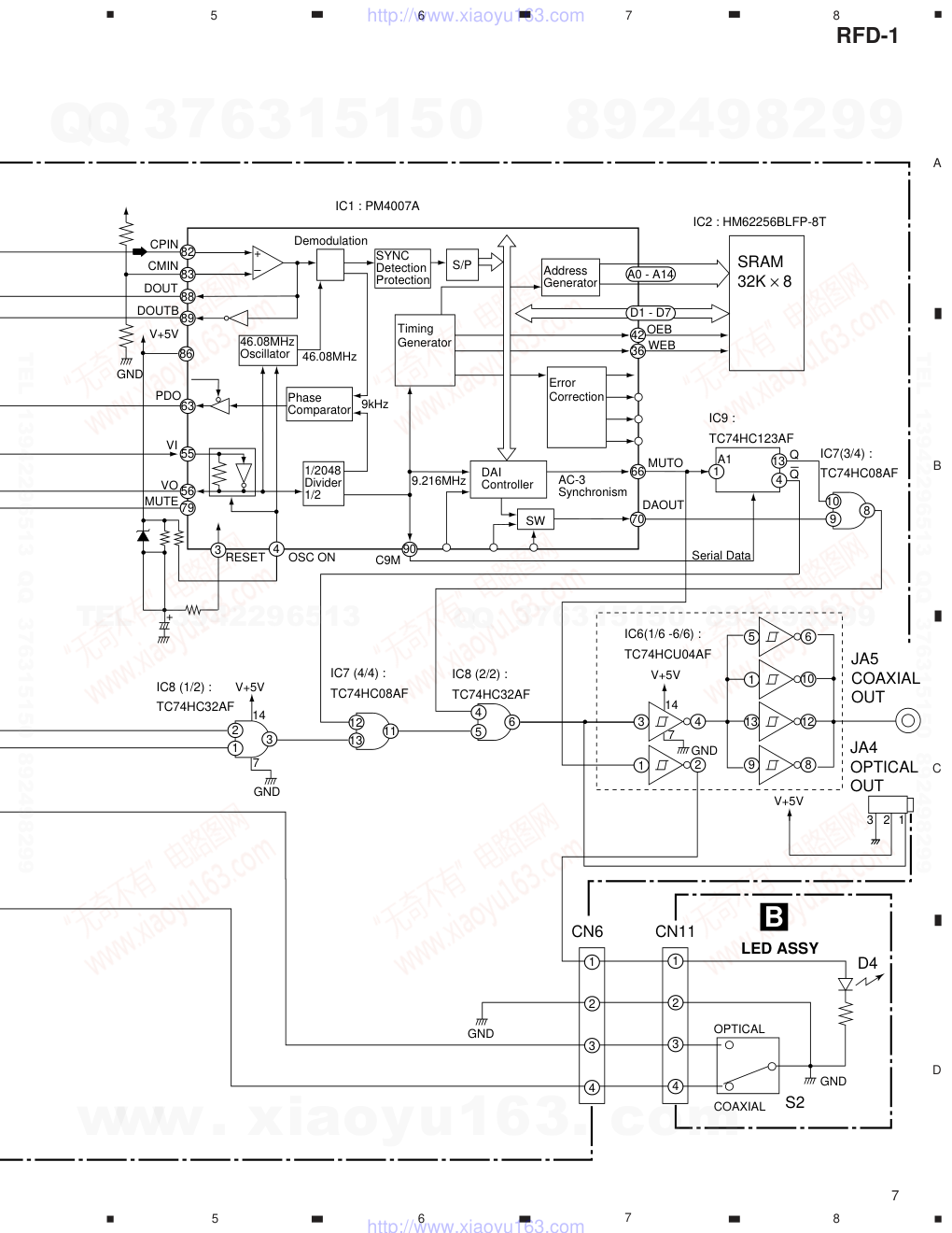
ORDER NO. PIONEER ELECTRONIC CORPORATION 4-1, Meguro 1-Chome, Meguro-ku, Tokyo 153-8654, Japan PIONEER ELECTRONICS SERVICE, INC. P.O. Box 1760, Long Beach, CA 90801-1760, U.S.A. PIONEER ELECTRONIC (EUROPE) N.V. Haven 1087, Keetberglaan 1, 9120 Melsele, Belgium PIONEER ELECTRONICS ASIACENTRE PTE. LTD. 253 Alexandra Road, #04-01, Singapore 159936 � � � � � � � � � �PIONEER ELECTRONIC CORPORATION 1999 RRV2125 T – ZZY APR. 1999 Printed in Japan RF DEMODULATOR RFD-1 CONTENTS 1. SAFETY INFORMATION ..................................... 2 2. EXPLODED VIEWS AND PARTS LIST ............... 3 3. BLOCK DIAGRAM AND SCHEMATIC DIAGRAM 6 4. PCB CONNECTION DIAGRAM ......................... 10 5. PCB PARTS LIST .............................................. 13 6. ADJUSTMENT ................................................... 14 7. PANEL FACILITIES AND SPECIFICATIONS..... 14 THIS MANUAL IS APPLICABLE TO THE FOLLOWING MODEL(S) AND TYPE(S). Type Model RFD-1 Power Requirement MY O AC220 - 230V Remarks www. xiaoyu163. com QQ 376315150 9 9 2 8 9 4 2 9 8 TEL 13942296513 9 9 2 8 9 4 2 9 8 0 5 1 5 1 3 6 7 3 Q Q TEL 13942296513 QQ 376315150 892498299 TEL 13942296513 QQ 376315150 892498299 http://www.xiaoyu163.com 2 RFD-1 1. SAFETY INFORMATION This service manual is intended for qualified service technicians ; it is not meant for the casual do-it- yourselfer. Qualified technicians have the necessary test equipment and tools, and have been trained to properly and safely repair complex products such as those covered by this manual. Improperly performed repairs can adversely affect the safety and reliability of the product and may void the warranty. If you are not qualified to perform the repair of this product properly and safely, you should not risk trying to do so and refer the repair to a qualified service technician. WARNING Lead in solder used in this product is listed by the California Health and Welfare agency as a known reproductive toxicant which may cause birth defects or other reproductive harm (California Health & Safety Code, Section 25249.5). When servicing or handling circuit boards and other components which contain lead in solder, avoid unprotected skin contact with the solder. Also, when soldering do not inhale any smoke or fumes produced. NOTICE (FOR CANADIAN MODEL ONLY) Fuse symbols (fast operating fuse) and/or (slow operating fuse) on PCB indicate that replacement parts must be of identical designation. REMARQUE (POUR MODÈLE CANADIEN SEULEMENT) Les symboles de fusible (fusible de type rapide) et/ou (fusible de type lent) sur CCI indiquent que les pièces de remplacement doivent avoir la même désignation. ANY MEASUREMENTS NOT WITHIN THE LIMITS OUTLINED ABOVE ARE INDICATIVE OF A POTENTIAL SHOCK HAZARD AND MUST BE CORRECTED BEFORE RETURNING THE APPLIANCE TO THE CUSTOMER. 2. PRODUCT SAFETY NOTICE Many electrical and mechanical parts in the appliance have special safety related characteristics. These are often not evident from visual inspection nor the protection afforded by them necessarily can be obtained by using replacement components rated for voltage, wattage, etc. Replacement parts which have these special safety characteristics are identified in this Service Manual. Electrical components having such features are identified by marking with a on the schematics and on the parts list in this Service Manual. The use of a substitute replacement component which does not have the same safety characteristics as the PIONEER recommended replacement one, shown in the parts list in this Service Manual, may create shock, fire, or other hazards. Product Safety is continuously under review and new instructions are issued from time to time. For the latest information, always consult the current PIONEER Service Manual. A subscription to, or additional copies of, PIONEER Service Manual may be obtained at a nominal charge from PIONEER. 1. SAFETY PRECAUTIONS The following check should be performed for the continued protection of the customer and service technician. LEAKAGE CURRENT CHECK Measure leakage current to a known earth ground (water pipe, conduit, etc.) by connecting a leakage current tester such as Simpson Model 229-2 or equivalent between the earth ground and all exposed metal parts of the appliance (input/output terminals, screwheads, metal overlays, control shaft, etc.). Plug the AC line cord of the appliance directly into a 120V AC 60Hz outlet and turn the AC power switch on. Any current measured must not exceed 0.5mA. (FOR USA MODEL ONLY) Leakage current tester Reading should not be above 0.5mA Device under test Test all exposed metal surfaces Also test with plug reversed (Using AC adapter plug as required) Earth ground AC Leakage Test www. xiaoyu163. com QQ 376315150 9 9 2 8 9 4 2 9 8 TEL 13942296513 9 9 2 8 9 4 2 9 8 0 5 1 5 1 3 6 7 3 Q Q TEL 13942296513 QQ 376315150 892498299 TEL 13942296513 QQ 376315150 892498299 http://www.xiaoyu163.com 3 RFD-1 2.1 PACKING 1 Power Cord ADG1127 NSP 2 Warranty Card ARY7022 3 Operating Instructions ARE7212 (English/French/German/Italian /Dutch/Swedish/Spanish/Portuguese) 4 Protector DHA1235 5 Packing Sheet RHC1050 6 Packing Case AHG7058 7 Master Carton AHG7060 PACKING PARTS LIST Mark No. Description Part No. 2. EXPLODED VIEWS and PARTS LIST NOTES: • Parts marked by "NSP" are generally unavailable because they are not in our Master Spare Parts List. • The mark found on some component parts indicates the importance of the safety factor of the part. Therefore, when replacing, be sure to use parts of identical designation. • Screws adjacent to mark on the product are used for disassembly. FRONT FRONT PIONEER PIONEER PIONEER PIONEER PIONEER 5 2 3 1 4 6 7 4 www. xiaoyu163. com QQ 376315150 9 9 2 8 9 4 2 9 8 TEL 13942296513 9 9 2 8 9 4 2 9 8 0 5 1 5 1 3 6 7 3 Q Q TEL 13942296513 QQ 376315150 892498299 TEL 13942296513 QQ 376315150 892498299 http://www.xiaoyu163.com 4 RFD-1 2.2 EXTERIOR 23 26 17 26 32 5 4 8 27 2 16 7 27 18 15 11 12 15 14 14 3 6 26 26 26 33 26 26 20 13 26 28 19 1 22 21 10 26 29 29 9 www. xiaoyu163. com QQ 376315150 9 9 2 8 9 4 2 9 8 TEL 13942296513 9 9 2 8 9 4 2 9 8 0 5 1 5 1 3 6 7 3 Q Q TEL 13942296513 QQ 376315150 892498299 TEL 13942296513 QQ 376315150 892498299 http://www.xiaoyu163.com 5 RFD-1 (1) EXTERIOR PARTS LIST Mark No. Description Part No. 1 SW Assy VWR1303 2 DEM Assy VWV1601 NSP 3 LED Assy VWY1048 4 Fuse (FU1: T250mA) AEK1048 5 Housing Assy (3P) VKP2178 6 Housing Assy (4P) VKP2179 7 AC Inlet Assy VKP2183 8 Housing Assy (7P) AKP7037 9 Power Transformer VTT1153 (AC220-230V) NSP 10 Front Stay DND1140 11 Locking Card Spacer ONK1035 12 Disc Guard PNM1245 13 Guide Ring VEC-151 14 Washer VEC1254 15 Poron Leg VEC1987 16 Sheet B (PVC) VEC1990 17 Bonnet Case VNA1952 NSP 18 Main Chassis ANA7084 19 SW Stay VNE2148 20 Power Knob VAC1030 21 Cushion AEC7225 22 Front Panel Assy AXA7072 23 Caution Label ARW7036 24 •••••••• 25 •••••••• 26 Screw BBZ30P060FZK 27 Screw BBZ30P080FCC 28 Screw PMA30P060FMC NSP 29 Cord Stopper ZCB-069Z 30 •••••••• 31 •••••••• 32 Fuse Label VRW1727 33 LED Lens DNK2331 Mark No. Description Part No. www. xiaoyu163. com QQ 376315150 9 9 2 8 9 4 2 9 8 TEL 13942296513 9 9 2 8 9 4 2 9 8 0 5 1 5 1 3 6 7 3 Q Q TEL 13942296513 QQ 376315150 892498299 TEL 13942296513 QQ 376315150 892498299 http://www.xiaoyu163.com RFD-1 6 A B C D 1 2 3 4 1 2 3 4 V+5V V-5V V+5V V+5V V+5V V+5V V+5V GND 7 4 70mVp-p • AC MODE - + - + 4 - + - + B.P.F X1 V+5V GND GND GND GND GND GND GND GND GND GND GND GND GND GND GND 1 2 3 AC-3 RF IN ALC IC7 (1/4,2/4) : TC74HC08AF IC3 (1/2) : MC14577CF Q1 2SC2412K Q5 2SC2412K Q4 2SC2412K Q2 2SC2412K Q3 2SA1037K Q6 2SA1037K IC3 (2/2) : MC14577CF IC4 (1/2) : BA4560F IC4 (2/2) : BA4560F CN1 JA3 COAXIAL IN JA2 OPTICAL IN D203-D206 POWER TRANSFORMER S1 FU1 VTT1153 LM2940CT-5.0 IC200 IC201 NJM79L05 V+5V V-5V VCXO 18.432MHz 6 4 5 1 2 3 1 2 IC5 (1/6,2/6) : TC74HCU04AF 1 2 3 4 14 2 3 1 8 6 5 7 2 3 1 8 6 5 7 1 2 1 2 AC220 - 230V A DEM ASSY C SW ASSY CN2 CN3 CN4 : RF Signal Route 3. BLOCK DIAGRAM and SCHEMATIC DIAGRAM 3.1 BLOCK DIAGRAM www. xiaoyu163. com QQ 376315150 9 9 2 8 9 4 2 9 8 TEL 13942296513 9 9 2 8 9 4 2 9 8 0 5 1 5 1 3 6 7 3 Q Q TEL 13942296513 QQ 376315150 892498299 TEL 13942296513 QQ 376315150 892498299 http://www.xiaoyu163.com RFD-1 7 A B C D 5 6 7 8 5 6 7 8 OPTICAL COAXIAL GND GND V+5V + V+5V GND 7 V+5V GND 7 GND IC2 : HM62256BLFP-8T IC9 : TC74HC123AF IC7(3/4) : TC74HC08AF IC8 (2/2) : TC74HC32AF SRAM 32K × 8 IC1 : PM4007A JA5 COAXIAL OUT JA4 OPTICAL OUT S2 CPIN CMIN DOUT PDO MUTE VI VO RESET OSC ON OEB WEB MUTO DAOUT C9M + – Demodulation SYNC Detection Protection 46.08MHz Oscillator Phase Comparator 1/2048 Divider 1/2 46.08MHz 9.216MHz SW S/P 9kHz Timing Generator Error Correction Address Generator DAI Controller Serial Data AC-3 Synchronism D4 Q A1 DOUTB Q 82 86 83 88 89 63 55 56 79 3 4 A0 - A14 D1 - D7 42 36 66 1 2 1 3 4 2 1 3 4 13 10 IC7 (4/4) : TC74HC08AF 11 12 13 IC8 (1/2) : TC74HC32AF 3 2 1 9 8 4 6 5 4 70 90 IC6(1/6 -6/6) : TC74HCU04AF 3 4 1 2 13 12 1 10 5 6 9 8 CN11 CN6 14 14 B LED ASSY V+5V 1 2 3 www. xiaoyu163. com QQ 376315150 9 9 2 8 9 4 2 9 8 TEL 13942296513 9 9 2 8 9 4 2 9 8 0 5 1 5 1 3 6 7 3 Q Q TEL 13942296513 QQ 376315150 892498299 TEL 13942296513 QQ 376315150 892498299 http://www.xiaoyu163.com RFD-1 8 A B C D 1 2 3 4 1 2 3 4 AC POWER CORD : AC220 - 230V, 50/60Hz ADG1127 70mVp-p • AC MODE 2.5V p-p BA4560F BA4560F HM62256BLFP-8T A 3.2 DEM, LED and SW ASSYS www. xiaoyu163. com QQ 376315150 9 9 2 8 9 4 2 9 8 TEL 13942296513 9 9 2 8 9 4 2 9 8 0 5 1 5 1 3 6 7 3 Q Q TEL 13942296513 QQ 376315150 892498299 TEL 13942296513 QQ 376315150 892498299 http://www.xiaoyu163.com RFD-1 9 A B C D 5 6 7 8 5 6 7 8 B C A Note : When ordering service parts, be sure to refer to "EXPLODED VIEWS and PARTS LIST" or "PCB PARTS LIST". A DEM ASSY (VWV1601) C SW ASSY (VWR1303) B LED ASSY (VWY1048) POWER TRANS- FORMER VTT1153 C208 220/10 AKP7037 FU1 T250mA 250V (AEK1048) 5Vp-p 160nS 200mV p-p : RF Signal Route • SWITCHES SW ASSY S1 : POWER ON – OFF LEDB ASSY S2 :DIGITAL IN OPTICAL – COAXIAL • NOTE FOR FUSE REPLACEMENT FOR CONTINUED PROTECTION AGAINST RISK OF FIRE. REPLACE WITH SAME TYPE AND RATINGS ONLY. CAUTION - CAPACITOR COVER (VEC-063) www. xiaoyu163. com QQ 376315150 9 9 2 8 9 4 2 9 8 TEL 13942296513 9 9 2 8 9 4 2 9 8 0 5 1 5 1 3 6 7 3 Q Q TEL 13942296513 QQ 376315150 892498299 TEL 13942296513 QQ 376315150 892498299 http://www.xiaoyu163.com RFD-1 10 A B C D 1 2 3 4 1 2 3 4 A SIDE A 4.1 DEM ASSY 4. PCB CONNECTION DIAGRAM DEM ASSY A CN3 C CN11 B POWER TRANSFORMER HOUSING ASSY(AKP7037) (VNP1649-C) Q5 Q4 Q1 IC5 IC7 IC6 Q2 IC3 Q6 Q3 IC8 IC4 IC2 IC1 IC9 IC201 IC200 NOTE FOR PCB DIAGRAMS: 1. Part numbers in PCB diagrams match those in the schematic diagrams. 2. A comparison between the main parts of PCB and schematic diagrams is shown below. 3. The parts mounted on this PCB include all necessary parts for several destination. For further information for respective destinations, be sure to check with the schematic diagram. 4. Viewpoint of PCB diagrams Symbol in PCB Diagrams Symbol in Schematic Diagrams Part Name Transistor Transistor with resistor Field effect transistor Resistor array 3-terminal regulator B C E B C E B C E D G S B C E B C E B C E D G S D G S Capacitor Connector P.C.Board Chip Part SIDE A SIDE B www. xiaoyu163. com QQ 376315150 9 9 2 8 9 4 2 9 8 TEL 13942296513 9 9 2 8 9 4 2 9 8 0 5 1 5 1 3 6 7 3 Q Q TEL 13942296513 QQ 376315150 892498299 TEL 13942296513 QQ 376315150 892498299 http://www.xiaoyu163.com RFD-1 11 A B C D 1 2 3 4 1 2 3 4 DEM ASSY A (VNP1649-C) SIDE B A www. xiaoyu163. com QQ 376315150 9 9 2 8 9 4 2 9 8 TEL 13942296513 9 9 2 8 9 4 2 9 8 0 5 1 5 1 3 6 7 3 Q Q TEL 13942296513 QQ 376315150 892498299 TEL 13942296513 QQ 376315150 892498299 http://www.xiaoyu163.com RFD-1 12 A B C D 1 2 3 4 1 2 3 4 4.2 SW ASSY and LED ASSY SIDE B SIDE A B C LED ASSY B SW ASSY C CN6 A CN4 A (VNP1649-C) AC INLET LIVE NEUTRAL LED ASSY B SW ASSY C (VNP1649-C) www. xiaoyu163. com QQ 376315150 9 9 2 8 9 4 2 9 8 TEL 13942296513 9 9 2 8 9 4 2 9 8 0 5 1 5 1 3 6 7 3 Q Q TEL 13942296513 QQ 376315150 892498299 TEL 13942296513 QQ 376315150 892498299 http://www.xiaoyu163.com 13 RFD-1 Mark No. Description Part No. Mark No. Description Part No. Mark No. Description Part No. Mark No. Description Part No. 5. PCB PARTS LIST NOTES: •Parts marked by "NSP" are generally unavailable because they are not in our Master Spare Parts List. •The mark found on some component parts indicates the importance of the safety factor of the part. Therefore, when replacing, be sure to use parts of identical designation. •When ordering resistors, first convert resistance values into code form as shown in the following examples. Ex.1 When there are 2 effective digits (any digit apart from 0), such as 560 ohm and 47k ohm (tolerance is shown by J=5%, and K=10%). 560 Ω → 56 × 10 1 → 561 ........................................................ RD1/4PU 5 6 1 J 47k Ω → 47 × 10 3 → 473 ........................................................ RD1/4PU 4 7 3 J 0.5 Ω → R50 ..................................................................................... RN2H R 5 0 K 1 Ω → 1R0 ..................................................................................... RS1P 1 R 0 K Ex.2 When there are 3 effective digits (such as in high precision metal film resistors). 5.62k Ω → 562 × 10 1 → 5621 ...................................................... RN1/4PC 5 6 2 1 F LIST OF ASSEMBLIES NSP AC3B ASSY VWM1830 SW ASSY VWR1303 DEM ASSY VWV1601 NSP LED ASSY VWY1048 DEM ASSY SEMICONDUCTORS IC4 BA4560F IC2 HM62256BLFP-8T IC200 LM2940CT-5.0 IC3 MC14577CF IC201 NJM79L05A IC1 PM4007A IC7 TC74HC08AF IC9 TC74HC123AF IC8 TC74HC32AF IC5,IC6 TC74HCU04AF Q3,Q6 2SA1037K Q1,Q2,Q4,Q5 2SC2412K D203-D206 1SR139-400 D7 1SS355 D6 KV1851 COILS AND FILTERS F1 BPF ATF7001 F100-F116 CHIP BEAD DTF1070 L1 LAU680J L2 PULSE TRANS. PTL1003 F2-F4 EMI FILTER VTH1012 L4 LINE FILTER VTL-004 CAPACITORS C200,C212 (0.01µF/AC250V) ACG7020 C107,C25 CCSQCH101J50 C17 CCSQCH180J50 C3 CCSQCH750J50 C108,C109,C19 CCSQSL102J50 C12 CEANP470M10 C22 CEAT100M50 C205 CEAT102M25 C209,C42-C44 CEAT221M6R3 C112 CEAT330M16 C101,C110,C113,C116,C117 CEAT470M10 C120,C14,C23,C48,C50 CEAT470M10 C54,C56,C64,C74,C75 CEAT470M10 C204 CEHAQ102M25 C208 CEHAQ221M10 C103,C13,C15,C24,C26 CKSQYF103Z50 C5 CKSQYF103Z50 C10,C100,C11,C111 CKSQYF104Z25 C114,C115,C118,C121,C18 CKSQYF104Z25 C20,C210,C211,C4 CKSQYF104Z25 C45-C47,C49,C51-C53 CKSQYF104Z25 C55,C57,C63,C70-C73 CKSQYF104Z25 C76-C80 CKSQYF104Z25 C6,C7 CKSQYF105Z16 C1 CKSQYF223Z50 RESISTORS R300-R303 RA4C101J Other Resistors RS1/10S J OTHERS X1 CRYSTAL OSCILLATOR ASS7009 (18.432MHz) CN1 PIN JACK(1P) AKB7035 H1,H2 FUSE CLIP AKR1003 CN7 2P CONNECTOR B2P3-VH CN4 2P CONNECTOR B2P3-VH-BK CN6 KR CONNECTOR B4B-PH-K-S CN9 4P TOP POST B4P-VH CN10 7P CONNECTOR B7P-VH JA2 OPTICAL RECEPTION MODULE GP1F32R JA4 OPTICAL LINK OUT GP1F32T JA3,JA5 1P PIN JACK VKB1097 CN8 3P TOP POST VKN1461 KN1,KN2 EARTH METAL FITTING VNF1084 LED ASSY SEMICONDUCTORS D4 MBG5074X SWITCH S2 DSH1036 RESISTORS All Resistors RS1/10S J OTHERS CN11 KR CONNECTOR S4B-PH-K-S SW ASSY SWITCH S1 ASG7007 CAPACITOR C213 (0.01µF/AC250V) ACG7020 OTHERS CN3 2P CONNECTOR B2P3S-VH-BK CN2 2P CONNECTOR B2P3S-VH-E CAPACITOR COVER VEC-063 A B C www. xiaoyu163. com QQ 376315150 9 9 2 8 9 4 2 9 8 TEL 13942296513 9 9 2 8 9 4 2 9 8 0 5 1 5 1 3 6 7 3 Q Q TEL 13942296513 QQ 376315150 892498299 TEL 13942296513 QQ 376315150 892498299 http://www.xiaoyu163.com 14 RFD-1 7. PANEL FACILITIES AND SPECIFICATIONS POWER switch Provides electrical power to the unit. DIGITAL IN switch Use to select which of the DIGITAL IN terminals to use (either COAXIAL or OPTICAL). DEMODULATE indicator When lighted, indicates that the input signal supplied to the Dolby Digital (AC-3) RF IN terminal is being demodulated. PANEL FACILITIES Accessories Power cord General Power requirements .................................. AC 220-230 V, 50/60 Hz Power conpsumption ................................................................. 6 W Weight .................................................................................... 1.1 kg Dimentions ..................................... 202 (W) × 194 (D) × 50 (H) mm Accessories ¶ Operating instructions................................................................. 1 ¶ Power cord ................................................................................. 1 NOTE: Specifications and design are subject to possible modification without notice. SPECIFICATIONS (ADG1127) 1 2 3 1 2 3 "Dolby", "Digital (AC-3)" and the double-D symbol are trademarks of Dolby Laboratories Licensing Corporation. 6. ADJUSTMENT There is no information to be shown in this chapter. www. xiaoyu163. com QQ 376315150 9 9 2 8 9 4 2 9 8 TEL 13942296513 9 9 2 8 9 4 2 9 8 0 5 1 5 1 3 6 7 3 Q Q TEL 13942296513 QQ 376315150 892498299 TEL 13942296513 QQ 376315150 892498299 http://www.xiaoyu163.com

标签:

版权声明

1. 本站所有素材,仅限学习交流,仅展示部分内容,如需查看完整内容,请下载原文件。
2. 会员在本站下载的所有素材,只拥有使用权,著作权归原作者所有。
3. 所有素材,未经合法授权,请勿用于商业用途,会员不得以任何形式发布、传播、复制、转售该素材,否则一律封号处理。
4. 如果素材损害你的权益请联系客服QQ:77594475 处理。