东芝SD-P5000 DVD机电路原理图

分类:电子电工 日期: 点击:0
东芝SD-P5000 DVD机电路原理图-0 东芝SD-P5000 DVD机电路原理图-1 东芝SD-P5000 DVD机电路原理图-2 东芝SD-P5000 DVD机电路原理图-3 东芝SD-P5000 DVD机电路原理图-4 东芝SD-P5000 DVD机电路原理图-5 东芝SD-P5000 DVD机电路原理图-6 东芝SD-P5000 DVD机电路原理图-7 东芝SD-P5000 DVD机电路原理图-8 东芝SD-P5000 DVD机电路原理图-9

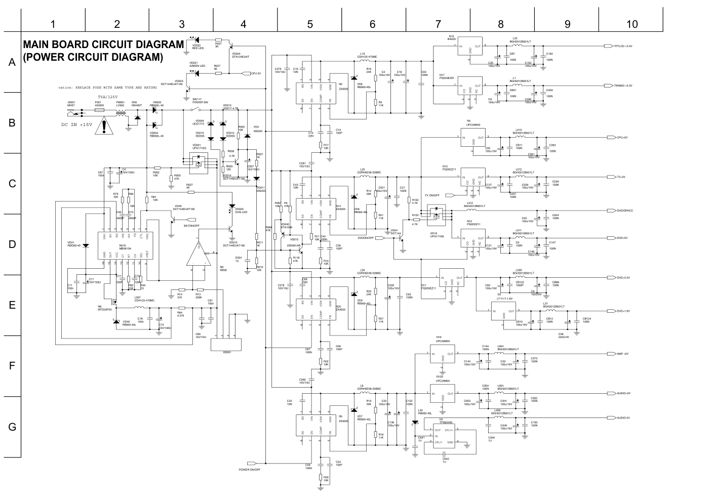
XS307 XS05 XS4 XS311 XS3 XS1 XS2 XS005 XS300 U301 XS12 XS9 XS8 XS5 XS009 XS10 JX1 XS003 XS001 XS6 U1 CN7 CN6 CN1 CN9 CN8 CN2 CN3 XS2 XS305 R137 XS307 XS306 XS008 XS1 XS7 1 2 3 4 5 6 7 8 9 10 11 12 13 14 15 16 17 18 19 20 21 22 23 24 NC LD/VCC V20 GND F E CD/DVD SW RF C D B A VRCD VRDVD DVDMD CDLD GND DVDLD NC VCC FCS- TRK+ TRK- FCS+ 1 2 3 4 5 6 7 8 9 10 11 12 13 14 15 16 17 18 19 20 21 22 23 24 1 2 3 4 5 6 1 2 3 4 5 6 SP+ SP++ SL+ SL- GND LIMIT MECHANISM 1 2 3 4 5 6 7 8 9 10 CR GND CB GND CG GND GND LL GND A 1 2 3 4 5 6 7 8 9 10 1 2 1 2 HV DC0 OUTPUT1 1 2 3 4 5 6 7 8 KEYOUT3 KEYOUT2 KEYOUT1 KEYOUT0 KEYIN3 KEYIN2 KEYIN1 KEYIN0 1 2 3 4 5 6 7 8 KEY CONTROL1 1 2 1 2 LOUT- LOUT£« 1 2 1 2 ROUT- ROUT£« 1 2 3 4 5 6 7 8 9 10 11 12 13 14 15 16 17 18 19 20 DC DC DC DC GND GND GND GND GND POCON GND KEYOUT2 KEYIN3 KEYIN2 KEYIN1 GND L GND R GND 1 2 3 4 5 6 7 8 9 10 11 12 13 14 15 16 17 18 19 20 1 2 3 4 1 2 3 4 KEYOUT2 KEYIN3 KEYIN2 KEYIN1 OUTPUT2 1 2 3 4 BATOUT BATGND 1 2 3 4 BATTERY 1 2 3 4 5 6 7 BA+ BA+ 400 BTC GND GND GND 1 2 3 4 5 6 7 1 2 3 4 1 2 3 4 DCIN DCIN GND GND 1 2 3 4 5 6 1 2 3 4 5 6 RMC5V RMC GND P BATLED CPU5V 1 2 3 4 5 6 7 8 9 10 11 12 13 14 15 16 17 18 19 20 21 22 23 24 25 26 27 28 29 30 31 32 33 34 35 36 37 38 39 40 41 42 B05 GND HD VD DENA CLK GND RE1 RE2 RE4 GND GE0 GND GE3 GE5 GND BE1 BE2 BE4 GND B04 GND GND GND GND GND GND RE0 GND RE3 RE5 GND GE1 GE2 GE4 GND BE0 GND BE3 BE5 GND GND 1 2 3 4 5 6 7 8 9 10 11 12 13 14 15 16 17 18 19 20 21 22 23 24 25 26 27 28 29 30 31 32 33 34 35 36 37 38 39 40 41 42 1 2 3 4 5 6 7 8 9 10 11 12 13 14 15 16 17 18 19 20 21 22 23 24 25 26 27 28 29 30 31 32 33 34 35 36 37 38 39 40 41 42 HV9V TFTON/OFF GND GND RMC BATLED PANEL3.3V GND R00 GND R03 R05 GND G01 G02 G04 GND B00 GND B03 HV9V HV9V PWM GND CPU5V POWER ON PANEL3.3V GND GND R01 R02 R04 GND G00 GND G03 G05 GND B01 B02 GND GND 1 2 3 4 5 6 7 8 9 10 11 12 13 14 15 16 17 18 19 20 21 22 23 24 25 26 27 28 29 30 31 32 33 34 35 36 37 38 39 40 41 42 SPEAK SPEAK KEY CONTROL2 BATTERY MH57 HV PCB RMC TFT LCD MAIN PCB RF AMP & SERVO & DVD PROCESSOR MPEG-2 DECODER & VIDEO ENCODER D3800 OVERALL BLOCK DIAGRAM AC Adapter DC IN +15V DC / DC MB3813 UPA1716 UPA1716 110~240V 50/60Hz BATTERY DV23 PU mechanism DRIVER (BA5954FP) 16M FlashROM MX29LV160ABTC-70 64M SDRAM NT56V6620COT-75S TC4W53 27MHz AUDIO D/A (PCM1742) TFT MONITOR AUDIO AMP (NJM4558) 74HCU04 27MHz Video IN AUDIO OUT SPEAKER LOUT SPEAKER ROUT L R L R D-terminal IN DC 15V OSCILLATOR OZ960 VIDEO DECODER TW9908 TW8803 CPU D1850 TV PCB Z86229 MSP3450 4558 TPA6011A4 ZA3020/TPS60400/PQ05DZ11 BA033/UPC29M05/PQ03EZ11 S8253B Audio IN PHONE OUT S-video IN ANT 4558 DVD5V +5V/-5V AMP5V TV5V DVD3.3V TFT3.3V L R Audio TV Video CPU5V 5V +5V/-5V +5V/-5V A B C D E G 2 F 1 3 4 5 6 7 8 9 10 I2C SDA I2C SCL FB R OUT G OUT B OUT TV R TV G TV B TV SCL TV SDA PB/CB 27MHZ IN HSY VSY D0 D1 D2 D3 D4 D5 D6 D7 VSY HSY D4 OUT D5 OUT D6 OUT D7 OUT D3 OUT D2 OUT D1 OUT D0 OUT OE TW9908 YBFOUT DE 27MHZ IN VCLK FB TW9908 YBFOUT TV VIDEO FB PY/CY PR/CR TV VIDEO OUT PVDD TFT 3.3V TFT 3.3V TFT 3.3V TWAVDD TWVDD AUDIO +5V AUDIO +5V AUDIO +5V AUDIO8V TV +5V AUDIO +5V AUDIO +5V TFT+ 3.3v TFT+ 3.3v AUDIO -5V AUDIO +5V AUDIO -5V AUDIO +5V VCC3.3V TFT 3.3V AUDIO5V C152 4.7UF C384 100nF VD307 STZ6.2N R935 51K C385 100nF C228 100nF R922 3.9K C341 10N C933 100P C89 330P R175 0 XS301 AUDIO IN 1 2 3 1 2 3 R328 100 R917 3.9K C225 100nF R374 75 C197 100nF C301 2.4P C927 100uF/16V R188 220 L303 BGH2012B601LT ANT1 ANTENNA C190 330P L304 BGH2012B601LT R329 100 L2 BGH2012B601LT C223 100nF C198 100nF U301 VT2V8UP5510 1 2 3 4 5 6 7 8 9 10 11 12 IF NC ADDRESS SDA SCL SIF OUT B AGC AFT OUT AUDIO OUT VIDEO OUT ANT RN308 33*4 C921 16V/10U C934 100nF C180 NC C188 330P R318 47K C213 100nF C305 470N R308 100 C329 56P C915 300P R938 10K R307 100 C912 300P R369 100 C391 6V/220U C931 100uF/16V C189 330P C910 10uF/16V R319 47K C302 3P C393 100nF R925 10K R933 10K L311 BGH2012B601LT C207 100nF C221 100nF C909 10uF/16V C303 3P R918 10K R919 100 C920 16V/10U R329 10K R327 1K R349 100 C380 100nF C208 100nF RN309 33*4 C187 NC C383 100nF L301 10uH R350 100 C204 100nF C177 330P L50 3.3UH C913 100nF R367 100K R74 470 C348 100nF R351 100 C205 100nF G301 18.432M D309 74HC244 1 2 3 4 5 6 7 8 9 10 11 12 13 14 15 16 17 18 19 20 OE 1A1 2Y4 1A2 2Y3 1A3 2Y2 1A4 2Y1 GND 2A1 1Y4 2A2 1Y3 2A3 1Y2 2A4 1Y1 2OE VCC C235 100nF C378 100nF C200 100nF D310 74HC244 1 2 3 4 5 6 7 8 9 10 11 12 13 14 15 16 17 18 19 20 OE 1A1 2Y4 1A2 2Y3 1A3 2Y2 1A4 2Y1 GND 2A1 1Y4 2A2 1Y3 2A3 1Y2 2A4 1Y1 2OE VCC L1 BGH2012B601LT C227 100nF D311 74HC244 1 2 3 4 5 6 7 8 9 10 11 12 13 14 15 16 17 18 19 20 OE 1A1 2Y4 1A2 2Y3 1A3 2Y2 1A4 2Y1 GND 2A1 1Y4 2A2 1Y3 2A3 1Y2 2A4 1Y1 2OE VCC R170 0 C343 10uF/16V C377 100nF C163 100nF D312 74HC244 1 2 3 4 5 6 7 8 9 10 11 12 13 14 15 16 17 18 19 20 OE 1A1 2Y4 1A2 2Y3 1A3 2Y2 1A4 2Y1 GND 2A1 1Y4 2A2 1Y3 2A3 1Y2 2A4 1Y1 2OE VCC L9 3.3UH L12 3.3UH R320 47K C226 100nF C216 100nF D313 74HC244 1 2 3 4 5 6 7 8 9 10 11 12 13 14 15 16 17 18 19 20 OE 1A1 2Y4 1A2 2Y3 1A3 2Y2 1A4 2Y1 GND 2A1 1Y4 2A2 1Y3 2A3 1Y2 2A4 1Y1 2OE VCC C185 330P R310 4.7K C376 100nF C199 220U/6V R937 10 C179 330P C224 100nF C217 100nF R141 10K C186 330P C342 10uF/16V RN310 33*4 C392 100nF C206 100nF R321 47K VD303 STZ6.2N D307 TW8803 1 2 3 4 5 6 7 8 9 10 11 12 13 14 15 16 17 18 19 20 21 22 23 24 25 26 27 28 29 30 31 32 33 34 35 36 37 38 39 40 41 42 43 44 45 46 47 48 49 50 51 52 53 54 55 56 57 58 59 60 61 62 63 64 65 66 67 68 69 70 71 72 73 74 75 76 77 78 79 80 81 82 83 84 85 86 87 88 89 90 91 92 93 94 95 96 97 98 99 100 101 102 103 104 105 106 107 108 109 110 111 112 113 114 115 116 117 118 119 120 121 122 123 124 125 126 127 128 129 130 131 132 133 134 135 136 137 138 139 140 141 142 143 144 145 146 147 148 149 150 151 152 153 154 155 156 157 158 159 160 YIN(1) YIN(0) AVDD YOUT AGND FB(1) FB(0) AGND RIN(1) RIN(0) GIN(1) GIN(0) AGND AVDD VQVD1 BIN(1) BIN(0) VREFP1 VREFN1 RSET DECHS AGND AVDD GND VDD PLLCKO PLLCKI DECVS TEST1 RESET# IRQ MC_SCLK MC_SDA MC_SIAD VDD XTAL27I XTAL27O GND OSDCLK OSDVSYN OSD1HACT OSD2HACT OSD3HACT OSD4HACT OSDPOD(2) OSDPOD(1) OSDPOD(0) OSDPOE OSDP1D(2) OSDP1D(1) OSDP1D(0) OSDP1E FPRO(7) FPRO(6) FPRO(5) FPRO(4) GND FPRO(3) FPRO(2) FPRO(1) FPRO(0) AVDD FPGO(7) FPGO(6) FPGO(5) FPGO(4) FPGO(3) FPGO(2) FPGO(1) FPGO(0) FPBO(7) FPBO(6) FPBO(5) FPBO(4) GND FPBO(3) FPBO(2) FPBO(1) FPBO(0) VDD FPR1(7) FPR1(6) FPR1(5) FPR1(4) FPR1(3) FPR1(2) FPR1(1) FPR1(0) GND FPG1(7) FPG1(6) FPG1(5) FPG1(4) FPG1(3) FPG1(2) FPG1(1) FPG1(0) VDD FPB1(7) FPB1(6) FPB1(5) FPB1(4) FPB1(3) FPB1(2) FPB1(1) FPB1(0) GND FPVS FPHS FPDE FPPWC FPBIAS FPCLK GPIO(1) GPIO(0) VDD DTVD(0) DTVD(1) DTVD(2) DTVD(3) GND DTVD(4) DTVD(5) DTVD(6) DTVD(7) DTVD(8) DTVD(9) DTVD(10) DTVD(11) VDD DTVD(12) DTVD(13) DTVD(14) DTVD(15) DTVD(16) DTVD(17) GND DTVD(18) DTVD(19) DTVD(20) DTVD(21) DTVD(22) DTVD(23) DTVCLK DTVVS VDD DTVHS DTVDE COAST CLAMP GND AGND VREFN VREFP AVDD CIN(1) CIN(0) VQVD YIN(3) YIN(2) L11 3.3UH C379 6V/220U C203 100nF C928 100uF/16V R73 0 C184 NC C334 330nF C331 56P L13 BGH2012B601LT R162 75 R352 47K C1 330P C917 100nF R936 10 C314 100nF C38 330P R144 75 C269 560P RN312 33*4 R926 10 C937 100nF C313 100U/16V C296 16V/10U C932 100uF/16V C325 220U/6V R948 1K R146 100 R245 75 C309 100nF C318 100nF C339 220U/6V C300 100uF/16V C955 470N VD320 DTC144 C326 10N C319 100uF/16V R315 5.6K R947 1K L49 3.3UH C340 1000P L18 BGH2012B601LT C320 100nF R2 3.3K VD904 DTC144 C317 6.8nF C327 1000P R313 100 C372 100N C316 68nF C338 1500PF R312 100 R309 6.8K L305 22UH R143 75 R317 5.6K C330 56P R155 1K R928 10K R939 100K R930 10K R316 5.6K L307 BGH2012B601LT R137 1K N306 AD5245 1 2 3 4 5 6 7 8 W VDD GND SCL SDA AD0 B A C194 100nF C336 470P L33 BGH2012B601LT R927 10K R931 10K R158 0 R311 10K C373 100N R125 NM N902 NJM4558 3 2 1 4 + - OUT GND R161 0 R302 100 C940 47U/4V C374 100N N902 NJM4558 5 6 7 8 + - OUT VCC C328 100P C195 100nF R920 5.1K LS1 SPEAKER R176 680 C332 20P C335 10uF/16V R301 100 XS2 S-VIDEO IN 1 2 4 3 5 GND GND C Y GND N903 NJM4558 5 6 7 8 + - OUT VCC LS2 SPEAKER XS303 VIDEO IN 1 2 R915 5.1K R944 10K C182 330P R326 1K C386 100nF N903 NJM4558 3 2 1 4 + - OUT GND C939 47U/4V C196 100nF R943 10K C347 10nF C387 100nF U7 15"PANEL 1 2 3 4 5 6 7 8 9 10 11 12 13 14 15 16 17 18 19 20 21 22 23 24 25 26 27 28 29 30 31 32 33 34 35 36 37 38 39 40 41 42 43 44 45 46 47 48 49 50 51 52 53 54 55 56 57 58 59 60 61 62 63 64 65 66 67 68 69 70 71 72 73 74 75 GND BE5 BE4 BE3 BE2 GND BE1 BE0 NC NC GND GE5 GE4 GE3 GE2 GND GE1 GE0 NC NC GND RE5 RE4 RE3 RE2 GND RE1 RE0 NC NC GND CLK GND DENA GND VD GND HD GND GND GND BO5 BO4 BO3 BO2 GND BO1 BO0 NC NC GND GO5 GO4 GO3 GO2 GND GO1 GO0 NC NC GND RO5 RO4 RO3 RO2 GND RO1 RO0 NC NC VCC VCC VCC NC NC N301 BA7071 1 2 3 4 5 6 7 8 VIN HD OUT VSS PD OUT HOSC VCC VP OUT SYNC OUT L306 BGH2012B601LT R942 10K L307 BGH2012B601LT C183 330P RN305 33*4 C388 100nF R346 75 C333 20P C346 1000PF C389 100nF C945 470N C191 330P C234 16V/10U C337 10uF/16V C181 NC R340 NC C390 100nF C86 470N C334 330N C220 100nF R305 100K C250 220U/6V C345 100nF R341 NC C946 470N C949 6V/220U C129 100nF C192 330P R171 75 R304 220K D315 74HC244 1 2 3 4 5 6 7 8 9 10 11 12 13 14 15 16 17 18 19 20 OE 1A1 2Y4 1A2 2Y3 1A3 2Y2 1A4 2Y1 GND 2A1 1Y4 2A2 1Y3 2A3 1Y2 2A4 1Y1 2OE VCC C950 6V/220U C344 6V/220U L302 601 R339 NC C947 1U D316 74HC244 1 2 3 4 5 6 7 8 9 10 11 12 13 14 15 16 17 18 19 20 OE 1A1 2Y4 1A2 2Y3 1A3 2Y2 1A4 2Y1 GND 2A1 1Y4 2A2 1Y3 2A3 1Y2 2A4 1Y1 2OE VCC C218 100nF C171 16V/10U R303 18K RN306 33*4 C948 1U C312 2200P N302 Z86229 1 2 3 4 5 6 7 8 9 10 11 12 13 14 15 16 17 18 I2C SEL GREEN BLUE SEN HIN SMS VIDEO CSYNC LPF RREF VSSA VDD VS IN SDA SCK SDO BOX RED C160 100nF L10 3.3UH C944 1U C345 100nF C172 16V/10U C311 470nF C232 16V/10U R142 0 C307 6V/220U C943 1U C345 100nF C45 470nF R934 100K R187 10K C164 100P R921 100K C344 100uF/6.3V D314 TW9908 1 2 3 4 5 6 7 8 9 10 11 12 13 14 15 16 17 18 19 20 21 22 23 24 25 26 27 28 29 30 31 32 33 34 35 36 37 38 39 40 41 42 43 44 45 46 47 48 49 50 51 52 53 54 55 56 57 58 59 60 61 62 63 64 65 66 67 68 69 70 71 72 73 74 75 76 77 78 79 80 81 82 83 84 85 86 87 88 89 90 91 92 93 94 95 96 97 98 99 100 VDD VD[15] VD[14] VD[13] VD[12] VD[11] VD[10] VD[9] VD[8] VDDE VSSE XTI XTO SIAD0 RST# TEST1 TEST2 SDAT SCLK VDD VSS VD[7] VD[6] VD[5] VD[4] VD[3] VD[2] VD[1] VD[0] VDDE VSSE TDO TISVN TCK TRST# TMS TDI VDD VSS VCOM CIN1 CIN0 YBFOUT VREFP VREFN MUX1 MUX0 MUXOUT YIN MUX2 MUX3 MUX4 MUX5 FB0 FB1 AVD AVS AVS AVD AVS AVD RIN1 RIN0 GIN0 GIN1 VREFN1 VREFP1 BIN0 BIN1 VCOM1 HS AVS RSET AVD SIAD1 VDD VSS FIELD VSYNC TMODE VSS HSYNC HACTIVE DVALID MPOUT VACTIVE CCVALID VDDE CBFLAG VSSE PDN VDD VSS VCLK VSSE VDDE CLKX1 OE# CLKX2 VSS L309 BGH2012B601LT C214 100nF R376 75 R168 10 R916 100K L51 3.3UH C382 100nF C229 100nF J1 PHONEJACK STEREO SW C215 100nF C914 2700P C230 100nF VD306 STZ6.2N R945 100K R348 680 33*4 RN307 C911 2700P R192 10K C381 100nF XS305 QB11071-B1 1 2 3 4 5 6 7 8 9 10 11 12 13 14 C231 100nF N904 TPA6011A4 1 2 3 4 5 6 7 8 9 10 11 12 13 14 15 16 17 18 19 20 21 22 23 24 PGND ROUT- PVDD RHPIN RLINEIN RIN VDD LIN LLINEIN LHPIN PVDD LOUT- PGND LOUT+ SHUTDOWN FADE BYPASS AGND SEMAX SEDIFF VOLUME HP/LINE SE/BTL ROUT+ R946 100K R940 51K N303 MSP3450G 1 2 3 4 5 6 7 8 9 10 11 12 13 14 15 16 17 18 19 20 21 22 23 24 25 26 27 28 29 30 31 32 33 34 35 36 37 38 39 40 41 42 43 44 45 46 47 48 49 50 51 52 53 54 55 56 57 58 59 60 61 62 63 64 65 66 67 68 69 70 71 72 73 74 75 76 77 78 79 80 NC I2C_SCL I2C_SDA I2S_CL I2S_WS I2S_DA_OUT I2S_DA_IN1 ARD_DA ARD_WS ARD_CL DVSUP DVSUP DVSUP DVSS DVSS DVSS I2S_DA_IN2 NC NC NC RESETQ NC NC DACA_R DACA_L VREF2 DACM_R DRCM_L NC DACM_SUB NC NC SC1_OUT_R SC1_OUT_L VREF1 SC1_OUT_R SC1_OUT_L CAPL_A AHVSUP CAPL_M NC NC AHVSS AHVSS AGNDC NC SC4_IN_L SC4_IN_R ASG SC3_IN_L SC3_IN_R ASG SC2_IN_L SC2_IN_R ASG SC1_IN_L SC1_IN_R VREFTOP NC MONO_IN AVSS AVSS NC NC AVSUP AVSUP ANA_IN1+ ANA_IN- ANA_IN2+ TESTEN XTAL_IN XTAL_OUT TP AUD_CL_OUT NC NC D_CTR_I/O_1 D_CTR_I/O_0 ADR_SEL STANDYQ C938 100P DVD AUDIO IN R DVD AUDIO IN L CPU I2C SCL CPU I2C SDA TW8801 RESET MSP3450G RESET 27MHZ IN DVD DIGETER IN HV CON MUTE MAIN BOARD CIRCUIT DIAGRAM (AV CIRCUIT DIAGRAM) A B C D E G 2 F 1 3 4 5 6 7 8 9 10 MAIN BOARD CIRCUIT DIAGRAM (CPU & BATTERY CIRCUIT DIAGRAM) C003 100n N01 S8253B 1 2 3 4 5 6 7 8 DOP COP VMP CTL VSS VC2 VC1 VDD R108 5.1K BT3 N3 UPA1716G BT2 BT1 N6 UPA1716G t SRF96E R105 0 C002 100n MF-VS21O-0 PTC R106 5.1K R104 1K R107 1M R103 1K C001 1U XS601 1 2 3 4 IP405B217S R109 0 t RT1 THERMISTOR OE BATt BAT ON LOW BAT BAT/POWER L DVD H VIDEO IN OFF ON POWER BAT LOW BAT NORMAL NORMAL BATt TFT SW CPU5V CB17 20P C139 20P R145 10 R159 4.7K C101 100N R140 4.7K C105 100U/6V C102 100U/6V R121 10K C700 100N SW102 STOP SW103 STOP SW104 SW PUSHBUTTON L101 BGH2012B601LT SW105 SW PUSHBUTTON R381 47K SW1 ESE11SV1 R154 10K SW106 SW PUSHBUTTON C104 100N R128 10K SW107 SW PUSHBUTTON R139 10K SW108 SW PUSHBUTTON SW109 SW PUSHBUTTON SW101 PLAY/PAUSE SW110 SW PUSHBUTTON SW111 SW PUSHBUTTON C132 10UF R133 10K SW112 SW PUSHBUTTON D006 D1850 1 2 3 4 5 6 7 8 9 10 11 12 13 14 15 16 17 18 19 20 21 22 23 24 25 26 27 28 29 30 31 32 33 34 35 36 37 38 39 40 41 42 43 44 NC SDA SCL TV MUTE STANDBYQ RESET_DVD RESET_MSP3450G RESET_TW8801 POWER_DVD RESET RXD NC TXD REMOTE IN NC TV ON/OFF TFT ON/OFF POWER ON/OFF 1517_MUTE XTAL XTAL VSS P4.0 P2.0 P2.1 P2.2 P2.3 P2.4 P2.5 P2.6 P2.7 PSEN ALE P4.1 EAVP KEYOUT3 KEYOUT2 KEYOUT1 KEYOUT0 KEYIN3 KEYIN2 KEYIN1 KEYIN0 VCC VD2 ISS355 D102 24C04 1 2 3 4 5 6 7 8 A0 A1 A2 A3 SDA SCL VDD SW113 SW PUSHBUTTON SW114 SW PUSHBUTTON N406 HS0038B 1 2 3 VCC GND RMC SW115 SW PUSHBUTTON SW116 SW PUSHBUTTON G3 11.0592MHZ R160 100K TFT ON/OFF RESET DVD POWER DVD TV MUTE RESET MSP3450G TV ON/OFF POWER ON/OFF RESET TW8801/TW9908 AMP MUTE RXD TXD BAT/POWER LOW BAT BAT t OE BAT ON CPU +5V CPU +5V STANDBY A B C D E G 2 F 1 3 4 5 6 7 8 9 10 MAIN BOARD CIRCUIT DIAGRAM (DECODER CIRCUIT DIAGRAM) DIP + SMD Y2 Crystal : VSDA SCL SDA RXD TXD VSCK VSTB ASTB PWDN# URST# SPDIF OUT LDO1 LDO2 V20 AVDD3 SP+ CLOSESW FMSO V1P4 SL+ SL- V1P4 FMSO V1P4 TRO SL+ STBY TRO FOSO SL- STBY SP++ LIMIT GND DVD 5V LDO_AVCC DRVCC 5V DVD5V DVD5V VCCI -5v VCCI VCC 5V DRVCC 5V DV33 DVD1V8 DV33 TFT3.3V DV33 DV33 DV33 DV33 DVD1V8 DVD1V8 DV33 DV33 DV33 DV33 C102 33N R51 0 CB135 100N R567 0 L34 601 C58 0.1uF C457 15N C441 100N C211 0.1uF CB77 100N L02 601 C61 5.1P C103 100N + C119 10uF/16v C441 16V/10U VD509 2SD601AR R151 10K C73 TZC03P-200A N501B 4558 5 6 7 8 VD510 2SD601AR R28 1R0 N501A 4558 3 2 1 4 R150 20K CB30 100N CB139 100N C57 1500P + C116 16V/10U R519 5.1K R54 33 CB67 100N C117 100P R444 10K CB78 100N R52 33 CB99 0.1uF + C118 10uF/16v R93 750K R23 10 L21 601 R530 100 C54 150p R1 10K R514 3.9K R29 680K C518 300P CB3 2200P CB113 0.1uF CB120 0.1uF D003 BA5954FP 1 9 10 12 3 2 15 7 14 13 21 19 20 24 27 6 4 5 28 8 11 17 18 16 23 22 25 26 29 30 VINFC PVCC1 PGND VOSL+ CF2 CF1 VOTK+ VNFFC VOFC+ VOFC- PVCC2 PGND VNFTK CTK2 BIAS VOSL VINSL+ VINSL- STBY VCC VOSL- VOLD+ VOLD- VOTK- VINLD PREGND CTK1 VINTK G1 G2 R520 10K R98 4R7 R40 18K R526 1K R521 3.9K CB128 0.1uF VD14 ISS355 R99 4R7 R50 0R5 CB123 0.1uF L30 601 L20 601 CB133 100N CB6 100N + C12 100U/16V D004 64MSDRAM SMD TSOP(II)-54 D400x875mil 1 2 4 12 5 7 9 8 10 46 11 13 15 16 17 18 19 35 22 23 24 25 26 14 41 29 30 31 32 33 34 36 37 38 39 40 43 42 44 52 45 47 49 48 50 51 53 54 20 21 3 6 27 28 VCC DQ0 DQ1 VSSQ DQ2 DQ3 VCCQ DQ4 DQ5 VSSQ DQ6 DQ7 DQML WE CAS RAS CS A11 A10/AP A0 A1 A2 A3 VCC VSS A4 A5 A6 A7 A8 A9 NC CKE CLK DQMH NC VCCQ DQ8 DQ9 VSSQ DQ10 DQ11 VCCQ DQ12 DQ13 DQ14 DQ15 VSS BA0/A13 BA1/A12 VCCQ VSSQ VCC VSS JP1 HEADER 6 6 5 4 3 2 1 R429 100K + C91 10uF/16V R518 100 R527 1K R30 33 CB124 0.1uF C109 47N CB69 100N R556 1K C51 330P + C504 100uF/16V R57 1M C110 47N G2 27MHz 1 2 R53 33 R86 0 L41 601 + C416 10U/16V R43 0R5 C523 100n R517 10K L16 601 R38 15K D001 24C02 1 2 3 4 5 6 7 8 A0 A1 A2 A3 SDA SCL NC VDD L15 601 CB97 0.1uF CB2 2200P CB138 100N L22 601 R513 5.1K CB111 100N R24 1K RN5 22*4 C125 10U/16V CB94 100N R36 10K L4 601 CB76 100N VD13 ISS355 R47 20k R516 100K C554 4V/47U C47 1u R522 100K L4 L R69 150K R529 100 CB40 100N + C65 16V/10U C99 1000P + C41 10uF/16V C108 1U C44 1u CB5 0.1uF R15 150K + C487 10uF/16V C53 150p C516 2700P CB137 100N C46 1u CB116 0.1uF R557 1K C100 100N CB4 100N VD520 2SD601AR C111 470N R70 1u CB119 0.1uF C517 2700P + C59 10uF/16V C104 100N C101 100N D8A 74HC04 1 2 14 7 C97 4700P CB112 0.1uF D7 TC4W53 8 7 6 4 4 3 2 1 C106 1U VD11 KTA1298 1 3 2 C509 4V/47U C63 1000P TOP XS401 HEADER 24 SMD0.5 TOP 1 2 3 4 5 6 7 8 9 10 11 12 13 14 15 16 17 18 19 20 21 22 23 24 C237 0 CB90 0.1uF R515 10K C105 100N CB121 100N U1 MX29LV16T-7 SMD TSOP-40(10x20mm) 21 20 19 18 17 16 15 14 8 37 24 13 25 26 27 28 7 22 32 33 34 35 11 30 23 9 39 36 5 6 4 3 2 1 40 29 10 12 38 31 A0 A1 A2 A3 A4 A5 A6 A7 A8 A19 OE A18 D0 D1 D2 D3 A9 CE D4 D5 D6 D7 NC VCC VSS WE VSS A10 A12 A11 A13 A14 A15 A16 A17 NC RESET RY/BY A20 VCC R558 10K L23 601 R523 10K R66 100K CB100 100N R68 680K R39 20k C239 0 VD525 ISS355 R559 4.7K D2 D3800 1 2 3 4 5 6 7 8 9 10 11 12 13 14 15 16 17 18 19 20 21 22 23 24 25 26 27 28 29 30 31 32 33 34 35 36 37 38 39 40 41 42 43 44 45 46 47 48 49 50 51 52 53 54 55 56 57 58 59 60 61 62 63 64 65 66 67 68 69 70 71 72 73 74 75 76 77 78 79 80 81 82 83 84 85 86 87 88 89 90 91 92 93 94 95 96 97 98 99 100 101 102 103 104 105 106 107 108 109 110 111 112 113 114 115 116 117 118 119 120 121 122 123 124 125 126 127 128 129 130 131 132 133 134 135 136 137 138 139 140 141 142 143 144 145 146 147 148 149 150 151 152 153 154 155 156 157 158 159 160 161 162 163 164 165 166 167 168 169 170 171 172 173 174 175 176 177 178 179 180 181 182 183 184 185 186 187 188 189 190 191 192 193 194 195 196 197 198 199 200 201 202 203 204 205 206 207 208 209 210 211 212 213 214 215 216 217 218 219 220 221 222 223 224 225 226 227 228 229 230 231 232 233 234 235 236 237 238 239 240 241 242 243 244 245 246 247 248 249 250 251 252 253 254 255 256 AGND DVDA DVDB DVDC DVDD DVDRFIP DVDRFIN MA MB MC MD SA SB SC SD CDFON CDFOP TNI TPI MDI1 MDI2 LDO2 LDO1 SVDD3 CSO/RFOP RFLVL/RFON SGND V2REFO V20 VREFO FEO TEO TEZISLV OP_OUT OP_INN OP_INP DMO FMO TROPENPWM PWMOUT1/V_ADIN9 TRO FOO USB_VSS USBP USBM USB_VDD3 FG/V_ADIN8 TDI/V_ADIN4 TMS/V_ADIN5 TCK/V_ADIN6 TDO/V_ADIN7 DVDD18 IOA2 IOA3 IOA4 IOA5 IOA6 IOA7 HIGHA0 IOA18 IOA19 DVSS APLLCAP APLLVSS APLLVDD3 IOWR A16 HIGHA7 HIGHA6 HIGHA5 HIGHA4 HIGHA3 DVDD3 HIGHA2 HIGHA1 IOA20 IOCS IOA1 IOOE DVDD3 AD0 AD1 AD2 AD3 DVSS AD4 AD5 AD6 IOA21/V_ADIN0 ALE AD7 A17 IOA0 DVSS UWR URD DVDD18 UP1_2 UP1_3 UP1_4 UP1_5 UP1_6 UP1_7 UP3_0 UP3_1 UP3_4 UP3_5 DVDD3 ICE PRST IR INT0 DQM0 DQS0 RD7 DVSS RD6 RD5 DVSS RD4 RD3 DVDD18 RD2 RD1 RD0 RD15 DVDD3 RD14 RD13 RD12 RD11 RD10 RD9 DVSS RD8 DQS1 DQM1 RWE CAS RAS DVDD3 RCS BA0 DVSS BA1 BA10 RA0 DVSS RA1 RA2 RA3 DVDD18 RVREF/V_ADIN3 RCLKB DVDD3 RCLK CKE RA11 RA9 RA8 DVSS RA7 DVSS RA6 RA5 RA4 DVDD3 RD31/ASDATA5 RD30 RD29 RD28 RD27 DVDD18 RD26 DVSS RD25 RD24 DQM3 DQM2 RD23 RD22 DVDD3 RD21 RD20 RD19 RD18 RD17 RD16 DACVDDC VREF FS YUV0/CIN DACVSSC YUV1/Y DACVDDB YUV2/C DACVSSB YUV3/CVBS DACVDDA YUV4/G DACVSSA YUV5/B YUV6/R DVDD3 VSYNC/V_ADIN1 YUV7/ASDATA5 HSYNC/V_ADIN2 SPMCLK SPDATA SPLRCK SPBCK/ASDATD5 DVDD3 ALRCK ABCK ACLK DVSS ASDATA0 ASDATA1 ASDATA2 ASDATA3 DVDD18 ASDATA4 DVSS MC_DATA SPDIF RFGND18 RFVDD18 XTALO XTALI JITFO JITFN PLLVSS IDACEXLP PLLVDD3 LPFON LPFIP LPFIN LPFOP ADCVDD3 S_VCM ADCVSS S_VREFP S_VREFN RFVDD3 RFRPDC RFRPAC HRFZC CRTPLP RFGND CEQP CEQN ODP OSN RFGC IREF AVDD3 C508 4V/47U C39 20P L14 C238 0 VD524 KTA1298 R64 1.8K C49 330P CB136 100N C236 0 R58 10 D8B 74HC04 3 4 14 7 C154 100N CB126 0.1uF VD10 KTA1298 1 3 2 R454 10K C75 5.1P C519 300P D02 PCM1742 1 2 3 4 13 14 15 16 5 6 7 8 9 10 11 12 BCK DATA LRCK DGND MD MC ML SCK +3.3V +5V LOUT ROUT GND VCOM ZERO OA ZERONA CB118 0.1uF C30 10U/16V C555 4V/47U R48 20k CB68 100N C62 24P R41 15K RESET IN LIMIT SPDIF OUT DVD DIGETER OUT CD/DVD SW CD/DVD SW DVD AUDIO OUT L DVD AUDIO OUT R LIMIT A B C D E G 2 F 1 3 4 5 6 7 8 9 10 MAIN BOARD CIRCUIT DIAGRAM (POWER CIRCUIT DIAGRAM) DC IN +15V T5A/125V cation: REPLACE PUSE WITH SAME TYPE AND RATING R19 39K C78 100n VD011 ISS355 L009 BGH2012B601LT L46 RB060-40L C33 100u/16V R81 10K C642 1U C153 100u/16V C137 100u/16V C641 1U C87 100n C273 100N L36 CDRH6D38-330MC CB122 1000P R11 10K VD6 IN5402T R16 24K N016 MB3813A 1 2 3 4 5 6 7 8 9 10 11 12 13 14 15 16 VIN1 IN1 IN2 -IN2 -IN1 FB CTL VIN2 VREF SEL CS RT CT VCC OUT GND L33 BGH2012B601LT C9 100N R27 11K C144 100N L004 BGH2012B601LT D3 LT1117-1.8V 1 2 3 IN GND OUT L012 BGH2012B601LT N2 ZA3020 1 2 3 4 5 6 7 8 BS VIN VSW GND FB COMP EN SS L012 BGH2012B601LT F001 452005 C50 100N C2 100u/16V L013 BGH2012B601LT C121 100u/16V R3 11K VD7 RB060-40L C941 100u/16V C257 100N C72 3900P VD015 2SD601AR C18 100u/16V C56 100u/16V N11 PQ033EZ11 1 3 2 5 4 IN OUT CO GND NC CB11 100N C952 100N R4 47K N14 ZA3020 1 2 3 4 5 6 7 8 BS VIN VSW GND FB COMP EN SS N13 PQ05DZ11 1 3 2 5 4 IN OUT CO GND NC C40 3900P VD024 DTA124EUAT C16 10N R087 10K C278 16V/10U R027 3K C362 100N R010 10K R80 10K C143 100u/16V C004 1U MH57 JS001 C361 100u/16V L31 BGH2012B601LT C23 100u/16V R79 10K C80 16V/10U R26 24K C73 100n R10 10K C22 10N N4 UPC29M05 1 2 3 IN GND OUT C953 100u/16V CB124 100N C43 10N L011 BGH2012B601LT SW117 POWER SW R011 1K C20 100N C046 1U C36 100P C24 100P N12 PQ05DZ11 1 3 2 5 4 IN OUT CO GND NC VD045 KTA1298 R20 10K XS001 1 2 3 4 R002 10K C19 100P VD24 DCT144 C279 16V/10U L004 BGH2012B601LT C130 100N R003 47K R45 10 C42 100N C147 100N C146 100u/16V N9 M358 5 6 7 8 + - OUT VCC R088 47K C6 100u/16V C67 100N FM001 LV902 L25 CDRH6D38-330MC C954 100N L008 BGH2012B601LT VD21 RBO60-40 R153 4.7K R14 51K R12 39K R13 200K VD9 RB060-40L R21 11K C024 100N C17 16V/100U R118 47K L19 CDH125-470MC N5 ZA3020 1 2 3 4 5 6 7 8 BS VIN VSW GND FB COMP EN SS R17 10K L8 CDRH6D38-330MC C11 100n L007 CDH125-470MC VD003 RB060L-40 VD015 DCT144EUAT106 VD8 RB060-40L C136 100u/16V CB21 100N N17 PQ033EZ01 1 3 2 5 4 IN OUT CO GND NC C96 220U/4V C77 330P VD40 RB060-40L N15 BA033 1 2 3 IN GND OUT C03 100N VD013 UDZ17-4.7B C021 100u/16V C020 100u/16V R18 11K C55 100u/16V R82 15K R84 0.075 VD009 UDZ1715 C8 100U/6V N20 ZA3020 1 2 3 4 5 6 7 8 BS VIN VSW GND FB COMP EN SS N120 UPC29M05 1 2 3 IN GND OUT VD012 ISS355 VD022 RED LED L1 BGH2012B601LT C160 100N VD6 RB060-40L C049 100u/16V VD010 ISS355 CB88 100N CB12 100N VD021 GREEN LED C68 10N VD16 UPA1716G R008 4.7K C280 16V/10U C122 100N VD023 DCT144EUAT106 C296 100u/16V C74 16V/100U R009 12K R027 3K C309 100N R152 4.7K VD014 DCT144EUAT106 C281 16V/10U C81 100n C14 22N C25 100u/16V C27 100N C258 100u/16V R027 3K VD001 UPA1716G VD020 CHG LED N16 UPC29M05 1 2 3 IN GND OUT C66 100P R005 10K C60 100u/16V CB10 100u/16V VD40 DCT144EUAT106 CB7 100N C259 100N C4 16V/100U VD3 ISS355 N8 MTD20P03 C007 16V/100U VD004 RB060L-40 N1 TPS60400 1 2 3 4 5 OUT IN CFLY- GND CFLY+ R22 10K R007 1K CPU+5V TV+5V DVD/DRVCC DVD+5V DVD+3.3V DVD+1.8V AUDIO+5V AUDIO-5V DVDON/OFF TV ON/OFF BATON/OFF CPU 5V POWER ON/OFF TFTLCD +3.3V TW8803 +3.3V AMP +5V A B C D E G 2 F 1 3 4 5 6 7 8 9 10 HV BOARD CIRCUIT DIAGRAM 20 19 18 17 16 15 14 13 12 11 1 2 3 4 5 6 7 8 9 10 CTIMR OVP ENA SST VDDA GNDA REF RT1 FB CMP NDR-D PDR-C LPWM DIM LCT PGND RT CT PDR-A NDR-B IC1 C2 C3 C4 C5 C6 C7 C8 C11 C12 C16 R18 R13 R3 R2 R1 F1 C1 C14 ZD1 C13 R8 1 2 3 4 5 6 7 8 U1 1 2 3 4 5 6 7 8 U2 1 3 2 D1 R7 Q2 R17 R6 3 Q8 Q7 R19 R20 3 Q5 Q4 R15 R14 R9 R21 R16 R26 C17 1 3 2 D2 R6 Q6 Q3 VCC VCC VCC VCC C18 R10 1 2 3 4 CN2 C20 R23 1 3 2 D6 R22 C22 1 2 3 4 CN3 5V 5V 5V 5V 5V A B B A C C C 3 Q1 F2 1 2 3 4 6 7 T1 1 2 3 4 6 7 T2 1 2 3 4 6 7 T3 1 2 3 4 6 7 T4 C19 C23 F3 F F 1 3 2 D3 1 3 2 D5 1 3 2 D7 C21 X X X X 1 2 3 4 5 6 7 8 U3 1 2 3 4 5 6 7 8 U4 Y Y Z Z VCC VCC H H I I C15 C VCC ON/OFF DIM GND C24 C31 L1 C32 C33 C29 C30 A B C D E G 2 F 1 3 4 5 6 7 8 9 10 SD-P5000 OUTPUT PCB BOARD DIAGRAM SD-P5000 HIGH VOLTAGE PCB BOARD DIAGRAM SD-P5000 TV PCB BOARD DIAGRAM A B C D E G 2 F 1 3 4 5 6 7 8 9 10 SD-P5000 MAIN PCB BOARD DIAGRAM A B C D E G 2 F 1 3 4 5 6 7 8 9 10 SD-P5000 MAIN PCB BOARD DIAGRAM

标签:

版权声明

1. 本站所有素材,仅限学习交流,仅展示部分内容,如需查看完整内容,请下载原文件。
2. 会员在本站下载的所有素材,只拥有使用权,著作权归原作者所有。
3. 所有素材,未经合法授权,请勿用于商业用途,会员不得以任何形式发布、传播、复制、转售该素材,否则一律封号处理。
4. 如果素材损害你的权益请联系客服QQ:77594475 处理。