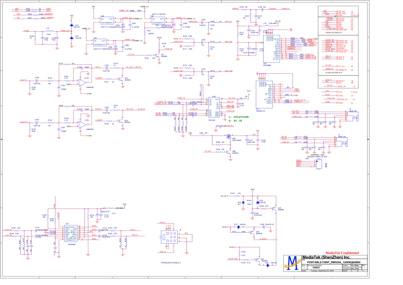
移动EVD采用HT399B8-MTK-MAIN芯片液晶屏原理图

分类:电子电工 日期: 点击:0
移动EVD采用HT399B8-MTK-MAIN芯片液晶屏原理图-0 移动EVD采用HT399B8-MTK-MAIN芯片液晶屏原理图-1 移动EVD采用HT399B8-MTK-MAIN芯片液晶屏原理图-2 移动EVD采用HT399B8-MTK-MAIN芯片液晶屏原理图-3 移动EVD采用HT399B8-MTK-MAIN芯片液晶屏原理图-4

5 5 4 4 3 3 2 2 1 1 D D C C B B A A 01. BLOCK PROGRAMM 02. CHARGE &POWER 03. MT1389P TQFP 256 04. SDRAM & FLASH & EEPROM & CARDS 05. AV & OUTPUT PORTABLE1389P_DM520A_1200W_BA5954 POWER R332~R361 Damping resistor should be close to 89P IC PANEL T-CON I/F AUDIO INTERFACE CHARGE 1 C 1 4 Tuesday, September 29, 2009 PORTABLE1389P_DM520A_1200W_BA5954 MediaTek Confidential Tom_Wang Sifan_Chen Title Size Document Number Rev Date: Sheet of MediaTek (ShenZhen) Inc. Drawn: Checked: URST# CTL_DC CTL_DC BATTERY V18 PIN_[201..204] PIN_[175..177] PIN_[161..169] PIN_[171..173] BL_EN DC_IN PIN_[196..199] PIN_[206..207] VCC PIN_[179..183] 3V3 3V3 VCC DV33 V33 V33 GND PWM_5V 3V3_LVDS BM B+ VCC4.5V B- CTL_4.5V VBATT CTL_4.5V BM B- B- DC_IN BATT-LED-A B+ URST# DV33 URST# CB+ CB+ B+ DC12V VBATT VBATT DC_IN DC_IN DC_IN IRIN BATT-LED-A BATT-LED-B IRIN BATT-LED-B D10V D10V D10V DC12V VBATT DC12GND DC12GND B+ BACK-VCC DC_IN BACK-VCC DV33 DC_IN BATTERY BATTERY URST# (3) BATTERY (3) PIN_[196..199] (2) BL_EN (2) 3V3 (3) PIN_[201..204] (2) PIN_[175..177] (2) DC_IN (3,7) PIN_[206..207] (2) PIN_[161..169] (2) VCC (3,4,6,7,9) PIN_[179..183] (2) PIN_[171..173] (2) DV33 (3) V33 (3) GND (3,4,6,7,9) 3V3_LVDS (3) VBATT (1) DC12V (1) DC_IN (1) IRIN (1) DC12GND (1) BACK-VCC (3) BATTERY (3) VCC DC_IN DC_IN DV33 V18 DV33 V33 3V3 DV33 VCC4.5V VCC BACK-VCC DC_IN DC_IN DV33 U2 SM8205AC 1 2 3 4 5 6 S1 D1 S2 G2 D2 G1 L51 22uH/1.5A R4 1K R33 10K R271 NC R222 1.5K R11 100K C13 0.1uF R7 2.4K R22 10K + C32 47uF/6.3V R221 330 C36 0.01uF L1 68UH/1.5A CN1 3Pin,2.0MM 1 2 3 C38 0.1uF L32 FB,0805 C226 NC C190 0.1uF + C42 220uF/6.3V C41 100uF/16V R19 10k C9 0.1uF Q32 9013 1 3 2 C3 0.1uF Q33 NC 1 3 2 R272 NC + C34 100uF/6.3V Q1 GSS4953 1 2 3 4 5 6 7 8 1 2 3 4 5 6 7 8 R260 10K,1% C225 0.1uF C28 0.039uF C2 NC R8 100K,1% Q6 9013 1 3 2 C6 NC C220 104 C40 0.1uF R15 1K D19 SS14 C4 0.1uF C194 0.039uF D2 SS34 1 2 Q5 9012 1 3 2 U9 AAZ1117-1.8 1 2 3 4 ADJ/GND OUT IN OUT R17 100K,1% D4 1N4148 1 2 R41 30K,1% C196 0.1uF C30 100uF/16V C44 NC R3 330 R223 NC L7 22uH/1.5A C222 0.1u U7 1410/4060 1 2 3 4 5 6 7 8 BS Vin Vsw GND FB Comp EN NC C35 0.1uF R16 100K,1% C11 0.1uF R14 0R R20 100K R25 3.9R,1206 C20 200p C192 0.01uF C193 NC U1 R5460N/212AF 1 2 3 6 4 5 DO CO V- VSS VC VDD + C12 47uF/16V C19 0.1uF R24 3.9R,1206 L6 FB C27 0.1uF + C24 10u L4 22uH/1.5A C1 0.1uF L31 FB,0805 R2 330 R40 10K,1% D9 1N4148 1 2 + C224 47uF/16V C8 200p C5 0.01uF C7 NC U4 LS2858A 1 2 3 4 5 6 7 8 1 2 3 4 5 6 7 8 D12 SS14 C195 220uF/6.3V C26 220uF/6.3V C191 100uF/16V C25 0.01uF L5 FB R263 100K R12 470 R31 100K C33 0.1uF R21 10k U6 NC 1 3 2 GND RST VDD U8 1410/4060 1 2 3 4 5 6 7 8 BS Vin Vsw GND FB Comp EN NC C31 NC R226 10k Q31 3904 1 3 2 R26 3.9R,1206 R224100 C37 220uF/6.3V Q3 9013 1 3 2 R18 330 C29 0.1uF R39 10K R261 30K,1% C39 0.039uF R270 NC R9 100K,1% R5 NC D3 MBRS240 1 2 CN2 5PIN,1.25MM 1 2 3 4 5 R34 12K,1% R220 680K C43 0.1uF C10 100uF/25V U3 TL431 U5 1410/4060 1 2 3 4 5 6 7 8 BS Vin Vsw GND FB Comp EN NC R10 2K4 R35 20K,1% D5 MBRS240 1 2 + C223 47uF/16V D11 SS14 R262 10K 5 5 4 4 3 3 2 2 1 1 D D C C B B A A AU Pin Definition PANEL T-CON I/F AUDIO INTERFACE CHARGE 1 C 1 4 Tuesday, September 29, 2009 PORTABLE1389P_DM520A_1200W_BA5954 MediaTek Confidential YANG GUANXING Title Size Document Number Rev Date: Sheet of MediaTek (ShenZhen) Inc. Drawn: Checked: PIN_182 R3 PIN_203 U/D PIN_166 B4 PIN_175 G3 PIN_162 POL PIN_179 G0 PIN_169 B1 PIN_172 G5 PIN_181 R4 PIN_198 R0 PIN_199 CLK PIN_164 REV STVL PIN_163 OEH PIN_206 STVR PIN_168 B2 PIN_180 R5 PIN_183 R2 PIN_197 R1 PIN_173 G4 PIN_165 B5 PIN_171 B0 PIN_176 G2 PIN_167 B3 PIN_177 G1 PIN_196 R/L LVDS_VCC_ON PIN_161 STHR DATA STVL PIN_199 CLK LVDS_VCC_ON PIN_176 G2 PIN_169 B1 PIN_177 G1 PIN_181 R4 PIN_167 B3 PIN_175 G3 PIN_183 R2 PIN_198 R0 PIN_173 G4 PIN_168 B2 PIN_180 R5 PIN_197 R1 PIN_172 G5 PIN_171 B0 PIN_166 B4 STVL PIN_179 G0 PIN_182 R3 PIN_165 B5 PIN_[161..169] PIN_[206..207] PIN_[171..173] BL_EN PIN_[179..183] PIN_[201..204] PIN_[175..177] PIN_[196..199] V33 VCC RS R/F TXECKM- TXE0M- TXE1M- TXE2M- GND URST# 3V3 DC_IN PIN_199 TXECKP+ TXE2P+ LVDS_VCC33 TXE0P+ TXE0M- TXE0P+ TXE1M- TXE1P+ TXE1P+ TXE2M- TXE2P+ TXECKM- TXECKP+ BL_EN REV PWM LVDS_VCC33 R/L_U/D SEL R/L_U/D SEL DC_IN BACK-VCC RS R/F TXE3P- TXE3P+ STHL STHL STHL PIN_202 OEV BL_EN LVDS_VCC_ON(2) PIN_[175..177] (2) PIN_[201..204] (2) PIN_[161..169] (2) PIN_[206..207] (2) BL_EN (2) PIN_[171..173] (2) PIN_[196..199] (2) PIN_[179..183] (2) V33 (3) VCC (3,4,6,7,9) GND (3,4,6,7,9) URST# (1) 3V3 (3) DC_IN (3,7) PWM (2) BACK-VCC (3) TTL_VCC LVDS_VCC 3V3 VCC PLL_VCC V33 TTL_VCC LVDS_VCC PLL_VCC V33 V33 BACK-VCC V33 V33 V33 V33 VCC R367 100R R363 4.7K C234 10uF/10v/0805 R334 1K R347 33 + C263 47uF/6.3V C262 0.1uF C235 10uF/16v L48 FB R200 100R R345 33 R361 NC R377 NC R373 10K R366 100R TOP CN11 IDE2.0_20 IDE2._20 1 2 3 4 5 6 7 8 9 10 11 12 13 14 15 16 17 18 19 20 R380 1K R350 33 R355 33 R360 10K U11 51 52 54 55 56 3 4 6 7 11 12 14 15 19 20 22 23 24 27 28 30 50 2 8 10 16 18 25 17 1 43 35 33 21 13 5 49 53 34 44 26 9 40 39 38 37 42 41 46 45 48 47 31 32 36 29 TA0 TA1 TA2 TA3 TA4 TA5 TA6 TB0 TB1 TB2 TB3 TB4 TB5 TB6 TC0 TC1 TC2 TC3 TC4 TC5 TC6 TD0 TD1 TD2 TD3 TD4 TD5 TD6 R/F RS LVDS GND PLL GND PLL GND GND GND GND LVDS GND GND PLL VCC LVDS VCC VCC VCC TCLK- TCLK+ TD- TD+ TC- TC+ TB- TB+ TA- TA+ TCLK IN /PDWN PLL GND GND R375 10K R382 4.7K R353 33 C233 10uF/10v/0805 R343 33 R368 100R CN13 3Pin,2.0MM 1 2 3 Q9 3904 1 3 2 R340 33 R370 10K L45 NC R201 47K L49 FB C261 0.1uF R332 33 R365 100R R349 33 R339 33 R362 33 R388 4.7K R383NC L2 NC L50 FB R364 NC C260 0.1uF R356 33 R354 33 R381 10K R357 33 R378 NC Q7 AP2301 1 3 2 R337 33 R374 10K Q8 3904 1 3 2 R348 33 R351 33 C151 0.1uF L46 FB R372 10K R369 33 R344 33 R352 33 L44 FB R379 0 R346 33 R387 4.7K R342 33 L52 FB R371 10K 5 5 4 4 3 3 2 2 1 1 D D C C B B A A TRAY OPEN SW DRAM FLASH IIC Crystal Circuit AV INTERFACE POWER MS/SD&USB I/F PANEL I/F MS/SD&USB I/F EMI ISSUE VERY IMPORTANT MT1389P TQFP256 1 Custom 2 4 Tuesday, September 29, 2009 PORTABLE1389P_DM520A_1200W_BA5954 MediaTek Confidential Tom_Wang Sifan_Chen Title Size Document Number Rev Date: Sheet of MediaTek (ShenZhen) Inc. Drawn: Checked: DD BB AA RFV18 AD1 RAS# A20 AD5 A15 DCKE DCLK AD7 MA3 A16 A6 A14 AD6 CS# DQ7 DQ14 A4 A13 A8 S3C PRD# A9 CAS# BA0 MA7 PCE# A19 A18 A7 A5 AD3 A10 DQM1 MA2 A11 S3B BA1 V18 A2 MA10 A1 AD4 S3D S3A WE# MA0 MA1 PWR# A17 AD0 A12 A0 AD2 A3 UP1_5 TXD RXD UP1_4 SCL UP1_3 UP3_0 SDA UP3_1 URST# DQ5 DQ6 DQ4 DQ3 DQ2 DQ1 DQ0 DQ15 DQ10 DQ12 DQ8 DQ9 MA8 MA11 MA9 MA4 DQ11 DACVDD3 CVBS CVBS_INP V1P4 RFVDD3 RFVDD3 PLLVDD3 AVDD18_VPLL A AA D BB B DD C CC E F MDI2 LDO1 LDO2 V1P4 V2P8 V20 TEZISLV OP- OP+ FMO DMO OPO TRO FOO USB_V33 DACVDD3 VREF FS JITFO XO JITFN RFV18 ADACVDD AOUT_L AOUT_R APLLVDD3 ASPDIF DACVDD3 AUDIO_IN2 AUDIO_IN1 VPLL_TST XI V1P4 V2P8 RFO PLLVDD3 DACVDD3 USB_V18 AVDD33_DMPLL USB_V18 DQ13 MA6 MA5 JITFO JITFN GPIO18 CC MDI1 V1P4 OP- SP- SL- SL+ TRO TRSO TRSO TRSO TRSO TRSO TRSO FOSO FOSO FOSO FOSO FOSO FOSO V1P4 FOO DMSO DMSO DMSO DMSO DMSO DMSO FMO DMO FMSO FMSO FMSO FMSO RXD TxD IR SCL SDA PRD# PWR# AD[0..7] PCE# A[0..20] DCKE CAS# RAS# WE# CS# DCLK BA0 BA1 DQM[0..1] DQ[0..15] MA[0..11] TRIN LIMIT SP+ USBM USBP OPO SP-A OP+ TRSO SL- DMSO V1P4 FMSO FOSO V1P4 T+ STBY F+ SP+ SL+ SP- AUDIO_IN2 CVBS ASPDIF TV/AV_IN AOUT_R CVBS_INP MUTE_DAC AOUT_L AUDIO_IN1 URST# URD# MUTE_DAC A21 TV_CTL GPIO16 IOA ALE STBY TRIN PIN_203 GPIO9 ADACVDD APLLVDD3 AVDD18_VPLL A21 GPIO16 BATTERY SL+ SP-A SL- SP+ LIMIT M_CTL GAMECLK GAMEDA2 GAMEDA1 GAMELOAD XI XO IRIN IR PIN_183 PIN_163 PIN_159 PIN_166 PIN_182 PIN_179 PIN_169 PIN_168 PIN_157 PIN_177 PIN_180 PIN_167 PIN_165 PIN_164 PIN_162 PIN_172 PIN_173 PIN_158 PIN_176 PIN_181 PIN_171 PIN_175 PIN_[196..199] PIN_[201..204] PIN_[171..173] PIN_[206..207] PIN_[175..177] PIN_[161..169] PIN_[179..183] PIN_198 PIN_199 PIN_197 PIN_196 PIN_202 PIN_204 PIN_201 PIN_203 PIN_207 PIN_206 USBM PIN_157 PIN_158 PIN_159 PIN_110 PIN_130 USBP PIN_112 PIN_110 PIN_112 PIN_130 DQM0 ALE URD# VSCK SCL SDA VSDA UP3_1 VSTB BL_EN GPIO3 F AVCC2 V20 LD-CD LD-DVD E T- F+ MDI1 RFO CC MDI2 F- T+ BB AA F- V20 T- DD LDO_CD LDO1 LDO_DVD LDO2 LD-CD LD-DVD RFVDD3 AVCC2 RFV33 GND RFVDD3 IOA F LD-DVD MDI1 RFO T+ E LD-CD C B F+ D V20 T- IOA A F- IOA AVCC1 AVCC1 AVCC1 AVCC1 MDI2 MDI1 VCC DV33 LVDS_VCC_ON UWR# CMMB_IR PIN_204 GPIO10 UWR# LVDS_VCC_ON PIN_163 GAMEDA2 GPIO10 ASPDIF GPIO23 PIN_196 PIN_206 GPIO11 K2 UP3_1 UP3_0 K1 UP1_4 UP1_3 GND PIN_162 GPIO10 CMMB_IR PWM GPIO18 PIN_202 GPIO8 LIMIT BL_EN UP1_5 GAMEDA1 GAMEDA2 GAMELOAD USB_CTL GAMECLK GND GND DC12GND TV_CTL DC12V VBATT DC_IN DC_IN USB_V33 AVDD33_DMPLL IRIN VBATT DC12V DC12GND USB_CTL GPIO3 BATTERY BATTERY SCL (4) SDA (4) DCKE (4) CAS# (4) RAS# (4) WE# (4) CS# (4) DCLK (4) BA0 (4) BA1 (4) DQM[0..1] (4) DQ[0..15] (4) MA[0..11] (4) PRD# (4) PWR# (4) AD[0..7] (4) PCE# (4) A[0..20] (4) CVBS_INP (5) TV/AV_IN (5) MUTE_DAC (5) ASPDIF (5) CVBS (5) AOUT_L (5) AUDIO_IN1 (5) AUDIO_IN2 (5) AOUT_R (5) URST# (1) BATTERY (1) M_CTL (1) PIN_[206..207] (8) PIN_[171..173] (8) PIN_[201..204] (8) PIN_[196..199] (8) PIN_[179..183] (8) PIN_[161..169] (8) PIN_[175..177] (8) USBM (3) PIN_112 (3) PIN_130 (3) PIN_159 (3) USBP (3) PIN_158 (3) PIN_110 (3) PIN_157 (3) BL_EN (4) VCC (1,3,4,5) DV33 (3) LVDS_VCC_ON(2) CMMB_IR (5) GND (3,4,6,7,9) PWM (5) USB_CTL (2) TV_CTL (1) DC12V (1) VBATT (1) DC_IN (1) IRIN (1) DC12GND (1) BATTERY (3) 89P_3V3 V18 V18 V18 89P_3V3 V18 V18 89P_3V3 V18 89P_3V3 89P_3V3 89P_3V3 DV33 89P_3V3 RFV18 AVDD18_VPLL V18 RFVDD3 DV33 PLLVDD3 DV33 ADACVDD APLLVDD3 DACVDD3 USB_V33 USB_V18 RFV33 AVDD33_DMPLL 89P_3V3 USB_V18 AVDD33_DMPLL 89P_3V3 USB_V33 89P_3V3 DV33 DV33 MO_VCC MO_VCC MO_VCC VCC VCC_MCU VCC RFVDD3 GAME_VCC VCC GAME_VCC 89P_3V3 RFV33 VCC RFV33 AVCC AVCC DV33 GAME_VCC C55 33pF R76 680k R44 10K C125 2200pF C79 0.047uF C111 0.1uF R65 4.7 C60 20pF R13 0 + C46 10U/6.3V/0805 C75 0.1uF R212 NC/10K C89 1uF C49 10U/6.3V/0805 C106 0.1uF R165 10 C81 0.1uF Pin Assignment v1.0 MT1389P U10 MT1389P 2 250 3 4 5 1 252 253 6 7 8 9 10 11 12 13 14 15 16 17 18 19 20 21 22 23 256 28 27 30 29 32 31 43 26 25 33 34 35 36 42 41 45 39 40 46 38 37 59 75 74 72 71 70 69 68 52 91 62 63 87 86 64 65 84 83 82 81 73 93 53 54 55 56 80 57 58 67 92 85 60 61 76 78 90 79 66 77 94 95 96 97 98 99 100 101 102 103 104 105 116 106 107 244 245 108 109 110 111 112 122 113 114 115 117 118 120 119 121 123 124 125 126 128 127 129 192 191 190 189 188 187 186 185 184 183 182 181 180 179 178 177 176 175 174 173 172 171 170 169 167 168 166 165 164 163 162 161 160 159 158 156 157 155 154 153 152 151 150 148 149 147 146 145 144 143 141 142 140 139 138 137 136 134 135 133 132 131 130 249 255 24 254 231 230 238 237 248 247 236 251 246 243 241 242 240 239 234 235 232 224 225 222 221 220 219 226 218 217 215 213 214 204 211 210 209 208 212 207 206 205 203 202 201 200 199 198 197 196 195 194 193 233 44 47 48 49 50 51 88 89 216 223 228 229 227 DVDA CRTPLP DVDB DVDC DVDD AGND OSP OSN DVDRFIP MA MB MC MD SA SB SC / TNI SD / TPI MDI1 MDI2 LDO2 LDO1 SVDD3 CSO/RFOP RFLVL / RFON SGND V2REFO AVDD3 TEZISLV TEO OP_INN OP_OUT DMO OP_INP VSS33_USB FEO VREFO FMO TROPENPWM PWMOUT1 / V_ADIN0 TRO VDD33_USB USB_DM VDD18_USB AVDD33_DMPLL USB_DP VSS18_USB AGND33_DMPLL FOO IOA5 IOA20 HIGHA1 HIGHA3 HIGHA4 HIGHA5 HIGHA6 HIGHA7 DVSS33 A17 HIGHA0 IOA18 IOA21 / GPIO17 AD6 IOA19 DVDD33 AD4 AD3 AD2 DVSS18 HIGHA2 DVDD18 DVSS18 IOA22 / GPIO18 DVDD18 IOA2 AD1 IOA3 IOA4 A16 IOA0 AD5 IOA6 IOA7 IOCS# IOOE# DVSS33 AD0 IOWR# IOA1 UWR# URD# DVDD33 UP1_2 / GPIO19 UP1_3 / VSCK UP1_4 / VSTB UP1_5 / VSDA UP1_6 / SCL UP1_7 / SDA UP3_0 UP3_1 UP3_4 / RXD RD4 UP3_5 / TXD ICE ADCVDD3 ADCVSS PRST# IR GPIO22 / SD_DATA0 / INT0# DQM0 GPIO21 / SD_CLK RD15 RD7 RD6 RD5 RD3 DVDD33 RD1 RD2 RD0 RD14 RD13 RD12 RD11 RD9 RD10 RD8 DACVSSC CVBS(Y) DACVDDB DACVSSB DACVDDA G DACVSSA B R HCK HSTR HSTL HOE LR DVSS18 VOE UD VCK DVDD18 VSTU VSTD GPIO100 DVDD33 GPIO101 GPIO103 GPIO102 SD_D3 SD_D2 SD_D1 MS_D3 MS_D2 MS_D1 DVDD18 MS_CLK MS_BS DVDD33 MS_D0 RA4 RA5 RA6 RA7 RA8 RA9 DVSS33 RA11 CKE RCLK DVDD33 RA3 RA2 RA1 DVDD18 RA0 RA10 BA1 BA0 RCS# CAS# RAS# RWE# DQM1 DVDD33 GPIO20 / SD_CMD HRFZC IREF V20 RFGC ADACVDD1 ADACVDD2 PLLVSS JITFN RFRPAC RFRPDC JITFO RFGND RFVDD3 LPFOP LPFIP LPFIN LPFON PLLVDD3 XTALO XTALI RFGND18 APLLVSS ADACVSS2 APLLVDD AVDD18_VPLL VPLL_TST AGND18_VPLL ADACVSS1 VFE_TSTP / AUDIO_IN1 VFE_TSTN / AUDIO_IN2 CVBS_INP CVBS_INN / BATTERY AVDD33_VFE GPIO10 (ASDATA3) AGND_ADC DVDD33_ADC DGND_ADC SPDIF / GPIO23 AVDD33_ADC GGPIO12 (MCDATA) GPIO11 (ASDATA4) DVDD18 GPIO9 (ACLK) GPIO8 (ABCK) GPIO7 (ALRCK) DVDD33 GPIO6 (ASDATA2) GPIO5 (ASDATA1) GPIO4 (ASDATA0) VCOM / GPIO3 DACVDDC VREF FS RFVDD18 PAD_VRT USB_XTALO / GPIO15 USB_XTALI / GPIO14 DVDD33 DVDD18 FG / GPIO16 ALE AD7 AGND_VFE APLLCAP AVCM AL / SDATA2 / GPIO1 AR / SDATA0 / GPIO0 R6 0 R89 10k R214 NC/100K C85 0.1uF R384 NC R236 33R C91 0.1uF + C6510U/6.3V/0805 L23 FB R238 33R C76 0.1uF R49 560/1% C56 33pF R80 10k U12 BA5954 1 9 10 12 3 2 15 7 14 13 21 19 20 24 27 6 4 5 28 8 11 17 18 16 23 22 25 26 29 30 VINFC PVCC1 PGND VOSL+ CF2 CF1 VOTK+ VNFFC VOFC+ VOFC- PVCC2 PGND VNFTK CTK2 BIAS VOSL VINSL+ VINSL- STBY VCC VOSL- VOLD+ VOLD- VOTK- VINLD PREGND CTK1 VINTK G1 G2 R73 33k R45 6.8R CN8 NC 1 2 3 4 R163 10K TOP CN12 NC/0.5mm,24P,TOP 1 2 3 4 5 6 7 8 9 10 11 12 13 14 15 16 17 18 19 20 21 22 23 24 CN10 5PIN,1.25MM 1 2 3 4 5 R72 680k + C110 47uF/6.3V L22 NC R67 1 C45 1000pF R215 NC/100 C115 0.1uF C80 0.1uF R61 5.1K C93 0.1uF C90 1uF C69 0.1uF C92 100p C105 0.1uF + C129 47uF/10v R51 10 C61 10U/6.3V/0805 C124 0.015uF + C58 10U/6.3V/0805 Q36 NC/2SK3018 1 3 2 L11 FB R231 4.7k C114 0.1uF + C47 10U/6.3V/0805 C70 0.1uF R84 10k R81 20k C118 2200pF Q34 NC/2N3904 1 3 2 C52 0.1uF C99 0.1uF L12 FB C123 0.1uF C59 0.1uF + C108 47uF/6.3V R70 1 C95 0.1uF C64 0.1uF C98 0.1uF C88 1uF C127 150pF C104 0.1uF R233 4.7k C57 0.1uF C66 1000pF C72 10U/6.3V/0805 C83 0.1uF Q11 8550 1 3 2 R69 1 C71 1500pF R74 15k C100 0.1uF CN4 12Pin,1.25MM 1 2 3 4 5 6 7 8 9 10 11 12 13 R232 4.7k R171 NC C128 0.1uF R75 10k C112 0.1uF R66 0 R71 33k R217 NC/0 C54 2200pF C78 0.047uF SW2 1 2 4 3 L14 10uH C183 0.1uF R385 NC R88 20k C87 1uF C113 0.1uF R213 NC/10K Q35 NC/2SK3018 1 3 2 R234 4.7k C86 1uF R47 15k C121 330pF R68 1 C122 330pF R46 100k R216 NC/100 C82 0.1uF L15 FB R43 100k C77 0.033uF R166 10 + C74 10U/6.3V/0805 R79 1R L9 FB CN6 0.5mm,24P,BOTTOM 1 2 3 4 5 6 7 8 9 10 11 12 13 14 15 16 17 18 19 20 21 22 23 24 R64 4.7 + C119 10uF/16v R83 20k C117 0.1uF R78 150k C102 0.1uF L13 10uH CN7 6PIN,2MM 1 2 3 4 5 6 R42 750k C73 0.1uF C103 0.1uF C120 0.1uF C51 0.1uF C48 0.1uF Y1 27MHz C62 0.1uF R386 NC R235 33R L10 FB R211 NC/100K C53 10uF R48 100k C67 0.1uF C97 0.1uF C68 0.1uF + C231 47uF/16V Q12 8550 1 3 2 C50 0.1uF C101 0.1uF C232 0.1uF C107 0.1uF C116 0.1uF CN9 NC 1 2 C130 0.1uF + C96 47uF/6.3V/SMD + C6310U/6.3V/0805 Q24 2N3906 1 3 2 C94 0.1uF R237 33R C126 150pF R77 150k L8 FB R164 0 5 5 4 4 3 3 2 2 1 1 D D C C B B A A TSOP 48 pin DRAM FLASH IIC MS/SD&USB I/F MS/SD&USB I/F MEMORY 1 Custom 3 4 Tuesday, September 29, 2009 PORTABLE1389P_DM520A_1200W_BA5954 MediaTek Confidential Tom_Wang Sifan_Chen Title Size Document Number Rev Date: Sheet of MediaTek (ShenZhen) Inc. Drawn: Checked: A9 A3 AD3 A1 A19 A4 AD6 AD1 A17 A16 A13 A14 AD0 A2 A6 A8 A18 AD7 A7 AD5 A12 A15 A10 AD2 AD4 A11 A5 A0 SCL SDA DCS# DCAS# DRAS# DWE# RAS# CS# BA0 DCKE BA1 DCLK SDCKE DBA0 DBA1 DBA1 DQ8 DQ14 MA11 DRAS# MA2 DQ15 MA5 DQ10 MA4 DQ13 MA8 DBA0 DQM1 DCS# DQ9 SDCLK MA9 DQ11 MA3 MA6 DQML MA7 MA0 DCAS# DWE# MA10 SDCKE DQ12 MA1 PCE# PRD# PWR# A20 SDA SCL DQ2 DQ5 DQ1 DQ6 DQ4 DQ3 DQ0 DQ7 SD33 BA1 DQ[0..15] DQM[0..1] MA[0..11] SCL SDA WE# CS# PCE# PRD# DCLK PWR# DCKE CAS# RAS# AD[0..7] A[0..20] BA0 WE# CAS# SDD2 SDD3 SDD0 SDD1 MS_CLK SD_CMD MS_3V3 USBP SDD0 SD_CMD SD_CLK MS_CLK MSBS MSD0 USBM SD_CLK SDD3 SDD0 DV33 SD_CMD MS_3V3 MSBS MSD0 SDD1 SDD2 MS_CLK M_CTL DQML DQM0 SDCLK USBM DV33 PIN_157 PIN_110 PIN_158 PIN_112 PIN_159 PIN_130 USBP VCC SDD0 PIN_110 PIN_158 MSBS PIN_112 SD_CLK PIN_159 MS_CLK PIN_130 SD_CMD PIN_157 MSD0 VCC DV33 GND USBVCC USBVCC USBM-1394 USBP-1394 1394VCC USBMO 1394- USB_CTL USBPO 1394VCC USBP USBM DV33-1394 USBMO USBPO 1394+ DV33-1394 BA1 (3) WE# (3) CS# (3) DCLK (3) DCKE (3) CAS# (3) RAS# (3) A[0..20] (3) DQM[0..1] (3) SCL (3) SDA (3) DQ[0..15] (3) AD[0..7] (3) MA[0..11] (3) BA0 (3) PWR# (3) PRD# (3) PCE# (3) SDD0 (4) SD_CMD (4) USBP (4) USBM (4) SD_CLK (4) MSD0 (4) MS_CLK (4) MSBS (4) M_CTL (1) DV33 (3,4,5,6) PIN_159 (2) PIN_110 (2) PIN_158 (2) VCC (3,4,6,7,8) USBM (4) PIN_112 (2) PIN_130 (2) USBP (4) PIN_157 (2) VCC (1,3,4,5) DV33 (3) GND (3,4,6,7,9) USB_CTL (2) DV33 DV33 SD33 SD33 SD33 DV33 DV33 DV33 DV33 DV33 MS_3V3 DV33 VCC DV33 MS_3V3 DV33 VCC C131 0.1uF R376 0 + C132 100uF/6.3V R101 10k R99 10k C16 0.1uF R96 1k U14 M12L64164A-7T TSOP-54 1 2 4 12 5 7 9 8 10 46 11 13 15 16 17 18 19 35 22 23 24 25 26 14 41 29 30 31 32 33 34 36 37 38 39 40 43 42 44 52 45 47 49 48 50 51 53 54 20 21 3 6 27 28 VCC DQ0 DQ1 VSSQ DQ2 DQ3 VCCQ DQ4 DQ5 VSSQ DQ6 DQ7 DQML WE CAS RAS CS A11 A10/AP A0 A1 A2 A3 VCC VSS A4 A5 A6 A7 A8 A9 NC CKE CLK DQMH NC VCCQ DQ8 DQ9 VSSQ DQ10 DQ11 VCCQ DQ12 DQ13 DQ14 DQ15 VSS BA0/A13 BA1/A12 VCCQ VSSQ VCC VSS C141 0.1uF R92 33 R102 10k R23 0 C135 0.1uF C144 10pF/NC R93 33 R95 1k R103 10k L33 FB + C17 47uF/6.3V L16 FB C134 0.1uF C137 0.1uF C15 0.1uF U15 MX29LV160 25 24 23 22 21 20 19 18 8 10 28 47 16 29 31 33 35 7 26 38 40 42 44 30 32 14 36 39 41 43 45 37 27 11 9 34 46 6 4 5 3 2 1 48 17 12 A0 A1 A2 A3 A4 A5 A6 A7 A8 A20 OE BYTE A18 D0 D1 D2 D3 A9 CE D4 D5 D6 D7 D8 D9 WP/ACC D11 D12 D13 D14 D15 VCC GND1 WE A19 D10 GND2 A10 A12 A11 A13 A14 A15 A16 A17 RESET C143 20pF L20 FB 4:GND 3:D+ 2:D- 1:VCC 1 3 2 4 J4 USB 2 3 4 1 5 6 + C133 47uF/6.3V + C142 47uF/6.3V R94 33 R30 NC U16 24C16 SOIC8 1 2 3 4 5 6 7 8 NC NC NC GND SDA SCL WP VCC R29 NC C140 0.1uF C227 NC 3 in 1 CONNECTOR SD/MMC MS J3 3in1CONNECTOR 1 22 20 17 6 5 9 14 4 3 2 21 19 18 10 15 13 11 16 8 7 23 24 25 26 12 CD_SD DAT2_SD CD/DAT3_SD CMD_SD VSS_SD WPGND_SD CLK_SD VSS_SD DAT0_SD DAT1_SD WP_SD VSS_MS VCC_MS SCLK_MS DAT1 INS_MS DAT2 SDIO_MS DAT3 BS_MS VSS_MS GND GND GND GND VDD_SD R97 10k C138 0.1uF RN1 33x4 1 2 3 4 5 6 7 8 U19 1 2 3 4 5 6 7 8 9 10 1 2 3 4 5 6 7 8 9 10 C139 0.1uF R38 NC R98 10 C136 0.1uF R91 33 L17 FB 1:VCC 1 3 2 4 J5 USB 2 3 4 1 6 8 5 7 9 + C18 47uF/6.3V R32 NC R100 10k 5 5 4 4 3 3 2 2 1 1 D D C C B B A A VIDEO INTERFACE IIC AUDIO INTERFACE H: AV IN L: DVD&TV&FM VIDEO 1 C 4 4 Tuesday, September 29, 2009 PORTABLE1389P_DM520A_1200W_BA5954 MediaTek Confidential Tom_Wang Sifan_Chen Title Size Document Number Rev Date: Sheet of MediaTek (ShenZhen) Inc. Drawn: Checked: CVBS ASPDIF TV/AV_IN AOUT_L AOUT_R AUDIO_IN2 VDO_IN MUTE_DAC AOUT_R ASPDIF AUDIO_IN1 MUTE_DAC AUDIO_IN1 AOUT_L CVBS_INP SDA SCL TV/AV_IN VDO_IN SPK_L SPK_R TV_CTL ADO_INL A_MUTE A_MUTE TV/AV_IN CVBS_IN COAXIAL AUDIO_IN2 ADO_INR DVD_R AR_IN AL_IN ADO_INR ADO_INL TSDA SDA SCL A21 GPIO11 CVBS TV_CTL CVBS_IN TV/AV_IN DC_IN VCC DV33 TSCL CMMB_IR GND AV_VCC R_HP_IN L_HP_IN SPKR_ SPKL+ PHO_R PHO_L BTL A_MUTE VGA_CTL DVD_L AL_IN SPKR_ CVBS_OUT CVBS_IN SPKR+ AR_IN SPKL_ AR_OUT R_HP_IN AL_OUT SPKL_ SPKL+ CVBS_OUT AR_OUT AUDIO_TV_R TSDA 5 TSCL 6 TV_CTL T5V AUDIO_TV_R SCL SDA CMMBSDA CMMBSCL CMMBSCL 7 CVBS_TV AUDIO_TV_R AUDIO_TV_L AUDIO_TV_L CVBS_TV CMMB_IR CMMB_3.3 CMMB_1.8 CMMB_1.2 CMMB_3.3V CMMB_1.8V CMMBSDA 6 5 4 3 2 CMMB_1.2V CMMB_1.8V 1 10 11 12 8 11 12 2 3 7 4 9 10 8 9 RIN CVBS_INP GIN BIN VSYNC HSYNC A_MUTE SPKR+ PHO_L BTL PHO_R L_HP_IN AL_OUT CVBS_TV PWM PWM AUDIO_IN1 (3) CVBS (3) AOUT_L (3) AUDIO_IN2 (3) TV/AV_IN (3) ASPDIF (3) MUTE_DAC (3) AOUT_R (3) SDA (3) SCL (3) SPK_R (5) SPK_L (5) TV_CTL (5) A21 (5) GPIO11 (5) DC_IN (1) VCC (1,3,4,5) DV33 (3) CMMB_IR (5) GND (3,4,6,7,9) VGA_CTL (2) RIN (2) CVBS_INP (3) GIN (2) BIN (2) VSYNC (2) HSYNC (2) PWM (2) VER A9V DC_IN A9V DV33 DV33 VER DV33 DC_IN A9V VCC DV33 +5VA VCC VCC VER T5V T5V VCC T5V CMMB_1.8 T5V CMMB_3.3 CMMB_3.3 CMMB_3.3 CMMB_1.2 DV33 C163 0.1uF + C162 10uF/16V R198 33 + C179 47uF/10V R136 5.1k C175 NC L200 FB L24 FB R172 100k L30 0/FB R184 10K D17 1N4148 1 2 R228 47K C149 100p R173 100k R118 7.5K R135 10k + C153 10uF/16V R36 330/NC Q82 RCR1525SI 1 3 2 R202 10K R160 47R + C171 220uF/6.3V R146 47K R107 NC + C269 100uF/6.3V/NC R159 2.2K + C164 10uF/16v D16 1N4148 1 2 C159 1000pF R182 10K L19 3.9R,0805 R104 18 Q2 2N3904 1 3 2 L25 0/FB C266 0.1uF/NC R134 1K R180 15K R209 0 + C174 47uF/10V C181 NC R245 0/NC R197 33 C218 0.1uF Q19 2N3906 1 3 2 R248 0/NC R116 1K C145 0.047uF R151 100K R181 10K Q80 2N3904 1 3 2 + C154 100uF/16V C14 0.1uF C148 100p L21 3.9R,0805 L29 0/FB R130 1K C147 NC + - U17A NJM4558 3 2 1 8 4 R123 10k Q23 2N3906 1 3 2 R242 0/NC TV2 RCCMMB 1 2 3 4 5 6 7 8 9 10 11 16 13 14 15 12 VB+5V 1.2V 1.8V 3.3V IR-IN SDA SCL USB-M USB-P CVBS L_OUT PGND PGND PGND PGND R_OUT R154 9.1K J7 JACK_AV 1 2 3 4 5 6 C155 0.1uF C201 1uF C177 10U/10V/0805 C212 NC + - U17B NJM4558 5 6 7 8 4 U26 AAZ1117-ADJ/NC 1 2 3 4 ADJ/GND OUT IN OUT C161 100pF D13 1N4148 1 2 R128 27k R122 10K + C156 47uF/10V/SMD R37 220/NC U25 AAZ1117-3.3/NC 1 2 3 4 ADJ/GND OUT IN OUT Q16 2N3904 1 3 2 C214 NC C211 NC R158 2.2K C173 2.2uF C172 0.1uF R179 15K R121 1K R203 15K R243 0/NC R112 NC Q14 2N3904 1 3 2 C187 1uF R246 0/NC R105 NC R109 100k D14 1N4148 1 2 R149 10K D18 1N4148 1 2 C180 10U/10V/0805 R161 10K R250 33/NC R249 0/NC R142 470 + C217 100uF/16V R162 1K U24 AAZ1117-1.8/NC 1 2 3 4 ADJ/GND OUT IN OUT Q22 2N3906 1 3 2 R106 56 C185 1uF/NC R150 10K R145 100K C150 1uF R1 0 R152 4.7K R124 5.1k R241 0/NC C22 0.1uF R115 27k U18 PI5V330 2 5 11 14 3 6 10 13 8 16 15 1 12 9 7 4 A1 A2 A3 A4 B1 B2 B3 B4 GND VCC EN# BA# D4 D3 D2 D1 R204 0 + C158 10uF/16v R156 470K D15 5V1 R157 10K R208 0 R183 NC R251 33/NC + C168 47uF/6.3V R125 300k C210 1uF L26 0/FB J8 PHONEJACK,STEREO_5 1 2 3 4 5 6 7 8 9 10 C165 1000pF C268 0.1uF/NC C157 0.1uF TV1 TNJ8321CF 1 2 3 4 5 6 7 8 9 10 11 12 13 14 15 IF OUT NC SAS SDA SCL SIF OUT B+ AGC AFT OUT AUDIO VIDEO PGND PGND PGND PGND C184 1uF + C275 100uF/6.3V/NC C267 0.1uF/NC C216 NC J9 JACK_AV 1 2 3 4 5 6 C213 NC R110 0 C146 NC C152 100pF R126 1K R207 0 R139 300k L28 0/FB R244 0/NC + C169 220uF/6.3V U21 APA2068 1 2 3 4 5 6 7 8 9 10 11 12 13 14 15 16 MUTE STBY RIN BYSS GND LIN VOLUME VOLMALOUT- VDD LOUT+ GND SE/BTL ROUT+ VDD ROUT_ TOP CN3 HEADER 4 SMD1.25 TOP HEADER4_1.25D 1 2 3 4 R247 0/NC R175 NC R111 100k R113 6.8K L18 1.8uH R178 NC R174 0 + C270 220uF/6.3V/NC C215 NC R169 1K R153 47R R108 75 L27 0/FB

标签:

版权声明

1. 本站所有素材,仅限学习交流,仅展示部分内容,如需查看完整内容,请下载原文件。
2. 会员在本站下载的所有素材,只拥有使用权,著作权归原作者所有。
3. 所有素材,未经合法授权,请勿用于商业用途,会员不得以任何形式发布、传播、复制、转售该素材,否则一律封号处理。
4. 如果素材损害你的权益请联系客服QQ:77594475 处理。