爱华AIWA XD-DV300U DVD播放器维修手册

分类:电子电工 日期: 点击:0
爱华AIWA XD-DV300U DVD播放器维修手册-0 爱华AIWA XD-DV300U DVD播放器维修手册-1 爱华AIWA XD-DV300U DVD播放器维修手册-2 爱华AIWA XD-DV300U DVD播放器维修手册-3 爱华AIWA XD-DV300U DVD播放器维修手册-4 爱华AIWA XD-DV300U DVD播放器维修手册-5 爱华AIWA XD-DV300U DVD播放器维修手册-6 爱华AIWA XD-DV300U DVD播放器维修手册-7 爱华AIWA XD-DV300U DVD播放器维修手册-8 爱华AIWA XD-DV300U DVD播放器维修手册-9

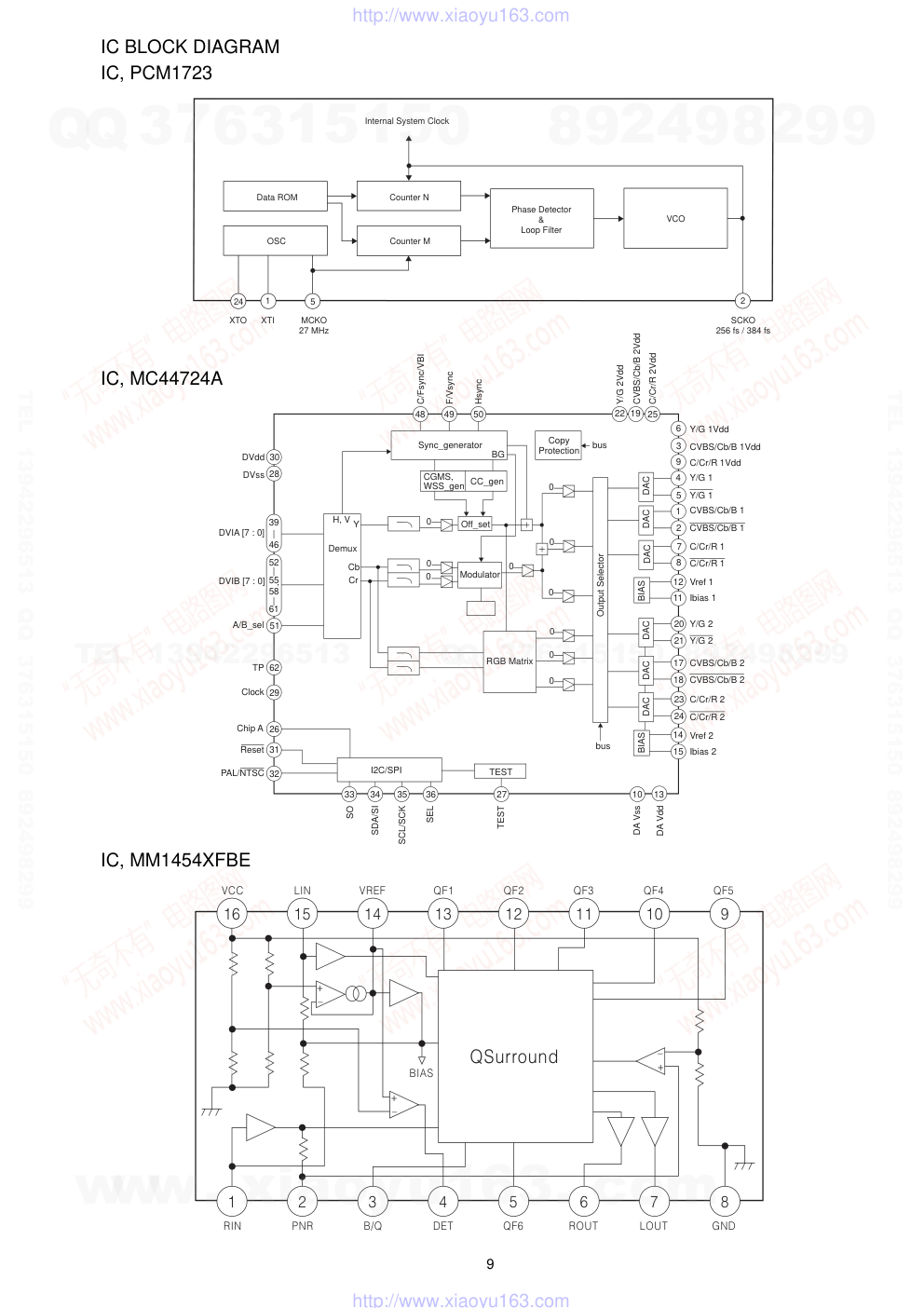
DVD PLAYER XD-DV300 S/M Code No. 09-997-332-9N1 U SERVICE MANUAL DATA BASIC DVD MECHANISM : 100LU www. xiaoyu163. com QQ 376315150 9 9 2 8 9 4 2 9 8 TEL 13942296513 9 9 2 8 9 4 2 9 8 0 5 1 5 1 3 6 7 3 Q Q TEL 13942296513 QQ 376315150 892498299 TEL 13942296513 QQ 376315150 892498299 http://www.xiaoyu163.com 2 TABLE OF CONTENTS SPECIFICATIONS .................................................................................................................................. 3 PROTECTION OF EYES FROM LASER BEAM DURING SERVICING/ Precaution to replace Optical block......................................................................................................... 4 ELECTRICAL MAIN PARTS LIST ....................................................................................................... 5-7 TRANSISTOR ILLUSTRATION .............................................................................................................. 8 IC BLOCK DIAGRAM........................................................................................................................ 9, 10 BLOCK DIAGRAM .......................................................................................................................... 11, 12 WIRING-1 (MAIN) ............................................................................................................................ 13-16 SCHEMATIC DIAGRAM-1 (MAIN: SYSCON) ................................................................................ 17, 18 SCHEMATIC DIAGRAM-2 (MAIN: AV DECODER) ........................................................................ 19, 20 SCHEMATIC DIAGRAM-3 (MAIN: VIDEO DECODER) ................................................................. 21, 22 WIRING-2 (REAR) .......................................................................................................................... 23, 24 SCHEMATIC DIAGRAM-4 (REAR: A OUT).................................................................................... 25, 26 SCHEMATIC DIAGRAM-5 (REAR: V OUT).................................................................................... 27, 28 WIRING-3 (FRONT) ........................................................................................................................ 29, 30 SCHEMATIC DIAGRAM-6 (FRONT) .............................................................................................. 31, 32 WIRING-4 (PT/POWER) ................................................................................................................. 33, 34 SCHEMATIC DIAGRAM-7 (PT) ...................................................................................................... 35, 36 SCHEMATIC DIAGRAM-8 (POWER) ............................................................................................. 37, 38 WAVE FORM ................................................................................................................................... 39-42 IC DESCRIPTION ............................................................................................................................ 43-48 FL GRID ASSIGNMENT/ANODE CONNECTION ................................................................................ 49 MECHANICAL PARTS LIST 1/1 ........................................................................................................... 50 MECHANICAL EXPLODED VIEW 1/1 ............................................................................................ 51, 52 ACCESSORIES/PACKAGE LIST ......................................................................................................... 53 www. xiaoyu163. com QQ 376315150 9 9 2 8 9 4 2 9 8 TEL 13942296513 9 9 2 8 9 4 2 9 8 0 5 1 5 1 3 6 7 3 Q Q TEL 13942296513 QQ 376315150 892498299 TEL 13942296513 QQ 376315150 892498299 http://www.xiaoyu163.com 3 SPECIFICATIONS • Design and specifications are subject to change without notice. www. xiaoyu163. com QQ 376315150 9 9 2 8 9 4 2 9 8 TEL 13942296513 9 9 2 8 9 4 2 9 8 0 5 1 5 1 3 6 7 3 Q Q TEL 13942296513 QQ 376315150 892498299 TEL 13942296513 QQ 376315150 892498299 http://www.xiaoyu163.com 4 PROTECTION OF EYES FROM LASER BEAM DURING SERVICING VAROITUS! Laiteen Käyttäminen muulla kuin tässä käyttöohjeessa mainit- ulla tavalla saattaa altistaa käyt-täjän turvallisuusluokan 1 ylit- tävälle näkymättömälle lasersäteilylle. VARNING! Om apparaten används på annat sätt än vad som specificeras i denna bruksanvising, kan användaren utsättas för osynling laserstrålning, som överskrider gränsen för laserklass 1. Caution: Invisible laser radiation when open and interlocks defeated avoid expo- sure to beam. Advarsel:Usynling laserståling ved åbning, når sikkerhedsafbrydere er ude af funktion. Undgå udsættelse for stråling. CAUTION Use of controls or adjustments or performance of procedures other than those specified herein may result in hazardous radiation exposure. ATTENTION L'utilisation de commandes, réglages ou procédures autres que ceux spécifiés peut entraîner une dangereuse exposition aux radiations. ADVARSEL! Usynlig laserståling ved åbning, når sikkerhedsafbrydereer ude af funktion. Undgå udsættelse for stråling. This Compact Disc player is classified as a CLASS 1 LASER product. The CLASS 1 LASER PRODUCT label is located on the rear exterior. This set employs laser. Therefore, be sure to follow carefully the instructions below when servicing. WARNING! WHEN SERVICING, DO NOT APPROACH THE LASER EXIT WITH THE EYE TOO CLOSELY. IN CASE IT IS NECESSARY TO CONFIRM LASER BEAM EMISSION. BE SURE TO OBSERVE FROM A DISTANCE OF MORE THAN 30cm FROM THE SURFACE OF THE OBJECTIVE LENS ON THE OPTICAL PICK-UP BLOCK. CLASS 1 KLASSE 1 LUOKAN 1 KLASS 1 LASER PRODUCT LASER PRODUKT LASER LAITE LASER APPARAT www. xiaoyu163. com QQ 376315150 9 9 2 8 9 4 2 9 8 TEL 13942296513 9 9 2 8 9 4 2 9 8 0 5 1 5 1 3 6 7 3 Q Q TEL 13942296513 QQ 376315150 892498299 TEL 13942296513 QQ 376315150 892498299 http://www.xiaoyu163.com 5 REF. NO PART NO. KANRI DESCRIPTION NO. REF. NO PART NO. KANRI DESCRIPTION NO. ELECTRICAL MAIN PARTS LIST IC 87-A21-318-010 IC,BA12T 87-027-842-080 IC,NJM2904M 87-A21-320-010 IC,NJM79M12FA 87-A20-830-010 IC,BA05T 87-XMM-620-040 C-IC,NM24C16EM8X 8Z-AV2-628-010 C-IC,HD6412350F20 87-A20-905-040 C-IC,BA033FP 87-A20-185-040 C-IC,PST600DMT 87-001-551-080 IC,TC7S08F 8Z-AV4-607-010 C-IC,M27C802CZ-40 8Z-AV2-629-010 C-IC,W24512AT-15 8Z-AV2-630-010 C-IC,L64021D 8Z-AV2-633-010 C-IC,MB81F161622B 87-A20-689-080 C-IC,PCM1723 87-017-747-080 IC,TC7W04FU 87-A21-251-010 C-IC,MC44724A 87-A21-103-040 C-IC,MM1454XFBE 87-017-022-080 IC,NJM2068M-D(T1) 87-017-453-080 IC,NJM2267M 87-017-825-010 IC,GP1F32T 87-A21-254-040 C-IC,BA7660FS 8Z-AV2-632-010 C-IC,UPD16311 87-A91-074-010 RCR UNIT,NJL68H380 TRANSISTOR 89-215-652-010 TR,2SB1565E 87-A30-330-010 TR,2SB1290F 87-026-210-080 CHIP-TR,DTC144EK 87-112-134-080 C-TR,2SA1213Y 87-026-227-080 CHIP-TR,DTA114EK 89-110-372-080 TR,2SA1037(140MHZ 200MW) 89-333-265-080 TR,2SC3326A 89-324-123-080 C-TR,2SC2412K S 87-026-211-080 TR,DTA144EK DIODE 87-017-495-080 DIODE,IN5393 87-027-461-080 ZENER,HZ9B3 87-027-555-080 ZENER,HZ5C2 (200MA) 87-017-978-080 DIODE,1N4003 87-027-661-080 ZENER,HZ30-2L (200MA) 87-020-339-080 CHIP DIODE,1SS226 87-020-465-080 DIODE,1SS133 (110MA) 87-020-125-080 DIODE,1SS181 87-027-514-080 ZENER,HZ6B2 MAIN C.B BPF301 8Z-AV2-634-080 FLTR,LPF RZV-2XCN BPF302 8Z-AV2-634-080 FLTR,LPF RZV-2XCN BPF303 8Z-AV2-634-080 FLTR,LPF RZV-2XCN C101 87-012-286-080 CAP, U 0.01-25 C102 87-012-286-080 CAP, U 0.01-25 C104 87-012-286-080 CAP, U 0.01-25 C105 87-012-286-080 CAP, U 0.01-25 C108 87-016-428-080 C-CAP,E 47-16 5.5N C109 87-012-286-080 CAP, U 0.01-25 C112 87-012-286-080 CAP, U 0.01-25 C113 87-012-286-080 CAP, U 0.01-25 C114 87-012-172-080 CAPACITOR CHIP U 10P CH C115 87-016-428-080 C-CAP,E 47-16 5.5N C117 87-012-172-080 CAPACITOR CHIP U 10P CH C119 87-012-286-080 CAP, U 0.01-25 C120 87-012-286-080 CAP, U 0.01-25 C121 87-012-286-080 CAP, U 0.01-25 C122 87-016-428-080 C-CAP,E 47-16 5.5N C123 87-012-286-080 CAP, U 0.01-25 C124 87-012-286-080 CAP, U 0.01-25 C125 87-010-848-080 C-CAP,10-16V C126 87-012-286-080 CAP, U 0.01-25 C127 87-012-286-080 CAP, U 0.01-25 C128 87-012-286-080 CAP, U 0.01-25 C129 87-012-286-080 CAP, U 0.01-25 C130 87-010-848-080 C-CAP,10-16V C131 87-012-286-080 CAP, U 0.01-25 C132 87-010-848-080 C-CAP,10-16V C134 87-012-286-080 CAP, U 0.01-25 C200 87-012-286-080 CAP, U 0.01-25 C201 87-012-286-080 CAP, U 0.01-25 C202 87-016-428-080 C-CAP,E 47-16 5.5N C203 87-010-848-080 C-CAP,10-16V C204 87-012-286-080 CAP, U 0.01-25 C205 87-012-286-080 CAP, U 0.01-25 C206 87-012-286-080 CAP, U 0.01-25 C207 87-012-278-080 C-CAP,U 2200P-50 B C208 87-012-286-080 CAP, U 0.01-25 C209 87-012-286-080 CAP, U 0.01-25 C210 87-016-428-080 C-CAP,E 47-16 5.5N C211 87-012-286-080 CAP, U 0.01-25 C212 87-012-286-080 CAP, U 0.01-25 C213 87-012-286-080 CAP, U 0.01-25 C214 87-012-286-080 CAP, U 0.01-25 C215 87-012-286-080 CAP, U 0.01-25 C216 87-012-286-080 CAP, U 0.01-25 C217 87-012-286-080 CAP, U 0.01-25 C218 87-012-286-080 CAP, U 0.01-25 C219 87-012-286-080 CAP, U 0.01-25 C220 87-012-286-080 CAP, U 0.01-25 C221 87-012-286-080 CAP, U 0.01-25 C222 87-012-286-080 CAP, U 0.01-25 C223 87-012-286-080 CAP, U 0.01-25 C224 87-012-286-080 CAP, U 0.01-25 C225 87-012-171-080 C-CAP,U 9P-50 CH C230 87-012-286-080 CAP, U 0.01-25 C232 87-012-286-080 CAP, U 0.01-25 C233 87-012-286-080 CAP, U 0.01-25 C234 87-012-171-080 C-CAP,U 9P-50 CH C235 87-012-286-080 CAP, U 0.01-25 C236 87-010-848-080 C-CAP,10-16V C237 87-010-848-080 C-CAP,10-16V C239 87-010-831-080 C-CAP,U,0.1-16F C241 87-010-831-080 C-CAP,U,0.1-16F C242 87-010-831-080 C-CAP,U,0.1-16F C246 87-012-196-080 C-CAP,U 120P-50 J CH C247 87-012-199-080 C-CAP,U 220P-50 J CH C300 87-012-286-080 CAP, U 0.01-25 C301 87-016-428-080 C-CAP,E 47-16 5.5N C302 87-012-286-080 CAP, U 0.01-25 C303 87-010-831-080 C-CAP,U,0.1-16F C304 87-010-831-080 C-CAP,U,0.1-16F C305 87-010-831-080 C-CAP,U,0.1-16F C306 87-010-831-080 C-CAP,U,0.1-16F C307 87-012-286-080 CAP, U 0.01-25 C308 87-010-831-080 C-CAP,U,0.1-16F C310 87-012-286-080 CAP, U 0.01-25 C311 87-016-428-080 C-CAP,E 47-16 5.5N C312 87-012-286-080 CAP, U 0.01-25 C313 87-010-831-080 C-CAP,U,0.1-16F C315 87-010-831-080 C-CAP,U,0.1-16F C316 87-010-831-080 C-CAP,U,0.1-16F C317 87-010-848-080 C-CAP,10-16V C318 87-012-286-080 CAP, U 0.01-25 C319 87-012-182-080 C-CAP,U 27P-50 CH C320 87-012-182-080 C-CAP,U 27P-50 CH C324 87-012-182-080 C-CAP,U 27P-50 CH C325 87-012-182-080 C-CAP,U 27P-50 CH C329 87-012-182-080 C-CAP,U 27P-50 CH www. xiaoyu163. com QQ 376315150 9 9 2 8 9 4 2 9 8 TEL 13942296513 9 9 2 8 9 4 2 9 8 0 5 1 5 1 3 6 7 3 Q Q TEL 13942296513 QQ 376315150 892498299 TEL 13942296513 QQ 376315150 892498299 http://www.xiaoyu163.com 6 REF. NO PART NO. KANRI DESCRIPTION NO. REF. NO PART NO. KANRI DESCRIPTION NO. C330 87-012-182-080 C-CAP,U 27P-50 CH CN100 87-A60-942-080 C-CONN,5P V PH-SM3-TB CN102 87-A60-889-080 C-CONN,10P V FMN-BMTTN-TF CN200 87-A60-790-080 C-CONN,28P V 28FLT-SM1TB CN201 87-A60-892-080 C-CONN,20P V FLT-SM1-TB CN202 87-A60-852-080 C-CONN,6P V FMN-BMTTNTF CN300 87-A60-891-080 C-CONN,14P V FMN-BMTTN-TF CN301 87-A60-888-080 C-CONN,9P V FMN-BMTTN-TF J106 87-A60-486-080 SOCKET,IC 2-44P IC179-44600 L100 87-005-799-080 C-COIL, 1UH FLC32 L101 87-005-799-080 C-COIL, 1UH FLC32 L102 87-005-799-080 C-COIL, 1UH FLC32 L200 87-005-799-080 C-COIL, 1UH FLC32 L201 87-005-799-080 C-COIL, 1UH FLC32 L202 87-005-803-080 C-COIL,2.2UH JFLC32 L204 87-005-803-080 C-COIL,2.2UH JFLC32 L205 87-005-815-080 C-COIL, 22UH J FLC32 L300 87-005-803-080 C-COIL,2.2UH JFLC32 L301 87-005-815-080 C-COIL, 22UH J FLC32 L302 87-005-811-080 C-COIL,10UH J FLC32 L303 87-005-817-080 C-COIL, 33UH J FLC32 L307 87-005-817-080 C-COIL, 33UH J FLC32 L308 87-005-817-080 C-COIL, 33UH J FLC32 X100 87-A70-194-080 C-VIB,XTAL 20MHZ HC-49/U03C X200 87-A70-195-080 C-VIB,XTAL 27MHZ HC-49/U03C REAR C.B C602 87-010-378-080 CAP,E 10-16 M 11L SME C607 87-010-378-080 CAP,E 10-16 M 11L SME C614 87-010-178-080 CHIP CAP 1000P C615 87-010-178-080 CHIP CAP 1000P C619 87-012-358-080 C-CAP,S 0.47-10 F Z C623 87-012-154-080 C-CAP,S 150P-50 CH C627 87-012-154-080 C-CAP,S 150P-50 CH C634 87-010-197-080 CAP, CHIP 0.01 DM C635 87-010-197-080 CAP, CHIP 0.01 DM C649 87-010-402-080 CAP, ELECT 2.2-50V C650 87-010-322-080 C-CAP,S 100P-50 CH C652 87-010-378-080 CAP, ELECT 10-16V C653 87-010-402-080 CAP, ELECT 2.2-50V C654 87-010-380-080 CAP, ELECT 47-16V C663 87-010-197-080 CAP, CHIP 0.01 DM C664 87-010-197-080 CAP, CHIP 0.01 DM C673 87-010-382-080 CAP, ELECT 22-25V C674 87-010-382-080 CAP, ELECT 22-25V C675 87-012-358-080 C-CAP,S 0.47-10 F Z C676 87-012-156-080 C-CAP,S 220P-50 CH C677 87-012-156-080 C-CAP,S 220P-50 CH C678 87-010-197-080 CAP, CHIP 0.01 DM C691 87-010-391-080 CAP,E 10-35 SME C692 87-010-391-080 CAP,E 10-35 SME C693 87-010-187-080 CAP CHIP S5600P C694 87-010-187-080 CAP CHIP S5600P C695 87-010-178-080 CHIP CAP 1000P C696 87-010-178-080 CHIP CAP 1000P C697 87-010-318-080 C-CAP,S 47P-50 CH C698 87-010-318-080 C-CAP,S 47P-50 CH C699 87-010-197-080 CAP, CHIP 0.01 DM C700 87-010-378-080 CAP, ELECT 10-16V C701 87-010-197-080 CAP, CHIP 0.01 DM C702 87-010-378-080 CAP, ELECT 10-16V C703 87-010-197-080 CAP, CHIP 0.01 DM C706 87-010-197-080 CAP, CHIP 0.01 DM C707 87-010-404-080 CAP, ELECT 4.7-50V C708 87-010-404-080 CAP, ELECT 4.7-50V C709 87-010-382-080 CAP, ELECT 22-25V C710 87-010-382-080 CAP, ELECT 22-25V C711 87-010-263-080 CAP, ELECT 100-10V C712 87-010-263-080 CAP, ELECT 100-10V C713 87-010-197-080 CAP, CHIP 0.01 DM C714 87-010-404-080 CAP, ELECT 4.7-50V C715 87-010-404-080 CAP, ELECT 4.7-50V C716 87-010-382-080 CAP, ELECT 22-25V C717 87-010-382-080 CAP, ELECT 22-25V C718 87-010-263-080 CAP, ELECT 100-10V C718 87-010-263-080 CAP, ELECT 100-10V C719 87-010-263-080 CAP, ELECT 100-10V C720 87-010-197-080 CAP, CHIP 0.01 DM C721 87-010-197-080 CAP, CHIP 0.01 DM C722 87-010-196-080 CHIP CAPACITOR,0.1-25 C723 87-010-196-080 CHIP CAPACITOR,0.1-25 C724 87-010-401-080 CAP, ELECT 1-50V C725 87-010-263-080 CAP, ELECT 100-10V C726 87-010-382-080 CAP, ELECT 22-25V C727 87-010-401-080 CAP, ELECT 1-50V C728 87-010-263-080 CAP, ELECT 100-10V C729 87-010-382-080 CAP, ELECT 22-25V CN600 87-A60-899-010 CONN,6P V BLK FMN-BTRK CN602 87-009-031-010 CONNECTOR, 3P CN700 87-009-036-010 CONNECTOR, 8P PH V WHT CN701 87-A60-902-010 CONN,14P V BLK FMN-BTRK CN702 87-A60-900-010 CONN,9P V BLK FMN-BTRK FB600 87-005-786-080 F-BEAD,BL03RN2 FB601 87-005-786-080 F-BEAD,BL03RN2 FB615 87-005-786-080 F-BEAD,BL03RN2 FB616 87-005-786-080 F-BEAD,BL03RN2 FB700 87-005-786-080 F-BEAD,BL03RN2 FB701 87-005-786-080 F-BEAD,BL03RN2 FB702 87-005-786-080 F-BEAD,BL03RN2 FB703 87-005-786-080 F-BEAD,BL03RN2 FB704 87-005-786-080 F-BEAD,BL03RN2 FB705 87-005-786-080 F-BEAD,BL03RN2 FB706 87-005-786-080 F-BEAD,BL03RN2 J700 87-A60-906-010 JACK,PIN 1P BLU YKC21 J701 87-A60-907-010 JACK,PIN 2P R/G YKC21 J702 87-A60-908-010 JACK,PIN 4P Y/R/W YKC21 J703 87-A60-127-010 JACK,Y/CYKF51.5504 L700 87-005-477-080 COIL,22UH FLR50 J L701 87-005-477-080 COIL,22UH FLR50 J FR C.B C901 87-010-374-080 CAP, ELECT 47-10V C902 87-010-378-080 CAP, ELECT 10-16V C904 87-010-196-080 CHIP CAPACITOR,0.1-25 C905 87-010-196-080 CHIP CAPACITOR,0.1-25 C906 87-010-196-080 CHIP CAPACITOR,0.1-25 CN900 87-A60-904-010 CONN,10P H BLK FMN-STRK CN901 87-A60-655-010 CONN,16P V GRY FMN-BTK FL900 8Z-AV2-611-010 FL,10BT219GNK HL900 8Z-AV1-212-010 GUIDE,FL L900 87-003-147-080 COIL,22UH LAL02 J S904 87-036-397-080 SW,TACT SKQNAB S905 87-036-397-080 SW,TACT SKQNAB S906 87-036-397-080 SW,TACT SKQNAB S907 87-036-397-080 SW,TACT SKQNAB S908 87-036-397-080 SW,TACT SKQNAB S909 87-036-397-080 SW,TACT SKQNAB S910 87-036-397-080 SW,TACT SKQNAB S911 87-036-397-080 SW,TACT SKQNAB S912 87-036-397-080 SW,TACT SKQNAB S913 87-036-397-080 SW,TACT SKQNAB S914 87-036-397-080 SW,TACT SKQNAB S915 87-036-397-080 SW,TACT SKQNAB S916 87-036-397-080 SW,TACT SKQNAB S917 87-036-397-080 SW,TACT SKQNAB S918 87-036-397-080 SW,TACT SKQNAB S919 87-036-397-080 SW,TACT SKQNAB S920 87-036-397-080 SW,TACT SKQNAB www. xiaoyu163. com QQ 376315150 9 9 2 8 9 4 2 9 8 TEL 13942296513 9 9 2 8 9 4 2 9 8 0 5 1 5 1 3 6 7 3 Q Q TEL 13942296513 QQ 376315150 892498299 TEL 13942296513 QQ 376315150 892498299 http://www.xiaoyu163.com 7 REF. NO PART NO. KANRI DESCRIPTION NO. REF. NO PART NO. KANRI DESCRIPTION NO. S921 87-036-397-080 SW,TACT SKQNAB HPJ C.B C950 87-010-178-080 CHIP CAP 1000P C951 87-010-178-080 CHIP CAP 1000P C952 87-010-197-080 CAP, CHIP 0.01 DM CN950 87-A60-903-010 CONN,5P H BLK FMN-STRK HL950 8Z-AV1-205-010 HLDR,JACK J950 87-A60-442-010 JACK,6.3 BLK ST W/SW YKB21-520 L951 87-A50-189-080 C-COIL,S BLM21B272S L952 87-A50-189-080 C-COIL,S BLM21B272S L953 87-A50-189-080 C-COIL,S BLM21B272S LED C.B C970 87-010-553-040 CAP,E 47-16 GAS C971 87-010-197-080 CAP, CHIP 0.01 DM C972 87-010-197-080 CAP, CHIP 0.01 DM C973 87-010-196-080 CHIP CAPACITOR,0.1-25 C974 87-010-209-080 CAP,TC U 0.1-50 C975 87-010-154-080 CAP CHIP 10P C976 87-016-044-040 CAP,E 100-16 GAS C977 87-016-044-040 CAP,E 100-16 GAS C978 87-010-154-080 CAP CHIP 10P C979 87-010-553-040 CAP,E 47-16 GAS CN970 87-A60-655-010 CONN,16P V GRY FMN-BTK CN971 87-009-352-010 CONN,9P PH H CN972 87-009-031-010 CONNECTOR, 3P CN973 87-A60-903-010 CONN,5P H BLK FMN-STRK D970 87-A40-422-010 LED,SLP-581D-51 Y-G/R D971 87-A40-374-080 LED,SEL6510C-TP5 D972 87-A40-374-080 LED,SEL6510C-TP5 L970 87-003-149-080 COIL,47UH L971 87-003-149-080 COIL,47UH S970 87-036-397-080 SW,TACT SKQNAB S971 87-036-397-080 SW,TACT SKQNAB VR970 87-A90-595-010 VR,RTRY 20KAX2 1 V XVO122GPVN2 POWER C.B ! 87-033-213-080 CLAMP, FUSE C3 87-016-662-090 CAP,E 4700-35 TKR C4 87-016-451-090 CAP,E 10000-16 TKR C6 87-010-405-080 CAP, ELECT 10-50V C7 87-010-405-080 CAP, ELECT 10-50V C9 87-010-263-080 CAP, ELECT 100-10V C10 87-010-112-080 CAP, ELECT 100-16V C13 87-016-662-090 CAP,E 4700-35 TKR C14 87-016-451-090 CAP,E 10000-16 TKR C19 87-010-263-080 CAP, ELECT 100-10V C20 87-010-384-080 CAP, ELECT 100-25V C21 87-010-396-080 CAP,E 470-35 SME C22 87-010-792-080 CAP,E 220-63 M 11L SME C24 87-010-405-080 CAP, ELECT 10-50V C25 87-010-384-080 CAP, ELECT 100-25V C26 87-010-408-080 CAP, ELECT 47-50V CN1 87-009-415-010 CONN,14P PH V CN2 87-009-033-010 CONNECTOR, 5P CN3 87-009-034-010 CONN,6P PH V CN4 87-009-036-010 CONNECTOR, 8P PH V WHT CN5 87-009-037-010 CONN 9P PH V !F1 87-035-402-010 FUSE 2A 250V !F2 87-035-401-010 FUSE 1.6A-250V UL !F3 87-A90-070-080 FUSE,3.5A 125V !F4 87-A90-765-080 FUSE,1.6A 125V !F5 87-A90-410-080 FUSE,0.5A 125V !F6 87-035-495-080 FUSE,750MA 125V !F7 87-A90-410-080 FUSE,0.5A 125V FR2 87-029-129-060 RES,FUSE 3.3-1/4W J PT C.B ! 87-033-213-080 CLAMP, FUSE C51 87-016-467-010 CAP,M/P 0.022-250 M CNA6 8Z-AV2-642-010 CONN ASSY,14P HPP-1 !F51 87-035-448-010 FUSE,400MA 250V TW/C !LF51 87-030-274-010 FLTR,LF-4D-333 !PT51 8Z-AV2-608-010 PT,U ZAV-2 !TM1 87-A60-317-010 TERMINAL, 1P MSC !TM2 87-A60-317-010 TERMINAL, 1P MSC • Regarding connectors, they are not stocked as they are not the initial order items. The connectors are available after they are supplied from connector manufacturers upon the order is received. www. xiaoyu163. com QQ 376315150 9 9 2 8 9 4 2 9 8 TEL 13942296513 9 9 2 8 9 4 2 9 8 0 5 1 5 1 3 6 7 3 Q Q TEL 13942296513 QQ 376315150 892498299 TEL 13942296513 QQ 376315150 892498299 http://www.xiaoyu163.com 8 8 8 A Resistor Code Chip Resistor Part Coding Figure Value of resistor Chip resistor Wattage Type Tolerance 1/16W 1/10W 1/8W 1608 2125 3216 5% 5% 5% CJ CJ CJ Form L W t 1.6 0.8 0.45 2 1.25 0.45 3.2 1.6 108 118 128 : A : A CHIP RESISTOR PART CODE 0.55 Resistor Code Dimensions (mm) Symbol 1/16W 1005 5% CJ 1.0 0.5 0.35 104 L t W TRANSISTOR ILLUSTRATION E B C 2SA1037 2SC2412 DTA114EK DTC114EK DTC144EK E C B 2SC3266 2SA1213 B C E 2SB1290 B C E 2SB1565 B C E www. xiaoyu163. com QQ 376315150 9 9 2 8 9 4 2 9 8 TEL 13942296513 9 9 2 8 9 4 2 9 8 0 5 1 5 1 3 6 7 3 Q Q TEL 13942296513 QQ 376315150 892498299 TEL 13942296513 QQ 376315150 892498299 http://www.xiaoyu163.com 9 IC BLOCK DIAGRAM IC, PCM1723 IC, MC44724A IC, MM1454XFBE Data ROM OSC 24 1 5 XTO XTI MCKO 27 MHz Counter N Counter M Internal System Clock Phase Detector & Loop Filter VCO 2 SCKO 256 fs / 384 fs C/Fsync/VBI F/Vsync Hsync Sync_generator BG CGMS, WSS_gen CC_gen DVdd DVss DVIA [7 : 0] DVIB [7 : 0] A/B_sel TP Clock Chip A Reset PAL/NTSC SO SDA/SI SCL/SCK SEL TEST DA Vss DA Vdd Ibias 2 Vref 2 C/Cr/R 2 C/Cr/R 2 CVBS/Cb/B 2 CVBS/Cb/B 2 Y/G 2 Y/G 2 Ibias 1 Vref 1 C/Cr/R 1 C/Cr/R 1 CVBS/Cb/B 1 CVBS/Cb/B 1 Y/G 1 Y/G 1 C/Cr/R 1Vdd CVBS/Cb/B 1Vdd Y/G 1Vdd Y/G 2Vdd C/Cr/R 2Vdd CVBS/Cb/B 2Vdd TEST I2C/SPI Output Selector BIAS DAC BIAS DAC DAC DAC DAC DAC 0 0 0 0 0 0 0 0 0 0 H, V Y Demux Cb Cr RGB Matrix Modulator Off_set Copy Protection bus bus 30 28 51 27 10 13 15 14 24 23 18 17 21 20 11 12 8 7 2 1 6 3 9 4 5 25 19 22 50 49 48 39 | 46 52 | 55 58 | 61 , 29 26 31 32 62 33 35 34 36 16 15 14 13 12 11 10 9 1 2 3 4 5 6 7 8 + – + – + – BIAS VCC RIN PNR B/Q DET QF6 ROUT LOUT GND LIN VREF QF1 QF2 QF3 QF4 QF5 QSurround www. xiaoyu163. com QQ 376315150 9 9 2 8 9 4 2 9 8 TEL 13942296513 9 9 2 8 9 4 2 9 8 0 5 1 5 1 3 6 7 3 Q Q TEL 13942296513 QQ 376315150 892498299 TEL 13942296513 QQ 376315150 892498299 http://www.xiaoyu163.com 10 IC, BA7660FS IC, UPD16311 IC, NJM2267M MUTE 1 2 3 4 5 6 7 8 INA GND INB GND N.C. INC GND 9 10 11 12 13 14 15 16 VCC OUTA1 OUTA2 OUTB1 OUTB2 N.C. OUTC1 OUTC2 8 dB 8 dB 8 dB 75 Ω 75 Ω 75 Ω Serial I/F DIN DOUT CLK STB OSC Key1 | Key4 4 SW1 | SW4 4 4 bit Latch 5 bit Latch LED1 LED5 Key Data Memory (4 X 12) Timing Generator Key Scan Memory 20 bit X 16 word Command Decoder Dimming Circuit 20 bit Latch Output 16 bit Shift Register 20 12 8 8 16 8 8 VDD (+5 V) VSS (0 V) VEE (–30 V) Seg1 Seg12 Seg13/Grid16 Seg20/Grid9 Grid1 Grid8 Data Selector Grid Driver Driver Segment Driver 7 5 8 34 51 52 OSC 50 @— 46 14, 33, 45 9 10 | 13 1 | 4 44 | 37 15 | 26 8 1 V IN 2 V IN 1 Clamp Clamp 6.2 dB Amp 6.2 dB Amp 7 V OUT 2 5 6 4 3 V SGA 2 GND V OUT 1 V SGA 1 V+ 2 2.07 KΩ 2.2 KΩ 2.07 KΩ 2.2 KΩ 75 Ω Driver 75 Ω Driver 750 Ω 750 Ω www. xiaoyu163. com QQ 376315150 9 9 2 8 9 4 2 9 8 TEL 13942296513 9 9 2 8 9 4 2 9 8 0 5 1 5 1 3 6 7 3 Q Q TEL 13942296513 QQ 376315150 892498299 TEL 13942296513 QQ 376315150 892498299 http://www.xiaoyu163.com 12 11 BLOCK DIAGRAM w w w . x i a o y u 1 6 3 . c o m Q Q 3 7 6 3 1 5 1 5 0 9 9 2 8 9 4 2 9 8 T E L 1 3 9 4 2 2 9 6 5 1 3 9 9 2 8 9 4 2 9 8 0 5 1 5 1 3 6 7 3 Q Q TEL 13942296513 QQ 376315150 892498299 TEL 13942296513 QQ 376315150 892498299 http://www.xiaoyu163.com 14 13 WIRING-1 (MAIN) 14 13 12 11 10 9 8 7 6 5 4 3 2 1 A B C D E F G H I J w w w . x i a o y u 1 6 3 . c o m Q Q 3 7 6 3 1 5 1 5 0 9 9 2 8 9 4 2 9 8 T E L 1 3 9 4 2 2 9 6 5 1 3 9 9 2 8 9 4 2 9 8 0 5 1 5 1 3 6 7 3 Q Q TEL 13942296513 QQ 376315150 892498299 TEL 13942296513 QQ 376315150 892498299 http://www.xiaoyu163.com 16 15 1 2 3 4 5 6 7 8 9 10 11 12 13 14 A B C D E F G H I J w w w . x i a o y u 1 6 3 . c o m Q Q 3 7 6 3 1 5 1 5 0 9 9 2 8 9 4 2 9 8 T E L 1 3 9 4 2 2 9 6 5 1 3 9 9 2 8 9 4 2 9 8 0 5 1 5 1 3 6 7 3 Q Q TEL 13942296513 QQ 376315150 892498299 TEL 13942296513 QQ 376315150 892498299 http://www.xiaoyu163.com 18 17 SCHEMATIC DIAGRAM-1 (MAIN: SYSCON) H w w w . x i a o y u 1 6 3 . c o m Q Q 3 7 6 3 1 5 1 5 0 9 9 2 8 9 4 2 9 8 T E L 1 3 9 4 2 2 9 6 5 1 3 9 9 2 8 9 4 2 9 8 0 5 1 5 1 3 6 7 3 Q Q TEL 13942296513 QQ 376315150 892498299 TEL 13942296513 QQ 376315150 892498299 http://www.xiaoyu163.com 20 19 SCHEMATIC DIAGRAM-2 (MAIN: AV DECODER) H H H H H 11 11 : AUDIO PB(ANALOG) SIGNAL WAVE FORMS NO. 0(5.0) 5.0(0) -0.1(4.9) 5.0 2.5 2.5 5.0 1.8 5.0 5.0 0 5.0 5.0(0) 2.5 w w w . x i a o y u 1 6 3 . c o m Q Q 3 7 6 3 1 5 1 5 0 9 9 2 8 9 4 2 9 8 T E L 1 3 9 4 2 2 9 6 5 1 3 9 9 2 8 9 4 2 9 8 0 5 1 5 1 3 6 7 3 Q Q TEL 13942296513 QQ 376315150 892498299 TEL 13942296513 QQ 376315150 892498299 http://www.xiaoyu163.com 22 21 SCHEMATIC DIAGRAM-3 (MAIN: VIDEO DECODER) : COMPOSIT SIGNAL VOLTAGE ( ) :POWER OFF WAVE FORMS NO. : Y SIGNAL : C SIGNAL : CR SIGNAL : CB SIGNAL H H 1 3 5 8 6 4 2 9 7 3 4 10 1.4(0.9) 1.4(0.9) 0.7(0.3) 0.8(0.3) 1.2(0.3) 1.8(0.9) 1.8(0.6) 1.0(0) 1.8(0.6) 1.0(0) 1.9(0.6) 1.2(0) 2.4(0.6) 1.8(0) 1.6(0.6) 1.0(0) 1.6(0.6) 0.7(0) 0.8(0.3) 1.6(0.9) 1.6(0.9) 1.6(0.9) 0.9(0.3) 0.8(0.3) w w w . x i a o y u 1 6 3 . c o m Q Q 3 7 6 3 1 5 1 5 0 9 9 2 8 9 4 2 9 8 T E L 1 3 9 4 2 2 9 6 5 1 3 9 9 2 8 9 4 2 9 8 0 5 1 5 1 3 6 7 3 Q Q TEL 13942296513 QQ 376315150 892498299 TEL 13942296513 QQ 376315150 892498299 http://www.xiaoyu163.com 1 2 3 4 5 6 7 8 9 10 11 12 13 14 A B C D E F G H I J K 24 23 WIRING-2 (REAR) w w w . x i a o y u 1 6 3 . c o m Q Q 3 7 6 3 1 5 1 5 0 9 9 2 8 9 4 2 9 8 T E L 1 3 9 4 2 2 9 6 5 1 3 9 9 2 8 9 4 2 9 8 0 5 1 5 1 3 6 7 3 Q Q TEL 13942296513 QQ 376315150 892498299 TEL 13942296513 QQ 376315150 892498299 http://www.xiaoyu163.com 26 25 SCHEMATIC DIAGRAM-4 (REAR: A OUT) : AUDIO PB(ANALOG) SIGNAL VOLTAGE ( ) :POWER OFF 0 0 0 0 0 0 -12.1 -0.5(11.9) 5.5(0.5) 5.5(0.5) 0 0.2 5.5(0.5) 5.5(0.5) 5.5(0.5) 11.9(0.5) 5.5(0.5) 6.1(0.5) 0.2 5.5(0.5) 5.5(0.5) 5.5(0.5) 0 0(-0.9) -12.1 0(-0.8) 0(-0.8) 0(-0.8) 0(-0.9) 11.9 0 -0.1(0.7) -0.1(0.7) w w w . x i a o y u 1 6 3 . c o m Q Q 3 7 6 3 1 5 1 5 0 9 9 2 8 9 4 2 9 8 T E L 1 3 9 4 2 2 9 6 5 1 3 9 9 2 8 9 4 2 9 8 0 5 1 5 1 3 6 7 3 Q Q TEL 13942296513 QQ 376315150 892498299 TEL 13942296513 QQ 376315150 892498299 http://www.xiaoyu163.com 28 27 SCHEMATIC DIAGRAM-5 (REAR: V OUT) : COMPSIT SIGNAL : Y SIGNAL : C SIGNAL : CR SIGNAL : CB SIGNAL 75Ω DRIVER 75Ω DRIVER 75Ω DRIVER H H : AUDIO PB(ANALOG) : AUDIO (DIGITAL) P P VOLTAGE ( ) :POWER OFF WAVE FORMS NO. 10 8 4 2 13 4 6 2.1(0.3) 4.9(0.3) 2.3(0.3) 2.2(0.3) 2.3(0.3) 2.2(0.3) 2.1(0.3) 2.1(0.3) 4.9(0.3) 2.3(0.3) 2.2(0.3) 2.3(0.3) 2.2(0.3) 4.9(0) 2.6(0) 2.5(0) 0 0 0 0 0 0 0.8(0) 0.8(0) 2.5(0) 2.5(0) 2.1(0.3) w w w . x i a o y u 1 6 3 . c o m Q Q 3 7 6 3 1 5 1 5 0 9 9 2 8 9 4 2 9 8 T E L 1 3 9 4 2 2 9 6 5 1 3 9 9 2 8 9 4 2 9 8 0 5 1 5 1 3 6 7 3 Q Q TEL 13942296513 QQ 376315150 892498299 TEL 13942296513 QQ 376315150 892498299 http://www.xiaoyu163.com 1 2 3 4 5 6 7 8 9 10 11 12 13 14 A B C D E F G H I J K 30 29 WIRING-3 (FRONT) L MIXED AUDIO OUT VIDEO OUT S-VIDEO OUT 2 1 R 4 3 1 2 VIDEO OUT PB Y PR OPTICAL OUT w w w . x i a o y u 1 6 3 . c o m Q Q 3 7 6 3 1 5 1 5 0 9 9 2 8 9 4 2 9 8 T E L 1 3 9 4 2 2 9 6 5 1 3 9 9 2 8 9 4 2 9 8 0 5 1 5 1 3 6 7 3 Q Q TEL 13942296513 QQ 376315150 892498299 TEL 13942296513 QQ 376315150 892498299 http://www.xiaoyu163.com 32 31 SCHEMATIC DIAGRAM-6 (FRONT) H SENSOR : AUDIO PB(ANALOG) SIGNAL 5.0 5.0 0(5.0) -0.1(4.6) -12.0 -11.8 -27.6 -27.6 -27.6 -27.6 -27.6 5.0 5.0 5.0 -24.3 -24.3 -22.1 -19.4 -26.9 -24.7 -30.0 -24.6 -19.4 -21.9 -27.3 -27.3 2.8 4.9 4.9 4.9 4.9 0 1.2 0 0 -24.9 -22.2 -19.6 -27.6 -24.9 -27.6 -27.6 -27.6 -27.6 -27.6 -30.5 5.0 VOLTAGE ( ) :POWER OFF w w w . x i a o y u 1 6 3 . c o m Q Q 3 7 6 3 1 5 1 5 0 9 9 2 8 9 4 2 9 8 T E L 1 3 9 4 2 2 9 6 5 1 3 9 9 2 8 9 4 2 9 8 0 5 1 5 1 3 6 7 3 Q Q TEL 13942296513 QQ 376315150 892498299 TEL 13942296513 QQ 376315150 892498299 http://www.xiaoyu163.com 1 2 3 4 5 6 7 8 9 10 11 12 13 14 A B C D E F G H I J K 34 33 WIRING-4 (PT/POWER) w w w . x i a o y u 1 6 3 . c o m Q Q 3 7 6 3 1 5 1 5 0 9 9 2 8 9 4 2 9 8 T E L 1 3 9 4 2 2 9 6 5 1 3 9 9 2 8 9 4 2 9 8 0 5 1 5 1 3 6 7 3 Q Q TEL 13942296513 QQ 376315150 892498299 TEL 13942296513 QQ 376315150 892498299 http://www.xiaoyu163.com 36 35 SCHEMATIC DIAGRAM-7 (PT) AC120V 60HZ w w w . x i a o y u 1 6 3 . c o m Q Q 3 7 6 3 1 5 1 5 0 9 9 2 8 9 4 2 9 8 T E L 1 3 9 4 2 2 9 6 5 1 3 9 9 2 8 9 4 2 9 8 0 5 1 5 1 3 6 7 3 Q Q TEL 13942296513 QQ 376315150 892498299 TEL 13942296513 QQ 376315150 892498299 http://www.xiaoyu163.com 38 37 SCHEMATIC DIAGRAM-8 (POWER) w w w . x i a o y u 1 6 3 . c o m Q Q 3 7 6 3 1 5 1 5 0 9 9 2 8 9 4 2 9 8 T E L 1 3 9 4 2 2 9 6 5 1 3 9 9 2 8 9 4 2 9 8 0 5 1 5 1 3 6 7 3 Q Q TEL 13942296513 QQ 376315150 892498299 TEL 13942296513 QQ 376315150 892498299 http://www.xiaoyu163.com 39 WAVE FORM 1) Q302 (B) PLAY: NTSC COLOR BAR SOFT: A.BEX (PTD1-NOR) 500mV/DIV 10µS/DIV 2) Q308 (E) J702: V OUT (75Ω TERMINATED) PLAY: NTSC COLOR BAR SOFT: A.BEX (PTD1-NOR) 200mV/DIV 10µS/DIV 3) Q301 (B), Q303 (B) PLAY: NTSC COLOR BAR SOFT: A.BEX (PTD1-NOR) 500mV/DIV 10µS/DIV 4) Q307, Q309 (E) J701, J703: Y OUT (75Ω TERMINATED) PLAY: NTSC COLOR BAR SOFT: A.BEX (PTD1-NOR) 200mV/DIV 10µS/DIV www. xiaoyu163. com QQ 376315150 9 9 2 8 9 4 2 9 8 TEL 13942296513 9 9 2 8 9 4 2 9 8 0 5 1 5 1 3 6 7 3 Q Q TEL 13942296513 QQ 376315150 892498299 TEL 13942296513 QQ 376315150 892498299 http://www.xiaoyu163.com 40 5) Q300 (B) PLAY: NTSC COLOR BAR SOFT: A.BEX (PTD1-NOR) 500mV/DIV 10µS/DIV 6) Q306 (E) J703: C OUT (75Ω TERMINATED) PLAY: NTSC COLOR BAR SOFT: A.BEX (PTD1-NOR) 200mV/DIV 10µS/DIV 7) Q305 (B) PLAY: NTSC COLOR BAR SOFT: A.BEX (PTD1-NOR) 500mV/DIV 10µS/DIV 8) Q311 (E) J701: CR OUT (75Ω TERMINATED) PLAY: NTSC COLOR BAR SOFT: A.BEX (PTD1-NOR) 200mV/DIV 10µS/DIV www. xiaoyu163. com QQ 376315150 9 9 2 8 9 4 2 9 8 TEL 13942296513 9 9 2 8 9 4 2 9 8 0 5 1 5 1 3 6 7 3 Q Q TEL 13942296513 QQ 376315150 892498299 TEL 13942296513 QQ 376315150 892498299 http://www.xiaoyu163.com 41 9) Q304 (B) PLAY: NTSC COLOR BAR SOFT: A.BEX (PTD1-NOR) 500mV/DIV 10µS/DIV 10) Q310 (E) J700: CB OUT (75Ω TERMINATED) PLAY: NTSC COLOR BAR SOFT: A.BEX (PTD1-NOR) 200mV/DIV 10µS/DIV 11) IC203 (11) (14) PIN PLAY: NTSC COLOR BAR SOFT: A.BEX (PTD1-NOR) 1V/DIV 200µS/DIV www. xiaoyu163. com QQ 376315150 9 9 2 8 9 4 2 9 8 TEL 13942296513 9 9 2 8 9 4 2 9 8 0 5 1 5 1 3 6 7 3 Q Q TEL 13942296513 QQ 376315150 892498299 TEL 13942296513 QQ 376315150 892498299 http://www.xiaoyu163.com 42 12) IC608 (2) (7) PIN PLAY: NTSC COLOR BAR SOFT: A.BEX (PTD1-NOR) 500mV/DIV 200µS/DIV 13) J702 R, L OUT (22kΩ TERMINATED) PLAY: NTSC COLOR BAR SOFT: A.BEX (PTD1-NOR) 1V/DIV 200µS/DIV www. xiaoyu163. com QQ 376315150 9 9 2 8 9 4 2 9 8 TEL 13942296513 9 9 2 8 9 4 2 9 8 0 5 1 5 1 3 6 7 3 Q Q TEL 13942296513 QQ 376315150 892498299 TEL 13942296513 QQ 376315150 892498299 http://www.xiaoyu163.com 43 1 2 3, 4 5 6-9 10 11-18 19 20-27 28 29 30 31 32 33, 34 35, 36 37 38 39 40-43 44 45-52 53 54-57 58 59 60 61 62 63 64 65 66 67, 68 69 70 71 72 73 74 75 IC, HD6412350F20 Pin No. Pin Name I/O Description IC DESCRIPTION ________________ CS1ROM ________________ CS0ROM VSS VCC A0-3 VSS A4-11 VSS A12-19 VSS A20 CODEC_ERR ____________________ INT_VDEC _______________ HD_INT P67, 66 VSS ____________________ INT_ADEC UC18 VCC D0-3 VSS D4-11 VSS D12-15 VCC TXD0 TXD1 RXD0 RXD1 SCK0 SCK1 VSS __________________ CS VDEC VSS ________ CS5 DREQ1 BASS CONT CS_FR ________________ SYSRST REMOCON USCL — O I I O I O I O I O — I I — I — — I I/O I I/O I I/O I O O I I O O I O I O — — O O I O Not used. Chip select output terminal for ROM. GND. Power input terminal. EVER 5 V. Address bus output terminal. GND. Address bus output terminal. GND. Address bus output terminal. GND. Not used. Interrupt signal for AV DECODER IC. Interrupt signal from LOADER. Not used. GND. Not used. Power input terminal. EVER 5 V. Data bus input/output terminal. GND. Data bus input/output terminal. GND. Data bus input/output terminal. Power input terminal. EVER 5 V. Data output terminal for FL DRIVER IC serial communication control. Data output terminal for LOADER serial communication control. Data input terminal for FL DRIVER IC serial communication control. Data input terminal for LOADER serial communication control. Clock output terminal for FL DRIVER IC serial communication control. Clock output terminal for LOADER serial communication control. GND. Chip select output terminal for AV DECODER IC. GND. Chip select output terminal for SRAM. Not used. FL DRIVER IC chip select output terminal. System reset signal output terminal. Remote control signal input terminal. I2C clock output terminal for EERROM, video encoder IC. www. xiaoyu163. com QQ 376315150 9 9 2 8 9 4 2 9 8 TEL 13942296513 9 9 2 8 9 4 2 9 8 0 5 1 5 1 3 6 7 3 Q Q TEL 13942296513 QQ 376315150 892498299 TEL 13942296513 QQ 376315150 892498299 http://www.xiaoyu163.com 44 Pin No. Pin Name I/O Description 76 77 78 79 80 81 82 83 84 85 86 87 88 89 90 91 92 93 94 95 96 97, 98 99, 100 101 102 103 104 105 106, 107 108 109 110 111 112 113 114 115 116 117 118 119 USDA UML UMC UMD __________________ WDTOVF ______________ RESET NMI ___________ STBY VCC XTAL EXTAL VSS fO VCC ______ AS ______ RD __________ HWR __________ LWR ____________ WAIT PFO HRST UC17, 16 VSS UC15 Q_SURROUND AVCC VREF ECHOVOL P41, 42 RDY_HIF SW C2PO EMPH SV2 AVSS VSS A_RESET RGB/YC KARAOKE CS-KARAOKE AMUTE I/O O O O O I I I I I I I — I — O O O O — O — I — O I I — — I — — — O I I — — — — O I2C data input/output terminal for EERROM, video encoder IC. Data enable signal output terminal for AUDIO DAC IC control. Clock for AUDIO DAC IC control. Data output terminal for AUDIO DAC IC control. Watch dog timer overflow signal output terminal. Micro processor reset input terminal. Fixed is to “H”. Power input terminal. EVER 5 V. Crystal oscilator input terminal. 20 MHz. GND. Not used. (System clock output for external device.) Power input terminal. EVER 5 V. Not used. (Address strobe.) Lead signal output terminal for bus control. “H” write signal output terminal for bus control. “L” write signal output terminal for bus control. Bus request output terminal. Not used. (Bus request acknowlege.) Reset signal output terminal for LOADER. Not used. GND. Not used. Q SURROUND IC control terminal. ON = H OFF = L. Power supply input terminal for A/D. EVER 5V. Reference voltage input terminal for A/D. EVER 5V. Not used. LOADER READY signal input terminal. Not used. Voltage output for S2 terminal. S1 = 5V S2 = 2.5 V Normally = 0 V. GND. Not used. Audio signal (analog audio) output mute control terminal ON = H OFF = L. www. xiaoyu163. com QQ 376315150 9 9 2 8 9 4 2 9 8 TEL 13942296513 9 9 2 8 9 4 2 9 8 0 5 1 5 1 3 6 7 3 Q Q TEL 13942296513 QQ 376315150 892498299 TEL 13942296513 QQ 376315150 892498299 http://www.xiaoyu163.com 45 Pin No. Pin Name I/O Description 120 121 122 123, 124 125 126 127, 128 POWER ON A MUTE AC-3 ______ PAL/NT MD0, 1 MD2 PG0 PG1, 2 O — O I I — — Power supply control terminal ON = H OFF = L. Not used. Fixed to NTSC = L. (Not used.) Operation mode control Fixed to L. Operation mode control Fixed to H. Not used. (VMUTE control) Not used. www. xiaoyu163. com QQ 376315150 9 9 2 8 9 4 2 9 8 TEL 13942296513 9 9 2 8 9 4 2 9 8 0 5 1 5 1 3 6 7 3 Q Q TEL 13942296513 QQ 376315150 892498299 TEL 13942296513 QQ 376315150 892498299 http://www.xiaoyu163.com 46 1 2-5 6 7-10 11 12-19 20 21 22, 23 24 25 26 27 28 29 30 31, 32 33 34-39 40 41 42 43-45 46 47-54 55 56 57 58 59 60 61 62 63 64 65 66 67 68 69 70 IC, L64021D Pin No. Pin Name I/O Description VSS SBD_7-4 VDD SBD_3-0 VSS CH_DATA_0-7 VSS TOS_N NC ERROR_N VDD AVALID_N VVALID_N DCK VREQ_N AREQ_N NC VSS A_8-3 VDD NC VDD A_2-0 VSS D_7-0 VSS SYSCLK RESET_N DREQ_N INTR_N BUSMODE VDD RDY_N READ_N WRITE_N WAIT_N/WTN VSS NC CS_N VS HS I I/O I I/O I I I I I I I I I I O O — I I I — I I I I/O I I I O O I I O I I I/O I — I I I Ground. SDRAM data bus 7-4. Power (3.3V). SDRAM data bus 3-0. Ground. Channel data bus 0-7. Ground. Top of sector. Not connected. Error. Power (3.3V). Audio data valid. Video data valid. Data clock. Video transfer request. Audio transfer request. Not connected. Ground. Address 8-3. Power (3.3V). Not connected. Power (3.3V). Address 2-0. Ground. Host data bus 7-0. Ground. System clock. Reset. DMA transfer request. Interrupt. Busmode. Power (3.3V). Ready. Read indicator. Write indicator. Wait. Ground. Not connected. Chip select. Vertical synchronization. Horizontal synchronization. www. xiaoyu163. com QQ 376315150 9 9 2 8 9 4 2 9 8 TEL 13942296513 9 9 2 8 9 4 2 9 8 0 5 1 5 1 3 6 7 3 Q Q TEL 13942296513 QQ 376315150 892498299 TEL 13942296513 QQ 376315150 892498299 http://www.xiaoyu163.com 47 Pin No. Pin Name I/O Description 71 72 73, 74 75 76-78 79 80 81 82-84 85 86 87 88-91 92 93 94 95 96 97 98 99 100 101 102 103 104 105 106 107 108, 109 110 111 112 113, 114 115 116 117 118 119, 120 121 122 VDD OSD_ACTIVE PD_0, 1 VSS PD_2-4 VDD NC VSS PD_5-7 VSS BLANK CREF EXT_OSD_0-3 NC VDD ACLK_441 ACLK_48 ACLK_32 VSS CD_BCLK CD_LRCLK CD_ACLK CD_ASDATA SPDIF_IN A_ACLK VDD BCLK LRCLK ASDATA NC VSS SPDIF_OUT AUDIO_SYNC TM1, TM0 ZTEST SCAN_TE PREQ_N VDD SBD_15, 14 NC SBD_13 I O O I O I — I O I O O I O I I I I I I I I I I O I O O O O I O O I I I O I I/O — I/O Power (3.3V). On screen display active. Pixel data output bus 0, 1. Ground. Pixel data output bus 2-4. Power (3.3V). Not connected. Ground. Pixel data output bus 5-7. Ground. Blank (composite). Chroma reference for pixel data. External OSD palette selection bus 0-3. Not connected. Power (3.3V). Audio input clock for 44.1kHz*N. Audio input clock for 48kHz*N. Audio input clock for 32kHz*N. Ground. CD-Serial DAC bit clock. CD-Left right clock. CD-External audio clock. CD-Audio serial data line. Sony/Philips data interface-input. Output audio clock. Power (3.3V). Serial DAC bit clock. Serial DAC left right clock. Audio serial data line. Not connected. Ground. Sony/Philips data interface output. Audio sync strobe. Test mode 1, 0. Test mode pin. Scan test mode pin. PCM FIFO request. Power (3.3V). SDRAM data bus 15, 14. Not connected. SDRAM data bus 13. www. xiaoyu163. com QQ 376315150 9 9 2 8 9 4 2 9 8 TEL 13942296513 9 9 2 8 9 4 2 9 8 0 5 1 5 1 3 6 7 3 Q Q TEL 13942296513 QQ 376315150 892498299 TEL 13942296513 QQ 376315150 892498299 http://www.xiaoyu163.com 48 Pin No. Pin Name I/O Description 123 124-126 127 128, 129 130 131 132-134 135 136-138 139 140-142 143 144 145, 146 147 148 149 150 151 152 153 154 155 166 157 158 159 160 VSS SBD_12-10 VDD SBD_9, 8 SCLK VSS SBA_9-7 VDD SBA_6-4 VSS SBA_3-1 VDD SBA_0 SBA_10, 11 VSS SCS1_N SCS_N SRAS_N VDD SCAS_N SWE_N SDQM VSS PLLVDD NC PLLVSS VDD NC I I/O I I/O I/O I O I O I O I O O I O O O I O O O I I — I I — Ground. SDRAM data bus 12-10. Power (3.3V). SDRAM data bus 9, 8. SDRAM 81MHz clock. Ground. SDRAM address bus 9-7. Power (3.3V). SDRAM address bus 6-4. Ground. SDRAM address bus 3-1. Power (3.3V). SDRAM address bus 0. SDRAM address bus 10, 11. Ground. Chip select for second DRAM. Chip select for SDRAM. SDRAM row address strobe. Power (3.3V). SDRAM column address strobe. SDRAM write enable. SDRAM control pin. Ground. Power-phase locked loop for SDRAM. Not connected. Phase locked-loop ground pin. Power (3.3V). Not connected. www. xiaoyu163. com QQ 376315150 9 9 2 8 9 4 2 9 8 TEL 13942296513 9 9 2 8 9 4 2 9 8 0 5 1 5 1 3 6 7 3 Q Q TEL 13942296513 QQ 376315150 892498299 TEL 13942296513 QQ 376315150 892498299 http://www.xiaoyu163.com 49 FL (10BT219GNK) GRID ASSIGNMENT/ANODE CONNECTION www. xiaoyu163. com QQ 376315150 9 9 2 8 9 4 2 9 8 TEL 13942296513 9 9 2 8 9 4 2 9 8 0 5 1 5 1 3 6 7 3 Q Q TEL 13942296513 QQ 376315150 892498299 TEL 13942296513 QQ 376315150 892498299 http://www.xiaoyu163.com 50 REF. NO PART NO. KANRI DESCRIPTION NO. REF. NO PART NO. KANRI DESCRIPTION NO. MECHANICAL PARTS LIST 1/1 1 8Z-AV2-003-010 WINDOW,DSPLY 2U 2 8Z-AV1-004-010 PANEL,DVD 3 8Z-AV4-001-010 PANEL,FR-AL 4U 4 82-NE6-067-010 BADGE,AIWA 30N 5 8Z-AV1-001-010 CABI,FRONT 6 8Z-AV1-204-010 HLDR,FR-R 7 8Z-AV1-203-010 HLDR,FR-L 8 8Z-AV1-013-010 BTN,POWER 9 8Z-AV1-007-010 KEY,OTPB 10 8Z-AV2-622-010 FF-CABLE, 5P 1.0 FFF-2 11 8Z-AV2-612-010 CONN ASSY,3P HFR-1 12 8Z-AV1-015-010 KNOB,RTRY VOL 13 8Z-AV2-621-010 FF-CABLE, 16P 1.0 FFF-1 14 8Z-AV2-615-010 CONN ASSY,7P HFP-1 15 8Z-AV1-202-010 HLDR,FR-T 16 8Z-AV2-619-010 FF-CABLE, 10P 1.0 FFM-1 17 8Z-AV1-012-010 KEY,CURSOR 18 8Z-AV1-017-010 RING,CURSOR 19 8Z-AV1-011-010 KEY,SKIP 20 8Z-AV1-014-010 KEY,EJECT 21 8Z-AV1-010-010 KEY,CNTRL 22 87-AV1-017-010 BADGE,DVD 23 8Z-AV1-005-010 PANEL,TRAY 24 8Z-AV2-613-010 CONN ASSY,6P HSP-1 25 8Z-AV1-210-010 HLDR,MECHA B 26 8Z-AV1-211-010 HLDR,MECHA C 27 8Z-AV1-209-010 HLDR,MECHA A 28 81-DS2-018-110 FOOT 30 8Z-AV4-002-010 PANEL,REAR 4U 31 8Z-AV2-617-010 FF-CABLE, 28P 0.5 FMS-1 Basic color symbol Color Basic color symbol Color Basic color symbol Color B Black C Cream D Orange G Green H Gray L Blue LT Transparent Blue N Gold P Pink R Red S Silver ST Titan Silver T Brown V Violet W White WT Transparent White Y Yellow YT Transparent Yellow LM Metallic Blue LL Light Blue GT Transparent Green LD Dark Blue DT Transparent Orange COLOR NAME TABLE 32 8Z-AV1-207-010 HLDR,PWB B 33 8Z-AV2-616-010 CONN ASSY,5P HMP-1 34 8Z-AV2-618-010 FF-CABLE, 20P 0.5 FMS-2 35 8Z-AV2-623-010 FF-CABLE, 9P 1.0 FMR-1 36 8Z-AV2-624-010 FF-CABLE, 6P 1.0 FMR-2 37 8Z-AV2-626-010 FF-CABLE, 14P 1.0 FMR-4 38 8Z-AV2-614-010 CONN ASSY,8P HRP-1 39 8Z-AV1-206-010 HLDR,PWB A ! 40 87-A80-110-010 AC CORD ASSY,U SPT-2W 41 87-085-189-010 BUSHING, CORD (U) 42 8Z-AV1-213-010 HLDR,PT 43 8Z-AV1-002-010 CABI,STEEL 44 81-664-202-010 HOLDER, PCB 45 M8-ZZK-890-000 DVD KIT 100LU A 87-067-579-010 TAPPING SCREW, BVT2+3-8 B 8Z-AV1-215-010 S-SCREW,IT3B+3-8 ZN C 87-067-688-010 BVTT+3-6 D 87-591-094-010 QIT+3-6 GOLD E 87-067-698-010 BVT2+3-18(W/O,SLOT) F 87-067-585-010 TAPPING SCREW, BVTT+4-6 G 8Z-AV1-217-010 S-SCREW,IT3B+3-20 ZN H 8Z-AV1-216-010 S-SCREW,IT3B+3-16 ZN I 87-067-777-010 BVTT+3-6 W,CONVEX BL J 87-067-660-010 TAPPING SCREW, BVT2+3-8 www. xiaoyu163. com QQ 376315150 9 9 2 8 9 4 2 9 8 TEL 13942296513 9 9 2 8 9 4 2 9 8 0 5 1 5 1 3 6 7 3 Q Q TEL 13942296513 QQ 376315150 892498299 TEL 13942296513 QQ 376315150 892498299 http://www.xiaoyu163.com 52 51 MECHANICAL EXPLODED VIEW 1/1 A J A A I A I F C G B B D J H B H H H B J E G A A A A A B B B 1 2 3 4 5 6 P.C.B P.C.B P.C.B P.C.B 7 8 9 10 11 12 13 14 15 16 17 18 19 20 21 22 23 24 25 26 27 28 29 30 16 32 P.C.B P.C.B 32 34 35 36 37 38 11 BINDER,WIRE BINDER,WIRE WIRE ASSY,LUG 07 PLATE,E-FR PLATE,E-FR WIRE ASSY, 40 41 42 24 33 38 14 43 39 39 34 31 45 44 31 33 LUG 07 w w w . x i a o y u 1 6 3 . c o m Q Q 3 7 6 3 1 5 1 5 0 9 9 2 8 9 4 2 9 8 T E L 1 3 9 4 2 2 9 6 5 1 3 9 9 2 8 9 4 2 9 8 0 5 1 5 1 3 6 7 3 Q Q TEL 13942296513 QQ 376315150 892498299 TEL 13942296513 QQ 376315150 892498299 http://www.xiaoyu163.com 53 REF. NO PART NO. KANRI DESCRIPTION NO. ACCESSORIES/PACKAGE LIST 1 8Z-AV4-901-010 IB,U (E/S/F) DV300 -I 2 87-050-052-010 CORD,PIN 3P Y/W/R 3 8Z-AV2-610-010 RC UNIT,RC-ZVL04 920074 Printed in Singapore 2–11, IKENOHATA 1–CHOME, TAITO-KU, TOKYO 110-8710, JAPAN TEL:03 (3827) 3111 w w w . x i a o y u 1 6 3 . c o m Q Q 3 7 6 3 1 5 1 5 0 9 9 2 8 9 4 2 9 8 T E L 1 3 9 4 2 2 9 6 5 1 3 9 9 2 8 9 4 2 9 8 0 5 1 5 1 3 6 7 3 Q Q TEL 13942296513 QQ 376315150 892498299 TEL 13942296513 QQ 376315150 892498299 http://www.xiaoyu163.com

标签:

版权声明

1. 本站所有素材,仅限学习交流,仅展示部分内容,如需查看完整内容,请下载原文件。
2. 会员在本站下载的所有素材,只拥有使用权,著作权归原作者所有。
3. 所有素材,未经合法授权,请勿用于商业用途,会员不得以任何形式发布、传播、复制、转售该素材,否则一律封号处理。
4. 如果素材损害你的权益请联系客服QQ:77594475 处理。