DB12 677—2016 反恐怖防范管理规范 第 10 部分:危险化学品存储

分类:地方标准 日期: 点击:0
DB12 677—2016  反恐怖防范管理规范 第 10 部分:危险化学品存储-0 DB12 677—2016  反恐怖防范管理规范 第 10 部分:危险化学品存储-1 DB12 677—2016  反恐怖防范管理规范 第 10 部分:危险化学品存储-2 DB12 677—2016  反恐怖防范管理规范 第 10 部分:危险化学品存储-3 DB12 677—2016  反恐怖防范管理规范 第 10 部分:危险化学品存储-4 DB12 677—2016  反恐怖防范管理规范 第 10 部分:危险化学品存储-5 DB12 677—2016  反恐怖防范管理规范 第 10 部分:危险化学品存储-6 DB12 677—2016  反恐怖防范管理规范 第 10 部分:危险化学品存储-7 DB12 677—2016  反恐怖防范管理规范 第 10 部分:危险化学品存储-8

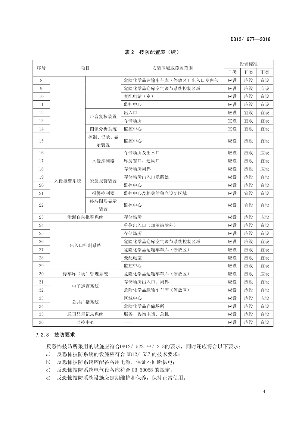
ICS 13.310 A 90 DB12 天 津 市 地 方 标 准 DB12/ 677—2016 反恐怖防范管理规范 第 10 部分:危险化学品存储 Anti-terrorist precaution management regulation Part10: Dangerous chemicals storage 2016 - 12 - 30 发布 2017 - 04 - 01 实施 天津市市场和质量监督管理委员会 发 布 DB12/ 677—2016 I 目 次 前言 ................................................................................ II 1 范围 .............................................................................. 1 2 规范性引用文件 .................................................................... 1 3 术语和定义 ........................................................................ 1 4 防范原则 .......................................................................... 1 5 目标分类划分原则 .................................................................. 2 6 重要部位 .......................................................................... 2 7 常态反恐怖防范 .................................................................... 2 8 非常态反恐怖防范 .................................................................. 5 9 应急预案要求和监督、检查 .......................................................... 6 DB12/ 677—2016 II 前 言 本标准除表1、表2、表3中规定的推荐性条款,其余为强制性条款。 DB12/ 522《反恐怖防范管理规范》分为以下部分: ——第 1 部分:通则; ——第 2 部分:城市轨道交通; ——第 3 部分:党政机关; ——第 4 部分:民爆物品; ——第 5 部分:公共供水; ——第 6 部分:电信; ——第 7 部分:水利工程; ——第 8 部分:燃气供储; ——第 9 部分:广电传媒; ——第 10 部分:危险化学品存储; ——第 11 部分:道路桥隧设施; ——第 12 部分:长途客运场站; ——第 13 部分:中小学幼儿园; ——第 14 部分:医院; ——第 15 部分:超市; ——第 16 部分:大型商业综合体; ——第 17 部分:体育场馆; 第18部分:文博场馆影剧院; 本部分为DB12/ 522的第10部分。 本部分按照GB/T 1.1-2009给出的规则起草。 请注意本部分的某些内容可能涉及专利。本部分的发布机构不承担识别这些专利的责任。 本部分由天津市反恐怖工作领导小组办公室提出并归口。 本部分起草单位:天津市安全生产监督管理局、天津市危险化学品事故应急处置中心、天津市安全 生产技术研究中心、天津市公安局反恐怖工作总队。 本部分主要起草人:沈俊、王家声、高军、赵元魁、庞梦霞、宋佩泽、王建峰、乔焱、彭志、翟猛、 蔡宏斌。 本部分于2016年12月为首次发布。 DB12/ 677—2016 1 反恐怖防范管理规范 第 10 部分:危险化学品存储 1 范围 本标准规定了危险化学品存储反恐怖防范系统管理的术语和定义、防范原则、分类划分原则、重要 部位、常态反恐怖防范、非常态反恐怖防范、应急预案要求和监督、检查。 本标准适用于设有危险化学品存储场所的单位反恐怖防范系统的规划、设计、建设、施工、验收、 使用、维护,现有设有危险化学品存储场所的单位应按照本标准改造、完善。 2 规范性引用文件 下列文件对于本文件的应用是必不可少的。凡是注日期的引用文件,仅所注日期的版本适用于本文 件。凡是不注日期的引用文件,其最新版本(包括所有的修改单)适用于本文件。 GB 50058 爆炸危险环境电力装置设计规范 DB12/ 522 反恐怖防范管理规范 第1部分:通则 DB12/ 537 企业事业单位内部治安保卫规范 3 术语和定义 DB12/ 522界定的以及下列术语和定义适用于本文件。 3.1 危险化学品 dangerous chemicals 具有毒害、腐蚀、爆炸、燃烧、助燃等性质,对人体、设施、环境具有危害的剧毒化学品和其他化 学品。 3.2 危险化学品存储场所 storage site of dangerous chemicals 储存、放置危险化学品的库区、罐区、库房或场地。 4 防范原则 4.1 反恐怖防范应遵循“预防为主、单位负责、突出重点、保障安全、专群结合”的方针和“谁主管 (监管)、谁负责;谁经营、谁负责”的原则。 4.2 设有危险化学品存储场所的单位是反恐怖防范责任主体,负有危险化学品安全监督管理职责的部 门应实施反恐怖防范管理、检查、监督,反恐怖主义工作领导机构、公安机关负责进行反恐怖防范工作 的综合指导、协调、检查、监督。 4.3 设有危险化学品存储场所的单位应建立并实施反恐怖防范系统。 5 目标分类划分原则 DB12/ 677—2016 2 5.1 根据《危险化学品重大危险源监督管理暂行规定》以及设有危险化学品存储场所的单位存储危险 化学品的品种、数量、危害性及其遭受恐怖袭击后可能造成的人员伤亡、经济损失、社会影响等要素, 对设有危险化学品存储场所的单位进行分类划分。 5.2 设有危险化学品存储场所的单位划分为三类,具体为: a) Ⅰ类目标 1) 构成一、二级危险化学品重大危险源的; 2) 涉及剧毒化学品的。 b) Ⅱ类目标 1) 构成三、四级危险化学品重大危险源且不涉及剧毒化学品的; 2) 涉及国家安全监管总局公布的重点监管的危险化学品,但不属于剧毒化学品且不构成危险 化学品重大危险源的。 c) Ⅲ类目标 除Ⅰ类目标、Ⅱ类目标以外设有危险化学品存储场所的单位。 6 重要部位 反恐怖防范重要部位主要包括:危险化学品存储场所、装卸区域、监控中心、变配电站(室)、危 险化学品运输车辆停车库(场)、危险化学品仓库空气调节系统等。 7 常态反恐怖防范 7.1 人防 7.1.1 人防组织 应符合DB12/ 522 中7.1.1要求。 7.1.2 人防配置 7.1.2.1 设有危险化学品存储场所的单位应根据危险化学品存储场所的地理面积、存储危险化学品属 性及数量、重要部位分布等情况配备安保力量,满足反恐怖防范管理要求,明确常态安保力量人数。 7.1.2.2 监控中心应设专人值守,技防设施应设专人操作,出入口和重要部位应设置固定岗、临时岗 或定时巡逻,并应有应急处置人员在岗。 7.1.2.3 人防配置应按表 1 的规定配置。 表1 人防配置表 序号 项目 配设要求 设置标准 Ⅰ类 Ⅱ类 Ⅲ类 1 反恐怖防范工作机构 组织健全、分工明确、责任落实 应设 应设 应设 2 反恐怖防范第一责任人 设有危险化学品存储场所的单位的法人或主要 负责人 应设 应设 应设 3 反恐怖防范责任部门 设有危险化学品存储场所的单位安保部门兼任 或独立 应设 应设 应设 表 1 人防配置表(续) DB12/ 677—2016 3 序号 项目 配设要求 设置标准 Ⅰ类 Ⅱ类 Ⅲ类 4 安保力量 技防值守 监控中心 应设 应设 应设 5 固定值守 出入口、应急通道 应设 应设 应设 6 巡逻 重要部位 应设 应设 应设 7 机动值守 周界 宜设 宜设 宜设 7.1.3 人防管理 7.1.3.1 设有危险化学品存储场所的单位应建立与反恐怖主义工作领导机构、公安机关和负有危险化 学品安全监督管理职责的部门的应急联动,实现涉恐信息的实时报送。 7.1.3.2 设有危险化学品存储场所的单位应建立人防管理制度,并做好相应的记录。 7.1.3.3 人防管理制度应符合 DB12/ 522 中 7.1.3.3 的要求。 7.1.3.4 应对重要部位人员进行安全背景审查,审查合格后进行专业技术培训,建立重要部位人员档 案。 7.1.4 安保力量要求 反恐怖安保力量除应符合DB12/ 522 中7.1.4的要求外,还应符合以下要求: a) 安保人员应熟悉危险化学品存储场所地理环境、危险化学品性质、重要部位分布、消防通道和 各类疏散途径,熟练掌握各类技防设施操作技能; b) 应具有应对涉恐突发事件的能力,配合职能部门工作; c) 其他需承担的反恐怖防范工作。 7.2 技防 7.2.1 技防组成 危险化学品存储场所、单位技防应包括视频监控、入侵报警、泄漏自动报警、出入口控制、停车库 (场)管理、电子巡查、公共广播、通讯显示记录等系统。 7.2.2 技防配置 反恐怖技防应按表2的规定配置。 表2 技防配置表 序号 项目 安装区域或覆盖范围 设置标准 Ⅰ类 Ⅱ类 Ⅲ类 1 视频监控系统 高清摄像机 单位主要出入口、主要通道 应设 应设 应设 2 单位周界 应设 应设 宜设 3 危险化学品存储场所的出入口及通道 应设 应设 应设 4 存储场所及其主要通道 应设 应设 应设 5 存储场所周界 应设 应设 应设 6 库房窗口、通风口 应设 应设 应设 7 装卸区域 应设 应设 宜设 DB12/ 677—2016 4 表 2 技防配置表(续) 序号 项目 安装区域或覆盖范围 设置标准 Ⅰ类 Ⅱ类 Ⅲ类 8 危险化学品运输车车库(停放区)出入口及内部 应设 应设 宜设 9 危险化学品仓库空气调节系统控制区域 应设 应设 应设 10 变配电站(室) 应设 应设 宜设 11 监控中心 应设 应设 宜设 12 声音复核装置 出入口 应设 宜设 宜设 13 存储场所 宜设 宜设 宜设 14 图像分析系统 监控中心 宜设 宜设 宜设 15 控制、记录、显 示装置 监控中心 应设 应设 宜设 16 入侵报警系统 入侵探测器 存储场所及出入口 应设 应设 应设 17 库房窗口、通风口 应设 应设 宜设 18 存储场所周界 应设 应设 应设 19 紧急报警装置 存储场所出入口隐蔽处 应设 应设 宜设 20 监控中心 应设 应设 宜设 21 报警控制器 监控中心及相关的独立设防区域 应设 宜设 宜设 22 终端图形显示 装置 监控中心 应设 宜设 宜设 23 泄漏自动报警系统 存储场所 应设 应设 应设 24 出入口控制系统 单位出入口(加油站除外) 应设 应设 宜设 25 存储场所 应设 应设 宜设 26 危险化学品仓库空气调节系统控制区域 应设 应设 宜设 27 危险化学品运输车车库(停放区) 应设 应设 宜设 28 变配电室 应设 应设 宜设 29 监控中心 应设 应设 宜设 30 停车库(场)管理系统 危险化学品运输车车库(停放区) 应设 应设 应设 31 电子巡查系统 存储场所出入口、周界 应设 应设 宜设 32 危险化学品运输车车库(停放区) 应设 应设 宜设 33 公共广播系统 区域中心 应设 应设 应设 34 危险化学品存储场所 应设 应设 宜设 35 通讯显示记录系统 服务、咨询电话、总机 应设 应设 宜设 36 监控中心 —— 应设 应设 宜设 7.2.3 技防要求 反恐怖技防所采用的设施应符合DB12/ 522 中7.2.3的要求,同时还应符合以下要求: a) 反恐怖技防系统的设施应符合 DB12/ 537 的技术要求; b) 反恐怖技防系统应配备备用电源,保证不间断供电; c) 反恐怖技防系统电气设备应符合 GB 50058 的规定; d) 反恐怖技防系统设施应定期维护和保养,保持正常使用。 DB12/ 677—2016 5 7.3 物防 7.3.1 物防组成 危险化学品存储场所、单位物防应包括实体防护设施、应急用品、防护器材等。 7.3.2 物防配置 反恐怖物防应按照表3的要求配置。 表3 物防配置表 序号 项目 安装区域或覆盖范围 设置标准 Ⅰ类 Ⅱ类 Ⅲ类 1 实体防护设施 防盗安全门、金属防护 门或防尾随联动互锁 安全门 存储场所 应设 宜设 宜设 2 危险化学品运输车车库(停放区) 应设 应设 宜设 3 危险化学品仓库空气调节系统控制区域 应设 应设 应设 4 变配电站(室) 应设 应设 应设 5 监控中心出入口 应设 应设 宜设 6 围墙或栅栏 库房、监控中心的窗口,通风口 应设 应设 宜设 7 单位或重要部位周界 应设 应设 宜设 8 应急用品 防爆毯(含防爆围栏) 监控中心 应设 应设 宜设 9 防毒面罩 监控中心 应设 应设 宜设 10 灭火器 监控中心、储存场所 应设 应设 应设 11 急救、洗消物品 监控中心 应设 应设 宜设 12 堵漏工具等应急器械 危险化学品存储场所 应设 应设 宜设 13 防护器材 强光手电、橡皮警棍、 防暴盾牌、防暴头盔、 防割(防刺)手套、防 暴钢叉、防刺服 监控中心、单位出入口 应设 应设 应设 7.3.3 物防要求 反恐怖物防所采用的防护器材和设施应符合DB12/ 522 中7.3.3的要求。 8 非常态反恐怖防范 8.1 等级划分 应符合DB12/ 522 中8.1的相关规定。 8.2 应急响应措施 8.2.1 三级非常态 应符合本文件第7章的要求,同时应采取以下工作措施: a) 安保部门负责人带班组织防范工作; b) 安保力量在常态防范基础上增加 30%; DB12/ 677—2016 6 c) 检查各类防范、处置装备、设施; d) 加强出入口控制和重要部位的巡、值守,保持通讯联络畅通; e) 对进入厂区、危险化学品存储场所的可疑人员进行检查; f) 严禁携带无关物品进入厂区、危险化学品存储场所; g) 联系属地职能部门指导防范工作; h) 按照反恐怖主义工作领导机构、公安机关、负有危险化学品安全监督管理职责的部门的要求采 取其他防范措施。 8.2.2 二级非常态 应符合本文件第8.2.1条的要求,同时应采取以下工作措施: a) 单位负责人带班组织防范工作; b) 安保力量在常态防范基础上增加 50%; c) 各类防范、处置装备、设施处于待命状态; d) 进一步加强出入口控制和重要部位的巡、值守,重要部位巡视每小时不得少于一次; e) 保持有线、无线指挥通讯畅通,专人收集、通报情况信息; f) 对出入往来的人员、车辆、物品进行安全检查; g) 必要时,控制存储场所的危险化学品流动; h) 联系属地职能部门派员指导或参与反恐怖防范工作。 8.2.3 一级非常态 应符合本文件第8.2.2条的要求,同时应采取以下工作措施: a) 单位负责人 24h 带班组织防范工作; b) 安保力量在常态防范基础上增加 100%; c) 启动反恐怖应急指挥部,救援器材、保障和处置力量进入临战状态; d) 重要部位应有 2 人以上安保力量守护,实行 24h 不间断巡查; e) 控制出入口,疏散无关人员,严禁进出危险化学品存储场所; f) 单位内部进行全面、细致的检查; g) 单位外围设置警戒区域并派员值守,主要出入口设置障碍,严密监视内外动态; h) 配合反恐怖主义工作领导机构、公安机关、负有危险化学品安全监督管理职责的部门开展工作。 9 应急预案要求和监督、检查 应符合DB12/ 522 中第9章、第10章的要求。 _________________________________

标签:

版权声明

1. 本站所有素材,仅限学习交流,仅展示部分内容,如需查看完整内容,请下载原文件。
2. 会员在本站下载的所有素材,只拥有使用权,著作权归原作者所有。
3. 所有素材,未经合法授权,请勿用于商业用途,会员不得以任何形式发布、传播、复制、转售该素材,否则一律封号处理。
4. 如果素材损害你的权益请联系客服QQ:77594475 处理。