爱华AIWA LCX-157HR CD家庭组合音响维修手册

分类:电子电工 日期: 点击:0
爱华AIWA LCX-157HR CD家庭组合音响维修手册-0 爱华AIWA LCX-157HR CD家庭组合音响维修手册-1 爱华AIWA LCX-157HR CD家庭组合音响维修手册-2 爱华AIWA LCX-157HR CD家庭组合音响维修手册-3 爱华AIWA LCX-157HR CD家庭组合音响维修手册-4 爱华AIWA LCX-157HR CD家庭组合音响维修手册-5 爱华AIWA LCX-157HR CD家庭组合音响维修手册-6 爱华AIWA LCX-157HR CD家庭组合音响维修手册-7 爱华AIWA LCX-157HR CD家庭组合音响维修手册-8 爱华AIWA LCX-157HR CD家庭组合音响维修手册-9

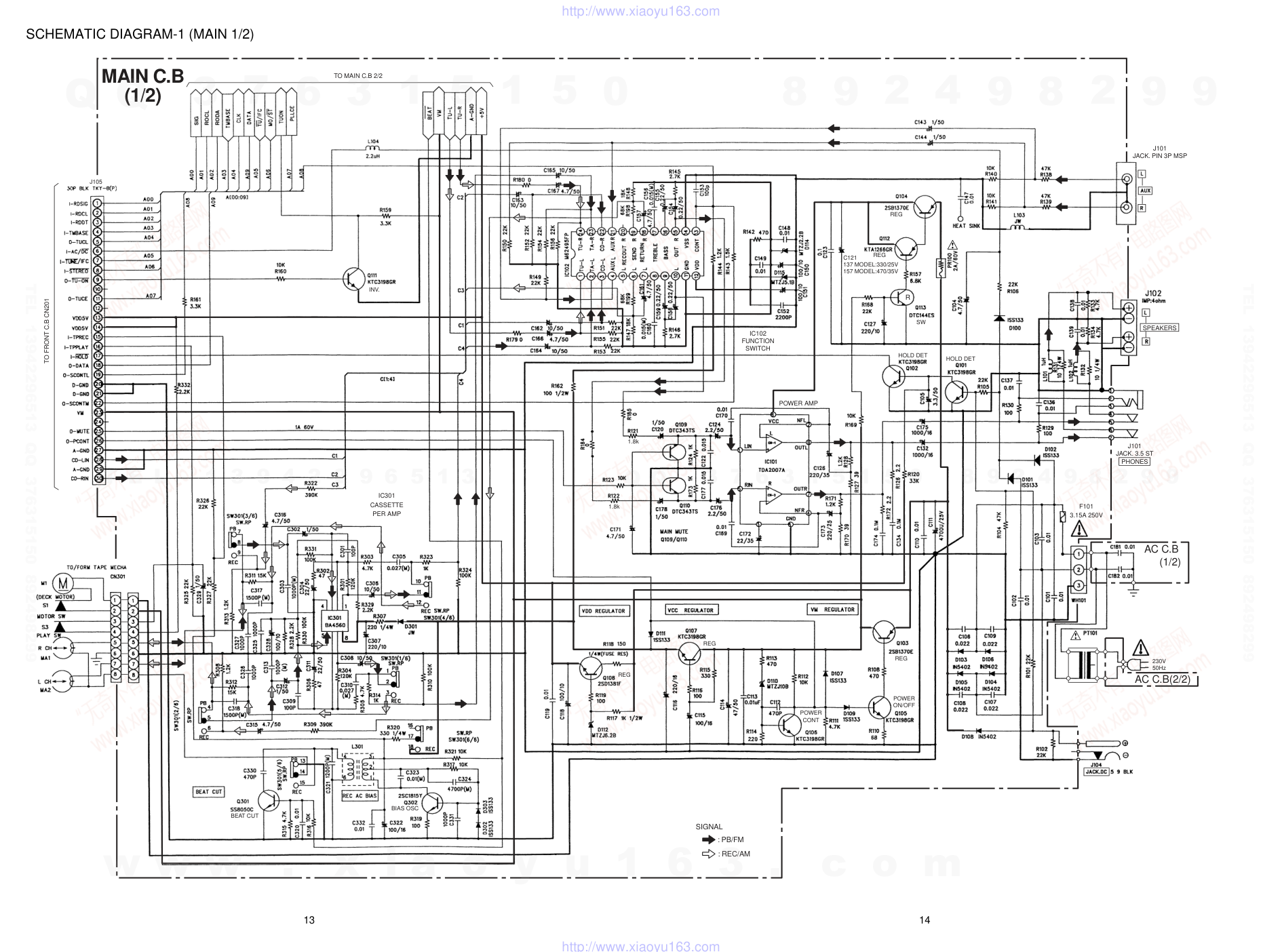
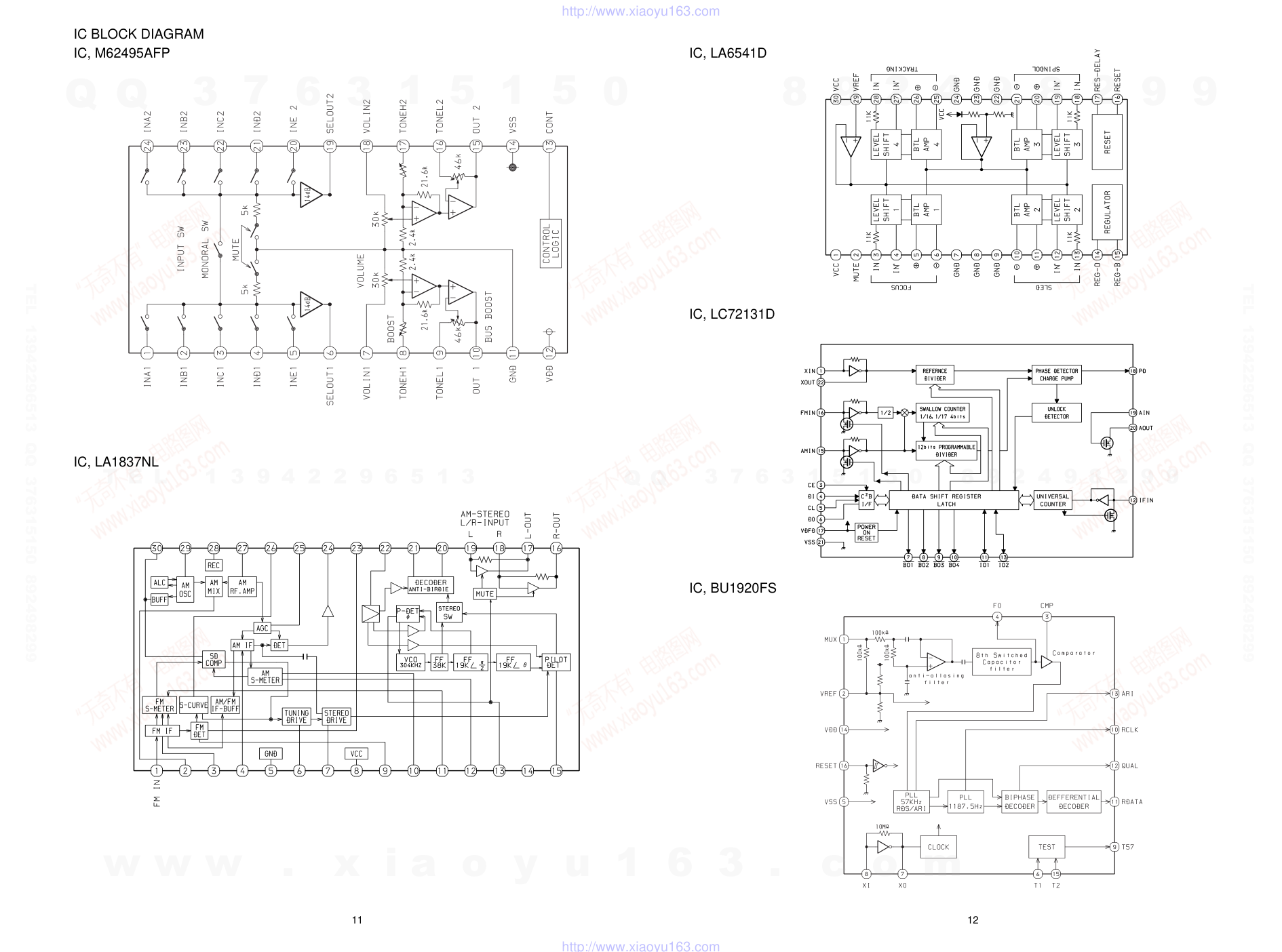
SERVICE MANUAL DATA BASIC TAPE MECHANISM : TN-21ZSC-2003 BASIC CD MECHANISM : DA11T3C COMPACT DISC STEREO SYSTEM LCX-157 S/M Code No. 09-003-340-1N1 HS(S) MODEL CODE : 86HR8-0117(B) www. xiaoyu163. com QQ 376315150 9 9 2 8 9 4 2 9 8 TEL 13942296513 9 9 2 8 9 4 2 9 8 0 5 1 5 1 3 6 7 3 Q Q TEL 13942296513 QQ 376315150 892498299 TEL 13942296513 QQ 376315150 892498299 http://www.xiaoyu163.com 2 SPECIFICATIONS • Design and specifications are subject to change without notice. www. xiaoyu163. com QQ 376315150 9 9 2 8 9 4 2 9 8 TEL 13942296513 9 9 2 8 9 4 2 9 8 0 5 1 5 1 3 6 7 3 Q Q TEL 13942296513 QQ 376315150 892498299 TEL 13942296513 QQ 376315150 892498299 http://www.xiaoyu163.com 3 PROTECTION OF EYES FROM LASER BEAM DURING SERVICING VAROITUS! Laiteen Käyttäminen muulla kuin tässä käyttöohjeessa mainit- ulla tavalla saattaa altistaa käyt-täjän turvallisuusluokan 1 ylit- tävälle näkymättömälle lasersäteilylle. VARNING! Om apparaten används på annat sätt än vad som specificeras i denna bruksanvising, kan användaren utsättas för osynling laserstrålning, som överskrider gränsen för laserklass 1. Caution: Invisible laser radiation when open and interlocks defeated avoid expo- sure to beam. Advarsel:Usynling laserståling ved åbning, når sikkerhedsafbrydere er ude af funktion. Undgå udsættelse for stråling. CAUTION Use of controls or adjustments or performance of procedures other than those specified herein may result in hazardous radiation exposure. ATTENTION L'utilisation de commandes, réglages ou procédures autres que ceux spécifiés peut entraîner une dangereuse exposition aux radiations. ADVARSEL! Usynlig laserståling ved åbning, når sikkerhedsafbrydereer ude af funktion. Undgå udsættelse for stråling. This Compact Disc player is classified as a CLASS 1 LASER product. The CLASS 1 LASER PRODUCT label is located on the rear exterior. This set employs laser. Therefore, be sure to follow carefully the instructions below when servicing. WARNING! WHEN SERVICING, DO NOT APPROACH THE LASER EXIT WITH THE EYE TOO CLOSELY. IN CASE IT IS NECESSARY TO CONFIRM LASER BEAM EMISSION. BE SURE TO OBSERVE FROM A DISTANCE OF MORE THAN 30cm FROM THE SURFACE OF THE OBJECTIVE LENS ON THE OPTICAL PICK-UP BLOCK. CLASS 1 KLASSE 1 LUOKAN 1 KLASS 1 LASER PRODUCT LASER PRODUKT LASER LAITE LASER APPARAT Precaution to replace Optical block (SF-P101NR) 1) After the connection, remove solder shown in the right figure. Body or clothes electrostatic potential could ruin laser diode in the optical block. Be sure ground body and workbench, and use care the clothes do not touch the diode. Solder PICK-UP Assy P.C.B www. xiaoyu163. com QQ 376315150 9 9 2 8 9 4 2 9 8 TEL 13942296513 9 9 2 8 9 4 2 9 8 0 5 1 5 1 3 6 7 3 Q Q TEL 13942296513 QQ 376315150 892498299 TEL 13942296513 QQ 376315150 892498299 http://www.xiaoyu163.com 4 REF. NO PART NO. KANRI DESCRIPTION NO. REF. NO PART NO. KANRI DESCRIPTION NO. ELECTRICAL MAIN PARTS LIST IC 87-A20-734-010 IC,TDA2007A 87-A21-443-040 C-IC,M62495AFP 8A-CLB-602-010 IC,LC867240A-5P15 87-A21-245-010 IC,RPM6938-V4 87-A21-145-040 C-IC,BA4560F-E2 87-A20-446-010 C-IC,LA9241ML 87-A20-459-010 C-IC,LC78622ED 87-A21-093-010 IC,LA6541D 87-070-127-110 IC,LC72131 D 87-A20-913-010 IC,LA1837NL 87-A20-440-040 C-IC,BU1920FS TRANSISTOR 87-026-610-080 TR,KTC3198GR 89-213-702-010 TR,2SB1370 (1.8W) 87-A30-185-010 TR,2SD1381FQR 87-026-313-080 TR,DTC343TS 87-026-609-080 TR,KTA1266GR 87-026-218-080 TR,DTC144ES (0.2W) 87-026-237-080 CHIP-TR,DTC124XK 87-026-223-080 TR,DTC143TK 89-320-011-080 TR,2SC2001 (15W) 87-CD7-603-080 TR,SS8050 89-318-154-080 TR,2SC1815 (0.4W) 87-026-291-080 TR,DTC124XS 89-112-965-080 TR,2SA1296 (0.75W) 87-026-463-080 TR,2SA933S (0.3W) 87-026-239-080 TR,DTC114TK (0.2W) 87-A30-227-080 TR,2SB1010Q 87-026-210-080 CHIP-TR,DTC144EK 87-A30-196-080 TR,2SC4115SRS 89-327-143-080 TR,2SC2714 (0.1W) 87-A30-072-080 C-TR,RT1P 144C 87-A30-076-080 C-TR,2SC3052F 89-505-434-540 C-FET,2SK543(4/5) 87-A30-257-080 C-TR,2SD1306E 87-A30-074-080 C-TR,RT1P 141C DIODE 87-020-465-080 DIODE,1SS133 (110MA) 87-A40-393-090 DIODE,1N5402GW(F20) 87-070-334-080 ZENER,MTZJ10B 87-017-932-080 ZENER,MTJ6.2B 87-A40-347-080 ZENER,MTZJ2.2B 87-070-136-080 ZENER,MTZJ5.1B 87-020-027-080 CHIP-DIODE 1SS184 87-027-825-080 ZENER,HZ9A3L 87-A40-291-080 DIODE,1N4148 (CPT) 87-017-978-080 DIODE,1N4003 87-A40-234-080 ZENER,MTZJ5.6A 87-A40-270-080 C-DIODE,MC2838 MAIN C.B C30 87-010-544-080 CAP, ELECT 0.1-50V C101 87-010-190-080 S CHIP F 0.01 C102 87-010-190-080 S CHIP F 0.01 C103 87-010-190-080 S CHIP F 0.01 C104 87-010-404-080 CAP, ELECT 4.7-50V C105 87-010-403-080 CAP, ELECT 3.3-50V C106 87-010-192-080 C-CAP,S 0.022-50 F C107 87-010-192-080 C-CAP,S 0.022-50 F C108 87-010-192-080 C-CAP,S 0.022-50 F C109 87-010-192-080 C-CAP,S 0.022-50 F C110 87-010-190-080 S CHIP F 0.01 C111 87-016-658-090 CAP,E 4700-35 SMG C112 87-012-140-080 CAP 470P C113 87-010-190-080 S CHIP F 0.01 C114 87-010-190-080 S CHIP F 0.01 C115 87-010-112-080 CAP, ELECT 100-16V C116 87-010-101-080 CAP, ELECT 220-16 C118 87-010-263-080 CAP, ELECT 100-10V C119 87-010-190-080 S CHIP F 0.01 C120 87-010-401-080 CAP, ELECT 1-50V C121 87-010-396-080 CAP,E 470-35 SME C122 87-010-213-080 C-CAP,S 0.015-50 B C123 87-010-196-080 CHIP CAPACITOR,0.1-25 C124 87-010-402-080 CAP, ELECT 2.2-50V C126 87-010-408-080 CAP, ELECT 47-50V C127 87-010-248-080 CAP, ELECT 220-10V C128 87-010-393-080 CAP, ELECT 100-35V C129 87-010-248-080 CAP, ELECT 220-10V C130 87-010-393-080 CAP, ELECT 100-35V C131 87-010-393-080 CAP, ELECT 100-35V C132 87-010-237-080 CAP, ELECT 1000-16V C136 87-010-197-080 CAP, CHIP 0.01 DM C137 87-010-197-080 CAP, CHIP 0.01 DM C138 87-010-197-080 CAP, CHIP 0.01 DM C139 87-010-197-080 CAP, CHIP 0.01 DM C143 87-010-401-080 CAP, ELECT 1-50V C144 87-010-401-080 CAP, ELECT 1-50V C147 87-010-190-080 S CHIP F 0.01 C150 87-010-263-080 CAP, ELECT 100-10V C151 87-010-263-080 CAP, ELECT 100-10V C152 87-010-182-080 C-CAP,S 2200P-50 B C153 87-010-166-080 C-CAP,S 100P-50 SL C154 87-010-545-080 CAP, ELECT 0.22-50V C155 87-010-545-080 CAP, ELECT 0.22-50V C157 87-010-404-080 CAP, ELECT 4.7-50V C158 87-010-545-080 CAP, ELECT 0.22-50V C159 87-010-545-080 CAP, ELECT 0.22-50V C161 87-010-404-080 CAP, ELECT 4.7-50V C162 87-010-405-080 CAP, ELECT 10-50V C163 87-010-405-080 CAP, ELECT 10-50V C164 87-010-405-080 CAP, ELECT 10-50V C165 87-010-405-080 CAP, ELECT 10-50V C166 87-010-404-080 CAP, ELECT 4.7-50V C167 87-010-404-080 CAP, ELECT 4.7-50V C169 87-010-197-080 CAP, CHIP 0.01 DM C170 87-010-197-080 CAP, CHIP 0.01 DM C171 87-010-404-080 CAP, ELECT 4.7-50V C175 87-010-237-080 CAP, ELECT 1000-16V C181 87-010-197-080 CAP, CHIP 0.01 DM C182 87-010-197-080 CAP, CHIP 0.01 DM C301 87-010-322-080 C-CAP,S 100P-50 CH C302 87-015-951-080 CAP,E 1-50 LL C304 87-010-406-080 CAP, ELECT 22-50 C306 87-010-405-080 CAP, ELECT 10-50V C307 87-010-248-080 CAP, ELECT 220-10V C308 87-010-405-080 CAP, ELECT 10-50V C309 87-010-322-080 C-CAP,S 100P-50 CH C311 87-010-406-080 CAP, ELECT 22-50 C312 87-015-951-080 CAP,E 1-50 LL C314 87-010-426-080 C-CAP,S 0.012-25 B C315 87-010-404-080 CAP, ELECT 4.7-50V C316 87-010-404-080 CAP, ELECT 4.7-50V C319 87-010-426-080 C-CAP,S 0.012-25 B C320 87-010-197-080 CAP, CHIP 0.01 DM C322 87-010-112-080 CAP, ELECT 100-16V C325 87-010-178-080 CHIP CAP 1000P C326 87-010-178-080 CHIP CAP 1000P C327 87-010-178-080 CHIP CAP 1000P C329 87-015-695-080 CAP,E 1-50 7L C330 87-012-140-080 CAP 470P C701 87-010-381-080 CAP, ELECT 330-16V C702 87-010-404-080 CAP, ELECT 4.7-50V www. xiaoyu163. com QQ 376315150 9 9 2 8 9 4 2 9 8 TEL 13942296513 9 9 2 8 9 4 2 9 8 0 5 1 5 1 3 6 7 3 Q Q TEL 13942296513 QQ 376315150 892498299 TEL 13942296513 QQ 376315150 892498299 http://www.xiaoyu163.com 5 REF. NO PART NO. KANRI DESCRIPTION NO. REF. NO PART NO. KANRI DESCRIPTION NO. C703 87-012-286-080 CAP, U 0.01-25 C704 87-012-286-080 CAP, U 0.01-25 C709 87-012-195-080 C-CAP,U 100P-50CH C711 87-010-263-080 CAP, ELECT 100-10V C712 87-010-196-080 CHIP CAPACITOR,0.1-25 C713 87-012-286-080 CAP, U 0.01-25 C714 87-012-286-080 CAP, U 0.01-25 C715 87-012-195-080 C-CAP,U 100P-50CH C717 87-012-286-080 CAP, U 0.01-25 C719 87-012-286-080 CAP, U 0.01-25 C720 87-012-195-080 C-CAP,U 100P-50CH C721 87-012-176-080 CAP 15P C722 87-012-176-080 CAP 15P C723 87-012-274-080 CHIP CAP,U 1000P-50B C725 87-018-131-080 CAP, CER 1000P-50V C727 87-010-196-080 CHIP CAPACITOR,0.1-25 C728 87-010-248-080 CAP, ELECT 220-10V C729 87-012-274-080 CHIP CAP,U 1000P-50B C731 87-012-286-080 CAP, U 0.01-25 C752 87-012-284-080 CAP, U 6800P-50 C753 87-012-195-080 C-CAP,U 100P-50CH C755 87-012-286-080 CAP, U 0.01-25 C756 87-012-286-080 CAP, U 0.01-25 C757 87-012-188-080 C-CAP,U 47P-50 CH C758 87-012-167-080 C-CAP,U 5P-50 CH C761 87-010-196-080 CHIP CAPACITOR,0.1-25 C762 87-012-286-080 CAP, U 0.01-25 C763 87-010-829-080 CAP, U 0.047-16 C765 87-012-286-080 CAP, U 0.01-25 C766 87-010-197-080 CAP, CHIP 0.01 DM C768 87-012-286-080 CAP, U 0.01-25 C769 87-010-260-080 CAP, ELECT 47-25V C769 87-010-260-080 CAP, ELECT 47-25V C770 87-010-829-080 CAP, U 0.047-16 C771 87-010-383-080 CAP, ELECT 33-25V C772 87-010-829-080 CAP, U 0.047-16 C773 87-010-196-080 CHIP CAPACITOR,0.1-25 C774 87-010-263-080 CAP, ELECT 100-10V C775 87-010-404-080 CAP, ELECT 4.7-50V C776 87-012-286-080 CAP, U 0.01-25 C777 87-010-400-080 CAP, ELECT 0.47-50V C778 87-010-401-080 CAP, ELECT 1-50V C779 87-010-401-080 CAP, ELECT 1-50V C780 87-010-196-080 CHIP CAPACITOR,0.1-25 C781 87-010-405-080 CAP, ELECT 10-50V C782 87-010-405-080 CAP, ELECT 10-50V C783 87-012-286-080 CAP, U 0.01-25 C784 87-012-286-080 CAP, U 0.01-25 C785 87-010-405-080 CAP, ELECT 10-50V C786 87-010-405-080 CAP, ELECT 10-50V C787 87-012-287-080 C-CAP,U 0.015-25 F C788 87-012-287-080 C-CAP,U 0.015-25 F C789 87-012-275-080 C-CAP,U 1200P-50 B C790 87-012-275-080 C-CAP,U 1200P-50 B C791 87-010-405-080 CAP, ELECT 10-50V C793 87-012-275-080 C-CAP,U 1200P-50 B C794 87-010-406-080 CAP, ELECT 22-50 C795 87-010-596-080 CAP, S 0.047-16 C796 87-010-403-080 CAP, ELECT 3.3-50V C797 87-012-276-080 CAP, CHIP SS 1500 PBK C798 87-012-276-080 CAP, CHIP SS 1500 PBK C799 87-010-829-080 CAP, U 0.047-16 C803 87-018-047-080 CAP, CER 0.01-16V C812 87-012-286-080 CAP, U 0.01-25 C814 87-012-286-080 CAP, U 0.01-25 C820 87-010-260-080 CAP, ELECT 47-25V C821 87-012-286-080 CAP, U 0.01-25 C822 87-012-286-080 CAP, U 0.01-25 C823 87-012-286-080 CAP, U 0.01-25 C824 87-012-172-080 CAPACITOR CHIP U 10P CH C828 87-010-196-080 CHIP CAPACITOR,0.1-25 C828 87-010-196-080 CHIP CAPACITOR,0.1-25 C829 87-010-196-080 CHIP CAPACITOR,0.1-25 C859 87-012-286-080 CAP, U 0.01-25 C861 87-012-199-080 CAP 220P C862 87-012-199-080 CAP 220P C864 87-010-405-080 CAP, ELECT 10-50V C865 87-010-196-080 CHIP CAPACITOR,0.1-25 C866 87-010-405-080 CAP, ELECT 10-50V C867 87-012-286-080 CAP, U 0.01-25 C868 87-012-184-080 C-CAP,U 33P-50 CH C869 87-012-180-080 C-CAP,U 22P-50 CH C909 87-012-286-080 CAP, U 0.01-25 C910 87-012-286-080 CAP, U 0.01-25 C940 87-012-286-080 CAP, U 0.01-25 C942 87-012-172-080 CAPACITOR CHIP U 10P CH C947 87-012-286-080 CAP, U 0.01-25 C949 87-A10-039-080 C-CAP,U 470P-50 J CH C952 87-012-286-080 CAP, U 0.01-25 C958 87-010-197-080 CAP, CHIP 0.01 DM C959 87-010-831-080 C-CAP,U,0.1-16F C960 87-010-196-080 CHIP CAPACITOR,0.1-25 C962 87-010-401-080 CAP, ELECT 1-50V CF801 87-008-423-010 CERAMIC FILTER, SFE10.7 CF802 82-785-747-010 CF MS2 GHY R CN301 87-009-036-010 CONNECTOR, 8P PH V WHT !F101 87-035-457-010 FUSE,3.15A 250V TW/C FC101 87-033-213-080 CLAMP, FUSE FC102 87-033-213-080 CLAMP, FUSE FFE801 A8-6ZA-19C-170 6ZA-1 YFEENC J101 87-A60-354-010 JACK,PIN 2P MSP -242V-05 J102 87-A60-754-010 TERMINAL,SPK 4P MSP-154V-05 J103 87-A60-420-010 JACK,3.5 ST (MSC) J104 87-099-608-010 JACK, DC HEC3800 J801 87-A60-880-010 TERMINAL,ANT-PAL 2P MSP-313V-0 L101 87-005-366-010 COIL, 1UH L102 87-005-366-010 COIL, 1UH L104 87-005-676-080 COIL,2.2UH K LF5.0S L301 88-CL6-609-010 COIL,BIAS 8CL6 L771 87-A50-266-010 COIL,FM DET-2N(TOK) L772 87-A90-733-010 FLTR,PCFAZH-450 (TOK) L781 87-005-847-080 COIL,2.2UH(CECS) L832 87-005-847-080 COIL,2.2UH(CECS) L851 87-005-847-080 COIL,2.2UH(CECS) L941 87-A50-020-010 COIL,ANT LW(COI) L942 87-A50-019-010 COIL,OSC LW(COI) L981 87-NF4-651-110 COIL,AM PACK2N(TOM) !PR100 87-A90-091-080 PROTECTOR,2A 491 R118 87-029-118-090 RES,FUSE 220-1/2W J SW301 8Z-CL8-668-010 SW,RP ZCL8 TC942 87-011-164-010 CAPACITOR,TRIMMER 30P WH101 87-099-043-010 CONN 2P EH X721 87-A70-061-010 VIB,XTAL 4.500MHZ CSA-309 X851 87-A70-184-010 VIB,XTAL 4.332MHZ HC-49/U FRONT C.B C201 87-010-375-080 CAP,E 330-10 SME C202 87-012-350-080 C-CAP,1-25 F C203 87-010-197-080 CAP, CHIP 0.01 DM C205 87-010-178-080 CHIP CAP 1000P C208 87-010-197-080 CAP, CHIP 0.01 DM C209 87-010-196-080 CHIP CAPACITOR,0.1-25 C210 87-010-196-080 CHIP CAPACITOR,0.1-25 C211 87-010-314-080 C-CAP,S 22P-50V C212 87-010-318-080 C-CAP,S 47P-50 CH C213 87-010-154-080 CAP CHIP 10P C214 87-012-149-080 C-CAP,S 30P-50 CH C215 87-010-312-080 C-CAP,S 15P-50 CH C216 87-010-400-080 CAP, ELECT 0.47-50V www. xiaoyu163. com QQ 376315150 9 9 2 8 9 4 2 9 8 TEL 13942296513 9 9 2 8 9 4 2 9 8 0 5 1 5 1 3 6 7 3 Q Q TEL 13942296513 QQ 376315150 892498299 TEL 13942296513 QQ 376315150 892498299 http://www.xiaoyu163.com 6 REF. NO PART NO. KANRI DESCRIPTION NO. REF. NO PART NO. KANRI DESCRIPTION NO. C217 87-010-196-080 CHIP CAPACITOR,0.1-25 CN201 87-099-720-010 CONN,30P TYK-B(P) CN202 87-A60-404-010 CONN,3P TKX-P03P-F1 L206 87-003-098-080 COIL,2.2UH LCD201 8Z-CL8-665-110 LCD,ZCL-8 S200 87-A90-095-080 SW,TACT EVQ11G04M S201 87-A90-095-080 SW,TACT EVQ11G04M S202 87-A90-095-080 SW,TACT EVQ11G04M S203 87-A90-095-080 SW,TACT EVQ11G04M S205 87-A90-095-080 SW,TACT EVQ11G04M S207 87-A90-095-080 SW,TACT EVQ11G04M S208 87-A90-095-080 SW,TACT EVQ11G04M S213 87-A90-095-080 SW,TACT EVQ11G04M S214 87-A90-095-080 SW,TACT EVQ11G04M S216 87-A90-095-080 SW,TACT EVQ11G04M S217 87-A90-095-080 SW,TACT EVQ11G04M S218 87-A90-095-080 SW,TACT EVQ11G04M S220 87-A90-095-080 SW,TACT EVQ11G04M SW221 87-A90-095-080 SW,TACT EVQ11G04M X201 87-030-364-010 VIB,XTAL 32.768K CT X202 87-A70-185-080 VIB,CER 5.76MHZ TF21 CD C.B C500 87-016-459-040 CAP,E 470-10 SMG C502 87-016-459-040 CAP,E 470-10 SMG C503 87-016-459-040 CAP,E 470-10 SMG C505 87-010-196-080 CHIP CAPACITOR,0.1-25 C507 87-010-196-080 CHIP CAPACITOR,0.1-25 C513 87-010-196-080 CHIP CAPACITOR,0.1-25 C514 87-010-196-080 CHIP CAPACITOR,0.1-25 C515 87-012-157-080 C-CAP,S 330P-50 CH C516 87-010-545-080 CAP, ELECT 0.22-50V C521 87-010-186-080 CAP,CHIP 4700P C525 87-010-176-080 C-CAP,S 680P-50 SL C528 87-012-156-080 C-CAP,S 220P-50 CH C529 87-010-545-080 CAP, ELECT 0.22-50V C530 87-012-140-080 CAP 470P C531 87-010-374-080 CAP, ELECT 47-10V C532 87-010-401-080 CAP, ELECT 1-50V C533 87-010-184-080 CHIP CAPACITOR 3300P(K) C534 87-010-197-080 CAP, CHIP 0.01 DM C535 87-010-145-080 C-CAP,S 1P-50 CH C536 87-010-312-080 C-CAP,S 15P-50 CH C537 87-010-309-080 C-CAP,1000P-50 CH C538 87-010-196-080 CHIP CAPACITOR,0.1-25 C539 87-010-404-080 CAP, ELECT 4.7-50V C540 87-010-196-080 CHIP CAPACITOR,0.1-25 C541 87-010-405-080 CAP, ELECT 10-50V C542 87-010-369-080 C-CAP,S 0.033-25 K B C543 87-010-401-080 CAP, ELECT 1-50V C545 87-010-197-080 CAP, CHIP 0.01 DM C546 87-010-374-080 CAP, ELECT 47-10V C547 87-010-263-080 CAP, ELECT 100-10V C548 87-010-248-080 CAP, ELECT 220-10V C549 87-010-198-080 CAP, CHIP 0.022 C550 87-010-248-080 CAP, ELECT 220-10V C551 87-010-178-080 CHIP CAP 1000P C552 87-010-197-080 CAP, CHIP 0.01 DM C553 87-010-374-080 CAP, ELECT 47-10V C555 87-010-403-080 CAP, ELECT 3.3-50V C556 87-010-197-080 CAP, CHIP 0.01 DM C559 87-010-315-080 C-CAP,S 27P-50 CH C560 87-010-263-080 CAP, ELECT 100-10V C561 87-010-196-080 CHIP CAPACITOR,0.1-25 C562 87-010-196-080 CHIP CAPACITOR,0.1-25 C563 87-012-156-080 C-CAP,S 220P-50 CH C564 87-010-197-080 CAP, CHIP 0.01 DM C565 87-010-263-080 CAP, ELECT 100-10V C566 87-010-196-080 CHIP CAPACITOR,0.1-25 C568 87-010-197-080 CAP, CHIP 0.01 DM C571 87-010-248-080 CAP, ELECT 220-10V C572 87-010-196-080 CHIP CAPACITOR,0.1-25 C573 87-010-197-080 CAP, CHIP 0.01 DM C578 87-010-197-080 CAP, CHIP 0.01 DM C579 87-010-263-080 CAP, ELECT 100-10V C582 87-010-197-080 CAP, CHIP 0.01 DM C583 87-010-405-080 CAP, ELECT 10-50V C587 87-010-166-080 C-CAP,S 100P-50 SL C589 87-010-166-080 C-CAP,S 100P-50 SL C590 87-010-166-080 C-CAP,S 100P-50 SL C591 87-010-166-080 C-CAP,S 100P-50 SL C592 87-010-166-080 C-CAP,S 100P-50 SL C593 87-010-197-080 CAP, CHIP 0.01 DM C594 87-010-263-080 CAP, ELECT 100-10V C596 87-010-404-080 CAP, ELECT 4.7-50V C598 87-010-197-080 CAP, CHIP 0.01 DM CN501 87-009-345-010 CONN,2P PH H CN510 87-009-034-010 CONN,6P PH V CN520 87-A60-248-010 CONN,16P H CFF1416 L501 87-005-647-080 COIL,10UH K LF5S L502 87-005-659-080 COIL,100UH K LF5.0S R503 87-029-019-010 RES, FUSEIBLE 1/2W-2.2 SFR501 87-A90-787-080 SFR,100K H HOKU X501 87-A70-046-010 VIB,XTAL 16.934MHZ LED C.B D941 87-A40-365-080 LED,L-1154 SGD D942 87-A40-365-080 LED,L-1154 SGD D943 87-A40-365-080 LED,L-1154 SGD D944 87-A40-365-080 LED,L-1154 SGD D945 87-A40-365-080 LED,L-1154 SGD D946 87-A40-365-080 LED,L-1154 SGD D947 87-A40-365-080 LED,L-1154 SGD D948 87-A40-365-080 LED,L-1154 SGD D949 87-A40-365-080 LED,L-1154 SGD AC C.B C181 87-010-197-080 CAP, CHIP 0.01 DM C182 87-010-197-080 CAP, CHIP 0.01 DM CNA101 8A-CLA-630-010 CONN ASSY,2P PT !T1 87-A60-317-010 TERMINAL, 1P MSC !T2 87-A60-317-010 TERMINAL, 1P MSC MOTOR C.B M2 9X-262-576-910 MOTOR GEAR ASSY PIN3 91-564-722-110 CONNECTOR 6P SW1 91-572-085-120 LEAF SW www. xiaoyu163. com QQ 376315150 9 9 2 8 9 4 2 9 8 TEL 13942296513 9 9 2 8 9 4 2 9 8 0 5 1 5 1 3 6 7 3 Q Q TEL 13942296513 QQ 376315150 892498299 TEL 13942296513 QQ 376315150 892498299 http://www.xiaoyu163.com 8 7 TRANSISTOR ILLUSTRATION 8 8 A Resistor Code Chip Resistor Part Coding Figure Value of resistor Chip resistor Wattage Type Tolerance 1/16W 1/10W 1/8W 1608 2125 3216 5% 5% 5% CJ CJ CJ Form L W t 1.6 0.8 0.45 2 1.25 0.45 3.2 1.6 108 118 128 : A : A CHIP RESISTOR PART CODE 0.55 Resistor Code Dimensions (mm) Symbol 1/16W 1005 5% CJ 1.0 0.5 0.35 104 L t W 2SA1296 2SC1815 KTC3198 2SC2714 2SD1306 DTC114TK DTC143TK DTC144EK RT1P141C PT1P144C 2SC4115 DTC124XS DTC343TS 2SA933 2SB1010 2SC2001 SS8050 2SD1381 B E C E C B E C B E C B E C B D S G 2SK543 • Regarding connectors, they are not stocked as they are not the initial order items. The connectors are available after they are supplied from connector manufacturers upon the order is received. ANODE CONNECTION FL (13-ST-36GNAK) GRID ASSIGNMENT/ANODE CONNECTION GRID ASSIGNMENT w w w . x i a o y u 1 6 3 . c o m Q Q 3 7 6 3 1 5 1 5 0 9 9 2 8 9 4 2 9 8 T E L 1 3 9 4 2 2 9 6 5 1 3 9 9 2 8 9 4 2 9 8 0 5 1 5 1 3 6 7 3 Q Q TEL 13942296513 QQ 376315150 892498299 TEL 13942296513 QQ 376315150 892498299 http://www.xiaoyu163.com 1 2 3 4 5 6 7 8 9 10 11 12 13 14 A B C D E F G H I J K 10 9 WIRING-1 (MAIN) w w w . x i a o y u 1 6 3 . c o m Q Q 3 7 6 3 1 5 1 5 0 9 9 2 8 9 4 2 9 8 T E L 1 3 9 4 2 2 9 6 5 1 3 9 9 2 8 9 4 2 9 8 0 5 1 5 1 3 6 7 3 Q Q TEL 13942296513 QQ 376315150 892498299 TEL 13942296513 QQ 376315150 892498299 http://www.xiaoyu163.com 12 11 IC BLOCK DIAGRAM IC, M62495AFP IC, LA1837NL IC, LA6541D IC, LC72131D IC, BU1920FS w w w . x i a o y u 1 6 3 . c o m Q Q 3 7 6 3 1 5 1 5 0 9 9 2 8 9 4 2 9 8 T E L 1 3 9 4 2 2 9 6 5 1 3 9 9 2 8 9 4 2 9 8 0 5 1 5 1 3 6 7 3 Q Q TEL 13942296513 QQ 376315150 892498299 TEL 13942296513 QQ 376315150 892498299 http://www.xiaoyu163.com 14 13 SCHEMATIC DIAGRAM-1 (MAIN 1/2) TO FRONT C.B CN201 TO MAIN C.B 2/2 MAIN C.B (1/2) AC C.B (1/2) AC C.B(2/2) R SIGNAL : PB/FM : REC/AM J105 INV. IC301 CASSETTE PER AMP BIAS OSC BEAT CUT REG REG REG REG REG SW C121 137 MODEL:330/25V 157 MODEL:470/35V HOLD DET HOLD DET POWER AMP IC102 FUNCTION SWITCH POWER CONT POWER ON/OFF J101 JACK. PIN 3P MSP J101 JACK. 3.5 ST PHONES SPEAKERS F101 3.15A 250V 230V 50Hz 1.8k 1.8k w w w . x i a o y u 1 6 3 . c o m Q Q 3 7 6 3 1 5 1 5 0 9 9 2 8 9 4 2 9 8 T E L 1 3 9 4 2 2 9 6 5 1 3 9 9 2 8 9 4 2 9 8 0 5 1 5 1 3 6 7 3 Q Q TEL 13942296513 QQ 376315150 892498299 TEL 13942296513 QQ 376315150 892498299 http://www.xiaoyu163.com 16 15 SCHEMATIC DIAGRAM-2 (MAIN 2/2) TO MAIN C.B (1/2) MAIN C.B (2/2) R R FM IF LW ANT SW MW/LW SW AM RF AMP LW OSC SW AM IF ADJ DC BALANCE ADJ IC771 FM/AM IF/STEREO TUNER SYSTEM SIGNAL : PB/FM : REC/AM BAND SW D942 D944 L773 2.2µH TUNER ON//OFF SWITCH 0.015 0.015 BEAT VM +5V ROCL RODA SIG FM 75Ω MW/LW LOOP J801 ANTENNA 1SS133 D5 R822 10K w w w . x i a o y u 1 6 3 . c o m Q Q 3 7 6 3 1 5 1 5 0 9 9 2 8 9 4 2 9 8 T E L 1 3 9 4 2 2 9 6 5 1 3 9 9 2 8 9 4 2 9 8 0 5 1 5 1 3 6 7 3 Q Q TEL 13942296513 QQ 376315150 892498299 TEL 13942296513 QQ 376315150 892498299 http://www.xiaoyu163.com 1 2 3 4 5 6 7 8 9 10 11 12 13 14 A B C D E F G H I J K 18 17 WIRING-2 (CD/FRONT: INSERTED PARTS) w w w . x i a o y u 1 6 3 . c o m Q Q 3 7 6 3 1 5 1 5 0 9 9 2 8 9 4 2 9 8 T E L 1 3 9 4 2 2 9 6 5 1 3 9 9 2 8 9 4 2 9 8 0 5 1 5 1 3 6 7 3 Q Q TEL 13942296513 QQ 376315150 892498299 TEL 13942296513 QQ 376315150 892498299 http://www.xiaoyu163.com 1 2 3 4 5 6 7 8 9 10 11 12 13 14 A B C D E F G H I J K 20 19 WIRING-3 (CD/FRONT: CHIP PARTS) w w w . x i a o y u 1 6 3 . c o m Q Q 3 7 6 3 1 5 1 5 0 9 9 2 8 9 4 2 9 8 T E L 1 3 9 4 2 2 9 6 5 1 3 9 9 2 8 9 4 2 9 8 0 5 1 5 1 3 6 7 3 Q Q TEL 13942296513 QQ 376315150 892498299 TEL 13942296513 QQ 376315150 892498299 http://www.xiaoyu163.com 22 21 SCHEMATIC DIAGRAM-3 (FRONT) IRDDT IR200 w w w . x i a o y u 1 6 3 . c o m Q Q 3 7 6 3 1 5 1 5 0 9 9 2 8 9 4 2 9 8 T E L 1 3 9 4 2 2 9 6 5 1 3 9 9 2 8 9 4 2 9 8 0 5 1 5 1 3 6 7 3 Q Q TEL 13942296513 QQ 376315150 892498299 TEL 13942296513 QQ 376315150 892498299 http://www.xiaoyu163.com 24 23 SCHEMATIC DIAGRAM-4 (CD) w w w . x i a o y u 1 6 3 . c o m Q Q 3 7 6 3 1 5 1 5 0 9 9 2 8 9 4 2 9 8 T E L 1 3 9 4 2 2 9 6 5 1 3 9 9 2 8 9 4 2 9 8 0 5 1 5 1 3 6 7 3 Q Q TEL 13942296513 QQ 376315150 892498299 TEL 13942296513 QQ 376315150 892498299 http://www.xiaoyu163.com 26 25 VOLTAGE CHART w w w . x i a o y u 1 6 3 . c o m Q Q 3 7 6 3 1 5 1 5 0 9 9 2 8 9 4 2 9 8 T E L 1 3 9 4 2 2 9 6 5 1 3 9 9 2 8 9 4 2 9 8 0 5 1 5 1 3 6 7 3 Q Q TEL 13942296513 QQ 376315150 892498299 TEL 13942296513 QQ 376315150 892498299 http://www.xiaoyu163.com 28 27 w w w . x i a o y u 1 6 3 . c o m Q Q 3 7 6 3 1 5 1 5 0 9 9 2 8 9 4 2 9 8 T E L 1 3 9 4 2 2 9 6 5 1 3 9 9 2 8 9 4 2 9 8 0 5 1 5 1 3 6 7 3 Q Q TEL 13942296513 QQ 376315150 892498299 TEL 13942296513 QQ 376315150 892498299 http://www.xiaoyu163.com 30 29 ELECTRICAL ADJUSTMENT w w w . x i a o y u 1 6 3 . c o m Q Q 3 7 6 3 1 5 1 5 0 9 9 2 8 9 4 2 9 8 T E L 1 3 9 4 2 2 9 6 5 1 3 9 9 2 8 9 4 2 9 8 0 5 1 5 1 3 6 7 3 Q Q TEL 13942296513 QQ 376315150 892498299 TEL 13942296513 QQ 376315150 892498299 http://www.xiaoyu163.com 31 1 2 3 4 5 6 7 8 9 10 11 12 13 14 15 16, 17 18 19 20 21 22 23 24 25 26 27 28 29 30 31 32 33 34 35 36-38 39-55 56 57 58-79 80 81 IC, LC867240A-5P15 IC DESCRIPTION O-SCONTM O-SCONTL O-DATA ___________ I-TUNE/IFC O-TUCL O-COIN I-SQOUT ___________ O-CQCK O-RWC _______________ O-CLKSFT I-TMBASE ____________ I-RESET XT1 XT2 VSS1 CF1, CF2 VDD1 I-KEY0 I-KEY1 I-RDSIG I-WRQ I-DRF I-DOOR I-PUIN I-SWTAPE ________________ I-STEREO I-RDCL ________ I-REM ___________ I-HOLD I-RDDT I-TPREC I-TPPLAY O-MOTOR O-PL O-NC S9-S25 VDD2 VSS2 S26-S47 I-CLKDSP I-AS O O O I O O I O O O I I I O — I/O — I I I I I I I I I I I I I I I O O O O — — O I I M62439SP control. open drain output. Tuner control. CMOS output. Tuner control. Tuner control. CMOS output. CD control. open drain output. CD control. CD control. open drain output. Clock shift output. “L” during shift. open drain output. 8 Hz time base input. Reset input. Input pin. Output pin for 32.768kHz crystal oscillation. GND. Main clock input/output 5.76 MHz. +5V. KEY0 A/D input. KEY1 A/D input. RDS signal level input. (A/D input) CD control. CD door SW detection SW input. “L” at CLOSE. CD pick-up detection SW input. “L” at ON. Tape detection SW input. (A/D input) Monaural/stereo indication selector input. “L” at stereo. RDS clock input. Remote control input. (fall-down edge interrupt input) Hold mode detection. “L” at hold mode. RDS data input. Tape REC detection input. “H” at REC. Tape PLAY detection input. “H” at PLAY. Mechanism deck motor ON/OFF output. “H” at ON. CMOS output. Mechanism deck plunger solenoid ON/OFF output. “H” at ON. CMOS output . Not used. LCD SEG terminal Initial setting output. (S10 to S16) +5V. GND. LCD SEG terminal . Watch indication select input “L”: 12H. “H”: 24H. Auto stop. counter input . Pin No. Pin Name I/O Description www. xiaoyu163. com QQ 376315150 9 9 2 8 9 4 2 9 8 TEL 13942296513 9 9 2 8 9 4 2 9 8 0 5 1 5 1 3 6 7 3 Q Q TEL 13942296513 QQ 376315150 892498299 TEL 13942296513 QQ 376315150 892498299 http://www.xiaoyu163.com 32 __________ I-STOP COM0-COM3 I-INIT ______ I-AC/DC VSS3 VDD3 O-NC O-TUCE O-CD-ON _____________ O-TU-ON __________ O-RMT ________ _____ O-REC/PB O-MUTE O-PCONT __________ O-BIAS O-NC Pin No. Pin Name I/O Description 82 83-86 87 88 89 90 91 92 93 94 95 96 97 98 99 100 I O I O — — O O O O O O O O O O Tape stop input. LCD common output. Initial setting input. Beat selector output. “H” during selection. CMOS output . GND. 5V. Not used. Tuner chip enable output. CMOS output . “H” output during CD function. CMOS output. “H” output during TU function. Open drain output. REC mute output. “H” during mute. Open drain output. REC/PB select output. “H” during PB. Open drain output. Mute output. “H” during mute. Open drain output. Power control output. “H” at ON. CMOS output. REC bias ON/OFF output. “H” at ON. Open drain output. Not used. www. xiaoyu163. com QQ 376315150 9 9 2 8 9 4 2 9 8 TEL 13942296513 9 9 2 8 9 4 2 9 8 0 5 1 5 1 3 6 7 3 Q Q TEL 13942296513 QQ 376315150 892498299 TEL 13942296513 QQ 376315150 892498299 http://www.xiaoyu163.com 33 1 2 3 4 5 6 7 8 9 10 11 12 13 14 15 16 17 18 19 20 21 22 23 24 25 26 27 28 29 30, 31 32, 33 34 35 FIN2 FIN1 E F TB TE– TE TESI SCI TH TA TD– TD JP TO FD FD– FA FA– FE FE– AGND SP SPI SPG SP– SPD SLEQ SLD SL–, SL+ JP–, JP+ TGL TOFF I I I I I I O I I I O I I I O O I I I O I — — I I I O I O I I I I Pin to which external pickup photo diode is connected. RF signal is created by adding with the FIN1 pin signal. FE signal is created by subtracting from the FIN1 pin signal. Pin to which external pickup photo diode is connected. Pin to which external pickup photo diode is connected. TE signal is created by subtracting from the F pin signal. Pin to which external pickup photo diode is connected. DC component of the TE signal is input. Pin to which external resistor setting the TE signal gain is connected between the TE pin. TE signal output pin. TES “Track Error Sense” comparator input pin. TE signal is passed through a band- pass filter then input. Shock detection signal input pin. Tracking gain time constant setting pin. TA amplifier output pin. Pin to which external tracking phase compensation constants are connected between the TD and VR pins. Tracking phase compensation setting pin. Tracking jump signal (kick pulse) amplitude setting pin. Tracking control signal output pin. Focusing control signal output pin. Pin to which external focusing phase compensation constants are connected between the FD and FA pins. Pin to which external focusing phase compensation constants are connected between the FD– and FA– pins. Pin to which external focusing phase compensation constants are connected between the FA and FE pins. FE signal output pin. Pin to which external FE signal gain setting resistor is connected between the FE pin. Analog signal GND. Single ended output of the CV+ and CV– pin input signal. Spindle amp input. Pin to which external spindle gain setting resistor in 12 cm mode is connected. Pin to which external spindle phase compensation constants are connected together with SPD pin. Spindle control signal output pin. Pin to which external sled phase compensation constants are connected. Sled control signal output pin. Sled advance signal input pin from microprocessor. Tracking jump signal input pin from DSP. Tracking gain control signal input from DSP. Low gain when TGL = H. Tracking off control signal input pin from DSP. Off when TOFF = H. IC, LA9241ML Pin No. Pin Name I/O Description www. xiaoyu163. com QQ 376315150 9 9 2 8 9 4 2 9 8 TEL 13942296513 9 9 2 8 9 4 2 9 8 0 5 1 5 1 3 6 7 3 Q Q TEL 13942296513 QQ 376315150 892498299 TEL 13942296513 QQ 376315150 892498299 http://www.xiaoyu163.com 34 36 37 38 39, 40 41 42 43 44 45 46 47 48 49 50 51 52 53 54 55 56 57 58 59 60 61 62 63 64 TES HFL SLOF CV–, CV+ RFSM RFS– SLC SLI DGND FSC TBC NC DEF CLK CL DAT CE DRF FSS VCC2 REFI VR LF2 PH1 BH1 LDD LDS VCC1 O O I I O I O I — O I — O I I I I O I — — O I I I O I — Pin from which TES signal is output to DSP. “High Frequency Level” is used to judge whether the main beam position is on top of bit or on top of mirror. Sled servo off control input pin. CLV error signal input pin from DSP. RF output pin. RF gain setting and EFM signal 3T compensation constant setting pin together with RFSM pin. “Slice Level Control” is the output pin which controls the RF signal data slice level by DSP. Input pin which control the data slice level by the DSP. Digital system GND. Output pin to which external focus search smoothing capacitor is connected. “Tracking Balance Control” EF balance variable range setting pin. No connection. Disc defect detector output pin. Reference clock input pin. 4.23 MHz of the DSP is input. Microprocessor command clock input pin. Microprocessor command data input pin. Microprocessor command chip enable input pin. “Detect RF” RF level detector output. “Focus Search Select” focus search mode (± search/+ search) select pin. Servo system and digital system Vcc pin. Pin to which external bypass capacitor for reference voltage is connected. Reference voltage output pin. Disc defect detector time constant setting pin. Pin to which external capacitor for RF signal peak holding is connected. Pin to which external capacitor for RF signal bottom holding is connected. APC circuit output pin. APC circuit input pin. RF system Vcc pin. Pin No. Pin Name I/O Description www. xiaoyu163. com QQ 376315150 9 9 2 8 9 4 2 9 8 TEL 13942296513 9 9 2 8 9 4 2 9 8 0 5 1 5 1 3 6 7 3 Q Q TEL 13942296513 QQ 376315150 892498299 TEL 13942296513 QQ 376315150 892498299 http://www.xiaoyu163.com 36 35 1 2 3 4 5 6 7 8 9 10 11 12, 13 14 15 16 17 18 19, 20 21 22 23 24-28 29 30 31 32, 33 34 35 36 37 38 39 40 41 42 DEFI TAI PDO VVSS ISET VVDD FR VSS EFMO EFMIN TEST2 CLV+, CLV– ___ V/P HFL TES TOFF TGL JP+, JP– PCK FSEQ VDD SL+, SL–, CONT3-5 EMPH C2F DOUT TEST3, TEST4 N.C. MUTEL LVDD LCHO LVSS RVSS RCHO RVDD MUTER I I O — I — I — O I I O O I I O O O O O — I/O O O O I — O — O — — O — O Defect sense signal (DEF) input pin. (Connect to 0V when not used). Test signal input pin with built-in pull-down resistor. Be sure to connect to 0V. Phase comparator output pin to control external VCO. For PLL. GND pin for built-in VCO. Be sure to connect to 0V. Pin to which external resistor adjusting the PD0 output current. Power supply pin for built-in VCO. Pin for VCO frequency range adjustment. Digital system GND. Be sure to connect to 0V. For slice level control. EFM signal output pin. EFM signal input pin. Test signal input pin with built-in pull-down resistor. Be sure to connect to 0V. Disc motor control output. Three level output is possible using command. Rough servo or phase control automatic selection monitoring output pin. Rough servo at H. Phase servo at L. Track detect signal input pin. Schmidt input. Tracking error signal input pin. Schmidt input. Tracking OFF output pin. Tracking gain selection output pin. Gain boost at L. Track jump control signal output pin. Three level output is possible using command. EFM data playback clock monitoring pin 4.3218 MHz when phase is locked in. Sync signal detection output pin. H when the sync signal which is detected from EFM signal and thesync signal which is internally generated agree. Digital system power supply pin. The pin is controlled by the serial data command from microprocessor. When General purpose input/output pin 1 to 5. the pin is not used, set the pin to the input terminal and connect to 0V, or alternately set the pin to output terminal and leave the pin open. De-emphasis monitor output pin. De-emphasis disc is being played back at H. C2 flag output pin. DIGITAL OUT output pin. (EIAJ format). Test signal input pin with built-in pull-down resistor. Be sure to connect to 0V. Not used. Set the pin to open. L-channel mute output pin. L-channel 1-bit DAC. L-channel power supply pin. L-channel output pin. L-channel GND. Be sure to connect to 0V. R-channel GND. Be sure to connect to 0V. R-channel 1-bit DAC. R-channel output pin. R-channel power supply pin. R-channel mute output pin. IC, LC78622ED Pin No. Pin Name I/O Description 43 44 45 46 47 48 49 50 51 52 53 54 55 56 57 58 59 60 61 62 63 64 XVDD XOUT XIN XVSS SBSY EFLG PW SFSY SBCK FSX WRQ RWC SQOUT COIN ___________ CQCK ________ RES TST11 16M 4.2M TEST5 ______ CS TEST1 — O I — O O O O I O O I O I I I O O O I I I Crystal oscillator power supply pin. Pin to which external 16.9344 MHz crystal oscillator is connected. Crystal oscillator GND pin. Be sure to connect to 0V. Subcode block sync signal output pin. C1, C2, single and dual correction monitoring pin. Subcode P, Q, R, S, T, U and W output pin. Subcode frame sync signal output pin. Falls down when subcode enters standby. Subcode read clock input pin. Schmidt input. (Be sure to connected to 0V when not in use.) Pin outputting the 7.35 kHz sync signal which is generated by dividing frequency of crystal oscillator. Subcode Q output standby output pin. Read/write control input pin. Schmidt input. Subcode Q output pin. Command input pin from microprocessor. Command input read clock or subcode read input clock from SQOUT pin LC78622 reset input pin. Set this pin to L once when the main power is turned on. Test signal output pin. Use this pin as open (normally L output). 16.9344 MHz output pin. 4.2336 MHz output pin. Test signal input pin with built-in pull-down resistor. Be sure to connect to 0V. Chip select signal input pin with built-in pull-down resistor. Be sure to connect to 0V while it is not controlling. Test signal input pin without built-in pull-down resistor. Be sure to connect to 0V. Note: The same potential must be applied to the respective power supply terminals. (VDD, VVDD, LVDD, RVDD, XVDD) Pin No. Pin Name I/O Description w w w . x i a o y u 1 6 3 . c o m Q Q 3 7 6 3 1 5 1 5 0 9 9 2 8 9 4 2 9 8 T E L 1 3 9 4 2 2 9 6 5 1 3 9 9 2 8 9 4 2 9 8 0 5 1 5 1 3 6 7 3 Q Q TEL 13942296513 QQ 376315150 892498299 TEL 13942296513 QQ 376315150 892498299 http://www.xiaoyu163.com 38 37 MECHANICAL EXPLODED VIEW 1/1 1 2 3 5 6 4 7 8 9 10 11 12 13 14 15 16 17 18 19 20 21 22 23 23 24 25 26 27 28 29 7 HT-SINK CHAS, MAIN TN-21ZSC P.C.B P.C.B a a b b C C D D C H C D C C C C D F 31 D G G 34 33 F 32 35 36 30 B B E E A A A H H H H A A P.C.B 37 11 w w w . x i a o y u 1 6 3 . c o m Q Q 3 7 6 3 1 5 1 5 0 9 9 2 8 9 4 2 9 8 T E L 1 3 9 4 2 2 9 6 5 1 3 9 9 2 8 9 4 2 9 8 0 5 1 5 1 3 6 7 3 Q Q TEL 13942296513 QQ 376315150 892498299 TEL 13942296513 QQ 376315150 892498299 http://www.xiaoyu163.com 39 REF. NO PART NO. KANRI DESCRIPTION NO. REF. NO PART NO. KANRI DESCRIPTION NO. MECHANICAL PARTS LIST 1/1 Basic color symbol Color Basic color symbol Color Basic color symbol Color B Black C Cream D Orange G Green H Gray L Blue LT Transparent Blue N Gold P Pink R Red S Silver ST Titan Silver T Brown V Violet W White WT Transparent White Y Yellow YT Transparent Yellow LM Metallic Blue LL Light Blue GT Transparent Green LD Dark Blue DT Transparent Orange COLOR NAME TABLE 1 8A-CLB-007-010 WINDOW,CASS 2 8A-CLB-005-010 LID,CASS 3 8A-CLB-006-010 BOX,CASS 4 8Z-CL8-209-010 SPR-T,CASS 5 8A-CLB-004-010 WINDOW,DISP 6 87-B00-002-010 BADGE,AIWA 30 ABS SIL 7 8Z-CL8-204-010 CUSH,FOOT 8 8A-CLB-001-010 CABI,FR 9 8A-CLB-008-010 KEY,CASS SET 10 8A-CLB-009-010 KEY,CONT 11 8Z-CL8-686-110 CONN ASSY,8P RPH 12 8A-CLB-012-010 KEY,POWER 13 8A-CLB-010-010 KEY,SKIP 14 8A-CLB-011-010 KEY,P/S 15 8Z-CDB-170-010 BASE,CHUCK 16 88-CD9-211-210 RING,CHUCK 17 87-036-368-010 MAGNET 18 8A-CLB-002-010 LID,CD 19 8Z-CL8-683-010 CONN ASSY,2P CD DOOR 20 8Z-CL8-205-010 SPR-T,CD 21 8A-CLB-003-010 CHAS,CD 22 M8-ZZK-E90-070 DA11T3C 23 88-CT6-206-010 CUSHION,CD 24 8Z-CL8-681-010 CONN ASSY,6P CD MOTOR 25 8A-CLB-020-010 CABI,REAR 26 8Z-CL8-682-010 FF-CABLE, 16P 1.0 180MM 27 8Z-CL8-201-010 GUIDE,LCD ! 28 87-A80-006-010 AC CORD ASSY HS ! 29 8A-CLA-626-010 PT,EZ ACL-A 30 8Z-CDB-169-010 PANEL,CD SANYO 31 8Z-CL8-206-010 SPR-P,REC 32 8Z-CL8-214-010 DMPR,HLDR BE 33 84-CD5-215-010 GEAR 34 84-CD5-216-010 BRACKET 35 86-NFZ-231-010 DMPR,70 36 87-064-108-110 HLDR,NC LUTCH 37 8A-CLB-027-010 WINDOW,CD A 87-B10-239-010 QT2+3-8 W/O CR B 8Z-CL8-220-010 W,30-0856-01-01-01 C 87-067-579-010 TAPPING SCREW, BVT2+3-8 D 87-067-703-010 TAPPING SCREW, BVT2+3-10 E 87-342-074-010 UT2+2.6-8 F 87-571-033-410 TAPPING SCREW, VIT+2-4 G 87-761-097-410 VFT2+3-12 SLOT H 87-B10-230-010 BVT2+3-10 W/O SLOT SILVER CR www. xiaoyu163. com QQ 376315150 9 9 2 8 9 4 2 9 8 TEL 13942296513 9 9 2 8 9 4 2 9 8 0 5 1 5 1 3 6 7 3 Q Q TEL 13942296513 QQ 376315150 892498299 TEL 13942296513 QQ 376315150 892498299 http://www.xiaoyu163.com 40 TAPE MECHANISM EXPLODED VIEW 1/1 b c a a b c J L F G E LUG PLATE 6 2 1 3 4 5 11 10 8 9 46 47 21 20 18 19 22 23 24 26 27 28 29 14 15 16 17 49 34 35 36 51 13 C C 30 7 25 37 38 48 B 50 45 44 K I D D 39 40 41 42 43 B H A 32 31 33 12 www. xiaoyu163. com QQ 376315150 9 9 2 8 9 4 2 9 8 TEL 13942296513 9 9 2 8 9 4 2 9 8 0 5 1 5 1 3 6 7 3 Q Q TEL 13942296513 QQ 376315150 892498299 TEL 13942296513 QQ 376315150 892498299 http://www.xiaoyu163.com 41 REF. NO PART NO. KANRI DESCRIPTION NO. TAPE MECHANISM PARTS LIST 1/1 1 S1-921-030-4A0 HEAD BASE 2 S1-821-030-070 AZIMUTH SPRING 3 S1-921-030-090 PANEL P SPRING 4 S1-921-260-050 GEAR PLATE SPRING 5 S1-921-265-020 GEAR PLATE ASSY 6 S6-201-011-110 HEAD,RP7442ES-0951 7 S1-921-015-010 CHASSIS ASSY 8 S1-921-030-110 HEAD PANEL 9 S1-921-143-160 BASE ASSY 10 S1-921-141-8A0 M CONTROL SPRING 11 S1-921-260-4A0 SENSING LEVER 12 S1-921-043-100 PINCH ROLLER ARM ASSY 13 S1-921-130-020 EJECT SLIDE LEVER 14 S1-921-141-3A0 P CONTROL SPRING 15 S1-921-140-550 PAUSE LEVER(E) 16 S1-921-140-120 PAUSE LEVER SPRING 17 S1-921-140-110 PAUSE STOPPER 18 S1-921-140-150 BUTTON LEVER SPRING(B) 19 S1-821-011-590 E KICK LEVER 20 S1-921-141-070 BUTTON LEVER SPRING(A) 21 S6-401-011-490 LEAF SW MSW-1541T 22 S1-921-140-090 SWITCH ACTUATOR 23 S1-921-140-080 PUSH BUTTON ACTUATOR 24 S1-921-140-230 PLAY BUTTON LEVER 25 S6-401-011-610 LEAF SW MSW-17820MVEI 26 S1-921-140-240 REW BUTTON LEVER 27 S1-921-140-250 FF BUTTON LEVER 28 S1-921-140-260 STOP BUTTON LEVER 29 S1-921-140-610 PAUSE BUTTON LEVER 30 S1-821-100-700 FF GEAR 31 S1-921-050-060 SENSER 32 S1-921-053-100 TAKE UP REEL ASSY 33 S1-829-100-010 PACK SPRING 34 S1-921-050-150 S REEL HUB 35 S1-921-050-220 BACK TENSION SPRING 36 S1-921-140-220 REC BUTTON LEVER 37 S1-921-140-170 P.S.LEVER SPRING 38 S1-921-073-040 RF CLUTCH ASSY 39 S1-921-070-030 RF BELT 40 S1-921-260-020 CAM GEAR 41 S1-921-140-160 E ACTUATOR SPRING 42 S1-921-093-210 FLYWHEEL ASSY 43 S1-921-090-380 MAIN BELT 44 S1-921-120-590 MOTOR PULLEY 45 S6-002-030-220 MOTOR EG530AD-2B 46 S6-209-100-100 E HEAD PH-K380-MS1 47 S1-921-030-050 MG ARM 48 S1-921-140-210 REC BUTTON LEVER SPRING 49 S1-821-100-690 RECORD SAFETY LEVER 50 S1-821-128-9A0 MOTOR BRACKET 51 S1-821-010-500 PLAY BUTTON LEVER SPRING A S9-P04-200-310 C TAPPING SCREW 2-3 B S1-921-120-020 MOTOR COLLER SCREW C S9-B10-200-510 P TAPPING BIND SCREW M2-5 D S9-C07-204-510 SCREW,TAPPING(CAMERA)M2-4.5 E S9-P01-200-610 SCREW,M2-6 F S9-B01-200-310 (+)BIND SCREW M2-3 G S9-F08-200-710 AZIMUTH SCREW M2-7 H S1-921-120-030 MB SCREW I S9-W02-300-100 P WASHER CUT 1.2-3.8-0.3 J S9-W02-500-100 P WASHER CUT 1.45-3.8-0.5 K S9-W01-400-100 P WASHER 2-3.5-0.4 L S9-W01-130-200 P WASHER 2.1-4-0.13 REF. NO PART NO. KANRI DESCRIPTION NO. www. xiaoyu163. com QQ 376315150 9 9 2 8 9 4 2 9 8 TEL 13942296513 9 9 2 8 9 4 2 9 8 0 5 1 5 1 3 6 7 3 Q Q TEL 13942296513 QQ 376315150 892498299 TEL 13942296513 QQ 376315150 892498299 http://www.xiaoyu163.com 42 REF. NO PART NO. KANRI DESCRIPTION NO. CD MECHANISM EXPLODED VIEW 1/1 CD MECHANISM PARTS LIST 1/1 1 S2-121-A28-400 COVER GEAR 2 S2-511-A21-000 GEAR MIDDLE 3 S2-511-A21-100 GEAR,DRIVE A S1-PN2-03R-OSE SCR PAN PCS 2-3 B 87-261-073-410 SCR S-TPG FLT 2.6-6 ALL M8-ZZK-E90-070 DA11T3C B B A A SHAFT,SLIDE 1 2 3 MOTOR C,B SPINDLE MOTOR(M3) CHASSIS SF-P101NR www. xiaoyu163. com QQ 376315150 9 9 2 8 9 4 2 9 8 TEL 13942296513 9 9 2 8 9 4 2 9 8 0 5 1 5 1 3 6 7 3 Q Q TEL 13942296513 QQ 376315150 892498299 TEL 13942296513 QQ 376315150 892498299 http://www.xiaoyu163.com 43 REF. NO PART NO. KANRI DESCRIPTION NO. SPEAKER PARTS LIST 1/1 1 8A-CLA-602-010 SPKR, 40HM 8W ACL-A 2 8A-CLB-014-010 CABI,FR SPKR 3 8A-CLB-016-010 FRAME,SPKR 4 86-CL9-214-010 HLDR,CORD(SPKR) 5 8Z-CL7-107-010 BADGE,AIWA SILVER 6 8Z-CL8-694-110 CORD,SPKR GRY REF. NO PART NO. KANRI DESCRIPTION NO. ACCESSORIES/PACKAGE LIST 1 8A-CLB-961-010 RC UNIT,RC-AAT11 2 87-A90-030-010 ANT,LOOP AM-NC C 3 87-A90-118-010 ANT,WIRE FM (Z) www. xiaoyu163. com QQ 376315150 9 9 2 8 9 4 2 9 8 TEL 13942296513 9 9 2 8 9 4 2 9 8 0 5 1 5 1 3 6 7 3 Q Q TEL 13942296513 QQ 376315150 892498299 TEL 13942296513 QQ 376315150 892498299 http://www.xiaoyu163.com 2–11, IKENOHATA 1–CHOME, TAITO-KU, TOKYO 110-8710, JAPAN TEL:03 (3827) 3111 737004 Printed in Singapore www. xiaoyu163. com QQ 376315150 9 9 2 8 9 4 2 9 8 TEL 13942296513 9 9 2 8 9 4 2 9 8 0 5 1 5 1 3 6 7 3 Q Q TEL 13942296513 QQ 376315150 892498299 TEL 13942296513 QQ 376315150 892498299 http://www.xiaoyu163.com

标签:

版权声明

1. 本站所有素材,仅限学习交流,仅展示部分内容,如需查看完整内容,请下载原文件。
2. 会员在本站下载的所有素材,只拥有使用权,著作权归原作者所有。
3. 所有素材,未经合法授权,请勿用于商业用途,会员不得以任何形式发布、传播、复制、转售该素材,否则一律封号处理。
4. 如果素材损害你的权益请联系客服QQ:77594475 处理。