爱华AIWA IC-M8YH录音笔维修手册

分类:电子电工 日期: 点击:0
爱华AIWA IC-M8YH录音笔维修手册-0 爱华AIWA IC-M8YH录音笔维修手册-1 爱华AIWA IC-M8YH录音笔维修手册-2 爱华AIWA IC-M8YH录音笔维修手册-3 爱华AIWA IC-M8YH录音笔维修手册-4 爱华AIWA IC-M8YH录音笔维修手册-5 爱华AIWA IC-M8YH录音笔维修手册-6 爱华AIWA IC-M8YH录音笔维修手册-7

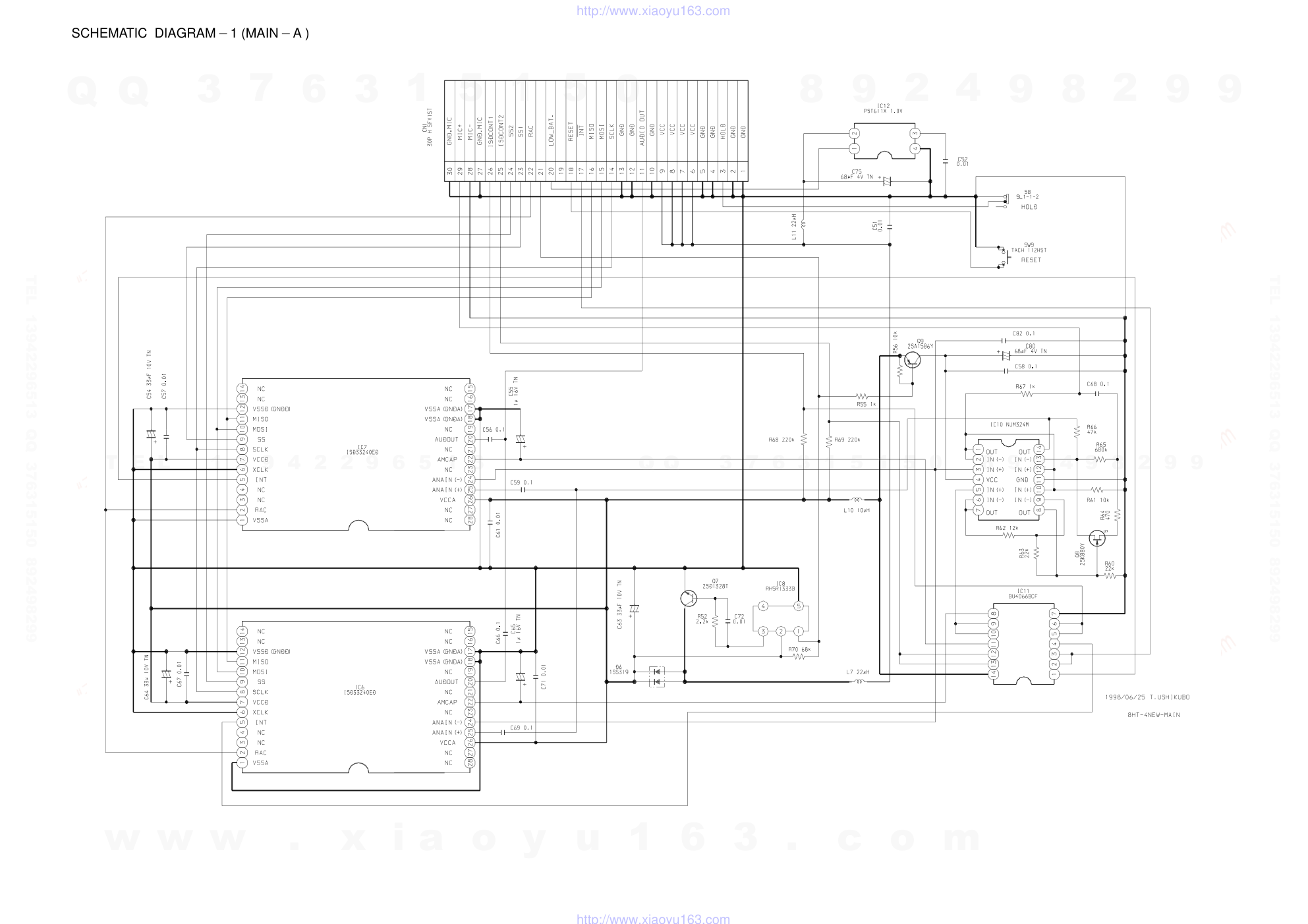
S E R V I C E M A N U A L SIMPLE MANUAL • Replace this Service Manual with "Revision Publishing" when it is issued. IC-M8 • TYPE: YH S/M Code No. 09–98B–313–80A IC RECORDER www. xiaoyu163. com QQ 376315150 9 9 2 8 9 4 2 9 8 TEL 13942296513 9 9 2 8 9 4 2 9 8 0 5 1 5 1 3 6 7 3 Q Q TEL 13942296513 QQ 376315150 892498299 TEL 13942296513 QQ 376315150 892498299 http://www.xiaoyu163.com ELECTRICAL MAIN PARTS LIST - 1/2 NOTE: The characters in the suffix column indicate the part usage. YH .....................XX..................................A................... KANRI REF.NO PARTS NO. NO. DESCRIPTION SUFFIX C 4 87-012-286-080 0E CAP, U 0.01-25 A................... C 7 87-012-286-080 0E CAP, U 0.01-25 A................... C 3 87-012-287-080 0E C-CAP,U 0.015-25 F A................... C 1 87-016-461-080 0E C-CAP,S 0.47-16F A................... C 2 87-016-461-080 0E C-CAP,S 0.47-16F A................... C 6 87-016-503-080 0E C-CAP,TN4.7-4 A2 A................... C 8 87-A10-034-080 1A C-CAP,TN 33-10(B2) A................... C 5 87-A10-792-080 1A C-CAP,TN 68-4 M .................... C 14 87-012-178-080 0E C-CAP,U 18P-50 CH A................... C 15 87-012-180-080 0E C-CAP,U 22P-50 CH A................... C 16 87-012-184-080 0E C-CAP,U 33P-50 CH A................... C 17 87-012-184-080 0E C-CAP,U 33P-50 CH A................... C 18 87-012-286-080 0E CAP, U 0.01-25 A................... C 10 87-012-286-080 0E CAP, U 0.01-25 A................... C 12 87-012-286-080 0E CAP, U 0.01-25 A................... C 21 87-012-287-080 0E C-CAP,U 0.015-25 F A................... D 2 87-001-165-080 0E DIODE,1SS300 (100MA) A................... D 9 87-001-165-080 0E DIODE,1SS300 (100MA) A................... D 3 87-001-165-080 0E DIODE,1SS300 (100MA) A................... D 1 87-001-221-080 1A CHIP DIODEISS319 A................... IC 5 87-017-506-080 1A IC,PST600 JMT A................... IC 4 87-A20-840-040 1B C-IC,NJM2076M .................... IC 3 87-A20-847-040 1D C-IC,RH5RI333B .................... IC 2 87-A20-883-080 1B C-IC,AK93C55AF .................... IC 1 88-HT4-610-210 2Y C-IC,SC435627CFU .................... J 1 85-TM5-605-010 1C JACK,HSJ1456 .................... L 1 87-003-184-080 1A C-COIL, 10UH K LQH3 A................... L 2 87-003-188-080 1A COIL 22UH A................... LCD 1 88-HT2-605-010 1B LCD, .................... LED 1 87-A90-250-040 1A C-LED,SML-020MVT A................... Q 3 89-112-134-080 1A TR,2SA1213Y (1W) A................... Q 1 89-113-624-080 0E C-TR,2SA1362Y A................... Q 2 89-113-624-080 0E C-TR,2SA1362Y A................... Q 4 89-341-164-080 0E CHIP-TRANSISTOR,2SC4116 Y A................... Q 5 89-413-284-080 0E TR,2SD1328T A................... S 4 87-036-308-280 1A C-SW,TACT 112HST A................... S 6 87-036-308-280 1A C-SW,TACT 112HST A................... S 3 87-036-308-280 1A C-SW,TACT 112HST A................... S 1 87-036-308-280 1A C-SW,TACT 112HST A................... S 5 87-036-342-080 1A C-SW,TACT V .................... S 2 87-036-342-080 1A C-SW,TACT V .................... S 7 87-036-379-080 0E C-SW,SL 1-1-2 .................... VR 1 87-024-680-010 1B VR,20KC N A................... X 2 87-030-273-010 1A VIB,XTAL 32.768K5PPM .................... X 1 87-A70-164-080 1B C-VIB,CER 1.80MHZ CSAC .................... 87-A90-935-010 1F SPKR,36 8OHM 0.2W A................... MIC 1 82-TP3-609-010 1C ECM .................... C 55 87-010-505-080 0E CA, CHIP TANTALUM 1-16 .................... C 57 87-012-286-080 0E CAP, U 0.01-25 A................... C 51 87-012-286-080 0E CAP, U 0.01-25 A................... C 52 87-012-286-080 0E CAP, U 0.01-25 A................... C 54 87-A10-034-080 1A C-CAP,TN 33-10(B2) A................... C 59 87-A10-263-080 0E C-CAP,U 0.1-16ZF A................... C 56 87-A10-263-080 0E C-CAP,U 0.1-16ZF A................... C 58 87-A10-263-080 0E C-CAP,U 0.1-16ZF A................... C 65 87-010-505-080 0E CA, CHIP TANTALUM 1-16 .................... C 61 87-012-286-080 0E CAP, U 0.01-25 A................... C 67 87-012-286-080 0E CAP, U 0.01-25 A................... C 64 87-A10-034-080 1A C-CAP,TN 33-10(B2) A................... C 63 87-A10-034-080 1A C-CAP,TN 33-10(B2) A................... C 68 87-A10-263-080 0E C-CAP,U 0.1-16ZF A................... C 66 87-A10-263-080 0E C-CAP,U 0.1-16ZF A................... C 69 87-A10-263-080 0E C-CAP,U 0.1-16ZF A................... C 71 87-012-286-080 0E CAP, U 0.01-25 A................... C 72 87-012-286-080 0E CAP, U 0.01-25 A................... C 75 87-A10-792-080 1A C-CAP,TN 68-4 M .................... C 82 87-A10-263-080 0E C-CAP,U 0.1-16ZF A................... C 80 87-A10-792-080 1A C-CAP,TN 68-4 M .................... D 6 87-001-221-080 1A CHIP DIODEISS319 A................... IC 8 87-A20-847-040 1D C-IC,RH5RI333B .................... IC 7 87-A20-936-110 2B C-IC,ISD33240ED .................... IC 6 87-A20-936-110 2B C-IC,ISD33240ED .................... IC 10 87-002-649-080 1B IC,NJM324M A................... IC 11 87-017-917-080 1A IC,BU4066BCF A................... IC 12 87-A20-979-040 1B C-IC,PST611X A................... L 7 87-003-188-080 1A COIL 22UH A................... L 10 87-003-184-080 1A C-COIL, 10UH K LQH3 A................... L 11 87-003-188-080 1A COIL 22UH A................... Q 9 89-115-864-080 0E CHIP TRANSISTOR 2SA1586Y A................... Q 7 89-413-284-080 0E TR,2SD1328T A................... Q 8 89-508-804-080 1A CHIP FET 2SK880Y .................... S 9 87-036-308-280 1A C-SW,TACT 112HST A................... S 8 87-036-379-080 0E C-SW,SL 1-1-2 .................... 88-HT2-105-010 2A PANEL,FRONT .................... 88-HT2-124-010 2A PANEL,FRONT Y A................... C 5 87-A10-792-080 1A C-CAP,TN 68-4 M A................... www. xiaoyu163. com QQ 376315150 9 9 2 8 9 4 2 9 8 TEL 13942296513 9 9 2 8 9 4 2 9 8 0 5 1 5 1 3 6 7 3 Q Q TEL 13942296513 QQ 376315150 892498299 TEL 13942296513 QQ 376315150 892498299 http://www.xiaoyu163.com ELECTRICAL MAIN PARTS LIST - 2/2 C 55 87-010-505-080 0E CA, CHIP TANTALUM 1-16 A................... C 65 87-010-505-080 0E CA, CHIP TANTALUM 1-16 A................... C 75 87-A10-792-080 1A C-CAP,TN 68-4 M A................... C 80 87-A10-792-080 1A C-CAP,TN 68-4 M A................... IC 4 87-A20-840-040 1B C-IC,NJM2076M A................... IC 8 87-A20-847-040 1D C-IC,RH5RI333B A................... IC 3 87-A20-847-040 1D C-IC,RH5RI333B A................... IC 2 87-A20-883-080 1B C-IC,AK93C55AF A................... IC 6 87-A20-936-110 2B C-IC,ISD33240ED A................... IC 7 87-A20-936-110 2B C-IC,ISD33240ED A................... IC 1 88-HT4-610-210 2Y C-IC,SC435627CFU A................... J 1 85-TM5-605-010 1C JACK,HSJ1456 A................... LCD 1 88-HT2-605-010 1B LCD, A................... MIC 1 82-TP3-609-010 1C ECM A................... Q 8 89-508-804-080 1A CHIP FET 2SK880Y A................... S 5 87-036-342-080 1A C-SW,TACT V A................... S 2 87-036-342-080 1A C-SW,TACT V A................... S 8 87-036-379-080 0E C-SW,SL 1-1-2 A................... S 7 87-036-379-080 0E C-SW,SL 1-1-2 A................... X 2 87-030-273-010 1A VIB,XTAL 32.768K5PPM A................... X 1 87-A70-164-080 1B C-VIB,CER 1.80MHZ CSAC A................... www. xiaoyu163. com QQ 376315150 9 9 2 8 9 4 2 9 8 TEL 13942296513 9 9 2 8 9 4 2 9 8 0 5 1 5 1 3 6 7 3 Q Q TEL 13942296513 QQ 376315150 892498299 TEL 13942296513 QQ 376315150 892498299 http://www.xiaoyu163.com MECHANICAL PARTS LIST - 1/1 NOTE: The characters in the suffix column indicate the part usage. YH .....................XX..................................A................... KANRI REF.NO PARTS NO. NO. DESCRIPTION SUFFIX 88-HT2-102-110 1E CABI,REAR .................... 88-HT2-103-010 1C LID,BAT A................... 88-HT2-105-010 2A PANEL,FRONT .................... 88-HT2-122-010 1C CABI,REAR Y A................... 88-HT2-124-010 2A PANEL,FRONT Y .................... 88-HT4-101-010 1F CABI,FRONT Y A................... 88-HT4-104-010 1C WINDOW,LCD Y A................... 88-HT4-115-010 1C WINDOW,LCD .................... 88-HT4-116-010 1F CABI,FRONT .................... 88-HT2-106-010 1A BTN,PL/FF/REW A................... 88-HT2-107-010 1A BTN,REC A................... 88-HT2-108-110 1A BTN,STOP A................... 88-HT2-109-010 1A BTN,ERASE A................... 88-HT2-110-010 0E KNOB,SL HOLD A................... 88-HT2-111-110 0E KNOB,SL SPEED A................... 88-HT4-109-010 0E BTN,ERASE .................... 87-067-534-010 0E SCREW,VT-1.4-6 A................... 88-HT2-202-010 0E HLDR,LCD A................... 88-HT2-203-010 0E FRAME,LCD A................... 88-HT2-204-010 0E CONN, RUBBER LCD A................... 88-HT2-206-010 0E BAT-CONTACT,+ A................... 88-HT2-210-010 0E COVER, MIC A................... 88-HT2-220-010 0E BAT,CONT(-)K2 A................... 87-A90-935-010 1F SPKR,36 8OHM 0.2W A................... 88-HT2-105-010 2A PANEL,FRONT .................... 88-HT2-124-010 2A PANEL,FRONT Y A................... www. xiaoyu163. com QQ 376315150 9 9 2 8 9 4 2 9 8 TEL 13942296513 9 9 2 8 9 4 2 9 8 0 5 1 5 1 3 6 7 3 Q Q TEL 13942296513 QQ 376315150 892498299 TEL 13942296513 QQ 376315150 892498299 http://www.xiaoyu163.com ACCESSORIES / PACKAGE LIST - 1/1 NOTE: The characters in the suffix column indicate the part usage. YH .....................XX..................................A................... KANRI REF.NO PARTS NO. NO. DESCRIPTION SUFFIX 88-HT4-901-110 1B IB,EX-ESF .................... 88-HT4-902-110 1B IB,EX-EGF .................... 88-HT4-903-110 1B IB,EX-SID .................... 88-HT4-904-110 1B IB,EX-PHNCZ .................... 88-HT4-905-010 1B IB,D .................... 88-HT4-907-010 IB,D-C .................... 88-HT4-908-010 1B IB,EX-ESC .................... 88-HT4-910-010 IB,ESF-C .................... 88-HT4-911-010 IB,EGF-C .................... 88-HT4-912-010 IB,SID-C .................... 88-HT4-913-010 IB,PHNCZ-C .................... 88-HT4-914-010 IB,ESC-C A................... 87-B30-133-010 1B BAT,LR6(K) 1P .................... 87-PD3-050-010 1B STRAP,HAND A................... www. xiaoyu163. com QQ 376315150 9 9 2 8 9 4 2 9 8 TEL 13942296513 9 9 2 8 9 4 2 9 8 0 5 1 5 1 3 6 7 3 Q Q TEL 13942296513 QQ 376315150 892498299 TEL 13942296513 QQ 376315150 892498299 http://www.xiaoyu163.com SCHEMATIC DIAGRAM _ 1 (MAIN _ A ) w w w . x i a o y u 1 6 3 . c o m Q Q 3 7 6 3 1 5 1 5 0 9 9 2 8 9 4 2 9 8 T E L 1 3 9 4 2 2 9 6 5 1 3 9 9 2 8 9 4 2 9 8 0 5 1 5 1 3 6 7 3 Q Q TEL 13942296513 QQ 376315150 892498299 TEL 13942296513 QQ 376315150 892498299 http://www.xiaoyu163.com SCHEMATIC DIAGRAM _ 2 (MAIN _ B) w w w . x i a o y u 1 6 3 . c o m Q Q 3 7 6 3 1 5 1 5 0 9 9 2 8 9 4 2 9 8 T E L 1 3 9 4 2 2 9 6 5 1 3 9 9 2 8 9 4 2 9 8 0 5 1 5 1 3 6 7 3 Q Q TEL 13942296513 QQ 376315150 892498299 TEL 13942296513 QQ 376315150 892498299 http://www.xiaoyu163.com Printed in Singapore Tokyo Japan 4 9630469 www. xiaoyu163. com QQ 376315150 9 9 2 8 9 4 2 9 8 TEL 13942296513 9 9 2 8 9 4 2 9 8 0 5 1 5 1 3 6 7 3 Q Q TEL 13942296513 QQ 376315150 892498299 TEL 13942296513 QQ 376315150 892498299 http://www.xiaoyu163.com

标签:

版权声明

1. 本站所有素材,仅限学习交流,仅展示部分内容,如需查看完整内容,请下载原文件。
2. 会员在本站下载的所有素材,只拥有使用权,著作权归原作者所有。
3. 所有素材,未经合法授权,请勿用于商业用途,会员不得以任何形式发布、传播、复制、转售该素材,否则一律封号处理。
4. 如果素材损害你的权益请联系客服QQ:77594475 处理。