爱华AIWA IC-M168Y录音笔维修手册

分类:电子电工 日期: 点击:0
爱华AIWA IC-M168Y录音笔维修手册-0 爱华AIWA IC-M168Y录音笔维修手册-1 爱华AIWA IC-M168Y录音笔维修手册-2 爱华AIWA IC-M168Y录音笔维修手册-3 爱华AIWA IC-M168Y录音笔维修手册-4 爱华AIWA IC-M168Y录音笔维修手册-5 爱华AIWA IC-M168Y录音笔维修手册-6 爱华AIWA IC-M168Y录音笔维修手册-7 爱华AIWA IC-M168Y录音笔维修手册-8 爱华AIWA IC-M168Y录音笔维修手册-9

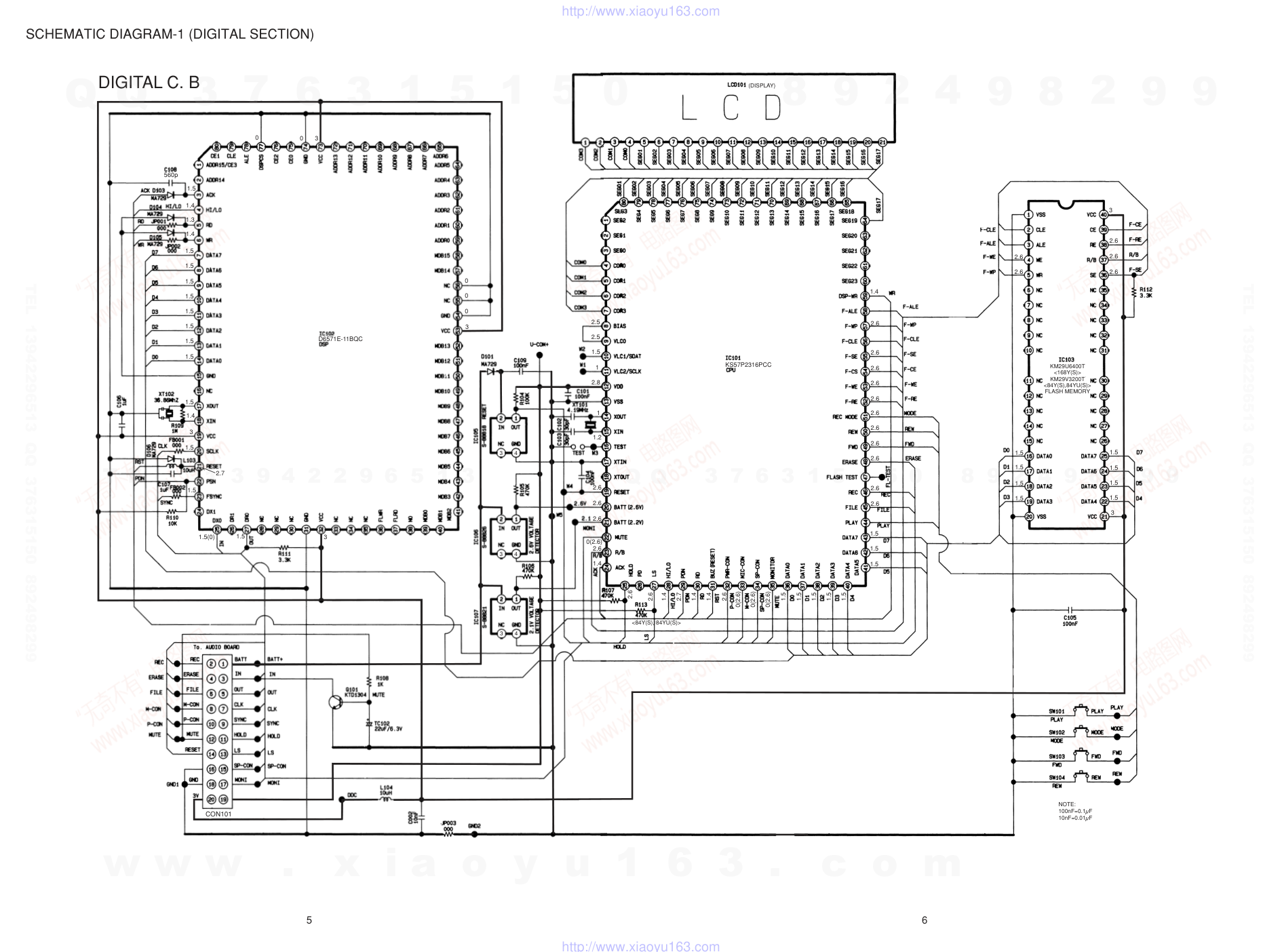
SERVICE MANUAL DATA IC RECORDER IC-M168 IC-M84 S/M Code No. 09-005-345-6R1 Y(S) Y(S),YU(S) REVISION This Service Manual is the "Revision Publishing" and replaces "Simple Manual" (S/M Code No. 09-005-345-6T1). www. xiaoyu163. com QQ 376315150 9 9 2 8 9 4 2 9 8 TEL 13942296513 9 9 2 8 9 4 2 9 8 0 5 1 5 1 3 6 7 3 Q Q TEL 13942296513 QQ 376315150 892498299 TEL 13942296513 QQ 376315150 892498299 http://www.xiaoyu163.com 2 REF. NO PART NO. KANRI DESCRIPTION NO. ACCESSORIES LIST SPECIFICATIONS Frequency response 500 - 3,500 Hz (EIAJ) Microphone Electret condenser microphone (monaural) Maximum output 80 mW (EIAJ 8 ohms) Speaker Diameter 20 mm, 8 ohms Power supply DC 3 V using two R03 (size AAA) dry cell batteries Maximum total recording time Approx. 84 minutes (LP mode) Approx. 59 minutes (SP mode) Approx. 168 minutes (LP mode) Approx. 118 minutes (SP mode) Battery life using LR03 (size AAA) alkaline batteries Approx. 12 hours (EIAJ recording) Approx. 8 hours (EIAJ 10 mW playback) Maximum outside dimensions 26.9 (W) x 129.8 (H) x 16.5 (D) mm (11/16 x 5 1/8 x 21/32 in.) Weight Approx. 60.3 g (2.1 oz) excluding batteries 1 S7-200-790-601 INSTRUCTION BOOK Y(SID)K<84Y(S)> 1 S7-200-790-501 INSTRUCTION BOOK Y(EGF)K<84Y(S)> 1 S7-200-790-201 INSTRUCTION BOOK Y(ECC)K<84Y(S)> 1 S7-200-790-101 INSTRUCTION BOOK YU(3L)K<84YU(S)> 1 S7-200-690-801 INSTRUCTION BOOK Y(SID)C<168Y(S)> 1 S7-200-690-701 INSTRUCTION BOOK Y(EGF)C<168Y(S)> 1 S7-200-690-401 INSTRUCTION BOOK Y(ECC)C<168Y(S)> 2 S7-200-510-001 CASE,CARRYING<84Y(S),84YU(S)> 2 S6-454-001-360 CARRYNG CASE<168Y(S)> 3 S5-971-000-090 HAND STRAP • Design and specifications are subject to change without notice. www. xiaoyu163. com QQ 376315150 9 9 2 8 9 4 2 9 8 TEL 13942296513 9 9 2 8 9 4 2 9 8 0 5 1 5 1 3 6 7 3 Q Q TEL 13942296513 QQ 376315150 892498299 TEL 13942296513 QQ 376315150 892498299 http://www.xiaoyu163.com 4 3 BLOCK DIAGRAM REF. NO PART NO. KANRI DESCRIPTION NO. REF. NO PART NO. KANRI DESCRIPTION NO. ELECTRICAL MAIN PARTS LIST 8 8 A Resistor Code Chip Resistor Part Coding Figure Value of resistor Chip resistor Wattage Type Tolerance 1/16W 1/10W 1/8W 1608 2125 3216 5% 5% 5% CJ CJ CJ Form L W t 1.6 0.8 0.45 2 1.25 0.45 3.2 1.6 108 118 128 : A : A CHIP RESISTOR PART CODE 0.55 Resistor Code Dimensions (mm) Symbol 1/16W 1005 5% CJ 1.0 0.5 0.35 104 L t W TRANSISTOR ILLUSTRATION IC S1-217-572-001 C-IC,KS57P2316PCC S1-216-657-001 IC,D6571E-11BQC S1-215-640-001 IC,KM29U64000T<168Y(S)> S1-215-320-001 IC,KM29V32000T<84Y(S),84YU(S)> S1-217-808-004 IC,S-80818ANNP-EDP-T2 S1-217-808-002 IC,S-80826ANNP-EDP-T2 S1-217-808-001 IC,S-80821ANNP-EDJ-T2 87-017-853-040 IC,NJM2100V S1-215-770-001 IC,MSM7702-02MS-K S1-215-213-001 IC,NJM2113M S1-217-953-001 IC,ELM9530C-S S1-215-207-003 IC,NJM2072M<84Y(S),84YU(S)> TRANSISTOR S1-245-130-006 C-TR,KTD1304 87-A30-060-080 C-TR,KTC3875S-BL S1-72C-003-A00 C-TR,KRC110S S1-246-150-007 C-TR,KTA1505S-GR S1-246-166-009 C-TR,KTA1663-Y DIODE S1-255-000-005 C-D-SCHOTTKY MA729(2B) S1-255-000-031 C-DIODE,MA111 87-070-240-080 C-DIODE,RB471E S1-255-160-001 C-DIODE,RB160L-40 DIGITAL C.B S2-131-000-080 CONN,INTER RUBBER 15.6-2.0-2.4 CON101 S2-114-005-009 CONN,FEMALE/SMD 1.27,2-10 L103 S1-445-100-004 C-COIL,10UH L104 S1-445-100-004 C-COIL,10UH LCD101 S1-273-000-170 LCD,DISPLAY SW101 S1-675-000-010 C-SW,TACT SKQRACE010 SW102 S1-675-000-010 C-SW,TACT SKQRACE010 SW103 S1-675-000-010 C-SW,TACT SKQRACE010 SW104 S1-675-000-010 C-SW,TACT SKQRACE010 TC102 87-010-076-810 CAP,E 22UF-6.3V VR201 S1-725-503-002 VR,50K XT101 S1-345-000-012 CER,FIL 4.19MHZ XT102 S1-345-000-016 CER,FIL 36.86MHZ AUDIO C.B CON201 S2-114-006-009 CON,MALE 1.27,2-10 J201 S1-511-030-003 JACK,H/P 3.5 MO J202 S1-511-030-001 JACK,H/P 3.5 ST L201 S1-445-100-006 C-COIL,10UH L202 S1-445-100-006 C-COIL,10UH L203 S1-445-100-006 C-COIL,10UH L204 S1-445-100-006 C-COIL,10UH L206 S1-445-221-001 C-COIL,220UH LED201 S1-275-000-011 C-LED,CL-200-YR-C-TS MIC201 S1-932-000-011 MIC,CON UNIT 32.27MM(ORN/GRN) SW201 S1-675-000-003 C-SW,TACT SKQLLCE010 SW202 S1-675-000-003 C-SW,TACT SKQLLCE010 SW203 S1-675-000-003 C-SW,TACT SKQLLCE010 SW204 S1-625-012-013 C-SW,SLIDE 1C2P SW205 S1-675-000-010 C-SW,TACT SKQRACE010 TC201 87-010-549-080 CAP,E 47UF-6.3V TC202 87-010-549-080 CAP,E 47UF-6.3V TC203 87-010-549-080 CAP,E 47UF-6.3V TC204 S1-855-334-981 CAP,E 0.33UF-35V TC205 87-010-401-010 CAP,E 1UF-50V TC206 87-010-419-080 CAP,E 4.7UF-16V TC207 S1-855-225-931 CAP,E 2.2UF-10V TC208 87-010-419-080 CAP,E 4.7UF-16V TC209 87-010-549-080 CAP,E 47UF-6.3V TC210 87-010-401-010 CAP,E 1UF-50V TC211 87-010-419-080 CAP,E 4.7UF-16V TC212 S1-855-225-931 CAP,E 2.2UF-10V TC213 87-010-076-810 CAP,E 22UF-6.3V TC214 87-010-549-080 CAP,E 47UF-6.3V TC215 87-010-549-080 CAP,E 47UF-6.3V TC216 87-010-549-080 CAP,E 47UF-6.3V TC217 87-010-419-080 CAP,E 4.7UF-16V<84Y(S),84YU(S)> TC225 87-010-076-810 CAP,E 22UF-6.3V IC201 IC202 IC102 IC103 IC101 LCD101 IC204 IC203 Q205 B E C KRC110S KTA1505S KTA1663 KTC3875S KTD1304 w w w . x i a o y u 1 6 3 . c o m Q Q 3 7 6 3 1 5 1 5 0 9 9 2 8 9 4 2 9 8 T E L 1 3 9 4 2 2 9 6 5 1 3 9 9 2 8 9 4 2 9 8 0 5 1 5 1 3 6 7 3 Q Q TEL 13942296513 QQ 376315150 892498299 TEL 13942296513 QQ 376315150 892498299 http://www.xiaoyu163.com 6 5 SCHEMATIC DIAGRAM-1 (DIGITAL SECTION) 0 0 0 0 0 3 3 2.5 2.5 3 D6571E-11BQC DIGITAL C. B 560p 1.5 1.5 1.5 1.5 1.5 1.5 1.5 1.5 1.5 1.5 1.5 1.5 1.5(0) 1.5 1.4 1.4 1.3 1.4 3 2.7 CON101 KM29V3200T <84Y(S),84YU(S)> FLASH MEMORY KM29U6400T <168Y(S)> 1.5 1 1 2.8 KS57P2316PCC 1.2 2.6 2.6 2.6 2.6 1.4 0(2.6) 0(2.6) 0(2.6) 0(2.6) 2.6 2.6 2.7 2.6 1.4 1.5 1.5 1.5 1.5 1.5 1.4 1.4 1.4 2.6 2.6 2.6 2.6 2.6 2.6 2.6 2.6 2.6 2.6 2.6 1.5 1.5 1.5 3 2.6 2.6 2.6 2.6 2.6 1.5 1.5 1.5 1.5 1.5 1.5 1.5 1.5 3 <84Y(S), 84YU(S)> (DISPLAY) NOTE: 100nF=0.1 F 10nF=0.01 F 3 4 3 4 3 4 w w w . x i a o y u 1 6 3 . c o m Q Q 3 7 6 3 1 5 1 5 0 9 9 2 8 9 4 2 9 8 T E L 1 3 9 4 2 2 9 6 5 1 3 9 9 2 8 9 4 2 9 8 0 5 1 5 1 3 6 7 3 Q Q TEL 13942296513 QQ 376315150 892498299 TEL 13942296513 QQ 376315150 892498299 http://www.xiaoyu163.com 1 2 3 4 5 6 7 8 9 10 11 12 13 14 A B C D E F G H I J 8 7 WIRING-1 (DIGITAL C.B) 1 2 3 4 5 5 4 3 2 1 5 4 3 2 1 1 2 3 4 5 A B C D E F G H I J K L M N A B C D E F G H I J K L M N A B C D E F G H I J K L M N A B C D E F G H I J K L M N DIGITAL C. B (Bottom View) DIGITAL C. B (Top View) 5 6 7 KS57P2316PCC KM29U6400T <168Y(S)> KM29V3200T <84Y(S),84YU(S)> IC102 D6571E-11BQC SW101 PLAY/STOP SW102 MODE/PAUSE SW103 SW104 CN101 To AUDIO C.B CON201 LCD101 DISPLAY LCD101 w w w . x i a o y u 1 6 3 . c o m Q Q 3 7 6 3 1 5 1 5 0 9 9 2 8 9 4 2 9 8 T E L 1 3 9 4 2 2 9 6 5 1 3 9 9 2 8 9 4 2 9 8 0 5 1 5 1 3 6 7 3 Q Q TEL 13942296513 QQ 376315150 892498299 TEL 13942296513 QQ 376315150 892498299 http://www.xiaoyu163.com 10 9 SCHEMATIC DIAGRAM-2 (AUDIO SECTION) AUDIO C. B 1.1(0) 1.1(0) 1.5 1.5 1.5 1.5 1.5 2.5/1.5 1.1(0) 1.2(0) 0(0.7) 0 (1.4) 0 (1.4) 0 (2.9) 0 (1.4) 1.1(0) 2.9(0) 1.1(0) 0 0 2/3 0/2.6 M J202 6.3V <84Y(S),84YU(S)> 0 0 0 0 0 2.95 3 3 3 0 0.3 6.3V L-40 S-BL ELM9530C-S 6.3V 6.3V 6.3V 2.6 0.3 1.5 1.5 1.5 0 0.04 2.2 2.58 2.2 2.3(0) 0.1(2.9) 1.4 1.4 1.3 35V 50V V 47uF/6.3V 6.3V 3 6.3V 0 0 2.6/0 0(2.6) J201 0/2.5 CL-200-YR S-BL REC IND DRIVE 2.9 0 0 0 2.8 1.5 1.5 1.5 1.5 -02MS-K To C.B M 50V R03(AAA) x 2 w w w . x i a o y u 1 6 3 . c o m Q Q 3 7 6 3 1 5 1 5 0 9 9 2 8 9 4 2 9 8 T E L 1 3 9 4 2 2 9 6 5 1 3 9 9 2 8 9 4 2 9 8 0 5 1 5 1 3 6 7 3 Q Q TEL 13942296513 QQ 376315150 892498299 TEL 13942296513 QQ 376315150 892498299 http://www.xiaoyu163.com 1 2 3 4 5 6 7 8 9 10 11 12 13 14 A B C D E F G H I J 1 2 3 4 5 5 4 3 2 1 5 4 3 2 1 1 2 3 4 5 A B C D E F G H I J K L M N O A B C D E F G H I J K L M N O A B C D E F G H I J K L M N O A B C D E F G H I J K L M N O AUDIO C. B (Bottom View) AUDIO C. B (Top View) 50V 50V MIC201 MIC SW201 REC/STOP SW203 FILE SW202 ERASE J201 EXT MIC CON201 To DIGITAL C.B CON101 BATT 3V R03(AAA) x 2 J201 J202 J202 EARPHONE SW205 (RESET) SPEAKER VR201 VOL SW204 HOLD 12 11 WIRING-2 (AUDIO C.B) w w w . x i a o y u 1 6 3 . c o m Q Q 3 7 6 3 1 5 1 5 0 9 9 2 8 9 4 2 9 8 T E L 1 3 9 4 2 2 9 6 5 1 3 9 9 2 8 9 4 2 9 8 0 5 1 5 1 3 6 7 3 Q Q TEL 13942296513 QQ 376315150 892498299 TEL 13942296513 QQ 376315150 892498299 http://www.xiaoyu163.com 14 13 IC DESCRIPTION IC, KS57P2316PCC IC, D6571E-11BQC w w w . x i a o y u 1 6 3 . c o m Q Q 3 7 6 3 1 5 1 5 0 9 9 2 8 9 4 2 9 8 T E L 1 3 9 4 2 2 9 6 5 1 3 9 9 2 8 9 4 2 9 8 0 5 1 5 1 3 6 7 3 Q Q TEL 13942296513 QQ 376315150 892498299 TEL 13942296513 QQ 376315150 892498299 http://www.xiaoyu163.com 15 www. xiaoyu163. com QQ 376315150 9 9 2 8 9 4 2 9 8 TEL 13942296513 9 9 2 8 9 4 2 9 8 0 5 1 5 1 3 6 7 3 Q Q TEL 13942296513 QQ 376315150 892498299 TEL 13942296513 QQ 376315150 892498299 http://www.xiaoyu163.com 16 IC, KM29V3200T <84Y(S), 84YU(S)> IC, KM29U6400T <168Y(S)> www. xiaoyu163. com QQ 376315150 9 9 2 8 9 4 2 9 8 TEL 13942296513 9 9 2 8 9 4 2 9 8 0 5 1 5 1 3 6 7 3 Q Q TEL 13942296513 QQ 376315150 892498299 TEL 13942296513 QQ 376315150 892498299 http://www.xiaoyu163.com 17 IC BLOCK DIAGRAM IC, NJM2113M IC, S-80818/S-80826/S-80821 www. xiaoyu163. com QQ 376315150 9 9 2 8 9 4 2 9 8 TEL 13942296513 9 9 2 8 9 4 2 9 8 0 5 1 5 1 3 6 7 3 Q Q TEL 13942296513 QQ 376315150 892498299 TEL 13942296513 QQ 376315150 892498299 http://www.xiaoyu163.com 18 MECHANICAL EXPLODED VIEW 1/1 www. xiaoyu163. com QQ 376315150 9 9 2 8 9 4 2 9 8 TEL 13942296513 9 9 2 8 9 4 2 9 8 0 5 1 5 1 3 6 7 3 Q Q TEL 13942296513 QQ 376315150 892498299 TEL 13942296513 QQ 376315150 892498299 http://www.xiaoyu163.com 19 REF. NO PART NO. KANRI DESCRIPTION NO. MECHANICAL MAIN PARTS LIST 1/1 Basic color symbol Color Basic color symbol Color Basic color symbol Color B Black C Cream D Orange G Green H Gray L Blue LT Transparent Blue N Gold P Pink R Red S Silver ST Titan Silver T Brown V Violet W White WT Transparent White Y Yellow YT Transparent Yellow LM Metallic Blue LL Light Blue GT Transparent Green LD Dark Blue DT Transparent Orange COLOR NAME TABLE 1 S5-514-032-031 WINDOW LCD<84Y(S),84YU(S)> 1 S5-514-032-030 WINDOW,LCD<168Y(S)> 2 S5-115-032-050 COVER,TOP 3 S5-115-032-071 CASE,UPPER<84Y(S),84YU(S)> 3 S5-115-032-070 CASE,UPPER<168Y(S)> 4 S5-131-032-020 KNOB,HOLD 5 S5-122-000-370 DECORATION 6 S5-131-032-050 KNOB,FILE 7 S5-131-032-030 KNOB,REC 8 S5-131-032-040 KNOB,ERASE 9 S5-132-032-021 KNOB,PLAY 10 S5-132-032-024 KNOB,MODE 11 S5-132-032-023 KNOB,FF 12 S5-132-032-022 KNOB,REW 13 S5-176-032-002 HOLDER,LCD 14 S1-273-000-170 LCD,DISPLAY 15 ——— ZEBRA 16 ——— DEGITAL C.B 17 S5-176-032-030 KNOB,CHASSIS 18 ——— AUDIO C.B 19 S5-116-032-040 CASE,BOTTOM 20 S5-176-032-020 HOLDER SPRING 21 S5-151-032-030 LID,BATT 22 S9-931-000-060 WINDOW,TAPE 23 ——— RESET SHEET 24 S5-361-032-001 SPR,BATT(+) 25 S5-361-032-002 SPR,BATT(-) 26 S5-361-100-060 SPR,BATT(+/-) 27 87-B10-114-010 SCREW,TAP 1.7-11.5 28 87-067-768-010 SCREW,TAP 1.7-7.0 29 87-353-528-310 SCREW,TAP 1.7-3.5 30 S5-442-032-002 BUSHING C-MIC RUBBER 31 ——— CUSHION PCB RUBBER 32 S5-142-000-140 LENS,LED 33 ——— SH,PROTECT 34 S1-941-020-002 SPKR,DS-208MB3 BLK/RED 35 ——— SERIAL NO. LABEL 36 ——— LBL,SPEC www. xiaoyu163. com QQ 376315150 9 9 2 8 9 4 2 9 8 TEL 13942296513 9 9 2 8 9 4 2 9 8 0 5 1 5 1 3 6 7 3 Q Q TEL 13942296513 QQ 376315150 892498299 TEL 13942296513 QQ 376315150 892498299 http://www.xiaoyu163.com 2–11, IKENOHATA 1–CHOME, TAITO-KU, TOKYO 110, JAPAN TEL:03 (3827) 3111 931196 Printed in Singapore www. xiaoyu163. com QQ 376315150 9 9 2 8 9 4 2 9 8 TEL 13942296513 9 9 2 8 9 4 2 9 8 0 5 1 5 1 3 6 7 3 Q Q TEL 13942296513 QQ 376315150 892498299 TEL 13942296513 QQ 376315150 892498299 http://www.xiaoyu163.com

标签:

版权声明

1. 本站所有素材,仅限学习交流,仅展示部分内容,如需查看完整内容,请下载原文件。
2. 会员在本站下载的所有素材,只拥有使用权,著作权归原作者所有。
3. 所有素材,未经合法授权,请勿用于商业用途,会员不得以任何形式发布、传播、复制、转售该素材,否则一律封号处理。
4. 如果素材损害你的权益请联系客服QQ:77594475 处理。