爱华AIWA HV-FX8000U CD播放机维修手册

分类:电子电工 日期: 点击:0
爱华AIWA HV-FX8000U  CD播放机维修手册-0 爱华AIWA HV-FX8000U  CD播放机维修手册-1 爱华AIWA HV-FX8000U  CD播放机维修手册-2 爱华AIWA HV-FX8000U  CD播放机维修手册-3 爱华AIWA HV-FX8000U  CD播放机维修手册-4 爱华AIWA HV-FX8000U  CD播放机维修手册-5 爱华AIWA HV-FX8000U  CD播放机维修手册-6 爱华AIWA HV-FX8000U  CD播放机维修手册-7 爱华AIWA HV-FX8000U  CD播放机维修手册-8 爱华AIWA HV-FX8000U  CD播放机维修手册-9

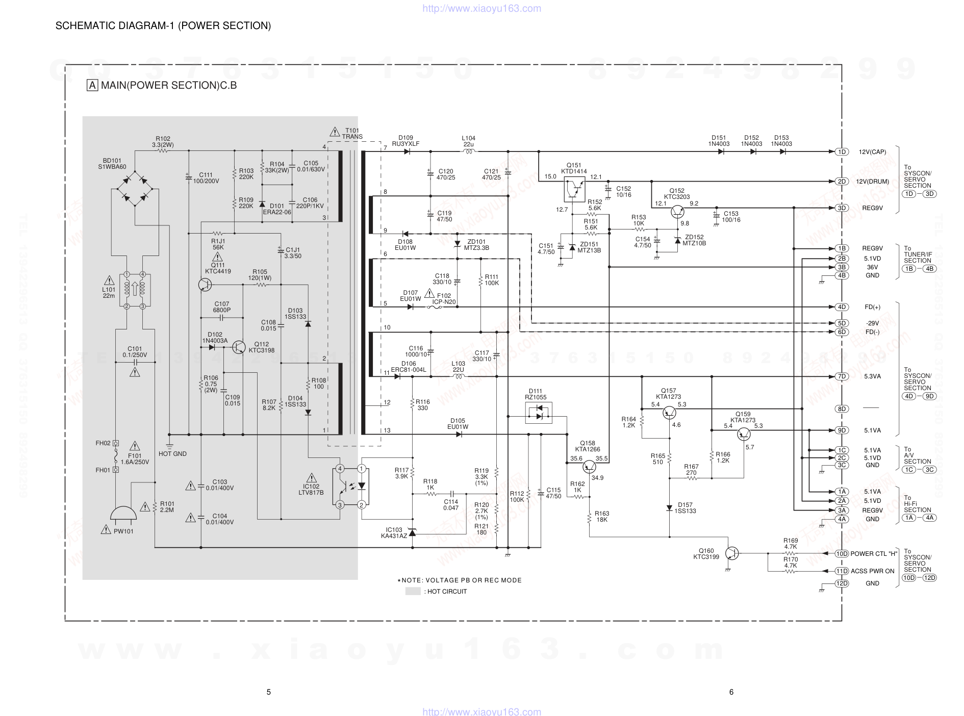
STEREO VIDEO CASSETTE RECORDER HV-FX8000 S/M Code No. 09-995-330-9T1 U SERVICE MANUAL DATA BASIC TAPE MECHANISM : D-33 SIMPLE Replace this Service Manual with "Revision Publishing" when it is issued. PLAY STOP REC/ITR PAUSE/ STILL REW/ /F FWD ONE TOUCH PLAYBACK DA 4 HEAD/AUTO HEAD CLEANING/DIGITAL AUTO TRACKING www. xiaoyu163. com QQ 376315150 9 9 2 8 9 4 2 9 8 TEL 13942296513 9 9 2 8 9 4 2 9 8 0 5 1 5 1 3 6 7 3 Q Q TEL 13942296513 QQ 376315150 892498299 TEL 13942296513 QQ 376315150 892498299 http://www.xiaoyu163.com 2 REF. NO PART NO. KANRI DESCRIPTION NO. ACCESSORIES LIST 1 S8-35R-003-4B0 INSTRUCTION ASSY 2 S7-11R-1N0-27A RC ASSY 3 S5-640-18B-000 PLUG ASSY PHONO CORD 4 S5-640-17B-000 PLUG ASSY PHONE CORD 1WAY 5 S8-610-12C-000 CABLE SET ASSY 6 S8-615-06V-000 CABLE SET ASSY RF-CABLE HI-FI SPECIFICATIONS • Design and specifications are subject to change without notice. Video recording system Rotary 2 head herical scanning system Video head Double azimuth 4 head Tuner system Frequency synthesized tuner TV system M Video signal system NTSC color signal, 525 lines, 60 fields Usable cassttes VHS video cassette Recording Playback time SP: 3 hours with T-180 tape LP: 6 hours with T-180 tape (playback only) EP: 9 hours with T-180 tape Tape speed SP: 33.35 mm/sec. LP: 16.67 mm/sec. EP: 11.12 mm/sec Fast forward/Rewind time Less than 180 seconds with T-120 tape Channel coverage VHF: 2 yo 13 UHF: 14 to 69 CATV: 2 to 13, 4A, A-5 to A-1, W + 12 to W +84 RF output VHF channel 3 or 4 (switchable), 66 dBµ Video input 1.0 Vp-p, 75 ohm, unbalanced Video output 1.0 Vp-p, 75 ohm, unbalanced Horizontal resolution 230 lines Video S/N 43 dB (at SP) Audio track 3 tracks (Hi-Fi sound 2 tracks, Normal sound 1 track) Audio input -6 dBs, 47 kohm Audio output -6 dBs, less than 4.7 kohm Audio frequency response normal: 100 Hz - 10 kHz (at SP) Hi-Fi: 20 Hz - 20 kHz Audio S/N normal: more than 43 dB (at SP) Hi-Fi: more than 70 dB (at SP) Operating temperature 5°C to 35°C Power requirements 120 V AC, 60 Hz Power consumption 19 W Dimensions 430 (W) x 102 (H) x 283 (D) mm (17 x 41/8 x 111/4 in.) Weight 3.9 kg (8.58 lbs.) www. xiaoyu163. com QQ 376315150 9 9 2 8 9 4 2 9 8 TEL 13942296513 9 9 2 8 9 4 2 9 8 0 5 1 5 1 3 6 7 3 Q Q TEL 13942296513 QQ 376315150 892498299 TEL 13942296513 QQ 376315150 892498299 http://www.xiaoyu163.com 3 REF. NO PART NO. KANRI DESCRIPTION NO. REF. NO PART NO. KANRI DESCRIPTION NO. ELECTRICAL MAIN PARTS LIST IC SI-SO2-104-00A IC,CXA2104S SI-MA3-328-00A IC,AN3328S SI-MA3-664-00A IC,AN3664NFB 87-A20-281-010 IC,MN12510 SI-SA7-455-00A IC,LC7455A/D SI-SS7-542-00A IC,KA7542Z SI-SS7-531-00A IC,KA7531Z SI-AL2-404-00A IC,AT24C04-10PC SI-SS3-082-00A IC,KA3082 SI-HI3-977-96B IC,HD3977RB96F SI-HI1-187-17A IC,HA118717NF SI-SS4-310-00A IC,KA431AZ S6-570-63A-000 IC,LTV-817B TRANSISTOR ! ST-R44-190-0AA TR,KTC4419 ST-R31-990-9AF TR,KTC3199-BL ST-R12-670-9AC TR,KTA1267-GR ST-R10-300-9AE TR,KRC103M ST-R12-730-9AA TR,KTA1273-TP-Y S3-1KR-A10-3M0 TR,KRA103M-TP ST-R32-050-9AB TR,KTC3205-TP-Y 87-026-609-080 TR,KTA1266-GR ST-R32-030-9AA TR,KTC3203-Y ST-R14-140-9AA TR,KTD1414 ST-R31-980-9AC TR,KTC3198-TP-BL DIODE 87-070-173-010 DIODE,S1WBA60 87-020-465-080 DIODE,1SS133 87-017-011-080 DIODE,IN4003A SD-R10-551-0AA DIODE,RZ1055LF-C1 87-017-352-010 DIODE,RU3YXLF-C1 100V2 SD-D01-000-9AC DIODE,EU01W 87-020-215-010 DIODE,ERC81-004L SD-D22-060-9AA DIODE,ERA22-06 MAIN C.B !C101 S6-240-88F-000 CAP,PCX2 275V 0.1UF,M !C103 S6-240-86B-000 CAP,103-400V !C104 S6-240-86B-000 CAP,103-400V C105 87-016-375-010 CAP,0.01UF-630V C106 S6-240-87H-000 CAP,220PF/1KV C111 87-016-099-090 CAP,E 100-200V C115 87-010-408-040 CAP,E 47UF-50V C116 S6-240-83E-000 CAP,E 1000-10V C117 SC-E33-76D-638 CAP,E 330-10V C118 SC-E33-76D-638 CAP,E 330-10V C119 87-010-408-040 CAP,E 47UF-50V C120 87-010-387-010 CAP,E 470UF-25V KME C121 S6-240-82G-000 CAP,E 470UF-25V C151 87-015-698-080 CAP,E 4.7M-50V C152 87-015-681-080 CAP,E 10-16V C153 SC-E10-74F-638 CAP,E 100-16V C154 87-015-698-080 CAP,E 4.7M-50V C1J1 87-010-403-040 CAP,E 3.3-50V C302 SC-E22-764-638 CAP,E 22-16V C304 87-015-698-080 CAP,E 4.7M-50V C306 87-015-698-080 CAP,E 4.7M-50V C307 87-015-681-080 CAP,E 10-16V C311 SC-E22-764-638 CAP,E 22-16V C312 87-015-698-080 CAP,E 4.7M-50V C315 87-015-684-080 CAP,E 47-16V C317 87-015-684-080 CAP,E 47-16V C320 87-015-681-080 CAP,E 10-16V C324 87-015-681-080 CAP,E 10-16V C327 87-010-403-040 CAP,E 3.3-50V C328 87-015-681-080 CAP,E 10-16V C330 87-010-402-040 CAP,E 2.2-50V C331 87-015-695-080 CAP,E 1.0M-50V C332 87-010-544-010 CAP,E 0.1-50V C335 87-016-088-040 CAP,E 220-6.3V C342 87-015-684-080 CAP,E 47-16V C345 87-015-698-080 CAP,E 4.7M-50V C347 87-015-698-080 CAP,E 4.7M-50V C350 87-015-695-080 CAP,E 1.0M-50V C352 87-010-402-040 CAP,E 2.2-50V C358 87-010-403-040 CAP,E 3.3-50V C359 87-015-684-080 CAP,E 47-16V C365 87-015-684-080 CAP,E 47-16V C370 87-015-681-080 CAP,E 10-16V C378 87-015-695-080 CAP,E 1.0M-50V C3F1 87-015-695-080 CAP,E 1.0M-50V C502 87-015-684-080 CAP,E 47-16V C503 87-016-088-040 CAP,E 220-6.3V C505 87-015-684-080 CAP,E 47-16V C506 87-016-455-080 CAP,E 470UF-6.3V C524 87-010-265-080 CAP,E 33-16V C525 87-015-684-080 CAP,E 47-16V C526 87-010-408-040 CAP,E 47UF-50V C530 87-015-681-080 CAP,E 10-16V C531 87-015-695-080 CAP,E 1.0M-50V C534 87-015-698-080 CAP,E 4.7M-50V C535 87-015-698-080 CAP,E 4.7M-50V C540 87-015-684-080 CAP,E 47-16V C541 87-015-698-080 CAP,E 4.7M-50V C546 87-015-684-080 CAP,E 47-16V C547 87-015-684-080 CAP,E 47-16V C561 87-015-684-080 CAP,E 47-16V C588 87-015-698-080 CAP,E 4.7M-50V C5A2 87-010-402-040 CAP,E 2.2-50V C5A5 87-015-695-080 CAP,E 1.0M-50V C5A7 87-015-684-080 CAP,E 47-16V C5F6 87-015-698-080 CAP,E 4.7M-50V C5F7 87-015-684-080 CAP,E 47-16V C5F8 87-015-684-080 CAP,E 47-16V C701 87-015-698-080 CAP,E 4.7M-50V C702 87-016-088-040 CAP,E 220-6.3V C704 87-010-544-010 CAP,E 0.1-50V C708 87-010-403-040 CAP,E 3.3-50V C709 87-016-088-040 CAP,E 220-6.3V C802 87-015-681-080 CAP,E 10-16V C803 87-015-695-080 CAP,E 1.0M-50V C804 87-015-695-080 CAP,E 1.0M-50V C805 87-015-695-080 CAP,E 1.0M-50V C807 87-010-265-080 CAP,E 33-16V C808 87-010-402-040 CAP,E 2.2-50V C809 SC-E10-74F-638 CAP,E 100-16V C818 SC-E10-74F-638 CAP,E 100-16V C819 87-010-402-040 CAP,E 2.2-50V C820 87-010-265-080 CAP,E 33-16V C822 87-015-684-080 CAP,E 47-16V C825 87-010-401-040 CAP,E 1.0-50V C826 87-010-401-040 CAP,E 1.0-50V C827 87-010-401-040 CAP,E 1.0-50V C828 87-015-681-080 CAP,E 10-16V C831 87-015-684-080 CAP,E 47-16V C832 SC-E22-764-638 CAP,E 22-16V C833 87-015-681-080 CAP,E 10-16V C834 87-015-681-080 CAP,E 10-16V C835 87-015-681-080 CAP,E 10-16V C844 87-010-403-040 CAP,E 3.3-50V C845 87-015-684-080 CAP,E 47-16V C846 87-015-694-080 CAP,E 0.47-50V C851 87-010-401-040 CAP,E 1.0-50V www. xiaoyu163. com QQ 376315150 9 9 2 8 9 4 2 9 8 TEL 13942296513 9 9 2 8 9 4 2 9 8 0 5 1 5 1 3 6 7 3 Q Q TEL 13942296513 QQ 376315150 892498299 TEL 13942296513 QQ 376315150 892498299 http://www.xiaoyu163.com 4 REF. NO PART NO. KANRI DESCRIPTION NO. REF. NO PART NO. KANRI DESCRIPTION NO. TRANSISTOR ILLUSTRATION KRA103M KRC103M KTA1267 KTC3199 KTA1266 KTC3203 KTA1273 KTC3205 KTC4419 KTD1414 E C B E C B E C B E C B C854 87-015-694-080 CAP,E 0.47-50V C855 87-015-698-080 CAP,E 4.7M-50V C856 87-015-681-080 CAP,E 10-16V C857 87-015-698-080 CAP,E 4.7M-50V C858 87-010-401-040 CAP,E 1.0-50V C859 87-015-698-080 CAP,E 4.7M-50V C863 87-010-403-040 CAP,E 3.3-50V C864 87-010-401-040 CAP,E 1.0-50V C865 87-015-681-080 CAP,E 10-16V C866 87-015-681-080 CAP,E 10-16V C867 87-010-401-040 CAP,E 1.0-50V C870 87-015-684-080 CAP,E 47-16V CS501 S6-00R-DB0-04C SW,MPU10252MLB4 MIC DIG5F1 S3-02R-1N0-03B LEVEL METER 7MT229GK ES501 S9-31R-001-6A0 SENSOR END ES502 S9-31R-001-6A0 SENSOR END !F101 S5-850-27B-000 FUSE,1600MA 250V !F102 87-A20-840-010 ICP-N20 T104 FL301 S6-330-32N-000 COIL,BIAC OSC DEO-010 KSE JK301 S5-720-81E-000 JACK,BJP-606 !L101 S6-161-45E-000 FILTER KSE-145E L103 S6-330-88G-000 COIL,CHOCK TP 5MM L104 S6-330-88G-000 COIL,CHOCK TP 5MM L301 87-005-208-080 COIL,100UH L302 87-005-208-080 COIL,100UH L303 87-A50-002-080 COIL,270UH 2.3-3.4-5 L304 87-005-696-080 COIL,100UH L305 87-005-688-080 COIL,22UH L306 87-005-685-080 COIL,12UH L309 87-005-208-080 COIL,100UH L310 87-005-208-080 COIL,100UH L311 87-005-696-080 COIL,100UH L501 87-005-208-080 COIL,100UH L503 87-005-452-080 COIL,470UH L506 87-005-682-080 COIL,6.80UH L701 87-005-689-080 COIL,27UH L801 87-005-208-080 COIL,100UH L803 87-A50-002-080 COIL,270UH 2.3-3.4-5 L804 87-005-696-080 COIL,100UH L805 87-005-696-080 COIL,100UH LD501 S9-31R-001-7A0 LED MS501 S6-00R-PY0-01B SW,MMS00420ZMBO MIC PMK1 S5-618-43J-000 CONN,TUC-P10P PMK2 S5-618-43D-000 CONN,TUC-P05P 5P R101 S6-140-13C-000 RES,RCR50,2.2M J M15 R102 S6-140-07K-000 RES,CEM 3.3-2W R104 SR-S33-02K-619 RES,M/F 33K-2W R105 SR-S12-00J-619 RES,M/F 120-1W RS501 S5-00R-AB0-02A SENSOR GP1S566 RS502 S5-00R-AB0-02A SENSOR GP1S566 !T101 S6-420-21E-000 PT,KSE-021E TU701 S7-00R-N3L-04A TUNER TADC-H002F VR301 S6-130-32U-000 RES,VARIABLE (100K) VR501 S6-130-32U-000 RES,VARIABLE (100K) VR801 S6-130-32U-000 RES,VARIABLE (100K) X301 S2-02R-135-71C X’TAL,3.579690MHZ X501 S2-02R-110-0AE X’TAL,10.0000MHZ 30PPM X502 S5-290-01B-000 X’TAL,32.768KHZ X503 S2-02R-114-3AE X’TAL,14.317872MHZ X5F1 S6-180-10B-000 X’TAL,4MHZ ZD101 SD-Z33-000-9AG ZENER,MTZ3.3B ZD151 SD-Z13-000-9AC ZENER,MTZ13B ZD152 SD-Z10-000-9AA ZENER,MTZ10B ZD501 SM-TZ6-8CT-000 ZENER,MTZ6.8C ZD502 83-NEG-677-080 DIODE,MTZ5.6B ZD503 87-A40-476-010 ZENER,MTZ6.2A ZD5F1 SD-Z51-000-9HA ZENER,MTZ5.1B 0.5W ZD701 87-002-743-080 ZENER,MTZ33B FRONT1 C.B SW905 S5-562-19B-000 SW,SKHV10910B SW906 S5-562-19B-000 SW,SKHV10910B SW907 S5-562-19B-000 SW,SKHV10910B SW908 S5-562-19B-000 SW,SKHV10910B SW909 S5-562-19B-000 SW,SKHV10910B SW910 S5-562-19B-000 SW,SKHV10910B SW911 S5-562-19B-000 SW,SKHV10910B FRONT2 C.B SW901 S5-562-19B-000 SW,SKHV10910B SW902 S5-562-19B-000 SW,SKHV10910B SW903 S5-562-19B-000 SW,SKHV10910B SW904 S5-562-19B-000 SW,SKHV10910B www. xiaoyu163. com QQ 376315150 9 9 2 8 9 4 2 9 8 TEL 13942296513 9 9 2 8 9 4 2 9 8 0 5 1 5 1 3 6 7 3 Q Q TEL 13942296513 QQ 376315150 892498299 TEL 13942296513 QQ 376315150 892498299 http://www.xiaoyu163.com 6 5 SCHEMATIC DIAGRAM-1 (POWER SECTION) PW101 R101 2.2M F101 1.6A/250V C103 0.01/400V C104 0.01/400V FH02 FH01 R106 0.75 (2W) C109 0.015 R107 8.2K D102 1N4003A L101 22m BD101 S1WBA60 R102 3.3(2W) C111 100/200V R103 220K R109 220K D101 ERA22-06 C106 220P/1KV C105 0.01/630V R104 33K(2W) Q111 KTC4419 R105 120(1W) C1J1 3.3/50 R1J1 56K C107 6800P C108 0.015 D103 1SS133 D104 1SS133 R108 100 Q112 KTC3198 C101 0.1/250V 1 4 2 3 4 3 2 1 HOT GND IC102 LTV817B 4 1 3 2 T101 TRANS D109 RU3YXLF C120 470/25 L104 22u C121 470/25 C119 47/50 D108 EU01W ZD101 MTZ3.3B C118 330/10 C116 1000/10 C117 330/10 R111 100K R116 330 F102 ICP-N20 L103 22U D107 EU01W D106 ERC81-004L D105 EU01W R117 3.9K R118 1K C114 0.047 IC103 KA431AZ R121 180 R120 2.7K (1%) R119 3.3K (1%) R112 100K C115 47/50 R162 1K R164 1.2K R165 510 D157 1SS133 R167 270 R169 4.7K R170 4.7K R166 1.2K R163 18K Q158 KTA1266 Q157 KTA1273 Q159 KTA1273 Q160 KTC3199 D111 RZ1055 ZD151 MTZ13B R151 5.6K R152 5.6K C152 10/16 R153 10K C154 4.7/50 ZD152 MTZ10B Q152 KTC3203 C153 100/16 D151 1N4003 D152 1N4003 D153 1N4003 C151 4.7/50 Q151 KTD1414 13 12 11 10 5 6 9 8 7 A MAIN(POWER SECTION)C.B 1D 1D 3D 2D 3D 1B 2B 3B 4B 4D 5D 6D 7D 8D 9D 1C 3C 1A 2A 3A 4A 10D 11D 12D 12V(CAP) 12V(DRUM) REG9V REG9V 5.1VD 36V GND FD(+) -29V FD(-) 5.3VA 5.1VA 5.1VA GND 5.1VA 5.1VD REG9V GND POWER CTL "H" ACSS PWR ON GND 2C 5.1VD To SYSCON/ SERVO SECTION 4D 9D To SYSCON/ SERVO SECTION 1C 3C To A/V SECTION 1A 4A To Hi-Fi SECTION 10D 12D To SYSCON/ SERVO SECTION 1B 4B To TUNER/IF SECTION 12.1 12.1 9.2 9.8 15.0 12.7 5.4 5.4 5.3 5.7 35.6 35.5 34.9 5.3 4.6 * NOTE: VOLTAGE PB OR REC MODE : HOT CIRCUIT w w w . x i a o y u 1 6 3 . c o m Q Q 3 7 6 3 1 5 1 5 0 9 9 2 8 9 4 2 9 8 T E L 1 3 9 4 2 2 9 6 5 1 3 9 9 2 8 9 4 2 9 8 0 5 1 5 1 3 6 7 3 Q Q TEL 13942296513 QQ 376315150 892498299 TEL 13942296513 QQ 376315150 892498299 http://www.xiaoyu163.com 8 7 SCHEMATIC DIAGRAM-2 (AUDIO/ VIDEO SECTION) 1 2 3 4 5 GND 6 7 8 9 10 11 12 13 14 15 16 17 18 19 20 21 22 23 24 25 26 27 28 29 30 31 32 33 34 35 36 37 38 39 40 41 42 43 44 45 46 47 48 49 50 100 99 98 97 96 95 94 93 92 91 90 89 88 87 86 85 GND Vcc 84 83 82 81 80 79 78 77 76 75 74 73 72 71 70 69 68 67 66 65 64 63 62 63 62 61 60 59 58 57 56 55 54 53 52 51 SW1 EP ON REC EQ BAND GAP SW6 SW40 SP ON PRE AMP SW3 REC ON SW2 P R VCA SW5 SW4 From ME SECAM DET DET SW39 SW38 SW37 SW36 SW35 SW34 SW33 SW32 SP2 SP1 SP2 SP1 SP1 SP2 SP1 SP2 VCA SW31 SW30 CH2 CH2 SP SP SW29 CH1 CH1 REC MUTE P R 629 TRAP FM AGC DET P EQ Quasi-S DL SQPB SQPB SW8 G EQ DLIM DEMO Sub LPF Main De-emph 1M HPF 7M LPF LAG READ LPF FM MOD fo/Dev ADJ S-DET Main Emph carrier Offset W.C/DC SW9 Y-LPF P P R R SW10 SW11 FBC/ALC N.L. Emph N.L. De-emph R SQPB SQPB P SW13 SW42 D.E. N.C. Edge. Enhancer REC AGC Det PB ALC Video AGC YNR SQPB EQ SW14 DO DO/ REC Clamp SW12 R P SW15 P R Clamp LPF ATT (-10dB) ATT (-10dB) ATT (-10dB) SW16 CCD-VCC Mode Control SW17 P R Pulse Gen. Clock Driver Feed Back Clamp Video ALC SQUELCH White Limiter CLEAR SYNC Sync.Sep. C.K N P B.D C-SQUELCH 6db AMP 6db AMP CCD LPF CCD- CONT LEVEL Det1 VCA Serial Cont Interface LEVEL Det2 CLPF Main Conv2 Main Conv1 P R SW24 CLPF Delay R DL SW25 SW41 P R SW26 SW23 R P R P SW22 P R BPF SW21 4phase Gen C-CCD Y-CCD DO Det Edge Delay B.E C.K MIX LEVEL ADJ TRAP HPF ACC CTL TRAP fH HPF APC SW ACC Det 1/2 Phase SW DOWN Conv. REC AFC REC APC PB APC Color Killer ID Det. fH Sync Control 2fsc VCO CR Det. 2fsc CLOCK LC VCO C GND C VCC X-tal VCO/OSC PB/REC Discri ME SECAM DET 1/2 2FL VCO P R SW20 SEP COMP SW19 R P SW18 TANK KILLER DET OUT HEAD SW1 HEAD SW2 Control ENV DET HPF COMP LPF SW27 L-SECAM L-SECAM 2M LPF SW28 DET DET SW7 CCD 1 2 3 4 NC PB CH A REC PB CH B Hi-Fi PB B Hi-Fi REC Hi-Fi PB A 5 6 7 SP PB CH1 SP REC SP PB CH2 1 2 CTL(+) CTL(-) 3 4 A/E(-) A/E(+) 5 6 A.REC A.PB 8 9 10 EP PB CH1 EP REC EP PB CH2 8H 7H 9H 1 2 GND FULL ERASE 6 5 4 1 2 3 1K 1K 2K 2K R R 11K 10K 9K 8K 7K 6K 1F 1F 2F 2F 6H 5H 4H 3H 2H 1H 1H 6H 12K 13K 5K 4K 3K 1C 3C 5.1VA 2C 5.1VD GND V.H/SW30 A.MUTE "H" D-V SYNC IIC CLOCK IIC DATA C.SYNC V.ENV. REC "H" VIDEO VIDEO(L2) VIDEO(TU) VIDEO(LINE) JK301 VIDEO OUT IN AUDIO-R(L1) N.AUDIO N.AUDIO AUDIO(R) AUDIO(L) AUDIO-L(L1) To Hi-Fi SECTION To TUNER/IF SECTION , 1C 3C To POWER SECTION To SYSCON/ SERVO SECTION 3K 13K 7H 9H To Hi-Fi SECTION CTL(-) CTL(+) To SYSCON/ SERVO SECTION , CTL HEAD AUDIO ERASE HEAD FULL ERASE HEAD AUDIO HEAD P3D02 P3D03 P3D01 To CYL.HEADS V.H/SW.30 84 V.ENV. 81 TP (RF) TP (H/SW.30) C357 0.033 C360 0.01 C361 0.01 C362 0.01 C363 0.01 C365 47/16 C364 0.01 C366 0.01 C367 0.01 C368 0.01 C369 0.01 C370 10/16 R328 2.2M R307 10K C301 0.01 R301 330K R302 12K C302 22/16 R303 220 C306 4.7/50 R306 22K Q305 KTC3199 Q306 KTC3199 C310 0.1 C312 4.7/50 C311 22/16 R330 82K R322 6.8K C318 150P R325 1.5K R327 3.3K C322 0.1 C324 10/16 C326 0.1 C328 10/16 C3F1 1/50 C319 0.1 R324 3.3K C323 0.1 C325 0.1 C327 3.3/50 C330 2.2/50 C331 1/50 C332 0.1/50 C333 330P C334 0.047 C335 220/6.3 L304 100u C316 0.01 C317 47/16 L302 100u C321 47P L303 270u C307 10/16 R314 4.7K R315 2.7K R341 2.2 R340 2.2 C314 0.033 C313 0.01 L301 100u C315 47/16 VR301 100K C329 270P R339 10 R342 1.5K R311 4.7K R310 2.7K R312 47K C320 10/16 R313 12K Q304 KTA1267 Q307 KRA103M Q302 KTA1273 Q303 KRC103M C354 0.022 FL301 OSC R309 1.5K R308 47 Q301 KTC3205 REC BIAS OSC C303 330P C305 2200P C304 4.7/50 R304 47K C355 0.01 C359 47/16 L310 100u L309 100u C358 3.3/50 C336 0.01 C337 0.1 C339 0.1 C343 0.01 L305 22u R329 1.5K C338 0.01 R338 270 C340 0.01 C341 0.01 C344 0.022 R332 4.7K C345 4.7/50 C349 0.022 C348 0.1 C353 0.01 R336 1K C372 18P C378 1/50 C352 2.2/50 R334 1K C351 4700P R333 5.6K C350 1/50 C347 4.7/50 L311 100u C342 47/16 C346 5P X301 3.579690MHz C371 680P L306 12u R323 75 R326 75 R3F1 75 A MAIN (AUDIO/VIDEO SECTION)C.B 99 A.MUTE DATA CLOCK 51 D-V SYNC 50 C.SYNC 81 99 51 62 63 50 84 IC301 HA118217NF AUDIO/VIDEO PROCESS D1-D18 CONTROL AUDIO(L) OUT IN AUDIO(R) OUT IN REC BIAS ADJ VR301 2.5 2.5 2.5 2.5 2.5 2.5 2.5 2.5 5.0 1.6 (2.1) 1.6 2.3 (2.1) (2.4) 1.8 2.1 2.8 2.8 2.1 2.2 2.8 2.1 1.4 2.1 0 0 0 0 2.7 5.1 5.1 2.7 5.1 5.1 1.7 5.1 2.5 0 0 0 0 1.9 - - - 2.8 1.9 2.1 2.8 - 2.8 2.8 2.8 5.0 - - - 2.3 (-) 5.0 5.0 0 2.5 2.5 2.1 2.2 2.1 - (2.7) 2.1 - - 2.8 2.1 (-) - 2.8 1.9 2.8 - - (-) - (0) 2.8 0 0 - 1.1 - -(0) 0 2.1(2.3) 2.1(2.3) 2.1(2.3) 2.1(2.3) 5.1 2.1(2.3) 2.1(2.3) 2.1(2.3) 2.1(2.3) 0(1.4) 2.1(2.3) - - - 2.5 1 2 3 3 3 4 5 6 7 8 9 9 10 11 12 12 13 13 ONE VOLTAGE:PB OR REC MODE TWO VOLTAGES:PB AND (REC) MODE :REC AUDIO SIGNAL :PB AUDIO SIGNAL :REC VIDEO SIGNAL :PB VIDEO SIGNAL 0 0 5.3 * : WAVEFORMS No. w w w . x i a o y u 1 6 3 . c o m Q Q 3 7 6 3 1 5 1 5 0 9 9 2 8 9 4 2 9 8 T E L 1 3 9 4 2 2 9 6 5 1 3 9 9 2 8 9 4 2 9 8 0 5 1 5 1 3 6 7 3 Q Q TEL 13942296513 QQ 376315150 892498299 TEL 13942296513 QQ 376315150 892498299 http://www.xiaoyu163.com 10 9 SCHEMATIC DIAGRAM-3 (SYSTEM CONTROL/SERVO/OSD SECTION) R5F2 8.2 R5F1 8.2 1 2 3 4 5 6 7 8 9 10 11 12 13 14 15 16 17 18 19 20 21 22 23 24 25 26 27 28 29 30 1 3 4 5 9 11 12 13 14 15 17 18 19 20 23 24 25 26 27 T-UP SENSOR VSS(A/D) END SENSOR T-UP REEL SUPPLY REEL SQPB IN LEVEL METER "L" LEVEL METER "R" AFT PG ADJ A.ENV V.ENV KEY RTN 0 KEY RTN 1 VCC(A/D) RESET CTL GAIN ADJ ACSS IN(JUST CLOCK IN) LD (-) LD (+) HSR "H"(24V) VCC(SYS) A.H/SW30 V.H/SW30 CAP.PWM DRUM PWM D.V-SYNC COLOR ROTARY CAP ACCEL "H" REC START"H" I-LIMIT MODE SW1 MODE SW2 MODE SW3 MODE SW4 OSC2 OSC1 VSS(SYS) X-TAL1 X-TAL2 TEST "H" OPT RTN(CTL MON) ACSS PWR ON ACSS ENA OTPB "H" Z-SEARCH "H"(18V) A.MUTE "H" CAP.REV "H" PWR CTL "H" OSD"H" C-SYNC "H" CST SW "H" SERVO PB "H" VCR "H" C.SYNC 4fsc in/2fsc in 4fsc out/2fsc out D OSC 80 79 78 77 76 75 74 73 72 71 70 69 68 67 66 65 64 63 62 61 60 59 58 57 56 55 54 53 52 51 80 79 78 77 76 75 74 73 72 67 66 65 64 62 61 60 59 56 55 54 31 CTL (+) CTL (-) CTL1 CTL2 CTL3 CTL OUT DFG DPG CFG VCC(SERVO) VCC(OSD) CV IN VREF(OSD) CV OUT CHAR BIAS AFC LPF AFC OSC VSS(OSD) D OSC S1 S2 S3 S4/FLD DATA OUT S5/FLD DATA IN S6/FLD CLK S7/FLD ENA S8 S9 DATA CLK PWR FAIL 2fsc/4fsc C.SYNC G1 G2 G3 G4 R/C DRUM 32 33 34 35 36 37 38 39 40 41 42 43 44 45 38 39 40 43 45 46 47 48 49 50 100 99 98 97 96 95 94 93 92 91 90 89 88 87 86 85 84 83 82 81 100 99 98 18 91 9065 97 96 95 94 93 92 91 90 87 86 85 84 83 81 IC501 HD3977RB96F SYSTEM CONTROL/ SERVO/OSD PROCESS IN OUT ADJ 1 2 3 4 5 GND MODE SW1 MODE SW2 MODE SW3 MODE SW4 MS501 R575 4.7K R576 4.7K R577 4.7K R578 4.7K R5C1 1K R5C2 1K R5C3 1K R5C4 1K To MODE SW 1 2 3 4 5 6 7 8 GND MOTOR GND I.LIMIT CAP.CONTROL 12V CFG CAP.REV "L" 5.3V PMC01 1 2 3 4 5 6 7 D.CTL M.GND DFG 12V PG GND 5.3V PMD01 1 2 LD+ LD- PML01 To CAPSTAN MOTOR PCM01 To LOWER DRUM PDM01 To LOADING MOTOR C547 47/16 C510 0.022 C546 47/16 C548 0.022 R543 100 R5J4 68K R5J5 68K R507 1K R506 1K R522 1K R512 1K R5B5 100 3 RESET GND VCC 1 2 1 VCC GND RESET 3 2 R RS501 GP1S566 T-UP/REEL 3 4 2 1 RS502 GP1S566 S-UP/REEL 3 4 2 1 R R R L506 6.8u 8 7 6 5 91 90 1 1 8 7 6 5 4 3 2 16 9 10 11 12 13 14 15 GND GND GND GND YSS1 TEST LI21 CF OUT CF IN CPDT SCK IN CE VCC GND CLK DATA CP VSS2 VDD2 MOD1 YCOR CV IN MOD0 VDD1 2 3 4 1 GND 2 3 4 5 6 7 8 9 10 L503 470u ZD501 MTZ6.8C R525 5.6K R526 5.6K C530 10/16 C529 0.1 C528 0.01 IC502 KA3082 MOTOR DRIVE MOTOR DET MOTOR DRIVE 1 2 3 4 5 6 7 8 9 10 11 12 13 14 15 16 17 18 19 20 21 22 23 24 25 26 27 28 29 30 31 32 33 38 37 36 35 34 F- F- NP NP NC 14 13 12 10 9 8 7 2 1 44 43 42 41 40 39 38 37 36 35 34 33 32 31 7G 6G 5G 4G 3G 2G 1G Nx Nx Nx Nx Nx Nx P16 P15 P14 P13 P12 P11 P10 P9 P8 P7 P6 P5 P4 P3 P2 F+ F+ NP NP P1 33 32 31 97 96 95 94 1 P15 P16 NC NC NC G1 G2 G3 G4 P3 P2 P1 POWER LED SHUTTLE4 SHUTTLE3 SHUTTLE2 SHUTTLE1 DATA OUT DATA IN CLK 2 3 4 5 6 7 8 9 10 1 2 7 8 9 10 11 33 32 31 30 29 28 27 26 25 24 23 44 43 42 41 40 39 38 37 36 35 34 44 43 42 41 40 39 38 37 36 35 34 P4 P5 P6 P7 P8 P9 P10 P11 P12 P13 P14 12 13 14 15 12 13 14 15 16 17 18 19 20 21 22 G5 G6 G7 NC VPP IC5F1 MN12510 LED DRIVE VDD OSC1 OSC2 VSS ENA R5G0 27K R5G1 27K R5G2 27K R5G3 27K R5G4 27K R5G5 27K R5G6 27K R5G7 27K C5F8 47/16 C5F4 0.01 R5H1 47 ZD5F1 MTZ5.1B X5F1 4.0MHz REC TIMER SP LP EP VCR M REM BIL SAP Hi-Fi ST 3 V OUT GND VCC 1 2 1 2 3 4 5 GND KEY RTN 1 OTPB "H" 5.3VA GND PMK02 GND VIDEO(L2) GND AUDIO-L(L2) GND AUDIO-R(L2) GND GND KEY RTN 0 GND 1 2 3 4 5 6 7 8 9 10 PMK01 1G 2G 3G 4G 5G 6G 6G 1G 1J 2J 3J 4J 5J 1K 2K 3K 4K 5K 6K 7K 8K 9K 10K 11K 12K 13K 1D 2D 3D 4D 5D 6D 7D 8D 9D 10D 11D 12D 7J 8J 6J R 19 20 C525 47/16 C526 47/50 R505 1K 61 81 78 80 R569 820K R5E8 10K R5E7 10K C557 0.01 R563 10K C544 0.047 C574 1000P C556 0.01 R5C9 10K C509 0.022 VR501 22KB PG ADJ C508 0.1 C511 0.1 C507 0.1 C575 1000P C567 3900P C550 0.1 C532 0.022 C523 1000P Q5J2 KRC103M C545 0.1 R521 3.3K R528 10K R579 56K R523 15K C522 0.01 R546 5.6K C543 2200P C551 0.033 R547 12K R553 220 R550 220 LD501 DECK IR LED ES501 ST5811-A,B T-UP END ES502 ST5811-A,B SUP END R556 22K R557 27K C536 0.01 R5B3 1K R560 4.7K R5C5 1K C534 4.7/50 C581 0.01 C535 4.7/50 C582 0.01 R5B4 1K R5J1 68K R5J2 120K Q5J1 KTC3199 Q522 KTC3199 Q503 KTA1273 Q501 KTC3199 D501 1N4003 R5J3 100K C527 180P R568 680K C564 330P R527 560 C524 33/16 R519 27K C596 0.022 R567 820 C512 180P R518 22 R517 2.7K C519 100P X503 14.317872MHz R582 1M C591 12P C590 15P C552 0.01 R5C6 1K X502 32.768KHz X501 10MHz R534 1M R515 270 C5F7 47/16 R5H2 330 C570 15P RC5F1 C542 680P R511 1K J501 C549 0.1 R581 120K C520 1000P R570 4.7K R536 10K R5B1 10K C5A4 0.022 C5A6 0.01 C5A7 47/16 IC503 AT24C04-109C EEPROM IC5A1 LC7455A/D ACSS R5A2 3.3K R5A1 1M C5A1 0.001 C5A2 2.2/50 C5A8 0.01 R510 6.8K R508 6.8K C5A3 180P C5A5 1/50 R5A4 1K R5A3 15K R504 1K R501 100 R502 100 IC505 KA7542Z C571 15P C515 18P C514 18P R548 100K R544 4.7K CS501 CST/TAP.SW C518 100P C504 0.022 C588 4.7/50 C513 0.1 C541 4.7/50 C503 220/6.3 C540 47/16 R516 330 ZD502 MTZ5.6B C521 0.022 C561 47/16 L501 100u ZD503 MTZ6.2A C505 47/16 C506 470/6.3 C517 C501 0.022 C500 0.022F/5.5V R542 2.2K R541 5.6K R539 27K R533 2.2K R580 3.3K R503 10K D502 1SS133 C584 68P R559 4.7K R599 1.8K Q509 KTA1267 C531 1/50 R532 470K R5C7 1K C537 0.01 R564 27K R555 220 R558 22K Q515 KRC103M Q506 KRC103M Q531 KRC103M Q514 KRC103M 13 14 38 40 39 56 31 32 IC504 KA7531Z RESET R509 1K R531 10K C516 0.1 C533 1000P R513 6.8K C502 47/16 TP 4 3 5 43 59 87 54 17 1 25 77 76 75 74 26 C5F6 4.7/50 R5F8 27K R5F9 1K R5F7 1K R5F5 1K R5F6 1K DIG5F1 67 99 97 96 94 D5E2 1SS133 D5E4 1SS133 D5E5 1SS133 D5E7 1SS133 D5F3 1SS133 84 Hi-Fi AUX2 FLD VCR+ EJECT KEY R5A5 10K R5A8 100 R5A7 100 To B FRONT 1 P9M01 To C FRONT 2 P9M02 VIDEO VIDEO(ACSS) AFT IIC DATA IIC CLOCK VCR "H" AUDIO-R(L2) A.MUTE "H" A.ENV. REC "H" A.H/SW IIC DATA IIC CLOCK AUDIO-L(L2) CTL(+) CTL(-) V.H/SW30 A.MUTE "H" D-V SYNC IIC CLOCK IIC DATA C.SYNC V.ENV. REC "H" VIDEO VIDEO(L2) 12V(CAP) 12V(DRUM) REG9V FD(+) -29V FD(-) 5.3VA 5.1VD POWER CTL "H" ACSS PWR ON GND To TUNER/IF SECTION 8J 1J To Hi-Fi SECTION 13K 1K To A/V SECTION 12D 1D To POWER SECTION 66 60 79 12 91 90 27 62 24 32 31 90 91 23 79 11 62 55 90 91 9 45 13 64 14 A MAIN (SYSTEM CONTROL/SERVO/OSD SECTION)C.B * ONE VOLTAGE:PB OR REC MODE TWO VOLTAGES:PB AND (REC) MODE : WAVEFORMS No. 5.3VA 5.1VD 12V(CAP) 12V(DRUM) 5.1VD 12V(CAP) 5.3VA 5.3VA 5.3V 12V(DRUM) 5.3VA 5.3VA 12V(DRUM) REMOCON RECEIVER HEAD A-W S-W COMP.IN VSS (SERVO) 1 2 5 6 7 8 9 10 3 4 0.4 0 0.1(0) 0 0 5.1 4.5 4.5 1.6 3.5 0.2(2.3) 2.3(4.2) 5.1 0 5.3 5.0 0 5.2 0 5.0(0) 0 5.3 2.5 2.5 2.7 2.4 0 2.5 0 0 2.7 0 3.1 5.0 5.4 0 5.4 2.5 2.5 0 0.8 1.5 0 0 0.1(0.2) 5.1 0 0 0 5.0(0) 4.9(4.5) 0 0 5.1 0 5.1 0(0.4) 2.3 2.4 1.2(0) 0 0.5 0.8 3 1.8 1.8 12.2 12.2 0.9 0.5 0 0 0 0 5.3 0 4.6(5.2) 4.6(5.2) 0 5.3 5.3 0 5.1 0.1 2.2 2.2 2.2 2.2 4.4 2.5 5.2 0 2.6 1.3 2.6 0 2.0 0 0 1.2 2.3 0 2.9(2.3) 0 0 0 4.8(0) 4.9 0(4.9) 4.9 0 0 4.8 4.8 4.3 0 4.6 0 0 0 0 5.1 1.2 0 5.4 4.6 0 0.1 3.6 5.3 5.3 2.2 5.4 0.7 0 0 0.2 0.2 5.1 5.1 5.0 0 5.3 0 5.3 5.3 5.3 0 5.3 0 0 5.3 w w w . x i a o y u 1 6 3 . c o m Q Q 3 7 6 3 1 5 1 5 0 9 9 2 8 9 4 2 9 8 T E L 1 3 9 4 2 2 9 6 5 1 3 9 9 2 8 9 4 2 9 8 0 5 1 5 1 3 6 7 3 Q Q TEL 13942296513 QQ 376315150 892498299 TEL 13942296513 QQ 376315150 892498299 http://www.xiaoyu163.com 12 11 SCHEMATIC DIAGRAM-4 (Hi-Fi AUDIO SECTION) 2.6 2.6 0.4 2.6 2.6 5.1 2.6 1.6 0 2.6 2.6 2.6 2.6 2.6 9.4 2.5 (1) 4.5 4.5 4.7 0.5 (1.1) 0 2.6 2.6 2.6 2.6 2.6 2.6 1.6 0 2.6 2.6 2.6 0 0 (2.7) 4.9 4.9 2.6 2.6 2.0 2.1 0.1 0.1 0 1.6 (1.2) 1.3 (1.2) (4.1) (4.1) (4.9) (4.9) 0 (4.0) (3.8) (4.1) (3.9) (5.2) (4.0) (1.3) (1.3) 0 (4.3) (4.0) 0 (4.0) (1.7) (4.0) (4.0) (1.7) (4.0) (4.0) (4.0) (4.0) (3.8) (4.0) (4.0) 9.3 0.5 0(4) 0.6 0 0.6 0(4) 0(4) 2.7(2.5) 0(-) 5.1 3.4(3) 0 1(1.8) 2(1.8) 0(0.8) 0(5) INPUT SW 3J 4J 5J 6J 7J 8J 2J 1J 9H 8H 7H 1J 8J C841 0.01 R838 15 C842 0.01 C840 0.01 C839 0.01 R837 100 IC802 AN3328S L805 100u C870 47/16 C869 0.01 C858 1/50 C859 4.7/50 C867 1/50 C861 2700P R845 3.3K R846 3K C862 0.047 C863 3.3/50 C864 1/50 C865 10/16 R847 3.9K C866 10/16 IC803 CXA2104S dBx TV NR R840 100 R841 100 C851 1/50 R842 1M C852 5600P C853 0.012 R843 100K VR801 100KB VR801 STEREO SEPARATION ADJ. C854 0.47/50 C855 4.7/50 C856 10/16 R844 62K (1%) C857 4.7/50 R L 1 2 3 C802 10/16 C846 0.47/50 D801 1SS133 IC801 AN3664NFB Hi-Fi AUDIO PROCESS R803 39K R807 39K R802 12K R806 15K C803 1/50 C805 1/50 C804 1/50 R809 510 R808 4.7K C806 0.047 R804 39K R805 15K C807 33/16 C808 2.2/50 C809 100/16 C810 0.015 4 5 6 7 8 9 10 11 12 C811 0.01 C838 270P C824 180P C844 3.3/50 L803 270u R836 1K R801 10K Hi-Fi RF TP C813 0.01 C812 0.01 R833 100 R834 100 R832 1K C815 0.1 36 35 EVOL /AGC R L+R L DET RF C MUTE MUTE R L R SW19 SW17 L L R SW16 SW18 BS1 BS2 HI-FI MIX NORMAL BS1 BS2 HI-FI MIX NORMAL PB TRAP LPF CCA BUF. DET LPF PEAK DET S/M SW9 SW NOISE AUDIO LIM PC PB LPF DAC(NTSC/PAL) VCO REC LPF HPF NOISE DET Rch BPF FM LIM Lch BPF HOLD TIMING LINER SW LOGIC PB REC MIX REC LPF VCO DAC(NTSC/PAL) SW NOISE S/M SW4 AUDIO LIMIT CCA PB TRAP LPF SW1 SW2 EVOL /AGC INPUT SW VREF1 AMP AMP Log Log 1/2VCC(5V) DET LPF PEAK DET PB LPF PC Nor-Fech Vcc SW22 SW6 SW7 34 33 32 31 30 29 28 27 26 25 C816 0.01 C817 0.015 C818 100/16 C819 2.2/50 C820 33/16 R814 39K R815 15K C826 1/50 C825 1/50 C827 1/50 R821 12K R817 15K C822 47/16 C823 0.01 L801 100u C845 47/16 C843 0.01 L804 100u R816 39K R820 39K C828 10/16 C837 1200P R822 8.2K R823 27K C830 0.01 C831 47/16 C832 22/16 R810 2.2M C833 10/16 R828 1.5K R830 1.5K R827 10K Q802 KTC3199 R826 10K Q801 KTC3199 R825 10K Q803 KTC3199 R831 180 R829 180 C835 10/16 C834 10/16 C821 0.047 R812 510 R813 4.7K 13 14 15 16 To SYSCON/ SERVO SECTION A.ENV REC "H" A.H/SW IIC DATA IIC CLOCK AUDIO-L(L2) A.MUTE"H" 5.1VD AUDIO-R(L1) N.AUDIO N.AUDIO AUDIO(R) AUDIO(L) AUDIO-L(L1) MOD AUDIO To TUNER/IF SECTION To POWER SECTION To A/V SECTION GND :PB AUDIO SIGNAL :REC AUDIO SIGNAL AUDIO(TU) 17 18 19 20 21 22 23 24 16 9 10 VCC PB ON DET AGC GND GND 11 12 13 14 15 1 1 MATRIX RMSDET RMSDET I C BUS I/F LPF LPF DEEM. DEEM. STIND VCA LPF LPF BPF SAP VCO NOISE DET AMP (+4db) LFLT LOGIC 2 4 3 5 6 7 8 9 10 11 12 13 14 VGR GND 15 30 29 27 28 26 25 24 23 22 21 20 19 18 17 16 VCC H/SW 8 7 6 5 4 3 2 48 47 46 45 44 43 42 41 40 39 38 37 2A 5.1VA 1A 1H 2H 3H 4H 6H 1H 5H 6H 1E 1E 2E 2E 4A 4A 1A AUDIO-R(L2) Hi-Fi PB(B) Hi-Fi PB(A) Hi-Fi REC REG9V 3A A MAIN (Hi-Fi AUDIO SECTION) C.B * ONE VOLTAGE:PB OR REC MODE TWO VOLTAGES:PB AND (REC) MODE 0 0 0 0 0 0 H L 2 1/4 1/2 SW LPF VCA VE LPF FLT LPF VCA HPF LPF STLPF SAPIND , To A/V SECTION 9H 7H R (L2) R (L1) R (TU) L (TU) L (L1) L (L2) w w w . x i a o y u 1 6 3 . c o m Q Q 3 7 6 3 1 5 1 5 0 9 9 2 8 9 4 2 9 8 T E L 1 3 9 4 2 2 9 6 5 1 3 9 9 2 8 9 4 2 9 8 0 5 1 5 1 3 6 7 3 Q Q TEL 13942296513 QQ 376315150 892498299 TEL 13942296513 QQ 376315150 892498299 http://www.xiaoyu163.com 13 SCHEMATIC DIAGRAM-5 (TUNER/IF SECTION) * NOTE:VOLTAGE PB OR REC MODE :REC AUDIO SIGNAL :PB AUDIO SIGNAL :REC VIDEO SIGNAL :PB VIDEO SIGNAL 0 2.8 2.1 FM MODULATOR VIDEO MODULATOR OFF THROUGH SW ANT IN OUT TO TV RF CARRIER OSC 4.5MHz TANK VHF RF AMP MIXER IC IF AMP SAW FILTER FM DETECTOR SIF FILTER VIDEO DETECTOR UHF RF AMP UHF MIXER VHF OSC UHF OSC PLL AGC AFT 1 2 3 4 REG5V CONTROL 6 RF AGC 7 NC 8 ENABLE NC REG5V NC TU30V NC IF NC 5 9 10 11 12 13 C701 4.7/50 C704 0.1/50 ZD701 MTZ33B 14 17 19 18 16 15 20 IF BLOCK TUNER BLOCK MODULATOR BLOCK 2E 1E 4B 3B 2B 1B GND 36V 5.1VD REG9V AUDIO(TU) MOD AUDIO 1F 2F VIDEO(TU) VIDEO(LINE) 1G 2G 3G 4G 5G 6G 1G 6G VIDEO VIDEO(ACSS) AFT IIC DATA IIC CLOCK VCR "H" To SYSCON/ SERVO SECTION 1F 2F To A/V SECTION , 1B 4B To POWER SECTION 1E 2E To Hi-Fi SECTION , A MAIN(TUNER/IF SECTION)C.B C710 0.1 C705 470/6.3 R703 470 Q701 KTA1267 L701 27u R701 3.9K C709 220/6.3 R707 470 R706 470 R702 1K R708 33K C708 3.3/50 C703 0.01 R711 18K R710 1.5K C702 220/6.3 TU701 TADC-H002F TUNER SW701 CH3 CH4 VHF/UHF/CATV www. xiaoyu163. com QQ 376315150 9 9 2 8 9 4 2 9 8 TEL 13942296513 9 9 2 8 9 4 2 9 8 0 5 1 5 1 3 6 7 3 Q Q TEL 13942296513 QQ 376315150 892498299 TEL 13942296513 QQ 376315150 892498299 http://www.xiaoyu163.com 14 SCHEMATIC DIAGRAM-6 (FRONT 1 SECTION) SCHEMATIC DIAGRAM-7 (FRONT 2 SECTION) 10 9 8 7 6 5 4 3 2 1 GND KEY RTN 0 GND GND AUDIO-R(L2)) GND AUDIO-L(L2) GND VIDEO(L2) GND P9M02 To A MAIN C.B SYSCON/ SERVO SECTION PMK01 JK903 VIDEO JK901 AUDIO(L) JK902 AUDIO(R) P9M01 1 2 3 4 5 GND KEY RTN 1 OTPB "H" 5.3VA GND R901 1.8K R902 1.5K R903 2.2K SW901 CH UP SW902 CH DOWN SW903 EJECT SW904 POWER R910 150 R904 1.8K R905 1.5K R906 2.2K R907 2.7K R908 3.9K R909 6.8K R911 1K Q901 KTC3199 LD901 OTPB SW905 REC SW906 P/STILL SW907 REW SW908 PLAY SW909 FF SW910 STOP SW911 OTPB B FRONT 1 C.B C FRONT 2 C.B ( ) To A MAIN C.B SYSCON/ SERVO SECTION PMK02 ( ) www. xiaoyu163. com QQ 376315150 9 9 2 8 9 4 2 9 8 TEL 13942296513 9 9 2 8 9 4 2 9 8 0 5 1 5 1 3 6 7 3 Q Q TEL 13942296513 QQ 376315150 892498299 TEL 13942296513 QQ 376315150 892498299 http://www.xiaoyu163.com 15 WIRE HARNESS DIAGRAM 1 2 3 4 5 6 7 8 9 10 GND VIDEO(L2) GND AUDIO-L(L2) GND AUDIO-R(L2) GND GND KEY RTN0 GND 1 2 3 4 5 6 7 8 9 10 1 2 3 4 5 GND KEY RTN1 OTPB "H" 5.3VA GND 1 2 3 4 5 1 2 3 4 5 6 7 D.CTL M.GND DFG 12V PG GND 5.3V 1 2 3 4 5 6 7 1 2 3 4 5 6 7 8 GND MOTOR GND I-LIMIT CAP CTL 12V CFG CAP REV "L" 5.3V 1 2 3 4 5 6 7 8 1 2 3 4 5 6 CTL(+) CTL(-) A/E(-) A/E(+) A.REC A.PB 1 2 3 4 5 6 1 2 3 4 5 6 7 8 9 10 NC PB CH A REC PB CH B SP PB CH1 SP REC SP PB CH2 EP PB CH1 EP REC EP PB CH2 1 2 3 4 5 6 7 8 9 10 1 2 3 4 5 GND MODE S1 MODE S2 MODE S3 MODE S4 1 2 3 4 5 1 2 GND FULLERASE 1 2 LOWER DRUM CAPSTAN MOTOR MS501 MODE SW FULL ERASE HEAD CYL. HEADS A MAIN C.B C FRONT2 C.B B FRONT1 C.B ACE HEAD P9M02 PMK01 PMD01 PMD01 PMC01 PCM01 P3D02 P3D02 MS501 P3D03 PD303 1 2 LD(+) LD(-) 1 2 LOADING MOTOR PML01 PML01 P3D01 P3D01 P9M01 PMK02 www. xiaoyu163. com QQ 376315150 9 9 2 8 9 4 2 9 8 TEL 13942296513 9 9 2 8 9 4 2 9 8 0 5 1 5 1 3 6 7 3 Q Q TEL 13942296513 QQ 376315150 892498299 TEL 13942296513 QQ 376315150 892498299 http://www.xiaoyu163.com 16 MECHANICAL EXPLODED VIEW 1/1 11 12 MAIN C.B 8 5 3 7 4 2 6 9 1 10 C C C A A A B B B B B B DIG 5F-1 FRONT 1 C.B FRONT 2 C.B www. xiaoyu163. com QQ 376315150 9 9 2 8 9 4 2 9 8 TEL 13942296513 9 9 2 8 9 4 2 9 8 0 5 1 5 1 3 6 7 3 Q Q TEL 13942296513 QQ 376315150 892498299 TEL 13942296513 QQ 376315150 892498299 http://www.xiaoyu163.com 17 REF. NO PART NO. KANRI DESCRIPTION NO. MECHANICAL MAIN PARTS LIST 1/1 1 ——— PANEL ASSY 2 S7-20R-F07-1A0 PANEL FRONT 3 S5-80R-003-2A0 DOOR CST 4 S4-426-81A-000 SPRING DOOR 5 ——— COVER BOTTOM 6 ——— FRAME MAIN 7 ——— DECK ASSY 8 S9-30R-013-3A0 HOLDER DIGITRON 9 S1-10R-013-7B0 CASE TOP SIDE 10 S4-10R-AHS-01A POWER CORD 11 S7-21R-D02-2B0 PANEL ASSY 12 ——— PANEL DISTRIBUTOR A S3-530-51A-000 SCREW,SPECIAL B S3-530-51E-000 SCREW,SPECIAL 3-12 C S3-531-36A-000 SCREW,SPECIAL(FBK) www. xiaoyu163. com QQ 376315150 9 9 2 8 9 4 2 9 8 TEL 13942296513 9 9 2 8 9 4 2 9 8 0 5 1 5 1 3 6 7 3 Q Q TEL 13942296513 QQ 376315150 892498299 TEL 13942296513 QQ 376315150 892498299 http://www.xiaoyu163.com 18 MECHANISM EXPLODED VIEW 1/3 www. xiaoyu163. com QQ 376315150 9 9 2 8 9 4 2 9 8 TEL 13942296513 9 9 2 8 9 4 2 9 8 0 5 1 5 1 3 6 7 3 Q Q TEL 13942296513 QQ 376315150 892498299 TEL 13942296513 QQ 376315150 892498299 http://www.xiaoyu163.com 19 REF. NO PART NO. KANRI DESCRIPTION NO. REF. NO PART NO. KANRI DESCRIPTION NO. MECHANISM MAIN PARTS LIST 1/3 032 S1-41R-000-2A0 CHASSIS ASSY 100 S3-01R-002-9A0 PLATE ASSY TOP 101 S8-10R-005-6A0 BRACKET SIDE(L) 102 ——— LEVER STOPPER(L) 103 ——— HOLDER SIDE(L) 104 S9-74R-001-9A0 GUIDE CST 105 ——— HOLDER CST 106 ——— HOLDER SIDEE(R) 107 ——— LEVER STOPPER(R) 108 ——— BRAKET SIDE(R) 109 ——— OPENER DOOR 110 ——— ARM F/L(L) 111 ——— SPRING F/L(L) 112 ——— BODY F/L 113 ——— SPRING F/L(R) 114 ——— ARM F/L(R) 115 S9-70R-005-0A0 SPRING SWITCH 116 S5-10R-002-0A0 LEVER SWITCH 407 87-841-034-210 SCREW PAN HEAD 2.0-5.0 426 87-261-094-410 PAN HEAD SCREW 3-6 A21 S9-31R-001-5A0 HOLDER ASSY CST A22 S8-11R-001-4A0 BRACKET ASSY DOOR A23 S2-61R-001-0A0 ARM ASSY F/L A24 ——— LEVER ASSY SWITCH www. xiaoyu163. com QQ 376315150 9 9 2 8 9 4 2 9 8 TEL 13942296513 9 9 2 8 9 4 2 9 8 0 5 1 5 1 3 6 7 3 Q Q TEL 13942296513 QQ 376315150 892498299 TEL 13942296513 QQ 376315150 892498299 http://www.xiaoyu163.com 20 MECHANISM EXPLODED VIEW 2/3 www. xiaoyu163. com QQ 376315150 9 9 2 8 9 4 2 9 8 TEL 13942296513 9 9 2 8 9 4 2 9 8 0 5 1 5 1 3 6 7 3 Q Q TEL 13942296513 QQ 376315150 892498299 TEL 13942296513 QQ 376315150 892498299 http://www.xiaoyu163.com 21 REF. NO PART NO. KANRI DESCRIPTION NO. REF. NO PART NO. KANRI DESCRIPTION NO. MECHANISM MAIN PARTS LIST 2/3 001 S7-23R-010-6C0 DRUM ASSY 002 S6-80R-B00-04A MOTOR(MECH) 003 S9-30R-010-8A0 HOLDER FPC(6CH) 004 S0-06R-001-4A0 CAP,FPC 005 ——— CAP,A CLEANER 006 ——— ROLLER CLEANER 007 ——— ARM CLEANER 008 S9-70R-004-3A0 SPRING T/UP 009 S2-60R-001-1A0 ARM T/UP 010 S7-70R-000-4A0 BAND ASSY TENSION(MECH) 011 S2-61R-000-4A0 ARM ASSY TENSION 012 S0-41R-000-3A0 BASE ASSY P2 013 S0-41R-000-4A0 BASE ASSY P3 014 S0-41R-000-7A0 BASE ASSY P4 015 S8-70R-000-1A0 OPENER LID 016 S0-41R-000-5A0 BASE ASSY A/C HEAD 017 S4-08R-000-1A0 REEL S 018 S9-70R-005-4A0 SPRING SB 019 S4-21R-000-3A0 BRAKE ASSY S 020 S9-70R-005-3A0 SPRING TB 021 S4-21R-000-4A0 BRAKE ASSY T 022 S5-238-33B-000 HEAD FE D33 023 S9-80R-001-0A0 SUPPORTER CST 024 S2-61R-000-9A0 ARM ASSY IDLER-J 025 S8-10R-005-3A0 BRACKET L/D MOTOR 026 S6-81R-000-7A0 MOTOR ASSY L/D 027 S4-70R-002-5A0 GEAR WHEEL 028 S4-08R-000-2A0 REEL T 029 S2-61R-001-1A0 ARM ASSY PINCH 031 S9-70R-005-2A0 SPRING TENSION 032 S1-41R-000-2A0 CHASSIS ASSY 401 87-261-071-410 PAN HEAD SCREW 2.6-4 406 87-744-094-410 SCREW,PAN HEAD 3.0-6.0 409 87-741-095-410 SCREW,PAN HEAD 3.0-8.0 504 S3-540-01B-000 WASHER,P.S 3.1-6-0.5 A01 ——— DRUM ASSY A02 ——— ARM ASSY A03 S2-61R-000-3A0 ARM ASSY CLEANER A04 ——— BRACKET ASSY L/D MOTOR www. xiaoyu163. com QQ 376315150 9 9 2 8 9 4 2 9 8 TEL 13942296513 9 9 2 8 9 4 2 9 8 0 5 1 5 1 3 6 7 3 Q Q TEL 13942296513 QQ 376315150 892498299 TEL 13942296513 QQ 376315150 892498299 http://www.xiaoyu163.com 22 MECHANISM EXPLODED VIEW 3/3 www. xiaoyu163. com QQ 376315150 9 9 2 8 9 4 2 9 8 TEL 13942296513 9 9 2 8 9 4 2 9 8 0 5 1 5 1 3 6 7 3 Q Q TEL 13942296513 QQ 376315150 892498299 TEL 13942296513 QQ 376315150 892498299 http://www.xiaoyu163.com 23 REF. NO PART NO. KANRI DESCRIPTION NO. REF. NO PART NO. KANRI DESCRIPTION NO. MECHANISM MAIN PARTS LIST 3/3 051 S4-00R-000-5A0 BELT CAPSTAN 052 S6-80R-000-2A0 MOTOR(MECH) 053 S9-74R-001-8A0 GUIDE RACK F/L 054 S4-70R-003-7A0 GEAR RACK F/L 055 S4-70R-003-3A0 GEAR DRIVE 056 S4-70R-003-2A0 GEAR CAM 057 S4-70R-003-6B0 GEAR CONNECT 058 ——— BRAKE CAPSTAN 059 S9-70R-005-9A0 SPRING CAPSTAN 060 S5-10R-002-5A0 LEVER F/R 061 S2-65R-000-2A0 CLUTCH ASSY 062 S4-70R-004-4A0 GEAR ASSY UP/D 063 S9-70R-005-1A0 SPRING UP/D 064 S4-70R-003-4A0 GEAR SECTOR 065 ——— LEVER P3 066 ——— SPRING L/D 067 ——— GEAR P3 068 ——— GEAR P2 069 ——— SPRING L/D 070 ——— LEVER P2 071 ——— BRACKET JOG 072 ——— LEVER JOG 073 ——— LEVER SLOW 074 S9-70R-004-9A0 SPRING JOG 075 ——— GEAR JOG 076 ——— ARM JOG 077 S3-00R-015-7A0 PLATE SLIDER 078 S5-10R-002-2A0 LEVER TENSION 079 S0-40R-001-8A0 BASE TENSION 410 SA-PF0-262-218 SCREW,PAN HEAD 2.6-6.8 A11 S4-70R-002-8A0 GEAR ASSY P3 A12 S4-70R-002-6A0 GEAR ASSY P2 A14 ——— BRAKET ASSY CAPSTAN www. xiaoyu163. com QQ 376315150 9 9 2 8 9 4 2 9 8 TEL 13942296513 9 9 2 8 9 4 2 9 8 0 5 1 5 1 3 6 7 3 Q Q TEL 13942296513 QQ 376315150 892498299 TEL 13942296513 QQ 376315150 892498299 http://www.xiaoyu163.com 920074 Printed in Singapore 2–11, IKENOHATA 1–CHOME, TAITO-KU, TOKYO 110-8710, JAPAN TEL:03 (3827) 3111 www. xiaoyu163. com QQ 376315150 9 9 2 8 9 4 2 9 8 TEL 13942296513 9 9 2 8 9 4 2 9 8 0 5 1 5 1 3 6 7 3 Q Q TEL 13942296513 QQ 376315150 892498299 TEL 13942296513 QQ 376315150 892498299 http://www.xiaoyu163.com

标签:

版权声明

1. 本站所有素材,仅限学习交流,仅展示部分内容,如需查看完整内容,请下载原文件。
2. 会员在本站下载的所有素材,只拥有使用权,著作权归原作者所有。
3. 所有素材,未经合法授权,请勿用于商业用途,会员不得以任何形式发布、传播、复制、转售该素材,否则一律封号处理。
4. 如果素材损害你的权益请联系客服QQ:77594475 处理。