安桥ONKYO DPS-5.9 DVD播放器电路图

分类:电子电工 日期: 点击:0
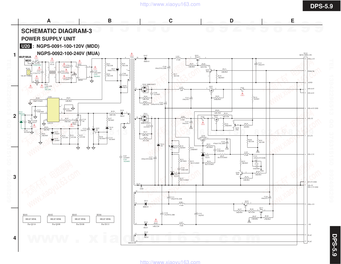
安桥ONKYO DPS-5.9 DVD播放器电路图-0 安桥ONKYO DPS-5.9 DVD播放器电路图-1 安桥ONKYO DPS-5.9 DVD播放器电路图-2 安桥ONKYO DPS-5.9 DVD播放器电路图-3 安桥ONKYO DPS-5.9 DVD播放器电路图-4 安桥ONKYO DPS-5.9 DVD播放器电路图-5 安桥ONKYO DPS-5.9 DVD播放器电路图-6 安桥ONKYO DPS-5.9 DVD播放器电路图-7 安桥ONKYO DPS-5.9 DVD播放器电路图-8 安桥ONKYO DPS-5.9 DVD播放器电路图-9

DPS-5.9 SERVICE MANUAL SERVICE MANUAL DVD PLAYER Black model MODEL DPS-5.9 120V AC, 60Hz 100-240V AC, 50/60Hz BMDD BMUA Ref. No. 4117 Oct, 2008 RC-658DV SAFETY-RELATED COMPONENT WARNING!! COMPONENTS IDENTIFIED BY MARK ON THE SCHEMATIC DIAGRAM AND IN THE PARTS LIST ARE CRITICAL FOR RISK OF FIRE AND ELECTRIC SHOCK. REPLACE THESE COMPONENTS WITH ONKYO PARTS WHOSE PART NUMBERS APPEAR AS SHOWN IN THIS MANUAL. MAKE LEAKAGE-CURRENT OR RESISTANCE MEASUREMENTS TO DETERMINE THAT EXPOSED PARTS ARE ACCEPTABLY INSULATED FROM THE SUPPLY CIRCUIT BEFORE RETURNING THE APPLIANCE TO THE CUSTOMER. www. xiaoyu163. com QQ 376315150 9 9 2 8 9 4 2 9 8 TEL 13942296513 9 9 2 8 9 4 2 9 8 0 5 1 5 1 3 6 7 3 Q Q TEL 13942296513 QQ 376315150 892498299 TEL 13942296513 QQ 376315150 892498299 http://www.xiaoyu163.com SERVICE PROCEDURES-1 DPS-5.9 WARNING RISK OF ELECTRIC SHOCK DO NOT OPEN RISQUE DE CHOC ELECTRIQUE NE PAS OUVRIR AVIS "CLASS 1 LASER PRODUCT" PROTECTION OF EYES FROM LASER BEAM DURING SERVICING WARNING LASER WARNING This set employs a laser. Therefore, be sure to follow carefully the instructions below when servicing. 1. Replacing the fuses SERVICE PROCEDURE This symbol located near the fuse indicates that the fuse used is show operating type, For continued protection against fire hazard, replace with same type fuse , For fuse rating, refer to the marking adjest to the symbol. Ce symbole indique que le fusible utilise est e lent. Pour une protection permanente, n'utiliser que des fusibles de meme type. Ce demier est indique la qu le present symbol est apposre. Laser Diode Properties Wavelength: 650/780nm (DVD/CD) SERVICE WARNING : DO NOT APPROACH THE LASER EXIT WITH THE EYE TOO CLOSELY. IN CASE IT IS NECESSARY TO CONFIRM LASER BEAM EMISSION, BE SURE TO OBSERVE FROM A DISTANCE OF MORE THAN 30cm FROM THE SURFACE OF THE OBJECTIVE LENS ON THE OPTICAL PICKUP BLOCK. WARNING!! WARNING: TO REDUCE THE RISK OF FIRE OR ELECTRIC SHOCK, DO NOT EXPOSE THIS APPLIANCE TO RAIN OR MOISTURE. CAUTION: TO REDUCE THE RISK OF ELECTRIC SHOCK, DO NOT REMOVE COVER (OR BACK). NO USER-SERVICEABLE PARTS INSIDE. REFER SERVICING TO QUALIFIED SERVICE PERSONNEL. The lightning flash with arrowhead symbol, within an equilateral triangle, is intended to alert the user to the presence of uninsulated "dangerous voltage" within the product's enclosure that may be of sufficient magnitude to constitute a risk of electric shock to persons. The exclamation point within an equilateral triangle is intended to alert the user to the presence of important operating and maintenance (servicing) instructions in the literature accompanying the appliance. This unit contains a semiconductor laser system and is classified as a "CLASS 1 LASER PRODUCT". So, to use this model properly, read this Instruction Manual carefully. In case of any trouble, please contact the store where you purchased the unit. To prevent being exposed to the laser beam, do not try to open the enclosure. VISIBLE LASER RADIATION WHEN OPEN AND INTERLOCK FAILED OR DEFEATED. DO NOT STARE INTO BEAM. THIS PRODUCT UTILIZES A LASER. USE OF CONTROLS OR ADJUSTMENTS OR PERFORMANCE OF PROCEDURES OTHER THAN THOSE SPECIFIED HEREIN MAY RESULT IN HAZARDOUS RADIATION EXPOSURE. The label on the right is applied on the rear panel except for USA and Canadian models. 1.This unit is a CLASS 1 LASER PRODUCT and employs a laser inside the cabinet. 2.To prevent the laser from being exposed, do not remove the cover. Refer servicing to qualified personnel. CAUTION: CAUTION: LASER BEAM CAUTION LABEL REF. NO. PART NO. DESCRIPTION F101 252320GR 2A-UL/T-233 252074GR 2A-SE-EAK : North American area. : Australian area, European area. www. xiaoyu163. com QQ 376315150 9 9 2 8 9 4 2 9 8 TEL 13942296513 9 9 2 8 9 4 2 9 8 0 5 1 5 1 3 6 7 3 Q Q TEL 13942296513 QQ 376315150 892498299 TEL 13942296513 QQ 376315150 892498299 http://www.xiaoyu163.com SERVICE PROCEDURES-2 DPS-5.9 2. Safety-check out (Only U.S.A. model) After correcting the original service problem perform the following safety check before releasing the set to the customer Connect the insulating-resistance tester between the plug of power supply cord and terminal GND on the back panel. Specifications: More than 10M ohm at 500V INITIALIZING Factory-shipped condition Press the [STOP] and [STANDBY] same time with NO DISC condition. Display “CLEAR” on the FL tube. After “CLEAR” is displayed on the FL tube, display “INITIALIZE COMPLEATE” . After it is confirmed to become to STANDBY. Turn offf the power. REMOVE THE SOLDER OF LASER DIODE SHORT When replace the mechanism or DVD main PC board. Shotting the solder of Shot-circuit land. (2 positions) Connect the FFC to PWB(NCDG-8875:P1002) and Pickup. Remove the solder of short-circuit land(1 points) for the laser diode destruction prevention with the soldering iron. Pattern Solder TEST MODE 1. Tray lock mode Press “PLAY” key is 3-time and “OPEN/CLOSE” key is 10 seconds. 2. Select NTSC or PAL system Press “UP” key and “POWER” key. www. xiaoyu163. com QQ 376315150 9 9 2 8 9 4 2 9 8 TEL 13942296513 9 9 2 8 9 4 2 9 8 0 5 1 5 1 3 6 7 3 Q Q TEL 13942296513 QQ 376315150 892498299 TEL 13942296513 QQ 376315150 892498299 http://www.xiaoyu163.com DPS-5.9 SETTING FW NOTE: This work does before TEST MODE Prepared Special remote controller (RC-484M) 1. Setting firmware 1-1. Turn on power switch and display "No Disc" on the FL tube. 1-2. Press "DVD" key and "2" key at the same time. 1-3. Press "RETURN" key. Display "REGION MODE" on the FL tube. 1-4. Press figure key (Example: 1=U.S.A.) , and display "REGION01" on the FL tube. MDD1N: "1" MUP2P: "2" MUT3P: "3" MUK3N: "3" MUA4P: "4" 1 2 3 RC-484M Part No. 24140484 4 2. How to FW rewite 2-1. The following FW file and file with about 40M (WAVW or MP3 etc) are written. 2-2. Write it Disc at Once. 2-3. DISC that has already been written is put on tray and close the tray. 2-4. Disc is loaded, display is "Firmware Upgrade Erase and program start cancel" on the TV monitor. 2-5. Select "Start" and press "ENTER" key. Starting upload. 2-6. When the tray opens, DISC is taken out. NOTE: Do not pull out the AC cord. Initialize it after changing of writing. 3. Initialization 3-1. Press “STOP” and “STANDBY” at same time with NO DISC condition. 3-2. Display “INTIALAIZE” on the FL display. 3-3. Display “COMPLEATE” on FL tube after initializing foe setting. The unit will be going to “STANDBY” after display “COMPLEATE”. (VIDEO, AUDIO and etc.) www. xiaoyu163. com QQ 376315150 9 9 2 8 9 4 2 9 8 TEL 13942296513 9 9 2 8 9 4 2 9 8 0 5 1 5 1 3 6 7 3 Q Q TEL 13942296513 QQ 376315150 892498299 TEL 13942296513 QQ 376315150 892498299 http://www.xiaoyu163.com DPS-5.9 EXPLODED VIEW DPS-5.9 To Main board P1702B To P2004A To Main board P1401A F102 F105 P1901B A029 A051 x 6 pcs. A406 x 3 pcs. A024 x 2 pcs. A036 x 2 pcs. A022 x 2 pcs. A005 x 4 pcs. A003 x 4 pcs. A006 x 9 pcs. A033 x 2 pcs. A033 x 8 pcs. Z102 x 2 pcs. A416 x 2 pcs. A413 x 18 pcs. A035 x 3 pcs. A404 x 2 pcs. A032 x 2 pcs. A050 A401 A020 A040 U08 U20 U07 Z101 L9002 F101 A411 A001 A037 S731 A023 A030 A403 P1703 To Main board P1901A A004 x 4 pcs. A008 A010 A012 x 2 pcs A011 x 4 pcs A013 x 4 pcs A014 A027 A007 x 4 pcs. A412 P1002 P1203 P1702 U01 U05 U09 Z103 x 2 pcs. Z104 x 4 pcs. A414 A021 A031 U04 U06 P2004C Z106 x 2 pcs. P1401 U11 www . x ia o y u 1 6 3 . c o m QQ 3 7 6 3 1 5 1 5 0 9 9 2 8 9 4 2 9 8 T E L 1 3 9 4 2 2 9 6 5 1 3 9 9 2 8 9 4 2 9 8 0 5 1 5 1 3 6 7 3 Q Q TEL 13942296513 QQ 376315150 892498299 TEL 13942296513 QQ 376315150 892498299 http://www.xiaoyu163.com DPS-5.9 EXPLODED VIEW DVD MECHANISM DPS-5.9 PARTS LIST 1 2 2 2 3 3 3 3 4 6 7 8 9 10 5 NO. 1 2 3 4 5 6 7 8 9 10 PART NAME Traverse Mecha. assy DamperSI-18.5 Screw Dumper Guide Clamper assy Loader assy Assy Motor Load Belt Load Switch ESE22MH21 Switch ESE22MH23 Tray PART NO. C9A024 C9G011 C1H011 C9A013 C9A025 C9A023 B9G015 S01W204 S01W205 C2G024 www . x ia o y u 1 6 3 . c o m QQ 3 7 6 3 1 5 1 5 0 9 9 2 8 9 4 2 9 8 T E L 1 3 9 4 2 2 9 6 5 1 3 9 9 2 8 9 4 2 9 8 0 5 1 5 1 3 6 7 3 Q Q TEL 13942296513 QQ 376315150 892498299 TEL 13942296513 QQ 376315150 892498299 http://www.xiaoyu163.com DPS-5.9 BLOCK DIAGRAM Multichannel Audio (I2S ) Loading Moter Drive Srevo Control Sig Spindle Moter Drive/Senser Sled moter Drive/Sensor LimitSW LD_DVD LD_CD F+,F- T+,T- SUBTX DSPSO,DSPSCK,DSTBX Segment Drive Grid Drive DSPSI FL Disp Interface EXT_CE Data bus 0-8 Data bus Controls Analog Video CV/SY/SC/PY/Pb/Pr Data bus Address bus Controls A,B,C,D,E,F PD,VR_CD,VR_DVD CD/DVD Address bus Address bus UART RI IR MUTE Keys Remo CV SY SC 27MHz DDC_SCL DDC_SDA SYSCOM CEC Hot Plug Detect HTPLGDET I2C_SCL I2C_SDA TX0+,TX0-,TX1+,TX1-,TX2+,TX2-,TXC+,TXC- REF_CLK(27MHz) CEC1 CEC0 CEC2 CEC I2C_SCL I2C_SDA DDC_SDA SUBRX,SUBCLK,DSTB AMUTE SPDIF AMUTE MUTE FR out FL out SYSCOM DDC_SCL F1,F2 -VDISP SW3.3V SW5V SW6.5V ASW+12V ASW-12V EV5V PWRCTRL SPDIF I2C CLK Multichannel Audio (I2S ) Audio Mute SQUEEZE/LETTER etc ASPECT PY PB PR Selection Signals SPDIF Travers Mecha EU model only CONVERT_CIRCUIT NGPS-0076(100-240V) 2ch DAC WM8718 LOADING moter SPD moter SLD moter LimitSW DVD LD CD LD Optical Pickup multiplex FL Tube Display Controller MPD780232GC Port Expander 74VHC574 Clock Genelator 27MHz SDRAM 128Mbit IC42S16800 Flash ROM 32M Main2Sys Interface 74VHCT125FT Keys Remote Sensor PHAST Micom RI IR In/Out CPPM/CPRM write RS-232C VideoDriver4RGB Val TC7WU04FU Q1501 Level Detect TC7SHU04FU Q1503 DDClineSW UM6K1N +5V +5V +3.3V(max133mA) Sys2Main Interface 7SZ125FU ZR36722 System Controller M16C Mute Driver Motor Driver BD7967EFS MPEG A/V Decoder ZR36886HLCG-S Video Driver BH7868FS +1.8V(max170mA) Val Switching Power Unit NGPS-0075(100-120V) Coax Drive Optical Drive R L HDMI out BNC(Integra ONLY) VID0 VID7, H_SYNC, V_SYNC w w w . x i a o y u 1 6 3 . c o m Q Q 3 7 6 3 1 5 1 5 0 9 9 2 8 9 4 2 9 8 T E L 1 3 9 4 2 2 9 6 5 1 3 9 9 2 8 9 4 2 9 8 0 5 1 5 1 3 6 7 3 Q Q TEL 13942296513 QQ 376315150 892498299 TEL 13942296513 QQ 376315150 892498299 http://www.xiaoyu163.com DPS-5.9 SCHEMATIC DIAGRAM-1 U11 RI TERMINAL PC BOARD NAAF-9645 A 1 2 3 4 5 B C D E F G H A-12V A+12V ADAC_DO LATCH_RESET ADAC_CLK AMCLK EV5_GND EV5_GND ABCLK AOUT0 AMUTE ALRCK AMUTCPU VDD_EV+5V RI DACRESET from SW POWER SUPPLY from MAIN BOARD NAAF-9645 25.3mA C5014 NC R5042 2.2K R5040 2.2K C5013 NC R5041 2.2K R5039 2.2K R5037 220 R5043 220 R5045 100 R5038 220 R5046 100 R5044 220 C5027 470/16 C5028 470/16 C5032 101 C5033 104 C5034 104 R5060 NC R5062 0 C5035 104 L5001 182 R5061 470 R5047 NC R5048 0 C5015 NC R5057 270K R5054 680K C5040 NC R5107 10K R5108 10K R5110 10K R5109 10K C5046 105 R5087 1.5K R5005 1.5K R5011 2.7K R5085 1.5K R5007 1.5K R5008 1.5K R5006 1.5K R5086 1.5K R5088 1.5K R5012 2.7K C5006 221 C5012 47/50 + C5005 221 C5047 221 C5048 221 C5011 47/50 + R5035 220K R5036 220K Q5012 KRA107S Q5014 KRC107S R5084 NC R5050 10K R5055 10K R5059 10K Q5013 KRC107S Q5019 2SC2712 Q5015 KRC107S C5003 681 C5004 681 C5045 NC R5049 470 C5023 470/6.3 Q5011 78M05 1 I 2 G 3 O C5029 470/16 C5030 470/16 R5105 47 R5106 47 Q5009 TC7SHU04 1 2 3 GND 4 5 VCC R5104 47 R5102 47 R5103 47 R5101 47 Q5010 WM8718 1 LRCLIN 2 DVDD 3 DGND 4 AVDD 5 VREFP 6 VREFN 7 AGND 8 VMID 9 VOUTRP 10 VOUTRN 11 VOUTLN 12 VOUTLP 13 LATCH 14 SDIN 15 SCLK 16 ZEROFR 17 ZEROFL 18 MCLK 19 BCKIN 20 DIN C5031 1000/16 R5001 2.7K R5003 2.7K R5009 2.7K R5010 2.7K R5004 2.7K R5002 2.7K C5017 104J C5020 104J R5051 33 C5021 104J C5018 470/10 C5026 104J R5089 0 Q5018 KRC107S C5001 681 C5002 681 C5016 10/50 C5019 470/10 C5025 104J C5049 102J C5024 104J R5058 0 D5001 1SS352 R5111 NC R5112 NC R5113 100(1/2W) R5053 150(1/2W) R5052 150(1/2W) C5036 102 C5037 102 C5038 102 C5039 102 P1401D CN15 15 14 13 12 11 10 9 8 7 6 5 4 3 2 1 P5004 4 2 Lch 1 3 RcH P5005 3 2 1 4 P5901 3 2 1 Q5017 S-812C33A 2 I 1 G 3 O R5056 4.7K Q5001:A 3 2 8 1 4 Q5001:B NJM4580M-D 6 5 7 Q5005 2SD655-E Q5007 2SD655-E Q5008 2SD655-E Q5006 2SD655-E Q5016 2SC2712 P5001A NC 1 P5001B NC 1 ANALOG OUT RI IN/OUT w w w . x i a o y u 1 6 3 . c o m Q Q 3 7 6 3 1 5 1 5 0 9 9 2 8 9 4 2 9 8 T E L 1 3 9 4 2 2 9 6 5 1 3 9 9 2 8 9 4 2 9 8 0 5 1 5 1 3 6 7 3 Q Q TEL 13942296513 QQ 376315150 892498299 TEL 13942296513 QQ 376315150 892498299 http://www.xiaoyu163.com DPS-5.9 SCHEMATIC DIAGRAM-2 ASPECT GND Cr/Pr GND IRIN +3.3VCPU RXD KEY11 VDISP KEY01 KEY21 SUBREQ GND REMIN +3.3VCPU LEDSTBY SW3.3V KEYINTK0 SUBCLK KEY0 VDISP SUBOUT SUBIN CY/PY Cb/Pb SUBRST SDMUTE RGBMUTE PB/B_IN PY/G_IN C/R_IN CV/Y/CV_IN RGBSW FSW R CV/Y/CV G B LEDSTBY IRIN RS232STBY R232TX R232RX FL- LEDSTBY SUBCLK KEY0 SUBRST REMIN SUBREQ +3.3VCPU VDD_SW5 FL+ KEYINTK0 KEY1 VDISP SUBOUT SUBIN CY/PY Cb/Pb Cr/Pr P/I VCC_VD5V TXD NAVD-9638 JJ2N MODEL ONLY from MAIN BOARD NAETC-9644 to MAIN BOARD from MECHA from MAIN BOARD NAVD-9641 STBY STBYLED NASW-9643 from MAIN BOARD NADG-9637 IR_IN IR_OUT DPS-6.9,DPS-5.9 to MAIN BOARD OPEN/CLOSE PLAY STOP DOWN UP PAUSE TOP_MENU RETUNE MENU SETUP DISPLAY DIMMER ASPECT RESOLUTION NADIS-9642 NAVD-9640 SCART BOARD EU MODEL ONLY from MAIN BOARD from NAAF-9636 SCART TERMINAL R6102 8.2K C6101 103 R6103 1.8K R6104 0 L6101 Val R6106 0 L6102 Val R6108 0 L6103 Val R6109 75 R6107 75 R6105 75 R6101 10K R6202 75 R6204 75 R6206 75 L6201 182 L6202 182 L6203 182 R6205 NC R6203 NC R6201 NC S8015 Q7504 ICL3221E 1 EN 2 C1+ 3 V+ 4 C1- 5 C2+ 6 C2- 7 V- 8 R1IN 9 R1OUT 10 INVALID 11 T1IN 12 FORCEON 13 T1OUT 14 GND 15 VCC 16 FORCEOFF 5K C7510 104 R7512 10K R7511 100 R7513 100 R7502 0 R7506 0 R7505 100 Q7502 KRC107S Q7503 KRC107S R7503 10K C7501 223J R7501 3.3K R7504 10K C7503 104Z R7509 NC C7514 100/10 C7512 0.47/50 C7509 0.47/50 C7506 0.47/50 C7507 0.47/50 C7502 100/10 R7527 3.3K D7501 1SS352 1 2 C7504 104 C7505 105 L7505 182 L7503 182 R7507 100 R7508 100 L7501 6 4 3 2 1 L7506 182 R8014 2.7K R8011 470 R8012 820 S8006 S8007 S8008 S8002 R8018 470 R8001 390 R8002 470 R8003 820 R8004 1K R8005 1.8K R8010 390 R8017 390 S8013 S8014 R8038 470 R8037 390 Q8001 FL HNV-13SS15T 45 F10 44 F11 41 G1 40 G2 39 G3 38 G4 37 G5 36 G6 35 G7 34 G8 33 G9 32 G10 31 G11 30 G12 29 G13 19 P1 18 P2 17 P3 16 P4 15 P5 14 P6 13 P7 12 P8 11 P9 10 P10 9 P11 8 P12 7 P13 6 P14 5 P15 2 F20 1 F21 S8001 S8009 R8019 820 S8010 S8011 S8012 S8003 S8004 S8005 R8020 1K R8021 1.8K R8022 3.9K R8023 10K R8013 2.7K R8027 2.7K C8001 22/50 R8026 100 R8033 100 R8029 10K R8034 470 R8036 470 D8001 5.6B C8002 104Z Q8021 MPC29M33 1 I 2 G 3 O R8042 100 R8041 100 R8032 470 C8009 330 R8025 470 C8008 330 C8006 104Z Q8005 KRC107S R8035 33K C8023 330 C8024 330 Q8023 2SD655 Q8022 KRA107S R8055 10K C8025 105Z Q8003 MPD780232GC 61 P4 62 P3 63 P2 64 P1 65 P36 66 15G 67 14G 68 13G 69 12G 70 11G 71 10G 72 9G 73 8G 74 7G 75 6G 76 5G 77 4G 78 3G 79 2G 80 1G 1 5V 2 GND 3 CLOCK 4 CLOCK 5 FRAIC 6 SUBRST 7 SUBCLK 8 SUB_IN 9 SUB_OUT 10 SUBREQ 11 HDMI_LED 12 NC 13 NC 14 NC 15 NC 16 NC 17 NC 18 GND 19 KEY3 20 KEY2 21 KEY1 22 KEY0 23 GND 24 5V 25 5V 26 JOGA 27 JOGB 28 P35 29 P34 30 P33 31 P32 32 P31 33 P30 34 P29 35 P28 36 P27 37 P26 38 P25 39 P24 40 P23 41 P22 42 P21 43 P20 44 P19 45 P18 46 P17 47 P16 48 P15 49 P14 50 P13 51 P12 52 P11 53 P10 54 P9 55 P8 56 P7 57 P6 58 P5 59 5V 60 -VDISP C8021 100/6.3 C8022 100/6.3 C8003 100/6.3 L8002 10 L8001 10 C8011 100/6.3 U7560 GP1UE271 4 5 1 2 3 R8006 3.9K R8007 10K C8026 47/16 R8053 6.8(1/2W) R8054 6.8(1/2W) R8056 6.8(1/2W) C8005 104Z_1H D8002 SEL2910A-TP6 R8057 6.8(1/2W) R8051 1.5K R8039 220 C8007 104Z R8024 470 C8010 104Z R8028 2.7K Q6001 BH7868FS 32 Cout 31 SDC 30 CVout 29 CVsag 28 GND 27 Yout 26 Ysag 25 GND 24 PYout 23 PYsag 22 GND 21 Pbout 20 Pbsag 19 GND 18 Prout 17 Prsag 16 VCC2 15 Prin 14 MUTE2 13 Pbin 12 GND 11 PYin 10 CLAMP 9 BIAS 8 Yin 7 MIX 6 CVin 5 MUTE1 4 Cin 3 S2 2 S1 1 VCC1 C6002 1000/6.3 + C6001 22/50 C6004 22/50 C6010 22/50 R6012 2.2K R6008 2.2K C6009 105Z R6005 1K R6011 1K C6003 100/10 R6001 0 R6002 75 R6003 0 R6004 75 R6006 0 L6001 NC L6002 NC R6007 75 L6003 NC R6009 0 R6010 75 L6004 NC R6013 220 R6014 220 R6015 NC C6011 105Z C6006 22/50 C6012 1/50 C6013 1/50 C6014 1/50 C6015 1/50 C6008 22/50 C6016 NC C6017 NC E6001 1 C6005 100/10 C6007 100/10 C8012 102 C8013 102 C8014 102 C8015 102 D8005 SLI-343URC-TB7 JL8001A 1 2 3 JL8001B 3 2 1 P1203B 15 14 13 12 11 10 9 8 7 6 5 4 3 2 1 P1702A 9 8 7 6 5 4 3 2 1 P1703B 1 2 3 4 5 6 7 8 9 10 11 12 13 14 15 16 17 P2004B 9 8 7 6 5 4 3 2 1 P2004C 9 8 7 6 5 4 3 2 1 P2005B CN15 1 2 3 4 5 6 7 8 9 10 11 12 13 14 15 P6002 23 GND2 1 AUDIO OUT R 2 AUDIO IN R 3 AUDIO OUT L 4 AGND 5 GND 6 AUDIO IN L 7 BLUE 8 F SW 9 GND 10 NC 11 GREEN 12 NC 13 GND 14 GND 15 RED/C 16 RGB SW 17 GND 18 GND 19 CV/Y OUT 20 CV/Y IN 21 GND 22 GND1 P6003 1 2 3 4 5 P6101 NSCT-14P2510 1 Y 2 Y-GND 3 Pb 4 Pb-GND 5 Pr 6 Pr-GND 7 RSVD LINE1 8 LINE1 9 LINE2 10 RSVD LINE2 11 LINE3 12 SW-GND 13 RSVD-LINES 14 SW 15 SHLD 16 SHLD P6202 BNC3P 6 Y 5 4 Cb/Pb 3 2 Cr/Pr 1 P7501 1 10 2 21 24 22 P7502 RC232C9P 10 1 6 2 7 3 8 4 9 5 11 P8001A 1 2 3 4 5 6 7 P8021 15 14 13 12 11 10 9 8 7 6 5 4 3 2 1 P9002A 1 2 P9003A 1 P9003B 1 Q7501 S-PS2501AL-1 2 3 4 1 R8052 220K X8001 CSTLS5M00G56-A0 U05 AC INLET PC BOARD NAPS-9639 U06 COMPONENT OUTPUT PC BOARD NAVD-9641 U09 MECHA. CONNECTION PC BOARD NAETC-9644 U08 STANDBY SWITCH PC BOARD NASW-9643 U04 RS-232C TERMINAL PC BOARD U07 DISPLAY CIRCUIT PC BOARD NADIS-9642 w w w . x i a o y u 1 6 3 . c o m Q Q 3 7 6 3 1 5 1 5 0 9 9 2 8 9 4 2 9 8 T E L 1 3 9 4 2 2 9 6 5 1 3 9 9 2 8 9 4 2 9 8 0 5 1 5 1 3 6 7 3 Q Q TEL 13942296513 QQ 376315150 892498299 TEL 13942296513 QQ 376315150 892498299 http://www.xiaoyu163.com DPS-5.9 DPS-5.9 SCHEMATIC DIAGRAM-3 POWER SUPPLY UNIT U20 : NGPS-0091-100-120V (MDD) NGPS-0092-100-240V (MUA) A 1 2 3 4 B C D E W101 2 1 VH-2P/7.92MM F101 L 2A125V C101 0.22u/275V R185 5R N 1 2 3 4 L101 ET-20 C103 102/400V C102 0.047u/300V C104 102/400V 2 3 + - D102 DF06S 1 4 + C105 100u/200V C105 68u/400V R101 2.2M 1/2W R101 1M 1/2W T101 8 16 R103 47K/1206 D121 P6KE170A R104 47K/1206 R105 47R/1206 C106 221/1KV 7 D106 FR107 D107 HER103 D108 MBR1060CT 1 18 C109 222/500V R106 20R/1206 R162 20R/1206 C110 2200u/10V/L.ESR + D111 17 1 2 MBR10100CT 3 3 C114 222/500V R115 10R/1206 R163 NC/1206 1 6 D120 FR107 R159 10R/1206 R157 NC/0805 D119 NC C133 NC/0805 Q105 NC 1 3 2 R156 NC/0805 C118 NC 1 3 2 Q114 5N60 R153 75R/1206 C153 103/0805 R165 10K/0805 8 7 6 5 1 2 3 4 U104 LD7575 C132 22u/35V + R155 1r5/1206 R152 1r5/1206 R151 1r5/1206 D117 1N4007 D118 1N4007 R150 1K/1206 R164 18K/0805 C134 NC/0805 4 3 U101B EL817 D122 PKE15A R149 100K/1%/0805 C131 103K/0805 C107 222/400V C107 102/400V C117 1500u/10V/l.ESR + D112 NC 10 15 GND 11 12 13 14 15 EED28/18P D115 FR107 FR107 D114 R142 10R/1/2W C120 47u/50V/L.ESR + C121 100u/25V/L.ESR + D113 HER103 1 2 3 U102 TL431 R132 3K3/1%/0805 C119 104K/1206 R131 4K7/0805 R133 3K3/1%/0805 1 2 U101A EL817 R118 1K/0805 R133 220R/0805 1 2 3 U103 TL431 R134 3K3/1%/0805 4K7/0805 R122 3 2 1 Q108 40TO3GP1 C116 470u/6.3V/L.ESR + GND GND F105 3A L104 4.5uH C137 100u/10V + R120 10K/1/8W R116 0R27/2W Q115 1703 1 2 3 R124 100K/0805 1 2 3 Q109 3906 R126 1K/0805 GND R160 1K/1206 R161 1K/1206 C115 103K/0805 R125 1K15/1%/0805 L105 4.5uH R135 10K/0805 1 2 3 Q106 3904 R136 10K/0805 R138 10K/0805 GND C125 104Z/0805 C124 220u/6.63V/l.ESR + C126 100u/25V + Q110 C1213 1 2 3 GND Q113 3906 1 2 3 R146 3K3/1206 R137 10K/0805 R147 47K/0805 47K/0805 R148 C122 10u/50V + L106 4.5uH 15uH L107 C108 100u/25V/L.ESR + R117 1K/1206 L102 4.5uH Q101 2SA673 1 2 3 R107 10K/0805 R108 2K4/1206 1 2 3 Q102 3904 R111 10K/0805 R110 10K/0805 L103 3uH C111 100u/10V + Q103 1703 1 2 3 R109 100K/0805 F102 2A R114 1K/0805 + C112 100u/25V 10 1 11 7 8 9 4 2 6 3 5 12 13 14 15 W102 MCN2.0MM (15P) SWA+12V PWRCTR AGND SW+6.8V SW+6.8V SW+6.8V GND SW+5V EV+5V SW+3.3V EV+5V GND SW+5V SW+3.3V GND SWA-12V -30V FLAC FLAC H101 H102 H104 H103 HEAT SINK HEAT SINK HEAT SINK HEAT SINK For Q114 For Q108 For D108 For D111 T2AL/250V MDD MUP/MUA www . x ia o y u 1 6 3 . c o m QQ 3 7 6 3 1 5 1 5 0 9 9 2 8 9 4 2 9 8 T E L 1 3 9 4 2 2 9 6 5 1 3 9 9 2 8 9 4 2 9 8 0 5 1 5 1 3 6 7 3 Q Q TEL 13942296513 QQ 376315150 892498299 TEL 13942296513 QQ 376315150 892498299 http://www.xiaoyu163.com DPS-5.9 SCHEMATIC DIAGRAM-4-1 U01 DVD MAIN BOARD (NADG-9634) A 1 2 3 4 5 B C D E F G H TRACK H- H+ A B C VC GNDA5 H3+ H2- H2+ H1- H1+ LOD H3- GND_PW GND_PW VC16 VRF VDD_AFE3.3 GNDA5 CD/DVD VCC_A5 RAM_CKE RAM_CLK RAM_DQM RAM_WE RAM_CAS RAM_RAS RAM_CS RAM_DAT9 RAM_DAT6 RAM_DAT8 RAM_DAT10 RAM_DAT5 RAM_DAT11 RAM_DAT4 RAM_DAT13 RAM_DAT3 RAM_DAT12 RAM_DAT2 CS_D0 CS_D1 CS_D2 DVD_LD CD_LD GNDA5 GNDD VDD_SW5 DVD/CD I/P AR2/AR1 RGB F+ T+ T- DUP_TD0 RAM_ADR4 RAM_ADR3 RAM_ADR5 RAM_ADR2 RAM_ADR1 RAM_ADR7 RAM_ADR0 RAM_ADR6 RAM_ADR9 RAM_ADR11 RAM_ADR10 RAM_ADR8 RAM_BA1 RAM_BA0 DRVSB CD_MD U_A1 V_A2 W_A3 FOCUS_ VC16 TRACK S_LODIN T- F+ F- T+ DRV_CTL1 VCC_DRV5 GND_PW2 DRVSB DRV_CTL1 SLD+ LOD- LOD+ SLD- DRVSB VCC_PW6.5 VCC_PW6.5 S_SLDIN RAM_DAT7 VDD_DAC3.3 SQUEEZE LETTER F- FOCUS_ VDD_DSP1.8 XRST GNDA5 VCC_A5 RAM_DAT1 RAM_DAT15 RAM_DAT0 RAM_DAT14 VDD_SW3.3 GNDD VDD_DSP3.3 VDD_PLL1.8 HSYNC VSYNC VID_1 VID_2 VID_3 VID_4 VID_5 VID_6 VID_7 VCLKX2 MPG_27MHz DUP_RD0 F E VC VDD_DSP1.8 TRCHG SACDSEL XRST DVD_MD D ABCLK ABCLK_Z ALRCK_Z MEM_ADR15 MEM_ADR16 MEM_ADR14 MEM_ADR13 MEM_ADR12 MEM_DAT15 MEM_ADR11 MEM_DAT7 MEM_ADR10 MEM_DAT14 MEM_ADR9 MEM_DAT6 MEM_ADR8 MEM_DAT13 MEM_DAT5 MEM_ADR20 MEM_DAT2 MEM_ADR17 MEM_DAT9 MEM_ADR7 MEM_DAT1 MEM_ADR6 MEM_DAT8 MEM_ADR5 MEM_DAT0 MEM_ADR4 MEM_RD MEM_ADR3 MEM_ADR2 MEM_CS0 MEM_ADR1 MEM_ADR0 MEM_ADR18 GNDD AOUT4_STBY DRV_CTL1 RST# ADAC_DO SSCRXD SSCTXD SSC_EN DDC_DAT DDC_CLK MEM_DAT10 MEM_DAT3 MEM_ADR19 VCC_DRV5 W_A3 H- U_A1 V_A2 H+ GND_PW SLD+ SLD- H3+ H3- H2+ H2- H1+ H1- SSW GNDA5 H- U_A1 V_A2 W_A3 H+ SLD- SSW SLD+ GND_PW H1- H2- H1+ H2+ H3- H3+ LD_DVD LD_CD HFM VC VCC_RF5 GNDA5 VR_DVD VR_CD NC1 NC0 MD T- T+ F- F+ GNDA5 GND_LD FGO SSW SSW AMCLK_Z OPENSW CLOSESW LOD+ LOD- VDD_SW3.3 VDD_DSP3.3 VDD_PWM3.3 VDD_SW1.8 VDD_HDPLL1.8 VDD_SAFE3.3 VCC_A5 VCC_RF5 LD_CD LD_DVD MEM_WE SPDP SLDP FCSP DVD/CD MEM_DAT4 DVD_LD MEM_CS1 TRKP MEM_DAT11 CD_LD CD_MD MEM_DAT12 I2C_SCL I2C_SDA SPDL_SENS- DVD_MD USB_DP USB_DN FG AOUT4 AMCLK ALRCK AOUT0 AOUT1 AOUT2 ADAC_CLK SPDIFOUT AOUT3 MPG_27MHz_2 PB/B SC PY/G PR/R SY CV DVDTXD DVDTXSTB DVDRXD DVDRXSTB VC16 S_SPIN S_SLDIN S_FOCUS S_TRACK CLOSE OPEN SSCCLK2 VRF E F B A D C CD/DVD OPENSW SSCCLK SSC_REQ CLOSESW VID_0 VDD_DSP3.3 AMUTE AOUT0_Z AOUT4_Z AOUT5 AOUT3_Z GNDD LATCH_RESET LATCH_RESET AOUT2_Z AOUT1_Z AOUT5_Z GND_PW1 GND_PW1 VDD_Sw3.3 HD3.3V VDD_SW1.8 XRST B F VC VCC_RF5 F- F+ T+ T- C D CD/DVD VRF A E LD_CD HFM GNDA5 VR_CD VR_DVD NC1 MD LD_DVD GND_LD NC0 VDD_SW5 DVDRESET Audio Data SDRAM bus Flash Control AnalogVideo Signals FOR HDMI TRANSMITTER Audio Control 1 Video Control DebugInterface FOR HDMI TRANSMITTER FOR HDMI TRANSMITTER Flash Data bus Flash Adr bus Sys-B/E Communication Loader I/F (Reserved) NC NC SSW A.DDP I/F(reserved) OPU I/F (top side) SPDL/SLED I/F (bottom side reserved) SPDL/SLED I/F top side) 3.3V 3.3V 3.3V 3.3V 3.3V 3.3V 3.3V 3.3V 3.3V 3.3V 5.0V 5.0V 5.0V 1.8V 1.8V 5.0V 5.0V 6.5V 5.0V 5.0V 3.3V 1.8V HD3.3V [SINGLE,UNIVERSAL]=0.5Pitch 24Pin 240mm BD [SINGLE,UNIVERSAL]=1.0Pitch 15Pin 150mm AD NADG-9634 R1201 1K C1205 103K C1204 103K C1203 103K R1205 4.7 R1204 4.7 C1207 104Z C1206 102J C1201 104Z R1202 47K TP1059 1 2 C1102 105Z C1147 105Z C1101 105Z R1114 47 R1113 47 R1112 47 R1110 47 R1108 47 R1107 47 R1105 47 R1101 47 C1148 220/4 C1152 220/4 C1150 220/4 R1122 220 R1195 10K C1109 105Z Q1205:B BA4510 6 5 7 R1189 47 R1188 47 R1187 47 R1186 47 C1110 105Z R1185 47 R1184 47 C1219 220/4 R1183 47 R1115 47 C1111 105Z R1116 47 C1222 105Z R1143 47 C1229 102J C1225 102J R1142 47 C1112 105Z C1145 105Z R1119 47 R1118 47 C1113 105Z C1144 105Z R1111 47 R1127 56 R1131 47 TP1049 C1143 105Z C1116 105Z C1142 105Z C1019 330J C1117 105Z C1017 104K C1118 105Z C1012 330J C1141 105Z C1011 330J C1140 105Z C1010 330J R1017 0 C1139 105Z C1009 330J R1016 0 TP1034 TP1033 R1030 47 C1031 102J C1008 102J C1033 104K C1032 104K R1012 3.3K Q1004 2SC2712-GR R1026 3.3K Q1007 2SC2712-GR R1006 3.3K Q1003 2SC2712-GR R1168 220F TP1040 R1169 150F C1129 101J C1136 105Z C1137 105Z C1138 105Z R1170 22F C1029 220/4 R1182 75F R1181 75F R1180 75F C1026 105Z R1179 75F R1011 220 TP1039 R1178 75F TP1036 R1177 75F C1003 47/4 R1176 75F R1009 4.7 R1007 4.7 C1023 105Z R1175 75F TP1035 R1174 75F R1173 75F R1172 75F TP1048 C1022 105Z R1005 220 TP1038 TP1003 C1001 220/4 C1002 47/4 R1003 4.7 R1001 4.7 C1020 105Z TP1002 R1014 0 R1013 0 R1029 0 R1028 0 R1027 0 C1108 330J R1240 10 C1115 105Z C1213 105Z TP1029 1 2 TP1030 1 2 TP1031 1 2 TP1032 1 2 TP1207 1 2 TP1218 1 2 C1214 104K R1211 1 R1210 1 R1209 1 R1208 1 C1223 105Z TP1211 1 2 TP1210 1 2 TP1217 1 2 R1214 0 R1213 0 C1212 105Z Q1201 BD7967EFS 1 Vc 2 VinTK 3 SPVM2 4 VinFC 5 CFCerr1 6 CFCerr2 7 LDin 8 SPin 9 SPRNF 10 W 11 SPGND 12 U 13 V 14 HW+ 15 HW- 16 HV+ 17 HV- 18 HU+ 19 HU- 20 SPVM1 21 HB 22 FG 23 SPVCC 24 SLin 25 OPOUT 26 CTL2 27 PreVcc 28 CTL1 29 SLO+ 30 SLO- 31 LOD+ 32 LOD- 33 PowGND 34 PreGND 35 VOFC+ 36 VOFC- 37 VOTK+ 38 VOTK- 39 VNFTK 40 VMACT 41 VNFFC 42 CFIL 43 CTKerr2 44 CTKerr1 TP1209 1 2 TP1223 TP1219 1 2 TP1220 1 2 TP1206 TP1224 R1247 15K C1227 223K R1248 18K R1224 27K R1226 27K C1202 101J R1203 47K C1215 101J C1228 223K R1102 4.7K R1109 4.7K C1103 105Z C1013 C1014 C1015 330J C1016 330J R1245 27K R1249 27K TP1058 TP1057 Q1001 HN1A01F-GR 2 6 3 5 4 1 Q1002 HN1A01F-GR 2 6 3 5 4 1 R1280 47x4 R1279 47x4 R1278 47x4 C1106 105Z C1105 105Z C1104 105Z R1150 4.7K R1227 150K R1228 22K R1270 47x4 R1199 47x4 R1277 22 R1276 22 R1275 22 R1274 22 R1273 22 R1272 47 R1271 47 R1015 470 C1224 103K R1103 0 R1191 47K R1192 47K R1212 4.7K R1215 1.8 R1216 1.8 R1217 1.8 R1218 1.8 R1219 1.8 R1220 1.8 R1221 1.8 R1207 47K R1117 47 C1024 1/50 + R1237 10KF R1238 10KF C1220 47/4 C1221 47/4 C1146 105Z C1121 105Z C1122 105Z C1123 105Z C1126 105Z C1128105Z C1125 102J R1159 1K R1161 22 R1146 47 R1281 47x4 R1147 47 R1104 0 R1018 0 C1230 104Z R1031 0 C1149 105Z C1151 105Z TP1001 TP1214 TP1213 TP1212 TP1239 TP1238 TP1237 TP1236 TP1235 TP1234 TP1233 TP1232 TP1231 TP1230 TP1004 TP1037 TP1201 TP1202 TP1203 TP1204 TP1205 TP1054 TP1055 TP1056 TP1241 TP1240 R1148 NC TP1060 1 2 TP1042 TP1043 TP1069 TP1041 TP1067 R1021 0 TP1070 R1020 0 C1021 100/16 + C1208 100/16 C1025 100/16 + C1114 050C R1023 10KF R1022 100KF R1033 10KF R1145 100 R1019 0 R1141 100 R1157 100 C1154 220/4 C1156 220/4 C1155 105Z C1153 105Z R1158 100 R1152 100 R1135 100 R1134 100 R1163 100 R1162 100 R1154 100 R1155 100 R1140 47 R1138 100 R1156 100 R1198 47x4 R1866 47x4 R1865 47x4 R1864 47x4 R1868 47x4 R1869 47x4 R1870 47x4 R1871 47x4 R1863 47x4 TP1064 R1193 47 TP1047 L1110 BK1608LL241 TP1046 TP1050 TP1051 TP1071 R1190 47 R1165 100 TP1072 R1164 100 R1129 100 R1166 100 R1032 0 C1018 330J R1024 0 R1867 47x4 C1127 NC C1210 100/16 C1216 NC C1217 NC L1007 NC Q1202:B NJM3404V 7 5 6 Q1202:A NJM3404V 8 1 4 3 2 R1002 NC R1004 NC R1008 NC R1010 NC R1121 NC R1120 NC R1160 NC R1196 NC R1222 NC R1223 NC R1225 NC R1239 NC TP1229 TP1228 TP1227 TP1226 C1027 330/6.3 C1162 330/6.3 P1203 NSCT-15P2478 15 14 13 12 11 10 9 8 7 6 5 4 3 2 1 TP1225 TP1024 TP1023 TP1022 TP1021 TP1020 TP1019 TP1018 TP1017 TP1016 TP1015 TP1014 TP1013 TP1012 TP1011 TP1010 TP1009 TP1008 TP1007 TP1006 TP1005 C1211 105Z TP1208 1 2 R1197 0 C1233 105Z C1231 104 R1282 47K C1232 220/10 R1167 NC R1206 10K TP1061 R1025 47 R1194 47 R1246 10K R1132 10 R1144 33 R1153 33 L1111 BK1608LL680 P1202 NPLG-5P931 frame frame 5 4 3 2 1 R1258 33 L1102 BLM21PG221SN1 L1103 BLM21PG221SN1 L1105 BLM21PG221SN1 L1104 BLM21PG221SN1 C1028 105Z L1006 BLM21PG221SN1 L1005 BLM21PG221SN1 L1108 BLM21PG221SN1 L1201 LBC2518T2R2M L1004 LBC2518T220M L1001 LBC2518T220M L1002 LBC2518T220M C1005 105Z C1004 105Z L1003 LBC2518T220M C1007 105Z C1006 105Z C1161 105Z Q1101 ZR36888HLCG-S 193 RFINP 194 RFINN 195 ADCIN_G 196 ADCIN_A 197 VDDAFE_3.3 198 ADCIN_B 199 VDDSAFE_3.3 200 VDDAFE_3.3 201 ADCIN_C 202 ADCIN_H 203 ADCIN_D 204 ADCIN_J 205 GNDADC 206 ADCIN_E 207 ADCIN_K 208 ADCIN_F 209 OPUREF 210 BGCAP 211 RESLOAD 212 CDMD 213 DVDMD 214 CDLD 215 DVDLD 216 GNDAFER 217 GNDADC 218 VDDC_1.8 219 GPCIO_32 220 GNDC 221 ICGPCIO_4 222 ICGPCIO_5 223 VDDP_3.3 224 IDGPCIO_3 225 GNDP 226 ICGPCIO_6 227 ICGPCIO_7 228 VDD_IP_3.3 229 IDGPCIO_6 230 IDGPCIO_7 231 PWMCO_2 232 PWMCO_3 233 GNDPWMS 234 PWMCO_4 235 VDDPWMS_3.3 236 PWMCO_5 237 PWMCO_6 238 PWMCO_0 239 DUPRD_0 240 DUPTD_0 241 DUPRD_1 242 DUPTD_1 243 GPCIO_39 244 GPCIO_40 245 VDDP_3.3 246 GPCIO_42 247 GPCIO_33 248 GPCIO_34 249 IDGPCIO_5 250 GPCIO_48 251 GPCIO_49 252 GPCIO_50 253 GPCIO_51 254 SSCCLK 255 SSCTXD 256 GNDP 1 GPCIO_52 2 GPCIO_53 3 GPCIO_54 4 GPCIO_55 5 GPCIO_56 6 GPCIO_57 7 GPCIO_58 8 SSCCLK 9 SSCTXD 10 SSCRXD 11 MEMCS1 12 VDDP_3.3 13 MEMADR_15 14 MEMADR_16 15 MEMADR_14 16 MEMADR_13 17 MEMADR_12 18 MEMDA_15 19 MEMADR_11 20 MEMDA_7 21 GNDP 22 MEMADR_10 23 MEMDA_14 24 MEMADR_9 25 MEMDA_6 26 MEMADR_8 27 MEMDA_13 28 MEMDA_5 29 MEMADR_20 30 VDDP_3.3 31 MEMDA_12 32 MEMWR 33 MEMDA_4 34 VDDC_1.8 35 MEMDA_11 36 MEMDA_3 37 MEMADR_19 38 GNDC 39 MEMDA_10 40 MEMADR_18 41 GNDP 42 MEMDA_2 43 MEMADR_17 44 MEMDA_9 45 MEMADR_7 46 MEMDA_1 47 MEMADR_6 48 MEMDA_8 49 MEMADR_5 50 VDDP_3.3 51 MEMDA_0 52 MEMADR_4 53 MEMRD 54 MEMADR_3 55 MEMADR_2 56 MEMCS0 57 MEMADR_1 58 MEMADR_0 59 GNDP 60 VDDIP_3.3 61 VDDP_3.3 62 GPCIO_61 63 GPCIO_62 64 RAMCKE 65 VDDUSB_3.3 66 USBDP 67 USBDN 68 GNDUSB 69 RAMADR_4 70 RAMADR_3 71 RAMADR_5 72 RAMADR_2 73 RAMADR_6 74 VDDP_3.3 75 RAMADR_1 76 RAMADR_7 77 RAMADR_0 78 GNDP 79 RAMADR_8 80 VDDC_1.8 81 RAMADR_10 82 GNDC 83 RAMADR_9 84 VDDP_3.3 85 RAMADR_11 86 RAMBA1 87 RAMBA0 88 GNDP 89 RAMCS1 90 RAMRAS 91 RAMCAS 92 VDDP_3.3 93 RAMWE 94 RAMDQM 95 GNDPCLK 96 PCLK 97 VDDPCLK_3.3 98 RAMDAT_8 99 GNDP 100 RAMDAT_7 101 RAMDAT_9 102 RAMDAT_6 103 VDDP_3.3 104 RAMDAT_10 105 RAMDAT_5 106 RAMDAT_11 107 GNDP 108 RAMDAT_4 109 VDDC_1.8 110 RAMDAT_12 111 GNDC 112 RAMDAT_3 113 VDDP_3.3 114 RAMDAT_13 115 RAMDAT_2 116 RAMDAT_14 117 GNDP 118 RAMDAT_1 119 RAMDAT_15 120 RAMDAT_0 121 VDDP_3.3 122 CPUNMI 123 GNDP 124 AOUT_3 125 IDGPCIO_0 126 SPDIFOUT 127 AOUT_2 128 AOUT_1 129 AOUT_0 130 GPAIO 131 ALRCLK 132 ABLCK 133 GNDP_A2 134 AMCLK 135 VDDP_A2_3.3 136 GPCIO_23 137 GPCIO_24/VSYNC 138 GPCIO_25/HSYNC 139 GNDP 140 VCLKx2 141 VDDP_3.3 142 GPCIO_26/VID_7 143 ICGPCIO_2/VID_6 144 IDGPCIO_1/VID_5 145 GPCIO_27/VID_4 146 GNDC 147 VDDC_1.8 148 GPCIO_28/VID_3 149 GPCIO_29/VID_2 150 GPCIO_30/VID_1 151 ICGPCIO_3/VID_0 152 GPCIO_31 153 IDGPCIO_2 154 VDDP_3.3 155 GNDP 156 GNDA 157 RESET 158 VDDA_1.8 159 XO 160 GCLKP 161 AHVDD_1.8 162 AHGND 163 NC 164 NC 165 NC 166 NC 167 NC 168 NC 169 NC 170 NC 171 NC 172 NC 173 NC 174 NC 175 NC 176 NC 177 NC 178 NC 179 GNDDAD 180 GNDDAD 181 CVBS 182 VDDDACD_3.3 183 CVBS_C_Y 184 CVBS_G_Y 185 VDDDAC_3.3 186 CVBS_C_Y 187 Y_R_V_C 188 VDDDAC_3.3 189 C_B_U 190 RSET 191 GNDDACP 192 GND_SERVO_VIDEO L1109 BK1608LL241 R1133 10 R1171 75F TP1062 C1120 105Z Q1103 S-80127CNMC 1 DS 2 VSS 3 NC 4 VOUT 5 VDD L1101BLM21PG221SN1 C1163 100 C1164 101 R1128 NC C1119 105Z C1124 105Z Q1104 TC74VHC157FT 1 SELECT 2 1A 3 1B 4 1Y 5 2A 6 2B 7 2Y 8 GND 9 3Y 10 3B 11 3A 12 4Y 13 4B 14 4A 15 ST 16 VCC C1165 105Z L1113 BLM21PG221SN1 P1002 FH12-24S-0.5SH(55) frame frame 24 23 22 21 20 19 18 17 16 15 14 13 12 11 10 9 8 7 6 5 4 3 2 1 Q1205:A BA4510 4 3 2 8 1 R1242 10K R1241 0 Q1206 TC74VHC00FT TC74AC00FT 8 3Y 9 3A 10 3B 11 4Y 12 4A 13 4B 14 VCC 1 1A 2 1B 3 1Y 4 2A 5 2B 6 2Y 7 GND R1283 2.2K R1250 100 R1251 100 R1252 100 R1253 100 R1254 100 R1255 100 R1256 100 R1257 100 R1137 56K C1030 105Z Q1102 BR24L08FV-W(NC) 5 SDA 6 SCL 7 WP 8 VCC 1 A0 2 A1 3 A2 4 GND L1112 0 C1107 NC R1151 100 R1292 0 w w w . x i a o y u 1 6 3 . c o m Q Q 3 7 6 3 1 5 1 5 0 9 9 2 8 9 4 2 9 8 T E L 1 3 9 4 2 2 9 6 5 1 3 9 9 2 8 9 4 2 9 8 0 5 1 5 1 3 6 7 3 Q Q TEL 13942296513 QQ 376315150 892498299 TEL 13942296513 QQ 376315150 892498299 http://www.xiaoyu163.com DPS-5.9 SCHEMATIC DIAGRAM-4-2 A 1 2 3 4 5 B C D E F G H SUBOUT FLASH_CS MEM_ADR6 MEM_ADR18 MEM_ADR17 MEM_ADR7 MEM_ADR19 MEM_ADR8 MEM_ADR9 MEM_ADR10 MEM_ADR11 MEM_ADR12 MEM_ADR13 MEM_ADR14 MEM_ADR15 CEC AVDDT33 TX0+ TX1+ I2C_SDA I2C_SCL DDC_DAT DDC_CLK KEYINT0 RGB RGBMUTE SC CV1 SY1 Prout Pbout PYout SYout CVout Pb/B PY/G SY CV SSRAMCS1 FLASH_CS MEM_ADR16 MEM_CS0 MEM_ADR1 MEM_ADR0 MEM_CS1 CECOUT ROTHi SUBRST SUBCLK SUBREQ EEP_SCL EEP_SDA SYSOUT SYSIN VCC_VD5 TXC- TX0- TX1- TX2- TX_HPLG TXC+ EEP_SDA EEP_SCL V_POWER RI REMIN RS232_SEL FEPM FCE NETRX KEY1 GNDD CEC CECTRG CECIN CECOUT VDOFF GNDD VDD_SW3.3 RST# GNDDD EV_GND GNDD VDD_SDRA3.3 VDD_SW3.3 LD_CURRENT POS_SENS DISC_SENS RGB MEM_DAT4 MEM_DAT12 MEM_DAT5 MEM_DAT13 MEM_DAT6 MEM_DAT14 MEM_DAT7 MEM_DAT15 MEM_DAT2 MEM_DAT10 MEM_DAT3 MEM_DAT11 MEM_DAT0 MEM_DAT8 MEM_DAT1 MEM_DAT9 MEM_WE MEM_ADR5 MEM_ADR4 MEM_ADR3 MEM_ADR2 MEM_ADR1 MEM_ADR0 MEM_WE MEM_RD AOUT1_Z AOUT2_Z AOUT3_Z VDOFF UPDATE_SEL VID_7 VID_6 VID_5 VID_4 AMCLK_Z ABCLK_Z ALRCK_Z AOUT0_Z CECIN I/P SQUEEZE LETTER RGB HDVCC1.8 HDVCC1.8 HPLG_IN AMUTCPU EV5_GND EV_GND CECTRG LEDSTBY DVDRXSTB RS232STBY NETRESET DBG_MODE IRIN HPLG_IN INT4 INT3 INT2 INT1 CNVSS BAND PWR_CNT LOADHi DVD_Reg Pr/R NONRGBMUTE SDMUTE AR2/AR1 SPDIFOUT SDC SCout DBG_MODE RESET CHG_ADJ CY/PY Cb/Pb Cr/Pr SDC4D P/I VDD_VD5 XRST VCC_PW6.5 DDC_CLK DDC_CLK DDC_DAT DDC_DAT R232TX FBUSY R232RX CNVSS VDD_SW3.3 VDD_SW3.3 MEM_ADR18 MEM_ADR17 MEM_ADR16 MEM_ADR15 MEM_ADR14 MEM_ADR13 MEM_ADR12 MEM_ADR11 MEM_ADR10 MEM_ADR9 MEM_ADR8 MEM_ADR7 MEM_ADR6 MEM_ADR5 MEM_ADR4 MEM_ADR3 MEM_ADR2 MEM_ADR1 MEM_ADR0 VCC_SW12 VCC_VD5 FSW CV/Y_out C/R_out G_out B_out RGBSW NONRGBMUTE_S SDMUTE_S RAM_DAT1 RAM_DAT2 RAM_DAT3 RAM_DAT5 RAM_DAT6 RAM_DAT9 RAM_DAT8 RAM_DAT10 RAM_DAT11 RAM_DAT12 RAM_DAT13 RAM_DAT14 RAM_DAT15 RAM_CLK RAM_CKE RAM_CS RAM_DQM RAM_DQM RAM_RAS RAM_CAS RAM_WE RAM_BA1 RAM_BA0 RAM_ADR3 RAM_ADR1 RAM_ADR2 RAM_ADR4 RAM_ADR5 RAM_ADR6 RAM_ADR7 RAM_ADR8 RAM_ADR9 RAM_ADR11 RAM_ADR0 RAM_ADR10 RAM_DAT0 RAM_DAT4 RAM_DAT7 C/R RGB SC1 CV/Y CR/R DACRESET GNDD VID_1 VID_0 VID_3 VID_2 I79_DUPTD1 FLASH_ADR20 FLASH_ADR20 MEM_ADR20 HSYNC VSYNC CNVSS UPDATE_SEL RESET FCLK R232RX HPLGDET VDD_EV5 VDD_EV5 CEC VDD_EV5 SUB_IN POFF LOADING_L LOADING_R ROTL ROTR NETRX NETRESET NETTX HDVCC33 TX2+ EV_GND R232TX FBUSY FCLK +3.3VCPU AOUT4_Z AOUT5_Z LOADING_SW3 LOADING_SW2 LOADING_SW1 DVDTXSTB DVDRXD DVDTXD FBUSY FCLK R232RX R232TX SPDIFOUT VCLKX2 CEC_1 CEC_CONT NETTX CEC_CONT GND_PW1 GND_PW1 GND_PW1 GND_PW1 GND_PW1 GND_PW XRST HPLG_OUT GND_PW HPLG_IN HPLG_OUT HPLG_OUT HDVCC3.3 HDVCC3.3 VDD_VD5 VDD_FLS3.3 VDD_SW3.3 CEC_1 GND_PW GNDA5 GNDD GND_PW1 GND SW6.5V SW3.3VB EV5VGND PWR_CNT EV5V MGND SW6.5V -VDISP FL+ FL- VDD_SW1.8 +3.3VCPU HD3.3V IRIN EV_GND R232TX RS232STBY R232RX +3.3VCPU HD_VSYNC HD_HSYNC TX2- TX1+ TXC- TXC+ TX0+ TX1- TX2+ TX0- VDDDAC VDDPLL18 AVDDT18 KEY0 HPLG_IN EV5_GND EV5_GND EV5_GND EV5_GND EV5_GND LATCH_RESET AOUT3 AOUT2 AOUT1 AOUT0 CS_D2 CS_D1 CS_D0 AMUTE ALRCK ADAC_CLK AMCLK ABCLK EV5_GND EV5_GND RI DACRESET ADAC_DO VDD_EV5 AOUT5 AOUT4 +3.3VCPU VDD_EV5 VDD_EV5 AMUTCPU AMUTCPU MPG_27MHz_1 GND_PW1 VDD_SW3.3 MPG_27MHz_2 VDD_EV5 EV_GND SW5V VDD_SW5 DVDRESET VCC_PW6.5 GND_PW1 VCC_A5 MEM_WE SSRAMCS1 MEM_DAT15 MEM_DAT0 MEM_DAT1 MEM_DAT2 MEM_DAT3 MEM_DAT4 MEM_DAT5 MEM_DAT6 MEM_DAT7 MEM_DAT8 MEM_DAT9 MEM_DAT10 MEM_DAT11 MEM_DAT12 MEM_DAT13 MEM_DAT14 MEM_RD MEM_ADR20 MEM_ADR19 GNDD LD_CURRENT POS_SENS DISC_SENS LOADHi ROTHi LOADING_SW3 LOADING_SW2 LOADING_SW1 VCC_PW6.5 FL- +3.3VCPU VDD_SW5 -VDISP FL+ REMIN SUBRST KEYINT0 KEY1 KEY0 SUBCLK SUBREQ SUB_IN LEDSTBY LOADING_R LOADING_L ROTL ROTR SUBOUT GNDD GND_PW GND_PW GND_PW VDD_SW5 GNDD SSCRXD SSCTXD SSCCLK SSC_EN SSC_REQ DUP_TD0 DUP_RD0 Flash Data bus Falsh Adr bus FOR_ZORAN CHIP SDRAM bus HDMI signals FOR_ZORAN CHIP HDMI signals HDMI signals CPU signals CPU signals FOR_ZORAN CHIP FROM_ZR36886 FROM_ZR36886 CPU signals CPU signals CPU signals CPU signals FROM_ZR36886 Flash Control HDMI signals FOR_ZORAN CHIP For Scart TRM Except Scart For D4 TRM or MX29LV160ATTC-70 Jumper DebugMode DLmode Jumper download debug Jumper debug None None None R1746 DV-CP706/DPC-7.9 DPS-6.9 R1751 R1750 R1749 R1748 R1747 NEW SCART I/F For Scart TRM 5V 5V 5V 3.3V 3.3V 3.3V 3.3V 3.3V 3.3V VDD_VD5V HDVCC3.3V HDVCC1.8V To Part-2 To Part-2 To Part-2 To Part-2 VDD_SW1.8V HDMI OUT System MPU, Video, HDMI Transmitter Debug I/F D1/D2 I/F Power I/F e-CON VDD_VD5V Jumper Jumper 3.3V HDVCC1.8V VDD_EV5 For Scart Terminal NO USE NC DV-SP506 NC SOCKET AS 1.8V 3.3V 3.3V 3.3V To Part-2 To Audio DV-CP706 DV-CP706 3.3V HDVCC3.3V DV-SP506 D1N A4P CP706 D1N R1835 R1834 R1833 R1832 R1819 R1818 R1817 R1816 R1815 R1814 R1813 R1812 R1811 D1N 2.7K 2.7K 2.7K 2.7K 2.7K 2.7K 2.7K 2.7K R1810 DVD_Reg CHG_Adj INT1 INT2 INT3 INT4 BAND 0 0 0 2.7K 0 0 0 0 706C 0 0 0 0 0 0 0 0 0 0 0 0 DPC-7.9 0 0 0 0 0 DPS-5.9 DPS-6.9 A4P D1N A4P J2N J2N A4P P2P D1N DV-SP506 D1N P2P 2.7K 2.7K 2.7K 2.7K 2.7K 0 0 0 0 0 0 0 0 0 0 0 2.7K 2.7K 2.7K 2.7K 2.7K 2.7K 0 0 0 0 0 0 0 0 0 0 0 0 0 0 0 0 0 0 0 0 0 0 0 0 0 0 0 0 0 0 0 0 0 A4P 2.7K 2.7K 2.7K 0 0 0 0 2.7K 2.7K 0 0 0 0 P2P 1.0Pitch 17Pin 150mm BD 1.0Pitch 9Pin 300mm AD 1.0Pitch 9Pin 250mm BD 1.0Pitch 31Pin 200mm AD [SINGLE,UNIVARSAL]=1.0Pitch 9Pin 50mm AD [CHANGER]=1.0Pitch 9Pin 150mm BD [CHANGER]=1.0Pitch 15Pin 150mm BD [SINGLE]=1.0Pitch 15Pin 250mm AD 1.0Pitch 27Pin 150mm AD 3.3K 3.3K 3.3K 3.3K 470 470 470 470 2.7K 2.7K 8.2K 8.2K 5.6K 3.3K 5.6K 3.3K 3.3K 470 3.3K 470 3.3K 470 T3P F3P 2.7K 8.2K 2.7K 8.2K 2.7K 8.2K 3.3K 5.6K 3.3K 5.6K 3.3K 470 3.3K 470 3.3K 470 3.3K 470 3.3K 470 3.3K 470 3.3K 470 5.6K 3.3K 5.6K 3.3K 3.3K 5.6K 3.3K 5.6K 3.3K 5.6K 3.3K 470 3.3K 470 3.3K 470 VDD_SW3.3V NADG-9634 DV-CP706 DV-SP506 Q1708 S-24CS16A0I 5 SDA 6 SCL 7 WP 8 VCC 1 A0 2 A1 3 A2 4 GND R1703 220 R1706 NC R1709 10K R1710 NC R1712 10K R1714 47 R1715 NC R1716 NC R1725 4.7K R1727 4.7K R1718 NC R1719 NC R1721 220 R1722 220 R1723 220 R1724 220 R1726 220 R1728 10K R1729 47 R1731 47 R1733 47 R1734 47 R1735 47 R1736 47 R1737 47 R1738 NC R1753 220 R1757 220 R1758 220 R1759 220 R1760 220 R1761 220 R1762 220 R1763 220 R1764 220 R1765 NC R1769 10K R1778 47K R1777 220 R1779 220 R1780 10K R1781 220 R1782 220 R1784 220 R1785 27K R1787 220 R1788 10K R1789 220 R1790 NC R1791 NC R1792 NC R1793 NC R1794 NC R1795 NC R1796 NC R1797 NC R1798 47K R1799 47K R1800 47K R1807 2.7K R1805 2.7K R1809 47K C1702 104Z R1713 220K R1768 220 C1703 104Z C1704 104Z C1705 102J C1706 102J C1707 104Z C1719 101J C1720 101J R1828 2.2K R1743 220 R1829 2.2K R1831 47K R1749 47K R1747 47K R1751 47K R1752 47 R1756 47 R1755 47 R1754 NC R1750 0 R1748 0 R1746 0 R1830 47K Q1709 S-80127CN 5 VDD 1 VSS 2 VSS 3 NC 4 OUT C1714 104Z C1715 104Z R2005 75 R2006 75 R2008 75 R2009 75 R2010 75 R2011 10K R2013 75 R2014 75 C2001 103K C2007 105Z C2013 22/6.3 C2015 22/6.3 C2021 103K TP2011 TP2012 TP2013 TP2014 TP2016 TP2017 TP2018 TP2019 TP2020 TP2021 TP2022 TP2023 TP2024 TP2025 TP2026 TP2029 TP2030 TP2031 TP2032 C2011 22/6.3 C2012 100/16 C2014 100/16 C2016 100/16 C2018 100/16 C2008 22/6.3 R2020 NC Q2001 BH7868FS 1 VCC1 2 S1 3 S2 4 Cin 5 MUTE1 6 CVin 7 MIX 8 Yin 9 BIAS 10 CLAMP 11 PYin 12 GND 13 Pbin 14 MUTE2 15 Prin 16 VCC2 17 Prsag 18 Prout 19 GND 20 Pbsag 21 Pbout 22 GND 23 PYsag 24 PYout 25 GND 26 Ysag 27 Yout 28 GND 29 CVsag 30 CVout 31 SDC 32 Cout R2033 2.2K R2025 0 R2026 0 R2029 0 R2030 0 R2021 1K C2019 22/6.3 R2018 0 Q2006 NC TP2010 TP2009 R2037 5.1K R2036 6.8K R2038 10K R2039 1K R2035 150K TP2004 TP2005 TP2002 TP2003 R2034 10K C2024 105Z C2025 105Z R2040 0 R2041 0 C2026 105Z Q2009 TC74VHCT08AFT 1 2 3 4 5 6 7 8 9 10 11 12 13 14 VCC GND R2023 1.2K R2024 3.9K Q2004 HN1C01F 5 3 6 2 1 4 R2042 75 C2017 22/6.3 R2022 1.8K C2009 105Z Q1704 DTA114YKA Q1706 DTC114EKA R1820 100 R1821 10K R1822 220K R1823 100 R1804 4.7K R1801 220 R2019 NC R1519 47 R1520 47 R1523 NC R1528 0 R1529 0 R1533 220 R1559 1.8K R1560 1.8K R1566 47K C1507 100/16 C1508 105Z C1518 105Z R1534 4.7K C1521 105Z C1559 105Z R1565 NC TP1560 TP1561 TP1562 TP1564 C1523 105Z R1524 NC R1509 NC R1510 NC C1516 105Z R1504 47 R1503 47 R1506 4.7K R1505 4.7K C1514 105Z R1502 47x4 C1513 105Z TP1501 TP1502 TP1503 R2012 75 TP1787 TP1786 TP1785 TP1784 TP1783 TP1872 TP1781 Q1851 M29W160ET-70N6E 1 A15 2 A14 3 A13 4 A12 5 A11 6 A10 7 A9 8 A8 9 A19 10 A20 11 WE 12 RESET 13 NC 14 WP/ACC 15 RY/BY 16 A18 17 A17 18 A7 19 A6 20 A5 21 A4 22 A3 23 A2 24 A1 25 A0 26 CE 27 GND 28 OE 29 Q0 30 Q8 31 Q1 32 Q9 33 Q2 34 Q10 35 Q3 36 Q11 37 VCC 38 Q4 39 Q12 40 Q5 41 Q13 42 Q6 43 Q14 44 Q7 45 Q15/A-1 46 GND 47 BYTE 48 A16 C1851 105Z C1852 220/4 + C1863 102J R1852 1K R1851 10K R1853 1K Q1853 2SK3019 1 3 2 R1856 4.7K R2043 0 R2044 0 TP1504 TP1505 C1781 105Z R1701 47 R1702 47 R1705 47 Q1705 DTA114YKA Q1703 DTC114EKA R1810 Val R1811 Val R1812 Val R1813 Val R1814 Val R1815 Val R1816 Val R1817 Val R1818 Val R1819 Val R1832 Val R1833 Val R1834 Val C2023 220/10 R1551 1 2 3 4 R1552 1 2 3 4 R1553 1 2 3 4 R1554 1 2 3 4 R1704 47K R1770 47K D1905 SEC1401C R1909 470 TP1901 C1402 104Z C1410 104 C1405 104Z C1403 NC C1408 104Z R1401 100 R1404 NC R1403 470K R1408 NC R1410 220 R1511 47 R1512 47 R1513 47 R1514 47 R1521 47 R1543 47K C1519 105Z R1527 10K R1531 4.7K R1535 220 C1522 105Z C1505 100/16 C1504 105Z C1506 105Z C1501 100/16 C1502 105Z R1539 75 R1538 75 R1537 75 R1555 0 R1556 NC R1557 0 R1558 NC X1701 6.000MHz 3 1 2 C1854 105Z C1855 220/4+ C1860 105Z R1536 100F R1587 330F Q1503 TC7SZ125FU 1 NC 2 3 GND 4 5 VCC R2004 75 TP138 TP135 C1853 105Z R1860 47x4 R1859 47x4 R1862 47x4 R1861 47x4 TP2001 TP1851 TP1852 TP1853 TP1854 TP1855 TP1856 TP1857 TP1858 TP1859 TP1860 TP1861 TP1862 TP1863 TP1864 TP1865 TP1866 TP1867 TP1868 TP1869 TP1870 TP1871 C1862 105Z C1861 105Z C1856 105Z C1857 105Z C1858 105Z C1859 105Z C1520 105Z L1903 470K C1913 220/10 + C1916 100/4 R1910 1K R1911 3.9K R1912 3.9K R1913 6.8K R1767 NC C2010 100/16 Q2005 DTC144EE Q2008 TC7SET04FU 1 NC 2 INB 3 GND 4 OUTY 5 VCC TP2015 L1403 BLM21B222SPT TP1559 TP1565 R1405 330 R1786 220 R1708 220 R1707 NC Q1711 RN1402 R1771 0 Q2007 HN1C01F 2 1 4 5 3 6 P1411 2 1 3 R2027 0 R2028 0 R2031 0 R2032 0 TP2027 TP2028 R2015 0 R2016 0 R2017 0 TP1906 C1517 105Z C1512 105Z C1511 100/16 TP1721 TP1722 TP1723 TP1724 TP1725 TP1726 TP1727 TP1728 TP1729 TP1730 TP1731 TP1701 TP1702 TP1703 TP1704 TP1705 TP1706 TP1707 TP1708 TP1710 TP1713 TP1714 TP1715 TP1716 TP1717 TP1718 TP1709 TP1711 TP1712 TP1719 C1509 100/16 C1510 105Z C1524 105Z C1525 100/16 R1409 1.2K R1406 120 R1407 1.8K Q1401 TC74VHCU04 14 VCC 13 12 11 10 9 8 7 GND 6 5 4 3 2 1 C1407 220J C1404 NC R1545 NC R1532 NC TP1907 1 2 C1412 220/10 C1701 104Z R1854 1K P1855 FH12-24S-0.5SH(55) 26 frame 25 frame 24 23 22 21 20 19 18 17 16 15 14 13 12 11 10 9 8 7 6 5 4 3 2 1 P2002 6 4 3 2 5 1 P2004A NSCT-9P2472 1 2 3 4 5 6 7 8 9 P2005A 1 2 3 4 5 6 7 8 9 10 11 12 13 14 15 Q1852 K4S281632K-UC60 1 VDD 2 DQ0 3 VDDQ 4 DQ1 5 DQ2 6 VSSQ 7 DQ3 8 DQ4 9 VDDQ 10 DQ5 11 DQ6 12 VSSQ 13 DQ7 14 VDD 15 LDQM 16 WE 17 CAS 18 RAS 19 CS 20 BA0 21 BA1 22 A10 23 A0 24 A1 25 A2 26 A3 27 VDD 28 VSS 29 A4 30 A5 31 A6 32 A7 33 A8 34 A9 35 A11 36 NC 37 CKE 38 CLK 39 UDQM 40 NC 41 VSS 42 DQ8 43 VDDQ 44 DQ9 45 DQ10 46 VSSQ 47 DQ11 48 DQ12 49 VDDQ 50 DQ13 51 DQ14 52 VSSQ 53 DQ15 54 VSS Q2002 TC74HC4053AFT 1 1Y 2 0Y 3 1Z 4 Z-COM 5 0Z 6 INH 7 VEE 8 GND 9 C 10 B 11 A 12 0X 13 1X 14 X-COM 15 Y-COM 16 VCC R1402 NC Q1505 UM6K1N 1 4 5 2 3 6 R1717 0 R1802 NC P1851 DebugI/F 2 1 P1852 DebugI/F 1 2 P1853 1 2 3 R1766 47 R1501 47x4 P2001 7 3 1 5 2 4 15 11 9 13 10 12 16 14 8 6 TP1788 R1515 0 R1589 0 R1588 0 P1501 1 2 P1502 1 2 R1541 4.7K P1854 1 2 3 R1855 4.7K R1857 0 R1858 4.7K R1872 0 P1857 3 2 1 R1783 4.7K Q1782 2SK3019 3 1 2 R1837 100K P1781 1 RESET_SSCRXD 2 CNVSS_SSCTXD 3 R232RX_SSCCLK 4 FCLK_SSC_EN 5 +5V 6 FBUSY_SSCREQ 7 R232TX_DUPTD0 8 GND 9 APOWER_DUPRD0 10 frame 11 frame C1401 220/10 C1406 22/16 C1560 105Z C1716 100/4 C1564 105Z R1569 0 D1551 1SS226 1 3 2 C1566 105Z C1561 105Z P1551 1 D2+ 2 D2 Shield 3 D2- 4 D1+ 5 D1 Shield 6 D1- 7 D0+ 8 D0 Shield 9 D0- 10 CK+ 11 CK Shield 12 CK- 13 CERemote 14 NC 15 DDC CLK 16 DDC DATA 17 GND 18 +5V 19 HP DET 20 22 Shield 23 Shield 21 C1563 22/6.3 C1565 100/4 Q1504 XC6213B332MR 5 VOUT 4 NC 3 CE 2 VSS 1 VIN R1744 220 R1741 220 R1739 220 R1835 Val D1702 NC D1703 1SS352 P205A 1 2 3 4 5 6 7 8 9 C1503 22/16 D1907 RB070M Q1781 TC7MBL3245SFT 11 Y8 12 Y7 13 Y6 14 Y5 15 Y4 16 Y3 17 Y2 18 Y1 19 OE 20 VCC 1 NC 2 A1 3 A2 4 A3 5 A4 6 A5 7 A6 8 A7 9 A8 10 GND Q1783 2SK3019 3 1 2 R1838 100K D1701 1SS352 C1713 22/16 R1843 100K Q1702 RN1402 R1518 4.7K R1516 47 TP1566 R1544 NC R1522 47 R1732 10K R1730 NC R1742 10K R1745 10K C1718 104Z R1740 10K C1723 102J C1724 102J C1725 102J R1517 10 C1901 100/16 + C1409 NC R1411 0 R1507 33 U1402 GP1FAV31TK0F 1 GND 2 V 3 IN Q1502 1 1OE 2 1A 3 1B 4 GND 5 2A 6 2B 7 2OE 8 VCC R1562 0 R1592 10K R1720 220 Q1701 M3062LFGPFP 81 NC 82 NC 83 NC 84 NC 85 NC 86 NC 87 NC 88 NC 89 NC(UP) 90 NC(UP) 91 NC(UP) 92 KEYINT0 93 MUTPWR 94 HPLG_IN 95 KEY1 96 AVSS 97 KEY0 98 VREF 99 AVCC 100 SUB_IN 1 SUB_OUT 2 SUB_CLK 3 SUB_REQ 4 SUB_RST 5 NC 6 NC 7 CECIN 8 BYTE 9 CNVSS 10 NC 11 DVDRST 12 RESET 13 XOUT 14 VSS 15 XIN 16 VCC1 17 NMI(UP) 18 POFF 19 DVDRXSTB 20 RDSCLK 21 NC 22 LEDSTBY 23 NC 24 NETRESET 25 CEC_CONT 26 232STBY 27 CECTRG 28 CECOUT 29 NETTX 30 NETRX 31 232TX/FTXD 32 232RX/FRXD 33 NC 34 F_BUSY 35 DVDTXD 36 DVDRXD 37 DVDTXSTB 38 NC 39 LOADSW1 40 LOADSW2 41 FEPM 42 LOADSW3 43 LD_CURR 44 POS_SEN 45 DISC_SEN 46 FCE 47 AMUTE 48 NC 49 E2PROM_SDA 50 E2PROM_SCL 51 VD_PWR 52 LOAD_R 53 LOAD_L 54 ROTL 55 ROTR 56 PWRCTR 57 LOADHI 58 ROTHI 59 NC 60 NC 61 FLOFF 62 VCC2 63 DVD_FWUP_MODE 64 VSS 65 INIT4 66 INIT3 67 CHG_ADJ 68 DVD_REG 69 INIT2 70 INIT1 71 BAND 72 SYSOUT 73 SYSIN 74 IRIN 75 REMIN 76 UPDATE_SEL 77 RS232_SEL 78 SELF_FWUP 79 VDOFF 80 HPLGOUT TP1905 TP1910 1 2 TP1908 1 2 R1525 47 R1526 NC P1401C CN17 15FMN-SMT-A-TF 1 2 3 4 5 6 7 8 9 10 11 12 13 14 15 16 17 R1542 0 R1540 330 L1904 BLM21PG221SN1 L1501 BLM21PG221SN1 L1502 BLM21PG221SN1 L1503 BLM21PG221SN1 L1505 BLM21PG221SN1 L1504 BLM21PG221SN1 C2022 105Z L2001 BLM21PG221SN1 L1851 BLM21PG221SN1 L1507 BLM21PG221SN1 L1402 LBC2518T2R2M L1401 LBC2518T2R2M C1912 105Z C1915 105Z C1918 105Z TP1913 1 2 TP1912 1 2 C2027 105Z C2028 105Z R1530 4.7K P1901C NPLG-13P938 15 frame 14 frame 13 12 11 10 9 8 7 6 5 4 3 2 1 Q1905 TA48018AF 1 I 2 G 3 O D1908 1SS352 C1717 105Z C1712 22/16 Q1710 XC6213B332MR 1 VIN 2 VSS 3 CE 4 NC 5 VOUT R1772 27K R1561 NC R2047 0 R2049 0 R2050 0 R2051 0 R2007 10K C2020 103K R2046 0 R2048 0 R2045 0 R1808 220 R1826 NC P1702C 09FMN-SMT-A-TF 9 8 7 6 5 4 3 2 1 P1702B NSCT-9P2472 1 2 3 4 5 6 7 8 9 P1901A NPLG-13P141 13 12 11 10 9 8 7 6 5 4 3 2 1 R1546 390 Q1501 ZR36722 1 VIN0 2 VIN1 3 VIN2 4 VIN3 5 VIN4 6 VIN5 7 VIN6 8 VIN7 9 VDDIP 10 VDDC 11 VCLKX2 12 GNDC 13 GNDP 14 HSYNC 15 FIELD_VSYNC 16 VDDP 17 AMCLK 18 ABCLK 19 ALRCLK 20 AIN0 21 VDDC 22 SPDIF 23 AIN1 24 GNDP 25 AIN2 26 VDDP 27 AIN3 28 FS3 29 FS2 30 CEC 31 VDDC 32 HOTPLUG 33 GNDC 34 GNDP 35 DUPTD1 36 DUPRD1 37 DDCDAT 38 FS1 39 DDCCLK 40 VDDP 41 RESET 42 VDDPLL 43 REFCLK 44 GNDPLL 45 AGNDT33 46 TMDS_CLK- 47 TMDS_CLK+ 48 AVDDT33 49 TMDS_D0- 50 TMDS_D0+ 51 AGNDT33 52 TMDS_D1- 53 TMDS_D1+ 54 AVDDT33 55 TMDS_D2- 56 TMDS_D2+ 57 GNDT33 58 CSET_TXREXT 59 AGNDT1R8 60 AVDDT1R8 61 VREF 62 GNDDACBS 63 GNDDACP 64 R SET 65 VDDD 66 Y_G 67 PR_R 68 PB_B 69 GNDDAC 70 GNDC 71 HSYNC 72 VDDC 73 VSYNC 74 GNDP 75 DUPTD1 76 VDDP 77 DUPRD1 78 GPIO11_17 79 GNDC 80 VDDC L1852 BLM21PG221SN1 TP1563 C1411 22/16 R1836 56K R1806 4.7K R1803 33K R1564 1K C1907 220/4 + C2002 1/50 C2003 1/50 C2004 1/50 C2005 1/50 C2006 1/50 P1703A NSCT-17P2480 17 16 15 14 13 12 11 10 9 8 7 6 5 4 3 2 1 C1903 470/10 P1401A NSCT-27P2418 1 2 3 4 5 6 7 8 9 10 11 12 13 14 15 16 17 18 19 20 21 22 23 24 25 26 27 C1914 470/6.3 + C1917 470/10 + R1827 NC R1840 0 L1506 BLM21PG221SN1 R1585 1Meg_F R1584 NC R1582 220 L1582 LL241 C1584 NC TP1581 C1582 220/4 + C1581 105Z L1581 BLM21PG221SN1 Q1581 TC7WZU04FU 5 6 7 8 VD 1 2 3 4 GND Q1582 TC7SHU04 1 2 3 GND 4 5 VCC C1583 105Z L1583 LL241 R1583 NC C1585 NC R1581 220 R1825 NC R1824 0 R1508 NC C1515 NC Q1903 XC6202P502FR 3 I 2 G 1 O L1551 BLM21PG221SN1 R1568 0 F1501 nanoSMDC016F C1910 105Z C1902 470/6.3 C1905 105Z TP1904 C1904 105Z Q1901 TA48018AF 1 I 2 G 3 O D1906 1SS352 Q1904 SI8008TM 1 VIN 5 SS 3 GND 4 VADJ 2 SW C1722 22/16 R1711 220 TP1902 P1856 FH12-24S-0.5SH(55) 1 2 3 4 5 6 7 8 9 10 11 12 13 14 15 16 17 18 19 20 21 22 23 24 25 frame 26 frame P1703C 31FMN-SMT-A-TF 33 frame 32 frame 31 30 29 28 27 26 25 24 23 22 21 20 19 18 17 16 15 14 13 12 11 10 9 8 7 6 5 4 3 2 1 Q1906 XC6202P502FR 3 I 2 G 1 O C1919 100/16 C1911 100/16 P1782 9 8 7 6 5 4 3 2 1 X1581 TSX-3225-27MHz C1589 120J C1588 NC C1587 100D C1586 NC R1586 820F MJJ only R1835 R1834 R1833 R1832 R1819 R1818 R1817 R1816 R1815 R1814 R1813 R1812 R1811 R1810 DVD_Reg CHG_Adj INT1 INT2 INT3 INT4 BAND U01 DVD MAIN PC BOARD (NADG-9634) HDMI SECTION Not use Not use Not use MJJ only DPS-5.9 MDD1N 3.3K 470 0 0 0 0 0 0 MUA4P 3.3K 470 0 0 0 0 2.7K 0 w w w . x i a o y u 1 6 3 . c o m Q Q 3 7 6 3 1 5 1 5 0 9 9 2 8 9 4 2 9 8 T E L 1 3 9 4 2 2 9 6 5 1 3 9 9 2 8 9 4 2 9 8 0 5 1 5 1 3 6 7 3 Q Q TEL 13942296513 QQ 376315150 892498299 TEL 13942296513 QQ 376315150 892498299 http://www.xiaoyu163.com DPS-5.9 SCHEMATIC DIAGRAM-1 U11 RI TERMINAL PC BOARD NAAF-9645 A 1 2 3 4 5 B C D E F G H A-12V A+12V ADAC_DO LATCH_RESET ADAC_CLK AMCLK EV5_GND EV5_GND ABCLK AOUT0 AMUTE ALRCK AMUTCPU VDD_EV+5V RI DACRESET from SW POWER SUPPLY from MAIN BOARD NAAF-9645 25.3mA C5014 NC R5042 2.2K R5040 2.2K C5013 NC R5041 2.2K R5039 2.2K R5037 220 R5043 220 R5045 100 R5038 220 R5046 100 R5044 220 C5027 470/16 C5028 470/16 C5032 101 C5033 104 C5034 104 R5060 NC R5062 0 C5035 104 L5001 182 R5061 470 R5047 NC R5048 0 C5015 NC R5057 270K R5054 680K C5040 NC R5107 10K R5108 10K R5110 10K R5109 10K C5046 105 R5087 1.5K R5005 1.5K R5011 2.7K R5085 1.5K R5007 1.5K R5008 1.5K R5006 1.5K R5086 1.5K R5088 1.5K R5012 2.7K C5006 221 C5012 47/50 + C5005 221 C5047 221 C5048 221 C5011 47/50 + R5035 220K R5036 220K Q5012 KRA107S Q5014 KRC107S R5084 NC R5050 10K R5055 10K R5059 10K Q5013 KRC107S Q5019 2SC2712 Q5015 KRC107S C5003 681 C5004 681 C5045 NC R5049 470 C5023 470/6.3 Q5011 78M05 1 I 2 G 3 O C5029 470/16 C5030 470/16 R5105 47 R5106 47 Q5009 TC7SHU04 1 2 3 GND 4 5 VCC R5104 47 R5102 47 R5103 47 R5101 47 Q5010 WM8718 1 LRCLIN 2 DVDD 3 DGND 4 AVDD 5 VREFP 6 VREFN 7 AGND 8 VMID 9 VOUTRP 10 VOUTRN 11 VOUTLN 12 VOUTLP 13 LATCH 14 SDIN 15 SCLK 16 ZEROFR 17 ZEROFL 18 MCLK 19 BCKIN 20 DIN C5031 1000/16 R5001 2.7K R5003 2.7K R5009 2.7K R5010 2.7K R5004 2.7K R5002 2.7K C5017 104J C5020 104J R5051 33 C5021 104J C5018 470/10 C5026 104J R5089 0 Q5018 KRC107S C5001 681 C5002 681 C5016 10/50 C5019 470/10 C5025 104J C5049 102J C5024 104J R5058 0 D5001 1SS352 R5111 NC R5112 NC R5113 100(1/2W) R5053 150(1/2W) R5052 150(1/2W) C5036 102 C5037 102 C5038 102 C5039 102 P1401D CN15 15 14 13 12 11 10 9 8 7 6 5 4 3 2 1 P5004 4 2 Lch 1 3 RcH P5005 3 2 1 4 P5901 3 2 1 Q5017 S-812C33A 2 I 1 G 3 O R5056 4.7K Q5001:A 3 2 8 1 4 Q5001:B NJM4580M-D 6 5 7 Q5005 2SD655-E Q5007 2SD655-E Q5008 2SD655-E Q5006 2SD655-E Q5016 2SC2712 P5001A NC 1 P5001B NC 1 ANALOG OUT RI IN/OUT w w w . x i a o y u 1 6 3 . c o m Q Q 3 7 6 3 1 5 1 5 0 9 9 2 8 9 4 2 9 8 T E L 1 3 9 4 2 2 9 6 5 1 3 9 9 2 8 9 4 2 9 8 0 5 1 5 1 3 6 7 3 Q Q TEL 13942296513 QQ 376315150 892498299 TEL 13942296513 QQ 376315150 892498299 http://www.xiaoyu163.com DPS-5.9 SCHEMATIC DIAGRAM-2 ASPECT GND Cr/Pr GND IRIN +3.3VCPU RXD KEY11 VDISP KEY01 KEY21 SUBREQ GND REMIN +3.3VCPU LEDSTBY SW3.3V KEYINTK0 SUBCLK KEY0 VDISP SUBOUT SUBIN CY/PY Cb/Pb SUBRST SDMUTE RGBMUTE PB/B_IN PY/G_IN C/R_IN CV/Y/CV_IN RGBSW FSW R CV/Y/CV G B LEDSTBY IRIN RS232STBY R232TX R232RX FL- LEDSTBY SUBCLK KEY0 SUBRST REMIN SUBREQ +3.3VCPU VDD_SW5 FL+ KEYINTK0 KEY1 VDISP SUBOUT SUBIN CY/PY Cb/Pb Cr/Pr P/I VCC_VD5V TXD NAVD-9638 JJ2N MODEL ONLY from MAIN BOARD NAETC-9644 to MAIN BOARD from MECHA from MAIN BOARD NAVD-9641 STBY STBYLED NASW-9643 from MAIN BOARD NADG-9637 IR_IN IR_OUT DPS-6.9,DPS-5.9 to MAIN BOARD OPEN/CLOSE PLAY STOP DOWN UP PAUSE TOP_MENU RETUNE MENU SETUP DISPLAY DIMMER ASPECT RESOLUTION NADIS-9642 NAVD-9640 SCART BOARD EU MODEL ONLY from MAIN BOARD from NAAF-9636 SCART TERMINAL R6102 8.2K C6101 103 R6103 1.8K R6104 0 L6101 Val R6106 0 L6102 Val R6108 0 L6103 Val R6109 75 R6107 75 R6105 75 R6101 10K R6202 75 R6204 75 R6206 75 L6201 182 L6202 182 L6203 182 R6205 NC R6203 NC R6201 NC S8015 Q7504 ICL3221E 1 EN 2 C1+ 3 V+ 4 C1- 5 C2+ 6 C2- 7 V- 8 R1IN 9 R1OUT 10 INVALID 11 T1IN 12 FORCEON 13 T1OUT 14 GND 15 VCC 16 FORCEOFF 5K C7510 104 R7512 10K R7511 100 R7513 100 R7502 0 R7506 0 R7505 100 Q7502 KRC107S Q7503 KRC107S R7503 10K C7501 223J R7501 3.3K R7504 10K C7503 104Z R7509 NC C7514 100/10 C7512 0.47/50 C7509 0.47/50 C7506 0.47/50 C7507 0.47/50 C7502 100/10 R7527 3.3K D7501 1SS352 1 2 C7504 104 C7505 105 L7505 182 L7503 182 R7507 100 R7508 100 L7501 6 4 3 2 1 L7506 182 R8014 2.7K R8011 470 R8012 820 S8006 S8007 S8008 S8002 R8018 470 R8001 390 R8002 470 R8003 820 R8004 1K R8005 1.8K R8010 390 R8017 390 S8013 S8014 R8038 470 R8037 390 Q8001 FL HNV-13SS15T 45 F10 44 F11 41 G1 40 G2 39 G3 38 G4 37 G5 36 G6 35 G7 34 G8 33 G9 32 G10 31 G11 30 G12 29 G13 19 P1 18 P2 17 P3 16 P4 15 P5 14 P6 13 P7 12 P8 11 P9 10 P10 9 P11 8 P12 7 P13 6 P14 5 P15 2 F20 1 F21 S8001 S8009 R8019 820 S8010 S8011 S8012 S8003 S8004 S8005 R8020 1K R8021 1.8K R8022 3.9K R8023 10K R8013 2.7K R8027 2.7K C8001 22/50 R8026 100 R8033 100 R8029 10K R8034 470 R8036 470 D8001 5.6B C8002 104Z Q8021 MPC29M33 1 I 2 G 3 O R8042 100 R8041 100 R8032 470 C8009 330 R8025 470 C8008 330 C8006 104Z Q8005 KRC107S R8035 33K C8023 330 C8024 330 Q8023 2SD655 Q8022 KRA107S R8055 10K C8025 105Z Q8003 MPD780232GC 61 P4 62 P3 63 P2 64 P1 65 P36 66 15G 67 14G 68 13G 69 12G 70 11G 71 10G 72 9G 73 8G 74 7G 75 6G 76 5G 77 4G 78 3G 79 2G 80 1G 1 5V 2 GND 3 CLOCK 4 CLOCK 5 FRAIC 6 SUBRST 7 SUBCLK 8 SUB_IN 9 SUB_OUT 10 SUBREQ 11 HDMI_LED 12 NC 13 NC 14 NC 15 NC 16 NC 17 NC 18 GND 19 KEY3 20 KEY2 21 KEY1 22 KEY0 23 GND 24 5V 25 5V 26 JOGA 27 JOGB 28 P35 29 P34 30 P33 31 P32 32 P31 33 P30 34 P29 35 P28 36 P27 37 P26 38 P25 39 P24 40 P23 41 P22 42 P21 43 P20 44 P19 45 P18 46 P17 47 P16 48 P15 49 P14 50 P13 51 P12 52 P11 53 P10 54 P9 55 P8 56 P7 57 P6 58 P5 59 5V 60 -VDISP C8021 100/6.3 C8022 100/6.3 C8003 100/6.3 L8002 10 L8001 10 C8011 100/6.3 U7560 GP1UE271 4 5 1 2 3 R8006 3.9K R8007 10K C8026 47/16 R8053 6.8(1/2W) R8054 6.8(1/2W) R8056 6.8(1/2W) C8005 104Z_1H D8002 SEL2910A-TP6 R8057 6.8(1/2W) R8051 1.5K R8039 220 C8007 104Z R8024 470 C8010 104Z R8028 2.7K Q6001 BH7868FS 32 Cout 31 SDC 30 CVout 29 CVsag 28 GND 27 Yout 26 Ysag 25 GND 24 PYout 23 PYsag 22 GND 21 Pbout 20 Pbsag 19 GND 18 Prout 17 Prsag 16 VCC2 15 Prin 14 MUTE2 13 Pbin 12 GND 11 PYin 10 CLAMP 9 BIAS 8 Yin 7 MIX 6 CVin 5 MUTE1 4 Cin 3 S2 2 S1 1 VCC1 C6002 1000/6.3 + C6001 22/50 C6004 22/50 C6010 22/50 R6012 2.2K R6008 2.2K C6009 105Z R6005 1K R6011 1K C6003 100/10 R6001 0 R6002 75 R6003 0 R6004 75 R6006 0 L6001 NC L6002 NC R6007 75 L6003 NC R6009 0 R6010 75 L6004 NC R6013 220 R6014 220 R6015 NC C6011 105Z C6006 22/50 C6012 1/50 C6013 1/50 C6014 1/50 C6015 1/50 C6008 22/50 C6016 NC C6017 NC E6001 1 C6005 100/10 C6007 100/10 C8012 102 C8013 102 C8014 102 C8015 102 D8005 SLI-343URC-TB7 JL8001A 1 2 3 JL8001B 3 2 1 P1203B 15 14 13 12 11 10 9 8 7 6 5 4 3 2 1 P1702A 9 8 7 6 5 4 3 2 1 P1703B 1 2 3 4 5 6 7 8 9 10 11 12 13 14 15 16 17 P2004B 9 8 7 6 5 4 3 2 1 P2004C 9 8 7 6 5 4 3 2 1 P2005B CN15 1 2 3 4 5 6 7 8 9 10 11 12 13 14 15 P6002 23 GND2 1 AUDIO OUT R 2 AUDIO IN R 3 AUDIO OUT L 4 AGND 5 GND 6 AUDIO IN L 7 BLUE 8 F SW 9 GND 10 NC 11 GREEN 12 NC 13 GND 14 GND 15 RED/C 16 RGB SW 17 GND 18 GND 19 CV/Y OUT 20 CV/Y IN 21 GND 22 GND1 P6003 1 2 3 4 5 P6101 NSCT-14P2510 1 Y 2 Y-GND 3 Pb 4 Pb-GND 5 Pr 6 Pr-GND 7 RSVD LINE1 8 LINE1 9 LINE2 10 RSVD LINE2 11 LINE3 12 SW-GND 13 RSVD-LINES 14 SW 15 SHLD 16 SHLD P6202 BNC3P 6 Y 5 4 Cb/Pb 3 2 Cr/Pr 1 P7501 1 10 2 21 24 22 P7502 RC232C9P 10 1 6 2 7 3 8 4 9 5 11 P8001A 1 2 3 4 5 6 7 P8021 15 14 13 12 11 10 9 8 7 6 5 4 3 2 1 P9002A 1 2 P9003A 1 P9003B 1 Q7501 S-PS2501AL-1 2 3 4 1 R8052 220K X8001 CSTLS5M00G56-A0 U05 AC INLET PC BOARD NAPS-9639 U06 COMPONENT OUTPUT PC BOARD NAVD-9641 U09 MECHA. CONNECTION PC BOARD NAETC-9644 U08 STANDBY SWITCH PC BOARD NASW-9643 U04 RS-232C TERMINAL PC BOARD U07 DISPLAY CIRCUIT PC BOARD NADIS-9642 w w w . x i a o y u 1 6 3 . c o m Q Q 3 7 6 3 1 5 1 5 0 9 9 2 8 9 4 2 9 8 T E L 1 3 9 4 2 2 9 6 5 1 3 9 9 2 8 9 4 2 9 8 0 5 1 5 1 3 6 7 3 Q Q TEL 13942296513 QQ 376315150 892498299 TEL 13942296513 QQ 376315150 892498299 http://www.xiaoyu163.com DPS-5.9 DPS-5.9 SCHEMATIC DIAGRAM-3 POWER SUPPLY UNIT U20 : NGPS-0091-100-120V (MDD) NGPS-0092-100-240V (MUA) A 1 2 3 4 B C D E W101 2 1 VH-2P/7.92MM F101 L 2A125V C101 0.22u/275V R185 5R N 1 2 3 4 L101 ET-20 C103 102/400V C102 0.047u/300V C104 102/400V 2 3 + - D102 DF06S 1 4 + C105 100u/200V C105 68u/400V R101 2.2M 1/2W R101 1M 1/2W T101 8 16 R103 47K/1206 D121 P6KE170A R104 47K/1206 R105 47R/1206 C106 221/1KV 7 D106 FR107 D107 HER103 D108 MBR1060CT 1 18 C109 222/500V R106 20R/1206 R162 20R/1206 C110 2200u/10V/L.ESR + D111 17 1 2 MBR10100CT 3 3 C114 222/500V R115 10R/1206 R163 NC/1206 1 6 D120 FR107 R159 10R/1206 R157 NC/0805 D119 NC C133 NC/0805 Q105 NC 1 3 2 R156 NC/0805 C118 NC 1 3 2 Q114 5N60 R153 75R/1206 C153 103/0805 R165 10K/0805 8 7 6 5 1 2 3 4 U104 LD7575 C132 22u/35V + R155 1r5/1206 R152 1r5/1206 R151 1r5/1206 D117 1N4007 D118 1N4007 R150 1K/1206 R164 18K/0805 C134 NC/0805 4 3 U101B EL817 D122 PKE15A R149 100K/1%/0805 C131 103K/0805 C107 222/400V C107 102/400V C117 1500u/10V/l.ESR + D112 NC 10 15 GND 11 12 13 14 15 EED28/18P D115 FR107 FR107 D114 R142 10R/1/2W C120 47u/50V/L.ESR + C121 100u/25V/L.ESR + D113 HER103 1 2 3 U102 TL431 R132 3K3/1%/0805 C119 104K/1206 R131 4K7/0805 R133 3K3/1%/0805 1 2 U101A EL817 R118 1K/0805 R133 220R/0805 1 2 3 U103 TL431 R134 3K3/1%/0805 4K7/0805 R122 3 2 1 Q108 40TO3GP1 C116 470u/6.3V/L.ESR + GND GND F105 3A L104 4.5uH C137 100u/10V + R120 10K/1/8W R116 0R27/2W Q115 1703 1 2 3 R124 100K/0805 1 2 3 Q109 3906 R126 1K/0805 GND R160 1K/1206 R161 1K/1206 C115 103K/0805 R125 1K15/1%/0805 L105 4.5uH R135 10K/0805 1 2 3 Q106 3904 R136 10K/0805 R138 10K/0805 GND C125 104Z/0805 C124 220u/6.63V/l.ESR + C126 100u/25V + Q110 C1213 1 2 3 GND Q113 3906 1 2 3 R146 3K3/1206 R137 10K/0805 R147 47K/0805 47K/0805 R148 C122 10u/50V + L106 4.5uH 15uH L107 C108 100u/25V/L.ESR + R117 1K/1206 L102 4.5uH Q101 2SA673 1 2 3 R107 10K/0805 R108 2K4/1206 1 2 3 Q102 3904 R111 10K/0805 R110 10K/0805 L103 3uH C111 100u/10V + Q103 1703 1 2 3 R109 100K/0805 F102 2A R114 1K/0805 + C112 100u/25V 10 1 11 7 8 9 4 2 6 3 5 12 13 14 15 W102 MCN2.0MM (15P) SWA+12V PWRCTR AGND SW+6.8V SW+6.8V SW+6.8V GND SW+5V EV+5V SW+3.3V EV+5V GND SW+5V SW+3.3V GND SWA-12V -30V FLAC FLAC H101 H102 H104 H103 HEAT SINK HEAT SINK HEAT SINK HEAT SINK For Q114 For Q108 For D108 For D111 T2AL/250V MDD MUP/MUA www . x ia o y u 1 6 3 . c o m QQ 3 7 6 3 1 5 1 5 0 9 9 2 8 9 4 2 9 8 T E L 1 3 9 4 2 2 9 6 5 1 3 9 9 2 8 9 4 2 9 8 0 5 1 5 1 3 6 7 3 Q Q TEL 13942296513 QQ 376315150 892498299 TEL 13942296513 QQ 376315150 892498299 http://www.xiaoyu163.com DPS-5.9 SCHEMATIC DIAGRAM-4-1 U01 DVD MAIN BOARD (NADG-9634) A 1 2 3 4 5 B C D E F G H TRACK H- H+ A B C VC GNDA5 H3+ H2- H2+ H1- H1+ LOD H3- GND_PW GND_PW VC16 VRF VDD_AFE3.3 GNDA5 CD/DVD VCC_A5 RAM_CKE RAM_CLK RAM_DQM RAM_WE RAM_CAS RAM_RAS RAM_CS RAM_DAT9 RAM_DAT6 RAM_DAT8 RAM_DAT10 RAM_DAT5 RAM_DAT11 RAM_DAT4 RAM_DAT13 RAM_DAT3 RAM_DAT12 RAM_DAT2 CS_D0 CS_D1 CS_D2 DVD_LD CD_LD GNDA5 GNDD VDD_SW5 DVD/CD I/P AR2/AR1 RGB F+ T+ T- DUP_TD0 RAM_ADR4 RAM_ADR3 RAM_ADR5 RAM_ADR2 RAM_ADR1 RAM_ADR7 RAM_ADR0 RAM_ADR6 RAM_ADR9 RAM_ADR11 RAM_ADR10 RAM_ADR8 RAM_BA1 RAM_BA0 DRVSB CD_MD U_A1 V_A2 W_A3 FOCUS_ VC16 TRACK S_LODIN T- F+ F- T+ DRV_CTL1 VCC_DRV5 GND_PW2 DRVSB DRV_CTL1 SLD+ LOD- LOD+ SLD- DRVSB VCC_PW6.5 VCC_PW6.5 S_SLDIN RAM_DAT7 VDD_DAC3.3 SQUEEZE LETTER F- FOCUS_ VDD_DSP1.8 XRST GNDA5 VCC_A5 RAM_DAT1 RAM_DAT15 RAM_DAT0 RAM_DAT14 VDD_SW3.3 GNDD VDD_DSP3.3 VDD_PLL1.8 HSYNC VSYNC VID_1 VID_2 VID_3 VID_4 VID_5 VID_6 VID_7 VCLKX2 MPG_27MHz DUP_RD0 F E VC VDD_DSP1.8 TRCHG SACDSEL XRST DVD_MD D ABCLK ABCLK_Z ALRCK_Z MEM_ADR15 MEM_ADR16 MEM_ADR14 MEM_ADR13 MEM_ADR12 MEM_DAT15 MEM_ADR11 MEM_DAT7 MEM_ADR10 MEM_DAT14 MEM_ADR9 MEM_DAT6 MEM_ADR8 MEM_DAT13 MEM_DAT5 MEM_ADR20 MEM_DAT2 MEM_ADR17 MEM_DAT9 MEM_ADR7 MEM_DAT1 MEM_ADR6 MEM_DAT8 MEM_ADR5 MEM_DAT0 MEM_ADR4 MEM_RD MEM_ADR3 MEM_ADR2 MEM_CS0 MEM_ADR1 MEM_ADR0 MEM_ADR18 GNDD AOUT4_STBY DRV_CTL1 RST# ADAC_DO SSCRXD SSCTXD SSC_EN DDC_DAT DDC_CLK MEM_DAT10 MEM_DAT3 MEM_ADR19 VCC_DRV5 W_A3 H- U_A1 V_A2 H+ GND_PW SLD+ SLD- H3+ H3- H2+ H2- H1+ H1- SSW GNDA5 H- U_A1 V_A2 W_A3 H+ SLD- SSW SLD+ GND_PW H1- H2- H1+ H2+ H3- H3+ LD_DVD LD_CD HFM VC VCC_RF5 GNDA5 VR_DVD VR_CD NC1 NC0 MD T- T+ F- F+ GNDA5 GND_LD FGO SSW SSW AMCLK_Z OPENSW CLOSESW LOD+ LOD- VDD_SW3.3 VDD_DSP3.3 VDD_PWM3.3 VDD_SW1.8 VDD_HDPLL1.8 VDD_SAFE3.3 VCC_A5 VCC_RF5 LD_CD LD_DVD MEM_WE SPDP SLDP FCSP DVD/CD MEM_DAT4 DVD_LD MEM_CS1 TRKP MEM_DAT11 CD_LD CD_MD MEM_DAT12 I2C_SCL I2C_SDA SPDL_SENS- DVD_MD USB_DP USB_DN FG AOUT4 AMCLK ALRCK AOUT0 AOUT1 AOUT2 ADAC_CLK SPDIFOUT AOUT3 MPG_27MHz_2 PB/B SC PY/G PR/R SY CV DVDTXD DVDTXSTB DVDRXD DVDRXSTB VC16 S_SPIN S_SLDIN S_FOCUS S_TRACK CLOSE OPEN SSCCLK2 VRF E F B A D C CD/DVD OPENSW SSCCLK SSC_REQ CLOSESW VID_0 VDD_DSP3.3 AMUTE AOUT0_Z AOUT4_Z AOUT5 AOUT3_Z GNDD LATCH_RESET LATCH_RESET AOUT2_Z AOUT1_Z AOUT5_Z GND_PW1 GND_PW1 VDD_Sw3.3 HD3.3V VDD_SW1.8 XRST B F VC VCC_RF5 F- F+ T+ T- C D CD/DVD VRF A E LD_CD HFM GNDA5 VR_CD VR_DVD NC1 MD LD_DVD GND_LD NC0 VDD_SW5 DVDRESET Audio Data SDRAM bus Flash Control AnalogVideo Signals FOR HDMI TRANSMITTER Audio Control 1 Video Control DebugInterface FOR HDMI TRANSMITTER FOR HDMI TRANSMITTER Flash Data bus Flash Adr bus Sys-B/E Communication Loader I/F (Reserved) NC NC SSW A.DDP I/F(reserved) OPU I/F (top side) SPDL/SLED I/F (bottom side reserved) SPDL/SLED I/F top side) 3.3V 3.3V 3.3V 3.3V 3.3V 3.3V 3.3V 3.3V 3.3V 3.3V 5.0V 5.0V 5.0V 1.8V 1.8V 5.0V 5.0V 6.5V 5.0V 5.0V 3.3V 1.8V HD3.3V [SINGLE,UNIVERSAL]=0.5Pitch 24Pin 240mm BD [SINGLE,UNIVERSAL]=1.0Pitch 15Pin 150mm AD NADG-9634 R1201 1K C1205 103K C1204 103K C1203 103K R1205 4.7 R1204 4.7 C1207 104Z C1206 102J C1201 104Z R1202 47K TP1059 1 2 C1102 105Z C1147 105Z C1101 105Z R1114 47 R1113 47 R1112 47 R1110 47 R1108 47 R1107 47 R1105 47 R1101 47 C1148 220/4 C1152 220/4 C1150 220/4 R1122 220 R1195 10K C1109 105Z Q1205:B BA4510 6 5 7 R1189 47 R1188 47 R1187 47 R1186 47 C1110 105Z R1185 47 R1184 47 C1219 220/4 R1183 47 R1115 47 C1111 105Z R1116 47 C1222 105Z R1143 47 C1229 102J C1225 102J R1142 47 C1112 105Z C1145 105Z R1119 47 R1118 47 C1113 105Z C1144 105Z R1111 47 R1127 56 R1131 47 TP1049 C1143 105Z C1116 105Z C1142 105Z C1019 330J C1117 105Z C1017 104K C1118 105Z C1012 330J C1141 105Z C1011 330J C1140 105Z C1010 330J R1017 0 C1139 105Z C1009 330J R1016 0 TP1034 TP1033 R1030 47 C1031 102J C1008 102J C1033 104K C1032 104K R1012 3.3K Q1004 2SC2712-GR R1026 3.3K Q1007 2SC2712-GR R1006 3.3K Q1003 2SC2712-GR R1168 220F TP1040 R1169 150F C1129 101J C1136 105Z C1137 105Z C1138 105Z R1170 22F C1029 220/4 R1182 75F R1181 75F R1180 75F C1026 105Z R1179 75F R1011 220 TP1039 R1178 75F TP1036 R1177 75F C1003 47/4 R1176 75F R1009 4.7 R1007 4.7 C1023 105Z R1175 75F TP1035 R1174 75F R1173 75F R1172 75F TP1048 C1022 105Z R1005 220 TP1038 TP1003 C1001 220/4 C1002 47/4 R1003 4.7 R1001 4.7 C1020 105Z TP1002 R1014 0 R1013 0 R1029 0 R1028 0 R1027 0 C1108 330J R1240 10 C1115 105Z C1213 105Z TP1029 1 2 TP1030 1 2 TP1031 1 2 TP1032 1 2 TP1207 1 2 TP1218 1 2 C1214 104K R1211 1 R1210 1 R1209 1 R1208 1 C1223 105Z TP1211 1 2 TP1210 1 2 TP1217 1 2 R1214 0 R1213 0 C1212 105Z Q1201 BD7967EFS 1 Vc 2 VinTK 3 SPVM2 4 VinFC 5 CFCerr1 6 CFCerr2 7 LDin 8 SPin 9 SPRNF 10 W 11 SPGND 12 U 13 V 14 HW+ 15 HW- 16 HV+ 17 HV- 18 HU+ 19 HU- 20 SPVM1 21 HB 22 FG 23 SPVCC 24 SLin 25 OPOUT 26 CTL2 27 PreVcc 28 CTL1 29 SLO+ 30 SLO- 31 LOD+ 32 LOD- 33 PowGND 34 PreGND 35 VOFC+ 36 VOFC- 37 VOTK+ 38 VOTK- 39 VNFTK 40 VMACT 41 VNFFC 42 CFIL 43 CTKerr2 44 CTKerr1 TP1209 1 2 TP1223 TP1219 1 2 TP1220 1 2 TP1206 TP1224 R1247 15K C1227 223K R1248 18K R1224 27K R1226 27K C1202 101J R1203 47K C1215 101J C1228 223K R1102 4.7K R1109 4.7K C1103 105Z C1013 C1014 C1015 330J C1016 330J R1245 27K R1249 27K TP1058 TP1057 Q1001 HN1A01F-GR 2 6 3 5 4 1 Q1002 HN1A01F-GR 2 6 3 5 4 1 R1280 47x4 R1279 47x4 R1278 47x4 C1106 105Z C1105 105Z C1104 105Z R1150 4.7K R1227 150K R1228 22K R1270 47x4 R1199 47x4 R1277 22 R1276 22 R1275 22 R1274 22 R1273 22 R1272 47 R1271 47 R1015 470 C1224 103K R1103 0 R1191 47K R1192 47K R1212 4.7K R1215 1.8 R1216 1.8 R1217 1.8 R1218 1.8 R1219 1.8 R1220 1.8 R1221 1.8 R1207 47K R1117 47 C1024 1/50 + R1237 10KF R1238 10KF C1220 47/4 C1221 47/4 C1146 105Z C1121 105Z C1122 105Z C1123 105Z C1126 105Z C1128105Z C1125 102J R1159 1K R1161 22 R1146 47 R1281 47x4 R1147 47 R1104 0 R1018 0 C1230 104Z R1031 0 C1149 105Z C1151 105Z TP1001 TP1214 TP1213 TP1212 TP1239 TP1238 TP1237 TP1236 TP1235 TP1234 TP1233 TP1232 TP1231 TP1230 TP1004 TP1037 TP1201 TP1202 TP1203 TP1204 TP1205 TP1054 TP1055 TP1056 TP1241 TP1240 R1148 NC TP1060 1 2 TP1042 TP1043 TP1069 TP1041 TP1067 R1021 0 TP1070 R1020 0 C1021 100/16 + C1208 100/16 C1025 100/16 + C1114 050C R1023 10KF R1022 100KF R1033 10KF R1145 100 R1019 0 R1141 100 R1157 100 C1154 220/4 C1156 220/4 C1155 105Z C1153 105Z R1158 100 R1152 100 R1135 100 R1134 100 R1163 100 R1162 100 R1154 100 R1155 100 R1140 47 R1138 100 R1156 100 R1198 47x4 R1866 47x4 R1865 47x4 R1864 47x4 R1868 47x4 R1869 47x4 R1870 47x4 R1871 47x4 R1863 47x4 TP1064 R1193 47 TP1047 L1110 BK1608LL241 TP1046 TP1050 TP1051 TP1071 R1190 47 R1165 100 TP1072 R1164 100 R1129 100 R1166 100 R1032 0 C1018 330J R1024 0 R1867 47x4 C1127 NC C1210 100/16 C1216 NC C1217 NC L1007 NC Q1202:B NJM3404V 7 5 6 Q1202:A NJM3404V 8 1 4 3 2 R1002 NC R1004 NC R1008 NC R1010 NC R1121 NC R1120 NC R1160 NC R1196 NC R1222 NC R1223 NC R1225 NC R1239 NC TP1229 TP1228 TP1227 TP1226 C1027 330/6.3 C1162 330/6.3 P1203 NSCT-15P2478 15 14 13 12 11 10 9 8 7 6 5 4 3 2 1 TP1225 TP1024 TP1023 TP1022 TP1021 TP1020 TP1019 TP1018 TP1017 TP1016 TP1015 TP1014 TP1013 TP1012 TP1011 TP1010 TP1009 TP1008 TP1007 TP1006 TP1005 C1211 105Z TP1208 1 2 R1197 0 C1233 105Z C1231 104 R1282 47K C1232 220/10 R1167 NC R1206 10K TP1061 R1025 47 R1194 47 R1246 10K R1132 10 R1144 33 R1153 33 L1111 BK1608LL680 P1202 NPLG-5P931 frame frame 5 4 3 2 1 R1258 33 L1102 BLM21PG221SN1 L1103 BLM21PG221SN1 L1105 BLM21PG221SN1 L1104 BLM21PG221SN1 C1028 105Z L1006 BLM21PG221SN1 L1005 BLM21PG221SN1 L1108 BLM21PG221SN1 L1201 LBC2518T2R2M L1004 LBC2518T220M L1001 LBC2518T220M L1002 LBC2518T220M C1005 105Z C1004 105Z L1003 LBC2518T220M C1007 105Z C1006 105Z C1161 105Z Q1101 ZR36888HLCG-S 193 RFINP 194 RFINN 195 ADCIN_G 196 ADCIN_A 197 VDDAFE_3.3 198 ADCIN_B 199 VDDSAFE_3.3 200 VDDAFE_3.3 201 ADCIN_C 202 ADCIN_H 203 ADCIN_D 204 ADCIN_J 205 GNDADC 206 ADCIN_E 207 ADCIN_K 208 ADCIN_F 209 OPUREF 210 BGCAP 211 RESLOAD 212 CDMD 213 DVDMD 214 CDLD 215 DVDLD 216 GNDAFER 217 GNDADC 218 VDDC_1.8 219 GPCIO_32 220 GNDC 221 ICGPCIO_4 222 ICGPCIO_5 223 VDDP_3.3 224 IDGPCIO_3 225 GNDP 226 ICGPCIO_6 227 ICGPCIO_7 228 VDD_IP_3.3 229 IDGPCIO_6 230 IDGPCIO_7 231 PWMCO_2 232 PWMCO_3 233 GNDPWMS 234 PWMCO_4 235 VDDPWMS_3.3 236 PWMCO_5 237 PWMCO_6 238 PWMCO_0 239 DUPRD_0 240 DUPTD_0 241 DUPRD_1 242 DUPTD_1 243 GPCIO_39 244 GPCIO_40 245 VDDP_3.3 246 GPCIO_42 247 GPCIO_33 248 GPCIO_34 249 IDGPCIO_5 250 GPCIO_48 251 GPCIO_49 252 GPCIO_50 253 GPCIO_51 254 SSCCLK 255 SSCTXD 256 GNDP 1 GPCIO_52 2 GPCIO_53 3 GPCIO_54 4 GPCIO_55 5 GPCIO_56 6 GPCIO_57 7 GPCIO_58 8 SSCCLK 9 SSCTXD 10 SSCRXD 11 MEMCS1 12 VDDP_3.3 13 MEMADR_15 14 MEMADR_16 15 MEMADR_14 16 MEMADR_13 17 MEMADR_12 18 MEMDA_15 19 MEMADR_11 20 MEMDA_7 21 GNDP 22 MEMADR_10 23 MEMDA_14 24 MEMADR_9 25 MEMDA_6 26 MEMADR_8 27 MEMDA_13 28 MEMDA_5 29 MEMADR_20 30 VDDP_3.3 31 MEMDA_12 32 MEMWR 33 MEMDA_4 34 VDDC_1.8 35 MEMDA_11 36 MEMDA_3 37 MEMADR_19 38 GNDC 39 MEMDA_10 40 MEMADR_18 41 GNDP 42 MEMDA_2 43 MEMADR_17 44 MEMDA_9 45 MEMADR_7 46 MEMDA_1 47 MEMADR_6 48 MEMDA_8 49 MEMADR_5 50 VDDP_3.3 51 MEMDA_0 52 MEMADR_4 53 MEMRD 54 MEMADR_3 55 MEMADR_2 56 MEMCS0 57 MEMADR_1 58 MEMADR_0 59 GNDP 60 VDDIP_3.3 61 VDDP_3.3 62 GPCIO_61 63 GPCIO_62 64 RAMCKE 65 VDDUSB_3.3 66 USBDP 67 USBDN 68 GNDUSB 69 RAMADR_4 70 RAMADR_3 71 RAMADR_5 72 RAMADR_2 73 RAMADR_6 74 VDDP_3.3 75 RAMADR_1 76 RAMADR_7 77 RAMADR_0 78 GNDP 79 RAMADR_8 80 VDDC_1.8 81 RAMADR_10 82 GNDC 83 RAMADR_9 84 VDDP_3.3 85 RAMADR_11 86 RAMBA1 87 RAMBA0 88 GNDP 89 RAMCS1 90 RAMRAS 91 RAMCAS 92 VDDP_3.3 93 RAMWE 94 RAMDQM 95 GNDPCLK 96 PCLK 97 VDDPCLK_3.3 98 RAMDAT_8 99 GNDP 100 RAMDAT_7 101 RAMDAT_9 102 RAMDAT_6 103 VDDP_3.3 104 RAMDAT_10 105 RAMDAT_5 106 RAMDAT_11 107 GNDP 108 RAMDAT_4 109 VDDC_1.8 110 RAMDAT_12 111 GNDC 112 RAMDAT_3 113 VDDP_3.3 114 RAMDAT_13 115 RAMDAT_2 116 RAMDAT_14 117 GNDP 118 RAMDAT_1 119 RAMDAT_15 120 RAMDAT_0 121 VDDP_3.3 122 CPUNMI 123 GNDP 124 AOUT_3 125 IDGPCIO_0 126 SPDIFOUT 127 AOUT_2 128 AOUT_1 129 AOUT_0 130 GPAIO 131 ALRCLK 132 ABLCK 133 GNDP_A2 134 AMCLK 135 VDDP_A2_3.3 136 GPCIO_23 137 GPCIO_24/VSYNC 138 GPCIO_25/HSYNC 139 GNDP 140 VCLKx2 141 VDDP_3.3 142 GPCIO_26/VID_7 143 ICGPCIO_2/VID_6 144 IDGPCIO_1/VID_5 145 GPCIO_27/VID_4 146 GNDC 147 VDDC_1.8 148 GPCIO_28/VID_3 149 GPCIO_29/VID_2 150 GPCIO_30/VID_1 151 ICGPCIO_3/VID_0 152 GPCIO_31 153 IDGPCIO_2 154 VDDP_3.3 155 GNDP 156 GNDA 157 RESET 158 VDDA_1.8 159 XO 160 GCLKP 161 AHVDD_1.8 162 AHGND 163 NC 164 NC 165 NC 166 NC 167 NC 168 NC 169 NC 170 NC 171 NC 172 NC 173 NC 174 NC 175 NC 176 NC 177 NC 178 NC 179 GNDDAD 180 GNDDAD 181 CVBS 182 VDDDACD_3.3 183 CVBS_C_Y 184 CVBS_G_Y 185 VDDDAC_3.3 186 CVBS_C_Y 187 Y_R_V_C 188 VDDDAC_3.3 189 C_B_U 190 RSET 191 GNDDACP 192 GND_SERVO_VIDEO L1109 BK1608LL241 R1133 10 R1171 75F TP1062 C1120 105Z Q1103 S-80127CNMC 1 DS 2 VSS 3 NC 4 VOUT 5 VDD L1101BLM21PG221SN1 C1163 100 C1164 101 R1128 NC C1119 105Z C1124 105Z Q1104 TC74VHC157FT 1 SELECT 2 1A 3 1B 4 1Y 5 2A 6 2B 7 2Y 8 GND 9 3Y 10 3B 11 3A 12 4Y 13 4B 14 4A 15 ST 16 VCC C1165 105Z L1113 BLM21PG221SN1 P1002 FH12-24S-0.5SH(55) frame frame 24 23 22 21 20 19 18 17 16 15 14 13 12 11 10 9 8 7 6 5 4 3 2 1 Q1205:A BA4510 4 3 2 8 1 R1242 10K R1241 0 Q1206 TC74VHC00FT TC74AC00FT 8 3Y 9 3A 10 3B 11 4Y 12 4A 13 4B 14 VCC 1 1A 2 1B 3 1Y 4 2A 5 2B 6 2Y 7 GND R1283 2.2K R1250 100 R1251 100 R1252 100 R1253 100 R1254 100 R1255 100 R1256 100 R1257 100 R1137 56K C1030 105Z Q1102 BR24L08FV-W(NC) 5 SDA 6 SCL 7 WP 8 VCC 1 A0 2 A1 3 A2 4 GND L1112 0 C1107 NC R1151 100 R1292 0 w w w . x i a o y u 1 6 3 . c o m Q Q 3 7 6 3 1 5 1 5 0 9 9 2 8 9 4 2 9 8 T E L 1 3 9 4 2 2 9 6 5 1 3 9 9 2 8 9 4 2 9 8 0 5 1 5 1 3 6 7 3 Q Q TEL 13942296513 QQ 376315150 892498299 TEL 13942296513 QQ 376315150 892498299 http://www.xiaoyu163.com DPS-5.9 SCHEMATIC DIAGRAM-4-2 A 1 2 3 4 5 B C D E F G H SUBOUT FLASH_CS MEM_ADR6 MEM_ADR18 MEM_ADR17 MEM_ADR7 MEM_ADR19 MEM_ADR8 MEM_ADR9 MEM_ADR10 MEM_ADR11 MEM_ADR12 MEM_ADR13 MEM_ADR14 MEM_ADR15 CEC AVDDT33 TX0+ TX1+ I2C_SDA I2C_SCL DDC_DAT DDC_CLK KEYINT0 RGB RGBMUTE SC CV1 SY1 Prout Pbout PYout SYout CVout Pb/B PY/G SY CV SSRAMCS1 FLASH_CS MEM_ADR16 MEM_CS0 MEM_ADR1 MEM_ADR0 MEM_CS1 CECOUT ROTHi SUBRST SUBCLK SUBREQ EEP_SCL EEP_SDA SYSOUT SYSIN VCC_VD5 TXC- TX0- TX1- TX2- TX_HPLG TXC+ EEP_SDA EEP_SCL V_POWER RI REMIN RS232_SEL FEPM FCE NETRX KEY1 GNDD CEC CECTRG CECIN CECOUT VDOFF GNDD VDD_SW3.3 RST# GNDDD EV_GND GNDD VDD_SDRA3.3 VDD_SW3.3 LD_CURRENT POS_SENS DISC_SENS RGB MEM_DAT4 MEM_DAT12 MEM_DAT5 MEM_DAT13 MEM_DAT6 MEM_DAT14 MEM_DAT7 MEM_DAT15 MEM_DAT2 MEM_DAT10 MEM_DAT3 MEM_DAT11 MEM_DAT0 MEM_DAT8 MEM_DAT1 MEM_DAT9 MEM_WE MEM_ADR5 MEM_ADR4 MEM_ADR3 MEM_ADR2 MEM_ADR1 MEM_ADR0 MEM_WE MEM_RD AOUT1_Z AOUT2_Z AOUT3_Z VDOFF UPDATE_SEL VID_7 VID_6 VID_5 VID_4 AMCLK_Z ABCLK_Z ALRCK_Z AOUT0_Z CECIN I/P SQUEEZE LETTER RGB HDVCC1.8 HDVCC1.8 HPLG_IN AMUTCPU EV5_GND EV_GND CECTRG LEDSTBY DVDRXSTB RS232STBY NETRESET DBG_MODE IRIN HPLG_IN INT4 INT3 INT2 INT1 CNVSS BAND PWR_CNT LOADHi DVD_Reg Pr/R NONRGBMUTE SDMUTE AR2/AR1 SPDIFOUT SDC SCout DBG_MODE RESET CHG_ADJ CY/PY Cb/Pb Cr/Pr SDC4D P/I VDD_VD5 XRST VCC_PW6.5 DDC_CLK DDC_CLK DDC_DAT DDC_DAT R232TX FBUSY R232RX CNVSS VDD_SW3.3 VDD_SW3.3 MEM_ADR18 MEM_ADR17 MEM_ADR16 MEM_ADR15 MEM_ADR14 MEM_ADR13 MEM_ADR12 MEM_ADR11 MEM_ADR10 MEM_ADR9 MEM_ADR8 MEM_ADR7 MEM_ADR6 MEM_ADR5 MEM_ADR4 MEM_ADR3 MEM_ADR2 MEM_ADR1 MEM_ADR0 VCC_SW12 VCC_VD5 FSW CV/Y_out C/R_out G_out B_out RGBSW NONRGBMUTE_S SDMUTE_S RAM_DAT1 RAM_DAT2 RAM_DAT3 RAM_DAT5 RAM_DAT6 RAM_DAT9 RAM_DAT8 RAM_DAT10 RAM_DAT11 RAM_DAT12 RAM_DAT13 RAM_DAT14 RAM_DAT15 RAM_CLK RAM_CKE RAM_CS RAM_DQM RAM_DQM RAM_RAS RAM_CAS RAM_WE RAM_BA1 RAM_BA0 RAM_ADR3 RAM_ADR1 RAM_ADR2 RAM_ADR4 RAM_ADR5 RAM_ADR6 RAM_ADR7 RAM_ADR8 RAM_ADR9 RAM_ADR11 RAM_ADR0 RAM_ADR10 RAM_DAT0 RAM_DAT4 RAM_DAT7 C/R RGB SC1 CV/Y CR/R DACRESET GNDD VID_1 VID_0 VID_3 VID_2 I79_DUPTD1 FLASH_ADR20 FLASH_ADR20 MEM_ADR20 HSYNC VSYNC CNVSS UPDATE_SEL RESET FCLK R232RX HPLGDET VDD_EV5 VDD_EV5 CEC VDD_EV5 SUB_IN POFF LOADING_L LOADING_R ROTL ROTR NETRX NETRESET NETTX HDVCC33 TX2+ EV_GND R232TX FBUSY FCLK +3.3VCPU AOUT4_Z AOUT5_Z LOADING_SW3 LOADING_SW2 LOADING_SW1 DVDTXSTB DVDRXD DVDTXD FBUSY FCLK R232RX R232TX SPDIFOUT VCLKX2 CEC_1 CEC_CONT NETTX CEC_CONT GND_PW1 GND_PW1 GND_PW1 GND_PW1 GND_PW1 GND_PW XRST HPLG_OUT GND_PW HPLG_IN HPLG_OUT HPLG_OUT HDVCC3.3 HDVCC3.3 VDD_VD5 VDD_FLS3.3 VDD_SW3.3 CEC_1 GND_PW GNDA5 GNDD GND_PW1 GND SW6.5V SW3.3VB EV5VGND PWR_CNT EV5V MGND SW6.5V -VDISP FL+ FL- VDD_SW1.8 +3.3VCPU HD3.3V IRIN EV_GND R232TX RS232STBY R232RX +3.3VCPU HD_VSYNC HD_HSYNC TX2- TX1+ TXC- TXC+ TX0+ TX1- TX2+ TX0- VDDDAC VDDPLL18 AVDDT18 KEY0 HPLG_IN EV5_GND EV5_GND EV5_GND EV5_GND EV5_GND LATCH_RESET AOUT3 AOUT2 AOUT1 AOUT0 CS_D2 CS_D1 CS_D0 AMUTE ALRCK ADAC_CLK AMCLK ABCLK EV5_GND EV5_GND RI DACRESET ADAC_DO VDD_EV5 AOUT5 AOUT4 +3.3VCPU VDD_EV5 VDD_EV5 AMUTCPU AMUTCPU MPG_27MHz_1 GND_PW1 VDD_SW3.3 MPG_27MHz_2 VDD_EV5 EV_GND SW5V VDD_SW5 DVDRESET VCC_PW6.5 GND_PW1 VCC_A5 MEM_WE SSRAMCS1 MEM_DAT15 MEM_DAT0 MEM_DAT1 MEM_DAT2 MEM_DAT3 MEM_DAT4 MEM_DAT5 MEM_DAT6 MEM_DAT7 MEM_DAT8 MEM_DAT9 MEM_DAT10 MEM_DAT11 MEM_DAT12 MEM_DAT13 MEM_DAT14 MEM_RD MEM_ADR20 MEM_ADR19 GNDD LD_CURRENT POS_SENS DISC_SENS LOADHi ROTHi LOADING_SW3 LOADING_SW2 LOADING_SW1 VCC_PW6.5 FL- +3.3VCPU VDD_SW5 -VDISP FL+ REMIN SUBRST KEYINT0 KEY1 KEY0 SUBCLK SUBREQ SUB_IN LEDSTBY LOADING_R LOADING_L ROTL ROTR SUBOUT GNDD GND_PW GND_PW GND_PW VDD_SW5 GNDD SSCRXD SSCTXD SSCCLK SSC_EN SSC_REQ DUP_TD0 DUP_RD0 Flash Data bus Falsh Adr bus FOR_ZORAN CHIP SDRAM bus HDMI signals FOR_ZORAN CHIP HDMI signals HDMI signals CPU signals CPU signals FOR_ZORAN CHIP FROM_ZR36886 FROM_ZR36886 CPU signals CPU signals CPU signals CPU signals FROM_ZR36886 Flash Control HDMI signals FOR_ZORAN CHIP For Scart TRM Except Scart For D4 TRM or MX29LV160ATTC-70 Jumper DebugMode DLmode Jumper download debug Jumper debug None None None R1746 DV-CP706/DPC-7.9 DPS-6.9 R1751 R1750 R1749 R1748 R1747 NEW SCART I/F For Scart TRM 5V 5V 5V 3.3V 3.3V 3.3V 3.3V 3.3V 3.3V VDD_VD5V HDVCC3.3V HDVCC1.8V To Part-2 To Part-2 To Part-2 To Part-2 VDD_SW1.8V HDMI OUT System MPU, Video, HDMI Transmitter Debug I/F D1/D2 I/F Power I/F e-CON VDD_VD5V Jumper Jumper 3.3V HDVCC1.8V VDD_EV5 For Scart Terminal NO USE NC DV-SP506 NC SOCKET AS 1.8V 3.3V 3.3V 3.3V To Part-2 To Audio DV-CP706 DV-CP706 3.3V HDVCC3.3V DV-SP506 D1N A4P CP706 D1N R1835 R1834 R1833 R1832 R1819 R1818 R1817 R1816 R1815 R1814 R1813 R1812 R1811 D1N 2.7K 2.7K 2.7K 2.7K 2.7K 2.7K 2.7K 2.7K R1810 DVD_Reg CHG_Adj INT1 INT2 INT3 INT4 BAND 0 0 0 2.7K 0 0 0 0 706C 0 0 0 0 0 0 0 0 0 0 0 0 DPC-7.9 0 0 0 0 0 DPS-5.9 DPS-6.9 A4P D1N A4P J2N J2N A4P P2P D1N DV-SP506 D1N P2P 2.7K 2.7K 2.7K 2.7K 2.7K 0 0 0 0 0 0 0 0 0 0 0 2.7K 2.7K 2.7K 2.7K 2.7K 2.7K 0 0 0 0 0 0 0 0 0 0 0 0 0 0 0 0 0 0 0 0 0 0 0 0 0 0 0 0 0 0 0 0 0 A4P 2.7K 2.7K 2.7K 0 0 0 0 2.7K 2.7K 0 0 0 0 P2P 1.0Pitch 17Pin 150mm BD 1.0Pitch 9Pin 300mm AD 1.0Pitch 9Pin 250mm BD 1.0Pitch 31Pin 200mm AD [SINGLE,UNIVARSAL]=1.0Pitch 9Pin 50mm AD [CHANGER]=1.0Pitch 9Pin 150mm BD [CHANGER]=1.0Pitch 15Pin 150mm BD [SINGLE]=1.0Pitch 15Pin 250mm AD 1.0Pitch 27Pin 150mm AD 3.3K 3.3K 3.3K 3.3K 470 470 470 470 2.7K 2.7K 8.2K 8.2K 5.6K 3.3K 5.6K 3.3K 3.3K 470 3.3K 470 3.3K 470 T3P F3P 2.7K 8.2K 2.7K 8.2K 2.7K 8.2K 3.3K 5.6K 3.3K 5.6K 3.3K 470 3.3K 470 3.3K 470 3.3K 470 3.3K 470 3.3K 470 3.3K 470 5.6K 3.3K 5.6K 3.3K 3.3K 5.6K 3.3K 5.6K 3.3K 5.6K 3.3K 470 3.3K 470 3.3K 470 VDD_SW3.3V NADG-9634 DV-CP706 DV-SP506 Q1708 S-24CS16A0I 5 SDA 6 SCL 7 WP 8 VCC 1 A0 2 A1 3 A2 4 GND R1703 220 R1706 NC R1709 10K R1710 NC R1712 10K R1714 47 R1715 NC R1716 NC R1725 4.7K R1727 4.7K R1718 NC R1719 NC R1721 220 R1722 220 R1723 220 R1724 220 R1726 220 R1728 10K R1729 47 R1731 47 R1733 47 R1734 47 R1735 47 R1736 47 R1737 47 R1738 NC R1753 220 R1757 220 R1758 220 R1759 220 R1760 220 R1761 220 R1762 220 R1763 220 R1764 220 R1765 NC R1769 10K R1778 47K R1777 220 R1779 220 R1780 10K R1781 220 R1782 220 R1784 220 R1785 27K R1787 220 R1788 10K R1789 220 R1790 NC R1791 NC R1792 NC R1793 NC R1794 NC R1795 NC R1796 NC R1797 NC R1798 47K R1799 47K R1800 47K R1807 2.7K R1805 2.7K R1809 47K C1702 104Z R1713 220K R1768 220 C1703 104Z C1704 104Z C1705 102J C1706 102J C1707 104Z C1719 101J C1720 101J R1828 2.2K R1743 220 R1829 2.2K R1831 47K R1749 47K R1747 47K R1751 47K R1752 47 R1756 47 R1755 47 R1754 NC R1750 0 R1748 0 R1746 0 R1830 47K Q1709 S-80127CN 5 VDD 1 VSS 2 VSS 3 NC 4 OUT C1714 104Z C1715 104Z R2005 75 R2006 75 R2008 75 R2009 75 R2010 75 R2011 10K R2013 75 R2014 75 C2001 103K C2007 105Z C2013 22/6.3 C2015 22/6.3 C2021 103K TP2011 TP2012 TP2013 TP2014 TP2016 TP2017 TP2018 TP2019 TP2020 TP2021 TP2022 TP2023 TP2024 TP2025 TP2026 TP2029 TP2030 TP2031 TP2032 C2011 22/6.3 C2012 100/16 C2014 100/16 C2016 100/16 C2018 100/16 C2008 22/6.3 R2020 NC Q2001 BH7868FS 1 VCC1 2 S1 3 S2 4 Cin 5 MUTE1 6 CVin 7 MIX 8 Yin 9 BIAS 10 CLAMP 11 PYin 12 GND 13 Pbin 14 MUTE2 15 Prin 16 VCC2 17 Prsag 18 Prout 19 GND 20 Pbsag 21 Pbout 22 GND 23 PYsag 24 PYout 25 GND 26 Ysag 27 Yout 28 GND 29 CVsag 30 CVout 31 SDC 32 Cout R2033 2.2K R2025 0 R2026 0 R2029 0 R2030 0 R2021 1K C2019 22/6.3 R2018 0 Q2006 NC TP2010 TP2009 R2037 5.1K R2036 6.8K R2038 10K R2039 1K R2035 150K TP2004 TP2005 TP2002 TP2003 R2034 10K C2024 105Z C2025 105Z R2040 0 R2041 0 C2026 105Z Q2009 TC74VHCT08AFT 1 2 3 4 5 6 7 8 9 10 11 12 13 14 VCC GND R2023 1.2K R2024 3.9K Q2004 HN1C01F 5 3 6 2 1 4 R2042 75 C2017 22/6.3 R2022 1.8K C2009 105Z Q1704 DTA114YKA Q1706 DTC114EKA R1820 100 R1821 10K R1822 220K R1823 100 R1804 4.7K R1801 220 R2019 NC R1519 47 R1520 47 R1523 NC R1528 0 R1529 0 R1533 220 R1559 1.8K R1560 1.8K R1566 47K C1507 100/16 C1508 105Z C1518 105Z R1534 4.7K C1521 105Z C1559 105Z R1565 NC TP1560 TP1561 TP1562 TP1564 C1523 105Z R1524 NC R1509 NC R1510 NC C1516 105Z R1504 47 R1503 47 R1506 4.7K R1505 4.7K C1514 105Z R1502 47x4 C1513 105Z TP1501 TP1502 TP1503 R2012 75 TP1787 TP1786 TP1785 TP1784 TP1783 TP1872 TP1781 Q1851 M29W160ET-70N6E 1 A15 2 A14 3 A13 4 A12 5 A11 6 A10 7 A9 8 A8 9 A19 10 A20 11 WE 12 RESET 13 NC 14 WP/ACC 15 RY/BY 16 A18 17 A17 18 A7 19 A6 20 A5 21 A4 22 A3 23 A2 24 A1 25 A0 26 CE 27 GND 28 OE 29 Q0 30 Q8 31 Q1 32 Q9 33 Q2 34 Q10 35 Q3 36 Q11 37 VCC 38 Q4 39 Q12 40 Q5 41 Q13 42 Q6 43 Q14 44 Q7 45 Q15/A-1 46 GND 47 BYTE 48 A16 C1851 105Z C1852 220/4 + C1863 102J R1852 1K R1851 10K R1853 1K Q1853 2SK3019 1 3 2 R1856 4.7K R2043 0 R2044 0 TP1504 TP1505 C1781 105Z R1701 47 R1702 47 R1705 47 Q1705 DTA114YKA Q1703 DTC114EKA R1810 Val R1811 Val R1812 Val R1813 Val R1814 Val R1815 Val R1816 Val R1817 Val R1818 Val R1819 Val R1832 Val R1833 Val R1834 Val C2023 220/10 R1551 1 2 3 4 R1552 1 2 3 4 R1553 1 2 3 4 R1554 1 2 3 4 R1704 47K R1770 47K D1905 SEC1401C R1909 470 TP1901 C1402 104Z C1410 104 C1405 104Z C1403 NC C1408 104Z R1401 100 R1404 NC R1403 470K R1408 NC R1410 220 R1511 47 R1512 47 R1513 47 R1514 47 R1521 47 R1543 47K C1519 105Z R1527 10K R1531 4.7K R1535 220 C1522 105Z C1505 100/16 C1504 105Z C1506 105Z C1501 100/16 C1502 105Z R1539 75 R1538 75 R1537 75 R1555 0 R1556 NC R1557 0 R1558 NC X1701 6.000MHz 3 1 2 C1854 105Z C1855 220/4+ C1860 105Z R1536 100F R1587 330F Q1503 TC7SZ125FU 1 NC 2 3 GND 4 5 VCC R2004 75 TP138 TP135 C1853 105Z R1860 47x4 R1859 47x4 R1862 47x4 R1861 47x4 TP2001 TP1851 TP1852 TP1853 TP1854 TP1855 TP1856 TP1857 TP1858 TP1859 TP1860 TP1861 TP1862 TP1863 TP1864 TP1865 TP1866 TP1867 TP1868 TP1869 TP1870 TP1871 C1862 105Z C1861 105Z C1856 105Z C1857 105Z C1858 105Z C1859 105Z C1520 105Z L1903 470K C1913 220/10 + C1916 100/4 R1910 1K R1911 3.9K R1912 3.9K R1913 6.8K R1767 NC C2010 100/16 Q2005 DTC144EE Q2008 TC7SET04FU 1 NC 2 INB 3 GND 4 OUTY 5 VCC TP2015 L1403 BLM21B222SPT TP1559 TP1565 R1405 330 R1786 220 R1708 220 R1707 NC Q1711 RN1402 R1771 0 Q2007 HN1C01F 2 1 4 5 3 6 P1411 2 1 3 R2027 0 R2028 0 R2031 0 R2032 0 TP2027 TP2028 R2015 0 R2016 0 R2017 0 TP1906 C1517 105Z C1512 105Z C1511 100/16 TP1721 TP1722 TP1723 TP1724 TP1725 TP1726 TP1727 TP1728 TP1729 TP1730 TP1731 TP1701 TP1702 TP1703 TP1704 TP1705 TP1706 TP1707 TP1708 TP1710 TP1713 TP1714 TP1715 TP1716 TP1717 TP1718 TP1709 TP1711 TP1712 TP1719 C1509 100/16 C1510 105Z C1524 105Z C1525 100/16 R1409 1.2K R1406 120 R1407 1.8K Q1401 TC74VHCU04 14 VCC 13 12 11 10 9 8 7 GND 6 5 4 3 2 1 C1407 220J C1404 NC R1545 NC R1532 NC TP1907 1 2 C1412 220/10 C1701 104Z R1854 1K P1855 FH12-24S-0.5SH(55) 26 frame 25 frame 24 23 22 21 20 19 18 17 16 15 14 13 12 11 10 9 8 7 6 5 4 3 2 1 P2002 6 4 3 2 5 1 P2004A NSCT-9P2472 1 2 3 4 5 6 7 8 9 P2005A 1 2 3 4 5 6 7 8 9 10 11 12 13 14 15 Q1852 K4S281632K-UC60 1 VDD 2 DQ0 3 VDDQ 4 DQ1 5 DQ2 6 VSSQ 7 DQ3 8 DQ4 9 VDDQ 10 DQ5 11 DQ6 12 VSSQ 13 DQ7 14 VDD 15 LDQM 16 WE 17 CAS 18 RAS 19 CS 20 BA0 21 BA1 22 A10 23 A0 24 A1 25 A2 26 A3 27 VDD 28 VSS 29 A4 30 A5 31 A6 32 A7 33 A8 34 A9 35 A11 36 NC 37 CKE 38 CLK 39 UDQM 40 NC 41 VSS 42 DQ8 43 VDDQ 44 DQ9 45 DQ10 46 VSSQ 47 DQ11 48 DQ12 49 VDDQ 50 DQ13 51 DQ14 52 VSSQ 53 DQ15 54 VSS Q2002 TC74HC4053AFT 1 1Y 2 0Y 3 1Z 4 Z-COM 5 0Z 6 INH 7 VEE 8 GND 9 C 10 B 11 A 12 0X 13 1X 14 X-COM 15 Y-COM 16 VCC R1402 NC Q1505 UM6K1N 1 4 5 2 3 6 R1717 0 R1802 NC P1851 DebugI/F 2 1 P1852 DebugI/F 1 2 P1853 1 2 3 R1766 47 R1501 47x4 P2001 7 3 1 5 2 4 15 11 9 13 10 12 16 14 8 6 TP1788 R1515 0 R1589 0 R1588 0 P1501 1 2 P1502 1 2 R1541 4.7K P1854 1 2 3 R1855 4.7K R1857 0 R1858 4.7K R1872 0 P1857 3 2 1 R1783 4.7K Q1782 2SK3019 3 1 2 R1837 100K P1781 1 RESET_SSCRXD 2 CNVSS_SSCTXD 3 R232RX_SSCCLK 4 FCLK_SSC_EN 5 +5V 6 FBUSY_SSCREQ 7 R232TX_DUPTD0 8 GND 9 APOWER_DUPRD0 10 frame 11 frame C1401 220/10 C1406 22/16 C1560 105Z C1716 100/4 C1564 105Z R1569 0 D1551 1SS226 1 3 2 C1566 105Z C1561 105Z P1551 1 D2+ 2 D2 Shield 3 D2- 4 D1+ 5 D1 Shield 6 D1- 7 D0+ 8 D0 Shield 9 D0- 10 CK+ 11 CK Shield 12 CK- 13 CERemote 14 NC 15 DDC CLK 16 DDC DATA 17 GND 18 +5V 19 HP DET 20 22 Shield 23 Shield 21 C1563 22/6.3 C1565 100/4 Q1504 XC6213B332MR 5 VOUT 4 NC 3 CE 2 VSS 1 VIN R1744 220 R1741 220 R1739 220 R1835 Val D1702 NC D1703 1SS352 P205A 1 2 3 4 5 6 7 8 9 C1503 22/16 D1907 RB070M Q1781 TC7MBL3245SFT 11 Y8 12 Y7 13 Y6 14 Y5 15 Y4 16 Y3 17 Y2 18 Y1 19 OE 20 VCC 1 NC 2 A1 3 A2 4 A3 5 A4 6 A5 7 A6 8 A7 9 A8 10 GND Q1783 2SK3019 3 1 2 R1838 100K D1701 1SS352 C1713 22/16 R1843 100K Q1702 RN1402 R1518 4.7K R1516 47 TP1566 R1544 NC R1522 47 R1732 10K R1730 NC R1742 10K R1745 10K C1718 104Z R1740 10K C1723 102J C1724 102J C1725 102J R1517 10 C1901 100/16 + C1409 NC R1411 0 R1507 33 U1402 GP1FAV31TK0F 1 GND 2 V 3 IN Q1502 1 1OE 2 1A 3 1B 4 GND 5 2A 6 2B 7 2OE 8 VCC R1562 0 R1592 10K R1720 220 Q1701 M3062LFGPFP 81 NC 82 NC 83 NC 84 NC 85 NC 86 NC 87 NC 88 NC 89 NC(UP) 90 NC(UP) 91 NC(UP) 92 KEYINT0 93 MUTPWR 94 HPLG_IN 95 KEY1 96 AVSS 97 KEY0 98 VREF 99 AVCC 100 SUB_IN 1 SUB_OUT 2 SUB_CLK 3 SUB_REQ 4 SUB_RST 5 NC 6 NC 7 CECIN 8 BYTE 9 CNVSS 10 NC 11 DVDRST 12 RESET 13 XOUT 14 VSS 15 XIN 16 VCC1 17 NMI(UP) 18 POFF 19 DVDRXSTB 20 RDSCLK 21 NC 22 LEDSTBY 23 NC 24 NETRESET 25 CEC_CONT 26 232STBY 27 CECTRG 28 CECOUT 29 NETTX 30 NETRX 31 232TX/FTXD 32 232RX/FRXD 33 NC 34 F_BUSY 35 DVDTXD 36 DVDRXD 37 DVDTXSTB 38 NC 39 LOADSW1 40 LOADSW2 41 FEPM 42 LOADSW3 43 LD_CURR 44 POS_SEN 45 DISC_SEN 46 FCE 47 AMUTE 48 NC 49 E2PROM_SDA 50 E2PROM_SCL 51 VD_PWR 52 LOAD_R 53 LOAD_L 54 ROTL 55 ROTR 56 PWRCTR 57 LOADHI 58 ROTHI 59 NC 60 NC 61 FLOFF 62 VCC2 63 DVD_FWUP_MODE 64 VSS 65 INIT4 66 INIT3 67 CHG_ADJ 68 DVD_REG 69 INIT2 70 INIT1 71 BAND 72 SYSOUT 73 SYSIN 74 IRIN 75 REMIN 76 UPDATE_SEL 77 RS232_SEL 78 SELF_FWUP 79 VDOFF 80 HPLGOUT TP1905 TP1910 1 2 TP1908 1 2 R1525 47 R1526 NC P1401C CN17 15FMN-SMT-A-TF 1 2 3 4 5 6 7 8 9 10 11 12 13 14 15 16 17 R1542 0 R1540 330 L1904 BLM21PG221SN1 L1501 BLM21PG221SN1 L1502 BLM21PG221SN1 L1503 BLM21PG221SN1 L1505 BLM21PG221SN1 L1504 BLM21PG221SN1 C2022 105Z L2001 BLM21PG221SN1 L1851 BLM21PG221SN1 L1507 BLM21PG221SN1 L1402 LBC2518T2R2M L1401 LBC2518T2R2M C1912 105Z C1915 105Z C1918 105Z TP1913 1 2 TP1912 1 2 C2027 105Z C2028 105Z R1530 4.7K P1901C NPLG-13P938 15 frame 14 frame 13 12 11 10 9 8 7 6 5 4 3 2 1 Q1905 TA48018AF 1 I 2 G 3 O D1908 1SS352 C1717 105Z C1712 22/16 Q1710 XC6213B332MR 1 VIN 2 VSS 3 CE 4 NC 5 VOUT R1772 27K R1561 NC R2047 0 R2049 0 R2050 0 R2051 0 R2007 10K C2020 103K R2046 0 R2048 0 R2045 0 R1808 220 R1826 NC P1702C 09FMN-SMT-A-TF 9 8 7 6 5 4 3 2 1 P1702B NSCT-9P2472 1 2 3 4 5 6 7 8 9 P1901A NPLG-13P141 13 12 11 10 9 8 7 6 5 4 3 2 1 R1546 390 Q1501 ZR36722 1 VIN0 2 VIN1 3 VIN2 4 VIN3 5 VIN4 6 VIN5 7 VIN6 8 VIN7 9 VDDIP 10 VDDC 11 VCLKX2 12 GNDC 13 GNDP 14 HSYNC 15 FIELD_VSYNC 16 VDDP 17 AMCLK 18 ABCLK 19 ALRCLK 20 AIN0 21 VDDC 22 SPDIF 23 AIN1 24 GNDP 25 AIN2 26 VDDP 27 AIN3 28 FS3 29 FS2 30 CEC 31 VDDC 32 HOTPLUG 33 GNDC 34 GNDP 35 DUPTD1 36 DUPRD1 37 DDCDAT 38 FS1 39 DDCCLK 40 VDDP 41 RESET 42 VDDPLL 43 REFCLK 44 GNDPLL 45 AGNDT33 46 TMDS_CLK- 47 TMDS_CLK+ 48 AVDDT33 49 TMDS_D0- 50 TMDS_D0+ 51 AGNDT33 52 TMDS_D1- 53 TMDS_D1+ 54 AVDDT33 55 TMDS_D2- 56 TMDS_D2+ 57 GNDT33 58 CSET_TXREXT 59 AGNDT1R8 60 AVDDT1R8 61 VREF 62 GNDDACBS 63 GNDDACP 64 R SET 65 VDDD 66 Y_G 67 PR_R 68 PB_B 69 GNDDAC 70 GNDC 71 HSYNC 72 VDDC 73 VSYNC 74 GNDP 75 DUPTD1 76 VDDP 77 DUPRD1 78 GPIO11_17 79 GNDC 80 VDDC L1852 BLM21PG221SN1 TP1563 C1411 22/16 R1836 56K R1806 4.7K R1803 33K R1564 1K C1907 220/4 + C2002 1/50 C2003 1/50 C2004 1/50 C2005 1/50 C2006 1/50 P1703A NSCT-17P2480 17 16 15 14 13 12 11 10 9 8 7 6 5 4 3 2 1 C1903 470/10 P1401A NSCT-27P2418 1 2 3 4 5 6 7 8 9 10 11 12 13 14 15 16 17 18 19 20 21 22 23 24 25 26 27 C1914 470/6.3 + C1917 470/10 + R1827 NC R1840 0 L1506 BLM21PG221SN1 R1585 1Meg_F R1584 NC R1582 220 L1582 LL241 C1584 NC TP1581 C1582 220/4 + C1581 105Z L1581 BLM21PG221SN1 Q1581 TC7WZU04FU 5 6 7 8 VD 1 2 3 4 GND Q1582 TC7SHU04 1 2 3 GND 4 5 VCC C1583 105Z L1583 LL241 R1583 NC C1585 NC R1581 220 R1825 NC R1824 0 R1508 NC C1515 NC Q1903 XC6202P502FR 3 I 2 G 1 O L1551 BLM21PG221SN1 R1568 0 F1501 nanoSMDC016F C1910 105Z C1902 470/6.3 C1905 105Z TP1904 C1904 105Z Q1901 TA48018AF 1 I 2 G 3 O D1906 1SS352 Q1904 SI8008TM 1 VIN 5 SS 3 GND 4 VADJ 2 SW C1722 22/16 R1711 220 TP1902 P1856 FH12-24S-0.5SH(55) 1 2 3 4 5 6 7 8 9 10 11 12 13 14 15 16 17 18 19 20 21 22 23 24 25 frame 26 frame P1703C 31FMN-SMT-A-TF 33 frame 32 frame 31 30 29 28 27 26 25 24 23 22 21 20 19 18 17 16 15 14 13 12 11 10 9 8 7 6 5 4 3 2 1 Q1906 XC6202P502FR 3 I 2 G 1 O C1919 100/16 C1911 100/16 P1782 9 8 7 6 5 4 3 2 1 X1581 TSX-3225-27MHz C1589 120J C1588 NC C1587 100D C1586 NC R1586 820F MJJ only R1835 R1834 R1833 R1832 R1819 R1818 R1817 R1816 R1815 R1814 R1813 R1812 R1811 R1810 DVD_Reg CHG_Adj INT1 INT2 INT3 INT4 BAND U01 DVD MAIN PC BOARD (NADG-9634) HDMI SECTION Not use Not use Not use MJJ only DPS-5.9 MDD1N 3.3K 470 0 0 0 0 0 0 MUA4P 3.3K 470 0 0 0 0 2.7K 0 w w w . x i a o y u 1 6 3 . c o m Q Q 3 7 6 3 1 5 1 5 0 9 9 2 8 9 4 2 9 8 T E L 1 3 9 4 2 2 9 6 5 1 3 9 9 2 8 9 4 2 9 8 0 5 1 5 1 3 6 7 3 Q Q TEL 13942296513 QQ 376315150 892498299 TEL 13942296513 QQ 376315150 892498299 http://www.xiaoyu163.com DPS-5.9 PRINTED CIRCUIT BOARD VIEW-1 U04 RS-232C TERMINAL PC BOARD (NADG-6937) Component side view from soldering side Soldering side view from component side C7501 C7502 C7506 C7507 C7509 C7512 C7514 P7501 P7502 5 1 P1702A J7505 J7501 10 J7503 15 J7504 12 J7506 J7502 TX RX NCDG-9637 25139637 1 IR GND STB C7503 C7504 C7505 C7510 L7501 L7503 L7505 L7506 Q7501 Q7502 Q7503 Q7504 R7501 R7502 R7503 R7504 R7505 R7506 R7507 R7508 R7509 R7511 R7512 R7513 R7527 D7501 1 16 2 3 4 1 1 www. xiaoyu163. com QQ 376315150 9 9 2 8 9 4 2 9 8 TEL 13942296513 9 9 2 8 9 4 2 9 8 0 5 1 5 1 3 6 7 3 Q Q TEL 13942296513 QQ 376315150 892498299 TEL 13942296513 QQ 376315150 892498299 http://www.xiaoyu163.com DPS-5.9 PRINTED CIRCUIT BOARD VIEW-2 U05 AC INLET TERMINAL PC BOARD (NAPS-9639) Soldering side view U08 STADBY SWITCH PC BOARD (NASW-9643) Component side view from soldeing side Soldering side view from component side D8005 JL8001B S8015 STANDBY/ON NCSW-9643 25139643 0 P9003B P9002A N L P9003A 25139639 NCPS-9639 0 WHT BRN R8051 www. xiaoyu163. com QQ 376315150 9 9 2 8 9 4 2 9 8 TEL 13942296513 9 9 2 8 9 4 2 9 8 0 5 1 5 1 3 6 7 3 Q Q TEL 13942296513 QQ 376315150 892498299 TEL 13942296513 QQ 376315150 892498299 http://www.xiaoyu163.com DPS-5.9 PRINTED CIRCUIT BOARD VIEW-3 U06 COMPONENT OUTPUT TERMINAL PC BOARD (NAVD-6941) Component side view from soldering side Soldering side view from component side P2004C P6202 1 2 3 4 5 6 J6202 J6201 NCVD-9641 25139641 0 L6201 L6202 L6203 R6201 R6202 R6203 R6204 R6205 R6206 L6201 L6202 L6203 R6201 R6202 R6203 R6204 R6205 R6206 www. xiaoyu163. com QQ 376315150 9 9 2 8 9 4 2 9 8 TEL 13942296513 9 9 2 8 9 4 2 9 8 0 5 1 5 1 3 6 7 3 Q Q TEL 13942296513 QQ 376315150 892498299 TEL 13942296513 QQ 376315150 892498299 http://www.xiaoyu163.com DPS-5.9 PRINTED CIRCUIT BOARD VIEW-4 DPS-5.9 DISPLAY CIRCUIT PC BOARD (NADIS-9642) U07 Component side view from soldering side Soldering side view from component side C8001 C8003 R8056 R8057 D8002 J8030 10 J8031 12 JL8001A P8001A P1703B Q8001 J8019 10 C8021 C8022 C8011 S8008 J8033 7 S8001 S8002 S8003 S8004 S8005 S8006 S8007 S8009 S8010 S8011 S8012 S8013 S8014 X8001 J8024 7 J8001 J8004 20 J8029 17 J8036 10 J8011 10 J8034 10 C8026 Q8023 R8053 R8054 U7560 J8009 30 J8008 30 J8007 30 J8002 17 J8003 20 J8006 27 J8005 15 J8010 12 J8013 12 J8012 10 J8014 7 J8015 7 J8023 10 J8025 7 J8026 7 J8027 7 J8028 7 J8016 15 J8018 7 J8017 7 J8021 7 J8020 7 J8039 7 J8038 12 J8022 J8037 7 J8032 10 J8035 12 PLAY STOP PAUSE UP DOWN MENU SETUP TOP_MENU RETURN OPEN/CLOSE DISPLAY DIMMER RESOLUTION HDMI_ON/OFF NCDIS-9642 25139642 2 C8005 C8006 C8007 C8008 C8009 C8010 R8007 R8014 D8001 Q8003 Q8005 R8001 R8002 R8003 R8004 R8005 R8006 C8023 R8010 R8011 R8012 R8013 R8017 R8018 R8019 R8020 R8021 R8022 R8023 R8024 R8025 R8026 R8027 R8028 R8029 R8032 R8033 R8034 R8035 R8036 R8037 R8038 R8039 R8041 R8042 C8002 C8024 C8025 C8012 C8013 C8014 C8015 L8001 L8002 Q8021 Q8022 R8052 R8055 R8501 1 20 21 40 41 60 61 80 SUBOUT LEDSTB SUBIN SUBREQ SUBCL K0 SUBRST K1 INTK0 REMIN GND GND 3.3V SW5V VDISP +FL -FL www . x ia o y u 1 6 3 . c o m QQ 3 7 6 3 1 5 1 5 0 9 9 2 8 9 4 2 9 8 T E L 1 3 9 4 2 2 9 6 5 1 3 9 9 2 8 9 4 2 9 8 0 5 1 5 1 3 6 7 3 Q Q TEL 13942296513 QQ 376315150 892498299 TEL 13942296513 QQ 376315150 892498299 http://www.xiaoyu163.com DPS-5.9 PRINTED CIRCUIT BOARD VIEW-5 U09 MECHA. CONNECTION PC BOARD (NAETC-9644) Component side view from soldering side Soldering side view from component side P8021 P1203B J6508 10 J6501 7 J6511 J6507 7 J6505 12 J6504 10 J6503 7 J6506 12 J6502 J6509 10 J6510 15 H- H+ NCETC-9644 25139644 SW SW 0 FM(-) FM(+) A3 A2 A1 H1+H1- H2+ H2- FM(+) FM(-) SW SW H+ H- H3- H3+ H2- H2+ H1- H1+ A1 A2 A3 H3+ H3- R7529 R7528 www. xiaoyu163. com QQ 376315150 9 9 2 8 9 4 2 9 8 TEL 13942296513 9 9 2 8 9 4 2 9 8 0 5 1 5 1 3 6 7 3 Q Q TEL 13942296513 QQ 376315150 892498299 TEL 13942296513 QQ 376315150 892498299 http://www.xiaoyu163.com DPS-5.9 PRINTED CIRCUIT BOARD VIEW-6 RI TERMINAL PC BOARD NAAF-9645 U11 Component side view from soldering side Soldering side view from component side C5036 C5037 C5038 C5039 C5040 C5047 C5048 P1401D P5001A P5001B P5004 P5005 P5901 Q5005 Q5006 Q5007 Q5008 Q5011 J5008 7 C5049 J5025 10 J5013 7 R5052 R5053 J5001 J5012 30 J5043 12 J5014 7 J5016 R5111 J5007 10 J5009 10 R5112 J5010 10 J5004 20 J5027 17 J5002 15 J5021 J5033 12 J5032 12 J5040 25 J5024 22 J5019 10 R5113 J5039 10 J5018 10 J5022 20 J5041 7 J5031 12 J5006 10 J5042 J5035 7 J5034 22 J5036 17 J5015 25 J5038 10 J5011 12 J5017 25 J5028 15 J5020 10 J5023 J5026 10 J5037 7 J5005 12 J5003 10 C5001 C5002 C5003 C5004 C5005 C5006 C5011 C5012 C5013 C5014 C5016 C5017 C5018 C5019 C5020 C5021 C5023 C5024 C5025 C5026 C5027 C5028 C5029 C5030 C5031 J5030 12 J5029 12 ADAC_DO LATCH_RESET ADAC_CLK GND AMCLK GND GND ABCLK AOUT0 AMUTE ALRCK MUTCPU EV5V DACRST RI 25139645 NCAF-9645 0 C5032 C5033 C5034 C5035 C5045 C5046 D5001 L5001 Q5001 Q5009 Q5010 Q5012 Q5014 Q5015 Q5016 Q5017 Q5018 R5001 R5002 Q5013 R5003 R5004 R5005 R5006 R5007 R5008 R5009 R5010 R5011 R5012 R5035 R5036 R5037 R5038 R5039 Q5019 R5040 R5041 R5042 R5043 R5044 R5045 R5046 R5047 R5048 R5049 R5050 R5051 R5054 R5055 R5056 R5057 R5058 R5060 R5061 R5062 R5084 R5085 R5086 R5087 R5088 R5089 R5101 R5102 R5103 R5104 R5105 R5106 R5107 R5108 R5109 R5110 R5114 R5059 C5015 1 1 www. xiaoyu163. com QQ 376315150 9 9 2 8 9 4 2 9 8 TEL 13942296513 9 9 2 8 9 4 2 9 8 0 5 1 5 1 3 6 7 3 Q Q TEL 13942296513 QQ 376315150 892498299 TEL 13942296513 QQ 376315150 892498299 http://www.xiaoyu163.com DPS-5.9 PRINTED CIRCUIT BOARD VIEW-10 U01 DVD MAIN BOARD (NADG-9634) Bottom view U02 CONNECTION PC BOARD (NAETC-9635) C1001 C1002 C1003 R1840 C1013 R2047 C1014 C1018 C1019 C1020 C1021 C1022 C1023 C1024 C1025 C1026 C1027 C1028 C1029 C1101 C1102 C1103 C1104 C1105 C1106 C1110 C1111 C1112 C1113 C1115 C1116 C1117 C1118 C1119 C1120 C1121 C1122 C1123 C1124 C1125 C1126 C1128 C1129 C1136 C1137 C1138 C1139 C1140 C1142 C1144 C1145 C1146 C1148 C1149 C1150 C1151 C1152 C1153 C1154 C1155 C1156 C1161 C1162 C1207 C1208 C1210 C1212 C1213 C1219 C1220 C1221 C1222 C1401 C1402 C1403 C1404 C1405 C1406 C1407 C1408 C1409 C1410 C1411 C1501 C1502 C1503 C1504 C1505 C1506 C1507 C1508 C1509 C1510 C1511 C1512 C1513 C1514 C1515 R2049 C1516 C1517 C1518 C1519 C1520 R2050 C1521 C1522 C1523 R2051 C1559 C1560 C1561 C1563 C1564 C1565 C1566 C1701 C1703 C1704 C1713 C1714 C1715 C1781 C1851 C1852 C1854 C1855 C1856 C1857 C1858 C1859 C1860 C1861 C1862 C1232 C1863 C1901 C1904 C1905 C1907 C1910 C1911 C1913 C1915 C1916 C2002 C2003 C2004 C2005 C2006 C2011 C2013 C2015 C2017 C2019 C2020 C2021 C2022 C2023 C2025 C2026 C2027 D1551 D1906 D1907 L1001 L1004 L1005 L1006 L1007 L1101 L1102 L1103 L1104 L1105 L1108 L1201 L1401 L1402 L1403 L1501 L1502 L1503 L1504 L1505 L1506 L1551 L1851 L1852 L1904 L2001 D1908 Q1103 Q1205 Q1401 Q1502 Q1503 Q1504 Q1703 Q1704 Q1705 Q1706 Q1709 Q1781 Q1851 Q1852 Q1853 Q1901 Q1903 Q1904 Q1905 Q2001 Q2002 Q2005 Q2006 Q2008 Q2009 Q1711 R1005 R1011 R1027 R1028 R1032 R1102 R1109 R1137 R1215 R1216 R1217 R1218 R1219 R1220 R1221 R1222 R1237 R1238 R1239 R1240 R1241 R1242 R1246 R1401 R1402 R1403 R1404 R1405 R1406 R1407 R1408 R1409 R1410 R1411 R1506 R1508 R1515 R1534 R1542 R1556 R1558 R1561 R1562 R1565 R1566 R1568 R1569 R1720 R1721 R1722 R1723 R1724 R1725 R1726 R1727 R1820 R1821 R1822 R1823 R1824 R1825 R1826 R1827 R1852 R1853 R1854 R1855 R1856 R1857 R1858 R1859 R1860 R1861 R1862 F1501 R1910 R1911 R1912 R1913 R2004 R2005 R2006 R2007 R2008 R2010 R2011 R2012 R2013 R2014 R2018 R2019 R2020 R2021 R2025 R2026 P1901C 13 1 R2032 R2033 R2043 R2044 R2045 R2046 C1918 C1524 C1163 C1912 X1701 R1771 R1772 C1525 R1592 C2028 L1507 R1292 P1401C P1702C P1703C Q1783 R1588 R1589 R1838 1 1 1 27 28 54 1 1 24 25 48 1 1 Q2001 1 16 17 32 1 Q1852 Q1851 GND GND GND C4062 E200 P2006A Q4061 R4060 R4061 R4067 R4070 R4071 R4079 R4080 R4082 R4083 R1873 R1874 1 www. xiaoyu163. com QQ 376315150 9 9 2 8 9 4 2 9 8 TEL 13942296513 9 9 2 8 9 4 2 9 8 0 5 1 5 1 3 6 7 3 Q Q TEL 13942296513 QQ 376315150 892498299 TEL 13942296513 QQ 376315150 892498299 http://www.xiaoyu163.com DPS-5.9 PRINTED CIRCUIT BOARD VIEW-8 U01 DVD MAIN BOARD (NADG-9634) Top view DPC-7.9 DPS-6.9 2 C1231 C1004 C1005 C1006 C1007 C1008 C1009 C1010 C1011 C1012 C1015 C1016 C1017 C1030 C1031 C1032 C1033 C1107 C1108 C1109 C1114 C1127 C1141 C1143 C1147 C1201 C1202 C1203 C1204 C1205 C1206 C1211 C1214 C1215 C1216 C1217 R2048 C1223 C1224 C1225 C1227 C1228 C1229 C1230 C1712 C1581 C1582 C1583 C1584 C1585 C1586 C1587 C1588 C1589 C1702 C1705 C1706 C1707 C1716 C1717 C1718 C1719 C1720 C1919 C1853 C1902 C1903 C1914 C1917 C2001 C2007 C2008 C2009 C2010 C2012 C2014 C2016 C2018 C2024 C1233 R1165 C1412 D1701 D1702 D1703 D1905 R1166 L1002 L1003 R1167 L1109 C1165 L1113 Q1104 L1110 L1111 L1112 Q1906 L1581 L1582 L1583 L1903 P205A P1002 P1202 5 1 P1203 C1722 P1401A P1411 P1501 P1502 P1551 P1702B P1703A P1781 P1782 P1851 P1852 P1853 P1854 P1855 P1856 P2001 P2002 P2004A P2005A Q1001 Q1002 Q1003 Q1004 Q1007 Q1582 Q1101 Q1102 Q1201 Q1202 Q1501 Q1505 Q1581 Q1701 Q1702 Q1708 Q1710 Q1782 Q2004 Q2007 R1001 R1002 R1003 R1004 R1006 R1007 R1008 R1009 R1010 R1012 R1013 R1014 R1015 R1016 R1017 R1018 R1019 R1020 R1021 R1022 R1023 R1024 R1025 R1026 R1029 R1030 R1031 R1033 R1101 R1103 R1104 R1105 P1901A R1107 R1108 R1110 R1111 R1112 R1113 R1114 R1115 R1116 R1117 R1118 R1119 R1120 R1121 R1122 Q1206 R1127 R1128 R1129 R1131 R1132 R1133 R1134 R1135 R1138 R1140 R1141 R1142 R1143 R1144 R1145 R1146 R1147 R1148 R1150 R1151 R1152 R1153 R1154 R1155 R1156 R1157 R1158 R1159 R1160 R1161 R1162 R1163 R1164 R1168 R1169 R1170 R1171 R1172 R1173 R1174 R1175 R1176 R1177 R1178 R1179 R1180 R1181 R1182 R1183 R1184 R1185 R1186 R1187 R1188 R1189 R1190 R1191 R1192 R1193 R1194 R1195 R1196 R1197 R1198 R1199 R1201 R1202 R1203 R1204 R1205 R1206 R1207 R1208 R1209 R1210 R1211 R1212 R1213 R1214 R1223 R1224 R1225 R1226 R1227 R1228 R1245 R1247 R1248 R1249 R1250 R1251 R1252 R1253 R1254 R1255 R1256 R1257 R1258 R1270 R1271 R1272 R1273 R1274 R1275 R1276 R1277 R1278 R1279 R1280 R1281 R1501 R1502 R1503 R1504 R1505 R1507 R1509 R1510 R1511 R1512 R1513 R1514 R1516 R1517 R1518 R1519 R1520 R1521 R1522 R1523 R1524 R1525 R1526 R1527 R1528 R1529 R1530 R1531 R1532 R1533 R1535 R1536 R1537 R1538 R1539 R1540 R1541 R1543 R1544 R1545 R1546 R1551 R1552 R1553 R1554 R1555 R1557 R1559 R1560 R1564 R1581 R1582 R1583 R1584 R1585 R1586 R1587 R1701 R1702 R1703 R1704 R1705 R1706 R1707 R1708 R1709 R1710 D1909 R1712 R1844 R1713 R1714 R1715 R1716 R1717 R1718 R1719 R1728 R1729 R1730 R1731 R1732 R1733 R1734 R1735 R1736 R1737 R1738 R1739 R1740 R1741 R1742 R1743 R1744 R1745 R1746 R1747 R1748 R1749 R1750 R1751 R1752 R1753 R1754 R1755 R1756 R1757 R1758 R1759 R1760 R1761 R1762 R1763 R1764 R1765 R1766 R1767 R1768 R1769 R1770 R1777 R1778 R1779 R1780 R1781 R1782 R1783 R1784 R1785 R1786 R1787 R1788 R1789 R1790 R1791 R1792 R1793 R1794 R1795 R1796 R1797 R1798 R1799 R1800 R1801 R1802 R1803 R1804 R1805 R1806 R1807 R1808 R1809 R1810 R1811 R1812 R1813 R1814 R1815 R1816 R1817 R1818 R1819 R1828 R1829 R1830 R1831 R1832 R1833 R1834 R1835 R1836 R1837 R1851 R1863 R1864 R1865 R1866 R1867 R1868 R1869 R1870 R1871 R1909 R2009 R2015 R2016 R2017 R2022 R2023 R2024 R2027 R2028 R2029 R2030 R2031 R2034 R2035 R2036 R2037 R2038 R2039 R2040 R2041 R2042 U1402 X1581 R1282 C1164 R1283 R1290 C1723 C1724 C1725 P1857 R1843 R1872 R1291 BAND INT1 INT2 INT3 INT4 DVD_Reg CHG_Adj Hi Low FL- FL+ 1 -VP SW5V 3.3V GND GND REMIN SUBRST KEYINT KEY1 KEY0 SUBCLK SUBREQ SUB_IN LEDSTBY SUBOUT VCLKX2 AMUTE DRV_CTL CS_D2 AOUT1 AMUTCPU VDD_EV5V CS_D1 A B C D E F 22 23 GND_PW NCDG-9634 44 PWR_CNT EV_5V EV5V_GND SW5V SDA 1 25139634C 2 VC DACRESET RI CS_D0 GND GND GND AOUT4 GND AOUT5 ALRCK AMUTE SLDIN ADAC_DO LATCH_RESET ADAC_CLK SCL LOD+ LOD- FGO SSW FOCUS TRACK LDin SPin F- F+ T+ T- 1 1 GND GND MPG 1 1 1 25 SC CV SY 41 DPS-5.9 15pin Q1101 Q1501 1 64 65 128 129 192 193 256 1 30 81 31 50 51 80 100 Q1701 1 PY/G PB/B PR/R DVD/~CD PWM3.3 SW6.5V VDD_DSP3.3V ~IRIN +3.3VCPU R232TX ~RS232STBY R232RX 1 CLOSESW OPENSW 65 GND SW3.3V SW6.5V SW6.5V AOUT2 Q1201 -VP FL+ FL- NC AOUT0 AOUT3 GND AMCLK ABCLK XRST SACDSEL 1 1 1 www. xiaoyu163. com QQ 376315150 9 9 2 8 9 4 2 9 8 TEL 13942296513 9 9 2 8 9 4 2 9 8 0 5 1 5 1 3 6 7 3 Q Q TEL 13942296513 QQ 376315150 892498299 TEL 13942296513 QQ 376315150 892498299 http://www.xiaoyu163.com DPS-5.9 PACKING PROCEDURE DPS-5.9(B) DPS-5.9(B) DPS-5.9(B) MDD1N E802 A530 E801 A606 A606 A601 A601 A605 E803 A908 E805 A455a A607 A450 A607 FRONT SIDE FRONT SIDE A604 MDD only A922 P901 E804 www. xiaoyu163. com QQ 376315150 9 9 2 8 9 4 2 9 8 TEL 13942296513 9 9 2 8 9 4 2 9 8 0 5 1 5 1 3 6 7 3 Q Q TEL 13942296513 QQ 376315150 892498299 TEL 13942296513 QQ 376315150 892498299 http://www.xiaoyu163.com 1/25 PAGE PARTS LIST DPS-5.9 !: Safety parts : North American model : Australian model NSP: Not sevice parts EXPOLDED VIEW PARTS LIST REF. NO. PART NAME DESCRIPTION PART NO. REMARKS EXP V A001 CHASSIS AS -- NSP N 1 EXP V A003 BOTTOM LEG -- 27175443A N 4 EXP V A004 SCREW 3TTB+10B(3BC) 838430108GR 4 EXP V A005 WASHER W3*10F(3BC) 87643010GR 4 EXP V A006 HOLDER KGLS-6S 27190011 PWB-CHASSIS 9 EXP V A007 HOLDER KS CLUMP 27191332 4 EXP V A008 CUSHION 40x20x3 28141787 N 1 EXP V A009 HOLDER KGPS-6S 27191260 1 EXP V A010 PLATE PW 27262814A N 1 EXP V A011 SCREW 3TTB+8B(3BC) 838430088GR 4 EXP V A012 SCREW 3P+6FN(3BC) 82143006GR SWPWB-CHASSIS 2 EXP V A013 WIRE TIE BSK-1 260208 4 EXP V A014 TAPE TAPE(CLOTH-8U) 29110082 CHASSIS:0.05:MT 1 EXP V A020 F BRACKET (B) 27111325B 1 EXP V A021 KNOB (STANDBY) 28325756 1 EXP V A022 IB CUSHION W15*3t TAPE 28141585 FL:0.005:MT 2 EXP V A023 GUIDE (MECHA)DV-SP504 27268183 1 EXP V A024 SCREW 3TTP+10P(3CM) 833130100GR FBRACKE-GUIDE(M) 2 EXP V A027 LABEL (DVD3) 29364728 1 EXP V A029 TAPE TAPE(CLOTH-16U) 29110083 CHASSIS:0.17:MT 1 EXP V A030 CLEAR PLT -- 28191993 1 EXP V A031 B PLATE DPS-5.4(B) 28133410GR 1 EXP V A032 TAPE -- 29110161 FBRACKET 2 EXP V A033 SCREW 3TTB+8B(3CM)SR 801637 FBRA-PWB 10 EXP V A035 SCREW 2.6TTB+8B(3BC) 838426088GR JOYSTICK 3 EXP V A036 CUSHION -- 28141606 F BRACKET 2 www . x ia o y u 1 6 3 . c o m QQ 3 7 6 3 1 5 1 5 0 9 9 2 8 9 4 2 9 8 T E L 1 3 9 4 2 2 9 6 5 1 3 9 9 2 8 9 4 2 9 8 0 5 1 5 1 3 6 7 3 Q Q TEL 13942296513 QQ 376315150 892498299 TEL 13942296513 QQ 376315150 892498299 http://www.xiaoyu163.com 2/25 PAGE EXP V A037 KNOB (CRS) 28326078 (B) 1 EXP V A040 DOOR DV-SP504(B) 28148645 1 EXP V A050 COVER (B) 28210023Z Not bend 1 EXP V A050 COVER (B) 28210023 Bend 1 EXP V A051 SCREW 3TTB+8B(3BC) 838430088GR COVER 6 EXP V A401 F PANEL DPS-5.9(B)M 27213182 N 1 EXP V A403 BADGE -- 28135278 1 EXP V A404 FACET (S) 28198906 2 EXP V A406 SCREW 3TTB+8B(3BC) 838430088GR FPANEL 3 EXP V A411 REAR PANEL DPS-5.9 DD1N 27123953 N 1 EXP V A411 REAR PANEL DPS-5.9 UA4P 27123954 N 1 EXP V A412 SCREW 3P+6FN(3BC) 82143006GR HDMI 1 EXP V A413 SCREW 3TTB+8B(3BC) 838430088GR REARPANEL 18 EXP V A414 GUIDE (CD)DPS-6.7(B) 27268185 1 EXP V A416 SCREW 4TTB+8C(3BC) 838440089GR AC INLET 2 EXP V F101 FUSE 2A-UL/T-233 252320GR ! 1 EXP V F101 FUSE 2A-SE-EAK FUSE 252074GR ! 1 EXP V P1002 FFC NCFCC-242812 204C242812 N 1 EXP V P1203 FFC NCFC5-151522 2045151522 N 1 EXP V P1401 FFC NCFC5-152522 2045152522 1 EXP V P1702 FFC NCFC5-093022 2045093022 1 EXP V P1703 FFC NCFC5-172012 2045172012 1 EXP V P1901B SOCKET AS NSAS-30P1747 2009991122UL 1 EXP V P2004C FFC NCFC5-090522 2045090522 1 EXP V S731 JOY STICK NPS-115-S673 25035710 1 EXP V U01 DVD Main circuit PC board a'ssy NADG-9634-1Q 1H554534-1Q N 1 EXP V U01 DVD Main circuit PC board a'ssy NADG-9634-1R 1H554534-1R N 1 EXP V U04 RS-232C terminal PC board a'ssy NADG-9637-1G 1H554537-1G N 1 EXP V U05 AC Inlet terminal PC board a'ssy NAPS-9639-1G 1H554539-1G N 1 EXP V U06 Component output PC board a'ssy NAVD-9641-1G 1H554541-1G N 1 EXP V U07 Display circuit PC board a'ssy NADIS-9642-1G 1H554542-1G N 1 EXP V U08 Standby switch PC board a'ssy NASW-9643-1G 1H554543-1G N 1 EXP V U09 Mecha. Connection PC board a'ssy NAETC-9644-1G 1H554544-1G N 1 EXP V U11 RI terminal PC board a'ssy NAAF-9645-1G 1H554545-1G N 1 EXP V U20 Power supply unit NGPS-0074-100-120V 24150074B ! 1 www . x ia o y u 1 6 3 . c o m QQ 3 7 6 3 1 5 1 5 0 9 9 2 8 9 4 2 9 8 T E L 1 3 9 4 2 2 9 6 5 1 3 9 9 2 8 9 4 2 9 8 0 5 1 5 1 3 6 7 3 Q Q TEL 13942296513 QQ 376315150 892498299 TEL 13942296513 QQ 376315150 892498299 http://www.xiaoyu163.com 3/25 PAGE EXP V U20 Power supply unit NGPS-0075-100-240V 24150075A ! 1 EXP V Z101 DVD Mechanism a'ssy TD-505SF-3 24801036A N 1 EXP V Z102 SCREW 2TTB+8B(3CM) 838120088GR MECHA-PWB 2 EXP V Z103 HOLDER (M) 27191331B N 2 EXP V Z104 JOINT (M) 27273200 HOLDER(M)-DVD M 4 EXP V Z106 CUSHION (DAC) 28141445 TRAY 2 EXP V F102 Quick action micro fuse MQ2A/125V OP66 ! 1 EXP V F105 Quick action micro fuse MQ3A/125V OP67 ! 1 PACKING VIEW PARTS LIST DPS-5.9 REF. NO. PART NAME DESCRIPTION PART NO. REMARKS PKNG A450 CARTON DPS-5.9MDD 29054957 N 1 PKNG A450 CARTON DPS-5.9MUA 29054958 N 1 PKNG A455a UPC LABEL DPS-5.9(B) 29390560 N { 1} PKNG A455a EAN LABEL DPS-5.9(B)MUA 29390574 N { 1} PKNG A530 WRNTY CARD (INTEGRA) 29365136 1 PKNG A601 PAD (AS) 29092194 1 PKNG A604 POLY BAG w500xd650 29100249 1 PKNG A605 POLY BAG w250xd350 29100250A 1 PKNG A606 TAPE (SEROHAN)NITTO NO.29 29110149 :0.3:MT 1 PKNG A607 PP TAPE W50 SBT-70 29110200 :1.3:MT 1 PKNG A908 INS MANUAL En(DPS5.9) 29344794 N 1 PKNG A922 INS MANUAL En(DPS5.9)HDMI 29344808 N 1 PKNG E801 PIN CORD AS RCA3P(YWR) 2010379 1 PKNG E802 BATTERY R6/AA(UM-3) 3010194 2 PKNG E802 or BATTERY R6/AA(UM-3) 3010054 ( 2) PKNG E803 PLUG CORD 3.5-MINI PLUG (RI) 2010200 1 PKNG E804 CORD AS RCA-1P(O) 2010424 1 PKNG E805 REMO CON RC-658DV 24140658 1 PKNG P901 AC CORD AS-UC-2 253352ATES ! 1 PKNG P901 AC CORD AS-SAA 253391VOL ! 1 PRINTED CIRCUIT BOARD PARTS LIST www . x ia o y u 1 6 3 . c o m QQ 3 7 6 3 1 5 1 5 0 9 9 2 8 9 4 2 9 8 T E L 1 3 9 4 2 2 9 6 5 1 3 9 9 2 8 9 4 2 9 8 0 5 1 5 1 3 6 7 3 Q Q TEL 13942296513 QQ 376315150 892498299 TEL 13942296513 QQ 376315150 892498299 http://www.xiaoyu163.com 4/25 PAGE U01 DVD Maincircuit PC board a'ssy, NADG-9634-1Q 1H554534-1Q U01 DVD Maincircuit PC board a'ssy, NADG-9634-1R 1H554534-1R REF. NO. PART NAME DESCRIPTION PART NO. REMARKS DG9634 C1001 CHIP ELECT C CEWX4V-220M 3981G2217R2 1 DG9634 C1002 CHIP ELECT C CEWX4V-47M 3981G4707R2 1 DG9634 C1003 CHIP ELECT C CEWX4V-47M 3981G4707R2 1 DG9634 C1004 C-CERA C CK725F1A-105Z1 332181050R1 1 DG9634 C1005 C-CERA C CK725F1A-105Z1 332181050R1 1 DG9634 C1006 C-CERA C CK725F1A-105Z1 332181050R1 1 DG9634 C1007 C-CERA C CK725F1A-105Z1 332181050R1 1 DG9634 C1008 C-CERA C CC725CH1H-102J1 342101024R1 1 DG9634 C1009 C-CERA C CC725CH1H-330J1 342103304R1 1 DG9634 C1010 C-CERA C CC725CH1H-330J1 342103304R1 1 DG9634 C1011 C-CERA C CC725CH1H-330J1 342103304R1 1 DG9634 C1012 C-CERA C CC725CH1H-330J1 342103304R1 1 DG9634 C1013 C-CERA C CC725CH1H-102J1 342101024R1 1 DG9634 C1014 C-CERA C CC725CH1H-102J1 342101024R1 1 DG9634 C1015 C-CERA C CC725CH1H-330J1 342103304R1 1 DG9634 C1016 C-CERA C CC725CH1H-330J1 342103304R1 1 DG9634 C1017 C-CERA C CK725B1C-104K1 332121045R1 1 DG9634 C1018 C-CERA C CC725CH1H-330J1 342103304R1 1 DG9634 C1019 C-CERA C CC725CH1H-330J1 342103304R1 1 DG9634 C1020 C-CERA C CK725F1A-105Z1 332181050R1 1 DG9634 C1021 CHIP ELECT C CEWX16V-100M 398141017R2 1 DG9634 C1022 C-CERA C CK725F1A-105Z1 332181050R1 1 DG9634 C1023 C-CERA C CK725F1A-105Z1 332181050R1 1 DG9634 C1024 CHIP ELECT C CEWX50V-1M 398180107R2 1 DG9634 C1025 CHIP ELECT C CEWX16V-100M 398141017R2 1 DG9634 C1026 C-CERA C CK725F1A-105Z1 332181050R1 1 DG9634 C1027 CHIP ELECT C CEWX6.3V-330M 398123317R2 1 DG9634 C1028 C-CERA C CK725F1A-105Z1 332181050R1 1 DG9634 C1029 CHIP ELECT C CEWX4V-220M 3981G2217R2 1 DG9634 C1030 C-CERA C CK725F1A-105Z1 332181050R1 1 DG9634 C1031 C-CERA C CC725CH1H-102J1 342101024R1 1 DG9634 C1032 C-CERA C CK725B1C-104K1 332121045R1 1 DG9634 C1033 C-CERA C CK725B1C-104K1 332121045R1 1 DG9634 C1101 C-CERA C CK725F1A-105Z1 332181050R1 1 DG9634 C1102 C-CERA C CK725F1A-105Z1 332181050R1 1 DG9634 C1103 C-CERA C CK725F1A-105Z1 332181050R1 1 DG9634 C1104 C-CERA C CK725F1A-105Z1 332181050R1 1 DG9634 C1105 C-CERA C CK725F1A-105Z1 332181050R1 1 DG9634 C1106 C-CERA C CK725F1A-105Z1 332181050R1 1 DG9634 C1108 C-CERA C CC725CH1H-330J1 342103304R1 1 DG9634 C1109 C-CERA C CK725F1A-105Z1 332181050R1 1 DG9634 C1110 C-CERA C CK725F1A-105Z1 332181050R1 1 www . x ia o y u 1 6 3 . c o m QQ 3 7 6 3 1 5 1 5 0 9 9 2 8 9 4 2 9 8 T E L 1 3 9 4 2 2 9 6 5 1 3 9 9 2 8 9 4 2 9 8 0 5 1 5 1 3 6 7 3 Q Q TEL 13942296513 QQ 376315150 892498299 TEL 13942296513 QQ 376315150 892498299 http://www.xiaoyu163.com 5/25 PAGE DG9634 C1111 C-CERA C CK725F1A-105Z1 332181050R1 1 DG9634 C1112 C-CERA C CK725F1A-105Z1 332181050R1 1 DG9634 C1113 C-CERA C CK725F1A-105Z1 332181050R1 1 DG9634 C1115 C-CERA C CK725F1A-105Z1 332181050R1 1 DG9634 C1116 C-CERA C CK725F1A-105Z1 332181050R1 1 DG9634 C1117 C-CERA C CK725F1A-105Z1 332181050R1 1 DG9634 C1118 C-CERA C CK725F1A-105Z1 332181050R1 1 DG9634 C1119 C-CERA C CK725F1A-105Z1 332181050R1 1 DG9634 C1120 C-CERA C CK725F1A-105Z1 332181050R1 1 DG9634 C1121 C-CERA C CK725F1A-105Z1 332181050R1 1 DG9634 C1122 C-CERA C CK725F1A-105Z1 332181050R1 1 DG9634 C1123 C-CERA C CK725F1A-105Z1 332181050R1 1 DG9634 C1124 C-CERA C CK725F1A-105Z1 332181050R1 1 DG9634 C1125 C-CERA C CC725CH1H-102J1 342101024R1 1 DG9634 C1126 C-CERA C CK725F1A-105Z1 332181050R1 1 DG9634 C1128 C-CERA C CK725F1A-105Z1 332181050R1 1 DG9634 C1129 C-CERA C CC725CH1H-101J1 342101014R1 1 DG9634 C1136 C-CERA C CK725F1A-105Z1 332181050R1 1 DG9634 C1137 C-CERA C CK725F1A-105Z1 332181050R1 1 DG9634 C1138 C-CERA C CK725F1A-105Z1 332181050R1 1 DG9634 C1139 C-CERA C CK725F1A-105Z1 332181050R1 1 DG9634 C1140 C-CERA C CK725F1A-105Z1 332181050R1 1 DG9634 C1141 C-CERA C CK725F1A-105Z1 332181050R1 1 DG9634 C1142 C-CERA C CK725F1A-105Z1 332181050R1 1 DG9634 C1143 C-CERA C CK725F1A-105Z1 332181050R1 1 DG9634 C1144 C-CERA C CK725F1A-105Z1 332181050R1 1 DG9634 C1145 C-CERA C CK725F1A-105Z1 332181050R1 1 DG9634 C1146 C-CERA C CK725F1A-105Z1 332181050R1 1 DG9634 C1147 C-CERA C CK725F1A-105Z1 332181050R1 1 DG9634 C1148 CHIP ELECT C CEWX4V-220M 3981G2217R2 1 DG9634 C1149 C-CERA C CK725F1A-105Z1 332181050R1 1 DG9634 C1150 CHIP ELECT C CEWX4V-220M 3981G2217R2 1 DG9634 C1151 C-CERA C CK725F1A-105Z1 332181050R1 1 DG9634 C1152 CHIP ELECT C CEWX4V-220M 3981G2217R2 1 DG9634 C1153 C-CERA C CK725F1A-105Z1 332181050R1 1 DG9634 C1154 CHIP ELECT C CEWX4V-220M 3981G2217R2 1 DG9634 C1155 C-CERA C CK725F1A-105Z1 332181050R1 1 DG9634 C1156 CHIP ELECT C CEWX4V-220M 3981G2217R2 1 DG9634 C1161 C-CERA C CK725F1A-105Z1 332181050R1 1 DG9634 C1162 CHIP ELECT C CEWX6.3V-330M 398123317R2 1 DG9634 C1165 C-CERA C CK725F1A-105Z1 332181050R1 1 DG9634 C1201 C-CERA C CK725F1E-104Z1 332161040R1 1 DG9634 C1202 C-CERA C CC725CH1H-101J1 342101014R1 1 DG9634 C1203 C-CERA C CK725B1H-103K1 332101035R1 1 DG9634 C1204 C-CERA C CK725B1H-103K1 332101035R1 1 DG9634 C1205 C-CERA C CK725B1H-103K1 332101035R1 1 DG9634 C1206 C-CERA C CC725CH1H-102J1 342101024R1 1 DG9634 C1207 C-CERA C CK725F1E-104Z1 332161040R1 1 www . x ia o y u 1 6 3 . c o m QQ 3 7 6 3 1 5 1 5 0 9 9 2 8 9 4 2 9 8 T E L 1 3 9 4 2 2 9 6 5 1 3 9 9 2 8 9 4 2 9 8 0 5 1 5 1 3 6 7 3 Q Q TEL 13942296513 QQ 376315150 892498299 TEL 13942296513 QQ 376315150 892498299 http://www.xiaoyu163.com 6/25 PAGE DG9634 C1208 CHIP ELECT C CEWX16V-100M 398141017R2 1 DG9634 C1210 CHIP ELECT C CEWX16V-100M 398141017R2 1 DG9634 C1211 C-CERA C CK725F1A-105Z1 332181050R1 1 DG9634 C1212 C-CERA C CK725F1A-105Z1 332181050R1 1 DG9634 C1213 C-CERA C CK725F1A-105Z1 332181050R1 1 DG9634 C1214 C-CERA C CK725B1C-104K1 332121045R1 1 DG9634 C1215 C-CERA C CC725CH1H-101J1 342101014R1 1 DG9634 C1219 CHIP ELECT C CEWX4V-220M 3981G2217R2 1 DG9634 C1220 CHIP ELECT C CEWX4V-47M 3981G4707R2 1 DG9634 C1221 CHIP ELECT C CEWX4V-47M 3981G4707R2 1 DG9634 C1222 C-CERA C CK725F1A-105Z1 332181050R1 1 DG9634 C1223 C-CERA C CK725F1A-105Z1 332181050R1 1 DG9634 C1224 C-CERA C CK725B1H-103K1 332101035R1 1 DG9634 C1225 C-CERA C CC725CH1H-102J1 342101024R1 1 DG9634 C1227 C-CERA C CK725B1H-223K1 332102235R1 1 DG9634 C1228 C-CERA C CK725B1H-223K1 332102235R1 1 DG9634 C1229 C-CERA C CC725CH1H-102J1 342101024R1 1 DG9634 C1230 C-CERA C CK725F1E-104Z1 332161040R1 1 DG9634 C1231 C-CERA C CK725B1C-104K1 332121045R1 SPINDLE DETECT 1 DG9634 C1232 CHIP ELECT C CEWX10V-220M 398132217R2 SPINDLE DETECT 1 DG9634 C1233 C-CERA C CK725F1A-105Z1 332181050R1 SPINDLE DETECT 1 DG9634 C1401 CHIP ELECT C CEWX10V-220M 398132217R2 1 DG9634 C1402 C-CERA C CK725F1E-104Z1 332161040R1 1 DG9634 C1405 C-CERA C CK725F1E-104Z1 332161040R1 1 DG9634 C1406 CHIP ELECT C CEWX16V-22M 398142207R2 1 DG9634 C1407 C-CERA C CC725CH1H-220J1 342102204R1 1 DG9634 C1408 C-CERA C CK725F1E-104Z1 332161040R1 1 DG9634 C1410 C-CERA C CK725F1E-104Z1 332161040R1 1 DG9634 C1411 CHIP ELECT C CEWX16V-22M 398142207R2 1 DG9634 C1412 CHIP ELECT C CEWX10V-220M 398132217R2 1 DG9634 C1501 CHIP ELECT C CEWX16V-100M 398141017R2 1 DG9634 C1502 C-CERA C CK725F1A-105Z1 332181050R1 1 DG9634 C1503 CHIP ELECT C CEWX16V-22M 398142207R2 1 DG9634 C1504 C-CERA C CK725F1A-105Z1 332181050R1 1 DG9634 C1505 CHIP ELECT C CEWX16V-100M 398141017R2 1 DG9634 C1506 C-CERA C CK725F1A-105Z1 332181050R1 1 DG9634 C1507 CHIP ELECT C CEWX16V-100M 398141017R2 1 DG9634 C1508 C-CERA C CK725F1A-105Z1 332181050R1 1 DG9634 C1509 CHIP ELECT C CEWX16V-100M 398141017R2 1 DG9634 C1510 C-CERA C CK725F1A-105Z1 332181050R1 1 DG9634 C1511 CHIP ELECT C CEWX16V-100M 398141017R2 1 DG9634 C1512 C-CERA C CK725F1A-105Z1 332181050R1 1 DG9634 C1513 C-CERA C CK725F1A-105Z1 332181050R1 1 DG9634 C1514 C-CERA C CK725F1A-105Z1 332181050R1 1 DG9634 C1516 C-CERA C CK725F1A-105Z1 332181050R1 1 DG9634 C1517 C-CERA C CK725F1A-105Z1 332181050R1 1 DG9634 C1518 C-CERA C CK725F1A-105Z1 332181050R1 1 DG9634 C1519 C-CERA C CK725F1A-105Z1 332181050R1 1 www . x ia o y u 1 6 3 . c o m QQ 3 7 6 3 1 5 1 5 0 9 9 2 8 9 4 2 9 8 T E L 1 3 9 4 2 2 9 6 5 1 3 9 9 2 8 9 4 2 9 8 0 5 1 5 1 3 6 7 3 Q Q TEL 13942296513 QQ 376315150 892498299 TEL 13942296513 QQ 376315150 892498299 http://www.xiaoyu163.com 7/25 PAGE DG9634 C1520 C-CERA C CK725F1A-105Z1 332181050R1 1 DG9634 C1521 C-CERA C CK725F1A-105Z1 332181050R1 1 DG9634 C1522 C-CERA C CK725F1A-105Z1 332181050R1 1 DG9634 C1523 C-CERA C CK725F1A-105Z1 332181050R1 1 DG9634 C1524 C-CERA C CK725F1A-105Z1 332181050R1 1 DG9634 C1525 CHIP ELECT C CEWX16V-100M 398141017R2 1 DG9634 C1559 C-CERA C CK725F1A-105Z1 332181050R1 1 DG9634 C1560 C-CERA C CK725F1A-105Z1 332181050R1 1 DG9634 C1561 C-CERA C CK725F1A-105Z1 332181050R1 1 DG9634 C1563 CHIP ELECT C CEWX6.3V-22M 398122207R2 1 DG9634 C1564 C-CERA C CK725F1A-105Z1 332181050R1 1 DG9634 C1565 CHIP ELECT C CEWX4V-100M 3981G1017R2 1 DG9634 C1566 C-CERA C CK725F1A-105Z1 332181050R1 1 DG9634 C1581 C-CERA C CK725F1A-105Z1 332181050R1 1 DG9634 C1582 CHIP ELECT C CEWX4V-220M 3981G2217R2 1 DG9634 C1583 C-CERA C CK725F1A-105Z1 332181050R1 1 DG9634 C1587 C-CERA C CC725CH1H-100D1 342101002R1 Matching 1 DG9634 C1589 C-CERA C CC725CH1H-120J1 342101204R1 Matching 1 DG9634 C1701 C-CERA C CK725F1E-104Z1 332161040R1 1 DG9634 C1702 C-CERA C CK725F1E-104Z1 332161040R1 1 DG9634 C1703 C-CERA C CK725F1E-104Z1 332161040R1 1 DG9634 C1704 C-CERA C CK725F1E-104Z1 332161040R1 1 DG9634 C1705 C-CERA C CC725CH1H-102J1 342101024R1 1 DG9634 C1706 C-CERA C CC725CH1H-102J1 342101024R1 1 DG9634 C1707 C-CERA C CK725F1E-104Z1 332161040R1 1 DG9634 C1712 CHIP ELECT C CEWX16V-22M 398142207R2 1 DG9634 C1713 CHIP ELECT C CEWX16V-22M 398142207R2 1 DG9634 C1714 C-CERA C CK725F1E-104Z1 332161040R1 1 DG9634 C1715 C-CERA C CK725F1E-104Z1 332161040R1 1 DG9634 C1716 CHIP ELECT C CEWX4V-100M 3981G1017R2 1 DG9634 C1717 C-CERA C CK725F1A-105Z1 332181050R1 1 DG9634 C1718 C-CERA C CK725F1E-104Z1 332161040R1 1 DG9634 C1719 C-CERA C CC725CH1H-101J1 342101014R1 1 DG9634 C1720 C-CERA C CC725CH1H-101J1 342101014R1 1 DG9634 C1722 CHIP ELECT C CEWX16V-22M 398142207R2 1 DG9634 C1723 C-CERA C CC725CH1H-102J1 342101024R1 1 DG9634 C1724 C-CERA C CC725CH1H-102J1 342101024R1 1 DG9634 C1725 C-CERA C CC725CH1H-102J1 342101024R1 1 DG9634 C1781 C-CERA C CK725F1A-105Z1 332181050R1 1 DG9634 C1851 C-CERA C CK725F1A-105Z1 332181050R1 1 DG9634 C1852 CHIP ELECT C CEWX4V-220M 3981G2217R2 1 DG9634 C1853 C-CERA C CK725F1A-105Z1 332181050R1 1 DG9634 C1854 C-CERA C CK725F1A-105Z1 332181050R1 1 DG9634 C1855 CHIP ELECT C CEWX4V-220M 3981G2217R2 1 DG9634 C1856 C-CERA C CK725F1A-105Z1 332181050R1 1 DG9634 C1857 C-CERA C CK725F1A-105Z1 332181050R1 1 DG9634 C1858 C-CERA C CK725F1A-105Z1 332181050R1 1 DG9634 C1859 C-CERA C CK725F1A-105Z1 332181050R1 1 www . x ia o y u 1 6 3 . c o m QQ 3 7 6 3 1 5 1 5 0 9 9 2 8 9 4 2 9 8 T E L 1 3 9 4 2 2 9 6 5 1 3 9 9 2 8 9 4 2 9 8 0 5 1 5 1 3 6 7 3 Q Q TEL 13942296513 QQ 376315150 892498299 TEL 13942296513 QQ 376315150 892498299 http://www.xiaoyu163.com 8/25 PAGE DG9634 C1860 C-CERA C CK725F1A-105Z1 332181050R1 1 DG9634 C1861 C-CERA C CK725F1A-105Z1 332181050R1 1 DG9634 C1862 C-CERA C CK725F1A-105Z1 332181050R1 1 DG9634 C1863 C-CERA C CC725CH1H-102J1 342101024R1 1 DG9634 C1901 CHIP ELECT C CEWX16V-100M 398141017R2 1 DG9634 C1902 PW C CE04W6.3V-470M(PW) 393724717 1 DG9634 C1903 CD C UCD1A471MNL1GS 396634717R2 1 DG9634 C1904 C-CERA C CK725F1A-105Z1 332181050R1 1 DG9634 C1905 C-CERA C CK725F1A-105Z1 332181050R1 1 DG9634 C1907 CHIP ELECT C CEWX4V-220M 3981G2217R2 1 DG9634 C1910 C-CERA C CK725F1A-105Z1 332181050R1 1 DG9634 C1911 CHIP ELECT C CEWX16V-100M 398141017R2 1 DG9634 C1913 CHIP ELECT C CEWX10V-220M 398132217R2 1 DG9634 C1914 PW C CE04W6.3V-470M(PW) 393724717 1 DG9634 C1915 C-CERA C CK725F1A-105Z1 332181050R1 1 DG9634 C1916 CHIP ELECT C CEWX4V-100M 3981G1017R2 1 DG9634 C1917 CD C UCD1A471MNL1GS 396634717R2 For Single 1 DG9634 C1919 CHIP ELECT C CEWX16V-100M 398141017R2 RF5V 1 DG9634 C2001 C-CERA C CK725B1H-103K1 332101035R1 1 DG9634 C2002 CHIP ELECT C CEWX50V-1M 398180107R2 1 DG9634 C2003 CHIP ELECT C CEWX50V-1M 398180107R2 1 DG9634 C2004 CHIP ELECT C CEWX50V-1M 398180107R2 1 DG9634 C2005 CHIP ELECT C CEWX50V-1M 398180107R2 1 DG9634 C2006 CHIP ELECT C CEWX50V-1M 398180107R2 1 DG9634 C2007 C-CERA C CK725F1A-105Z1 332181050R1 1 DG9634 C2008 CHIP ELECT C CEWX6.3V-22M 398122207R2 1 DG9634 C2009 C-CERA C CK725F1A-105Z1 332181050R1 1 DG9634 C2010 CHIP ELECT C CEWX16V-100M 398141017R2 1 DG9634 C2011 CHIP ELECT C CEWX6.3V-22M 398122207R2 1 DG9634 C2012 CHIP ELECT C CEWX16V-100M 398141017R2 1 DG9634 C2013 CHIP ELECT C CEWX6.3V-22M 398122207R2 1 DG9634 C2014 CHIP ELECT C CEWX16V-100M 398141017R2 1 DG9634 C2015 CHIP ELECT C CEWX6.3V-22M 398122207R2 1 DG9634 C2016 CHIP ELECT C CEWX16V-100M 398141017R2 1 DG9634 C2017 CHIP ELECT C CEWX6.3V-22M 398122207R2 1 DG9634 C2018 CHIP ELECT C CEWX16V-100M 398141017R2 1 DG9634 C2019 CHIP ELECT C CEWX6.3V-22M 398122207R2 1 DG9634 C2020 C-CERA C CK725B1H-103K1 332101035R1 1 DG9634 C2021 C-CERA C CK725B1H-103K1 332101035R1 1 DG9634 C2022 C-CERA C CK725F1A-105Z1 332181050R1 1 DG9634 C2023 CHIP ELECT C CEWX10V-220M 398132217R2 1 DG9634 C2028 C-CERA C CK725F1A-105Z1 332181050R1 1 DG9634 D1551 C-DIODE 1SS226(TE85L_F) 223266R2 1 DG9634 D1701 C-DIODE 1SS352 223234R2 1 DG9634 D1701 or C-DIODE 1SS355 223269R2 ( 1) DG9634 D1701 or C-DIODE MA2J1110GL 223302R2 ( 1) DG9634 D1703 C-DIODE 1SS352 223234R2 1 DG9634 D1703 or C-DIODE 1SS355 223269R2 ( 1) www . x ia o y u 1 6 3 . c o m QQ 3 7 6 3 1 5 1 5 0 9 9 2 8 9 4 2 9 8 T E L 1 3 9 4 2 2 9 6 5 1 3 9 9 2 8 9 4 2 9 8 0 5 1 5 1 3 6 7 3 Q Q TEL 13942296513 QQ 376315150 892498299 TEL 13942296513 QQ 376315150 892498299 http://www.xiaoyu163.com 9/25 PAGE DG9634 D1703 or C-DIODE MA2J1110GL 223302R2 ( 1) DG9634 D1905 LED SEC1401C 225383R2 1 DG9634 D1906 C-DIODE 1SS352 223234R2 1 DG9634 D1906 or C-DIODE 1SS355 223269R2 ( 1) DG9634 D1906 or C-DIODE MA2J1110GL 223302R2 ( 1) DG9634 D1907 DIODE RB070M-30 22380361R2 1 DG9634 D1908 C-DIODE 1SS352 223234R2 1 DG9634 D1908 or C-DIODE 1SS355 223269R2 ( 1) DG9634 D1908 or C-DIODE MA2J1110GL 223302R2 ( 1) DG9634 D1909 C-DIODE 1SS352 223234R2 1 DG9634 D1909 or C-DIODE 1SS355 223269R2 ( 1) DG9634 D1909 or C-DIODE MA2J1110GL 223302R2 ( 1) DG9634 F1501 RESISTOR nanoSMDC016F 4000239R2 1 DG9634 L1001 CHOKE COIL LBC2518T220M 231364M220R2 1 DG9634 L1002 CHOKE COIL LBC2518T220M 231364M220R2 1 DG9634 L1003 CHOKE COIL LBC2518T220M 231364M220R2 1 DG9634 L1004 CHOKE COIL LBC2518T220M 231364M220R2 1 DG9634 L1005 CHOKE COIL BLM21PG221SN1 230949R2 1 DG9634 L1006 CHOKE COIL BLM21PG221SN1 230949R2 1 DG9634 L1101 CHOKE COIL BLM21PG221SN1 230949R2 1 DG9634 L1102 CHOKE COIL BLM21PG221SN1 230949R2 1 DG9634 L1103 CHOKE COIL BLM21PG221SN1 230949R2 1 DG9634 L1104 CHOKE COIL BLM21PG221SN1 230949R2 1 DG9634 L1105 CHOKE COIL BLM21PG221SN1 230949R2 1 DG9634 L1108 CHOKE COIL BLM21PG221SN1 230949R2 1 DG9634 L1109 EMIFIL BK1608LL241-T 230959R1 1 DG9634 L1110 EMIFIL BK1608LL241-T 230959R1 1 DG9634 L1111 EMIFIL BK1608LL680-T 2350013R1 N 1 DG9634 L1112 C-CARBON R RN72K1J-000JE 435030004R1 1 DG9634 L1113 CHOKE COIL BLM21PG221SN1 230949R2 1 DG9634 L1201 CHOKE COIL LBC2518T2R2M 231364M022R2 1 DG9634 L1401 CHOKE COIL LBC2518T2R2M 231364M022R2 1 DG9634 L1402 CHOKE COIL LBC2518T2R2M 231364M022R2 1 DG9634 L1403 CHOKE COIL BLM21B222SPT 230921R2 1 DG9634 L1501 CHOKE COIL BLM21PG221SN1 230949R2 1 DG9634 L1502 CHOKE COIL BLM21PG221SN1 230949R2 1 DG9634 L1503 CHOKE COIL BLM21PG221SN1 230949R2 1 DG9634 L1504 CHOKE COIL BLM21PG221SN1 230949R2 1 DG9634 L1505 CHOKE COIL BLM21PG221SN1 230949R2 1 DG9634 L1506 CHOKE COIL BLM21PG221SN1 230949R2 1 DG9634 L1507 CHOKE COIL BLM21PG221SN1 230949R2 1 DG9634 L1551 CHOKE COIL BLM21PG221SN1 230949R2 1 DG9634 L1581 CHOKE COIL BLM21PG221SN1 230949R2 1 DG9634 L1582 EMIFIL BK1608LL241-T 230959R1 1 DG9634 L1583 EMIFIL BK1608LL241-T 230959R1 1 DG9634 L1851 CHOKE COIL BLM21PG221SN1 230949R2 1 DG9634 L1852 CHOKE COIL BLM21PG221SN1 230949R2 1 DG9634 L1903 CHOKE COIL NCH-2541 231363K470A 1 www . x ia o y u 1 6 3 . c o m QQ 3 7 6 3 1 5 1 5 0 9 9 2 8 9 4 2 9 8 T E L 1 3 9 4 2 2 9 6 5 1 3 9 9 2 8 9 4 2 9 8 0 5 1 5 1 3 6 7 3 Q Q TEL 13942296513 QQ 376315150 892498299 TEL 13942296513 QQ 376315150 892498299 http://www.xiaoyu163.com 10/25 PAGE DG9634 L1903 or COIL 0182-7310-470K-RB 231389 ( 1) DG9634 L1904 CHOKE COIL BLM21PG221SN1 230949R2 1 DG9634 L2001 CHOKE COIL BLM21PG221SN1 230949R2 1 DG9634 P1002 FFC SOCKET FH12-24S-0.5SH(55) 25053125R2 1 DG9634 P1202 PLUG NPLG-5P931 25055978R2 FOR SINGLE LOADER MECHA 1 DG9634 P1203 SOCKET NSCT-15P2478 25052581R2 1 DG9634 P1401D SOCKET NSCT-15P2406 25052509 To Audio 5.9 1 DG9634 P1411 PIN JACK NPJ-1PDOR403 25045592 COAX/Gold 1 DG9634 P1551 SOCKET YKF45-7037V 25053253R3 1 DG9634 P1702B SOCKET NSCT-9P2472 25052575R2 For RS232 IR 1 DG9634 P1703A SOCKET NSCT-17P2480 25052583R2 To Display Single 1 DG9634 P1781 SOCKET 09FMN-SMT-A-TF 25052826R2 1 DG9634 P1782 SOCKET NSCT-9P2472 25052575R2 Debug I/F 1 DG9634 P1855 FFC SOCKET FH12-24S-0.5SH(55) 25053125R2 Debug I/F 1 DG9634 P1856 FFC SOCKET FH12-24S-0.5SH(55) 25053125R2 Debug I/F 1 DG9634 P1901A PLUG NPLG-13P141 25055157 power I/F Single 1 DG9634 P2001 PIN JACK NPJ-5PDSY629 25045850 5P/Gold 1 DG9634 P2002 PIN JACK NPJ-3PDGLR460 25045661 Component/Gold 1 DG9634 P2004A SOCKET NSCT-9P2472 25052575R2 For D4 & Integra 1 DG9634 Q1001 TR HN1A01F-GR 2215915R2 1 DG9634 Q1002 TR HN1A01F-GR 2215915R2 1 DG9634 Q1003 TR 2SC2712-GR 2213145R2 1 DG9634 Q1004 TR 2SC2712-GR 2213145R2 1 DG9634 Q1007 TR 2SC2712-GR 2213145R2 1 DG9634 Q1101 IC ZR36886HLCG 22242536R3 CANNOT SACD 1 DG9634 Q1101 or IC ZR36886HLCG-A 22242536AR3 ( 1) DG9634 Q1103 IC S-80127CNMC-JKM-T2 22241642R2 1 DG9634 Q1104 IC TC74VHC157FT 22274157ER2TO DSD SW 1 DG9634 Q1201 IC BD7967EFS 22242328R2 1 DG9634 Q1202 IC NJM3404V 22241677R2 1 DG9634 Q1205 IC BA4510FV 22241907R2 1 DG9634 Q1206 IC TC74AC00FT 22242244R2 SPINDLE DETECT 1 DG9634 Q1401 IC TC74VHCU04FT 22274004HR2TO 1 DG9634 Q1501 IC ZR36722PQCG 22242538R3 N 1 DG9634 Q1502 IC SN74CB3Q3305PWR 22242258R2 1 DG9634 Q1503 IC TC7SZ125FU(TE85L_F) 22241895R2 1 DG9634 Q1504 IC XC6213B332MR 22242277R2 1 DG9634 Q1505 TR ARRAY UM6K1N 226066R2 1 DG9634 Q1581 IC TC7WZU04FU(TE12L_F) 22242078R2TO 1 DG9634 Q1582 IC TC7SHU04FU 22241638R2 1 DG9634 Q1701 IC M3062LFGPFP U5 222W0048R3 1 DG9634 Q1702 TR RN1402 2214470R2 1 DG9634 Q1702 or TR KRC102S 2216190R2 ( 1) DG9634 Q1703 TR DTC114EKA 2216250R2 1 DG9634 Q1704 TR DTA114YKA 2216480R2 1 DG9634 Q1705 TR DTA114YKA 2216480R2 1 DG9634 Q1706 TR DTC114EKA 2216250R2 1 DG9634 Q1708 IC S-24CS16A0I-J8V1G 22242326R2 1 www . x ia o y u 1 6 3 . c o m QQ 3 7 6 3 1 5 1 5 0 9 9 2 8 9 4 2 9 8 T E L 1 3 9 4 2 2 9 6 5 1 3 9 9 2 8 9 4 2 9 8 0 5 1 5 1 3 6 7 3 Q Q TEL 13942296513 QQ 376315150 892498299 TEL 13942296513 QQ 376315150 892498299 http://www.xiaoyu163.com 11/25 PAGE DG9634 Q1710 IC XC6213B332MR 22242277R2 1 DG9634 Q1711 TR RN1402 2214470R2 1 DG9634 Q1711 or TR KRC102S 2216190R2 ( 1) DG9634 Q1781 IC TC7MBL3245SFT 22242539R2TO N 1 DG9634 Q1782 TR 2SK3019 2216520R2 1 DG9634 Q1783 TR 2SK3019 2216520R2 1 DG9634 Q1851 IC M29W160ET-70N6E 222W0049R3 FOR CHANGER+single 1 DG9634 Q1852 IC K4S281632K-UC60 22242489R3 1 DG9634 Q1853 TR 2SK3019 2216520R2 1 DG9634 Q1901 IC TA48018AF(TE16L_NQ) 22278018DR2TO 1 DG9634 Q1903 IC XC6202P502FR 22242331R2 1 DG9634 Q1904 IC SI8008TM 22242323R2 1 DG9634 Q1905 IC TA48018AF(TE16L_NQ) 22278018DR2TO 1 DG9634 Q1906 IC XC6202P502FR 22242331R2 RF5V 1 DG9634 Q2001 IC BH7868FS 22242329R2 1 DG9634 R1001 C-CARBON R RN72K1J-047JE 435030474R1 1 DG9634 R1003 C-CARBON R RN72K1J-047JE 435030474R1 1 DG9634 R1005 C-CARBON R RN72K1J-221JE 435032214R1 1 DG9634 R1006 C-CARBON R RN72K1J-332JE 435033324R1 1 DG9634 R1007 C-CARBON R RN72K1J-047JE 435030474R1 1 DG9634 R1009 C-CARBON R RN72K1J-047JE 435030474R1 1 DG9634 R1011 C-CARBON R RN72K1J-221JE 435032214R1 1 DG9634 R1012 C-CARBON R RN72K1J-332JE 435033324R1 1 DG9634 R1013 C-CARBON R RN72K1J-000JE 435030004R1 1 DG9634 R1014 C-CARBON R RN72K1J-000JE 435030004R1 1 DG9634 R1015 C-CARBON R RN72K1J-471JE 435034714R1 1 DG9634 R1016 C-CARBON R RN72K1J-000JE 435030004R1 1 DG9634 R1017 C-CARBON R RN72K1J-000JE 435030004R1 1 DG9634 R1018 C-CARBON R RN72K1J-000JE 435030004R1 1 DG9634 R1019 C-CARBON R RN72K1J-000JE 435030004R1 1 DG9634 R1020 C-CARBON R RN72K1J-000JE 435030004R1 1 DG9634 R1021 C-CARBON R RN72K1J-000JE 435030004R1 1 DG9634 R1022 C-CARBON R RN72K1J-104FE 435031042R1 1 DG9634 R1023 C-CARBON R RN72K1J-103FE 435031032R1 1 DG9634 R1024 C-CARBON R RN72K1J-000JE 435030004R1 1 DG9634 R1025 C-CARBON R RN72K1J-470JE 435034704R1 1 DG9634 R1026 C-CARBON R RN72K1J-332JE 435033324R1 1 DG9634 R1027 C-CARBON R RN72K1J-000JE 435030004R1 1 DG9634 R1028 C-CARBON R RN72K1J-000JE 435030004R1 1 DG9634 R1029 C-CARBON R RN72K1J-000JE 435030004R1 1 DG9634 R1030 C-CARBON R RN72K1J-470JE 435034704R1 1 DG9634 R1031 C-CARBON R RN72K1J-000JE 435030004R1 1 DG9634 R1032 C-CARBON R RN72K1J-000JE 435030004R1 1 DG9634 R1033 C-CARBON R RN72K1J-103FE 435031032R1 1 DG9634 R1101 C-CARBON R RN72K1J-470JE 435034704R1 1 DG9634 R1102 C-CARBON R RN72K1J-472JE 435034724R1 1 DG9634 R1103 C-CARBON R RN72K1J-000JE 435030004R1 1 DG9634 R1104 C-CARBON R RN72K1J-000JE 435030004R1 1 www . x ia o y u 1 6 3 . c o m QQ 3 7 6 3 1 5 1 5 0 9 9 2 8 9 4 2 9 8 T E L 1 3 9 4 2 2 9 6 5 1 3 9 9 2 8 9 4 2 9 8 0 5 1 5 1 3 6 7 3 Q Q TEL 13942296513 QQ 376315150 892498299 TEL 13942296513 QQ 376315150 892498299 http://www.xiaoyu163.com 12/25 PAGE DG9634 R1105 C-CARBON R RN72K1J-470JE 435034704R1 1 DG9634 R1107 C-CARBON R RN72K1J-470JE 435034704R1 1 DG9634 R1108 C-CARBON R RN72K1J-470JE 435034704R1 1 DG9634 R1109 C-CARBON R RN72K1J-472JE 435034724R1 1 DG9634 R1110 C-CARBON R RN72K1J-470JE 435034704R1 1 DG9634 R1111 C-CARBON R RN72K1J-470JE 435034704R1 1 DG9634 R1112 C-CARBON R RN72K1J-470JE 435034704R1 1 DG9634 R1113 C-CARBON R RN72K1J-470JE 435034704R1 1 DG9634 R1114 C-CARBON R RN72K1J-470JE 435034704R1 1 DG9634 R1115 C-CARBON R RN72K1J-470JE 435034704R1 1 DG9634 R1116 C-CARBON R RN72K1J-470JE 435034704R1 1 DG9634 R1117 C-CARBON R RN72K1J-470JE 435034704R1 1 DG9634 R1118 C-CARBON R RN72K1J-470JE 435034704R1 1 DG9634 R1119 C-CARBON R RN72K1J-470JE 435034704R1 1 DG9634 R1122 C-CARBON R RN72K1J-221JE 435032214R1 1 DG9634 R1127 C-CARBON R RN72K1J-101JE 435031014R1 1 DG9634 R1129 C-CARBON R RN72K1J-101JE 435031014R1 MULTI CH DATA 1 DG9634 R1131 C-CARBON R RN72K1J-470JE 435034704R1 1 DG9634 R1132 C-CARBON R RN72K1J-101JE 435031014R1 1 DG9634 R1133 C-CARBON R RN72K1J-101JE 435031014R1 1 DG9634 R1134 C-CARBON R RN72K1J-101JE 435031014R1 MULTI CH DATA 1 DG9634 R1135 C-CARBON R RN72K1J-101JE 435031014R1 MULTI CH DATA 1 DG9634 R1137 C-CARBON R RN72K1J-563JE 435035634R1 1 DG9634 R1138 C-CARBON R RN72K1J-101JE 435031014R1 1 DG9634 R1140 C-CARBON R RN72K1J-470JE 435034704R1 1 DG9634 R1141 C-CARBON R RN72K1J-101JE 435031014R1 1 DG9634 R1142 C-CARBON R RN72K1J-470JE 435034704R1 1 DG9634 R1143 C-CARBON R RN72K1J-470JE 435034704R1 1 DG9634 R1144 C-CARBON R RN72K1J-101JE 435031014R1 1 DG9634 R1145 C-CARBON R RN72K1J-101JE 435031014R1 1 DG9634 R1146 C-CARBON R RN72K1J-470JE 435034704R1 1 DG9634 R1147 C-CARBON R RN72K1J-470JE 435034704R1 1 DG9634 R1151 C-CARBON R RN72K1J-101JE 435031014R1 MULTI CH DATA 1 DG9634 R1152 C-CARBON R RN72K1J-101JE 435031014R1 MULTI CH DATA 1 DG9634 R1153 C-CARBON R RN72K1J-221JE 435032214R1 1 DG9634 R1154 C-CARBON R RN72K1J-101JE 435031014R1 1 DG9634 R1155 C-CARBON R RN72K1J-101JE 435031014R1 1 DG9634 R1156 C-CARBON R RN72K1J-101JE 435031014R1 1 DG9634 R1157 C-CARBON R RN72K1J-101JE 435031014R1 MULTI CH DATA 1 DG9634 R1158 C-CARBON R RN72K1J-101JE 435031014R1 MULTI CH DATA 1 DG9634 R1159 C-CARBON R RN72K1J-102JE 435031024R1 1 DG9634 R1161 C-CARBON R RN72K1J-220JE 435032204R1 1 DG9634 R1162 C-CARBON R RN72K1J-101JE 435031014R1 MULTI CH DATA 1 DG9634 R1163 C-CARBON R RN72K1J-101JE 435031014R1 MULTI CH DATA 1 DG9634 R1164 C-CARBON R RN72K1J-101JE 435031014R1 MULTI CH DATA 1 DG9634 R1165 C-CARBON R RN72K1J-101JE 435031014R1 DAC CONTOROL DATA 1 DG9634 R1166 C-CARBON R RN72K1J-101JE 435031014R1 DAC CONTOROL CLK 1 DG9634 R1168 C-CARBON R RN72K1J-221FE 435032212R1 1 www . x ia o y u 1 6 3 . c o m QQ 3 7 6 3 1 5 1 5 0 9 9 2 8 9 4 2 9 8 T E L 1 3 9 4 2 2 9 6 5 1 3 9 9 2 8 9 4 2 9 8 0 5 1 5 1 3 6 7 3 Q Q TEL 13942296513 QQ 376315150 892498299 TEL 13942296513 QQ 376315150 892498299 http://www.xiaoyu163.com 13/25 PAGE DG9634 R1169 C-CARBON R RN72K1J-151FE 435031512R1 1 DG9634 R1170 C-CARBON R RN72K1J-220FE 435032202R1 1 DG9634 R1171 C-CARBON R RN72K1J-750FE 435037502R1 1 DG9634 R1172 C-CARBON R RN72K1J-750FE 435037502R1 1 DG9634 R1173 C-CARBON R RN72K1J-750FE 435037502R1 1 DG9634 R1174 C-CARBON R RN72K1J-750FE 435037502R1 1 DG9634 R1175 C-CARBON R RN72K1J-750FE 435037502R1 1 DG9634 R1176 C-CARBON R RN72K1J-750FE 435037502R1 1 DG9634 R1177 C-CARBON R RN72K1J-750FE 435037502R1 1 DG9634 R1178 C-CARBON R RN72K1J-750FE 435037502R1 1 DG9634 R1179 C-CARBON R RN72K1J-750FE 435037502R1 1 DG9634 R1180 C-CARBON R RN72K1J-750FE 435037502R1 1 DG9634 R1181 C-CARBON R RN72K1J-750FE 435037502R1 1 DG9634 R1182 C-CARBON R RN72K1J-750FE 435037502R1 1 DG9634 R1183 C-CARBON R RN72K1J-470JE 435034704R1 1 DG9634 R1184 C-CARBON R RN72K1J-470JE 435034704R1 1 DG9634 R1185 C-CARBON R RN72K1J-470JE 435034704R1 1 DG9634 R1186 C-CARBON R RN72K1J-470JE 435034704R1 1 DG9634 R1187 C-CARBON R RN72K1J-470JE 435034704R1 1 DG9634 R1188 C-CARBON R RN72K1J-470JE 435034704R1 1 DG9634 R1189 C-CARBON R RN72K1J-470JE 435034704R1 1 DG9634 R1190 C-CARBON R RN72K1J-470JE 435034704R1 1 DG9634 R1191 C-CARBON R RN72K1J-473JE 435034734R1 1 DG9634 R1192 C-CARBON R RN72K1J-473JE 435034734R1 1 DG9634 R1193 C-CARBON R RN72K1J-470JE 435034704R1 1 DG9634 R1194 C-CARBON R RN72K1J-470JE 435034704R1 1 DG9634 R1195 C-CARBON R RN72K1J-103JE 435031034R1 1 DG9634 R1197 C-CARBON R RN72K1J-000JE 435030004R1 1 DG9634 R1198 C-R NET RM7LJ470X04 43484747004R2 1 DG9634 R1199 C-R NET RM7LJ470X04 43484747004R2 1 DG9634 R1201 C-CARBON R RN72K1J-102JE 435031024R1 1 DG9634 R1202 C-CARBON R RN72K1J-473JE 435034734R1 1 DG9634 R1203 C-CARBON R RN72K1J-473JE 435034734R1 1 DG9634 R1204 C-CARBON R RN72K1J-047JE 435030474R1 1 DG9634 R1205 C-CARBON R RN72K1J-047JE 435030474R1 1 DG9634 R1206 C-CARBON R RN72K1J-103JE 435031034R1 1 DG9634 R1207 C-CARBON R RN72K1J-473JE 435034734R1 1 DG9634 R1208 C-CARBON R RN72K1J-010JE 435030104R1 1 DG9634 R1209 C-CARBON R RN72K1J-010JE 435030104R1 1 DG9634 R1210 C-CARBON R RN72K1J-010JE 435030104R1 1 DG9634 R1211 C-CARBON R RN72K1J-010JE 435030104R1 1 DG9634 R1212 C-CARBON R RN72K1J-472JE 435034724R1 1 DG9634 R1213 C-CARBON R RN72K1J-000JE 435030004R1 1 DG9634 R1214 C-CARBON R RN72K1J-000JE 435030004R1 1 DG9634 R1215 C-CARBON R RN72K1J-018JE 435030184R1 1 DG9634 R1216 C-CARBON R RN72K1J-018JE 435030184R1 1 DG9634 R1217 C-CARBON R RN72K1J-018JE 435030184R1 1 DG9634 R1218 C-CARBON R RN72K1J-018JE 435030184R1 1 www . x ia o y u 1 6 3 . c o m QQ 3 7 6 3 1 5 1 5 0 9 9 2 8 9 4 2 9 8 T E L 1 3 9 4 2 2 9 6 5 1 3 9 9 2 8 9 4 2 9 8 0 5 1 5 1 3 6 7 3 Q Q TEL 13942296513 QQ 376315150 892498299 TEL 13942296513 QQ 376315150 892498299 http://www.xiaoyu163.com 14/25 PAGE DG9634 R1219 C-CARBON R RN72K1J-018JE 435030184R1 1 DG9634 R1220 C-CARBON R RN72K1J-018JE 435030184R1 1 DG9634 R1221 C-CARBON R RN72K1J-018JE 435030184R1 1 DG9634 R1224 C-CARBON R RN72K1J-273JE 435032734R1 1 DG9634 R1226 C-CARBON R RN72K1J-273JE 435032734R1 1 DG9634 R1227 C-CARBON R RN72K1J-154JE 435031544R1 1 DG9634 R1228 C-CARBON R RN72K1J-223JE 435032234R1 1 DG9634 R1237 C-CARBON R RN72K1J-103FE 435031032R1 1 DG9634 R1238 C-CARBON R RN72K1J-103FE 435031032R1 1 DG9634 R1240 C-CARBON R RN72K1J-100JE 435031004R1 1 DG9634 R1241 C-CARBON R RN72K1J-000JE 435030004R1 1 DG9634 R1242 C-CARBON R RN72K1J-103JE 435031034R1 1 DG9634 R1245 C-CARBON R RN72K1J-273JE 435032734R1 1 DG9634 R1246 C-CARBON R RN72K1J-103JE 435031034R1 1 DG9634 R1247 C-CARBON R RN72K1J-153JE 435031534R1 1 DG9634 R1248 C-CARBON R RN72K1J-183JE 435031834R1 1 DG9634 R1249 C-CARBON R RN72K1J-273JE 435032734R1 1 DG9634 R1250 C-CARBON R RN72K1J-101JE 435031014R1 1 DG9634 R1251 C-CARBON R RN72K1J-101JE 435031014R1 1 DG9634 R1252 C-CARBON R RN72K1J-101JE 435031014R1 1 DG9634 R1253 C-CARBON R RN72K1J-101JE 435031014R1 1 DG9634 R1254 C-CARBON R RN72K1J-101JE 435031014R1 1 DG9634 R1255 C-CARBON R RN72K1J-101JE 435031014R1 1 DG9634 R1256 C-CARBON R RN72K1J-101JE 435031014R1 1 DG9634 R1257 C-CARBON R RN72K1J-101JE 435031014R1 1 DG9634 R1258 C-CARBON R RN72K1J-330JE 435033304R1 1 DG9634 R1270 C-R NET RM7LJ470X04 43484747004R2 1 DG9634 R1271 C-CARBON R RN72K1J-470JE 435034704R1 1 DG9634 R1272 C-CARBON R RN72K1J-470JE 435034704R1 1 DG9634 R1273 C-CARBON R RN72K1J-220JE 435032204R1 1 DG9634 R1274 C-CARBON R RN72K1J-220JE 435032204R1 1 DG9634 R1275 C-CARBON R RN72K1J-220JE 435032204R1 1 DG9634 R1276 C-CARBON R RN72K1J-220JE 435032204R1 1 DG9634 R1277 C-CARBON R RN72K1J-220JE 435032204R1 1 DG9634 R1278 C-R NET RM7LJ470X04 43484747004R2 1 DG9634 R1279 C-R NET RM7LJ470X04 43484747004R2 1 DG9634 R1280 C-R NET RM7LJ470X04 43484747004R2 1 DG9634 R1281 C-R NET RM7LJ470X04 43484747004R2 1 DG9634 R1282 C-CARBON R RN72K1J-473JE 435034734R1 SPINDLE DETECT 1 DG9634 R1283 C-CARBON R RN72K1J-222JE 435032224R1 SPINDLE DETECT 1 DG9634 R1290 C-CARBON R RN72K1J-000JE 435030004R1 1 DG9634 R1291 C-CARBON R RN72K1J-000JE 435030004R1 1 DG9634 R1292 C-CARBON R RN72K1J-000JE 435030004R1 DVD RESET 1 DG9634 R1401 C-CARBON R RN72K1J-101JE 435031014R1 1 DG9634 R1403 C-CARBON R RN72K1J-474JE 435034744R1 1 DG9634 R1405 C-CARBON R RN72K1J-331JE 435033314R1 1 DG9634 R1406 C-CARBON R RN72K1J-121JE 435031214R1 1 DG9634 R1407 C-CARBON R RN72K1J-182JE 435031824R1 1 www . x ia o y u 1 6 3 . c o m QQ 3 7 6 3 1 5 1 5 0 9 9 2 8 9 4 2 9 8 T E L 1 3 9 4 2 2 9 6 5 1 3 9 9 2 8 9 4 2 9 8 0 5 1 5 1 3 6 7 3 Q Q TEL 13942296513 QQ 376315150 892498299 TEL 13942296513 QQ 376315150 892498299 http://www.xiaoyu163.com 15/25 PAGE DG9634 R1409 C-CARBON R RN72K1J-122JE 435031224R1 1 DG9634 R1410 C-CARBON R RN72K1J-221JE 435032214R1 1 DG9634 R1411 C-CARBON R RN72K1J-000JE 435030004R1 1 DG9634 R1501 C-R NET RM7LJ470X04 43484747004R2 1 DG9634 R1502 C-R NET RM7LJ470X04 43484747004R2 1 DG9634 R1503 C-CARBON R RN72K1J-470JE 435034704R1 1 DG9634 R1504 C-CARBON R RN72K1J-470JE 435034704R1 1 DG9634 R1505 C-CARBON R RN72K1J-472JE 435034724R1 1 DG9634 R1506 C-CARBON R RN72K1J-472JE 435034724R1 1 DG9634 R1507 C-CARBON R RN72K1J-330JE 435033304R1 1 DG9634 R1511 C-CARBON R RN72K1J-470JE 435034704R1 1 DG9634 R1512 C-CARBON R RN72K1J-470JE 435034704R1 1 DG9634 R1513 C-CARBON R RN72K1J-470JE 435034704R1 1 DG9634 R1514 C-CARBON R RN72K1J-470JE 435034704R1 1 DG9634 R1515 C-CARBON R RN72K1J-000JE 435030004R1 1 DG9634 R1516 C-CARBON R RN72K1J-470JE 435034704R1 1 DG9634 R1517 C-CARBON R RN72K1J-100JE 435031004R1 1 DG9634 R1518 C-CARBON R RN72K1J-472JE 435034724R1 1 DG9634 R1519 C-CARBON R RN72K1J-470JE 435034704R1 1 DG9634 R1520 C-CARBON R RN72K1J-470JE 435034704R1 1 DG9634 R1521 C-CARBON R RN72K1J-470JE 435034704R1 1 DG9634 R1522 C-CARBON R RN72K1J-470JE 435034704R1 1 DG9634 R1525 C-CARBON R RN72K1J-470JE 435034704R1 1 DG9634 R1527 C-CARBON R RN72K1J-103JE 435031034R1 1 DG9634 R1528 C-CARBON R RN72K1J-000JE 435030004R1 1 DG9634 R1529 C-CARBON R RN72K1J-000JE 435030004R1 1 DG9634 R1530 C-CARBON R RN72K1J-472JE 435034724R1 1 DG9634 R1531 C-CARBON R RN72K1J-472JE 435034724R1 1 DG9634 R1533 C-CARBON R RN72K1J-221JE 435032214R1 1 DG9634 R1534 C-CARBON R RN72K1J-472JE 435034724R1 1 DG9634 R1535 C-CARBON R RN72K1J-221JE 435032214R1 1 DG9634 R1536 C-CARBON R RN72K1J-101FE 435031012R1 1 DG9634 R1537 C-CARBON R RN72K1J-750JE 435037504R1 1 DG9634 R1538 C-CARBON R RN72K1J-750JE 435037504R1 1 DG9634 R1539 C-CARBON R RN72K1J-750JE 435037504R1 1 DG9634 R1540 C-CARBON R RN72K1J-331JE 435033314R1 1 DG9634 R1541 C-CARBON R RN72K1J-472JE 435034724R1 1 DG9634 R1542 C-CARBON R RN72K1J-000JE 435030004R1 1 DG9634 R1543 C-CARBON R RN72K1J-473JE 435034734R1 1 DG9634 R1546 C-CARBON R RN72K1J-391JE 435033914R1 1 DG9634 R1551 C-R NET MNR12E0APJ000 43464900002R2 1 DG9634 R1552 C-R NET MNR12E0APJ000 43464900002R2 1 DG9634 R1553 C-R NET MNR12E0APJ000 43464900002R2 1 DG9634 R1554 C-R NET MNR12E0APJ000 43464900002R2 1 DG9634 R1555 C-CARBON R RN72K1J-000JE 435030004R1 1 DG9634 R1557 C-CARBON R RN72K1J-000JE 435030004R1 1 DG9634 R1559 C-CARBON R RN72K1J-182JE 435031824R1 1 DG9634 R1560 C-CARBON R RN72K1J-182JE 435031824R1 1 www . x ia o y u 1 6 3 . c o m QQ 3 7 6 3 1 5 1 5 0 9 9 2 8 9 4 2 9 8 T E L 1 3 9 4 2 2 9 6 5 1 3 9 9 2 8 9 4 2 9 8 0 5 1 5 1 3 6 7 3 Q Q TEL 13942296513 QQ 376315150 892498299 TEL 13942296513 QQ 376315150 892498299 http://www.xiaoyu163.com 16/25 PAGE DG9634 R1562 C-CARBON R RN72K1J-000JE 435030004R1 1 DG9634 R1564 C-CARBON R RN72K1J-102JE 435031024R1 1 DG9634 R1566 C-CARBON R RN72K1J-473JE 435034734R1 1 DG9634 R1568 C-CARBON R RN72K1J-000JE 435030004R1 1 DG9634 R1569 C-CARBON R RN72K1J-000JE 435030004R1 1 DG9634 R1581 C-CARBON R RN72K1J-221JE 435032214R1 1 DG9634 R1582 C-CARBON R RN72K1J-221JE 435032214R1 1 DG9634 R1585 C-CARBON R RN72K1J-105FE 435031052R1 1 DG9634 R1586 C-CARBON R RN72K1J-821FE 435038212R1 Matching 1 DG9634 R1587 C-CARBON R RN72K1J-331FE 435033312R1 1 DG9634 R1588 C-CARBON R RN72K1J-000JE 435030004R1 1 DG9634 R1589 C-CARBON R RN72K1J-000JE 435030004R1 1 DG9634 R1592 C-CARBON R RN72K1J-103JE 435031034R1 1 DG9634 R1701 C-CARBON R RN72K1J-470JE 435034704R1 1 DG9634 R1702 C-CARBON R RN72K1J-470JE 435034704R1 1 DG9634 R1703 C-CARBON R RN72K1J-221JE 435032214R1 1 DG9634 R1704 C-CARBON R RN72K1J-473JE 435034734R1 1 DG9634 R1705 C-CARBON R RN72K1J-470JE 435034704R1 1 DG9634 R1708 C-CARBON R RN72K1J-221JE 435032214R1 1 DG9634 R1709 C-CARBON R RN72K1J-103JE 435031034R1 1 DG9634 R1712 C-CARBON R RN72K1J-103JE 435031034R1 1 DG9634 R1713 C-CARBON R RN72K1J-224JE 435032244R1 1 DG9634 R1714 C-CARBON R RN72K1J-470JE 435034704R1 1 DG9634 R1717 C-CARBON R RN72K1J-000JE 435030004R1 1 DG9634 R1720 C-CARBON R RN72K1J-221JE 435032214R1 1 DG9634 R1721 C-CARBON R RN72K1J-221JE 435032214R1 1 DG9634 R1722 C-CARBON R RN72K1J-221JE 435032214R1 1 DG9634 R1723 C-CARBON R RN72K1J-221JE 435032214R1 1 DG9634 R1724 C-CARBON R RN72K1J-221JE 435032214R1 1 DG9634 R1725 C-CARBON R RN72K1J-472JE 435034724R1 1 DG9634 R1726 C-CARBON R RN72K1J-221JE 435032214R1 1 DG9634 R1727 C-CARBON R RN72K1J-472JE 435034724R1 1 DG9634 R1728 C-CARBON R RN72K1J-103JE 435031034R1 1 DG9634 R1729 C-CARBON R RN72K1J-470JE 435034704R1 1 DG9634 R1731 C-CARBON R RN72K1J-470JE 435034704R1 1 DG9634 R1732 C-CARBON R RN72K1J-103JE 435031034R1 1 DG9634 R1733 C-CARBON R RN72K1J-470JE 435034704R1 1 DG9634 R1734 C-CARBON R RN72K1J-470JE 435034704R1 1 DG9634 R1735 C-CARBON R RN72K1J-470JE 435034704R1 1 DG9634 R1736 C-CARBON R RN72K1J-470JE 435034704R1 1 DG9634 R1737 C-CARBON R RN72K1J-470JE 435034704R1 1 DG9634 R1739 C-CARBON R RN72K1J-221JE 435032214R1 1 DG9634 R1740 C-CARBON R RN72K1J-103JE 435031034R1 1 DG9634 R1741 C-CARBON R RN72K1J-221JE 435032214R1 1 DG9634 R1742 C-CARBON R RN72K1J-103JE 435031034R1 1 DG9634 R1743 C-CARBON R RN72K1J-221JE 435032214R1 1 DG9634 R1744 C-CARBON R RN72K1J-221JE 435032214R1 1 DG9634 R1745 C-CARBON R RN72K1J-103JE 435031034R1 1 www . x ia o y u 1 6 3 . c o m QQ 3 7 6 3 1 5 1 5 0 9 9 2 8 9 4 2 9 8 T E L 1 3 9 4 2 2 9 6 5 1 3 9 9 2 8 9 4 2 9 8 0 5 1 5 1 3 6 7 3 Q Q TEL 13942296513 QQ 376315150 892498299 TEL 13942296513 QQ 376315150 892498299 http://www.xiaoyu163.com 17/25 PAGE DG9634 R1746 C-CARBON R RN72K1J-000JE 435030004R1 ~LD_CURRENT 1 DG9634 R1747 C-CARBON R RN72K1J-473JE 435034734R1 ~LD_CURRENT 1 DG9634 R1748 C-CARBON R RN72K1J-000JE 435030004R1 POS_SENS 1 DG9634 R1749 C-CARBON R RN72K1J-473JE 435034734R1 POS_SENS 1 DG9634 R1750 C-CARBON R RN72K1J-000JE 435030004R1 DISC_SENS 1 DG9634 R1751 C-CARBON R RN72K1J-473JE 435034734R1 DISC_SENS 1 DG9634 R1752 C-CARBON R RN72K1J-470JE 435034704R1 1 DG9634 R1753 C-CARBON R RN72K1J-221JE 435032214R1 1 DG9634 R1755 C-CARBON R RN72K1J-470JE 435034704R1 1 DG9634 R1756 C-CARBON R RN72K1J-470JE 435034704R1 1 DG9634 R1757 C-CARBON R RN72K1J-221JE 435032214R1 1 DG9634 R1758 C-CARBON R RN72K1J-221JE 435032214R1 1 DG9634 R1759 C-CARBON R RN72K1J-221JE 435032214R1 1 DG9634 R1760 C-CARBON R RN72K1J-221JE 435032214R1 1 DG9634 R1761 C-CARBON R RN72K1J-221JE 435032214R1 1 DG9634 R1762 C-CARBON R RN72K1J-221JE 435032214R1 1 DG9634 R1763 C-CARBON R RN72K1J-221JE 435032214R1 1 DG9634 R1764 C-CARBON R RN72K1J-221JE 435032214R1 1 DG9634 R1766 C-CARBON R RN72K1J-470JE 435034704R1 1 DG9634 R1768 C-CARBON R RN72K1J-221JE 435032214R1 1 DG9634 R1769 C-CARBON R RN72K1J-103JE 435031034R1 1 DG9634 R1770 C-CARBON R RN72K1J-473JE 435034734R1 1 DG9634 R1771 C-CARBON R RN72K1J-000JE 435030004R1 1 DG9634 R1772 C-CARBON R RN72K1J-273JE 435032734R1 CEC Pull UP 1 DG9634 R1777 C-CARBON R RN72K1J-221JE 435032214R1 1 DG9634 R1778 C-CARBON R RN72K1J-473JE 435034734R1 1 DG9634 R1779 C-CARBON R RN72K1J-221JE 435032214R1 1 DG9634 R1780 C-CARBON R RN72K1J-103JE 435031034R1 1 DG9634 R1781 C-CARBON R RN72K1J-221JE 435032214R1 1 DG9634 R1782 C-CARBON R RN72K1J-221JE 435032214R1 1 DG9634 R1783 C-CARBON R RN72K1J-472JE 435034724R1 1 DG9634 R1784 C-CARBON R RN72K1J-221JE 435032214R1 1 DG9634 R1785 C-CARBON R RN72K1J-273JE 435032734R1 1 DG9634 R1786 C-CARBON R RN72K1J-221JE 435032214R1 1 DG9634 R1787 C-CARBON R RN72K1J-221JE 435032214R1 1 DG9634 R1788 C-CARBON R RN72K1J-103JE 435031034R1 1 DG9634 R1789 C-CARBON R RN72K1J-221JE 435032214R1 1 DG9634 R1798 C-CARBON R RN72K1J-473JE 435034734R1 1 DG9634 R1799 C-CARBON R RN72K1J-473JE 435034734R1 1 DG9634 R1800 C-CARBON R RN72K1J-473JE 435034734R1 1 DG9634 R1801 C-CARBON R RN72K1J-221JE 435032214R1 1 DG9634 R1803 C-CARBON R RN72K1J-333JE 435033334R1 1 DG9634 R1804 C-CARBON R RN72K1J-472JE 435034724R1 1 DG9634 R1805 C-CARBON R RN72K1J-272JE 435032724R1 1 DG9634 R1806 C-CARBON R RN72K1J-472JE 435034724R1 1 DG9634 R1807 C-CARBON R RN72K1J-272JE 435032724R1 1 DG9634 R1808 C-CARBON R RN72K1J-221JE 435032214R1 1 DG9634 R1809 C-CARBON R RN72K1J-473JE 435034734R1 1 www . x ia o y u 1 6 3 . c o m QQ 3 7 6 3 1 5 1 5 0 9 9 2 8 9 4 2 9 8 T E L 1 3 9 4 2 2 9 6 5 1 3 9 9 2 8 9 4 2 9 8 0 5 1 5 1 3 6 7 3 Q Q TEL 13942296513 QQ 376315150 892498299 TEL 13942296513 QQ 376315150 892498299 http://www.xiaoyu163.com 18/25 PAGE DG9634 R1810 C-CARBON R RN72K1J-332JE 435033324R1 BAND 1 DG9634 R1811 C-CARBON R RN72K1J-471JE 435034714R1 BAND 1 DG9634 R1813 C-CARBON R RN72K1J-000JE 435030004R1 INT1 1 DG9634 R1815 C-CARBON R RN72K1J-000JE 435030004R1 INT2 1 DG9634 R1817 C-CARBON R RN72K1J-000JE 435030004R1 INT3 1 DG9634 R1819 C-CARBON R RN72K1J-000JE 435030004R1 INT4 1 DG9634 R1820 C-CARBON R RN72K1J-101JE 435031014R1 1 DG9634 R1821 C-CARBON R RN72K1J-103JE 435031034R1 1 DG9634 R1822 C-CARBON R RN72K1J-224JE 435032244R1 1 DG9634 R1823 C-CARBON R RN72K1J-101JE 435031014R1 1 DG9634 R1824 C-CARBON R RN72K1J-000JE 435030004R1 1 DG9634 R1828 C-CARBON R RN72K1J-222JE 435032224R1 1 DG9634 R1829 C-CARBON R RN72K1J-222JE 435032224R1 1 DG9634 R1830 C-CARBON R RN72K1J-473JE 435034734R1 1 DG9634 R1831 C-CARBON R RN72K1J-473JE 435034734R1 1 DG9634 R1832 C-CARBON R RN72K1J-272JE 435032724R1 DVD_REG 1 DG9634 R1833 C-CARBON R RN72K1J-103JE 435031034R1 DVD_REG 1 DG9634 R1835 C-CARBON R RN72K1J-103JE 435031034R1 CHG_ADJ 1 DG9634 R1836 C-CARBON R RN72K1J-563JE 435035634R1 1 DG9634 R1837 C-CARBON R RN72K1J-104JE 435031044R1 1 DG9634 R1838 C-CARBON R RN72K1J-104JE 435031044R1 1 DG9634 R1840 C-CARBON R RN72K1J-000JE 435030004R1 1 DG9634 R1843 C-CARBON R RN72K1J-104JE 435031044R1 1 DG9634 R1844 C-CARBON R RN72K1J-104JE 435031044R1 1 DG9634 R1851 C-CARBON R RN72K1J-103JE 435031034R1 1 DG9634 R1852 C-CARBON R RN72K1J-102JE 435031024R1 1 DG9634 R1853 C-CARBON R RN72K1J-102JE 435031024R1 1 DG9634 R1854 C-CARBON R RN72K1J-102JE 435031024R1 1 DG9634 R1855 C-CARBON R RN72K1J-472JE 435034724R1 1 DG9634 R1856 C-CARBON R RN72K1J-472JE 435034724R1 1 DG9634 R1857 C-CARBON R RN72K1J-000JE 435030004R1 1 DG9634 R1858 C-CARBON R RN72K1J-472JE 435034724R1 1 DG9634 R1859 C-R NET RM7LJ470X04 43484747004R2 1 DG9634 R1860 C-R NET RM7LJ470X04 43484747004R2 1 DG9634 R1861 C-R NET RM7LJ470X04 43484747004R2 1 DG9634 R1862 C-R NET RM7LJ470X04 43484747004R2 1 DG9634 R1863 C-R NET RM7LJ470X04 43484747004R2 1 DG9634 R1864 C-R NET RM7LJ470X04 43484747004R2 1 DG9634 R1865 C-R NET RM7LJ470X04 43484747004R2 1 DG9634 R1866 C-R NET RM7LJ470X04 43484747004R2 1 DG9634 R1867 C-R NET RM7LJ470X04 43484747004R2 1 DG9634 R1868 C-R NET RM7LJ470X04 43484747004R2 1 DG9634 R1869 C-R NET RM7LJ470X04 43484747004R2 1 DG9634 R1870 C-R NET RM7LJ470X04 43484747004R2 1 DG9634 R1871 C-R NET RM7LJ470X04 43484747004R2 1 DG9634 R1909 C-CARBON R RN72K1J-471JE 435034714R1 1 DG9634 R1910 C-CARBON R RN72K1J-102JE 435031024R1 1 DG9634 R1911 C-CARBON R RN72K1J-392JE 435033924R1 1 www . x ia o y u 1 6 3 . c o m QQ 3 7 6 3 1 5 1 5 0 9 9 2 8 9 4 2 9 8 T E L 1 3 9 4 2 2 9 6 5 1 3 9 9 2 8 9 4 2 9 8 0 5 1 5 1 3 6 7 3 Q Q TEL 13942296513 QQ 376315150 892498299 TEL 13942296513 QQ 376315150 892498299 http://www.xiaoyu163.com 19/25 PAGE DG9634 R1912 C-CARBON R RN72K1J-392JE 435033924R1 1 DG9634 R1913 C-CARBON R RN72K1J-682JE 435036824R1 1 DG9634 R2004 C-CARBON R RN72K1J-750JE 435037504R1 1 DG9634 R2005 C-CARBON R RN72K1J-750JE 435037504R1 1 DG9634 R2006 C-CARBON R RN72K1J-750JE 435037504R1 1 DG9634 R2007 C-CARBON R RN72K1J-103JE 435031034R1 1 DG9634 R2008 C-CARBON R RN72K1J-750JE 435037504R1 1 DG9634 R2009 C-CARBON R RN72K1J-750JE 435037504R1 1 DG9634 R2010 C-CARBON R RN72K1J-750JE 435037504R1 1 DG9634 R2011 C-CARBON R RN72K1J-103JE 435031034R1 1 DG9634 R2012 C-CARBON R RN72K1J-750JE 435037504R1 1 DG9634 R2013 C-CARBON R RN72K1J-750JE 435037504R1 1 DG9634 R2014 C-CARBON R RN72K1J-750JE 435037504R1 1 DG9634 R2015 C-CARBON R RN72K1J-000JE 435030004R1 1 DG9634 R2016 C-CARBON R RN72K1J-000JE 435030004R1 1 DG9634 R2017 C-CARBON R RN72K1J-000JE 435030004R1 1 DG9634 R2040 C-CARBON R RN72K1J-000JE 435030004R1 1 DG9634 R2041 C-CARBON R RN72K1J-000JE 435030004R1 For Except Scart 1 DG9634 R2045 C-CARBON R RN72K1J-000JE 435030004R1 1 DG9634 R2046 C-CARBON R RN72K1J-000JE 435030004R1 1 DG9634 R2047 C-CARBON R RN72K1J-000JE 435030004R1 1 DG9634 R2048 C-CARBON R RN72K1J-000JE 435030004R1 1 DG9634 R2049 C-CARBON R RN72K1J-000JE 435030004R1 1 DG9634 R2050 C-CARBON R RN72K1J-000JE 435030004R1 1 DG9634 R2051 C-CARBON R RN72K1J-000JE 435030004R1 1 DG9634 U1402 PHT CP GP1FAV31TK0F 24120157 N 1 DG9634 X1581 CRYSTAL TSX-3225-27MHz 3010465R2 N 1 DG9634 X1701 CERA LOCK CR06000-CG-K0R 3010462R2 N 1 U03 Audio output terminal PC board a'ssy, NAAF-9636-1G 1H554536-1G U04 RS-232C terminal PC board a'ssy, NADG-9637-1G 1H554537-1G U05 AC Inlet terminal PC board a'ssy, NAPS-9639-1G 1H554539-1G U06 Component output PC board a'ssy, NAVD-9641-1G 1H554541-1G U07 Display circuit PC board a'ssy, NADIS-9642-1G 1H554542-1G U09 Standby switch PC board a'ssy, NASW-9643-1G 1H554543-1G U10 Mecha. Connection PC board a'ssy, NAETC-9644-1G 1H554544-1G U11 RI terminal PC board a'ssy, NAAF-9645-1G 1H554545-1G REF. NO. PART NAME DESCRIPTION PART NO. REMARKS AF9636-1GC5001 TF C ECQ-B50V-681J 374726814T 1 AF9636-1GC5002 TF C ECQ-B50V-681J 374726814T 1 AF9636-1GC5003 TF C ECQ-B50V-681J 374726814T 1 AF9636-1GC5004 TF C ECQ-B50V-681J 374726814T 1 AF9636-1GC5005 TF C ECQ-B50V-221K 374722215T 1 AF9636-1GC5006 TF C ECQ-B50V-221K 374722215T 1 www . x ia o y u 1 6 3 . c o m QQ 3 7 6 3 1 5 1 5 0 9 9 2 8 9 4 2 9 8 T E L 1 3 9 4 2 2 9 6 5 1 3 9 9 2 8 9 4 2 9 8 0 5 1 5 1 3 6 7 3 Q Q TEL 13942296513 QQ 376315150 892498299 TEL 13942296513 QQ 376315150 892498299 http://www.xiaoyu163.com 20/25 PAGE AF9636-1GC5011 UTSP C CE04W50V 47M(UTSP) 397584707T 1 AF9636-1GC5012 UTSP C CE04W50V 47M(UTSP) 397584707T 1 AF9636-1GC5016 UTSP C CE04W50V-10M(UTSP) 397581007T 1 AF9636-1GC5017 TF C ECQ-V50V-104J 374721044T 1 AF9636-1GC5018 UTSP C CE04W10V-470M(UTSP) 397534717T 1 AF9636-1GC5019 UTSP C CE04W10V-470M(UTSP) 397534717T 1 AF9636-1GC5020 TF C ECQ-V50V-104J 374721044T 1 AF9636-1GC5021 TF C ECQ-V50V-104J 374721044T 1 AF9636-1GC5023 UTSP C CE04W10V-470M(UTSP) 397534717T 1 AF9636-1GC5024 TF C ECQ-V50V-104J 374721044T 1 AF9636-1GC5025 TF C ECQ-V50V-104J 374721044T 1 AF9636-1GC5026 TF C ECQ-V50V-104J 374721044T 1 AF9636-1GC5027 UTSP C CE04W16V-470M(UTSP) 397544717T 1 AF9636-1GC5028 UTSP C CE04W16V-470M(UTSP) 397544717T 1 AF9636-1GC5029 UTSP C CE04W16V-470M(UTSP) 397544717T 1 AF9636-1GC5030 UTSP C CE04W16V-470M(UTSP) 397544717T 1 AF9636-1GC5031 VR C CE04W16V-1000M(VR) 394641027T 1 AF9636-1GC5032 C-CERA C CC725CH1H-101J1 342101014R1 1 AF9636-1GC5033 C-CERA C CK725F1E-104Z1 332161040R1 1 AF9636-1GC5034 C-CERA C CK725F1E-104Z1 332161040R1 1 AF9636-1GC5035 C-CERA C CK725F1E-104Z1 332161040R1 1 AF9636-1GC5036 TF C ECQ-B50V-102J 374721024T 1 AF9636-1GC5037 TF C ECQ-B50V-102J 374721024T 1 AF9636-1GC5038 TF C ECQ-B50V-102J 374721024T 1 AF9636-1GC5039 TF C ECQ-B50V-102J 374721024T 1 AF9636-1GC5046 C-CERA C CK725F1A-105Z1 332181050R1 1 AF9636-1GC5047 TF C ECQ-B50V-221K 374722215T 1 AF9636-1GC5048 TF C ECQ-B50V-221K 374722215T 1 AF9636-1GC5049 TF C ECQ-B50V-102J 374721024T 1 AF9636-1GC7501 TF C ECQ-V50V-223J 374722234T 1 AF9636-1GC7502 UTSP C CE04W10V-100M(UTSP) 397531017T 1 AF9636-1GC7503 C-CERA C CK725F1E-104Z1 332161040R1 1 AF9636-1GC7504 C-CERA C CK725F1E-104Z1 332161040R1 1 AF9636-1GC7505 C-CERA C CK725F1A-105Z1 332181050R1 1 AF9636-1GC7506 UTSP C CE04W50V-0.47M(UTSP) 397584797T 1 AF9636-1GC7507 UTSP C CE04W50V-0.47M(UTSP) 397584797T 1 AF9636-1GC7509 UTSP C CE04W50V-0.47M(UTSP) 397584797T 1 AF9636-1GC7510 C-CERA C CK725F1E-104Z1 332161040R1 1 AF9636-1GC7512 UTSP C CE04W50V-0.47M(UTSP) 397584797T 1 AF9636-1GC7514 UTSP C CE04W10V-100M(UTSP) 397531017T 1 AF9636 C8001 ELECT C CE04W50V-22M 355782209T 1 AF9636 C8002 C-CERA C CK725F1E-104Z1 332161040R1 1 AF9636 C8003 ELECT C CE04W6.3V-100M 355721019T 1 AF9636 C8005 C-CERA C CK725F1H-104Z1 332151040R1 1 AF9636 C8006 C-CERA C CK725F1E-104Z1 332161040R1 1 AF9636 C8007 C-CERA C CK725F1E-104Z1 332161040R1 1 AF9636 C8008 C-CERA C CC725CH1H-330J1 342103304R1 1 AF9636 C8009 C-CERA C CC725CH1H-330J1 342103304R1 1 www . x ia o y u 1 6 3 . c o m QQ 3 7 6 3 1 5 1 5 0 9 9 2 8 9 4 2 9 8 T E L 1 3 9 4 2 2 9 6 5 1 3 9 9 2 8 9 4 2 9 8 0 5 1 5 1 3 6 7 3 Q Q TEL 13942296513 QQ 376315150 892498299 TEL 13942296513 QQ 376315150 892498299 http://www.xiaoyu163.com 21/25 PAGE AF9636 C8010 C-CERA C CK725F1E-104Z1 332161040R1 1 AF9636 C8011 ELECT C CE04W6.3V-100M 355721019T 1 AF9636 C8012 C-CERA C CK725B1H-102K1 332101025R1 1 AF9636 C8013 C-CERA C CK725B1H-102K1 332101025R1 1 AF9636 C8014 C-CERA C CK725B1H-102K1 332101025R1 1 AF9636 C8015 C-CERA C CK725B1H-102K1 332101025R1 1 AF9636 C8021 ELECT C CE04W6.3V-100M 355721019T 1 AF9636 C8022 ELECT C CE04W6.3V-100M 355721019T 1 AF9636 C8023 C-CERA C CC725CH1H-330J1 342103304R1 1 AF9636 C8024 C-CERA C CC725CH1H-330J1 342103304R1 1 AF9636 C8025 C-CERA C CK725F1A-105Z1 332181050R1 1 AF9636 C8026 ELECT C CE04W16V-47M 355744709T 1 AF9636-1GD5001 C-DIODE 1SS352 223234R2 1 AF9636-1GD5001 or C-DIODE 1SS355 223269R2 ( 1) AF9636-1GD5001 or C-DIODE MA2J1110GL 223302R2 ( 1) AF9636-1GD7501 C-DIODE 1SS352 223234R2 1 AF9636-1GD7501 or C-DIODE 1SS355 223269R2 ( 1) AF9636-1GD7501 or C-DIODE MA2J1110GL 223302R2 ( 1) AF9636 D8001 ZENER D UDZS5.6B 224550560R2 1 AF9636 D8002 LED SEL2910A-TP6 225390T 1 AF9636 D8005 LED SLI-343URC-TB7 225452T 1 AF9636 JL8001 JUMPER LEAD JL3 100 B(6-6) 3J100606B15 1 AF9636 JL8001A WIRE HOL NSCT-3P874 25051087 1 AF9636 JL8001B WIRE HOL NSCT-3P874 25051087 1 AF9636-1GL5001 EMIFIL BK1608LM182-T 230958R1 1 AF9636-1GL6201 EMIFIL BK1608LM182-T 230958R1 1 AF9636-1GL6202 EMIFIL BK1608LM182-T 230958R1 1 AF9636-1GL6203 EMIFIL BK1608LM182-T 230958R1 1 AF9636-1GL7503 EMIFIL BK1608LM182-T 230958R1 1 AF9636-1GL7505 EMIFIL BK1608LM182-T 230958R1 1 AF9636-1GL7506 EMIFIL BK1608LM182-T 230958R1 1 AF9636 L8001 CHOKE COIL LBC2518T100M 231364M100R2 1 AF9636 L8002 CHOKE COIL LBC2518T100M 231364M100R2 1 AF9636 L9002 CORE TR-25-15-12(Dot) 230997 1 AF9636 P1203B SOCKET NSCT-15P2249 25052352 1 AF9636-1GP1401D SOCKET NSCT-15P2212 25052315 1 AF9636-1GP1702A SOCKET NSCT-9P2206 25052309 1 AF9636 P1703B SOCKET NSCT-17P2251 25052354 1 AF9636-1GP2004C SOCKET NSCT-9P2206 25052309 1 AF9636-1GP5004 PIN JACK NPJ-2PDWR672 25045904 1 AF9636-1GP5005 ST JACK SM0505-0021 25045857 1 AF9636-1GP5901 PLUG NPLG-3P131 25055147 1 AF9636-1GP6202 BNC JACK YKC31-0157 25045739 1 AF9636-1GP7501 ST JACK HSJ1002-01-6020 25045647 1 AF9636-1GP7502 SOCKET 7906-09FHA 25053103 1 AF9636 P8001A SOCKET NSCT-7P2241 25052344 1 AF9636 P8021 SOCKET NSCT-15P2212 25052315 1 AF9636-1GP9002A AC INLET NPLG-2P913 25055960 1 www . x ia o y u 1 6 3 . c o m QQ 3 7 6 3 1 5 1 5 0 9 9 2 8 9 4 2 9 8 T E L 1 3 9 4 2 2 9 6 5 1 3 9 9 2 8 9 4 2 9 8 0 5 1 5 1 3 6 7 3 Q Q TEL 13942296513 QQ 376315150 892498299 TEL 13942296513 QQ 376315150 892498299 http://www.xiaoyu163.com 22/25 PAGE AF9636 P9003 SOCKET AS NSAS-4P1779 2009991139UL 1 AF9636-1GQ5001 IC NJM4580M-D 22241448R2 1 AF9636-1GQ5005 TR 2SD655-E 2211705T 1 AF9636-1GQ5005 or TR 2SD655-F 2211706T ( 1) AF9636-1GQ5006 TR 2SD655-E 2211705T 1 AF9636-1GQ5006 or TR 2SD655-F 2211706T ( 1) AF9636-1GQ5007 TR 2SD655-E 2211705T 1 AF9636-1GQ5007 or TR 2SD655-F 2211706T ( 1) AF9636-1GQ5008 TR 2SD655-E 2211705T 1 AF9636-1GQ5008 or TR 2SD655-F 2211706T ( 1) AF9636-1GQ5009 IC TC7SHU04FU 22241638R2 1 AF9636-1GQ5010 IC WM8718SEDS/RV 22241991R2 1 AF9636-1GQ5011 IC 78M05(NJM78M05FA) 222780055JRC 1 AF9636-1GQ5012 TR KRA107S 2216350R2 1 AF9636-1GQ5012 or TR RN2407(TE85L_F) 2216360R2 ( 1) AF9636-1GQ5013 TR KRC107S 2216340R2 1 AF9636-1GQ5013 or TR RN1407 2216260R2 ( 1) AF9636-1GQ5014 TR KRC107S 2216340R2 1 AF9636-1GQ5014 or TR RN1407 2216260R2 ( 1) AF9636-1GQ5015 TR KRC107S 2216340R2 1 AF9636-1GQ5015 or TR RN1407 2216260R2 ( 1) AF9636-1GQ5016 TR 2SC2712-GR 2213145R2 1 AF9636-1GQ5017 IC S-812C33AUA-C2N 22242222R2 1 AF9636-1GQ5018 TR KRC107S 2216340R2 1 AF9636-1GQ5018 or TR RN1407 2216260R2 ( 1) AF9636-1GQ5019 TR 2SC2712-GR 2213145R2 1 AF9636-1GQ7501 PHT CP PS2501AL-1 24120141R2 1 AF9636-1GQ7502 TR KRC107S 2216340R2 1 AF9636-1GQ7502 or TR RN1407 2216260R2 ( 1) AF9636-1GQ7503 TR KRC107S 2216340R2 1 AF9636-1GQ7503 or TR RN1407 2216260R2 ( 1) AF9636-1GQ7504 IC ICL3221ECVZ 22242268R2 1 AF9636 Q8001 FL TUBE HNV-13SS15T 212253 1 AF9636 Q8001A CUSHION t3*10*25 28141513 2 AF9636 Q8003 IC MPD780232GC-710-8BT-A 22242286R3 1 AF9636 Q8005 TR KRC107S 2216340R2 1 AF9636 Q8005 or TR RN1407 2216260R2 ( 1) AF9636 Q8021 IC MPC29M33AT-E1-A 22278033EAR2NE 1 AF9636 Q8022 TR KRA107S 2216350R2 1 AF9636 Q8022 or TR RN2407(TE85L_F) 2216360R2 ( 1) AF9636 Q8023 TR 2SD655-E 2211705T 1 AF9636 Q8023 or TR 2SD655-F 2211706T ( 1) AF9636-1GR5001 C-CARBON R RN72K1J-272JE 435032724R1 1 AF9636-1GR5002 C-CARBON R RN72K1J-272JE 435032724R1 1 AF9636-1GR5003 C-CARBON R RN72K1J-272JE 435032724R1 1 AF9636-1GR5004 C-CARBON R RN72K1J-272JE 435032724R1 1 AF9636-1GR5005 C-CARBON R RN72K1J-152JE 435031524R1 1 AF9636-1GR5006 C-CARBON R RN72K1J-152JE 435031524R1 1 www . x ia o y u 1 6 3 . c o m QQ 3 7 6 3 1 5 1 5 0 9 9 2 8 9 4 2 9 8 T E L 1 3 9 4 2 2 9 6 5 1 3 9 9 2 8 9 4 2 9 8 0 5 1 5 1 3 6 7 3 Q Q TEL 13942296513 QQ 376315150 892498299 TEL 13942296513 QQ 376315150 892498299 http://www.xiaoyu163.com 23/25 PAGE AF9636-1GR5007 C-CARBON R RN72K1J-152JE 435031524R1 1 AF9636-1GR5008 C-CARBON R RN72K1J-152JE 435031524R1 1 AF9636-1GR5009 C-CARBON R RN72K1J-272JE 435032724R1 1 AF9636-1GR5010 C-CARBON R RN72K1J-272JE 435032724R1 1 AF9636-1GR5011 C-CARBON R RN72K1J-272JE 435032724R1 1 AF9636-1GR5012 C-CARBON R RN72K1J-272JE 435032724R1 1 AF9636-1GR5035 C-CARBON R RN72K1J-224JE 435032244R1 1 AF9636-1GR5036 C-CARBON R RN72K1J-224JE 435032244R1 1 AF9636-1GR5037 C-CARBON R RN72K1J-221JE 435032214R1 1 AF9636-1GR5038 C-CARBON R RN72K1J-221JE 435032214R1 1 AF9636-1GR5039 C-CARBON R RN72K1J-222JE 435032224R1 1 AF9636-1GR5040 C-CARBON R RN72K1J-222JE 435032224R1 1 AF9636-1GR5041 C-CARBON R RN72K1J-222JE 435032224R1 1 AF9636-1GR5042 C-CARBON R RN72K1J-222JE 435032224R1 1 AF9636-1GR5043 C-CARBON R RN72K1J-221JE 435032214R1 1 AF9636-1GR5044 C-CARBON R RN72K1J-221JE 435032214R1 1 AF9636-1GR5045 C-CARBON R RN72K1J-101JE 435031014R1 1 AF9636-1GR5046 C-CARBON R RN72K1J-101JE 435031014R1 1 AF9636-1GR5048 C-CARBON R RN72K1J-000JE 435030004R1 1 AF9636-1GR5049 C-CARBON R RN72K1J-471JE 435034714R1 1 AF9636-1GR5050 C-CARBON R RN72K1J-103JE 435031034R1 1 AF9636-1GR5051 C-CARBON R RN72K1J-330JE 435033304R1 1 AF9636-1GR5052 METAL O R RS1/2WBJ-150 443521514T 1 AF9636-1GR5053 METAL O R RS1/2WBJ-150 443521514T 1 AF9636-1GR5054 C-CARBON R RN72K1J-684JE 435036844R1 1 AF9636-1GR5055 C-CARBON R RN72K1J-103JE 435031034R1 1 AF9636-1GR5056 C-CARBON R RN72K1J-472JE 435034724R1 1 AF9636-1GR5057 C-CARBON R RN72K1J-274JE 435032744R1 1 AF9636-1GR5058 C-CARBON R RN72K1J-000JE 435030004R1 1 AF9636-1GR5059 C-CARBON R RN72K1J-103JE 435031034R1 1 AF9636-1GR5061 C-CARBON R RN72K1J-471JE 435034714R1 1 AF9636-1GR5062 C-CARBON R RN72K1J-000JE 435030004R1 1 AF9636-1GR5085 C-CARBON R RN72K1J-152JE 435031524R1 1 AF9636-1GR5086 C-CARBON R RN72K1J-152JE 435031524R1 1 AF9636-1GR5087 C-CARBON R RN72K1J-152JE 435031524R1 1 AF9636-1GR5088 C-CARBON R RN72K1J-152JE 435031524R1 1 AF9636-1GR5089 C-CARBON R RN72K1J-000JE 435030004R1 1 AF9636-1GR5101 C-CARBON R RN72K1J-470JE 435034704R1 1 AF9636-1GR5102 C-CARBON R RN72K1J-470JE 435034704R1 1 AF9636-1GR5103 C-CARBON R RN72K1J-470JE 435034704R1 1 AF9636-1GR5104 C-CARBON R RN72K1J-470JE 435034704R1 1 AF9636-1GR5105 C-CARBON R RN72K1J-470JE 435034704R1 1 AF9636-1GR5106 C-CARBON R RN72K1J-470JE 435034704R1 1 AF9636-1GR5107 C-CARBON R RN72K1J-103JE 435031034R1 1 AF9636-1GR5108 C-CARBON R RN72K1J-103JE 435031034R1 1 AF9636-1GR5109 C-CARBON R RN72K1J-103JE 435031034R1 1 AF9636-1GR5110 C-CARBON R RN72K1J-103JE 435031034R1 1 AF9636-1GR5113 METAL O R RS1/2WBJ-100 443521014T 1 www . x ia o y u 1 6 3 . c o m QQ 3 7 6 3 1 5 1 5 0 9 9 2 8 9 4 2 9 8 T E L 1 3 9 4 2 2 9 6 5 1 3 9 9 2 8 9 4 2 9 8 0 5 1 5 1 3 6 7 3 Q Q TEL 13942296513 QQ 376315150 892498299 TEL 13942296513 QQ 376315150 892498299 http://www.xiaoyu163.com 24/25 PAGE AF9636-1GR5114 C-CARBON R RN72K1J-000JE 435030004R1 1 AF9636-1GR6202 C-CARBON R RN72K1J-750JE 435037504R1 1 AF9636-1GR6204 C-CARBON R RN72K1J-750JE 435037504R1 1 AF9636-1GR6206 C-CARBON R RN72K1J-750JE 435037504R1 1 AF9636-1GR7501 C-CARBON R RN72K1J-332JE 435033324R1 1 AF9636-1GR7502 C-CARBON R RN72K1J-000JE 435030004R1 1 AF9636-1GR7503 C-CARBON R RN72K1J-103JE 435031034R1 1 AF9636-1GR7504 C-CARBON R RN72K1J-103JE 435031034R1 1 AF9636-1GR7505 C-CARBON R RN72K1J-101JE 435031014R1 1 AF9636-1GR7506 C-CARBON R RN72K1J-000JE 435030004R1 1 AF9636-1GR7507 C-CARBON R RN72K1J-101JE 435031014R1 1 AF9636-1GR7508 C-CARBON R RN72K1J-101JE 435031014R1 1 AF9636-1GR7511 C-CARBON R RN72K1J-101JE 435031014R1 1 AF9636-1GR7512 C-CARBON R RN72K1J-103JE 435031034R1 1 AF9636-1GR7513 C-CARBON R RN72K1J-101JE 435031014R1 1 AF9636-1GR7527 C-CARBON R RN72K1J-332JE 435033324R1 1 AF9636 R7528 C-CARBON R RN72K1J-000JE 435030004R1 1 AF9636 R7529 C-CARBON R RN72K1J-000JE 435030004R1 1 AF9636 R8001 C-CARBON R RN72K1J-391JE 435033914R1 1 AF9636 R8002 C-CARBON R RN72K1J-471JE 435034714R1 1 AF9636 R8003 C-CARBON R RN72K1J-821JE 435038214R1 1 AF9636 R8004 C-CARBON R RN72K1J-102JE 435031024R1 1 AF9636 R8005 C-CARBON R RN72K1J-182JE 435031824R1 1 AF9636 R8006 C-CARBON R RN72K1J-392JE 435033924R1 1 AF9636 R8007 C-CARBON R RN72K1J-103JE 435031034R1 1 AF9636 R8010 C-CARBON R RN72K1J-391JE 435033914R1 1 AF9636 R8011 C-CARBON R RN72K1J-471JE 435034714R1 1 AF9636 R8012 C-CARBON R RN72K1J-821JE 435038214R1 1 AF9636 R8013 C-CARBON R RN72K1J-272JE 435032724R1 1 AF9636 R8014 C-CARBON R RN72K1J-272JE 435032724R1 1 AF9636 R8017 C-CARBON R RN72K1J-391JE 435033914R1 1 AF9636 R8018 C-CARBON R RN72K1J-471JE 435034714R1 1 AF9636 R8019 C-CARBON R RN72K1J-821JE 435038214R1 1 AF9636 R8020 C-CARBON R RN72K1J-102JE 435031024R1 1 AF9636 R8021 C-CARBON R RN72K1J-182JE 435031824R1 1 AF9636 R8022 C-CARBON R RN72K1J-392JE 435033924R1 1 AF9636 R8023 C-CARBON R RN72K1J-103JE 435031034R1 1 AF9636 R8024 C-CARBON R RN72K1J-471JE 435034714R1 1 AF9636 R8025 C-CARBON R RN72K1J-471JE 435034714R1 1 AF9636 R8026 C-CARBON R RN72K1J-101JE 435031014R1 1 AF9636 R8027 C-CARBON R RN72K1J-272JE 435032724R1 1 AF9636 R8028 C-CARBON R RN72K1J-272JE 435032724R1 1 AF9636 R8029 C-CARBON R RN72K1J-103JE 435031034R1 1 AF9636 R8032 C-CARBON R RN72K1J-471JE 435034714R1 1 AF9636 R8033 C-CARBON R RN72K1J-101JE 435031014R1 1 AF9636 R8034 C-CARBON R RN72K1J-471JE 435034714R1 1 AF9636 R8035 C-CARBON R RN72K1J-333JE 435033334R1 1 AF9636 R8036 C-CARBON R RN72K1J-471JE 435034714R1 1 www . x ia o y u 1 6 3 . c o m QQ 3 7 6 3 1 5 1 5 0 9 9 2 8 9 4 2 9 8 T E L 1 3 9 4 2 2 9 6 5 1 3 9 9 2 8 9 4 2 9 8 0 5 1 5 1 3 6 7 3 Q Q TEL 13942296513 QQ 376315150 892498299 TEL 13942296513 QQ 376315150 892498299 http://www.xiaoyu163.com 25/25 PAGE AF9636 R8037 C-CARBON R RN72K1J-391JE 435033914R1 1 AF9636 R8038 C-CARBON R RN72K1J-471JE 435034714R1 1 AF9636 R8039 C-CARBON R RN72K1J-221JE 435032214R1 1 AF9636 R8041 C-CARBON R RN72K1J-101JE 435031014R1 1 AF9636 R8042 C-CARBON R RN72K1J-101JE 435031014R1 1 AF9636 R8051 C-CARBON R RN72K1J-152JE 435031524R1 1 AF9636 R8052 C-CARBON R RN72K1J-224JE 435032244R1 1 AF9636 R8053 METAL R RNU1/2WCJ-6.8 453530684T 1 AF9636 R8054 METAL R RNU1/2WCJ-6.8 453530684T 1 AF9636 R8055 C-CARBON R RN72K1J-103JE 435031034R1 1 AF9636 R8056 METAL R RNU1/2WCJ-6.8 453530684T 1 AF9636 R8057 METAL R RNU1/2WCJ-6.8 453530684T 1 AF9636 R8501 C-CARBON R RN72K1J-000JE 435030004R1 1 AF9636 S8001 PUSH SW NPS-111-S681 25035718T 1 AF9636 S8002 PUSH SW NPS-111-S681 25035718T 1 AF9636 S8003 PUSH SW NPS-111-S681 25035718T 1 AF9636 S8004 PUSH SW NPS-111-S681 25035718T 1 AF9636 S8005 PUSH SW NPS-111-S681 25035718T 1 AF9636 S8006 PUSH SW NPS-111-S681 25035718T 1 AF9636 S8007 PUSH SW NPS-111-S681 25035718T 1 AF9636 S8008 PUSH SW NPS-111-S681 25035718T 1 AF9636 S8009 PUSH SW NPS-111-S681 25035718T 1 AF9636 S8010 PUSH SW NPS-111-S681 25035718T 1 AF9636 S8011 PUSH SW NPS-111-S681 25035718T 1 AF9636 S8012 PUSH SW NPS-111-S681 25035718T 1 AF9636 S8013 PUSH SW NPS-111-S681 25035718T 1 AF9636 S8014 PUSH SW NPS-111-S681 25035718T 1 AF9636 S8015 PUSH SW NPS-111-S681 25035718T 1 AF9636 U7560 REMO SENS GP1UE271RKVF 24130016 N 1 AF9636 X8001 CERA LOCK CSTLS5M00G56-A0 3010406T 1 www . x ia o y u 1 6 3 . c o m QQ 3 7 6 3 1 5 1 5 0 9 9 2 8 9 4 2 9 8 T E L 1 3 9 4 2 2 9 6 5 1 3 9 9 2 8 9 4 2 9 8 0 5 1 5 1 3 6 7 3 Q Q TEL 13942296513 QQ 376315150 892498299 TEL 13942296513 QQ 376315150 892498299 http://www.xiaoyu163.com DPS-5.9 Sales & Product Planning Div. : 2-1, Nisshin-cho, Neyagawa-shi, OSAKA 572-8540, JAPAN Tel: 072-831-8023 Fax: 072-831-8163 http://www.onkyo.com/ ONKYO CORPORATION Integra Division of ONKYO U.S.A. CORPORATION 18 Park Way, Upper Saddle River, N.J. 07458, U.S.A. Tel: 201-785-2600 Fax: 201-785-2650 http://www.integrahometheater.com Integra Division of www. xiaoyu163. com QQ 376315150 9 9 2 8 9 4 2 9 8 TEL 13942296513 9 9 2 8 9 4 2 9 8 0 5 1 5 1 3 6 7 3 Q Q TEL 13942296513 QQ 376315150 892498299 TEL 13942296513 QQ 376315150 892498299 http://www.xiaoyu163.com

标签:

版权声明

1. 本站所有素材,仅限学习交流,仅展示部分内容,如需查看完整内容,请下载原文件。
2. 会员在本站下载的所有素材,只拥有使用权,著作权归原作者所有。
3. 所有素材,未经合法授权,请勿用于商业用途,会员不得以任何形式发布、传播、复制、转售该素材,否则一律封号处理。
4. 如果素材损害你的权益请联系客服QQ:77594475 处理。