安桥ONKYO DPC-5.2 DVD播放器维修手册

分类:电子电工 日期: 点击:0
安桥ONKYO DPC-5.2 DVD播放器维修手册-0 安桥ONKYO DPC-5.2 DVD播放器维修手册-1 安桥ONKYO DPC-5.2 DVD播放器维修手册-2 安桥ONKYO DPC-5.2 DVD播放器维修手册-3 安桥ONKYO DPC-5.2 DVD播放器维修手册-4 安桥ONKYO DPC-5.2 DVD播放器维修手册-5 安桥ONKYO DPC-5.2 DVD播放器维修手册-6 安桥ONKYO DPC-5.2 DVD播放器维修手册-7 安桥ONKYO DPC-5.2 DVD播放器维修手册-8 安桥ONKYO DPC-5.2 DVD播放器维修手册-9

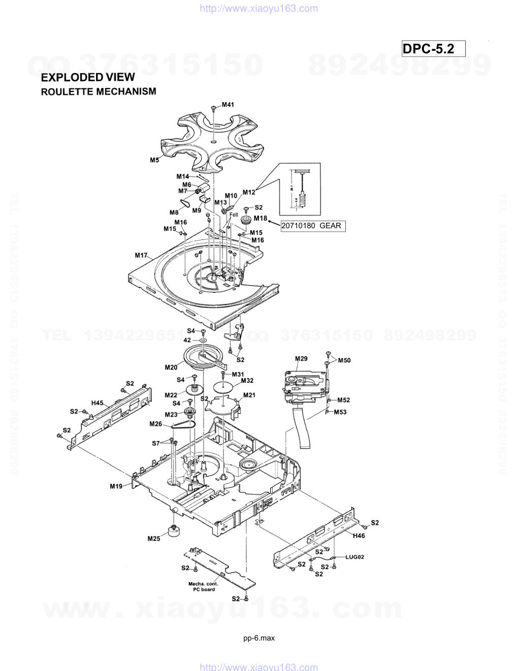
DPC-5.2 SERVICE MANUAL SERVICE MANUAL DVD CHANGER Black model MODEL DPC-5.2 120V AC, 60Hz BMDD Ref. No. 3705 Nov, 2001 RC-472DV Schematic diagram & Printed circuit board view only SAFETY-RELATED COMPONENT WARNING!! THE MARK FOUND ON SOME COMPONENT PARTS INDICATES THE CRITICAL FOR RISK OF FIRE AND ELECTRIC SHOCK. WHEN REPLACING, BE SURE TO USE PARTS OF IDENTICAL DESIGNATION. MAKE LEAKAGE-CURRENT OR RESISTANCE MEASUREMENTS TO DETERMINE THAT EXPOSED PARTS ARE ACCEPTABLY INSULATED FROM THE SUPPLY CIRCUIT BEFORE RETURNING THE APPLIANCE TO THE CUSTOMER. www. xiaoyu163. com QQ 376315150 9 9 2 8 9 4 2 9 8 TEL 13942296513 9 9 2 8 9 4 2 9 8 0 5 1 5 1 3 6 7 3 Q Q TEL 13942296513 QQ 376315150 892498299 TEL 13942296513 QQ 376315150 892498299 http://www.xiaoyu163.com DPC-5.2 SERVICE NOTE 1. Replacing the fuses 2. Safety-check out (Only U.S.A. model) After correcting the original service problem perform the following safety check before releasing the set to the customer Connect the insulating-resistance tester between the plug of power supply cord and terminal GND on the back panel. Specifications: More than 10M ohm at 500V REF.NO. PART NO. DESCRIPTION F1 252159 2A-UL/T-237 This symbol located near the fuse indicates that the fuse used is show operating type, For continued protection against fire hazard, replace with same type fuse , For fuse rating, refer to the marking adjust to the symbol. Ce symbole indique que le fusible utilise est e lent. Pour une protection permanente, n'utiliser que des fusibles de meme type. Ce demier est indique la qu le present symbol est apposre. TO REDUCE THE RISK OF FIRE OR ELECTRIC SHOCK, DO NOT EXPOSE THIS APPLIANCE TO RAIN OR MOISTURE. DANGEROUS HIGH VOLTAGES ARE PRESENT INSIDE THE ENCLOSURE. DO NOT OPEN THE CABINET. REFER SERVICING TO QUALIFIED PERSONNEL ONLY. TO PREVENT ELECTRIC SHOCK, MATCH WIDE BLADE OF PLUG TO WIDE SLOT, FULLY INSERT. POUR EVITER LES CHOCS ELECTRIQUE, INTRODUIRE LA LAME LA PLUS LARGE DA LA FICHE DANS LA BORNE CORRESPONDANTE DA LA PRISE ET POUSSER JUSQU' AU FOND. WARNING : CAUTION : ATTENTION : The lightning flash with arrowhead symbol, within an equilateral triangle, is intended to alert the user to the presence of uninsulated "dangerous voltage" within the product's enclosure that may be of sufficient magnitude to constitute a risk of electric shock to persons. The exclamation point within an equilateral triangle is intended to alert the user to the presence of important operating and maintenance (servicing) instruction in the literature accompanying the appliance. 1. Ground for the work-desk. Place a conductive sheet such as a sheet of copper (with impedance lower than 10Mohm) on the work-desk and place the set on the conductive sheet so that the chassis. 2. Grounding for the test equipments and tools. Test equipments and toolings should be grounded in order that their ground level is the same the ground of the power source. 3. Grounding for the human body. Be sure to put on a wrist-strap for grounding whose other end is grounded. Be particularly careful when the workers wear synthetic fiber clothes, or air is dry. 4. Select a soldering iron that permits no leakage and have the tip of the iron well-grounded. 5. Do not check the laser diode terminals with the probe of a circuit tester or oscilloscope. PRECAUTIONS LASER CAUTION Initialization of setup 1. Press the "DISC 4" and "CDPLAY" key to the same timing. The "DISC 4 key is pushed previously. Then, light off the FL tube. 2. Push the power switch. www. xiaoyu163. com QQ 376315150 9 9 2 8 9 4 2 9 8 TEL 13942296513 9 9 2 8 9 4 2 9 8 0 5 1 5 1 3 6 7 3 Q Q TEL 13942296513 QQ 376315150 892498299 TEL 13942296513 QQ 376315150 892498299 http://www.xiaoyu163.com DPC-5.2 SPECIFICATIONS Specifications and features are subject to change without notice. DVD Changer Power supply AC 120 V, 60 Hz Power consumption 20 W Weight 15.0 lbs External dimensions 17 1/8" x 5 1/16" x 16 15/16" (W/H/D) Signal system NTSC Frequency range (digital audio) 48 kHz sampling 4 Hz to 22 kHz 96 kHz sampling 4 Hz to 42 kHz Signal-to-noise ratio (digital audio) More than 98 dB Audio dynamic range (digital audio) More than 95 dB Harmonic distortion (digital audio) Less than 0.005 % Wow and flutter Below measurable level Operating conditions Temperature: 41 F to 95 F, Operation status: Horizontal Outputs Video output 1.0 V (p-p), 75 ohm , negative sync., pin jack 1 S-video output (Y) 1.0 V (p-p), 75 ohm , negative sync. (C) 0.286 V (p-p), 75 ohm , Mini DIN 4-pin 1 Component video output (Y) 1.0 V (p-p), 75 ohm , negative sync., pin jack 1 (PB)/(PR) 0.7 V (p-p), 75 ohm, pin jack 2 Audio output (digital output Optical) Optical connecter 1 Audio output (digital output Coaxial) 0.5 V (p-p), 75 ohm , pin jack 1 Audio output (analog output) 2.0 V (rms), 320 ohm , pin jack (L, R) 2 www. xiaoyu163. com QQ 376315150 9 9 2 8 9 4 2 9 8 TEL 13942296513 9 9 2 8 9 4 2 9 8 0 5 1 5 1 3 6 7 3 Q Q TEL 13942296513 QQ 376315150 892498299 TEL 13942296513 QQ 376315150 892498299 http://www.xiaoyu163.com S2 U2 H50 H52 DPC-5.2 DPC-5.2 EXPLODEDVIEW CHASSIS A 1 2 3 4 B C D E S5 H1 H13 H4 H3 H2 S2 H43 S2 H5 S4 S5 H7 H8 H10 H12 H21 H47 H47 U2 H15 H14 S2 H20 S2 H22 H49 H48 H47 H22 H23 S2 U3 S2 H44 S2 S2 S6 S3 S6 H45 S2 S1 S2 H47 H41 S2 H46 H27 H24 U1 H26 H27 S2 H38 S2 H37 H35 S3 H34 S2 H6 F1 CN01 S3 S3 S6 S4 S4 S2 S2 S2 S2 S2 S2 S2 H26 H26 S2 S1 S1 S2 S2 S6 S2 S2 S2 CC201 CC202 H52 FL tube H47 H47 H42 S2 H42 S1 S2 U2 U2 H53 S2 S2 H27 H53 www . x ia o y u 1 6 3 . c o m QQ 3 7 6 3 1 5 1 5 0 9 9 2 8 9 4 2 9 8 T E L 1 3 9 4 2 2 9 6 5 1 3 9 9 2 8 9 4 2 9 8 0 5 1 5 1 3 6 7 3 Q Q TEL 13942296513 QQ 376315150 892498299 TEL 13942296513 QQ 376315150 892498299 http://www.xiaoyu163.com DPC-5.2 EXPLODED VIEW PARTS LIST EXPLODED VIEW PARTS LIST NO PARTS No DESCRIPTION H1 55221510 Badge, DVD H2 55184480 Drawer panel H3 55223420 Clear plate H4 55204210 Logo badge, INTEGRA H5 55186710 Holder H6 55204250 Standby button H7 55244620 Power button H8 55184600 Shaft H10 55244670 Button CD PLAY H12 55164930 FL Holder H13 55204180 Font panel H14 55204260 Button OPEN/CLOSE H15 55244680 Button, 9 Keys H20 55236110 Front chassis H21 55201610 Rubber spacer 14.5 x 14.5 x 22 H22 55125120 Leg H23 55196510 Sponge, chassis 15 x 16 x 30 H24 55174580 Bracket ground H26 55186640 Bracket, main board H27 55178960 Spring, finger H35 55222240 Power cord H37 55204300 Rear panel H38 55174610 Bracket R small H41 55186600 Top cover H43 55184690 Power supply board unit H44 55202510 Shield cover H45 55186670 Bracket L frame H46 55186680 Bracket R frame H46 55174680 Bracket roulette R H47 55174550 Cushion, 12 x 8 x 20 H48 55186620 Main chassis H49 55190690 Rubber sheet, down load H50 55222010 AC Inlet terminal H52 55222020 Bracket, AC inlet H53 55259110 Cover, Standby button U1 55203110 Main circuit PC board assy U2 55203100 Display PC board assy ( Included Standby LED PCB +Connection PCB + Open/ Close switch PCB +Inlet terminal PCB) U3 55203120 Output terminal PC board assy U4 55186040 Mechanism PC board assy (Included sensor PCB +roulette motor PCB) NO PARTS No DESCRIPTION NOTE: THE COMPONENTS IDENTIFIED BY MARK ARE CRITICAL FOR RISK OF FIRE AND ELECTRIC SHOCK. REPLACE ONLY WITH PART NUMBER SPECIFIED. www. xiaoyu163. com QQ 376315150 9 9 2 8 9 4 2 9 8 TEL 13942296513 9 9 2 8 9 4 2 9 8 0 5 1 5 1 3 6 7 3 Q Q TEL 13942296513 QQ 376315150 892498299 TEL 13942296513 QQ 376315150 892498299 http://www.xiaoyu163.com DPC-5 2 DPC 5.2 20710180 GEAR M18 20710180 GEAR pp-6.max www. xiaoyu163. com QQ 376315150 9 9 2 8 9 4 2 9 8 TEL 13942296513 9 9 2 8 9 4 2 9 8 0 5 1 5 1 3 6 7 3 Q Q TEL 13942296513 QQ 376315150 892498299 TEL 13942296513 QQ 376315150 892498299 http://www.xiaoyu163.com DPC 2 DPC-5.2 M18 20710180 GEAR M18 20710180 GEAR pp-7.max www. xiaoyu163. com QQ 376315150 9 9 2 8 9 4 2 9 8 TEL 13942296513 9 9 2 8 9 4 2 9 8 0 5 1 5 1 3 6 7 3 Q Q TEL 13942296513 QQ 376315150 892498299 TEL 13942296513 QQ 376315150 892498299 http://www.xiaoyu163.com DPC-5.2 BLOCK DIAGRAM A 1 2 3 4 5 B C D E F G H IC201 STI5519 MPEG TVM MECHA F/E & MECHA +12V ANALOG VCC +8V ANALOG VCC -8V ANALOG VCC +5V DIGITAL VCC +3.3V DIGITAL VCC +8V MOTOR VCC +12V MOTOR VCC 5V DISPLAY POWER SUPPLY UNIT AC120V 60Hz RS-232 JACK CN701 L-CH MIXD R-CH MIXD CVBS-VIDEO S-VIDEO JK804 RCA 3V MUTE w w w . x i a o y u 1 6 3 . c o m Q Q 3 7 6 3 1 5 1 5 0 9 9 2 8 9 4 2 9 8 T E L 1 3 9 4 2 2 9 6 5 1 3 9 9 2 8 9 4 2 9 8 0 5 1 5 1 3 6 7 3 Q Q TEL 13942296513 QQ 376315150 892498299 TEL 13942296513 QQ 376315150 892498299 http://www.xiaoyu163.com Component Video output RS-232C connector COAXIAL OPTICAL DPC-5.2 SCHEMATIC DIAGRAM Output terminal PC board A 1 2 3 4 B C D E From Main PC board From Main PC board www . x ia o y u 1 6 3 . c o m QQ 3 7 6 3 1 5 1 5 0 9 9 2 8 9 4 2 9 8 T E L 1 3 9 4 2 2 9 6 5 1 3 9 9 2 8 9 4 2 9 8 0 5 1 5 1 3 6 7 3 Q Q TEL 13942296513 QQ 376315150 892498299 TEL 13942296513 QQ 376315150 892498299 http://www.xiaoyu163.com A 1 2 3 4 5 B C D DPC-5.2 SCHEMATIC DIAGRAM To Down load JIG To Mecha. control PC board Main circuit PC board From Display PC board From Pick up www. xiaoyu163. com QQ 376315150 9 9 2 8 9 4 2 9 8 TEL 13942296513 9 9 2 8 9 4 2 9 8 0 5 1 5 1 3 6 7 3 Q Q TEL 13942296513 QQ 376315150 892498299 TEL 13942296513 QQ 376315150 892498299 http://www.xiaoyu163.com A 1 2 3 4 5 B C D DPC-5.2 To Down load JIG SCHEMATIC DIAGRAM www. xiaoyu163. com QQ 376315150 9 9 2 8 9 4 2 9 8 TEL 13942296513 9 9 2 8 9 4 2 9 8 0 5 1 5 1 3 6 7 3 Q Q TEL 13942296513 QQ 376315150 892498299 TEL 13942296513 QQ 376315150 892498299 http://www.xiaoyu163.com GRID(00:11) Display circuit PC board Connection board Standby LED PC board Open/Close PC board From Power supply unit DPC-5.2 SCHEMATIC DIAGRAM A 1 2 3 4 5 B C D E F G H w w w . x i a o y u 1 6 3 . c o m Q Q 3 7 6 3 1 5 1 5 0 9 9 2 8 9 4 2 9 8 T E L 1 3 9 4 2 2 9 6 5 1 3 9 9 2 8 9 4 2 9 8 0 5 1 5 1 3 6 7 3 Q Q TEL 13942296513 QQ 376315150 892498299 TEL 13942296513 QQ 376315150 892498299 http://www.xiaoyu163.com Mechanism circuit PC board Roulette motor PC board To Mecha. control PC board To P003 To Main control PC board CN206 DPC-5.2 SCHEMATIC DIAGRAM A 1 2 3 4 B C D E www . x ia o y u 1 6 3 . c o m QQ 3 7 6 3 1 5 1 5 0 9 9 2 8 9 4 2 9 8 T E L 1 3 9 4 2 2 9 6 5 1 3 9 9 2 8 9 4 2 9 8 0 5 1 5 1 3 6 7 3 Q Q TEL 13942296513 QQ 376315150 892498299 TEL 13942296513 QQ 376315150 892498299 http://www.xiaoyu163.com Power supply circuit PC board Main circuit PC board DVD Mecha. F/E PC board B08 Mechanism control PC board Display circuit PC board OPEN/ CLOSE switch PC board MOTOR Output terminal PC board Connection PC board CN904 CP904 Standby switch PC board Power switch DPC-5.2 PC BOARD CONNECTION DIAGRAM DPC-5.2 A 1 2 3 4 B C D E AC 120V 60Hz www . x ia o y u 1 6 3 . c o m QQ 3 7 6 3 1 5 1 5 0 9 9 2 8 9 4 2 9 8 T E L 1 3 9 4 2 2 9 6 5 1 3 9 9 2 8 9 4 2 9 8 0 5 1 5 1 3 6 7 3 Q Q TEL 13942296513 QQ 376315150 892498299 TEL 13942296513 QQ 376315150 892498299 http://www.xiaoyu163.com DPC-5.2 PRINTED CIRCUIT BOARD PARTS LIST Display PC board assy (PART NO. 55203100) CIRCUIT NO. PART NO. DESCRIPTION CIRCUIT NO. PART NO. DESCRIPTION ICs Capacitors IC901 55183040NR CXP82324 C901 2034206030 47uF,+/-20%, 16V, Elect IC902 55191090NR KIA7045 C903-C905, 2028804091 0.1uF, +80-0%,Chip Transistor C908,C911 Q901 5513318092 DTC114YKA C906 2025205030 100uF,+/-20%, 6.3V, Elect Remote sensor C907 2026862041 470uF,+/-20%, 6.3V, Elect RM901 55156010NR NJL63H38 C909 2026884030 1uF,+/-20%, 50V, Elect FL tube Switches FL901 55183030NR HNA-12SM17 SW901,SW903, 55145270NR Diodes SW905,SW907, D904 7043654016 1N4148 SW911,SW913, D905 55125510NR LED SW915,SW917, D906 5517787088 RB501V-40 SW921,SW924, Coils SW927,SW930, L901 1403936091 22uH, Chip SW931 L902,L905 1032875091 0 ohm, Chip Spring L903,L904 2053866091 4.7 ohm, Chip FINGE 55178960 Finger type L909,L912, 5512667050 Choke L913,L914 Resonator X901 55126140NR 10MHz Socket AS CN901 55191010NR CN902 55182990NR CN903 55199600NR CN904, 55123320 2.0MM 5 MA ST CN905 CN906 55199610NR Socket CP903 55090070 CP906 55123310 www. xiaoyu163. com QQ 376315150 9 9 2 8 9 4 2 9 8 TEL 13942296513 9 9 2 8 9 4 2 9 8 0 5 1 5 1 3 6 7 3 Q Q TEL 13942296513 QQ 376315150 892498299 TEL 13942296513 QQ 376315150 892498299 http://www.xiaoyu163.com DPC-5.2 PRINTED CIRCUIT BOARD PARTS LIST MAIN CIRCUIT PC BOARD ASSY (PART NO. 55203110) CIRCUIT NO. PART NO. DESCRIPTION CIRCUIT NO. PART NO. DESCRIPTION ICs Capacitors IC201 55130350NR STI55, C201P,C204,C206, 2026894030 100uF, +/-20%,10V, Video processor C210,C221,C232, Elect IC202 20940740NR M24C02WM, C311,C406 EEPROM C220B,C220C, 2025267030 470uF, +/-20%,10V, IC301 55156290NR HY57V65162, C220G,C220Y, Elect DRAM C220R,C220S IC302 55156030NR PCM1748 KE, C223B,C223C, 2025265030 220uF, +/-20%,16V, D/A converter C223G,C223R, Elect IC303 55128990NR BA4560F, C223S,C223Y Ope. Amp. C228-C230, 2026783030 47uF, +/-20%,16V, IC401 55177660NR SST39V, C301L,C301R, Elect Flash memory C305L,C305R, IC501 55133310NR M74HCU04M C306L,C306R, IC21P 20361320NR 7806AP, Regulator C323 Transistors C233 2026862030 47uF, +/-20%,6.3V, Q201-Q203 2097046092 KTC3875Y C325 Elect Q220B,Q220C, 5513869056 KTN2907A C331 20269180AM 1uF, +/-20%,6.3V, Q220G,Q220R, Elect Q220S,Q220Y C327 1500213030 10uF, +/-20%,16V, Q221B,Q221C, 5513871092 KTD1304 Elect Q221G,Q221R, C505 2026862030 470uF, +/-20%,6.3V, Q221S,Q221Y Elect Q301 5513318092 DTC114YKA C302L,C302R 1013862091 2200pF, +/-10%, Q301L,Q301R 5503943091 DTC323TK Chip Q302L,Q302R 5513319092 DTA114YKA C221B,C221C, 1013867091 3300pF, +/-10%, Coils C221G,C221R, Chip L201-L203, 1404174091 C221S,C221Y L209, C501 1037509091 20pF, +/-5%, Chip L204-L206, 5512667050 Choke, 1uF C215,C217,C218, 2028804091 0.1uF, +80/-0%, L210,R415, C222B,C222C, Chip L501 C222G,C222R, L208 1032875091 C222S,C222Y, L211,L301 5512671050 C225,C234,C235, L220B,L220C, 1404175091 Choke, 2.7uF C504 L220G,L220R, C502,C503 2050652091 22pF, +/-5%, L220S,L220Y Chip L302 1404174091 Choke, 2.2uF C321 2050654091 10pF, +/-0.5pF, Resonator Chip X501 55128980NR C237,C238, 2050659091 100pF, +/-5%, C239,C240, Chip C241,C307L, C307R www. xiaoyu163. com QQ 376315150 9 9 2 8 9 4 2 9 8 TEL 13942296513 9 9 2 8 9 4 2 9 8 0 5 1 5 1 3 6 7 3 Q Q TEL 13942296513 QQ 376315150 892498299 TEL 13942296513 QQ 376315150 892498299 http://www.xiaoyu163.com DPC-5.2 PRINTED CIRCUIT BOARD PARTS LIST OUTPUT TERMINAL PC BOARD ASSY (PART NO. 55203120) CIRCUIT NO. PART NO. DESCRIPTION ICs IC701 55197900NR uPD4721, RS-232 IC805 55164740NR GP1F32T, Optical Transistors Q801 2097046092 KTC3875Y Q802 2097048092 KTA1504Y Coils L801,L802, 5512662050 MT1, Choke L803 Terminals JK801 55164750XX Coaxial out JK802 55175260XX RCA-2P out JK803 55191220XX RCA-1P out JK804 55149420XX Component out Socket CN01 55124610XX 1.25mm 21P Connector CN701 67472300XX RS-232, 87204-606 Diode D711 7043654016 1N4148 Capacitors C701-C703, 2026884030 1uF, +20-80%, 50V, Elect C706,C707 C705 2025205030 100uF, +20-80%, 6.3V, Elect C802 2026783030 47uF, +20-80%, 16V, Elect C820-C822, 2026862030 470uF, +20-80%, 6.3V, Elect C825 C823,C824 2025265030 220uF, +20-80%, 16V, Elect www. xiaoyu163. com QQ 376315150 9 9 2 8 9 4 2 9 8 TEL 13942296513 9 9 2 8 9 4 2 9 8 0 5 1 5 1 3 6 7 3 Q Q TEL 13942296513 QQ 376315150 892498299 TEL 13942296513 QQ 376315150 892498299 http://www.xiaoyu163.com PC-5.2 PARTS LIST Mechanism control PC board assy (PART NO. 55183130) CIRCUIT NO. PART NO. DESCRIPTION ICs IC001,IC002 20656300NR LB1641 Diodes D001,D002 2041428001 1N5232B, 5.6V, Zener Photo diodes PI001-PI003 20586840NR ITR9606/F2 PI004 20556130NR GP2S28 20M Coil L001 20265120NR LF 39U0H +10% 130M Capacitors C001,C003 8043459071 22pF,+/-5%, Ceramic (CH) C002,C004 20246950AF 0.1uF,+/-10%, Ceramic C005 20268030AM 1000uF,+/-20%, 25V, Elect Socket P003 20504010XX 2.0MM 6 MA ST P027 20713500NR 06187F P406 55183020NR Resistors R001,R002 5088295016 100 ohm, +/-5%, 1/6W R003,R004 2054943001 2.2 ohm, +/-5%, 1/2W www. xiaoyu163. com QQ 376315150 9 9 2 8 9 4 2 9 8 TEL 13942296513 9 9 2 8 9 4 2 9 8 0 5 1 5 1 3 6 7 3 Q Q TEL 13942296513 QQ 376315150 892498299 TEL 13942296513 QQ 376315150 892498299 http://www.xiaoyu163.com DPC-5.2 PRINTED CIRCUIT BOARD PARTS LIST MAIN CIRCUIT PC BOARD ASSY (PART NO. 55203110) CIRCUIT NO. PART NO. DESCRIPTION CIRCUIT NO. PART NO. DESCRIPTION Diodes C216 2050668091 470pF, +/-5%, Chip D301 5517107050 UDZ 2.2 B, Zener C303L,C303R 2067807091 330pF, +/-5%, Chip D303 2049651091 1SS355 C224B,C224C, 2099397091 390pF, +/-5%, Chip Flat cables C224G,C224R, CC201 55191150NR 19X 1.2 C224S,C224Y, CC202 55182940NR 19X 1.2 C225B,C225C, Socket AS C225G,C225R, CN201 55182960NR C225S,C225Y CN205 55182970NR C203,C205,C209, 1013896091 0.01uF +/-10%,Chip CN207 55199620NR C220 Socket C211-C214, 2050654091 10pF +/-0.5pF, Chip CN206 55123450 2.0MM 12 MA R C242-C245, CP201 55124680 1.25MM 19 FE C328,C329 CP202 55125910NR 1.0MM 15 FE S C322,C324,C326 1013839091 560pF +/-10pF, Chip CP203 55125910NR 1.0MM 15 FE S C404,C405 1013855091 1000pF +/-10%, Chip CP205 55124600 1.25MM 19 FE Spring 55178960 Finger www. xiaoyu163. com QQ 376315150 9 9 2 8 9 4 2 9 8 TEL 13942296513 9 9 2 8 9 4 2 9 8 0 5 1 5 1 3 6 7 3 Q Q TEL 13942296513 QQ 376315150 892498299 TEL 13942296513 QQ 376315150 892498299 http://www.xiaoyu163.com DPC-5.2 PANEL VIEW FL DISPLAY Inserted disc indicators Indicate the type of current disc that is loaded. Play/Pause indicators Illuminate in play or pause mode. Parental Lock indicator Illuminates in parental lock mode. TITLE indicator Illuminates to indicate the current title number. RESUME indicator Illuminates when the player is ready for resume playback. CHPTER/TRACK indicators Indicate display mode of the current chapter of DVD disc or track number of Video CD or CD. RANDOM indicator Illuminates during random playback. REPEAT indicators Illuminate during repeat playback. MEM. indicator Illuminates during memory playback. PBC indicator Illuminates when PBC is on for Video CD. INTRO indicator Illuminates during intro-scan playback. Elapsed time indicators Indicate playing time. Search indicators Illuminate during search and slow playback mode. Disc number indicator/CD indicator Disc number indicators indicate the presence of a disc. CD indicator illuminates when the DVD Changer is in CD Play mode. Multifunction indicator Indicates operating status, messages, etc. 1 2 3 4 5 6 7 8 9 10 11 12 13 14 15 1 2 3 4 5 6 7 8 9 10 11 12 13 14 15 www. xiaoyu163. com QQ 376315150 9 9 2 8 9 4 2 9 8 TEL 13942296513 9 9 2 8 9 4 2 9 8 0 5 1 5 1 3 6 7 3 Q Q TEL 13942296513 QQ 376315150 892498299 TEL 13942296513 QQ 376315150 892498299 http://www.xiaoyu163.com DPC-5.2 DPC-5.2 PRINTED CIRCUIT BOARD VIEW A 1 2 3 4 B C D E Main circuit board Top pattern and top parts www . x ia o y u 1 6 3 . c o m QQ 3 7 6 3 1 5 1 5 0 9 9 2 8 9 4 2 9 8 T E L 1 3 9 4 2 2 9 6 5 1 3 9 9 2 8 9 4 2 9 8 0 5 1 5 1 3 6 7 3 Q Q TEL 13942296513 QQ 376315150 892498299 TEL 13942296513 QQ 376315150 892498299 http://www.xiaoyu163.com DPC-5.2 DPC-5.2 PRINTED CIRCUIT BOARD VIEW A 1 2 3 4 B C D E Main circuit board Bottom pattern and bottom parts www . x ia o y u 1 6 3 . c o m QQ 3 7 6 3 1 5 1 5 0 9 9 2 8 9 4 2 9 8 T E L 1 3 9 4 2 2 9 6 5 1 3 9 9 2 8 9 4 2 9 8 0 5 1 5 1 3 6 7 3 Q Q TEL 13942296513 QQ 376315150 892498299 TEL 13942296513 QQ 376315150 892498299 http://www.xiaoyu163.com DPC-5.2 PRINTED CIRCUIT BOARD VIEW DPC-5.2 A 1 2 3 4 B C D E CN701 Output terminal PC board Component side view Soldering side view www . x ia o y u 1 6 3 . c o m QQ 3 7 6 3 1 5 1 5 0 9 9 2 8 9 4 2 9 8 T E L 1 3 9 4 2 2 9 6 5 1 3 9 9 2 8 9 4 2 9 8 0 5 1 5 1 3 6 7 3 Q Q TEL 13942296513 QQ 376315150 892498299 TEL 13942296513 QQ 376315150 892498299 http://www.xiaoyu163.com PRINTED CIRCUIT BOARD VIEW DPC-5.2 Display circuit PC board Component side view Soldering side view A 1 2 3 4 B C D E www . x ia o y u 1 6 3 . c o m QQ 3 7 6 3 1 5 1 5 0 9 9 2 8 9 4 2 9 8 T E L 1 3 9 4 2 2 9 6 5 1 3 9 9 2 8 9 4 2 9 8 0 5 1 5 1 3 6 7 3 Q Q TEL 13942296513 QQ 376315150 892498299 TEL 13942296513 QQ 376315150 892498299 http://www.xiaoyu163.com P004 DV-C503 PRINTED CIRCUIT BOARD VIEW Mechanism control PC board Roulette motor PC board Component side view JW15 C005 L001 JW20 D001 C001 D002 JW10 JW8 IC002 IC001 JW18 C002 R003 R004 C003 C004 JW22 JW14 P003 R002 R001 JW7 JW3 JW21 JW6 JW17 JW13 P406 DV-C503 Component side view A 1 2 3 4 B C D E www . x ia o y u 1 6 3 . c o m QQ 3 7 6 3 1 5 1 5 0 9 9 2 8 9 4 2 9 8 TE L 1 3 9 4 2 2 9 6 5 1 3 9 9 2 8 9 4 2 9 8 0 5 1 5 1 3 6 7 3 Q Q TEL 13942296513 QQ 376315150 892498299 TEL 13942296513 QQ 376315150 892498299 http://www.xiaoyu163.com Soldering side view Component side view OPEN/CLOSE SW930 CP903 Soldering side view Open/Close switch PC board Standby switch PC board Connection PC board CN904 1.RESET 2.RxD 3.TxD 4.TV/AUX 5.+5V6S 1.RESET 2.RxD 3.TxD 4.TV/AUX 5.+5V6S To FRONT To MPEG Component side view Inlet PC board DPC-5.2 PRINTED CIRCUIT BOARD VIEW Component www. xiaoyu163. com QQ 376315150 9 9 2 8 9 4 2 9 8 TEL 13942296513 9 9 2 8 9 4 2 9 8 0 5 1 5 1 3 6 7 3 Q Q TEL 13942296513 QQ 376315150 892498299 TEL 13942296513 QQ 376315150 892498299 http://www.xiaoyu163.com DPC-5.2 DISASSEMBLY PROCEDURE Remove the roulette 1. Pull out the tray. 2. Stops in the position (cut deeply). 3. Remove in the direction of arrow. 4. Reassembly is performed by 3 to 1. Roulette Cut deep Short Land Replacement of DVD mechanism The laser diode in the optical pickup block so sensitive to static electricity, surge current and etc.. That the components are liable to be broken down or its reliability remarkable deteriorated. During repair, carefully take the following precautions. Do not touch the optical pickup object lens with the hands. 1. Remove the top cover with six screws. 2. Remove the tray. 3. Remove the roulette assembly. 4. Remove the roulette. (Roulette is removed as written below.) 5. Solder the LD output lands on the DVD optical pickup. Please perform right photo to reference. 6. Replace the pickup mechanism assembly etc. . After unsolder the laser diodes output lands. www. xiaoyu163. com QQ 376315150 9 9 2 8 9 4 2 9 8 TEL 13942296513 9 9 2 8 9 4 2 9 8 0 5 1 5 1 3 6 7 3 Q Q TEL 13942296513 QQ 376315150 892498299 TEL 13942296513 QQ 376315150 892498299 http://www.xiaoyu163.com DPC-5.2 Front side DPC-5.2 RC-472DV 5 6 7 8 9 10 13 22 23 12 24 29 30 UPC DV-C503 29363015 ( ) B 5 A B C 5 5 D E F G 7 5 1 3 9 8 0 0 4 4 8 3 Serial No. 5 A B C 5 5 D E F G Continuation number: 4 Digit Factory No. Number of ten thousand digits Month code : JAN=1, OCT=X Year code Line classification BAR-CODE (UPC) and the figure arefixed by model number Serial No./ bar code (code 39) UPC Label NO PARTS No DESCRIPTION 5 55204420 Carton box 6 55184410 Pad Right 7 55184420 Pad Left 8 55204310 Remote controller RC-472DV 9 55020220NR Battery, UM-4 x 2 10 55176530 Audio/ Video connection cable 12 55204320 Instruction manual 13 55186720 Warranty card 22 55204330 UPC label 23 55170660 Sheet, Set, 1150 x 1000 24 55170650 Poly bag,335 x240mm 25 20715540 Poly bag, Power cord 29 55208740 Cushion, 35sq x 80 30 29110141 PP tape NO PARTS No DESCRIPTION 31 NOTE: THE COMPONENTS IDENTIFIED BY MARK ARE CRITICAL FOR RISK OF FIRE AND ELECTRIC SHOCK. REPLACE ONLY WITH PART NUMBER SPECIFIED. 25 DPC-5.2 PACKING VIEW PARTS LIST 31 55222240 Power cord www. xiaoyu163. com QQ 376315150 9 9 2 8 9 4 2 9 8 TEL 13942296513 9 9 2 8 9 4 2 9 8 0 5 1 5 1 3 6 7 3 Q Q TEL 13942296513 QQ 376315150 892498299 TEL 13942296513 QQ 376315150 892498299 http://www.xiaoyu163.com DPC-5.2 UPGRADE THE FIRMWARE 1 Two files are saved to the same directory. 1. Jigs connection 1-1. PC-JIG Connect the D-Sub(25 pin) cable. 1.2. JIG-DPC-5.2 Connect the FFC and socket (down load PCB). 1.3. Remove a sheet at the bottom. Connect the socket (CP202). 1-4. Turn on the power switch of DPC-5.2. Light up the LED on the JIG PC board assy. 1-5. Start an MS-DOS window. (Click Strat, point to Programs, point to Accessories, and then click MS-DOS Prompt.) 1-6. Input key the "dvd down AAAABBB.bin" and then click Return. a. The program for writing b. The program of binary form AAAABBB.bin AAAA : model name BBB : Version CP202 1 15 Connect the grade up jig Part No. 0P42 To Computer Down load JIG Part number 0P42 Main PC board assy (on the bottom side of DPC-5.2) c5.2 www. xiaoyu163. com QQ 376315150 9 9 2 8 9 4 2 9 8 TEL 13942296513 9 9 2 8 9 4 2 9 8 0 5 1 5 1 3 6 7 3 Q Q TEL 13942296513 QQ 376315150 892498299 TEL 13942296513 QQ 376315150 892498299 http://www.xiaoyu163.com DPC-5.2 UPGRADE THE FIRMWARE 2 1-7. Key input "Y". It is automatically written in in order of Identify, ROM ERASE, WRITE and Verify. Witting time are about 1 minute Writing was completed. 1-8. Press any key. 2. Confirmation of version of firmware 2-1. Press the "DIS 3" and "CDPLAY" key to the same timing. The "DISC 3" key is pushed previously. 2-2. Version number is displayed on FL tube. (wait several seconds ) 71AAA BBCC Creation day Creation month Version number ONKYO code c5.2 www. xiaoyu163. com QQ 376315150 9 9 2 8 9 4 2 9 8 TEL 13942296513 9 9 2 8 9 4 2 9 8 0 5 1 5 1 3 6 7 3 Q Q TEL 13942296513 QQ 376315150 892498299 TEL 13942296513 QQ 376315150 892498299 http://www.xiaoyu163.com DPC-5.2 ONKYO EUROPE ELECTRONICS GmbH Industriestrasse 20, 82110 Germering, GERMANY Tel: 089-849-320 Fax: 089-849-3265 E-mail: info@onkyo.de ONKYO CHINA LIMITED Units 2102-2107, Metroplaza Tower I, 223 Hing Fong Road, Kwai Chung, N.T., HONG KONG Tel: 852-2429-3118 Fax: 852-2428-9039 Sales & Product Planning Div. : 2-1, Nisshin-cho, Neyagawa-shi, OSAKA 572-8540, JAPAN Tel: 072-831-8111 Fax: 072-833-5222 http://www.onkyo.co.jp/ ONKYO CORPORATION Integra Division of ONKYO U.S.A. CORPORATION 18 Park Way, Upper Saddle River, N.J. 07458, U.S.A. Tel: 201-785-2600 Fax: 201-785-2650 E-mail: integra@onkyousa.com http://www.integrahometheater.com Integra Division of PN 0Mxxxx D01xx Printed in Japan www. xiaoyu163. com QQ 376315150 9 9 2 8 9 4 2 9 8 TEL 13942296513 9 9 2 8 9 4 2 9 8 0 5 1 5 1 3 6 7 3 Q Q TEL 13942296513 QQ 376315150 892498299 TEL 13942296513 QQ 376315150 892498299 http://www.xiaoyu163.com

标签:

版权声明

1. 本站所有素材,仅限学习交流,仅展示部分内容,如需查看完整内容,请下载原文件。
2. 会员在本站下载的所有素材,只拥有使用权,著作权归原作者所有。
3. 所有素材,未经合法授权,请勿用于商业用途,会员不得以任何形式发布、传播、复制、转售该素材,否则一律封号处理。
4. 如果素材损害你的权益请联系客服QQ:77594475 处理。