飞利浦液晶712G4611-M1A-000-004K驱动板电路图

分类:电子电工 日期: 点击:0
飞利浦液晶712G4611-M1A-000-004K驱动板电路图-0 飞利浦液晶712G4611-M1A-000-004K驱动板电路图-1 飞利浦液晶712G4611-M1A-000-004K驱动板电路图-2 飞利浦液晶712G4611-M1A-000-004K驱动板电路图-3 飞利浦液晶712G4611-M1A-000-004K驱动板电路图-4 飞利浦液晶712G4611-M1A-000-004K驱动板电路图-5 飞利浦液晶712G4611-M1A-000-004K驱动板电路图-6 飞利浦液晶712G4611-M1A-000-004K驱动板电路图-7 飞利浦液晶712G4611-M1A-000-004K驱动板电路图-8 飞利浦液晶712G4611-M1A-000-004K驱动板电路图-9

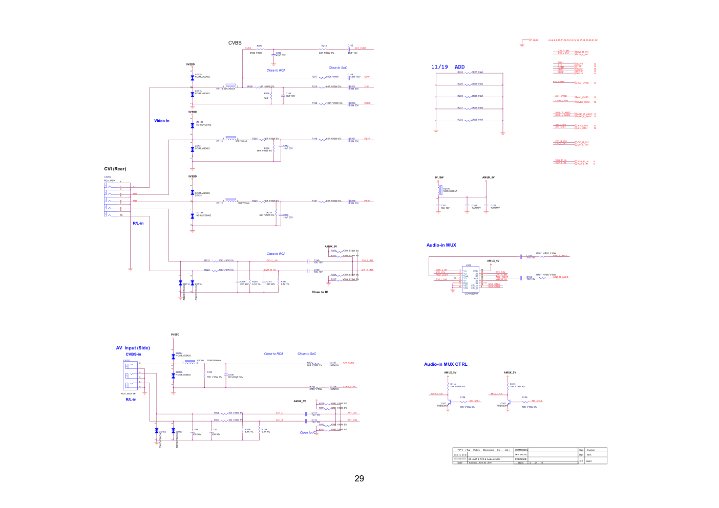
26 9. 电路图 9.1 主板 715G4611M1A000004K BL_DIM_PWM R706 2.2K 1/16W C729 M1A B 1 19 Tuesday , April 26, 2011 HW4 01. PSU & Inv erter I/F OEM MODEL Size Rev Date Sheet of TPV MODEL PCB NAME 称爹 T P V ( Top Victory Electronics Co . , Ltd. ) Key Component 絬 隔 瓜 絪 腹 R701 1K 1/16W 5% C701 BRI_ADJ R707 10K 1/16W 5% C7006 NC R765 NC\1K 1/16W 5% R712 0R05 1/10W FB703 120R/6000mA 1 2 R752 0R05 1/10W R711 47K 1/16W 5% Q701 PMBS3904 R746 4K7 1/16W 5% 3V3_BUCK R705 0R05 1/16W V +24V +12V OTHERS R769 NC\1K5 1/10W 5% NC C7005 C702 100N 50V + C703 100UF 35V BL_DIM_PWM SUNING PIONEER V R708 NC\2.2K 1/16W + C7005 NC/100UF 35V 5V_SW Backlight On/Off R710 0R05 1/16W Q703 PMBS3904 FB702 120R/6000mA 1 2 NC + C701 100UF 25V R744 10K 1/16W 5% V C708 NC/1UF 10V BL_ON/OFF# DVDD3V3 +12V C707 100N 16V R751 0R05 1/10W 5VSB 5VSB R702 NC\10K 1/16W 5% BL_CTRL +12V 5V_SW BL_CTRL V PWR_OK 12 NC CN701 CONN 1 2 3 4 5 6 7 8 9 10 11 12 13 R709 1K 1/16W 5% 5VSB 5V_SW C704 100N 50V BL_DIM_PWM 12,15 Brightness Adjust BL_ON/OFF# + C705 100UF 25V FB701 120R/6000mA 1 2 DVDD3V3 GND 5,6,7,8,9,10,11,12,13,14,15,16,17,18,19,20,21,22 PWR_OK C706 10U 10V + C7004 NC/100UF 35V V LIPS Interface R750 0R05 1/10W R703 10K 1/16W 5% C705 C7004 PWR_OK NC BL_ON/OFF# 12 NC ZD139 BZX84C4V3 1 2 R704 NC\2.2K 1/16W BRI_ADJ STANDBY 12,18 CN416 CONN 1 2 3 4 Q702 NC\2N7002 STANDBY R764 NC\1K 1/16W 5% STANDBY V 27 R736 82K 1/16W FB731 NC\120R/3000mA 1 2 L: Off H: On C764 NC\1UF 10V FB715 220R/2000mA 1 2 D702 SX34 1 2 R725 56KOHM 1/16W C732 180P 50V VCCK L704 for PHILIPS THERMAL ISSUE need to change to 22uH C750 1UF 10V FB716 120R/3000mA 1 2 C757 NC\10U 16V V1.2 C755 10N 50V R748 10K +-1% 1/16W OPWRSB R743 2.7K 1/16W 1% L702 2.2uH SoC_1V2 = 2250mA +12V R741 12KOHM +-5% 1/16W M1A D 2 19 Tuesday , April 26, 2011 HW4 02. DC-DC BUCK & LDO Regulator OEM MODEL Size Rev Date Sheet of TPV MODEL PCB NAME 称爹 T P V ( Top Victory Electronics Co . , Ltd. ) Key Component 絬 隔 瓜 絪 腹 V3.3 R732 8.2K 1% R747 1K 1/16W 5% 5VSB Vout=Fixed 3.3V C799 0.1UF 16V Vout=Fixed 1.2V FB730 120R/3000mA 1 2 + C7006 NC/100UF 35V FB723 120R/3000mA 1 2 R742 10K +-1% 1/16W C715 NC\220NF 25V Demod 1V2 Power : V1.2 C767 NC\10U 16V Demod_1V2 = 210mA DVDD3V3 C736 10U 16V C751 10U 16V 5V_USB 5VESD Q704 PMBS3904 5V_SW ADAC_PWR 5V_SW C742 10U 16V R745 1K 1/16W 5% C718 100N 16V R768 NC\0.68 OHM +-5% 2WS 5V_SW R716 22K 1/16W 5% C749 10U 16V L703 10uH Vo = 0.925*(1+R743/R742) YES C7001 100N 16V C753 10U 16V FB714 NC/120R/6000mA 1 2 FB712 NC/120R/6000mA 1 2 C717 10uF 10V C725 10N 50V FB719 120R/3000mA 1 2 U708 3 2 1 4 VI VO GND 4 C743 100N 16V LDO Regulator LVDS_PWR_EN R731 1K 1/16W 5% + C729 100UF 25V 5VSB VCCK DDR2 = 650mA C710 100N 50V C762 1UF16V Panel Logic Power Control 5V_BUCK FB717 120R/3000mA 1 2 C728 10U 16V U702 SC189ASKTRT 4 1 3 5 2 VOUT VIN EN LX GND FB711 L705 2.2uH Total = 110 mA. NC FB736 NC\120R/3000mA 1 2 L701 1.5UH C716 100N 50V C737 10U 16V LVDS_PWR_EN 12 R726 56KOHM 1/16W 3V3SB +12V C733 1N 50V R713 1K 1/16W 5% C714 220NF 25V C724 10U 16V C744 180P 50V 12V panel U707 3 2 1 4 VIN VOUT GND 4 FB712 DC-DC Buck &Converter 5VSB Q709 AO4449 -7A/-30V 1 2 3 4 8 7 6 5 S S S G D D D D C746 NC\10N 50V R753 10K +-1% 1/16W R715 10K 1/16W 5% D704 SX34 1 2 5V_SW C731 1uF 50V FB733 NC\120R/3000mA 1 2 LVDSVDD R717 10K 1/16W 5% DDRV R772 100K 1/16W 5% C741 10U 16V C747 100N 16V C739 1UF 10V FB729 120R/3000mA 1 2 NC G903T63UF C760 NC\10U 16V R737 15K 1% R724 1K 1/16W 5% DDR3 = 900mA SoC_3V3_STBC = 30 mA; 12/28 Modify name C801 to C7002 to match TPV RULE C754 10N 50V C763 NC\10U 16V C761 NC\10U 16V STBY Power : 3V3SB FB725 120R/6000mA 1 2 5V_BUCK U709 3 2 1 4 VIN VOUT GND 4 C723 1UF 10V G912T63U V3.3 = 0.925*(1+2.43/10) = 1.15 5V_SW C709 NC\470nF 16V C748 10U 16V Vout=Fixed 3.3V LVDS_PWR_EN C713 3300pF 50V R723 10K 1/16W 5% 5VSB 3V3_BUCK C721 22uF 10V C719 NC/22uF 10V AMP = ? mA MUX = ?mA 3V3SB OPWRSB 12 C726 10N 50V Q706 PMBS3904 Reserved for ADAC_PWR +24V_USB FB721 120R/3000mA 1 2 SoC_AVDD1V2 = 400 mA FB737 120R/3000mA 1 2 FB732 NC\120R/3000mA 1 2 R740 4K7 1/16W 5% R728 7K5 1/16W 5% R714 10K 1/16W 5% AVDD1V2 C730 1uF 50V FB713 120R/6000mA 1 2 AVDD3V3 C738 0.1UF 16V U706 SC189ASKTRT 4 1 3 5 2 VOUT VIN EN LX GND FB728 120R/3000mA 1 2 1V2: ON 0V: STANDBY R749 2K 1% R734 47K 1/16W 5% Analog Power : AVDD1V2 FB713 C735 100N 50V SoC_X'TAL = 80 mA; Power MOSFET Switch U704 G5657F12U 3 5 8 2 7 6 1 4 9 LX FB SS IN EN COMP NC GND Thermal Pad C7002 NC\100N 16V Vout=Fixed 3.3V C727 10U 16V NC/G903T63UF R727 10K 1/10W U703 AOZ1212AI 1 2 3 4 5 6 7 8 LX BST GND FB COMP EN VIN VBIAS 5V panel C758 NC\10U 16V C734 1uF 25V C766 10U 16V R743 = 2.7K --> 2.43K C765 10U 16V R730 300R 1/16W 1% Demod_3V3 = 85mA. GND 4,6,7,8,9,10,11,12,13,14,15,16,17,18,19,20,21,22 FB727 120R/3000mA 1 2 C759 NC\1UF 10V NC 12V5 or 5V2 Main Power (3A) YES C722 1UF 10V R733 10K +-1% 1/16W C756 NC\1UF 10V R766 33K 1% U705 3 2 1 4 VIN VOUT GND 4 OPWRSB L704 47uH Demod 3V3 Power : V3.3 FB707 NC\120R/6000mA 1 2 D703 NC\RB160M-60TE25 1 2 R729 180K 1% AVDD3V3 C745 2N2 50V C720 22uF 10V Soc Core Power : 1.15V (3A) FB746 120R/3000mA 1 2 FB726 120R/6000mA 1 2 3V3_BUCK 3V3_BUCK NC 5V_SW FB718 120R/3000mA 1 2 TP708 C7003 10U 16V R735 20K 1/16W FB734 NC\120R/3000mA 1 2 FB711 NC\120R/6000mA 1 2 5VSB Q707 AO4449 -7A/-30V 1 2 3 4 8 7 6 5 S S S G D D D D G903T63UF C752 10U 16V R767 100K 1% FB735 NC\120R/3000mA 1 2 U701 TPS54319RTE 1 2 3 4 5 6 7 8 9 10 11 12 13 14 15 16 17 VIN VIN GND GND AGND VSNS COMP RT/CLK SS PH PH PH BOOT PWRGD EN VIN PwPd USB2.0 = 1000mA 28 VSYNC 12 DDC_WP# 8,12 D103 NC\BAS316 1 2 A K U0RX 12,15 VGA_RX VGA Input R160 0R05 1/16W VGA_SDA U0TX 12,15 ZD125 NC\MLVG0402 1 2 ZD119 NC\MLVG0402 1 2 RP R179 470K 1/16W 5% GP 12 ZD129 NC\MLVG0402 1 2 R210 100OHM1/16W VGA_R_IN 7 R189 4K7 1/16W 5% VGA_B R172 0R05 1/10W R163 75R 1/16W 1% VS Q1008 NC\2N7002 Close to SoC U0RX R171 0R05 1/10W R173 10K 1/16W 5% PC_5VI PC_SCL ZD123 NC\MLVG0402 1 2 R161 68R 1/16W 5% VGA_5V VSYNC R178 470K 1/16W 5% C137 10U 16V PC_AU_INR URSW ZD117 NC\MLVG0402 1 2 M1A Custom 3 19 Tuesday , April 26, 2011 HW4 03. VGA & PC Line-in OEM MODEL Size Rev Date Sheet of TPV MODEL PCB NAME 称爹 T P V ( Top Victory Electronics Co . , Ltd. ) Key Component 絬 隔 瓜 絪 腹 RP 12 D106 NC\BAS316 1 2 A K PC_SDA Q106 NC\BC847C 1 3 2 Close to SoC VGA_TX R157 75R 1/16W 1% R175 5.1K 1% SOG 12 VGA_SCL 12 PC Audio-in AMUX_5V R168 NC\100R 1/16W 5% HS R190 NC/1K1/16W HSYNC 12 C118 10N 50V VGA_R VSYNC C115 NC\10P 50V VGACOM C119 1.5nF 50V PC_SDA R185 10K 1/16W 5% R174 10K 1/16W 5% R182 NC\2K 1/16W C136 10U 16V VGA SYNC Slicer FB108 30R/700mA 1 2 ZD118 NC\MLVG0402 1 2 DDC_WP# C139 22P 50V R167 NC\10K 1/16W 5% C132 10N 50V GND 4,5,7,8,9,10,11,12,13,14,15,16,17,18,19,20,21,22 GP HSYNC VGA_B ZD120 NC\MLVG0402 1 2 VGA_G RP R180 470K 1/16W 5% VGA_SDA 12 U0TX R177 470K 1/16W 5% ZD128 NC\MLVG0402 1 2 ZD124 NC\MLVG0402 1 2 Q1009 NC\2N7002 5V_SW URSW R169 NC\4K7 1/16W 5% C133 10N 50V PC_SCL HS C135 100N 16V C116 NC\10P 50V R162 100R 1/16W 1% R159 75R 1/16W 1% ZD121 NC\MLVG0402 1 2 Close to Jack BP 12 Close to Jack R170 100OHM1/16W U105 CAT24C02YI-GT3 1 2 3 4 5 6 7 8 A0 A1 A2 GND SDA SCL WP VCC R176 5.1K 1% FB107 120R/3000mA 1 2 L : WP U0RX 5V_SW 3V3SB D102 NC\BAS316 1 2 A K SOG PC_SDA RX/TX E_SW CN101 D-SUB 15P 1 6 2 7 3 8 4 9 5 11 12 13 14 15 10 17 16 VGA_L_IN VGA_G VGA_5V HS VGA_RX HSYNC BP ZD126 NC\MLVG0402 1 2 ZD122 NC\MLVG0402 1 2 VGA_R_IN FB109 30R/700mA 1 2 C138 22P 50V C140 100N 16V PC_5VI PC_SCL VS R165 0R05 1/16W CN102 PHONEJACK 1 2 3 R188 1K 1/16W 5% Q105 PMBS3904 11/22:Modify VGA_RX & VGA_TX. VGA_TX R187 10K 1/16W 5% MT5301B support Embedded VGA EDID EEPROM U0TX R158 68R 1/16W 5% R186 10K 1/16W 5% ZD127 NC\MLVG0402 1 2 C134 10N 50V VGACOM 12 VGA_L_IN 7 FB110 30R/700mA 1 2 GP H : Write ZD130 NC\MLVG0402 1 2 R164 68R 1/16W 5% BP C117 NC\10P 50V VGA_R_IN VGA_R R166 0R05 1/16W 5VESD SOG DDC_WP# VGA_SCL D101 BAT54C VGACOM VGA_L_IN R184 NC\2K 1/16W 29 AIN_CTL0 12 PB1P 5V_SW ZD105 NC\MLVG0402 1 2 Close to SoC R230 0R05 1/4W R105 0R05 1/16W R/L-in MUX_CTLA C158 10N 50V C110 10N 50V C111 10U 16V AIN0_R_AADC 12 VGA_R_IN 6 COM1 Close to RCA MUX_CTLB AV1_RIN AIN0_L_AADC PB1 MUX_CTLB AMUX_5V AV1_CVBS AIN0_L_AADC C106 NC\220pF 50V ZD136 NC\MLVG0402 1 2 R148 68R 1/16W 5% C147 22P 50V SOY1 A B C CN121 RCA JACK 6P 2 1 4 3 5 6 Q102 PMBS3904 R101 0R05 1/10W C152 15pF 50V AIN_CTL0 Audio-in MUX CTRL AIN_CTL1 12 AV1_L R106 10K 1/16W 5% R109 5.1K 1% R113 470K 1/16W 5% C151 10N 50V AV2_CVBS Y1 R111 470K 1/16W 5% PR1P R128 10K 1/16W 5% C153 15pF 50V AV1_CVBS 12 COM1 12 SOY1 12 ZD135 NC\MLVG0402 1 2 ZD103 NC\MLVG0402 1 2 R232 0R05 1/4W CVI_R_IN1 PR1P 12 C149 1.5nF 50V Close to RCA CVI_R_IN1 C108 47N16V C157 10N 50V GND 4,5,6,8,9,10,11,12,13,14,15,16,17,18,19,20,21,22 R213 68R 1/16W 5% AMUX_5V AV1_CVBS CVBS R200 5.1K 1% C146 22P 50V VGA_L_IN 6 PB1P AIN_CTL0 R183 5.1K 1% R218 470K 1/16W 5% 5VESD CVI_R_IN1 AIN_CTL1 R181 68R 1/16W 5% R229 0R05 1/4W R205 18R 1/16W 5% CVBS-in 5VESD AV2_CVBS 12 R214 0R05 1/16W SOY1 ZD114 NC\MLVG0402 1 2 CVBS_COM AUD_ROUT R114 10K 1/16W 5% Close to SoC 5VESD VGA_L_IN CVI_R_IN1 Q101 PMBS3904 FB111 30R/700mA 1 2 Y1P C156 47pF 50V 5VESD AV1_R PR1P C148 10U 16V AMUX_5V FB101 120R/3000mA 1 2 CVBS R222 10K 1/16W 5% R126 10K 1/16W 5% Close to RCA AUD_LOUT C101 10U 10V MUX_CTLA ZD102 NC\MLVG0402 1 2 R212 10K 1/16W 5% AIN0_R_AADC R104 68R 1/16W 5% R110 470K 1/16W 5% CVI_L_IN1 U102 CD4052BPW 2 1 7 6 9 10 3 12 11 8 4 13 14 16 15 5 Y2 Y0 VEE INH CTL_B CTL_A Yout X0 X3 VSS Y3 Xout X1 VDD X2 Y1 C104 10U 16V CVI_L_IN1 ZD134 NC\MLVG0402 1 2 Y1P R228 0R05 1/4W R224 470K 1/16W 5% R231 0R05 1/4W AIN0_L_AADC 12 R227 470K 1/16W 5% ZD132 NC\MLVG0402 1 2 COM1 E A B C D CN702 RCA JACK 1 2 3 4 5 6 7 8 9 10 R219 68R 1/16W 5% AV1_LIN R112 470K 1/16W 5% ZD133 NC\MLVG0402 1 2 CVI1_R_IN CVI_R_IN1 VGA_R_IN VGA_R_IN CVBS_COM R108 5.1K 1% Audio-in MUX Y1P 12 Close to IC ZD115 NC\MLVG0402 1 2 R103 75R 1/16W 1% CVI_R_IN1 C103 100N16V ZD116 NC\MLVG0402 1 2 Close to IC R215 56R 1/16W 5% FB112 30R/700mA 1 2 11/19 ADD C155 47nF 16V R199 18R 1/16W 5% FB106 120R/3000mA 1 2 R107 10K 1/16W 5% C159 15pF 50V R/L-in CVI (Rear) AV1_LIN AV2_CVBS FB113 30R/700mA 1 2 Video-in CVI_L_IN1 R102 0R05 1/10W AMUX_5V CVI1_L_IN R225 18R 1/16W 5% M1A Custom 4 19 Tuesday , April 26, 2011 HW4 04. AVI1 & AV2 & Audio-in MUX OEM MODEL Size Rev Date Sheet of TPV MODEL PCB NAME 称爹 T P V ( Top Victory Electronics Co . , Ltd. ) Key Component 絬 隔 瓜 絪 腹 C150 10U 16V R223 470K 1/16W 5% C105 10U 16V R217 0R05 1/16W R226 56R 1/16W 5% AMUX_5V AIN_CTL1 PR1 C109 10N 50V AMUX_5V CVI_L_IN1 AV1_RIN C154 10N 50V AIN0_R_AADC C112 10U 16V ZD104 NC\MLVG0402 1 2 VGA_L_IN R216 56R C102 100N16V AV Input (Side) PB1P 12 CVBS_COM 12 CVI_L_IN1 CVI_L_IN1 C107 47N16V R138 100R 1/16W 5% R115 10K 1/16W 5% 30 HDMI_HPD1 12 5VDD_LP# OSDA0 DDC_WP# FB502 120R/3000mA 1 2 D511 NC\BAS316 1 2 A K Q506 PMBS3904 TMDS351 PWR5V_B C512 100N 16V R539 1K 1/16W 5% R503 1K 1/16W 5% HD5V_A RXB_1- OSCL0 RX1_1B HDMIA_SCL RXC_2- H : Write NC RX1_0 RX1_0B PWR5V_A R534 DV33_TMDS 5VDD_LP# HDMI_SDA 12 RXB_2- D510 NC\BAS316 1 2 A K S2_SDA <10pF SCL_A D515 NC\BAS316 1 2 A K RXB_C- RXB_2- RX1_0B RXC_2+ R542 100R 1/16W 5% R546 470K 1/16W 5% PWR5V_C 12 RX1_1 HDMIA_SDA RXB_C- D504 BAS316 1 2 A K DV33_TMDS 5VDD R538 4K7 1/16W 5% Near IC RXA_0+ RXA_2+ HDMIB_SDA R532 NC\10K 1/10W DVDD3V3 HDMI_SCL 12 DDC_WP# 6,12 ZD501 NC\BZX384-C5V6 1 2 M_RX1_2 12 HDMI_CEC 12 RXB_0+ EQ_I2C_SEL HDMI_HPD1 RXA_2+ R526 0R05 1/10W NC CEC_C DV33_TMDS HDMI_SDA HDMIB_SCL DDC_WP# R518 1K 1/16W 5% R541 100R 1/16W 5% FB501 120R/3000mA 1 2 R515 10K 1/10W R535 100R 1/16W 5% H : GPIO L : I2C NC RXA_C+ DV33_TMDS RXC_0+ U502 CAT24C02YI-GT3 1 2 3 4 5 6 7 8 A0 A1 A2 GND SDA SCL WP VCC D513 NC\BAS316 1 2 A K 5V_SW DV33_TMDS RXA_0+ RX1_2 0R HDMI_HPD1 HDMIC_SCL R544 4K7 1/16W 5% CN508 HDMI 20 21 1 2 3 4 5 6 7 8 9 10 11 12 13 14 15 16 17 18 19 22 23 SHLD0 SHLD1 TMDSD2+ DSHLD0 TMDSD2- TMDSD1+ DSHLD1 TMDSD1- TMDSD0+ DSHLD2 TMDSD0- TMDSC+ CSHLD0 TMDSC- CEC NC SCL SDA DDC_GND VCC5 HPD SHLD2 SHLD3 DV33_TMDS C504 100N 16V GND 4,5,6,7,9,10,11,12,13,14,15,16,17,18,19,20,21,22 RX1_1B R520 10K 1/10W HDMI A H : Write 4.7k M_RX1_1B 12 CN506 HDMI 7 9 4 6 1 3 15 5 18 11 19 14 2 13 16 17 8 10 12 20 21 22 23 TMDSD0+ TMDSD0- TMDSD1+ TMDSD1- TMDSD2+ TMDSD2- SCL DSHLD1 VCC5 CSHLD0 HPD NC DSHLD0 CEC SDA DDC_GND DSHLD2 TMDSC+ TMDSC- SHLD0 SHLD1 SHLD2 SHLD3 RXA_0- CEC_B TMDS361BPAGR U501 1 2 3 4 5 6 7 8 9 10 11 12 13 14 15 16 17 18 19 20 21 22 23 24 25 26 27 28 29 30 31 32 33 34 35 36 37 38 39 40 41 42 43 44 45 46 47 48 49 50 51 52 53 54 55 56 57 58 59 60 61 62 63 64 SDA3 SCL3 GND CLK-_3 CLK+_3 VCC D0-_3 D0+_3 GND D1-_3 D1+_3 VCC D2-_3 D2+_3 GND VSadj D2+_SINK D2-_SINK VCC D1+_SINK D1-_SINK GND D0+_SINK D0-_SINK VCC CLK+_SINK CLK-_SINK GND SCL_SINK SDA_SINK HPD_SINK S1/SCL S2/SDA I2C_SEL HPD1 SDA1 SCL1 CLK-_1 CLK+_1 VCC D0-_1 D0+_1 GND D1-_1 D1+_1 VCC D2-_1 D2+_1 LP HPD2 SDA2 SCL2 CLK-_2 CLK+_2 VCC D0-_2 D0+_2 GND D1-_2 D1+_2 VCC D2-_2 D2+_2 HPD3 RXC_C+ DV33_TMDS CEC_A RXB_2+ R571 NC\180OHM 1/10W R573 NC\100K 1/10W 5% Q503 PMBS3904 HD5V_B M_RX1_0B 12 CEC_C DDC_WP# NC 5VDD HDMI_SDA RX1_1B RX1_2 C510 100N 16V C505 100N 16V 4.7k RXB_0- HDMI_S2 FB503 120R/3000mA 1 2 HDMI B EDID EEPROM HDMI_SCL R557 NC\100R 1/16W 1% R531 0R05 1/16W C508 100N 16V R550 4K7 1/10W 5% R534 4.7K1/16W FB504 120R/3000mA 1 2 VS_ADJ NC S2_SDA R507 0R05 1/16W RX1_0 R504 470K 1/16W 5% RXC_1+ RXB_2+ ARC RXC_1- D503 NC\BAS316 1 2 A K R505 1K 1/16W 5% 0R HPD_C R540 470K 1/16W 5% FB505 120R/3000mA 1 2 4.7k M_RX1_1 12 HDMI_S1 RX1_CB R569 NC\10K 1/16W 5% DV33_TMDS ARC_ON 12 RXB_0+ R533 0R05 1/10W R559 NC\100R 1/16W 1% R528 0R05 1/10W M1A Custom 5 19 Tuesday , April 26, 2011 HW4 05. HDMI A & Switch 3:1 OEM MODEL Size Rev Date Sheet of TPV MODEL PCB NAME 称爹 T P V ( Top Victory Electronics Co . , Ltd. ) Key Component 絬 隔 瓜 絪 腹 M_RX1_C 12 OSCL0 9,10,12,13,18,20 HDMIA_SDA DV33_TMDS RXC_2+ HPD_C D512 NC\BAS316 1 2 A K HD5V_C IT6633T EQ_I2C_SEL U505 CAT24C02YI-GT3 1 2 3 4 5 6 7 8 A0 A1 A2 GND SDA SCL WP VCC HDMI C AVDD3V3 M_RX1_0 12 ARC_ON R537 1K 1/16W 5% RX1_CB RX1_2 RX1_1 U412 NC\SN74LVC1G125DBVR 1 2 3 4 5 OE A GND Y VCC NC RXA_1+ HDMI A EDID EEPROM R511 HDMI_HPD1 HPD_A RX1_C PWR5V_C R530 0R05 1/16W 5VDD R514 1K 1/16W 5% DDC_WP# 6,12 HD5V_A RXB_1+ R510 4K7 1/16W 5% R506 4K7 1/16W 5% D514 NC\BAS316 1 2 A K R512 10K 1/10W R513 4.02K 1% R509 NC\0R05 1/16W HDMIB_SDA ARC_ON CEC_B RX1_C D501 NC\BAS316 1 2 A K RXA_C- RXA_0- Near HDMI switch (U501) RXC_C- R548 10K 1/10W OSDA0 C503 10U 10V Q508 PMBS3904 R502 100R 1/16W 5% R556 1K 1/16W 5% L : WP PWR5V_A HD5V_B C501 10U 10V OSDA0 9,10,12,13,18,20 HDMI_CEC RXA_1- RX1_CB 5V_SW DV33_TMDS RX1_C HDMI_S1 CN507 HDMI 7 9 4 6 1 3 15 5 18 11 19 14 2 13 16 17 8 10 12 20 21 22 23 TMDSD0+ TMDSD0- TMDSD1+ TMDSD1- TMDSD2+ TMDSD2- SCL DSHLD1 VCC5 CSHLD0 HPD NC DSHLD0 CEC SDA DDC_GND DSHLD2 TMDSC+ TMDSC- SHLD0 SHLD1 SHLD2 SHLD3 HDMI B DDC_WP# RXC_C+ C502 100N 16V RXC_2- RXB_C+ R555 4K7 1/10W 5% DV33_TMDS C515 100N 16V RXC_0- PWR5V_C RXA_2- RX1_0 SPDIF_OUT R547 1K 1/16W 5% R543 1K 1/16W 5% PWR5V_A 12 DDC_WP# HDMIB_SCL TMDS361B RX1_0B C514 100N 16V D516 BAT54C M_RX1_CB 12 RXC_1+ D505 BAT54C HDMIA_SCL VS_ADJ S1_SCL HDMIC_SCL HPD_B SPDIF_OUT D604 BAT54C Q502 NC\2N7002 ARC RXA_C- ZD506 NC\BZX384-C5V6 1 2 C506 100N 16V 4.02k RXB_1+ HPD_B R517 4K7 1/10W 5% C507 100N 16V RXC_1- HPD_A HDMI_S2 SDA_A RXB_1- R508 27K 1/10W 5% RXC_0- C513 100N 16V R501 100R 1/16W 5% DV33_TMDS HDMI_S1 12 HDMI_SDA ARC R558 NC\100R 1/16W 1% D502 NC\BAS316 1 2 A K RX1_2B Q505 PMBS3904 C516 100N 16V R532 3V3SB 5V_SW 0R R510 PWR5V_B HDMI_CEC HDMIC_SDA R536 100R 1/16W 5% C509 100N 16V RXC_C- H : Write L : WP 4.02k RXA_2- R570 NC\10K 1/16W 5% R513 OSCL0 CEC_A U506 CAT24C02YI-GT3 1 2 3 4 5 6 7 8 A0 A1 A2 GND SDA SCL WP VCC M_RX1_2B 12 SPDIF_OUT 12,17 RXA_C+ R511 NC\4.7K1/16W RX1_2B RXB_0- NC HD5V_C ZD505 BZX384-C5V6 1 2 R551 1K 1/16W 5% 5V_SW RXA_1- RX1_1 HDMIC_SDA HDMI C EDID EEPROM R522 NC\0R05 1/16W 3V3SB HDMI_S2 12 HDMI_SCL R554 4K7 1/10W 5% R516 4K7 1/10W 5% Q501 PMBS3904 HDMI_SCL R560 NC\100R 1/16W 1% C511 NC\1UF16V R552 1K 1/16W 5% RXB_C+ S1_SCL R519 10K 1/10W R553 10K 1/16W 5% RXA_1+ RX1_2B R572 NC\82R 1/10W 5% ZD502 NC\MLVG0402 1 2 R545 1K 1/16W 5% L : WP RXC_0+ Q507 PMBS3904 R549 4K7 1/10W 5% PWR5V_B 12 R521 NC\0R05 1/16W 31 GND_A +B_5V +B_5V T2S_TIF+ RF_AGC_CTL OSCL0 +B_5V DTMB_DVBC_SW TU_5V_SDA C1150 100P 50V TU_5V_SCL BST_CTL# Q1103 2N7002 TU_5V_SCL TIF- RF_AGC_S2T 12 RFIN_CTL G702D 2010.07.01 added R1149 1K 1/16W 5% Q1109 NC\PMBS3906 1 2 3 R1156 33R 1/16W 5% +12V R1152 10K 1/16W 5% R1157 68R 1/16W 5% 5V_TUNER Q1107 PMBS3904 R1151 0R05 1/16W V3.3 +B_5V R1174 3K 1/10W 1% R1146 NC\0R05 1/16W RF_AGC_S2T C1153 10N 50V R1186 NC\0R05 1/16W R1145 0R05 1/16W T2D_TIF- C1140 10U 10V BST_CTL# TU101 F86WT-2-E 1 2 3 4 5 6 7 8 9 10 11 12 13 14 15 16 17 18 19 20 21 22 N.C N.C Vcc1 supply tuner External RF AGC N.C SCL SDA N.C N.C N.C N.C GND N.C N.C N.C N.C IF 1(N) IF 1(P) TH1 TH2 TH3 TH4 L1106 0.12uH T2S_TIF- IFAGC_T TIF- C1162 100N 16V BPF_IF- R1175 15 OHM +-5% 1/4W R1144 NC\0R05 1/16W R1154 33R 1/16W 5% M1A Custom 6 19 Tuesday, April 26, 2011 HW4 06. Half NIM Tuner OEM MODEL Size Rev Date Sheet of TPV MODEL PCB NAME 称爹 T P V ( Top Victory Electronics Co . , Ltd. ) Key Component 絬 隔 瓜 絪 腹 IF_AGC_D2T 10 C1159 NC\100N 16V L1102 NC\22uH 1 2 Modify date : 20101007 T2S_TIF- 12 + C1139 220UF 16V R1143 4K7 1/16W 5% R1177 NC\100K 1/16W 5% +B_5V C1142 22pF 50V T2D_TIF- R1191 100K 1/16W 5% TIF- FB720 NC\120R/3000mA 1 2 TIF- C1165 NC\100N 16V R1148 100K 1/16W 5% Q1108 PMBS3906 1 2 3 GND R1189 NC\0R05 1/16W T2D_TIF+ R1178 NC\4K7 1/16W 5% IF_AGC_S2T 12 BST_CTL# 12 R1137 NC\4K7 1/16W 5% A Tuner : T2S_TIF- R1173 1K 1/10W 1% OSDA0 L1105 0.12uH RF_AGC_CTL 10 Q1105 NC\PMBS3904 TU_5V_SCL R1133 0R05 1/16W +B_5V R1185 0R05 1/16W R1159 51R 1/16W 5% T2D_TIF+ C1141 100N 16V C1145 100N16V TIF+ RFAGC_I C1143 22pF 50V R1168 NC\10K 1/16W 5% +B_5V R1160 51R 1/16W 5% R1172 15 OHM +-5% 1/4W R1187 NC\0R05 1/16W R1155 33R 1/16W 5% +B_5V RFAGC_I Q1106 PMBS3906 1 2 3 Vout=1.25(1+R1/R2) R1179 NC\4K7 1/16W 5% IF BPF TU_SCL C1163 330N 25V FB724 NC\120R/3000mA 1 2 TU102 NC\TDTK-G902D 1 2 3 4 5 6 7 8 9 10 11 12 13 14 15 N/C N/C N/C RF AGC +B(5V) SDA SCL N/C N/C AIF + AIF - TH1 TH2 TH3 TH4 R1169 NC\10K 1/16W 5% C1152 10N 50V FB745 NC\120R/3000mA 1 2 C1166 NC\100N 16V For ATV only TU103 NC\TAF16-C2I1LH 1 2 3 4 5 6 7 8 9 10 11 VCC1 RF AGC Tu SCL SDA AIF1 AIF2 TH1 TH2 TH3 TH4 TIF- IF_AGC_S2T G9084TU3U TO-263T TU_5V_SDA C1164 1UF16V 5V_SW IF_AGC_D2T 2010.06.23 added OSCL0 BPF_IF- IF_AGC_D2T R1131 0R05 1/16W C1157 NC\100N 16V R1158 10K 1/16W 5% RF_AGC_CTL C1154 100P 50V R1162 0R05 1/10W C1144 100N 16V R1142 NC\0R05 1/16W R1192 NC\20K 1/16W 5% IFAGC_T C1158 NC\100N 16V FB1102 120R/3000mA 1 2 R1176 0R05 1/4W Tuner = 450mA Q1101 NC\PMBS3904 T2D_TIF- 10 TU_SDA 10 TU_SCL R1184 NC\0R05 1/16W Q1104 NC\PMBS3906 1 2 3 R1141 0R05 1/16W TIF+ T2S_TIF+ 12 R1138 100R 1/16W 5% IF_AGC_S2T T2S_TIF+ TU_5V_SDA R1153 33R 1/16W 5% V3.3 TU_SCL 10 OSDA0 BPF_IF+ R1132 0R05 1/16W 5V_TUNER RFAGC_I DTMB_DVBC_SW 5V_TUNER +B_5V U7007 3 2 1 VIN VOUT GND C1155 220pF 50V C1151 100P 50V Q1102 2N7002 R1167 NC\10K 1/16W 5% R1136 NC\4K7 1/16W 5% T2D_TIF+ 10 TU_5V_SCL R1181 NC\10K 1/16W 5% GND 4,5,6,7,8,10,11,12,13,14,15,16,17,18,19,20,21,22 R1150 NC\0R05 1/16W For DTV only RF_AGC_S2T V3.3 DTMB_DVBC_SW 12 +B_5V IF_AGC_SW R1139 100R 1/16W 5% L1103 0.1uH L1104 0.22uH R1140 4K7 1/16W 5% R1161 0R05 1/10W TU_5V_SDA R1147 NC\0R05 1/16W FB744 NC\120R/3000mA 1 2 TIF+ OSCL0 8,10,12,13,18,20 TIF+ R1188 NC\0R05 1/16W C1147 47N16V IFAGC_T V3.3 TU_SDA A Tuner : IF_AGC_SW R1171 15 OHM +-5% 1/4W Tuner _I2C 3.3V to 5V R1166 10K 1/16W 5% IF_AGC_SW 10 BPF_IF+ R1130 0R05 1/16W RFAGC_I OSDA0 8,10,12,13,18,20 R1183 0R05 1/16W TIF+ RFIN_CTL TU_SDA 32 VDD12 TESTIO24 T2D_TIF+ 9 VDD33 C1110 NC\100N16V RF_AGC_CTL C1113 NC\100N16V close to ATBM8848 TESTIO26 DEMOD_TSCLK IVINN C1114 NC\100N16V C1124 NC\100N16V R1127 NC\10K 1/16W 5% ASIC_3V3 IF_AGC_SW 9 VDD33 VDD33 LED1101 NC\LED 1 2 R1108 NC\100K 1/16W T2D_TIF- 9 TS0 R1102 NC\56K 1% TS2 TP01 NC\T POINT R(NC) C1115 NC\100N16V C1121 NC\100N16V TU_SCL 9 DEMOD_TSDATA0 L1101 NC\2.2uH TESTIO22 DEMOD_TSSYNC DTMB_RESETN C1137 NC\100N16V VDD_DIV TU_SDA TESTIO21 X1101 NC\27MHZ 1 2 VDD12 TS7 R1105 NC\100K 1/16W Serial TS VDD12 DEMOD_RESET VDD_DIV C1126 NC\100N16V FB1111 NC\120R/3000mA 1 2 C1136 NC\5PF 50V OSDA0 R1103 NC\100K 1/16W FB1112 NC\120R/3000mA 1 2 TS5 C1103 NC\1uF 16V ASIC_3V3 R1118 NC\10K +-1% 1/16W IF_AGC_D2T 9 TS3 TESTIO20 PWM0 RP1101 NC\22oHM 1/16W 1 2 3 4 8 7 6 5 C1129 NC\18pF 50V V3.3 TESTIO26 TS0 VDD33 VDD33 C1135 NC\5PF 50V TSCLK TS1 R1106 NC\100K 1/16W C1102 NC\1uF 16V U101 NC\ATBM8848 1 2 3 4 5 6 7 8 9 10 11 12 13 14 15 16 17 18 19 20 21 22 23 24 25 26 27 28 29 30 31 32 33 34 35 36 37 38 39 40 41 42 43 44 45 46 47 48 49 50 51 52 53 54 58 57 55 56 59 60 61 62 63 64 65 66 67 68 69 71 72 70 73 TSBSYNC TSBVLD TSBCLK TSB7 TSB6 VDD33 TSB5 TSB4 TSB3 VDD12 TSB2 TSB1 TSB0 PWM0 VDD12 CLK_REF_OUT VDD_DIV REFCLKI0 REFCLKI1 VDD_OSC DVDD_ADC ADVDD_ADC QVINP QVINN IVINP IVINN AVDD_REF REF_BIAS_EXT VDD12 TESTIO16 TESTIO15 VDD33 TESTIO14 TESTIO13 TESTIO12 TESTIO11 TESTIO10 I2CINT SCLM SDAM VDD12 SCLS SDAS DBGBUS17 VDD33 DBGBUS16 DBGBUS15 TESTIO17 TESTIO18 TESTIO19 VDD33 VDD12 DBGBUS14 DBGBUS13 NC VDD12 NC NC VDD33 VDD33 DBGBUS12 DBGBUS11 VDD33 DBGBUS10 VDD33 PWM1 VDD33 VDD12 RESETN TEST0 TEST1 DBGSEL GND TSSYNC R1109 NC\100K 1/16W R1114 NC\2.7K 1/16W 1% VDD33 TU_SDA 9 DEMOD_TSVALID + C1108 NC\220UF 16V DEMOD_RESET 12 TESTIO27 C1109 NC\100N16V TS2 C1107 NC\100N16V C1105 NC\100N16V V1.2 DEMOD_TSDATA0 C1116 NC\100N16V SDAS VDD33 SCLM C1123 NC\100N16V DEMOD_TSCLK 12 GND 4,5,6,7,8,9,11,12,13,14,15,16,17,18,19,20,21,22 IVINN FB1109 NC\120R/3000mA 1 2 FB1107 120R/3000mA 1 2 C1134 NC\100N16V C1133 NC\100N16V TU_SDA REFCLK1 C1112 NC\100N16V TS0 R1101 NC\1M 1/16W VDD33 C1120 NC\100N16V Demod I2C VDD12 AVDD1V2 AVDD3V3 VDD33 VDD33 TESTIO21 FB1110 NC\120R/3000mA 1 2 IF_AGC_D2T TESTIO20 R1112 NC\0R05 1/16W Near to ALBM8848 SCLS C1117 NC\100N16V ASIC_3V3 TS6 VDD12 OSDA0 8,9,12,13,18,20 R1104 NC\100K 1/16W R1119 NC\10K +-1% 1/16W R1117 NC\0R05 1/16W SCLM TSVALID 30.4MHZ, using 27MHZ FP REFCLK1 VDD33 C1128 NC\18pF 50V RF_AGC_CTL 9 TP07 T POINT R(NC) SCLS R1107 NC\100K 1/16W ASIC_3V3 DEMOD_RESET TESTIO21 GPIOs from Demod IC C1122 NC\100N16V Parallel TS OSDA0 TESTIO24 TP04 T POINT R(NC) R1113 NC\0R05 1/16W TESTIO23 VDD33 TS6 IVINP VDD33 TS1 TS3 C1118 NC\100N16V FB1108 120R/3000mA 1 2 V3.3 OSCL0 TESTIO27 IF_AGC_SW DEMOD_TSDATA0 12 R1125 NC\330R 1/16W 5% VDD12 TS4 TSVALID R1121 NC\4.7K 1% TP05 T POINT R(NC) TS7 R1122 NC\10K 1/16W 5% TP06 T POINT R(NC) TS5 C1106 NC\100N16V C1130 NC\1uF 16V AVDD3V3 TU_SCL T2D_TIF+ Tuner I2C SDAM IF_AGC_D2T TP02 T POINT R(NC) VDD12 DEMOD_TSCLK C1125 NC\100N16V C1127 NC\1uF 16V ASIC_3V3 R1124 NC\100K 1/16W T2D_TIF- C1111 NC\100N16V TU_SCL ASIC_3V3 C1138 NC\100N16V SuNing DEMOD_TSVALID 12 OSCL0 8,9,12,13,18,20 TESTIO22 REFCLK0 PWM0 REFCLK0 TESTIO25 LOCK TESTIO23 TSSYNC TP26 T POINT R(NC) M1A Custom 7 19 Tuesday , April 26, 2011 HW4 07. Demod (DTMB & DVB-T & PAL) OEM MODEL Size Rev Date Sheet of TPV MODEL PCB NAME 称爹 T P V ( Top Victory Electronics Co . , Ltd. ) Key Component 絬 隔 瓜 絪 腹 R1115 NC\2.7K 1/16W 1% IF_AGC_SW + C1119 NC\220UF 16V OSCL0 TS4 DTMB_RESETN IVINP TSCLK + C1101 NC\220UF 16V R1126 NC\200R 1/16W 5% SDAM TESTIO25 DEMOD_TSVALID R1120 NC\4.7K 1% V3.3 T2D_TIF- C1104 NC\1uF 16V TP08 T POINT R(NC) VDD12 RF_AGC_CTL R1116 NC\0R05 1/16W 56k~59k 5% V3.3 R1123 NC\0R05 1/16W TP03 T POINT R(NC) VDD33 DEMOD_TSSYNC 12 DEMOD_TSSYNC T2D_TIF+ SDAS 33 C311 10U 16V USB_PWR_OCP1 D304 NC\BAV99 3 1 2 R306 22K USB1 USB_DP1 R310 NC\15K 1/16W 5% USB2_D+ R319 NC\15K 1/16W 5% C309 NC\4P7 50V R311 47K R320 NC\15K 1/16W 5% USB_DM1 R317 0R05 1/16W R305 47K 5V_SW VUSB_5V C308 100N 16V VUSB_5V t TH301 PTCR 1 2 USB_PWR_OCP1 5V_USB 1 2 3 4 CN103 USB CONN 1 2 3 4 5 6 7 8 C310 NC\4P7 50V USB2 R304 22K H: OK L: O.C. FB307 NC\120R/3000mA 1 2 D302 NC\BAV99 3 1 2 USB_DM1 12 USB_DM1 D303 NC\BAV99 3 1 2 USB_DP0 USB_PWR_OCP1 12 M1A B 8 19 Tuesday , April 26, 2011 HW4 08. USB1 & USB2 OEM MODEL Size Rev Date Sheet of TPV MODEL PCB NAME 称爹 T P V ( Top Victory Electronics Co . , Ltd. ) Key Component 絬 隔 瓜 絪 腹 USB1_D+ R309 NC\15K 1/16W 5% C304 NC\4P7 50V C305 NC\4P7 50V USB_DM0 USB_DP0 12 R307 0R05 1/16W C303 100N 16V R308 0R05 1/16W 5VESD t TH302 PTCR 1 2 R318 0R05 1/16W USB_PWR_OCP0 12 USB_PWR_OCP0 USB_DP1 12 VUSB_5V USB_PWR_OCP0 + C302 100uF/16V + C306 100uF/16V 1 2 3 4 CN104 USB CONN 1 2 3 4 5 6 7 8 USB_DM0 12 USB_DP0 USB_DM0 H: OK L: O.C. D301 NC\BAV99 3 1 2 USB2_D- GND 4,5,6,7,8,9,10,12,13,14,15,16,17,18,19,20,21,22 USB_DP1 USB1_D- 34 1_A1 14 PDD4 13 HP_DET# 18 TX_AE3N VGA_SCL 1_WE# PDD5 OPWRSB VGA_SCL TX_AE0N 15 M_RX1_1B 8 M_RX1_C TX_AO4N 1_A12 14 1_A13 14 BL_DIM_PWM 4,15 LED_WGB 16 M_RX1_1 RDQ4 1_WE# 14 AVDD12_RGB TX_AO1N ORESET# RDQ0 OIRI TX_AO3N 15 RDQ15 1_A2 AVDD12_PLL AVDD12_MEMPLL PDD2 MT5301B U401 1 3 2 4 5 6 7 8 9 10 11 12 13 14 15 16 17 18 19 20 21 22 23 24 25 26 27 28 29 30 31 32 33 34 35 36 37 38 39 40 41 42 43 44 45 46 47 48 49 50 51 52 53 54 55 56 57 58 59 60 61 62 63 64 192 191 190 189 188 187 186 185 184 183 182 181 180 179 178 177 176 175 174 173 172 171 170 169 168 167 166 165 164 163 162 161 160 159 158 157 156 155 154 153 152 151 150 149 148 147 146 145 144 143 142 141 140 139 138 137 136 135 134 133 132 131 130 129 256 255 254 253 252 251 250 249 248 247 246 245 244 243 242 241 240 239 238 237 236 235 234 233 232 231 230 229 228 227 226 225 224 223 222 221 220 219 218 217 216 215 214 213 212 211 210 209 208 207 206 205 204 203 202 201 200 199 198 197 196 195 194 193 65 66 67 68 69 70 71 72 73 74 75 76 77 78 79 80 81 82 83 84 85 86 87 88 89 90 91 92 93 94 95 96 97 98 99 100 101 102 103 104 105 106 107 108 109 110 111 112 113 114 115 116 117 118 119 120 121 122 123 124 125 126 127 128 257 FSRC_WR VCC3IO GPIO14 AVDD12_VPLL AE5P AE5N AE4P AE4N AE3P AE3N AECKP AECKN AE2P AE2N AE1P AE1N AE0P AE0N AVDD33_LVDSA AVDD33_LVDSA AO5P AO5N AO4P AO4N AO3P AO3N AOCKP AOCKN AO2P AO2N AO1P AO1N AO0P AO0N VCCK VCCK VCCK AVDD12_MEMPLL AVSS12_MEMPLL RODT//RCKE RA8//RA10 RA13//RBA1 RA11//RA4 RA4//RA1 RA6//RA6 RA0//RA8 RA2//RA11 RCAS_//RA12 RCS_//RRAS_ RRAS_//RCAS_ RA9//RWE_ VCC2IO RA12//RA0 RA7//RA13 RA5//RA9 NC//RRESET_ RA3//RA7 RA1//RA2 RA10//RA5 RBA1//RA3 RBA0//RBA2 RBA2//RBA0 RWE_//RCS_ RCKE//RODT AVDD33_XTAL_STB XTALI XTALO AVDD33_DEMOD AVSS33_DEMOD AVSS12_DEMOD AVDD33_IFPGA ADCINN_DEMOD ADCINP_DEMOD AVDD12_DEMOD AVDD33_CVBS CVBS0P CVBS_COM CVBS1P SY0 SC0 SY1 SC1 AVDD12_PLL VCCK FS_VDAC AVDD33_VDAC VDAC_OUT1 VDAC_OUT2 AVSS12_RGB AVDD12_RGB PR0P PB0P COM0 Y0P SOY0 PR1P PB1P COM1 Y1P SOY1 RP COM GP SOG BP HSYNC VSYNC AVDD33_VGA_STB AVDD10_LDO ADIN4_SRV ADIN3_SRV ADIN2_SRV ADIN1_SRV ADIN0_SRV VCCK VGA_SCL VGA_SDA OPWRSB OPCTRL1 OPCTRL0 OIRI U0TX U0RX AVDD33_PDM_STB OPCTRL2 OPCTRL4 OPCTRL3 OPCTRL5 GPIO4 GPIO8 GPIO7 GPIO12 GPIO6 GPIO11 GPIO3 GPIO10 GPIO2 GPIO1 GPIO0 VCC3IO VCCK GPIO13 POWE_ PAALE PACLE POCE1_ PARB_ POOE_ POCE0_ PDD7 VCC3IO PDD6 PDD5 PDD4 PDD3 PDD2 PDD1 PDD0 CI_INT SPI_CLE SPI_DATA SPI_CLK VCCK VCC3IO DEMOD_TSDATA0 DEMOD_TSSYNC DEMOD_TSVAL DEMOD_TSCLK OSDA2 OSCL2 DEMOD_RST RF_AGC IF_AGC AOLRCK AOSDATA0 AOMCLK AOBCK AOSDATA1 ASPDIF VCCK VCCK AR1_ADAC AR0_ADAC AL1_ADAC AL0_ADAC AVSS33_DAC AVDD33_DAC AVDD33_AADC AIN0_L_AADC VMID_AADC AIN0_R_AADC LOUTP VCCK RVREF RDQ4//RDQ4 RDQ3//RDQ6 VCC2IO RDQ1//RDQ2 RDQ6//RDQ0 RDQ12//RDQ11 RDQ9//RDQ9 VCC2IO RDQ14//RDQ13 RDQ11//RDQ15 RDQM1//RDQM1 VCCK RDQS0//RDQS0 RDQS0_//RDQS0_ RDQM0//RDQM0 VCC2IO RDQS1//RDQS1 RDQS1_//RDQS1_ RDQ15//RDQ12 RDQ8//RDQ14 VCC2IO RDQ10//RDQ10 RDQ13//RDQ8 RDQ7//RDQ1 RDQ0//RDQ3 VCC2IO RDQ2//RDQ7 RDQ5//RDQ5 VCC2IO RCLK0//RCLK0 RCLK0_//RCLK0_ VCCK JTDO JTCK JTMS JTDI JTRST_ OPWM0 VCC3IO VCCK USB_2P_DM1 USB_2P_DP1 USB_2P_DM0 USB_2P_DP0 AVDD33_USB_2P USB_2P_VRT AVDD33_HDMI RX_CB RX_C RX_0B RX_0 RX_1B RX_1 RX_2B RX_2 AVDD12_HDMI HDMI_CEC HDMI_SDA HDMI_SCL HDMI_HPD PWR5V ORESET_ EPAD_GND AVDD3V3 RDQ9 14 RCLK0# 14 POCE0# PWR5V_C AVDD1V2 AOSDATA1 13 LVDS_PWR_EN 5 SOY1 AR1O DEMOD_RESET PDD3 C451 100N16V TP47T POINT R(NC) ADAC STBY GPIO VGA_SCL U0TX 6,15 USB_DM0 OXTALI AVDD33_IFPGA DEMOD_TSVALID RDQ0 USB_DP0 HP_DET# AIN_CTL0 C410 100N16V R419 0R05 1/16W R412 1.3K 1% COM1 7 HDMI_CEC 8 RDQM0 TX_AE3P C412 10U 10V C434 100N16V TP28T POINT R(NC) Tuner-DIF DVDD3V3 1_A4 14 HDMI_S1 8 COM1 VSYNC HDMI_HPD1 AVDD33_REG_STB 1_A0 1_A9 PB1P AOBCLK IF_AGC_S2T POCE1# TP22 T POINT R(NC) C441 10U 10V TP37 T POINT R(NC) OXTALI 13 TX_AE4N JTCK SPDIF_OUT SPDIF_OUT DDRV A_Reset R466 0R05 1/16W AIN0_R_AADC 7 1_CKE PDD6 LVDS_PWR_EN TX_AE1P PDD4 U0RX ARC_ON SPDIF_OUT 8,17 RDQ3 PWR5V_B TP40 T POINT R(NC) C427 0.1uF 50V TX_AO0P 15 PR1P 7 R488 0R05 1/16W Analog Normal Power System IO AVDD3V3 1_A11 14 1_RAS# 14 PWR5V_B 8 BP TX_AE0P AVDD33_VDAC RDQ5 JTDI DTMB_DVBC_SW MEMORY_WP# R408 1K 1/16W 1% C445 100N16V R447 0R05 1/16W SOG 6 TX_AE4P 1_A12 1_BA2 DDRV RCLK0 HDMI_CEC R409 10K 1/16W 5% PWR5V_B PWR5V_A AOBCLK JTDO 15 VCCK C408 100N16V Strapping & GPIO AVDD1V2 1_BA1 14 VGA_SDA PDD7 OXTALI TP24 T POINT R(NC) RDQ9 AOSDATA1 1_A10 RDQ9 C403 1uF 16V TX_AO2N 15 M_RX1_2 8 AV1_CVBS TX_AOCKP BL_DIM_PWM TP23 T POINT R(NC) Standby Power AOUTL 17 VGA_SDA AVDD12_DEMOD TX_AO3P M_RX1_CB RDQ13 TX_AE1N TP32 T POINT R(NC) Core Power (Close to SoC) TX_AECKN 15 RDQS0 DDRV TX_AO2P HDMI_HPD1 Q402 NC\PMBS3904 M_RX1_CB 8 TX_AO4N 1_A6 RF_AGC HDMI_SDA STANDBY TX_AO2P 15 1_A10 RDQS1# NAND USB_DP1 11 SOG AIN0_L_AADC C437 100N16V PB1P AVDD12_HDMI BL_ON/OFF# M_RX1_0 USB_PWR_OCP0 TX_AE0P 15 DVDD3V3 RCLK0# DEMOD_TSSYNC DEMOD_TSSYNC OSCL0 LVDS RDQ0 14 1_A7 14 PWR5V_C 8 JTRST# 15 T2S_TIF+ OSCL0 TX_AO4P POWE# AVDD1V2 TX_AO4N 15 PWR5V_A 8 USB_PWR_OCP1 11 VDAC_FS 1_RAS# DDRV RDQ12 JTDO C421 100N16V AVDD1V2 RDQ5 14 1_A9 14 1_A7 1_CS# 1_A3 RDQS1# M_RX1_CB VCCK MJC_RST ADC_KEY M_RX1_0 8 PACLE 13 TX_AE2P JTDO 1_A13 1_A1 RDQ7 14 RDQ12 14 T2S_TIF- KEY2 PDD2 C446 100N16V C433 100N16V AV2_CVBS 7 C404 100N16V AL1O 18 RDQ11 MEMORY_WP# TX_AE2N C435 100N16V R420 0R05 1/16W AVDD1V2 TX_AOCKN 15 PARB# 13 AVDD33_DEMOD Demod TS T2S_TIF- 9 AIN_CTL0 7 USB_DM1 M_RX1_0B VCCK JTMS TX_AO2P PAALE C425 100N16V ADAC_PWR RCLK0 14 RF_AGC_S2T 9 IF_AGC_S2T 9 RDQ1 M_RX1_0B DEMOD_TSCLK 10 TX_AO3P 15 PDD6 13 TX_AE3P U0TX 1_CAS# TX_AO1N ADC_KEY R405 0R05 1/16W C415 100N16V RDQS1# 14 OIRI 16 PWR_OK 4 AVDD33_IFPGA TX_AO1P 1_A11 1_BA1 1_A0 POOE# BL_ON/OFF# R444 47 OHM 1/16W DDRV VGACOM TX_AO1P PR1P TP35 T POINT R(NC) C431 4.7UF 16V R436 0R05 1/16W I2S TX_AE1N 15 POOE# 13 AL1O DDRV RDQ8 RDQ10 CVBS_COM 7 RDQ1 14 1_A10 14 PAALE 13 USB_PWR_OCP0 11 RDQ12 AV2 1_A6 14 PDD3 13 TX_AE0N AVDD33_DAC HDMI_SCL C411 100N16V C417 100N16V M_RX1_0B 8 DTMB_DVBC_SW 9 BST_CTL# 9 M_RX1_2 C401 47N16V TX_AECKN M_RX1_1B HDMI_CEC DVDD3V3 PAALE HDMI_S1 PDD6 USB_DM0 RVREF5 C407 100N16V C450 100N16V CVI1 1_BA0 14 TX_AECKP 15 PDD0 13 SPK_MUTE 18 OXTALO 1_ODT SC0 MUTE_CTL M_RX1_2B 8 AVDD12_RGB DEMOD_TSCLK BL_DIM_PWM HDMI_S1 DDRV 3V3SB 1_CAS# 14 HDMI_HPD1 8 DEMOD_TSVALID DDC_WP# POCE1# IF_AGC PDD1 BP 6 AOLRCK 18 VGACOM RDQ10 RDQ1 T2S_TIF- OPCTRL5 RF_AGC C440 100N16V R416 0R05 1/16W HDMI TX_AOCKP 15 RDQM0 AVDD33_AADC AVDD33_LVDSTX 1_A1 AVDD33_LVDSTX TX_AO3P VCCK R401 0R05 1/16W C428 0.1uF 50V M1A Custom 09 19 Tuesday , April 26, 2011 HW4 09. MT5310 QFP256 OEM MODEL Size Rev Date Sheet of TPV MODEL PCB NAME 称爹 T P V ( Top Victory Electronics Co . , Ltd. ) Key Component 絬 隔 瓜 絪 腹 AVDD3V3 RDQ11 14 STANDBY 4,18 AIN_CTL1 AOMCLK DRAM IO Power (Close to SoC) OSDA0 8,9,10,13,18,20 TX_AE1N PDD1 RCLK0# RF_AGC_S2T POCE0# JTMS 15 KEY2 16 1_A3 SC1 RP RDQ4 PDD0 POWE# 13 AIN0_L_AADC 7 AVDD33_XTAL_STB Y1P PDD5 OXTALO AADC RDQS0# 14 AOMCLK 18 JTDI 15 U0RX 6,15 AVDD12_MEMPLL RDQ3 1_A4 HP_DET# AVDD33_HDMI MJC_RST R449 0R05 1/16W R424 100R 1/16W 5% R406 4K7 1/16W 5% RDQM0 14 TX_AO1P 15 AOUT_EN 17 AVDD33_PDM_STB RDQ7 DVDD3V3 DVDD3V3 AVDD3V3 RDQS1 14 AVDD33_XTAL_STB AVDD33_REG_STB R423 100R 1/16W 5% RP 6 1_A3 14 AVDD33_AADC AVDD33_HDMI AVDD12_VPLL RDQ14 R417 0R05 1/16W C424 100N16V R450 0R05 1/16W GP 6 OPCTRL5 13 TX_AO0N 1_A5 TX_AO3N TX_AE0P MONITOR_OUT AIN0_R_AADC DDC_WP# 6,8 BL_ON/OFF# 4 1_CS# 1_ODT 1_BA0 U0TX BST_CTL# LVDS_PWR_EN OPCTRL4 RDQ4 14 1_A8 14 GP M_RX1_C R425 10K 1/16W 5% R451 0R05 1/16W AV3 RDQ10 14 TX_AO0N 15 Y1P DTMB_DVBC_SW STANDBY R489 0R05 1/16W TP39 T POINT R(NC) RDQM1 14 AR1O 18 RDQS0# PDD4 DEMOD_TSDATA0 RDQ2 AV1 VSYNC 6 RDQ3 14 PDD1 13 OSCL0 8,9,10,13,18,20 RP HSYNC M_RX1_2B RDQ14 1_A11 T2S_TIF+ AVDD33_PDM_STB C402 47N16V C418 100N16V RDQ6 14 RDQ15 14 AOSDATA0 18 PR1P M_RX1_0 RDQS1 R448 0R05 1/16W NOR VCCK M_RX1_C 8 VCCK 1_A8 TX_AO0P TX_AE3N JTCK 15 DEMOD_TSDATA0 PWR_OK TX_AE3P 15 HSYNC IF_AGC_S2T SPK_MUTE R403 1K 1/16W 5% C429 0.1uF 50V C420 10U 10V TX_AE3N 15 PDD7 13 A_Reset 18 AVDD33_VDAC AIN0_R_AADC TX_AO2N C422 100N16V 1_A0 14 VCCK M_RX1_2B AOSDATA0 MONITOR_OUT DEMOD_RESET HSYNC 6 RDQ8 14 TX_AO4P U0RX RDQ8 1_A5 DDRV C405 100N16V R414 0R05 1/16W C447 100N16V M_RX1_1 8 SOG M_RX1_2 RCLK0 DVDD3V3 C442 100N16V ADC-in & GPIO DEMOD_RESET 10 PWR5V_C VCCK RDQ13 AVDD33_CVBS PDD3 OSDA0 1_A4 PARB# AOMCLK AVDD3V3 3V3SB ADC_KEY 16 AVDD33_USB_2P TX_AE4P C416 100N16V RDQS0 14 TX_AE4P 15 TX_AE2P 15 AOBCLK 18 OPCTRL4 13 AVDD33_CVBS AVDD33_DAC 1_A13 C444 100N16V VGA_SDA TX_AO2N TX_AECKP CVBS_COM MUTE_CTL C430 0.1uF 50V VGA Close to MT5301 RDQ14 14 1_A2 14 TX_AO1N 15 LIT_SENSOR 16 AVDD33_DEMOD SPK_MUTE OPWM0_100HZ PACLE AVDD3V3 Y1P 7 LED_WGB RDQS0 USB_PWR_OCP1 OPCTRL5 JTAG 3V3SB 1_ODT 14 PDD5 13 HDMI_SCL 1_A6 AOSDATA1 VGA_SDA AV2_CVBS + C443 220UF 16V OPWRSB 5 JTDI VCCK PARB# DDRV DDRV AOLRCK R453 0R05 1/16W DEMOD_TSSYNC 10 MJC_RST 20 VCCK RDQ15 COM1 M_RX1_1 AOLRCK VCCK VMID_AADC R446 0R05 1/16W R445 0R05 1/16W C438 100N16V 5V_SW HDMI_SCL 8 PDD2 13 USB_DP0 11 ORESET# 13 RDQS1 A_Reset USB_DP1 ORESET# HDMI_S2 TP41 T POINT R(NC) C448 100N16V 1_CS# 14 USB_VRT RDQ2 USB_PWR_OCP0 USB_DM1 AIN_CTL1 R418 0R05 1/16W C426 0.1uF 50V VGA_SCL + C419 100uF/16V MEMORY_WP# 13 PWR5V_A 1_BA0 1_RAS# RDQM1 JTRST# LED_RED_OFF# R487 4K3 1/16W 5% R415 0R05 1/16W GND 4,5,6,7,8,9,10,11,13,14,15,16,17,18,19,20,21,22 1_A12 1_A8 AR1O VCCK DDC_WP# TP46T POINT R(NC) AV1_CVBS 7 LED_RED_OFF# 16 AV1_CVBS AVDD12_HDMI JTMS 1_CAS# AVDD12_DEMOD IF_AGC POWE# TP38 T POINT R(NC) E-Fuse Normal GPIO 3V3SB TX_AE2N 15 1_BA2 TX_AE2P JTRST# LED_RED_OFF# PDD0 TP33 T POINT R(NC) C413 10U 10V TX_AE1P 15 MONITOR_OUT 17 POCE0# 13 TX_AE1P RDQ6 DEMOD_TSCLK TX_AECKN TX_AE0N C449 100N16V C423 100N16V AOUTR 17 GP GPIO_6 PACLE JTCK OSDA0 T2S_TIF+ 9 PB1P 7 OIRI RDQ11 AIN0_L_AADC VGACOM 6 SOY1 7 AIN_CTL1 7 1_WE# OPWRSB R422 0R05 1/16W HDMI_SDA 8 1_A9 RF_AGC_S2T C436 100N16V AVDD3V3 TX_AE4N 15 ARC_ON 8 OPWRSB AVDD33_USB_2P RDQS0# LIT_SENSOR LIT_SENSOR AOSDATA0 RDQM1 1_CKE M_RX1_1B OPWM0_100HZ AVDD1V2 RDQ2 14 1_A5 14 1_CKE 14 DEMOD_TSDATA0 10 OXTALO 13 MUTE_CTL 18 SOY1 R411 10K 1/16W 5% R429 10K 1/16W 5% C439 100N16V PWR_OK POOE# RDQ6 TX_AO0N USB1 & 2 SY1 RDQ7 LED_WGB C406 100N16V R454 0R05 1/16W R404 10K 1/16W 5% USB_DM1 11 TX_AO3N HDMI_SDA VSYNC AIN_CTL0 R410 5.1K 1% R413 0R05 1/16W DDR2 CVBS_COM TX_AOCKN AL1O TP27T POINT R(NC) R402 NC\10K 1/16W 5% AVDD3V3 TX_AO0P AVDD12_PLL PDD7 BST_CTL# ARC_ON AV2_CVBS 3.3V IO Power (Close to SoC) HDMI_S2 8 TX_AOCKP 1_BA1 1_A7 R421 0R05 1/16W C414 100N16V R407 1K 1/16W 1% TX_AE2N USB_DP0 USB_PWR_OCP1 1_A2 HDMI_S2 DEMOD_TSVALID 10 USB_DP1 BP RDQ5 TX_AECKP TX_AE4N TX_AOCKN R486 560R 1% C409 100N16V RDQ13 14 1_BA2 14 TX_AO4P 15 POCE1# 13 USB_DM0 11 DVDD3V3 AVDD12_VPLL C432 100N16V PWM 35 DVDD3V3 PDD3 POWE# 12 POWE# U403 HY27US08281A-TPCB 1 2 3 4 5 6 7 8 9 10 11 12 13 14 15 16 17 18 19 20 21 22 23 24 25 26 27 28 29 30 31 32 33 34 35 36 37 38 39 40 41 42 43 44 45 46 47 48 NC NC NC NC NC NC R/B RE CE NC NC VCC VSS NC NC CLE ALE WE WP NC NC NC NC NC NC NC NC NC I/O0 I/O1 I/O2 I/O3 NC NC NC VSS VCC PRE NC NC I/O4 I/O5 I/O6 I/O7 NC NC NC NC PAALE PDD6 C461 100N 16V R464 2.2K 1/16W 3V3SB Reset IC U406 MAX809STRG 1 2 3 GND RESET VCC 3V3SB 3V3SB C462 10U 16V ORESET# 12 PACLE R459 NC\4K7 1/16W 5% OSCL0 PDD4 12 PDD2 R458 NC\10K 1/16W OXTALO DVDD3V3 PACLE R479 NC\10K 1/16W 5% NVRAM PDD7 12 R473 4K7 1/16W 5% C452 NC\10U 10V PDD5 POWE# POCE1# 3V3SB PDD4 MEMORY_WP# DVDD3V3 5VSB L: Write Protect OPCTRL4 PDD7 PDD2 OSCL0 R476 NC\10K 1/16W 5% POOE# PDD3 12 R478 10K 1/16W 5% Close to SoC C458 27pF R480 NC\1M 1/16W R472 4K7 1/16W 5% Strapping PDD5 12 PAALE 12 POCE1# PDD1 R475 10K 1/16W 5% PDD6 12 R456 4K7 1/16W 5% PARB# 12 R467 NC\5K1 1/16W 5% 5VSB DVDD3V3 OXTALO 12 H : Write Protect L : Write Enable FLASH_WP# OPCTRL5 12 U405 M24C32-WDW6 4 8 5 6 1 2 3 7 VSS VCC SDA SCL E0 E1 E2 WC DVDD3V3 OPCTRL5 MEMORY_WP# PARB# PDD0 R460 NC\4K7 1/16W 5% GND 4,5,6,7,8,9,10,11,12,14,15,16,17,18,19,20,21,22 OPCTRL5 POCE0# R468 100K 1/16W OSDA0 FLASH_WP# C455 NC\100N 16V OPCTRL4 OXTALI I2C address at A0 PDD0 R477 10K 1/16W 5% POOE# 12 PDD4 POCE0# 12 POOE# Q401 PMBS3904 C456 100N 16V U404 NC\MX25L6445EM2I-10G 1 2 3 4 5 6 7 8 CS# SO/SIO1 WP#/SIO2 GND SI/SIO0 SCLK NC/SIO3 VCC OSDA0 8,9,10,12,18,20 PARB# R461 10K 1/16W 5% NOR Flash PDD3 AOSDATA1 C460 100N 16V OSDA0 ORESET# DVDD3V3 PDD7 OXTALI 12 DVDD3V3 POCE1# 12 PDD1 12 PAALE MEMORY_WP# 12 DVDD3V3 PDD6 OPCTRL4 SMD/0402 OXTALI AOSDATA1 PDD7 R471 6K8 1/10W 1% R469 NC /0R05 1/16W R470 1K 1/10W 1% PACLE 12 R457 NC\0R05 1/16W R474 NC\10K 1/16W 5% POCE0# R463 4.7K 1% C454 220N16V PDD0 12 X401 27MHz 1 2 3 4 OSCL0 8,9,10,12,18,20 R455 NC\4K7 1/16W 5% M1A C 10 19 Tuesday , April 26, 2011 HW4 10. SoC Peripheral OEM MODEL Size Rev Date Sheet of TPV MODEL PCB NAME 称爹 T P V ( Top Victory Electronics Co . , Ltd. ) Key Component 絬 隔 瓜 絪 腹 PDD2 12 PDD5 PDD1 C453 NC\100N 16V SMD/0402 STBC CRYSTAL C457 27pF AOSDATA1 12 POOE# MEMORY_WP# CN402 CONN 1 2 3 4 OXTALO R465 10K 1/16W 5% ORESET# R462 4.7K 1% PDD6 H: Write 36 C467 100N16V RDQ4 12 1_BA1 12 1_A7 B_A13 RDQ5 RDQ4 1_CS# B_RAS# B_A2 B_A7 C466 100N16V CAPs Close to DDR2#1 A9 C7 C9 1_A10 1_A8 1_A1 12 RDQ11 RDQ10 12 RDQM1 RDQ14 12 RDQ12 RDQ1 12 B_A9 B_A4 B_RAS# E1 1_A0 R485 1.1KOHM +-1% 1/10W R483 100R 1/16W 5% DDRV 1_A11 1_A0 12 RDQS1# 1_A1 1_BA2 12 RDQS1 U402 NT5TU64M16DG-BD A1 A2 A3 A7 A8 A9 B1 B2 B3 B7 B8 B9 C1 C2 C3 C7 C8 C9 D1 D2 D3 D7 D8 D9 E1 E2 E3 E7 E8 E9 F1 F2 F3 F7 F8 F9 G1 G2 G7 G8 G9 H1 H2 H3 H7 H8 H9 J1 J2 J3 J7 J8 J9 K2 K3 K7 K8 K9 L1 L2 L3 L7 L8 M2 M3 M7 M8 M9 N1 N2 N3 N7 N8 P2 P3 P7 P8 P9 R1 R2 R3 R7 R8 G3 VDD NC VSS VSSQ UDQS VDDQ DQ14 VSSQ UDM UDQS VSSQ DQ15 VDDQ DQ9 VDDQ VDDQ DQ8 VDDQ DQ12 VSSQ DQ11 DQ10 VSSQ DQ13 VDD NC VSS VSSQ LDQS VDDQ DQ6 VSSQ LDM LDQS VSSQ DQ7 VDDQ DQ1 VDDQ DQ0 VDDQ DQ4 VSSQ DQ3 DQ2 VSSQ DQ5 VDDL VREF VSS VSSDL CK VDD CKE WE RAS CK ODT BA2 BA0 BA1 CAS CS A10/AP A1 A2 A0 VDD VSS A3 A5 A6 A4 A7 A9 A11 A8 VSS VDD A12 NC NC NC VDDQ B_BA0 RDQ0 C1 C3 RDQ2 RDQ5 B_A4 B_CKE 1_A2 1_A4 RP406 100 OHM 1/16W 1 2 3 4 8 7 6 5 1_RAS# 1_A7 1_A8 B_A7 B_WE# R1 B_A1 J1 RDQ9 1_CKE CLK0# B_A11 CLK0# 1_RAS# 12 RDQS1 12 1_CKE 12 1_A12 RDQ10 1_BA1 RDQS1# 1_BA1 RP402 100 OHM 1/16W 1 2 3 4 8 7 6 5 C464 100N16V 1_ODT B_WE# R481 0R05 1/16W 1_A9 12 1_WE# 1_CAS# 12 C470 100N16V B_A3 B_A0 RDQ3 RDQ5 12 Damping for DDR2#1 ADDR/CMD J9 M9 B_A5 RP401 100 OHM 1/16W 1 2 3 4 8 7 6 5 1_A3 RDQM1 B_A10 1_A11 12 RCLK0# RDQ13 12 RDQ1 DDRV 1_A13 12 1_RAS# RDQ7 12 B_A6 B_A3 RDQS0# 12 RDQ8 12 1_A12 12 1_A3 12 CLK0 RP405 100 OHM 1/16W 1 2 3 4 8 7 6 5 RDQ0 12 RDQ3 RDQ15 C472 100N16V 1_A10 12 1_A9 1_A3 B_CS# RDQ9 RDQS0# R482 0R05 1/16W DDR2#1-64Mx16-1066MHz 1_ODT 12 RDQM1 12 C463 100N16V B_A5 RDQ6 1_A2 1_A1 RDQ12 12 RDQS1 B_A0 RDQ6 RP403 100 OHM 1/16W 1 2 3 4 8 7 6 5 B_ODT CLK0 B_BA2 1_A13 RDQ15 12 1_A13 B_A8 RDQ0 RDQ8 1_CAS# 1_A4 12 1_A5 B_BA1 B_BA0 Damping & Termination for CLK DDRV RDQ13 B_A12 B_CS# Close to DDR2 RCLK0 B_A10 1_WE# RDQ4 1_A9 1_A8 12 RDQS0# B_CKE RDQS0 RDQM0 B_A6 1_A6 C471 100N16V RDQ11 12 RCLK0 RVREF1 E9 G7 G9 RDQS1# 12 RDQ8 1_CAS# Close to MT5310 G1 G3 1_BA2 1_A5 12 1_A0 B_A9 B_A8 RDQ6 12 RCLK0# 1_ODT 1_A6 12 C465 100N16V 1_A4 RDQS0 B_CAS# R484 1.1KOHM +-1% 1/10W RCLK0# 12 1_BA0 12 C468 100N16V RDQ9 12 B_A1 A1 1_WE# 12 RDQM0 12 RDQ11 1_BA2 M1A B 11 19 Tuesday , April 26, 2011 HW4 11. DDR2 OEM MODEL Size Rev Date Sheet of TPV MODEL PCB NAME 称爹 T P V ( Top Victory Electronics Co . , Ltd. ) Key Component 絬 隔 瓜 絪 腹 RDQ14 1_A6 RDQ15 RDQ12 RDQS0 12 B_ODT B_CAS# B_BA2 RP404 100 OHM 1/16W 1 2 3 4 8 7 6 5 RDQ2 12 1_CKE RDQ3 12 1_A5 1_A7 12 RDQ14 RDQ10 B_A13 1_BA0 GND 4,5,6,7,8,9,10,11,12,13,15,16,17,18,19,20,21,22 RDQ2 1_A2 12 RDQ1 RDQM0 B_A2 1_A12 1_A10 B_A11 B_A12 1_CS# 12 B_BA1 DDRV RCLK0 12 RDQ7 RDQ7 1_A11 1_BA0 RDQ13 1_CS# C469 100N16V 37 TX_AO2N 12 M_TX_AE2P 22 M_TX_AOCKP 22 U0RX R142 NC\1K 1/16W 5% DVDD3V3 TX_AE0P 12 DVDD3V3 TX_AOCKN 12 TX_AE2P 12 M_TX_AECKP 22 BL_DIM_PWM 4,12 JTDO TX_AO4P TX_AO2P 12 TX_AE3P M_TX_AO3P M_TX_AO1N TX_AO2N TX_AO2N TX_AE3P 12 TX_AE1N 12 TX_AO0N TX_AECKN TX_AE3N M_TX_AE1P Close to IC MT5301B (U401) JTDI 12 TX_AO0P 12 TX_AECKN R145 NC\10K 1/16W 5% TX_AE4P 12 TX_AO3N 12 M_TX_AOCKP TX_AOCKN TX_AE0N TX_AECKN 12 TX_AE0N M_TX_AE4P M_TX_AE3N 22 TX_AO1P JTRST# 12 M_TX_AE2N 22 TX_AE2N ZD137 MLVG0402 1 2 TX_AE3P 12 TX_AE1N TX_AO0N 12 M_TX_AO1P M_TX_AE1N R147 NC\10K 1/16W 5% TX_AO1P 12 M_TX_AE0P 22 M_TX_AO0N 22 TX_AECKN TX_AE1P 12 TX_AE1P TX_AOCKN TX_AO0N JTCK TX_AE1P TX_AECKP 12 TX_AO4P TX_AO1P TX_AE2P TX_AO4N TX_AO3N CN704 NC\CONN 1.25mm 3P 1 2 3 4 5 TX_AE4N 12 OSDA0 8,9,10,12,13,18,20 TX_AE1N M_TX_AO2P 22 M_TX_AO0P 22 M_TX_AO4P JTMS 12 TX_AOCKN R198 NC\0R05 1/16W M_TX_AECKN 22 TX_AO1N M_TX_AE3N TX_AO3P RP105 NC\0OHM 1/16W 1 2 3 4 8 7 6 5 R154 100OHM1/16W M_TX_AE4N 22 TX_AE0P R152 NC\10K 1/16W 5% JTAG (ICE) Debug TX_AO4N 12 TX_AO4P JTCK U0TX OSCL0 RP102 NC\0OHM 1/16W 1 2 3 4 8 7 6 5 TX_AOCKP 12 TX_AE2P TX_AE0N TX_AO1N 12 TX_AO2N TX_AO1P TX_AO3P TX_AECKN 12 M_TX_AO1P 22 FHD 8/10-Bit LVDS Connector >=26" TX_AO3P U0TX LVDSVDD 3V3SB TX_AE1N 12 TX_AE1N R141 NC\0R05 1/16W TX_AE4P M_TX_AOCKN TX_AO4P 12 M_TX_AO4P 22 TX_AE0P TX_AO4N TVTREF#1 TX_AO4N 12 TX_AE3P Panel_12V_5V TX_AECKP R146 NC\10K 1/16W 5% TX_AE4N R156 100R TX_AE3N 12 TX_AE2N 12 TX_AE1P ZD138 MLVG0402 1 2 N54124027 R140 1K 1/16W 5% TX_AE0P R153 4.7K 1/16W C113 100N 50V TX_AE1P 12 M_TX_AO1N 22 TX_AE2N M_TX_AE0P TX_AO3P 12 OSCL0 8,9,10,12,13,18,20 M_TX_AE0N 22 RC_IR_5V 16 TX_AO1N M_TX_AE1P 22 JTDI TX_AE3N JTDO M_TX_AO3N R149 NC\1K 1/16W 5% TX_AO0P 12 TX_AE4N 12 M_TX_AO4N TX_AE3N JTMS M_TX_AE3P TX_AO3N TX_AOCKN JTAG_DBGRQ RP104 NC\0OHM 1/16W 1 2 3 4 8 7 6 5 3V3SB JTMS TX_AO3N 12 TX_AOCKP TX_AO2P TX_AE4N near CN408 TX_AOCKN 12 M_TX_AE4P 22 TX_AO1N 12 TX_AOCKP 12 TX_AO3N TX_AO4P TX_AO0P JTDI R150 NC\33R 1/16W 5% R196 NC\0R05 1/16W TX_AO2P TX_AO1N TX_AO3N TX_AO3P 12 TX_AE3P M_TX_AO2P TX_AE2P R143 0R05 1/16W M_TX_AO3N 22 M_TX_AECKN BL_DIM_PWM TX_AE2N 12 TX_AECKP TX_AO0P TX_AO0P DVDD3V3 TX_AO2P 12 TX_AO0N TX_AE2N CN410 CONN 1 2 3 TX_AE0P TX_AO4N M_TX_AO2N R197 NC\0R05 1/16W TX_AE4P 12 TX_AO1P 12 TX_AE0N TX_AECKP M_TX_AO2N 22 TX_AECKN C114 10U 10V EMI M_TX_AE2P TX_AE3P M1A C 12 19 Tuesday , April 26, 2011 HW4 12. LVDS & JTAG & UART OEM MODEL Size Rev Date Sheet of TPV MODEL PCB NAME 称爹 T P V ( Top Victory Electronics Co . , Ltd. ) Key Component 絬 隔 瓜 絪 腹 TX_AO2P R194 NC\0R05 1/16W M_TX_AE0N TX_AE4P TX_AECKP TX_AE1N M_TX_AE1N 22 TX_AE4N TX_AO0N t TH104 NC\MINISMDC075F-2 1 2 TX_AE0N 12 M_TX_AO0P M_TX_AE3P 22 TX_AO0P M_TX_AO3P 22 TX_AE3N ODSEL JTRST# R144 NC\10K 1/16W 5% t TH102 NC\MINISMDC075F-2 1 2 U0RX 6,12 TX_AE0N 12 M_TX_AO4N 22 TX_AE2N R195 NC\0R05 1/16W JTRST# JTAG_DBGACK DVDD3V3 TX_AE2P 12 TX_AO2N 12 U0RX TX_AE4P OSDA0 M_TX_AO0N R151 NC\10K 1/16W 5% JTCK 12 GND 4,5,6,7,8,9,10,11,12,13,14,16,17,18,19,20,21,22 TX_AOCKP TX_AE1P M_TX_AE4N RP106 NC\0OHM 1/16W 1 2 3 4 8 7 6 5 R155 4.7K 1/16W CN414 CONN 1 3 5 7 9 11 13 15 17 19 21 23 25 27 29 31 33 35 37 39 41 2 4 6 8 10 12 14 16 18 20 22 24 26 28 30 32 34 36 38 40 42 CN703 NC\CONN 1 2 3 4 TX_AO0N 12 SELLVDS U0TX 6,12 TX_AO3P TX_AE4P CN415 NC\CONN 1 2 3 4 5 6 7 8 9 10 11 TX_AECKP 12 TX_AO4N M_TX_AECKP BL_DIM_PWM TX_AE3N 12 TX_AOCKP TX_AOCKP TX_AO2N TX_AO1P RP101 NC\0OHM 1/16W 1 2 3 4 8 7 6 5 t TH103 NC\MINISMDC075F-2 1 2 R233 NC\0R05 OHM TX_AE2P TX_AO2P FB105 120R/6000mA 1 2 TX_AO4P 12 M_TX_AOCKN 22 M_TX_AE2N RP103 NC\0OHM 1/16W 1 2 3 4 8 7 6 5 TX_AO1N UART Debug Tool (STBY) near CN101 5VSB_2 TX_AE0P 12 JTDO 12 TX_AE4N 38 IR Receiver Q201 NC\2N7002 R207 0R05 1/16W R221 0R05 1/10W LIT_SENSOR C205 100N 16V 5VSB_2 R209 NC\0R05 1/16W CN401 CONN 1 2 3 4 5 6 7 8 9 10 11 12 13 R220 0R05 1/10W R202 100R 1/16W 5% M1A B 13 19 Tuesday , April 26, 2011 715G4611-M0B <称爹> 13: IR & Key pad Interf ace <絬隔瓜絪腹> OEM MODEL Size Rev Date Sheet of TPV MODEL PCB NAME 称爹 T P V ( Top Victory Electronics Co . , Ltd. ) Key Component 絬 隔 瓜 絪 腹 3V3SB_2 LIT_SENSOR KEY2 L : ON 3V3SB_2 ADC_KEY 12 OIRI Link to IR/Keypad Bd. LED_RED_OFF# 12 KEY R211 NC\0R05 1/16W C206 100N 16V OIRI 12 R201 1MOHM 1/16W +/-5% C201 100N 16V KEY ADC_KEY H : OFF 3V3SB_2 LED_RED_OFF# GND 4,5,6,7,8,9,10,11,12,13,14,15,17,18,19,20,21,22 KEY2 12 LED_RED C204 100N 16V 5VSB_2 ZD202 NC\BZX384-C5V6 1 2 5VSB R206 NC\4K7 1/16W 5% LIT_SENSOR 12 R208 0R05 1/16W LED_RED_OFF# LED_WGB KEY2 C207 33P 50V 3V3SB C203 100N 16V RC_IR_5V 15 3V3SB_2 OIRI 3V3SB_2 ADC_KEY ZD201 NC\BZX384-C5V6 1 2 FB201 120R/3000mA 1 2 R204 1MOHM 1/16W +/-5% FB202 120R/3000mA 1 2 LED_WGB LED_WGB 12 R203 100R 1/16W 5% C202 100N 16V 39 CN705 CONN 1 2 3 4 5 R1311 NC\33K 1/16W C1307 NC\470P 50V R1325 NC\10K1/16W C1319 NC\10N 50V AUD_LOUT R1303 NC\22K1/16W R1304 NC\22K1/16W R1312 NC\33K 1/16W C141 47pF 50V C1301 NC\2.2nF 50V AOUT_EN 12 R605 100R 1/10W 5% C1309 NC\33P 50V(NC) R1322 NC\0R05 1/10W C1303 NC\1UF16V R1301 NC\100OHM1/16W CN122 RCA JACK 1 2 R1318 NC\1.02K 1/10W 1% AUD_ROUT ZD131 NC\UDZSNP5.6B 1 2 Nearly MT5301B/D C604 100N 16V PreAmp output for Audio Out ESPO R1316 NC\33K 1/16W C1312 33P 50V(NC) R1324 NC\0R05 OHM MONITOR_OUT 12 C1317 NC\10UF 16V MONITOR_OUT ZD602 NC\MLVG0402 1 2 R1309 NC\47K1/16W CVBS OUT R604 240R 1/10W 1% C1305 NC\1UF16V C1308 NC\470P 50V R1306 NC\10K1/16W GND 4,5,6,7,8,9,10,11,12,13,14,15,16,18,19,20,21,22 C1318 NC\1UF16V SPDIF_OUT FB1302 NC\30R/700mA 1 2 ZD1301 NC\MLVG0402 1 2 AV_OUT (CVBS+R/L) AOUTR 12 ZD1302 NC\MLVG0402 1 2 R1315 NC\33K 1/16W R1319 NC\51K 1/16W 5% R191 0R05 1/16W CN605 RCA JACK 1 2 SPDIF_OUT 8,12 U413 NC\DRV603PWR 1 2 12 11 9 6 5 4 3 14 7 8 10 13 +INR -INR OUTL UVP PVDD PVSS EN SGND OUTR +INL CN CP PGND -INL R1320 NC\0R05OHM1/16W(NC) C143 NC\47pF 50V C142 47pF 50V C1302 NC\2.2nF 50V 3V3_BUCK R193 0R05 1/16W R192 75R 1/16W 1% C1304 NC\1UF16V C1311 NC\33P 50V C1320 NC\10N 50V C1315 NC\1UF16V FB1301 NC\30R/700mA 1 2 R1310 NC\47K1/16W C1310 NC\33P 50V C1313 NC\33P 50V R1314 NC\47K1/16W R1323 47K1/16W(NC) R1317 NC\2K OHM AUD_ROUT CLOSE TO DRV603(U413) R1302 NC\100OHM1/16W Nearly I/O CONNECTOR R1308 NC\10K1/16W 5V_SW R1307 NC\10K1/16W L101 1.8 uH M1A C 14 19 Tuesday , April 26, 2011 HW4 14_Video Out & SPDIF OUT OEM MODEL Size Rev Date Sheet of TPV MODEL PCB NAME 称爹 T P V ( Top Victory Electronics Co . , Ltd. ) Key Component 絬 隔 瓜 絪 腹 AOUTL 12 Q1501 NC\BC847C(NC) SPDIF_OUT R1313 NC\47K1/16W C1314 NC\33P 50V SPDIF OUT R1305 NC\10K1/16W AUD_LOUT CN106 NC\PHONEJACK 1 2 4 5 3 MONITOR_OUT C1306 NC\1UF16V C605 NC\100P 50V C1316 NC\1UF16V R1321 10K1/16W(NC) 40 HPLOUT FB617 NC\120R/6000mA 1 2 C660 NC\1U 50V R632 6.2 OHM 1/4W FB610 120R/3000mA 1 2 C669 1nF 100V I2C Interface MUTE_CTL 12 DDX3B HP_ROUT OUTB C676 NC\0.1uF 50V G903T63UF 0.6A/3.3V SOT-223 LOUT+ FB609 120R/6000mA 1 2 C650 1N 50V Main audio output deleted OSDA0 D601 LS4148 1 2 A K C670 NC\0.1uF 50V OUT1B Aud_SCL R642 NC\6.2 OHM 1/4W L601 22uH R625 6.2 OHM 1/4W C667 NC\100N 50V D603 S3B 1 2 A K R634 6.2 OHM 1/4W D605 LS4148 1 2 A K SPK_MUTE 12 Aud_SDA C673 NC\1N 50V C656 0.1uF 50V C644 0.1uF 50V C682 10uF 6.3V EAPD HP_LOUT + C662 NC\100UF 35V C686 NC\22pF 50V +24V_SW FB611 NC\120R/6000mA 1 2 C654 680pF 50V SPK_MUTE C637 0.1uF 50V R603 1.8KOHM 1/10W L603 22uH R624 10K 1/16W 5% +24V_AMP + C630 100UF 35V R627 6.2 OHM 1/4W R633 2K2 +-1% 1/16W R617 10K 1/16W 5% AOSDATA0 12 R620 10K 1/16W 5% R602 NC\10K 1/16W 5% DDX3B TW SPK_MUTE C614 47P 50V C687 2.2U10V POP_MUTE R639 1.8KOHM 1/10W C636 0.1uF 50V Aud3V3 HP_ROUT R722 NC\180K A_Reset CN602 CONN 1 2 3 4 R636 0R05 1/16W C617 1UF AOSDATA0 HP_DET# PLL_GND CN603 NC\CONN 1 2 3 C608 1U 50V C639 0.1uF 50V C659 NC\0.1uF 50V Aud3V3 OSDA0 8,9,10,12,13,20 OSCL0 8,9,10,12,13,20 FB615 120R/6000mA 1 2 R629 0R05 1/16W Aud3A3 R611 470KOHM +-5% 1/10W C625 1U 50V DDX3A C621 0.1uF 50V C646 0.1uF 50V AOMCLK 12 EAPD R631 22 OHM 1/4W PLL_GND C609 10uF 10V C666 NC\0.1uF 50V Aud3V3 AL1O STANDBY 4,12 AOLRCK C712 NC\330N 50V C624 330pF 50V IIC DIGITAL SW C649 100N 50V FB604 120R/3000mA 1 2 5V_SW STANDBY C677 NC\0.1uF 50V C642 0.1uF 50V TP45 TP FB607 600R/200mA 1 2 POP_MUTE R643 22 OHM 1/4W C628 100N 50V C657 NC\0.1uF 50V C618 1UF AR1O R718 NC\10K 1/16W 5% C610 1U 50V Reset (pull-up) Aud3V3 FB603 120R/6000mA 1 2 FB616 NC\120R/6000mA 1 2 C688 2.2U10V +5V_ON C611 1UF16V R607 100R 1/16W 5% C683 10uF 6.3V C661 NC\0.1uF 50V 8x7mm Right-angle type 6.2mm Connection to PLL filter 8x7mm Aud3V3 A_Reset 12 OSDA0 R626 22 OHM 1/4W SMD 5.1mm AOSDATA0 C606 1UF 10V R635 0R05 1/16W + C671 NC\100uF 10V D602 LS4148 1 2 A K L604 22uH OPS_5V PWDN OUTA C647 0.1uF 50V C603 100N 50V FB614 120R/6000mA 1 2 R601 100K 1/10W 5% Q601 BC847C TW FB608 600R/200mA 1 2 R640 10K 1/16W 5% M1A Custom 15 19 Tuesday , April 26, 2011 HW4 nh 15. AUDIO AMP/HEADPHONE OUT OEM MODEL Size Rev Date Sheet of TPV MODEL PCB NAME 称爹 T P V ( Top Victory Electronics Co . , Ltd. ) Key Component 絬 隔 瓜 絪 腹 +5V_ON FB606 600R/200mA 1 2 C653 1N 50V Aud3V3 AOMCLK HP_DET# C651 330pF 50V CN601 PHONE JACK 5P 1 2 3 5 4 C679 NC\0.1uF 50V AOBCLK 12 Q602 BC847C FB619 600R/200mA 1 2 8x7mm 8x7mm FB601 120R/6000mA 1 2 R719 NC\10K 1/16W 5% R630 2R2 1/16W 5% R628 1R 1% HP_LOUT FB618 600R/200mA 1 2 OUT1B DDX3A MUTE_CTL L602 22uH R720 NC\56KOHM 1/16W MUTE_CTL C681 10uF 6.3V I2S Interface Power down (pull-up) Aud3A3 AL1O A_Reset C655 4N7 50V L606 NC\22uH U603 NC\STA515W 1 2 3 4 5 6 7 8 9 10 11 12 13 14 15 16 17 18 19 20 21 22 23 24 25 26 27 28 29 30 31 32 33 34 35 36 37 GND-SUB OUT2B OUT2B VCC2B GND2B GND2A VCC2A OUT2A OUT2A OUT1B OUT1B VCC1B GND1B GND1A VCC1A OUT1A OUT1A NC GND-CLEAN GND-REG VDD VDD VL CONFIG PWRDN TRI-STATE FAULT TH_WAR IN1A IN1B IN2A IN2B VSS VSS VCCSIGN VCCSIGN GND C643 0.1uF 50V C680 10uF 6.3V ROUT- A_Reset PWDN SMD 5.1mm Aud3V3 AR1O Q708 NC\AO4449 -7A/-30V 1 2 3 4 8 7 6 5 S S S G D D D D C613 1UF16V R721 NC\56KOHM 1/16W + C663 NC\100UF 35V L: Off H: On AL1O 12 AOLRCK ZD601 BZX84C3V6 1 3 C627 1N 50V R637 NC\6.2 OHM 1/4W + C631 100UF 35V OUT1A C626 0.1uF 50V OUTA OUT2A + C638 100UF 35V C648 1N 50V SMD 5.1mm AOBCLK C632 0.1uF 50V C665 NC\1N 50V FB613 120R/6000mA 1 2 PLL_FILT C634 0.1uF 50V Q705 NC\PMBS3904 C615 1UF 10V R623 10K 1/16W 5% HP_DET# 12 C664 NC\330pF 50V U602 STA339BWTR 1 2 3 4 5 6 7 8 9 10 11 12 13 14 15 16 17 18 19 20 21 22 23 24 25 26 27 28 29 30 31 32 33 34 35 36 37 GND_SUB SA TEST_MODE VSS VCC_REG OUT2B GND2 VCC2 OUT2A OUT1B VCC1 GND1 OUT1A GND_REG VDD CONFIG OUT3B OUT3A EAPD/OUT4B TWARN/OUT4A VDD_DIG GND_DIG PWRDN VDD_PLL FILTER_PLL GND_PLL XTI BICKI LRCKI SDI RESET INT_LINE SDA SCL GND_DIG VDD_DIG Thermal Pad C640 0.1uF 50V C678 NC\0.1uF 50V Aud3V3 +24V_AMP EARPDET C616 NC/1N8 50V R614 10R 1/16W 5% R616 10K 1/16W 5% +24V_AMP D606 LS4148 1 2 A K C668 NC\1N 50V + C635 100UF 35V OUTB GND 4,5,6,7,8,9,10,11,12,13,14,15,16,17,19,20,21,22 C684 10uF 10V + C685 100UF 35V OUT2A C674 NC\0.1uF 50V R608 1.8KOHM 1/10W OUT1A HPROUT Headphone input from MT8222 AL2/AR2 Head Phone OUT_Side Direction POP_MUTE LOUT- C619 47P 50V R610 4K7 1/16W 5% AOLRCK 12 OUT2B R606 10K+-5%1/16W AOBCLK U606 MAX9728AETC+ 4 3 11 9 1 7 10 5 2 8 12 6 PVss C1N OUTL SVss C1P SGND OUTR SHDN PGND IN R VDD IN_L C612 NC/1N8 50V OSCL0 Aud_SCL C620 0.1uF 50V C711 NC\330N 50V U607 G903T63UF 3 2 1 4 VIN VOUT GND 4 8x7mm AOMCLK OSCL0 R609 10K 1/16W 5% C672 NC\0.1uF 50V SMD 5.1mm 5V_SW C645 0.1uF 50V C652 0.1uF 50V C641 1U 50V L605 NC\22uH +24V R619 10K 1/16W 5% R638 NC\10K 1/16W 5% AR1O 12 C607 1U 25V +24V_USB TP44 TP C629 1N 50V OUT2B FB602 120R/6000mA 1 2 SMD 5.1mm OUTA Aud_SDA Q603 NC\PDTC114ET 1 3 2 C633 1N 50V FB612 120R/6000mA 1 2 C623 0.1uF 50V C658 NC\0.1uF 50V OUTB PLL_FILT C675 NC\1U 50V SMD 5.1mm R641 NC\10K 1/16W 5% ROUT+ R612 10K 1/10W 5% C622 0.1uF 50V 41 G1084-18 M81_DV33 + C796 220uF 16V + C784 220uF 16V M81_DV11 R739 10K 1/16W 5% CORE POWER M81_DV11 FB722 120R/3000mA 1 2 FB738 NC\120R/3000mA 1 2 R762 18Kohm 1/16W +/-1% C787 1uF 16V C782 100NF 25V C798 100N16V 5V_SW U711 G5657F12U 3 5 8 2 7 6 1 4 9 LX FB SS IN EN COMP NC GND Thermal Pad 5 U713 3 2 1 VIN VOUT GND M81_AV12 R763 4.7K 1% OFF ON POWER M81_AV33 M81_AV33 C779 10U 16V GND 4,5,6,7,8,9,10,11,12,13,14,15,16,17,18,20,21,22 FB704 120R/3000mA 1 2 9 5V_SW D706 SS3P4 1 2 + C773 220uF 16V M81_DV33 U712 G1117T63Uf 3 1 2 4 VIN GND VOUT TH FB741 120R/3000mA 1 2 C788 10uF 10V C795 100N16V 1 POWER M81_DV33 4 FB739 120R/3000mA 1 2 6 U710 G5657F12U 3 5 8 2 7 6 1 4 9 LX FB SS IN EN COMP NC GND Thermal Pad C771 180P 50V M81_DDRV C786 100NF 25V +12V C783 10NF 50V C776 10NF 50V R757 750R 1% C781 1uF 16V OFF ON R759 0R01 1/10W FB705 NC\120R/3000mA 1 2 R754 0R05 1/16W 2 FB743 120R/3000mA 1 2 C777 10U 16V + C790 220UF 16V R760 10K 1/16W 5% R738 15K 1/16W 5% R758 68K 1/16W 1% R755 24K 1% FB708 NC\120R/6000mA 1 2 FB706 120R/3000mA 1 2 C791 10U 16V C775 1uF 16V C770 100P 50V 7 R1 M81_DV33 POWER M81_AV12 C778 10NF 50V C768 100N16V C774 100N16V 3 M81_DV33 C785 10U 16V C740 10U 16V R756 62K 1/16W 1% C789 100N16V R2 FB740 120R/3000mA 1 2 R1 L706 10uH C780 100N16V M1A Custom 16 19 Tuesday , April 26, 2011 HW4 nh 16. MEMC DC CONVERTER OEM MODEL Size Rev Date Sheet of TPV MODEL PCB NAME 称爹 T P V ( Top Victory Electronics Co . , Ltd. ) Key Component 絬 隔 瓜 絪 腹 D705 SS3P4 1 2 R1 L707 4.7uH 2A 8 R2 FB742 120R/3000mA 1 2 C792 100N16V DRAM Power M81_DDRV C772 100N16V R761 10K 1/16W 5% C797 10nF50V +12V M81_AV33 C794 2.2nF 50V C769 10nF50V C793 100P 50V R2 42 R4122 0R05 1/16W M82_DMAACK M82SPI_CS# C4129 100N16V C4115 3.3nF 50V OSDA0 8,9,10,12,13,18 TP21 M81_DV33 AV12 PLL POWER M82_U0TX M82_DMAACK R4117 0R05 1/16W M81_DV33 C4124 100N16V M82_RST# OSDA0 R4128 0R05 1/16W R4106 0R05 1/16W M82_GPIO22 22 OSCL0 DMA_ACK_GP4 M82SPI_SO C4119 4.7UF 10V UART for code download and debug MJC_RST X4101 27MHz 1 2 3 4 Trapping : Default Low when no configuration external M81_DV33 C4127 100N16V Serial Flash 4 Mb M82_JTMS C4106 10uF 10V M82SPI_SI C4123 100N16V U408A NC\MT8282AGG B2 C11 C12 C13 C3 C4 D11 D4 E10 E11 E5 E6 F16 H11 H13 H5 H9 J10 J12 J3 J5 K10 K11 K12 K13 K4 K5 K8 K9 L10 L11 L12 L3 L9 M10 M11 M13 M8 N11 N12 N3 N9 T12 U5 V5 A18 A19 A20 B17 B18 C16 C17 C18 D15 D16 E14 E15 H10 H12 J11 J13 J9 L13 L8 M12 M9 N10 N13 N8 R5 T4 U12 DVSS DVSS DVSS DVSS DVSS DVSS DVSS DVSS DVSS DVSS DVSS DVSS DVSS DVSS DVSS DVSS DVSS DVSS DVSS DVSS DVSS DVSS DVSS DVSS DVSS DVSS DVSS DVSS DVSS DVSS DVSS DVSS DVSS DVSS DVSS DVSS DVSS DVSS DVSS DVSS DVSS DVSS DVSS DVSS DVSS VCCK VCCK VCCK VCCK VCCK VCCK VCCK VCC3IO_3 VCCK VCCK VCCK VCCK VCCK VCCK VCCK VCCK VCCK VCCK VCCK VCCK VCCK VCCK VCCK VCCK VCC3IO_1 VCC3IO_1 VCC3IO_2 MT8282 POWER M82SPI_SI M82_JTDO C4113 100N16V M82_GPIO21 C4184 10UF 6.3V X5R +-20% C4122 10UF 6.3V X5R +-20% M81_DV33 Y3 R4119 4K7 1/16W 5% 3 Pin 1.0mm Pitch Vertical Type RESET from MT5363 I2C CONNECTION Y3 C4118 4.7UF 10V C4107 100N16V M81_AV12 C4128 100N16V C4126 100N16V R4104 0R05 1/16W M82_JTDO XTALO R4112 820K 1/16W 5% OSCL0 C4101 4.7UF 10V GPIO control to Panel M82_GPIO20 C4111 4.7UF 10V XTALI M82SPI_CS# M82_GPIO22 AV33_XTAL M82_U0RX R4121 NC/4K7 1/16W R4115 0R05 1/16W M81_AV33 OSDA0 R4129 10K 1/16W 5% C4109 30PF 50V TP19 M82_U0RX OSCL0 8,9,10,12,13,18 MT8282 RESET# M82_SDA XTALI M82SPI_SCK M82_JTMS C4104 100N16V U411 MX25L4005AMI-12G 1 2 3 4 5 6 7 8 CS SO WP GND SI SCK HOLD VCC M82_GPIO20 22 R4103 0R05 1/16W WP# R4107 0R05 1/10W C4125 100N16V R4137 NC\0R05 1/16W MJC_RST 12 R4136 4K7 1/16W 5% R4118 4K7 1/16W 5% R4105 1K 1/16W 5% R4111 0R05 1/16W M81_DV11 C4105 330pF 50V C4108 30PF 50V FB4101 120R/3000mA 1 2 M82_GPIO22 M82_SCL M82_GPIO21 22 R4109 NC/1K 1/16W M82_U0TX TP17 FB4102 120R/3000mA 1 2 GND 4,5,6,7,8,9,10,11,12,13,14,15,16,17,18,19,21,22 C4102 100N16V M81_DV11 M82_SDA C4114 3.3nF 50V MT8282 Peripheral M82SPI_SO M82_EFUSE XTALO C4117 22uF 10V AV33 XTAL POWER V3 Crystal MJC_RST M82_SCL TP20 M81_AV33 V3 R4108 1K 1/16W 5% DV10 CORE POWER R4110 0R05 1/16W DV33 IO POWER M82_RST# C4121 100N16V C4103 4.7UF 10V TP18 AV33_XTAL R4102 0R05 1/16W I2C to MT5363 M81_DV33 M82_GPIO21 M81_DV33 C4130 330pF 50V AV12_PLL OSD DMA ACK M1A Custom 17 19 Tuesday , April 26, 2011 HW4 nh 17. MEMC PERIPHERAL OEM MODEL Size Rev Date Sheet of TPV MODEL PCB NAME 称爹 T P V ( Top Victory Electronics Co . , Ltd. ) Key Component 絬 隔 瓜 絪 腹 M82SPI_SCK R4101 0R05 1/16W U408C NC\MT8282AGG B19 B20 C19 C20 T5 U11 U2 U3 U4 V1 V11 V2 V3 V4 W1 W16 W17 W2 W3 Y16 Y17 Y2 Y3 U13 U14 U15 V13 V14 V15 V20 W18 W20 W19 Y18 Y19 SFD0 SFCK SFCS SFD1 JTDO SDA JRTCK JTMS JTRST JTDI SCL JTCK GPIO0 GPIO3 RXDMA_ACK CLK_IN RXD0 PRST_ GPIO2 CLK_OUT TXD0 EFUSE GPIO1 AVDD12_SYSPLL AVDD12_DMPLL AVDD12_MJCPLL AVSS12_SYSPLL AVSS12_DMPLL AVSS12_MJCPLL AVDD33_XTAL TN0 XTALO XTALI TP0 AVSS33_XTAL AV12_PLL C4112 100N16V CN413 CONN 1 2 3 4 5 M81_DV33 M82_GPIO20 C4120 4.7UF 10V R4130 10K 1/16W 5% 43 RDQ16 2_BA1 2_BA0 RBA1 RA8 M81_DDRV RA8 RCS# + C4138 NC\220uF 16V RA4 1_BA0 M81_AV12 1_CAS# RDQ19 1_BA0 CLK1# RDQ23 DDR#1 LSB RDQ9 RA5 U410 NT5TU32M16DG-BE A1 A2 A3 A7 A8 A9 B1 B2 B3 B7 B8 B9 C1 C2 C3 C7 C8 C9 D1 D2 D3 D7 D8 D9 E1 E2 E3 E7 E8 E9 F1 F2 F3 F7 F8 F9 G1 G2 G7 G8 G9 H1 H2 H3 H7 H8 H9 J1 J2 J3 J7 J8 J9 K2 K3 K7 K8 K9 L1 L2 L3 L7 L8 M2 M3 M7 M8 M9 N1 N2 N3 N7 N8 P2 P3 P7 P8 P9 R1 R2 R3 R7 R8 G3 VDD NC VSS VSSQ UDQS VDDQ DQ14 VSSQ UDM UDQS VSSQ DQ15 VDDQ DQ9 VDDQ VDDQ DQ8 VDDQ DQ12 VSSQ DQ11 DQ10 VSSQ DQ13 VDD NC VSS VSSQ LDQS VDDQ DQ6 VSSQ LDM LDQS VSSQ DQ7 VDDQ DQ1 VDDQ DQ0 VDDQ DQ4 VSSQ DQ3 DQ2 VSSQ DQ5 VDDL VREF VSS VSSDL CK VDD CKE WE RAS CK ODT NC/BA2 BA0 BA1 CAS CS A10/AP A1 A2 A0 VDD VSS A3 A5 A6 A4 A7 A9 A11 A8 VSS VDD A12 NC/A14 NC/N15 NC/A13 VDDQ M81_DDRV RDQ13 RA10 C4159 NC\330pF 50V 1_A1 M81_DDRV RDQ18 RDQ0 Close to DRAM M81_DDRV 1_A5 RODT RDQM0 2_A11 RDQ14 R4127 NC\56R 1/16W 5% RDQ1 RA10 2_RAS# C4158 NC\1.5nF 50V M81_DDRV RDQ7 RA5 RA4 1_A4 2_CAS# 2_CKE NC\MT8282AGG U408B A10 A11 A12 A14 A15 A16 A6 A8 B10 B11 B12 B13 B14 B15 B6 B9 C10 C14 C7 C8 D10 D12 D13 D5 D7 D9 E1 E12 E2 E3 E4 G1 G2 G3 H1 H2 H3 H4 J2 J4 K1 K2 K3 L1 L2 L4 M2 M3 M4 M5 N1 N2 N4 R1 A1 A17 A2 A3 A4 A7 B1 B16 B3 B4 B5 B7 B8 C1 C15 C2 C5 C6 C9 D14 D2 D3 D6 D8 E13 E7 E8 E9 F1 F2 F3 F4 F5 G4 G5 H8 J8 L5 N5 P1 P2 P3 P4 P5 R2 R3 R4 T1 T2 T3 U1 RDQ8 RDQS1 RDQS0_ RDQ12 RDQ1 RDQ4 RRAS_ RDQ2 RDQ10 RDQS1_ RDQS0 RDQ9 RDQ11 RDQ3 RCS_ RDQ0 RDQ13 RDQ6 RODT RDQ5 RDQ15 RDQ14 RDQM1 RBA1 RCAS_ RDQ7 RWE_ RDQM0 RBA2 RCKE RBA0 RDQ17 RDQ19 RDQ20 RDQ27 RDQ25 RDQ28 RDQ22 RDQM3 RDQ30 RDQS2_ RDQS2 RDQM2 RDQS3 RDQS3_ RDQ24 RDQ26 RDQ29 RDQ31 RDQ16 RDQ18 RDQ23 RDQ21 REXTDN MEMTN VCC2IO MEMTP RA1 RA2 RCLK0_ RA9 VCC2IO RA5 RA11 RA6 RCLK0 VCC2IO RA7 VCC2IO RA12 RA8 RA0 VCC2IO VCC2IO RA10 RA3 RA4 VCC2IO VCC2IO VCC2IO VCC2IO VCC2IO VCC2IO VCC2IO VCC2IO RVREF0 RVREF0 VCC2IO VCC2IO AVDD12_MEMPLL AVSS12_MEMPLL VCC2IO VCC2IO RCLK1_ RCLK1 VCC2IO VCC2IO VCC2IO VCC2IO VCC2IO VCC2IO VCC2IO VCC2IO VCC2IO VCC2IO RDQ27 RA5 RA10 2_CS# RDQS0 RP4022 NC\56R 1 2 3 4 8 7 6 5 CAPs for DRAM IO Power ( Beneath the DDR#1 ) RCLK0 RDQS2# RDQS1# 2_A12 CLK1 RDQ26 RDQ11 RDQ10 RA12 R4113 NC\56R 1/16W 5% R4131 NC\1K 1/16W 1% RBA0 RA2 RDQ15 2_BA0 RA2 RA9 RA3 RBA1 RP4020 NC\56R 1 2 3 4 8 7 6 5 2_ODT RA3 1_CKE C4141 NC\100N16V R4120 NC\300R 1/16W 1% RCLK1 1_A1 RDQ30 RDQ17 C4160 NC\330pF 50V 2_A4 RDQS3 R4126 NC\56R 1/16W 5% RDQ11 R4141 NC\22R 1/16W 5% RA6 1_A9 RDQ2 C4171 NC\330pF 50V CAPs for DRAM IO Power ( Beneath the DDR#2 ) RCS# RA4 RA7 C4143 NC\6.8nF 50V C4139 NC\10uF 10V CAPs for DRAM IO Power ( Beneath the MT8282 ) GND 4,5,6,7,8,9,10,11,12,13,14,15,16,17,18,19,20,22 2_A6 1_A11 C4168 NC\1.5nF 50V 1_BA1 RDQ3 RDQ19 1_A12 RDQS2 MEM_VREF 2_A4 2_A7 C4166 NC\6.8nF 50V C4133 NC\100N16V RDQ13 M1A Custom 18 19 Tuesday , April 26, 2011 HW4 nh 18. MEMC DDRII OEM MODEL Size Rev Date Sheet of TPV MODEL PCB NAME 称爹 T P V ( Top Victory Electronics Co . , Ltd. ) Key Component 絬 隔 瓜 絪 腹 1_A6 RDQM2 RDQ27 RP4014 NC\56R 1 2 3 4 8 7 6 5 1_CS# 1_ODT 2_A10 RCLK0 1_CS# C4134 NC\100N16V RDQ17 1_A4 2_A0 C4131 NC\100N16V 1_A0 RDQM2 MEM_VREF 2_A2 RA7 RDQ9 RCS# 2_A9 RDQS2 RDQ12 Close to MT8281 MEM_VREF for DRAM RCLK1# RRAS# 2_A8 RDQ21 R4100 NC\22R 1/16W 5% RODT 1_A6 2_WE# 2_A2 2_A3 RP4021 NC\56R 1 2 3 4 8 7 6 5 RDQ7 RDQS1# RDQ21 RDQ28 RDQM3 R4124 NC\100R 1/16W 5% RA11 2_A1 TP29 RDQ12 R4125 NC\56R 1/16W 5% Damping for DDR#1 ADDR/CMD 1_A12 RCKE R4114 NC\22R 1/16W 5% M81_DDRV RDQM0 RA9 2_A10 1_RAS# C4172 NC/10N 16V RDQ25 RA6 CLK0# 2_A6 RDQM1 RA9 RDQ6 RDQ15 RDQ29 RDQ3 1_A9 RA3 RCLK0# CLK1 C4147 NC\1.5nF 50V C4146 NC\330pF 50V 1_CKE C4157 NC\1.5nF 50V 1_A11 1_A8 1_BA1 RDQS0# RDQ30 RP4013 NC\56R 1 2 3 4 8 7 6 5 2_BA1 RODT RA0 + C4163 NC\100UF 16V C4156 NC\6.8nF 50V RDQ6 RA8 CLK0 C4173 NC/10N 16V 2_CAS# RCKE RDQ5 AV12_MEMPLL RDQ22 RDQ4 RWE# RDQ14 RCAS# GND FB4109 NC\120R/3000mA 1 2 C4164 NC\100N16V 2_A0 RRAS# RA6 2_A5 C4155 NC\6.8nF 50V RP4019 NC\56R 1 2 3 4 8 7 6 5 Damping for DDR#2 ADDR/CMD RCAS# R4132 NC\1K 1/16W 1% C4151 NC/10N 16V RDQ29 1_A0 RDQ16 C4144 NC\330pF 50V C4161 NC/10N 16V RDQS3# 2_A11 1_WE# C4153 NC\100N16V RDQM1 C4132 NC\4.7UF 10V RDQS0# RBA0 2_ODT RBA1 RDQS1 1_A2 DDR#2 MSB RDQ4 RDQ28 + C4152 NC\220uF 16V DDR2-1066MHz 1_A2 RA1 CLK0# C4169 NC\1.5nF 50V RDQ24 RRAS# 2_CS# 1_WE# RDQ24 C4149 NC\1.5nF 50V M81_DDRV 1_A3 1_A8 RDQS3# 1_ODT CLK0 RDQ1 R4134 NC\100R 1/16W 5% 1_A3 AV12_MEMPLL RDQ5 RDQ18 RWE# RDQS3 2_WE# RA2 RDQ25 C4136 NC\4.7UF 10V RP4018 NC\56R 1 2 3 4 8 7 6 5 RDQ31 RA12 1_A10 DDR2-1066MHz RA11 R4116 NC\22R 1/16W 5% C4145 NC\330pF 50V C4154 NC\100N16V 1_A10 2_A12 RP4017 NC\56R 1 2 3 4 8 7 6 5 C4148 NC\1.5nF 50V U409 NT5TU32M16DG-BE A1 A2 A3 A7 A8 A9 B1 B2 B3 B7 B8 B9 C1 C2 C3 C7 C8 C9 D1 D2 D3 D7 D8 D9 E1 E2 E3 E7 E8 E9 F1 F2 F3 F7 F8 F9 G1 G2 G7 G8 G9 H1 H2 H3 H7 H8 H9 J1 J2 J3 J7 J8 J9 K2 K3 K7 K8 K9 L1 L2 L3 L7 L8 M2 M3 M7 M8 M9 N1 N2 N3 N7 N8 P2 P3 P7 P8 P9 R1 R2 R3 R7 R8 G3 VDD NC VSS VSSQ UDQS VDDQ DQ14 VSSQ UDM UDQS VSSQ DQ15 VDDQ DQ9 VDDQ VDDQ DQ8 VDDQ DQ12 VSSQ DQ11 DQ10 VSSQ DQ13 VDD NC VSS VSSQ LDQS VDDQ DQ6 VSSQ LDM LDQS VSSQ DQ7 VDDQ DQ1 VDDQ DQ0 VDDQ DQ4 VSSQ DQ3 DQ2 VSSQ DQ5 VDDL VREF VSS VSSDL CK VDD CKE WE RAS CK ODT NC/BA2 BA0 BA1 CAS CS A10/AP A1 A2 A0 VDD VSS A3 A5 A6 A4 A7 A9 A11 A8 VSS VDD A12 NC/A14 NC/N15 NC/A13 VDDQ RBA0 2_A3 2_CKE 2_A8 RA0 RDQS0 RDQ31 C4140 NC\100N16V C4135 NC\100NF 25V RCLK1 C4137 NC\100N16V RA12 RA0 RP4016 NC\56R 1 2 3 4 8 7 6 5 C4150 NC/10N 16V C4162 NC/10N 16V M81_DDRV MEM_VREF RA1 C4165 NC\100N16V RDQ20 1_RAS# RCKE RA11 RDQ20 RCLK0# 2_RAS# RA1 2_A7 RDQ26 1_A5 1_A7 2_A1 RDQ8 C4142 NC\6.8nF 50V RDQ0 RCLK1# CAPs for AV12_MEMPLL RDQM3 C4170 NC\330pF 50V RDQ22 RCAS# 2_A5 RA7 1_CAS# RDQS1 RP4015 NC\56R 1 2 3 4 8 7 6 5 RDQ10 RDQ8 C4167 NC\6.8nF 50V TP25 MEM_VREF RDQ23 1_A7 RDQ2 RWE# 2_A9 RDQS2# CLK1# 44 AV33_LVDSTX M_AE3N M_AO0P M_BE4N M_BOCKN M_TX_AE0N 15 GND 4,5,6,7,8,9,10,11,12,13,14,15,16,17,18,19,20,21 M_AO3P M_TX_AO3N TP30 CN412 NC/CONN 1 2 M_TX_AE1P 15 M82_GPIO21 M_BOCKP M_BECKP AV12_LVDSVPLL M_AO1N M_BO2N AV33_LVDSTX M_TX_AO2P 15 M_BO0P M_BE0P LVDS OUTPUT from MT5363 C4197 NC\100N16V M_AECKP FB4108 NC\120R/3000mA 1 2 M_BO2P M_AE1P M_BO4N M82_GPIO20 M_BE1N M_TX_AE0N AV33_LVDSRX M_AO4P M_AE1N M_TX_AECKP C4174 NC\4.7UF 10V M_AE0N C4191 NC\100NF 25V M_TX_AO1N 15 M81_AV12 AV33_LVDSRX M_AE0P M_TX_AOCKN 15 M1A Custom 19 19 Tuesday , April 26, 2011 HW4 nh 19. MEMC RX/TX OEM MODEL Size Rev Date Sheet of TPV MODEL PCB NAME 称爹 T P V ( Top Victory Electronics Co . , Ltd. ) Key Component 絬 隔 瓜 絪 腹 M_AE1N AV12_LVDSRX M_TX_AE4N C4176 NC\330pF 50V M_TX_AO4N 15 AV12_LVDSRX M_BO0P M_TX_AO3P 15 M_BO2N M82_GPIO21 M_TX_AO1P C4177 NC\4.7UF 10V M_AOCKP M_BE2P M_TX_AO2N TP34 LVDS PORT B M_BE3P M_BECKN CN411 NC\CONN 1 3 5 7 9 11 13 15 17 19 21 23 25 27 29 31 2 4 6 8 10 12 14 16 18 20 22 24 26 28 30 32 M_AO2P U408E NC\MT8282AGG D17 D18 D19 D20 E17 E18 E19 E20 F17 F18 F19 F20 G17 G18 G19 G20 H17 H18 H19 H20 J17 J18 J19 J20 M17 M18 M19 M20 N17 N18 N19 N20 P17 P18 P19 P20 R17 R18 R19 R20 T17 T18 T19 T20 U17 U18 U19 U20 H16 J16 K17 K18 K20 L17 L18 L19 K19 R16 T16 U16 V16 V17 V19 AO0P AO0N AE0N AE0P AO1P AO1N AE1N AE1P AO2P AO2N AE2N AE2P AOCKP AOCKN AECKN AECKP AO3P AO3N AE3N AE3P AO4P AO4N AE4N AE4P BE0N BE0P BO0P BO0N BE1N BE1P BO1P BO1N BE2N BE2P BO2P BO2N BECKN BECKP BOCKP BOCKN BE3N BE3P BO3P BO3N BE4N BE4P BO4P BO4N AVSS33_LVDSA AVSS33_LVDSA AVDD33_LVDSA AVDD33_LVDSA TP_VPLL AVSS12_VPLL AVSS12_LVDS AVDD12_VPLL AVDD12_LVDS AVSS33_LVDSB AVSS33_LVDSB AVDD33_LVDSB AVSS33_LVDSB AVDD33_LVDSB AVSS33_LVDSB AV12_LVDSRX M_BE4P M_TX_AO3P M_TX_AO4P 15 M_AO3P FB4107 NC\120R/3000mA 1 2 LVDS RX M_AO2N M_AO0N M_AE4N C4199 NC\100NF 25V FB4105 NC\120R/3000mA 1 2 AV12_LVDSVPLL M81_AV12 M_BE3P M_TX_AO1N C4179 NC\330pF 50V R4135 NC\0R05 1/16W M_AE2P M_TX_AE4P 15 LVDSVDD M_AE3P M_TX_AE0P R4133 NC\0R05 1/16W M82_GPIO20 20 M_BOCKN M_TX_AE2N 15 AV12_LVDSVPLL M_AO4N M_AE0P CN409 NC\CONN 1 3 5 7 9 11 13 15 17 19 21 23 25 27 29 31 33 35 37 39 41 2 4 6 8 10 12 14 16 18 20 22 24 26 28 30 32 34 36 38 40 42 M_BO3N M_BO3P M_AO3N M_AO1P AV12_LVDSTX M_TX_AE3N 15 M_BO1P M_BO3N M_BE1P M_TX_AE4P M_BE0N C4194 NC\100N16V M_BE4P M_AE3P M_AO3N C4181 NC\10U 16V M_BO4P M_BE2P M_TX_AE0P 15 M_TX_AECKN M82_GPIO22 M_BE2N M_BE0N M_AE3N M_TX_AE2N C4178 NC\100N16V M81_AV33 M81_AV12 FB4103 NC\120R/3000mA 1 2 M_BOCKP C4175 NC\100N16V M_AECKN M_TX_AO4N M_TX_AE2P M_AE1P M_BO1N M_AOCKN M81_AV33 M_BO1N M_AO0P M82_GPIO22 M_AOCKP M_AO1N LVDS PORT A M82_GPIO20 M_TX_AE1P U408D NC\MT8282AGG W10 W11 W12 W13 W14 W15 W4 W5 W6 W7 W8 W9 Y10 Y11 Y12 Y13 Y14 Y15 Y4 Y5 Y6 Y7 Y8 Y9 U10 U6 U7 U8 U9 V10 V6 V7 V8 V9 RE0P RE1P RE2P RECLKP RE3P RE4P RO0P RO1P RO2P ROCLKP RO3P RO4P RE0N RE1N RE2N RECLKN RE3N RE4N RO0N RO1N RO2N ROCLKN RO3N RO4N AVDD33_LVDSRXE AVDD33_LVDSRXO AVDD12_LVDSRX_CK AVDD12_LVDSRX TN_VIPLL AVSS33_LVDSRX AVSS33_LVDSRX AVSS12_LVDSRX_CK AVSS12_LVDSRX TP_VIPLL M_TX_AECKP 15 M_TX_AE3P 15 M_TX_AECKN 15 M_TX_AO1P 15 M_TX_AE1N C4188 NC\100N16V M_BE3N M_AE0N M_AECKP M_TX_AOCKP 15 M_BE1P M_BE0P M_AO2N M_AE4P M_TX_AE1N 15 M_TX_AO0N 15 M_BECKP M_AO4N M_TX_AOCKN M_AE4P M_TX_AO0P M_BE4N M_AE2P M_TX_AO0N AV12_LVDSTX M_BO2P M_BE3N FB4104 NC\120R/3000mA 1 2 M_AE2N M_TX_AOCKP M_TX_AE2P 15 M_TX_AO4P C4180 NC\10U 16V C4183 NC\100N16V M_BO3P M_AO4P M_AECKN M_TX_AO2N 15 M_BO0N AV12_LVDSTX M_AO1P M_BECKN M_BO4N LVDS TX M_BO1P M_BO0N M_BE1N FB4106 NC\120R/3000mA 1 2 C4190 NC\100N16V M_TX_AE4N 15 M_TX_AO3N 15 M_TX_AO0P 15 M_AE4N M_AO0N C4192 NC\100N16V M_BO4P M_TX_AE3N C4182 NC\100N16V AV33_LVDSTX M_AO2P M82_GPIO21 20 M_BE2N M82_GPIO22 20 M_TX_AE3P R4123 NC\0R05 1/16W AV12_LVDSVPLL M_TX_AO2P TP31 AV33_LVDSRX M_AOCKN M_AE2N

标签:

版权声明

1. 本站所有素材,仅限学习交流,仅展示部分内容,如需查看完整内容,请下载原文件。
2. 会员在本站下载的所有素材,只拥有使用权,著作权归原作者所有。
3. 所有素材,未经合法授权,请勿用于商业用途,会员不得以任何形式发布、传播、复制、转售该素材,否则一律封号处理。
4. 如果素材损害你的权益请联系客服QQ:77594475 处理。