长虹液晶TM181B3-V9机芯电路原理图

分类:电子电工 日期: 点击:0
长虹液晶TM181B3-V9机芯电路原理图-0 长虹液晶TM181B3-V9机芯电路原理图-1 长虹液晶TM181B3-V9机芯电路原理图-2 长虹液晶TM181B3-V9机芯电路原理图-3 长虹液晶TM181B3-V9机芯电路原理图-4 长虹液晶TM181B3-V9机芯电路原理图-5 长虹液晶TM181B3-V9机芯电路原理图-6 长虹液晶TM181B3-V9机芯电路原理图-7 长虹液晶TM181B3-V9机芯电路原理图-8 长虹液晶TM181B3-V9机芯电路原理图-9

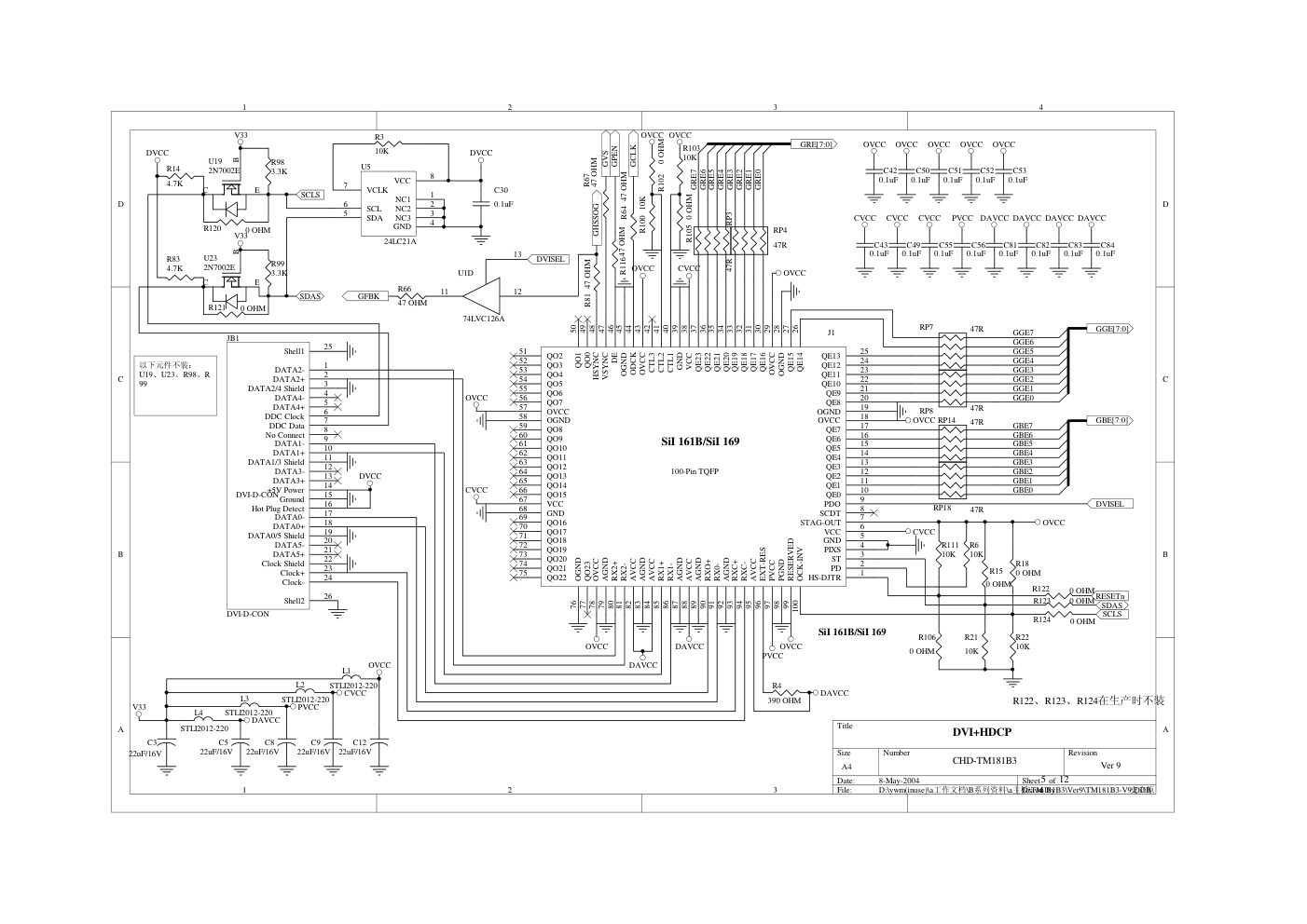
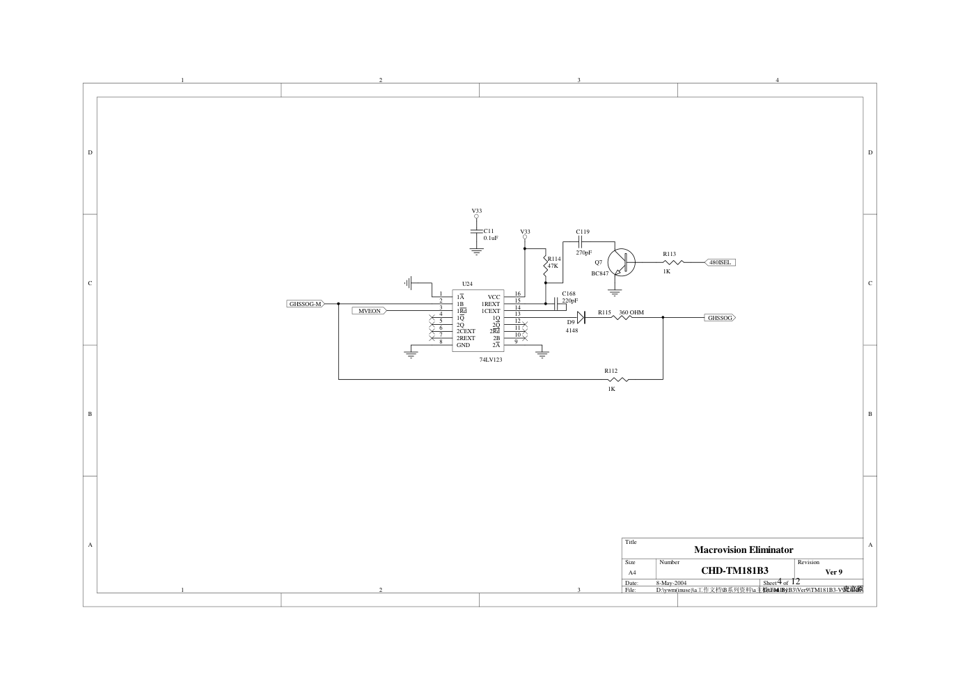
1 2 3 4 A B C D 4 3 2 1 D C B A Title Number Revision Size A4 Date: 8-May-2004 Sheet of File: D:\ywm(inuse)\a \B \a \TM181B3\Ver9\TM181B3-V9.DDB 工作文档 系列资料 主板 Drawn By: A[19:1] SCL SDA ROMWEn SCL-H SDA-H RESETn NMI ROMOEn D[15:0] MEMORY MEMORY.sch VOUT V-RED V-BLU V-GRN V-BOX SDA SCL Z86229 Z86229.Sch VFIELD VVS VHS VPEN 2VCLK RESETn SCL SDA DECOE VYUV[7:0] SCL-H SDA-H VOUT V-BOX V-BLU V-GRN V-RED VPC3230 VPC3230.sch RAIN GAIN BAIN TXD RXD VSYNC HSYNC VGA100Q VGA100Q.sch GCLK GFBK GHSSOG-M GVS SDA SCL GCOAST RAIN GAIN BAIN HSYNC VSYNC GRE[7:0] GGE[7:0] GBE[7:0] AD9883A AD9883A.sch GBE[7:0] GGE[7:0] GRE[7:0] DVISEL GCLK GPEN GVS GHSSOG GFBK DVI DVI.Sch BLKEN STANDBY UART UART.sch GHSSOG-M GHSSOG MVEON MVE MVE.Sch CHD-TM181B3 12 1 Ver 9 LCDON BLKON LCDVCC BLKEN PGND2 PGND2 DISPOUT DISPOUT.sch DCLK DEN DHS DVS DRE[7:0] DGE[7:0] DBE[7:0] DRO[7:0] DGO[7:0] DBO[7:0] A[19:1] D[15:0] ROMOEn ROMWEn NMI GCLK GVS GHSSOG GFBK VVS VHS VFIELD VPEN VYUV[7:0] GBE7:0] GGE7:0] GRE7:0] GCOAST RXD TXD SDA SCL IR RESETn 2VCLK GPEN IR LCDON BLKON DECOE LVDSON DVISEL STANDBY MVEON SW0 SW1 480ISEL PW113V1 PW113V1.sch DBE[7:0] DGE[7:0] DRE[7:0] DEN DCLK LVDSON LCDVCC DVS DHS DRO[7:0] DGO[7:0] DBO[7:0] DHS DVS DEN DCLK PGND2 LM181E06 LM181E06.sch 1 2 3 4 5 6 A B C D 6 5 4 3 2 1 D C B A Title Number Revision Size B Date: 8-May-2004 Sheet of File: D:\ywm(inuse)\a \B \a \TM181B3\Ver9\TM181B3-V9.DDB 工作文档 系列资料 主板 Drawn By: V33 V33 V33 V33 V33 C37 0.1uF 1 2 3 4 5 6 7 8 9 10 11 12 13 14 15 16 17 18 19 20 21 22 23 24 25 26 27 28 29 30 31 32 33 34 35 36 37 38 39 40 41 42 43 44 45 46 47 48 49 50 51 52 53 54 55 56 57 58 59 60 JP9 HEADER 30X2 ROMOEn A[19:1] R44 3.3K R45 3.3K R46 3.3K R47 3.3K A1 A2 A3 A4 A5 A6 A7 A8 A9 A10 A11 A12 A13 A14 A15 A16 A17 A18 A19 D0 D1 D2 D3 D4 D5 D6 D7 D8 D9 D10 D11 D12 D13 D14 D15 CONTROL 1 RESIN 2 CT 3 GND 4 RESET 5 RESET 6 SENSE 7 VDD 8 U6 TLC7705A VCC 8 SDA 5 SCL 6 VSS 4 WP 7 A2 3 A1 2 A0 1 U7 24LC32A/SN C39 0.1uF C40 0.1uF SCL SDA ROMWEn C41 0.39uF R13 10K VCC VS12 RESETn R131 200 OHM R51 3.3K NMI 史立原 9 Memory,Promice,NMI,Reset,and JTAG ROM Emulator EEPROM NMI Pushbutton Reset 12 CHD-TM181B3 R61 3.3K V33 C114 0.1uF C46 22uF/16V C167 0.1uF CE 26 OE 28 WE 11 RP 12 WP 14 BYTE 47 A0 25 A1 24 A2 23 A3 22 A4 21 A5 20 A6 19 A7 18 A8 8 A9 7 A10 6 A11 5 A12 4 A13 3 A14 2 A15 1 A16 48 A17 17 A18 16 VPP 13 VCC 37 D1 29 D2 31 D3 33 D4 35 D5 38 D6 40 D7 42 D8 44 D9 30 D10 32 D11 34 D12 36 D13 39 D14 41 D15 43 D16 45 GND1 46 GND2 27 U20 AM29LV800BT V33 ROMOEn ROMWEn V33 V33 V33 V33 R28 3.3K R39 3.3K A1 A2 A3 A4 A5 A6 A7 A8 A9 A10 A11 A12 A13 A14 A15 A16 A17 A18 A19 D0 D1 D2 D3 D4 D5 D6 D7 D8 D9 D10 D11 D12 D13 D14 D15 D[15:0] C44 0.1uF C45 0.1uF Q4 2SA1162 Q1 BC847 R53 1K R41 3.3K ROM 1 2 3 4 5 6 7 8 JP6 HEADER 4X2 R59 1K R5 10K VCC VCC RESET Pushbutton S1 RESET S2 NMI R17 1K DD10 4148 R17A 1K C47 2.2uF/50V C144 100uF/16V RESETn VCC TXD RXD 1 2 3 4 JB8 CON-4 R104 51 OHM R110 51 OHM R110A 10K VCC E B C U14 2N7002E E B C U17 2N7002E R1 3.3K R2 3.3K V33 V33 SDA SCL VCC VCC SDA-H SCL-H Ver 9 1 2 3 4 A B C D 4 3 2 1 D C B A Title Number Revision Size A4 Date: 8-May-2004 Sheet of File: D:\ywm(inuse)\a \B \a \TM181B3\Ver9\TM181B3-V9.DDB 工作文档 系列资料 主板 Drawn By: 7 12 史立原 Ver 9 VIDEO 7 HS_IN 5 VS_IN 13 SDA 14 SCL 15 RREF 10 SMS 6 VSS 1 VSSA 11 VDD 12 SEN 4 SDO 16 RED 18 GREEN 2 BLUE 3 BOX 17 CSYNC 8 LPF 9 U2 Z86229 C17 560pF C10 0.1uF R26 470 OHM R29 470 OHM R25 47 OHM R24 2K R27 2K R23 470 OHM Q5 BC847 AVCC AVCC C7 4.7uF/16V VOUT C13 33pF C190 0.22uF C14 33pF C15 33pF C16 33pF C18 0.1uF C19 68nF C20 6.8nF R37 12K R38 12K R40 12K R48 8.2K R52 2.2K R65 2.2K R69 2.2K R70 2.2K C191 0.22uF C192 0.22uF V-RED V-BLU V-GRN V-BOX C4 0.1uF C6 0.1uF SDA-H SCL-H R35 10K R30 1K AVCC AVCC R36 6.8K CCD AND V-CHIP CHD-TM181B3 R94 0 OHM AVCC L11 STLI2012-220 VHS 1 2 3 4 A B C D 4 3 2 1 D C B A Title Number Revision Size A4 Date: 8-May-2004 Sheet of File: D:\ywm(inuse)\a \B \a \TM181B3\Ver9\TM181B3-V9.DDB 工作文档 系列资料 主板 Drawn By: Video Decoder and Connector CHD-TM181B3 Video C Y Vin 1 GND 2 +5V 3 U12 MC7805CDT AVCC C161 0.1uF C143 0.1uF INTLC 53 VS 57 MSY/HS 56 AVO 54 LLC1 28 LLC2 27 Y0 40 Y1 39 Y2 38 Y3 37 Y4 34 Y5 33 Y6 32 Y7 31 C0 50 C1 49 C2 48 C3 47 C4 44 C5 43 C6 42 C7 41 FFIE 19 FFWE 20 FFRSTW 21 FFRE 22 FFOE 23 FSY/HC 55 FPDAT 58 CLK20 24 CLK5 60 VOUT 70 VREF 78 VRT 66 AISGND 80 ISGND 68 GNDSY 51 GNDC 46 GNDAI 77 GNDF 65 GNDY 35 ASGF2 64 ASGF1 7 GNDD1 11 GNDLLC 30 GNDPA 25 GNDCAP 12 VSUPCAP 9 NC1 8 NC2 61 TEST 16 12CSEL 67 XTAL1 62 XTAL2 63 SCL 13 SDA 14 RESQ 15 YCOEQ 18 VGAV 17 CIN 71 VIN1 72 VIN2 73 VIN3 74 VIN4 75 B2/CB2IN 4 G2/Y2IN 5 R2/CR2IN 6 B1/CB1IN 1 G1/Y1IN 2 R1/CR1IN 3 FB1IN 79 VSUPD 10 VSUPPA 26 VSUPLLC 29 VSUPY 36 VSUPC 45 VSUPSY 52 VSTBY 59 VSUPF 69 VSUPAI 76 U15 VPC3230 C171 47nF C173 47nF C165 390pF C160 1.5nF C159 0.22uF C155 20pF C156 20pF C137 680nF C142 680nF C136 680nF R55 75 OHM R63 75 OHM VFIELD VVS VHS VPEN 2VCLK Y1 20.25 MHz RESETn SCL SDA DECOE V33 AVCC C148 1.5nF C146 47nF V33 C163 68nF V33 C164 68nF V33 C166 68nF V33 C169 68nF V33 PIN 10 PIN 45 PIN 36 PIN 29 PIN 52 C128 390pF C129 0.22uF C130 1.5nF AVCC C131 390pF C132 0.22uF C133 1.5nF AVCC C134 0.1uF AVCC PIN 76 PIN 69 PIN 59 R78 47 OHM R77 47 OHM R79 47 OHM R76 47 OHM RP19 47R RP20 47R VYUV[7:0] VPCVREF C135 1nF R56 75 OHM C158 47nF C157 1.5nF C150 10pF C152 10pF C154 10pF C153 10pF JB11 RCA_Y 1 4 3 2 JB12 S-VIDEO VS12 Ver 9 史立原 6 12 VYUV0 VYUV1 VYUV2 VYUV3 VYUV4 VYUV5 VYUV6 VYUV7 VPCVREF TV-VIDEO RESETn SDA-H SDA SCL TO TV Board C172 10uF/16V C145 100uF/25V C162 100uF/16V C170 10uF/16V C149 10uF/16V 1 2 3 4 5 6 JB10 CON-6 1 2 JB13 CON-2 VOUT V-BOX V-BLU V-GRN V-RED R72 0 OHM VPCVREF R71 47 OHM SCL-H SW0 SW1 R10 0 OHM R7 0 OHM R8 0 OHM R11 0 OHM R10 R8 、 在生产时不装 1 2 3 4 A B C D 4 3 2 1 D C B A Title Number Revision Size A4 Date: 8-May-2004 Sheet of File: D:\ywm(inuse)\a \B \a \TM181B3\Ver9\TM181B3-V9.DDB 工作文档 系列资料 主板 Drawn By: VCC 8 SDA 5 SCL 6 GND 4 VCLK 7 NC3 3 NC2 2 NC1 1 U22 24LC21A VCC V33 C79 0.1uF 1 9 2 10 3 11 4 12 5 13 6 14 7 15 8 JA9 DB-15PA 6 5 4 U11AB 74LVC126A 8 9 10 U11AC 74LVC126A 11 12 13 U11AD 74LVC126A R104A 10K V33 V33 R107 100 OHM R108 100 OHM R109 100 OHM RAIN GAIN BAIN 史立原 2 Ver 9 VGA Connector and EDID CHD-TM181B3 12 1 2 3 4 5 6 7 8 9 10 11 12 13 14 15 16 U21 PAC VGA100Q C80 0.1uF VCC FB1 STSB2012-121PT FB2 STSB2012-121PT FB3 STSB2012-121PT R39A 10K VCC R68 33 OHM D5 3.3V D6 3.3V R60 22 OHM R60A 2.2K C80A 22pF C79A 22pF R19 22 OHM R19A 2.2K C126 1uF V33 VSYNC HSYNC SDA SCL Hsync Vsync FB4 STSB2012-801PT FB5 STSB2012-801PT 3 2 1 14 7 U11AA 74LVC126A V33 1 2 3 4 A B C D 4 3 2 1 D C B A Title Number Revision Size A4 Date: 8-May-2004 Sheet of File: D:\ywm(inuse)\a \B \a \TM181B3\Ver9\TM181B3-V9.DDB 工作文档 系列资料 主板 Drawn By: AVDD V33 PVDD GCLK GFBK C27 22uF/16V VCC AVDD 3 史立原 Graphics ADC and PLL 12 C26 0.1uF C28 22uF/16V VS12 PVDD C25 0.1uF Vin GND Vout U13 LM1117MPX-3.3 Vin GND Vout U4 LM1117MPX-3.3 RAIN 54 SOGIN 49 GAIN 48 BAIN 43 CLAMP 38 HSYNC 30 COAST 29 FILT 33 SDA 57 SCL 56 A0 55 GND1 1 GND2 10 GND3 20 GND4 21 GND5 24 GND6 25 GND7 28 GND8 32 GND9 36 GND10 40 GND11 41 GND12 44 GND13 47 GND14 50 GND15 53 GND16 60 GND17 61 GND18 63 GND19 68 GND20 80 DATACK 67 HSOUT 66 SOGOUT 65 RED0 77 RED1 76 RED2 75 RED3 74 RED4 73 RED5 72 RED6 71 RED7 70 GREEN0 9 GREEN1 8 GREEN2 7 GREEN3 6 GREEN4 5 GREEN5 4 GREEN6 3 GREEN7 2 BLUE0 19 BLUE1 18 BLUE2 17 BLUE3 16 BLUE4 15 BLUE5 14 BLUE6 13 BLUE7 12 VSOUT 64 AVD1 26 AVD2 27 AVD3 39 AVD4 42 AVD5 45 AVD6 46 AVD7 51 AVD8 52 AVD9 59 AVD10 62 VDD1 11 VDD2 22 VDD3 23 VDD4 69 VDD5 78 VDD6 79 PVD1 34 PVD2 35 VSYNC 31 REFBYP 58 MIDSCV 37 U3 AD9883A GHSSOG-M GVS SDA SCL GCOAST RAIN GAIN BAIN HSYNC VSYNC C29 47nF C32 47nF C33 1nF C59 47nF C60 0.1uF C61 0.1uF C22 39nF C21 3.9nF R73 3.3K PVDD C34 0.1uF C48 0.1uF C57 0.1uF AVDD C71 0.1uF C72 0.1uF C73 0.1uF AVDD C35 0.1uF C54 0.1uF C58 0.1uF V33 C63 0.1uF C74 0.1uF V33 C64 0.1uF PVDD Ver 9 RP1 47R RP2 47R RP9 47R RP6 47R RP5 47R RP11 47R GRE[7:0] GGE[7:0] GBE[7:0] C66 0.1uF C65 0.1uF C67 0.1uF C68 0.1uF C69 0.1uF C70 0.1uF C23 0.1uF C24 0.1uF C62 22pF GRE0 GRE1 GRE2 GRE3 GRE4 GRE5 GRE6 GRE7 GGE0 GGE1 GGE2 GGE3 GGE4 GGE5 GGE6 GGE7 GBE0 GBE1 GBE2 GBE3 GBE4 GBE5 GBE6 GBE7 CHD-TM181B3 FB7 STSB2012-801PT R92 47 OHM R9 47 OHM R16 47 OHM R125 47 OHM C196 22pF 6 5 4 U1B 74LVC126A 3 2 1 14 7 U1A 74LVC126A 8 9 10 U1C 74LVC126A Q8 2SC2712 R57 3.3K R117 8.2K V33 DVISEL V33 1 2 3 4 A B C D 4 3 2 1 D C B A Title Number Revision Size A4 Date: 8-May-2004 Sheet of File: D:\ywm(inuse)\a \B \a \TM181B3\Ver9\TM181B3-V9.DDB 工作文档 系列资料 主板 Drawn By: HS-DJTR 1 PD 2 ST 3 PIXS 4 GND 5 VCC 6 STAG-OUT 7 SCDT 8 PDO 9 QE0 10 QE1 11 QE2 12 QE3 13 QE4 14 QE5 15 QE6 16 QE7 17 OVCC 18 OGND 19 QE8 20 QE9 21 QE10 22 QE11 23 QE12 24 QE13 25 QE14 26 QE15 27 OGND 28 OVCC 29 QE16 30 QE17 31 QE18 32 QE19 33 QE20 34 QE21 35 QE22 36 QE23 37 VCC 38 GND 39 CTL1 40 CTL2 41 CTL3 42 OVCC 43 ODCK 44 OGND 45 DE 46 VSYNC 47 HSYNC 48 QO0 49 QO1 50 QO2 51 QO3 52 QO4 53 QO5 54 QO6 55 QO7 56 OVCC 57 OGND 58 QO8 59 QO9 60 QO10 61 QO11 62 QO12 63 QO13 64 QO14 65 QO15 66 VCC 67 GND 68 QO16 69 QO17 70 QO18 71 QO19 72 QO20 73 QO21 74 QO22 75 OGND 76 QO23 77 OVCC 78 AGND 79 RX2+ 80 RX2- 81 AVCC 82 AGND 83 AVCC 84 RX1+ 85 RX1- 86 AGND 87 AVCC 88 AGND 89 RXO+ 90 RX0- 91 AGND 92 RXC+ 93 RXC- 94 AVCC 95 EXT-RES 96 PVCC 97 PGND 98 RESERVED 99 OCK-INV 100 SiI 161B/SiI 169 100-Pin TQFP J1 SiI 161B/SiI 169 DVCC RP18 47R RP14 47R RP8 47R RP7 47R GBE[7:0] GBE0 GBE1 GBE2 GBE3 GBE4 GBE5 GBE6 GBE7 GGE[7:0] GGE0 GGE1 GGE2 GGE3 GGE4 GGE5 GGE6 GGE7 RP4 47R RP3 47R GRE0 GRE1 GRE2 GRE3 GRE4 GRE5 GRE6 GRE7 GRE[7:0] R15 0 OHM R18 0 OHM R21 10K R22 10K R6 10K OVCC CVCC DVISEL OVCC OVCC CVCC OVCC OVCC OVCC GCLK GPEN GVS GHSSOG CVCC DAVCC DAVCC DAVCC PVCC OVCC V33 L4 STLI2012-220 L3 STLI2012-220 L2 STLI2012-220 L1 STLI2012-220 DAVCC PVCC CVCC OVCC OVCC OVCC OVCC OVCC C42 0.1uF C50 0.1uF C51 0.1uF C52 0.1uF OVCC C53 0.1uF CVCC CVCC CVCC PVCC DAVCC DAVCC DAVCC DAVCC C43 0.1uF C49 0.1uF C55 0.1uF C56 0.1uF C81 0.1uF C82 0.1uF C83 0.1uF C84 0.1uF R4 390 OHM VCC 8 SDA 5 SCL 6 GND 4 VCLK 7 NC3 3 NC2 2 NC1 1 U5 24LC21A R83 4.7K R14 4.7K DVCC DVCC C30 0.1uF DVI+HDCP CHD-TM181B3 5 12 史立原 DATA2- 1 DATA2+ 2 DATA2/4 Shield 3 DATA4- 4 DATA4+ 5 DDC Clock 6 DDC Data 7 No Connect 8 DATA1- 9 DATA1+ 10 DATA1/3 Shield 11 DATA3- 12 DATA3+ 13 +5V Power 14 Ground 15 Hot Plug Detect 16 DATA0- 17 DATA0+ 18 DATA0/5 Shield 19 DATA5- 20 DATA5+ 21 Clock Shield 22 Clock+ 23 Clock- 24 Shell1 25 Shell2 26 DVI-D-CON JB1 DVI-D-CON R3 10K R64 47 OHM R81 47 OHM R66 47 OHM GFBK Ver 9 E B C U19 2N7002E E B C U23 2N7002E SCLS SDAS V33 V33 R98 3.3K R99 3.3K R102 0 OHM R103 10K R105 0 OHM R100 10K OVCC OVCC SDAS R111 10K R106 0 OHM RESETn SCLS R124 0 OHM R123 0 OHM R122 0 OHM R120 0 OHM R121 0 OHM R67 47 OHM R11647 OHM 11 12 13 U1D 74LVC126A DVISEL R122 R123 R124 、 、 在生产时不装 以下元件不装: U19 U23 R98 R 、 、 、 99 C3 22uF/16V C5 22uF/16V C8 22uF/16V C9 22uF/16V C12 22uF/16V 1 2 3 4 A B C D 4 3 2 1 D C B A Title Number Revision Size A4 Date: 8-May-2004 Sheet of File: D:\ywm(inuse)\a \B \a \TM181B3\Ver9\TM181B3-V9.DDB 工作文档 系列资料 主板 Drawn By: IN GND OUT U16 NCP1117ST33T3 C77 0.1uF C122 100uF/16V V33 VCC VCC V18 Ver 9 史立原 10 Switcher and Regulators 12 CHD-TM181B3 C31 0.1uF C36 100uF/16V C38 22uF/16V C99 22uF/16V Vin 1 Feedback 4 ON/OFF 5 output 2 GND 3 U10 LM2596 S 1 S 2 S 3 G 4 D 5 D 6 D 7 D 8 U8 NTMS10P02R R43 0 OHM TO Inverter Board +18V BLKEN BRI-CON C86 470uF/50V C92 680uF/25V C87 0.1uF C91 0.1uF L5 TEM2011 D1 IN5824 L6 LGT-68uH C101 1000uF/16V L7 TEM2011 C102 470uF/50V C98 0.1uF V5 VCC C93 1uF C94 1uF C97 1uF C105 1uF C108 1uF C109 1uF E B C D2 BAV99W E B C D3 BAV99W E B C D4 BAV99W R54 2.2K C112 2.2uF/50V C115 47uF/50V C110 0.1uF L8 100uH C111 0.1uF 32V R31 10K R49 100 OHM R50 10K Q3 2SC2712 C85 47uF/50V C88 100uF/25V C89 0.1uF VT12 R33 0 OHM R42 0 OHM PGND1 PGND2 PGND1 VS12 D7 uPC574 STANDBY 1 2 3 4 5 6 JB5 CON-6 VS18 ON/OFF 1 2 3 4 5 JA2 ZDJ-401 1 2 3 4 JB3 CON4 VCC R119 0 OHM TO AUDIO AMP IN GND OUT U9 NCP1117ST18T3 C193 0.1uF C194 0.1uF C195 0.1uF TO TV Board 1 2 3 4 5 JB6 CON5 VS12 FB9 STSB2012-801PT FB10 STSB2012-801PT VCC FB9 FB10 国内机装 不装 ; FB10 FB9 出口机装 不装 。 1 2 3 4 A B C D 4 3 2 1 D C B A Title Number Revision Size A4 Date: 8-May-2004 Sheet of File: D:\ywm(inuse)\a \B \a \TM181B3\Ver9\TM181B3-V9.DDB 工作文档 系列资料 主板 Drawn By: 1A 1 1B 2 1Rd 3 1Q 4 2Q 5 2CEXT 6 2REXT 7 GND 8 2A 9 2B 10 2Rd 11 2Q 12 1Q 13 1CEXT 14 1REXT 15 VCC 16 U24 74LV123 GHSSOG-M R114 47K C168 220pF V33 D9 4148 R115 360 OHM R112 1K GHSSOG MVEON Ver 9 CHD-TM181B3 Macrovision Eliminator 4 12 史立原 C119 270pF Q7 BC847 R113 1K 480ISEL C11 0.1uF V33 1 2 3 4 A B C D 4 3 2 1 D C B A Title Number Revision Size A4 Date: 8-May-2004 Sheet of File: D:\ywm(inuse)\a \B \a \TM181B3\Ver9\TM181B3-V9.DDB 工作文档 系列资料 主板 Drawn By: R32 10K R34 10K Q2 2SC2712 Ver 9 12 史立原 Display Output Connector CHD-TM181B3 11 R101 100 OHM C151 10uF/16V Q14 BC847 R58 3K V5 LCDON C117 0.1uF C116 100uF/25V DR13 0 OHM BLKON R62 150K DD13 4148 DC6 22uF/16V V33 DD12 4148 VS12 DD11 4148 DR12 2.2K LCDVCC BLKEN PGND2 PGND2 S 1 S 2 S 3 G 4 D 5 D 6 D 7 D 8 U11 NTMS10P02R 1 2 3 4 5 6 A B C D 6 5 4 3 2 1 D C B A Title Number Revision Size B Date: 8-May-2004 Sheet of File: D:\ywm(inuse)\a \B \a \TM181B3\Ver9\TM181B3-V9.DDB 工作文档 系列资料 主板 Drawn By: C76 18 pF C78 18 pF Y2 14.31818 MHz R91 1.5M 史立原 PW113-20Q Ver 9 8 12 GCLK 31 GPEN 34 GVS 32 GHSSOG 33 GFBK 35 GBE0 2 GBE1 3 GBE2 4 GBE3 5 GBE4 6 GBE5 7 GBE6 8 GBE7 9 GGE0 10 GGE1 11 GGE2 12 GGE3 13 GGE4 14 GGE5 15 GGE6 18 GGE7 19 GRE0 20 GRE1 21 GRE2 22 GRE3 23 GRE4 24 GRE5 25 GRE6 26 GRE7 27 VCLK 71 VVS 74 VHS 75 VFIELD 69 VPEN 70 VYUV0 47 VYUV1 48 VYUV2 49 VYUV3 50 VYUV4 51 VYUV5 54 VYUV6 55 VYUV7 56 GCOAST 36 PORTB0 57 PORTB1 58 PORTB2 59 PORTB3 60 PORTB4 61 PORTB5 62 PORTB6 63 PORTB7 64 PORTC0 39 PORTC1 40 PORTC2 41 PORTC3 42 PORTC4 43 PORTC5 44 PORTC6 45 PORTC7 46 U18A PW113 DCLK 106 DCLKNEG 107 DVS 108 DHS 109 DEN 110 DR0 103 DR1 102 DR2 101 DR3 100 DR4 99 DR5 98 DR6 97 DR7 96 DG0 95 DG1 94 DG2 93 DG3 92 DG4 91 DG5 90 DG6 89 DG7 88 DB0 83 DB1 82 DB2 81 DB3 80 DB4 79 DB5 78 DB6 77 DB7 76 DGR0 136 DGR1 135 DGR2 134 DGR3 133 DGR4 132 DGR5 131 DGR6 130 DGR7 129 DGG0 128 DGG1 127 DGG2 126 DGG3 125 DGG4 122 DGG5 121 DGG6 120 DGG7 119 DGB0 118 DGB1 117 DGB2 116 DGB3 115 DGB4 114 DGB5 113 DGB6 112 DGB7 111 U18B PW113 A1 192 A2 191 A3 190 A4 189 A5 188 A6 187 A7 184 A8 183 A9 182 A10 181 A11 180 A12 179 A13 178 A14 177 A15 176 A16 175 A17 174 A18 173 A19 164 D0 163 D1 162 D2 161 D3 160 D4 159 D5 158 D6 157 D7 156 D8 155 D9 154 D10 153 D11 152 D12 151 D13 150 D14 149 D15 148 RD 195 WR 194 ROMOE 196 ROMWE 197 CS0 198 CS1 199 TESTEN 142 RESET 139 EXTRSTEN 29 RXD 67 TXD 68 PORTA0 207 PORTA1 206 PORTA2 205 PORTA3 204 PORTA4 203 PORTA5 202 PORTA6 201 PORTA7 200 TRST 147 TCK 146 TMS 145 TDI 144 TDO 143 NMI 193 XI 169 XO 170 U18C PW113 VSS1 17 VSS2 38 VSS3 66 VSS4 85 VSS5 138 VSS6 186 VSSQ0 1 VSSQ1 30 VSSQ2 53 VSSQ3 73 VSSQ4 87 VSSQ5 105 VSSQ6 124 VSSQ7 141 VSSQ8 172 VSSPA2 166 VSSPA1 168 VDDQ30 28 VDDQ31 52 VDDQ32 72 VDDQ33 86 VDDQ34 104 VDDQ35 123 VDDQ36 140 VDDQ37 171 VDDQ38 208 VDDPA1_1.8V 167 VDDPA2_1.8V 165 VDD11 16 VDD12 37 VDD13 65 VDD14 84 VDD15 137 VDD16 185 U18D PW113 DRE0 DRE1 DRE2 DRE3 DRE4 DRE5 DRE6 DRE7 DGE0 DGE1 DGE2 DGE3 DGE4 DGE5 DGE6 DGE7 DBE0 DBE1 DBE2 DBE3 DBE4 DBE5 DBE6 DBE7 DRO0 DRO1 DRO2 DRO3 DRO4 DRO5 DRO6 DRO7 DGO0 DGO1 DGO2 DGO3 DGO4 DGO5 DGO6 DGO7 DBO0 DBO1 DBO2 DBO3 DBO4 DBO5 DBO6 DBO7 DCLK DEN DHS DVS DRE[7:0] DGE[7:0] DBE[7:0] DRO[7:0] DGO[7:0] DBO[7:0] Display Port V33 V18 L9 STLI2012-220 L10 STLI2012-220 A[19:1] D[15:0] A1 A2 A3 A4 A5 A6 A7 A8 A9 A10 A11 A12 A13 A14 A15 A16 A17 A18 A19 D0 D1 D2 D3 D4 D5 D6 D7 D8 D9 D10 D11 D12 D13 D14 D15 ROMOEn ROMWEn NMI GRE0 GRE1 GRE2 GRE3 GRE4 GRE5 GRE6 GRE7 GGE0 GGE1 GGE2 GGE3 GGE4 GGE5 GGE6 GGE7 GBE0 GBE1 GBE2 GBE3 GBE4 GBE5 GBE6 GBE7 GCLK GVS GHSSOG GFBK VVS VHS VFIELD VPEN VYUV[7:0] GBE7:0] GGE7:0] GRE7:0] GCOAST Graphics and Video Port R82 0 OHM V33 RXD TXD R75 3.3K SDA SCL IR C75 0.1uF RESETn C106 0.1uF C107 0.1uF C113 0.1uF C174 0.1uF C176 22uF/6.3V C100 0.1uF C103 0.1uF C104 0.1uF C179 0.1uF C180 0.1uF C181 0.1uF C182 0.1uF C96 0.1uF C177 0.1uF C178 0.1uF C184 0.1uF C183 0.1uF C90 0.1uF C95 0.1uF V33 C185 22uF/6.3V V18 C187 0.1uF C186 10uF/6.3V C189 0.1uF C188 10uF/6.3V 2VCLK V33 VYUV0 VYUV1 VYUV2 VYUV3 VYUV4 VYUV5 VYUV6 VYUV7 GPEN V33 R89 10K R88 10K R87 10K R86 10K R85 10K R84 10K VCC IR TO Key Board Power On R90 10K 1 2 3 4 5 6 7 8 9 10 11 12 JB2 CON-12 Source VOL+ VOL- CH+ CH- MENU LCDON BLKON DECOE LVDSON DVISEL R74 680 OHM DL1 LIGHT CHD-TM181B3 RP12 100R RP13 100R RP15 100R RP17 100R RP21 100R RP22 100R RP23 100R RP24 100R RP25 100R RP26 100R RP27 100R RP28 100R Q6 BC847 R97 2.2K R96 3K V33 R80 3.3K STANDBY MVEON R95 47 OHM R20 47 OHM R12 47 OHM C1 33pF C2 33pF SW0 SW1 480ISEL C197 1nF C198 1nF C199 1nF C200 1nF C201 1nF C202 1nF C203 1nF C207 33pF C208 33pF C209 33pF C210 33pF C211 33pF C212 33pF C213 33pF C214 33pF C233 33pF C234 33pF C235 33pF C236 33pF C215 33pF C216 33pF C217 33pF C218 33pF C219 33pF C220 33pF C221 33pF C222 33pF C237 33pF C238 33pF C239 33pF C240 33pF DRE0 DRE1 DRE2 DRE3 DRE4 DRE5 DRE6 DRE7 DGE0 DGE1 DGE2 DGE3 DGE4 DGE5 DGE6 DGE7 DBE0 DBE1 DBE2 DBE3 DBE4 DBE5 DBE6 DBE7 C223 33pF C224 33pF C225 33pF C226 33pF C227 33pF C241 33pF C242 33pF C243 33pF C244 33pF C245 33pF C246 33pF C247 33pF C228 33pF C229 33pF C230 33pF C231 33pF C232 33pF C248 33pF C249 33pF C250 33pF C251 33pF C252 33pF C253 33pF C254 33pF DRO0 DRO1 DRO2 DRO3 DRO4 DRO5 DRO6 DRO7 DGO0 DGO1 DGO2 DGO3 DGO4 DGO5 DGO6 DGO7 DBO0 DBO1 DBO2 DBO3 DBO4 DBO5 DBO6 DBO7 LED C204 33pF C205 33pF C206 33pF 1 4 2 3 R93 KNF21100 DL1 R74 R96 Q6 R97 生产时如下元件不装: 、 、 、 、 20040413 1 2 3 4 A B C D 4 3 2 1 D C B A Title Number Revision Size A4 Date: 8-May-2004 Sheet of File: D:\ywm(inuse)\a \B \a \TM181B3\Ver9\TM181B3-V9.DDB 工作文档 系列资料 主板 Drawn By: LG.PHILIPS 18.1" SXGA TFT LCD MODEL:LM181E06 史立原 CHD-TM181B3 TxIN0 51 TxIN1 52 TxIN2 54 TxIN3 55 TxIN4 56 TxIN6 3 TxIN27 50 TxIN5 2 TxIN7 4 TxIN8 6 TxIN9 7 TxIN12 11 TxIN13 12 TxIN14 14 TxIN10 8 TxIN11 10 TxIN15 15 TxIN18 19 TxIN19 20 TxIN20 22 TxIN21 23 TxIN22 24 TxIN16 16 TxIN17 18 HSYNC 27 VSYNC 28 DE 30 TxCLK IN 31 TxOUT3+ 37 TxOUT3- 38 TxCLKOUT+ 39 TxCLKOUT- 40 TxOUT2+ 41 TxOUT2- 42 TxOUT1+ 45 TxOUT1- 46 TxOUT0+ 47 TxOUT0- 48 VCC 1 VCC 9 VCC 26 PLL VCC 34 LVDS VCC 44 GND 5 GND 13 GND 21 GND 29 PLL GND 33 PLL GND 35 LVDS GND 36 LVDS GND 43 LVDS GND 49 GND 53 VCC 17 RSVD 25 PWR DWN 32 U15a DS90CF383 C120 0.1uF C123 0.1uF C121 0.1uF C124 0.1uF C125 0.1uF LVCC LVCC LVCC LVCC LPLLVCC LPLLVCC V33 DBE0 DBE1 DBE2 DBE3 DBE4 DBE5 DBE6 DBE7 DGE0 DGE1 DGE2 DGE3 DGE4 DGE5 DGE6 DGE7 DRE0 DRE1 DRE2 DRE3 DRE4 DRE5 DRE6 DRE7 DBE[7:0] DGE[7:0] DRE[7:0] DEN DCLK LVDSON 12 12 Ver 9 C175 100uF/16V C143A 0.1uF LCDVCC TxIN0 51 TxIN1 52 TxIN2 54 TxIN3 55 TxIN4 56 TxIN6 3 TxIN27 50 TxIN5 2 TxIN7 4 TxIN8 6 TxIN9 7 TxIN12 11 TxIN13 12 TxIN14 14 TxIN10 8 TxIN11 10 TxIN15 15 TxIN18 19 TxIN19 20 TxIN20 22 TxIN21 23 TxIN22 24 TxIN16 16 TxIN17 18 HSYNC 27 VSYNC 28 DE 30 TxCLK IN 31 TxOUT3+ 37 TxOUT3- 38 TxCLKOUT+ 39 TxCLKOUT- 40 TxOUT2+ 41 TxOUT2- 42 TxOUT1+ 45 TxOUT1- 46 TxOUT0+ 47 TxOUT0- 48 VCC 1 VCC 9 VCC 26 PLL VCC 34 LVDS VCC 44 GND 5 GND 13 GND 21 GND 29 PLL GND 33 PLL GND 35 LVDS GND 36 LVDS GND 43 LVDS GND 49 GND 53 VCC 17 RSVD 25 PWR DWN 32 U15b DS90CF383 LPLLVCC DVS DHS DRO0 DRO1 DRO2 DRO3 DRO4 DRO5 DRO6 DRO7 DRO[7:0] DGO0 DGO1 DGO2 DGO3 DGO4 DGO5 DGO6 DGO7 DGO[7:0] DBO0 DBO1 DBO2 DBO3 DBO4 DBO5 DBO6 DBO7 DBO[7:0] 1 2 3 4 5 6 7 8 9 10 11 12 13 14 15 16 17 18 19 20 21 22 23 24 25 26 27 28 29 30 JB7 CON-30 C127 0.1uF LVDSVCC C138 0.1uF C139 0.1uF C140 0.1uF C141 0.1uF C142A 0.1uF LVCC LVCC LVCC LVCC LPLLVCC LPLLVCC C147 0.1uF LVDSVCC DHS DVS DEN DCLK PGND2 C144A 22uF/16V C118 22uF/16V LVCC LPLLVCC LVDSVCC LVDSVCC LPLLVCC LVCC LVCC LVDSVCC C256 3.3P C257 3.3P C255 3.3P C264 3.3P C263 3.3P C262 3.3P C261 3.3P C260 3.3P C259 3.3P C258 3.3P C265 3.3P C266 3.3P C267 3.3P C268 3.3P C269 3.3P C270 3.3P C271 3.3P C272 3.3P C273 3.3P C274 3.3P 1 4 2 3 L12 KNF21025 1 4 2 3 L13 KNF21025 1 4 2 3 L14 KNF21025 FB8 STSB2012-801PT

标签:

版权声明

1. 本站所有素材,仅限学习交流,仅展示部分内容,如需查看完整内容,请下载原文件。
2. 会员在本站下载的所有素材,只拥有使用权,著作权归原作者所有。
3. 所有素材,未经合法授权,请勿用于商业用途,会员不得以任何形式发布、传播、复制、转售该素材,否则一律封号处理。
4. 如果素材损害你的权益请联系客服QQ:77594475 处理。