爱华AIWA HT-DV50EZ DVD家庭组合音响电路图

分类:电子电工 日期: 点击:0
爱华AIWA HT-DV50EZ DVD家庭组合音响电路图-0 爱华AIWA HT-DV50EZ DVD家庭组合音响电路图-1 爱华AIWA HT-DV50EZ DVD家庭组合音响电路图-2 爱华AIWA HT-DV50EZ DVD家庭组合音响电路图-3 爱华AIWA HT-DV50EZ DVD家庭组合音响电路图-4 爱华AIWA HT-DV50EZ DVD家庭组合音响电路图-5 爱华AIWA HT-DV50EZ DVD家庭组合音响电路图-6 爱华AIWA HT-DV50EZ DVD家庭组合音响电路图-7 爱华AIWA HT-DV50EZ DVD家庭组合音响电路图-8 爱华AIWA HT-DV50EZ DVD家庭组合音响电路图-9

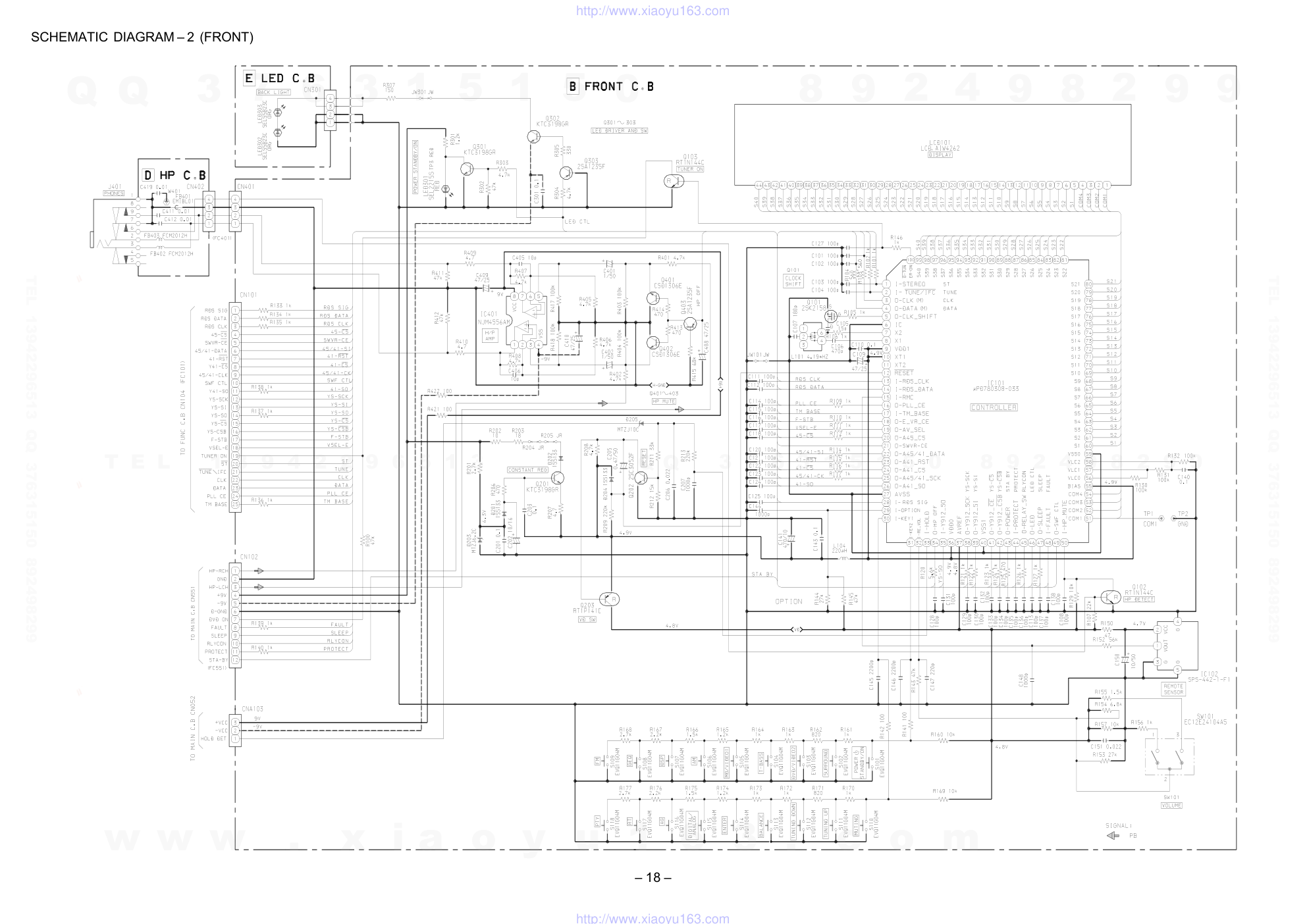
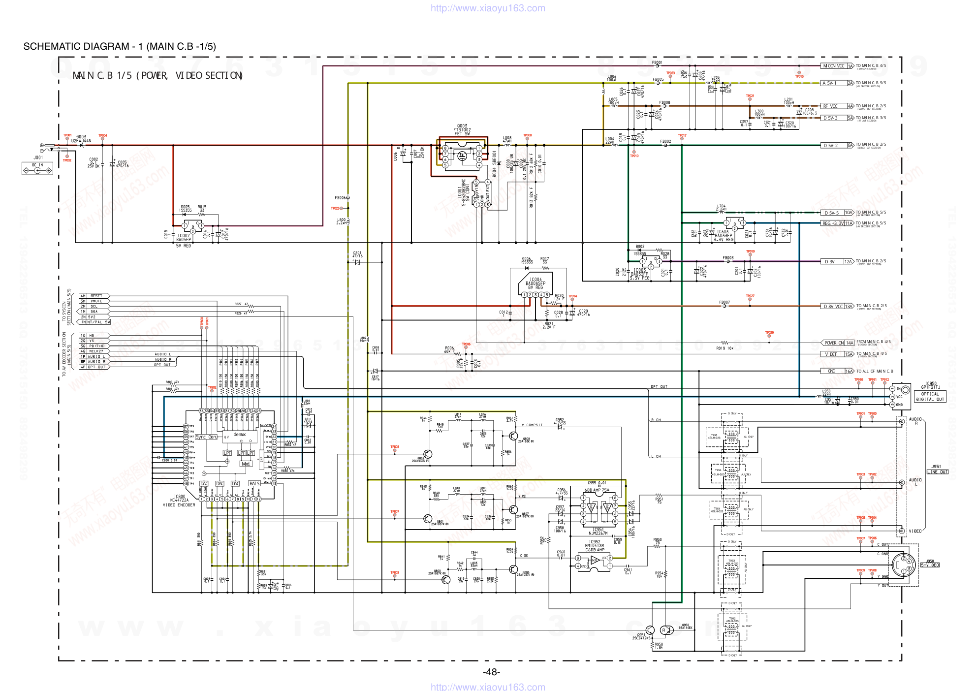
SERVICE MANUAL DATA DVD SYSTEM HT-DV50 EZ S/M Code No. 09-012-439-7R1 REVISION • This Service Manual is the “Revision Publishing” and replaces “Simple Manual” AV-HD50 (EZ), (S/M Code No. 09-00C-439-7T1). BASIC DVD/CD MECHANISM : DV32BF HT-DV50 RC-AAR05 RC-AVL01 SYSTEM XD-DV50 REMOTE CONTROLLER STEREO RECEIVER SPEAKER SYSTEM AV-HD50 DVD PLAYER SX-AVW50 SX-CR677 www. xiaoyu163. com QQ 376315150 9 9 2 8 9 4 2 9 8 TEL 13942296513 9 9 2 8 9 4 2 9 8 0 5 1 5 1 3 6 7 3 Q Q TEL 13942296513 QQ 376315150 892498299 TEL 13942296513 QQ 376315150 892498299 http://www.xiaoyu163.com – 15 – SCHEMATIC DIAGRAM – 1 (MAIN) w w w . x i a o y u 1 6 3 . c o m Q Q 3 7 6 3 1 5 1 5 0 9 9 2 8 9 4 2 9 8 T E L 1 3 9 4 2 2 9 6 5 1 3 9 9 2 8 9 4 2 9 8 0 5 1 5 1 3 6 7 3 Q Q TEL 13942296513 QQ 376315150 892498299 TEL 13942296513 QQ 376315150 892498299 http://www.xiaoyu163.com – 18 – SCHEMATIC DIAGRAM – 2 (FRONT) w w w . x i a o y u 1 6 3 . c o m Q Q 3 7 6 3 1 5 1 5 0 9 9 2 8 9 4 2 9 8 T E L 1 3 9 4 2 2 9 6 5 1 3 9 9 2 8 9 4 2 9 8 0 5 1 5 1 3 6 7 3 Q Q TEL 13942296513 QQ 376315150 892498299 TEL 13942296513 QQ 376315150 892498299 http://www.xiaoyu163.com – 21 – SCHEMATIC DIAGRAM – 3 (FUNC) w w w . x i a o y u 1 6 3 . c o m Q Q 3 7 6 3 1 5 1 5 0 9 9 2 8 9 4 2 9 8 T E L 1 3 9 4 2 2 9 6 5 1 3 9 9 2 8 9 4 2 9 8 0 5 1 5 1 3 6 7 3 Q Q TEL 13942296513 QQ 376315150 892498299 TEL 13942296513 QQ 376315150 892498299 http://www.xiaoyu163.com – 23 – SCHEMATIC DIAGRAM – 4 (TUNER) w w w . x i a o y u 1 6 3 . c o m Q Q 3 7 6 3 1 5 1 5 0 9 9 2 8 9 4 2 9 8 T E L 1 3 9 4 2 2 9 6 5 1 3 9 9 2 8 9 4 2 9 8 0 5 1 5 1 3 6 7 3 Q Q TEL 13942296513 QQ 376315150 892498299 TEL 13942296513 QQ 376315150 892498299 http://www.xiaoyu163.com IC301 RF AMP LA9702W IC201 DSP&SERVO LC78660 IC202 DRAM LC324265AT IC102 SERVO MPU LC87F72CB IC602 SYSCON HD6412350 IC608 DRAM W24512AT IC606 Flash ROM M27C8 IC700 (MPEG Decoder) L64021D IC800 VIDEO ENCODER MC44724A IC701/702 DRAM MB81F161622B CD Laser out (A,B,C,E,F) DVD Laser out (A,B,C,D) DPD DVD RF (A+B+C+D) RF AMP DVD APC CD APC DVD EQ CD EQ DEF BCA PH BH LPF BPF Frame sync Protect Combine Frame sync EFM Detector Sub Code I/F CIRC Dec CD-ROM Dec Audio Out DRAM I/F DVD Dec AV Dec I/F A/D Servo D/A RF I/F SLC EFM PLL JV CLK GEN SYS PLL CPU I/F CLV/CAV DEFECTI ADBCA ADPH ADBH ADTE ADWO ADFE ADRREC EFM OFSET BCATH BOOT3T RFVCA TBAL FBAL SGC A buss D buss Others 3 6 - 7 11 - 2 13,14 15,16 18-24 40,41 46 45 44 42 30 32 29 28 XQBH 53 DEFECTO Tracking Hold 154 XHTR 5 - 14 206 205 201 16,18 56 57 58 32 31 30 29 36 37 38 39 SLDO SPDO TDO FDO 42 177-191 192-197 159-176 106 107 95 93 C C D Q D Q DVD CK out 113 49 127 128 129 131 111 112 114 115 118-125 61-68 69-81 50 51 54 59 60 55 33 34 35 57 IC203 D-FF HD74LV74 12 13 15 10 11 20 SLED DRIVER 8 9 23 6 7 33 34 35 IC401 DRIVER LA6556 57,58 35-42 59 60 31 30 D0-D7 A0-A7 DECRESB RESB ZRD ZWR HCSB 28 29 FBUSYB BUSYB WAITB HIRQB 16,17,23,33 EX16M IC100 TC74HC14AF 25 FGO SLDO SPDO TDO FDO 26 WRQ ROMXA ROMCK LRSY DOUT DREQ DACK DBGN DERR EMITTER 22 LIMIT SW DMUTE 200,202 56 55 TOPEN CURRENT LPF 70 72 68 76 61 51 80 59 63 FECONT DEFINHB EQSCT DPDTEB CD3T RFSCT PPTEB LDON1 LDON2 92-99 7,32,54 43-50 100 76 24 8 2 1 128 62 96 64 60 TXD1 SCK1 RDY HIF RXD1 HRST PreParser FIFO Audio Channel Buffer Dolby Digital Decoder MPEG Decoder Liner PCM Decoder MUX MUX S/P DIF Interface DAC Interface MUX MUX Clock GEN Vidio Channel Buffer Symbol-Panel Post Paser Data FIFO MPEG VCL Table MPEG Decoder PLL (x3) BCK LRCK CD_DATA SDT0-7 DCLK AVDACK 12-19 30 26 24 28 21 102 DREQ DACK DBGN DERR SDT0-7 DCLK SP_DIF 101 98 99 111 107 106,105 LRCLOCK 94-96 2 18,16 BCLOCK 17 1 24 73,74,76-78,82-84 70 69 39-46 50 49 PD0-7 HS VS 384FS 56 29 5 MCK27 IC703 D/A C PCM1723 MUX SYNC GEN RGB Matrix Output Selector Modu- lator D/A C 7 14 11 30 35 SCCLK D0-15 A0-8 DATA ADDRESS 6 7 8 9 ML MC MD RESET 31 47 RESET VMUTE Lch Rch 75 76 77 78 79 119126 ML MC MD RESET AMUTE SDA SCL VMUTE 80 73 /SYSRESET /WDTOVF 86 85 IC600 EEP ROM HN58X2416 6 5 IC605 TC7508F 6-9,11-18,20-27,29 40-43,45-52,54-57 2-11,34-43 15-22,24-31 1-4,7,11-20,31 21-23,25-29 34-39,43-45 47-54 UA1-20 UA0-20 AD0-15 UA0-16 AD8-15 AD0-15 UA0-8 AD8-15 RESET M M SLED MOTOR SPINDLE MOTOR TRK_R TRK_D FCS_R FCS_D CD MECHA 59 61 63 71 TXD0 RXD0 SCK0 RESET FR CN300 CN402 AUDIO L AUDIO R V COMPSIT C Y IC951 6dB AMP SPINDLE SENSOR 88 74 REMOCON U001 U002 27 26 25 23 22 19 16 14 9 8 7 6 4 3 2 33 32 31 FOCUS TRACKING ACTUATOR LASER DIODE PICK UP D B C E C F B A 30 DVD_RF DVD_A DVD_B DVD_C DVD_D DVD_LD DVD_MD CD_MD CD_C CD_E CD_A CD_LD CD_B CD_F F+ F- T+ T- A LASER DIODE 7 4 2 1 5 6 72 CS FR CN601 12 9 11 4 10 3 LCD DATA KEY DATA LCD CLK RESET FR LCD CE REMOCON LSW 2 6 7 1 IC706 RL AMP 15 1 7 2 6 6 7 1 IC707 Q SURROUND MM1454XFBE IC708 AUDIO AMP Rch Lch PD0-7 HS VS MCK27 4 4 3 2 1 3 1 IC952 6dB AMP C 5 8 1 4 1 OPTICAL OUT Y V COMPSIT 38 3 1 IC604 RESET MICON VCC X600 20MHz SUBRXD SUBSCK SUBTXD RESET HD INT RDY HIF X200 16.3944MHz X700 27MHz DC SPINDLE DRIVER FOCUS DRIVER TRACKING DRIVER Rch Lch BLOCK DIAGRAM TO FRONT C.B ASDATA – 45 – w w w . x i a o y u 1 6 3 . c o m Q Q 3 7 6 3 1 5 1 5 0 9 9 2 8 9 4 2 9 8 T E L 1 3 9 4 2 2 9 6 5 1 3 9 9 2 8 9 4 2 9 8 0 5 1 5 1 3 6 7 3 Q Q TEL 13942296513 QQ 376315150 892498299 TEL 13942296513 QQ 376315150 892498299 http://www.xiaoyu163.com SCHEMATIC DIAGRAM - 1 (MAIN C.B -1/5) T952 4BLH-023 T951 4BLH-023 T954 4BLH-023 T955 4BLH-023 4BLH-023 AU ONLY AU ONLY AU ONLY AU ONLY D ONLY D ONLY D ONLY D ONLY D ONLY D ONLY -48- TO MAI N C. B 4/5 ( SYSCON SECTI ON) TO MAI N C. B 5/5 ( AV DECODER SECTI ON) TO MAI N C. B 5/5 ( AV DECODER SECTI ON) TO MAI N C. B 2/5 ( SERVO, DSP SECTI ON) TO MAI N C. B 3/5 ( RF AMP SECTI ON) TO MAI N C. B 2/5 TO MAI N C. B 2/5 ( SERVO, DSP SECTI ON) TO MAI N C. B 2/5 ( SERVO, DSP SECTI ON) FROM MAI N C. B 4/5 ( SYSCON SECTI ON) TO MAI N C. B 4/5 ( SYSCON SECTI ON) TO ALL OF MAI N C. B MI CON VCC 1A A 5V- 1 2A RF VCC 4A D 5V- 3 5A D 5V- 2 6A D 5V- 5 10A REG. +3. 3V 11A D 3V 12A D 8V VCC 13A POWER ON 14A V DET 15A GND 16A ( SERVO, DSP SECTI ON) TO MAI N C. B 5/5 ( AV DECODER SECTI ON) D ONLY D ONLY AU ONLY T953 TO SYSCON SECTI ON ( MAI N 5/5) TO AV DECODER SECTI ON ( MAI N 5/5) GND VCC 6dB 6dB 6dB I /F demux DAC DAC DAC Sync Gen. LPF LPF LPF Cb Cr Mod. H, V + + BAI S TP802 TP801 TP800 TP808 TP807 TP803 TP906 TP907 TP908 TP909 TP900 TP901 TP902 TP903 TP904 TP905 TP912 TP911 TP910 TP002 TP001 TP004 TP008 TP017 TP010 TP015 TP019 TP021 TP023 TP025 TP014 TP027 TP006 TP029 MAI N C. B 1/5 ( POWER, VI DEO SECTI ON) w w w . x i a o y u 1 6 3 . c o m Q Q 3 7 6 3 1 5 1 5 0 9 9 2 8 9 4 2 9 8 T E L 1 3 9 4 2 2 9 6 5 1 3 9 9 2 8 9 4 2 9 8 0 5 1 5 1 3 6 7 3 Q Q TEL 13942296513 QQ 376315150 892498299 TEL 13942296513 QQ 376315150 892498299 http://www.xiaoyu163.com SCHEMATIC DIAGRAM - 2 (MAIN C.B -2/5) NC GND VCC , -49- , , , , , , , MAI N C. B 2/5 ( SERVO, DSP SECTI ON) , , , TO RF AMP SECTI ON TO POWER SECTI ON TO SYSCON SECTI ON TO AV DECODER SECTI ON TO FE PROGRAM WRI TI NG J I G TO SYSCON SECTI ON ( MAI N 1/5) ( MAI N 3/5) ( MAI N 4/5) ( MAI N 5/5) ( MAI N 4/5) A/D D/A CPU I /F D- RAM I /F AV Decoder I /F SLC Sub Code I /F Audi o Out Cl ock Gen. Sys PLL J V RF I /F Servo EFM PLL CLV/CAV Frame sysc Prot ect CI RC Decoder EFM Det ect or Combi ne Frame sync CD- ROM Decoder DVD Decoder TP156 TP157 TP158 TP159 TP160 TP161 TP162 TP163 TP143 TP144 TP145 TP146 TP147 TP148 TP149 TP150 TP155 TP154 TP153 TP152 TP151 TP179 TP178 TP185 TP184 TP175 TP174 TP173 TP132 TP131 TP130 TP129 TP171 TP170 TP169 TP168 TP167 TP165 TP164 TP186 TP177 TP176 TP182 TP181 TP180 TP101 TP136 TP137 TP138 TP139 TP140 TP142 TP109 TP102 TP103 TP104 TP218 TP217 TP213 TP211 TP210 TP209 TP212 TP208 TP200 TP207 TP205 TP204 TP206 TP400 TP401 TP402 TP403 TP404 TP405 w w w . x i a o y u 1 6 3 . c o m Q Q 3 7 6 3 1 5 1 5 0 9 9 2 8 9 4 2 9 8 T E L 1 3 9 4 2 2 9 6 5 1 3 9 9 2 8 9 4 2 9 8 0 5 1 5 1 3 6 7 3 Q Q TEL 13942296513 QQ 376315150 892498299 TEL 13942296513 QQ 376315150 892498299 http://www.xiaoyu163.com -50- SCHEMATIC DIAGRAM - 3 (MAIN C.B -3/5) H D C A B C A B F E TO SERVO, DSP, SECTI ON TO SERVO, DSP, SECTI ON TO SERVO, DSP, SECTI ON TO POWER SECTI ON D 5V- 3 2. 5V 2. 5V- 2 MAI N C. B 3/5 ( RF AMP SECTI ON) ( MAI N 1/5) ( MAI N 2/5) ( MAI N 2/5) ( MAI N 2/5) APC1 ( DVD) APC1 ( CD) VCA VCA + TE Generat or DPD FE Generat or BPF Ref l ect Amp. DVD DVD CD CD DVD TE CD TE DVD, CD TE LPF1 LPF2 BH PH DEF TP309 TP313 TP314 TP316 TP317 TP318 TP319 TP320 TP308 TP306 TP307 TP305 TP304 TP303 TP302 TP327 w w w . x i a o y u 1 6 3 . c o m Q Q 3 7 6 3 1 5 1 5 0 9 9 2 8 9 4 2 9 8 T E L 1 3 9 4 2 2 9 6 5 1 3 9 9 2 8 9 4 2 9 8 0 5 1 5 1 3 6 7 3 Q Q TEL 13942296513 QQ 376315150 892498299 TEL 13942296513 QQ 376315150 892498299 http://www.xiaoyu163.com -51- SCHEMATIC DIAGRAM - 4 (MAIN C.B -4/5) TO SERVO, DSP, SECTI ON TO POWER, VI DEO SECTI ON TO AV DECODER SECTI ON TO POWER, VI DEO SECTI ON TO AV DECODER SECTI ON TO FRONT C. B CN500 MAI N C. B 4/5 ( SYSCON SECTI ON) ( MAI N 1/5) ( MAI N 5/5) ( MAI N 2/5) ( MAI N 1/5) ( MAI N 5/5) Bus Transcei ver A B A B A B A B A B A B A B A B A B 3- St at e Buf f . Dri ver 3- St at e Buf f . Dri ver TP607 TP605 TP604 TP617 TP611 TP612 TP613 TP608 TP609 TP616 TP610 TP603 TP615 TP623 TP622 TP621 TP620 TP627 TP626 TP625 TP624 w w w . x i a o y u 1 6 3 . c o m Q Q 3 7 6 3 1 5 1 5 0 9 9 2 8 9 4 2 9 8 T E L 1 3 9 4 2 2 9 6 5 1 3 9 9 2 8 9 4 2 9 8 0 5 1 5 1 3 6 7 3 Q Q TEL 13942296513 QQ 376315150 892498299 TEL 13942296513 QQ 376315150 892498299 http://www.xiaoyu163.com -52- SCHEMATIC DIAGRAM - 5 (MAIN C.B -5/5) MAI N C. B 5/5 ( AV DECODER SECTI ON) TO POWER, VI DEO SECTI ON TO SERVO, DSP SECTI ON TO SYSCON SECTI ON TO POWER, VI DEO SECTI ON D 5V- 5 A 5V- 2 REG. +3. 3V ( MAI N 1/5) ( MAI N 2/5) ( MAI N 4/5) ( MAI N 1/5) Channel I nt erf ace Audi o Decoder Memory I nt erf ace Vi deo I nt erf ace Host I nt erf ace MCU Vi deo Decoder SPU Decoder TP711 TP712 TP714 TP713 TP707 TP708 TP706 TP705 w w w . x i a o y u 1 6 3 . c o m Q Q 3 7 6 3 1 5 1 5 0 9 9 2 8 9 4 2 9 8 T E L 1 3 9 4 2 2 9 6 5 1 3 9 9 2 8 9 4 2 9 8 0 5 1 5 1 3 6 7 3 Q Q TEL 13942296513 QQ 376315150 892498299 TEL 13942296513 QQ 376315150 892498299 http://www.xiaoyu163.com -54- SCHEMATIC DIAGRAM - 6 (FRONY C.B) FRONT C. B TO MAI N C. B 4/5 CN601 ( SYSCON SECTI ON) w w w . x i a o y u 1 6 3 . c o m Q Q 3 7 6 3 1 5 1 5 0 9 9 2 8 9 4 2 9 8 T E L 1 3 9 4 2 2 9 6 5 1 3 9 9 2 8 9 4 2 9 8 0 5 1 5 1 3 6 7 3 Q Q TEL 13942296513 QQ 376315150 892498299 TEL 13942296513 QQ 376315150 892498299 http://www.xiaoyu163.com

标签:

版权声明

1. 本站所有素材,仅限学习交流,仅展示部分内容,如需查看完整内容,请下载原文件。
2. 会员在本站下载的所有素材,只拥有使用权,著作权归原作者所有。
3. 所有素材,未经合法授权,请勿用于商业用途,会员不得以任何形式发布、传播、复制、转售该素材,否则一律封号处理。
4. 如果素材损害你的权益请联系客服QQ:77594475 处理。