TCL王牌DVD-M60 DVD电路原理图

分类:电子电工 日期: 点击:0
TCL王牌DVD-M60 DVD电路原理图-0 TCL王牌DVD-M60 DVD电路原理图-1 TCL王牌DVD-M60 DVD电路原理图-2 TCL王牌DVD-M60 DVD电路原理图-3 TCL王牌DVD-M60 DVD电路原理图-4 TCL王牌DVD-M60 DVD电路原理图-5 TCL王牌DVD-M60 DVD电路原理图-6

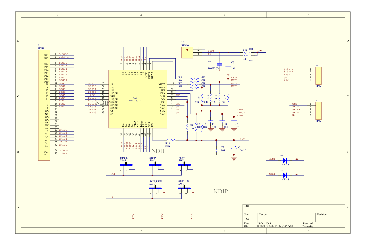
1 2 3 4 A B C D 4 3 2 1 D C B A Title Number Revision Size A4 Date: 28-Oct-2003 Sheet of File: F:\ \2027\hy142.DDB 新建文件夹 Drawn By: C3 101 R1 10K C4 101 C5 101 R12 33K R11 33K R10 33K R9 33K C2 104 C1 100/10 R13 33K R8 33K R7 33K R6 33K R5 33K 1 2 3 U3 REMO SW1 1 SW2 2 SW3 3 SW4 4 DO 5 DIN 6 VSS 7 CLK 8 STB 9 KEY1 10 KEY2 11 KEY3 12 KEY4 13 VDD 14 S1 15 S2 16 S3 17 S4 18 S5 19 S6 20 S7 21 S8 22 S9 23 S10 24 S11 25 S12/G1 26 VEE 27 S13/G1 28 S14/G9 29 S15/G8 30 S16/G7 31 G6 32 G5 33 G4 34 G3 35 G2 36 G1 37 VDD 38 LED4 39 LED3 40 LED2 41 LED1 42 VSS 43 OSC 44 U2 UPD16312 GRID1 SEG1 SEG2 GRID2 SEG3 GRID3 SEG4 SEG5 SEG6 GRID4 GRID5 SEG7 SEG8 SEG9 SEG10 SEG11 3.5V~2 3.5V~2 3.5V~1 3.5V~1 SEG12 SEG13 SEG14 SEG15 SEG16 SEG16 SEG15 SEG14 SEG13 SEG12 GND GND GND GND GND GND VFDAT VFDST GND VFDCK KEY4 KEY3 KEY2 KEY1 +5V VFDAT VFDCK VFDST +5V SEG1 SEG2 SEG3 SEG4 SEG5 SEG6 SEG7 SEG8 SEG9 SEG10 SEG11 +5V GRID1 GRID2 GRID3 GRID4 GRID5 -25V +5VI IR +5V GND -25V 3.5V~1 3.5V~2 SW KSO2 KSO3 KSO4 R3 10K R2 10K 1 2 3 4 5 JP1 5PIN 1 2 3 4 5 JP2 5PIN R4 10K 1 2 SKIP_REW SW-1 1 2 STOP SW-1 1 2 PLAY SW-1 1 2 OP/CL SW-1 1 2 SKIP_FOR SW-1 K1 K2 KEY1 KEY2 KEY3 C6 104 C7 100U/16V IR R18 10R F11 1 F12 2 P16 4 P15 5 P14 6 P13 7 P12 8 P11 9 P10 10 P9 11 P8 12 P7 13 P6 14 P5 15 P4 16 P3 17 P2 18 P1 19 NX 20 NX 21 NX 22 NX 23 NX 24 NX 25 NX 26 1G 27 2G 28 3G 29 4G 30 5G 31 6G 32 F21 34 F22 35 U1 06SS91 GRID6 GRID6 +5V D1 1N4148 D2 1N4148 SEG2 SEG1 K1 K2 NDIP NDIP NDIP 1 2 3 4 5 6 7 8 A B C D 8 7 6 5 4 3 2 1 D C B A Title Number Revision Size A2 Date: 28-Oct-2003 Sheet of File: F:\ \2027\hy314.DDB 新建文件夹 Drawn By: D928 4007 R929 100k C911 103/1KV R913 5R6(1/2W) AGND C939 330/10 1 2 3 4 5 CN905 5P2.5 VCC 1 XTI 2 XTO 3 SW 4 GND 8 STB 7 PC 6 IR 5 U902 PT8311 R923 4k7 Q903 KTC3400 C912 104 R916 10k R915 9k1 PGND R902 30K PGND PGND PGND R909 100R PGND R908 10R Q901 K031 ADJ 1 FB 2 CS 3 GND 4 DRV 5 VCC 6 NC 7 HV 8 U901 NCP1200 1 3 6 7 13 12 11 10 9 8 14 TR901 TR5 Q905 TL431 PGND C903 33/400V C906 10N C905 47/25 PGND R907 22R D906 4148 R904 33K(1/2W) PGND R910 1R5(1/2W) 1 2 CN902 3P4.0 C907 102/400~ LF901 40mH D905 HER107 Q904 PC817 C901 .1/275Vac F901 0.5A/250v 1 2 CN901 3P4.0 C902 .1/275Vac C931 102/400~ C932 102/400~ R905 47K(1/2W) C904 103/1KV R911 100r R912 1k D908 SR360 D913 BAT85 C925 33u/16V C909 2200/10 C908 104 D912 HER207 C913 10u/100 R933 33R Q902 2N5401 R926 7k5 X901 455 C926 100p C927 100p R939 100R C923 104 D911 HER104 C922 330/16 R921 470R D909 HER104 C915 100/16 L902 33uH C933 104 D907 HER104 L901 33uH C918 100/35 D918 5V1 R922 22k R917 220R R918 220R D916 12V R919 4K7 C919 100/16 C920 104 1 2 3 4 5 CN903 5P2.0 D914 1N5392 D915 1N5392 C928 104 C929 100/16 1 2 3 4 5 6 7 CN904 7P2.5 R928 100R D901 4007 D902 4007 D903 4007 D904 4007 PGND D919 1N5822 D922 15v R932 100R C936 100/16 R901 4k7 D923 5V1 R903 33R CPU5V STB IR GND CPU5V SW PC +12 +5V FIP1 FIP2 -25V -12 GND GND GND -12 +12 +5V 3V3 +5V GND -25V FIP1 FIP2 NDIP NDIP NDIP M EMAD2 RA MDAT3 RA MDAT7 R AMCAS- OPEN RA MDAT1 C JTDO MEMCS1- DSPVCC18 P C LK M EMAD9 MEMAD20 I CETDI RA MA DD10 IN SW P C LK VD DAFES RA MDAT9 RA MDAT10 R AMCAS- IR RCV MEMAD12 PLLCFGA CLOSE MEMDA15 DUPTD0 R AMCAS- RA MDAT14 RA MA DD2 RA MCS1- R AMRAS- RA MDAT10 R AMRAS- RA MDAT8 MEMAD11 PLLCFGP M EMDA3 RA MA DD3 RA MA DD3 I AMCLK MEMDA13 RA MCS1- RA MA DD10 M EMAD7 RA MA DD6 M EMDA6 M EMDA2 RA MDAT8 DUPRD1 RA MDAT14 RA MDAT5 RA MA DD9 RA MA DD1 RA MA DD2 VD DPWM GP AIO I ABCLK C JTDI RA MDAT5 M EMDA0 RA MDAT9 RA MA DD0 WA TC HDOG M EMAD0 MEMDA12 H S Y NC RA MDAT12 RA MA DD4 P C LK O SCIN RA MDAT12 OSCOUT RA MDAT6 RA MDAT1 RA MA DD5 AOUT0 RA MDAT1 RA MDAT6 RA MDAT7 MEMAD16 M EMDA5 MEMDA14 M EMDA8 MEMAD13 M EMAD4 RA MCS0- M EMDA9 MEMAD10 RA MA DD5 MEMRD- RA MDAT0 RA MWE- RA MA DD8 RA M DQM RA MDAT2 RA MA DD1 FPC_CLK R AMBA RA MA DD9 RA MDAT4 RA MA DD0 M EMDA7 RA MDAT14 MI RR RA MA DD10 RA MDAT11 RA MA DD1 RA MDAT6 RA MDAT9 VD D DAC M EMAD5 M EMAD3 RA MA DD7 M EMAD8 RA MDAT2 M EMWR- FPC_STB RA MDAT13 RA M DQM RA MDAT12 MEMAD15 MEMAD17 RA MDAT10 M EMAD6 MEMCS0- RA MA DD5 M EMAD1 RA MDAT15 IALRCLK VS YN C DUPRD0 RA MDAT15 RA MA DD3 RA MDAT0 RA MDAT13 R AMRAS- RA MDAT11 RA MDAT4 RA MDAT2 M EMDA1 RA MDAT7 RA MDAT11 RA M DQM RESET_ MEMAD19 RA MDAT3 DEFECT RA MA DD7 RA MDAT15 RA M DQM O SCIN RA MDAT8 RA MDAT13 RA MA DD8 VD D AFERF MEMAD18 R AMBA OSCOUT RA MWE- MEMDA11 CJTMS M EMDA4 RA MA DD7 R AMBA LDON RA MA DD4 RA MDAT3 MEMAD14 H OMESW DUPTD1 RA MDAT0 DSPVCC33 RA MA DD6 MEMDA10 IP CLK O UTSW D RVSB RA MA DD2 RA M DQM RA MA DD4 RA MA DD6 RA MDAT5 RA MA DD0 RA MCS0- RA MDAT4 RA MA DD8 S PDIF RA MWE- RA MA DD9 WA TCHDOG RESET_ ICETMS A DATA0 I 2CDAT I2CCLK I2CCLK I 2CDAT GND D+5V AFEGND VGND DSPVCC18 DSPVCC33 DSPVCC33 S GND DSPVCC33 R F33V DSPVCC18 D+5V DSPVCC33 VGND D+5V DSPVCC33 D+5V ALRCLK DUPRD0 A AF_FE SPDL_SENS RFA _SDEN MEMCS0- MIRR DS P VCC33 MEMCS1- C_B_U C VBS_C R FINN AMCLK OUTSW A A F_CE AAF_TE RFA _SCLK DUPTD0 MEMAD[20:0] DUPTD1 RFINP ABCLK FPC_STB ADATA0 OPEN S V REF15 MEMRD- S P INDLE_PWM DUPRD1 MIC_DET Y_ R _V FOCUS _DAC FPC_CLK VBIASS1 A AF_PI P S /INTERLACE MEMDA[15:0] D RVSB S LED_PWM LDON IN SW VS YNC FS1 MEMWR- RESET_ H S YNC H OMESW IR RCV FPC_DIN D EFECT S PDIF CLOSE LINK VR_SEL RFA_SDATA TRA CK_DAC D+5V AMUTE VFD_ADC C VBS_G_Y SDRAM speed <=7ns If using ICE debug, not install R11,R85. JP20,JP21 settings: 1)Play mode: All Jumps off 2)Download mode: JP21's 1-2 short only 3)SW Debug mode: JP20's 1-2 short only C37 0.1uF U 5C 74HC14 5 6 14 7 C8 0.1uF C19 0.1uF JP20 CN2.54MM3P-M(BOOTSEL2) 1 2 3 + C1 10uF/16V C18 0.1uF FB2 FBR C29 0.1uF R16 100 R19 150 R85 0R R4 4.7K R3 7 5 C23 0.1uF U2 K4S161622C-TC/L70 VDD 1 DQ0 2 DQ1 3 VSSQ 4 DQ2 5 DQ3 6 VDDQ 7 DQ4 8 DQ5 9 VSSQ 10 DQ6 11 DQ7 12 VDDQ 13 LDQM 14 WE 15 CAS 16 RAS 17 CS 18 BA 19 A10/AP 20 A0 21 A1 22 A2 23 A3 24 VDD 25 VSS 50 DQ15 49 DQ14 48 VSSQ 47 DQ13 46 DQ12 45 VDDQ 44 DQ11 43 DQ10 42 VSSQ 41 DQ9 40 DQ8 39 VDDQ 38 NC 37 UDQM 36 CLK 35 CKE 34 NC 33 A9 32 A8 31 A7 30 A6 29 A5 28 A4 27 VSS 26 C31 0.1uF C2 22pF JP21 CN2.54MM3P-M(BOOTSEL1) 1 2 3 C17 0.1uF TP6 . 1 C3 22pF FB3 FBR RN1 47R 1 1 2 2 3 3 4 4 5 5 6 6 7 7 8 8 U8 24C02 A0 1 A1 2 A2 3 GND 4 SDA 5 SCLK 6 WP 7 VCC 8 C32 0.1uF TP2 . 1 C36 0.1uF R17 15k + C5 100uF/16V C54 0.1uF FB1 FBR R N2 75R 1 1 2 2 3 3 4 4 5 5 6 6 7 7 8 8 S W2 CN2.54MM2P-M(RESET button) 1 2 R8 33 R12 33R + C21 47uF/16V R10 33 C34 0.1uF + C11 100uF/16V R13 33R + C7 100uF/16V + C28 47uF/16V R11 0R R2 4.7K C24 0.1uF C10 0.1uF R20 392R/1% C4 220pF D1 1N4148 + C9 100uF/16V C27 0.1uF C38 0.1uF TP4 . 1 R84 1k C22 0.1uF Y 1 27.000MHz FB4 FBR C14 0.1uF R83 1k R9 33 L1 2.7uH JP22 CN2.54MM2P-M(NMI button) 1 2 TP5 . 1 C35 0.1uF TP1 . 1 R14 0 R5 10K C16 0.1uF C20 0.1uF U1 ZR36762 GNDP 12 SSCRXD/GPCIO[17] 1 MEMCS[1]#/GPCIO[18] 2 VDDP 3 MEMAD[15]/PLLPROG[0] 4 MEMAD[16]/PLLPROG[1] 5 MEMAD[14]/PLLPROG[2] 6 MEMAD[13]/AFETESTEN 7 MEMAD[12]/[PLLCFGA] 8 MEMDA[15] 9 MEMAD[11]/[PLLCFGP] 10 MEMDA[7] 11 GNDP 50 MEMAD[10]/[TESTMODE] 13 MEMDA[14] 14 MEMAD[9] 15 MEMDA[6] 16 MEMAD[8] 17 MEMDA[13] 18 MEMDA[5] 19 MEMAD[20]/[GPCIO19]/[MEMCS#2] 20 VDDP 21 MEMDA[12] 22 MEMWR# 23 MEMDA[4] 24 VDDC 25 MEMDA[11] 26 MEMDA[3] 27 MEMAD[19]/[PLLSEL] 28 GNDC 29 MEMDA[10] 30 MEMAD[18] 31 GNDP 32 MEMDA[2] 33 MEMAD[17] 34 MEMDA[9] 35 MEMAD[7] 36 MEMDA[1] 37 MEMAD[6] 38 VDD-IP 51 VDDP 52 RAMADD[4] 53 RAMADD[3] 54 RAMADD[5] 55 GNDP 62 RAMADD[2] 56 RAMADD[6] 57 VDDP 58 RAMADD[1] 59 RAMADD[7] 60 RAMADD[0] 61 GNDP 72 RAMADD[8] 63 VDDC 64 RAMADD[10] 65 GNDC 66 RAMADD[9] 67 VDDP 68 RAMADD[11] 69 RAMCS[0]#/RAMBA[1] 70 RAMBA[0] 71 GNDP 83 RAMCS[1]# 73 RAMRAS# 74 RAMCAS# 75 VDDP 76 RAMWE# 77 RAMDQM 78 GNDPCLK 79 PCLK 80 VDDPCLK 81 RAMDAT[8] 82 GNDP 91 RAMDAT[7] 84 RAMDAT[9] 85 RAMDAT[6] 86 VDDP 87 RAMDAT[10] 88 RAMDAT[5] 89 RAMDAT[11] 90 GNDP 101 RAMDAT[4] 92 VDDC 93 RAMDAT[12] 94 GNDC 95 RAMDAT[3] 96 VDDP 97 RAMDAT[13] 98 RAMDAT[2] 99 RAMDAT[14] 100 RAMDAT[1] 102 RAMDAT[15] 103 RAMDAT[0] 104 VDDP 105 DUPTD1/GPCIO38 156 DUPRD1/GPCIO37 155 VDD-IP 154 DUPRD0/GPCIO35 152 GNDP 151 GPCI/O[32] 145 GPCI/O[31] 136 VDDP 144 GCLKA 143 GCLKP 142 XO 141 VDDA 140 RESET# 139 GNDA 138 VDDP 127 GNDP 125 HSYNC/GPCIO25/[CJTDO] 124 VDDC 123 VSYNC/GPCIO24/[CJTDI] 122 GNDC 121 AIN/[GPCIO23/CJTCK] 120 VDDP-A2 119 AMCLK 118 GNDP-A2 117 ABCLK 116 ALRCLK 115 GPAIO/[AOUT3] 114 AOUT[0] 113 AOUT[1]/[GPCIO22] 112 AOUT[2]/[GPCIO21] 111 SPDIF 110 SLEDPULSE/IDGPCIO6 205 VDDP 204 GNDP 202 VDDC 192 GNDC 190 DEFECT/IDGPCIO5 200 PWMACT[0]/GPCIO39 187 GNDPWM 195 VDDPWM 197 GNDAFES 186 VBIASS1 185 VBIASS0 184 VDDAFES 175 GNDAFERF 174 RFINN 173 RFINP 172 VDDAFERF 171 GNDDACD 157 DACDRIVE[1] 169 VDDDAC 160 DACDRIVE[0] 167 GNDDACBS2 165 GNDDACP 164 RSET 163 C/B/U 162 Y/R/V/[C] 161 CVBS/C/[Y] 159 CVBS/G/Y 158 MEMDA[8] 39 MEMAD[5] 40 VDDP 41 MEMDA[0] 42 MEMAD[4] 43 MEMRD# 44 MEMAD[3] 45 MEMAD[2] 46 MEMCS[0]# 47 MEMAD[1]/[BOOTSEL2] 48 MEMAD[0]/[A]PLLSEL/[BOOTSEL1] 49 CPUNMI/GPCIO[20] 106 GNDP 107 [A]GPCIO110/BOOTSEL1/[AOUT3/ICGPCIO0] 108 [A]GPCIO111/BOOTSEL2/[IDGPCIO0] 109 COSYNC/GPCIO120/[ICGPCIO1/CJTMS] 126 GPCIO26/ICETMS/[DJTMS] 128 ICETDI/GPCIO122/[ICGPCIO2/DJTDI] 129 ICETDO/GPCIO123/[IDGPCIO1/DJTDO] 130 ICETCK/GPCIO27/[DJTCK] 131 GPCIO28/DJTMS 132 GPCIO29/DJTDI 133 GPCIO30/DJTDO 134 GPCIO128/DJTCK/[ICGPCIO3] 135 GPCI/O[130]/[IDGPCIO2] 137 GPCI/O[135]/[ICGPCIO4] 146 GPCI/O[33] 147 GPCI/O[137]/[ICGPCIO5] 148 GPCI/O[34] 149 GPCI/O[139]/[IDGPCIO3] 150 DUPTD0/GPCIO36 153 GNDDACPS 166 VDDDACS 168 GNDDACDS 170 ADCIN0 183 ADCIN1 182 ADCIN2 181 ADCIN3 180 ADCIN4 179 ADCIN5 178 ADCIN6 177 ADCIN7 176 PWMACT[1]/GPCIO40 188 PWMCO[0]/GPCIO41 189 PWMCO[1]/GPCIO42 191 PWMCO[2]/GPCIO43 193 PWMCO[3]/GPCIO44 194 PWMCO[4]/GPCIO45 196 PWMCO[5]/GPCIO46 198 PWMCO[6]/GPCIO152/[IDGPCIO4] 199 ICGPCIO6 201 GPCIO159/[ICGPCIO7] 203 SPINDLEDPULSE/IDGPCIO7 206 SSCCLK/GPCIO47 207 SSCTXD/GPCIO16 208 R1 4.7K C13 0.1uF C6 0.1uF R18 100K C33 0.1uF C12 0.1uF C25 0.1uF C26 0.1uF C30 0.1uF U3 K4S161622C-TC/L70 VDD 1 DQ0 2 DQ1 3 VSSQ 4 DQ2 5 DQ3 6 VDDQ 7 DQ4 8 DQ5 9 VSSQ 10 DQ6 11 DQ7 12 VDDQ 13 LDQM 14 WE 15 CAS 16 RAS 17 CS 18 BA 19 A10/AP 20 A0 21 A1 22 A2 23 A3 24 VDD 25 VSS 50 DQ15 49 DQ14 48 VSSQ 47 DQ13 46 DQ12 45 VDDQ 44 DQ11 43 DQ10 42 VSSQ 41 DQ9 40 DQ8 39 VDDQ 38 NC 37 UDQM 36 CLK 35 CKE 34 NC 33 A9 32 A8 31 A7 30 A6 29 A5 28 A4 27 VSS 26 C15 0.1uF TP3 . 1 NDIP NDIP NDIP R F INP R F I NN A A F_PI RFA _ LDON FOCUS _DA C1 DR V SB M5V A A F_CE A A F_FE TRA CK_DA C1 TA CT3+ FA CT3- RF A _TE RFA _ PI S L ED _PWM1 TA CT3- F N P S V REF15 RFA _ FE F A CT+ RFA _ S DEN A A F_TE F N N RFA _ M IRR S P DL+ V C2 RFA _ DEF ECT RFA _SDA TA S L ED0+ OPU_ F F A CT- V C25 OPU_ E TA CT+ C DL D F A CT+ DV D LD OP U_A TA CT- OPU_ D OPU_ C OPU _B LaserMD F A CT- LOA D- L OA D+ L OA D+ LOA D- S L ED+ S L ED- MO T_SPDL+ M OT_SPDL- A A F_CE RFA _ CE DS PV CC33 MOT_SPDL- MOT_SPDL+ TA CT- TA CT+ S PINDL E_ PWM S LED- S L ED+ RFA 5V RFA 5V RF33V M5V M GND M GND R F GND R F GND R F GND R FGND R F GND M GND M GND R F GND RFA 5V R FGND R F GND RFA 5V MGND RFA 5V RFA 5V R FGND M GND M5V RF33V RF33V RF33V M GND M5V M GND M GND RFA 5V M5V M5V M5V M GND M GND M GND M GND DS PV CC33 FOCUS _DA C S L ED_PWM HOMES W CL OSE O P EN V BIA SS1 I NS W OUTSW M5V DRV SB TRA CK_DA C V R_SEL R F I NN R F INP A A F_CE A A F_FE A A F_TE A A F_PI S V REF15 L INK D EFECT M I RR L DON RFA _ S DEN RFA _SCLK RFA _SDA TA S PDL _ SENS DS PV CC33 VR_SEL Logic: CD=LOW DVD=HIGH CD/DVD_SW Logic: CD=HIGH DVD=LOW TP8 . 1 C46 0.1uF C56 0.1uF R3 2 27K/1% R3 3 13K/1% R78 470R/1% R23 0 R C50 0.1uF C73 4 70pF C9 3 5 60pF R3 0 4.7K R39 1.3K TP10 . 1 Q9 8050 TP19 . 1 R67 1 C92 1 00pF L2 F B R R6 4 6.8K R44 11K TP9 . 1 Q3 2SK3018 2 3 1 C 64 0.1uF R47 1M R5 8 5.6K R38 1.3K C67 0 .1uF R37 NC R79 470R/1% TP18 . 1 Q1 2SK3018 2 3 1 R81 5K/1% R27 220 R2 4 4.7K R4 2 12K/1% R8 0 10K/1% U 7 BA 5954 VINFC 1 CFCERR1 2 CFCERR2 3 VINSL+ 4 VINSL- 5 VOSL 6 VNFFC 7 VCC 8 PVCC1 9 PGND 10 VOSL- 11 VOSL+ 12 VOFC- 13 VOFC+ 14 STBY 28 BIAS 27 VINTK 26 CTKERR1 25 CTKERR2 24 VINLD 23 PREGND 22 PVCC2 21 VNFTK 20 PGND 19 VOLD- 18 VOLD+ 17 VOTK- 16 VOTK+ 15 GND 29 GND 30 R68 1 R31 1 .8M TP12 . 1 R1 5 4.7K R29 22 C71 560pF C N4 S L ED & SPINDLE 1 2 3 4 5 6 C9 4 0.1uF C60 220pF C 61 0.1uF C N5 5 PIN 1 2 3 4 5 C63 2 .7nF C83 1 nF R21 0R C4 1 2 .2nF C91 2 7nF + C39 100uF/16V TP27 . 1 C8 7 2 7nF R22 0R R69 1 R49 4.7K C72 0.1uF R5 5 1K TP21 . 1 + - U18B TL3472 5 6 7 8 4 R53 220 C89 47uF/16V L4 1 0uH C4 4 2 .2nF R54 1K TP30 . 1 U 6 ZR36707 DVDRFP 1 DVDRFN 2 A2 3 B2 4 C2 5 D2 6 CP 7 CN 8 D 9 C 10 B 11 A 12 CD_D 13 CD_C 14 MIN 31 VC 20 MB 29 DVDPD 23 CDPD 24 MP 28 LDON 26 VPB 19 VNB 25 CD_E 18 LINK 33 MIRR 27 CDLD 22 DVDLD 21 CD_F 17 LCP 44 V33 45 SCLK 46 V25 37 MLPF 30 FE 40 MNTR 42 LCN 43 TPH 35 SDEN 48 SDATA 47 PI 38 CE 41 TE 39 V125 36 MEVO 32 FNN 52 FNP 53 DIP 54 ATON 61 VPA 58 RFDC 64 RFSIN 63 VNA 51 MEV 50 RX 49 AIP 59 RFAC 57 ATOP 62 AIN 60 DIN 55 BYP 56 CD_B 15 CD_A 16 DFT 34 R76 5.6K R7 1 1 1k R61 47K TP28 . 1 C N3 2 4 P-HEA D GND-LD 24 DVD-LD 23 NC 22 HFM 21 MD 20 CD-LD 19 VR-DVD 18 VR-CD 17 NC 16 E 15 VCC 14 VC(VREF) 13 GND/PD 12 F 11 B 10 A 9 RF 8 CD/DVD_SW 7 D 6 C 5 T- 4 T+ 3 F+ 2 F- 1 GND 25 GND 26 C47 0.1uF TP22 . 1 C48 0.1uF R7 2 0 C80 1nF C8 8 4700pF R4 3 10K C57 0.1uF R34 4.7K R25 4.7K TP16 . 1 C68 5.6nF Q7 8550 C95 0.1uF R74 1 0K + C52 100uF/25V C70 5.6nF + C55 100uF/25V C 62 0.1uF TP25 . 1 R48 3.3K C 49 0.1uF TP13 . 1 R41 0 R R5 6 220 C4 2 2 .2nF R7 5 5.6K C4 5 3 3pF C81 3 3nF TP11 . 1 D3 IN4148 1 2 R36 13K TP14 . 1 TP20 . 1 C75 1 nF C77 1nF R59 5.6K Q5 2SB1132 1 3 2 R7 3 1 0K C76 1 nF R66 1 R7 7 5.6K D2 IN4148 1 2 C 51 0.1uF C69 5.6nF L3 1 0uH R6 2 1 1k R5 7 5.6K C6 6 0 .1uF C74 1 n F R4 5 22K C8 4 5 60pF + C6 5 4.7uF/16V C85 100pF TP7 . 1 R6 3 10K TP26 . 1 R35 9.1K C90 0 .1uF C8 2 0 .1uF R60 10K TP23 . 1 Q6 8550 C79 1nF C4 0 0 .1uF C59 22nF R5 2 220 TP17 . 1 R65 0 C8 6 0 .1uF R5 0 4.7K R28 220 C78 1nF R7 0 0 R5 1 220 R46 2 2K R26 22 R140 0 Q2 2SK3018 2 3 1 R40 1.3K Q8 8050 TP29 . 1 TP24 . 1 Q4 2SB1132 1 3 2 TP15 . 1 C4 3 2 .2nF C 58 6.8nF NDIP NDIP NDIP DSPVCC33 MUTE MUTE A-LMAIN A -RMAIN LMAIN-OUT RMAIN-OUT MUTE MIC A-LMAIN AMCLK ADATA0 ALRCLK ABCLK MIC MIC A -RMAIN A-12V LMAIN-OUT MIC MIC_DET RMAIN-OUT A+12V IEC958A DSPVCC33 DSPVCC33 DSPVCC33 A-12V A+12V A+12V A-12V DSPVCC33 D+5V A-12V A+12V A+12V D+5V A-12V D+5V A-12V A+12V D+5V A+5V +12V -12V CVBS_G_Y CVBS_G_Y/OUT Y_R_V Y_R_V/OUT C_B_U/OUT CVBS_C C_B_U RMAIN-OUT LMAIN-OUT DSPVCC33 AMCLK ALRCLK ADATA0 D+5V ABCLK AMUTE CVBS_C/OUT D+5V Power on/off Mute D6 KDS226 1 1 2 2 3 3 + C118 100uF/25V C141 0.1uF R96 10R D5 1N4148 R98 10K R107 10K R139 2.2K C122 150pF C133 1000pF R87 3.9K R119 4.7K Q12 A1015 3 2 1 U10 CS4334-SOP8 DAC_ML 8 SBCLK 2 SDATO 1 AGND 6 SLRCK 3 SACLK 4 A_AVDD 7 DAC_MR 5 + C53 10u/16V C124 160pF R86 3.9K C129 11pF R88 3.9K Q14 C1815 1 2 3 C128 150pF CN15 PH-8A 1 2 3 4 5 6 7 8 R108 20K Q15 KTD1304 1 2 3 R89 3.9K C137 1000pF C121 160pF C127 160pF R99 4.7K R103 75R 1% C138 1000pF D7 KDS226 1 1 2 2 3 3 C126 11pF C130 160pF R112 4.7K R93 10K R95 330K R111 4.7K Q10 A1015 3 2 1 + - U11A LM4558 3 2 1 8 4 C98 0.1uF R117 560R R110 560R L5 FB C125 150pF C132 10uF/16V C115 0.1uF + C113 100u/16V + C99 100uF/16V R105 75R 1% R116 20K C117 0.1uF R97 4.7K C136 0.1uF C123 11pF R91 33K R6 1K + C114 1000u/16V R7 1K Q16 KTD1304 1 2 3 C134 100pF + - U11B LM4558 5 6 7 8 4 R106 75R 1% L6 1.1uH R92 33K R104 75R 1% R94 330R C119 150pF Z1 5V1 L7 1.1uH R101 10R C139 100pF + C116 100uF/25V C120 11pF R118 4.7K L9 1.1uH R109 3.3K D8 KDS226 1 1 2 2 3 3 C142 1000pF C131 10uF/16V L8 1.1uH D9 KDS226 1 1 2 2 3 3 Q11 A1015 3 2 1 R100 10R D4 1N4148 R115 3.3K R114 10K NDIP NDIP NDIP MEMAD14 MEMAD13 MEMAD12 MEMAD11 MEMAD10 MEMAD9 MEMAD8 MEMAD18 MEMAD17 MEMAD7 MEMAD6 MEMAD4 MEMAD3 MEMAD2 MEMAD1 MEMAD16 MEMDA7 MEMDA14 MEMDA6 MEMDA13 MEMDA5 MEMDA12 MEMDA4 MEMDA11 MEMDA3 MEMDA10 MEMDA2 MEMDA9 MEMDA1 MEMDA8 MEMDA0 MEMRD- MEMAD0 MEMDA15 AMEMAD19 FLASHCS- RESET_ MEMDA[15:0] MEMAD15 MEMAD20 MEMAD5 MEMCS0- MEMCS1- SSRAMCS- FLASHCS- MEMWR- MEMRD- MEMWR- MEMWR- MEMAD1 MEMAD0 MEMAD14 MEMAD13 DSPVCC33 MEMDA2 MEMDA7 MEMDA9 MEMDA13 MEMAD2 MEMDA1 MEMAD15 MEMRD- MEMDA4 MEMDA6 MEMAD4 MEMAD9 SSRAMCS- MEMAD19 MEMDA14 MEMAD11 MEMDA15 MEMDA0 MEMDA11 MEMAD5 GND MEMDA5 MEMDA12 MEMAD17 MEMDA10 MEMAD6 MEMAD7 MEMAD12 MEMAD3 MEMDA8 MEMAD16 GND MEMAD8 MEMAD18 MEMDA3 MEMAD10 IMEMAD19 MEMAD[20:0] MEMAD19 DSPVCC33 DSPVCC33 DSPVCC33 DSPVCC33 MEMDA[15:0] MEMAD[20:0] RESET_ MEMRD- MEMWR- MEMCS0- MEMCS1- DSPVCC33 A19 NC NC RY/BY# BYTE# JP1 : a)Flash memory(U4) : 1-3 short only b)External SRAM( cn14) : 1-2 and 3-4 short When using INTEL FLASH: R122=0 ohm, R121=NC When using SST FLASH: R121=0 ohm, R122=NC Flash speed <= 70 nS EXTERNAL SRAM PORT U4 SST39VF800 A15 1 A14 2 A13 3 A12 4 A11 5 A10 6 A9 7 A8 8 NC 9 A20 10 WE# 11 RP# 12 VPP 13 WP# 14 A19 15 A18 16 A17 17 A7 18 A6 19 A5 20 A4 21 A3 22 A2 23 A1 24 A16 48 VCCQ 47 GND 46 DQ15 45 DQ7 44 DQ14 43 DQ6 42 DQ13 41 DQ5 40 DQ12 39 DQ4 38 VCC 37 DQ11 36 DQ3 35 DQ10 34 DQ2 33 DQ9 32 DQ1 31 DQ8 30 DQ0 29 OE# 28 GND 27 CE# 26 A0 25 R121 0 C143 0.1uF CN13 42PIN SRAM I/F 1 3 5 7 9 11 13 15 17 19 21 23 25 27 29 31 33 35 37 39 2 4 6 8 10 12 14 16 18 20 22 24 26 28 30 32 34 36 38 42 40 41 R123 NC R122 0 CN14 CN2.54MM2X2-M 3 4 1 2 R124 4.7K NDIP NDIP ADJ DSPVCC18 S CART_SWITCH HS VS COAX_SPDIF OPT_SPDIF D+5V S CART_SWITCH S PDIF COAX_SPDIF OPT_SPDIF I R FSTB FCLK FDATA GND PS/INTERLACE COAX_SPDIF LMAIN-OUT RMAIN-OUT COAX_SPDIF IEC958A SGND VGND AFEGND RFGND DSPVCC33 DSPVCC18 D+5V D+5V DSPVCC33 D+5V RFA5V M5V D+5V RF33V D+5V DSPVCC33 VCC5V -12V +12V A+12V VCC5V +12V D+5V +8V RMAIN-OUT LMAIN-OUT H SYNC VSYNC DSPVCC33 FPC_STB FPC_CLK IRRC V FPC _DIN DUPTD0 DUPTD1 D UPRD0 D UPRD1 SPDIF FS1 D+5V DSPVCC33 Y_R_V/OUT C VBS_G_Y/OUT C _B_U/OUT CVBS_C/OUT CVBS_C/OUT C VBS_G_Y/OUT C _B_U/OUT Y_R_V/OUT M5V VFD_ADC R82 0R H4 H4 1 1 2 2 3 3 4 4 5 5 6 6 7 7 8 8 9 9 C149 0.1uF R132 220R + C151 220uF/16V R130 330R L23 FBSMT C147 104 H2 H2 1 1 2 2 3 3 4 4 5 5 6 6 7 7 8 8 9 9 R127 4.7K R133 1K C N12 D OWN_LOAD_I/F 1 2 3 4 L10 FBSMT U13 B1117-3.3V ADJ/GND 1 OUT2 2 IN 3 OUT1 4 L24 FBSMT C154 0.1uF L11 FBSMT R129 4.7K L25 FBSMT C N8 AV6-8.4BF L 2 U 3 Y 5 CVBS 6 GND1 7 GND2 8 GND3 9 V 1 R 4 + C159 100uF/16V C N1 05PIN 2 2 3 3 4 4 5 5 1 1 L26 FBSMT + C156 100uF/16V U5D 74HC14 9 8 14 7 + C153 100uF/16V R138 56R + C150 100uF/16V C157 0.1uF H 3 H 3 1 1 2 2 3 3 4 4 5 5 6 6 7 7 8 8 9 9 L20 FBR D15 1N4001 D16 1N4001 R128 4.7K D14 1N4001 C146 100n + C145 100u/16V Q17 A1015 L15 FB C N10 SCART & VGA OUT GND1 1 AL 2 R 6 AR 3 B 7 G 8 VIDEO 9 TV/AV 4 RGB_SEL 5 GND 10 HS 11 VS 12 C N2 VFD_PORT 1 2 3 4 5 6 L12 FB C N9 COXIAL IEC 1 GND1 2 GND2 3 C162 100n U12 LM7805 IN 1 GND 2 OUT 3 U5F 74HC14 13 12 14 7 D10 1N4001 R134 4.7K C102 100p D11 1N4001 + C161 100u/16V C103 100p R125 100R R135 4.7K U5E 74HC14 11 10 14 7 SW1 SLIDE SW 1 1 2 2 3 3 4 4 5 5 C104 100p R131 470R C N7 AV3-8.4A CVBS 1 ROUT 2 LOUT 3 GND1 4 GND2 5 GND3 6 R126 4.7K L13 FB U14 B1117-ADJ ADJ/GND 1 OUT2 2 IN 3 OUT1 4 C105 100p H1 H1 1 1 2 2 3 3 4 4 5 5 6 6 7 7 8 8 9 9 R136 4.7K C152 0.1uF + C158 100uF/16V R137 120R C N6 OPTICAL OUT IN 1 VCC 2 GND 3 C155 0.1uF C N11 D OWN_LOAD_I/F 1 2 3 4 C160 0.1uF C148 100P NDIP NDIP NDIP

标签:

版权声明

1. 本站所有素材,仅限学习交流,仅展示部分内容,如需查看完整内容,请下载原文件。
2. 会员在本站下载的所有素材,只拥有使用权,著作权归原作者所有。
3. 所有素材,未经合法授权,请勿用于商业用途,会员不得以任何形式发布、传播、复制、转售该素材,否则一律封号处理。
4. 如果素材损害你的权益请联系客服QQ:77594475 处理。