HITACHI日立DV-W1U音响电路原理图

分类:电子电工 日期: 点击:0
HITACHI日立DV-W1U音响电路原理图-0 HITACHI日立DV-W1U音响电路原理图-1 HITACHI日立DV-W1U音响电路原理图-2 HITACHI日立DV-W1U音响电路原理图-3 HITACHI日立DV-W1U音响电路原理图-4 HITACHI日立DV-W1U音响电路原理图-5 HITACHI日立DV-W1U音响电路原理图-6 HITACHI日立DV-W1U音响电路原理图-7

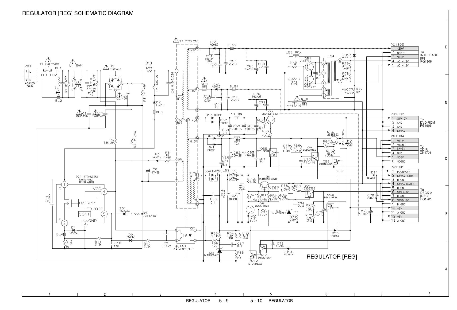
5 - 2 5 - 1 CONNECTION DIAGRAM CONNECTION DIAGRAM CONNECTION DIAGRAM A B C 3 2 1 D E 4 6 5 7 8 CHAPTER 5 SCHEMATIC, CIRCUIT BOARD AND BLOCK DIAGRAM DECK [DEC] REAR JACK [JAK] REGULATOR [REG] CD-R DVD-ROM INTERFACE [IF] DVD SWITCH [SW-DVD] LCD DISPLAY [FLHP] CDR SWITCH [SW-CDR] CN1303 CN1201 CN1301 CN1907 CN1906 CN1362 CN1500 CN1304 CN1302 CN1703 CN1101 NDIP NDIP NDIP A B C 3 2 1 D E 4 6 5 7 8 5 - 4 5 - 3 LCD DISPLAY LCD DISPLAY LCD DISPLAY [FLHP] SCHEMATIC DIAGRAM LCD DISPLAY [FLHP] To CDR SWITCH [SW-CDR] PG1801 To DVD SWITCH [SW-DVD] PG1802 To INTERFACE [IF] PG1902 To INTERFACE [IF] PG1901 -EL HEAD PHONE AMP SLR325MG3F SLR325MG3F SLR325VR3F SLR325VR3F DTA124EKA DTA124EKA DTA124EKA DTA124EKA HZS2-C3 INFRARED RECEIVER FRONT P C1704 0.1 RESET C1709 0.1 C1710 0.1 M38197MAA630FP NDIP NDIP NDIP 5 - 6 5 - 5 INTERFACE DVD SWITCH, CDR SWITCH DVD SWITCH [SW-DVD] SCHEMATIC DIAGRAM INTERFACE [IF] SCHEMATIC DIAGRAM A B C 3 2 1 D E 4 6 5 7 8 CDR SWITCH [SW-CDR] SCHEMATIC DIAGRAM DVD SWITCH [SW-DVD] To LCD DIPLAY [FLHP] PG1704 CDR SWITCH [SW-CDR] To LCD DISPLAY [FLHP] PG1705 14 13 12 11 10 9 8 7 6 5 4 3 2 1 15 14 13 12 11 10 9 8 7 6 5 4 3 2 1 1 2 3 4 5 6 7 8 9 10 11 12 13 14 15 16 17 INTERFACE [IF] 1 2 3 4 5 6 7 8 9 10 To DECK-2 [DEC] PG1602 15 14 13 12 11 10 9 8 7 6 5 4 3 2 1 To REGULATOR [REG] PG1903 To CD-R CN501 To CD-R CN601 R1901 1k R1903 1k R1904 1k R1905 1k R1911 1k R1913 1k To LCD DISPLAY [FLHP] PG1702 To LCD DISPLAY [FLHP] PG1701 To REAR JACK [JAK] PG1303 C1903 330P C1920 330P C1921 330P C1922 330P C1923 330P C1928 330P C1904 330P C1909 330P C19011 330P C1914 330P C1915 330P R1917 470 R1918 470 R1919 470 R1920 470 R1940 470 R1921 470 R1922 470 R1924 470 R1926 470 R1927 470 R1928 470 D1901 MA110 NDIP NDIP NDIP A B C 3 2 1 D E 4 6 5 7 8 5 - 8 5 - 7 REAR JACK REAR JACK REAR JACK [JAK] SCHEMATIC DIAGRAM 14 13 12 11 10 9 8 1 2 3 4 5 6 7 14 13 12 11 10 9 8 1 2 3 4 5 6 7 14 13 12 11 10 9 8 1 2 3 4 5 6 7 14 13 12 11 10 9 8 1 2 3 4 5 6 7 REAR JACK [JAK] 820p 820p 820p 820p 1 2 3 4 5 6 7 8 9 10 11 12 13 14 15 16 17 18 19 20 21 22 23 24 25 To DECK-1 [DEC] PG1502 IC1302 JFJ1000 OPTICAL TRANSMISSION MODULE IC1303 JFJ2000 OPTICAL TRANSMISSION MODULE 150p COAXIAL IN COAXIAL OUT IC1513 BU4066-BCF-E2 FRONT/CD SELECT SWITCH IC1512 BU4066-BCF-E2 DOWNMIX/CD SELECT SWITCH IC1301 DIGITAL OUTPUT BUFFER IC1508 NJM2060M FRONT FILTER AMP IC1509 NJM2060M S.FILTER AMP IC1510 NJM2060M CENTER WOOFER FILTER AMP IC1507 NJM2060M AUDIO FILTER AMP DTC114TKA DTC114TKA DTA124EKA 1 2 3 4 5 6 7 8 9 10 11 12 13 14 15 To INTERFACE [IF] PG1907 IC3301 BA7660FS-E2 IC3302 BA7660FS-E2 VIDEO AMP 2.7k C3523 0.1 R3537 5.6k BL1303 100 C3526 47p To DECK-2 [DEC] PG2201 VIDEO AMP 3.3k BL1307 1k To CD-R CN502/CN801 C3528 2200P C3527 2200P R1334 33k R1336 18k R1337 18k R1351 75 R1352 75 R1353 75 C1351 1000p C1370 1000p ZD1370 MA3020 ZD1351 MA3020 5 Y J1306 PB PR 6 3 4 1 2 R1339 3.9k BL1309 BL1312 BL1313 BL1314 BL1310 BL1311 NDIP NDIP NDIP 5 - 10 5 - 9 REGULATOR REGULATOR REGULATOR [REG] SCHEMATIC DIAGRAM A B C 3 2 1 D E 4 6 5 7 8 REGULATOR [REG] SWITCHING REGULATOR 47p/1KV 1SS254 IC51 NJM2380ALT IC52 NJM2380ALT DTC124ESA DTA124ESA Q58 2SC1741QR Q57 2SB1326TV2QR 22u DTC124ESA RK39F RK39F RK39F RK39F Q53 2SB1326TV2QR 1SS254 1SS254 DTC124ESA Q52 2SD2394EE 1SS254 1SS254 DTC124ESA -20V To INTERFACE [IF] PG1906 To DVD-ROM PG1906 To CD-R CN1701 To DECK-2 [DEC] PG1201 AC120V 60Hz NDIP NDIP NDIP A B C 3 2 1 D E 4 6 5 7 8 5 - 12 5 - 11 DECK-1 DECK-1 DECK-1 [DEC] SCHEMATIC DIAGRAM DECK-1 [DEC] To REAR JACK [JAK] PG1301 25 24 23 22 21 20 19 18 17 16 15 14 13 12 11 10 9 8 7 6 5 4 3 2 1 R2417 47 MIC SW 26A 10A 5A 2A 19A 8A 4A 14A 15A 30A 27A 25A 29A 31A MIC SW 31A DA-DATAI 33A 6A 11A 12A 13A 9A 7A 20A 28A 21A 23A 17A 22A 32A 24A 1A 16A 3A 18A To DECK-2 1A-33A INVERTER 5V REG AUDIO DAC AUDIO DAC R2550 47 NDIP NDIP NDIP A B C 3 2 1 D E F G 4 6 5 7 5 - 14 5 - 13 DECK-2 DECK-2 DECK-2 [DEC] SCHEMATIC DIAGRAM 9 10 11 12 8 5 - 15 DECK-2 1 2 3 4 5 6 7 8 9 10 11 12 13 14 15 16 17 18 19 20 21 22 23 24 25 50 49 48 47 46 45 44 43 42 41 40 39 38 37 36 35 34 33 32 31 30 29 28 27 26 1 2 3 4 5 6 7 8 9 10 11 12 13 14 15 16 17 18 19 20 21 22 23 24 25 50 49 48 47 46 45 44 43 42 41 40 39 38 37 36 35 34 33 32 31 30 29 28 27 26 1 2 3 4 5 6 7 8 9 10 11 12 13 14 15 16 17 18 19 20 21 22 23 24 48 47 46 45 44 43 42 41 40 39 38 37 36 35 34 33 32 31 30 29 28 27 26 25 DECK-2 [DEC] -80F -80F 220u 220u SW SW SW SW To REGULATOR [REG] PG1901 1A 33A 2A 3A 4A 5A 6A To DECK-1 1A-6A To DECK-1 33A 220u 620 620 160 160 160 160 160 160 220u 220u C2244 220/16 9A 10A 11A 12A 13A 14A 15A 16A 17A 18A 19A 32A 20A 21A 22A 23A 24A 25A 26A 27A 28A 29A 30A 31A To DECK-1 9A-32A 8A To DECK-1 8A 7A To DECK-1 7A 10 9 8 7 6 5 4 3 2 1 To INTERFACE [IF] PG1905 IC1603 MSM5416258B-28J1 4Mbit DRAM IC1602 MBM29F160TE-90 16Mbit FLASH ROM 16Mbit SDRAM 16Mbit SDRAM C1100 0.1 To DVD-ROM PG1101 I/F GA MPEG DECODER 2.5V REG. VIDEO ENCODER PLL INVERTER SH1 mCOM BUFFER To REAR JACK [JAK] PG1302 A B C 3 2 1 D E 4 5 - 27 BLOCK DIAGRAM BLOCK DIAGRAM PG1101 ATAPI DVD-ROM REQUEST,CSTROBE, ZWAIT,ZRD,ZWR FRAMWR DVD[0:7] IC1601 HD7437020TE IC1201 ZiVA -3 PE0 IC1101 Upd65625GF X2203 XíTAL27MHz IC1505 IC1607 PLL1700E IC1602 16MbitFLASH IC1603 4MbitDRAM IC1202 PQ07VZ5M2Z X1601 XíTAL20MHz COMPORNENT OUT IC1302 OPT OUT IC1303 OPT IN IC1505 HD74HC153 FL/R OUT DML/R OUT SVIDEO OUT VIDEO OUT IC1507 IC3301 IC3302 VID EO DRIVER CONTROL KEY CONTROL KEY DML/R SCL,SDA SD[0:15] DA_BCK DA_LRCK H/VSYNC VDATA[0:7] MADDR[0:11] MDATA[0:15] FL/R,SL/R, CENTER,SUB BLANKOUT DML/R DA_DATA0 DA_DATA [1:3] SA[0:21] IC2203 IC2204 16MbitSDRAM IC1501 PCM1716 IC1507 PCM1600Y PG1502 AUDIO CON MUTE2 MUTE1 IC1508 Q1501 Q1507 IC2201 AV7172 PG2201 VIDEO CON DAC0/2,SICLK,SIODAT DAC0/1/3,SICLK,SIODA CS2,RD,WR,etc PG1602 FL CON IC1506 PQ20WZ51 RECODER CRD-RA1 PG1302 PG1301 CENTER SUB SL/R FL/R DECK PWB CDR SWITCH PWB IF PWB LCD DISPLAY PWB DVD SWITCH PWB REAR JACK PWB AOUTSELECT PG1303 PG1304 IC1512 IC1507 IC1508 IC1513 IC1508 MUTE MUTE IC1509 IC1510 IC1509 IC1510 AUDIO L/R IN SL/R OUT CENTER OUT COAXIAT IN COAXIAT OUT SUB WOFFER OUT IC1301 TC74HCT04 IC1304 TC74WHU 04 IC1701 FL uCOM IC1702 FL DISPLAY NDIP NDIP NDIP

标签:

版权声明

1. 本站所有素材,仅限学习交流,仅展示部分内容,如需查看完整内容,请下载原文件。
2. 会员在本站下载的所有素材,只拥有使用权,著作权归原作者所有。
3. 所有素材,未经合法授权,请勿用于商业用途,会员不得以任何形式发布、传播、复制、转售该素材,否则一律封号处理。
4. 如果素材损害你的权益请联系客服QQ:77594475 处理。