FUNAI富奈DVP-2003音响电路原理图

分类:电子电工 日期: 点击:0
FUNAI富奈DVP-2003音响电路原理图-0 FUNAI富奈DVP-2003音响电路原理图-1 FUNAI富奈DVP-2003音响电路原理图-2 FUNAI富奈DVP-2003音响电路原理图-3 FUNAI富奈DVP-2003音响电路原理图-4 FUNAI富奈DVP-2003音响电路原理图-5 FUNAI富奈DVP-2003音响电路原理图-6 FUNAI富奈DVP-2003音响电路原理图-7 FUNAI富奈DVP-2003音响电路原理图-8 FUNAI富奈DVP-2003音响电路原理图-9

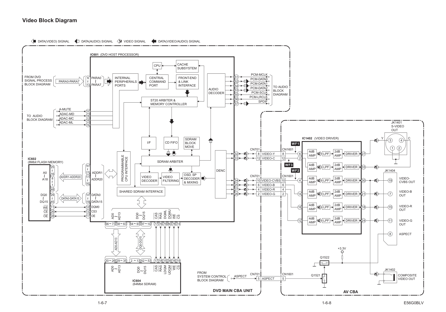
System Control Block Diagram 59 60 49 82 IC301 (FRONT END PROCESSOR) IC601 (DVD HOST PROCESSOR) OSCI OSCO 23 24 (16.9344MHz) X301 CLOCK X601 27MHz 120 READY 48 HANG /FERS TREV TFWD TIN TOUT READY /FERS TIN TOUT 10 SEN 46 MUTE 47 PS 64 FROM/TO DVD SIGNAL PROCESS BLOCK DIAGRAM FROM/TO RF SIGNAL PROCESS /SERVO BLOCK DIAGRAM CPUDT0 NINT1 NINT2 WAIT /RE /WEL CS1 RESET NINT1 NINT2 WAIT /RE /WEL CS1 RESET CPUDT7 13 16 26 33 35 40 ~ 84 91 ~ ~ ~ ~ CPUADR0 CPUADR17 ~ DVD MAIN CBA UNIT FG CBA RELAY CBA BLOCK DIAGRAMS TREV TIN TOUT TFWD MUTE PS CD/DVD CFE CAS STANDBY ADDRESS BUS DATA BUS CD/DVD CFE CAS STANDBY 71 62 63 70 SCK 72 STDIO SEN SCK STDIO FG SENSOR CN401 14 80 2 4 IC102 (OP AMP) IC606 (INVERTER) 200 RESET 124� 201 187 188 208 186 FG-IN 10 41 42 52 51 50 20 21 SDA SDA SCL 79 SCL KEY OUT KEY IN +3.3V IRQ2 FG-IN SDA SCL 53 22 BUSCLR BUSCLR TFWD TREV 76 77 1 2 3 6 11 RESET IC605 5 4 Q701 +3.3V 127 44 45 12 193 ASPECT ASPECT TO VIDEO BLOCK DIAGRAM 1-6-1 1-6-2 E56G0BLS CN501 CN1001 +3.3V Q2021 2 28 27 1 12 7 8 9 10 11 REMOTE SENSOR RM2001 1G 7G ~ 23 17 ~ a/KEY-1 b/KEY-2 c/KEY-3 d/KEY-4 e K1 K2 FP-STB FP-DIN FP-DOUT FP-CLK GRID FIP SEGMENT FL2001 IC2001 AV CBA (FRONT PANEL CONTROL)� 13 14 16 3 4 f g h i KEY MATRIX STANDBY D2022 FP-STB 21 21 FP-DIN 22 22 FP-DOUT 23 23 FP-CLK 24 24 REMOTE 26 26 PWRCON 20 20 3 VFD-STB 1 VFD-DIN 2 VFD-DOUT 125 REMOTE PWECON 204 207 VFD-CLK OPEN/CLOSE SW2014 105 OC-KEY OC-KEY 25 25 CN501 CN1001 TOUT TIN TREV TFWD PS RF Signal Process/Servo Block Diagram A 6 B 9 C 10 D 7 F 4 E 5 DVD-LD 12 CD-LD 20 PD-MONI 11 GND(DVD-PD) 14 GND(LD) 13 GND(CD-PD) 19 FS(+) 17 FS(-) 16 TS(+) 15 TS(-) 18 CN101 CN101 CN101 LM(+) 1 LM(-) 2 SP(-) 6 SP(+) 7 SL(+) 9 SL(-) 8 CN401 IC401 IC103 (SERVO DRIVE) (SW) IC101 (RF SIGNAL PROCESS) IC201 (SERVO DSP) FS TS PICK-UP UNIT DETECTOR CD/DVD 21 57 58 59 62 63 60 INPUT MATRIX TRACKING BALANCE FOCUS BALANCE TRACKING ERROR DET VEL ADJ FOCUS ERROR DET SERIAL I/F LPC AMP MUTE MUTE Q101 13 14 12 2 3 1 4 12 6 11 14 13 10 9 18 17 15 16 AMP Q102 AMP FOCUS MOTOR DRIVE TRACKING MOTOR DRIVE LOADING MOTOR DRIVE SPINDLE MOTOR DRIVE POWER SAVE OVER VOLTAGE PROTECTOR SLIDE MOTOR DRIVE LOADING MOTOR SPINDLE MOTOR SLIDE MOTOR M 5 21 2 1 23 26 25 27 22 24 4 67 115 114 118 117 DVD MAIN CBA UNIT FROM/TO SYSTEM CONTROL BLOCK DIAGRAM FROM/TO DVD SIGNAL PROCESS BLOCK DIAGRAM SCK CD/DVD TESTSG ARF NARF STDIO SEN 11 STANDBY TRAY-IN 3 GND 5 TRAY-OUT 4 TRAY -IN TRAY-OUT DAC1 DAC0 TRSDRV 119 DATA(VIDEO/AUDIO) SIGNAL FOCUS SERVO SIGNAL TRACKING SERVO SIGNAL SLIDE SERVO SIGNAL DISK SERVO SIGNAL AD0 FBAL TBAL OFTR BDO AD1 AD2 120 AD3 + - + - +3.3V V-REF Q401 68 SPDRV RELAY CBA M M SW CBA 4 1 3 47 HOLD VGA BDO DET OFTR DET MIRROR DET EQ 31 30 40 39 18 6 22 7 20 46 41 66 65 51 52 6 CFE CAS 7 1 5 3 IC102 (OP AMP) E56G0BLRF 1-6-3 1-6-4 10 8 TRCRS 90 DVD Signal Process Block Diagram IC201 (DVD SIGNAL PROCESS) PARA0 PARA0-PARA7 PARA1 PARA2 PARA3 PARA4 PARA5 PARA6 PARA7 FROM/TO RF SIGNAL PROCESS/SERVO BLOCK DIAGRAM 111 110 ARF NARF TESTSG DATA SLICER PLL VCO CPU INTERFACE VIDEO/AUDIO INTERFACE DVD DEMODULATOR MEMORY MANAGER 172 168 166 164 160 158 151 149 82 TO VIDEO BLOCK DIAGRAM BCA DATA(VIDEO/AUDIO) SIGNAL DVD MAIN CBA UNIT FROM/TO SYSTEM CONTROL BLOCK DIAGRAM CPUDT0 NINT1 ADDRESS BUS DATA BUS NINT2 NINT1 NINT2 WAIT /RE /WEL CS1 RESET WAIT /RE /WEL CS1 RESET CPUDT7 30 22 17 9 ~ 44 37 ~ ~ ~ CPUADR0 CPUADR17 ~ 2 5 6 36 35 34 47 OSCI1 X201 (16.9344MHz) OSCO1 79 80 E56G0BLD 1-6-5 1-6-6 Video Block Diagram JK1401 S-VIDEO OUT COMPOSITE VIDEO OUT CN701 CN1601 8 8 VIDEO-Y 12 12 VIDEO-C 3 4 2 1 AV CBA DATA(VIDEO) SIGNAL VIDEO SIGNAL DATA(AUDIO) SIGNAL IC601 (DVD HOST PROCESSOR) IC1402 (VIDEO DRIVER) IC604 IC602 (8Mbit FLASH MEMORY) PARA0 PARA7 A0 A18 DATA0 AD0 AD13 DATA15 DQ0 DQ15 CE OE WE CS3 OE DQM0 AD0 AD13 ~ DQ0 DQ15 ~ ~ ~ ~ ADDR1 ADDR20 ~ ~ ~ DATA0-DATA15 ADDR1-ADDR20 PARA0-PARA7 79 80 78 51 52 55 56 57 6 27 33 32 76 77 17 18 39 16 8 1 ~ 25 16 ~ 6 13 ~ 29 45 ~ DQ0 DQ15 DQML DQMU WE ~ 15 (64Mbit SDRAM) 20 26 ~ 2 13 ~ 29 35 ~ 42 53 ~ 173 182 ~ 161 170 ~ 141 158 ~ 11 26 28 128 132 117 DATA(VIDEO/AUDIO) SIGNAL RAS CAS LDQM UDQM WE RAS CAS 58 63 ~ 66 73 ~ 74 19 CS CS INTERNAL PERIPHERALS PORTS PROGRAMMABLE CPU INTERFACE CENTRAL COMMAND PORT FRONT-END & LINK INTERFACE ST20 ARBITER & MEMORY CONTROLLER SDRAM ARBITER SHARED SDRAM INTERFACE I/F VIDEO DECODER AUDIO DECODER CACHE SUBSYSTEM CPU VIDEO FILTERING OSD, SP DECODER & MIXING 4dB AMP 2dB AMP LPF DRIVER Y C CD FIFO SDRAM BLOCK MOVE DENC SPDIF PCM-LRCLK PCM-SCLK PCM-DATA0 54 PCM-DATA1 53 PCM-DATA2 PCM-MCLK FROM DVD SIGNAL PROCESS BLOCK DIAGRAM TO AUDIO BLOCK DIAGRAM DVD MAIN CBA UNIT ADAC-MD ADAC-MC ADAC-ML 191 190 189 192 TO AUDIO BLOCK DIAGRAM A-MUTE 48 2 33 97 102 ~ 84 93 ~ 4dB AMP 2dB AMP LPF DRIVER JK1402 30 4dB AMP 2dB AMP LPF DRIVER 4 21 4dB AMP 2dB AMP LPF DRIVER 18 4dB AMP 2dB AMP LPF DRIVER 16 14 10 10 VIDEO-CVBS 6 6 VIDEO-B 4 4 VIDEO-R 25 34 27 CN701 CN1601 WF2 WF3 WF1 VIDEO- CVBS OUT VIDEO-B OUT VIDEO-R OUT VIDEO-G OUT JK1404 19 7 15 11 2 2 VIDEO-G 24 4dB AMP 2dB AMP LPF DRIVER 12 5 5 ASPECT CN701 CN1601 ASPECT Q1521 Q1522 8 ASPECT FROM SYSTEM CONTROL BLOCK DIAGRAM 26 E56G0BLV 1-6-7 1-6-8 +3.3V AD0-AD13 DQ0-DQ15 Audio Block Diagram IC801 (AUDIO DAC) 14 13 10 5 6 4 3 9 11 12 1 2 DIGITAL AUDIO OUT JK1202 JK1403 AMP Q1351 CN701 CN1601 CN1201 CN1700 CN1701 CN701 CN1601 16 16 AUDIO(L)-F 2 2 AUDIO(L)-F 18 18 AUDIO(R)-F 23 23 AUDIO(L)-R 25 25 AUDIO(R)-R 27 27 AUDIO-SW 29 29 AUDIO-C 3 3 AUDIO(R)-F 4 4 AUDIO(L)-R 5 5 AUDIO(R)-R 6 6 AUDIO-SW 7 7 AUDIO-C 22 22 A-L-MUTE-R 24 24 A-R-MUTE-R 26 26 A-SW-MUTE 28 28 A-C-MUTE 15 15 A-L-MUTE-F 17 17 A-R-MUTE-F 19 19 A-MUTE 40 45 41 34 35 36 38 FROM VIDEO BLOCK DIAGRAM SERIAL PORT FUNCTION CONTROL I/F 8X OVERSAMPLING DIGITAL FILTER /FUNCTION CONTROLLER ENPHANCED MULTI-LEVEL DELTA-SIGMA MODULATOR DAC LPF LPF DAC ZERO DETECT SYSTEM CLOCK PCM-MCLK SPDIF PCM-DATA0 PCM-DATA1 PCM-DATA2 PCM-LRCLK ADAC-MD ADAC-MC ADAC-ML PCM-SCLK 46 47 AV CBA 5.1CH CBA DVD MAIN CBA UNIT AUDIO SIGNAL DATA(AUDIO) SIGNAL LPF DAC LPF DAC LPF DAC LPF DAC 21 21 SPDIF A-MUTE WF6 IC1701 (AMP) 8 13 14 9 IC1700 (AMP) 1 6 7 9 8 13 14 2 FIBER OPTIC TRANS MODULE IC1204 JK1404 3 1 AUDIO-R OUT AUDIO-K OUT 1-6-9 1-6-10 E56G0BLA CN1202 Q1216, Q1218 Q1215, Q1217 MUTE MUTE Q1201, Q1203 Q1202, Q1204 A-OUT(L) FRONT A-OUT(R) FRONT A-OUT(L) REAR A-OUT(R) REAR A-OUT CENTER A-OUT SUB- WOOFER MUTE MUTE MUTE MUTE MUTE MUTE Q1206, Q1208 Q1207, Q1209 Q1211, Q1214 Q1210, Q1213 1 1 AUDIO(L)-SC 2 2 AUDIO(R)-SC 3 3 AUDIO(L)-F 4 4 AUDIO(R)-F 5 5 AUDIO(L)-R 6 6 AUDIO(R)-R 7 7 AUDIO-SW 8 8 AUDIO-C WF4 WF5 Power Supply Block Diagram CAUTION ! Switching power supply circuit is used in this unit. If Main Fuse (F1001) is blown, check to see that all components in the power supply circuit are not defective before you connect the AC plug to the AC power supply. Otherwise it may cause some components in the power supply cir cuit to fail. AC1001 AC CORD F1001 T1.6A L 250V LINE FILTER L1001 D1001, D1002 D1004, D1005 Q1003 Q1008 Q1001 2 4 7 3 4 IC1001 ERROR VOLTAGE DET T1001 11 12 13 15 14 16 17 18 -FL EV+3.3V F1 F2 P-ON+5V P-ON+3.3V P-ON+12V EV+5V IC1006 (SHUNT REGULATOR) SWITCHING D1008 D1030 RECTIFIER D1003 RECTIFIER D1009 RECTIFIER D1013 D1016 RECTIFIER SWITCHING CONTROL SWITCHING CONTROL REG 1 2 6 BRIDGE RECTIFIER HOT AV CBA +1.8V REG. 1 2 3 4 5 6 14 15 16 17 18 19 20 P-ON+1.8V P-ON+1.8V EV+2.5V EV+2.5V P-ON+5V P-ON+5V EV+9V EV+9V EV+3.3V P-ON+3.3V PWRCON P-ON+3.3V P-ON+3.3V 5V REG. Q1014 Q1006 Q1002 CN1001 Q1011 Q1005 Q1004 IC1002 IC1003 Q1007 REG (SHUNT REGULATOR) HOT CIRCUIT. BE CAREFUL. E56G0BLP 1-6-12 1-6-11 CAUTION FOR CONTINUED PROTECTION AGAINST FIRE HAZARD, REPLACE ONLY WITH THE SAME TYPE T1.6A L 250V FUSE. NOTE : The voltage for parts in hot circuit is measured using hot GND as a common terminal. SCHOTTKY BARRIER SCHOTTKY BARRIER FROM/TO CN501 1-7-3 1-7-4 1-7-5 E56G0SCD1 DVD Main 1/4 Schematic Diagram NDIP NDIP NDIP DVD Main 2/4 Schematic Diagram 1-7-6 1-7-7 1-7-8 E56G0SCD2 NDIP NDIP NDIP DVD Main 3/4 Schematic Diagram 1-7-9 1-7-10 1-7-11 E56G0SCD3 NDIP NDIP NDIP DVD Main 4/4 Schematic Diagram 1-7-12 1-7-13 1-7-14 E56G0SCD4 AV 1/4 Schematic Diagram E56G0SCAV1 NOTE : THE VOLTAGE FOR PARTS IN HOT CIRCUIT IS MEASURED USING HOT GND AS A COMMON TERMINAL. CAUTION FOR CONTINUED PROTECTION AGAINST FIRE HAZARD, REPLACE ONLY WITH THE SAME TYPE FUSE. CAUTION ! Switching power supply circuit is used in this unit. If Main Fuse (F1001) is blown, check to see that all components in the power supply circuit are not defective before you connect the AC plug to the AC power supply. Otherwise it may cause some components in the power supply circuit to fail. NDIP NDIP NDIP AV 2/4 Schematic Diagram 1-7-15 1-7-16 E56G0SCAV2 NDIP NDIP NDIP AV 3/4 Schematic Diagram 1-7-17 1-7-18 E56G0SCAV3 NDIP NDIP NDIP AV 4/4 Schematic Diagram 1-7-19 1-7-20 E56G0SCAV4 7G 5G 3G 1G 4G 6G 2G a d g c b e f 1 3 2 4 5 DVD VCD PBC STANDBY A-B REPEAT TRK. CHP. TITLE 7G 6G 5G 4G 3G 2G 1G a b c d e f g c d e f g c d e f g c d e f g c d e f g c d e f g h i a b a b a b a b a b FL2001 MATRIX CHART STANDBY TITLE CHP. TRK. CD V PBC DVD REPEAT A -B 1 3 2 4 5 NDIP NDIP NDIP E56G0SC51C 1-7-21 1-7-22 5.1CH Schematic Diagram NDIP NDIP NDIP NOTE: Input CD: 1kHz PLAY (WF4~WF6) DVD: POWER ON (STOP) MODE (WF1~WF3) WF6 SPDIF Pin 21 of CN1601 1V 0.2usec WF1 Pin 8 of CN1601 WF3 Pin 12 of CN1601 WF4 Pin 16 of CN1601 WF5 Pin 18 of CN1601 AUDIO(R)-F 1V 0.5msec WF2 Pin 10 of CN1601 VIDEO-Y 0.2V 20usec VIDEO-CVBS 0.5V 20usec VIDEO-C 0.2V 20usec 1-8-2 E56G0WF 1-8-1 WAVEFORMS 1V 0.5msec AUDIO(L)-F 1-9-1 1-9-2 WIRING DIAGRAM E56G0WI DVD MAIN CBA UNIT PICK UP UNIT FG CBA DVD MECHA CN101 CN401 FG SENSOR 1 LM(+) 2 LM(-) 3 TRAY-IN 4 TRAY-OUT 5 GND 6 SP(-) 7 SP(+) 8 SL(-) 9 SL(+) 10 FG-IN 11 P-ON+3.3V(D) 1 GND 2 VREF 3 P-ON+5V 4 F 5 E 6 A 7 D 8 NU 9 B 10 C 11 PD-MONI 12 DVD-LD 13 GND(LD) 14 GND(DVD-PD) 15 TS(+) 16 FS(-) 17 FS(+) 18 TS(-) M TRAY-IN TRAY-OUT AV CBA (BE56G0F01011) P-ON+1.8V 1 1 P-ON+1.8V 2 2 EV+2.5V 4 4 P-ON+5V 5 5 P-ON+5V 6 6 GND 7 7 GND 8 8 GND 9 9 GND 10 10 GND 11 11 GND 12 12 GND 13 13 EV+9V 14 14 EV+9V 15 15 EV+3.3V 16 16 P-ON+3.3V 17 17 P-ON+3.3V 18 18 P-ON+3.3V 19 19 PWRCON 20 20 FP-STB 21 21 FP-DIN 22 22 FP-DOUT 23 23 FP-CLK 24 24 CN501 CN1001 AC CORD AUDIO OUT(L) FRONT SPEAKER AUDIO OUT(R) AUDIO OUT(L) AUDIO OUT(R) CENTER SPEAKER SUB- WOOFER VIDEO OUT DIGITAL AUDIO OUT S-VIDEO OUT EV+2.5V 3 3 25 25 26 26 OC-KEY REMOTE CN3001 SW CBA M M SPINDLE MOTOR SLIDE MOTOR RELAY CBA 19 20 21 GND(CD-PD) CD-LD CD/DVD 1 2 3 4 5 6 7 8 9 10 11 DETECTOR FS TS LOADING MOTOR CN302 1 /FERS 2 GND 3 RDY-HIF 4 SCL 5 SDA 6 BUSCLR (NO CONNECTION) 7 SENSJ CN201 1 MONI0 2 MONI2 3 JITTER 4 GND (NO CONNECTION) W1001 CN1701 CN1202 5.1CH CBA OPTICAL AUDIO OUT 1 1 AUDIO(L)-SC 2 2 AUDIO(R)-SC 3 3 AUDIO(L)-F 4 4 AUDIO(R)-F 5 5 AUDIO(L)-R 6 6 AUDIO(R)-R 7 7 AUDIO-SW 8 8 AUDIO-C CN1700 CN1201 1 1 AUDIO+12V 2 2 AUDIO(L)-F 3 3 AUDIO(R)-F 4 4 AUDIO(L)-R 5 5 AUDIO(R)-R 6 6 AUDIO-SW 7 7 AUDIO-C 8 8 GND 9 9 GND SCART JACK 1 2 3 4 5 6 7 8 9 10 11 12 13 14 15 16 17 18 19 20 21 VIDEO-R 4 4 ASPECT 5 5 VIDEO-B 6 6 GND 7 7 VIDEO-Y 8 8 A-L-MUTE-F 15 15 GND 14 14 GND 9 9 VIDEO-CVBS 10 10 GND 11 11 VIDEO-C 12 12 GND 13 13 CN701 CN1601 W1601 SPDIF 21 21 A-L-MUTE-R 22 22 AUDIO(L)-R 23 23 A-R-MUTE-R 24 24 AUDIO(R)-R 25 25 A-SW-MUTE 26 26 AUDIO-SW 27 27 A-C-MUTE 28 28 AUDIO-C 29 29 NU 30 30 AUDIO(L)-F 16 16 A-R-MUTE-F 17 17 AUDIO(R)-F 18 18 A-MUTE 19 19 AUDIO+5V 20 20 PAL 1 1 VIDEO-G 2 2 GND 3 3 REAR SPEAKER (BE56G0F02021)

标签:

版权声明

1. 本站所有素材,仅限学习交流,仅展示部分内容,如需查看完整内容,请下载原文件。
2. 会员在本站下载的所有素材,只拥有使用权,著作权归原作者所有。
3. 所有素材,未经合法授权,请勿用于商业用途,会员不得以任何形式发布、传播、复制、转售该素材,否则一律封号处理。
4. 如果素材损害你的权益请联系客服QQ:77594475 处理。