TCL L24E5000B液晶电视(MS82C机芯)电路图

分类:电子电工 日期: 点击:0
TCL L24E5000B液晶电视(MS82C机芯)电路图-0 TCL L24E5000B液晶电视(MS82C机芯)电路图-1 TCL L24E5000B液晶电视(MS82C机芯)电路图-2 TCL L24E5000B液晶电视(MS82C机芯)电路图-3 TCL L24E5000B液晶电视(MS82C机芯)电路图-4 TCL L24E5000B液晶电视(MS82C机芯)电路图-5 TCL L24E5000B液晶电视(MS82C机芯)电路图-6

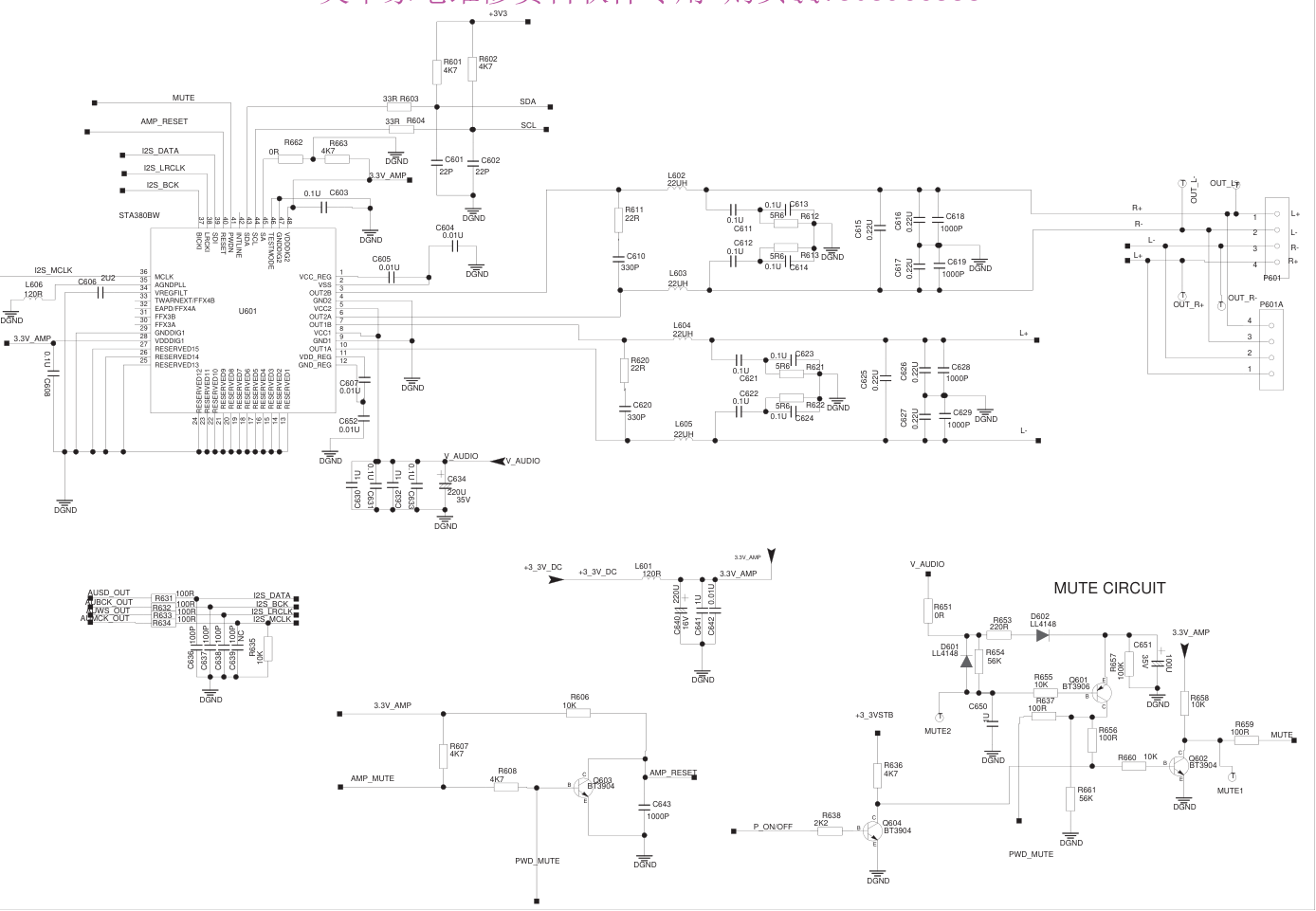
WW R&D CENTER TCL MULTIMEDIA TECHNOLOGY HOLDING LTD. NANSHAN DISTRICT.SHENZHEN.GUANGDONG 518067 CHINA TEL:+86 755 33312403 5TH FLOOR.TCL BUILDING.SOUTH NANHAI ROAD ........... A DATE: DATE: DATE: MODEL: DESCRIPITION: DRAWN: CHECK: APPR: 7 7 6 6 D D C C B B THIS DRAWING CANNOT BE COMMUNICATED TO UNAUTHORIZED PERSONS COPIEDUNLESS PERMITTED IN WRITING FORMAT DIN A4 TCL NOTE: PAGE: OF 5 4 3 2 1 5 4 3 2 1 A MS82B DGND DGND DGND DGND T T T T DGND DGND DGND DGND DGND DGND DGND DGND DGND DGND DGND DGND T T T DGND DGND T T T T DGND DGND DGND T T T T T T T DGND DGND DGND DGND DGND DGNDDGND T T T T T T DGND DGND DGND T T T WHITE RED YELLOW DGND RED WHITE YELLOW GREEN BLUE RED WHITE RED WHITE RED YELLOW T DGND DGND DGND NEAR IC AV-OUT AV2 IN VGA & audio input NEAR IC NEAR IC NEAR IC SIDE AV RCA AV1 IN R783 18K E C B BT3904 Q707 R781 18K +12V +12V +12V 9V1 9V1 5VAIN R782 18K B C E Q706 BT3904 R779 150R B C E Q705 BT3904 R780 150R R718 68R B C E Q703 BT3904 AV-LOUT AV-VOUT AV-VOUT AV-ROUT AV2 AV2 AVL2 AVR2 AVR2 VCOM VCOM AV1 AV1 AVR1 AVL1 AV-OUTL AV-OUTL AV-OUTR AV-OUTR AVL1 AVR1 2U2 C165 L700 220R R710 100R VS SOGIN2 SOGIN0 SOGIN0 RIN+ GIN+ GIN+ BIN+ GIN- GIN- GIN2P- RIN2+ BIN2+ GIN2P+ SOGIN2 GIN2P- 1 2 3 4 5 6 P704 1 2 3 4 5 6 7 8 9 10 11 12 P706 VGA_RIN 6 4 11 14 15 7 12 8 5 13 3 10 9 1 2 16 17 P701 HD-R VGA-VS HD-L HD-R 2U2 C183 HD-L C182 2U2 2U2 C174 6 3 5 2 4 1 P705 CVBS_OUT0 CVBS_OUT0 0R R763 AV-LOUT 1 4 2 5 3 6 P703 C166 2U2 0R R731 R729 10K R727 10K AV1-V AV1-L AV1-R R701 33R R702 33R R703 33R R704 33R RIN+ AV-VOUT 33K R773 C175 2U2 AVL2 C167 0.047U 0.047U C176 C160 0.047U GIN2P+ BIN2+ RIN2+ 33R R737 R736 33R 33R R735 R734 33R 0.047U C173 0.047U C171 C170 0.047U 0.047U C169 C162 0.047U C163 1000P C723 22P R738 75R R739 75R 68R R716 0R R715 R714 0R 100R R713 R712 100R R705 75R R709 10K R711 100R VGA_GIN VGA_BIN 0.047U C161 BIN+ VGA-VS VGA-HS VGA-HS GND2 RX RX VGA-SCL VGA-SDA VGA_RIN VGA_BIN VS HS HS UART-RX UART-TX F709 F708 F706 UART-RX F707 F705 F704 F703 F702 F701 UART-TX VGA_GIN VGA-SDA VGA-SCL TX TX C164 0.047U 10K R708 75R R706 R707 75R R743 10K R741 10K HD1_RIN HD1_PR1 HD1_PB1 HD1_Y 12K R744 C725 22P C724 22P F711 F713 F712 C727 560P R742 12K R740 75R C726 560P HD1_LIN GND11 HD1_LIN HD1_PB1 HD1_PR1 HD1_Y HD1_RIN C172 0.047U 1 2 3 4 5 P708 NC AV2-R R720 10K GND10 75R R726 47R R725 C714 560P C712 22P AV2-V GND9 AV2-L R732 47R C718 22P R733 75R R728 12K R730 12K R721 12K C708 560P 12K R722 F717 C709 560P R723 10K C715 560P F716 R724 0R AV2-R AV2-L AV2-V AV2-L AV2-R AV2-V C168 0.047U 68R R717 C704 100U 16V R768 150R R766 150R B C E Q702 BT3904 C739 10U R771 68K R772 1K 5VAIN B E C Q701 BT3906 R769 75R C738 0.1U AV-LOUT AV-ROUT GND12 AV-VOUT F718 120R R748 C733 2U2 9V1 C730 220P R749 27K 100K R754 10K R753 R751 220K R752 0R 1K R755 75R R750 C732 2U2 R747 10K AV-LOUT E C B BT3904 Q704 C734 2U2 27K R758 R756 120R R764 100K D700 9V1 C737 2U2 R761 10K 220P C740 R762 220K R759 75R 10K R760 2U2 C735 2U2 C736 AV-ROUT R765 1K AV-ROUT DGND RX2+ GND1 RX2- RX1+ GND2 RX1- RX0+ GND3 RX0- RXC+ GND4 RXC- NC1 NC2 DDCCLK DDCDA GND5 VCC HPD T T T T DGND DGND T RX2+ GND1 RX2- RX1+ GND2 RX1- RX0+ GND3 RX0- RXC+ GND4 RXC- NC1 NC2 DDCCLK DDCDA GND5 VCC HPD DGND DGND DGND DGND DGND DGND DGND DGND DGND DGND T SCL_SINK SDA_SINK POW_SINK HPD3 SDA3 SCL3 B12 Z4 VCC3 CEXT Y3 Z3 Z2 HPD_SINK Y1 Z1 I2C_RST A12 POW3 A11 B11 GND4 A32 HPD2 B24 POW2 A33 POW1 VCC2 A31 A24 B13 SCL1 REXT POWDN SDA_CTL SCL_CTL I2C_ADDR Y4 Y2 GND3 B31 SCL2 SDA2 A21 B21 A22 B22 VCC1 A23 B23 GND1 VCC4 B34 HPD1 NC1 GND2 A13 SDA1 B32 B14 B33 A34 A14 DGND DGND D-GND D-D+ D-D- D-VCC U-D- U-VCC U-D+ U-GND DGND DGND DGND T T T T DGND MI CENNECT0R HDMI CENNECT0R USB0_DM C505 22P DP0 DM0 DM1 22P C518 5 4 7 2 1 3 6 8 RP2 10R NC-HDM2 HDMI_3V3 HDMI_3V3 H2_RX1+_IN H2_RXC-_IN H2_RX0+_IN H2_RX1-_IN H2_RX2+_IN RXC+ H1_SCL H1_SDA R513 33R 33R R517 D0+ R530 2R2 D0- 2R2 R531 USB0_DP D1- D1+ 2R2 R546 R537 0R H1_ARC_OUT C5511U DP1 USB1_DP USB1_DM C517 22P R545 2R2 22P C507 9 11 10 12 8 7 6 5 2 1 3 4 P501A 8 6 3 1 2 7 4 5 10R RP1 NC-HDMI2 RX1- H2_RXC+_IN R508 10K NC-HDMI2 E C B BT3904 Q501 R507 1K NC-HDMI2 10K R506 NC-HDMI2 H1_HPD RX2+ RX2- RX1+ RX0+ RX0- RXC- H1_RX1-_IN H1_RX0-_IN H1 R540 510R H1_RX2+_IN H1_RX2-_IN H1_RX0+_IN H1_RXC+_I H1_RXC-_IN 47 48 49 50 51 52 23 37 38 64 39 40 43 44 45 46 17 24 55 21 20 58 57 1 13 6 60 15 22 54 14 26 19 31 32 33 34 35 36 42 41 53 3 2 5 4 8 7 12 11 10 9 61 62 16 28 25 27 18 56 29 59 63 30 U501 PS331 H1_SCL H1_SDA SAR3 HPD_1 R509 100K 5VAIN H2_RX0+_IN H2_RX0-_IN POW2 H2_RXC-_IN RX1+ RX1- RX0+ RX0- HDMI_HPD RXC- HDMI_3V3 +3V3 L501 22R 0.1U C514 10K R522 SAR2 H1_5V R504 10K 200R R515 D0+ D0- F510 HDMI_HPD HDMI_HPD 47K R511 C500 2U2 SDA SCL RX2+ RX2- HDMI_3V3 R512 100K RXC+ HDMI_DDC_SCL HDMI_DDC_SDA HDMI_3V3 R542 22K 22K R523 C516 1U H2_RX2+_IN H2_RX2-_IN H2_RX1-_IN H2_SCL H2_HPD H2_SDA R520 10K POW2 H2_5V R521 22K 10K R519 H2_SDA H2_SCL 33R R514 R505 33R HDMI_DDC_SCL HDMI_DDC_SDA H1_ARC H1_ARC CEC 1 2 3 4 5 6 7 8 9 10 11 12 13 14 15 16 17 18 19 P504 HDMI-CEC R528 33R 33R R527 R516 10K H1_5V CEC GND5 C501 47U 10V D502 CMS06 5VAIN +5V_USB C502 0.1U GND_H2 H2_HPD H2_5V H2_HPD R502 10K 10K R501 H2_RX2-_IN 19 18 17 16 15 14 13 12 11 10 9 8 7 6 5 4 3 2 1 P503 CEC H2_5V H2_RX1+_IN H2_RXC+_IN H2_RX0-_IN H1_5V POW1 R541 27K R510 47K H1_HPD F511 4K7 4K7 R524 10K R525 H2_5V 2U2 C510 0.1U C513 C512 0.1U C515 0.1U HDMI_3V3 H1_RX1+_IN H1_RXC-_IN H1_RXC+_IN H1_RX0-_IN H1_RX0+_IN H1_RX1-_IN H1_RX1+_IN H1_RX2-_IN H1_RX2+_IN +5V_USB D0- D0+ DGND T DGND T DGND T T DGND T T T DGND DGND DGND DGND T T DGND T DGND DGND DGND DGND DGND DGND DGND T DGND DGND DGND DGND DGND DGND DGND DGND DGND DGND DGND DIO CLK HOLD VCC GND WP DO CS DGND DGND T T T T T T T DGND DGND DGND DGND DGND DGND DGND VDDC1 AVDD_DDR4 AVDD_DMPLL GND15 GND13 GND12 GND10 GND9 GND8 GND6 GND5 GND4 GND3 GND2 MVREF GPIO27/LVSYNC GPIO28/LHSYNC GPIO29/LDE_75 GPIO30/LCK_74 GPIO4/TCON4/GCLK3_32 GPIO6/TCON6/FLK_34 GPIO8/TCON8/FLK3_36 GPIO10/TCON10/OPT_N_38 GPIO11/TCON11/HCON_39 GPIO12/TCON12/DPM_40 GPIO13/TCON13/LEDON_41 GPIO14/TCON14/SCAN_BLK_42 GPIO16/TCON16/WPWM_44 GPIO17/TCON17/GCLK4_45 GPIO18/TCON18/GCLK5_46 R_ODD6/LVBOP R_ODD5/LVB1M R_ODD4/LVB1P R_ODD3/LVB2M R_ODD2/LVB2P R_ODD1/LVBCKM R_ODD0/LVBCKP XIN CEC RXCKP_A DDCDA_DA RX2N_A RX2P_A ARC GIN0M RIN0P BIN1P AUR0 AUR2 AUL3 AUOUTL1 AUOUTR1 AUOUTL0 PGA-COM VIFM VIFP AUOUTR0 AUR3 AUL2 AUREFM AUVAG AUR1 AUL1 AUL0 CVBSOUT VCOM CVBS0 CVBS1 CVBS2 VSYNC1 RIN1P GIN1M GIN1P SOGIN1 VSYNC0 GIN0P SOGIN0 BINOP HSYNC0 DDCDA_CK RX1N_A RX1P_A RX0N_A RX0P_A RXCKN_A HOTPLUGA DDCDDD_CK RX2P_D RX2N_D DDCDD_DA RX1P_D RX1N_D RX0P_D RX0N_D RXCKP_D RXCKN_D HOTPLUGD XOUT RFAGC B_ODD0/LVA4P B_ODD1/LVA4M B_ODD2/LVA3P B_ODD3/LVA3M B_ODD4/LVACLP B_ODD5/LVACKM B_ODD6/LVA2P B_ODD7/LVA2M G_ODD0/LVA1P G_ODD1/LVA1M G_ODD2/LVA0P G_ODD3/LVA0M G_ODD4/LVB4P G_ODD5/LVB4M G_ODD6/LVB3P G_ODD7/LVB3M R_ODD7/LVB0M GPIO21/TCON21/VGH_ODD_49 GPIO20/TCON20/VGH_EVEN_48 GPIO19/TCON19/GCLK6_47 GPIO15/TCON15/SCAN_BLK1_43 GPIO9/TCON9/OPT_P_37 GPIO7/TCON7/FLK2_35 GPIO5/TCON5/SOE_33 GPIO3/TCON3/GCLK2_31 GPIO2/TCON2/GCLK1_30 GPIO1/TCON1/VST_29 GPIO0/TCON0/POL_28 GPIO22/GPIO55 GPIO24/GPIO56 GPIO25/GPIO57 GPIO23/GPIO58 NC/GPIO59 GPIO27/GPIO60 GPIO26/GPIO61 NC/GPIO62 DDCR_DA/GPIO64 DDCR_CK/GPIO63 SAR3_GPIO14/INT_GPIO65 PM6_GPIO9/GPIO70 PM5_GPIO8/GPIO69 PM4_GPIO7/GPIO68 PM1_GPIO6/GPIO67 PMGPIO_GPIO10/GPIO66 PWM1_GPIO21/GPIO25 PWM0_GPIO20/GPIO26 HWRESET IRIN DDCA_CK DDCA_DA USB0_DM USB0_DP USB1_DM USB1_DP SCK SDI SDO SCZ SAR0_GPIO11/GPIO75 SAR1_GPIO12/GPIO74 SAR2_GPIO13/GPIO73 TESTPIN GND_EFUSE VRP DVDD_NODIE GND1 GND7 GND11 GND14 GND16 GND17 GND18 GND19 GND20 GND21 GND22 GND23 GND24 AVDD_DVI AVDD_33 AVDD_MOD4 AVDD_MOD3 AVDD_MOD2 AVDD_MOD1 AVDD_PLL AVDD_AU33 AVDD_AU25 AVDD_REF AVDD_25 AVDD_PGA AVDD_DDR5 AVDD_DDR3 AVDD_DDR2 AVDD_DDR1 AVDD_1P2 VDDC7 VDDC6 VDDC5 VDDC4 VDDC3 VDDC2 T T T KEY LOGO 5VAIN LED IR GND KEY +3V3 DGND 5V HDMI VGA X X X X X X X X X X X X X X X R313/R314/R315 FOR MEMC CONFIG PIN MUST LOW Y Pb Pr HDTV +3_3V-STB IR-IN For 15.6" panel LVDS+Inverter connect P203A +3V3_STB LOW------HD HIGH---FULLHD SEL_HD SPDF_OUT +3V3 R146 4K7 LVDS_SEL LVDS_SEL KEY LED_G RXE1- ODSEL VBR_EXT 2K2 R243 NC 5VAIN +5V L_SENSOR/NC BL_ON/OFF 14 2 3 4 5 6 7 8 9 10 11 12 13 15 16 17 18 19 20 21 22 23 24 25 26 27 28 29 30 31 32 33 34 35 36 37 38 39 40 1 P204 TCON4 TCON2 R113 4K7 TCON4 AUMCK_OUT AUWS_OUT AUBCK_OUT L8 M11 K4 J9 H10 H9 R7 P7 P6 R5 R4 P4 G3 G2 K13 N13 N12 N11 N10 J15 J16 H16 G15 D15 D16 D14 E14 F15 G16 K15 M16 M15 M14 N15 N14 P16 P15 T3 D6 A2 D3 C1 C2 D2 F2 F1 H3 N1 R1 M3 N4 P3 R2 P5 R6 T6 T2 N3 P2 M4 L3 P1 N2 M2 M1 L2 L1 K2 K1 K3 J1 J2 J3 H2 F4 F3 E2 E3 E4 D1 B1 C3 B3 B2 A3 D4 B4 B5 A5 C4 C5 A6 B6 C6 B7 C7 D5 R3 T4 P10 R10 P11 R11 T11 P12 T12 R12 P13 R13 P14 R14 T14 T15 R15 R16 L16 K14 K16 L15 F14 F16 L14 H15 E16 J14 H14 E15 T8 R8 R9 P8 N8 T9 P9 N9 C14 B14 G14 C9 B10 A10 A11 D12 C12 B12 A9 B9 D10 D11 A15 A14 A13 B13 C15 C16 B16 B15 B11 C11 C10 C13 D13 L4 D7 G1 T5 T7 H11 J10 J11 K9 K10 K11 A12 F13 G13 N6 H4 J4 L6 M6 K5 L5 J5 M5 J6 K6 H6 N5 M10 E13 D9 G8 H7 H8 J7 J8 K7 K8 L7 U101 MST6M181VG H1_ARC_OUT VCOM TCON2 R134 4K7 NC R136 4K7 NC 1 2 3 4 5 6 7 P203 NC 4 3 2 1 P201 NC USB1_DM USB1_DP MDDR_VREF C111 0.1U C135 10U SCL SDA R133 4K7 NC R135 4K7 NC SPDF_IN SPDF_OUT +3V3 KEY0_SAR0 KEY0_SAR0 AMP_MUTE VBL_CTRL AUSD_OUT HD-R HD-L CVBS_OUT0 AV1 AV2 AVL2 AVR1 BRI_ADJ_PWM0 BRI_ADJ_PWM0 RIN+ GIN2P+ VGA-VS C128 2U2 C127 0.1U 2U2 C122 C115 0.1U 0.1U C116 C110 0.1U C105 2U2 +3_3VSTB R169 0R 100K R165 0R R164 NC C159 10U NC 0.1U C157 R242 4K7 4K7 R241 SPI_SCK SPI_SDI VCC SPI_W SPI_SDO SPI_FLASH_SD0 SPI_CSON +3_3VSTB AVDD_DDR_1V8 HDMI-CEC GIN2P- GIN- 0R R121 NC LVDS_SEL CFG_PWM1 DGND +3_3VSTB 3_3V IRIN +2.5V_PGA +3_3VSTB L103 120R RX1+ HDMI_DDC_SCL R246 2K2 P_ON/OFF +3_3VSTB B C E Q210 C124ET RXO4- L817 120R AVDD_DDR 120R L100 IRIN SYS_RESET CFG_PWM1 RXOC+ RXO1+ RXO2- RXO0- RXO0+ RXO1- RXO2+ RXOC- RXO3- RXO3+ RXO4- RXO4+ RXE0- RXE0+ RXE1- RXE1+ TAGC AVSS_PGA AVSS_PGA AVL1 GIN+ SOGIN0 BIN+ VGA-HS PANEL_ON/OFF R138 4K7 X1 24M USB0_DM L104 120R +3_3VSTB SPI_FLASH_SDI SPI_FLASH_SCK SPI_FLASH_SD0 SPI_CS0N SPI_SD0 SPI_SDI SPI_SCK 5 4 7 2 1 3 6 8 RP3 22R VDDC-1V28 VDDC-1V28 R167 4K7 NC 10R R166 NC 5V 4K7 R162 LOGO 10R R160 NC 0R R149 ISP-RXD R148 0R +3V3 R129 4K7 NC R128 0R NC NC 4K7 R127 R125 4K7 NC 0R R120 NC 5 6 7 8 4 3 2 1 U102 W25Q32BV 0.1U C109 C108 0.1U C102 10U 1 3 2 D100 0BAV99 0R 100K R102 SAR3 CFG_PWM1 R108 4K7 SAR1 SAR2 AUVAG R161 68R 10U C141 R109 1K +3_3VSTB R171 1M DVDD_NODIE_1_2V 0.1U C124 +2V5 L102 1000R C118 0.1U +2.5V_PGA L101 120R ADC2P5 +2V5 C107 0.1U 0.1U C106 68R R112 R111 68R 0R R170 100K R140 AVDD_DDR_1V8 C129 0.1U 0.1U C140 R106 1K R107 1K AUVRP C139 10U C138 0.1U C146 180P 100K R143 R142 100K 22P 0 XTALO R105 1K MCU_RESET R104 100K 0.47U C103 C104 NC 1000P 0.1U C101 NC R103 10K B E C BT3906 Q101 SYS_RESET 81 22P XTALI 100K R141 180P C145 C144 180P 180P C143 1 2 4 6 8 12 14 16 18 20 10 22 24 26 28 3 5 7 9 11 13 15 17 19 21 23 25 27 29 30 32 34 36 38 40 31 33 35 37 39 P202 R122 0R NC 2U2 C136 0R R126 NC 4K7 R131 0R R130 R132 0R NC BIT_SEL VCC-PANEL DCR VBR_OUT RXE3- RXE2- RXE1- RXE0+ RXE0- RXO3- RXOC- RXO2+ RXO2- RXO1+ RXO1- RXO0+ RXO0- SDA SCL RXE4- RXEC- VBR_OUT RXOC+ RXO3+ RXO4+ RXE1+ RXEC+ RXE3+ RXE4+ RXE2+ BIT_SEL DCR C130 0.01U 4K7 R139 0.1U C119 C120 0.1U 0.1U C121 0.1U C125 C123 0.1U C126 0.1U R110 10K SPI_WP0N 0.1U C154 NC R163 0R 5VAIN IR 0.1U C153 +3V3 LOGO F201 0.1U C156 +3_3VSTB +3_3VSTB RXE4- RXE4+ XTALO VIFP XTALI GPIO7 UART-RX UART-TX MDDR_VREF AV-OUTR AVR2 RX2- HDMI_DDC_SDA HDMI_HPD RXC- RXC+ RX0- RX0+ RX1- RX2+ SOGIN2 BIN2+ RIN2+ AUVAG AUVRM VIFM RXE3+ RXE3- RXEC+ RXEC- RXE2+ RXE2- AVDD_DDR ADC2P5 USB0_DP +3V3 +3_3VSTB DVDD_NODIE_1_2V AUVRP SPI_CS0N SPI_SD0 SPI_SDI SPI_SCK SPI_WP0N PANEL_ON/OFF PWR_ON/OFF AV-OUTL C155 22P 4K7 R168 1 2 3 4 P200 Z201 5V GND F200 0.1U C158 LOGO L_SENSOR/NC 4K7 R114 4K7 R147 ISP-TXD GND1 ISP-RXD UART-RX UART-TX ISP-TXD SPI_FLASH_CS0N +12V VCC-PANEL R177 0R R175 0R R176 0R RXEC- RXEC+ RXE0+ RXE0- RXE2+ RXE2- RXE1+ RXE1- VBR_EXT AUVRM SPI_FLASH_CS0N SPI_FLASH_SCK SPI_FLASH_SDI 5VAIN LED 9 8 7 6 5 4 30 3 29 28 27 26 25 24 23 22 21 20 2 19 18 17 16 15 14 13 12 11 10 1 P202A LVDS_SEL RXE1+ RXE1- RXE0- RXE0+ RXE2+ RXE2- RXEC- RXEC+ RXE3+ RXE3- VCC-PANEL RXE3+ RXE3- RXEC+ RXEC- RXE2+ RXE2- RXE1+ RXE0+ RXE0- SPDF_IN DGND DGND DGND T T DGND T T DGND DGND T T DGND B+ NC5 SDA SCL NC2 NC3 RF-AGC NC4 DIF+ DIF- NC1 close to ic VIFP VIFM 75R R207 R206 75R L202 100UH NC 5V-IF SDA TAGC R201 100R R213 0R NC 0R R212 NC C215 0.1U C213 390P NC 100P C203 C202 100P 4K7 R205 R204 4K7 R203 10K 5V-IF TU1_SCL 10K R202 C210 0.1U C216 0.1U TU_IF- TU_IF+ C212 0.01U C217 0.01U 5 9 6 7 2 3 4 8 10 11 1 TU2 5VAIN C221 390P NC ZTU5 ZAGC C204 4U7 0.1U C200 C205 0.1U L201 120R L117 0.1UH C220 0.1U C219 220P C214 220P C218 220P IF2 IF1 0.01U C206 1U C207 6V3 470U C208 C201 0.022U ZSDA ZSCL TU1_SDA 5V-IF TU_IF- TU1_SCL TU_IF+ TU1_SDA 2N7002 Q201 0R R211 10K R210 5V-IF 5K1 R208 R209 0R 2N7002 Q202 SCL T DGND DGND DGND DGND DGND DGND DGND DGND SW EN COMP FREQ GND BST FB VIN DGND DGND T T DGND DGND DGND DGND DGND DGND T T T T T DGND DGND T T T T T DGND T T DGND DGND DGND DGND DGND DGND DGND AAM IN SW EN/SYNC BST FB GND VCC AAM IN SW EN/SYNC BST FB GND VCC DGND DGND DGND DGND DGND DGND DGND GND/ADJ OUT VIN 4 DGND GND/ADJ OUT VIN 4 DGND DGND DGND DGND DGND AAM IN SW EN/SYNC BST FB GND VCC DGND DGND DGND GND/ADJ OUT VIN 4 +24V/12V GND 3V3STB/5VSTB DIM GND GND GND +24V/12V P_ON/OFF +24V/12V BL_ON/OFF 3V3STB/5VSTB Vout=0.8(1+R817/R816)=0.8(1+470/33)=12.19V POWER 12V THIS NO NEED DC IN SELECT LO=>PS POWER OFF 210mA 469mA 172mA LO=>LVDS POWER OFF HI=>LVDS POWER ON 3.3V STB SUPPLY U801 NO NEED 5V STB SUPPLY R881 NO NEED DIMMING NEEDED PWMOUT,NO D807 & C811 R858 IS 0OHM R856 IS 22 KOHM HI=>PS POWER ON VCC=0.8(1+22/3.9)=5.3V POWER&PANEL CONTROL CORE VCC=0.8(1+12/(20+0.68))=1.264V VCC=0.8(1+18/(4.7+1))=3.326V R882 10K PWR_ON/OFF C812 0.1U +3_3V_DC C863 0.1U R834 18K R828 0R C862 1U 4 3 2 1 AS1117AD U804 R897 0R +3_3V_DC +3_3VSTB R883 10K NC 10K R850 NC 0R R876 NC3 +3V3_LDO R867 1K R866 4K7 R865 39K C871 0.1U NC3 C879 220U 16V R833 33K R832 0R 1U C873 NC3 R895 20K R894 33K R893 30K 1 2 3 6 5 8 4 7 U806 MP1495 R831 12K R830 82K 0.1U C861 R814 33K R823 39K 5VAIN R812 22K R825 220R 0.1U C845 R824 6K8 R813 0R R822 10K R821 82K C872 1U +3_3V_DC R829 220R R826 220R 0R R827 +2V5 L818 22UH R811 0R 0R R809 16V 220U C859 16V 220U C842 C854 220U 16V NC1 C865 100U 16V NC2 +3V3 +3V3 +3V3_LDO 5VAIN +3_3VSTB 0R R871 NC3 R872 0R NC3 R873 0R NC4 R802 270R 0.1U C826 +12V 10U C878 NC2 +3_3VSTB R847 100R 5VAIN +3V3_LDO +12V VCC-PANEL EN1 BRI_ADJ_PWM0 2U2 C813 10U C849 0.1U C829 0.1U C825 NC1 1U C847 NC1 C866 0.1U NC3 C870 10U NC3 0.1U C856 0.1U C857 C858 0.1U 10U C860 0.1U C834 10U C844 4 3 2 1 AS1117AD U801 NC 0R R806 0R R807 NC R869 10K R887 0R NC DIMMING R858 330R NC C891 1U NC R856 10K NC LL4148 D807 NC B C E Q808 BT3904 10K R839 NC 22UH L819 10K R878 NC3 82K R864 NC3 0.1U C867 NC3 R863 82K NC3 R862 100K NC3 C868 0.1U NC3 R843 120R NC1 200R R842 NC1 R844 200R NC1 NC1 2U2 C804 NC1 0.1U C824 R881 0R 5VAIN 1 2 3 4 U803 AS1117AD R855 4K7 R838 10K NC NC R875 0R C855 10U R879 120R 0.1U C840 7 4 8 5 6 3 2 1 MP1495 U807 1 2 3 6 5 8 4 7 U805 MP1495 C837 0.1U FF P_ON/OFF 20 +3_3VSTB R224 2K2 R222 2K2 R221 4K7 E C B Q206 BT3904 +3_3VSTB 1K R849 B C E BT3904 Q807 +3V3 5VAIN +3_3VSTB G D S PMV65XP Q813 100R R868 +3V3_LDO R857 100R R853 1K NC 1K R860 R861 1K NC C890 22P 0.1U C841 0.01U C832 +3V3 5VAIN V_AUDIO 10K R836 NC BL_ON/OFF NC 0R R801 DIM NC 0R R800 +2V5 Z808 3V3STB/5VSTB +1V8 0R R854 NC +3V3_SBY/5VMST 5V-DDR +24V/12V P_ON/OFF +12V +2V5 VCC-PANEL 4K7 R851 +3_3VSTB VCC-PANEL L816 392170-00X R846 10K 1 2 4 6 8 12 10 3 5 7 9 11 P800 C848 1U 2U2 C814 0.01U C838 NC 4U7 C808 B C E BT3904 Q806 R848 4K7 +3V3 LL4148 D811 R837 100K R877 470K 1U C828 R841 10K AVDD_DDR_1V8 C333 100U 16V 5VAIN +12V 3V3STB/5VSTB L803 30R 3V3STB/5VSTB VBR_EXT DGND DGND DGND DGND VBR_OUT BL_ON/OFF +3V3_SBY/5VMST +24V/12V +24V/12V +3V3_SBY/5VMST P_ON/OFF PANEL_ON/OFF 100K R819 16V 100U C833 82K R820 +3V3_LDO +12V R896 10K R892 82K 100K R890 L820 22UH VDDC-1V28 82K R891 B C E Q205 BT3904 B C E Q203 BT3904 DC3 DC1 EN3 0.1U C836 EN1 EN3 R803 0R DIM DIMMING 0R R874 P_ON/OFF 3V3STB/5VSTB +3V3_LDO F852 +24V +24V/12V Z900 +3V3_LDO B C E Q207 C124ET R235 0R NC 3 2 1 P851 D812 16V NC R232 47K NC3 NC3 R233 2K2 G D S Q814 PMV65XP NC R230 10K R231 2K2 NC3 NC3 4U7 C230 R234 2K2 NC3 NC3 1U C231 +3_3V_DC +3_3V_DC BL_ON/OFF DIM P_ON/OFF +24V/12V 1 2 3 4 5 6 7 P801 C864 0.1U VBL_CTRL 1 2 3 6 5 8 4 7 U808 MP1582 D806 SR34 NC L814 10UH C815 220U 25V NC 0.1U C821 NC C800 1U NC 0.1U C819 NC COMP BS C843 220U 35V NC R817 470K NC R808 24K NC R816 33K NC 15K R815 NC 4700P C818 NC C820 390P NC R810 220K NC C822 0.1U NC 100K R885 NC NC 0.1U C802 IN FB +24V/12V L801 30R NC +12V +12V 30R L802 NC EN DGND DGND DGND DGND DGND T DGND DGND DGND DGND DGND DGND DGND T DGND DGND DGND DGND DGND DGND DGND GNDDIG2 TESTMODE SA SCL SDA INTLINE PWDN RESET SDI LRCKI BICKI AGNDPLL VREGFILT TWARNEXT/FFX4B EAPD/FFX4A FFX3B FFX3A GNDDIG1 VDDDIG1 RESERVED15 RESERVED14 RESERVED13 RESERVED12 RESERVED11 RESERVED10 RESERVED9 RESERVED8 RESERVED7 RESERVED6 RESERVED5 RESERVED4 RESERVED3 RESERVED2 RESERVED1 VDD_REG OUT1A GND1 VCC1 OUT1B OUT2A VCC2 GND2 OUT2B VSS VCC_REG MCLK GND_REG VDDDIG2 DGND DGND T T T T MUTE CIRCUIT L+ L- R- R+ MUTE1 R659 100R MUTE MUTE2 PWD_MUTE AMP_RESET 10K R606 1 2 3 4 P601A 4 3 2 1 P601 OUT_R- R- OUT_R+ R608 4K7 AMP_RESET MUTE PWD_MUTE L606 120R L601 120R 47 46 45 44 43 42 41 40 39 38 37 35 34 33 32 31 30 29 28 27 26 25 24 23 22 21 20 19 18 17 16 15 14 13 11 10 9 8 7 6 5 4 3 2 1 36 12 48 U601 STA380BW C606 2U2 V_AUDIO R662 0R R663 4K7 R635 10K +3_3V_DC +3_3V_DC +3V3 3.3V_AMP V_AUDIO 35V 220U C634 AMP_MUTE R637 100R 0.01U C604 0.1U C603 I2S_MCLK L+ R656 100R R661 56K R654 56K R655 10K R660 10K P_ON/OFF 0.01U C652 C607 0.01U +3_3VSTB B C E BT3904 Q604 L- R+ B C E Q603 BT3904 C610 330P 1U C641 16V 220U C640 R631 100R 0.1U C633 C631 0.1U L- 3.3V_AMP R607 4K7 B E C Q601 BT3906 22P C602 C601 22P 4K7 R602 33R R604 C643 1000P 3.3V_AMP R657 100K I2S_LRCLK I2S_DATA I2S_DATA I2S_LRCLK I2S_BCK I2S_MCLK AUBCK_OUT AUSD_OUT AUMCK_OUT AUWS_OUT R632 100R R611 22R I2S_BCK C611 0.1U 0.1U C608 L+ OUT_L+ 1000P C619 C617 0.22U C618 1000P C615 0.22U 0.1U C612 5R6 R613 R612 5R6 0.1U C613 22UH L603 22UH L602 C605 0.01U C630 1U 1U C632 R634 100R R633 100R C651 100U 35V 100P C639 NC C636 100P C638 100P C637 100P C650 1U R658 10K B C E Q602 BT3904 3.3V_AMP D601 LL4148 R653 220R 0R R651 D602 LL4148 V_AUDIO OUT_L- C614 0.1U 0.22U C616 C626 0.22U 0.1U C624 L604 22UH L605 22UH C623 0.1U 5R6 R621 R622 5R6 C622 0.1U 0.1U C621 0.22U C625 1000P C628 0.22U C627 C629 1000P 330P C620 22R R620 0.01U C642 3.3V_AMP R603 33R R601 4K7 SDA SCL 2K2 R638 R636 4K7 3.3V_AMP

标签:

版权声明

1. 本站所有素材,仅限学习交流,仅展示部分内容,如需查看完整内容,请下载原文件。
2. 会员在本站下载的所有素材,只拥有使用权,著作权归原作者所有。
3. 所有素材,未经合法授权,请勿用于商业用途,会员不得以任何形式发布、传播、复制、转售该素材,否则一律封号处理。
4. 如果素材损害你的权益请联系客服QQ:77594475 处理。