TCL液晶电视TSUMV59XUS主板电路原理图

分类:电子电工 日期: 点击:0
TCL液晶电视TSUMV59XUS主板电路原理图-0 TCL液晶电视TSUMV59XUS主板电路原理图-1 TCL液晶电视TSUMV59XUS主板电路原理图-2 TCL液晶电视TSUMV59XUS主板电路原理图-3 TCL液晶电视TSUMV59XUS主板电路原理图-4 TCL液晶电视TSUMV59XUS主板电路原理图-5 TCL液晶电视TSUMV59XUS主板电路原理图-6

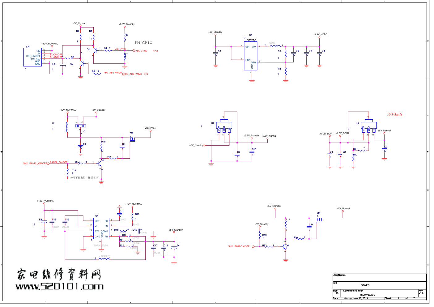
5 4 3 2 1 D D C C B B A A BL-ON/OFF BL-ADJUST BRI_ADJ-PWM0 PANEL_ON/OFF VBL_CTRL VCC-Panel +5V_Standby +3.3V_Standby +5V_Standby +12V_NORMAL +12V_NORMAL +5V_Normal +1.2V_VDDC +3.3V_Normal +1.8V_DDR2 +5V_Normal AVDD_DDR +5V_Standby +5V_Standby +12V_NORMAL +5V_Standby +12V_NORMAL +5V_Normal +5V_Standby +3.3V_Standby VBL_CTRL SH2 BRI_ADJ-PWM0 SH2 PANEL_ON/OFF SH2 PWR-ON/OFF SH2 Title Size Document Number Rev Date: Sheet of TSUMV59XUS V1.0 POWER A3 1 7 Monday, June 10, 2013 Title Size Document Number Rev Date: Sheet of TSUMV59XUS V1.0 POWER A3 1 7 Monday, June 10, 2013 Title Size Document Number Rev Date: Sheet of TSUMV59XUS V1.0 POWER A3 1 7 Monday, June 10, 2013 PM GPIO IO用下拉电阻,保证时序 300mA E3 ? E3 ? R19 ? R19 ? R3 ? R3 ? R13 ? R13 ? C18 ? C18 ? C8 ? C8 ? U1 ? SOT23-5 U1 ? SOT23-5 SW 3 RUN 1 GND 2 VIN 4 VFB 5 U4 ? SOP8-225-50 U4 ? SOP8-225-50 BST 1 VI 2 SW 3 GND 4 FB 5 COMP 6 EN 7 SS 8 GND 9 R9 ? R9 ? L3 ? L-10UH(R11) L3 ? L-10UH(R11) L2 ? L2 ? R5 ? R5 ? C13 ? C0402 C13 ? C0402 C10 ? C10 ? R4 ? R4 ? R2 ? R2 ? R8 ? R8 ? R18 ? R0402 R18 ? R0402 Q2 ? Q2 ? 1 2 3 ADJ OUT IN U3 ? ADJ OUT IN U3 ? 3 2 1 4 C5 ? C5 ? C1 ? C1 ? R12 ? R12 ? C3 ? C3 ? Q1 ? Q1 ? 1 2 3 R16 ? R0402 R16 ? R0402 R7 ? R7 ? C16 ? C0402 C16 ? C0402 C4 ? C4 ? R10 ? R10 ? R14 ? R14 ? M2 ? M2 ? E2 ? E2 ? ADJ OUT IN U2 ? ADJ OUT IN U2 ? 3 2 1 4 E1 ? E1 ? C2 ? C2 ? R17 ? R17 ? R22 ? R0402 R22 ? R0402 E4 ? E4 ? R15 ? R15 ? Q4 ? Q4 ? 1 2 3 L1 ? CD43 L1 ? CD43 M1 ? M1 ? C9 ? C9 ? C15 ? C0402 C15 ? C0402 R23 ? R23 ? R1 ? R1 ? R20 ? R20 ? R11 ? R11 ? C17 ? C0402 C17 ? C0402 C12 ? C0402 C12 ? C0402 J1 ? J1 ? 2 3 1 R21 ? R0402 R21 ? R0402 C6 ? C6 ? C14 ? C14 ? C7 ? C7 ? R6 ? R6 ? CN1 ? CN1 ? 12V 6 12V 5 BRI_ON/OFF 4 BRI_ADJ 3 GND 2 GND 1 C11 ? C0402 C11 ? C0402 Q3 ? Q3 ? 1 2 3 5 4 3 2 1 D D C C B B A A FLASH_CS0N FLASH_WP0N SPI_Flash-SDI SPI_Flash-SDO SPI_Flash-SCK SPI_WP0N SPI_CS0N System-RST XTALI AUVAG AUVRM XTALO BRI_ADJ-PWM0 PWM1 SYS_SDA SYS_SCL IFP IFM AV_AUOUTL3 AV-AUOUTL3 AMP-AUOUTR0 AV_AUOUTR3 AV-AUOUTR3 AMP-AUOUTL0 AMP_AUOUTR0 AMP_AUOUTL0 DDCDA_CK DDCDA_DA AV-AUOUTL3 HDMI1-ARC HDMI_HP1 HDMI1-RX1N HDMI1-CLKN HDMI1-CLKP HDMI1-RX0N HDMI1-RX2N HDMI1-RX2P HDMI1-RX1P HDMI1-RX0P BIN0 GIN0M GIN0P SOGIN0 VGA_HS VGA_VS RIN0 AUR0 AUL0 AUVAG AUVRM VCOM0 CVBS_OUT0 RIN2 SOGIN2 GIN2P GIN2M BIN2 CVBS0P PANEL_ON/OFF AMP-MUTE RXE3- AV-AUOUTR3 VIFP VIFM AMP-AUOUTR0 AMP-AUOUTL0 AGC XTALI XTALO SPI_WP0N BRI_ADJ-PWM0 PWR-ON/OFF SYS_SCL SYS_SDA DDCDD_CK DDCDD_DA HDMI_HP0 HDMI0-RX1N HDMI0-CLKN HDMI0-CLKP HDMI0-RX0N HDMI0-RX2N HDMI0-RX2P HDMI0-RX1P HDMI0-RX0P RXE3+ UART-RX UART-TX GND-EFUSE System-RST USB0_DM USB0_DP SPI_Flash-SCK HDMI_CEC SPI_CS0N IRIN SPI_Flash-SDI SPI_Flash-SDO HDMI1-CLKN HDMI1-CLKP HDMI1-RX0N HDMI1-RX0P HDMI1-SDA DDCDA_DA HDMI1-RX2N HDMI1-RX2P HDMI1-SCL DDCDA_CK ARC HDMI1-ARC HDMI1-RX1N HDMI1-RX1P RGB0_Pr+ RGB0_Y-SOG RGB0_Y+ RGB0_Pb+ SOGIN0 GIN0P GIN0M BIN0 RGB2-HDTV_GIN RGB2-HDTV_SOGIN RIN0 VGA_VS GIN2P SOGIN2 RIN2 RGB2-HDTV_BIN RGB2-HDTV_RIN BIN2 GIN2M VGA_HS VCOM0 CVBS_OUT0 AV-CVBS0P CVBS0P AUR0 VGA-AURin0 AUL0 HDMI0-CLKP HDMI0-CLKN HDMI0-SCL DDCDD_CK HDMI_HP0 HDMI0-RX0N HDMI0-RX0P HDMI0-RX2N HDMI0-RX2P HDMI_HP1 HDMI0-SDA DDCDD_DA HDMI0-RX1P HDMI0-RX1N KEY0-SAR0 VBL_CTRL AUL1 AUR1 AUL2 AUR2 RXE4- RXE4+ RXEC+ RXEC- RXE2- RXE1+ RXE2+ RXE1- RXE0- RXE0+ RXO4- RXO4+ RXOC+ RXO3+ RXOC- RXO3- RXO2+ RXO2- RXO1+ RXO0+ RXO1- RXO0- HDMI_CEC B4_RXEC+ R0_RXOC+ R1_RXOC- CT R7_RXO0- R5_RXO1- R3_RXO2- G7_RXO3- G5_RXO4- G3_RXE0- B1_RXE4- B3_RXE3- B7_RXE2- G1_RXE1- B0_RXE4+ B6_RXE2+ B2_RXE3+ G2_RXE0+ G0_RXE1+ G6_RXO3+ G4_RXO4+ R6_RXO0+ R4_RXO1+ R2_RXO2+ B5_RXEC- G2_RXE0+ RXE0+ G1_RXE1- RXE1- G3_RXE0- RXE0- G0_RXE1+ RXE1+ B6_RXE2+ RXE2+ B4_RXEC+ RXEC+ B7_RXE2- RXE2- B5_RXEC- RXEC- B2_RXE3+ RXE3+ B3_RXE3- RXE3- B1_RXE4- RXE4- B0_RXE4+ RXE4+ G4_RXO4+ RXO4+ G7_RXO3- RXO3- G6_RXO3+ RXO3+ G5_RXO4- RXO4- R4_RXO1+ RXO1+ R5_RXO1- RXO1- R7_RXO0- RXO0- R6_RXO0+ RXO0+ R2_RXO2+ RXO2+ R3_RXO2- RXO2- R1_RXOC- RXOC- R0_RXOC+ RXOC+ UART-RX UART-TX AUR2 AV_AURin0 AUL2 AUR1 AV2_AURin2 AV2_AULin2 AUL1 IRIN IR-in TS1_VLD VGA-AULin0 AV_AULin0 TAGC AGC K5 K2 K7 K6 K3 K0 K4 K1 LEG_G LED_R IR-in LEG_G 5VS TS1_VLD LED_R K4 K5 K3 K2 K1 K0 K7 KEY0-in K6 KEY0-SAR0 CVBS2P AV3-CVBS2P CVBS2P PWM1 +3.3V_Normal AVDD_33 VDDC +1.2V_VDDC +3.3V_Standby +3.3V_Standby AVDD_DDR +3.3V_Standby VDD33 AU33 VDDC AU33 VDD33 AVDD_ADC AVDD_DDR VDD33 VDD33 VDDC VDD33 VDD33_DMPLL VDD33 VDDC AVDD_DDR AVDD33_DEMOD AVDD33_DEMOD +3.3V_Normal AVDD_ADC VDD33_DMPLL +3.3V_Normal VCC-Panel +5V_Standby +3.3V_Normal Tuner_VCC +5V_Standby +5V_Normal +5V_Standby +3.3V_Standby +3.3V_Normal SYS_SCL SH6 SYS_SDA SH6 VIFM SH6 VIFP SH6 AMP_AUOUTL0 SH7 AMP_AUOUTR0 SH7 AV_AUOUTR3 SH3 AV_AUOUTL3 SH3 HDMI1-CLKP SH5 HDMI1-CLKN SH5 HDMI1-RX0P SH5 HDMI1-RX0N SH5 HDMI1-SDA SH5 HDMI1-RX2P SH5 HDMI1-RX2N SH5 HDMI1-SCL SH5 ARC SH5 HDMI1-RX1P SH5 HDMI1-RX1N SH5 VGA_VS SH4 VGA_HS SH4 RGB0_Pr+ SH3 RGB0_Y+ SH3 RGB0_Y-SOG SH3 RGB0_Pb+ SH3 RGB2-HDTV_RIN SH3 RGB2-HDTV_GIN SH3 RGB2-HDTV_SOGIN SH3 RGB2-HDTV_BIN SH3 CVBS_OUT0 SH3 AV-CVBS0P SH3 HDMI0-CLKP SH5 HDMI0-CLKN SH5 HDMI0-SCL SH5 HDMI_HP0 SH5 HDMI0-RX0P SH5 HDMI0-RX0N SH5 HDMI0-RX2P SH5 HDMI0-RX2N SH5 HDMI_HP1 SH5 HDMI0-SDA SH5 HDMI0-RX1P SH5 HDMI0-RX1N SH5 PWR-ON/OFF SH1 USB0_D+ SH3 USB0_D- SH3 BRI_ADJ-PWM0 SH1 VBL_CTRL SH1 PANEL_ON/OFF SH1 AMP-MUTE SH7 HDMI-CEC SH5 UART-RX SH4 UART-TX SH4 AV2_AULin2 SH3 AV2_AURin2 SH3 VGA-AULin0 SH4 VGA-AURin0 SH4 AV_AULin0 SH3 AV_AURin0 SH3 TAGC SH6 AV3-CVBS2P SH3 Title Size Document Number Rev Date: Sheet of TSUMV59XUS V1.0 TSUMV59XUS A2 2 7 Monday, June 10, 2013 Title Size Document Number Rev Date: Sheet of TSUMV59XUS V1.0 TSUMV59XUS A2 2 7 Monday, June 10, 2013 Title Size Document Number Rev Date: Sheet of TSUMV59XUS V1.0 TSUMV59XUS A2 2 7 Monday, June 10, 2013 Normal Power 3.3V Normal Power 1.2V Close to IC with width trace SERIAL FLASH System XTAL Audio DDR power 4'h00 {IPAD_PWM1, PAD_PWM0} B51_NO_EJ CHIP_CONFIG SERIAL FLASH Connector Debug port IR&KEYB C26 ? C26 ? C29 ? C29 ? R52 ? R52 ? R35 ? R35 ? R57 ? R57 ? C60 ? C60 ? C43 ? C43 ? C35 ? C35 ? Y1 ? Y1 ? 1 2 3 C19 ? C19 ? C68 ? C68 ? C23 ? C23 ? R24 ? R24 ? C40 ? C40 ? C55 ? C55 ? C59 ? C59 ? R53 ? R53 ? R37 ? R0402 R37 ? R0402 C67 ? C67 ? R26 ? R26 ? C70 ? C70 ? C33 ? C33 ? C36 ? C36 ? C62 ? C62 ? C48 ? C48 ? C44 ? C44 ? R49 ? R49 ? C50 ? C50 ? C52 ? C52 ? L6 ? L6 ? R29 ? R29 ? R25 ? R25 ? R51 ? R51 ? R36 ? R0402 R36 ? R0402 C31 ? C31 ? L4 ? L4 ? C42 ? C42 ? C49 ? C49 ? R43 ? R43 ? R58 ? R58 ? C69 ? C69 ? R60 ? R60 ? C51 ? C51 ? C21 ? C21 ? C32 ? C32 ? U6 ? U6 ? LVA2M 69 SOGIN1 23 BIN1P 22 GIN1M 25 GIN1P 24 CVBS2 29 HSYNC1 28 AUL1 37 GIN0P 17 RFAGC 55 LVA3P 63 VIFM 54 VIFP 53 AVDD_33 5 RIN1P 26 LVB2P 80 LVACKM 66 LVA1P 70 SAR2/GPIO73 112 SAR1/GPIO74 111 GIN0M 18 PWM2/GPIO24 93 GPIO0 92 GPIO1 91 TS_SYNC 90 TS_VLD 89 LVA4P 61 LVA4M 62 LVA3M 64 LVACKP 65 SCZ 97 LVA0M 73 LVB4P 74 LVB4M 75 LVB3P 76 LVB3M 77 LVB1P 83 LVA0P 72 SDO 96 IRIN 113 CEC 114 HWRESET 115 HOTPLUGA 128 SOGIN0 16 AUOUTL1 47 AUOUTR1 48 AUOUTL0 45 AUOUTR0 46 XIN 50 XOUT 49 AVDD_DMPLL 51 RXCKN_A 1 RXCKP_A 2 RX0N_A 3 RX0P_A 4 RX1N_A 6 RX1P_A 7 DDCDA_DA 8 RX2N_A 9 RX2P_A 10 DDCDA_CK 11 ARC 12 AVDD1P2_DVI_A 13 HSYNC0 14 BIN0P 15 RIN0P 19 VSYNC0 20 AVDD3P3_ADC 21 CVBS1 30 CVBS0 31 VCOM 32 CVBSOUT 33 AUR1 38 AUREF 35 AUVAG 36 AUL4 41 AUR4 42 AVDD3P3_DADC 52 TS_D0 58 VDDP 59 VDDC 60 TS_CLK 57 LVA2P 68 LVA1M 71 AVDD_MOD 67 LVBCKP 78 LVBCKM 79 LVB2M 81 LVB1M 84 LVB0P 85 LVB0M 86 AVDD_MOD 82 INT/GPIO65 88 PWM0/GPIO26 105 PWM1/GPIO25 106 USB0_DM 98 TESTPIN 104 USB0_DP 99 AVDD_MOD 100 AVDD_DDR 109 SCK 94 GND_EFUSE 116 SDI 95 SAR0/GPIO75 110 DDCA_CK 107 DDCA_DA 108 E-Pad 129 VSYNC1 27 AU33 34 AUR5 44 AUL5 43 AVDD_DDR 56 VDDC 87 HOTPLUGD 117 RXCKN_D 118 RXCKP_D 119 RX0N_D 120 RX0P_D 121 RX1N_D 123 RX1P_D 124 DDCDD_DA 122 RX2N_D 126 RX2P_D 127 DDCDD_CK 125 AUL3 39 AUR3 40 USB1_DP 102 USB1_DM 101 GPIO64 103 MASK1 130 MASK2 131 TEST 132 R30 ? R30 ? R41 ? R41 ? R50 ? R50 ? L5 ? L5 ? R56 ? R56 ? C24 ? C24 ? C63 ? C63 ? C37 ? C37 ? C64 ? C64 ? CN3 ? CN3 ? 1 1 2 2 3 3 4 4 5 5 6 6 7 7 8 8 9 9 10 10 11 11 12 12 13 13 14 14 C57 ? C57 ? R54 ? R54 ? C66 ? C66 ? R39 ? R39 ? C39 ? C39 ? C41 ? C41 ? C25 ? C25 ? R46 ? R46 ? C27 ? C27 ? C45 ? C45 ? C38 ? C38 ? R28 ? R28 ? R40 ? R40 ? R55 ? R55 ? R42 ? R42 ? C46 ? C46 ? R48 ? R48 ? C30 ? C30 ? CN2 ? CN2 ? 1 1 3 3 5 5 7 7 9 9 11 11 13 13 15 15 17 17 19 19 21 21 23 23 25 25 27 27 29 29 31 31 33 33 35 35 2 2 4 4 6 6 8 8 10 10 12 12 14 14 16 16 18 18 20 20 22 22 24 24 26 26 28 28 30 30 32 32 34 34 36 36 C54 ? C54 ? R59 ? R59 ? R33 ? R33 ? R38 ? R38 ? C53 ? C53 ? C20 ? C20 ? R27 ? R27 ? C56 ? C56 ? C34 ? C34 ? Q6 ? Q6 ? 1 2 3 C65 ? C65 ? R44 ? R44 ? C28 ? C28 ? C58 ? C58 ? R31 ? R31 ? R32 ? R32 ? R45 ? R45 ? C22 ? C22 ? C47 ? C47 ? Q5 ? Q5 ? GND 1 RESET 2 VCC 3 R47 ? R47 ? C61 ? C61 ? U5 ? U5 ? CE# 1 SO 2 WP# 3 VSS 4 SI 5 SCK 6 HOLD# 7 VDD 8 R34 ? R34 ? 5 4 3 2 1 D D C C B B A A AV3-CVBS2P AV2_AULin2 AV2_AURin2 AV_VOUT CVBS_OUT0 AV_AUOUTL3 AV_LOUT AV_AUOUTR3 AV_ROUT AV_AURin0 AV-CVBS0P AV_AULin0 AV3_L AV3_R AV1_L HD_Pr HD_Pb HD_Y USB1_D0+_in USB1_D0-_in USB1_D0+_in USB1_D0-_in AV3_V AV_VOUT AV_LOUT AV_ROUT AV3_L AV3_R AV1_R AV1_V HD_Y HD_Pb HD_Pr RGB2-HDTV_SOGIN RGB2-HDTV_GIN RGB2-HDTV_RIN RGB2-HDTV_BIN AV3_V AV_ROUT +5V_Normal +5V_USB1 +5V_USB1 +5V_Normal CVBS_OUT0 SH2 AV_AUOUTL3 SH2 AV_AUOUTR3 SH2 AV2_AULin2 SH2 AV2_AURin2 SH2 AV2-CVBS2P SH2 AV_AULin0 SH2 AV_AURin0 SH2 AV-CVBS0P SH2 USB0_D- SH2 USB0_D+ SH2 RGB2-HDTV_SOGIN SH2 RGB2-HDTV_BIN SH2 RGB2-HDTV_RIN SH2 RGB2-HDTV_GINSH2 Title Size Document Number Rev Date: Sheet of TSUMV59XUS V1.0 AV&YPBPR A3 3 7 Monday, June 10, 2013 Title Size Document Number Rev Date: Sheet of TSUMV59XUS V1.0 AV&YPBPR A3 3 7 Monday, June 10, 2013 Title Size Document Number Rev Date: Sheet of TSUMV59XUS V1.0 AV&YPBPR A3 3 7 Monday, June 10, 2013 R66 ? R66 ? C71 ? C71 ? C73 ? C73 ? Q7 ? Q7 ? 1 3 2 R62 ? R62 ? R75 ? R75 ? R89 ? R89 ? R74 ? R74 ? R82 ? R82 ? R76 ? R76 ? R83 ? R83 ? R87 ? R87 ? R78 ? R78 ? CN1/CN1 ? CN1/CN1 ? 1 2 3 4 P4 ? P4 ? 5 5 2 2 3 3 4 4 6 6 1 1 R71 ? R71 ? Q8 ? Q8 ? 1 2 3 R85 ? R85 ? C72 ? C72 ? R81 ? R81 ? P1 ? P1 ? R61 ? R61 ? R86 ? R86 ? R79 ? R79 ? R84 ? R84 ? R70 ? R70 ? R80 ? R80 ? R65 ? R65 ? L7 ? L7 ? R73 ? R73 ? C74 ? C74 ? R77 ? R77 ? R63 ? R63 ? R69 ? R69 ? P2 ? P2 ? 1 VCC 1 2 D- 2 3 D+ 3 4 GND 4 SHIELD 5 SHIELD 6 R64 ? R64 ? R88 ? R88 ? R72 ? R72 ? P3 ? AV-ST-322A P3 ? AV-ST-322A 1 2 3 4 5 R68 ? R68 ? R67 ? R67 ? P5 ? P5 ? 5 5 2 2 3 3 4 4 6 6 1 1 5 4 3 2 1 D D C C B B A A UART-RX VGA-SCL UART-TX VGA-SDA VGA_VS VGA_HS VGA-Bin VGA-Gin VGA-HS VGA-VS VGA-AURin0 VGA-AULin0 PC-R PC-L RGB0_Pb+ RGB0_Y-SOG RGB0_Y+ RGB0_Pr+ VGA-Rin VGA_HS SH2 VGA_VS SH2 UART-TX SH2 UART-RX SH2 VGA-AULin0 SH2 VGA-AURin0 SH2 RGB0_Pr+ SH2 RGB0_Y+ SH2 RGB0_Y-SOG SH2 RGB0_Pb+ SH2 Title Size Document Number Rev Date: Sheet of TSUMV59XUS V1.0 VGA A4 4 7 Monday, June 10, 2013 Title Size Document Number Rev Date: Sheet of TSUMV59XUS V1.0 VGA A4 4 7 Monday, June 10, 2013 Title Size Document Number Rev Date: Sheet of TSUMV59XUS V1.0 VGA A4 4 7 Monday, June 10, 2013 P7 ? P7 ? 5 10 4 9 3 8 2 7 1 15 14 13 12 11 6 16 17 R94 ? R94 ? R104 ? R104 ? R96 ? R96 ? R95 ? R95 ? R101 ? R101 ? R90 ? R90 ? R98 ? R98 ? R92 ? R92 ? R97 ? R97 ? R93 ? R93 ? R91 ? R91 ? R99 ? R99 ? R102 ? R102 ? R100 ? R100 ? P6 ? P6 ? 2 3 5 1 4 R103 ? R103 ? 5 4 3 2 1 D D C C B B A A HDMI0-RX2+ HDMI0-RX2- HDMI0-RX1+ HDMI0-RX1+ HDMI0-RX2- HDMI0-RX1- HDMI0-RX0+ HDMI0-RX0- HDMI0-SCL HDMI0-RXC+ HDMI0-RXC- HDMI0-SDA HDMI_HP0 HDMI0-RX1- HDMI_HP0 HDMI-CEC CEC HDMI0-RX2+ HDMI0-RX0+ CEC HDMI0-RX0- HDMI0-RXC+ HDMI0-RXC- ARC HDMI0-SCL HDMI0-SDA HDMI2-RX1+ HDMI2-RX2- HDMI2-RX1- HDMI2-RX0+ HDMI2-RX0- HDMI2-RXC+ HDMI2-RXC- SDA2 SCL2 HDMI2-RX2+ CEC ARC HDMI2-RX1+ HDMI2-RX2- HDMI2-RX1- HDMI2-RX0+ HDMI2-RX0- HDMI2-RXC+ HDMI2-RXC- HDMI2-RX2+ ARC SCL2 SDA2 HDMI-CEC CEC HDMI_HP1 HDMI_HP1 HDMI0/5V HDMI2_5V HDMI0-RX2P SH2 HDMI0-RX2N SH2 HDMI0-RX1P SH2 HDMI0-RX1N SH2 HDMI0-RX0P SH2 HDMI0-RX0N SH2 HDMI0-CLKP SH2 HDMI0-CLKN SH2 HDMI-CEC SH2 HDMI_HP0 SH2 HDMI0-SCL SH2 HDMI0-SDA SH2 ARC SH2 HDMI1-RX2P SH2 HDMI1-RX2N SH2 HDMI1-RX1P SH2 HDMI1-RX1N SH2 HDMI1-RX0P SH2 HDMI1-RX0N SH2 HDMI1-CLKP SH2 HDMI1-CLKN SH2 HDMI1-SCL SH2 HDMI1-SDA SH2 ARC SH2 HDMI-CEC SH2 HDMI_HP1 SH2 Title Size Document Number Rev Date: Sheet of TSUMV59XUS V1.0 HDM1 Custom 5 7 Monday, June 10, 2013 Title Size Document Number Rev Date: Sheet of TSUMV59XUS V1.0 HDM1 Custom 5 7 Monday, June 10, 2013 Title Size Document Number Rev Date: Sheet of TSUMV59XUS V1.0 HDM1 Custom 5 7 Monday, June 10, 2013 R111 ? R111 ? Q10 ? Q10 ? 1 2 3 R115 ? R115 ? P8 ? P8 ? DATA2+ 1 DATA2 SHIELD 2 DATA2- 3 DATA1+ 4 DATA1 SHIELD 5 DAT1A- 6 DATA0+ 7 8 DATA0 SHIELD DATA0- 9 CLK+ 10 CLK SHIELD 11 CLK- 12 CEC 13 NC 14 SCL 15 SDA 16 DDC/CEC GND 17 +5V POWER 18 HOT PLUG 19 20 GND1 21 GND2 22 GND3 23 GND4 R113 ? R113 ? R116 ? R116 ? R114 ? R114 ? C75 ? C75 ? R105 ? R105 ? R108 ? R108 ? R107 ? R107 ? R110 ? R110 ? P9 ? P9 ? DATA2+ 1 DATA2 SHIELD 2 DATA2- 3 DATA1+ 4 DATA1 SHIELD 5 DAT1A- 6 DATA0+ 7 8 DATA0 SHIELD DATA0- 9 CLK+ 10 CLK SHIELD 11 CLK- 12 CEC 13 NC 14 SCL 15 SDA 16 DDC/CEC GND 17 +5V POWER 18 HOT PLUG 19 20 GND1 21 GND2 22 GND3 23 GND4 R109 ? R109 ? Q9 ? Q9 ? 1 2 3 R106 ? R106 ? R112 ? R112 ? 5 4 3 2 1 D D C C B B A A TU_SCL VIFP VIFM +VDD3V VOP VDD3V_RFB IF-IN- VDD3V_RFB VDD3V_RFA VDD3V_RFA +VDD3V +VDD3V IF-IN+ VON TU_SDA TU_SCL VOP VON +VDD3V TUAGC TUAGC TAGC TU_SDA SYS_SDA SYS_SCL RF_IN TUNER_VCC +VDD3V TUNER_VCC +5V_Normal TUNER_VCC SYS_SDA SH2 TAGC SH2 SYS_SCL SH2 VIFP SH2 VIFM SH2 Title Size Document Number Rev Date: Sheet of TSUMV59XUS V1.0 TUNER A3 6 7 Monday, June 10, 2013 Title Size Document Number Rev Date: Sheet of TSUMV59XUS V1.0 TUNER A3 6 7 Monday, June 10, 2013 Title Size Document Number Rev Date: Sheet of TSUMV59XUS V1.0 TUNER A3 6 7 Monday, June 10, 2013 BPF_IN V2 Single ended:75ohm RFIN TUNER AGC,Close TUNER 180mA CT8 ? CT8 ? R117 ? R117 ? C104 ? C104 ? C98 ? C98 ? C83 ? C83 ? C78 ? C78 ? R121 ? R121 ? C82 ? C82 ? CT9 ? CT9 ? R124 ? R124 ? L10 ? L10 ? P10 ? P10 ? 1 2 3 4 5 L11 ? R0402 L11 ? R0402 C79 ? C79 ? C99 ? C99 ? L18 ? R0402 L18 ? R0402 R119 ? R119 ? C103 ? C103 ? CT1 ? CT1 ? L14 ? R0402 L14 ? R0402 L21 ? R0402 L21 ? R0402 CT2 ? CT2 ? C76 ? C76 ? C90 ? C90 ? L20 ? R0402 L20 ? R0402 C88 ? C88 ? CT3 ? CT3 ? C95 ? C95 ? ADJ OUT IN U7 ? ADJ OUT IN U7 ? 3 2 1 4 CT4 ? CT4 ? L15 ? R0402 L15 ? R0402 D1 ? D1 ? C81 ? C81 ? L13 ? R0402 L13 ? R0402 C91 ? C91 ? Y2 ? Y2 ? 1 2 C84 ? C84 ? C92 ? C92 ? C94 ? C94 ? L17 ? R0402 L17 ? R0402 L9 ? L9 ? C93 ? C93 ? R122 ? R122 ? C97 ? C97 ? C80 ? C80 ? C100 ? C100 ? CT5 ? CT5 ? C86 ? C86 ? C102 ? C102 ? R123 ? R123 ? R118 ? R118 ? C85 ? C85 ? R120 ? R120 ? C87 ? C87 ? L12 ? L12 ? CT6 ? CT6 ? R125 ? R125 ? C89 ? C89 ? C101 ? C101 ? C96 ? C96 ? CT7 ? CT7 ? L19 ? R0603 L19 ? R0603 U8 ? U8 ? open_d 2 avdd 3 det1 4 det2 5 sclk 6 sda 7 xtal_i 8 avdd 18 2v 17 avss 16 cp 15 dvdd 10 xtal_o 9 rf_lp 1 rf_hp 24 avdd 23 tf1p 22 tf1n 21 tf2p 20 tf2n 19 gnd 25 dvss 11 ifp 12 vagc 14 ifp 13 R126 ? R126 ? L8 ? L8 ? C77 ? C77 ? L16 ? R0402 L16 ? R0402 5 4 3 2 1 D D C C B B A A AMP-EN AMP_AUOUTR0 AMP_AUOUTL0 PH-ROUT GAIN0 GAIN1 PH-ROUT PH-LOUT AMP.R+_OUT AMP.L+_OUT EP_L+ EP_R+ AMP.L-_OUT PH-LOUT AMP.R-_OUT AMP.L-_OUT AMP.R+_OUT AMP.R-_OUT STB_MUTE AMP.L+_OUT +12V_NORMAL +5V_Normal GND_AUD +12V_NORMAL AMP_VCC GND_AUD GND_AUD AMP_VCC GND_AUD AMP_VCC GND_AUD GND_AUD GND_AUD GND_AUD GND_AUD GND_AUD GND_AUD AMP_VCC GND_AUD GND_AUD GND_AUD GND_AUD GND_AUD GND_AUD AMP_AUOUTR0 SH2 AMP_AUOUTL0 SH2 AMP-MUTE SH2 Title Size Document Number Rev Date: Sheet of TSUMV59XUS V1.0 AUDIO AMP A3 7 7 Monday, June 10, 2013 Title Size Document Number Rev Date: Sheet of TSUMV59XUS V1.0 AUDIO AMP A3 7 7 Monday, June 10, 2013 Title Size Document Number Rev Date: Sheet of TSUMV59XUS V1.0 AUDIO AMP A3 7 7 Monday, June 10, 2013 R128 ? R128 ? C112 ? C112 ? R130 ? R130 ? R134 ? R134 ? R143 ? R143 ? C106 ? C106 ? R142 ? R142 ? U9 ? U9 ? FAULT 2 PBTL 14 LINP 3 LINN 4 PVCCL 28 OUTPL 25 OUTPR 18 PLIMIT 10 RINN 11 OUTNL 23 PGND 24 PVCCL 27 BSPR 17 BSNL 22 AVCC 7 GAIN1 6 RINP 12 PGND 19 SD 1 OUTNR 20 AGND 8 BSPL 26 PVCCR 15 BSNR 21 NC 13 GAIN0 5 GVDD 9 PVCCR 16 PGND 29 L25 ? L25 ? C129 ? C129 ? C109 ? C109 ? R141 ? R141 ? C123 ? C123 ? R136 ? R136 ? R137 ? R137 ? C122 ? C122 ? R145 ? R145 ? R127 ? R127 ? C132 ? C132 ? L22 ? L22 ? C117 ? C117 ? Q12 ? Q12 ? 3 1 2 R135 ? R135 ? C105 ? C105 ? C121 ? C121 ? R133 ? R133 ? R146 ? R146 ? C130 ? C130 ? C124 ? C124 ? C113 ? C113 ? C111 ? C111 ? C107 ? C107 ? P11 P11 1 2 7 3 6 4 5 + E5 ? + E5 ? C108 ? C108 ? C131 ? C131 ? E6 ? E6 ? C125 ? C125 ? C110 ? C110 ? L24 ? L24 ? R129 ? R129 ? C120 ? C120 ? R140 ? R140 ? C127 ? C127 ? C118 ? C118 ? CN4 CN4 1 3 4 2 C114 ? C114 ? C119 ? C119 ? C128 ? C128 ? C116 ? C116 ? C115 ? C115 ? R138 ? R138 ? L23 ? L23 ? Q11 ? Q11 ? D2 ? D2 ? 3 2 1 C126 ? C126 ? R132 ? R132 ? R131 ? R131 ? R139 ? R139 ? R144 ? R144 ?

标签:

版权声明

1. 本站所有素材,仅限学习交流,仅展示部分内容,如需查看完整内容,请下载原文件。
2. 会员在本站下载的所有素材,只拥有使用权,著作权归原作者所有。
3. 所有素材,未经合法授权,请勿用于商业用途,会员不得以任何形式发布、传播、复制、转售该素材,否则一律封号处理。
4. 如果素材损害你的权益请联系客服QQ:77594475 处理。