TCL LE39D8810液晶电视(MSJ8机芯)维修培训手册

分类:电子电工 日期: 点击:0
TCL LE39D8810液晶电视(MSJ8机芯)维修培训手册-0 TCL LE39D8810液晶电视(MSJ8机芯)维修培训手册-1 TCL LE39D8810液晶电视(MSJ8机芯)维修培训手册-2 TCL LE39D8810液晶电视(MSJ8机芯)维修培训手册-3 TCL LE39D8810液晶电视(MSJ8机芯)维修培训手册-4 TCL LE39D8810液晶电视(MSJ8机芯)维修培训手册-5 TCL LE39D8810液晶电视(MSJ8机芯)维修培训手册-6 TCL LE39D8810液晶电视(MSJ8机芯)维修培训手册-7 TCL LE39D8810液晶电视(MSJ8机芯)维修培训手册-8 TCL LE39D8810液晶电视(MSJ8机芯)维修培训手册-9

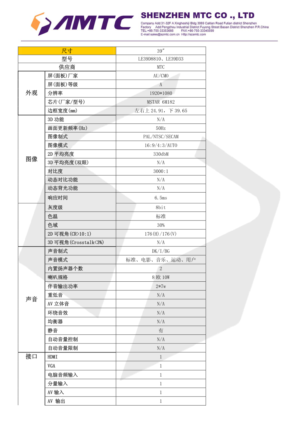
维修手册 产品名称:直下式液晶电视机 产品型号:LE39D8810、LE39D33; 产品机芯:MST6M182 机芯代码:MSJ8 产品简图: 1、产品外观结构特征(含外观图) 1.1 LE39D8810、LE39D33 高光面框 1.2 后铭牌图: 1.3 遥控器图: 1.4 端子板: 1.5☆产品特性 1、一体机; 2、超薄 LED。 1.6☆产品先进技术: 1、护眼防眩光。 2.RMVB 数字解码; 2、产品功能及主要特点 尺寸 39" 型号 LE39D8810、LE39D33 供应商 MTC 屏(面板)厂家 AU/CMO 屏(面板)等级 A 分辨率 1920*1080 芯片(厂家/型号) MSTAR 6M182 外观 边框宽度(mm) 左右上 24.91,下 39.65 3D 功能 N/A 画面更新频率(Hz) 50Hz 图像制式 PAL/NTSC/SECAM 图像模式 16:9/4:3/AUTO 2D 平均亮度 330dbM 3D 平均亮度(双眼) N/A 对比度 3000:1 动态对比功能 N/A 动态背光功能 N/A 图像 响应时间 6.5ms 灰度级 8bit 色温 标准 色域 30% 2D 可视角(CR>10:1) 176(H)/176(V) 3D 可视角(Crosstalk<3%) N/A 声音制式 DK/I/BG 声音模式 标准、电影、音乐、运动、用户 内置扬声器个数 2 喇叭规格 8 欧 10W 伴音输出功率 2*7w 重低音 N/A AV 立体音 N/A 环绕音效 N/A 均衡器 N/A 静音 有 自动音量控制 N/A 声音 自动音量限制 N/A HDMI 1 VGA 1 电脑音频输入 1 分量输入 1 AV 输入 1 接口 AV 输出 1 USB 1 耳机 0 数字音频输出 0 S-VIDEO 输入 0 网络接口 0 TV 天线(RF) 1 SD-CARD 0 其他接口 0 底座 1 是否旋转 否 包装方式(分体/一体) 一体 净尺寸(带底座)mm 906*250*600 净尺寸(不带底座)mm 906*75*548 包装尺寸(含底座包装)mm 1078*177*719 净重(不含底座)kg 9 净重(含底座)kg 10 毛重 12.7 结构参 数 壁挂规格 200*200 M6 电源规格 宽电压 工作电压范围 100-240V 电压频率 50Hz 整机功率 70W 待机功率 小于 0.5W 中国能效标识等级 1 级 电源管 理 能效指数 1.7 DLNA 家庭媒体共享 N/A DVD 模组 N/A 节目存储量 100 丽音 N/A 图像处理 3D 梳状滤波器 睡眠定时 有 节目清单 有 CC/V_CHIP N/A 其他规 格 节目指南 EPG 有 3、品使用说明及产品改进介绍、检测工具 【要求各开发型号经理添加产品使用说明及产品改进介绍】 本调试说明只供液晶电视机机芯调试用,调试前需对本机的各部分电路先进行装配检查,做到各 部分电路的元器件无错接、碰接、漏接、漏焊、当各部分电路符合电路原理图及装配要求后,方可 开始调试,调试中所用仪器必须事先通过计量,校对,保证精度,否则不得使用。 3.1 仪器、仪表、操作工具的配置: A、适合 6M182 机芯的 LED 工装机一台; B、数字电压表一只; C、交流稳压电源一只; D、工厂标准信号电缆输入系统; E、40MHz 双踪示波器一只。 3.2 基板检查方法: A、将主机板与适合的工装机连接,连接公司调试信号。 B、接通交流 220V 电源,整机进入待机状态,按遥控或本控开机键,开机进入标准状态。 C、按遥控器“节目+”“节目–”键检查各节目号的图像和伴音信号,应有彩卡、方格、竖 卡、彩条、数码照片、三基色信号等不同制式的图像和伴音信号,要求无漏台,如有漏台, 请用自动搜索或手动搜索补齐此信号; D、接收 PAL 彩色测试卡信号,用遥控器调音量、平衡、对比度、亮度、色度、锐度控制, 声音、画面应有变化; E、电视制式检查:接收 PAL-D/K 制式的图像和伴音信号,在搜台时可以自动识别图像制式 和声音制式, 检识别的图像和声音制式是否正确。 F、外端子输入输出检查:按“信号源”键,工装机上显示“信号源”菜单,包括:TV、AV、 COMPONENT、PC、HDMI、USB,示波器上应可观察到相应的音、视频输入输出信号,工装机 上图像和伴音信号应正常。同时还需要检测 AV 输出信号是否正常。 4、使用者的警告 4.1 警告: 为了防止电击或火灾,请不要将电视放到有雨雾的场所。不要使用任何可能对显示屏造成刮 伤、毁坏的硬物体磨擦或敲击显示屏。 4.2 注意: 禁止在未经授权的情况下以任何方式私自更改本产品。 4.3 供电电源 产品直接用交流电供电,供电电压值见电视后盖标牌上的说明。将交流电源线一端按照电视 后端子标牌标注位置插入电源端口,另一端接在电源插座即可完成电源连接。 在有雷电或交 流供电断电的时候,请拔掉电源插头和天线插头。电源线不允许有任何其它东西帖靠或缠绕 在上面,也不要将电源线置于可能受到毁坏的地方。 4.4 使用场所 避免电视的屏幕直接对着外界的强光或阳光。避免电视受到不必要的任何振动,不要将电视 置于过湿、过热或多灰尘的地方。保证电视有良好的空气对流,不要将任何物体覆盖在后盖 的通风口上。 4.5 清洁 在清洁电视屏之前将电源插头拔下。使用干净的软布擦拭显示屏和电源线。如果显示屏需要 特别的清洗,请使用干净、潮湿的抹布进行擦拭。请不要使用任何汽油、酒精、苯类有机液 体或气雾状清洁剂。请不要用力过大以致损坏屏幕。 4.6 注意事项 显示屏属于精密显示器件,屏幕上有个别的亮点、暗点,或红、绿、蓝色之类的少许死像素 这是正常现象,不属于不良品。 A、显示屏长时间显示同一个静止画面时,会在电视上留下一 个残影,这种损坏属于使用不当造成的。 B、电视在连接各种系统时,可能会出现系统不匹 配的现象,特别是连接电脑时,有些显卡可能不匹配,而且本机只识别刷新率为 60HZ。 C、 由于本机使用嵌入式的操作系统,软件比较复杂,可能在工作中或待机中出现软件问题,如 果重新启动能恢复正常,就不属于故障。 5、案例预防措施、产品使用及日常维护保养知识. 5.1 液晶屏材质:液晶屏幕的表面看似一片坚固的黑色屏幕,其实在这层屏幕上厂商都会加上 一层特殊的涂层。这层特殊涂层的主要功能就在于防止使用者在使用时所受到其它光源的 反光以及炫光,同时加强液晶屏幕本身的色彩对比效果。不过因为各厂商所使用的这层镀 膜材料也不尽相同,当然它的耐久程度也会因此有所差异。因此使用者在清洁时,千万不 可随意用任何碱性溶液或化学溶液擦拭屏幕表面。液晶面板的污迹大体分为种,一种是因 为日积月累所粘留的空气中的灰尘,一种是使用者在不经意中留下的指纹和油污。 5.2 由于液晶面板本身复杂的物理结构设计,所以在擦拭液晶面板的时候,千万不要用不知名 的清洁液,更不能使用清水和酒精溶液。这里误区有三: 误区 1、用软布(眼镜布)或纸巾来擦拭液晶屏幕,建议使用专用的液晶擦拭布 千万不能 用眼镜布和纸巾来擦拭液晶屏幕,很容易划伤“娇气”的液晶屏幕。对于第一类灰尘,我 们可以使用专用的液晶擦拭布如 supermax2020 在液晶面板上轻轻擦拭,一般来说指纹和油 污并非如前者那样容易清除,但是如果使用专用的液晶擦拭布,这就不是一个难题了,因 为专用的液晶擦拭布采用的是特殊纤维,具有比一般高档眼镜布要好的多的擦拭效果,而 且柔软不会擦伤屏幕,同时还具有消散静电的独特功能; 特别提醒: 一般的布和纸巾是 液晶面板的杀手! 误区 2、用清水清洁液晶屏幕。 使用清水,液体极易滴入液晶显示器和设备内部,这样 会造成设备电路短路,从而烧坏昂贵的电子设备。对于指纹和油污,清水照样无能为力。 误区 3、用酒精和其它一些化学溶剂清洁液晶屏幕。 一般来说,酒精是一种常用的有机溶 剂,可以溶解一些不容易擦去的污垢,如果只是用来清洁显示器外壳,也没什么不良影响。 但一定不要用酒精来清洁液晶屏幕,因为现在的液晶屏幕,都在屏幕上涂有特殊的涂层, 使屏幕具有更好的显示效果,一旦使用酒精擦拭显示器屏幕,就会溶解这层特殊的涂层, 对 显示效果造成不良影响。 用化学溶剂就更不可取,这种化学制剂对“骄气”的液晶面板简 直就是毁灭性的打击。 如果您的屏幕不小心沾上了果汁、口水或者咖啡等不易清楚的污 渍,千万不要用纸巾或者眼镜布之类的来使劲擦拭,因为这样很容易在擦掉污渍的同时也 擦伤液晶屏幕;您可以用液晶专用擦拭布如 supermax2020 喷加适量无离子水,使 supermax2020 略具潮湿感,然后再去擦拭,就可以既让污渍无踪迹也不会擦伤您的液晶屏 幕。 6、产品主要技术参数(含所用机芯、屏、电源的规格) 1、液晶屏:LED 规格: 2、电源:514C3205M05(TV3202-ZC02-01)配 AU 屏 514C4205M07(TV4205-ZC02-01)配 CMO 屏 3、机芯板:6M182 4、遥控器:RC06 7、原理图及接线图 7.1 原理图 5 5 4 4 3 3 2 2 1 1 D D C C B B A A ��DC-DC Vpp=21mV Temperature 50� 150MA Vpp=23mV 300mA 1.812V U5�������: MST6M181VG/MST6M182VG:�����DDR2,U5���1.8V;(R107=82K) ��DC-DC ��DC-DC down up V =0.6X(1+R /R ) out 1.32V DC-DC R27����� �������� Vpp=100mV 1E56 BIT3 NOTE4 MAX 600mA PANEL POWER ON OFF ��DC-DC +3.3V_Normal Main Chip POWER DDR_POWER +3.3V_Standby 495MA 340mA 1.26A(�����������) 132mA Vpp=20mV D� C150����� ����� �����HDMI SWITCH ��DC-DC ��DC-DC +3.3V_Normal +2.5V_Normal 5VA +3.3V_Normal 5VA AVDD_DDR 1.32V 12VA 5VA VCC-Panel 5VA +3.3V_Standby 5Vstb PANEL_ON/OFF 2 Title Size Document Number Rev Date: Sheet of 01.DC-DC 1.0 MST6M182VG C 1 9 Friday, March 09, 2012 Title Size Document Number Rev Date: Sheet of 01.DC-DC 1.0 MST6M182VG C 1 9 Friday, March 09, 2012 Title Size Document Number Rev Date: Sheet of 01.DC-DC 1.0 MST6M182VG C 1 9 Friday, March 09, 2012 C114 0.1uF(X7R) C114 0.1uF(X7R) C116 10uF(X5R) C116 10uF(X5R) Q101 AO3407 Q101 AO3407 1 3 2 ADJ OUT IN U104 AMS1117-3.3V ADJ OUT IN U104 AMS1117-3.3V 3 2 1 4 SY8008B SOT-23 U102 SY8008B SOT-23 SY8008B SOT-23 U102 SY8008B SOT-23 GND 2 LX 3 VIN 4 OUT/FB 5 EN 1 C111 10uF(X5R) C111 10uF(X5R) C117 10uF(X5R) C117 10uF(X5R) C118 10uF(X5R) C118 10uF(X5R) C127 100PF C127 100PF L101 10uH_1.5A L101 10uH_1.5A C113 0.1uF(X7R) C113 0.1uF(X7R) R117 NC/0R-0805 R117 NC/0R-0805 C130 0.1uF(X7R) C130 0.1uF(X7R) C132 10uF(X7R) C132 10uF(X7R) R122 100K R122 100K + EC121 220uF/16V + EC121 220uF/16V C119 10uF(X5R) C119 10uF(X5R) R102 120K R102 120K C115 100PF C115 100PF C112 10uF(X5R) C112 10uF(X5R) L107 2.2uH_1.5A L107 2.2uH_1.5A C138 0.1uF C138 0.1uF R104 100K R104 100K L106 10uH_1.5A L106 10uH_1.5A R124 10K R124 10K C105 10uF(X5R) C105 10uF(X5R) R103 0R-0402 R103 0R-0402 C102 0.1uF(X7R) C102 0.1uF(X7R) L105 2.2uH_1.5A L105 2.2uH_1.5A R109 120K R109 120K R123 1K R123 1K + EC120 220uF/16V + EC120 220uF/16V Q102 2N7002 Q102 2N7002 1 3 2 R101 10k R101 10k C150 10uF(X5R) C150 10uF(X5R) R119 4.7K R119 4.7K R120 51-0603 R120 51-0603 R118 0R-0805 R118 0R-0805 C108 0.1uF C108 0.1uF R115 100K R115 100K C135 0.1uF(X7R) C135 0.1uF(X7R) R112 330K R112 330K R108 100K R108 100K L108 10uH_1.5A L108 10uH_1.5A C103 33P C103 33P C120 0.1uF(X7R) C120 0.1uF(X7R) C134 0.1uF(X7R) C134 0.1uF(X7R) C139 10P C139 10P C137 0.1uF C137 0.1uF C101 10uF(X5R) C101 10uF(X5R) C121 33P C121 33P R105 120K R105 120K C125 0.1uF(X7R) C125 0.1uF(X7R) R107 82K R107 82K C107 10uF(X5R) C107 10uF(X5R) + EC104 220uF/16V + EC104 220uF/16V SY8008B SOT-23 U101 SY8008B SOT-23 SY8008B SOT-23 U101 SY8008B SOT-23 GND 2 LX 3 VIN 4 OUT/FB 5 EN 1 R110 1K R110 1K Q110 3904 Q110 3904 1 2 3 C110 33P C110 33P D101 1N4001 D101 1N4001 1 2 C133 10uF(X7R) C133 10uF(X7R) C109 0.1uF C109 0.1uF R121 150K R121 150K SY8008B SOT-23 U103 SY8008B SOT-23 SY8008B SOT-23 U103 SY8008B SOT-23 GND 2 LX 3 VIN 4 OUT/FB 5 EN 1 C104 10uF(X5R) C104 10uF(X5R) L102 2.2uH_1.5A L102 2.2uH_1.5A R106 1K R106 1K C129 0.1uF(X7R) C129 0.1uF(X7R) 5 5 4 4 3 3 2 2 1 1 D D C C B B A A LVDS & T-CON CONNECTOR LVDS CONNECTOR IR KEYBOARD To dvd KEY PAD �������� Standby Power 3.3V Normal Power 3.3V Normal Power 1.2V DDR2 VREF 4'h0 4'h3 4'h7 {I2S_OUT_BCK, I2S_OUT_MCK, PAD_PWM1, PAD_PWM0} B51_no_EJ B51_Secure_no_scramble B51_Secure_scramble Normal Power 2.5V 250mA Close to IC with width trace SERIAL FLASH Debug port System XTAL Audio Chip Config DDR power �IC�MST6M181VG�MST6M182VG�� R201�R202�C203���� �IC�MST6M161LG�� R201�R202�C203���� �IC�MST6M181VG�MST6M182VG�� GPIO4(BALL N8)�GPIO7(BALL N9)�NC PIN� R104 R106 C113 C114 �IC�MST6M181VG�MST6M182VG�� BALL D5�BALL B4�NC PIN; ��MST6M161LG��PIN ��HDMI INPUT ��RESET��:110ms RESET CIRCUIT LED Close IC Tuner ON OFF ��MST6M182�� AUL1 AUR1 RXE4+ RXO4+ RXO4- RXE4- RXE1- RXE0- RXEC- RXE2- RXE3- RXE1+ RXE3+ RXEC+ RXE2+ RXE0+ RXO2- RXO0- RXO1- RXOC- LCD_OP RXO3- RXO1+ RXOC+ RXO2+ RXO0+ RXO3+ PANEL_ON/OFF OVERDRIVER FLASH_WP0N SPI_Flash-SDO SPI_CS0N +3.3V_Standby VCC-FLASH SPI_Flash-SCK SPI_Flash-SDI VCC-FLASH STANDBY IRIN LED_G FLASH_CS0N LED_R FLASH_WP0N SPI_Flash-SDI SPI_Flash-SDO SPI_Flash-SCK KEY1 KEY0 KEY0 KEY0 KEY0 KEY0 KEY0 KEY0 KEY0 KEY0 KEY0 KEY0 KEY0 KEY0 KEY0 KEY0 KEY0 KEY0 KEY1-in KEY0-in SPI_WP0N SPI_CS0N STANDBY IRIN IRIN KEY0-in KEY1-in LED_R LED_G IR_SYNC IRIN AV_AULin1 SPI-SDI SPI_Flash-SDI PANEL_ON/OFF UART-RX UART-TX SPI-SCK SPI_Flash-SCK PWR-ON/OFF RGB0_Pb+ RGB0_Y+ RGB0_Y-SOG RGB0_Pr+ BIN0 GIN0M GIN0P SOGIN0 VGA_HS VGA_VS RIN0 RGB2-HDTV_SOGIN RGB2-HDTV_GIN RGB2-HDTV_RIN RGB2-HDTV_BIN RIN2 SOGIN2 GIN2P GIN2M BIN2 SDA MUTE AMP AMP-MUTE LED-G LED-G HDMI-CEC DDCDA_CK HDMI1-ARC DDCDA_DA HDMI1-RX0N HDMI1-CLKP HDMI1-CLKN HDMI1-RX1N HDMI_HP1 BIN0 HDMI1-RX0P HDMI1-RX1P HDMI1-RX2P HDMI1-RX2N VGA_VS VGA_HS SOGIN0 GIN0P GIN0M RIN0 RIN2 BIN2 GIN2M GIN2P SOGIN2 ADJ-PWM BRI_ADJ-PWM0 LVA4N LVA3P LVA4P XTALI AGC VIFM VIFP LVA3N LVA0P POL GCLK2 GCLK3 XTALO LVB3P LVBCP LVB3N LVB4N LVB2P LVBCN LVB1P LVB0N LVB0P LVB2N LVA0N LVA2N LVA1N LVACN LVB4P LVB1N FCLK3 GCLK1 LVA2P LVA1P LVACP VST SOE PT_EN1 System-RST IR_SYNC SPI_CS0N USB0_DP USB0_DM KEY1 KEY0 TUNER_SCL TUNER_SDA LHSYNC SCL AVSS_PGA PWR-ON/OFF PANEL ON/OFF PANEL_ON/OFF LDE SPI_WP0N CFG-PWM1 ON_PBACK SPI-SDO SPI_Flash-SDO AUVRP MDDR_VREF LVSYNC AMP-AUOUTR0 AV-AUOUTR3 AUR0 CVBS2P AV-AUOUTL3 AMP-AUOUTL0 AUVAG AUL0 CVBS_OUT0 VCOM0 AUVRM AUR0 AUL0 AMP-MUTE UART-TX UART-RX MDDR_VREF LCK CVBS2P VCOM0 CVBS_OUT0 AV_AULin0 AV_AURin0 HDMI1-CLKN HDMI1-CLKP HDMI1-SCL DDCDA_CK HDMI1-RX1N HDMI1-RX1P HDMI1-RX2N HDMI1-RX2P HDMI1-RX0N HDMI1-RX0P HDMI1-SDA DDCDA_DA HDMI1-ARC HDMI_HP1 ARC HDMI-CEC AUBCK_OUT AUMCK_OUT CFG-PWM1 BRI_ADJ-PWM0 DVDD_NODIE_1.2V AUBCK_OUT AVSS_PGA AV_AURin1 DVDD_NODIE_1.2V XTALO XTALI AUVRP AUVAG AUVRM AUMCK_OUT AUL1 AUR1 AV1_VIN System-RST TUNER_SDA TUNER_SCL TAGC AGC VIFP VIFM LED_R LED_G LED-G PH_DETEC LVSYNC LDE PT_EN1 LCK LHSYNC GCLK3 GCLK1 FCLK3 VST GCLK2 SOE POL LVB4P LVB4N RXO4- RXO4+ RXE0+ RXE0- RXE4- RXE4+ LVA4N LVA4P LVA0N LVA0P LVB1N LVB1P LVB2N LVB2P LVBCN LVBCP LVB3N LVB3P LVB0N LVB0P RXO2+ RXO2- RXO0- RXO1- RXO1+ RXO0+ RXOC- RXO3+ RXO3- RXOC+ RXE1- RXE1+ RXE3- RXE3+ RXE2+ RXEC- RXEC+ RXE2- LVA1N LVA1P LVA2N LVA2P LVACN LVACP LVA3N LVA3P SDA SCL OVERDRIVER PANEL_ON/OFF VCC-Panel +3.3V_Normal VCC-Panel 5Vstb 5Vstb +3.3V_Standby +3.3V_Standby +3.3V_Standby +3.3V_Standby +3.3V_Normal AVDD_33 +3.3V_Standby VDDC 1.32V +2.5V_PGA VDDC AVDD_DDR AVDD_33 ADC2P5 AVDD_33_PM 5Vstb AVDD_DDR AVDD_33_PM +2.5V_Normal +2.5V_PGA +2.5V_Normal ADC2P5 AVDD_DDR 5Vstb 5V-Tuner 5V-Tuner 5Vstb +3.3V_Normal AV_AUOUTL3 3 AV1-AURin1 3 AV_AUOUTR3 3 AV1-AULin1 3 AMP_AUOUTL0 7 VGA_HS 5 VGA_VS 5 RGB0_Pb+ 5 RGB0_Y-SOG 5 RGB0_Y+ 5 RGB0_Pr+ 5 RGB2-HDTV_BIN 3 RGB2-HDTV_SOGIN 3 RGB2-HDTV_GIN 3 RGB2-HDTV_RIN 3 USB1_D- 3 USB1_D+ 3 UART-RX 5 UART-TX 5 ADJ-PWM 9 PANEL_ON/OFF 1 PWR-ON/OFF 8 AMP-MUTE 7 CVBS_OUT0 3 VGA-Lin_AU 5 VGA-Rin_AU 5 HDMI-CEC 3 HDMI1-RX2P 3 HDMI1-RX2N 3 HDMI1-RX1P 3 HDMI1-RX1N 3 HDMI1-RX0P 3 HDMI1-RX0N 3 HDMI1-CLKP 3 HDMI1-CLKN 3 HDMI1_SCL 3 HDMI1_SDA 3 HDMI_HP1 3 ARC 3 AV1_VIN 3 AMP_AUOUTR0 7 TUNER_SCL 6 TUNER_SDA 6 TAGC 6 VIFM 6 VIFP 6 ON_PBACK 9 PH_DETEC 3 Title Size Document Number Rev Date: Sheet of 02.MST6M182VG 1.0 MST6M182VG D 2 9 Friday, March 09, 2012 Title Size Document Number Rev Date: Sheet of 02.MST6M182VG 1.0 MST6M182VG D 2 9 Friday, March 09, 2012 Title Size Document Number Rev Date: Sheet of 02.MST6M182VG 1.0 MST6M182VG D 2 9 Friday, March 09, 2012 R230 1K R230 1K C251 0.1uF C251 0.1uF R212 68R R212 68R R229 1K R229 1K TF1 TP TF1 TP TF1 1 TF2 2 TF3 3 TF4 4 TF5 5 TF6 6 TF7 7 TF8 8 C217 1nF C217 1nF C282 1n C282 1n C223 47nF C223 47nF 7 5 3 1 8 6 4 2 RP225 22RX4 7 5 3 1 8 6 4 2 RP225 22RX4 R214 4.7K R214 4.7K C235 1uF C235 1uF R243 NC R243 NC R207 51R R207 51R C211 1nF C211 1nF C265 2.2uF C265 2.2uF C229 47nF C229 47nF R209 68R R209 68R R241 NC R241 NC C205 0.1uF C205 0.1uF C225 47nF C225 47nF C262 10P C262 10P C283 1n C283 1n CN202 LED-IR CN202 LED-IR 1 1 2 2 3 3 4 4 5 5 6 6 7 7 8 8 9 9 10 10 R250 0R R250 0R R246 4.7K R246 4.7K R242 NC R242 NC U202 EN25F32 U202 EN25F32 CE# 1 SO 2 WP# 3 VSS 4 SI 5 SCK 6 HOLD# 7 VDD 8 R239 10K R239 10K D201 BAV99 D201 BAV99 3 2 1 CN203 2*7Pin-2.0mm CN203 2*7Pin-2.0mm LVSYNC 1 LHSYNC 2 LDE 3 LCK 4 POL 5 VST 6 GCLK1 7 GCLK2 8 GCLK3 9 SOE 10 FLCK3 11 PT-EN1 12 GND 13 GND 14 C245 0.1uF C245 0.1uF C220 47nF C220 47nF L202 FB L202 FB R247 4.7K R247 4.7K C244 0.1uF C244 0.1uF R231 680R R231 680R 7 5 3 1 8 6 4 2 RP224 22RX4 7 5 3 1 8 6 4 2 RP224 22RX4 C224 47nF C224 47nF R206 22K R206 22K R232 4.7K R232 4.7K C226 47nF C226 47nF L206 FB L206 FB R221 8.2K R221 8.2K R201 1K_1% R201 1K_1% C232 10uF C232 10uF C221 47nF C221 47nF R220 8.2K R220 8.2K C263 22nF C263 22nF C266 2.2uF C266 2.2uF R204 4.7K R204 4.7K C222 1nF C222 1nF R215 27R R215 27R C260 100P C260 100P L203 FB L203 FB C207 0.1uF C207 0.1uF C202 0.1uF C202 0.1uF C236 1uF C236 1uF R222 10K R222 10K C218 47nF C218 47nF R205 1K R205 1K R240 10K R240 10K C252 0.1uF C252 0.1uF R216 1K R216 1K R226 0R R226 0R Q201 3906 Q201 3906 1 3 2 C246 0.1uF C246 0.1uF MST6M181VG MST6M182VG MST6M161LG 1.26V DDR1 2.5V DDR2 1.8V 2.5V 3.3V GPIO define MST6M161LG/MST6M181VG MST6M182VG MST6M161LG U201 MST6M181VG MST6M182VG MST6M161LG 1.26V DDR1 2.5V DDR2 1.8V 2.5V 3.3V GPIO define MST6M161LG/MST6M181VG MST6M182VG MST6M161LG U201 B_ODD7/LVA2M R12 NC/GPIO62 N9 SOGIN1 H2 BIN1P H3 GIN1M J2 GIN1P J3 CVBS2 K1 AVDD_DVI H4 AUL0 M2 AUREFM M4 GIN0P F3 RFAGC T4 B_ODD2/LVA3P P11 VIFM R6 VIFP T6 AVDD_PGA N5 AVDD_33 J4 RIN1P J1 R_ODD2/LVB2P N14 B_ODD5/LVACKM P12 G_ODD0/LVA1P P13 SAR2_GPIO13/GPIO73 C10 SAR1_GPIO12/GPIO74 C11 GPIO11/TCON11/HCON_39 D15 GPIO10/TCON10/OPT_N_38 G15 GPIO9/TCON9/OPT_P_37 F16 GPIO8/TCON8/FLK3_36 H16 GPIO3/TCON3/GCLK2_31 E16 GPIO2/TCON2/GCLK1_30 J14 GIN0M F2 GPIO21/TCON21/VGH_ODD_49 K14 GPIO20/TCON20/VGH_EVEN_48 K16 GPIO19/TCON19/GCLK6_47 L15 GPIO18/TCON18/GCLK5_46 K15 GPIO17/TCON17/GCLK4_45 G16 GPIO16/TCON16/WPWM_44 F15 GPIO13/TCON13/LEDON_41 D14 B_ODD0/LVA4P P10 B_ODD1/LVA4M R10 B_ODD3/LVA3M R11 B_ODD4/LVACLP T11 SCZ B15 G_ODD3/LVA0M R14 G_ODD4/LVB4P T14 G_ODD5/LVB4M T15 G_ODD6/LVB3P R15 G_ODD7/LVB3M R16 R_ODD4/LVB1P M14 G_ODD2/LVA0P P14 SDO B16 IRIN B9 CEC D6 HWRESET A9 HOTPLUGA D4 SOGIN0 E2 AUOUTL1 N4 AUOUTR1 P3 AUOUTL0 R2 AUOUTR0 T2 XIN T3 XOUT R3 AVDD_DMPLL K4 RXCKN_A A3 RXCKP_A A2 RX0N_A B3 RX0P_A B2 RX1N_A B1 RX1P_A C3 DDCDA_DA D3 RX2N_A C1 RX2P_A C2 DDCDA_CK D1 ARC D2 VDDC L8 HSYNC0 E4 BIN0P E3 RIN0P F1 VSYNC0 F4 AVDD_PLL J5 AVDD_25 H6 CVBS1 K2 CVBS0 L1 VCOM L2 CVBSOUT M1 AUR0 N1 AUL1 N2 AUR1 P1 AUVAG L3 AUL2 P2 AUR2 R1 AUL3 M3 AUR3 N3 AVDD_AU33 M5 AVDD_REF K6 PGA-COM P5 GPIO24/GPIO56 R8 GPIO25/GPIO57 R9 GPIO23/GPIO58 P8 NC/GPIO59 N8 GPIO27/GPIO60 T9 GPIO26/GPIO61 P9 GPIO22/GPIO55 T8 B_ODD6/LVA2P T12 G_ODD1/LVA1M R13 R_ODD0/LVBCKP P15 R_ODD1/LVBCKM P16 R_ODD3/LVB2M N15 R_ODD5/LVB1M M15 R_ODD6/LVB0P M16 R_ODD7/LVB0M L16 AVDD_MOD L5 SAR3_GPIO14/INT_GPIO65 G14 DDCR_CK/GPIO63 B14 GPIO15/TCON15/SCAN_BLK1_43 F14 DDCR_DA/GPIO64 C14 GPIO14/TCON14/SCAN_BLK_42 E14 GPIO12/TCON12/DPM_40 D16 GPIO6/TCON6/FLK_34 J16 GPIO7/TCON7/FLK2_35 L14 GPIO5/TCON5/SOE_33 H15 GPIO4/TCON4/GCLK3_32 J15 GPIO1/TCON1/VST_29 H14 GPIO0/TCON0/POL_28 E15 USB0_DM A15 TESTPIN C13 USB0_DP A14 USB1_DM A13 USB1_DP B13 SCK C15 GND_EFUSE D13 SDI C16 SAR0_GPIO11/GPIO75 B11 DDCA_CK D10 DDCA_DA D11 PWM0_GPIO20/GPIO26 B12 PWM1_GPIO21/GPIO25 C12 PMGPIO_GPIO10/GPIO66 D12 PM1_GPIO6/GPIO67 A11 PM4_GPIO7/GPIO68 A10 PM5_GPIO8/GPIO69 B10 PM6_GPIO9/GPIO70 C9 HOTPLUGD D5 RXCKN_D C7 RXCKP_D B7 RX0N_D C6 RX0P_D B6 RX1N_D A6 RX1P_D C5 DDCDD_DA C4 RX2N_D A5 RX2P_D B5 DDCDD_CK B4 GND R7 GND T7 GND H9 GND H11 GND J9 GND J10 GND J11 GND K9 GND K10 GND K11 GND A12 GND F13 GND G13 GND G1 GND G2 GND G3 GND P4 GND R4 GND R5 GND T5 GND P6 GND P7 VDDC L7 VDDC K8 VDDC K7 VDDC J8 VDDC J7 VDDC H8 AVDD_1P2 H7 AVDD_DDR D9 AVDD_DDR E13 AVDD_DDR M11 AVDD_DDR M10 AVDD_MOD K5 AVDD_MOD M6 AVDD_MOD L6 DVDD_NODIE D7 MVREF K13 GPIO30/LCK_74 N10 GPIO29/LDE_75 N11 GPIO28/LHSYNC N12 GPIO27/LVSYNC N13 VSYNC1 K3 VRP L4 GND H10 AVDD_AU25 J6 AVDD_DDR G8 GND N6 R218 1M R218 1M R211 68R R211 68R C216 47nF C216 47nF C256 100P C256 100P R233 4.7K R233 4.7K C206 0.1uF C206 0.1uF C250 10uF C250 10uF R225 4.7K R225 4.7K C209 0.1uF C209 0.1uF C261 10P C261 10P C233 1uF C233 1uF R219 0R R219 0R C213 0.1uF C213 0.1uF R227 4.7K R227 4.7K C255 100P C255 100P C212 2.2uF C212 2.2uF R224 4.7K R224 4.7K R281 NC/4.7K R281 NC/4.7K C219 47nF C219 47nF C248 0.1uF C248 0.1uF R237 NC/4.7K R237 NC/4.7K R202 1K_1% R202 1K_1% 7 5 3 1 8 6 4 2 RP220 22RX4 7 5 3 1 8 6 4 2 RP220 22RX4 CN201 2*20Pin-2.0mm CN201 2*20Pin-2.0mm GND 1 GND 2 RO0- 3 RO0+ 4 RO1- 5 RO1+ 6 RO2- 7 RO2+ 8 ROC- 9 ROC+ 10 RO3- 11 RO3+ 12 RO4- 13 RO4+ 14 GND 15 GND 16 RE0- 17 RE0+ 18 RE1- 19 RE1+ 20 RE2- 21 RE2+ 22 REC- 23 REC+ 24 RE3- 25 RE3+ 26 RE4- 27 RE4+ 28 GND 29 GND 30 LCDOP 31 GND 32 VCC 33 VCC 34 VCC 35 VCC 36 VCC 37 VCC 38 OP1 39 OP2 40 C234 1uF C234 1uF 7 5 3 1 8 6 4 2 RP223 22RX4 7 5 3 1 8 6 4 2 RP223 22RX4 R217 10K R217 10K Q203 3904 Q203 3904 1 2 3 R210 68R R210 68R C242 0.1uF C242 0.1uF C253 10uF C253 10uF C259 100P C259 100P C243 2.2uF C243 2.2uF R248 4.7K R248 4.7K C204 2.2uF C204 2.2uF C247 0.1uF C247 0.1uF R234 1K R234 1K Q202 3906 Q202 3906 1 3 2 C270 0.1uF C270 0.1uF Y1 24MHZ Y1 24MHZ 1 2 L207 FB L207 FB C237 0.1uF C237 0.1uF L204 FB L204 FB C276 0.1uF C276 0.1uF R228 4.7K R228 4.7K R244 NC R244 NC L201 FB L201 FB C231 0.1uF C231 0.1uF C264 100P C264 100P C230 0.1uF C230 0.1uF R249 4.7K R249 4.7K R245 NC R245 NC 7 5 3 1 8 6 4 2 RP222 22RX4 7 5 3 1 8 6 4 2 RP222 22RX4 C201 33p-NPO C201 33p-NPO R235 1K R235 1K C254 33p-NPO C254 33p-NPO C249 2.2uF C249 2.2uF 7 5 3 1 8 6 4 2 RP221 22RX4 7 5 3 1 8 6 4 2 RP221 22RX4 C215 0.1uF C215 0.1uF R238 1K R238 1K R203 1M R203 1M R213 NC/10K R213 NC/10K R208 68R R208 68R C203 1nF C203 1nF R223 680R R223 680R L205 FB L205 FB C258 100P C258 100P C214 0.1uF C214 0.1uF R236 NC/4.7K R236 NC/4.7K C208 2.2uF C208 2.2uF 5 5 4 4 3 3 2 2 1 1 D D C C B B A A AV OUT & SCART AV & YPBPR INPUT CLOSE TO IC CLOSE TO IC R329=10K,R337=10K�����2.5V�� ��ATV COLORBAR��� R329=47K,R337=27K�� ���Kr��� VIDEO_OUT 2��� D� 20����� ��100P�� 2.5V ��Kr�� J303����J307���� J308���� HDMI Interface Head Phone USB Interface J301����J304���� AV_AUOUTL3 AV_AUOUTR3 RGB2-HDTV_SOGIN RGB2-HDTV_GIN RGB2-HDTV_RIN RGB2-HDTV_BIN Y AV1-VIN AV1_L AV1-AURin1 AV1_VIN AV1-AULin1 AV1_R Pb Pr Y AV1_R AV1-VIN AV1_L Pr Pb SCART1_ALOUT SCART1_AROUT SCART1_VOUT AV1_R AV1-VIN AV1_L SCART1_VOUT SCART1_ALOUT SCART1_AROUT HDMI-CEC CEC ARC HDMI2-RX2+ HDMI2-RX2- HDMI2-RX1+ HDMI_HP1 HDMI2-RX1- HDMI1-RX1P HDMI1-RX2N HDMI1-RX1N HDMI1-RX0P HDMI1-RX0N HDMI1-CLKP HDMI1-CLKN HDMI1-RX2P HDMI2-RX0+ HDMI2-RX0- HDMI2-RXC+ HDMI2-RXC- HDMI1_SCL HDMI1_SDA HDMI-HP2 HDMI2-SCL HDMI2-SDA HDMI2-SCL HDMI2-DDC-SDA HDMI2-SDA HDMI-HP2 HDMI2-HPD ARC HDMI2-RX0- HDMI2-RXC- HDMI2-RX2+ HDMI2-RX1+ CEC HDMI2-RXC+ HDMI2-RX0+ HDMI2-RX1- HDMI2-RX2- HDMI2-DDC-SCL PH_DETEC PH_R PH_L PH_L USB1_D- USB1_D+ Pb Pr Y 5V-Tuner 5V_SCART3 5V_SCART2 5V-Tuner 5V-Tuner 5V_SCART HDMI2/5V HDMI2/5V 5Vstb 5VA 5VUSB AV_AUOUTR3 2 AV_AUOUTL3 2 RGB2-HDTV_BIN 2 RGB2-HDTV_SOGIN 2 RGB2-HDTV_GIN 2 RGB2-HDTV_RIN 2 AV1-AULin1 2 AV1-AURin1 2 AV1_VIN 2 CVBS_OUT0 2 HDMI-CEC 2 ARC 2 HDMI1-RX2P 2 HDMI1-RX2N 2 HDMI1-RX1P 2 HDMI1-RX1N 2 HDMI1-RX0P 2 HDMI1-RX0N 2 HDMI1-CLKP 2 HDMI1-CLKN 2 HDMI_HP1 2 HDMI1_SCL 2 HDMI1_SDA 2 PH_DETEC 2 PH_L 7 PH_R 7 USB1_D- 2 USB1_D+ 2 Title Size Document Number Rev Date: Sheet of 03.HDIN&AVIN 1.0 MST6M182VG D 3 9 Friday, March 09, 2012 Title Size Document Number Rev Date: Sheet of 03.HDIN&AVIN 1.0 MST6M182VG D 3 9 Friday, March 09, 2012 Title Size Document Number Rev Date: Sheet of 03.HDIN&AVIN 1.0 MST6M182VG D 3 9 Friday, March 09, 2012 R444 NC/10K R444 NC/10K 47k R356 47k R356 C308 0.1uF C308 0.1uF 8 6 4 2 7 5 3 1 RP405 NC/5.1R*4 8 6 4 2 7 5 3 1 RP405 NC/5.1R*4 10k R357 10k R357 C305 10p C305 10p R308 5.1R R308 5.1R 10uF C312 10uF C312 R338 470R R338 470R C404 NC/47nF C404 NC/47nF J304 YPbPr-JACK-3 J304 YPbPr-JACK-3 1 1 2 2 3 3 4 4 5 5 7 7 6 6 8 8 R337 27k R337 27k 200K R349 200K R349 4.7k R352 4.7k R352 R336 75R R336 75R FB302 FB/0603 FB302 FB/0603 R449 NC/4.7K R449 NC/4.7K R447 200R R447 200R 4pin-2.0mm CN34 4pin-2.0mm CN34 1 2 3 4 C301 NC/10P C301 NC/10P 10K R355 10K R355 Q301 3906 Q301 3906 1 3 2 2.2uF C319 2.2uF C319 R442 NC/10K R442 NC/10K R311 75R R311 75R BT3904 Q306 BT3904 Q306 1 2 3 C327 1nF C327 1nF 0.1uF C313 0.1uF C313 J303 AV-JACK-3 J303 AV-JACK-3 1 1 2 2 3 3 4 4 5 5 7 7 6 6 8 8 R331 75R R331 75R 100R R346 100R R346 22k R362 22k R362 D411 BAW70 D411 BAW70 1 2 3 R305 33R R305 33R FB310 600� FB310 600� R318 10K R318 10K 2.2uF C321 2.2uF C321 R445 NC/22R R445 NC/22R R332 75R R332 75R R302 0R R302 0R 2.2uF C314 2.2uF C314 + EC302 47uF/25V + EC302 47uF/25V R313 33R R313 33R FB301 FB/0603 FB301 FB/0603 10k R345 10k R345 J307 AV-JACK-3 J307 AV-JACK-3 1 1 2 2 3 3 4 4 5 5 7 7 6 6 8 8 47R R350 47R R350 C309 0.1uF/X7R C309 0.1uF/X7R R309 75R R309 75R C306 10p C306 10p Q304 3904 Q304 3904 1 2 3 R314 75R R314 75R 220pF C324 220pF C324 C328 1nF C328 1nF J302 USB-101B J302 USB-101B 1 2 3 4 5 6 R303 33R R303 33R 220pF C318 220pF C318 R325 12K R325 12K 100R R358 100R R358 8 6 4 2 7 5 3 1 RP404 NC/5.1R*4 8 6 4 2 7 5 3 1 RP404 NC/5.1R*4 C304 NC/10P C304 NC/10P R310 75R R310 75R BT3904 Q305 BT3904 Q305 1 2 3 C307 10p C307 10p R322 12K R322 12K 10K R343 10K R343 J401 NC/HDMI_J J401 NC/HDMI_J DATA2+ 1 DATA2 SHIELD 2 DATA2- 3 DATA1+ 4 DATA1 SHIELD 5 DAT1A- 6 DATA0+ 7 8 DATA0 SHIELD DATA0- 9 CLK+ 10 CLK SHIELD 11 CLK- 12 CEC 13 NC 14 SCL 15 SDA 16 DDC/CEC GND 17 +5V POWER 18 HOT PLUG 19 20 GND1 21 GND2 22 GND3 23 GND4 FB303 FB/0603 FB303 FB/0603 C329 10uF C329 10uF C330 10uF C330 10uF R443 NC/10K R443 NC/10K 22k R351 22k R351 8 6 4 2 7 5 3 1 RP406 NC/5.1R*4 8 6 4 2 7 5 3 1 RP406 NC/5.1R*4 R323 10K R323 10K 4.7k R341 4.7k R341 R301 33R R301 33R R329 47K R329 47K SMD1206P050TF FS301 SMD1206P050TF FS301 R446 NC/22R R446 NC/22R 47R R361 47R R361 R440 NC/1K R440 NC/1K 2.2uF C315 2.2uF C315 J308 AV OUT J308 AV OUT 2 CVBS 1 GND 3 GND 4 L 5 GND 6 R J301 YPbPr-JACK-3 J301 YPbPr-JACK-3 1 1 2 2 3 3 4 4 5 5 7 7 6 6 8 8 200K R359 200K R359 Q402 NC/BT3904 Q402 NC/BT3904 1 2 3 R307 5.1R R307 5.1R C310 100P C310 100P 47k R344 47k R344 5 5 4 4 3 3 2 2 1 1 D D C C B B A A VGA Audio IN VGA IN VGA-Rin UART-RX UART-TX VGA-SDA VGA-HS VGA-Bin VGA-SCL VGA-VS VGA-Gin VGA_HS VGA-R# VGA-G# VGA-B# RGB0_Pb+ VGA_VS# RGB0_Y+ RGB0_Y-SOG RGB0_Pr+ VGA-Rin_AU 2 VGA-Lin_AU 2 VGA_HS 2 UART-TX 2 UART-RX 2 RGB0_Pb+ 2 VGA_VS 2 RGB0_Y-SOG 2 RGB0_Y+ 2 RGB0_Pr+ 2 Title Size Document Number Rev Date: Sheet of 05.VGA 1.0 MST6M182VG C 5 9 Friday, March 09, 2012 Title Size Document Number Rev Date: Sheet of 05.VGA 1.0 MST6M182VG C 5 9 Friday, March 09, 2012 Title Size Document Number Rev Date: Sheet of 05.VGA 1.0 MST6M182VG C 5 9 Friday, March 09, 2012 R510 68R R510 68R J501 VGA J501 VGA 5 10 4 9 3 8 2 7 1 15 14 13 12 11 6 16 17 R501 75R R501 75R J502 J502 1 2 3 4 5 6 7 8 R511 10K R511 10K R520 10K R520 10K R505 0R R505 0R R507 75R R507 75R R519 10K R519 10K R502 33R R502 33R R504 33R R504 33R FB502 12R FB502 12R R508 75R R508 75R C507 560p C507 560p R522 12K R522 12K 2.2uF C502 2.2uF C502 FB505 0R FB505 0R 2.2uF C504 2.2uF C504 R513 10K R513 10K C506 560p C506 560p FB506 0R FB506 0R R521 12K R521 12K 2.2uF C501 2.2uF C501 R514 100R R514 100R FB504 12R FB504 12R R509 68R R509 68R R512 100R R512 100R R503 33R R503 33R FB501 12R FB501 12R 5 5 4 4 3 3 2 2 1 1 D D C C B B A A Q��15(MIN) C359=180P,FOR 38.9MHZ OR 38MHZ(PAL) C359=100P,FOR 45.75MHZ(NTSC) BPF_IN BPF FOR 38.9MHz OR 38MHZ Tuner Connector ��CDT-3SP5I2-36��C364�C367�C359�L32 ���C357=0.1uF�C365=0.1uF�R313=33R� R314=33R�R312=51R�R315=51R C357 R313 C364 R312 C358 C365 R314 C367 C359 L32 R315 C363 5.14V/100mA closed to tuner TUNER AGC,Close TUNER Tuner FOR SECAM IF-IN- IF-IN+ VIFM BPF_OUT- VIFP BPF_OUT+ IF-IN+ IF-IN- TV_SDA TAGC TUNER_SDA RF-AGC TV_SCL TUNER_SCL 5V-Tuner 5VA 5V-Tuner VIFM 2 VIFP 2 TAGC 2 TUNER_SCL 2 TUNER_SDA 2 Title Size Document Number Rev Date: Sheet of 06.TUNER 1.0 MST6M182VG C 6 9 Friday, March 09, 2012 Title Size Document Number Rev Date: Sheet of 06.TUNER 1.0 MST6M182VG C 6 9 Friday, March 09, 2012 Title Size Document Number Rev Date: Sheet of 06.TUNER 1.0 MST6M182VG C 6 9 Friday, March 09, 2012 C610 180PF C610 180PF R605 12K R605 12K U601 F35WT-3-E U601 F35WT-3-E NC 1 NC 3 AGC 4 +5V 5 SDA 6 SCL 7 NC 9 GND 14 GND 15 NC 2 NC 8 IF+ 10 IF- 11 GND 12 GND 13 R607 0R R607 0R R603 0R R603 0R C604 NC/56pF C604 NC/56pF D601 1N4148 D601 1N4148 2 1 C617 NC/56pF C617 NC/56pF L611 10uH-1.5A L611 10uH-1.5A C606 0.1uF C606 0.1uF C608 20pF C608 20pF C615 0.1uF C615 0.1uF C626 0.1uF C626 0.1uF C616 0.1uF C616 0.1uF + EC603 220uF/25V + EC603 220uF/25V R601 100R R601 100R C627 1uF C627 1uF C607 20pF C607 20pF R611 0R R611 0R + EC601 220uF/25V + EC601 220uF/25V R604 100R R604 100R C614 0.1uF C614 0.1uF R612 0R R612 0R L605 100nH L605 100nH C625 1uF C625 1uF C605 0.1uF C605 0.1uF EC610 1uF/50V EC610 1uF/50V C624 0.1uF C624 0.1uF 5 5 4 4 3 3 2 2 1 1 D D C C B B A A 1E56 Bit1 BTL FOR 2X8W ON OFF R356����� �������� ��2113�����pin28� 3113(3110)/2113/9108 ��2113�����pin15� Near MST.IC Ground in the middle of the L/R CLOSE TO IC CLOSE TO IC PRE-AMP:PT2308 ��1517�� ��1517�� AMP_RIN ROUT- LOUT- GAIN0 GAIN1 GAIN0 GAIN1 LOUT+ ROUT+ AMP_LIN AMP_RIN AMP_LIN LOUT- ROUT- ROUT+ LOUT+ VCC_AMP VCC_AMP VCC_AMP +3.3V_Normal VCC_AMP 5V_EAR 5V_EAR 5VA 12VA AMP-MUTE 2 AMP_AUOUTR0 2 AMP_AUOUTL0 2 PH_L 3 PH_R 3 Title Size Document Number Rev Date: Sheet of 07.AUDIO 1.0 MST6M182VG C 7 9 Friday, March 09, 2012 Title Size Document Number Rev Date: Sheet of 07.AUDIO 1.0 MST6M182VG C 7 9 Friday, March 09, 2012 Title Size Document Number Rev Date: Sheet of 07.AUDIO 1.0 MST6M182VG C 7 9 Friday, March 09, 2012 R710 39K R710 39K + EC701 220uF/16V + EC701 220uF/16V C732 1uF C732 1uF C728 NC/1uF C728 NC/1uF C714 1000P C714 1000P C711 10P C711 10P C710 200p C710 200p R703 39K R703 39K R708 1K R708 1K C731 NC/0.22uF C731 NC/0.22uF R704 4.7K R704 4.7K R712 0R-0402 R712 0R-0402 R707 1K R707 1K + EC707 220uF/16V + EC707 220uF/16V U703 TPA3113D2 U703 TPA3113D2 SD 1 FAULT 2 LINP 3 LINN 4 AGND 8 AVCC 7 GAIN1 6 GAIN0 5 GVDD 9 PLIMIT 10 RINN 11 RINP 12 BSPR 17 OUTPR 18 PGND 19 OUTNR 20 BSNR 21 BSNL 22 OUTNL 23 PGND 24 OUTPL 25 BSPL 26 PVCCL 27 PVCCL 28 PVCCR 16 NC 13 PBTL 14 PVCCR 15 GND 29 R705 100K R705 100K C715 NC/1uF C715 NC/1uF 10uF C709 10uF C709 CN701 4pin-2.54mm CN701 4pin-2.54mm 1 1 2 2 3 3 4 4 C724 NC/0.22uF C724 NC/0.22uF 10uF C706 10uF C706 10uF C701 10uF C701 C713 1uF C713 1uF R701 0R-0402 R701 0R-0402 C723 NC/0.22uF C723 NC/0.22uF C712 10P C712 10P C716 NC/0.22uF C716 NC/0.22uF 10R-0603 R706 10R-0603 R706 R735 10K R735 10K R733 NC/10K R733 NC/10K C719 NC/1uF C719 NC/1uF FB702 56-4A-1206 FB702 56-4A-1206 R719 82K R719 82K R713 100K R713 100K R738 10K R738 10K + EC702 100uF/16V + EC702 100uF/16V C725 1uF C725 1uF U701 PT2308P U701 PT2308P IN1+ 3 IN2- 6 OUT1 1 IN1- 2 VDD 8 GND 4 IN2+ 5 OUT2 7 C720 NC/1uF C720 NC/1uF C722 NC/1uF C722 NC/1uF R732 10K R732 10K R734 10K R734 10K C702 200p C702 200p FB701 56-4A-1206 FB701 56-4A-1206 C726 NC/1uF C726 NC/1uF C729 NC/1uF C729 NC/1uF C704 0.1uF C704 0.1uF L701NC/33uH-3A L701NC/33uH-3A C718 NC/1uF C718 NC/1uF C727 NC/1uF C727 NC/1uF R725 10K R725 10K + EC706 220uF/16V + EC706 220uF/16V L702NC/33uH-3A L702NC/33uH-3A C730 NC/1uF C730 NC/1uF R711 10K R711 10K R737 NC/10K R737 NC/10K R729 10R-0402 R729 10R-0402 + EC709 220uF/16V + EC709 220uF/16V L703NC/33uH-3A L703NC/33uH-3A R709 4.7K R709 4.7K C717 10P C717 10P Q705 NC/3904 Q705 NC/3904 1 2 3 R702 10K R702 10K L704NC/33uH-3A L704NC/33uH-3A C733 1000P C733 1000P 5 5 4 4 3 3 2 2 1 1 D D C C B B A A H:ON L:OFF ���� +5V PWR-ON/OFF 12VA 5Vstb 5VA AC2 +12VB +12V PWR-ON/OFF PWR-ON/OFF +12VB +12V AC1 +12VB +12VB 5Vstb +3.3V_Standby 5VA +5V 12VA 5V_SW PWR-ON/OFF 2 Title Size Document Number Rev Date: Sheet of 08.POWER 1.0 MST6M182VG C 8 9 Friday, March 09, 2012 Title Size Document Number Rev Date: Sheet of 08.POWER 1.0 MST6M182VG C 8 9 Friday, March 09, 2012 Title Size Document Number Rev Date: Sheet of 08.POWER 1.0 MST6M182VG C 8 9 Friday, March 09, 2012 U807 U807 GND 1 RI 3 CS 4 VDD 5 GATE 6 FB 2 R870 100K R870 100K SRQ3 SRQ3 1 2 3 D4 SS24 D4 SS24 2 1 R901 NC R901 NC D807 2A06 D807 2A06 R869 22R/1206 R869 22R/1206 R34 NC R34 NC R899 4.7K R899 4.7K D811 FR107 D811 FR107 R902 4.7K R902 4.7K SRQ2 SRQ2 1 2 3 D810 HER207 D810 HER207 C1068 102/25V/0805 C1068 102/25V/0805 R881 1M/1206 R881 1M/1206 + C1053 47uF/50V + C1053 47uF/50V C23 101/50V/0603 C23 101/50V/0603 R891 1K/0805 R891 1K/0805 R890 10K/0805 R890 10K/0805 R889 100R/0603 R889 100R/0603 10uH/3.8A L806 10uH/3.8A L806 C1061 0.1uF(X7R) C1061 0.1uF(X7R) Q806 AO4435 Q806 AO4435 J3 J3 1 2 CX1 CX1 MP2303 U2 RT8296A MP2303 U2 RT8296A VIN 2 SW 3 GND 4 FB 5 ON/OFF 7 COMP 6 BS 1 NC/SS 8 GND 9 C1040 0.1uF-0603 C1040 0.1uF-0603 TP4 TP4 R878 470k/1206 R878 470k/1206 R877 470k/1206 R877 470k/1206 LF801 LF801 3 4 1 2 C1070 2.2u-0805 C1070 2.2u-0805 TP1 TP1 FB7 40R FB7 40R S3 S3 + C1035 470uF/16V + C1035 470uF/16V R32 7.5K/0603 R32 7.5K/0603 + C1066 220uF/16V + C1066 220uF/16V R867 22R/1206 R867 22R/1206 CY800 CY800 CN801 SWITCH CN801 SWITCH 1 2 R897 2R2-1206 R897 2R2-1206 C1056 0.1uF-50V-K-0805(X7R) C1056 0.1uF-50V-K-0805(X7R) R26 200R/0805 R26 200R/0805 F800 F800 R882 1M/1206 R882 1M/1206 + EC805 47uF/400V + EC805 47uF/400V S2 S2 C24 104/25V/0603 C24 104/25V/0603 C41 10uF/1206 C41 10uF/1206 R900 1K R900 1K CY802 222 CY802 222 + C1039 1000uF/25V + C1039 1000uF/25V C22 332/25V/0603 C22 332/25V/0603 C1051 1n C1051 1n Q809 AO4468 Q809 AO4468 4 2 1 3 8 6 5 7 C1036 101/1KV C1036 101/1KV CN800 AC_IN CN800 AC_IN 1 2 R884 1M/1206 R884 1M/1206 Q810 10N60 Q810 10N60 2 3 1 C1041 223/25V/0805 C1041 223/25V/0805 +C1081 1000uF/25V +C1081 1000uF/25V Q811 3906 Q811 3906 C25 104/25V/0603 C25 104/25V/0603 R903 NC-1206 R903 NC-1206 R858 10K R858 10K RV1 PTC RDH5-3A-W RV1 PTC RDH5-3A-W U809 TL431 U809 TL431 CY801 CY801 R35 30K1% R35 30K1% J7 FOR_CPT J7 FOR_CPT 1 2 C1037 680PF C1037 680PF C26 102/50V/0603 C26 102/50V/0603 C33 10uF/1206 C33 10uF/1206 TP5 TP5 R888 1M/1206 R888 1M/1206 R885 1M/1206 R885 1M/1206 Q808 3904 Q808 3904 R36 5.6K1% R36 5.6K1% U808 PC817 U808 PC817 1 2 4 3 R883 1M/1206 R883 1M/1206 R892 22R-0805 R892 22R-0805 + EC5 220uF/16V + EC5 220uF/16V 1 2 R886 NC/24K-1206 R886 NC/24K-1206 R894 470R/1206 R894 470R/1206 D805 2A06 D805 2A06 R31 47K/0603 R31 47K/0603 R880 10R/1206 R880 10R/1206 J8 J8 1 2 C1069 101-0805 C1069 101-0805 R876 470K/1206 R876 470K/1206 S1 S1 C17 103/25V/0603 C17 103/25V/0603 D803 2A06 D803 2A06 R895 1R-1206 R895 1R-1206 R874 100K R874 100K D809 FR107 D809 FR107 R865 68K/2W R865 68K/2W R893 470R-0805 R893 470R-0805 R27 100K/0603 R27 100K/0603 D804 2A06 D804 2A06 J4 J4 1 2 3 4 R898 1K R898 1K + EC3 220uF/25V + EC3 220uF/25V 1 2 C1034 472/1KV C1034 472/1KV R328 10k R328 10k LF800 LF800 3 4 1 2 C1038 0.1uF-0603 C1038 0.1uF-0603 C1063 0.1uF(X7R) C1063 0.1uF(X7R) C1071 0.1uF(X7R) C1071 0.1uF(X7R) L2 15uH-3A L2 15uH-3A TP2 TP2 NP2 NP1 NB1 NB2 NP2 T103 EFD25 NP2 NP1 NB1 NB2 NP2 T103 EFD25 12V 8 GND 10 12V 7 GND 9 11 5V 3 3 2 2 1 1 6 6 5 5 5V 12 4 4 C1022 680PF C1022 680PF D801 FLZ18VC D801 FLZ18VC D806 SBR20100 TO-220B D806 SBR20100 TO-220B 2 2 1 1 3 3 R896 2R2-1206 R896 2R2-1206 + EC4 220uF/16V + EC4 220uF/16V 1 2 R875 10k R875 10k 5 5 4 4 3 3 2 2 1 1 D D C C B B A A LED 1032 00�1 10�PWM 18.5��24�����U5�������U5+U3 26������� R850������������������� ��CN2���� 26���0R���������� L:ON H:OFF 18.5���C1030 2.15/23.6/26���� 1E56 Bit2 1 CN2 ��18.5�21.6 U3 U4���D10�� 2 CN805 CN806 ��26",CN2��� 3 CN804 ��23.6, U4��� LED14 LED15 LED16 BL-ADJUST SHD ON/BK ON/BK SHD LED1 OVP LED2 LED3 SHD LED1 LED4 OVP LED3 12VA FB LED5 FB LED2 LED6 LED4 LED7 LED5 LED7 LED8 LED6 LED+ DRV LED8 DRV +5V BL-ADJUST LED11 LED14 LED10 LED13 LED9 LED16 LED12 LED15 LED1 LED2 LED6 LED5 LED+ LED+ LED4 LED3 LED8 LED7 ON/BK LED+ LED14 LED13 LED12 LED11 LED9 LED10 LED16 LED15 LED+ LED9 ON/BK SHD LED11 LED10 LED12 FB LED13 BL-ADJUST +5V 12VA 5VA +3.3V_Normal +5V ADJ-PWM 2 ON_PBACK 2 Title Size Document Number Rev Date: Sheet of 09.LED DRIVER 1.0 MST6M182VG C 9 9 Friday, March 09, 2012 Title Size Document Number Rev Date: Sheet of 09.LED DRIVER 1.0 MST6M182VG C 9 9 Friday, March 09, 2012 Title Size Document Number Rev Date: Sheet of 09.LED DRIVER 1.0 MST6M182VG C 9 9 Friday, March 09, 2012 FB115 56-4A-1206 FB115 56-4A-1206 R17 1k R17 1k R836 NC R836 NC R848 NC R848 NC R841 12K R841 12K L805 10uH/3.8A L805 10uH/3.8A R15 4.7K R15 4.7K + C1026 220uF/50V + C1026 220uF/50V R823 51K R823 51K R849 NC R849 NC U4 AP3608E U4 AP3608E CH2 2 CH1 1 CH3 3 CH5 7 CH4 4 PGND1 5 PGND2 6 CH6 8 CH7 9 CH8 10 PWM 11 NC 12 FBX 13 ISET 14 FB 15 SDB 16 SDBX 17 AGND 18 VCC 19 EN 20 R837 NC R837 NC C32 103/25V/0805 C32 103/25V/0805 FB114 56-4A-1206 FB114 56-4A-1206 R842 NC R842 NC R16 1k R16 1k R853 100R R853 100R R2297 10K R2297 10K Q7 3904 Q7 3904 1 2 3 C37 100pF C37 100pF C31 102/25V/0805 C31 102/25V/0805 R720 20K R720 20K Q6 3904 Q6 3904 1 2 3 R721 10K R721 10K R835 NC R835 NC C931 0.1uF-50V-K-0805(X7R) C931 0.1uF-50V-K-0805(X7R) R24 1K R24 1K C38 1uF-0603 C38 1uF-0603 R833 51K R833 51K CN806 HEADER 12 CN806 HEADER 12 1 2 3 4 5 6 7 8 9 10 11 12 R21 20K R21 20K + C1021 220uF/16V + C1021 220uF/16V C18 0.1uF(X7R) C18 0.1uF(X7R) R65 0.68�-0805 R65 0.68�-0805 R18 270K R18 270K C35 NC C35 NC R20 4.7K R20 4.7K C16 1uF-0603 C16 1uF-0603 U3 AP3608E U3 AP3608E CH2 2 CH1 1 CH3 3 CH5 7 CH4 4 PGND1 5 PGND2 6 CH6 8 CH7 9 CH8 10 PWM 11 NC 12 FBX 13 ISET 14 FB 15 SDB 16 SDBX 17 AGND 18 VCC 19 EN 20 CN804 HEADER 12 CN804 HEADER 12 1 2 3 4 5 6 7 8 9 10 11 12 R850 100R-0603 R850 100R-0603 R832 100R R832 100R R14 100R R14 100R R828 12K R828 12K R831 51K R831 51K D10 SR360 DO-15 D10 SR360 DO-15 2 1 R19 10K R19 10K R68 0.68�-0805 R68 0.68�-0805 C20 0.1uF(X7R) C20 0.1uF(X7R) Q103 B601001 TO252-DPAK Q103 B601001 TO252-DPAK R830 20K R830 20K R76 100R R76 100R R829 NC R829 NC R847 NC R847 NC C14 1uF-0603 C14 1uF-0603 C335 10uF C335 10uF R69 0.68�-0805 R69 0.68�-0805 R839 3.3K R839 3.3K C27 1uF-0603 C27 1uF-0603 R838 100R R838 100R R834 NC R834 NC R826 1.5K R826 1.5K U5 AP3039A U5 AP3039A OV 2 UVLO 1 EN 3 PGND 7 VIN 4 VCC 5 OUT 6 RT 8 CS 9 AGND 10 SHDN 11 FB 12 COMP 13 SS 14 R846 NC R846 NC + C1023 220uF/16V + C1023 220uF/16V R840 20K R840 20K C34 0.1uF-50V-K-0805(X7R) C34 0.1uF-50V-K-0805(X7R) R700 22R-0603 R700 22R-0603 D9 SR360 DO-15 D9 SR360 DO-15 2 1 C15 1uF-0603 C15 1uF-0603 �� ����� � � � � � � � � � � � � � � ������������������������������������������������������������� � ����� ����� ����� USB AV � YPbPr� ����� VGA� ������� RF LVDS �� ���������Monitor � � �� Computer ���� � HDMI � AV � � YPbPr � DVD�������� �� ���� ���� �� USB HDMI 7.2 �� ������������ ����� � � � � � MST6M182 MST6M182 �� � � � � ������ ����� � � � � � � �� �������������� ����� ������ 10.2 �� ���� � PIN Symbol Description PIN Symbol Description 1 N.C. AUO Internal Use Only 26 N.C. AUO Internal Use Only 2 N.C. AUO Internal Use Only 27 N.C. AUO Internal Use Only 3 N.C. AUO Internal Use Only 28 CH2_0- LVDS Channel 2, Signal 0- 4 N.C. AUO Internal Use Only 29 CH2_0+ LVDS Channel 2, Signal 0+ 5 N.C. AUO Internal Use Only 30 CH2_1- LVDS Channel 2, Signal 1- 6 N.C. AUO Internal Use Only 31 CH2_1+ LVDS Channel 2, Signal 1+ 7 LVDS_SEL Open/High(3.3V) for NS, Low(GND) for JEIDA 32 CH2_2- LVDS Channel 2, Signal 2- 8 N.C. No connection 33 CH2_2+ LVDS Channel 2, Signal 2+ 9 N.C. No connection 34 GND Ground 10 N.C. No connection 35 CH2_CLK- LVDS Channel 2, Clock - 11 GND Ground 36 CH2_CLK+ LVDS Channel 2, Clock + 12 CH1_0- LVDS Channel 1, Signal 0- 37 GND Ground 13 CH1_0+ LVDS Channel 1, Signal 0+ 38 CH2_3- LVDS Channel 2, Signal 3- 14 CH1_1- LVDS Channel 1, Signal 1- 39 CH2_3+ LVDS Channel 2, Signal 3+ 15 CH1_1+ LVDS Channel 1, Signal 1+ 40 CH2_4- LVDS Channel 2, Signal 4- 16 CH1_2- LVDS Channel 1, Signal 2- 41 CH2_4+ LVDS Channel 2, Signal 4+ 17 CH1_2+ LVDS Channel 1, Signal 2+ 42 N.C. AUO Internal Use Only 18 GND Ground 43 N.C. No connection 19 CH1_CLK- LVDS Channel 1, Clock - 44 GND Ground 20 CH1_CLK+ LVDS Channel 1, Clock + 45 GND Ground 21 GND Ground 46 GND Ground 22 CH1_3- LVDS Channel 1, Signal 3- 47 N.C. No connection 23 CH1_3+ LVDS Channel 1, Signal 3+ 48 VDD Power Supply, +12V DC Regulated 24 CH1_4- LVDS Channel 1, Signal 4- 49 VDD Power Supply, +12V DC Regulated 25 CH1_4+ LVDS Channel 1, Signal 4+ 50 VDD Power Supply, +12V DC Regulated 51 VDD Power Supply, +12V DC Regulated Note: N.C. : please leave this pin unoccupied. It can not be connected by any signal (Low/GND/High). �� � �� � � � � � �������� AV ����� YPbPr ��� � HDMI ��� AV ����� PC � �� � �� VGA ����� RF ��� LVDS ���� ����� 10.3�������� � ������������� � � � � � � �� �� �� �� � ������������������� � � � � � � �� � �� �� �� ���� ������� �������� ��� ���� ���� ���� ������� ����� ����� � ��������������� � � � � � � � � � � � � � � � � � � � � � � � � ��� ���� ���� ��� ���� ���� ��� ��� ��� ��� ��� ��� ���� �������� �� �� ��� ����� ������ ������ ����� ���� ������ ����� ������ ��� ����� ������ ������ ����� ��� �������� ����� �������� ��� ����� ������ ������ ����� ��� �� ����� �� �� �� ��� HDMI ��� ���� �� � ����������� � ���� �������������� � � � � � � �� ����� ��������� �� � � ��� ������������ � � � � � � � �� � �� �� �� ���� ��������� � � �� �� �� BL-ON 5V P-ON STB 5V 5V GND GND GND 12V 12V � ���� ���� � � � ������������ ����� �������������� � � � � � � ���� ������ ������ � � � � � � � ����������� � � � ����� � � � � � � � � �� �������� ������� ������ ������ �������� ����� ���� ������ � � � � �� � �� � 11� ����������������� ����� ���������������� � � � � � � ���� � � � � ���� ��� �� ���� ���� ���� ����� ����� � � � � ����� �� �� � � � � � � � LVDS ������ LVDS ������ � ��� � ����� ����� �� �� � ����� ������ ������ ���� �� ��� �� ����� ���� ����������� �� ��������� ����� ����� ��� � � � � � � U703 � � ���� � ���� U703� � ����� ����� � ����� ����� ����� ����� ������� �� � ������ ������ � ����� ������� � 12V,5V �� ��� � � MOS � Q810� ����� � �� �� � � ���������� ������� ����� ���������� � � ������������� ������ �� ������������������� � ��� ���������� � ��� ������������������ � ��� � ���������������� ������������ ��� ������������������������������� � ���������� ��������������������� � ����� ������ ������� � ��� ���������������������� � ������������������ � ���������������������� � ����������� � ��������������������� � � � ����� ������� ���������� �� ������������ ����������������������� ����������� ������������������������� ����������� ��������������� ����������� � ��� ���������������� � ��� ��������������� � ��� ��������� ����� � ��������������� � ��������� ���� � ������� �������� � ������� ����������� ������ �� ������������������ � ���������������� � �������������� � �������������������� � ��������� ��������� ��������� ���������� ��������� ������������ �������������� ����������������� ����������������� ����������� �������������� �� � ���������� �� �� ��� ������ ������������ ���182 ��T390HVN01 �� �� �� ���� ��������� 10 ���������� 8.5 ��������� 11.2 ����������� 9.2 ���������� ����������� ��������� ����� � �� � � �� � ���������� ����������� ������������ �� 906 600 250 � ������������� �������� ������� �� ����������������� ������ ���� �������������������������������� ������������������������������������������������������������ ��������������������������������������� ���� ��� ��������������������������������������������� ����������� ������������������������������������� ������������������������� �������� ������������������ ������������������������������������������������������������������������ ��������������������������������������� ������� �� ���������� ����������������������������� �������������� ������������������������������������������������������� ����������������� � ������ ���������������� ������������������������������������� � ���� ����������������� ����� ���������������������������������� �������� ���������������������������� ������������������������������������������������������������� ����������� ������������������ ���� �� ������������������������������������������������������� �������� �� �� �� ������������������ �� �� �� ���������������������������� ������������� ������������ �� ��������� ���� �� ������������������� � �������������� �� �� ��� ��������������������������������� �� ������������� ��������������� ������� �� �� ������������������������������������������������� �� ��� ��������������� �� ��� ��������� �������������������� �������� ����������������������������� ������������������������������ �� ��������������� � � � ������������� � ������������� ��� ��� ������ ������ �� �� � �� ��� �� ���� � �� ���� ��� �� ���� � �� ������ �� �� �� ��� T390HVN01 316Q390M001 MSD6M182 515C2408M52 511C3276S02 511Q3201M01 �������������� RC06 504Q3205101 �� � �� ��������������������������������������������������������������� ����������������������������������������������� � ����������������������������������� � ��������������������������� � ������������ � ������������������������ � 514C320�M0� � �������������� 18 .1� ��/��������� ���������������������������� ��������������������� 18 .2� ������ ������������������������������������� ���� ����� ����� �� ��������������� A�ADC ADJUST�ADC ������� PC � YPbPr ������� ADC Auto ��� ���� ������������� PC ��� RGB�YUV ��� YPbPr�HD������ 720p ����� ��R-GAIN�G-GAIN�B-GAIN ����������� �������������������� ��R-OFFSET�G-OFFSET�B-OFFSET ����������� ������� ������� ���������������� ��AUTO ADC ����� ADC�� PC �� 23291 �� Pat.818 ������ ADC AUto�� YPbPr �� 23291 �� Pat.46 ���� ADC AUto�� ���������� ������� B�PICTURE MODE ������� �� ��� ��Input Source ���������������� ��Picture Mode ������Standard/Bright/Soft/User/Eye Guard���� Contrast�Brightness� Sharpness�Chroma ������������������� 3�COPY ALL ���������������� Save to EEPROM������������� ������������ C�W/B ADJUST �ADC ������� PC � YPbPr ������� ADC Auto ��� ���������TEMPERATURE ������������ 1��� 2��� 1��� 2 ��R-GAIN�G-GAIN�B-GAIN ������������� ��R-OFFSET�G-OFFSET�B-OFFSET �������������� �� �� D�SSC� �������� LVDS ����� ������������������������������ ���������������������������������������������������������� ������������� ���������������������������������������� ��������������������������������������� ���������������������� � ��������������� E)SPECIAL SET:���� ������������������ ��������������������� ��������������������������������������������� ���������������� ������������������������������� �������������������������������������� ������������ �� G)VIF : ��������� ������������������������������������������� H)SW INFORMATION : ������������� ������������������������� ����������������������������������������� ���������������������������������������� ���������������������������������������� ������������������� I)UART DEBUG : ������������������������������������������������ ���������������������������� �������������������������� ������������������ ����������������� ������������� �� J �NONLINEAR���������������������������������� ������������� K) : ���� �������� ���������� ������������ ������������� ���������������� �������� ������������ ���������� ������������ ������������� �� 18 .3� � ������ ��������������������������� ����������������� ���������������������������������� ���������������������������� �

标签:

版权声明

1. 本站所有素材,仅限学习交流,仅展示部分内容,如需查看完整内容,请下载原文件。
2. 会员在本站下载的所有素材,只拥有使用权,著作权归原作者所有。
3. 所有素材,未经合法授权,请勿用于商业用途,会员不得以任何形式发布、传播、复制、转售该素材,否则一律封号处理。
4. 如果素材损害你的权益请联系客服QQ:77594475 处理。