TCL LCD2726-K液晶电视原理图和调试说明

分类:电子电工 日期: 点击:0
TCL LCD2726-K液晶电视原理图和调试说明-0 TCL LCD2726-K液晶电视原理图和调试说明-1 TCL LCD2726-K液晶电视原理图和调试说明-2 TCL LCD2726-K液晶电视原理图和调试说明-3 TCL LCD2726-K液晶电视原理图和调试说明-4 TCL LCD2726-K液晶电视原理图和调试说明-5 TCL LCD2726-K液晶电视原理图和调试说明-6 TCL LCD2726-K液晶电视原理图和调试说明-7 TCL LCD2726-K液晶电视原理图和调试说明-8 TCL LCD2726-K液晶电视原理图和调试说明-9

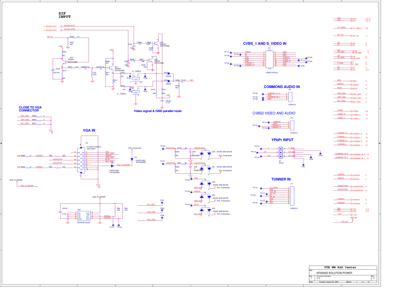
A B C D E 4 4 3 3 2 2 1 1 TCL集团多媒体电子事业本部研发中心 文件编号: 第 1 页 共 13 页 序号: 调 试 说 明(平板设计部内部版本) 机型(MODEL):LCD2726-K型液晶电视 拟制(PREPARED BY) : 日期(DATE): 2005-7-29 批准 (APPROVED BY): 日期(DATE): 2005-7-29 2005.08.0 2 11:46:52 +08'00' chy 2005.08.02 17:53:31 + 08'00' A B C D E 4 4 3 3 2 2 1 1 Rev V1 2. MT8205E PBGA388 2004/04/30 The original released. P# MT8205_TCL_LCD_V2 Date 1. INDEX & POWER 3. MT8205 ANALOG DECOUPLING History 4. MT8205 DIGITAL DECOUPLING 5. DDR MEMORY & FLASH 6. DVI INPUT 8. ANALOG SWITCH CIRCUIT 7. VGA/TUNNER/LINE IN CONNECTOR 9. AUDIO/VIDEO IN CIRCUIT A. WM8776/TA2024/AUDIO OUT B. LVDS/PANEL/TTL/OUT C. MS/SD/RS232 CONNECTOR DIGITAL GND ANALOG GND ANALOG INPUT GND ANALOG OUTPUT GND DIGITAL GND MT8205E (PBGA388) LCDTV DEMO BOARD 4 LAYERS V3 1. Remove VREFP and VREFN regulator 2. Add U35&U36 to separate 8205 power supply and LDVS driver power 2004/08/31 改电阻丝印 TTE WW R&D Center V1.0 tcl MT8205G SOLUTION-POWER C 1 12 Tuesday, August 02, 2005 Title Size Document Number Rev Date: Sheet of AV33 +P12V DV18 GPIO/Powerdown GPIO/Powerdown +P12V +P12V 12V +P12V +P12V +12V V33_Powerdown AV33 12V V33_Powerdown DV33A +12V V33_Powerdown GPIO/Powerdown 2 +P12V +12V V33_Powerdown 2,3,4,10,12 VCC_IN AV33 VCC_Powerdown V33_Powerdown DV18 VCC_Powerdown VCC_Powerdown V33_Powerdown VCC_IN +P12V DV33A +12V R253 0 TP24 TP110 R4 0 U35 LM2596-5.0 TO263/6UP 3 2 4 5 1 ADJ/GND VOUT Feedback ON/OFF VIN CB190 0.1uF L118 FB L120 FB BEAD/SMD/0805 U27 SOT223/SMD AAC-AZ1117 3.3V 1 2 3 ADJ/GND OUT IN + CE96 470uF/16v CB58 0.1uF L117 33uH-CHOKE COIL-14MM R103 10K TP111 + CE1 C220UF16V + CE99 220uF/16v + CE88 220uF/16v L86 33R FB CB189 0.1uF + CE3 220uF/16v D40 DIODE SMD SCHOTTKY MBRS130LT3 DO52 + CE98 470uF/16v L4 SMD/0805 L80 33R FB Q3 2N3904 1 3 2 L119 FB L9 33R FB + CE85 470uF/16v CB2 0.1uF TP109 + CE87 470uF/16v R7 NC + CE6 100uF/16v A CB1 0.1uF U29 LM2596-5.0 TO263/6UP 3 2 4 5 1 ADJ/GND VOUT Feedback ON/OFF VIN + CE86 220uF/16v L87 33R FB D39 D39 R101 10k/NC U1 SOT223/SMD AAC-AZ1117 ADJ 1 2 3 ADJ/GND OUT IN C190 0.1uF TP48 + CE23 220uF/16v L3 CON5/2.0mm 1 2 L122 FB TP44 CB3 0.1uF R9 0 TP23 L93 FB CB5 0.1uF TP43 C47 10uF/10v L82 33R FB TP106 CB203 0.1uF U2 SOT223/SMD AAC-AZ1117 ADJ 1 2 3 ADJ/GND OUT IN + CE97 220uF/16v L81 33R FB + CE5 100uF/25v R102 1k CB204 0.1uF CB4 0.1uF + CE7 220uF/16v L92 FB L85 33uH-CHOKE COIL-14MM R252 NC R2 NC L116 33R FB L5 FB BEAD/SMD/0805 L83 33R FB A B C D E 4 4 3 3 2 2 1 1 UP3_4 FOR S/W SCL UP3_5 FOR S/W SDA External Reset Circuit Internal Reset Circuit When use external reset circuit, internal Reset Circuit is not used TTE WW R&D Center V1.0 tcl MT8205G SOLUTION-POWER C 2 12 Tuesday, August 02, 2005 Title Size Document Number Rev Date: Sheet of A_CLK A_DQM[0..1] A_BA[0..1] A_WE# VREF A_CKE A_CLK# A_DQ[0..31] A_RA[0..11] A_CAS# A_DQS[0..3] SDV25 A_CS# A_RAS# F_A[0..21] F_OE# F_D[0..7] FDAT FCMD FCLK UP3_0 GREEN+ GREEN- BLUE+ BLUE- RED+ VGASOG RED- VGASCL VGAHSYNC# VGAVSYNC# Y- SY+ CB- SC- CVBS0- Y+ CB+ SC+ CR- SY- CR+ CVBS0+ AP[0..7] AN[0..7] CLK2- CLK1- CLK2+ CLK1+ DACLRC_1 SCL DACMCLK_1 SDA DOUT DACBCLK_1 AOSDATA1 SOY CVBS2- CVBS1- CVBS1+ CVBS2+ MPX1 MPX2 GPIO PWM0 TXD RXD DVISDA DVISCL DVIVSYNC DVIHSYNC DVIDE DVIODCK VI[0..23] PCE# PWR# PWM1 SOUND-SYS1 SOUND-SYS2 URST# AOSDATA0 AOSDATA2 AOSDATA3 UP1_5 UP1_4 IO UP1_3 DACBCLK_1 CB- CVBS1+ AP1 GND MPX2 A_BA1 A_RAS# A_BA0 AOSDATA0 VI1 SOY GND DACVDD CLK1+ A_DQ30 A_RA1 A_DQ25 GND GREEN- DVIDE SC+ AN4 A_CLK# GND ADC_IN0 ADCVDD0 ADC_IN0 A_DQ17 A_CS# VI9 ADCVDD0 BLUE+ DACVDD A_RA9 GND A_DQ15 GND PWM2VREF ADCPLLVDD1 ANALOGVDD GND AN1 A_RA4 A_DQ6 GND AUXTOP DACVDD GND A_DQ10 VI17 APLL_CAP VI23 Y+ GND VSYNC AOSDATA3 A_DQ2 A_RA7 CVBS1- CLK2+ ADCVDD0 A_DQ11 VI8 DV18 A_DQ4 VI19 CR- GND AP0 CLK2- VREFP4 GND A_DQ5 A_DQ0 VI5 A_DQ24 SY- AN5 ADC_IN4 REXTA ADC_IN1 A_DQ23 A_RA5 VI2 SDV25 ADCPLLVDD1 GND CVBS0- AN3 ADCVDD ADCPLLVDD A_DQ1 A_DQ9 RED+ REXTA AUXBOTTOM SDV25 GND A_DQ29 A_DQ8 VI20 GND DOUT VI14 VOCM CVBS2- AP7 SDV25 A_DQS1 ANALOGVDD GND DV18 ANALOGVDD GND CR+ AN6 DACMCLK_1 A_DQ14 A_DQ18 ADCVDD0 GND AVCM GND VI3 VICM GND LVDDA A_DQS0 A_CLK MPX1 APLL_CAP ADC_IN2 A_DQM1 VI10 GND AOSDATA1 GND SDV25 GND AP3 VPLLVDD VPLLVDD GND MON0 GREEN+ VGAVSYNC# DCLK A_DQ31 A_DQ20 LVDDA ADC_IN1 ADCVDD SDV25 A_RA0 VI22 XTALO DVIHSYNC GND CVBS0+ BLUE- AN7 A_RA8 GND SDV25 DACVREF GND VI6 GND DACLRC_1 A_RA11 VI16 AVCM AN0 LVDDA ADC_IN3 VOCM A_DQS3 A_RA10 VI15 Y- GND GND AP2 DV18 ADC_IN3 A_DQ27 GND SDV25 DACVREF VREFN4 VGASOG V33_Powerdown A_CAS# ADCVDD0 AP5 AUXBOTTOM APLLVDD A_DQ28 A_RA6 VI7 VI13 GND AN2 A_DQS2 GND A_DQ12 AUXTOP XTALI VI18 ANALOGVDD DVIVSYNC MON1 DV18 GND AP6 A_DQM0 DV18 ADCVDD0 CLK1- DACFS GND VI4 RED- DACFS V33_Powerdown AOSDATA2 A_WE# A_DQ7 VI21 CVBS2+ VPLLVDD ADC_IN2 VICM A_CKE DV18 ADCVDD0 VGAHSYNC# VREF A_DQ19 GND VREFN4 VREFP4 A_DQ13 ADCVDD0 A_DQ26 A_DQ22 DVIODCK SC- AP4 VPLLVDD GND PWM2VREF A_RA3 VI0 VI12 DV18 A_DQ3 SY+ GND XTALO ADC_IN4 A_RA2 APLLVDD DACVDD A_DQ16 ADCPLLVDD CB+ GND HSYNC GND A_DQ21 SDV25 GND LVDDA XTALI VI11 UP1_5 GND F_D4 DVISCL F_A16 UP1_3 F_A20 GND F_A12 RxD URST# GND F_D1 F_A11 DVISDA F_A18 UP1_4 GND F_A9 GND SDA F_A2 GPIO F_D3 PWM0 F_OE# F_A17 V33_Powerdown OGO7 VGASCL FCLK VGASDA PWM1 DV33A F_A15 ICE FCMD OGO5 DV18 UP3_0 ORO0 F_D6 F_A13 V33_Powerdown F_A21 F_A14 F_D2 DV18A DV33 F_D7 F_A10 F_A1 F_A0 PCE# DV18A F_D0 F_A7 F_D5 F_A6 F_A19 OGO0 F_A8 F_A5 V33_Powerdown PWR# IR GPIO/Powerdown F_A3 GND SCL F_A4 FDAT DV18 TxD IR URST# DV33A GND SOUND-SYS1 SOUND-SYS2 OGO7 ICE ORO0 VGASDA OGO5 OGO1 OGO0 GPIO/Powerdown OGO1 IO V33_Powerdown A_CKE 5 A_CAS# 5 A_DQS[0..3] 5 A_CLK 5 A_WE# 5 A_BA[0..1] 5 VREF 5 A_RA[0..11] 5 A_CS# 5 A_DQ[0..31] 5 SDV25 5 A_RAS# 5 A_DQM[0..1] 5 A_CLK# 5 F_D[0..7] 5 F_A[0..21] 5 FCMD 12 FCLK 12 FDAT 12 UP3_0 11 RED- 9 BLUE+ 9 GREEN+ 9 VGASCL 7 BLUE- 9 RED+ 9 VGASOG 9 GREEN- 9 VGAHSYNC# 7 VGAVSYNC# 7 SC+ 9 CR+ 9 SC- 9 SY+ 9 CR- 9 Y- 9 SY- 9 CVBS0+ 9 CB+ 9 CVBS0- 9 CB- 9 Y+ 9 AP[0..7] 11 AN[0..7] 11 CLK1+ 11 CLK2+ 11 CLK2- 11 CLK1- 11 SDA 5,7,10 SCL 5,7,10 DACBCLK_1 10 DACMCLK_1 10 DOUT 10 DACLRC_1 10 AOSDATA1 10 SOY 9 CVBS2- 9 CVBS1+ 9 CVBS1- 9 CVBS2+ 9 MPX2 9 MPX1 9 PWM0 11 RXD 7,12 TXD 7,12 DVISDA 6 DVISCL 6 DVIVSYNC 6 DVIHSYNC 6 DVIDE 6 DVIODCK 6 VI[0..23] 6 PCE# 5 PWR# 5 GPIO 11 SOUND-SYS1 7 SOUND-SYS2 7 UP1_4 8 UP1_5 8 UP1_3 8 IO 11 ANALOGVDD 3 XTALI 3 VOCM 3 AUXBOTTOM 3 VREFP4 3 XTALO 3 AUXTOP 3 APLL_CAP 3 ADC_IN4 11 PWM2VREF 3 REXTA 3 DACVDD 3 ADC_IN3 11 VPLLVDD 3 ADCVDD0 3 LVDDA 3 ADC_IN2 11 APLLVDD 3 ADCPLLVDD1 3 VICM 3 DACFS 3 ADC_IN1 11 VREFN4 3 ADC_IN0 11 ADCPLLVDD 3 AVCM 3 DACVREF 3 ADCVDD 3 IR 11 OGO7 6 ORO0 6 VGASDA 7 OGO5 11 OGO1 10 OGO0 10 GPIO/Powerdown 1 F_OE# 5 V33_Powerdown 1,3,4,10,12 DV33A DV33 DV33A DV18 TP8 R376 10K U18 MAX809 SOT23/SMD/NC 1 2 3 GND OUT IN TP103 R131 0 + CE95 10uF/25v R37 1K TP113 CB205 0.1uF C0603/SMD/NC D38 DIODE SMD 1N4148/SMD TP102 TP105 TP101 TP27 TP97 TP161 MT8205 U3 MT8205 BGA388 P2 R11 AD1 AE9 AF9 AE10 AF10 AF26 AD18 V2 V3 W1 W2 AC9 W3 W4 N2 L1 H2 M4 M3 V4 U2 U4 U24 V26 V25 W26 T24 T23 R15 U23 U25 T25 AE7 AE26 AF6 AF7 AC8 AD8 AF8 AD11 AF12 AE15 AD15 AC19 AC15 AF16 AE16 R12 AF17 AD16 AD17 AF14 AF13 AE13 AD13 AC13 AC10 AE8 AC17 AE11 T12 AF11 AE17 Y1 AE3 T11 AF3 AC1 AC6 AD9 AE6 AD6 AD4 AB4 AE1 AD5 AB3 AB1 AA1 AC2 AE2 AE5 AF5 AB2 AA4 AC18 AA2 P11 Y3 V1 AC5 AA3 AC14 F3 G4 E2 F2 N23 G3 B14 E3 E4 C2 M2 R16 J24 K23 AA23 H23 R14 L23 L24 M23 P26 AD7 R3 T4 N11 H4 K4 K3 J4 L2 K1 M12 P1 P3 L4 D1 D2 F1 H3 P25 P15 M24 R26 N24 U3 R4 P4 D3 M25 M26 J23 P24 N25 R24 AD19 AE21 AC21 AD22 AC22 AF18 AC26 W24 AC25 AE24 AF24 AC23 AD23 A14 AE22 AF22 AA26 T16 AA25 T14 AB25 AB24 AB23 AF25 AE19 AF19 AD10 Y23 G23 AE18 T26 W23 W25 R25 AF21 V24 H24 C1 L11 D4 E1 F4 J3 T1 T2 L3 R1 N1 M1 R2 K2 J1 J2 AD20 AE4 Y4 M11 N4 N3 G2 H1 AD2 AF2 Y2 AF4 R23 P23 K24 N26 T13 T15 U26 AE25 AF23 AD21 AF20 AE12 AF15 AC16 AD14 AC7 T3 AC3 V23 AE20 G1 N12 AD24 AC24 AD25 Y25 AB26 P12 U1 AC4 AD3 AF1 AC11 P13 AC20 AE23 AC12 AE14 R13 Y26 AD12 AD26 L26 AA24 L25 K26 P16 K25 J26 J25 H26 G24 H25 D25 D26 N16 E25 P14 E26 F25 F24 F26 G25 G26 N15 E24 C25 C26 B24 B25 F23 B26 A26 A25 Y24 A24 D24 C24 B23 A23 D23 C23 B22 A22 D22 C22 B21 M16 A21 D21 C21 B20 L16 A20 D20 C20 B19 A19 E23 D19 C19 B18 A18 B17 A17 B16 C18 C17 D17 D18 A16 M15 A15 B15 C16 D16 L15 M14 C15 D15 L14 D14 N14 C14 C13 C12 D12 C10 A13 B13 D13 A12 B12 A11 B11 D8 C11 D11 C9 D9 D10 A8 B8 A9 B9 C8 A10 B10 C7 A7 N13 B7 D7 C6 D6 M13 A6 B6 A5 B5 C5 A4 B4 L13 A3 B3 A2 B2 A1 B1 C4 D5 L12 C3 A2P DVSS3 ERO1 HIGHA6 HIGHA5 HIGHA4 HIGHA3 SCL0 DVDD18 EBO7 EBO6 EBO5 EBO4 DVDD3I EBO3 EBO2 CLK1P A4N CLK2P VREF LVDDC R HSYNCO G RWE# DQ10 DQ9 DQ8 RAS# CAS# DVSS2 DVDD2I DQ11 DQ13 ORO3 SDA0 ORO6 ORO2 ORO1 ORO0 HIGHA7 HIGHA1 HIGHA0 AD0 AD1 DVDD18 AD2 AD3 AD4 DVSS3 AD7 AD5 IOA0 IOA3 IOA4 IOA5 IOA6 IOA7 DVDD3I A16 A17 IOA20 DVSS18 IOA21 IOALE EBO1 OBO1 DVSS18 OBO0 ERO5 OGO1 DVDD3 ORO7 OGO0 OBO6 ERO6 OBO5 OGO4 ERO7 EGO1 EGO5 ERO4 OBO4 OGO3 OGO2 EGO0 EGO2 DVDD18 EGO4 DVSS18 EGO7 VCLK OGO5 EGO3 IOCS# AUXVTOP VPLLVDD ADIN2 ADCVSS RA2 AUXVBOTTOM TESTP ADIN1 ADIN0 AF A3P DVSS2 RA5 RA6 DVDD18 DVDD2 DVSS18 RA8 RA9 RA11 RCLK ORO4 DACVSSB SVM DACVSSC BGVDD BGVSS DLLVSS REXTA A4P A5N LVSSA A2N DACVDDB LVDDB REFP4 REFN4 ADCVDD DLLVDD RCLKB DVSS2 RA3 RA0 RA1 B DACVSSA DACVDDA ADCVDD4 DQ18 DQ17 RA4 RA10 DQ16 BA0 DVDD18 UP30 PRST# UP34 UP35 WR# DQ3 DVDD2 DQ2 RXD IR PWM1 PWM0 TESTN FCICMD FCICLK DQ7 DVSS18 DQ6 DVSS2 DQ4 SDA1 SCL1 SCL UP12 INT0# DVDD3 AVDD18 RVREF RD# DQ14 AVSS18 DQS1 DQ15 UP17 DVDD2 DVDD2 SIF ADCVSS4 ADIN4 ADIN3 PWM2VREF VPLLVSS A0N A0P LVDDA A1N CLK1N A3N A1P A5P A6N A6P UP15 OGO7 EGO6 LVSSB FS DACVDDC A7P CLK2N ERO0 OBO2 EBO0 OGO6 RCS# BA1 RA7 CKE DVSS18 DVSS2 DQ12 SDA FCIDAT UP31 UP13 IOA18 IOOE# AD6 IOA1 ORO5 DE ERO3 DVDD2 UP14 A7N LVSSC TXD ICE DQ0 DQS0 DQ5 DVSS18 VSYNCO ERO2 OBO7 OBO3 HIGHA2 DVSS18 UP16 GPIO0 IOWR# IOA2 DVSS3 DQM0 IOA19 DQ1 DQ19 DVDD18 DQ20 DQ21 DVSS2 DQ22 DQ23 DQS2 DQM1 DVDD2 DQS3 DQ31 DQ30 DVSS2 DQ29 DVSS18 DQ28 DQ27 DVDD2 DQ26 DQ25 DQ24 DVSS3 AOMCLK AOLRCK AOBCK LIN AOSDATA3 DVDD3I AOSDATA2 AOSDATA1 AOSDATA0 DVDD18 HSYNC_DVI VSYNC_DVI DE_DVI VCLK_DVI VI23 VI22 VI21 VI20 VI19 VI18 VI17 VI16 DVSS18 VI15 VI14 VI13 VI12 DVSS3 VI11 VI10 VI9 VI8 VI7 DVDD18 VI6 VI5 VI4 VI3 VI2 VI1 VI0 DMPLLVSS DMPLLVDD APLLVDD APLLVSS APLL_CAP XTALVSS XTALI XTALO XTALVDD SYSPLLVDD SYSPLLVSS ADCPLLVSS ADCPLLVDD ADCPLLVDD1 ADCPLLVSS1 DVDD DVSS HSYNC VSYNC REFN3 REFP3 ADCVSS3 BP BN SOG GP GN RP RN ADCVDD3 MON1 MON0 REFN2 REFP2 ADCVSS2 CRP CRN CBP CBN SOY YP YN ADCVDD2 VICM VFEVSS0 VOCM VFEVDD0 REFN1 REFP1 ADCVSS1 SYP SYN SCP SCN ADCVDD1 REFN0 REFP0 ADCVSS0 CVBS0P CVBS0N CVBS1P CVBS1N CVBS2P CVBS2N ADCVDD0 AVCM VFEVSS1 VFEVDD1 TP162 + CE9 22uF/25v/NC TP163 TP7 TP112 A B C D E 4 4 3 3 2 2 1 1 R18 Note for Fix or Adj Regulator 1.25x(1+Rdown/Rup) R18 = 680 FOR 1.8V R18 = 500 FOR 2.0V 300 1% Fix regulator Adj regulator OFF Vout 1.25x(1+180/110)=3.3V 0 ohm R19 FOR ADCVDD 680 1% AZ1117 MT8205 ANALOG DECOUPLING TTE WW R&D Center V1.0 tcl MT8205G SOLUTION-POWER C 3 12 Tuesday, August 02, 2005 Title Size Document Number Rev Date: Sheet of ADC_VDD DACVDD VICM ADCPLLVDD DACVREF ADCVDD3 ADCVDD ADC_VDD REXTA VFEVDD0 AUXBOTTOM LVDDA DACVDD VPLLVDD ANLOOGVDD LVDDA APLL_CAP ADCPLLVDD1 AV33 ADCVDD2 VOCM ADCVDD4 VREFN4 DV18 ADCVDD0 AUXTOP VPLLVDD DACVDD DACFS APLLVDD DAC_VDD XTALO DACVSSC AVCM VPLLVDD ADCVDD1 GND VREFP4 LVDDA GND AV33 V33_Powerdown AV33 VFEVDD1 VREFP4 APLLVDD DACVREF LVDDA DACVDD VPLLVDD APLL_CAP PWM2VREF XTALI ANALOGVDD AVCM REXTA ADCVDD ADCPLLVDD1 XTALO DACFS VOCM AUXTOP ADCVDD0 VREFN4 ADCPLLVDD VICM AUXBOTTOM ANALOGVDD ANALOGVDD GND GND GND GND GND GND GND GND GND GND GND GND GND GND GND GND XTALI ADC_VDD PWM2VREF GND GND GND ADCGND GND GND GND GND DACVSSC GND GND GND GND GND GND GND GND GND V33_Powerdown AUXBOTTOM 2 APLLVDD 2 VOCM 2 ADCPLLVDD 2 ANALOGVDD 2 AUXTOP 2 AVCM 2 DACFS 2 ADCPLLVDD1 2 REXTA 2 DACVDD 2 DACVREF 2 VPLLVDD 2 ADCVDD0 2 VREFP4 2 XTALO 2 ADCVDD 2 VREFN4 2 PWM2VREF 2 XTALI 2 LVDDA 2 APLL_CAP 2 VICM 2 V33_Powerdown 1,2,4,10,12 AV33 AV33 V33_Powerdown ADC_VDD DV18 AV33 ADC_VDD AV33 VCC_IN L11 FB + CE12 10uF/16v L32 FB R17 560 CB26 0.1uF C0603/SMD L31 FB BEAD/SMD/0603 R26 49.9 CB43 0.1uF C0603/SMD L7 FB BEAD/SMD/0603 CB31 0.1uF C0603/SMD CB50 0.1uF C0603/SMD + CE20 47uF/16v CB202 0.1uF C0603/SMD R256 100K CB27 0.1uF C0603/SMD R22 110 C13 4.7uF 0805/SMD L19 FB BEAD/SMD/0603 C18 4.7uF 0805/SMD C19 4.7uF 0805/SMD C7 33pF CB52 0.1uF C0603/SMD C1 0.1uF/NC C0603/SMD CB33 0.1uF C0603/SMD Y1 27MHz + CE94 22uF/25v CB28 0.1uF C0603/SMD + CE16 100uF/16v A CB21 0.1uF + CE18 10uF/25v R23 180 CB39 0.1uF C0603/SMD CB11 0.1uF CB18 0.1uF C0603/SMD + CE13 22uF/25v CB56 0.1uF C0603/SMD C12 4.7uF 0805/SMD + CE19 47uF/16v CB196 0.1uF C0603/SMD L20 FB BEAD/SMD/0603 CB47 0.1uF C0603/SMD + CE17 220uF/16v L14 FB BEAD/SMD/0603 CB25 0.1uF C0603/SMD CB22 0.1uF + CE21 47uF/16v CB16 0.1uF C0603/SMD CB14 0.1uF C0603/SMD CB8 0.1uF C0603/SMD C43 4.7uF 0805/SMD CB17 0.1uF C0603/SMD C32 4.7uF 0805/SMD L25 FB BEAD/SMD/0603 CB42 0.1uF C0603/SMD CB195 0.1uF C0603/SMD CB19 0.1uF C0603/SMD C11 4.7uF 0805/SMD CB9 0.1uF C0603/SMD CB7 0.1uF C0603/SMD C4 4.7uF 0805/SMD R24 3K3 C3 4.7uF 0805/SMD U5 AAC-AZ1117 ADJ SOT223/SMD 1 2 3 ADJ/GND OUT IN C8 4.7uF 0805/SMD C2 4.7uF 0805/SMD C10 4.7uF 0805/SMD C17 4.7uF 0805/SMD CB35 0.1uF C0603/SMD CB45 0.1uF C0603/SMD CB20 0.1uF C0603/SMD CB10 0.1uF C6 33pF C14 4.7uF 0805/SMD R25 49.9 CB29 0.1uF C0603/SMD L8 FB BEAD/SMD/0603 CB36 0.1uF C0603/SMD CB24 0.1uF C0603/SMD C246 4.7uF 0805/SMD L6 FB BEAD/SMD/0603 R20 0 R21 0 CB23 0.1uF CB197 0.1uF C0603/SMD C15 4.7uF 0805/SMD CB40 0.1uF C0603/SMD + CE11 10uF/25v A CB48 0.1uF C0603/SMD C16 4.7uF 0805/SMD A B C D E 4 4 3 3 2 2 1 1 MT8205 DIGITAL DECOUPLING 0603 PUT ON NEARLY BGA 0603 PUT ON NEARLY BGA TTE WW R&D Center V1.0 tcl MT8205G SOLUTION-POWER C 4 12 Tuesday, August 02, 2005 Title Size Document Number Rev Date: Sheet of DV33 DV18 ADCVDD V33_Powerdown ADCVDD 2,3 V33_Powerdown 1,2,3,10,12 ADC_VDD DV33 DV33 AV33 DV18 V33_Powerdown CB66 0.1uF C0603/SMD CB62 0.1uF CB87 0.1uF C0603/SMD CB96 0.1uF CB63 0.1uF C60 3300pF C0603/SMD CB192 0.1uF + CE24 270uF/16v C71 3300pF C0603/SMD C46 10uF/10v CB88 0.1uF C0603/SMD CB95 0.1uF C61 3300pF C0603/SMD CB57 0.1uF + CE2 270uF/16v CB59 0.1uF CB89 0.1uF C0603/SMD C62 3300pF C0603/SMD L38 FB BEAD/SMD/1206 CB60 0.1uF CB97 0.1uF C55 0.01uF C0603/SMD C63 3300pF C0603/SMD CB90 0.1uF C0603/SMD CB98 0.1uF A B C D E 4 4 3 3 2 2 1 1 TSOP 48 pin NEW ADD VREF DECOUPLING SYSTEM EEPROM DDR_POWER TTE WW R&D Center V1.0 tcl MT8205G SOLUTION-POWER C 5 12 Tuesday, August 02, 2005 Title Size Document Number Rev Date: Sheet of A_DQM0 A_CKE A_DQM1 A_RA[0..11] A_BA[0..1] A_CLK A_CKE A_RAS# A_CS# A_WE# A_CAS# A_DQM[0..1] A_DQ[0..31] F_D[0..7] PCE# D_DQS0 A_DQS0 D_DQM0 D_DQS3 D_DQS2 A_DQS2 D_RA7 D_RA6 D_RA5 D_RA4 D_RA9 D_RA8 D_RA10 D_RA11 D_DQ3 D_DQ0 D_DQ7 D_DQ6 D_DQ5 D_DQ4 D_DQ11 D_DQ14 D_DQ13 D_DQ12 D_DQ2 D_DQ10 D_DQ9 D_DQ8 D_DQ15 D_DQ1 D_DQ17 D_DQ21 D_DQ23 D_DQ26 D_DQ27 D_DQ24 D_DQ19 D_DQ18 D_DQ16 D_DQ22 D_DQ20 D_DQ25 A_DQS[0..3] D_BA1 D_BA0 D_DQM1 A_DQS1 D_DQS1 A_CLK D_CKE D_CLK D_CLK# A_CLK# D_DQ17 D_DQ18 D_DQ19 D_DQ21 D_DQ22 D_DQ23 D_DQ25 D_DQ26 D_DQ27 D_DQ16 D_DQ20 D_DQ31 D_DQ29 D_DQ30 D_DQ24 D_DQ28 D_DQS0 D_DQM1 D_DQM0 D_DQS3 D_DQM1 D_DQS2 D_RAS# D_CS# D_CAS# D_WE# D_BA1 D_BA0 D_DQM0 D_DQS1 D_CKE D_CLK D_CLK# D_RA3 D_RA2 D_RA1 D_RA0 D_RA7 D_RA6 D_RA5 D_RA4 D_RA9 D_RA8 D_RA11 D_RA10 D_DQ3 D_DQ2 D_DQ0 D_DQ1 D_DQ7 D_DQ6 D_DQ5 D_DQ4 D_DQ11 D_DQ10 D_DQ9 D_DQ8 D_DQ15 D_DQ14 D_DQ13 D_DQ12 D_RAS# D_CS# D_CAS# D_WE# D_BA1 D_BA0 D_CKE D_CLK D_CLK# D_RA3 D_RA2 D_RA1 D_RA0 D_RA7 D_RA6 D_RA5 D_RA4 D_RA9 D_RA8 D_RA11 D_RA10 A_CLK# SDV25 VREF D_RA2 D_RA1 D_RA0 D_RA3 A_WE# A_CAS# A_CS# A_RAS# D_CS# D_RAS# D_CAS# D_WE# F_D3 F_A14 F_A20 F_A17 F_A2 F_A3 F_A9 F_A11 F_A7 F_A12 F_A21 PWR# F_D4 F_A8 F_A0 F_A5 F_D6 F_D1 F_A13 F_A4 F_A10 F_A6 F_A18 F_A1 F_D2 F_D5 F_A16 F_A15 F_A19 PCE# F_OE# F_D0 F_D7 A_RA2 A_RA3 A_RA0 A_RA1 A_RA7 A_RA5 A_RA4 A_RA6 A_RA8 A_RA9 A_RA11 A_DQ2 A_DQ1 A_DQ3 A_DQ0 A_DQ6 A_DQ5 A_DQ7 A_DQ4 A_DQ10 A_DQ9 A_DQ11 A_DQ8 A_DQ14 A_DQ13 A_DQ15 A_DQ12 A_DQ18 A_DQ17 A_DQ19 A_DQ16 A_DQ21 A_DQ22 A_DQ20 A_DQ23 A_DQ25 A_DQ26 A_DQ24 A_DQ27 A_RA10 A_BA1 A_BA0 F_A[0..21] A_DQS3 FLASHVCC A_DQ28 D_DQ31 A_DQ31 D_DQ29 D_DQ30 A_DQ29 D_DQ28 A_DQ30 D_BA0 D_RAS# D_CS# D_BA1 D_DQ14 D_DQ27 D_DQ6 D_DQ2 D_DQ11 D_DQ22 D_DQ17 D_DQ12 D_DQ24 D_DQ5 D_DQ1 D_DQ31 D_DQ21 D_DQ16 D_DQ13 D_DQ4 D_DQ0 D_DQ20 D_RA2 D_DQ19 D_DQ15 D_DQ29 D_RA1 D_RA8 D_DQS3 D_DQ23 D_DQ25 D_DQM1 D_DQ28 SDV25 D_DQM0 D_WE# D_RA4 D_DQ26 D_DQ8 D_DQ3 D_DQ30 D_RA7 D_RA5 D_DQ18 D_RA6 D_DQS0 D_DQ10 D_RA0 D_RA10 D_RA9 D_DQS1 D_RA11 D_DQ7 D_DQ9 D_RA3 D_DQS2 D1V25 D1V25 D_CAS# D1V25 D1V25 D1V25 SDV25 SDV25 SDV25 SDV25 VREF VREF SDV25 VREF VREF SDA SCL F_OE# PWR# SCL SDA VREF A_RA[0..11] 2 A_BA[0..1] 2 A_CLK 2 A_CKE 2 A_RAS# 2 A_CS# 2 A_WE# 2 A_CAS# 2 A_DQM[0..1] 2 A_DQ[0..31] 2 F_D[0..7] 2 PCE# 2 A_DQS[0..3] 2 A_CLK# 2 SDV25 2 VREF 2 F_A[0..21] 2 PWR# 2 F_OE# 2 SDA 2,7,10 SCL 2,7,10 DV33A DV33A DV33A SDV25 SDV25 SDV25 SDV25 DV33A VCC_Powerdown SDV25 SDV25 D1V25 D1V25 D1V25 VCC_IN SDV25 VREF SDV25 VREF VCC_Powerdown VCC_Powerdown R42 75 CB108 0.1uF CB162 0.1uF R67 150 1% C88 3300pF CB117 0.1uF RN21 47x4 1 2 3 4 5 6 7 8 R34 10K + CE30 270uF/16v OS-CON C270UF16V/D10H12 CB132 0.1uF RN9 47x4 1 2 3 4 5 6 7 8 CB179 0.1uF R60 75 CB67 0.1uF RN23 22x4 1 2 3 4 5 6 7 8 CB126 0.1uF C83 3300pF CB168 0.1uF R59 22 R43 0 CB170 0.1uF R61 75 CB115 0.1uF + CE26 220uF/16v RN19 47x4 1 2 3 4 5 6 7 8 CB110 0.1uF C81 3300pF R65 75 R44 0 CB125 0.1uF R54 4K7 CB73 0.1uF R41 22 TP47 CB78 0.1uF CB116 0.1uF CB101 0.1uF + CE31 270uF/16v OS-CON C270UF16V/D10H12 U12 29LV320D 25 24 23 22 21 20 19 18 8 9 28 47 16 29 31 33 35 7 26 38 40 42 44 30 32 10 36 39 41 43 45 37 27 11 15 34 46 6 4 5 3 2 1 48 17 13 12 14 A0 A1 A2 A3 A4 A5 A6 A7 A8 A19 OE BYTE A18 D0 D1 D2 D3 A9 CE D4 D5 D6 D7 D8 D9 A20 D11 D12 D13 D14 D15 VCC GND1 WE RY/BY D10 GND2 A10 A12 A11 A13 A14 A15 A16 A17 NC RESET WP/ACC CB85 0.1uF CB75 0.1uF RN7 47x4 1 2 3 4 5 6 7 8 R51 22 CB171 0.1uF CB207 0.1uF R52 22 C86 3300pF C78 3300pF CB136 0.1uF C0603/SMD CB105 0.1uF CB83 0.1uF RN13 47x4 1 2 3 4 5 6 7 8 C82 3300pF R53 33 CB112 0.1uF CB165 0.1uF CB104 0.1uF RN14 75*4 1 2 3 4 5 6 7 8 TP19 8M x 16 DDR U13 HY5DU281622T 16Mx16 1 2 3 4 5 6 7 8 9 10 11 12 13 14 15 16 17 18 19 20 21 22 23 24 25 26 27 28 29 30 31 32 33 66 65 64 63 62 61 60 59 58 57 56 55 54 53 52 51 50 49 48 47 46 45 44 43 42 41 40 39 38 37 36 35 34 VDD DQ0 VDDQ DQ1 DQ2 VSSQ DQ3 DQ4 VDDQ DQ5 DQ6 VSSQ DQ7 NC VDDQ LDQS NC VDD DNU LDM WE CAS RAS CS NC BA0 BA1 A10/AP A0 A1 A2 A3 VDD VSS DQ15 VSSQ DQ14 DQ13 VDDQ DQ12 DQ11 VSSQ DQ10 DQ9 VDDQ DQ8 NC VSSQ UDQS NC VREF VSS UDM CK CK CKE NC A12 A11 A9 A8 A7 A6 A5 A4 VSS CB124 0.1uF CB79 0.1uF RN5 22x4 1 2 3 4 5 6 7 8 RN12 75*4 1 2 3 4 5 6 7 8 RN18 75*4 1 2 3 4 5 6 7 8 CB138 0.1uF R45 10K CB206 0.1uF CB166 0.1uF R56 75 + CE32 220uF/16v + CE28 220uF/16v U15 SOT223/SMD AAC-AZ1117 ADJ 1 2 3 ADJ/GND OUT IN + CE25 C270UF16V CB113 0.1uF RN17 47x4 1 2 3 4 5 6 7 8 R64 75 CB109 0.1uF CB82 0.1uF R62 47 C90 3300pF CB123 0.1uF + CE27 47uF/16v A CB86 0.1uF R50 22 CB103 0.1uF C92 3300pF C0603/SMD C87 3300pF CB167 0.1uF U8 EEPROM 24C16 SOP8/SMD 1 2 3 4 5 6 7 8 NC NC NC GND SDA SCL WP VCC C91 3300pF C0603/SMD R63 22 CB130 0.1uF CB74 0.1uF R47 33 C77 3300pF R40 10K CB122 0.1uF RN15 47x4 1 2 3 4 5 6 7 8 RN11 47x4 1 2 3 4 5 6 7 8 R49 75 CB80 0.1uF + CE33 220uF/16v CB84 0.1uF C89 3300pF CB106 0.1uF CB121 0.1uF CB107 0.1uF U14 IC LP2996 DDR Termination SOP8 2 1 3 4 5 6 7 8 SD GND VSENSE VREF VDDQ AVIN PVIN VTT CB175 0.1uF CB133 0.1uF C0603/SMD CB131 0.1uF + CE34 220uF/16v RN1 75*4 1 2 3 4 5 6 7 8 C79 3300pF CB129 0.1uF RN2 22x4 1 2 3 4 5 6 7 8 RN22 75*4 1 2 3 4 5 6 7 8 TP46 CB177 0.1uF C80 3300pF RN3 75*4 1 2 3 4 5 6 7 8 RN24 75*4 1 2 3 4 5 6 7 8 CB172 0.1uF RN8 75*4 1 2 3 4 5 6 7 8 CB163 0.1uF CB76 0.1uF CB134 0.1uF C0603/SMD CB118 0.1uF CB127 0.1uF RN4 22x4 1 2 3 4 5 6 7 8 R57 22 CB114 0.1uF RN20 75*4 1 2 3 4 5 6 7 8 CB178 0.1uF R58 75 R46 33 CB128 0.1uF L1 FB BEAD/SMD/0805 CB169 0.1uF CB176 0.1uF CB111 0.1uF R33 10K R48 75 RN10 75*4 1 2 3 4 5 6 7 8 + CE29 220uF/16v C85 3300pF 8M x 16 DDR U11 HY5DU281622T 16Mx16 1 2 3 4 5 6 7 8 9 10 11 12 13 14 15 16 17 18 19 20 21 22 23 24 25 26 27 28 29 30 31 32 33 66 65 64 63 62 61 60 59 58 57 56 55 54 53 52 51 50 49 48 47 46 45 44 43 42 41 40 39 38 37 36 35 34 VDD DQ0 VDDQ DQ1 DQ2 VSSQ DQ3 DQ4 VDDQ DQ5 DQ6 VSSQ DQ7 NC VDDQ LDQS NC VDD DNU LDM WE CAS RAS CS NC BA0 BA1 A10/AP A0 A1 A2 A3 VDD VSS DQ15 VSSQ DQ14 DQ13 VDDQ DQ12 DQ11 VSSQ DQ10 DQ9 VDDQ DQ8 NC VSSQ UDQS NC VREF VSS UDM CK CK CKE NC A12 A11 A9 A8 A7 A6 A5 A4 VSS CB137 0.1uF CB135 0.1uF C0603/SMD CB164 0.1uF L10 FB C84 3300pF RN16 75*4 1 2 3 4 5 6 7 8 CB77 0.1uF R66 160 R55 22 CB119 0.1uF RN6 75*4 1 2 3 4 5 6 7 8 A B C D E 4 4 3 3 2 2 1 1 5V 3.3V OPTIONAL TTE WW R&D Center V1.0 tcl MT8205G SOLUTION-POWER C 6 12 Tuesday, August 02, 2005 Title Size Document Number Rev Date: Sheet of DATA2+ CLOCK+ CLOCK- DATA2- GND DVIAVCC DVISCDT GND DATA0- DVIGND DATA2- CLOCK+ DVIPD# DVIGND DATA1+ DATA0+ DVIGND DVISCL GND DATA2+ DVISTAG DATA1- DVIGND DVISDA GND DVIGND DVIAVCC DVIPIXS GND CLOCK- DVIGND DVIPIXS DVIRST# DVISCDT DVIPDO# HS_DJTR HS_DJTR DVIPD# DVIPDO# DVIPDO# DVIAVCC EXT_RST DATA1+ DVICAB DATA0- DATA0+ DVIGND DVIPWR DDCDVISDA DDCDVISCL DDCDVISCL DDCDVISDA DVIPWR DVIPWR DVISCL DVISDA DDCDVISDA DDCDVISCL DVICAB ORO0 ORO0 DVISDA DVISCL DVIHSYNC DVIVSYNC DVIODCK DVIDE VI[0..23] DVIRST# DVI_PLUGPWR DVIAVCC DVIAVCC DVIPVCC DVI_PLUGPWR OCK_INV OCK_INV DVIPWR DVIPWR DVIPWR DVIPWR DVIPWR DVIPWR DVIPWR DVIPWR CTL3 DVIPWR DVIPWR DVIVSYNC DVIDE DVIHSYNC VI23 VI22 VI21 VI20 VI19 VI18 VI17 VI16 GND GND DVIPWR VI15 VI14 VI13 VI12 VI11 VI10 VI9 VI8 VI7 VI6 VI5 VI4 VI3 VI2 VI1 VI0 DVIODCK OGO7 V33 DVIPWR DATA0- DATA1- DATA0+ CLOCK+ CLOCK- OGO7 ORO0 2 DVISDA 2 DVISCL 2 DVIHSYNC 2 DVIVSYNC 2 DVIODCK 2 DVIDE 2 VI[0..23] 2 OGO7 2 DVI_PLUGPWR DVIPWR DVIPWR DVIPWR DVIPWR DVIPVCC VCC_Powerdown DVIPWR DVIPWR DVIPWR DVIPWR DVIPWR DVIPWR DVIPWR DVIPWR VCC_Powerdown DVIPWR DVI_PLUGPWR DVIAVCC DVIPWR DVIPWR ADC_VDD C106 10uF/10v R71 100K R74 0 R80 4K7 R76 1k R11 33x4 8 1 7 2 6 3 5 4 TP45 R72 0 TP30 R12 0 C97 10uF/10v R15 nc SIL 169B U17 SIL 169B TQFP TQFP100/SII169 100 99 98 97 3 2 96 95 94 93 90 88 87 86 85 84 83 82 81 30 29 28 27 26 25 24 23 22 21 20 19 18 17 16 15 14 13 12 11 10 9 8 7 6 5 91 92 1 31 32 33 34 35 36 37 38 39 40 41 42 43 44 45 46 47 51 48 50 52 53 54 55 56 57 58 59 60 61 62 63 64 65 66 67 68 69 70 71 72 73 74 75 76 77 78 79 80 49 4 89 SCL RESERVED PGND PVCC SDA PD# EXT_RST AVCC RXC- RXC+ RX0+ AVCC AGND RX1- RX1+ AVCC AGND AVCC RX2- QE16 OVCC OGND QE15 QE14 QE13 QE12 QE11 QE10 QE9 OE8 OGND OVCC QE7 QE6 QE5 QE4 QE3 QE2 QE1 QE0 PDO# SCDT STAG_OUT VCC GND RX0- AGND RESET# QE17 QE18 QE19 QE20 QE21 QE22 QE23 VCC GND HS_DJTR OCK_INV CTL3 OVCC ODCK OGND DE VSYNC QO2 HSYNC QO1 QO3 QO4 QO5 QO6 QO7 OVCC OGND QO8 QO9 QO10 QO11 QO12 QO13 QO14 QO15 VCC GND QO16 QO17 QO18 QO19 QO20 QO21 QO22 OGND QO23 OVCC AGND RX2+ QO0 PIXS AGND TP49 TP52 TP29 C104 10uF/10v L41 FB C95 220pF R84 nc TP21 R83 4K7 R73 390 1% R5 33x4 4 5 3 6 2 7 1 8 TP54 R6 33x4 8 1 7 2 6 3 5 4 R82 4K7 R70 10K R8 33x4 8 1 7 2 6 3 5 4 R86 0 C96 10uF/10v R81 4K7 R13 4k7 C111 0.1uF C94 10uF/10v R16 0 TP53 R89 R + CE35 100uF/16v C98 220pF C105 220pF R88 R C107 220pF R75 0 CB141 0.1uF U19 EEPROM 24C02/N.C 1 2 3 4 5 6 7 8 NC NC NC GND SDA SCL WP VCC C108 10uF/10v L43 FB R1 33x4 4 5 3 6 2 7 1 8 R3 33x4 4 5 3 6 2 7 1 8 R69 100 CB140 0.1uF C101 220pF TP51 C93 220pF C99 220pF R87 0 C100 10uF/10v R14 nc C110 10uF/10v L42 FB C103 220pF QF2 MOSFET N 2N7002 SMD SOT23/SMD 1 2 3 + CE100 100uF/16v R79 0 C102 10uF/10v R85 nc R68 100 L121 FB C109 220pF CB139 0.1uF L44 FB QF1 MOSFET N 2N7002 SMD SOT23/SMD 1 2 3 TP62 R77 R P1 DVI-I DIP 34P 1 2 3 4 5 6 7 8 9 10 11 12 13 14 15 16 17 18 19 20 21 22 24 23 25 26 27 28 29 30 31 32 33 34 TP50 R78 R A B C D E 4 4 3 3 2 2 1 1 YPbPr INPUT TUNNER IN CVBS_1 AND S_VIDEO IN COMMOND AUDIO IN 6.0MHZ 6.5MHZ SIF INPUT CLOSE TO VGA CONNECTOR VGA IN Video signal & GND parallel route CVBS2 VIDEO AND AUDIO TTE WW R&D Center V1.0 tcl MT8205G SOLUTION-POWER C 7 12 Tuesday, August 02, 2005 Title Size Document Number Rev Date: Sheet of CVBSIN1_R CVBSIN1_L CB Y SY SC RED GREEN BLUE CVBS0_L CVBS0 CVBS0_R COMMON_IN_R COMMON_IN_L VGASCL VGASDA VGAHSYNC# VGAVSYNC# CVBSIN1 RED_GND BLU_GND GRN_GND Y CB CR CVBSIN2_L CVBSIN2_R GND CVBS0 SC SY COMMON_IN_R COMMON_IN_L GND GND CVBSIN2 AFT_IN SDA SIF AF AF GND TV_VIDEO SCL GND SDA AFT_IN VCC_IN TV_VIDEO SCL SIF_IN SOUND-SYS2 SOUND-SYS1 SIF RXD TXD BLUE VGA_PLUGPWR TxD BLU_GND BLU_GND VGA_PLUGPWR RED_GND VGAVSYNC BLU_GND VGAHSYNC BLUE VGAHSYNC# GRN_GND GREEN RxD VGASCL VGAVSYNC# RED VGASDA GREEN RED_GND GRN_GND CB_GND CR CR_GND Y_GND GND GND CVBSIN1_L CVBSIN1_R GND GND CVBSIN1 GND CVBSIN2 CVBSIN2_L CVBSIN2_R GND CVBS0_L CVBS0_R GND SIF_IN VGASCL VGASDA VGAVSYNC VGAHSYNC GND GRN_GND BLU_GND GRN_GND RED_GND CB_GND CR_GND Y_GND VCC_IN +12V RED RED_GND CVBSIN1_R 10 CVBSIN1_L 10 CB 9 Y 9 SY 9 SC 9,11 RED 9 GREEN 9 BLUE 9 CVBS0_L 10 CVBS0 8,9 CVBS0_R 10 COMMON_IN_R 10 COMMON_IN_L 10 VGASCL 2 VGASDA 2 VGAHSYNC# 2 VGAVSYNC# 2 CVBSIN1 8 GRN_GND 9 BLU_GND 9 RED_GND 9 CVBSIN2_R 10 CVBSIN2_L 10 CVBSIN2 8 AFT_IN 11 SCL 2,5,10 AF 9 SIF 9 TV_VIDEO 8,9 SDA 2,5,10 SOUND-SYS2 2 SOUND-SYS1 2 TXD 2,12 RXD 2,12 CB_GND 9 CR 9 CR_GND 9 Y_GND 9 +12V +12V +12V +12V VCC_Powerdown VGA_PLUGPWR VCC_Powerdown VGA_PLUGPWR VCC_Powerdown VCC_Powerdown VCC_Powerdown VCC_Powerdown VCC_IN R99 10K R316 100 R301 2K2 TP130 TP135 J17 CON9/2.0 1 2 3 4 5 6 7 8 9 D35 DIODE U32 U 1 2 3 D5 DIODE SMD 1N4148/SMD TP34 C225 100p R307 10K U20 EEPROM 24C02 1 2 3 4 5 6 7 8 NC NC NC GND SDA SCL WP VCC R303 10K D33 DIODE SMD BAV99 1 3 2 TP60 J23 CON4/2.0 1 2 3 4 TP67 TP136 TP117 D36 DIODE TP116 J16 CON4/2.0 1 2 3 4 TP131 R308 47K R311 47K Q17 2N3904 SOT23/SMD 1 3 2 R309 10K R321 20 D4 DIODE SMD 1N4148/SMD TP129 D34 DIODE SMD BAV99 1 3 2 TP137 TP118 L102 12uH R314 1K R306 0 C49 C C0603/SMD TP66 TP119 TP141 TP39 TP138 Q16 2N3904 SOT23/SMD 1 3 2 R94 100 C226 47p CB142 0.1uF TP9 TP115 TP123 CB194 0.1uF D31 DIODE SMD BAV99 1 3 2 TP35 TP133 R310 470 P3 D-SUB15 FEMALE VGA-CON1 16 17 1 2 3 4 5 6 7 8 9 10 11 12 13 14 15 R289 0 R251 0 TP128 TP142 Q14 2N3904 SOT23/SMD 1 3 2 TP139 C227 47p R304 10K R319 20 R93 100 + CE90 10uF/25v TP121 TP134 R290 0 C228 1nF TP140 TP120 R317 22K TP122 R305 4K7 R249 0 U31 U 1 2 3 TP61 TP38 R300 1K TP124 R318 22K D30 DIODE SMD BAV99 1 3 2 R315 4K7 TP108 R250 0 C48 C C0603/SMD TP127 TP132 TP126 R313 220 R302 0 R98 10K P7 RCA3 3 6 2 1 5 4 J14 CONN PCB 8x2 15 1 3 5 7 9 11 13 2 4 6 8 10 12 14 16 TP125 TP58 D32 DIODE SMD BAV99 1 3 2 C224 100p R322 2K2 Q15 2N3904 SOT23/SMD 1 3 2 TP56 R312 330 R320 2K2 A B C D E 4 4 3 3 2 2 1 1 A OUT 1 IN3 IN1 1 B 0 1 0 1 0 IN2 0 MUTE 0 1 CTL OUT B A TTE WW R&D Center V1.0 tcl MT8205G SOLUTION-POWER B 8 12 Tuesday, August 02, 2005 Title Size Document Number Rev Date: Sheet of CVBSOUT TV_VIDEO CVBSIN1 UP1_3 UP1_4 CVBSIN2 AVCC CVBSOUT AVCC CVBS_1 CVBSIN1 UP1_5 CVBS_1 CVBS_1 CVBS0 CVBSIN1 TV_VIDEO CVBS0 UP1_4 CVBS_1 UP1_3 UP1_5 CVBSIN2 CVBSOUT 10 TV_VIDEO 7,9 CVBSIN1 7 UP1_3 2 UP1_4 2 CVBSIN2 7 UP1_5 2 CVBS_1 9 CVBS0 7,9 AVCC VCC_Powerdown AVCC AVCC R295 NC R291 43,1% R293 10K C213 1uF R297 4K7 U30 BA7654F 2 8 1 7 3 6 4 5 CTL GND A OUT B VCC GND OPEN CB143 0.1uF C214 1uF R298 NC R296 NC R10 R R299 NC U22 BA7612F 1 8 2 7 3 6 4 5 IN1 OUT A VCC B IN3 IN2 GND C215 1uF R294 NC + CE89 220uF/16v C218 1uF R292 10K + CE43 47uF/16v C217 1uF L52 FB BEAD/SMD/0805 A B C D E 4 4 3 3 2 2 1 1 FROM Analog Switch FROM VIDEO IN FROM Tuner ADD in PCB TTE WW R&D Center V1.0 tcl MT8205G SOLUTION-POWER C 9 12 Tuesday, August 02, 2005 Title Size Document Number Rev Date: Sheet of SY Y- SY- SY+ RED+ GREEN BLUE CVBS1- CVBS1+ CVBS2+ CVBS2- CVBS0- BLUE RED GREEN CB- CB+ CR+ Y- Y+ CR- RED+ BLUE+ GREEN- RED- GREEN+ BLUE- SY- SY+ SC- SC+ CVBS0+ CVBS0- CVBS1+ CVBS1- CVBS2+ CVBS2- CVBS_1 CVBS0 TV_VIDEO AF SIF MPX1 MPX2 RED- GREEN- GREEN+ BLUE- BLUE+ Y CB CR VGASOG GRN_GND GRN_GND BLU_GND RED_GND VGASOG CVBS_1 CVBS0 SOY SOY Y_GND CB_GND CR_GND Y_GND Y CB+ CB_GND CB- CB CR- CR_GND CR CR+ Y+ SY SC+ SC- SC SC CVBS0+ TV_VIDEO RED_GND MPX2 AF SIF MPX1 BLU_GND RED SY 7 RED 7 GREEN 7 BLUE 7 CB+ 2 CB- 2 CR+ 2 CR- 2 Y- 2 Y+ 2 BLUE+ 2 GREEN- 2 RED+ 2 RED- 2 GREEN+ 2 BLUE- 2 SY- 2 SY+ 2 SC- 2 SC+ 2 CVBS0+ 2 CVBS0- 2 CVBS1+ 2 CVBS1- 2 CVBS2+ 2 CVBS2- 2 CVBS_1 8 CVBS0 7,8 TV_VIDEO 7,8 AF 7 SIF 7 MPX2 2 MPX1 2 Y 7 CB 7 CR 7 VGASOG 2 BLU_GND 7 GRN_GND 7 RED_GND 7 SOY 2 Y_GND 7 CB_GND 7 CR_GND 7 SC 7,11 C169 47nF R161 0 R356 0 R149 68 R355 0 TP59 C139 47nF R150 75 R368 22 R372 0 C263 15PF NC C0603/SMD R370 22 R164 100 R145 56 R381 0 C258 330pF R158 75 R326 18 R345 100 R383 0 C256 330pF R369 22 R361 0 R382 22 TP63 C161 47nF + CE101 47uF/16v NC C47UF16V/D5H5 C247 15pF R380 0 R141 56 R163 75 C257 330pF R366 0 C253 47nF C252 15pF C254 47nF TP57 C163 47nF R136 56 C251 47nF R132 0 R371 0 L60 FB BEAD/SMD/0603 C207 5p C0603/SMD R379 0 C159 47nF C262 47nF NC R377 0 C167 5pF C259 330pF R364 0 R384 0 C255 47nF R362 100 R143 75 R156 68 C250 47nF L58 FB BEAD/SMD/0603 C152 47nF R386 8K2 R363 75 R367 75 + CE102 47uF/16v C47UF16V/D5H5 R365 100 R346 100 R325 18 C248 47nF C153 47nF R358 75 TP33 R360 100 R162 68 C143 47nF C136 47nF C168 47nF C206 15PF NC C0603/SMD C261 15PF NC C0603/SMD C162 5pF R357 100 R373 0 C188 4.7nF R151 0 R152 100 L62 FB BEAD/SMD/0603 R329 18 R359 0 R148 0 C137 47nF R157 39K C147 47nF R385 0 R327 0 C260 330pF C149 47nF C165 47nF C171 47nF C154 47nF C189 4.7nF C170 5pF R155 0 C249 15pF C164 47nF R133 75 R387 39K R328 22 R159 100 A B C D E 4 4 3 3 2 2 1 1 TWO WIRE SERIAL CONTROL DEVICE ADDRESS 0x34h CVBS AV OUT LOUND SPEAKER B C 3906 E MUTE_CIRCUIT 6.14 TTE WW R&D Center V1.0 tcl MT8205G SOLUTION-POWER C 10 12 Tuesday, August 02, 2005 Title Size Document Number Rev Date: Sheet of SCL SDA SCL14 SDA14 DACBCLK_1 DACLRC_1 DACMCLK_1 SDA SCL DOUT AOSDATA1 OGO0 OGO1 CVBS0_L CVBS0_R CVBS0_R CVBS0_L COMMON_IN_L COMMON_IN_R CVBSIN1_L CVBSIN1_R CVBSIN2_L COMMON_IN_R COMMON_IN_L CVBSIN2_R CVBSIN1_L CVBSIN1_R DACLRC CODHPOUTL CODHPOUTR HPOUTR HPOUTL ADCREFP ADCREFP AUDGND VMIDDAC DACMCLK DACBCLK VOUTR DACLRC VMIDADC VMIDADC VOUTL CODHPOUTL HPVDD SCL14 DOUT AOSDATA1 DVDD DACLRC DACBCLK AUXL AUDGND CODHPOUTR DACMCLK AUXR SDA14 HPVDD HPVDD HPVDD OGO5 CVBSIN2_L CVBSIN2_R GND VOUTL VOUTR DVDD DV33 CVBSOUT +12V +12V SLEEP MUTE MUTE OGO1 +12V FAULT TRREF +12V +12V SLEEP GND TRREF OGO0 MUTE V5D V5D +12V GND GND DACMCLK_1 DACLRC_1 DACLRC DACMCLK DACBCLK AOSDATA1 A_MUTE HPOUTL HPOUTR DACBCLK_1 V33_Powerdown CVBSOUT A_MUTE OGO1 VOUTR VOUTL V33_Powerdown +12V DACMCLK_1 2 DACLRC_1 2 DACBCLK_1 2 SCL 2,5,7 SDA 2,5,7 DOUT 2 AOSDATA1 2 OGO0 2 OGO1 2 CVBS0_L 7 CVBS0_R 7 COMMON_IN_L 7 COMMON_IN_R 7 CVBSIN1_L 7 CVBSIN1_R 7 OGO5 2,11 CVBSIN2_R 7 CVBSIN2_L 7 CVBSOUT 8 HPOUTL 11 HPOUTR 11 V33_Powerdown 1,2,3,4,12 +12V HPDVD VCC_Powerdown +12V DV33 DVDD +12V +12V +12V +12V VCC_IN VCC_IN +12V V33_Powerdown ADC_VDD R265 20K R194 47K + CE63 10uF/25v R187 33 TP143 R266 20K Q13 2N3904 1 3 2 CB152 0.1uF TP36 Q18 2N3906 1 3 2 TP156 + CE50 10uF/25v C205 0.47uF R167 33 C204 1000pF + C172 10uF/25v A D44 1N4148 1 2 Q2 2N3904 1 3 2 CB187 0.1uF + CE56 10uF/25v D23 DIODE SMD SCHOTTKY MBRS130LT3/NC + CE82 220uF/16v + CE53 10uF/25v CB184 1uF R263 20K + CE54 10uF/25v TP41 CB183 0.1uF R261 8.25K 1% TP42 + CE55 10uF/25v R188 33 R273 10K D26 DIODE SMD SCHOTTKY MBRS130LT3/NC U36 WM8776 1 2 3 4 5 6 7 8 9 10 11 12 13 14 15 16 17 18 19 20 21 22 23 24 25 26 27 28 29 30 31 32 33 34 35 36 37 38 39 40 41 42 43 44 45 46 47 48 AIN2L AIN1R AIN1L DACBCLK DACMCLK DIN DACLRC ZFLAGR ZFLAGL ADCBCLK ADCMCLK DOUT ADCLRC DGND DVDD MODE CE DI CL HPOUTL HPGND HPVDD HPOUTR NC NC VOUTL VOUTR VMIDDAC DACREFN DACREFP AUXR AUXL VMIDADC ADCREFGND ADCREFP AVDD AGND AINVGR AINOPR AINVGL AINOPL AIN5R AIN5L AIN4R AIN4L AIN3R AIN3L AIN2R CB185 0.1uF + CE49 10uF/25v CB149 0.1uF L78 10uH L100 C200 0.47uF TP148 R268 10 0805 + CE57 10uF/25v D37 1N4148 1 2 TP104 C203 0.1uF + CE66 2.2uF/50v R272 10K R174 5K TP151 C201 0.47uF + CE10 10uF/25v C10UF25V/D4H5 TP55 C198 0.1uF + CE103 100uF/16V L65 FB TP145 CB186 0.1uF R262 20K + CE60 10uF/25v + CE68 2.2uF/50v C197 0.47uF R190 33 L75 FB + CE59 10uF/25v R180 10K r324 470 R288 10K R271 4K7 R400 22k L74 10uH L100 + CE48 10uF/25v CB145 0.1uF TP146 R189 47K TP40 L63 FB R182 1K R181 10K + CE71 220uF/16v R29 0 J21 4 HEADER 4 3 2 1 + CE14 220uF/16v D24 DIODE SMD SCHOTTKY MBRS130LT3/NC CB146 0.1uF D42 1N4148 1 2 R323 100 + CE47 10uF/25v R389 470k + CE61 10uF/25v TP153 TP147 R179 10K + CE70 220uF/16v R30 1K U28 TA2024 1 2 3 4 5 6 7 8 9 10 11 12 13 14 15 16 32 31 30 29 28 27 26 25 24 23 22 21 20 19 18 17 33 34 35 36 +5VGEN DCAP2 DCAP1 V5D AGND1 REF OVERLOADB AGND2 V5A OAOUT1 INV1 MUTE NC OAOUT2 INV2 BIASCAP NC OUTP1 VDD1 VDD1 OUTM1 OUTM2 VDD2 VDD2 OUTP2 NC DGND NC PGND2 FAULT SLEEP AGND3 VDDA NC PGND1 CPUMP R169 10K L79 10uH L100 + CE69 47uF/16v + CE91 220uF/16V CB147 0.1uF C192 0.47uF TP144 + CE83 220uF/16v TP152 L77 FB C202 1000pF C191 0.47uF R166 33 C195 100pF C199 100pF C194 0.1uF R168 10K Q4 2N3904 1 3 2 + CE84 220uF/16v R170 10K CB188 0.1uF Q1 2N3904 1 3 2 CB148 0.1uF L76 10uH L100 Q12 2N3904 1 3 2 R31 10K TP154 R177 10K D43 1N4148 1 2 R270 4K7 C196 1000pF + CE58 10uF/25v R171 10K R32 4K7 R398 0 C193 1000pF R27 0 R173 5K D41 DIODE SMD 1N4148/SMD R264 10 0805 D25 DIODE SMD SCHOTTKY MBRS130LT3/NC J20 CON4/2.0mm 1 2 3 4 R388 ? A B C D E 4 4 3 3 2 2 1 1 LVDS OUT Server ADC Circuit Back Light circuit HEADPHONE OUT FOR PANEL Trace 30mils When 12V input, use L2/L5 TTE WW R&D Center V1.0 tcl MT8205G SOLUTION-POWER C 11 12 Tuesday, August 02, 2005 Title Size Document Number Rev Date: Sheet of CLK1+ CLK1- CLK2- CLK2+ AP[0..7] AN[0..7] PWM0 DVISCL DVISDA SDA SCL ADC_IN2 ADC_IN1 ADC_IN4 ADC_IN0 AFT_IN IR ADC_IN3 GND IR SC ADC_IN1 ADC_IN0 ADC_IN2 ADC_Key1 ADC_S2 ADC_IN4 ADC_IN3 GPIO ADC_SCART_2 PWM0 UP3_0 SC AFT_IN ADC_SCART_1 +P12V IO HPOUTL GND OGO5 HPOUTR IO Dimming AP5 AN6 AP2 AN7 AN3 CLK1- AP0 AN5 AN2 AP4 AP1 AN0 CLK2- CLK2+ CLK1+ AN1 UP3_0 AP6 PWM0 AP3 LVDSVDD AN4 BL_ON/OFF AP7 HPOUTR HPOUTL OGO5 LVSS GND GPIO POWER +12V CLK1+ 2 CLK1- 2 CLK2+ 2 CLK2- 2 AP[0..7] 2 AN[0..7] 2 PWM0 2 DVISCL 2,6 DVISDA 2,6 SDA 2,5,7,10 SCL 2,5,7,10 AFT_IN 7 ADC_IN3 2 IR 2 ADC_IN2 2 ADC_IN0 2 ADC_IN4 2 ADC_IN1 2 GPIO 2 SC 7,9 UP3_0 2 PWM0 2 +P12V 1 IO 2 HPOUTR 10 HPOUTL 10 OGO5 2 +12V VCC_Powerdown VCC_Powerdown +12V VCC_Powerdown VCC_Powerdown VCC_Powerdown +12V + CE92 100uF/16v + CE74 100uF/16v R240 R R19 10k TP25 R275 0 OHM R245 0 Q19 2N3904 1 3 2 R223 0 CB191 0.1uF TP160 J18 CONN PCB 5x2-S 2 4 6 8 10 1 3 5 7 9 L97 FB R222 100k R238 R L101 FB TP149 L112 FB R332 22K R241 0 U33 SI9953ADY 2 1 3 4 5 6 7 8 G1 S1 S2 G2 D2 D2 D2 D1 Q9 2N3904 SOT23/SMD 1 3 2 R239 1K R274 0 OHM TP157 R331 10K C186 R R18 10K TP92 L96 NC J4 4 HEADER 1 2 3 4 TP32 R242 0 TP15 CB158 0.1uF L100 FB F1 4A/?v FUSE/DIP/P10.0 TP159 R231 4K7 TP13 L114 FB CB173 0.1uF TP28 R229 10K C185 0.1uF TP10 TP158 R243 0 R28 100 CB154 0.1uF R279 0 OHM TP93 R221 10K R330 1K TP31 + CE79 470uF/50v J3 CON3 3 2 1 R228 0 CB193 0.1uF TP17 CB159 0.1uF R280 R R244 0 J12 FI-SE30P-HF LVDS/30P/P1.25/S 1 2 3 4 5 6 7 8 9 10 11 12 13 14 15 16 17 18 19 20 21 22 23 24 25 26 27 28 29 30 R224 4K7 Q11 2N3904 SOT23/SMD 1 3 2 A B C D E 4 4 3 3 2 2 1 1 RS-232 TTE WW R&D Center V1.0 tcl MT8205G SOLUTION-POWER A 12 12 Tuesday, August 02, 2005 Title Size Document Number Rev Date: Sheet of FCLK FCMD FDAT RXD TXD FDAT RxD TxD FCMD FCLK V33_Powerdown FDAT 2 FCLK 2 FCMD 2 TXD 2,7 RXD 2,7 V33_Powerdown 1,2,3,4,10 V33_Powerdown ADC_VDD TP22 R248 10K J11 4x1 W/HOUSING CON2.0-4 1 2 3 4 TP18 TP14 J5 CON5/2.0mm 1 2 3 4 5 TP20 R247 10K TP16

标签:

版权声明

1. 本站所有素材,仅限学习交流,仅展示部分内容,如需查看完整内容,请下载原文件。
2. 会员在本站下载的所有素材,只拥有使用权,著作权归原作者所有。
3. 所有素材,未经合法授权,请勿用于商业用途,会员不得以任何形式发布、传播、复制、转售该素材,否则一律封号处理。
4. 如果素材损害你的权益请联系客服QQ:77594475 处理。