TCL LCD LC32L6-PW0电源原理图

分类:电子电工 日期: 点击:0
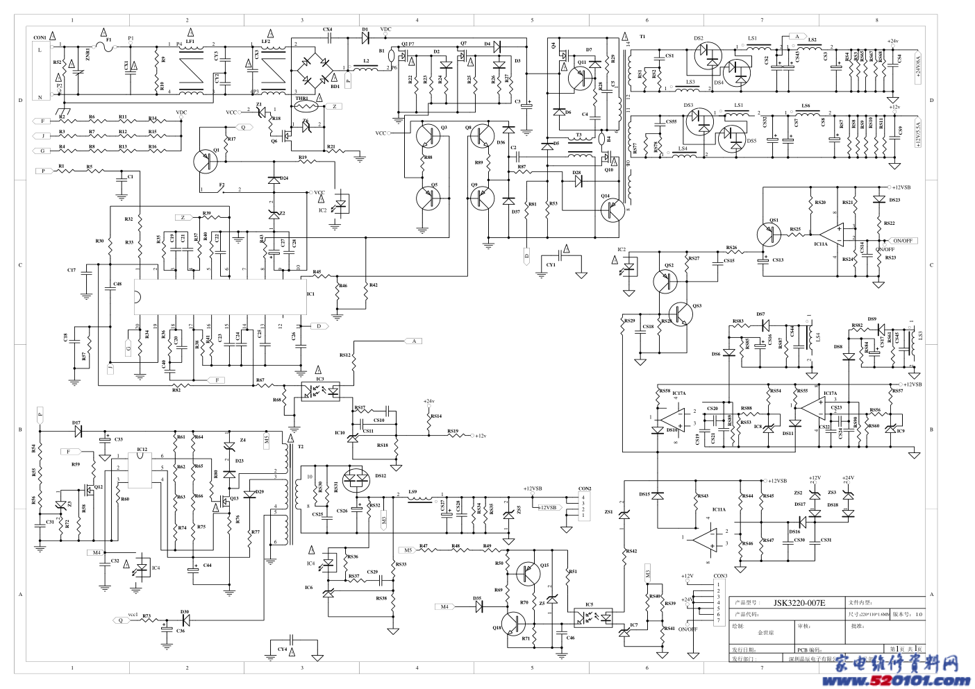
TCL LCD LC32L6-PW0电源原理图-0

1 2 3 4 5 6 7 8 A B C D 8 7 6 5 4 3 2 1 D C B A : 绘制 发行日期: 审核: PCB 编码: 尺寸: 版本号: 批准:  第 页 共 页 产品型号 : 产品代码:  : 发行部门 深圳晶辰电子有限公司 开发部 文件内型: CS4 +24V/6A RS4 RS3 CS3 CS2 CS1 RS1 RS2 THR1 C3 D4 CS9 +12V/5.5A RS8 RS7 R27 CS8 R26 D3 R25 Q7 R24 D2 R23 CS32 R22 Q3 Q5 Q2 D1 CS55 RS77 RS78 1 2 3 4 LF2 CX3 RS11 RS10 RS9 1 2 3 4 LF1 F1 ZNR1 R10 R9 CX1 10 2 8 3 6 4 5 T2 CS28 +12VSB RS35 RS34 CS27 RS33 C2 Q8 Q9 R53 T3 D28 Q14 Q10 CS25 R81 RS30 RS31 D6 D5 C4 R28 Q11 D7 Q4 R29 C5 1 2 Z1 Q6 R18 R21 R14 R11 R6 R2 R15 R12 R7 R3 R16 R13 R8 R4 F J G R55 R56 R54 Q12 1 2 Z3 R58 R59 F C31 R72 D17 C33 R75 R66 R65 R64 R61 R62 R63 R74 1 2 Z4 D23 Q13 R80 R76 D29 R77 C44 RS38 CS29 RS37 IC6 RS36 RS32 CY4 C36 R73 P Z 1 2 3 4 5 6 IC12 R60 M4 P C32 CS26 D R67 20 19 18 17 16 15 14 13 12 11 10 9 8 7 6 5 4 3 2 1 IC1 R43 C21 C22 R40 R37 R32 R5 R35 C19 C17 R33 R1 C1 C23 C24 C25 C26 R36 R34 R41 R57 R82 R17 R19 R42 C20 P C18 G C40 R38 F D Z C27 C28 1 2 Z2 R45 R46 R30 R39 D24 R68 Q1 J 1 2 L2 1 2 1 2 LS9 1 2 Z6 1 2 1 2 RS27 RS28 CS18 CS15 RS29 RS21 RS24 RS23 RS22 RS25 DS23 RS20 CS14 ON/OFF CS13 RS26 QS3 QS1 QS2 RS60 RS56 RS57 DS11 RS58 CS20 RS53 RS88 DS10 RS54 RS55 DS6 DS8 CS23 CS17 RS84 RS82 DS9 RS61 1 2 3 2 1 8 4 IC11A DS17 1 2 ZS2 DS16 CS30 RS47 CS31 RS46 RS45 RS44 RS43 DS15 CS16 RS85 RS83 DS7 RS87 1 2 D35 Q18 R69 R50 Q15 R70 R71 C46 R51 RS41 RS39 RS40 RS42 R48 R47 R49 1 2 ZS1 1 2 Z5 IC7 RS14 RS18 RS17 CS10 CS11 RS12 IC10 IC8 IC9 +24v +12v +12VSB +12VSB +12V +12VSB +12VSB 3 2 1 8 4 IC11A RS19 1 2 1 2 LS2 1 2 LS6 L 1 N 2 L N CON1 VDC VDC BD1 CS19 CS21 CS24 CS22 D30 1 2 ZS5 R87 R88 CS7 14 1 6 11 10 12 9 8 T1 M5 M5 M4 M3 IC5 M3 A A IC3 +24v +12v RS65 RS67 RS68 P1 P2 P3 P4 1 2 3 4 CON2 P6 B1 CS43 B4 3 2 1 8 4 IC17A 3 2 1 8 4 IC17A CY1 1 2 F2 P7 R89 vcc1 Q VCC D36 D37 Q VCC VCC 1.0 金世琼 +12V +24V ON/OFF ON/OFF DS18 1 2 ZS3 +24V DS12 JSK3220-007E CS44 CS45 RS89 RS90 CX4 DS3 DS5 DS2 DS4 1 2 3 4 5 6 7 CON3 C48 ! ! ! ! ! ! ! ! ! ! ! ! ! ! ! 220*110*1.6MM 1 1 ! ! ! ! ! ! ! ! R52 ! CY3 CY2 LS1 LS1 LS3 LS3 LS4 LS4 IC2 IC2 IC4 IC4

标签:

版权声明

1. 本站所有素材,仅限学习交流,仅展示部分内容,如需查看完整内容,请下载原文件。
2. 会员在本站下载的所有素材,只拥有使用权,著作权归原作者所有。
3. 所有素材,未经合法授权,请勿用于商业用途,会员不得以任何形式发布、传播、复制、转售该素材,否则一律封号处理。
4. 如果素材损害你的权益请联系客服QQ:77594475 处理。