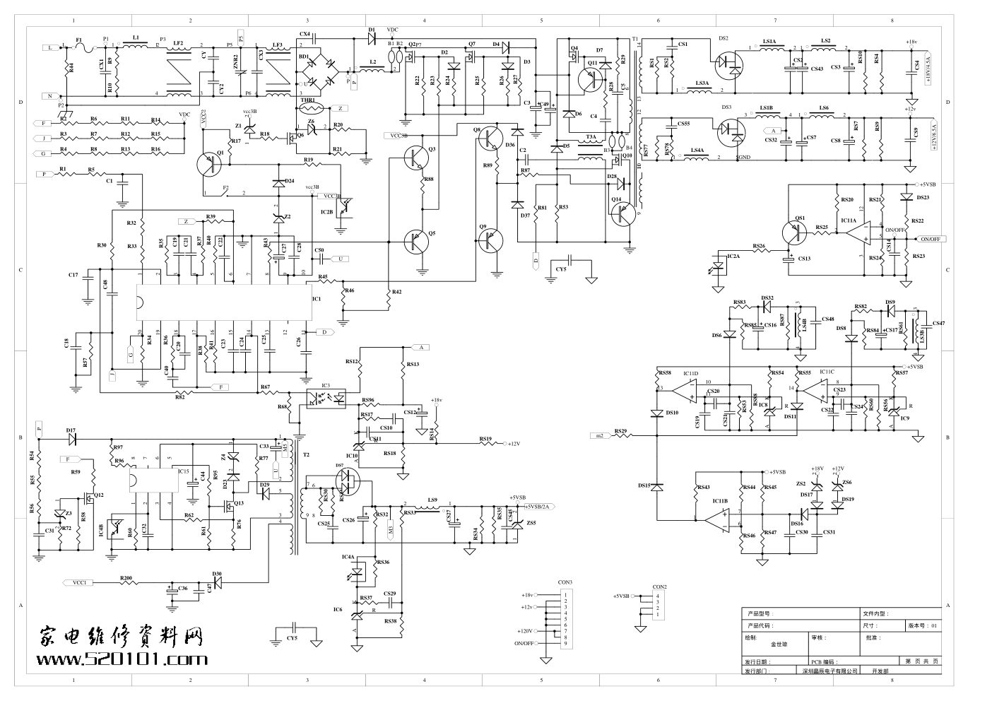
TCL LC4768-PW0(晶辰)电源板电路原理图

分类:电子电工 日期: 点击:0
TCL LC4768-PW0(晶辰)电源板电路原理图-0 TCL LC4768-PW0(晶辰)电源板电路原理图-1

1 2 3 4 5 6 7 8 A B C D 8 7 6 5 4 3 2 1 D C B A : 绘制 发行日期: 审核: PCB 编码: 尺寸: 版本号: 批准:  第 页 共 页 产品型号 : 产品代码:  : 发行部门 深圳晶辰电子有限公司 开发部 文件内型: 金世琼 CS106 +120V/1.5A RS105 RS104 CS105 CS102 CS101 RS100 RS103 THR100 C102 D103 R129 R128 D105 R126 Q104 R125 D102 R124 R122 Q103 Q110 Q102 D101 CX102 1 2 3 4 LF101 CX101 CY100 CY101 1 2 3 4 LF100 F100 ZNR100 R112 R113 CX100 C101 Q105 Q111 R154 T100 D108 Q112 Q108 R153 D107 D106 C104 R131 Q107 D109 Q106 R132 C105 1 2 Z100 Q101 R118 R120 R114 R109 R106 R101 R115 R110 R107 R102 R116 R111 R108 R103 FA JA GA R157 R156 R155 Q109 1 2 Z103 R160 R159 FA C119 R166 PA ZA PA DA R163 20 19 18 17 16 15 14 13 12 11 10 9 8 7 6 5 4 3 2 1 IC103 R149 C110 C111 R147 R144 R139 R105 R142 C108 C106 R140 R100 C100 C112 C113 C114 C116 R143 R141 R148 R158 R161 R117 R119 R152 C109 PA R138 C107 GA C118 R145 FA DA ZA C115 C117 1 2 Z102 R150 R151 R137 R146 D100 R165 Q100 JA 1 2 L101 IC104A 1 2 Z101 1 2 LS100A RS113 RS135 RS136 RS138 RS137 RS133 DS113 RS134 CS117 ON/OFF CS116 RS132 IC104B QS100 RS120 RS121 RS122 RS119 DS109 1 2 ZS100 5 4 2 IC120B DS108 CS111 RS118 CS112 RS116 RS117 RS115 RS114 DS107 RS123 RS131 RS129 RS130 RS127 RS126 CS114 CS113 RS128 DS111 CS115 RS125 +120v +120V +5VSB 9 8 14 IC120C 1 2 LS104A 1 2 LS102 L 1 N 2 L N CON1 VDCA VDC BD100 R121 1 2 L100 R130 C103 R123 R104 14 1 6 11 10 12 9 8 T101 n IC101 +120v RS112 DS106 RS111 CS110 RS110 RS109 CS108 CS107 DS105 RS108 RS107 DS104 RS106 3 4 LS100B P11 P2 P3 P12 P13 B100B101 CS103 B102 B103 7 6 1 3 12 IC120A CY6 1 2 F101 R127 CS109 DS101 VCC3A D104 D110 VCC2 VCC3A VCC3A DS102 01 IC100 Rs124 +5VSB DS110 RS140 RS141 CS119 CS118 QS101 QS102 M2 M1 R164 R162 VCC1 Q113 Q114 D111 C120 C121 VCC2 IC102 D112 DS112 RS142 RS143 CS121 CS120 QS103 QS104 M1 RS139 +5VSB +5VSB CS100 RS101 RS102 DS100 DS103 1 2 LS101 CS104 n A A K K R R IC106 A A K K R R IC107 P14 +5v RS145 L CS122 1 2 3 4 5 6 7 8 A B C D 8 7 6 5 4 3 2 1 D C B A : 绘制 发行日期: 审核: PCB 编码: 尺寸: 版本号: 批准:  第 页 共 页 产品型号 : 产品代码:  : 发行部门 深圳晶辰电子有限公司 开发部 文件内型: +18V/4.5A CS2 CS1 RS1 RS2 C3 D4 CS9 +12V/6.5A RS7 R27 CS8 R26 D3 R25 Q7 R24 D2 R23 CS32 R22 Q3 Q5 Q2 D1 CS55 RS77 CX4 RS78 1 2 3 4 LF3 CX3 RS9 1 2 3 4 LF2 F1 ZNR2 R10 R9 CX1 1 6 2 8 5 3 4 T2 +5VSB/2A CS27 RS33 C2 Q8 Q9 R53 T3A D28 Q14 Q10 CS25 R81 RS30 RS31 D6 D5 C4 R28 Q11 D7 Q4 R29 C5 R14 R11 R6 R2 R15 R12 R7 R3 R16 R13 R8 R4 F J G 1 2 Z4 D23 Q13 R76 D29 R77 C44 RS38 CS29 RS37 A K R IC6 RS32 CY5 C36 P R60 C32 CS26 D R67 20 19 18 17 16 15 14 13 12 11 10 9 8 7 6 5 4 3 2 1 IC1 R43 C21 C22 R40 R37 R32 R5 R35 C19 C17 R33 R1 C23 C24 C25 C26 R36 R34 R41 R57 R82 R17 R19 R42 C20 P C18 G C40 R38 F D Z C27 C28 1 2 Z2 R45 R46 R30 R39 D24 R68 Q1 J 1 2 L2 3 4 LS1B 1 2 LS9 IC2B IC4B IC4A 1 2 LS3A 1 2 LS4A RS29 RS21 RS24 RS23 RS22 RS25 DS23 RS20 CS14 ON/OFF CS13 RS26 IC2A QS1 RS60 RS56 RS57 DS11 RS58 CS20 RS53 RS88 DS10 RS54 RS55 DS6 DS8 CS23 CS17 RS84 RS82 DS9 RS61 3 4 LS3B 7 6 1 IC11B DS17 1 2 ZS2 DS16 CS30 RS47 CS31 RS46 RS45 RS44 RS43 DS15 CS16 RS85 RS83 DS32 RS87 3 4 LS4B RS14 RS18 RS17 CS10 CS11 RS13 CS12 RS12 A K R IC10 A K R IC8 A K R IC9 +12v +5VSB +5VSB +18V +5VSB 5 4 2 3 12 IC11A RS19 1 2 LS1A 1 2 LS2 1 2 LS6 VDC VDC BD1 CS19 CS21 CS24 CS22 D30 R87 R88 CS7 R44 14 6 8 12 10 13 11 9 T1 M3 A A IC3 +18v +12V P1 P2 P3 P5 SGND CS43 B3 B4 9 8 14 IC11C 11 10 13 IC11D CY5 1 2 F2 P7 R89 D36 D37 VCC2 01 金世琼 DS19 1 2 ZS6 +12V vcc3B C47 8 7 6 5 4 3 2 1 IC15 R62 R61 CS4 RS10 +18v CS3 VCC3B DS3 DS2 C1 R96 P5 R95 VCC1 C33 R55 R56 R54 Q12 1 2 Z3 R58 R59 F C31 R72 P 7 9 P ON/OFF P6 ON/OFF R200 RS36 M5 RS35 RS34 +5VSB 1 2 ZS5 VCC3B THR1 1 2 Z1 Q6 R18 R21 Z 1 2 Z6 R20 vcc3B DS7 U U B1 B2 C49 C48 1 2 L1 RS96 CY CY2 1 2 3 4 5 6 7 8 9 CON3 ON/OFF 1 2 3 4 CON2 +120V +12v +5VSB +18v R97 CS47 CS48 C50 U RS4 D17 CS45 m2 L L N

标签:

版权声明

1. 本站所有素材,仅限学习交流,仅展示部分内容,如需查看完整内容,请下载原文件。
2. 会员在本站下载的所有素材,只拥有使用权,著作权归原作者所有。
3. 所有素材,未经合法授权,请勿用于商业用途,会员不得以任何形式发布、传播、复制、转售该素材,否则一律封号处理。
4. 如果素材损害你的权益请联系客服QQ:77594475 处理。