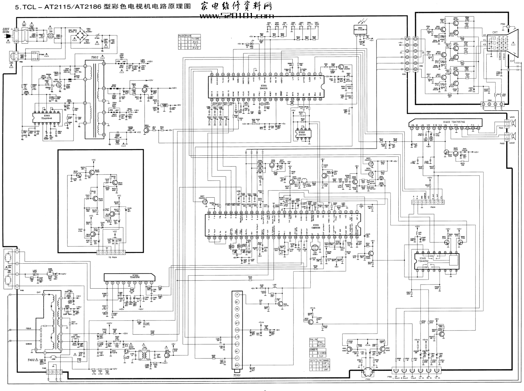
TCL AT2115AT2186(OM8838+Z90231)彩电原理图

分类:电子电工 日期: 点击:0
TCL AT2115AT2186(OM8838+Z90231)彩电原理图-0

标签:

版权声明

1. 本站所有素材,仅限学习交流,仅展示部分内容,如需查看完整内容,请下载原文件。
2. 会员在本站下载的所有素材,只拥有使用权,著作权归原作者所有。
3. 所有素材,未经合法授权,请勿用于商业用途,会员不得以任何形式发布、传播、复制、转售该素材,否则一律封号处理。
4. 如果素材损害你的权益请联系客服QQ:77594475 处理。